|
|
|
ГОСТ Р 4.1.8-99 ГОСУДАРСТВЕННЫЙ СТАНДАРТ РОССИЙСКОЙ ФЕДЕРАЦИИ ЕДИНООБРАЗНЫЕ ПРЕДПИСАНИЯ, КАСАЮЩИЕСЯ ОФИЦИАЛЬНОГО УТВЕРЖДЕНИЯ ФАР С АСИММЕТРИЧНЫМИ ОГНЯМИ БЛИЖНЕГО СВЕТА И (ИЛИ) ОГНЯМИ ДАЛЬНЕГО СВЕТА МЕХАНИЧЕСКИХ ТРАНСПОРТНЫХ СРЕДСТВ, ПРЕДНАЗНАЧЕННЫХ ДЛЯ ИСПОЛЬЗОВАНИЯ С ГАЛОГЕННЫМИ ЛАМПАМИ НАКАЛИВАНИЯ (ЛАМПЫ Н1, Н2, Н3, НВ3, НВ4, Н7, Н8, Н9, HIR1, HIR2 и (или) Н11)
Госстандарт
России
СОДЕРЖАНИЕПредисловие1. РАЗРАБОТАН Всероссийским научно-исследовательским институтом стандартизации и сертификации в машиностроении (ВНИИНМАШ) на основе Правил ЕЭК ООН № 8, принятых Рабочей группой по конструкции транспортных средств КВТ ЕЭК ООН ВНЕСЕН Госстандартом России 2. ПРИНЯТ И ВВЕДЕН В ДЕЙСТВИЕ
Постановлением Госстандарта России от 26 мая 3. Настоящий стандарт представляет собой идентичный текст Правил ЕЭК ООН № 8 с поправками серии 04 (с 06.07.86), Пересмотр 3 (документ E/ECE/324-E/ECE/TRANS/505/Add.7/Rev.3, дата вступления в силу 13.01.93) «Единообразные предписания, касающиеся официального утверждения фар с асимметричными огнями ближнего света и (или) огнями дальнего света механических транспортных средств, предназначенных для использования с галогенными лампами накаливания (лампы Н1, Н2, Н3, НВ3, НВ4, Н7, Н8, Н9, HIR1, HIR2 и (или) Н11)» и включает в себя: - Пересмотр 3 - Поправка 1 (документ E/ECE/324-E/ECE/TRANS/505/Add.7/Rev.3/Amend.l, дата вступления в силу 09.02.94); - Пересмотр 3 - Исправление 1 (документ E/ECE/324-E/ECE/TRANS/505/Add.7/Rev.3/Corr.l, дата вступления в силу 01.07.94); - Пересмотр 3 - Исправление 2 (документ E/ECE/324-E/ECE/TRANS/505/Add.7/Rev.3/Corr.2, дата вступления в силу 10,03.95); - Пересмотр 3 - Поправка 2 (документ E/ECE/324-E/ECE/TRANS/505/Add.7/Rev.3/Amend.2, дата вступления в силу 15.01.97); - Пересмотр 3 - Поправка 3 (документ E/ECE/324-E/ECE/TRANS/505/Add.7/Rev.3/Amend.3, дата вступления в силу 03.09.97); - Пересмотр 3 - Поправка 4 (документ E/ECE/324-E/ECE/TRANS/505/Add.7/Rev.3/Amend.4, дата вступления в силу 14.05.98) 5. ИЗДАНИЕ (февраль ГОСУДАРСТВЕННЫЙ СТАНДАРТ РОССИЙСКОЙ ФЕДЕРАЦИИ
Дата введения 2000-07-01 Настоящий стандарт вводит в действие Правила ЕЭК ООН № 8 (далее - Правила). А. АДМИНИСТРАТИВНЫЕ ПРЕДПИСАНИЯОбласть применения 1) Настоящие Правила распространяются на фары механического транспортного средства, на которых могут быть установлены рассеиватели из стекла или пластических материалов. 1) Ни одно положение настоящих Правил не препятствует какой-либо Стороне Соглашения, применяющей настоящие Правила, запрещать установку фары с рассеивателем из пластических материалов, официально утвержденной в соответствии с настоящими Правилами, в сочетании с механическим приспособлением для очистки фар (со стеклоочистителями). 1. ОпределенияВ настоящих Правилах применяют следующие термины с соответствующими определениями: 1.1 рассеиватель: Наиболее удаленный компонент фары (устройства), который пропускает свет через освещаемую поверхность 1.2 покрытие: Любое вещество или вещества, нанесенные одним или более слоями на наружную поверхность рассеивателя 1.3 фары различных типов: Фары, которые различаются между собой в таких существенных аспектах, как: 1.3.1 фабричная или торговая марка; 1.3.2 характеристики оптических систем; 1.3.3 добавление или снятие элементов, способных изменить оптические результаты путем отражения, преломления, поглощения и/или деформации при их эксплуатации. Однако добавление или снятие фильтров, предусмотренных исключительно для изменения цвета огня, а не для изменения его распределения, не означает изменения типа; 1.3.4 пригодность для правостороннего или левостороннего движения или возможность использования для движения в обоих направлениях; 1.3.5 род получаемого огня (ближний свет, дальний свет или оба огня); 1.3.6 патрон для крепления лампы (или ламп) накаливания одной из категорий 1) Н1, Н2, Н3, НВ3, НВ4, Н7, Н8, Н9, HIR1, HIR2 и (или) Н11 (Поправка серии 04), (Измененная редакция, Изм. № 1*). 1) Лампы накаливания HIR1 и/или Н9 можно использовать только для получения огня ближнего света в сочетании с установкой устройств (устройства) для очистки фар в соответствии с Правилами ЕЭК ООН № 45. Кроме того, при установке этих фар не применяют положения 6.2.6.2.2 Правил ЕЭК ООН № 48, включающих поправки серии 01, в отношении утла наклона. Это ограничение применяется до тех пор, пока не будет достигнуто общее соглашение по вопросу об использовании устройств регулировки фар и устройств для очистки фар в отношении уровня рабочих характеристик фары. Не следует смешивать понятие «тип лампы» с понятием «категория лампы». Настоящие Правила касаются фар, в которых используются галогенные лампы накаливания категорий Н1, Н2, Н3, НВ3, НВ4, Н7, Н8, Н9, H1R1, H1R2 и (или) Н11. Эти различные категории ламп накаливания отличаются друг от друга главным образом самой конструкцией, в частности цоколей. Они не взаимозаменяемы, но в одну и ту же категорию могут, как правило, входить лампы различных типов. 1.3.7 материалы, из которых состоят рассеиватели и покрытия, если таковые имеются. * Дополнение 10 к поправкам серии 04-E/ECE/324-E/ECE/TRANS/505/Add.7/Rev.3/Amend.5, дата вступления в силу 04.02.99 (здесь и далее). 2. Заявка на официальное утверждение фары 2)2.1 Заявка на официальное утверждение фары представляется владельцем фабричной или торговой марки или его надлежащим образом уполномоченным представителем. В ней должно быть указано: 2.1.1 предназначена ли фара для получения как ближнего, так и дальнего света или только одного из этих огней; 2.1.2 когда речь идет о фаре, предназначенной для ближнего света, то изготовлена ли она с учетом движения в обоих направлениях или только для правостороннего или левостороннего движения; 2.1.2.1 если фара оснащена регулируемым отражателем, то положение (положения) установки фары по отношению к поверхности дороги и к продольной средней плоскости автомобиля. (Поправка серии 04). 2.1.3 цвет светового пучка, излучаемого фарой. 2.2 К каждой заявке на официальное утверждение должны быть приложены: 2.2.1 достаточно подробные для определения типа фары чертежи в трех экземплярах, на которых изображен вид фары спереди и, в соответствующих случаях, детальный рисунок бороздок рассеивателя, а также поперечное сечение; на чертежах должно быть показано место, предназначенное для знака официального утверждения; 2.2.1.1 если фара оснащена регулируемым отражателем, то указание положения (положений) установки фары по отношению к поверхности дороги и продольной средней плоскости автомобиля при условии, что фара предназначена для использования только в этом (этих) положении (положениях). (Поправка серии 04). 2.2.2 краткое техническое описание; 2.2.3 два образца типа фары; 2.2.4 для испытания пластических материалов, из которых изготовлены рассеиватели: 2.2.4.1 тринадцать рассеивателей: 2.2.4.1.1 шесть из этих
рассеивателей могут быть заменены шестью образцами материала размером не менее
60×80 мм, имеющими плоскую или выпуклую наружную поверхность и в основном
плоский (радиус кривизны не менее 2.2.4.1.2 каждый такой рассеиватель или образец материала должен быть изготовлен таким методом, который используется в массовом производстве; 2.2.4.2 отражатель, к которому могут крепиться рассеиватели в соответствии с инструкциями изготовителя. 2) Заявка на официальное утверждение лампы накаливания: см. Правила ЕЭК ООН № 37. 2.3 К материалам, из которых изготовлены рассеиватели и покрытия, если таковые имеются, должны прикладываться протоколы испытания характеристик этих материалов и покрытий, если они уже были подвергнуты испытаниям. 2.4 Компетентный орган проверяет, чтобы до предоставления официального утверждения по типу конструкции были приняты соответствующие меры для обеспечения эффективного контроля за соответствием производства. 3. Маркировка 1)3.1 На фарах и лампах, представляемых на официальное утверждение, должна находиться фабричная или торговая марка предприятия, представившего заявку об официальном утверждении. 1) Если фары сконструированы в целях удовлетворения требованиям только правостороннего либо только левостороннего движения, рекомендуется, кроме того, указать с помощью нестираемого знака на переднем рассеивателе пределы зоны, которая может быть замаскирована, чтобы не мешать пользователям дороги страны, где направление движения иное, чем то, для которого сконструирована фара. Однако, если в силу конструкции такая зона может определяться непосредственно, в таком обозначении пределов нет необходимости. 3.2 На рассеивателе и корпусе 2) должны быть предусмотрены места достаточного размера для знака официального утверждения и дополнительных обозначений, упомянутых в разделе 4; эти места должны быть указаны на чертежах, упомянутых в 2.2.1. 2) Если рассеиватель невозможно отделить от корпуса фары, то достаточно предусмотреть такое место на рассеивателе. 3.3 Фары, сконструированные таким образом, чтобы удовлетворять требованиям как правостороннего движения, так левостороннего движения, должны иметь надписи для обозначения обеих позиций крепления оптического элемента на транспортном средстве или лампы накаливания на рефлекторе; эти надписи должны состоять из букв R/D для позиции, соответствующей правостороннему движению, и букв L/G для позиции, соответствующей левостороннему движению. 4. Официальное утверждение4.1 Общие предписания 4.1.1 Если все образцы типа фары, представленные на основании раздела 2, удовлетворяют предписаниям настоящего стандарта, то данный тип фары считается официально утвержденным. 4.1.2 В том случае, если сгруппированные, комбинированные или совмещенные огни удовлетворяют требованиям более чем одних Правил, то может проставляться единый международный знак официального утверждения при условии, что каждый из этих сгруппированных, комбинированных или совмещенных огней отвечает применяемым к ним положениям. Настоящее требование не применяется к фарам, снабженным колбой с двумя нитями накала, в этом случае официальное утверждение предоставляется только в отношении одного луча. 4.1.3 Каждому официально утвержденному типу присваивается номер официального утверждения. Первые две его цифры (в настоящее время 04) указывают серию поправок, включаемых последние основные технические изменения, внесенные в стандарт на момент предоставления официального утверждения. Одна и та же Договаривающая сторона не может присвоить тот же номер другому типу фары, на которую распространяется настоящий стандарт, за исключением тех случаев, когда официальное утверждение распространяется на устройство, отличающееся от официально утвержденного только по цвету излучаемого света. 4.1.4 Стороны Соглашения 1958 года уведомляются об официальном утверждении, распространении официального утверждения, об отказе в официальном утверждении, отмене официального утверждения или окончательном прекращении производства типа фары на основании настоящих Правил посредством карточки, соответствующей образцу, приведенному в приложении 1, с указаниями, предусмотренными в 2.2.1.1. (Поправка серия 04). 4.1.4.1 если фара оснащена регулируемым отражателем и предназначена для установки только в положениях, указанных в 2.2.1.1, то по получении официального утверждения податель заявки обязан надлежащим образом информировать потребителя о правильном положении (положениях) установки фары. (Поправка серии 04). 4.1.5 На каждой фаре, соответствующей типу, официально утвержденному на основании настоящих Правил, в местах, указанных в 3.2, помимо маркировки, предписанной в 3.1, проставляется знак официального утверждения, описание которого содержится в 4.2 и 4.3. 4.2 Схема знака официального утверждения Знак официального утверждения состоит: 4.2.1 из международного знака официального утверждения, представляющего собой: 4.2.1.1 круг, в котором проставлена буква Е, за которой следует отличительный номер страны, предоставивший официальное утверждение 1); 4.2.1.2 номер официального утверждения, предусмотренный в 4.1.3; 1) 1 - Германия, 2 - Франция, 3 - Италия, 4 - Нидерланды, 5 - Швеция, 6 - Бельгия, 7 - Венгрия, 8 - Чешская Республика, 9 - Испания, 10 - Югославия, 11 - Соединенное Королевство, 12 - Австрия, 13-Люксембург, 14 - Швейцария, 15 - не присвоен, 16 - Норвегия, 17 - Финляндия, 18 - Дания, 19 - Румыния, 20 - Польша, 21 - Португалия, 22 - Российская Федерация, 23 - Греция, 24 - Ирландия, 25 - Хорватия, 26 - Словения, 27 - Словакия, 28 - Беларусь, 29 - Эстония, 30 - не присвоен, 31 - Босния и Герцеговина, 32 - Латвия, 33 - 36 - не присвоены, 37 - Турция, 38 - 39 - не присвоены, 40 - бывшая югославская Республика Македония, 41 - не присвоен, 42 - Европейское сообщество (официальные утверждения предоставляются его государствами-членами с использованием их соответствующего символа ЕЭК) и 43 - Япония. Последующие порядковые номера присваиваются другим странам в хронологическом порядке ратификации ими Соглашения о принятии единообразных технических предписаний для колесных транспортных средств, предметов оборудования и частей, которые могут быть установлены и (или) использованы на колесных транспортных средствах, и об условиях взаимного признания официальных утверждений, выдаваемых на основе этих предписаний, или в порядке их присоединения к этому Соглашению. Присвоенные им таким образом номера сообщаются Генеральным секретарем Организации Объединенных Наций Договаривающимися сторонам Соглашения. 4.2.2 из следующего дополнительного обозначения или обозначений: 4.2.2.1 на фарах, отвечающих требованиям только левостороннего движения, - горизонтальной стрелки, направленной острием вправо по отношению к наблюдателю, смотрящему на фару спереди, т.е. в ту сторону дороги, по которой происходит движение; 4.2.2.2 на фарах, которые предназначены для установки - посредством соответствующей регулировки оптического элемента или лампы накаливания - для обоих направлений движения, - горизонтальной стрелки, имеющей два острия, одно из которых соответственно направлено влево, а другое - вправо; 4.2.2.3 на фарах, удовлетворяющих требованиям настоящих Правил только в отношении ближнего света, - буквы НС; 4.2.2.4 на фарах, удовлетворяющих требованиям настоящих Правил только в отношении дальнего света, - буквы HR; 4.2.2.5 на фарах, удовлетворяющих требованиям настоящих Правил как в отношении ближнего света, так и в отношении дальнего света, - буквы HCR; 4.2.2.6 на фарах с рассеивателями из пластических материалов рядом с обозначениями, предписанными в 4.2.2.3-4.2.2.5, проставляется сочетание букв PL; 4.2.2.7 на фарах, удовлетворяющих требованиям настоящих Правил в отношении дальнего света, рядом с кругом, в котором проставлена буква Е, наносится обозначение максимальной силы света, выраженной при помощи маркировочного значения, указанного в 6.3.2.1.2. В случае совмещенных фар указание максимальной силы света лучей дальнего света в целом производится способом, аналогичным приведенному выше. 4.2.3 В каждом случае соответствующий способ использования, применяемый в ходе испытания в соответствии с 1.1.1.1 приложения 5, и допустимое напряжение в соответствии с 1.1.1.2 приложения 5 должны быть указаны в карточке официального утверждения и в карточке сообщения, направляемым странам, которые являются Договаривающимися сторонами Соглашения и которые применяют настоящие Правила. В соответствующих случаях на устройствах проставляется следующая маркировка: 4.2.3.1 на фарах, удовлетворяющих требованиям настоящих Правил, которые сконструированы таким образом, чтобы нить накала ближнего света не включалась одновременно с какой-либо другой нитью, с которой она может быть совмещена, проставляется на знаке официального утверждения после обозначения лампы ближнего света наклонная черта (/); 4.2.3.2 на фарах, удовлетворяющих требованиям приложения 5 и работающих только от напряжения 6 или 12 В, около держателя лампы накаливания проставляется число 24, перечеркнутое косым крестом. 4.2.4 Около вышеупомянутых дополнительных обозначений могут наноситься две цифры номера официального утверждения (в настоящее время 04), которые указывают на серию поправок, включающих последние основные технические изменения, внесенные в Правила на момент предоставления официального утверждения, и, в случае необходимости, соответствующая стрелка. 4.2.5 Знаки и обозначения, упомянутые в 4.2.1 и 4.2.2, должны быть четкими и нестираемыми, даже если фара установлена на транспортном средстве. 4.3 Схема знака официального утверждения 4.3.1 Отдельные фары Примеры схем знаков официального утверждения с вышеупомянутыми дополнительными обозначениями приведены в приложении 3 на рисунках 1 - 9. 4.3.2 Сгруппированные, комбинированные или совмещенные лампы 4.3.2.1 Если сгруппированные, комбинированные или совмещенные лампы соответствуют предписаниям нескольких Правил, то может проставляться один международный знак официального утверждения, состоящий из круга, в котором проставлена буква Е, за которой следует отличительный номер страны, предоставившей официальное утверждение, и номера официального утверждения. Такой знак официального утверждения может быть проставлен в любом месте сгруппированных, комбинированных или совмещенных ламп при условии, что: 4.3.2.1.1 он виден после их установки, 4.3.2.1.2 любой элемент сгруппированных, комбинированных или совмещенных ламп, пропускающий свет, может быть снят только вместе со знаком официального утверждения. 4.3.2.2 Условное обозначение каждой лампы, соответствующее всем стандартам на основании которых было предоставлено официальное утверждение, а также соответствующим поправкам, включающим последние основные технические изменения, внесенные в стандарт к моменту выдачи официального утверждения, и, в случае необходимости, соответствующую стрелку наносят: либо 4.3.2.2.1 на соответствующую светоиспускающую поверхность, либо 4.3.2.2.2 в случае сгруппированных ламп таким образом, чтобы каждая из сгруппированных, комбинированных или совмещенных ламп могла быть легко определена (см. четыре образца, приведенные в приложении 3). 4.3.2.3 Размер элементов единого знака официального утверждения не должен быть менее минимального размера элементов отдельных знаков, на основании которых было предоставлено официальное утверждение. 4.3.2.4 Номер официального утверждения присваивается каждому официально утвержденному типу. Одна и та же Договаривающаяся сторона не может присваивать тот же номер другому типу сгруппированных, комбинированных или совмещенных ламп, подпадающих под действие настоящего стандарт. 4.3.2.5 Образцы схем знаков официального утверждения для сгруппированных, комбинированных или совмещенных ламп, а также всех вышеупомянутых дополнительных обозначений приведены на рисунке 10 в приложении 3. 4.3.3 Огни, рассеиватели которых используются для различных типов фар и которые также могут быть совмещены или сгруппированы с другими огнями В этом случае применяются положения, приведенные в 4.3.2. 4.3.3.1 Кроме того, в случаях использования одного и того же рассеивателя на последний могут наноситься различные знаки официального утверждения, относящиеся к различным типам фар или группам ламп при условии, что на корпусе фары, даже если он не может быть отделен от рассеивателей, также имеется место, указанное в 3.2, и также нанесены знаки официального утверждения, относящиеся к конкретным функциям этих фар. Если различные типы фар имеют одинаковый корпус, то на него могут наноситься различные знаки официального утверждения. 4.3.3.2 Примеры соответствующих знаков официального утверждения приведены на рисунке 11 в приложении 3. В. ТЕХНИЧЕСКИЕ ПРЕДПИСАНИЯ, КАСАЮЩИЕСЯ ФАР 1)5. Общие спецификации5.1 Каждый образец должен отвечать спецификациям, приведенным в разделах 6 - 8. 1) Технические требования для ламп накаливания - см. Правила ЕЭК ООН № 37. 5.2 Фары должны быть изготовлены таким образом, чтобы при нормальных условиях использования и несмотря на вибрацию, которой они могут при этом подвергаться, они сохраняли свои предписанные фотометрические характеристики и находились в надлежащем рабочем состоянии. 5.2.1 Фары должны оборудоваться устройством, позволяющим производить предписанную регулировку фар на транспортном средстве в соответствии с применяемыми к ним правилами. Такое устройство может не предусматриваться для комплектов фар, отражатель и рассеиватель которых неотделимы друг от друга, если использование таких комплектов ограничивается транспортными средствами, на которых регулировка фар обеспечивается другими способами. Если фара дальнего света и фара ближнего света, каждая из которых снабжена отдельной лампой накаливания, группируются или совмещаются в единое устройство, то регулировочное устройство должно позволять производить предписанную регулировку каждой из оптических систем раздельно. Однако это положение не применяется к фарам в сборе с нераздельными отражателями. В отношении этого типа фар должны применяться требования раздела 6 настоящего стандарта. 5.3 Детали, предназначенные для крепления лампы (ламп) накаливания к отражателю, должны быть изготовлены таким образом, чтобы даже в темноте была обеспечена возможность крепления лампы (ламп) накаливания только в надлежащем положении 2). 2) Считается, что фара отвечает требованиям настоящего пункта, если монтаж лампы накаливания в фару не представляет трудностей, и цокольные штифты могут быть вставлены в прорези патронов в правильном направлении даже в темноте. Патрон лампы накаливания должен соответствовать размерам, указанным в следующих спецификациях Публикации МЭК 61-2:
(Поправка серии 04). (Измененная редакция, Изм. № 1). 5.4 Для фар, сконструированных таким образом, чтобы удовлетворять требованиям как правостороннего движения, так и левостороннего движения, приспособление к определенному направлению движения может быть достигнуто путем соответствующего первоначального регулирования в момент оборудования транспортного средства, или это делается самим водителем. Это первоначальное или специальное регулирование должно заключаться, например, в установке под определенным углом либо оптического элемента на автомобиле, либо лампы накаливания по отношению к оптическому элементу. Во всех случаях должны быть возможны только две различные совершенно определенные позиции крепления, отвечающие каждая одному направлению движения (правостороннему или левостороннему), и всякое неумышленное перемещение фары от одной позиции к другой так же, как наличие промежуточных позиций, должно быть невозможным. Если лампа накаливания может занимать две различные позиции, то части, предназначенные для крепления лампы накаливания к рефлектору, должны быть спроектированы и изготовлены таким образом, чтобы в каждой из этих двух позиций лампа накаливания была вмонтирована с той же точностью, которая требуется для фар, предназначенных для одного направления движения. Проверка соответствия предписаниям настоящего пункта производится путем осмотра ив случае необходимости, путем пробного монтажа 5.5 На фарах, предназначенных для излучения попеременного дальнего или ближнего света, механическое, электромеханическое или иное приспособление, вмонтированное в фару для перехода от одного огня к другому 1), должно быть сконструировано таким образом: 5.5.1 чтобы оно было достаточно прочным для бесперебойного функционирования 50000 раз, несмотря на вибрацию, которой оно может подвергаться при нормальном использовании; 5.5.2 чтобы в случае поломки огонь ближнего света получался автоматически; 5.5.3 чтобы всегда получался либо огонь ближнего света, либо огонь дальнего света, с тем чтобы возможность промежуточной позиции была исключена; 5.5.4 чтобы пользователь не мог обычными средствами изменить форму и положение подвижных элементов. 1) Эти предписания не применяются к переключающему устройству. 5.6 Дополнительные испытания проводятся в соответствии с требованиями приложения 5, для того чтобы убедиться, что при эксплуатации не наблюдается чрезмерного изменения фотометрических характеристик. 5.7 Если рассеиватель фары изготовлен из пластических материалов, то испытания проводятся в соответствии с требованиями приложения 6. 6. Освещенность6.1 Общие предписания 6.1.1 Фары должны быть сконструированы таким образом, чтобы при использовании соответствующих ламп накаливания Н1, Н2, Н3, НВ3, НВ4, Н7, Н8, Н9, HIR1, HIR2 и (или) Н11 они давали не ослепляющую, но достаточную освещенность при включении огней ближнего света и хорошую освещенность при включении огней дальнего света. (Поправка серии 04). (Измененная редакция, Изм. № 1). 6.1.2 Для проверки
освещенности, которую дает фара, надлежит пользоваться вертикальным экраном,
расположенным на расстоянии 6.1.3 При проверке фар надлежит пользоваться эталонной лампой (лампами) накаливания, рассчитанной на номинальное напряжение 12 В, причем фильтры желтого селективного цвета 2), при наличии таковых, следует заменить геометрически идентичными бесцветными фильтрами, имеющими коэффициент пропускания не менее 80%. Напряжение на клеммах лампы накаливания при проверке фары должно регулироваться таким образом, чтобы можно было получить следующие характеристики: 2) Этими фильтрами являются все элементы, включая рассеиватель, предназначенные для придания свету окраски.
(Поправка серии 04). (Измененная редакция, Изм. № 1). Фара считается отвечающей требованиям, если фотометрические спецификации удовлетворяются по меньшей мере одной лампой накаливания в 12 В, которая может поставляться вместе с фарой. 6.1.4 Расстояния, определяющие положение нити накала внутри эталонной лампы накаливания, приведены в соответствующих спецификациях Правил ЕЭК ООН № 37. 6.1.5 Колба эталонной лампы накаливания должна быть такой формы и иметь такие оптические качества, чтобы не возникало отражения или преломления, неблагоприятно влияющего на распределение светового потока. Для проверки соответствия этому требованию измеряется распределение светового потока, изучаемого эталонной лампой накаливания, вмонтированной в фару-эталон. 6.2 Предписания, касающиеся огней ближнего света 6.2.1 Огонь
ближнего света должен давать четкую светотеневую границу, чтобы при помощи этой
границы можно было обеспечить регулирование. Светотеневая граница должна быть
горизонтальной на стороне, противоположной направлению движения, для которого
предусмотрена фара; на другой стороне она не должна пересекать ломаную линию НVH1 H4, образуемую прямой HVH1 проходящей под углом
45° к горизонтали, и прямой Н1 H4,
проходящей на высоте 6.2.2 Фара должна быть направлена таким образом, чтобы: 6.2.2.1 у фар, которые должны отвечать требованиям правостороннего движения, светотеневая граница была горизонтальной на левой половине экрана 1), а у фар, которые должны отвечать требованиям левостороннего движения, светотеневая граница была горизонтальной на правой половине экрана; 6.2.2.2 эта
горизонтальная часть светотеневой границы находилась на экране на расстоянии 6.2.2.3 «колено» светотеневой границы находилось на линии vv 2). 1) Ширина регулировочного экрана должна быть достаточной для того, чтобы можно было рассмотреть светотеневую границу на расстоянии не менее 5 с каждой стороны линии vv. 2) Если в фаре, которая должна удовлетворять предписаниям настоящих Правил только в отношении огней ближнего света, фокусная ось существенно отклоняется от общего направления светового пучка или, если независимо от типа фары (только ближнего света или ближнего и дальнего света) пучок не дает светотеневой границы, имеющей четкое «колено», боковое регулирование должно осуществляться так, чтобы наилучшим образом удовлетворять требованиям, касающимся освещенности в точках 75 и 50R для правостороннего движения и соответственно 75 и 50L для левостороннего движения. 6.2.3 Отрегулированная таким образом фара должна отвечать только условиям, упомянутым в 6.2.5 - 6.2.7, если заявка на ее официальное утверждение представляется только для огней ближнего света 3), и условиям, упомянутым в 6.2.5 - 6.2.7 и 6.3, если она предназначена для огней ближнего и дальнего света. 3) Фара, сконструированная специально для огней ближнего света, может служить также для огней дальнего света, к которым эти технические требования не предъявляются, 6.2.4 Если
отрегулированная вышеуказанным образом фара не отвечает условиям, упомянутым в
6.2.5 - 6.2.7
и 6.3,
разрешается изменить регулирование, но при условии, чтобы ось светового пучка
не перемещалась направо или налево более чем на 1° (= 4) Предел отклонения в 1o вправо или влево совместим с отклонением по вертикали вверх или вниз, которое, в свою очередь, ограничивается только условиями, указанными в 6.3, однако горизонтальная часть светотеневой границы не должна пересекать линию hh (условия 6.3 не распространяются на фары, которые должны отвечать требованиям настоящих Правил только в отношении ближнего света). 6.2.5 Освещенность экрана огнями ближнего света должна отвечать предписаниям приведенной ниже таблицы:
6.2.6 Ни в одной из зон I - IV не должно наблюдаться боковых вариаций, препятствующих хорошей видимости. 6.2.7 Освещенность в зонах А и В, показанная на рисунке С в приложении 4, проверяется путем измерения фотометрических величин в точках 1 - 8 на этом рисунке; эти величины должны находиться в следующих пределах; 1 + 2 + 3 ≥ 0,3 лк и 4 + 5 + 6 ≥ 0,6 лк и 0,7 лк ≥ 7 ≥ 0,1 лк и 0,7 лк ≥ 8 ≥ 0,2 лк. Освещенность в любой
точке зон А и В, которая
находится также в зоне III,
не должна превышать Эти новые величины не
применяются к фарам, которые были официально утверждены до даты применения
дополнения 4 к поправкам серии 04 к настоящим Правилам (13 января (Поправка серии 04). 6.2.8 Фары, которые должны отвечать требованиям как правостороннего, так и левостороннего движения, должны соответствовать при каждой из двух позиций крепления оптического элемента или лампы накаливания условиям, указанным выше для направления движения, соответствующего рассматриваемой позиции крепления. 6.3 Предписания, касающиеся огней дальнего света 6.3.1 Если фара предназначена для огней дальнего света и огней ближнего света, измерение освещенности экрана огнями дальнего света производится при том же регулировании фары, которое указано для измерений, определенных в 6.2.5 - 6.2.7; если фара предназначена только для огней дальнего света, она должна быть отрегулирована таким образом, чтобы область максимальной освещенности была сконцентрирована вокруг точки пересечения линий hh и vv; такая фара должна удовлетворять только условиям, упомянутым в 6.3. 6.3.2 Освещенность экрана огнями дальнего света должна соответствовать нижеследующим условиям: 6.3.2.1 точка пересечения (HV) линий hh и vv должна находиться в плоскости, ограниченной кривой одинаковой освещенности, равняющейся 80% максимальной освещенности. Эта максимальная освещенность (ЕM) должна составлять не менее 48 лк. Максимальное значение ни в коем случае не должно превышать 240 лк. Кроме того, в случае комбинированной фары дальнего и ближнего света это максимальное значение не должно более чем в 16 раз превышать освещенность, измеренную при ближнем свете в точке 75R (или 75L); 6.3.2.1.1 максимальную силу света 1М фар дальнего света, выраженную в тысячах свечей, рассчитывают по формуле IM = 0,625 ЕM ; 6.3.2.1.2 маркировочное значение I’м этой максимальной силы света, упомянутое в 4.2.2.7, рассчитывают по формуле
Это значение округляется до ближайшего из следующих значений: 7,5; 10; 12,5; 17,5; 20, 25, 27,5; 30; 37,5; 40; 45; 50. 6.3.2.2 Если исходить из
точки HV по горизонтали направо и налево, то освещенность должна
равняться не менее 24 лк в пределах расстояния 6.4 Если фара оснащена регулируемым отражателем, то по отношению к каждому из положений установки фары, указанных в 2.1.3, применяются требования, предусмотренные в 6.2 и 6.3. Проверка проводится в следующем порядке: 6.4.1 каждое из указанных положений определяется при помощи проверочного гониометра по линии, соединяющей центр источника света и точку HV на измерительном экране. Затем регулируемый отражатель устанавливается в таком положении, чтобы освещенность на экране соответствовала заданным предписаниям, предусмотренным в 6.2.1 - 6.2.2.3 и/или 6.3.1; 6.4.2 если отражатель первоначально установлен согласно 6.4.1, то фара должна отвечать соответствующим фотометрическим параметрам, предусмотренным в 6.2 и 6.3; 6.4.3 дополнительные испытания проводятся после поворота отражателя по вертикали на ± 2° по отношению к его первоначальному положению при помощи устройства регулировки фар или, как минимум, до упора в том случае, если его нельзя повернуть на 2°. После переориентации всей фары в сборе (например, с помощью гониометра) в соответствующем противоположном направлении значения светового потока в указываемых ниже направлениях должны находиться в следующих пределах: - огонь ближнего света: точки HV и 75R (соответственно 75L); - огонь дальнего света: точка IM и точка HV (в процентах от Iм); 6.4.4 если податель заявки указывает более одного положения установки фары, то процедура, описанная в 6.4.1 - 6.4.3, повторяется применительно ко всем другим положениям; 6.4.5 если податель заявки не указывает конкретных положений установки фары, то в этом случае фара должна быть отрегулирована на проведение измерений, указанных в 6.2 и 6.3, при этом устройство регулировки фар должно находиться в среднем положении. Дополнительные испытания, предусматриваемые в 6.4.3, проводятся после поворота отражателя до упора (если его нельзя повернуть на ±2°) при помощи устройства регулировки фар. 6.4 - 6.4.5 (Поправка серии 04). 6.5 Освещенность экрана, упомянутая в 6.2.5 - 6.2.7 и 6.3, измеряют с помощью фотоприемника, полезная площадь которого вписывается в квадрат размером 65×65 мм. 7. Требования к цветным рассеивателям и фильтрам7.1 Официальное утверждение будет предоставляться для фар, имеющих лампу накаливания, излучающую либо белый свет, либо свет желтого селективного цвета. Соответствующие колориметрические характеристики, выраженные в трех цветных координатах цветности МКС, приводятся ниже: Селективно-желтый фильтр (экран или рассеиватель) Предел в сторону красного Y ≥ 0,138 + 0,580 х; Предел в сторону зеленого Y ≤ 1,29х- 0,100; Предел в сторону белого Y ≥ -x + 0,966; Предел в сторону спектральной величины Y ≤ - х + 0,992. что может быть выражено следующим образом: доминирующая длина волны: 575 - 585 нм; чистого цвета: 0,90 - 0,98. Коэффициент пропускания должен быть ≥ 0,78, когда он определяется при помощи источника света с цветовой температурой излучения 2856 К 1). 7.2 Фильтр должен быть составным элементом фары; он должен быть установлен на ней таким образом, чтобы пользователь не мог снять его случайно или преднамеренно с применением обычных способов. 1) Соответствует стандартному источнику А Международной комиссии по светотехнике (МКС). 8. Проверка степени ослепленияОслепление, вызываемое огнями ближнего света, подлежит проверке 2). 2) Это требование будет предметом рекомендации, составленной для административных органов. 9. Фара-эталон 3)Фарой-эталоном будет считаться фара: 9.1 удовлетворяющая упомянутым выше условиям официального утверждения; 9.2 имеющая эффективный
диаметр, равный, по меньшей мере, 9.3 дающая при помощи эталонной лампы накаливания в различных точках и в различных зонах, предусмотренных в 6.2.5, освещенность: 9.3.1 не более 90% максимальных пределов, 9.3.2 не менее 120% минимальных пределов, предписанных в таблице, которая приведена в 6.2.5. 3) Временно могут быть приняты другие величины. При отсутствии окончательно установленных спецификаций рекомендуется пользоваться официально утвержденной фарой. 10. Замечания относительно цветаЛюбое официальное утверждение во исполнение настоящих Правил предоставляется в силу 7.1 на тип фары, излучающей либо белый свет, либо свет желтого селективного цвета; статья 3 Соглашения, к которому прилагаются настоящие Правила, не препятствует Договаривающимся сторонам запрещать установку на регистрируемых ими транспортных средствах фар, излучающих белый свет или свет желтого селективного цвета. С. ПРОЧИЕ АДМИНИСТРАТИВНЫЕ ПРЕДПИСАНИЯ11. Изменение типа фары и распространение официального утверждения11.1 Любое изменение типа фары доводится до сведения административного органа, который предоставил официальное утверждение для данного типа. После чего этот орган может: 11.1.1 либо прийти к заключению, что внесенные изменения, по всей видимости, не будут иметь значительных отрицательных последствий и в любом случае фара по-прежнему удовлетворят требованиям либо 11.1.2 затребовать у технической службы, уполномоченной проводить испытания, новый протокол испытаний. 11.2 Стороны Соглашения, применяющие настоящие Правила, уведомляются о подтверждении или об отказе в официальном утверждении с указанием изменений в соответствии с процедурой, предусмотренной в 4.1.4. 11.3 Компетентный орган,
распространивший официальное утверждение, присваивает такому распространению
серийный номер и уведомляет об этом другие Стороны Соглашения 12. Соответствие производства12.1 Фары, официально утвержденные на основании настоящих Правил, изготавливаются таким образом, чтобы они соответствовали официально утвержденному типу и отвечали требованиям, изложенным в разделах 6 и 7. 12.2 Для проверки соблюдения требований 12.1 осуществляются надлежащие мероприятия по контролю за производством. 12.3 Владелец официального утверждения должен, в частности: 12.3.1 обеспечивать наличие процедур эффективного контроля за качеством продукции; 12.3.2 иметь доступ к контрольному оборудованию, необходимому для проверки соответствия каждому официально утвержденному типу; 12.3.3 обеспечивать регистрацию данных о результатах испытаний и хранение связанных с этим документов в течение периода времени, определяемого по согласованию с административной службой; 12.3.4 анализировать результаты каждого типа испытаний для проверки и обеспечения стабильности характеристик продукции с учетом отклонений, допускаемых в промышленном производстве; 12.3.5 обеспечивать проведение по каждому типу продукции, по крайней мере, тех испытаний, которые предусмотрены в приложении 2; 12.3.6 обеспечивать - если в ходе предусмотренного типа испытания выявляется несоответствие отобранных образцов - проведение повторного отбора образцов и повторного испытания. Принимают все необходимые меры для восстановления соответствия данного производства. 12.4 Компетентный орган, предоставивший официальное утверждение типа, может в любое время проверить методы контроля за соответствием производства, применяемые в отношении каждой производственной единицы. 12.4.1 В ходе каждой проверки инспектору должны предоставляться протоколы испытаний и производственные журналы технического контроля. 12.4.2 Инспектор может произвольно отбирать образцы для их испытания в лаборатории предприятия-изготовителя. Минимальное количество образцов может быть определено в зависимости от результатов проверок, проведенных самим предприятием-изготовителем. 12.4.3 Если уровень качества представляется неудовлетворительным или если считается необходимым проверить действительность испытаний, проведенных в порядке применения 12.4.2, инспектор отбирает образцы с целью их направления технической службе, которая проводила испытания для официального утверждения типа с использованием критериев приложения 7. 12.4.4 Компетентный орган может проводить любое испытание, предписываемое настоящим стандартом. Эти испытания проводятся на произвольно отобранных образцах без ущерба для обязательств предприятия-изготовителя в отношении поставок и в соответствии с критериями приложения 7. 12.4.5 Компетентный орган стремится обеспечить проведение проверок с периодичностью один раз в два года. Однако этот вопрос решается по усмотрению компетентного органа и с учетом его уверенности в действенности мероприятий по обеспечению эффективного контроля за соответствием производства. В случае получения отрицательных результатов компетентный орган обеспечивает принятие всех необходимых мер для восстановления соответствия производства, по возможности, в кратчайшие сроки. 12.5 Фары с явными неисправностями не учитываются. 12.6 Эталонная маркировка не учитывается. 12.1 - 12.6 (Поправка серии 04). 13. Санкции, налагаемые за несоответствие производства13.1 Официальное утверждение типа фары, предоставленное на основании настоящих Правил, может быть отменено, если не соблюдается соответствующее требование или фара, на которой проставлен знак официального утверждения, не соответствует официально утвержденному типу. 13.2 Если какая-либо Договаривающаяся сторона Соглашения 1958 года отменяет предоставленное ею ранее официальное утверждение, она немедленно сообщает об этом другим Договаривающимся сторонам, применяющим настоящие Правила, посредством карточки сообщения, соответствующей образцу, приведенному в приложении 1. 14. Окончательное прекращение производстваЕсли владелец официального утверждения полностью прекращает производство какого-либо типа фары, официально утвержденного на основании настоящих Правил, он должен сообщить об этом компетентному органу, предоставившему официальное утверждение. По получении соответствующего сообщения компетентный орган уведомляет об этом другие Стороны Соглашения 1958 года посредством карточки сообщения, соответствующей образцу, приведенному в приложении 1. 15. Наименования и адреса технических служб, уполномоченных проводить испытания для официального утверждения, и административных органовСтороны Соглашения 1958 года должны сообщить Секретариату Организации Объединенных Наций наименования и адреса технических служб, уполномоченных проводить испытания для официального утверждения, а также административных органов, которые предоставляют официальное утверждение и которым следует направлять выдаваемые в других странах регистрационные карточки официального утверждения, распространения официального утверждения, отказа в официальном утверждении, отмены официального утверждения или окончательного прекращения производства. ПРИЛОЖЕНИЕ
1
|
|||||||||||||||||||||||||||||||||||||||||||||||||||||||||||||||||||||||||||||||||||||||||||||||||||||||||||||||||||||||||||||||||||||||||||||||||||||||||||||||||||||||||||||||||||||||||||||||||||||||||||||||||||||||||||||||||||||||||||||||||||||||||||||||||||||||||||||||||||||||||||||||||||||||||||||||||||||||||||||||||||||||||||||||||||||||||||||||||||||||||||||||||||||||||||||||||||||||||||||||||||||||||||||||||||||||||||||||||||||||||||||||||||||||||||||||||||||||||||||||||||||
|
|
|
|
Рисунок 2 |
Рисунок 3а |

Рисунок 3b
Устройство, на которое нанесен изображенный выше знак официального утверждения, удовлетворят требованиям настоящих Правил как в отношении огней ближнего света, так и в отношении огней дальнего света и предназначено:
|
только для левостороннего движения.
|
как для левостороннего, так и для правостороннего движения путем соответствующего изменения регулировки оптического блока или лампы накаливания на транспортном средстве. |
|
|
|
|
Рисунок 4 |
Рисунок 5 |
Устройство, на которое нанесен изображенный выше знак официального утверждения, представляет собой фару с рассеивателем из пластических материалов, удовлетворяющую требованиям настоящих Правил только в отношении огней ближнего света, и предназначено:
|
как для правостороннего, так и для левостороннего движения. |
только для правостороннего движения |

|
Рисунок 6 |
Рисунок 7 |
Устройство, на которое нанесен изображенный выше знак официального утверждения, представляет собой фару, удовлетворяющую требованиям настоящих Правил:
|
только в отношении огней ближнего света и предназначенную только для левостороннего движения.
|
только в отношении огней ближнего света, |

|
Рисунок 8 |
Идентификация фар с рассеивателем из пластических материалов, удовлетворяющих требованиям настоящих Правил:
|
в отношении огней ближнего и дальнего света и предназначенных только для правостороннего движения.
|
только в отношении огней ближнего света и предназначенных только для правостороннего движения, |
Нить лампы ближнего света не должна включаться одновременно с нитью лампы дальнего света и (или) другой совмещенной фарой.
Упрощенная маркировка сгруппированных, комбинированных или совмещенных огней
(Вертикальная и горизонтальная линии служат для схематического обозначения формы устройства световой сигнализацию. Они не являются частью знака официального утверждения).

Примечание - Четыре приведенных выше образца соответствуют устройству освещения, на. которое нанесен, знак официального утверждения и которое состоит:
из переднего габаритного огня, официально утвержденного на основании поправок серии 01 к Правилам ЕЭК ООН № 7;
из фары с огнем ближнего света, предназначенным для право- и левостороннего движения, и огнем дальнего света, имеющего максимальную силу в пределах 86250 и 111250 кд (о чем свидетельствует номер 30), официально утвержденной на основании поправок серии 04 к Правилам ЕЭК ООН № 8 с рассеивателем из пластических материалов;
из передней противотуманной фары, официально утвержденной на основании поправок серии 02 к Правилам ЕЭК ООН № 19, с рассеивателем из пластических материалов;
из переднего указателя поворота категории 1а, официально утвержденного на основании поправок серии 02 к Правилам ЕЭК ООН № б.
Лампа, совмещенная с фарой

Образец соответствует маркировке рассеивателя из пластических материалов, предназначенного для использования в различных типах фар, а именно:
либо: в фаре с огнем ближнего света, предназначенным для обоих направлений движения, и огнем дальнего света, имеющего максимальную силу 86 250-111 250 кд (о чем свидетельствует номер 30), официально утвержденной в Германии (Е1) в соответствии с требованиями Правил ЕЭК ООН № 8 с внесенными поправками серии 04, которая совмещена с передним подфарником, официально утвержденным на основании поправок серии 01 к Правилам ЕЭК ООН № 7.
либо: в фаре с огнем ближнего света, предназначенным для обоих направлений движения, официально утвержденной в Германии (Е1) в соответствии с требованиями Правил ЕЭК ООН № 1 с внесенными поправками серии 01, которая совмещена с вышеупомянутым подфарником;
либо: в любой из вышеупомянутых фар, официально утвержденных в качестве одиночных огней.
На корпусе фары должен проставляться только один действительный номер официального утверждения, например:

Пример 2

Образец соответствует маркировке рассеивателя из пластических материалов, используемого в блоке из двух фар, официально утвержденном во Франции (Е2) под номером официального утверждения 81151 и состоящим из:
фары с огнем ближнего света, предназначенным для обоих направлений движения, и фары с огнем дальнего света, имеющего максимальную силу х-у кандел, отвечающей требованиям Правил ЕЭК ООН № 8, и
фары с огнем дальнего света, предназначенным для обоих направлений движения, имеющего максимальную силу w - z кандел, отвечающей требованиям Правил ЕЭК ООН № 20, при этом максимальная сила огней дальнего света в целом составляет 86250 - 111250 кд.
ПРИЛОЖЕНИЕ
4
(обязательное)
Измерительный экран
А - Фара для правостороннего
движения
ЕДИНООБРАЗНЫЙ ЕВРОПЕЙСКИЙ ЛУЧ

h - h: линия горизонтальной плоскости, проходящая через фокусный центр фары
v - v: линия вертикальной плоскости, проходящая через фокусный центр фары
В - Фара для левостороннего движения

h - h: линия горизонтальной плоскости, проходящая через фокусный центр фары
v - v: линия вертикальной плоскости, проходящая через фокусный центр фары
С - Точки измерения величин освещенности

Примечание: На рисунке С изображены точки измерения для правостороннего движения. При левостороннем движении точки 7 и 8 перемещаются в свои соответствующие положения в правой части рисунка.
Испытания фар в сборе
После измерения
фотометрических величин в соответствии с требованиями настоящего стандарта в
точке Emaх для луча дальнего света и в точках
НV, 50 R и
В
1 Испытание фары на стабильность фотометрических характеристик в условиях эксплуатации
Испытания проводят в сухую и спокойную погоду при температуре окружающего воздуха (23 ± 5)°С. Фары в сборе монтируются на основании таким образом, как они должны быть установлены на транспортном средстве.
1.1 Чистая фара
Фару включают на 12 ч в соответствии с требованиями 1.1.1 и проверяют в соответствии с требованиями 1.1.2.
1.1.1 Процедура испытания
Фара включается и находится во включенном состоянии в течение указанного периода времени, причем:
a) в случае официального утверждения только одного огня (дальнего или ближнего света) соответствующая нить накала должна включаться на указанный период времени 2);
b) в случае совмещения огней ближнего и дальнего света (лампа накаливания с двойной нитью накала или две лампы накаливания):
если заявитель указывает, что фара предназначена для работы с включением только одной нити накала 1), то испытание проводится согласно этому условию, причем каждая нить накала включается последовательно2 на время, равное половине периода, указанного в 1.1;
во всех остальных случаях 1) 2) фара подвергается испытанию по нижеследующему циклу в течение указанного времени:
нить накала луча ближнего света находится в зажженном состоянии в течение 15 мин;
все нити накала находятся в зажженном состоянии в течение 5 мин;
c) в случае сгруппированных огней все отдельные огни включают одновременно на время, указанное для отдельных огней освещения (а), но с учетом использования совмещенных огней (b) в соответствии со спецификациями предприятия-изготовителя.
1) В случае одновременного включения двух и более нитей накала ламп при их использовании в мигающем режиме такой режим не рассматривается как нормальное использование этих нитей накала.
2) Если подвергаемая испытанию фара сгруппирована и (или) совмещена с сигнальными лампами, последние включают на весь период испытания. В случае указателя поворота он включается в мигающем режиме при соотношении периодов времени включения и выключения как один к одному.
1.1.1.2 Напряжение при испытании
Устанавливается такое напряжение, которое обеспечивает мощность равную 90% максимальной мощности (Правила ЕЭК ООН № 37) для применяемого типа лампы накачивания. Применяемая мощность во всех случаях должна соответствовать указанному на лампе накаливания значению для номинального напряжения в 12 В, за исключением тех случаев, когда в заявке на официальное утверждение указывается, что данная фара может использоваться при другом напряжении. В последнем случае испытание проводится с использованием лампы накаливания, мощность которой является максимально допустимой.
1.1.2 Результаты испытания
1.1.2.1 Внешний осмотр
После выдерживания фары при температуре окружающей среды рассеиватели фары и наружные рассеиватели, если таковые имеются, протираются чистой сырой хлопчатобумажной тканью. Затем фара подвергается визуальному осмотру; наличие какого-либо искажения, деформации, трещин или изменения цвета как рассеивателя фары, так и наружных рассеивателей, если таковые имеются, недопустимо.
1.1.2.2 Фотометрическое испытание
В соответствии с положениями, содержащимися в настоящих Правилах, фотометрические величины выверяются по нижеследующим точкам измерения:
Луч ближнего света:
50 R - В
Луч дальнего света;
точка Emax
Допускается дополнительная регулировка фары в целях компенсации каких-либо механических деформаций основания фары, вызванных нагревом (изменение светотеневой границы определяется требованиями раздела 2 настоящего приложения).
Между фотометрическими характеристиками и значениями, измеренными до начала испытания, допускается отклонение в 10%, включающее погрешности при фотометрическом измерении.
1.2 Грязная фара
После испытания в соответствии с требованиями 1.1 фару включают на 1 ч в соответствии с 1.1.1 после ее подготовки в соответствии с требованиями 1.2.1 и проверки в соответствии с 1.1.2.
1.2.1 Подготовка фары
1.2.1.1 Испытательная смесь
1.2.1.1.1 Для фары с внешним рассеивателем из стекла:
смесь воды и загрязняющего вещества, наносимая на фару, состоит из:
9 частей по весу силикатного песка, размер частиц которого составляют 0 - 100 мкм,
1 части по весу угольной пыли органического происхождения (буковая древесина), размер частиц которой составляет 0 - 100 мкм,
0,2 части по весу NaCMC 1) и
соответствующего количества дистиллированной воды, проводимость которой ≤ 1 мСм/м.
Вышеуказанная смесь должна быть готова не ранее чем за 14 дней до испытания.
1.2.1.1.2 Для фары с внешним рассеивателем из пластического материала: смесь воды и загрязняющего вещества, наносимая на фару, состоит из:
9 частей по весу силикатного песка, размер частиц которого составляет 0 - 100 мкм,
1 части по весу угольной пыли органического происхождения (буковая древесина), размер частиц которой составляет 0 - 100 мкм.
1.2.1.2 Нанесение испытательной смеси на фару
Испытательная смесь наносится ровным слоем на всю светоиспускающую поверхность фары и остается на ней до высыхания. Эта процедура повторяется до тех пор, пока освещенность не упадет на 15 - 20% по сравнению со значениями, измеренными в каждой из следующих точек в соответствии с условиями, указанными в разделе 1:
Emах луча дальнего света для огня дальнего/ближнего света;
Етax, луча дальнего света только для огня дальнего света;
50 R и 50 V 2) только для огня ближнего света, отрегулированного для правостороннего движения;
50 Д и 50 V 2) только для огня ближнего света, отрегулированного для левостороннего движения;
0,2 части по весу NaCMC 1);
13 частей по весу дистиллированной воды, проводимость которой ≤ 1 мСм/м, и
(2 ± 1) части по весу поверхностно-активного вещества 3).
Вышеуказанная смесь должна быть готова не ранее чем за 14 дней до испытания.
1) NaCMC означает натриевую соль карбоксиметилцеллюлозы, обычно обозначаемой CMC. NaCMC, используемая в загрязненной смеси, должна иметь замещения (DS) 0,6 - 0,7 и вязкость 200 - 300 с ПЗ для 2%-ного раствора при температуре 20°С.
2) 50 V находится на
3) Допуск по количеству обусловлен необходимостью получения такого загрязнителя, который надлежащим образом распространяется по всему пластмассовому рассеивателю.
1.2.1.3 Измерительное оборудование
Измерительное оборудование должно быть аналогичным тому, которое использовалось для испытания фар на официальное утверждение. Для фотометрических проверок используют эталонную лампу накаливания.
2. Проверка фары на устойчивость и на отклонение по вертикали светотеневой границы под воздействием тепла
Данное испытание проводится с целью проверить, что вертикальное смещение светотеневой границы под воздействием тепловых колебаний остается в пределах указанной величины для включенного огня ближнего света.
Фара, проверенная в соответствии с требованиями раздела 1, подвергается испытанию, указанному в 2.1, без снятия с испытательного крепления и без дополнительной регулировки относительно этого крепления.
2.1 Испытания
Испытание проводят в сухую и спокойную погоду при температуре окружающего воздуха (23 ± 5)°С.
В фаре, в которой
используют лампу накаливания массового производства, выдержанную под током не
менее 1 ч до начала испытаний, включают ближний свет, причем без снятия фары с
испытательного крепления и без дополнительной регулировки относительно этого
крепления. (Для целей данного испытания устанавливается напряжение, указанное в
1.1.1.2). Положение светотеневой
границы в ее горизонтальной части (между vv и вертикальной линией, проходящей
через точку В
Отклонение светотеневой границы, указанное выше, измеряют любым способом, обеспечивающим достаточную точность и воспроизводимость результатов.
2.2 Результаты испытаний
2.2.1 Результат в миллирадианах (мрад) считается приемлемым только в том случае, если абсолютная ∆r1 = (r3 - r60). измеренная для этой фары, не превышает 1,0 мрад (∆r1 ≤ 1.0 мрад).
2.2.2 Однако если это значение превышает 1,0 мрад, но не превышает 1,5 мрад (1,0 мрад ∆r2 ≤ 1,5 мрад), то проводят испытание второй фары в соответствии с требованиями 2.1 после трехразового последовательного прохождения цикла, указанного ниже, для стабилизации правильного положения механических частей фары, установленной на основе в таком же положении, в каком она должна устанавливаться на транспортном средстве:
включение огня ближнего света на 1 ч (напряжение устанавливается в соответствии с требованиями 1.1.1.2);
выключение на 1 ч.
Фара данного типа считается приемлемой, если среднее значение абсолютных величин ∆r1, измеренной на первой фаре, и ∆rII измеренной на второй фаре, не превышает 1,0 мрад.
![]()
1. Общие спецификации
1.1 Образцы, представленные в соответствии с 2.2.4 настоящих Правил, должны удовлетворять спецификациям, указанным в 2.1 - 2.5.
1.2 Два образца фар в сборе, представленных в соответствии с 2.2.3 настоящих Правил, с рассеивателями из пластических материалов должны удовлетворять спецификациям в отношении материалов для рассеивателей, указанным в 2.6.
1.1, 1.2 (Поправка серии 04).
1.3 Образцы рассеивателей из пластических материалов или образцы материала вместе с отражателем, для установки на который они предназначены (в соответствующих случаях), подвергаются испытаниям на официальное утверждение в хронологической последовательности, указанной в таблице А.
1.4 Однако если изготовитель фары может доказать, что изделие уже прошло испытания, предусмотренные в 2.1 - 2.5, или соответствующие испытания в соответствии с другими правилами, то эти испытания можно не проводить; обязательными являются только испытания, предусмотренные в таблице В.
2. Испытания
2.1. Стойкость к воздействию температурных изменений
2.1.1 Испытания
Три новых образца (рассеивателей) подвергаются пяти циклам изменений температуры и влажности (ОВ = относительная влажность) в соответствии со следующей программой:
3 ч при (40 ± 2)°С и 85 - 95% ОВ;
1 ч при (23 + 5) °С и 60-75% ОВ;
15 ч при(-30 ± 2)°С;
1 ч при (23 ± 5)°С и 60 - 75% ОВ;
3 ч при (80 ± 2)°С;
1 ч при (23 + 5)°С и 60 - 75% ОВ.
Перед испытанием образцы необходимо выдерживать, по крайней мере, в течение 4 ч, при температуре (23 + 5)°С и 60 - 75% ОВ.
Примечание - Одночасовые периоды времени при температуре (23 ± 5)°С включают время, требующееся для перехода с одного температурного режима на другой, что необходимо избежать последствий теплового удара.
2.1.2 Фотометрические измерения
2.1.2.1 Способ измерения
Фотометрические измерения
производят на образцах до и после испытания. Измерения производят с
использованием стандартной фары в следующих точках: В
Етах - на трассе для луча дальнего света фары дальнего света или фары ближнего/дальнего света.
(Поправка серии 04).
2.1.2.2 Результаты
Разность фотометрических величин, полученных на каждом образце до и после испытания, не должна превышать 10%, включая погрешности фотометрических измерений.
2.2 Стойкость к воздействию атмосферной среды и химических веществ
2.2.1 Стойкость к воздействию атмосферной среды
Три новых образца (рассеивателей или образцов материала) подвергаются облучению от источника с энергетическим спектром, подобным спектру черного тела при температуре между 5500 К и 6000 К. Между источником и образцами помещают соответствующие фильтры, с тем чтобы уменьшить, насколько это возможно, излучение в диапазонах волн длиной менее 295 нм и более 2500 нм. Образцы подвергают энергетическому облучению 1200 Вт/м2 ± 200 Вт/м в течение такого периода времени, чтобы получаемая ими световая энергия составляла (4500 + 200) МДж/м2. В пределах этого огражденного пространства температура, измеряемая на черном экране, помещенном на уровне образцов, должна составлять (50 ± 5)°С. Для обеспечения постоянного облучения образцы должны вращаться вокруг источника излучения со скоростью 1 - 5 мин -1.
На образцы разбрызгивается дистиллированная вода с проводимостью не менее 1 мСм/м при температуре (23 ± 5)°С в соответствии со следующей цикличностью:
разбрызгивание - 5 мин;
сушка - 25 мин.
2.2.2 Стойкость к воздействию химических веществ
После испытания, проведенного в соответствии с 2.2.1, и измерения, произведенного в соответствии с 2.2.3.1, наружная поверхность указанных трех образцов в соответствии с 2.2.2.2 подвергается обработке смесью, состав которой определен в 2.2.2.1.
2.2.2.1 Испытательная смесь
В состав испытательной смеси входят 61,5% н-гептана, 12,5% толуола, 7,5% тетрахлорэтила, 12,5% трихлорэтилена и 6 % ксилола (по объему).
2.2.2.2 Нанесение испытательной смеси
Пропитать кусок хлопчатобумажной ткани до уровня насыщения (в соответствий со стандартом ИСО 105) смесью, состав которой определен выше в 2.2.2.1, и в течение 10 с наложить его на 10 мин на наружную поверхность образца под давлением 50 Н/см2, что соответствует усилию в 100 Н, прикладываемому на испытательную поверхность 14×14 мм.
В течение этого 10-минутного периода прокладку из материи вновь пропитывают смесью с тем, чтобы состав наносимой жидкости был постоянно идентичным составу указанной испытательной смеси.
Во время нанесения смеси разрешается регулировать прикладываемое к образцу давление, чтобы предотвратить образование трещин.
2.2.2.3 Очистка
По завершении процедуры нанесения испытательной смеси образцы необходимо высушить на открытом воздухе, а затем промыть раствором, состав которого приводится в 2.3 (стойкость к воздействию детергентов) при температуре (23 ± 5)°С.
После этого образцы необходимо тщательно промыть дистиллированной водой, содержащей не более 0,2% примесей, при температуре (23 ± 5)°С, а затем вытереть мягкой тканью.
2.2.3 Результаты
2.2.3.1 После испытания на стойкость к воздействию атмосферной среды на наружной поверхности образцов не должно быть трещин, царапин, зазубрин и деформации, и среднее отклонение при пропускании излучения
![]()
измеренное на трех образцах при помощи процедуры, описанной в настоящем приложении, не должно превышать 0,020
(∆tm ≤ 0,020).
2.2.3.2 После испытания на устойчивость к воздействию химических веществ на образцах не должно быть никаких следов химического воздействия, которое могло бы привести к изменению рассеивания потока света, средняя величина которого,
![]()
измеренная при помощи процедуры, описанной в настоящем приложении, на трех образцах, не должна превышать 0,020
(∆dm ≤ 0,020).
2.3 Стойкость к воздействию детергентов и углеводородов
2.3.1 Стойкость к воздействию детергентов
Наружную поверхность трех образцов (рассеивателей или образцов материала) нагревают до (50 ± 5)°С и затем на 5 мин погружают в смесь, температура которой поддерживается на уровне (23 ± 5)°С и которая состоит из 99 частей дистиллированной воды, содержащей не более 0,02% примесей, и одной части алкила-рилсульфоната.
По завершении испытания образцы высушивают при температуре (50 ± 5)°С. Поверхность образцов очищают влажной тканью.
2.3.2 Стойкость к воздействию углеводородов
После этого наружную поверхность этих трех образцов слегка потереть в течение 1 мин хлопчатобумажной тканью, пропитанной смесью, в состав которой входит 70% н-гептана и 30% толуола (по объему), а затем высушить на открытом воздухе.
2.3.3 Результаты
После успешного завершения двух вышеупомянутых испытаний средняя величина отклонения при пропускании излучения
измеренная в
соответствии с процедурой, описанной в настоящем приложении, на трех образцах,
не должна превышать 0,010
(∆t ≤ 0,010).
2.4 Стойкость к механическому износу
2.4.1 Способ проверки стойкости к механическому износу
Наружную поверхность трех новых образцов (рассеивателей) подвергают единообразному испытанию на стойкость к механическому износу на основе способа, описанного в настоящем приложении.
2.4.2 Результаты
После этого испытания отклонения:
при пропускании
излучения: ![]()
и рассеивания: ![]()
измеряют в соответствии с процедурой, в местах, указанных в 2.2.4. Их средняя величина на трех образцах должна быть такой, чтобы:
∆tm < 0,100;
∆dm < 0,050.
2.5 Испытание на сцепление покрытий, если таковые имеются
2.5.1 Подготовка образца
На поверхности покрытия рассеивателя размером 20×20 мм при помощи лезвия бритвы или иглы вырезать сетку из квадратов размером примерно 2×2 мм. Нажим лезвия или иглы должен быть достаточным, чтобы разрезать, по крайней мере, один слой покрытия.
2.5.2 Описание испытания
Использовать изоляционную
ленту с силой сцепления 2 Н/см ширины) ± 20%, измеренной в стандартных условиях, указанных в настоящем
приложении. Эту изоляционную ленту, ширина которой должна быть не менее
Затем конец изоляционной ленты подвергают воздействию нагрузки таким образом, чтобы сила сцепления с рассматриваемой поверхностью уравновешивалась силой, перпендикулярной к этой поверхности. На данном этапе лента должна отрываться с постоянной скоростью (1,5 ± 0,2) м/с.
2.5.3 Результаты
Значительного повреждения решетчатого участка произойти не должно. Повреждения на пересечениях между квадратами или на краях разрезов допускаются при условии, что поврежденный участок не превышает 15% решетчатой поверхности.
2.6 Испытания комплекта фары с рассеивателем из пластических материалов
2.6.1 Стойкость поверхности рассеивателя к механическому износу
2.6.1.1 Испытания
Рассеиватель фары № 1 подвергается испытанию, описанному в 2.4.1.
2.6.1.2 Результаты
После испытания результаты
фотометрических измерений, произведенных на фаре на основе настоящего
стандарта, не должны превышать 30% максимальных
значений, предусмотренных в точках В
(Поправка серии 04).
2.6.2 Испытание на сцепление покрытий, если таковые имеются
Образец рассеивателя фары № 2 подвергается испытанию, описанному в 2.5.
3. Проверка соответствия производства
3.1 Что касается материалов, используемых для изготовления рассеивателей, то фары той или иной серии признаются соответствующими настоящим Правилам, если:
3.1.1 после испытания на стойкость к воздействию химических веществ и после испытания на стойкость к воздействию детергентов и углеводородов на наружной поверхности образцов не обнаружено трещин, зазубрин или деформации, видимых невооруженным глазом (см. 2.2.2, 2.3 и 2.3.2);
3.1.2 после испытания, описанного в 2.6.1.1, фотометрические величины в точках измерения, указанные в 2.6.1.2, не выходят за пределы, предусмотренные для соответствия производства настоящим Правилам.
3.2 Если результаты испытания не удовлетворяют требованиям, то испытания необходимо повторить на другом образце фар, выбранном наугад.
А Испытания пластических материалов (рассеивателей или образцов материала, представленные в соответствии с 2.2.4 настоящих Правил)
|
|
Испытания |
Рассеиватели или образцы |
Рассеиватели |
|||||||||||
|
1 |
2 |
3 |
4 |
5 |
6 |
7 |
8 |
9 |
10 |
11 |
12 |
13 |
||
|
1.1 |
Пределы фотометрии (2.1.2) |
|
|
|
|
|
|
|
|
|
+ |
+ |
+ |
|
|
1.1.1 |
Температурное изменение (2.1) |
|
|
|
|
|
|
|
|
|
+ |
+ |
+ |
|
|
1.2 |
Пределы фотометрии (пункт 2.1.2) |
|
|
|
|
|
|
|
|
|
+ |
+ |
+ |
|
|
1.2.1 |
Измерение степени пропускания излучения |
+ |
+ |
+ |
+ |
+ |
+ |
+ |
+ |
+ |
|
|
|
|
|
1.2.2 |
Измерение степени рассеивания |
+ |
+ |
+ |
|
|
|
+ |
+ |
+ |
|
|
|
|
|
1.3 |
Атмосферная среда (2.2.1) |
+ |
+ |
+ |
|
|
|
|
|
|
|
|
|
|
|
1.3.1 |
Измерение степени пропускания излучения |
+ |
+ |
+ |
|
|
|
|
|
|
|
|
|
|
|
1.4 |
Химические вещества (2.2.2) |
+ |
+ |
+ |
|
|
|
|
|
|
|
|
|
|
|
1.4.1 |
Измерение степени рассеивания |
+ |
+ |
+ |
|
|
|
|
|
|
|
|
|
|
|
1.5 |
Детергенты (2.3.1) |
|
|
|
+ |
+ |
+ |
|
|
|
|
|
|
|
|
1.6 |
Углеводороды (2.3.2) |
|
|
|
+ |
+ |
+ |
|
|
|
|
|
|
|
|
1.6.1 |
Измерение степени пропускания излучения |
|
|
|
+ |
+ |
+ |
|
|
|
|
|
|
|
|
1.7 |
Степень износа (2.4.1) |
|
|
|
|
|
|
+ |
+ |
+ |
|
|
|
|
|
1.7.1 |
Измерение степени пропускания излучения |
|
|
|
|
|
|
+ |
+ |
+ |
|
|
|
|
|
1.7.2 |
Измерение степени рассеивания |
|
|
|
|
|
|
+ |
+ |
+ |
|
|
|
|
|
1.8 |
Степень сцепления (2.5) |
|
|
|
|
|
|
|
|
|
|
|
|
+ |
В Испытания фар в сборе (представленных в соответствии с 2.2.3 настоящих Правил).
|
Испытания |
Фара в сборе |
|
|
Образец № |
||
|
1 |
2 |
|
|
2.1 Степень износа (2.6.1.1) |
+ |
|
|
2.2 Фотометрия (2.6.1.2) |
+ |
|
|
2.3 Степень сцепления (2.6.2) |
|
+ |
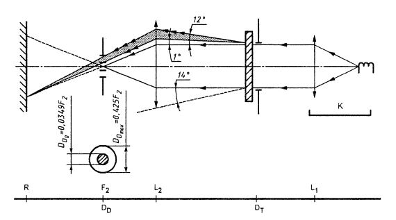
1 Оборудование (см. рисунок)

Луч
коллиматора К с половинчатым отклонением
= 17,4×10-4 рд
ограничен диафрагмой DT с
отверстием
Диафрагма DT соединена с приемником R посредством конвергентного бесцветного рассеивателя L2, скорректированного для сферических отклонений; диаметр рассеивателя L2 должен быть таким, чтобы он не диафрагмировал свет, рассеиваемый образцом, в конусе с половинчатым верхним углом β/2 = 14°.
Кольцевая диафрагма DD с углами
= 1° и
=12° помещается в
воображаемую плоскость фокуса рассеивателя L2.
Непрозрачная центральная часть диафрагмы необходима для того, чтобы не пропускать свет, поступающий непосредственно от источника света. Центральную часть диафрагмы необходимо перемещать из луча света таким образом, чтобы она могла вернуться точно в свое первоначальное положение.
Расстояние L2 DT и длину фокуса F2 1) рассеивателя L2 необходимо выбрать таким образом, чтобы отображение DT полностью покрывало приемник R.
1) Для L2 рекомендуется использовать
длину волны приблизительно
Если первоначальный падающий поток принимать за 1000 единиц, то абсолютная точность каждого показания должна быть более 1 единицы.
2. Измерения
Необходимо снять следующие показания:
|
Показания |
С образцом |
С центральной частью DD |
Полученная величина |
|
T1 |
Нет |
Нет |
Падающий поток при первоначальном показании |
|
T2 |
Да (до испытания) |
Нет |
Поток, пропускаемый новым материалом на участке 24°С |
|
T3 |
Да (после испытания) |
Нет |
Поток, пропускаемый материалом, проходящим испытание, на участке 24°С |
|
T4 |
Да (до испытания) |
Да |
Рассеивание потока новым материалом |
|
T5 |
Да (после испытания) |
Да |
Рассеивание потока материалом, проходящим испытание |
1. Оборудование для испытания
1.1 Пульверизатор
Используемый
пульверизатор должен быть оснащен выпускным отверстием диаметром
) бар.
В таких режимных условиях полученный, рисунок веерообразной формы должен иметь диаметр (170 ± 50) мм на подверженной износу поверхности на расстоянии (380 ± 10) мм от выпускного отверстия.
1.2 Испытательная смесь
Испытательная смесь состоит из:
силикатного песка с
твердостью 7 по шкале Мооса с размером зерен 0 -
воды, имеющей твердость
не более 205 г/м3, для смеси, содержащей
2. Испытание
Наружная поверхность рассеивателей фары подвергается не менее одного раза воздействию струи песка, подаваемой в соответствии с содержащимся выше описанием. Струю необходимо разбрызгивать почти, перпендикулярно к испытываемой поверхности.
Степень износа проверяется посредством одного или более образцов стекла, помещаемых в качестве эталона рядом с рассеивателями, которые проходят испытание. Смесь разбрызгивается до тех пор, пока отклонение рассеивания света на образце или образцах, измеренного при помощи описанного в добавлении 2 способа, не достигнет
![]()
Для проверки однородности износа всей поверхности, подвергаемой испытанию, можно использовать несколько эталонных образцов.
1 Цель
Настоящий метод позволяет в обычных условиях определить линейную силу сцепления изоляционной ленты со стеклянной пластиной.
2 Принцип
Измерение силы, необходимой для открепления изоляционной ленты от стеклянной пластины под углом 90°.
3. Определенные атмосферные условия
Температура окружающей среды должна составлять (23 ± 5)°С, а относительная влажность (ОВ) - (65 ± 15)%.
4. Испытательные образцы
Перед испытанием используемый в качестве образца моток изоляционной ленты необходимо выдержать в течение 24 ч в определенных атмосферных условиях (см. раздел 3).
С каждого мотка для
испытания берется пять испытательных образцов длиной
5. Процедура
Испытания проводятся в атмосферных условиях, определенных в разделе 3.
Взять пять испытательных образцов, отматывая ленту радиально со скоростью приблизительно 300 мм/с, а затем в течение 15 с наклеить их следующим образом:
Наклеивать ленту постепенно легким растирающим движением пальца вдоль ленты без чрезмерного нажатия таким образом, чтобы между лентой и стеклянной пластиной не осталось пузырьков воздуха.
Продержать это устройство в определенных атмосферных условиях в течение 10 мин.
Отклеить около
Закрепить пластину и загнуть свободный конец ленты под утлом 90°. Приложить усилие таким образом, чтобы разделительная линия между лентой и пластиной была перпендикулярна этому усилию и пластине.
Потянуть и отклеить ленту со скоростью (300 ± 30) мм/с и зарегистрировать потребовавшееся для этого усилие.
6. Результаты
Пять полученных значений регистрируют в хронологической последовательности и среднее значение принимают за результат измерения, который выражается в ньютонах на сантиметр ширины ленты.
1. Общие положения
1.1 С точки зрения механики и геометрии требования в отношении соответствия считаются выполненными согласно требованиям настоящих Правил (когда такие требования сформулированы), если различия не превышают неизбежных производственных отклонений.
1.2 Что касается фотометрических характеристик, то соответствие серийных фар считается доказанным, если при фотометрическом испытании любой произвольно выбранной фары, оснащенной стандартной лампой накаливания,
1.2.1 ни одно из измеренных значений не отличается
в неблагоприятную сторону более чем на 20% от тех значений, которые предписаны
в настоящих Правилах. Для величин В
В
0,3 лк, т.е. 30%;
Зона III 0,3 лк, т.е. 20%;
0,45 лк, т.е. 30%.
1.2.2 или если
1.2.2.1 для луча ближнего
света значения, предписанные в настоящих Правилах, обеспечиваются в НV (с допуском 0,2 лк) и по этой линии,
по крайней мере, в одной точке каждой зоны измерительного экрана (на расстоянии
1) В скобках указаны буквы, касающиеся фар, предназначенных для левостороннего движения.
1.2.2.2 и если для луча дальнего света в.случае, когда HV находится внутри зоны одинаковой освещенности равной 0,75 Emax, для фотометрических величии к любой точке намерения, указанной в 6.3.2 настоящих Правил, соблюдается допуск, равный +20% для максимальных и -20% для минимальных значений. Эталонная маркировка не учитывается.
1.2.3 Если результаты описанных выше испытаний не соответствуют предъявляемым требованиям, то регулировка фары может быть изменена при том условии, что боковое смещение оси луча в правую или левую стороны составляет не более 1° 2).
2) См. сноску к 6.2.4.
1.2.4 Если результаты описанных выше испытаний не соответствуют предъявляемым требованиям, то фара подвергается повторным испытаниям с использованием другой стандартной лампы накаливания.
1.2.5 Фары с явными неисправностями не учитываются.
1.2.6 Эталонная маркировка не учитывается.
1.3 Координаты цветности должны быть удовлетворительными, когда фара оснащена лампой накаливания с цветовой температурой, соответствующей норме А.
В том случае, если фара, излучающая свет желтого селективного цвета, оснащена бесцветной лампой накаливания, фотометрические характеристики этой лампы должны соответствовать указанным в настоящих Правилах значениям, умноженным на 0,84.
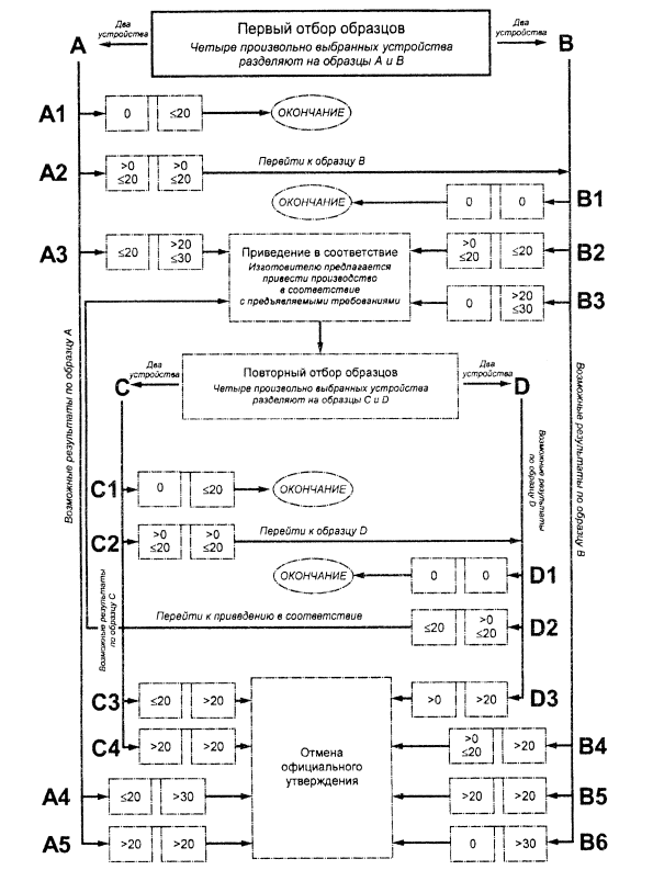
2 Первый отбор образцов
В ходе первого отбора образцов произвольно выбираются четыре фары. Первые два образца обозначаются буквой А, а вторые два образца - буквой В.
2.1 Соответствие считается доказанным
2.1.1 После проведения процедуры отбора образцов, указанной на рисунке 1 настоящего приложения, соответствие производства серийных фар считается доказанным, если отклонения измеренных значений для фар в неблагоприятную сторону составляют:
2.1.1.1 образец А
А1: для одной фары 0 %;
для другой фары не более 20 %
А2: для обеих фар более 0 %,
но не более 20 %
перейти к образцу В
2.1.1.2 образец В
В1: для обеих фар 0 %
2.1.2 или если выполнены условия в отношении образца А, изложенные в 1.2.2.
2.2 Соответствие не считается доказанным
2.2.1 После проведения процедуры отбора образцов, указанной на рисунке 1 настоящего приложения, соответствие производства серийных фар не считается доказанным и предприятию-изготовителю предлагается обеспечить соответствие производства предъявляемым требованиям (привести его в соответствие с этими требованиями), если отклонения измеренных значений для фар составляют:
2.2.1.1 образец А
A3: для одной фары не более 20 %;
для другой фары более 20 %,
но не более 30 %
2.2.1.2 образец В
В2: в случае А2
для одной фары более 0 %,
но не более 20 %;
для другой фары не более 20 %
В3: в случае А2
для одной фары 0 %;
для другой фары более 20 %,
но не более 30 %
2.2.2 или если не выполнены условия в отношении образца А, изложенные в 1.2.2.
2.3 Отмена официального утверждения
Соответствие не считается доказанным и применяются положения раздела 13 в том случае, если после проведения процедуры отбора образцов, указанной на рисунке 1 настоящего приложения, отклонения измеренных значений для фар составляют:
2.3.1 образец А
А4: для одной фары не более 20 %;
для другой фары более 30 %
А5: для обеих фар более 20 %
2.3.2 образец В
В4: в случае А2
для одной фары более 0 %,
но не более 20 %;
для другой фары более 20 %
В5: в случае А2
для обоих фар более 20 %
В6: в случае А2
для одной фары 0 %;
для другой фары более 30 %
2.3.3 или если не выполнены условия в отношении образцов А и В, изложенные в 1.2.2.
3. Повторный отбор образцов
В случаях A3, В2 и В3 в течение двух месяцев после уведомления необходимо провести повторный отбор образцов: из партии продукции, изготовленной после приведения производства в соответствие с предъявляемыми требованиями, отбираются третьи два образца С и четвертые два образца D.
3.1 Соответствие считается доказанным
3.1.1 После проведения процедуры отбора образцов, указанной на рисунке 1 настоящего приложения, соответствие производства серийных фар считается доказанным, если отклонения измеренных значений дня фар составляют:
3.1.1.1 образец С
С1: для одной фары 0 %;
для другой фары не более 20 %
С2: для обеих фар более 0 %,
но не более 20 %
перейти к образцу D
3.1.1.2 образец D
D1: в случае С2
для обеих фар 0 %
3.1.2 или если выполнены условия в отношении образца С, изложенные в 1.2.2.
3.2 Соответствие не считается доказанным
3.2.1 После проведения процедуры отбора образцов, указанной на рисунке 1 настоящего приложения, соответствие производства серийных фар не считается доказанным и предприятию-изготовителю предлагается обеспечить соответствие производства предъявляемым требованиям (привести его в соответствие с этими требованиями), если отклонения измеренных значений для фар составляют:
3.2.1.1 образец D
D2: в случае С2
для одной фары более 0 %,
но не более 20 %;
для другой фары не более 20 %
3.2.1.2 или если выполнены условия в отношении образца С, изложенные в 1.2.2.
3.3 Отмена официального утверждения
Соответствие не считается доказанным и применяются положения 13 в том случае, если после проведения процедуры отбора образцов, указанной на рисунке 1 настоящего приложения, отклонения измеренных значений для фар составляют:
3.3.1 образец С
С3: для одной фары не более 20 %;
для другой фары более 20 %
С4: для обеих фар более 20 %
3.3.2 образец D
D3: в случае С2
для одной фары 0 % или более 0 %;
для другой фары более 20 %
3.3.3 или если не выполнены условия в отношении образцов С и D, изложенные в 1.2.2.
4. Вертикальное отклонение светотеневой границы
Для проверки вертикального отклонения светотеневой границы под воздействием тепла применяется следующая процедура:
После проведения процедуры отбора образцов, указанной на рисунке 1 настоящего приложения, одна из фар образца А испытывается в соответствии с процедурой, описанной в 2.1 приложения 5, после трехразового последовательного прохождения цикла, описанного в 2.2.2 приложения 5.
Фара считается приемлемой, если ∆r не превышает 1,5 мрад.
Если эта величина превышает 1,5 мрад, но не превышает 2,0 мрад, то испытанию подвергается вторая фара из образца А, причем среднее значение абсолютных величин, измеренных на обоих образцах, не должно превышать 1,5 мрад.
Однако если эта величина 1,5 мрад не выдерживается для образца А, то обе фары образца В подвергаются одинаковой процедуре и значение ∆r для каждой из них не должно превышать 1,5 мрад.

- Максимальное отклонение в неблагоприятную сторону от предельных
значений, %
Ключевые слова: фары автомобильные с асимметричными огнями, ближний свет, дальний свет, галогенные лампы накаливания, цветные рассеиватели и фильтры, степень ослепления, фара-эталон
|
ГОСТЫ, СТРОИТЕЛЬНЫЕ и ТЕХНИЧЕСКИЕ НОРМАТИВЫ. Некоммерческая онлайн система, содержащая все Российские Госты, национальные Стандарты и нормативы. В Системе содержится более 150000 файлов нормативно-технической документации, действующей на территории РФ. Система предназначена для широкого круга инженерно-технических специалистов. Copyright © www.gostrf.com, 2008 - 2026 |