|
|
|
ГОСУДАРСТВЕННЫЙ СТАНДАРТ РОССИЙСКОЙ ФЕДЕРАЦИИ
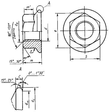
Дата введения 1995-01-01 Предисловие 1 ПОДГОТОВЛЕН И ВНЕСЕН ТК 229 «Крепежные изделия» 2 УТВЕРЖДЕН И ВВЕДЕН В ДЕЙСТВИЕ Постановлением Госстандарта России от 8 сентября 1993 г. № 205 3 Настоящий стандарт полностью соответствует международному стандарту ИСО 4161-83 «Гайки шестигранные с фланцем. Класс точности А» 4 ВВЕДЕН ВПЕРВЫЕ 5 ПЕРЕИЗДАНИЕ Содержание 1 Область примененияНастоящий стандарт распространяется на шестигранные гайки с фланцем с номинальным диаметром резьбы от 5 до 20 мм. 2 Нормативные ссылкиВ настоящем стандарте использованы ссылки на следующие стандарты: ГОСТ 9.301-86 Единая система защиты от коррозии и старения. Покрытия металлические и неметаллические неорганические. Общие требования ГОСТ 9.303-84 Единая система защиты от коррозии и старения. Покрытия металлические и неметаллические неорганические. Общие требования к выбору ГОСТ 1759.0-87 Болты, винты, шпильки и гайки. Технические условия ГОСТ 1759.1-82 Болты, винты, шпильки, гайки и шурупы. Допуски. Методы контроля размеров и отклонений формы и расположения поверхностей ГОСТ 1759.3-83 Гайки. Дефекты поверхности и методы контроля ГОСТ 1759.5-87 Гайки. Механические свойства и методы испытаний ГОСТ 16093-2004 (ИСО 965-1:1998, ИСО 965-3:1998) Основные нормы взаимозаменяемости. Резьба метрическая. Допуски. Посадки с зазором ГОСТ 17769-83 Изделия крепежные. Правила приемки ГОСТ 18160-72 Изделия крепежные. Упаковка. Маркировка. Транспортирование и хранение ГОСТ 24705-2004 (ИСО 724:1993) Основные нормы взаимозаменяемости. Резьба метрическая. Основные размеры 3 РазмерыКонструкция и размеры гаек должны соответствовать указанным на рисунке 1 и в таблице 1.
В миллиметрах
4 Технические условияТаблица 2
Примечания 1 Теоретическая масса гаек указана в приложении А. 2 Проверка размеров шестигранной гайки и фланца дана в приложении В. 3 Допускается применять другие методы контроля, обеспечивающие достоверность и необходимую точность измерений. Допускается изготавливать гайки класса прочности 6 с резьбой M8×1, M10×1,25, M12×1,25, M14×l,5, М16×1,5. Пример условного обозначения гайки диаметром резьбы d = 12 мм, с крупным шагом резьбы с полем допуска 6Н, класса прочности 10, без покрытия: Гайка М12 - 6Н.10 ГОСТ Р 50592-93 То же гайки диметром резьбы d = 10 мм, с мелким шагом резьбы с полем допуска 6Н, класса прочности 6, с цинковым покрытием толщиной 6 мкм, хроматированным: Гайка М10×1,25 - 6Н.6.016 ГОСТ Р 50592-93 ПРИЛОЖЕНИЕ А
|
||||||||||||||||||||||||||||||||||||||||||||||||||||||||||||||||||||||||||||||||||||||||||||||||||||||||||||||||||||||||||||||||||||||||||||||||||||||||||||||||||||||||||||||||||||||||||||||||||||||||||||||||||||||||||||||||||||||||||||||||||||||||||||||||||||||||||||||||||||||||||||||||||||||||||||||||||||||||||||
|
Номинальный диаметр резьбы d, мм |
Теоретическая масса 1000 шт. гаек, кг ≈ |
|
5 |
1,39 |
|
6 |
3,45 |
|
8 |
7,06 |
|
10 |
11,08 |
|
12 |
18,78 |
|
14 |
29,19 |
|
16 |
43,01 |
|
20 |
83,47 |

Рисунок В.1
1 Метод проверки размеров шестигранной гайки
Размеры гайки проверяют с помощью двух плоских кольцевых калибров А и В. Данная проверка выявляет соответствие стандарту высоты шестигранника, высоты грани под ключ, толщины фланца и диаметра описанной окружности шестигранника.
Калибр А устанавливают па гайку до упора во фланец.
Калибр В устанавливают на верхнюю часть гайки перпендикулярно к ее оси. Калибры не должны касаться друг друга.
Примечание - Минимальный размер Wa равен теоретическому максимальному диаметру описанной окружности;
максимальный размер Wb равен минимальному диаметру описанной окружности минус 0,01 мм;
максимальный размер Ta равен минимальной высоте под ключ m'.
Таблица B.1
В миллиметрах
|
Резьба d |
Калибр А |
Калибр В |
Калибр С |
|||||||
|
Wa |
Ta |
Wв |
Tв |
Wс |
Tс |
|||||
|
не более |
не менее |
не более |
не менее |
не более |
не менее |
не менее |
не менее |
не более |
не менее |
|
|
М5 |
9,25 |
9,24 |
2,2 |
2,19 |
8,78 |
8,77 |
3 |
14 |
1,08 |
1,07 |
|
М6 |
11,56 |
11,55 |
3,1 |
3,09 |
11,04 |
11,03 |
4 |
16 |
1,19 |
1,18 |
|
М8 |
15,02 |
15,01 |
4,5 |
4,49 |
14,37 |
14,36 |
4 |
20 |
1,31 |
1,30 |
|
М10 |
17,33 |
17,32 |
5,5 |
5,49 |
16,63 |
16,62 |
5 |
24 |
1,81 |
1,80 |
|
М12 |
20,79 |
20,78 |
6,7 |
6,69 |
20,02 |
20,01 |
5 |
29 |
2,20 |
2,19 |
|
М14 |
24,26 |
24,25 |
7,8 |
7,79 |
23,35 |
23,34 |
6 |
32,5 |
2,55 |
2,54 |
|
М16 |
27,72 |
27,71 |
9,0 |
8,99 |
26,74 |
26,73 |
6 |
37 |
2,96 |
2,95 |
|
М20 |
34,65 |
34,64 |
11,1 |
11,09 |
32,94 |
32,93 |
6 |
45 |
3,70 |
3,69 |
2 Метод измерения толщины фланца
Толщина фланца проверяется калибром С, который представляет собой плоский толщиномер.
Цель проверки - доказать, что толщина фланца в месте его перехода в шестигранник равна или больше заданных значений.
При проверке толщиномер С должен входить без контакта под калибр А, когда гайка посажена на плоскую плиту или шайбу.
Ключевые слова: гайки шестигранные, гайки с фланцем, класс точности А, размеры, конструкция, технические требования, условное обозначение, теоретическая масса, проверка размеров
|
ГОСТЫ, СТРОИТЕЛЬНЫЕ и ТЕХНИЧЕСКИЕ НОРМАТИВЫ. Некоммерческая онлайн система, содержащая все Российские Госты, национальные Стандарты и нормативы. В Системе содержится более 150000 файлов нормативно-технической документации, действующей на территории РФ. Система предназначена для широкого круга инженерно-технических специалистов. Copyright © www.gostrf.com, 2008 - 2026 |