Крупнейшая бесплатная информационно-справочная система онлайн доступа к полному собранию технических нормативно-правовых актов РФ. Огромная база технических нормативов (более 150 тысяч документов) и полное собрание национальных стандартов, аутентичное официальной базе Госстандарта. GOSTRF.com - это более 1 Терабайта бесплатной технической информации для всех пользователей интернета. Все электронные копии представленных здесь документов могут распространяться без каких-либо ограничений. Поощряется распространение информации с этого сайта на любых других ресурсах. Каждый человек имеет право на неограниченный доступ к этим документам! Каждый человек имеет право на знание требований, изложенных в данных нормативно-правовых актах!

  


 

ГОСТ Р ИСО 2867-99

ГОСУДАРСТВЕННЫЙ СТАНДАРТ РОССИЙСКОЙ ФЕДЕРАЦИИ

Машины землеройные

СИСТЕМЫ ДОСТУПА

ГОССТАНДАРТ РОССИИ
Москва

Предисловие

1. РАЗРАБОТАН И ВНЕСЕН Техническим комитетом по стандартизации ТК 295 «Машины землеройные».

2. ПРИНЯТ И ВВЕДЕН В ДЕЙСТВИЕ Постановлением Госстандарта России от 30 ноября 1999 г. № 454-ст.

3. Настоящий стандарт представляет собой полный аутентичный текст международного стандарта ИСО 2867-94 «Машины землеройные. Системы доступа».

4. ВВЕДЕН ВПЕРВЫЕ

Содержание

 

ГОСУДАРСТВЕННЫЙ СТАНДАРТ РОССИЙСКОЙ ФЕДЕРАЦИИ

Машины землеройные

СИСТЕМЫ ДОСТУПА

Earth-moving machinery. Access systems

Дата введения 2000-07-01

1. Область применения

Настоящий стандарт распространяется на системы доступа землеройных машин (далее - машины) и устанавливает требования к ступеням, лестницам, проходам, платформам, поручням, перилам, скобам, ограждающим поручням, входным и выходным проемам кабин землеройных машин, облегчающим работу оператора и обслуживающего персонала.

Стандарт распространяется на системы доступа к рабочему месту оператора и точкам технического обслуживания на землеройных машинах по ГОСТ Р ИСО 6165, находящихся в неподвижном положении в соответствии с инструкциями изготовителя.

Требования настоящего стандарта являются обязательными.

2. Нормативные ссылки

В настоящем стандарте использованы ссылки на следующие стандарты:

ГОСТ 27921-88 (ИСО 2860-83) Машины землеройные. Минимальные размеры смотровых отверстий

ГОСТ Р ИСО 3411-99 Машины землеройные. Антропометрические данные операторов и минимальное рабочее пространство вокруг оператора

ГОСТ Р ИСО 6165-99 Машины землеройные. Классификация. Термины и определения

3. Определения

В настоящем стандарте применяют следующие термины с соответствующими определениями.

3.1. система доступа: Система, предусмотренная на машине для входа и выхода в зону рабочего места оператора, в зоны осмотра или технического обслуживания, а также для подъема на машину с уровня опорной поверхности и спуска с машины на уровень опорной поверхности.

Основная система доступа - постоянно используемая система доступа; запасная система доступа - система, используемая в аварийных ситуациях, когда основной системой доступа воспользоваться невозможно.

3.2. основной размер: Размер, учитывающий антропометрические характеристики оператора по ГОСТ Р ИСО 3411. Действительная величина может изменяться в пределах диапазона антропометрических данных, приведенных в указанном стандарте.

3.3 проем: Отверстие для прохода персонала к системам доступа, а также к местам эксплуатации и обслуживания машины.

3.3.1. главный проем: Проем, постоянно используемый для доступа.

3.3.2. запасной проем: Проем, используемый в аварийных ситуациях, когда главный проем не может быть использован.

3.3.3. служебный проем: Проем, используемый в процессе технического обслуживания, ремонта или осмотра машины.

3.4. ограждающий поручень: Устройство для ограждения открытых сторон проходов или платформ, предназначенное для защиты персонала от падения.

3.5. поручень, скоба и перила: Элементы системы доступа, предназначенные для захвата рукой с целью обеспечения опоры для тела человека.

3.5.1. перила: Устройство, позволяющее перемещать руку без отрыва от него.

3.5.2. скоба: Устройство, предназначенное для захвата одной рукой.

3.6. лестница: Элемент системы доступа с углом наклона к горизонтали свыше 20°, но не более 50°, имеющий четыре или более ступеней.

3.7. трап: Лестница с углом наклона к горизонтали свыше 50°, но не более 90°.

3.7.1. наклонный трап: Трап с углом наклона от 50 до 75°.

3.7.2. вертикальный трап: Трап с углом наклона к горизонтали свыше 75°, но не более 90° .

3.7.3. страховочное устройство от падения с трапа: Любое устройство, сводящее к минимуму или ограничивающее высоту падения с трапа.

3.8. ступень: Устройство для размещения одной или обеих стоп, являющееся частью трапа или лестницы или устанавливаемое отдельно.

3.9. перекладина: Устройство для размещения одной или обеих стоп, которое может быть использовано на трапах.

3.10. шаг подъема: Высота между двумя соседними ступенями или перекладинами, измеренная от рабочей поверхности одной ступени или перекладины до рабочей поверхности следующей ступени или перекладины.

3.11. глубина ступени: Расстояние между передним и задним краями ступени.

3.12. проступь: Расстояние по горизонтали от переднего края одной ступени до переднего края следующей ступени.

3.13. проход: Часть системы доступа для передвижения оператора в полный рост или на четвереньках из одного места на машине в другое.

3.13.1. проход по стреле: Наклонный проход, используемый в основном на длинных стрелах, с углом наклона к горизонтали до 20°.

3.13.2. коридор: Проход, ограниченный с обеих сторон барьерами, выступающими вертикально на высоту не менее 1200 мм над ходовой поверхностью для хождения оператора в выпрямленном положении или на высоту 300 мм для передвижения на четвереньках.

3.14. платформа: Горизонтальная площадка, предназначенная для выполнения персоналом работ по обслуживанию машины, подготовке ее к эксплуатации или проведения ремонтных работ.

3.14.1. платформа рабочего места оператора: Площадка, с которой оператор управляет передвижением и рабочими функциями машины.

3.14.2. платформа для отдыха: Площадка, являющаяся элементом лестниц или трапов, на которой может стоять отдыхающий человек.

3.15. бортик для ног: Устройство, препятствующее соскальзыванию подошвы ноги с края платформы или прохода.

3.16. рампа: Плоскость с углом наклона к горизонтали не более 20°, на которой вместо ступеней установлены планки или другие приспособления для улучшения сцепления подошвы ноги с поверхностью.

3.17. планка: Устройство на поверхности прохода или рампы, улучшающее сцепление подошвы ноги с поверхностью.

3.18. трехточечное опирание: Свойство системы доступа, позволяющее человеку использовать одновременно две руки и одну ногу или две ноги и одну руку во время подъема, спуска с машины или перемещения по ней.

3.19. нескользящая поверхность: Поверхность системы доступа, имеющая улучшенные свойства сцепления с подошвой ноги.

4. Технические требования

4.1. Если платформа рабочего места оператора находится на высоте 3 м (предпочтительно - не более 2 м) от поверхности грунта, то обязательно должен быть предусмотрен запасной выход.

4.2. Должна быть сведена к минимуму возможность случайной задержки оператора, например захвата или зацепления его конечности или одежды такими устройствами, как выступы, органы управления, ступени или ручки.

4.3. Должно быть сведено к минимуму число выступов, о которые можно споткнуться или которые могли бы усугубить травму оператора в случае его падения.

4.4. Должна быть сведена к минимуму возможность контакта оператора с потенциально опасными элементами, например движущимися деталями, острыми углами, поверхностями с высокой или низкой температурой, токоведущими частями.

4.5. Размеры системы доступа должны соответствовать антропометрическим данным операторов от 5 до 95%-ной группы по ГОСТ Р ИСО 3411.

4.6. Правильное пользование системой доступа должно быть очевидным без специального обучения.

4.7. Размещение элементов системы доступа должно обеспечивать персоналу возможность использования трехточечного опирания во время подъема, спуска или передвижения по системе доступа на высоте более 1 м от поверхности грунта.

4.8. Устройства основной системы доступа могут быть портативными для удобного хранения на машине. При этом должна быть обеспечена возможность их надежного закрепления как при использовании, так и в собранном состоянии.

4.9. Должны быть предусмотрены и ясно обозначены запасной выход и маршрут передвижения к нему, если это не очевидно для пользователя.

4.10. Поверхности систем доступа для передвижения и нахождения персонала должны без видимой остаточной деформации выдерживать прикладываемое перпендикулярно к этим поверхностям усилие, не менее:

а) 2000 Н, сосредоточенно прикладываемое на площадку диаметром 125 мм в любом месте поверхности или

б) 4500 Н, равномерно распределенное на квадратный метр площади поверхности.

4.11. Отверстия в полу платформ и проходов не должны пропускать сферический предмет диаметром 40 мм и более. Если поверхность пола расположена над поверхностью, где будет стоять, ходить или работать персонал, то отверстие не должно пропускать сферический предмет диаметром более 20 мм. Сплошные поверхности должны использоваться в случае, когда необходимо предотвратить проникание материала сквозь поверхность, если это может привести к травмированию персонала, находящегося выше или ниже этой поверхности.

Отверстия в поверхностях проходов по стрелам и в других местах, где проходы используются только для осмотра или технического обслуживания, могут вдвое превышать указанные выше значения.

4.12. Поручни, скобы и перила должны без видимой остаточной деформации выдерживать усилие не менее 1000 Н, прикладываемое в любой точке в любом направлении. Гибкие устройства под действием этой нагрузки не должны отклоняться более чем на 80 мм от своего обычного ненагруженного положения.

4.13. Крыши кабин и козырьки силовых каркасов, используемые персоналом только для осмотра, могут соответствовать только нагрузочным требованиям 4.10, перечисление а).

4.14. Все поверхности системы доступа (включая любые устройства или конструктивные элементы, используемые как часть системы доступа) должны иметь нескользящее покрытие.

Поверхности башмаков гусениц допускается использовать в качестве ступеней, если обеспечена трехточечная опора.

4.15. Поверхности для захвата рукой должны быть без шероховатостей, острых углов или выступов, которые могут повредить руку.

5. Ступени

5.1. Размеры ступеней должны соответствовать указанным на рисунке 1 и в таблице 1. Предпочтительно, чтобы ширина всех ступеней была достаточной для размещения обеих стоп.

5.2. Если для перехода с верхней или нижней ступени трапа на ближайшую опорную поверхность для ног требуется боковое перемещение туловища, то расстояние между перекладиной и ближайшим краем несущей поверхности должно быть в пределах сферы радиусом R не более 300 мм (рисунок 1).

5.3. Должна быть обеспечена координация расположения ступеней с расположением поручней или скоб.

5.4. В случаях, когда нога, продвинувшись в глубь ступени, может коснуться движущейся детали машины, между ступенью и этой деталью должно быть предусмотрено ограждение.

5.5. Конструкция ступени должна сводить к минимуму риск соскальзывания с нее ноги в поперечном направлении.

5.6. Рабочая поверхность ступени не должна предназначаться для использования в качестве скобы.

5.7. Конструкция ступеней должна сводить к минимуму скопление мусора и способствовать очищению подошв обуви от грязи.

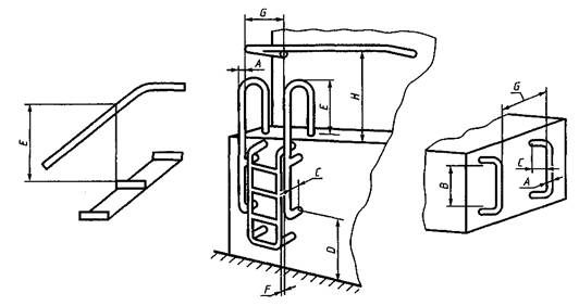
1 - платформа; 2 - просвет между ступенями; 3 - уровень платформы; R - радиус сферы

Рисунок 1 - Лестницы, трапы, ступени, перекладины

5.8. Конструкция ступеней должна обеспечивать естественное размещение стопы. Ступени должны быть отчетливо видны пользователю.

5.9. Следует избегать упругой подвески ряда ступеней. Если такая подвеска используется, то упругое смещение ступеней в любой плоскости не должно превышать 80 мм при приложении горизонтального усилия 1000 Н к переднему краю первой от грунта качающейся ступени.

5.10. Ступени должны быть размещены таким образом, чтобы сумма удвоенного шага подъема и проступи соответствовала размеру J, приведенному в таблице 1.

Таблица 1 - Размеры лестниц, трапов, ступеней и перекладин

В миллиметрах

Условное обозначение

Описание

Размер

не менее

не более

основной

А

Высота первой ступени над уровнем грунта или платформы

-

700

400

В

Шаг подъема: трапа

лестницы

2301)

-

4002)

250

300

180

С

Ширина ступени:

для одной стопы

для обеих стоп

160

320

-

-

200

400

D

Рабочая поверхность перекладины (диаметр3) или ширина)

19

-

60

Е

Просвет между ступенями

150

-

190

Окончание таблицы 1

В миллиметрах

Условное обозначение

Описание

Размер

не менее

не более

основной

F1

Глубина:

ступени и трапа

лестницы и перехода по стреле

 

1303)

240

 

-

400

 

200

300

F2

Зазор для носка стопы (свободное пространство сзади перекладины)

150

-

200

G

Проступь

130

-

-

H

Свес рабочей поверхности ступени

-

25

0

I

Свободная высота над ступенью, ведущей к проходу

2000

-

>2000

J

Модуль ступени4)

-

800

600

Q

Максимальное заглубление 1-й ступени лестницы

-

105)>

-

R

Расположение ступеней лестницы

-

300

0

1) He более 150 мм от верхней ступени лестницы до поверхности платформы.

2) Для гусеничных (колесных) систем - не более 500 мм от гусеницы (ступени) до поверхности платформы.

3) Диаметр перекладины трапа не менее 19 мм, если есть вероятность повреждения перекладины от удара и наслоения мусора или грязи.

4) Требования 5.10.

5) 30 мм для ступеней, которые являются частью крыла гусеницы.

6. Трапы

6.1. Перекладины трапов должны соответствовать требованиям раздела 5.

6.2. Трапы, имеющие высоту более 5 м по вертикали над уровнем платформы или грунта, для ограничения риска падения с них, должны быть оборудованы предохранительными устройствами, предпочтительно пассивного типа. Такие устройства не должны требовать постоянных действий персонала при подъеме или спуске с трапа.

6.2.1. Нижний край предохранительной сетки вертикального трапа или другого подобного устройства, если оно используется, должен располагаться на высоте не более 3 м над уровнем платформы или грунта.

6.2.2. Внутренняя поверхность предохранительной сетки на вертикальном трапе не должна отходить более чем на 700 мм от ступеней.

6.3. Платформы для отдыха должны размещаться не более чем через каждые 15 м вертикального подъема, предпочтительно - не более чем через каждые 10 м.

6.4. Винтовые или спиральные трапы высотой более 3 м (предпочтительно - более 2 м) по вертикали должны быть снабжены ограждающими поручнями с внешней стороны.

7. Лестницы

7.1. Ступени лестницы должны соответствовать требованиям раздела 5.

7.1. Глубина рабочей поверхности ступеней лестницы должна быть равна или больше шага подъема. Ступени одной лестницы должны быть одинаковыми как по шагу подъема, так и по глубине рабочей поверхности.

7.2. Лестницы должны иметь хотя бы один поручень.

7.3. Если высота падения с лестницы по вертикали превышает 3 м (предпочтительно - 2м), то с открытой стороны (сторон) лестница должна иметь ограждающие поручни.

8. Поручни и скобы

8.1. Поручни и скобы должны соответствовать размерам, указанным на рисунке 2 и в таблице 2.

 

Рисунок 2 - Поручни и скобы

Примечание - Выступающая часть поручня может быть выполнена заодно с конструкцией трапа или отдельно от него

Таблица 2 - Размеры поручней и скоб

В миллиметрах

Условное обозначение

Описание

Размер

не менее

не более

основной

А

Ширина (диаметр или размер по граням):

трапа ступени или прохода

поручня лестницы и рампы

161)

16

38

80

25

50

В

Длина между радиусами изгиба скоб для опоры ног

150

-

250

С

Зазор между руками и монтажной поверхностью

75

-

75

D

Высота над установочной поверхностью

-

1600

900

Е

Высота установки поручня над ступенью, платформой, лестницей или рампой

850

960

900

F

Смещение поручня скобы от края ступени

75

200

150

G

Ширина между параллельными поручнями:

трапа

лестницы и рампы

-

460

6002)

-

4003)

700

Н

Высота над проходом, коридором, ступенью или площадкой

850

1400

900

1) 19 мм, если расположение вертикальное.

2) Не более 800 мм, если поручни (скобы) являются неотъемлемой частью дверного проема.

3) 600 мм, если требуется зазор для прохождения бедер

8.2. Поручни и скобы должны быть таким образом расположены вдоль системы доступа, чтобы обеспечивались постоянная опора и сохранение равновесия для движущегося человека.

8.3. Поперечное сечение поручней и скоб должно быть круглым. Допускается использование квадратного или прямоугольного поперечного сечения с закругленными углами.

8.4. Поручни и скобы, рабочие поверхности которых выступают за пределы опоры, должны иметь на конце несколько измененную форму, препятствующую соскальзыванию руки.

8.5 Использование поручней для трапов более предпочтительно, чем использование скоб. Если используются скобы, расстояние между ними должно соответствовать расстоянию между ступенями.

9. Платформы, коридоры, проходы, ограждающие поручни и бортики

9.1 Платформы, коридоры, проходы, ограждающие поручни и бортики для ног должны соответствовать размерам, указанным на рисунке 3 и в таблице 3.

Рисунок 3 - Платформы, проходы и ограждающие поручни

Таблица 3 - Размеры платформ, проходов, коридоров, бортиков и ограждающих поручней

В миллиметрах

Условное обозначение

Описание

Размер

не менее

не более

основной

А

Ширина:

платформы

прохода

300

300

-

-

600

600

В

Просвет по высоте:

положение стоя

положение на коленях1)

положение на четвереньках2)

-

1500

1000

-

-

-

>2000

>1500

>1000

С

Высота ограждающего поручня

1000

1100

1100

D

Высота бортика для ног

50

-

100

Е

Зазор между бортиком для ног и полом

0

10

0

F

Коридор:2)

проход вперед лицом

проход боком

двусторонний проход

550

330

900

-

-

-

650

450

1300

1) Только для осмотра и технического обслуживания.

2) Для прохода в положении на четвереньках в качестве минимального применять размер, указанный в графе «основной».

9.2. Дополнительный (второй) поручень должен быть расположен посередине между верхним ограждающим поручнем и проходом или платформой.

9.3. Платформы и проходы должны быть снабжены скобами, перилами или ограждающими поручнями. Ограждающие поручни устанавливают, если высота падения с открытой стороны перехода или платформы превышает 3 м (предпочтительно - не более 2 м).

9.4. Проходы, используемые только для доступа с целью технического обслуживания и осмотра машины, имеющие высоту над уровнем грунта не более 3 м, могут иметь минимальную ширину 230 мм. Допускается выполнять операции по техническому обслуживанию и осмотру с прохода, если их можно выполнять при сохранении трехточечного опирания.

9.5. Если в ограждающем поручне предусмотрен проем иной, чем для доступа к трапу или ступеням, то этот проем должен соответствовать 3.3.

9.6. В местах, где может произойти соскальзывание ноги с поверхности прохода или платформы, должны быть установлены бортики для ног.

10. Проемы и двери кабин

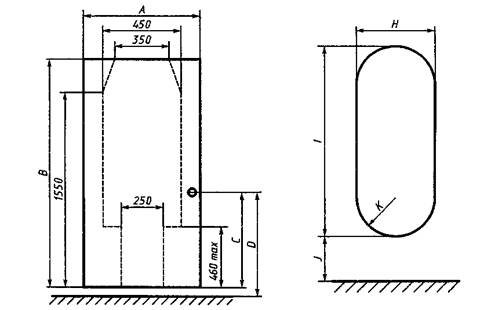
10.1. Проемы кабин должны соответствовать размерам, указанным на рисунке 4 и в таблице 4.

10.2. Проемы машин, конструкцией которых предусмотрен вход спереди или спуск в кабину, например у погрузчиков с бортовым поворотом, должны, как минимум, соответствовать требованиям, приведенным ниже, если невозможно обеспечить соответствие размерам, приведенным на рисунке 4 и в таблице 4.

10.2.1. Главный проем должен быть высотой от порога не менее 875 мм и шириной не менее 550 мм.

10.2.2. Запасной проем должен допускать прохождение прямоугольника размером не менее (380 × 550) мм, однако предпочтительно, чтобы размеры запасного и главного проемов были одинаковыми.

10.2.3. Радиусы закругления углов проемов должны соответствовать требованиям, установленным для радиуса К (рисунок 4, таблица 4).

10.3. В случае, если конструктивно невозможно выполнить прямоугольный проем, он может быть выполнен в соответствии с минимальными размерами, указанными на рисунке 4.

Главный проем                                                      Служебный проем

Рисунок 4 - Проемы кабин

Примечания

1. Отклонения формы минимального проема от основного не обязательно должны быть симметричными.

2. Сужение проема допускается только в кабинах для работы стоя.

В качестве альтернативы высота от пола в нижнем суженном пространстве минимального проема может быть увеличена от 460 до 770 мм, а минимальная ширина соответственно увеличена от 250 до 300 мм.

10.4 Доступ к главному проему должен быть непосредственно со ступеней, с платформы, прохода или с грунта.

Таблица 4 - Размеры проемов кабин

В миллиметрах

Условное обозначение

Описание

Размер

не менее

не более

основной

 

Главный проем

 

 

 

А

Ширина

450

-

680

В

Высота:

кабины для работы сидя

кабины для работы стоя

1300

1800

-

-

>1300

>1800

С

Высота от пола до внутренней ручки двери:

кабины для работы сидя

кабины для работы стоя

350

800

850

1000

>350

>800

D

Высота от поверхности площадки до наружной ручки двери1

Запасной проем:

круглый (диаметр)

квадратный

прямоугольный

Служебный проем

 

500

 

650

600×600

470×650

 

15001)

 

-

-

-

 

 

900

 

>650

>600×600

>470×650

Н

Ширина

450

-

680

1

Высота

760

-

1100

J

Высота нижнего края от пола

-

500

250

К

Радиус закругления

-

0,5Н

150

1) 700 мм, если человек стоит на грунте.

10.5. Дверь проема должна открываться без нарушения вертикального положения открывающего ее оператора.

10.6. Запасной и главные проемы должны быть расположены на разных поверхностях.

10.7. Усилие, необходимое для открытия или закрытия распашной двери или откидной крышки, не должно превышать 135 Н.

10.8. Дверь проема кабины, которая может оставаться открытой при работе машины, должна быть снабжена устройством для закрепления в открытом положении.

10.9. Распашные двери должны открываться наружу. Конструкция раздвижных дверей должна исключать опасные перемещения двери под влиянием силы инерции, возникающей при работе машины.

10.10. Должен быть предусмотрен зазор не менее 80 мм для руки:

между внешним вертикальным краем распашной двери и любым неподвижным объектом, кроме дверной рамы;

везде, где необходим зазор для руки при открывании или снятии других видов дверей или крышек.

10.11. Конструкция съемных крышек, закрывающих проем кабины и удерживаемых на месте силой тяжести, например крышек люков, должна исключать возможность их падения через проем.

10.12. Масса съемной крышки, закрывающей проем кабины, не должна превышать 40 кг, если ее приходится поднимать по вертикали на высоту не более 300 мм. С увеличением высоты подъема на каждые полные или неполные 300 мм масса должна уменьшаться не менее чем на 5 кг.

Ключевые слова: машины землеройные, ступени, лестницы, проходы, проемы

 

 




ГОСТЫ, СТРОИТЕЛЬНЫЕ и ТЕХНИЧЕСКИЕ НОРМАТИВЫ.
Некоммерческая онлайн система, содержащая все Российские Госты, национальные Стандарты и нормативы.
В Системе содержится более 150000 файлов нормативно-технической документации, действующей на территории РФ.
Система предназначена для широкого круга инженерно-технических специалистов.

Рейтинг@Mail.ru Яндекс цитирования

Copyright © www.gostrf.com, 2008 - 2026