Крупнейшая бесплатная информационно-справочная система онлайн доступа к полному собранию технических нормативно-правовых актов РФ. Огромная база технических нормативов (более 150 тысяч документов) и полное собрание национальных стандартов, аутентичное официальной базе Госстандарта. GOSTRF.com - это более 1 Терабайта бесплатной технической информации для всех пользователей интернета. Все электронные копии представленных здесь документов могут распространяться без каких-либо ограничений. Поощряется распространение информации с этого сайта на любых других ресурсах. Каждый человек имеет право на неограниченный доступ к этим документам! Каждый человек имеет право на знание требований, изложенных в данных нормативно-правовых актах!

  


 

РОССИЙСКОЕ АКЦИОНЕРНОЕ ОБЩЕСТВО ЭНЕРГЕТИКИ

И ЭЛЕКТРИФИКАЦИИ «ЕЭС РОССИИ»

 

ДЕПАРТАМЕНТ НАУЧНО-ТЕХНИЧЕСКОЙ ПОЛИТИКИ И РАЗВИТИЯ

 

МЕТОДИЧЕСКИЕ УКАЗАНИЯ

ПО НАЛАДКЕ

ТЕХНОЛОГИЧЕСКИХ ЗАЩИТ

ТЕПЛОЭНЕРГЕТИЧЕСКОГО

ОБОРУДОВАНИЯ ТЭС

 

РД 153-34.1-35.503-00

 

 

СЛУЖБА ПЕРЕДОВОГО ОПЫТА ОРГРЭС

Москва 2002

 

 

 

 

Разработано Открытым акционерным обществом «Фирма по наладке, совершенствованию технологии и эксплуатации электростанций и сетей ОРГРЭС»

Исполнители: В.П. Соловьев, Н.И. Чучкина, О.Н. Кузьмичев.

Утверждено: Департаментом научно-технической политики и развития РАО «ЕЭС России» 20.11.2000г.

Первый заместитель начальника

А.П. БЕРЕСТЕНЕВ

Ключевые слова: технологическая защита, наладки, теплоэнергетическое оборудование ТЭС.

МЕТОДИЧЕСКИЕ УКАЗАНИЯ

ПО НАЛАДКЕ

ТЕХНОЛОГИЧЕСКИХ ЗАЩИТ

ТЕПЛОЭНЕРГЕТИЧЕСКОГО

ОБОРУДОВАНИЯ ТЭС

РД 153-34.1-35.503-00

Взамен РД 34.35.503-90

 

Дата введения 10.01.2002 г.

 

СОДЕРЖАНИЕ

1 ОБЩИЕ ПОЛОЖЕНИЯ

2 ТИПОВЫЕ СТРУКТУРЫ И ТЕХНИЧЕСКИЕ СРЕДСТВА

2.1 МИКРОПРОЦЕССОРНЫЕ ТЕХНИЧЕСКИЕ СРЕДСТВА

2.2 УСТРОЙСТВА КОМПЛЕКТНЫЕ ТЕХНОЛОГИЧЕСКИХ ЗАЩИТ

2.3 РЕЛЕЙНАЯ АППАРАТУРА

2.4 ЗАПАЛЬНО - ЗАЩИТНЫЕ УСТРОЙСТВА

2.4.1 Запальник ЗСУ-ПИ

2.4.2 Датчик контроля пламени горелок ФДЧС-1МК

2.4.3 Датчик контроля пламени горелок СГ-01/4

2.5 СИГНАЛИЗАТОР "ФАКЕЛ-2"

2.6 СИГНАЛИЗАТОР "ФАКЕЛ-ЗМ"

2.7 УСТРОЙСТВА КОНТРОЛЯ МЕХАНИЧЕСКИХ ВЕЛИЧИН

2.7.1 Аппаратура "Вибробит-100"

2.8 РЕЛЕ ПРУ-5М

2.9 УКАЗАТЕЛЬ УРОВНЯ ЖИДКОСТИ

3 АНАЛИЗ ПРОЕКТА

4 ПРИЕМКА ИЗ МОНТАЖА

4.1 ТРЕБОВАНИЯ К МОНТАЖУ

4.2 ПРАВИЛА ПРИЕМКИ СМОНТИРОВАННЫХ ТЕХНИЧЕСКИХ СРЕДСТВ ЗАЩИТ

5 ВХОДНОЙ КОНТРОЛЬ, НАСТРОЙКА И РЕГУЛИРОВКА АППАРАТУРЫ

5.1 ПАНЕЛИ, ПУЛЬТЫ И ШКАФЫ

5.2 ФУНКЦИОНАЛЬНЫЕ БЛОКИ УКТЗ

5.3 РЕЛЕЙНАЯ АППАРАТУРА

5.4 ЗАПАЛЬНИК ЗСУ-ПИ

5.5 СИГНАЛИЗАТОР "ФАКЕЛ-2"

5.6 СИГНАЛИЗАТОР "ФАКЕЛ-ЗМ"

5.7 АППАРАТУРА "ВИБРОБИТ-100"

5.8 РЕЛЕ ПРУ-5М

5.9 УКАЗАТЕЛЬ УРОВНЯ ЖИДКОСТИ УЖИ

5.10 ЭЛЕКТРОМАГНИТНЫЕ ПРИВОДЫ

6 НАСТРОЙКА И ОПРОБОВАНИЕ СХЕМ

6.1 ПРОВЕРКА ПРАВИЛЬНОСТИ ПРИСОЕДИНЕНИЯ КАБЕЛЬНЫХ СВЯЗЕЙ

6.2 ПОДАЧА НАПРЯЖЕНИЯ В СХЕМЫ

6.3 ПОУЗЛОВОЕ ОПРОБОВАНИЕ СХЕМ ТЗ

7 НАСТРОЙКА И ОПРОБОВАНИЕ КОМПЛЕКТОВ

7.1 ЗАПАЛЬНИК ЗСУ-ПИ

7.2 ДАТЧИК КОНТРОЛЯ ПЛАМЕНИ ГОРЕЛОК ФДЧС-1МК

7.3 ДАТЧИК КОНТРОЛЯ ПЛАМЕНИ ГОРЕЛОК СГ-01/4

7.4 СИГНАЛИЗАТОР "ФАКЕЛ-2"

7.5 СИГНАЛИЗАТОР "ФАКЕЛ-ЗМ"

7.6 АППАРАТУРА "ВИБРОБИТ-100"

8 ТЕХНИЧЕСКАЯ ДОКУМЕНТАЦИЯ

9 ПРИЕМОСДАТОЧНЫЕ ИСПЫТАНИЯ ТЗ И ПРОГРАММЫ ИСПЫТАНИЙ

Приложение А (справочное)

КРАТКАЯ ХАРАКТЕРИСТИКА МОДИФИКАЦИЙ БЛОКОВ УКТЗ

Приложение Б(справочное)

ПОРЯДОК ПОДАЧИ НАПРЯЖЕНИЯ ПИТАНИЯ НА УКТЗ

Приложение В (рекомендуемое)

РЕКОМЕНДУЕМЫЕ ФОРМЫ ПРОГРАММ ИСПЫТАНИЙ ТЕХНОЛОГИЧЕСКИХ ЗАЩИТ

Список использованной литературы

 

1 ОБЩИЕ ПОЛОЖЕНИЯ

1.1 Данные Методические указания предназначены для работников наладочных организаций, производящих наладку технологических защит, и работников цехов тепловой автоматики и измерений электростанций, эксплуатирующих технологические защиты.

1.2 Настоящие Методические указания разработаны на основе "Методических указаний по наладке технологических защит теплоэнергетического оборудования ТЭС: РД 34.35.503-90" (М.: СПО ОРГРЭС 1991). Из документа исключено описание технических средств, снятых с производства или не применяемых в настоящее время. Документ дополнен описанием новых технических средств, используемых при проектировании новых ТЗ или их модернизации. Часть глав РД 34.35.503-90, относящихся к техническим средствам, применяемым до настоящего времени, сохранена для удобства пользования настоящим документом (РД 34.35.503-90. Может быть использованы как справочная литература).

1.3 В настоящем документе приведены типовые алгоритмы ТЗ, а также отражены вопросы входного контроля технических средств, требования к их монтажу, настройке и проверке как технических средств, так и всей подсистемы технологических защит.

1.4 Большинство выпускаемых в настоящее время технических средств поставляется в комплекте с подробной технической документацией, в которой отражено их устройство, требования к монтажу, наладке и техническому обслуживанию. Поэтому некоторые разделы настоящего документа, относящиеся к таким техническим средствам, сокращены.

1.5 Основная цель наладки - обеспечение работоспособности подсистемы ТЗ и ее безотказного функционирования при всех режимах и условиях, предусмотренных правилами и программами приемки из наладки.

Наладка подсистемы ТЗ, кроме наладки технических средств, включает проверку правильности алгоритмов ТЗ и реализации связей элементов подсистемы ТЗ между собой (начиная от измерительных каналов до исполнительных устройств ТЗ, включая электропитание и систему централизованного опробования) и другими подсистемами АСУ ТП (представление информации, архивации).

1.6 Наладка ТЗ состоит из следующих этапов:

- ознакомление с проектной технической документацией и ее анализ;

- ознакомление с комплексом технических средств;

- проверка технических средств;

- приемка из монтажа;

- настройка, проверка и опробование комплектов и схем;

- составление необходимой технической документации;

- приемо-сдаточные испытания.

1.7 В Методических указаниях приняты следующие сокращения:

АВР - автоматическое включение резерва;

АДП - аналого-дискретный преобразователь;

АП - автоматический переключатель;

АСР - автоматические системы регулирования;

АСУ ТП - автоматизированная система управления технологическим процессом;

ББФ - блок блокировок и фиксации;

БВЗ- блок ввода защит;

БЗ - блок защиты;

БИ - блок импульсов;

БИР - блок искрового розжига;

БКП - блок контроля питания;

БО - блок опробования;

БПН - блок преобразования напряжения;

БРУ - блок размножения унифицированный;

БС - блок сигнализации;

ВИП - вторичный источник питания;

ГСИ - генератор световых импульсов;

ЗБ - защитные блокировки;

ЗЗУ - запально-защитное устройство;

ИВС - информационно-вычислительная система;

ИК - измерительный канал;

ИМ - исполнительный механизм;

ИПК - импульсный предохранительный клапан;

ИС - измерительная система;

ИУ - исполнительное устройство;

КДЗ - контроль действия защит;

КТС- комплекс технических средств;

МПТ - микропроцессорная техника;

МПУ - микропроцессорное устройство;

ОС - осевое смещение;

ПВД - подогреватель высокого давления;

ПП - первичный преобразователь;

ПРГ - передающий преобразователь;

ПСБУ - пускосбросные устройства;

ПТК - программно-технический комплекс;

ПУ - пульт управления;

РАС - регистрация аварийных ситуаций;

СА - средства автоматизации;

СВТ - средства вычислительной техники;

СИ - средства измерений;

СОИ - средства отображения информации;

СПК - специальная приемочная комиссия;

СУ ТП - система управления технологическими процессами;

ТБ - технологическая блокировка;

ТДМ - тягодутьевые механизмы;

ТЗ - технологические защиты;

ТОУ - технологический объект управления;

ТПН - турбопитательный насос;

ТС - технологическая сигнализация;

ФД - фотодатчик;

ФНЧ - фильтр низких частот;

ШР - штепсельный разъем;

ЭМК- электромагнитный клапан.

 

Условные обозначения элементов схем:

 

l

Логический элемент "ИЛИ";

 

&

Логический элемент "И";

 

S

Формирователь одиночного импульса;

 

Запись

R

T

Логический элемент "ПАМЯТЬ".

Сброс

S

 

2 ТИПОВЫЕ СТРУКТУРЫ И ТЕХНИЧЕСКИЕ СРЕДСТВА

Подсистема ТЗ - одна из подсистем АСУ ТП, обеспечивающая безопасность персонала и безопасную работу теплоэнергетического оборудования путем экстренного автоматического перевода защищаемого оборудования в безопасное состояние в случае возникновения аварийной или предаварийной ситуации.

Технологические защиты работают в режиме ожидания: срабатывание ТЗ происходит в момент возникновения соответствующей аварийной ситуации, т.е. при поступлении запроса на срабатывание данной ТЗ.

В момент появления запроса на срабатывание ТЗ должна быть готова к безотказному выполнению своих функций и персонал должен быть уверен в этой готовности.

Подсистема ТЗ предназначена для решения следующих задач:

- контроль появления признаков возникновения аварийных и предаварийных ситуаций: отклонение аналоговых сигналов от заданных значений (уставок срабатывания), появление заданного состояния дискретных сигналов или их заданного сочетания;

- контроль наличия условий срабатывания ТЗ: истечения заданной выдержки времени, наличия технологических признаков и /или оперативного разрешения на срабатывание (ввод защиты);

- формирование команды на выполнение соответствующей программы действия (определенного набора команд на исполнительные устройства ТЗ);

- обеспечение возможности неоперативного вывода каждой защиты "на сигнал" (ремонтный вывод защиты);

- формирование информации о состоянии и срабатывании ТЗ с указанием защиты, сработавшей первой и при необходимости передача этой информации в другие подсистемы АСУ ТП: сигнализации, архивирования, управления;

- прием информации из других подсистем АСУ ТП.

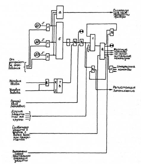
Типовой алгоритм ТЗ, реализующий указанные функции, представлен на рисунке 1.

l - логический элемент "ИЛИ"; & - логический элемент "И"; Т - логический элемент "ПАМЯТЬ"; - логический элемент "ВЫДЕРЖКА ВРЕМЕНИ"; S - логический элемент "ИМПУЛЬСНОСТЬ"; - логический элемент "НЕ"; Д - датчик;  - световое табло на щите управления; а - схема сравнения сигналов датчиков; б - логическая схема обработки сигнала; в - устройство автоматического ввода

Рисунок 1 - Структурная схема ТЗ

 

Технические средства реализации ТЗ включают датчики дискретного сигнала, специализированные устройства контроля механических величин, яркости факела и т.д., датчики аналогового сигнала, устройства сравнения аналогового сигнала с уставкой защиты (аналого-дискретные преобразователи), технические средства, реализующие логику ТЗ (реле, комплектные устройства, например, типа УКТЗ, микропроцессорная техника).

2.1 МИКРОПРОЦЕССОРНЫЕ ТЕХНИЧЕСКИЕ СРЕДСТВА

2.1.1 В настоящее время на многих ТЭС подсистемы технологических защит проектируются на средствах микропроцессорной техники. Применение микропроцессорных средств для реализации подсистемы ТЗ дает следующие преимущества по сравнению с традиционными средствами:

- возможность непрерывного контроля достоверности всей или определенного класса входной информации с сигнализацией и регистрацией неисправности отдельных датчиков или каналов связи;

- возможность контроля выполнения команд по факту и во времени;

- самодиагностика технических средств с сигнализацией и регистрацией отказов на уровне типового элемента замены;

- возможность санкционированного контроля состояния любого датчика или алгоритма;

- упрощение процедуры внесения оперативных и неоперативных изменений при санкционированном доступе к таким изменениям с одновременной автоматической регистрацией факта доступа и внесенных изменений;

- возможность фиксации времени возникновения всех регистрируемых событий;

- возможность автоматической подготовки отчетной документации;

- упрощение процедуры опробования защит;

- более высокая ремонтопригодность технических средств;

- значительное уменьшение габаритных размеров технических средств, реализующих подсистему ТЗ, при расширении выполняемых функций;

- возможность полного резервирования технических средств при минимальном усложнении системы.

2.1.2 Недостатками применения микропроцессорной техники для реализации подсистемы ТЗ и ЗБ являются:

- возможность генерации ложных сигналов внутри контроллера и необходимость принятия специальных мер по исключению негативных последствий этого;

- возможные ограничения по быстродействию и необходимость подбора соответствующих технических средств и систем;

- возможность "зависания" программы и необходимость перезапуска контроллера с сохранением текущей информации и команд.

2.1.3 К средствам МПТ, реализующим ТЗ, предъявляются специальные требования [9], основные из которых изложены ниже.

Средства МПТ, используемые для реализации подсистемы ТЗ, должны быть серийно выпускаемыми, адаптированными к решению конкретных задач ТЗ.

Для повышения живучести системы специализированные устройства ТЗ выполняются с двумя (реже тремя) контроллерами при их 100%-ном резервировании. При этом сигнал каждого датчика вводится одинаково во все контроллеры.

При обработке входных сигналов для функции ТЗ микропроцессорные устройства должны решать следующие задачи:

- прием сигналов от датчиков, контролирующих технологические параметры и состояние механизмов СН;

- логическая и динамическая обработка принятых аналоговых и дискретных сигналов согласно п. 2.1.4;

- диагностика достоверности каждого входного сигнала;

- анализ работы резервированных каналов, выделение по каждому контролируемому параметру достоверного сигнала, который может использоваться не только в подсистеме ТЗ, но и в любых других подсистемах.

2.1.4 Предварительная обработка аналоговых сигналов от датчиков ТЗ должна предусматривать решение следующих задач:

- контроль достоверности сигнала каждого датчика;

- контроль исправности линий связи с датчиками;

- логическая и динамическая обработка дискретных и аналоговых сигналов (демпфирование, линеаризация, масштабирование на основе стандартных градуировочных характеристик датчиков и т.д.);

- формирование достоверного сигнала по каждому контролируемому параметру с возможностью реструктуризации алгоритма обработки при обнаружении отказов одного из нескольких датчиков одного параметра;

- сигнализация обнаруженных отказов.

2.1.5 Для выполнения функций управления по каждой защите должны решаться следующие задачи:

- формирование для аналоговых величин уставок срабатывания, заданных в единицах измерения параметра;

- сравнение сигналов, полученных от датчиков, с уставкой срабатывания;

- отсчет выдержек времени на срабатывание;

- формирование команды на выполнение соответствующего алгоритма действия;

- формирование длительных и импульсных выходных команд на исполнительные устройства;

- автоматический режимный ввод и вывод защит, срабатывающих при понижении параметра или при отключении механизмов;

- обеспечение возможности санкционированного неоперативного вывода каждой защиты "на сигнал" (ремонтный вывод защиты) по команде с рабочего места оператора ЦАСУ ТП;

- формирование информации для других подсистем АСУ ТП;

- прием при необходимости логической информации от других подсистем АСУ ТП по цифровой магистрали.

2.1.6 Микропроцессорное устройство ТЗ должно обеспечить выдачу оператору-технологу следующей информации:

а) при срабатывании ТЗ инициативно:

- наименование защиты, сработавшей первой, и всех сработавших защит;

- наименование выполняемой программы;

б) по факту появления информации инициативно:

- наименование защит, у которых начался отсчет выдержки времени (для защит, имеющих выдержку времени не менее 15с);

- расхождение сигналов дискретных или аналоговых датчиков одного параметра (с выдержкой времени до 1,5 с) при нали-

чии только двух одинаковых датчиков этого параметра;

- отказ датчика или канала связи (для датчиков дискретного сигнала, если это требование предусмотрено проектом);

- повреждение микропроцессорных технических средств и факт их частичного или полного отключения;

- автоматический режимный ввод или вывод ТЗ;

- начало и окончание опробования ТЗ (при наличии программы автоматического опробования);

- изменение состояния ремонтного вывода;

в) по санкционированному запросу:

- состояние защит, требующих режимного ввода (введена - выведена);

- состояние ремонтного вывода защит - перечень защит, выведенных "на сигнал";

- результаты опробования ТЗ (при наличии программы автоматического опробования);

- значение параметров настройки (уставок, выдержек времени).

2.1.7 На рабочем месте оперативного персонала ЦАСУ ТП, если оно оснащено соответствующей техникой, должна представляться следующая информация от микропроцессорного устройства ТЗ:

а) при срабатывании ТЗ инициативно:

- наименование всех сработавших защит с указанием времени срабатывания;

- наименование выполняемой программы;

б) по факту появления информации инициативно:

- расхождение сигналов дискретных или аналоговых датчиков одного параметра (с выдержкой времени до 1,5 с) при наличии только двух одинаковых датчиков этого параметра;

- отказ датчика;

- неисправность канала связи с датчиком или ИУ, если предусмотрены алгоритмы диагностики;

- отказ любого диагностируемого элемента технических средств;

- полное или частичное отключение микропроцессорных технических средств, реализующих ТЗ;

- начало и окончание опробования ТЗ (при наличии программы автоматического опробования);

- изменение состояния ремонтного вывода;

в) по санкционированному запросу (для каждого из резервирующих друг друга каналов ТЗ, если нет их программной синхронизации) - состояние каждой ТЗ (введена - выведена, сработала, отключена ремонтным выводом):

- результаты опробования ТЗ (при наличии программы автоматического опробования);

- выдержка времени, реализованная для данной защиты;

- уставка срабатывания, реализованная для данной защиты, в натуральных единицах измерения;

- алгоритмы всех ТЗ;

- вид повреждения микропроцессорных технических средств с указанием отказавшего модуля.

2.1.8 Для устройства ТЗ, не имеющего цифровой связи с АСУ ТП, объем передаваемой информации может быть сокращен за счет полного или частичного исключения информации, выдаваемой оператору-технологу, и информации по п. 2.1.7. Последняя в этом случае должна выводиться на переносное или стационарное устройство отображения информации по ТЗ.

2.1.9 Устройство ТЗ должно фиксировать в собственном архиве с выводом на печатающее устройство или передавать в подсистему архивации и при необходимости в другие подсистемы следующую информацию с указанием времени возникновения события:

- срабатывание каждой защиты;

- автоматический ввод и вывод ТЗ;

- изменение состояния ремонтного вывода каждой ТЗ;

- перевод всех или отдельных защит в режим опробования, начало и окончание опробования, результаты опробования (при наличии программы автоматического опробования);

- неисправность микропроцессорных технических средств;

- частичное или полное отключение устройства ТЗ;

- неисправность датчика;

- неисправность канала связи с датчиком или исполнительным устройством, если предусмотрены алгоритмы их диагностики.

2.1.10 Хранение информации по пп. 2.1.6-2.1.9 должно быть обеспечено в течение заданного времени при возможных перерывах электропитания МПУ ТЗ длительностью до трех суток произвольное число раз.

2.1.11 Должна быть предусмотрена защита зарегистрированной информации от изменения и корректировок со стороны оперативного или ремонтного персонала ТЭС.

2.1.12 Устройство ТЗ должно обеспечивать следующие сервисные функции:

- автоматическую постоянную самодиагностику с точностью до элемента замены;

- постоянную диагностику исправности каналов контроля с аналоговыми и дискретными датчиками, включая линии связи, если это предусмотрено проектом;

- контроль достоверности входных сигналов;

- возможность периодической проверки устройства как средства измерения;

- автоматическое устранение максимально возможного количества выявленных отказов путем реструктурирования системы в месте отказа, путем подключения резервных элементов, путем наложения запрета на формирование ошибочных команд (реконфигурацию системы) или путем частичного или полного отключения устройства ТЗ с возможностью формирования команды на останов оборудования (решение о необходимости отключения оборудования при отказах МПУ ТЗ принимается при разработке конкретной подсистемы ТЗ и ЗБ);

- формирование сигнала о возникновении повреждения или отказа с расшифровкой этого сообщения с точностью до элемента замены;

- защиту от несанкционированного доступа к МПУ ТЗ.

2.1.13 Микропроцессорное устройство ТЗ должно предоставлять возможность по санкционированному допуску выполнять следующие операции:

а) с санкции главного инженера ТЭС:

- изменение алгоритмов ТЗ;

- изменение уставок срабатывания и выдержек времени защит;

- изменение состояния устройства ремонтного вывода;

б) с санкции начальника смены: - проведение функционального опробования ТЗ и ЗБ на действующем и остановленном оборудовании.

Все указанные операции выполняются с рабочего места оператора ЦАСУ ТП или с сервисного пульта. Операции архивируются, а внесенные изменения распечатываются в специальном протоколе.

2.1.14 Команды на исполнительные устройства ТЗ, управляемые из устройства ТЗ, должны быть сформированы не позже чем через 0,1 с после обнаружения признака аварийной ситуации (для ТЗ, не имеющих выдержки времени), а на исполнительные устройства, управляемые из других контроллеров, - не позже чем через 0,2 с.

2.1.15 Информация, указанная в п. 2.1.6, должна поступать на экран оператора-технолога и информация, указанная в п. 2.1.7, - на экран оперативного персонала АСУ ТП не позже чем через 0,5 с после обнаружения соответствующей ситуации.

2.1.16 При АВР питающего напряжения с потерей напряжения на время не менее 0,5 с не должно возникать ложных срабатываний защит и потери информации в памяти устройства ТЗ.

При исчезновении электропитания на время более 0,5 с устройство, не имеющее задания на сохранение работоспособности в этих условиях, должно отключиться с выдачей сигнала об отключении. При этом должна быть предусмотрена возможность выдачи команды на останов оборудования, если такое требование включено в конкретное техническое задание.

Повторное включение устройства должно быть санкционированным. При появлении питающего напряжения после перерыва любой длительности не должна требоваться перезагрузка программы и не должны формироваться ложные выходные команды контроллера.

2.1.17 Каждый шкаф (стойка) МПУ ТЗ должен иметь не менее двух внутренних источников питания, резервирующих друг друга.

2.1.18 Среднее время поиска и устранения любой неисправности устройства ТЗ, включая перезагрузку программного обеспечения (когда это требуется), должно быть не более 2 ч.

2.1.19 В состав поставки технических средств должны входить необходимые для проведения ТО сервисные устройства, установки, стенды, комплект ЗИП, исходя из 90%-ной гарантии годовой эксплуатационной потребности.

2.1.20 Объем, методика и периодичность проверки МПУ ТЗ должны быть указаны в технической документации изготовителя.

2.1.21 Программное обеспечение устройства ТЗ должно предоставлять возможность подготовки или изменения пользовательских программ в заранее оговоренном объеме непосредственно на энергопредприятии без обязательного привлечения разработчиков или профессиональных программистов.

Оперативное изменение пользовательских программ (изменение значений уставок, выдержек времени, положения ремонтного вывода) во всех резервирующих друг друга контроллерах МПУ ТЗ должно выполняться по одной команде.

2.1.22 В устройстве ТЗ должна быть реализована защита от ложного срабатывания или несрабатывания ТЗ при зависании программы и предусмотрен автоматический перезапуск МПУ ТЗ, обеспечивающий отсутствие при этом любых отказов ТЗ.

2.1.23 Устройство ТЗ не должно допускать ложного срабатывания или отказа срабатывания защит при обрыве или коротком замыкании любой линии связи.

2.2 УСТРОЙСТВА КОМПЛЕКТНЫЕ ТЕХНОЛОГИЧЕСКИХ ЗАЩИТ

В состав комплекта УКТЗ входят блоки:

- формирования команд для логической обработки дискретных сигналов от одного датчика - "один из двух", двух датчиков - "два из двух", трех датчиков - "два из трех" (БЗ);

- регулируемой выдержки времени (БВ);

- блокировок и фиксации (ББФ);

- размножения сигналов (БРУ);

- реализации импульсных команд (БИ);

- сигнализации (БС);

- опробования (БО);

- ввода и вывода защит (БВЗ).

Краткая характеристика различных модификаций функциональных блоков приведена в приложении А.

Устройства компонуются в шкафах технологических защит и питания. Конструкция выполнена на базе шкафов с поворотной рамой двустороннего обслуживания с кассетно-блочным размещением аппаратуры.

В каждом из шкафов установлено до 48 функциональных блоков, которые размещаются в кассетах в верхней части шкафа. В средней части шкафа устанавливается блок опробования и панель индикации состояния выходных реле, в нижней части - кассета с источниками питания и блоком контроля питания. Выходные реле монтируются в унифицированных ячейках в количестве до 44 шт. и расположены на задней стенке шкафа.

Межблочный монтаж осуществляется на разъемах кассеты пайкой.

Для внешних соединений применяется колодка зажимов типа "винт- пайка", количество которых в каждом шкафу может быть до 850 шт.

Дискретная информация с датчиков, приборов, конечных выключателей и т.п. вводится в шкафы технологических защит, где реализуется заданный алгоритм управления оборудованием.

Электропитание схем защит, в которых применена аппаратура УКТЗ, выполняется:

- для энергоблоков мощностью 500 и 800 МВт в соответствии с [1] и [2];

- для энергоблоков мощностью 250 и 300 МВт (а также энергоблоков меньшей мощности, на которых насосы регулирования турбины не находятся на ее валу) в соответствии с [1] и [2];

- для остальных энергоблоков и ТЭС с поперечными связями с учетом [1] и [2].

Согласно [2] рабочее электропитание к шкафам УКТЗ должно подводиться через устройство АВР от двух источников:

- основного - секции РУСН 380/220 В особо ответственной нагрузки другого блока, причем эта секция не должна участвовать в резервировании данного блока;

- резервного - секции РУСН 380/220 В особо ответственной нагрузки своего блока.

Таким образом, при аварии на данном блоке, сопровождающейся потерей напряжения СН, устройства ТЗ остаются на рабочем напряжении.

Напряжение после устройства АВР подводится к рабочим источникам питания, встроенным в шкафы УКТЗ. К резервным источникам питания подводится напряжение от преобразователя ПТС-16, подключенного к шинам блочной аккумуляторной батареи. Резервный источник питания принимает нагрузку при отсутствии напряжения на рабочем (безударный АВР).

Питание датчиков, нормирующих преобразователей и приборов защит выполняется согласно [1] от тех же источников: шин РУСН 380/220 В особо ответственной нагрузки своего и другого блока и шин преобразователей ПТС-16 с помощью устройства АВР.

Для турбинного и котельного отделений питание схем и датчиков ТЗ выполняется раздельно.

Взаиморезервирующие датчики и приборы устройств защиты питаются от разных устройств АВР.

Датчики и приборы, относящиеся к одному каналу защит одного оборудования, получают питание от одного устройства АВР.

При отсутствии преобразователя в качестве резервного источника используются шины РУСН 380/220 В особо ответственной нагрузки данного блока, не участвующие в резервировании напряжения питания рабочего источника.

При этом дополнительно выполняется защита, останавливающая блок при потере на нем напряжения собственных нужд. Защита выполняется на напряжение 220 В блочной аккумуляторной батареи и действует на исполнительные механизмы, привод и схема управления которых также выполнены на напряжение аккумуляторной батареи: отсечные клапаны на линии подвода топлива к котлу, стопорные клапаны турбины и турбопривод питательных насосов, обратные клапаны на линиях отборов турбины, генераторный выключатель.

Показателем исчезновения собственных нужд на блоке является одновременное исчезновение переменного напряжения 380/220 В на устройстве АВР защит и посадка клапанов турбины (закрыт любой клапан ЦВД и любой клапан ЦСД), являющаяся следствием останова всех насосов регулирования турбины.

В тех случаях, когда насос регулирования расположен на валу турбины, действие защит не сопровождается посадкой стопорных клапанов.

В устройстве УКТЗ имеется система опробования защит, которая осуществляет проверку работоспособности аппаратуры и цепей защиты от входа в блок БЗ до обмоток выходных реле. Опробование может производиться как на остановленном, так и на работающем оборудовании, причем при срабатывании в данный момент неопробуемого канала (защиты) подается сигнал, запрещающий проведение опробования, и устройство защиты реализует необходимую программу (алгоритм) управления. Опробование осуществляется нажатием кнопок, установленных в функциональных блоках. Работоспособность цепей защиты определяется состоянием сигнальной аппаратуры.

2.3 РЕЛЕЙНАЯ АППАРАТУРА

Релейная аппаратура в схемах ТЗ выполняет логические операции при дискретном изменении входной величины.

По назначению реле подразделяются на:

- промежуточное - для расширения функций другого реле;

- указательное - для визуальной сигнализации срабатывания другого реле;

- реле времени - для срабатывания с регулируемой выдержкой времени.

В схемах ТЗ в основном применяются электромагнитные реле, которые состоят из индуктивной катушки и феррмагнитного якоря, связанного с контактной системой. Технические характеристики релейной аппаратуры:

- рабочее напряжение или рабочий ток питания обмотки;

- коэффициент возврата - отношение значений параметра отпускания и параметра срабатывания;

- активное сопротивление обмотки реле или потребляемая мощность при срабатывании;

- коммутационная способность контактов - предельное значение мощности, коммутируемой контактами, при которой контакты надежно выполняют определенное число переключений;

- сопротивление изоляции катушки и контактов реле - способность изоляции выдерживать длительные или кратковременные воздействия, возникающие в процессе эксплуатации.

Для реле времени дополнительно вводятся характеристики:

- время срабатывания - время от момента подачи сигнала на обмотку реле до первого касания замыкающим контактом неподвижного контакта;

- время отпускания - время от момента отключения напряжения с обмотки до первого касания размыкающим контактом неподвижного контакта.

Параметр срабатывания реле отличается от рабочего значения, указанного в технической характеристике. Отношение рабочего параметра к параметру срабатывания называется коэффициентом запаса и должно находиться в пределах 1,1 - 1,4.

Чувствительность реле характеризуется минимальной мощностью, потребляемой обмоткой реле при срабатывании (Рср), и оценивается значениями тока или напряжения срабатывания

где Rобм - сопротивление обмотки реле; Iср и Uср - ток и напряжение срабатывания.

Ток (напряжение) срабатывания - минимальное значение параметра, при котором происходит обратное переключение, называется током (напряжением) отпускания. Отношение параметра отпускания к параметру срабатывания называется коэффициентом возврата. Для реле, используемых в схемах ТЗ, коэффициент возврата более 0,5, так как с уменьшением коэффициента возврата возрастает вероятность "залипания" якоря.

Предлагаемая промышленностью номенклатура промежуточных, указательных реле и реле времени позволяет выполнять все необходимые в схемах ТЗ логические операции. Основные ограничения возникают по коммутационной способности контактов, зависящей от вида тока и характера нагрузки. Наиболее тяжелы условия работы контактов на постоянном токе с индуктивной нагрузкой. При этом электромагнитная энергия расходуется на искрообразование в зазоре размыкающегося контакта, что приводит к эрозии его поверхностей. Для устранения искрообразования при размыкании цепей постоянного тока применяются искрогасящие контуры, образованные шунтированием контактов либо цепочкой из последовательно соединенных конденсатора и резистора, либо диодом.

В качестве шунтирующих диодов применяют обычно Д226, емкость конденсатора принимается равной 0,5 - 20 мкФ с напряжением 400 - 500 В. Сопротивление резистора определяется по формуле

где U - напряжение цепи питания.

2.4 ЗАПАЛЬНО - ЗАЩИТНЫЕ УСТРОЙСТВА

Запально-защитные устройства предназначены для розжига горелок котлов и для защиты оборудования котлов при погасании (неисправности) горелок. Широкое распространение в настоящее время получили запально-сигнализирующие устройства ЗСУ-ПИ производства "Энерготех" и "Энерготеплоавтоматика" (г. Казань), датчики контроля пламени горелок ФДЧС-1МК производства фирмы "Элиза" (г. Саров), датчики контроля пламени горелок СГ-01/4 производства фирмы "Фарватер" (Санкт-Петербург).

2.4.1 Запальник ЗСУ-ПИ

Техническая характеристика

Топливо - природный газ или пропан-бутановая смесь.

Пределы воспламенения при давлении газа 0,015-0,3 МПа (0,15-3,0 кгс/см2) и любом давлении воздуха в диапазоне 0-5-700 мм вод.ст.

Пределы устойчивого горения при давлении газа 0,003-0,3 МПа (0,03-3,0 кгс/см2) и любом давлении воздуха в пределах 0-700 мм вод.ст. При этом для топок под разрежением допускается подвод воздуха из атмосферы, а для топок под наддувом давление воздуха должно превышать давление на 0÷700 мм вод.ст.

Температура воздуха  К.

Длина видимой части факела при давлении газа Рг - 0,1 МПа (1 кгс/см2) не менее 1300 мм.

Временное запаздывание сигнализатора горения факела запальника - 1 с.

Длина погружной части запальника равна длине установочной трубы. Допускается установка ЗСУ-ПИ с заглублением среза запальника внутрь установочной трубы до 500 мм. Максимальная длина погружной части - 6500 мм, минимальная длина не ограничивается.

Диаметр погружной части запальника - 60 мм.

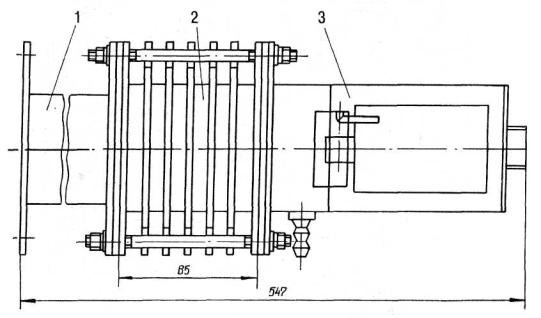
Габаритные размеры запальника ЗСУ-ПИ приведены на рисунке 2.

 

1 - высоковольтный кабель; 2 - кожух свечи; 3 - ствол; 4 - контур установочной трубы

Рисунок 2 - Габаритные размеры запальника ЗСУ-ПИ

Функциональная схема запальника ЗСУ-ПИ приведена на рисунке 3.

Воздух к запальнику подводится через патрубок (см. рисунок 3), а газ через ниппель к соплам. В эжекторе газ смешивается с воздухом и через пламегасящее устройство поступает в детонатор и корпус запальника. После заполнения корпуса и детонатора газовоздушной смесью на свечу зажигания подается высоковольтное напряжение. Смесь в детонаторе зажигается, производится "выстрел" в рециркуляционную зону за срезом соплового блока и смесь там зажигается, образуя первичную зону горения. От этой зоны производится зажигание основного потока газовоздушной смеси, приготовленной в эжекторном насадке. Контроль пламени запальника осуществляется ионизационным датчиком пламени, сигнал от которого поступает в схему контроля пламени, расположенную на ПУ.

1 - эжектор; 2 - свеча зажигания; 3 - основная зона горения; 4 - первичная зона горения; 5 - сопло; 6 - вывод ионизационного датчика; 7 - пламегасящая сетка; 8 - воздушный патрубок

Рисунок 3 - Функциональная схема запальника ЗСУ-ПИ

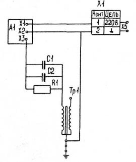
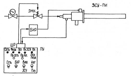
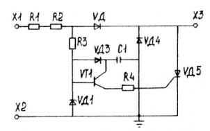
Пульт (щит) управления предназначен для работы с запальным устройством ЗСУ-ПИ и датчиком пламени типа УСКП-Г. Принципиальная электрическая схема приведена на рисунке 4.

Включение электрической схемы ПУ осуществляется переключателем В1. Если переключатель В2 установлен в положение "Вкл", а переключатель ВЗ в положение "Газ", то срабатывает реле Р1 и через контакты Р1.1 подается напряжение 220 В на ЭМК, который открывается и газ поступает на запальник. После этого нажимается кнопка Кн1 и напряжение 220 В поступает на БИР и с него на свечу зажигания запальника. Сигнал о наличии пламени запальника поступает на контакт 1 ШР ПУ. Затем этот сигнал усиливается микросхемой D1 и передается на вход транзистора Т1, который открывается, вследствие чего срабатывает реле Р2. Контакты этого реле Р2.1 используются в схемах сигнализации или в других схемах.

Если необходимо отключить запальник, то переключатель В2 "Вкл-3СУ" устанавливается в положение "ЗСУ". Реле Р1 обесточивается и напряжение 220 В снимается с ЭМК.

Если переключатель ВЗ "Газ-Авт" установить в положение "Авт", то когда есть пламя запальника через открытый транзистор Т1 реле Р1 будет включено, но если пламя запальника исчезнет, то реле Р1 обесточится и ЭМК закроется.

Схема, собранная на Д2, Т2, ВЗ, предназначена для формирования сигнала при работе с датчиком пламени типа УСКП-Г.

Структурная схема управления запальником с помощью ПУ приведена на рисунке 5.

Рисунок 4 - Принципиальная электрическая схема пульта управления

 

Рисунок 5 - Структурная схема управления запальником ЗСУ-ПИ с помощью ПУ

С помощью ПУ производится:

- открытие ЭМК и его закрытие в ручном или в автоматическом режиме;

- подача высоковольтного напряжения на БИР;

- прием сигналов от датчика пламени запальника и датчика пламени горелки;

- формирование сигналов о наличии пламени запальника и пламени горелки в другие схемы.

При проектировании систем с использованием ЗСУ-ПИ возможны те или иные решения, позволяющие полностью или частично использовать возможности, заложенные в ПУ. Ввиду применения других датчиков контроля пламени горелок, а не УСКП-Г канал индикации пламени горелки в ПУ часто не используется, поэтому этот канал может быть применен для индикации пламени второго запальника. Схема управления запальников также может отличаться от схемы, заложенной в ПУ.

 

2.4.1.1 Блок искрового розжига

Блок искрового розжига предназначен для формирования искрового разряда между свечой и массой в устройствах ЗСУ-ПИ.

Основная техническая характеристика

Пределы рабочего искрового промежутка при нормальных условиях

2 - 5 мм

Продолжительность одного включения при зажигании

До 30 с

Напряжение электропитания.

Частота

50±1 Гц

Габаритные размеры:

 

длина

144 мм

ширина

75 мм

высота

120 мм

Масса

2 кг

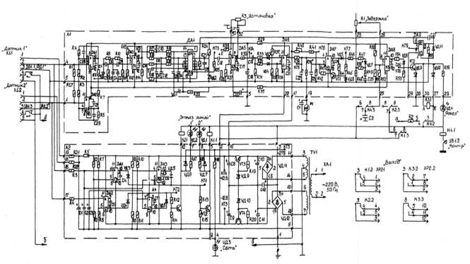
Принципиальная электрическая схема БИР приведена на рисунке 6.

Рисунок 6 - Принципиальная электрическая схема БИР

Принципиальная электрическая схема платы электронного блока БИР приведена на рисунке 7. Принцип работы БИР следующий. При положительном полупериоде на контакте XI через цепочку Rl, R2, VД2, ХЗ (см. рисунок 7) заряжается высоковольтный конденсатор С1 (см. рисунок 6), одновременно через цепочку Rl, R2, R3, УДЗ заряжается пусковой конденсатор С1 (см. рисунок 7).

Рисунок 7 - Принципиальная электрическая схема платы электронного блока БИР

При отрицательном полупериоде на контакте X1 открывается транзистор Т1 и пусковой конденсатор через открытый транзистор и резистор R4 разряжается на управляющий электрод тиристора VД5, через открытый тиристор высоковольтный конденсатор разряжается на первичную обмотку трансформатора Tp1, в результате чего во вторичной обмотке возбуждается высокое напряжение, достаточное для пробоя искрового промежутка запальной свечи, подключенной через высоковольтный кабель к БИР.

 

2.4.1.2 Электромагнитный клапан

Электромагнитный клапан состоит из запорного клапана и электромагнитного привода.

Обесточенное положение - закрытое.

При подаче напряжения сердечник втягивается внутрь электромагнита и открывает проход газа через разгрузочное отверстие. Напряжение питания клапана 220 В.

2.4.2 Датчик контроля пламени горелок ФДЧС-1МК

Прибор предназначен для селективного контроля пламени горелок газомазутных котлов. Прибор ФДЧС-1МК блочного типа и состоит из терминального модуля со световой и стрелочной индикацией на каждый канал селективного контроля и двух, четырех или шести установочных датчиков в зависимости от модификации. На рисунке 8 изображен прибор ФДЧС-1МК с терминальным модулем на четыре канала.

Основные функции:

- контроль работы горелки на фоне остальных горелок;

- сигнализация в случае отрыва и погасания факела горелки.

Рисунок 8 - Датчик ФДЧС-1МК

Рабочие условия эксплуатации блоков

Температура воздуха терминального модуля

0 - 60°С

Температура установочного модуля (датчика)

0 - 100°С

Верхний предел относительной влажности воздуха при температуре 35°С

80%

Атмосферное давление

86 - 106 кПа

Напряженность внешнего магнитного поля

Не более 400 А/м

 

Техническая характеристика

Питание прибора от однофазной сети переменного тока напряжением

220В±10%

Частота напряжения питания

50 ± 2 Гц

Мощность, потребляемая прибором от сети на один канал

Не более 5 В·А

Характеристика коммутируемого сигнала

220 В; 0,1 А

 

Параметры линии связи между датчиком и терминальным модулем

Напряжение питания

±12 В (±10%)

Сигнал

0-10 В

Габаритные размеры:

 

терминального модуля

80×240×390 мм

установочного модуля (датчика)

60×350 мм

Масса

Не более 5 кг

 

Исполнение - четырехжильный кабель.

Конструктивное исполнение терминального модуля - приборный стандарт "Вишня".

Физические принципы работы ФДЧС-1МК

Исследование различных физических методов, использующихся для регистрации процесса горения на горелках теплоэнергетического оборудования, выявило следующие основные принципы решения задачи селективного контроля:

- пространственно-оптическая регистрация процесса горения;

- спектральная регистрация зоны горения;

- измерение динамических характеристик процесса горения.

В приборе ФДЧС-1МК реализован алгоритм, использующий все три принципа селективного контроля, что позволило получить высокую селективность.

2.4.3 Датчик контроля пламени горелок СГ-01/4

Прибор предназначен для контроля наличия пламени растопочных горелок котлов, работающих на жидком или газообразном топливе.

Техническая характеристика

Количество контролируемых газомазутных горелок

4 шт.

Напряжение питания

Частота сети

50 Гц

Потребляемая мощность

Не более 5 В·А

Температура окружающего воздуха

-50÷ + 70°С

Быстродействие:

 

на срабатывание

1±0,5 с

на отпускание

4±1 с

Длина линии связи между датчиками и вторичным прибором

Не более 300 м

Гарантийная наработка

Не менее 10000 ч

Средний срок службы

Не менее 10 лет

 

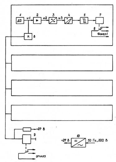
Принцип работы СГ-01/4 - преобразование ультрафиолетовой составляющей пламени для газа и высокочастотных пульсаций видимой области для мазута в электрические сигналы. Принцип работы поясняет рисунок 9.

Сигнал о пламени воспринимается датчиком 1. Затем сигнал передается на вход усилителя 2 и далее на вход детектора 3. С выхода детектора сигнал поступает на вход интегратора 4, который управляет компаратором 5. На выходе компаратора подключено реле 7, состояние которого определяется наличием (отсутствием) пламени. Каналы устройства включают устройства контроля 8, вырабатывающие при возникновении неисправности в цепях датчиков сигнал, воздействующий на реле 9, которое сигнализирует об отказе. Контакт 6 реле 7 используется для формирования сигнала о наличии (отсутствии) факела. Питание к сигнализатору подводится от источника питания 10.

Рисунок 9 - Функциональная схема датчика СГ-01/4

2.5 СИГНАЛИЗАТОР "ФАКЕЛ-2"

Защитные функции при погасании факела в топках котлов, сжигающих мазут и природный газ, реализуются наиболее распространенной комплектной системой "Факел-2", формирующей сигнал в схему защит на отключение котла при отсутствии пульсации пламени.

В комплект аппаратуры "Факел-2" входят:

- сигнализатор (вторичный прибор) - 1 шт.;

- фотодатчик - 2 шт. (по дополнительному указанию в заявке - любое количество).

Основные технические характеристики комплекта:

- источники питания - сеть переменного тока частотой 50 ±1 Гц и напряжением ;

- напряжение питания ФД - 11,5 ±0,5 В;

- количество подключаемых ФД при длине линии связи до 150 м - 2 шт.;

- инерционность - время, через которое срабатывает выходное реле прибора после скачкообразного изменения испытательного входного сигнала частотой 3,3 Гц от значения, соответствующего удвоенной уставке, до нуля, должно лежать в пределах 1 - 2,5 с.

Фотодатчик представляет собой двухканальный фотоэлектрический преобразователь, чувствительными элементами которого являются фоторезисторы: первый канал - СФ-2-6 (3 шт.), соединенные параллельно, второй канал - ФСА или ФСД, или ФСК (1 шт. до 1977 г.) или ФР1 (1 шт. с 1978 г.). Фотодатчик может работать по первому каналу в комплекте с сигнализатором"Факел-1" (в настоящее время не выпускается) , по второму каналу - с сигнализатором "Факел-2".

Основные технические характеристики фоторезистора ФР1-3:

- темновое сопротивление - 47 ±23 кОм;

- кратность изменения сопротивления при освещенности 200-300 лк от источника излучения А по ГОСТ 7721-76 с цветовой температурой 573К и климатических условиях согласно ГОСТ 18167-72 - не менее 2,5;

- спектральная чувствительность - в диапазоне длин волн (1,0 - 3,2)×10-6 м;

- допустимая мощность рассеяния - 0,006 Вт;

- максимум спектральной чувствительности - на длине волны, 1,5×10-6 м.

Структурная и принципиальная электрическая схемы сигнализатора приведены на рисунках 10, 10а. Сигнализатор состоит из входного узла 1, заградительного фильтра 2, усилителей переменного тока 3 и 4, детектора 5 со стрелочным индикатором 6, сглаживающего фильтра 7, источника опорного напряжения 8, регенеративного компаратора 9, формирователя импульсов 10, тиристорного ключа 11, выходного электромагнитного реле 12, блока питания 13 и узла тестовой поверки функционирования 14.

Входной функциональный узел 1 представляет собой мостовую схему, выполненную на резисторах 1R-1, 1R-2, 1-R16, 1-R17, 1-R29 и фоторезисторе ФД. При этом переменная составляющая напряжения в точке А, отражая изменение сопротивления фоторезистора ФД, вследствие пульсаций поступающего на него потока излучения факела по цепи "1-R 2-C1" поступает на вход заградительного фильтра 2.

Заградительный фильтр предназначен для подавления помех промышленной частоты, идущих через линии связи прибора с ФД. После фильтра сигнал о наличии контролируемого факела усиливается усилителями 3 и 4, спрямляется детекторами 5, сглаживается фильтром 7 и подается на пороговое устройство регенеративного компаратора 9, где сравнивается со значением опорного напряжения.

Пороговое устройство компаратора 9 при входном сигнале, превышающем значение опорного напряжения, формирует запрет на работу генератора импульсов компаратора, а при сигнале отсутствия факела генератор импульсов возбуждается, вводя в работу формирователь управляющих импульсов 10 тиристорного ключа 11, который при этом открывается, вызывая срабатывание выходного электромагнитного реле 12 сигнализатора.

При последующем возвращении регенеративного компаратора в исходное состояние (при наличии факела) исчезают управляющие импульсы тиристорного ключа, который в момент снижения до нуля питающего напряжения автоматически закрывается, вызывая отключение выходного реле сигнализатора.

Усилители 3 и 4 охвачены нелинейной положительной обратной связью через разделительный конденсатор 1-С11 и стабилитрон 1-Д1. Эта связь, коммутирующим элементом которой является стабилитрон 1-Д1, вступает в работу при КЗ (3 - 6 кОм и менее) или обрыве (100-130 кОм и более); необходимые при этом условия формируются мостовой схемой входного узла 1 в чувствительных элементах ФД или в цепях их сопряжения с сигнализатором и возбуждает усилители 3 и 4, которые при этом переходят в режим регенерации импульсов, предотвращая ложное срабатывание сигнализатора. Имитация КЗ и обрыва в цепях ФД используется в соответствующих режимах тестовой проверки функционирования сигнализатора.

Нормальное состояние выходного реле сигнализатора при наличии контролируемого факела - обесточенное, что предотвращает ложную работу сигнализатора при исчезновении напряжения электропитания; при отсутствии факела реле срабатывает. Рабочий режим функционирования сигнализатора обеспечивается при нажатой кнопке "Работа" и отжатых всех остальных кнопках переключателя тестовой проверки.

Для предотвращения возможных случаев ложного срабатывания сигнализаторов или их отказов при значительных колебаниях питающего напряжения питание аппаратуры "Факел-2" следует организовать от стабилизатора напряжения С-0,16, загрузив его дополнительной нагрузкой около 50 ВА (для вывода на рабочий участок характеристики).


1 - входной узел; 2 - заградительный фильтр; 3 - микросхемный усилитель переменного тока; 4 - транзисторный усилитель переменного тока; 5 - детектор; 6 - стрелочный индикатор; 7 - сглаживающий фильтр; 8 - источник опорного напряжения; 9 - регенеративный компаратор; 10 - формирователь управляющих импульсов; 11 - тиристорный ключ; 12 - выходное электромагнитное реле; 13 - блок питания; 14 - узел тестовой поверки

Рисунок 10 - Структурная схема сигнализатора "Факел-2"

 

Рисунок 10а - Принципиальная электрическая схема сигнализатора "Факел-2"


2.6 СИГНАЛИЗАТОР "ФАКЕЛ-ЗМ"

Комплект аппаратуры "Факел-3М" предназначен для контроля наличия факела в топках газомазутных и пылеугольных котлов и формирования сигнала на отключение подачи топлива при его погасании. Аппаратура работает по принципу выделения пульсации яркости общего факела в топке котла при сгорании топлива. Пульсация яркости факела преобразуется фоточувствительными элементами фотодатчиков в электрический сигнал, который поступает в сигнализатор и преобразуется в нем в релейный сигнал.

Питание аппаратуры "Факел-3М" - от источника переменного тока частотой 50 Гц, номинальным напряжением 220 В. Мощность, потребляемая от сети переменного тока, не более 12 В-А.

Комплект аппаратуры "Факел-3М" состоит из двух фотодатчиков и сигнализатора, соединенных кабельными линиями связи.

Фотодатчик состоит из корпуса и фланца (рисунок 11). Фланец предназначен для монтажа фотодатчика на радиаторе или визирной трубе. Внутри корпуса размещены защитное стекло, электромеханическая шторка, плата с фоточувствительными элементами и плата с предварительным усилителем. Электромеханическая шторка позволяет производить проверку работоспособности комплекта "Факел-3М" на работающем котле. Управление шторкой дистанционное кнопкой "Контр.", расположенной на сигнализаторе. При подаче напряжения на соленоид шторка перекрывает доступ светового потока к фоточувствительным элементам. На задней стенке корпуса установлен разъем для подключения внешних электрических цепей.

В качестве фоточувствительных элементов в фотодатчике (рисунок 12) применены фотодиоды VД1 и VД2. В виду низкой чувствительности и высокого выходного сопротивления фотодиодов в фотодатчике применены предварительный усилитель напряжения на транзисторах VT1-VT3 и усилитель тока VT4, обеспечивающий работу на длинную линию связи. На этой плате предусмотрены посадочные места для фотосопротивлений прибора "Факел-1". Для подстройки напряжения на контакте 4 платы А2 до нужного значения (2,5 В) служит подстроечный резистор R4.

Сигнализатор представляет прибор пылезащитного исполнения.

 

1 - труба; 2 - радиатор; 3 - фотодатчик

Рисунок 11 - Схема установки сигнализатора "Факел-3М"

 

Рисунок 12 - Принципиальная электрическая схема фотодатчика сигнализатора "Факел-3М"

На передней панели прибора (рисунок 13) расположены индикатор, четыре светоизлучающих диода, потенциометр для регулировки задержки срабатывания выходного реле, потенциометр "Уставка". На задней панели прибора установлены разъемы для присоединения датчиков, разъем подачи напряжения питания, выходной разъем для подключения цепей технологических защит и технологической сигнализации.

Электрическая схема сигнализатора (рисунок 14 см. вклейку) размещена на печатных платах А1 и А2. На плате А1 размещен основной канал обработки сигналов фотодатчиков, на плате А2 - канал контроля.

Основной канал имеет два входных усилителя на микросхемах DA1 и DA2, работающих на общую нагрузку, что обеспечивает работу сигнализатора "Факел-3М" как с двумя, так и с одним фотодатчиком. На элементах С4-С7 и R6-R10 выполнен режек-торный фильтр для подавления помех частотой 50 Гц.

Общий коэффициент усиления основного канала по входному сигналу (не менее 1000) обеспечивают усилители напряжения на микросхемах DA3 и DA5. Регулировка усиления всего канала осуществляется резистором R3 - "Уставка", которым можно установить необходимый для данного типа котла порог срабатывания сигнализатора "Факел-3М" (яркость факела при включенных растопочных горелках).

Рисунок 13 - Передняя панель сигнализатора (без крышки)

Частотные свойства сигнализатора определяет активный фильтр нижних частот с частотой среза 9 Гц, выполненный на микросхеме DA4. Нижняя частота пропускания сигнализатора определяется переходными конденсаторами С4, С16, С19 и составляет 3 Гц.

Усиленный сигнал преобразуется выпрямителем на микросхеме DA6 в пульсирующее напряжение постоянного тока, пропорциональное входному сигналу, которое сглаживается RC-цепью, R38, С22. О величине сигнала можно судить по показаниям стрелочного прибора Р1.

Уровень напряжения постоянного тока сравнивается на компараторе DA7 с уставкой срабатывания выходного реле. Напряжение уставки может изменяться потенциометром К40 в зависимости от величины выходного сигнала и помех. Когда постоянный уровень преобразованного входного сигнала становится ниже напряжения уставки (менее 10 делений по стрелочному индикатору), компаратор DA7 выдает сигнал на запуск устройства временной задержки на микросхеме DA8, которое обеспечивает задержку срабатывания выходного реле от 0,7 до 9,0 с. Изменение задержки срабатывания выходного реле осуществляется резистором R1 на передней панели сигнализатора.

Выходное реле КЗ включается транзистором VT2. На микросхеме DA9 выполнен одно вибратор, осуществляющий блокировку срабатывания транзистора VT2 на время переходных процессов в схеме при включении питания. О срабатывании выходного реле сигнализирует светодиод VД4.

При нажатии кнопки SB1.2 "Контр." срабатывает реле К4.1, которое своими контактами подает напряжение питания + 27 В на соленоид шторки в фотодатчике и блокирует ложное срабатывание выходного реле К3 (разрывается цепь питания реле), а о правильной работе сигнализатора свидетельствует появление световой индикации "Факел". Кнопка "Контр." позволяет производить проверку работоспособности сигнализатора на работающем котле.

Канал контроля, состоящий из четырех компараторов, выпрямителей, стабилизаторов источника питания и реле, предназначен для обнаружения неисправностей в линиях связи фотодатчиков с сигнализатором. Компараторы DAI, DA3 контролируют состояние линии связи с датчиком 1, а компараторы DA2, DA4 - линии связи с датчиком 2.

При исправной линии связи значение напряжения постоянного тока, поступающего от фото датчиков, устанавливается в пределах от 1,5 до 7,0 В. При значениях этого напряжения менее 1,5 В или более 7,0 В компараторы DAI, DA3 или DA2, DA4 выдадут сигналы неисправности линии связи ("ОТКАЗ ЛИНИИ 1" или "ОТКАЗ ЛИНИИ 2"). При неисправности двух линий связи одновременно выходное реле блокируется и не срабатывает и индикация "Факел" отсутствует. При неисправности одной линии связи прибор остается работоспособным, выходное реле не блокируется, появляется индикация неисправности конкретной линии связи и переключается группа контактов соответствующего реле контроля.

Реле К1 и К2, осуществляющие сигнализацию состояния линии связи, включаются транзисторами VT1 и VT2, срабатывание которых сопровождается свечением светодиодов VД1 и VД2. Напряжение питания реле + 27 В нестабилизированное. Релейный сигнал о состоянии линии связи подается также на контакты 1-6 разъема "Выход" и может использоваться для технологической сигнализации в системе защиты.

Два стабилизатора с напряжениями схем сигнализатора выполнены на транзисторах VT3, VT4 и стабилитронах VД9 и VД10.

 

 

Рисунок 14 - Принципиальная электрическая схема устройства индикации наличия факела в топке котла "Факел-ЗМ"

2.7 УСТРОЙСТВА КОНТРОЛЯ МЕХАНИЧЕСКИХ ВЕЛИЧИН

2.7.1 Аппаратура "Вибробит-100"

Аппаратура осуществляет контроль параметров механического состояния паровых и газовых турбин, турбокомпрессоров и т.п. с выдачей сигнала в схему соответствующих защит или сигнализации.

С помощью аппаратуры контролируются следующие параметры:

- виброскорости опор подшипников;

- осевое смещение ротора турбины;

- относительное расширение ротора и статора турбины;

- искривления валов турбины;

- положение запорных и регулирующих органов;

- частота вращения ротора турбины. В состав аппаратуры входят:

- датчики и преобразователи;

- платы контроля;

- блоки контроля;

- блоки питания;

- блок индикации;

- искрозащитные барьеры;

- вспомогательные узлы и монтажные принадлежности.

Аппаратура поставляется в каркасах и шкафах.

Структурная схема измерительного канала аппаратуры приведена на рисунке 15.

Сигнал от датчика поступает на плату контроля (при необходимости через искрозащитные барьеры), где он усиливается, фильтруется, детектируется, преобразуется в унифицированный сигнал, сравнивается с уставками.

Дискретные сигналы платы контроля поступают на платы ПК-70, ПК-71, которые обрабатывают сигналы нескольких плат контроля.

Кроме измерения и контроля параметра, аппаратура обеспечивает контроль исправности датчиков, преобразователей, линий связи, источников питания. При неисправности аппаратуры возникает сигнал.

2.7.1.1 Устройство и работа составных частей аппаратуры

2.7.1.1.1 Датчики перемещения В аппаратуре используются бесконтактные вихретоковые датчики, выполненные на базе катушек индуктивности, создающие высокочастотное электромагнитное поле, которое распространяется в пространстве и создает в металле вихревые токи. Вихревые токи ослабляются обратно пропорционально величине воздушного зазора между датчиком и металлом. Сигнал с датчика поступает на преобразователь. Структурная схема преобразователя приведена на рисунке 16.

Рисунок 15 - Структурная схема измерительного канала аппаратуры

Рисунок 16 - Структурная схема преобразователя

Преобразователь содержит функциональные узлы - генератор, линеаризатор, нормализатор. Выходной сигнал преобразователя 1 - 5 мА.

2.7.1.1.2. Датчик виброскорости

Чувствительным элементом датчика является пьезоэлектрический элемент, преобразующий приложенные к нему усилия в электрический сигнал. Структурная схема датчика виброскорости приведена на рисунке 17.

Рисунок 17 - Структурная схема датчика виброскорости

Сигнал от пьезоэлектрического элемента усиливается, интегрируется, фильтруется и преобразуется в выходной сигнал 1-5 мА.

Структурная схема платы контроля приведена на рисунке 18.

Выходной сигнал датчика или преобразователя поступает на входной каскад и через разделительный конденсатор С проходит дальше на масштабирующий усилитель, фильтр низких частот, детектор, преобразователь "напряжение-ток".

Напряжение с выхода детектора подается на нуль-органы уставок, где сравнивается с задаваемыми напряжениями. Далее через схемы дискретной логики сигналы проходят на выход платы.

Значение входного сигнала контролируется нуль-органом ОК. При превышении значения входного сигнала свыше 2-10 В нуль-орган срабатывает и блокирует выходные сигналы.

Рисунок 18 - Структурная схема платы контроля

Измерение параметра, уставок, постоянной составляющей входного сигнала осуществляется с помощью переключателя S1, повторителя и микроамперметра.

2.7.1.1.3 Схема измерения частоты вращения ротора

Структурная схема измерения частоты вращения представлена на рисунке 19.

Рисунок 19 - Структурная схема измерения частоты вращения

Основными узлами являются: умножитель частоты входных импульсов в 60 раз, кварцевый генератор временных интервалов 1с, 1 мин и нуль-орган малых оборотов.

Датчик вырабатывает за один оборот ротора один импульс, затем частота входных импульсов умножается на 60.

При частоте вращения менее 100 производится счет импульсов за 1 мин (прямой счет). Переключение в режим прямого счета производится нуль-органом малых оборотов.

Для обновления результатов измерения на блоке индикации вырабатываются дополнительные импульсы "Сброс" и "Перенос".

2.7.1.1.4. Плата контроля ПК-70

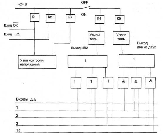
Структурная схема платы контроля ПК-70 приведена на рисунке 20.

Плата имеет: один вход , один вход Δ и 14 входов ΔΔ.

Рисунок 20 - Структурная схема платы контроля ПК-70

Входы  и Δ обеспечивают параллельное подключение любого количества плат контроля. При срабатывании на любой плате контроля нуль органов , Δ включается электропитание реле Kl, K2. С сигналами по входам Δ Δ в плате производится логическая обработка. Срабатывание реле K4 происходит при наличии сигнала на любом из входов. Сигнал по выходу два из двух появляется при наличии сигналов на любых двух соседних входах 1-2, 2-3, ... 13-14. Плата содержит узел контроля напряжений.

Переключатель ON, OFF предназначен для выключения реле исполнительной сигнализации при проведении проверок, испытаний, замене узлов системы контроля.

2.8 РЕЛЕ ПРУ-5М

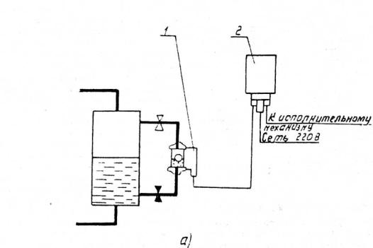
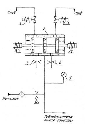
Реле (рисунок 21) предназначено для контроля изменения уровня жидкостей до определенного значения.

Техническая характеристика

Диапазон срабатывания

35±15 мм

Погрешность срабатывания

±5мм

Параметры нагрузки

 

по постоянному току:

 

ток

0,2-5 А

напряжение

10 - 220 В

мощность

Не более 50 Вт

по переменному току:

 

ток

0,2-5 А

напряжение

20 - 380 В

мощность

Не более 500 В·А

Потребляемая мощность

10 В·А

Напряжение питания

220 или 380 В

Сопротивление каждой жилы линии связи между преобразователями

Не более 20 Ом

а - схема установки реле уровня на емкости; б - принципиальная электрическая схема; 1 - первичный преобразователь; 2 - передающий преобразователь

Рисунок 21 - Полупроводниковое реле уровня ПРУ-5М

Реле уровня состоит из ПП и ПРГ. Первичный преобразователь представляет собой индукционный датчик, катушки которого включены в мостовую схему и питаются переменным током. При изменении уровня жидкости перемещается поплавок из магнитомягкого металла, являющийся сердечником этих катушек, изменяется индуктивность катушек и напряжение на них.

Сигнал с ПП поступает на ПРГ, состоящий из дифференциального усилителя, детектора, фильтра, эмиттерного повторителя и триггера. На выходе ПРГ включено электромагнитное реле, имеющее два тройниковых контакта.

Напряжение срабатывания реле регулируется специальным потенциометром.

2.9 УКАЗАТЕЛЬ УРОВНЯ ЖИДКОСТИ

Указатель уровня жидкости индуктивный (рисунок 22) предназначен для выявления отклонений номинальных значений уровня жидкости в сосудах, которые применяются для работы в системах охлаждения и маслоснабжения электрических машин.

Указатель уровня жидкости представляет собой индуктивный поплавковый сигнализатор. Металлический поплавок, состоящий из двух спаянных полушарий, расположен в стальном сварном корпусе. Корпус присоединяется к контролируемому резервуару с помощью двух патрубков, таким образом уровень внутри корпуса соответствует уровню в резервуаре. Поплавок датчика соединен с сердечником катушки, к которой подводится напряжение 36 В, 50 - 60 Гц. В цепь катушки указателя включается токовое реле, не входящее в комплект указателя.

При изменении уровня в корпусе датчика поплавок всплывает или опускается, перемещая сердечник в магнитном поле катушки. При этом магнитное сопротивление катушки изменяется, следовательно, изменяется ток в цепи катушки. При повышении уровня ток уменьшается, при понижении - увеличивается.

К выходу указателя подключается токовое реле, настроенное на срабатывание при токе, соответствующем аварийному уровню.

1 - корпус; 2 - поплавок; 3 - стекло; 4 - сердечник; 5 - панель зажимов; 6 - каркас; 7 - катушка; 8 - кожух

Рисунок 22 - Указатель уровня жидкости типа УЖИ

3 АНАЛИЗ ПРОЕКТА

3.1 Анализ проекта выполняется в целях контроля его полноты, правильности и соответствия действующим руководящим документам.

3.2 Наибольший эффект дает анализ проекта на завершающей стадии выполнения, когда имеется возможность внесения исправлений в документацию.

3.3. При анализе проекта технологических защит анализируется следующая документация:

3.3.1 Техническое задание на выполнение ТЗ - на соответствие документам [3, 4], техническим условиям, выданным заводами-изготовителями теплоэнергетического оборудования. При наличии расхождений между действующим документом и заданием завода производится согласование данного вопроса совещанием с участием представителей проектной организации, завода, ТЭС и организации, проводящей анализ проекта.

3.3.2 Полные схемы ТЗ на:

- соответствие схем техническому заданию (см. п. 3.3.1);

- соответствие схем типовым проектам;

- отсутствие обходных цепей;

- соответствие внешней коммутации блоков защиты их внутренней коммутации;

- соответствие нагрузки контактов их разрывной мощности;

- правильность "стыковки" схем защит между собой и со схемами датчиков, исполнительных механизмов и сигнализации по маркировке жил и типу контактов;

- правильность реализации условий автоматического ввода и вывода защит;

- достаточность объема сигнализации и информации, выведенной на ИВС;

- правильность включения средств опробования защит.

Для защит, выполненных на микропроцессорных средствах, вместо работ по п. 3.3.2 анализируется документация на технические и программные средства на ее соответствие требованиям, предъявляемым к защитам, выполненным на МПТ (см. раздел 2.1 и [9]).

3.3.3 Спецификация на датчики и приборы аналого-дискретного преобразования.

Спецификация анализируется:

- на соответствие пределов измерения датчиков эксплуатационным значениям контролируемого параметра;

- на соответствие характеристик применяемых датчиков и приборов требованиям, предъявляемым к датчикам ТЗ по надежности, чувствительности, быстродействию, классу точности, зоне возврата, ремонтопригодности, мощности контактной системы;

- при использовании в качестве датчиков защиты аналого-дискретных преобразователей приборов типов БСС, Л-03 и т.д. - на наличие средств контроля сигнала аналоговой части и сравнения между собой сигналов разных АДП одной ТЗ.

3.3.4 Схемы рядов зажимов панелей защит.

Проверяются:

- правильность подвода питающего напряжения;

- правильность маркировки рядов зажимов и соответствие кабельной разводке;

- применение специальных кабелей (экранированных, термостойких и т.д.) там, где это необходимо;

- наличие испытательных зажимов, если они указаны в полных схемах (см. п. 3.3.2).

При возникновении неясностей или неувязок в части кабельных связей рекомендуется рассмотреть кабельный журнал, где для каждого кабеля указаны, в частности, тип и жильность.

3.3.5 Схемы электропитания - на соответствие организации питания шкафов и панелей ТЗ действующей нормативной документации. Обращается внимание на организацию питания датчиков, участвующих в схемах ТЗ.

3.4 Замечания, выявленные в процессе анализа проекта, обсуждаются с проектной организацией и, если они приняты и проектирование еще не закончено, в проектную документацию вносятся соответствующие исправления. Если проектирование закончено, исправления вносятся непосредственно на объекте силами группы рабочего проектирования.

После окончания работ по анализу проекта все существенные замечания фиксируются в виде двустороннего (между организациями проектирующей и анализирующей) протокола или одностороннего документа, утвержденного главным инженером организации, проводившей анализ проекта.

4 ПРИЕМКА ИЗ МОНТАЖА

4.1 ТРЕБОВАНИЯ К МОНТАЖУ

Монтаж элементов ТЗ производится в соответствии со строительными нормами и правилами, распространяющимися на производство этих работ: СНиП 3.05.07-85; СНиП 3.01.01-85; СНиП 3.05.05-84; СНиП 3.05.06-85; СНиП III-3-81, СНиП III-4-80.

Монтаж элементов ТЗ выполняется в соответствии с требованиями нормативных документов (отраслевых нормалей, унифицированных схем, документации предприятий-изготовителей теплоэнергетического оборудования, датчиков и приборов, аппаратуры, используемых в схемах ТЗ). Для аппаратуры УКТЗ монтаж выполняется по ОСТ 16.0.684.032-81.

4.1.1 К трубным проводкам предъявляются следующие общие требования:

- трубные проводки к датчикам ТЗ должны прокладываться с уклоном, обеспечивающим сток конденсата и отвод газа. Минимальный уклон импульсных линий к датчикам давления - 1:50, к датчикам уровня - 1:10;

- соединение труб между собой и присоединение их к датчикам должны быть плотными и прочными;

- трубы должны быть надежно закреплены на конструкциях специальными крепежными деталями без нарушения их целостности;

- трубные проводки должны быть покрыты антикоррозийным покрытием и замаркированы;

- трубные проводки в местах присоединения к датчикам должны иметь продувочные линии и дренажи продувки.

4.1.2 Монтаж цепей вторичной коммутации постоянного и переменного тока должен вестись проводом с медными жилами сечением не менее 0,35 мм2. Жилы проводов или кабелей сечением 1 мм2 и более присоединяются винтом или болтом, многопроволочные и сечением менее 1 мм2 присоединяются пайкой или винтом с помощью специальных наконечников. Под каждый винт (УКТЗ) допускается подключать не более двух проводов сечением 1,5 мм2 или один провод сечением до 2,5 мм2.

Для монтажа устройств ТЗ должны применяться провода и кабели с изоляцией, не поддерживающей горение.

Однопроволочные жилы проводов и кабелей присоединяются только к неподвижным элементам приборов и аппаратов.

Кабели, жилы, провода, коробки зажимов и т.д. маркируются, выполняются надписи под аппаратурой на панелях, пультах, табло.

Кабельные линии и панели заземляются в соответствии с проектной документацией.

Слаботочные цепи защит и цепи, критичные к наводкам, прокладываются отдельно от силовых цепей в экранированном кабеле, экран которого заземляется в одной точке.

Соединение фотодатчика с сигнализатором следует выполнять только экранированным кабелем с использованием не более одного промежуточного ряда зажимов и надежным заземлением экранов кабелей у него.

Кабели, проходящие в зоне высоких температур, термоизолируются либо для этой цели применяются специальные кабели, имеющие термостойкую изоляцию.

Сопротивление изоляции схем ТЗ не должно быть менее 1,0 МОм. Сопротивление изоляции измеряется мегаомметром на напряжение 1000 В. Приборы, аппараты, не допускающие испытания напряжением 1000 В (к ним относятся цепи ТЗ на напряжение 24 В) на время испытаний отключаются и испытываются мегаомметром на напряжение 500 В.

4.1.3 Монтаж микропроцессорных средств, на которых реализованы ТЗ, осуществляется в соответствии с требованиями разработчика этих средств.

4.1.4 Для надежной работы запальника ЗСУ-ПИ необходимо правильно расположить его на горелке. При этом следует руководствоваться следующим:

- запальник следует размещать в специальной установочной трубе, внутренний диаметр которой должен быть не менее Dу = 70 мм, так как диаметр ствола запальника равен 60 мм;

- установочная труба должна располагаться параллельно оси горелки или близко к ней. Возможно направление установочной трубы под углом к оси горелки;

- крепление установочной трубы к конструкции горелки следует производить таким образом, чтобы исключить ее искривление из-за нагрева торцевой части, например можно использовать подвижной хомут;

- на газомазутной горелке запальник должен обязательно располагаться выше мазутной форсунки или сбоку от нее, чтобы на него не попадал мазут, например в случае неплотности запорной мазутной арматуры;

- расстояние от торцевой части запальника до конуса горения горелки должно быть согласовано с длиной пламени запальника. Длина пламени запальника меняется в зависимости от давления газа, подведенного к запальнику. Молено считать что длина пламени запальника при Рг = 0,4 кгс/см2 составляет 0,6 - 0,7 м;

- для сохранения от перегрева запальника его следует располагать в установочной трубе таким образом, чтобы наконечник не доходил до торца установочной трубы на 100 мм;

- электромагнитный клапан следует располагать на расстоянии 0,5 - 3,0 м от запальника, устанавливать его следует горизонтально электромагнитом вверх. Направление движения среды должно соответствовать стрелке на корпусе;

- блок искрового розжига следует устанавливать по возможности ближе к запальнику, если БИР отстоит от запальника на 3 м и более, то прокладку высоковольтного провода необходимо выполнять в металлической трубе;

- следует предусмотреть установку фильтров для очистки газа, подаваемого в запальник. Диаметр сетки фильтра должен быть не более 0,8 - 0,9 мм, т.е. меньше диаметра газового сопла запальника. Эскиз фильтра приведен на рисунке 23. Фильтр следует располагать перед ЭМК, так как в этом случае он частично может предохранить от загрязнения ЭМК.

4.1.5 Для получения надежной работы датчик ФДЧС-1МК следует правильно установить на горелке. При этом необходимо выполнить следующие условия:

- визирная труба, на которой устанавливается датчик, должна располагаться на расстоянии 0,3 - 0,6 м от центральной оси горелки;

- допустимый угол между осью визирования датчика контрольной трубой и центральной осью горелки должен быть в пределах 15 - 30°.

Уменьшение угла приводит к частичной регистрации факела встречной горелки и, как следствие, к уменьшению контрастности.

1 - сетка; 2 - кольцо

Рисунок 23 - Фильтр

Увеличение угла может приводить к срабатыванию прибора даже при незначительном отрыве факела горелки вследствие ухода факела из зоны контроля. На рисунке 24 приведен эскиз оптимальной установки датчика пламени.

Рисунок 24 - Эскиз установки датчика ФДЧС-1МК

4.1.6 Установка датчика СГ-01/4 производится в визирные трубы, которые, как правило, должны располагаться параллельно оси горелки. Датчик работоспособен и при его установке под углом к оси горелки, но в этом случае сигнал, вырабатываемый датчиком, уменьшается.

4.1.7 Места установки фотодатчиков сигнализаторов "Факел-2" и "Факел-3М" должны быть хорошо освещены и удобны для обслуживания. В каждом конкретном случае места установки фотодатчиков должны выбираться так, чтобы в поле видимости фотодатчиков находилась большая часть топочного пространства перед горелками. При этом необходимо учитывать, что фотодатчики сигнализатора "Факел-2" воспринимают пульсации видимого и инфракрасного излучения пламени, а фотодатчики сигнализатора "Факел-3М" воспринимают в основном видимую часть спектра излучения.

Вопросы монтажа, выбора количества фотодатчиков контроля комплекта "Факел-2" для котлов разных типов рассмотрены в [5]. Аналогичным образом осуществляются монтаж и выбор количества фотодатчиков для комплекта "Факел-3".

В каждом конкретном случае в процессе контроля для фотодатчиков общего факела в топке котла должны обеспечиваться следующие условия:

- оптимальная освещенность фотодатчиков при раздельном сжигании газа и мазута или их совместном сжигании в любом соотношении, при сжигании газа и мазута в одной или в разных горелках, при изменениях размеров и формы факела (длины, угла раскрытия и др.), вызванных изменениями состояния и режимов работы горелок;

- достаточная интенсивность свечения общего факела в топке при работе только растопочных горелок котла, по сигналу включения которых вводится защита при погасании общего факела в топке котла;

- устойчивость факела при работе котла с нагрузками от 30 до 100% номинальной, а также на сниженной нагрузке с оставшимися в работе горелками после срабатывания защит, производящих перевод котла на пониженные нагрузки, в том числе и на растопочную.

Установку фотодатчика комплекта "Факел-2" на котле следует производить одним из следующих способов:

- при установке ФД на смотровом лючке патрубок ФД приваривается к крышке лючка, охватывая выполненное в нем отверстие диаметром 60 - 80 мм;

- при установке ФД на котле с уравновешенной тягой в местах разводок экранных труб, предназначенных для точек контроля факела, в обмуровке котла выполняется амбразура диаметром 60 - 80 мм или квадратом 60×60 мм, а патрубок ФД приваривается к обшивке котла или к переходному патрубку;

- при установке ФД на газоплотном котле в плавниках газоплотных экранов или между трубами экранов прорезается щель размером (8-12) (50 - 60) мм и патрубок ФД приваривается к обшивке котла или к переходному патрубку.

Переходный патрубок выполняется обычно в виде трубы длинной 100 - 300 мм с диаметром до 80 мм или коробчатой конструкции 120×120 мм.

Тубус фотодатчика крепится к фланцу патрубка ФД болтовым соединением.

По условиям надежности требуется охлаждение фотодатчиков подводом сжатого воздуха. Надежное охлаждение и обдувку ФД можно обеспечить подводом воздуха из напорного воздуховода дутьевых вентиляторов или охлаждением тубуса ФД водяным теплообменником типа "труба в трубе".

Для исключения прямого облучения ФД солнечным светом на котлах с открытой или полуоткрытой компоновкой необходимо устанавливать над ФД солнцезащитные козырьки.

Расположенные на противоположных стенах топки ФД подключаются к разным сигнализаторам. Связь ФД с сигнализатором следует выполнять экранированным кабелем типа КВВГЭ 4*1,5 с надежным заземлением экранов кабелей у первого промежуточного клеммника. Количество промежуточных клеммников на линии связи ФД с сигнализатором должно быть минимальным.

Фотодатчик с радиатором (см. рисунок 11) комплекта "Факел-3М" может устанавливаться на фланец визирной трубы с помощью болтового соединения. Второй фланец визирной трубы крепится болтовым соединением на стенке котла с уравновешенной тягой или на крышке лючка котла. На газоплотных котлах визирная труба фотодатчика может крепиться болтовым соединением на коробчатой конструкции сечением 120×120 мм.

Фотодатчик должен крепиться к радиатору с помощью втулок, обеспечивающих воздушный зазор для подсоса наружного воздуха, уменьшающего степень загрязнения стекла фотодатчика продуктами сгорания топлива.

Корпус и фланец фотодатчика должны соединяться между собой поворотным соединением, которое позволяет быстро и удобно производить регламентные работы и визуально контролировать правильность установки фотодатчика.

В поле видимости ФД "Факел-3М" должна находиться большая часть топочного пространства перед горелками, так как ФД комплекта "Факел-3М" воспринимают в основном видимую часть спектра излучения пламени.

Электрические соединения аппаратуры "Факел-3М" с цепями технологических защит и сигнализация должны осуществляться кабельными связями в соответствии с требованиями действующих Правил устройства электроустановок (ПУЭ). Входные цепи (ФД-сигнализатор), выходные цепи сигнализатора, цепи питания должны выделяться в отдельные кабели.

Кабели подключения фотодатчиков к сигнализаторам рекомендуется укладывать в заземленную стальную трубу. Марка кабеля связи ФД с сигнализатором не регламентируется. Длина линии связи от каждого ФД до сигнализатора не должна превышать 150 м.

Для повышения надежности фотодатчиков в аппаратуре "Факел-2" и "Факел-3М" рекомендуется заменить в них фоторезисторы ФР1-3 ("Факел-2") и фотодиоды VД1, VД2 ("Факел-3М") более надежными преобразователями оптического излучения - фотомикросхемами ФДГС-900.3, в которых применена автоматическая стабилизация рабочей точки при изменении температуры окружающей среды в диапазоне 0÷100ºС.

Опыт эксплуатации свидетельствует, что они обладают повышенной чувствительностью, легко встраиваются в аппаратуру "Факел-2" и "Факел-3М". Фотодатчики с микросхемами ФДГС в течение длительного времени (3-5 лет) работают на ряде электростанций Мосэнерго и других энергосистем. Схема выводов ФДГС и соединений с сигнализатором "Факел-2" приведена на рисунке 25.

а - схема соединений ФДГС с сигнализатором "Факел-2"; б - схема выводов ФДГС

Рисунок 25 - Схема выводов ФДГС и соединений с сигнализатором "Факел-2"

Основная техническая характеристика ФДГС

Площадь фоточувствительного элемента

4 мм2

Угол обзора

Не менее 90°

Область спектральной чувствительности

0,4- 1,8 мкм

Длина волны максимума спектральной чувствительности

1,5- 1,6 мкм

Предельно допустимая рассеиваемая мощность

100 МВт

Предельная частота

50 кГц

Изготовитель: предприятие "Электронная измерительная аппаратура" (г. Саров Нижегородской области).

4.1.8 Установка аппаратуры "Вибробит-100" должна производиться, как правило, по проекту, разработанному специалистами предприятия "Вибробит" и при их непосредственном участии, так как аппаратура является сложным техническим изделием, при установке, монтаже, наладке и эксплуатации которой могут возникнуть трудности.

Необходимо правильно выбрать контрольную поверхность для каждого датчика.

Некоторые варианты установки датчиков для измерения осевого смещения, относительного расширения, частоты вращения ротора приведены на рисунках 26а, 26б, 26в [25].

Установка датчиков вибрации вала ротора на подшипнике приведена на рисунке 27.

4.1.9 Первичный преобразователь реле уровня ПРУ-5М (см. рисунок 21) устанавливается в вертикальном положении кабельным вводом вниз на такой высоте, чтобы положение низкого уровня срабатывания на ПП совпадало с заданным.

Фланцы ПП должны быть приварены с отклонением от соосности не более 1 мм до установки преобразователя.

Передающий преобразователь закрепляется болтами М10 без амортизаторов в любом положении, корпус его заземляется.

1 - ротор; 2 - датчик; 3 - механизм установки; 4 - кронштейн

Рисунок 26а - Установка датчика ДВТ20 на пояске ротора для измерения осевого смещения ротора по трем каналам

1 - поясок ротора; 2 - радиальная ось ротора

Рисунок 26б - Установка датчика ДВТ40 на "низкий" поясок ротора для измерения относительного расширения ротора

а - контрольная поверхность "паз"; б - контрольная поверхность "шестерня"; 1 - радиальная ось ротора; 2 - кронштейн; 3 - шестерня

Рисунок 26в - Установка датчика ДВТЗО, БВП20 для измерения частоты вращения ротора

1 - датчик; 2 - подшипник; 3 - планка

Рисунок 27 - Установка датчика вибрации в верхнем вкладыше подшипника

После сборки и монтажа места пайки и головки крепежных деталей покрываются лаком АК-113 или подобным ему.

4.1.10 Указатель уровня жидкости индуктивный УЖИ (см. рисунок 22) устанавливается в вертикальном положении и присоединяется к контролируемому резервуару на высоте контролируемого уровня.

Монтаж датчика у демпферного маслобака выполняется в соответствии с размерами, приведенными в [6].

Указатель присоединяется с помощью фланцев с Dу 10 мм.

Установка датчиков защиты по уровню масла в демпферном маслобаке генератора завода "Электросила" показана на рисунке 28.

При монтаже выполняется дополнительная дренажная линия с запорным вентилем 5, изменяется место врезки верхней части шунтовой линии и устанавливается ремонтный вентиль 9. Вентили устанавливаются на вертикальных или наклонных участках трубопроводов.

При такой установке датчиков обеспечивается возможность опробования защиты по уровню в демпферном маслобаке на работающем генераторе путем открытия вентиля 5 при закрытом вентиле 6.

1 - демпферный бак; 2 - датчики уровня; 3 - обводная труба (Dy 40 - 50 мм); 4 - дренажная труба (Dу 40 - 50 мм); 5, 6 - запорные вентили; 7 - переливная труба; 8 - труба связи по водороду; 9 - ремонтный вентиль;------- демонтировать; = = = = = = - смонтировать

Рисунок 28 - Схема установки датчиков защиты по уровню масла в баке системы уплотнений вала генератора

4.2 ПРАВИЛА ПРИЕМКИ СМОНТИРОВАННЫХ ТЕХНИЧЕСКИХ СРЕДСТВ ЗАЩИТ

Приемка работ по монтажу защит выполняется в соответствии с [13].

Производится приемка следующих технических средств защиты:

- трубные проводки к отборным и другим устройствам совместно с датчиками защит;

- электропроводки совместно с техническими средствами, на которых реализованы ТЗ, включая шкафы и панели и средства их электропитания, сигнальные и регистрирующие устройства;

- централизованные устройства, обеспечивающие контроль работоспособности защит.

5 ВХОДНОЙ КОНТРОЛЬ, НАСТРОЙКА И РЕГУЛИРОВКА АППАРАТУРЫ

5.1 ПАНЕЛИ, ПУЛЬТЫ И ШКАФЫ

Контроль панелей, пультов и шкафов осуществляется путем проверки правильности монтажа электрических соединений по монтажным схемам, которые предварительно сверены с принципиальными или с развернуто-принципиальными схемами.

Правильность монтажа проверяется путем "прозвонки" цепей с помощью омметра, батарейки, лампочки и т.д.

5.2 ФУНКЦИОНАЛЬНЫЕ БЛОКИ УКТЗ

Входной контроль проводится в соответствии с ГОСТ 26748-85 и методикой, изложенной в технических условиях на аппаратуру УКТЗ (ТУ16-536, 544-77). Для входного контроля функциональных блоков заводом-изготовителем поставляется испытательный пульт ПИБ-М, который представляет собой автоматизированную систему диагностического контроля релейной логики.

Пульт позволяет получить при различных значениях рабочего напряжения следующие сведения о контролируемом блоке:

- общее логическое функционирование блока;

- функционирование контактной группы с указанием характера неисправности (ложно замкнут, ложно разомкнут и др.);

- функционирование индикаторов блока с указанием характера неисправности (ложная работа, отказ).

Пульт позволяет также определить значение погрешности выдержки времени и сопротивление изоляции относительно шасси и аппаратуры, находящейся под другим рабочим напряжением.

Проверка блоков осуществляется в два этапа: подготовка пульта и блока к работе и проверка блока. Возможны два режима проверки - автоматический и ручной.

Заводской пульт проверки блоков не позволяет проверить блоки БЗ-ЗМ1 и БЗ-ЗМ2, поэтому они проверяются "прозвонкой" по схемам электрических соединений.

Правильность электрических соединений монтажа и маркировка проверяются на соответствие ГОСТ 18620-86.

Порядок подготовки и проверки функциональных блоков УКТЗ в автоматическом и ручном режимах, а также устройство и назначение функциональных блоков приведены в [18].

5.3 РЕЛЕЙНАЯ АППАРАТУРА

В объем проверки реле входят следующие работы:

- внешний осмотр;

- внутренний осмотр;

- проверка состояния механической части и контактной системы и регулировка их в случае необходимости;

- определение электрических характеристик;

- проверка выдержек времени на срабатывание или возврат для реле времени и тех промежуточных реле, для которых эта выдержка задана в инструкции по проверке защиты;

- регулировка реле и повторная проверка его характеристик.

При внешнем осмотре контролируется:

- соответствие установленного реле проекту;

- исправность кожуха и крепежных деталей;

- состояние выводов реле.

При внутреннем осмотре производятся следующие работы:

- очистка реле от пыли, металлических опилок и других деталей;

- визуальный контроль качества пайки и правильности внутренних электрических соединений, целостности катушки и изоляции;

- затяжка винтов и гаек;

- визуальный контроль состояния контактных поверхностей, при необходимости поверхность контакта обрабатывается надфилем и затем контролируется стальной пластиной со слабо рифленой поверхностью или плоской деревянной дощечкой; промывка контактов нашатырным спиртом, бензином и другими составами запрещается.

Проверка механической части реле выполняется в следующем порядке:

- приведение контактной системы реле в соответствие с проектом, если реле допускает переделку контактов;

- проверка легкости хода якоря и отсутствия задеваний;

- проверка люфтов подвижных частей;

- визуальная оценка величины и равномерности зазора между якорем и сердечником;

- визуальная оценка контактных зазоров и прогиба контактов при замыкании. Для крупногабаритных реле зазор должен быть не менее 3 мм, прогиб - не менее 0,5-0,7 мм;

- визуальная проверка одновременности замыкания и размыкания контактов.

Проверка электрических характеристик реле выполняется в следующем объеме.

Для реле типов РП-23, РП-25, РП-251, РП-252, РП-256, РПУ-2, ЭВ-100, ЭВ-200:

- напряжение срабатывания и возврата;

- время действия для реле, имеющих замедление срабатывания или возврата.

Для реле типов РП-8, РП-9, РП-11, РП-12 - напряжение срабатывания по каждой обмотке.

Для реле РУ-1 - напряжение срабатывания.

Напряжение срабатывания проверяется путем трехкратной скачкообразной подачи напряжения на реле. Рекомендуется устанавливать напряжение срабатывания для промежуточных реле - 65 - 70% номинального, для реле времени и указательных - 80% номинального. Более высокое напряжение срабатывания может быть причиной несрабатывания при пониженном питающем напряжении, а более низкое - причиной ложного срабатывания при замыкании на землю цепей постоянного тока.

Повышенное напряжение (ток) срабатывания реле обычно указывает на чрезмерную затяжку регулировочных пружин, неправильную сборку движущихся частей, перекосы и заедания подвижной системы, чрезмерно большие зазоры в магнитной системе, неисправность обмотки реле. Обмотку считают исправной, если ее сопротивление отличается от заводских данных не более чем на ±10% при диаметре провода до 0,16 мм, ±7% при диаметре 0,17 - 0,25 мм, ±5% при диаметре более 0,25 мм.

Для промежуточных реле, включенных через добавочный резистор, напряжение срабатывания и отпускания проверяется вместе с резистором и без него. При последовательном включении обмоток промежуточного и указательного реле оба реле должны четко срабатывать при подаче 80% номинального напряжения. Напряжение возврата, если оно не указано в технических данных, не нормируется. Основное требование - четкий возврат реле при плавном снятии напряжения.

Для изменения напряжений и токов срабатывания реле применяются приборы класса точности не хуже 1.

Проверка уставок реле по времени производится с помощью электрического секундомера не менее трех раз. Для реле с часовым механизмом допускается разброс ±0,2 с - при максимальной выдержке времени 9 с и ±0,25 с - при максимальной выдержке 20 с.

Если электрические или временные характеристики реле отличаются от паспортных данных на значение больше допустимого, производится регулировка реле.

Изменение электрических характеристик осуществляется следующими способами:

- понижение напряжения (тока) и уменьшение времени срабатывания;

- уменьшение начального зазора между якорем и сердечником или повышение давления пластин размыкающих контактов;

- понижение напряжения (тока) и увеличение времени возврата;

- уменьшение конечного зазора между якорем и сердечником или понижение давления контактных пластин замыкающих контактов;

- уменьшение вибрации при напряжении (токе), близком к напряжению (току) срабатывания, - регулировкой контактов;

- уменьшение вибрации при притянутом якоре, удерживаемом упором, - регулировкой подвижной системы.

После окончания регулировки реле необходимо вновь проверить его электрические характеристики и убедиться, что они находятся в допустимых пределах.

5.4 ЗАПАЛЬНИК ЗСУ-ПИ

Проверка общей работоспособности ПУ производится следующим образом:

а) собрать схему включения ПУ в соответствии с рисунок 4;

б) проверить исправность предохранителей Пр.сеть и Пр.кл;

в) переключатели, расположенные на лицевой панели - "Сеть", "Вкл-ЗСУ", "Авт-Газ", установить в нижнее отключенное положение;

г) подать напряжение на ПУ, для чего переключатель "Сеть" перевести в верхнее положение, при этом должны загореться светодиоды на лицевой панели "Сеть", "Фаза";

д) переключатель "Вкл-ЗСУ" установить в положение "Вкл", а переключатель "Авт-Газ" - в положение "Газ", при этом должно сработать реле Р1, загореться светодиод "ЗСУ-Газ" и на контактах 15, 16 ШР относительно контакта 19 должно появиться напряжение 220 В;

е) имитировать сигнал о наличии пламени запальника, для чего замкнуть между собой контакты 1 и 2 на ШР ПУ, при этом должны загореться светодиод "пламя ЗСУ", сработать реле Р2 и замкнуться контакты 8 и 9 на ШР этого реле;

ж) переключить переключатель ВЗ в положение "Авт", при этом реле Р1 должно по-прежнему быть во включенном состоянии и гореть светодиод "ЗСУ-Газ";

з) убрать имитацию сигнала о наличии пламени запальника (разомкнуть контакты 1 и 2 на ШР), при этом должны:

- погаснуть светодиод "ЗСУ- Пламя";

- отключится реле Р1, погаснуть светодиод "ЗСУ-Газ" и исчезнуть напряжение 220 В с контактов 15, 16 ШР относительно контакта 19 ШР ПУ.

Проверка ЭМК осуществляется следующим образом:

- на вход ЭМК подводится сжатый воздух, давлением 0,1 МПа (1 кгс/см2);

- собирается схема включения ЭМК и он открывается путем подачи напряжения 220 В на его обмотку;

- закрывается ЭМК снятием напряжения с его обмотки.

При открытии ЭМК не должно быть вибрации клапана. В закрытом состоянии ЭМК не должен пропускать воздух. Если на клапане в открытом положении есть вибрация или он пропускает воздух, следует его разобрать, очистить движущиеся элементы, отревизировать пружину, при необходимости поменять уплотняющую прокладку. Как правило, этих мер достаточно для того, чтобы устранить вибрацию клапана и сделать его плотным.

Проверка БИР и свечи зажигания выполняется следующим образом:

- собирается схема управления БИР и его выходные цепи соединяются со свечой зажигания;

- на вход БИР подается напряжение 220 В. По виду искры, появляющейся на свече зажигания, определяется работоспособность БИР и свечи. В случае необходимости устанавливается расстояние между электродами свечи и корпусом свечи 3 мм. Корпус свечи и электрод зажигания тщательно протираются от грязи.

5.5 СИГНАЛИЗАТОР "ФАКЕЛ-2"

Провести проверку и отбор фоторезисторов ФР1-3:

- измерить сопротивление затемненного фоторезистора (темновое сопротивление чувствительного элемента) ;

- измерить световое сопротивление фоторезистора при освещении чувствительного элемента лампой накаливания 150 - 200 Вт с расстояния 2 - 3 м (или солнечным светом);

- определить кратность изменения сопротивления фоторезистора по отношению темнового сопротивления к световому;

- отобрать для установки в ФД фоторезисторы с темновым сопротивлением 25 - 90 кОм и кратностью изменения сопротивления от 1,5 до 3,0.

Произвести общую проверку работоспособности сигнализатора "Факел-2" с помощью кнопочного переключателя узла тестовой проверки:

- установить в отжатое положение (состояние "Отключено") кнопки Bl, B2, ВЗ, В4 переключателя режимов тестовой проверки сигнализатора;

- подключить к цепям 1 и 3 разъема ШЗ "Сеть" кабель питания и включить сигнализатор в сеть переменного напряжения 220 В, 50 Гц; при этом должна загореться лампа "Сеть", сигнальная лампа "Реле" погашена, а стрелка "ИП" установиться правее красного сектора в диапазоне 90 - 100% шкалы (44 - 50 мкА) и пульсировать с амплитудой не более генерации импульсов);

- нажать кнопку В2 "Чувствительность", при этом сигнальная лампа "Сеть" должна гореть, лампа "Реле" погашена, а стрелка индикатора установиться в диапазоне 55 - 65% шкалы (28 - 32 мкА) в пределах красного сектора, после чего возвратить кнопку В2 в отжатое состояние;

- нажать кнопку ВЗ "КЗ", при этом лампа "Сеть" должна гореть, лампа "Реле" погашена, а стрелка ИП установиться правее красного сектора в диапазоне 90-100% шкалы (44 - 50 мкА), после чего возвратить кнопку ВЗ в отжатое состояние;

- нажать кнопку В4 "Готов", при этом стрелка ИП должна установиться левее первой зеленой точки (знака удвоенной уставки срабатывания) в диапазоне 12-16% шкалы (5- 10 мкА), лампа "Сеть" должна погаснуть и загореться лампа "Реле" (выходное реле прибора при этом не срабатывает), возвратить кнопку В4 в исходное состояние.

При недопустимых отклонениях установившегося положения стрелки ИП в процессе проверки сигнализатора следует считать неисправным и отправить в ремонт.

Отклонения не более ±5 мкА являются допустимыми и могут быть устранены подбором номинального сопротивления резисторов 1-R18 в цепи ИП и 2-R1 в схеме источника питания. Сигнализатор считается при этом годным к работе.

Паспортное значение инерционности сигнализатора "Факел-2" не соответствует действительному времени задержки от момента погасания факела при исходном представительном сигнале 40 - 50 мкА по шкале "ИП" до срабатывания выходного реле Р1 сигнализатора.

Проверку реального значения инерционности сигнализатора "Факел-2" следует производить следующим способом:

- при отжатом положении кнопок В1, В2, ВЗ нажать кнопку В4 "Готов", при этом вместо фоторезистора в схему сигнализатора подключается резистор 1-R8 с сопротивлением 22 кОм, что равнозначно скачкообразному отключению сигнала о наличии контролируемого факела, при этом гаснет лампа "Сеть" и загорается лампа "Реле";

- измерить время от момента нажатия кнопки В4 "Готов" до загорания лампы "Реле" - инерционность срабатывания; для серийного прибора это время должно быть в пределах от 6 до 10 с;

- зафиксировать показание индикатора, при котором загорается лампа "Реле" после нажатия кнопки "Готов", - уставка срабатывания прибора; для серийного прибора это значение составляет 6 - 8 мкА.

5.6 СИГНАЛИЗАТОР "ФАКЕЛ-ЗМ"

5.6.1 Включить сигнализатор без ФД в сеть переменного тока 220 В и установить минимальную задержку на срабатывание выходного реле (шлиц резистора R1 ("Задержка") на лицевой панели в крайнем левом положении). Убедиться в отсутствии срабатывания выходного реле КЗ по следующим признакам:

- погашена лампа индикации "Факел";

- разомкнута цепь контактов 7 и 8 на разъеме "Выход".

5.6.2 Подключить ФД к разъему "Датчик 1". Через 2 - 3 с должно сработать выходное реле КЗ (замкнуты контакты 7 и 8 в разъеме "Выход"), загореться лампа индикации "Факел".

5.6.3 Установить лампы ГСИ на расстоянии 0,2 - 0,3 м от фотодатчика 1, включить ГСИ в сеть постоянного тока 27 В, убедиться в правильности функционирования сигнализатора:

- лампа индикации "Факел" погашена;

- выходное реле КЗ не сработало (цепь контактов 7 - 8 на разъеме "Выход" разомкнута).

5.6.4 Отключить ФД1 от сигнализатора, подключить ФД1 к разъему "датчик 2" и выполнить контрольные операции по пп. 5.6.2 и 5.6.3.

5.6.5 При несоответствии состояний индикации "Факел" и цепи контактов 7-8 "Выход" (см. пп. 5.6.1-5.6.4) прибор неисправен и подлежит ремонту.

5.7 АППАРАТУРА "ВИБРОБИТ-100"

5.7.1 Перед установкой на оборудование и периодически при эксплуатации производится калибровка аппаратуры.

5.7.2 Калибровка первичных преобразователей - датчиков и преобразователей и вторичных измерителей - плат блоков производится раздельно.

5.7.3 При проведении калибровки выполняются следующие операции:

- внешний осмотр;

- опробование;

- проверка диапазона измерений, определение погрешности измерений и значения коэффициента преобразования.

5.7.3.1 При внешнем осмотре должны быть проверены:

- комплектность и чистота калибруемого датчика, преобразователя;

- наличие маркировки;

- отсутствие повреждений.

5.7.3.2 Для опробования следует выполнить следующие операции:

- установить датчик на стенде;

- собрать электрическую схему калибровки;

- включить источник и опробовать работу датчика, преобразователя, создавая на стенде изменение параметра.

Электрическая схема калибровки датчиков и преобразователей перемещения приведена на рисунке 29.

Электрическая схема калибровки датчиков виброскорости и виброперемещения приведена на рисунке 30.

5.7.3.3 Проверка диапазона измерений, погрешности измерения, действительного значения коэффициента преобразования подробно изложена в [25] и в данной работе не рассматривается.

А - датчик, преобразователь; R - магазин сопротивлений; mА - миллиамперметр постоянного тока; В - стабилизатор источника постоянного тока напряжением 24±0,5 В, ток 100 мА

Рисунок 29 - Электрическая схема калибровки датчиков и преобразователей перемещения

А - датчик, преобразователь; R - магазин сопротивлений; V - вольтметр переменного тока с входным сопротивлением 1 МОм; В - стабилизатор источника постоянного тока напряжением 24±0,5 В, ток 100 мА

Рисунок 30 - Электрическая схема калибровки датчиков виброскорости и виброперемещения

5.8 РЕЛЕ ПРУ-5М

Реле настраивается после установки по месту ПП. Точное значение уровня, при котором срабатывает реле, устанавливается путем изменения сопротивления в ПРГ.

Направление изменения уровня, при котором срабатывает реле (замыкание замыкающего контакта при повышении или понижении уровня), регулируется изменением полярности подключения ПП - переменой проводов у его зажимов 1 и 3 (см. рисунки 21, 31).

а - схема внешнихсоединений; б - работа контактов; 1 - передающий преобразователь; 2 - первичный преобразователь; 3 - прямое включение; 4 - инверсное включение

Рисунок 31 - Реле ПРУ-5М

Реле уровня поставляется настроенным на воде при температуре 85°С с прямым включением ПП: замыкающий контакт замыкается при повышении уровня.

Порядок контроля работоспособности следующий:

- подключить ПП согласно рисунку 31. Подать напряжение питания и подождать 10 мин;

- изменить положение поплавка, поворачивая ПП на 180° в вертикальной плоскости;

- зафиксировать срабатывание выходного реле в ПРГ;

- проверить сопротивление изоляции между электрически не связанными токо-ведущими частями реле, а также между ними и корпусом.

5.9 УКАЗАТЕЛЬ УРОВНЯ ЖИДКОСТИ УЖИ

Настройка указателя в комплекте с токовым реле производится при наличии контролируемого уровня.

Точное определение уставки определяется настройкой токового реле. При настройке комплекта на срабатывание при понижении уровня замыкается замыкающий контакт реле, при повышении - размыкающий.

Порядок контроля работоспособности следующий:

- проверить правильность установки и подключения датчика, подать напряжение питания и подождать 10 мин;

- изменить контролируемый уровень и проконтролировать визуально через стекло изменение положения поплавка. Если поплавок неподвижен, проверить его герметичность и наличие загрязнения сердечника;

- настроить токовое реле на срабатывание при заданном уровне. При невозможности изменения уровня переместить катушку относительно сердечника.

В схеме защиты по уровню в демпферном маслобаке (см. рисунок 28) изменение уровня осуществляется путем закрытия вентиля б и последующего открытия вентиля 5.

После снятия напряжения проверить сопротивление изоляции между катушкой и корпусом указателя.

5.10 ЭЛЕКТРОМАГНИТНЫЕ ПРИВОДЫ

При проверке электромагнитных приводов производятся:

- внешний осмотр;

- проверка изоляции между обмотками и корпусом электромагнита (сопротивление изоляции должно быть не менее 10 МОм);- измерение электрических параметров обмоток;

- проверка правильности соединения обмоток;

- снятие характеристик привода. Снятие электрических характеристик

привода производится после измерения сопротивления и испытания изоляции, при этом определяются напряжение и ток срабатывания. Проверка производится по месту или на специальном стенде при наличии рабочего давления среды в клапане.

При проверке характеристик следует иметь в виду, что обмотки электромагнитов ИПК и автомата безопасности термически неустойчивы и поэтому все измерения необходимо производить быстро, не перегревая обмоток.

Напряжение питания электромагнитов, применяемых в технологических защитах, должно быть равным 220 В при режиме работы с относительной продолжительностью включения 40%. При большей продолжительности включения следует снизить подводимое напряжение.

Необходимо помнить следующее.

При отключении электромагнита происходит быстрое снижение магнитного потока, наводящее в катушке электромагнита ЭДС самоиндукции. Значение индуктированного напряжения возрастает при быстром отключении тока и в некоторых случаях может достигнуть 3 - 4 кВ, т.е. в 15-18 раз превышает номинальное напряжение, что не исключает возможности пробоя изоляции катушки электромагнита.

Для ограничения значения перенапряжения параллельно катушке электромагнита подключается так называемый разрядный резистор. При сопротивлении разрядного резистора, в 6 -8 раз превышающем сопротивление катушки электромагнита, перенапряжение практически снижается до 700-800 В. Согласно ГОСТ 10130-62 перенапряжение не должно превышать 2 кВ.

Следовательно, разрядный резистор выбирается таким образом, чтобы его сопротивление было больше сопротивления катушки в 8 -10 раз.

5.10.1 В соответствии с требованиями [21] на подводящих газопроводах и мазутопроводах к котлам должны устанавливаться быстрозапорные клапаны, работающие на постоянном токе от аккумуляторной батареи. В котельных, не имеющих постоянного оперативного тока, допускается производить закрытие быстрозапорных клапанов от устройств с предварительно заряженным конденсатором.

Поскольку не имеется серийного промышленного изготовления быстрозапорных клапанов, Эксплуатационным циркуляром № Т-1/72 "Об установке быстродействующих запорных клапанов на газопроводах электростанций" (М: СПО Союзтехэнерго, 1972) рекомендуется применять клапаны-отсекатели конструкции ОРГРЭС.

Указанные клапаны являются грузовыми с электромагнитными побудителями. Закрытие клапана производится при подаче напряжения к обмотке электромагнитной защелки. В качестве электромагнитов защелок рекомендуются электромагниты КМП-4А и КМП-2А или аналогичные. Открытие клапана производится вручную постановкой на защелку.

Схемы управления и указания по эксплуатации электромагнитами топливных клапанов приведены в [8].

5.10.2 Существующие для защиты ПВД гидроприводы должны обеспечивать быстродействие защиты.

Быстродействие защиты определяется временем (не превышающим 5 с) с момента замыкания контактов уровнемеров до момента полного закрытия автоматического впускного клапана ПВД.

На быстродействие защиты существенное влияние оказывают условия эксплуатации: давление конденсата на гидроприводы, состояние арматуры и самого автоматического впускного клапана ПВД и пр.

Чтобы исключить необходимость проведения специальных испытаний защит ПВД, в целях определения их быстродействия целесообразно внедрить автоматическую фиксацию быстродействия защиты ПВД. Реализация предложенной автоматической схемы достигается путем установки в существующую цепь защиты ПВД (рисунок 32) промежуточного реле и секундомера на каждую группу ПВД. Кроме того, необходимо установить конечные выключатели на автоматических впускных клапанах ПВД.

1 - существующая часть схемы; 2 - дополнения к схеме; 3 - ввод информации в ИВС; 4 - ввод в схему сигнализации; ДЗ-1; ДЗ-2; ДЗ-3 - сигнальные контакты уровнемеров ПВД (1 предел защиты); ЭС - электросекундомер; ВК - конечный выключатель, впускного клапана ПВД; РП-1; РП-2; РП-3; 1РП-1-1РП-3; 3 РП -промежуточные реле

Рисунок 32 - Схема автоматической фиксации быстродействия защиты ПВД

5.10.2.1 Электромагнитный клапан ИК-40 из комплекта АЗК-4 (Dу 15 мм) предназначен для управления мазутными форсунками и скомпонован с трехфазным электромагнитом переменного тока, рассчитанным на напряжение 380/220 В. При обесточенном положении клапан закрыт. Клапан состоит из электромагнита, запорного органа, регулирующей гайки и возвратной пружины.

Клапан открывается путем перемещения вверх запорного органа якорем электромагнита. Электромагнит собран в отдельном закрытом корпусе и размещен над клапаном, что исключает возможность попадания мазута на обмотку электромагнита. Якорь перемещается внутри изолирующих каркасов втягивающих катушек, защищенных металлическими пластинами, вследствие чего нарушение изоляции невозможно.

Плотность клапана обеспечивается усилием возвратной пружины.

К входному штуцеру мазутного клапана через специальный входной патрубок при отключенном напряжении питания с масляного пресса подается масло давлением до 3 МПа (30 кгс/см2) и с помощью мыльно-водного раствора определяется плотность клапана (мыльные пузыри не должны появляться на выходном штуцере или при отсутствии снижения давления перед клапаном). Плотность клапана регулируется гайкой.

5.10.2.2 Электромагнитный клапан из комплекта ЗЗУ состоит из запорного клапана и электромагнитного привода.

При подаче напряжения на клапан его сердечник втягивается внутрь электромагнита и открывает проход для газа. При отсутствии напряжения или выходе из строя катушки электромагнита вентиль закрывается под действием пружины и давления газа. Резиновая прокладка обеспечивает плотность.

Проверка работы клапана производится по следующей методике.

К входному штуцеру клапана подвести воздух давлением до 0,1 МПа (1 кгс/см2), подать напряжение питания на клапан и убедиться в открытии клапана. Отключить напряжение питания и с помощью мыльно-водного раствора убедиться в плотности запирания клапана (на входном штуцере не должны появляться мыльные пузыри). В случае возникновения вибрации штока клапана отвернуть корпус электромагнита на несколько оборотов, пока не прекратится вибрация штока.

5.10.2.3 Двухканальные схемы защит турбины применяют в целях повышения надежности работы защит ПО ЛМЗ на турбинах большой мощности (рисунок 33).

Для этого на турбинах устанавливаются два электромагнитных выключателя, с помощью которых реализуется двухканальная схема. Каждый из выключателей при срабатывании электромагнита открывает слив из гидравлической линии, что приводит к закрытию стопорных и регулирующих клапанов турбины. Таким образом, для закрытия всех клапанов достаточно срабатывания любого выключателя. Для испытаний предусматривается трехпозиционный золотник, который выполняет функции трехпозиционного крана. В среднем положении золотник соединяет с гидравлической линией оба электромагнитных выключателя. Будучи переставлен в одно из двух крайних положений, золотник продолжает соединять с гидравлической линией один из выключателей, другой - отсоединяется. Срабатывание отсоединенного электромагнитного выключателя не приводит к падению давления в гидравлической линии и к закрытию клапанов. Так производится испытание защиты с воздействием на отсоединенный электромагнит на работающей турбине. Второй (не испытываемый в данный момент) электромагнитный выключатель с задействованным на него вторым каналом защиты остается в работе и обеспечивает защиту турбины.

-

1 - электромагнитный выключатель; 2 - золотник испытаний; 3 - привод золотника испытаний; 4 - ограничительная шайба; 5 - сигнализатор давления; 6 - ограничительная шайба на силовом питании

Рисунок 33 - Двухканальная защита турбины

Каждый канал защиты имеет как воздействие на свой электромагнитный выключатель, так и перекрестное воздействие каждого канала на оба выключателя. При проведении испытаний перекрестное воздействие блокируется.

6 НАСТРОЙКА И ОПРОБОВАНИЕ СХЕМ

После проверки и настройки технических средств ТЗ они устанавливаются на рабочее место и система ТЗ подготавливается к комплексному опробованию.

Для этого проверяется правильность присоединения кабельных связей и проверяется их изоляция, подается напряжение в схему ТЗ и проводится поузловое опробование схем.

6.1 ПРОВЕРКА ПРАВИЛЬНОСТИ ПРИСОЕДИНЕНИЯ КАБЕЛЬНЫХ СВЯЗЕЙ

Проверка электрических цепей защиты осуществляется по монтажным схемам, которые предварительно сверяются с принципиальными либо развернуто-принципиальными схемами.

Правильность присоединения кабелей проверяется "прозвонкой" жил с помощью комплекта из двух телефонных трубок с источниками питания. Перед проверкой жилы кабеля должны быть отсоединены с обеих сторон от зажимов.

6.2 ПОДАЧА НАПРЯЖЕНИЯ В СХЕМЫ

Напряжение в схемы ТЗ подается с соблюдением требований правил техники безопасности.

Перед подачей напряжения должна быть исключена возможность воздействия на исполнительные механизмы путем отключения соответствующих кабельных проводов в панелях защит. Напряжение подается поочередно в схемы, имеющие индивидуальный АП.

Порядок подачи напряжения питания на УКТЗ приведен в приложении Б.

После подачи напряжения необходимо проверить его наличие и значение.

6.3 ПОУЗЛОВОЕ ОПРОБОВАНИЕ СХЕМ ТЗ

6.3.1 Входной сигнал защиты формировать либо путем его имитации, либо изменением контролируемого параметра с появлением соответствующей сигнализации.

6.3.2 Проконтролировать срабатывание каждого канала защиты при появлении входного сигнала по имеющимся сигнальным устройствам.

6.3.3 При наличии нескольких каналов контролировать срабатывание защиты при всех возможных сочетаниях сработавших каналов, а также несрабатывание защиты при срабатывании любого канала в схемах "два из двух" и "два из трех".

6.3.4 Проверить правильность работы коммутационных устройств в цепях защит (ключей, переключателей, накладок).

6.3.5 Проконтролировать выдержку времени.

6.3.6 При наличии автоматического ввода-вывода защиты проверить работу устройства автоматического ввода, а также приоритет условий вывода. Условия ввода-вывода защиты имитируются кнопками в блочках или перемычками.

6.3.7 Проверить выделение защиты, сработавшей первой.

6.3.8 Для УКТЗ проверить работу схемы опробования от кнопок для всех блоков БЗ.

6.3.9 Проконтролировать отсутствие сработавших защит и восстановить возможность воздействия схемы защит на исполнительные механизмы.

6.3.10 Проверить действие схемы защит на исполнительные механизмы при имитации срабатывания одной из защит, действующих параллельно:

- направление хода исполнительного механизма;

- самоудерживание выходных реле, импульсные команды.

6.3.11 Проверить выполнение команд, поступающих от отдельных защит данной группы.

6.3.12 Выполнить операции по пп. 6.3.2 - 6.3.11 для всех групп защит.

6.3.13 Проверить соблюдение приоритета отдельных групп защит.

6.3.14 Операции по п. 6.3.10 могут выполняться по мере готовности датчиков и исполнительных механизмов.

6.3.15 Объем работ по опробованию ТЗ, выполненных на МПТ, при прочих равных условиях зависит от общей структуры АСУ ТП, а также от предусмотренного объема самодиагностики технических средств и диагностики элементов подсистемы ТЗ.

6.3.15.1 Цель опробования ТЗ после монтажа и наладки - проверка качества выполнения проектных, монтажных, наладочных работ, программного обеспечения, эффективности функций представления информации о состоянии и срабатывании ТЗ, сервисных программ. Проверка соответствия выполненной подсистемы ТЗ проекту. Проверка исправности всех элементов и программ подсистемы ТЗ, проверка работоспособности аварийной сигнализации, функций РАС и КДЗ.

6.3.15.2 Работы по опробованию ТЗ заключаются в проведении следующих работ:

- анализ полноты и эффективности защитных операций;

- проверка исправности каждого элемента подсистемы ТЗ;

- проверка правильности выполнения кабельных связей и коммутации внутри шкафов;

- проверка соответствия проекту всех алгоритмов, реализующих подсистему ТЗ;

- проверка соответствия проекту всех уставок и выдержек времени подсистемы ТЗ, реализованных в ПТК;

- проверка аварийной и предупредительной сигнализации, регистрации по каждому событию и параметру, участвующим в ТЗ;

- анализ полноты и правильности работы функций РАС и КДЗ и проверка их работоспособности, если они предусмотрены проектом;

- анализ эффективности и проверка работоспособности всех сервисных функций, относящихся к ТЗ;

- опробование каждой ТЗ с действием на "сигнал" и либо на выходные усилители (реле), либо на исполнительные устройства;

- опробование каждого ИУ, на которое действует ТЗ, по команде ТЗ, по команде ТЗ на остановленном оборудовании или при его пуске.

Опробование ТЗ производится при каждом из возможных сочетаний внутренних и внешних условий (положение виртуальных переключателей, устройств ремонтного вывода, количество подключенных датчиков и т.д.) отдельно по каждому из резервирующих друг друга контроллеров.

Все выявленные неисправности должны быть ликвидированы до пуска защищаемого оборудования.

7 НАСТРОЙКА И ОПРОБОВАНИЕ КОМПЛЕКТОВ

7.1 ЗАПАЛЬНИК ЗСУ-ПИ

Схема управления запальником должна отвечать следующим основным требованиям:

- обеспечивать возможность управления запальником с щита управления и по месту;

- формировать команды на открытие (закрытие) соленоидного газового клапана и включение (отключение) источника высоковольтного напряжения;

- обеспечивать сигнализацию включения запальника или его неисправности;

- формировать команду отключения блока искрового розжига запальника после обнаружения пламени запальника.

При управлении запальником ЗСУ-ПИ должна выполняться схема управления, реализовывающая алгоритм, позволяющий производить три попытки розжига. Если ни одна из попыток розжига не удалась, то запальник должен отключаться.

На рисунке 34 приведен возможный алгоритм управления запальником ЗСУ-ПИ.

После подачи команд на включение запальника, которые формируются из двух мест - с местного щита управления и от программных средств управления, взводится память и формируется команда на открытие ЭМК. Одновременно начинается отсчет четырех выдержек времени: 4; 10; 16; 20 с. Через 4 с после открытия ЭМК поступает команда на подачу высоковольтного напряжения на свечу зажигания длительностью 2 с. Если нет пламени запальника, то аналогичные команды формируются через 10 и 16 с. Если нет пламени запальника и через это время, то через 20 с происходит отключение запальника.

Выдержка времени от открытия ЭМК до подачи высоковольтного напряжения нужна для того, чтобы за это время газовый запальник успел заполниться газовоздушной смесью, которая затем воспламеняется при подаче на "свечу" высоковольтного напряжения.

Рисунок 34 - Алгоритм управления запальником

Эти выдержки времени взяты для запальников длиной 2 - 2,5 м. Для запальников меньшей или большей длины выдержки времени можно соответственно уменьшить или увеличить.

Оптимальными условиями для розжига запальника являются минимальные внутритопочные возмущения в момент розжига, что может быть достигнуто при минимальных расходах воздуха на горелку. Поэтому в технологических алгоритмах розжига горелок следует предусматривать закрытие, например, подачи периферийного воздуха к горелке в момент розжига запальника. После розжига запальника его горение является устойчивым и можно производить операции по открытию, например, периферийного воздуха, увеличению давления воздуха, подачи в горелку газов рециркуляции и т.п. В случаях невозможности уменьшения расходов воздуха на горелки при розжиге запальников следует увеличивать давление запального газа.

Перед включением запальника после выполнения монтажных работ необходимо тщательно продуть сжатым воздухом газовые линии, подходящие к запальнику. Запальник и ЭМК должны быть отсоединены от продуваемых линий. При продувке следует "обстучать" места сварки газовых труб.

Включение запальника осуществляется следующим образом:

- собирается электрическая схема управления запальника;

- подается газ на запальник, для чего открывается ЭМК;

- через 4 - 6 с на свечу подается высоковольтное напряжение и визуально и по зажиганию индикатора "Пл. ЗСУ" на ПУ фиксируется зажигание запальника.

Если запальник после выполнения предыдущей операции не загорелся, следует закрыть ЭМК, затем открыть его и через 3 - 5 с подать на свечу высоковольтное напряжение. Обычно одной-трех попыток розжига достаточно для того, чтобы запальник загорелся.

Если запальник не загорелся следует:

- измерить давление запального газа перед запальником. Оно должно быть не менее 0,015 МПа (0,15 кгс/см2). Следует иметь в виду что, чем ниже давление газа тем короче факел запальника и меньше его мощность и, следовательно, он более подвержен срыву из-за внутритопочных возмущений. При отрыве запального факела от запальника при его розжиге можно увидеть, что в первый момент факел запальника появляется и через 1 - 2 с исчезает. Иногда помогает настроить запальник на работу в этом случае ограничение поступления воздуха в запальник, для чего перекрывается патрубок подвода воздуха к запальнику и заглушается патрубок, где установлена свеча зажигания;

- выдвинуть запальник из установочной трубы на 15 - 30 см и вновь попытаться включить его. Если и при этом запальник не загорелся, следует определить, есть ли напряжение на свече зажигания. Для этого следует подать напряжение на свечу и поднести к ней отвертку так, чтобы металлический стержень отвертки в одном месте касался металлической части запальника ("земли"), а конец отвертки отстоял от электрода свечи на 2 - 4 мм. При этом должна появиться между свечой и отверткой искра. Если искры нет, то следует протереть свечу, отогнуть электрод свечи.

Если в результате выполнения предыдущих действий запальник не загорелся, следует его прочистить.

Чистка запальника может быть проведена сжатым воздухом и без него.

Для чистки запальника сжатым воздухом выворачивается свеча зажигания и в образовавшееся отверстие вставляется шланг, в который подается сжатый воздух. Продувка сжатым воздухом осуществляется в течение 3 - 5 мин.

Чистка запальника без использования сжатого воздуха требует его разборки. Эскиз конструкции запальника приведен на рисунке 35.

Разборка запальника производится в следующей последовательности:

- снимается крышка 1;

- снимается конструкция сопла 2, для чего выворачивается накидная гайка 3 и снимаются дюриттовые шланги 4;

- вывинчивается пламегасящая сетка 5.

После разборки запальника прочищается пламегасящая сетка и сопло и затем осуществляется сборка запальника.

Рисунок 35 - Эскиз конструкции запальника

Примечания

1 Детали 3 и 6 приведены в разъединенном состоянии.

2 Подвод воздуха не показан

7.2 ДАТЧИК КОНТРОЛЯ ПЛАМЕНИ ГОРЕЛОК ФДЧС-1МК

Настройка датчика производится на работающей горелке.

В зависимости от вида топлива переключатель на фланце датчика устанавливается в положение 1 или 2 (1 - газ, 2 - мазут).

7.2.1 Вращением переменного резистора, соответствующего данному положению переключателя, добиваются погасания обоих светодиодов.

7.2.2 Вращением резистора в противоположную сторону добиваются загорания сначала одного светодиода, затем другого, при этом показания стрелочного прибора данного канала на терминальном модуле должны соответствовать 100% (зеленый светодиод гаснет, красный - загорается).

7.2.3 Погасить горелку и убедиться в погасании красных светодиодов на фланце датчика. При этом красный светодиод на терминальном модуле гаснет, зеленый - загорается. Показания стрелочного прибора не должны в этом случае превышать 25%.

7.2.4 Если показания стрелочного прибора при работающей и погашенной горелке не соответствуют указанным выше, необходимо повторить операции по п. 7.2.2., добиваясь показаний стрелочного прибора в пределах 85 - 95%, повторить операции по п. 7.2.3. Невозможность настройки прибора свидетельствует об неоптимальной установке датчика на горелке.

7.3 ДАТЧИК КОНТРОЛЯ ПЛАМЕНИ ГОРЕЛОК СГ-01/4

Настройка датчика на работающем котле производится следующим образом:

а) гасится горелка и резистором "Нечувствительность" добиваются отсутствия срабатывания датчика";

б) включается горелка и резистором "Нечувствительность" добиваются срабатывания датчика;

в) операции по пп. а, б повторяют 2 - 3 раза и находят оптимальное положение ручки "Нечувствительность".

Опыт эксплуатации свидетельствует, что сигнализатор удовлетворительно может обеспечить селективный контроль факела горелок на котлах с односторонним расположением горелок. Кроме того сигнализатор обладает хорошей температурной стойкостью - он может работать при температуре окружающего воздуха 65 - 70°С.

7.4 СИГНАЛИЗАТОР "ФАКЕЛ-2"

7.4.1 Правильность функционирования аппаратуры, контролирующей состояние факела, следует определять по следующим признакам:

- при наличии факела в топке котла не горит сигнальная лампа "Реле";

- стрелка "ИП" установилась в диапазоне шкалы, соответствующем выбранному режиму проверки, и пульсирует с амплитудой максимальных показаний.

7.4.2 При возникновении нежелательных отклонений в функционировании аппаратуры "Факел-2" необходимо произвести первичную дефектацию аппаратуры и принять меры к восстановлению ее работоспособности:

- проверить наличие напряжений источников электропитания аппаратуры;

- очистить оптическую часть фотодатчиков и амбразур от загрязнений и посторонних предметов;

- проверить целостность линий связи ФД с сигнализаторами, заменить при необходимости индикаторную лампу, ФД или вторичный прибор (сигнализатор).

Необходимость и порядок вывода из работы технологической защиты, в цепях которой участвует аппаратура контроля факела, определяется ПТЭ и действующими на ТЭС инструкциями по эксплуатации.

7.4.3 Произвести тестовую проверку сигнализатора "Факел-2" в рекомендуемой последовательности (см. раздел 5.5).

7.5 СИГНАЛИЗАТОР "ФАКЕЛ-ЗМ"

7.5.1 Правильность функционирования аппаратуры проверить по разделу 5.6 с использованием индикации "Факел" вместо индикации "Реле", т.е. при наличии факела в топке котла отсутствует индикация "Факел".

Проверка функционирования может производиться без отключения аппаратуры от схемы защит котла.

7.5.2 Произвести тестовую проверку аппаратуры "Факел-ЗМ" в следующей последовательности:

- нажать кнопку SB1.2 "Контр." на сигнализаторе, при этом показание стрелочного "ИП" (Р1) должно уменьшиться до нуля, и после некоторой задержки, определяемой установкой резистора R1 "Задержка", должна загореться лампа индикации "Факел";

- не отпуская кнопку "Контр.", нажать кнопку SB1.1 "ФД1" и убедиться в отсутствии индикации "Факел";

- отпустить кнопку "ФД1" при нажатой кнопке "Контр.", после появления индикации "Факел" нажать кнопку SB 1.3 "ФД2" и убедиться в отсутствии индикации "Факел", после чего отпустить кнопки "ФД2" и "Контр.".

7.5.3 Если при проверке функционирования аппаратуры выявлены отклонения от нормальной работы, она должна быть отправлена в ремонт.

7.6 АППАРАТУРА "ВИБРОБИТ-100"

Выходной сигнал датчиков и преобразователя осевого смещения и относительного расширения ротора составляет 1-5 мА.

Началу диапазона измерения соответствует выходной сигнал 1 мА, концу диапазона - 5 мА.

В начальном положении датчика ротор турбины должен быть прижат к рабочим колодкам упорного подшипника турбины. Этому положению датчика должна соответствовать нулевая отметка шкалы показывающего прибора платы контроля ПК-10.

Подать напряжение на датчик (преобразователь) и с помощью механизма установки и часового индикатора, изменяя положение датчика относительно контрольной поверхности, проверить диапазон и погрешность измерения. При необходимости осуществить корректировку чувствительностей датчика или преобразователя. После проверки датчик устанавливается в начальное положение.

При установке датчика вибрации вала ротора на подшипнике необходимо с помощью металлической планки имитировать под ним нулевой зазор (поверхность вала ротора касается баббита вдоль оси). Длина планки 300 - 400 мм (см. рисунок 27).

Датчик ввинчивается в подшипник до положения, когда ток на выходе преобразователя достигает значения 1 мА, что соответствует значению зазора на плате контроля 0 мм. В таком положении датчик закрепляется.

Установка зазора между датчиком частоты вращения и валом (см. рисунок 26в) производится в режиме валоповорота следующим образом:

- датчик приближается к валу до момента включения светодиода;

- от положения включения светодиода датчик приближается к валу еще на 0,8 - 1,2 мм и закрепляется.

Все датчики после их установки в начальное положение должны быть закреплены. Кабель датчиков должен быть механически защищен и закреплен как внутри, так и вне оборудования.

8 ТЕХНИЧЕСКАЯ ДОКУМЕНТАЦИЯ

Законченные строительно-монтажные и наладочные работы в части технических средств защит и СУ ТП предъявляются к приемке СПК совместно с технической (отчетной) документацией, оформленной в процессе производства работ.

В состав1 технической (отчетной) документации входят:

- паспорт средств измерений системы защит;

- протоколы испытаний (проверок) измерительных систем механического состояния турбины;

- журнал (карта, протокол) уставок;

- акт проверки КТС СУ ТП.

Содержание и форма технической (отчетной) документации устанавливается специализированными подрядными организациями в соответствии с документами на производство монтажных и наладочных работ.

Вся документация предъявляется в одном экземпляре.

По окончании работы СПК техническая (отчетная) и скорректированная проектная документация должна быть передана в технический архив тепловой электрической станции для хранения вместе с документами, составленными СПК.

1 Обоснование состава технической документации - СНиП 3.05.07-85 и эксплуатационная документация предприятий-изготовителей.

9 ПРИЕМОСДАТОЧНЫЕ ИСПЫТАНИЯ ТЗ И ПРОГРАММЫ ИСПЫТАНИЙ

Защиты после окончания наладки сначала принимаются в опытную эксплуатацию, а затем вводятся в промышленную эксплуатацию2 .

Предъявление защит к приемке в опытную эксплуатацию производится при выполнении следующих условий:

- приняты в опытную эксплуатацию системы, обеспечивающие контроль ТОУ при работе ТЗ (ИС, СОИ, ТС, КЗ и Б и др.);

- приняты в опытную эксплуатацию системы, имеющие связь с ТЗ (СУП, ТБ, АСР, ПВС и др.);

- выполнена наладка защит;

- оформлена техническая документация;

- скорректированы полные принципиальные и структурные схемы ТЗ;

- заполнены протоколы испытаний (поверок) измерительных систем механического состояния турбин, питательных насосов и специальных датчиков защит;

- составлена карта (журнал, протокол) уставок защит;

- утверждены акты проверки КТС СУ ТП;

- утверждена программа испытаний защит и обеспечена всеми взаимодействующими организациями по связи с другими системами, начиная от измерительных каналов до исполнительных органов и устройств отображения информации.

Защиты предъявляются к приемке и проверяются в следующем порядке:

- локальные защиты (защиты вспомогательного оборудования - ТДМ, ПСБУ, ПВД, ТПН и др.);

- защиты основного оборудования;

- защиты, действующие на останов блока;

- защиты, действующие на снижение нагрузки.

Программа испытаний ТЗ (приложение В) составляется в соответствии с [27].

Программа разрабатывается подразделением, проводящим испытания, и согласовывается с цехом (подразделениями), обслуживающим технологическое оборудование, к которому относятся опробуемые ТЗ.

Программа утверждается главным инженером электростанции и должна содержать:

- сведения о показаниях работоспособности защит;

- сведения об исходном состоянии технологического оборудования, запорной и регулирующей арматуры, коммутационной аппаратуры;,

- специальные меры безопасности, принимаемые в случае, если не все технологические параметры имеют нулевое значение или часть технологического оборудования находится в работе;

- перечень должностных лиц, ответственных за техническую и оперативную части испытаний;

- перечень подразделений, согласовывающих программу;

- перечень опробуемых ТЗ и последовательность опробования с указанием способа опробования, количества повторений опытов и перечня контролируемых событий после проведения каждого опыта;

- время начала и окончания опробования;

- указание о состоянии технологического оборудования, арматуры и аппаратуры после испытания.

Программа должна предусматривать вероятность проведения опробования при различных состояниях тепловой схемы, например, при наличии или отсутствии давления масла на смазку турбины, вакуума в конденсаторе турбины, уровня в барабане котла и т.д. Проверку работоспособности систем ТЗ следует предусматривать в реальных условиях в период опытной эксплуатации системы, при первом плановом останове технологического агрегата.

В соответствии с алгоритмом работы защиты проверяются все сочетания измерительной и логической части схемы.

Результаты проверки системы ТЗ считаются положительными, если:

- при проверке каждого алгоритма функционирования не произошло ни одного отказа в системе;

- подтверждены показатели работоспособности системы, указанные в программе испытаний.

При получении отрицательных результатов приемочных испытаний система подвергается повторным испытаниям после устранения соответствующих причин (дефекта, неисправности или отказа).

Продолжительность опытной эксплуатации защит определяется по срокам, необходимым для проверки алгоритма функционирования всех защит в условиях плановых остановов оборудования или реального перевода энергоблока на снижение нагрузки.

Имитация изменения параметра, вызывающего срабатывание ТЗ, осуществляется:

- общим изменением контролируемого параметра среды или в месте отбора;

- изменением токового сигнала на входе АДП или УСО, "симулированием", которое заключается в выставлении значения дискретной величины, соответствующего заданному состоянию указанного датчика или ИУ, или значения тока, соответствующего заданному значению указанного параметра, если программное обеспечение ПТК позволяет выполнять такую операцию замыканием контакта датчика.

2 Работоспособность защит после окончания наладки должна проверяться на работающем, остановленном и останавливаемом оборудовании, при понижении напряжения и в режимах АВР электропитания, а также совместно с диагностическими программами.

Приложение А (справочное)

КРАТКАЯ ХАРАКТЕРИСТИКА МОДИФИКАЦИЙ БЛОКОВ УКТЗ

Блоки (рисунки А.1-. А 11) выполняют следующие функции:

БЗ-1М (блок защиты) - формирование команд от одного датчика защиты и размножение его контактов, фиксация срабатывания датчика, световая сигнализация срабатывания блока;

БЗ-2М (блок защиты) - формирование команд от двух датчиков по схеме "два из двух" и размножение контактов обоих датчиков, фиксация срабатывания датчиков, световая сигнализация срабатывания блока. В функции блока входит формирование сигналов о срабатывании одного и несрабатывании другого канала;

БЗ-ЗМ (блок защиты) - формирование команд от трех датчиков по схеме "два из трех" и размножение контактов всех датчиков, фиксация срабатывания датчиков, световая сигнализация срабатывания блока;

БРУ (блок размножения) - размножение контактов датчиков, переключателей и т.д.;

БВ-1М÷БВ-ЗМ (блоки времени) - формирование команд с выдержкой времени. Диапазоны выдержки времени по исполнениям: БВ-1М - от 0 с до 10 с; БВ-2М -от 10 с до 100 с; БВ-ЗМ - от 100 с до 1000 с;

ББФ (блок блинкеров и фиксации) - фиксация на двухпозиционных реле различных событий и ситуаций от контактных датчиков на напряжение 220 и 24 В постоянного тока. Схема блока должна предусматривать возврат ее в исходное положение;

БИ-М (блок импульсов) - формирование импульсных команд или команд с выдержкой на отпадание или срабатывание. Длительность импульса находится в пределах 1-3,5 с;

БС (блок сигнализации) - формирование выдержки времени для включения группового табло сигнализации о неисправности одного из двух каналов защиты. Выдержка времени регулируется в диапазоне от 2 с до 10 с с повторным действием;

БО-1, БО-2 (блоки опробования) - проверка исправности блоков ТЗ на работающем и остановленном оборудовании и проверка исправности цепей в пределах шкафа;

БВЗ (блок ввода защит) - автоматический ввод защит при достижении заданных параметров либо выполнении определенных условий;

БКП (блок контроля питания) - обеспечение контроля отклонения выходного напряжения на ±10% Uном на выходе основного и резервного источников питания;

ВИП1-2410 (вторичный источник питания) - обеспечение питания стабилизированным напряжением 24 В аппаратуры, установленной в шкафу УКТЗ.

Рисунок А.1 - Электрическая схема внутренних и внешних соединений блока БЗ-1М

Рисунок А.2 - Электрическая схема внутренних и внешних соединений блока БЗ-2М


а - блок БЗ-ЗМ1;

б - блок БЗ-ЗМ2

Рисунок А.З - Электрическая схема блока защит


Рисунок А.4 - Схема внутренних и внешних соединений блока БРУ

Рисунок А.5 - Схема внутренних и внешних соединений блока БВ

Рисунок А.6 - Схема внутренних и внешних соединений блока ББФ

Рисунок А.7 - Схема внутренних и внешних соединений блока БИ-М

Рисунок А.8 - Схема внутренних и внешних соединений блока БС

Рисунок А.9 - Схема внутренних и внешних соединений аппаратуры проверки сигнализации блока БО-1 и табло ТСС-М

Рисунок А. 10 - Схема внутренних и внешних соединений блока БО-1

Рисунок А.11 - Схема внутренних и внешних соединений блока БВЗ

Приложение Б(справочное)

ПОРЯДОК ПОДАЧИ НАПРЯЖЕНИЯ ПИТАНИЯ НА УКТЗ

Перед подачей напряжения в схемы ТЗ, выполненных на УКТЗ, необходимо убедиться (рисунок Б.1)с помощью индикатора или вольтметра в наличии напряжения на двух вводах питания 380 В от независимых источников и на двух вводах питания 220 В от щита постоянного тока.

1. Подача напряжения 220 В постоянного тока в схему ТЗ

Включить переключатель в шкафу питания S1 (здесь и далее обозначение по заводской схеме), при этом на блоке сигнализации питания БСП должен загореться светодиод Н1, сигнализирующий о наличии питания на первом вводе, и светодиод НЗ, сигнализирующий о том, что питание подано во все шкафы защит.

Включить переключатель в шкафу питания S2, при этом на блоке БСП должен загореться светодиод Н2, сигнализирующий о наличии питания на втором вводе.

Отключить переключатель Sin убедиться, что сработал АВР питания и светодиод НЗ погас. В случае погасания светодиода НЗ необходимо проверить исправность БСП и в случае необходимости заменить.

Включить переключатель S1 и отключить переключатель S2, при этом снова должен сработать АВР.

Операции с переключателями S1 и S2 должны сопровождаться светозвуковым сигналом "Неисправность питания", а в случае несрабатывания АВР (не горит светодиод НЗ) дополнительно еще должен появиться сигнал "Нет питания = 220 В".

Проверив работу АВР, переключатели S1 и S2 оставить включенными постоянно. Таким образом, питание 220 В постоянного тока есть на вводе каждого шкафа защиты и в схему ТЗ питание поступает тогда, когда будет включен соответствующий выключатель автоматического типа АП50, установленный в том же шкафу защиты.

2. Подача рабочего напряжения 220 В переменного тока в схему ТЗ

Напряжение переменного тока 380/220 В вводится в шкаф питания от двух независимых вводов и через устройство АВР подводится на автоматические выключатели F1-F11 типа АП 50.

Проверку АВР проводить, отключая поочередно напряжение на вводах в шкаф питания.

О правильной работе АВР будет свидетельствовать наличие напряжения на вводах выключателей F1-F11. В случае неправильной работы АВР необходимо проверить блок ВСП, устранить неисправность или заменить его.

Когда работа АВР успешная и индикаторы показывают наличие напряжения на вводах выключателей F1-F11, считают, что рабочее напряжение 220 В переменного тока подано в шкафы ТЗ.

3. Подача аварийного напряжения 220 В переменного тока в шкафы ТЗ

Аварийное питание 220 В переменного тока получают с помощью аварийного источника питания, инвертирующего напряжение 220 В постоянного тока в 220 В переменного тока.

Для того, чтобы подать аварийное питание, необходимо включить в шкафу питания хотя бы один переключатель S1 или S2 на вводах 220 В постоянного тока.

На аварийный источник (инвертор) постоянный ток подается включением переключателя S3. При включении переключателя S3 исправный аварийный источник питания инвертирует постоянный ток в переменный и на вводах автоматических выключателей F12 - F23 появляется напряжение 220 В переменного тока. Наличие и значение напряжения необходимо определить вольтметром.

4. Подача напряжения 24 В постоянного тока в схему ТЗ

Для обеспечения питания цепей защит напряжением 24 В в каждом шкафу защит устанавливаются два блока (вторичных источников питания) типа ВИП1-2410, один из которых является рабочим, а другой резервным.

В шкафу питания следует включить один из необходимых автоматических выключателей F1-F11. Таким образом подается рабочее напряжение 220 В переменного тока на блок питания, на выходе которого появляется напряжение 24 В постоянного тока, о чем сигнализирует загорающийся светодиод на лицевой части блока.

Рисунок Б.1 - Электрическая схема шкафа питания УКТЗ

Резервный блок питания включается соответствующим выключателем F12-F23 в шкафу питания, на выходе которого также появляется напряжение 24 В постоянного тока.

Плюс 24 В с выхода каждого блока образует шинку + 24 В,

Минус обоих блоков заводится на БКП, который контролирует отклонение выходного напряжения ±10% от Uном на выходе основного и резервного ВИП, сигнализирует о наличии напряжения на основном и дополнительном выходах, образует шинку - 24 В, контролирует понижение сопротивления изоляции в цепях 24 В.

Приложение В (рекомендуемое)

РЕКОМЕНДУЕМЫЕ ФОРМЫ ПРОГРАММ ИСПЫТАНИЙ ТЕХНОЛОГИЧЕСКИХ ЗАЩИТ

УТВЕРЖДАЮ:

Главный инженер

ПРОГРАММА ИСПЫТАНИЙ ТЕХНОЛОГИЧЕСКИХ ЗАЩИТ, БЛОКИРОВОК И СИГНАЛИЗАЦИИ ЭНЕРГОБЛОКА ПЕРЕД ЕГО ПУСКОМ

Цель проведения испытаний: проверить правильность работы технологических защит, блокировок и сигнализации и точность выставленных уставок, взаимодействие схем ТЗ с исполнительными органами и механизмами совместно со схемами аварийной и технологической сигнализации.

 

1. Подготовительные работы

1.1. Собрать в испытательное положение схемы управления механизмов и двигателей, задействованных в схемах защит (перечислить в соответствии со структурной схемой).

1.2. Собрать схемы задвижек и регулирующих органов в соответствии со структурной схемой.

1.3. Собрать схемы технологической и аварийной сигнализации.

Примечания

1 Программа испытаний уточняется для конкретных условий работы блока и выполненной схемы защит.

2 Опробование технологических защит, снижающих нагрузку блока, переводящих блок на растопочный режим (холостой ход) и котлы на растопочную нагрузку, производится по отдельной программе.

2. Состояние аппаратуры, накладок, ключей в схемах ТЗ перед началом опробования

2.1. На приборах, участвующих в схемах ТЗ, при снятом напряжении стрелки выведены в положение, соответствующее нормальным эксплуатационным параметрам.

2.2. Накладки и ключи защит установлены в положение "Отключено". Защиты, стрелки приборов которых нельзя установить в эксплуатационное положение (защиты при падении давления мазута, газа, вакуума, масла и т.д.), переведены в нейтральное положение соответствующими переключениями.

2.3. Проверены схемы электропитания ТЗ и С.

2.4. Проверена работа автоматической системы опробования ТЗ и С (для защит выполненных на аппаратуре УКТЗ).

2.5. Подано напряжение в схему:

- ТЗ (перечислить коммутационную аппаратуру для переменного и постоянного тока отдельно);

- импульсно-предохранительных клапанов;

- технологической и аварийной сигнализации (перечислить коммутационную аппаратуру).

 

3. Опробование технологических защит, действующих на отключение блока, котла, турбины и генератора

3.1. При проверке защит необходимо иметь в виду следующее:

- действие схем защит на отключение оборудования и закрытие арматуры достаточно проверить не более двух-трех раз;

- после каждого срабатывания защит необходимо ликвидировать залипание контактов выходных реле.

3.2. В каждом конкретном случае указывается способ имитации условий срабатывания защиты.

Момент действия защиты определяется по появлению светозвуковой сигнализации и срабатыванию выходных реле.

Выполнение операции контролируется по структурным схемам защит.

3.3. При опробовании защит ПВД на неработающем оборудовании повышение уровня в корпусе подогревателя имитируется открытием уравнительного вентиля при закрытом "плюсовом" или "минусовом" вентиле датчика защиты.

При опробовании защиты первого предела на действующем оборудовании повышение уровня в корпусе подогревателя достигается путем прикрытия регулирующего клапана на линии слива конденсата греющего пара.

При опробовании защиты второго предела на действующем оборудовании повышение уровня до уставки срабатывания имитируется открытием уравнительного вентиля при закрытом "минусовом" вентиле датчика защиты, при этом предварительно продувается "минусовая" импульсная линия датчика; срабатывание защиты второго предела проверяется на сигнал.

Проверку действия систем защит ПВД производить путем замыкания контактов выходного реле или вторичного прибора защиты первого предела и фиксации момента посадки впускного клапана защиты, при этом время срабатывания защиты, проверенное таким способом, не должно превышать 5 с.

Ответственные за проведение испытания:

от КТЦ

 

от ЦТАИ

 

от ОАО "Фирма ОРГРЭС"

 

Программу составил

 

Согласовано:

 

начальник ЦТАИ

 

начальник КТЦ

 

руководитель комплексной бригады ОАО "Фирма ОРГРЭС"

 

ПРОГРАММА ИСПЫТАНИЯ ЗАЩИТ ПРИ ОСЕВОМ СМЕЩЕНИИ РОТОРА, ПОНИЖЕНИИ ВАКУУМА И ДАВЛЕНИЯ МАСЛА В СИСТЕМЕ СМАЗКИ ТУРБИНЫ

1. Проверка защиты при осевом смещении ротора на остановленной и работающей турбине

1.1. Взвести стопорные клапаны ЦВД и ЦСД турбины.

1.2. Перевести контактную накладку (переключатель) защиты при осевом смещении ротора в положение "Отключено".

1.3. Подать напряжение в схему защит, соблюдая при этом требования правил техники безопасности.

1.4. Ослабить фиксирующий винт на лимбе прибора осевого смещения.

1.5. Путем медленного поворота лимба создать фиктивное осевое смещение на значение уставки срабатывания защиты.

Срабатывание защиты контролируется по появлению светозвукового сигнала на БЩУ и посадке клапанов турбины.

1.6. При срабатывании защиты зафиксировать:

- уставку срабатывания по лимбу;

- показания вторичного прибора на БЩУ;

- выпадание флажка указательного реле (загорание светодиода на соответствующем блоке защиты);

- посадку стопорных клапанов ЦВД и ЦСД;

- принудительную посадку обратных клапанов (при работе конденсатных насосов).

1.7. Ключом защит ликвидировать замыкание контактов выходных реле, для чего повернуть ключ в положение "Отключено" и затем возвратить его в положение "Защита".

1.8. Повторить опробование защиты при повороте лимба в другую сторону.

1.9. По окончании проверки защиты зафиксировать лимб в нулевом положении и восстановить исходное положение схемы.

Примечание - На работающей турбине защита при осевом смещении ротора проверяется аналогичным образом после перевода накладки в положение "Сигнал". Срабатывание защиты в этом случае контролируется по появлению светозвукового сигнала и соответствующей индикации на панели защит.

2. Проверка защиты и блокировок при понижении давления масла в системе смазки турбины

2.1. Включить масляный насос и создать нормальное давление масла в системе смазки.

2.2. Взвести стопорные клапаны ЦВД и ЦНД.

2.3. Перевести контактную накладку (переключатель) защиты в положение "Отключено".

2.4. Перевести ключ блокировки масляных насосов (в тех электрических схемах, где он есть) в положение "Сблокировать".

2.5. Подключить контрольный манометр и перекрыть первичный вентиль.

2.6. Медленно открывать вентиль на линии слива масла из реле давления, постепенно понижая давление масла.

2.7. Проверить действие АВР масляных насосов смазки подшипников турбины в соответствии с проектной схемой.

2.8. Понизить давление масла до уставки срабатывания защиты и проверить ее действие.

2.9. При срабатывании защиты зафиксировать:

- уставку срабатывания защиты;

- появление аварийного сигнала;

- выпадание флажка сигнального реле (загорание светодиодов на соответствующем блоке защиты);

- посадку стопорных клапанов;

- невозможность включения валоповоротного устройства.

В случае удовлетворительных результатов подготовить защиту к включению, для чего:

- закрыть сливной вентиль от реле давления масла и опломбировать его;

- отключить аварийный и резервный масляные насосы и поставить их в положение "Сблокировано".

Восстановить исходное положение схемы.

 

3. Проверка защиты при понижении вакуума

3.1. Включить датчик (вакуум-реле) в работу.

3.2. При значении вакуума больше уставки срабатывания защиты ключ поставить в положение "Защита".

3.3. Взвести стопорные клапаны ЦВД и ЦСД.

3.4. Снизить вакуум на датчике защиты при закрытом первичном вентиле медленным открытием вентиля, соединяющего датчик с атмосферой.

Вакуум контролируется образцовым прибором, подключенным параллельно датчику.

3.5. При срабатывании защиты зафиксировать:

- уставку срабатывания;

- появление светозвукового сигнала на БЩУ;

- выпадание флажка сигнального реле (загорание светодиодов на соответствующем блоке защиты);

- закрытие стопорных клапанов.

3.6. При нормальном вакууме ключом защит ликвидировать замыкание контактов выходным реле и восстановить исходное положение схемы.

Ответственные за проведение испытаний:

от КТЦ

 

от ЦТАИ

 

Программу составил

 

Согласовано:

 

начальник ЦТАИ

 

начальник КТЦ

 

руководитель комплексной бригады ОАО "Фирма ОРГРЭС"

 

Список использованной литературы

1. Положение по организации питания оперативным током АСУ ТП энергоблоков мощностью 500 и 800 МВт ТЭС. - М: СПО Союзтехэнерго, 1986.

2. Противоаварийный циркуляр № Ц-03-83(Т), О повышении надежности электропитания комплектных технологических защит (УКТЗ) и устройств логического управления (УЛУ 1) энергоблоков мощностью 250, 300, 500 и 800 МВт ТЭС. - М.: СПО Союзтехэнерго, 1983.

3. Объем и технические условия на выполнение технологических защит теплоэнергетического оборудования моноблоков с прямоточными котлами: РД 34.35.133-95. - М.: СПО ОРГРЭС, 1997.

4. Объем и технические условия на выполнение технологических защит теплоэнергетического оборудования электростанций с поперечными связями и водогрейных котлов: РД 34.35.131-95. - М.: СПО ОРГРЭС, 1997.

5. Рекомендации по применению аппаратуры "Факел-2" для контроля за факелом в топке газомазутных котлов. - М.: СПО Союзтехэнерго, 1986.

6. Сборник руководящих документов Главтехуправления Минэнерго СССР. Электротехническая часть. - М.: СПО ОРГРЭС, 1992.

7. Типовая инструкция по организации и проведению входного контроля энергетического оборудования и средств управления на энергопредприятиях Минэнерго СССР: ТИ 34-70-064-87. - М.: СПО Союзтехэнерго, 1987.

8. Рекомендации по осуществлению схемы управления быстрозапорными отсекающими газовыми и мазутными клапанами котлов. - М.: СПО Союзтехэнерго, 1988.

9. Технические требования к подсистеме технологических защит, выполненных на базе микропроцессорной техники: РД 153-34.1-35.137-00. - М.: СПО ОРГРЭС, 2000.

10. Типовая инструкция по эксплуатации средств ТАИ тепловых электростанций: ТИ 34-70-027-84. - М.: СПО Союзтехэнерго, 1984.

11. Устройства комплектные технологических защит модернизированные УКТЗ-М. - М.: Информэлектро, 1979.

12. Общее руководство по капитальному ремонту средств тепловой автоматики и измерений: КО 34-38-003-87. - М.: ВПО "Союзэнергоремонт", 1987.

13. Правила приемки в эксплуатацию из монтажа и наладки систем управления технологическими процессами тепловых электростанций: РД 34.35.412-88. - М.: СПО Союзтехэнерго, 1988.

14. Методические указания по наладке АСР, реализованных на базе аппаратуры ГСП "Каскад" и АКЭСР: МУ 34-70-087-83. - М.: СПО Союзтехэнерго, 1986.

15. Эксплуатационный циркуляр № Т-5/69. Наладка и обслуживание системы обратных клапанов регенеративных отборов паровых турбин. - М.: СЦНТИ ОРГРЭС, 1970.

16. Нормативный материал по эксплуатации технологических защит теплоэнергетического оборудования тепловых электростанций на базе аппаратуры УКТЗ.- М.: СПО Союзтехэнерго, 1981.

17. Нормы технического обслуживания технологических защит теплоэнергетического оборудования на тепловых электростанциях. - М.: СПО ОРГРЭС, 1977.

18. Методические указания по техническому обслуживанию комплектных устройств технологических защит. - М.: СПО Союзтехэнерго, 1981.

19. Инструкция о порядке приемки установок теплотехнического контроля из монтажа и наладки. - М.: СЦНТИ ОРГРЭС, 1974.

20. Устройства комплектные технологических защит модернизированные. ТУ 16-536, 544-77.

21. Рекомендации по переводу энергоблоков на нагрузку собственных нужд при воздействии противоаварийной автоматики. - М.: СПО Союзтехэнерго, 1982.

22. Руководящие указания по противоаварийной автоматике энергосистем (основные положения). - М.: СПО Союзтехэнерго, 1987.

23. Сборник распорядительных документов по эксплуатации энергосистем. Теплотехническая часть. - М.: ЗАО "Энергосервис", 1998.

24. МУСАЭЛЯН Э.С. Наладка и испытание электрооборудования электростанций и подстанций. - М.: Энергоатомиздат, 1986.

25. Аппаратура "Вибробит-100". Техническое описание. Редакция 5. 9.100 ТО. - Ростов-на-Дону, 1998.

26. Методические указания по наладке технологических защит теплоэнергетического оборудования ТЭС: РД 34.35.503-90. - М.: СПО ОРГРЭС, 1991.

27. Положение о порядке разработки, согласования и утверждения программ испытаний на тепловых, гидравлических и атомных электростанциях, в энергосистемах, тепловых и электрических сетях. - М.: СПО Союзтехэнерго, 1986.


 

 




ГОСТЫ, СТРОИТЕЛЬНЫЕ и ТЕХНИЧЕСКИЕ НОРМАТИВЫ.
Некоммерческая онлайн система, содержащая все Российские Госты, национальные Стандарты и нормативы.
В Системе содержится более 150000 файлов нормативно-технической документации, действующей на территории РФ.
Система предназначена для широкого круга инженерно-технических специалистов.

Рейтинг@Mail.ru Яндекс цитирования

Copyright © www.gostrf.com, 2008 - 2026