Крупнейшая бесплатная информационно-справочная система онлайн доступа к полному собранию технических нормативно-правовых актов РФ. Огромная база технических нормативов (более 150 тысяч документов) и полное собрание национальных стандартов, аутентичное официальной базе Госстандарта. GOSTRF.com - это более 1 Терабайта бесплатной технической информации для всех пользователей интернета. Все электронные копии представленных здесь документов могут распространяться без каких-либо ограничений. Поощряется распространение информации с этого сайта на любых других ресурсах. Каждый человек имеет право на неограниченный доступ к этим документам! Каждый человек имеет право на знание требований, изложенных в данных нормативно-правовых актах!

  


 

ГОСУДАРСТВЕННЫЙ СТАНДАРТ СОЮЗА ССР

ПРЕССЫ ВИНТОВЫЕ

ПАРАМЕТРЫ И РАЗМЕРЫ. НОРМЫ ТОЧНОСТИ

ГОСТ 713-88

(СТ СЭВ 4488-84)

ГОСУДАРСТВЕННЫЙ КОМИТЕТ СССР ПО СТАНДАРТАМ

Москва

ГОСУДАРСТВЕННЫЙ СТАНДАРТ СОЮЗА ССР

ПРЕССЫ ВИНТОВЫЕ

Параметры и размеры. Нормы точности

Screw presses.

Parameters and dimensions. Norms of accuracy

ГОСТ
713-88

(CT СЭВ 4488-84)

Срок действия с 01.07.89

до 01.07.94

Несоблюдение стандарта преследуется по закону

Настоящий стандарт распространяется на винтовые прессы общего назначения, предназначенные для выполнения различных операций горячей и холодной штамповки металлов, изготовляемых для нужд народного хозяйства и экспорта.

Стандарт не распространяется на винтовые прессы с муфтовым приводом.

1. ПАРАМЕТРЫ И РАЗМЕРЫ

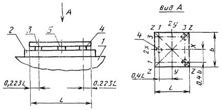
1.1. Параметры и размеры прессов должны соответствовать указанным на черт. 1 и в табл. 1.

Черт. 1

Примечание. Чертеж не определяет конструкцию.

Таблица 1

Наименование параметра и размера

Норма

Номинальное усилие, МН (тс)

0,4 (40)

0,63 (63)

1,0 (100)

1,6 (160)

2,5 (250)

Допустимое усилие, МН (тс)

0,63 (63)

1,0 (100)

1,6 (160)

2,5 (250)

4,0 (400)

Эффективная номинальная энергия, кДж (кгс×м), не менее

0,8 (80)

1,25 (125)

1,6 (160)

2,5 (250)

3,15 (315)

5,0 (500)

6,3 (630)

10,0 (1000)

12,5 (1250)

20,0 (2000)

Наибольший ход ползуна S, мм, не менее

200

230

260

320

400

Частота ходов ползуна при наибольшем ходе, мин-1, не менее

42

36

40

35

38

34

36

32

34

28

Расстояние между направляющими в свету В, мм, не менее

360

400

450

500

560

Размер ползуна L, мм, не менее

350

390

440

500

560

Размер стола, мм, не менее:

 

 

 

 

 

L1

450

500

560

650

750

B1

400

450

500

580

670

Высота штампа Н, мм, не менее

190

210

250

320

420

Нижний выталкиватель:

 

 

 

 

 

усилие, МН (тс), не менее

0,04 (4)

0,06 (6)

0,08 (8)

0,12 (12)

0,16 (16)

наибольший ход, мм

85

90

95

100

105

Удельная масса Км, т/МН, не более

1,8

1,5

1,6

1,5

1,35

1,15

1,35

1,15

1,2

1,1

Удельный расход энергии Кэ, кВт×мин/кДж, не более

0,115

0,125

0,095

0,100

0,085

0,100

0,085

0,100

0,085

0,100

Комплексный показатель производительности Кп, кДж/мин, не менее

3,3

4,9

5,9

9,0

10,2

15,1

17,3

25,8

28,1

42,7

Продолжение табл. 1

Наименование параметра и размера

Норма

Номинальное усилие, МН (тс)

4,0 (400)

6,3 (630)

10,0 (1000)

16,0 (1600)

Допустимое усилие, МН (тс)

6,3 (630)

10,0 (1000)

16,0 (1600)

25,0 (2500)

Эффективная номинальная энергия, кДж (кгс×м), не менее

25,0 (2500)

40,0 (4000)

50,0 (5000)

80,0 (8000)

100,0 (10000)

160,0 (1600)

200,0 (20000)

315,0 (31500)

Наибольший ход ползуна S, мм, не менее

460

520

580

640

Частота ходов ползуна при наибольшем ходе, мин-1, не менее

30

22

25

18

20

14

16

12

Расстояние между направляющими в свету В, мм, не менее

670

800

1000

1180

Размер ползуна L, мм, не менее

630

800

1000

1180

Размер стола, мм, не менее:

 

 

 

 

L1

875

1000

1180

1400

B1

775

900

1030

1220

Высота штампа Н, мм, не менее

450

500

560

660

Нижний выталкиватель:

 

 

 

 

усилие, МН (тс), не менее

0,20 (20)

0,25 (25)

0,32 (32)

0,45 (45)

наибольший ход, мм

115

125

135

150

Удельная масса Км, т/МН, не более

1,45

1,2

1,4

1,2

1,4

1,15

1,35

1,1

Удельный расход энергии Кэ, кВт×мин/кДж, не более

0,085

0,090

0,085

0,090

0,085

0,090

0,075

0,085

Комплексный показатель производительности Кп, кДж/мин, не менее

49,2

74,2

84,3

126

157

234

292

425

Примечания:

1. Номинальную эффективную энергию прессов рассчитывают по приведенной массе подвижных частей и их линейной скорости в конце хода ползуна.

2. Значения частоты ходов ползуна при наибольшем ходе приведены без учета работы нижнего выталкивателя.

3. Удельную массу (Км), т/МН, рассчитывают по формуле

,                                                          (1)

где M - масса пресса, т;

Pх - усилие холодного (жесткого) удара, МН;

K1 - коэффициент, характеризующий зависимость массы пресса от значения хода ползуна;

S - наибольший ход ползуна, м;

K2 - коэффициент, характеризующий зависимость массы пресса от значения минимальной высоты штампа;

Н - минимальная высота штампа, м;

K3 - коэффициент, характеризующий зависимость массы пресса от значения площади стола;

Fc - площадь стола, м2;

K4 - коэффициент, учитывающий механические свойства материала станины.

Для расчетов удельной массы следует пользоваться значениями коэффициентов К1, К2, K3, К4, указанными в табл. 2.

Таблица 2

Номинальное усилие, MH (тс)

Значение коэффициента

К1

К2

K3

К4

Сталь легированная

Стальное литье

Серый чугун

0,4 (40)

0,025

0,015

0,25

1,0

1,2

1,9

0,63 (63)

1,0 (100)

1,6 (160)

2,5 (250)

0,020

0,012

0,15

4,0 (400)

6,3 (630)

10,0 (1000)

0,015

0,010

0,10

16,0 (1600)

25,0 (2500)

40,0 (4000)

0,05

63,0 (6300)

100,0 (10000)

4. Удельный расход энергии э), кВт×мин/кДж, рассчитывают по формуле

,                                                                     (2)

где     N - средняя цикловая мощность электродвигателя привода пресса, кВт;

Т - эффективная номинальная энергия, кДж;

n - частота хода ползуна при наибольшем ходе, мин-1.

Комплексный показатель производительности (Кп), кДж/мин, рассчитывают по формуле

Кп = hdTnиkр,                                                               (3)

где           hд - КПД процесса деформирования;

           nи - частота используемых ходов ползуна, мин-1;

           kр - коэффициент роста производительности.

Данные для расчета комплексного показателя производительности приведены в приложении 1.

1.2. Параметры и размеры винтовых прессов усилием 25 ... 100 МН (2500 ... 10000 тс) приведены в приложении 2.

1.3. По требованию потребителя винтовые прессы допускается изготавливать с верхним выталкивателем и уменьшенной частотой ходов ползуна при наибольшем ходе.

1.4. По требованию потребителя винтовые прессы должны быть снабжены устройством для регулирования энергии удара, устройством для программирования числа последовательных ударов, автоматическим устройством для сдува окалины, устройством для смазки штампов, устройством для установки и снятия штампов, устройством автоматической загрузки заготовок и удаления поковок.

1.5. Система управления винтовых прессов должна обеспечивать возможность встраивания их в автоматические линии и роботизированные технологические комплексы.

2. НОРМЫ ТОЧНОСТИ

2.1. Общие требования при проведении проверок норм точности - по ГОСТ 15961-80.

Базовыми поверхностями для проверки точности пресса являются поверхности стола и ползуна.

2.2. Для выполнения проверок норм точности применяют средства измерения, приведенные в приложении 3.

2.3. В случае, если конструктивные особенности пресса не позволяют проводить измерения на длине, к которой отнесен допуск, то последний должен быть пересчитан на наибольшую возможную длину измерения по ГОСТ 24643-81.

2.4. Устанавливают следующие проверки и нормы точности прессов.

2.4.1. Плоскостность поверхности стола и нижней поверхности ползуна (черт. 2, табл. 3)

Черт. 2

Таблица 3

мм

Длина проверяемой поверхности

Допуск плоскостности, не более

До   400    включ.

0,04

Св.      400     »    630     »

0,06

»    630     »    1000   »

0,08

»    1000   »    1600   »

0,10

»    1600   »    2500   »

0,16

»     2500

0,20

Примечание. Выпуклость не допускается.

Метод проверки

На опорную поверхность стола 1 (черт. 2) устанавливают поверочную линейку 2 на плоскопараллельные концевые меры длины 3 или плоскопараллельные прокладки равной высоты в точках наименьшего прогиба. Щупом 4 проверяют в различных направлениях отклонение расстояний между поверхностью стола и нижней поверхностью линейки.

Проверку проводят в направлении Х-Х по линиям измерения 1, 2 и 3, в направлении Y-Y по линиям измерения 1, 2 и 3, а также в диагональных направлениях Z-Z.

Отклонение от плоскостности определяют как разность наибольшего и наименьшего значений толщины щупов, проходящих между поверхностью стола и нижней поверхностью линейки, и оно не должно превышать значений, указанных в табл. 3.

Аналогично контролируют плоскостность нижней поверхности ползуна.

Проверку плоскостности нижней поверхности ползуна проводят до установки его на пресс.

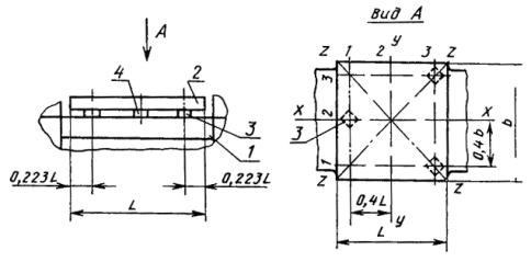
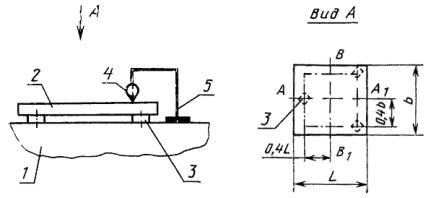
2.4.2. Параллельность нижней поверхности ползуна поверхности стола (черт. 3, табл. 4).

Черт. 3

Таблица 4

мм

Размер ползуна

Допуск параллельности, не более

До   400    включ.

0,10

Св.      400     »    630     »

0,16

»    630     »    800     »

0,25

»    800     »    1000   »

0,32

»    1000   »    1250   »

0,40

»    1250   »    1600   »

0,50

»   1600

0,60

Метод проверки

На опорную поверхность стола 1 (черт. 3) кладут поверочную линейку 2, на которую устанавливают на специальной стойке индикатор 3 так, чтобы его измерительный наконечник касался нижней поверхности ползуна 4.

Отклонение от параллельности проверяют при наибольшем и наименьшем расстояниях между столом и ползуном в двух взаимно перпендикулярных направлениях АА1 и ББ1.

Отклонение от параллельности определяют по разности показаний индикатора в крайних точках проверки, и оно не должно превышать значений, указанных в табл. 4.

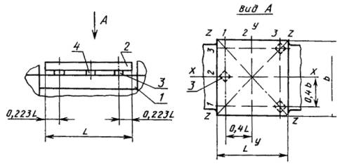
2.4.3. Перпендикулярность хода ползуна к поверхности стола (черт. 4, табл. 5)

Черт. 4

Таблица 5

мм

Наибольший ход ползуна

Допуск перпендикулярности, не более

До   315  включ.

0,08

Св.      315     »    400     »

0,10

»    400     »    500     »

0,16

»    500     »    630     »

0,25

»    630     »    800     »

0,32

»    800

0,40

Метод проверки

На опорную поверхность стола 1 (черт. 4) кладут поверочную линейку 2, на которую устанавливают угольник 5. Индикатор 3 крепят к ползуну 4 так, чтобы его измерительный наконечник касался измерительной поверхности угольника.

Отклонение от перпендикулярности проверяют в двух взаимно перпендикулярных направлениях АА1 и ББ1.

Отклонение от перпендикулярности определяют по разности наибольшего и наименьшего показаний индикатора на длине хода ползуна, и оно не должно превышать значений, указанных в табл. 5.

Для исключения погрешности от перпендикулярности измерительных поверхностей угольника следует снимать показания по двум измерениям с поворотом угольника на 180°. За результат измерения принимают среднее арифметическое двух измерений.

Примечание. Проверки 2.4.2 и 2.4.3 проводят при минимальных зазорах в направляющих, обеспечивающих движение ползуна, и при включенных устройствах, уравновешивающих массу ползуна.

2.4.4. Плоскостность верхней и нижней поверхностей подштамповой плиты (черт. 5, табл. 6)

Черт. 5

Таблица 6

мм

Длина проверяемой поверхности

Допуск плоскостности, не более

До   400    включ.

0,04

Св.      400     »    630     »

0,05

»    630     »    1000   »

0,06

»    1000   »    1600   »

0,08

»    1600   »    2500   »

0,10

Примечание. Выпуклость не допускается.

Метод проверки

На поверхность поверочной плиты 1 (черт. 5) устанавливают подштамповую плиту 2. На поверхность подштамповой плиты устанавливают поверочную линейку 3 на плоскопараллельные концевые меры длины 4 или плоскопараллельные прокладки равной высоты в точках наименьшего прогиба. Щупом 5 проверяют в различных направлениях отклонение расстояний между поверхностью подштамповой плиты и нижней поверхностью поверочной линейки.

Проверку проводят в направлении Х-Х по линиям измерения 1, 2 и 3, а также в направлениях Z-Z.

Отклонение от плоскостности определяют как разность наибольшего и наименьшего значений толщины щупов, проходящих между поверхностью подштамповой плиты и нижней поверхностью линейки, и оно не должно превышать значений, указанных в табл. 6.

Проверку плоскостности верхней и нижней поверхностей подштамповой плиты проводят до установки ее на пресс.

2.4.5. Параллельность верхней и нижней поверхностей подштамповой плиты (черт. 6, табл. 7)

Черт. 6

Таблица 7

мм

Длина проверяемой поверхности

Допуск параллельности, не более

До   400  включ.

0,04

Св.      400     »    630     »

0,05

»    630     »    1000   »

0,06

»    1000   »    1600   »

0,08

»    1600   »    2500   »

0,10

Метод проверки

На поверхность поверочной плиты 1 (черт. 6) устанавливают подштамповую плиту 2 на плоскопараллельные концевые меры длины 3 или плоскопараллельные прокладки равной высоты. Схема расположения концевых мер (прокладок) указана на черт. 6. Индикатор 4 крепят на стойке 5, установленной на поверочной плите так, чтобы его измерительный наконечник касался верхней поверхности плиты.

Отклонение от параллельности измеряют в двух взаимно перпендикулярных направлениях АА1 и ВВ1.

Отклонение от параллельности определяют как наибольшую разность показаний индикатора в крайних точках проверки, и оно не должно превышать значений, указанных в табл. 7.

Проверку параллельности верхней и нижней поверхностей подштамповой плиты проводят до установки ее на пресс.

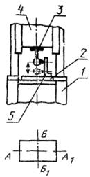
2.4.6. Перпендикулярность оси отверстия в ползуне под хвостовик штампа к нижней поверхности ползуна (черт. 7, табл. 8)

Черт. 7

Таблица 8

мм

Длина проверяемой поверхности

Допуск перпендикулярности, не более

До   100    включ.

0,05

Св.      100     »    160     »

0,06

»    160     »    250     »

0,08

»    250     »    400     »

0,10

Метод проверки

В отверстие ползуна для крепления штампа вставляют цилиндрическую оправку 1 (черт. 7). На нижнюю поверхность ползуна устанавливают угольник 2 так, чтобы его вертикальная измерительная поверхность касалась образующей оправки. Щупом 3 измеряют зазор между оправкой и измерительной поверхностью угольника.

Отклонение от перпендикулярности определяют величиной наибольшего зазора, полученного при измерениях по всей длине окружности оправки, и оно не должно превышать значений, указанных в табл. 8.

Проверку допускается проводить до установки ползуна на пресс.

ПРИЛОЖЕНИЕ 1

Обязательное

ДАННЫЕ ДЛЯ ОПРЕДЕЛЕНИЯ КОМПЛЕКСНОГО ПОКАЗАТЕЛЯ ПРОИЗВОДИТЕЛЬНОСТИ

1. КПД процесса деформирования - hд принимают в зависимости от выполняемой операции:

0,45 ... 0,5 - при чеканке-калибровке;

0,6 ... 0,7 - при объемной штамповке;

0,75 ... 0,85 - при осадке и высадке.

2. Коэффициент роста производительности - kр должен быть:

1,0 - при отсутствии средств механизации и автоматизации;

не менее 1,5 - при наличии средств механизации и автоматизации.

3. Частота используемых ходов ползуна пи в зависимости от номинального усилия и эффективной номинальной энергии должна соответствовать значениям, приведенным в табл. 9.

Таблица 9

Номинальное усилие, МН (тс)

0,4 (40)

0,63 (63)

1,0 (100)

1,6 (160)

2,5 (250)

Эффективная номинальная энергия, кДж, не менее

0,80

1,25

1,60

2,50

3,15

5,00

6,30

10,00

12,5

20,0

Частота используемых ходов ползуна пи, мин-1

3,70

3,50

3,30

3,20

2,90

2,70

2,45

2,30

2,00

1,90

Продолжение табл. 9

Номинальное усилие, MН (тс)

4,0 (400)

6,3 (630)

10,0 (1000)

16,0 (1600)

Эффективная номинальная энергия, кДж, не менее

25

40

50

80

100

160

200

315

Частота используемых ходов ползуна пи, мин-1

1,75

1,65

1,50

1,40

1,40

1,30

1,30

1,20

Продолжение табл. 9

Номинальное усилие, МН (тс)

25,0 (2500)

40,0 (4000)

63,0 (6300)

100,0 (10000)

Эффективная номинальная энергия, кДж, не менее

400

630

800

1250

1600

2500

3200

5000

Частота используемых ходов ползуна пи, мин-1

1,2

1,1

1,1

1,0

1,0

0,9

0,9

0,8

Примечания:

1. Значения частоты используемых ходов ползуна приведены без учета средств механизации и автоматизации.

2. Показатели производительности, приведенные в табл. 1, рассчитаны при kр = 1,5 и hд = 0,75.

ПРИЛОЖЕНИЕ 2

Рекомендуемое

ПАРАМЕТРЫ И РАЗМЕРЫ ВИНТОВЫХ ПРЕССОВ УСИЛИЕМ 25 ... 100 МН (2500 ... 10000 тс)

Таблица 10

Наименование параметра и размера

Норма

Номинальное усилие, МН (тс)

25 (2500)

40 (4000)

63 (6300)

100 (10000)

Допустимое усилие, МН (тс)

40 (4000)

63 (6300)

100 (10000)

160 (16000)

Эффективная номинальная энергия, кДж (тс×м), не менее

400 (40)

630 (63)

800 (80)

1250 (125)

1600 (160)

2500 (250)

3200 (320)

5000 (500)

Наибольший ход ползуна S, мм, не менее

710

800

900

1000

Частота ходов ползуна при наибольшем ходе, мин-1, не менее

15

10

12

8

10

7

8

5

Расстояние между направляющими в свету В, мм, не менее

1400

1600

1800

2000

Размер ползуна L, мм, не менее

1400

1600

1800

2000

Размеры стола, мм, не менее:

 

 

 

 

L1

1600

2000

2400

3000

B1

1400

1800

2000

2500

Высота штампа Н, мм, не менее

900

1200

1600

2000

Нижний выталкиватель:

 

 

 

 

усилие, МН (тc), не менее

0,55 (55)

0,7 (70)

0,85 (85)

1,0 (100)

наибольший ход, мм

165

190

210

230

Удельная масса Км, т/МН, не более

1,30

1,10

1,25

1,05

1,20

1,05

1,15

1,00

Удельный расход энергии Кэ, кВт×мин/кДж, не более

0,070

0,080

0,065

0,075

0,060

0,070

0,055

0,065

Комплексный показатель производительности Kп, кДж/мин, не менее

540

780

990

1400

1800

2530

3240

4500

ПРИЛОЖЕНИЕ 3

Рекомендуемое

ПЕРЕЧЕНЬ СРЕДСТВ ИЗМЕРЕНИЙ, ПРИМЕНЯЕМЫХ ПРИ ПРОВЕРКЕ НОРМ ТОЧНОСТИ ВИНТОВЫХ ПРЕССОВ

1. Линейки поверочные типов ШД, ШП класса точности 1 по ГОСТ 8026-75.

2. Плоскопараллельные концевые меры длины класса точности 3 по ГОСТ 9038-83 или 5-го разряда по ГОСТ 8.166-75.

3. Индикаторы многооборотные типа 1 МИГ по ГОСТ 9696-82.

4. Индикаторы часового типа класса точности 1 по ГОСТ 577-68.

5. Угольники поверочные 90°-ные типа УШ, класса точности 1 по ГОСТ 3749-77.

6. Плиты поверочные класса точности 1 по ГОСТ 10905-86.

Примечание. Допускается применение других средств измерения при условии обеспечения указанной точности измерений.

ИНФОРМАЦИОННЫЕ ДАННЫЕ

1. РАЗРАБОТАН И ВНЕСЕН Министерством станкостроительной и инструментальной промышленности СССР

Государственным комитетом СССР по народному образованию

ИСПОЛНИТЕЛИ

Л. М. Цой; А. В. Сафонов, канд. техн. наук (руководители темы); Э. Ш. Давидян; В. И. Мякиненков; И. Я. Перепечин; К. С. Колесников, д-р техн. наук; А. П. Носов, канд. техн. наук

2. УТВЕРЖДЕН И ВВЕДЕН В ДЕЙСТВИЕ Постановлением Государственного комитета СССР по стандартам от 22.06.88 № 2058

3. Срок проверки - 1992 г.; периодичность проверки - 5 лет.

4. Стандарт полностью соответствует СТ СЭВ 4488-84

5. ВЗАМЕН ГОСТ 713-81, ГОСТ 7209-79

6. ССЫЛОЧНЫЕ НОРМАТИВНО-ТЕХНИЧЕСКИЕ ДОКУМЕНТЫ

Обозначение НТД, на который дана ссылка

Номер пункта, приложения

ГОСТ 8.166-75

Приложение 3

ГОСТ 577-68

Приложение 3

ГОСТ 3749-77

Приложение 3

ГОСТ 8026-75

Приложение 3

ГОСТ 9038-83

Приложение 3

ГОСТ 9696-82

Приложение 3

ГОСТ 10905-86

Приложение 3

ГОСТ 15961-80

2.1

ГОСТ 24643-81

2.3

СОДЕРЖАНИЕ

 

 




ГОСТЫ, СТРОИТЕЛЬНЫЕ и ТЕХНИЧЕСКИЕ НОРМАТИВЫ.
Некоммерческая онлайн система, содержащая все Российские Госты, национальные Стандарты и нормативы.
В Системе содержится более 150000 файлов нормативно-технической документации, действующей на территории РФ.
Система предназначена для широкого круга инженерно-технических специалистов.

Рейтинг@Mail.ru Яндекс цитирования

Copyright © www.gostrf.com, 2008 - 2026