Крупнейшая бесплатная информационно-справочная система онлайн доступа к полному собранию технических нормативно-правовых актов РФ. Огромная база технических нормативов (более 150 тысяч документов) и полное собрание национальных стандартов, аутентичное официальной базе Госстандарта. GOSTRF.com - это более 1 Терабайта бесплатной технической информации для всех пользователей интернета. Все электронные копии представленных здесь документов могут распространяться без каких-либо ограничений. Поощряется распространение информации с этого сайта на любых других ресурсах. Каждый человек имеет право на неограниченный доступ к этим документам! Каждый человек имеет право на знание требований, изложенных в данных нормативно-правовых актах!

  


 

ГОСУДАРСТВЕННЫЙ СТАНДАРТ СОЮЗА ССР

ЭКСКАВАТОРЫ ОДНОКОВШОВЫЕ УНИВЕРСАЛЬНЫЕ

МЕТОДЫ ОПРЕДЕЛЕНИЯ ВМЕСТИМОСТИ КОВША

ГОСТ 17257-87

государственный КОМИТЕТ СССР ПО СТАНДАРТАМ

Москва

Содержание

ГОСУДАРСТВЕННЫЙ СТАНДАРТ СОЮЗА ССР

ЭКСКАВАТОРЫ ОДНОКОВШОВЫЕ УНИВЕРСАЛЬНЫЕ

ГОСТ 17257-87

Методы определения вместимости ковша

Universal one-bucket excavators.

Methods for determination of bucket rated volume

Срок действия с 01.01.88

до 01.01.98

Настоящий стандарт распространяется на одноковшовые универсальные экскаваторы и устанавливает расчетный и экспериментальный методы определения значений геометрической (расчетной) и номинальной вместимостей ковшей прямой и обратной лопат, погрузочного оборудования, грейфера и драглайна при проектировании, изготовлении и испытаниях.

Методы, приведенные в стандарте, предназначены для сравнения вместимостей ковшей. Стандарт не устанавливает методы определения фактической вместимости ковша, зависящей от условий работы.

Термины, применяемые в настоящем стандарте, и их пояснения приведены в рекомендуемом приложении.

1. РАСЧЕТНЫЙ МЕТОД

1.1. Ковши прямой лопаты, обратной лопаты с одной открытой стороной, погрузочный следует располагать так, чтобы плоскость, проходящая через верхние точки режущей кромки и задней стенки, была горизонтальной (черт. 1 - 3).

Ковши грейферный, обратной лопаты с двумя открытыми сторонами и драглайна следует располагать в соответствии с черт. 4, 5 и 6.

Ковш прямой лопаты

Черт. 1

Ковш обратной лопаты с одной открытой стороной

1 - разделительная плоскость; 2 - разделительная поверхность

Черт. 2

Ковш погрузочный

Черт. 3

1.2. Геометрическую вместимость ковша Vг в м3 для ковша прямой лопаты, обратной лопаты с одной открытой стороной, погрузочного и грейферного следует определять как объем, ограниченный внутренними поверхностями днища, стенок и разделительной плоскостью Р (разделительной поверхностью), по формуле (1).

Ковш грейферный

Черт. 4

Ковш обратной лопаты с двумя открытыми сторонами

Черт. 5

Ковш драглайна

Черт. 6

Геометрическую вместимость ковша Vг в м3 для ковша обратной лопаты с двумя открытыми сторонами и драглайна следует определять как объем, ограниченный внутренними поверхностями днища, стенок и поверхностью, образованной перемещением прямой, перпендикулярной к плоскости симметрии ковша по профилю его открытых сторон, по формуле

Vг = AW,                                                                                (1)

где А - площадь сечения внутреннего объема ковша, м2;

W - средняя ширина внутреннего объема ковша, м.

1.2.1. Среднюю ширину внутреннего объема ковшей W в м полукруглой формы определяют по черт. 7 и формуле (2); ковшей трапецеидальной формы - измеряют на расстоянии, составляющем 2/3 высоты ковша (черт. 8).

Ковш полукруглой формы

Черт. 7

,                                                  (2)

где В - ширина ковша, м;

Н - высота ковша, м.

Значение средней ширины внутреннего объема ковша W в м полукруглой формы принимают:

0,87 В - для прямой и обратной лопат;

0,85 В - для драглайна.

Ковш трапецеидальной формы

Черт. 8

Примечание. При вычислении геометрической вместимости ковшей местные выступы (зубья ковша, держатели зубьев, удлинители боковых и задних стенок или режущих кромок) не учитывают.

1.3. Номинальную вместимость ковша Vном в м3 для ковша прямой лопаты, обратной лопаты с одной открытой стороной, погрузочного и грейферного вычисляют как сумму геометрической вместимости ковша Vг и объема “шапки” Vш по формуле

Vном = Vг + Vш                                                                        (3)

Номинальную вместимость ковша Vном в м3 для ковша обратной лопаты с двумя открытыми сторонами и драглайна определяют объемом, ограниченным внутренними поверхностями днища, стенок и плоскостью, образованной откосом грунта под углом 75° к горизонтали, а также поверхностью, образованной перемещением прямой, перпендикулярной к плоскости симметрии ковша по профилю другой открытой стороны ковша. При этом задние грани боковых стенок обратной лопаты должны находиться в вертикальном положении (черт. 5), а днище ковша драглайна должно находиться в горизонтальном положении (черт. 6).

Примечание. При вычислении номинальной вместимости ковшей местные выступы (зубья ковша, держатели зубьев, удлинители боковых и задних стенок или режущих кромок) не учитывают. Исключением является погрузочный ковш, у которого учитывают козырек задней стенки, но без защитного козырька.

1.3.1. Объем “шапки” Vш - объем материала, лежащего на разделительной плоскости Р (или разделительной поверхности) с уклоном 1:1 (45°) в ковшах типа “обратная лопата” (черт. 2) и с уклоном 2:1 (26°) в ковшах оборудования прямого копания и погрузочного (черт. 1, 3).

1.3.2. Геометрическую вместимость ковша и объем “шапки” грунта для погрузочных ковшей с непрямолинейной боковой кромкой и соотношением размеров Х/У более 12 (см. рекомендуемое приложение) в зависимости от формы и расположения задней стенки и режущей кромки определяют по черт. 9 - 13 и формулам (4)-(10).

1.3.2.1. Основной ковш (см. черт. 9).

Задняя стенка основного ковша не должна выступать за поперечную прямую, соединяющую задние углы боковых стенок, а режущая кромка не должна выступать за поперечную прямую, соединяющую передние углы боковых стенок.

Разделительная плоскость должна проходить в задней части ковша через прямую, идущую вдоль верхнего края задней стенки, а в передней части ковша - через прямую, идущую вдоль верхнего края режущей кромки.

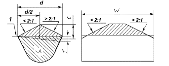
1.3.2.2. Ковш с выступающей прямолинейной кромкой (см. черт. 10)

Режущая кромка такого ковша должна быть прямолинейна в поперечном направлении и выступать за поперечную прямую, соединяющую передние углы боковых стенок, а задняя стенка не должна выступать за поперечную линию, соединяющую задние углы боковых стенок.

1 - разделительная плоскость;

геометрическую вместимость Vг, м3, определяют по формуле (1); объем “шапки” Vш, м3, определяют по формуле

,                                                                                            (4)

где d - поперечный размер в средней части ковша, м.

Черт. 9

Разделительная плоскость должна проходить в передней части-ковша через прямую, идущую вдоль режущей кромки, а в задней части - через прямую, идущую вдоль верхнего края задней стенки.

1 - разделительная плоскость;

геометрическую вместимость Vг, м3, определяют по формуле

,                                                                                           (5)

где f - высота выступающей прямолинейной кромки, м;

объем “шапки” Vш, м3, определяют по формуле

,                                                                              (6)

где С - высота “шапки”, м.

Черт. 10

1.3.2.3. Ковши с выступающей задней стенкой (см. черт. 11)

Задняя стенка такого ковша должна выступать за поперечную линию, соединяющую задние углы боковых стенок, а режущая кромка не должна выступать за поперечную линию, соединяющую передние углы боковых стенок.

Разделительная плоскость должна проходить в задней части ковша через прямую, идущую вдоль верхнего края выступающей задней стенки, а в передней части - через прямую, идущую вдоль режущей кромки.

1 - разделительная плоскость;

геометрическую вместимость Vг, м3, определяют по формуле

,                                                                                             (7)

где e - высота выступающей задней стенки, м;

объем “шапки” Vш, м3, определяют по формуле

,                                                                                (8)

Черт. 11

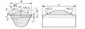
1.3.2.4. Ковш с непрямолинейной режущей кромкой (см. черт. 12).

Режущая кромка такого ковша должна выступать за поперечную линию, соединяющую передние углы боковых стенок, и не должна являться прямолинейной в поперечном направлении. Задняя стенка не должна выступать за поперечную прямую, соединяющую задние углы боковых стенок.

Разделительная плоскость должна проходить в передней части ковша через воображаемую поперечную прямую, проведанную па расстоянии 1/3 высоты выступа передней кромки, а в задней части - через прямую, идущую вдоль верхнего края задней стенки.

1 - разделительная плоскость;

геометрическую вместимость Vг, м3, определяют по формуле (5);

объем “шапки” Vш, м3, определяют по формуле (6);

Черт. 12

1.3.2.5. Ковш с выступающими режущей кромкой и задней стенкой (см. черт. 13).

Режущая кромка такого ковша (прямолинейная или непрямолинейная) не должна выступать за прямую, соединяющую задние углы боковых стенок.

Разделительная плоскость должна проходить в задней части ковша через верхний край задней стенки, а в передней части - через верхний край прямолинейной режущей кромки или через точку, лежащую на высоте h/3, для случая непрямолинейной режущей кромки.

1 - разделительная плоскость;

геометрическую вместимость Vг, м3, определяют по формуле

;                                                                       (9)

объем “шапки” Vш, м3, определяют по формуле

,                                                                         (10)

Черт. 13

1.4. Результаты определения геометрической и номинальной вместимости ковша должны быть внесены в формуляр (паспорт) экскаватора.

1.5. Номинальную вместимость в кубических метрах при публикации в качестве данных о номинальной вместимости ковшей по ИСО следует указывать с точностью, приведенной в табл. 1, - для ковшей типа “обратная лопата”, в табл. 2 - для ковшей оборудования прямого копания.

Таблица 1

м3

Номинальная вместимость для ковшей типа “обратная лопата”

Точность

До 0,2 включ.

0,01

Св. 0,2 до 0,5 включ.

0,02

»     0,5    » 3,0        »

0,1

»     3,0    » 5,0        »

0,2

Таблица 2

м3

Номинальная вместимость для ковшей оборудования прямого копания

Точность

До 0,6 включ.

0,02

Св. 0,6 до 1,5 включ.

0,05

»     1,5  »   2,5       »

0,1

»     2,5  »   5,0       »

0,2

»     5,0  » 10,0       »

0,5

»   10,0

 

Значения, приведенные в табл. 2 для оборудования прямого копания, допускается распространять для ковшей грейфера и драглайна.

1.6. Если номинальная вместимость ковша, полученная расчетным путем, меньше входящей в данный ряд более чем на 2 %, то следует указывать ближайшую меньшую номинальную вместимость.

2. ЭКСПЕРИМЕНТАЛЬНЫЙ МЕТОД

2.1. При экспериментальном методе определения вместимости ковши следует располагать в соответствии с черт. 1 - 6.

2.2. Ковши следует заполнять сыпучим материалом в объеме, указанном в пп. 1.2 и 1.3.

2.3. Объем сыпучего материала в ковше определяют заполнением мерного ящика.

Материал в ковше и ящике не должен уплотняться.

2.4. Отклонение результатов измерений вместимости ковша экспериментальным методом от вместимости, указанной в формуляре (паспорте) экскаватора, - в пределах ±5 %.

ПРИЛОЖЕНИЕ
Рекомендуемое

ТЕРМИНЫ, ПРИМЕНЯЕМЫЕ В НАСТОЯЩЕМ СТАНДАРТЕ, И ИХ ПОЯСНЕНИЯ

1. Элементы конструкции ковша приведены на черт. 14.

Ковш с непрямолинейной боковой кромкой

1 - задняя стенка; 2 - боковая стенка; 3 - днище; 4 - зуб; 5 - режущая кромка

Черт. 14

2. Разделительная плоскость - горизонтальная плоскость, проходящая через режущую кромку и заднюю стенку по всей ширине ковша. Разделительную плоскость применяют при соотношении X/Y, равном или более 12.

3. Разделительная поверхность - контур, определяемый прямыми, проходящими через верхние края боковых стенок и параллельными режущей кромке. Разделительную поверхность применяют при соотношении X/Y менее 12.

4. Размер Х - размер зева ковша между режущей кромкой и задней стенкой.

5. Размер Y - расстояние по вертикали от верхней крайней точки режущей кромки до нижней точки контура боковой стенки.

ИНФОРМАЦИОННЫЕ ДАННЫЕ

1. РАЗРАБОТАН И ВНЕСЕН Министерством строительного, дорожного и коммунального машиностроения

ИСПОЛНИТЕЛИ

А. М. Крылов, канд. техн. наук (руководитель темы); Е. А. Востокова, Н. Н. Лукшо

2. УТВЕРЖДЕН И ВВЕДЕН В ДЕЙСТВИЕ Постановлением Государственного комитета СССР по стандартам от 25.05.87 № 1683

3. Срок проверки - 1993 г.

Периодичность проверки - 5 лет.

4. В стандарт введены международные стандарты ИСО 7451-83 и ИСО 7546-83.

5. ВЗАМЕН ГОСТ 17257-79

6. Переиздание. Январь 1988 г.

 




ГОСТЫ, СТРОИТЕЛЬНЫЕ и ТЕХНИЧЕСКИЕ НОРМАТИВЫ.
Некоммерческая онлайн система, содержащая все Российские Госты, национальные Стандарты и нормативы.
В Системе содержится более 150000 файлов нормативно-технической документации, действующей на территории РФ.
Система предназначена для широкого круга инженерно-технических специалистов.

Рейтинг@Mail.ru Яндекс цитирования

Copyright © www.gostrf.com, 2008 - 2026