Крупнейшая бесплатная информационно-справочная система онлайн доступа к полному собранию технических нормативно-правовых актов РФ. Огромная база технических нормативов (более 150 тысяч документов) и полное собрание национальных стандартов, аутентичное официальной базе Госстандарта. GOSTRF.com - это более 1 Терабайта бесплатной технической информации для всех пользователей интернета. Все электронные копии представленных здесь документов могут распространяться без каких-либо ограничений. Поощряется распространение информации с этого сайта на любых других ресурсах. Каждый человек имеет право на неограниченный доступ к этим документам! Каждый человек имеет право на знание требований, изложенных в данных нормативно-правовых актах!

  


 

ГОСУДАРСТВЕННЫЙ СТАНДАРТ СОЮЗА ССР

ДЕРЕВООБРАБАТЫВАЮЩЕЕ ОБОРУДОВАНИЕ

СТАНКИ КРУГЛОПИЛЬНЫЕ ДЛЯ РАСКРОЯ
ПЛИТ И ЛИСТОВЫХ МАТЕРИАЛОВ

ОСНОВНЫЕ ПАРАМЕТРЫ. НОРМЫ ТОЧНОСТИ

ГОСТ 24610-91

КОМИТЕТ СТАНДАРТИЗАЦИИ И МЕТРОЛОГИИ СССР

Москва

ГОСУДАРСТВЕННЫЙ СТАНДАРТ СОЮЗА ССР

Деревообрабатывающее оборудование

СТАНКИ КРУГЛОПИЛЬНЫЕ ДЛЯ РАСКРОЯ ПЛИТ И ЛИСТОВЫХ МАТЕРИАЛОВ

Основные параметры. Нормы точности

Woodworking equipment. Rotary saws for panels and sheet materials. Basic parameters. Standards of accuracy

ГОСТ
24610-91

Дата введения 01.01.92

Настоящий стандарт распространяется на круглопильные станки, предназначенные для чернового раскроя в пакетах или по одной древесностружечных, древесноволокнистых плит, фанеры и других крупноформатных плитных и листовых материалов из древесины, в том числе на станки с программным управлением (ПУ).

Требования настоящего стандарта являются обязательными, за исключением приложения.

1. ОСНОВНЫЕ ПАРАМЕТРЫ

Основные параметры круглопильных станков должны соответствовать указанным в табл. 1.

Размеры, мм                   Таблица 1

Наименование параметра

Размеры для станков

однопильных

многопильных

Наибольшая ширина обрабатываемого материала

1600

1850

Наибольшая длина обрабатываемого материала, не менее

1600

2800

3750

Наибольшая толщина обрабатываемого материала, не менее

100

90

60 (50)

Скорость резания, м/с, не менее

50

Наибольшая скорость подачи при продольном раскрое, м-1, не менее

12

25

Примечание. Размер, указанный в скобках, при новом проектировании не применять.

2. ПРОВЕРКА ГЕОМЕТРИЧЕСКОЙ ТОЧНОСТИ СТАНКА

2.1. Точность установки станка по уровню не должна превышать 0,1 мм на длине 1000 мм.

2.2. Общие требования к испытаниям станков на точность - по ГОСТ 25338.

Нормы точности станков не должны превышать значений, указанных в пп. 2.3 - 2.15 настоящего стандарта.

2.3. Расположение базовых поверхностей подвижного (неподвижного) стола в одной плоскости

Черт. 1

Допуск 0,4 мм на длине 1000 мм для подвижного стола;

0,8 мм на длине 1000 мм для неподвижного стола.

На базовые поверхности стола 1 (черт. 1) в точках заданного сечения устанавливают две опоры 2, на которые рабочей поверхностью кладут поверочную линейку 3 так, чтобы расстояния от базовой поверхности стола до рабочей поверхности линейки у ее опор были равны.

Расстояние между линейкой и проверяемой поверхностью измеряют блоком плоскопараллельных концевых мер длины и щупом.

В каждом сечении определяют наибольшую разность измеренных расстояний. Отклонение от расположения в одной плоскости равно наибольшему из полученных результатов.

2.4. Параллельность базовой поверхности подвижного стола направлению его перемещения

Черт. 2

Допуск 0,5 мм на длине 1000 мм.

На базовую поверхность стола 1 (черт. 2) на опорах 2 устанавливают поверочную линейку 3 так, чтобы расстояние от проверяемой плоскости до рабочей поверхности линейки у ее опор были равны.

Измерительный прибор 4 устанавливают на неподвижной части станка так, чтобы его измерительный наконечник касался рабочей поверхности линейки и был перпендикулярен к ней. Стол с линейкой перемещают на длину хода стола.

Отклонение от параллельности равно наибольшей алгебраической разности показаний прибора на всей длине перемещения.

Для станков с подвижным столом проверку следует проводить до установки прижимных валиков.

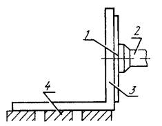
2.5. Радиальное биение центрирующей шейки фланца под инструмент

Черт. 3

Допуск 0,05 мм.

На неподвижной части станка устанавливают измерительный прибор 1 (черт. 3) так, чтобы его измерительный наконечник касался проверяемой поверхности центрирующей шейки фланца 2 пильного шпинделя и был направлен к оси шейки перпендикулярно к касательной плоскости, проведенной к проверяемой поверхности.

Радиальное биение измеряют в двух взаимно перпендикулярных плоскостях а и b.

Радиальное биение при каждом измерении определяют как алгебраическую разность измерительного прибора в течение одного оборота шпинделя.

Радиальное биение равно наибольшему из результатов измерений.

2.6. Торцевое биение опорной поверхности фланца под инструмент

Черт. 4

Допуск 0,05 мм на диаметре 100 мм.

На неподвижной части станка устанавливают измерительный прибор 1 (черт. 4) так, чтобы его измерительный наконечник касался опорной торцевой поверхности фланца 2 у его периферии и был перпендикулярен к ней.

Шпиндель поворачивают не менее чем на два оборота. Измерения повторяют при каждом повороте шпинделя на 180°.

Торцевое биение при каждом измерении определяют как наибольшую алгебраическую разность показаний измерительного прибора.

Торцевое биение равно наибольшему результату измерений.

2.7. Перпендикулярность плоскости вращения пильного диска к базовой поверхности подвижного (неподвижного) стола

Черт. 5

Допуск 0,15 мм на длине 100 мм.

Контрольный диск 1 (черт. 5) диаметром не менее 300 мм укрепляют на пильном шпинделе 2 в его рабочем положении. Проверочный угольник 3 одной из его рабочих поверхностей устанавливают на базовую поверхность стола 4. При этом другая рабочая поверхность угольника касается боковой поверхности контрольного диска.

Расстояние между проверяемой плоскостью контрольного диска и рабочей поверхностью угольника измеряют блоком плоскопараллельных концевых мер длины и щупом. Измерения повторяют при повороте контрольного диска на 180°.

Определяют полусумму результатов измерений.

Отклонение от перпендикулярности равно наибольшему из полученных результатов.

2.8. Параллельность плоскости вращения пильного диска направлению перемещения подвижного стола

Черт. 6

Допуск 0,06 мм на длине 100 мм.

На пильном шпинделе в его рабочем положении укрепляют контрольный диск 1 (черт. 6) диаметром не менее 300 мм.

Измерительный прибор 2 устанавливают на базовую поверхность стола 3 так, чтобы его измерительный наконечник касался торцевой поверхности контрольного диска и был перпендикулярен к ней. Фиксируют показания А1 измерительного прибора и перемещают стол по направляющим на 100 мм, фиксируя показания Б1. Контрольный диск поворачивают на 180°. Измерения повторяют, фиксируя показания А2 и Б2.

Отклонение рассчитывают по формуле:

.

Измерения проводят при двух крайних положениях стола.

Отклонение от параллельности равно наибольшему из полученных результатов.

2.9. Параллельность плоскости вращения пильного диска направлению перемещения его суппорта

Допуск 0,05 мм на длине 100 мм.

На пильном шпинделе в его рабочем положении укрепляют контрольный диск 1 (черт. 7) диаметром не менее 300 мм.

Черт. 7

Измерительный прибор 2 устанавливают на базовую поверхность стола 3 так, чтобы его измерительный наконечник касался торцевой поверхности контрольного диска и был перпендикулярен к ней. Фиксируют показания A1 измерительного прибора и суппорт перемещают по направляющим на 100 мм, фиксируя показания Б1.

Контрольный диск поворачивают на 180°, измерения повторяют, фиксируя показания A2 и Б2.

Отклонение рассчитывают по формуле:

.

Измерения проводят при двух крайних положениях суппорта.

Отклонение от параллельности равно наибольшему из полученных результатов.

2.10. Перпендикулярность направления перемещения стола направлению перемещения пильного суппорта (для станков с верхним расположением подвижного суппорта)

Черт. 8

Допуск 0,5 мм на длине 1000 мм.

На подвижном пильном суппорте 1 (черт. 8) укрепляют измерительный прибор 2 так, чтобы его измерительный наконечник касался одной из рабочих поверхностей поверочного угольника 3, укрепленного на рабочей поверхности подвижного стола 4 так, чтобы показания измерительного прибора по концам рабочей поверхности угольника были равны.

К другой рабочей поверхности поверочного угольника прикладывают поверочную линейку 5 и измерительный прибор устанавливают так, чтобы измерительный наконечник касался рабочей поверхности линейки и был перпендикулярен к ней. Стол перемещают по направляющим в направлении рабочей подачи на длину не менее 1000 мм. Измерения проводят в начале и в конце перемещения.

Отклонение от перпендикулярности равно алгебраической разности показаний измерительного прибора на длине перемещения.

2.11. Расположение рабочих поверхностей упоров стола (каретки) в одной плоскости

Черт. 9

Допуск 0,3 мм на всей длине.

К рабочей поверхности крайних упоров 1 (черт. 9) в продольном направлении на двух опорах 2 прикладывают рабочей поверхностью поверочную линейку 3 так, чтобы расстояния от проверяемой поверхности до рабочей поверхности линейки у ее опор были равны.

Расстояния между линейкой и проверяемой поверхностью измеряют блоком плоскопараллельных концевых мер длины и щупом.

Отклонение от расположения в одной плоскости равно наибольшему из полученных результатов.

2.12. Параллельность направления перемещения пильного суппорта плоскости расположения рабочих поверхностей упоров каретки (для станков с нижним расположением подвижного суппорта)

Черт. 10

Допуск 0,5 мм на длине 1000 мм.

Контрольный диск 1 (черт. 10) диаметром не менее 300 мм укрепляют на пильном шпинделе 2 в его рабочем положении.

К рабочим поверхностям упоров каретки 3 в направлении, параллельном направлению перемещения пильного суппорта, на двух опорах 4 прикладывают рабочей поверхностью поверочную линейку 5 так, чтобы расстояния от рабочей поверхности упоров до рабочей поверхности линейки у ее опор были равны.

Расстояние между торцевой поверхностью контрольного диска и рабочей поверхностью линейки измеряется микрометрическим нутромером или другим измерительным прибором, фиксируя показание А1. Измерения повторяют при повороте контрольного диска на 180°, фиксируя показание измерительного прибора А2.

Измерения проводят в двух крайних положениях пильного суппорта, фиксируя в другом крайнем положении показания Б1 и Б2.

Отклонение от параллельности рассчитывают по формуле:

.

2.13. Перпендикулярность рабочих поверхностей упоров стола направлению перемещения стола в горизонтальной плоскости

Черт. 11

Допуск 0,25 мм на длине 1000 мм.

К рабочей поверхности упоров 1 (черт. 11) в продольном направлении на двух опорах 2 устанавливают рабочей поверхностью поверочную линейку 3. Ко второй грани поверочной линейки прикладывают рабочей поверхностью поверочный угольник 4.

Измерительный прибор 6 устанавливают на неподвижной части станка так, чтобы его измерительный наконечник касался рабочей поверхности линейки 5 и был перпендикулярен к ней.

Стол перемещают на длину хода.

Отклонение определяют как наибольшую алгебраическую разность показаний измерительного прибора.

Измерения проводят в двух крайних положениях стола.

Отклонение от перпендикулярности равно наибольшему результату измерения.

2.14. Параллельность оси прижимного валика направлению перемещения пильного суппорта (для станков с прижимными валиками)

Черт. 12

Допуск 0,4 мм на длине 1000 мм.

Контрольный диск1(черт. 12) диаметром не менее 300 мм укрепляют на пильном шпинделе 2 в его рабочем положении.

Расстояние между торцевой поверхностью контрольного диска и обработанной поверхностью валика 3 измеряют микрометрическим нутромером или другим измерительным прибором 4. Измерения повторяют при повороте валика на 180°, фиксируя показания измерительного прибора A1 и A2.

Измерения проводят в двух крайних положениях валика, фиксируя показания Б1 и Б2.

Отклонение от параллельности рассчитывают по формуле:

.

2.15. Взаимная параллельность осей прижимных валиков (для станков с прижимными валиками)

Черт. 13

Допуск 0,4 мм на длине 1000 мм.

Расстояние между обработанными поверхностями двух смежных валиков 1 (черт. 13) в двух крайних сечениях I и II измеряют микрометрическим нутромером или другим измерительным прибором 2.

Измерения проводят не менее чем в двух положениях валиков, поворачивая при этом их на 180°.

Отклонение от параллельности определяют как наибольшую разность результатов измерений.

2.16. Проверки геометрических параметров, регламентированные в международном стандарте ИСО 7958, приведены в приложении.

3. ПРОВЕРКА ТОЧНОСТИ СТАНКА В РАБОТЕ

3.1. Требования к образцам

Проверку точности станка в работе следует проводить путем раскроя на станке не менее двух образцов древесностружечных плит размером 3660´1830´16 мм. Образцы предназначены для проверки точности, должны соответствовать следующим требованиям:

абсолютная влажность - (8±2) %;

отклонение от плоскостности базовой поверхности - не более 1 мм на длине 1000 мм.

Раскрой плит на заготовки проводят со скоростью подачи 10 м×мин-1.

3.2. Прямолинейность кромок

Черт. 14

Допуск 0,4 мм на длине 1000 мм.

Прямолинейность кромки заготовки 1 (черт. 14) проверяют с помощью поверочной линейки 2, блока плоскопараллельных концевых мер длины 3 и щупа. Отклонение от прямолинейности определяют как наибольшую разность результатов измерений.

3.3. Перпендикулярность смежных кромок между собой

Черт. 15

Допуск 1 мм на длине 1000 мм.

Перпендикулярность смежных кромок заготовки 1 (черт. 15) проверяют с помощью поверочной линейки 2, угольника 3 и щупа.

Отклонение от перпендикулярности определяют как наибольшее значение результатов измерений.

3.4. Отклонение от номинальных размеров длины и ширины заготовки, полученной после раскроя

Черт. 16

Допуск ±1,5 мм на длине до 1000 мм;

±2,0 мм на длине св. 1000 мм.

Длину и ширину заготовки измеряют штангенциркулем или линейкой параллельно кромке на расстоянии 25 мм от нее не менее чем в двух сечениях (черт. 16).

В каждом сечении определяют разность между измеренным расстоянием и номинальным размером.

Отклонение от номинального размера определяют как наибольшую разность результатов измерений.

3.5. Перпендикулярность кромок и пласти

Черт. 17

Допуск 0,2 мм на длине 100 мм.

Перпендикулярность кромок к базовой пласти заготовки 1 проверяют с помощью поверочного угольника 2 и щупа на расстоянии 25 мм от кромки заготовки и не менее чем в двух точках по каждой кромке (черт. 17).

Отклонение от перпендикулярности определяют как наибольшее значение результатов измерений.

ПРИЛОЖЕНИЕ

Справочное

ИСО 7958-87 «Деревообрабатывающие станки. Станки круглопильные с одним пильным диском для продольной и поперечной распиловки древесины и плит. Номенклатура и условия приемки»

Таблица 2

Условия испытания и допустимые отклонения

Номер проверки

Схема

Проверка

Допускаемые отклонения, мм

Измерительный инструмент

Примечание и ссылка на пункты ИСО 230/1

Проверка геометрических параметров (для чистовой обработки)

G1

Плоскостность стола станка:

а) Положения А1 и A2:

Прямоугольник и щупы

5.212.1

0,3 при L £ 3000;

а) в продольном направлении

0,4 при 3000 < L £ 4000;

0,5 при 4000 < L £ 5000;

0,6 при L > 5000

б) в поперечном направлении

L - длина стола

б) Положения В, С и Д: 0,2;

G2

Параллельность движения каретки продольной направляющей

0,3 при L £ 3000;

Индикатор

5.422.2

0,4 при 3000 £ L £ 4000;

0,5 при 4000 £ L £ 5000;

L - длина движения каретки

0,6 при L > 5000

G3

Проверка перпендикулярности поперечной направляющей к плоскости пилы (контрольный диск устанавливается на месте пилы)

0,1/1000*

Контрольный диск, прямоугольник и щупы

5.512.2

* - расстояние 1

G4

Проверка перпендикулярности продольной направляющей (или упоров столу станка)

0,1/100*

Угольник и щупы

5.512.2

* - расстояние Е

G5

Перпендикулярность плоскости пилы столу станка (контрольный диск устанавливается на место пилы)

0,1/100*

Контрольный диск, угольник и щупы

5.512.2

* - расстояние G

G6

Параллельность плоскости пилы своей направляющей (контрольный диск устанавливается на место пилы)

0,1 при H = 400

Контрольный диск, цифровой индикатор

5.412.2

G7

Прямолинейность нижней стороны прижимной штанги

0,3 при L £ 3000;

Прямоугольник и щупы

5.212.1

L - длина нижней стороны прижимной штанги

0,4 при 3000 < L £ 1000;

0,5 при 4000 <L £ 5000;

0,6 при L > 5000

G8

Радиальное биение вала пильного диска

0,02

Индикатор

5.612.2

Радиальное биение вала зачистителя

G9

Торцевое биение фланца для блокировки пильного диска

0,04

Индикатор

5.632

Фланец закрыт. Прикладывать силу F, как рекомендовано изготовителем, в направлении оси шпинделя

Торцевое биение фланца для блокировки зачистителя

0,03

G10

Прямолинейность продольной направляющей или упоров на продольной направляющей

0,2 при L £ 3000;

Угольник и щупы

5.212.1

0,25 при 3000 < L £ 4000;

0,3 при 4000 < L £ 5000;

L - длина стола

0,4 при L > 5000

G11

Выравнивание стола для поперечной распиловки относительно стола станка в горизонтальном направлении

0,1

Угольник и щупы

5.322

Практические испытания

G12

Проверка прямолинейности реза

0,4 при L £ 3000;

0,6 при 3000 < L £ 4000;

0,8 при 4000 < L £ 5000;

1,0 при L > 5000

Щупы

4.1 и 4.2

Две контрольные заготовки (деревянные или плита);

е - в продольном резе;

f = 15 до 20;

d = 500

Распиловка, отклонение, проверка на соединение.

Повторить проверку, повернув одну часть на 180°

L - длина распиловки

G13

Параллельность резов

d1; d2 0,2/1000

Скользящий индикатор

4.1, 4.2

Контрольная заготовка как для P1

G8

Перпендикулярность распиловки

g/d 0,2/1000

Угольник и щупы

4.1, 4.2

Контрольная заготовка как для P1

ИНФОРМАЦИОННЫЕ ДАННЫЕ

1. РАЗРАБОТАН И ВНЕСЕН Министерством станкостроительной и инструментальной промышленности СССР.

РАЗРАБОТЧИКИ

С.М. Хасдан, И.К. Черкасов, Г.Л. Шалимов, В.И. Попова

2. УТВЕРЖДЕН И ВВЕДЕН В ДЕЙСТВИЕ Постановлением Государственного комитета СССР по управлению качеством продукции и стандартам от 29.03.91 № 331

3. Срок первой проверки - 1995 год; периодичность проверки - 5 лет

4. Стандарт соответствует СТ СЭВ 5546-86 и СТ СЭВ 5649-86

5. В стандарт введен международный стандарт ИСО 7958-87 в части норм точности

6. ВЗАМЕН ГОСТ 10270-84 и ГОСТ 24610-81

7. ССЫЛОЧНЫЕ НОРМАТИВНО-ТЕХНИЧЕСКИЕ ДОКУМЕНТЫ

Обозначение НТД, на который дана ссылка

Номер пункта, приложения

ГОСТ 25338-91

2.2

ИСО 230/1-86

Приложение

СОДЕРЖАНИЕ

 

 




ГОСТЫ, СТРОИТЕЛЬНЫЕ и ТЕХНИЧЕСКИЕ НОРМАТИВЫ.
Некоммерческая онлайн система, содержащая все Российские Госты, национальные Стандарты и нормативы.
В Системе содержится более 150000 файлов нормативно-технической документации, действующей на территории РФ.
Система предназначена для широкого круга инженерно-технических специалистов.

Рейтинг@Mail.ru Яндекс цитирования

Copyright © www.gostrf.com, 2008 - 2026