Крупнейшая бесплатная информационно-справочная система онлайн доступа к полному собранию технических нормативно-правовых актов РФ. Огромная база технических нормативов (более 150 тысяч документов) и полное собрание национальных стандартов, аутентичное официальной базе Госстандарта. GOSTRF.com - это более 1 Терабайта бесплатной технической информации для всех пользователей интернета. Все электронные копии представленных здесь документов могут распространяться без каких-либо ограничений. Поощряется распространение информации с этого сайта на любых других ресурсах. Каждый человек имеет право на неограниченный доступ к этим документам! Каждый человек имеет право на знание требований, изложенных в данных нормативно-правовых актах!

  


 

ГОСУДАРСТВЕННЫЙ СТАНДАРТ СОЮЗА ССР

ПЛИТЫ ДРЕВЕСНОСТРУЖЕЧНЫЕ

МЕТОДЫ ОПРЕДЕЛЕНИЯ ПРЕДЕЛА ПРОЧНОСТИ
И МОДУЛЯ УПРУГОСТИ ПРИ ИЗГИБЕ

ГОСТ 10635-88
(СТ СЭВ 6013-87)

ГОСУДАРСТВЕННЫЙ КОМИТЕТ СССР ПО СТАНДАРТАМ

Москва

ГОСУДАРСТВЕННЫЙ СТАНДАРТ СОЮЗА ССР

ПЛИТЫ ДРЕВЕСНОСТРУЖЕЧНЫЕ

Методы определения предела прочности
и модуля упругости при изгибе

Particle boards. Methods for determining
ultimate strength and modu
lus of elasticity
in bending

ГОСТ
10635-88

(CT СЭВ 6013-87)

Срок действия с 01.01.90

до 01.01.95

Настоящий стандарт распространяется на древесностружечные плиты и устанавливает методы определения предела прочности и модуля упругости при изгибе.

1. АППАРАТУРА

Испытательная машина, обеспечивающая точность отсчета, равную 1 % разрушающей нагрузки.

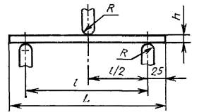
Испытательное устройство, состоящее из двух параллельных горизонтальных опор с цилиндрической поверхностью, которые можно перемещать в горизонтальной плоскости, и ножа с цилиндрической поверхностью, расположенного параллельно опорам на равном расстоянии от них и перемещающегося в вертикальной плоскости относительно опор при движении нагружающего элемента испытательной машины.

Длина опор и ножа должна быть равной ширине образца или превышать ее.

Радиусы R цилиндрической части опор и ножа должны быть равны соответственно (7,5 ± 0,5) мм и (15 ± 0,5) мм.

На опорах должны быть нанесены отметки для установки образцов по центру опор.

Приспособление с индикатором по ГОСТ 577-68 или ГОСТ 9696-82 для измерения прогиба с погрешностью измерения перемещения не более 0,01 мм.

Инструмент для измерения линейных размеров образцов и расстояния между опорами по ГОСТ 10633-78.

(Измененная редакция, Изм. № 1).

2. ПОДГОТОВКА ОБРАЗЦОВ К ИСПЫТАНИЮ

2.1. Правила отбора, количество, точность изготовления и кондиционирование образцов - по ГОСТ 10633-78.

2.2. Образцы должны иметь форму прямоугольного параллелепипеда толщиной, равной толщине плиты.

Ширина образца должна быть равна 50 мм, а длина - 20-кратной толщине плюс 50 мм при длине от 150 до 1050 мм.

Образцы не должны иметь дефектов, снижающих их прочность.

(Измененная редакция, Изм. № 1).

2.3. Из каждой испытуемой плиты одну половину образцов вырезают вдоль, а другую половину - поперек плиты.

2.4. Толщину образца измеряют в центре поперечной оси согласно черт. 1.

Длину образца измеряют по его продольной, а ширину - по его поперечной оси.

Черт. 1

3. ПРОВЕДЕНИЕ ИСПЫТАНИЙ

3.1. Расстояние между центрами опор устанавливают равным 20-кратной толщине образца, но не менее 100 мм и не более 1000 мм.

(Измененная редакция, Изм. № 1).

3.2. Образец укладывают на опоры испытательного устройства по отметкам так, чтобы продольная ось образца была перпендикулярна осям опор, а поперечная ось находилась в одной вертикальной плоскости с осью ножа согласно черт. 2.

Черт. 2

3.3. В пределах группы образцов с одинаковой ориентацией одну половину испытывают, укладывая на опоры испытательного устройства лицевой пластью вверх, а другую половину - лицевой пластью вниз.

3.4. При определении предела прочности при изгибе производят нагружение образца с постоянной скоростью до разрушения и регистрируют максимальную нагрузку с точностью до 1 %.

Время от начала нагружения до разрушения образца должно составлять (60 ± 30) с.

(Измененная редакция, Изм. № 1).

3.5. При определении модуля упругости при изгибе нагружение образца проводят со скоростью перемещения ножа 1-2 мм/мин и снимают не менее 8 показаний прогиба образца через равные интервалы приращения разрушающей нагрузки в диапазоне от 10 % до 40 %.

Прогиб измеряют в плоскости действия нагрузки с точностью до 0,01 мм, при этом на чувствительный элемент измерительного прибора не должно сказываться местное смятие образца.

По полученным значениям приращений нагрузки и прогиба строят прямолинейный график, усредняя разброс отдельных значений от линейного закона.

Допускается определять угловой коэффициент прямой аналитически (без построения графика) - сглаживанием разброса точек прямой по методу наименьших квадратов.

(Измененная редакция, Изм. № 1).

4. ОБРАБОТКА РЕЗУЛЬТАТОВ

4.1. Предел прочности при изгибе образца (σi МПа вычисляют по формуле

где F - сила нагружения, действующая на образец в момент разрушения, Н;

l - расстояние между опорами испытательного устройства, мм;

b - ширина образца, мм;

h - толщина образца, мм.

Результат округляют с точностью до первого десятичного знака.

4.2. Модуль упругости при изгибе образца (Ei) вычисляют в МПа по формуле

где l - расстояние между опорами испытательного устройства, мм;

b - ширина образца, мм;

h - толщина образца, мм;

F2 - F1 - фиксированное (2 - 3 интервала) приращение нагрузки Н;

S2 - S1 - приращение прогиба, соответствующее фиксированному приращению нагрузки, определяемому по графику с точностью до 0,1 мм.

При аналитическом определении углового коэффициента прямой k в Н/мм, модуль упругости образца вычисляют по формуле

Результат округляют с точностью до целого числа.

4.3. За результат испытания плиты принимают среднее арифметическое значение результатов испытания всех образцов, отобранных из данной плиты с округлением, указанным в пп. 4.1 и 4.2.

4.4. Результаты испытаний заносят в протокол, составленный по ГОСТ 10633-78.

ИНФОРМАЦИОННЫЕ ДАННЫЕ

1. РАЗРАБОТАН И ВНЕСЕН Министерством лесной промышленности СССР

ИСПОЛНИТЕЛИ:

О.Е. Поташев, канд. техн. наук; И.В. Пинтус

2. УТВЕРЖДЕН И ВВЕДЕН В ДЕЙСТВИЕ Постановлением Государственного комитета СССР по стандартам от 19.12.88 № 4251

3. Стандарт полностью соответствует СТ СЭВ 6013-87

4. ВЗАМЕН ГОСТ 10635-78

5. ССЫЛОЧНЫЕ НОРМАТИВНО-ТЕХНИЧЕСКИЕ ДОКУМЕНТЫ

Обозначение НТД, на который дана ссылка

Номер пункта, раздела

ГОСТ 577-68

Разд. 1

ГОСТ 9696-82

Разд. 1

ГОСТ 10633-78

Разд. 1, пп. 2.1, 4.4

(Измененная редакция, Изм. № 1).

СОДЕРЖАНИЕ

 

 




ГОСТЫ, СТРОИТЕЛЬНЫЕ и ТЕХНИЧЕСКИЕ НОРМАТИВЫ.
Некоммерческая онлайн система, содержащая все Российские Госты, национальные Стандарты и нормативы.
В Системе содержится более 150000 файлов нормативно-технической документации, действующей на территории РФ.
Система предназначена для широкого круга инженерно-технических специалистов.

Рейтинг@Mail.ru Яндекс цитирования

Copyright © www.gostrf.com, 2008 - 2026