Крупнейшая бесплатная информационно-справочная система онлайн доступа к полному собранию технических нормативно-правовых актов РФ. Огромная база технических нормативов (более 150 тысяч документов) и полное собрание национальных стандартов, аутентичное официальной базе Госстандарта. GOSTRF.com - это более 1 Терабайта бесплатной технической информации для всех пользователей интернета. Все электронные копии представленных здесь документов могут распространяться без каких-либо ограничений. Поощряется распространение информации с этого сайта на любых других ресурсах. Каждый человек имеет право на неограниченный доступ к этим документам! Каждый человек имеет право на знание требований, изложенных в данных нормативно-правовых актах!

  


 

МЕЖГОСУДАРСТВЕННЫЙ СТАНДАРТ

ДРЕВЕСИНА
Методы определения модуля упругости при статическом изгибе

ГОСТ
16483.9-73*

Wood. Methods for determination of modulus
of elasticity in static bending

Взамен ГОСТ 16483.9-72

* Переиздание (сентябрь 1999 г.) с Изменениями №1, 2, утвержденными в январе 1980 г., октябре 1988 г. (ИУС 3-80, 1-89)

Постановлением Государственного комитета стандартов Совета Министров СССР от 23.10.73 № 2364 дата введения установлена

01.07.74

Ограничение срока действие снято по протоколу № 3-93 Межгосударственного Совета по стандартизации, метрологии и сертификация (ИУС 5-6-93)

Настоящий стандарт распространяется на древесину и устанавливает методы определения модуля упругости при статическом изгибе.

Стандарт соответствует СТ СЭВ 1142-78 и ИСО 3349-75 в части определения модуля упругости при статическом изгибе кондиционированных образцов.

Методы не распространяются на авиационные пиломатериалы и заготовки.

(Измененная редакция, Изм. № 1).

1. МЕТОД ОПРЕДЕЛЕНИЯ МОДУЛЯ УПРУГОСТИ ПРИ СТАТИЧЕСКОМ ИЗГИБЕ

Метод предназначен для определения модуля упругости древесины при кондиционировании образцов по ГОСТ 16483.0-89.

1.1. Аппаратура

1.1.1. Машина испытательная по ГОСТ 28840-90, обеспечивающая скорость нагружения образца или перемещение нагружающей головки, позволяющая измерять нагрузку с погрешностью не более 1 %.

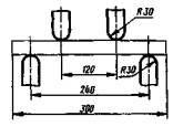
1.1.2. Приспособление, схема которого изображена на черт. 1, или подобное ему, для создания симметричной относительно длины образца зоны чистого изгиба, состоящее из двух опор и расположенных между ними двух нагружающих ножей.

1 - индикатор; 2 - держатель; 3 - скоба-упор; 4 - винт; 5 - образец
Черт. 1

Расстояние между центрами опор должно быть 240 мм, а между нагружающими ножами - 1/2 расстояния между центрами опор. Радиус закругления опор и ножей должен быть 30 мм.

1.1.3. Прибор для измерения прогиба образца в зоне чистого изгиба, состоящий из следующих умов:

- измерительного устройства линейных перемещений с погрешностью измерения не более 0,001 мм;

- приспособления для крепления устройства по нейтральной оси образца симметрично относительно середины его длины с расстоянием между точками закрепления, равным расстоянию между нагружающими ножами;

- приспособления, закрепляемого по нейтральной оси образца в середине его длины и используемого в качестве начала отсчета прогиба образца.

1.1.4. Штангенциркуль по ГОСТ 166-89 с погрешностью измерения не более 0,1 мм.

1.1.5. Аппаратура для определения влажности древесины по ГОСТ 16483.7-71.

1.1.1 - 1.1.5. (Введены дополнительно, Изм. № 1).

1.2. Подготовка к испытанию

1.2.1. Образцы изготовляют в форме прямоугольного бруска сечением 20×20 мм и длиной вдоль волокон 300 мм.

1.2.2. Точность изготовления, влажность и количество образцов должны соответствовать требованиям ГОСТ 16483.0-89.

1.3. Проведение испытания

1.3.1. Испытание проводят при действии изгибающего усилия перпендикулярно радиальной поверхности образца, изгиб тангентальный. Допускается проводить испытания при радиальном изгибе.

1.3.2. На середине длины образца измеряют с погрешностью не более 0,1 мм ширину b в радиальном и высоту h в тангентальном направлениях при тангентальном изгибе. При радиальном изгибе измеряют ширину b в тангентальном и высоту h в радиальном направлениях.

1.3.3. Образец с закрепленным на нем по нейтральной линии прибором для измерения прогиба в зоне чистого изгиба нагружают по схеме, изображенной на черт. 2.

Черт. 2

Испытание образца выполняют с постоянной скоростью нагружения или постоянной скоростью перемещения нагружающей головки испытательной машины для обеспечения нагружения образца до 800 Н за 30 с. Когда нагрузка достигнет 800 Н, образец плавно разгружают до 200 Н, после чего вновь нагружают до 800 Н и разгружают до 200 Н. При последующих четырех нагружениях в момент достижения нагрузки 300 и 800 Н измеряют в течение не более 10 с прогиб с погрешностью не более 0,001 мм.

Если в диапазоне нагрузок от 300 до 800 Н деформация непропорциональна нагрузке, то верхний и нижний пределы нагружения изменяют так, чтобы получаемые величины прогиба были в пределах прямолинейного участка диаграммы «нагрузка-деформация», при этом верхний предел нагружения не должен превышать 50 % от разрушающей нагрузки.

Прямолинейный участок диаграммы определяют по результатам предварительных испытаний подобных образцов.

При использовании машины с электромеханическим приводом допускается проводить испытания с равномерной скоростью нагружения (1500 ± 300) Н/мин при условии достижения нагрузки 800 Н за 30 с. При этом условии допускается проводить испытания при скорости перемещения нагружающей головки испытательной машины (15 ± 5) мм/мин.

(Измененная редакция, Изм. № 1, 2).

1.3.4. После испытания определяют влажность образцов в соответствии с требованиями ГОСТ 16483.7-71.

Пробу для определения влажности вырезают длиной 30 мм из середины длины образца.

Минимальное количество испытываемых на влажность образцов должно соответствовать ГОСТ 16483.0-89.

(Измененная редакция, Изм. № 1).

1.4. Обработка результатов

1.4.1. Модуль упругости древесины при кондиционировании образцов (EW) в ГПа вычисляют по формуле

где p - нагрузка, равная разности между верхним и нижним пределами нагружения, Н;

l - расстояние между опорами;

b - ширина образца, мм;

h - высота образца, мм;

f - прогиб образца в зоне чистого изгиба, равный разности между средними арифметическими результатами измерения прогиба при верхнем и нижнем пределах нагружения, мм.

Вычисление производят с округлением до 0,1 ГПа.

1.4.2. Модуль упругости (EW) в ГПа пересчитывают на влажность 12 % по формулам:

для образцов с влажностью меньше предела гигроскопичности

где EW - модуль упругости образца с влажностью W в момент испытания, ГПа;

α - поправочный коэффициент, равный 0,01 на 1% влажности;

W - влажность образца в момент испытания, %;

для образцов с влажностью, равной или больше предела гигроскопичности

где EW - модуль упругости образца с влажностью W в момент испытания, ГПа;

 - коэффициент пересчета при влажности 30 %, равный: 0,80 - для хвойных пород; 0,89 - для кольцесосудистых пород; 0,77 - для бука; 0,82 - для березы и других рассеяннососудистых пород.

Вычисление производят с округлением до 0,1 ГПа.

1.4.3. Статистическую обработку опытных данных выполняют по ГОСТ 16483.0-89.

1.4.4. Результаты испытаний и расчетов заносят в протокол испытаний, форма которого приведена в приложении 1.

2. МЕТОД ОПРЕДЕЛЕНИЯ МОДУЛЯ УПРУГОСТИ ПРИ СТАТИЧЕСКОМ ИЗГИБЕ НЕКОНДИЦИОНИРОВАННЫХ ОБРАЗЦОВ

2.1. Аппаратура по п. 1.1.

2.2. Под готовка к испытанию

2.2.1. Образцы изготовляют по п. 1.2.1.

2.2.2. Точность изготовления и количество образцов должны соответствовать требованиям ГОСТ 16483.0-89.

2.2.3. Образцы должны находиться до испытания в условиях, исключающих изменение их начальной влажности.

2.3. Проведение испытания по пп. 1.3.1 - 1.3.3. После испытания определяют влажность каждого образца с погрешностью не более 1% по ГОСТ 16483.7-71. Пробу на влажность длиной 30 мм вырезают из середины длины образца. Влажность образцов из свежесрубленной древесины не определяют.

2.4. Обработка результатов

2.4.1. Модуль упругости образца с влажностью в момент испытания (EW) в ГПа вычисляют по формуле

где p - нагрузка, равная разности между верхним и нижним пределом нагружения, Н;

l - расстояние между опорами;

b - ширина образца, мм;

h - высота образца, мм;

f - прогиб образца в зоне чистого изгиба, равный разности между средними арифметическими результатами измерения прогиба при верхнем и нижнем пределах нагружения, мм.

Вычисление производят с округлением до 0,1 ГПа.

2.4.2. Модуль упругости пересчитывают на влажность 12 % (E12) в ГПа по формуле

где  - коэффициент пересчета, определяемый по таблице при известной плотности древесины.

Влажность, %

Коэффициент пересчета  при плотности ρ12, кг/м3

400

450

500

550

600

650

700

750

800

850

900

5

1,095

1,090

1,080

1,075

1,069

1,061

1,055

1,049

1,044

1,037

1,032

6

1,085

1,080

1,072

1,066

1,061

1,055

1,049

1,044

1,039

1,034

1,029

7

1,075

1,070

1,065

1,057

1,052

1,048

1,042

1,036

1,033

1,029

1,025

8

1,060

1,058

1,055

1,050

1,044

1,039

1,035

1,031

1,027

1,024

1,020

9

1,047

1,046

1,040

1,038

1,035

1,030

1,027

1,025

1,021

1,019

1,015

10

1,034

1,030

1,028

1,025

1,022

1,020

1,018

1,016

1,014

1,012

1,010

11

1,017

1,015

1,014

1,013

1,012

1,011

1,010

1,009

1,007

1,005

1,004

12

1,000

1,000

1,000

1,000

1,000

1,000

1,000

1,000

1,000

1,000

1,000

13

0,985

0,986

0,987

0,988

0,989

0,990

0,991

0,991

0,992

0,993

0,994

14

0,965

0,968

0,971

0,974

0,977

0,979

0,981

0,982

0,983

0,985

0,987

15

0,948

0,950

0,955

0,959

0,963

0,967

0,970

0,973

0,975

0,978

0,981

16

0,930

0,935

0,940

0,945

0,950

0,955

0,960

0,963

0,967

0,971

0,975

17

0,910

0,918

0,925

0,931

0,937

0,945

0,950

0,954

0,960

0,964

0,969

18

0,895

0,900

0,910

0,916

0,925

0,932

0,939

0,945

0,951

0,957

0,962

19

0,875

0,885

0,894

0,901

0,912

0,920

0,927

0,935

0,942

0,950

0,955

20

0,858

0,870

0,880

0,890

0,900

0,910

0,917

0,925

0,934

0,942

0,950

21

0,840

0,850

0,865

0,876

0,889

0,899

0,907

0,915

0,926

0,934

0,943

22

0,825

0,840

0,851

0,864

0,877

0,890

0,900

0,909

0,918

0,928

0,937

23

0,810

0,823

0,838

0,851

0,867

0,880

0,891

0,901

0,912

0,922

0,932

24

0,794

0,810

0,825

0,840

0,856

0,870

0,881

0,892

0,904

0,915

0,926

25

0,780

0,796

0,812

0,829

0,846

0,861

0,872

0,887

0,900

0,911

0,921

26

0,765

0,782

0,800

0,816

0,836

0,851

0,865

0,880

0,892

0,904

0,915

27

0,750

0,770

0,789

0,806

0,826

0,842

0,857

0,872

0,887

0,900

0,911

28

0,740

0,760

0,777

0,798

0,817

0,835

0,851

0,866

0,881

0,895

0,908

29

0,730

0,750

0,767

0,786

0,809

0,827

0,844

0,861

0,877

0,891

0,904

30

0,715

0,735

0,756

0,776

0,800

0,820

0,839

0,854

0,871

0,885

0,900

Примечание. Коэффициенты пересчета  для промежуточных значений плотности определяют линейным интерполированием коэффициентов  для смежных значений плотности.

Пример. Коэффициент пересчета  для породы с плотностью 650 кг/м3 равен 0,820. Коэффициент  для породы с плотностью 700 кг/м3 равен 0,839. Коэффициент  для породы с плотностью 670 кг/м3 определяют по формуле

В случае, если определение плотности не производилось, модуль упругости (E12) вычисляют в ГПа по формуле

где α - поправочный коэффициент, равный: 0,019 - для хвойных пород; 0,012 - для кольцесосудистых пород; 0,013 - для бука; 0,010 - на 1 % влажности - для березы и других рассеянно-сосудистых пород.

Вычисление производят с округлением до 0,1 ГПа.

2.4.3. Статистическую обработку опытных данных выполняют по ГОСТ 16483.0-89.

2.4.4. Результаты испытаний и расчетов заносят в протокол испытаний, форма которого приведена в приложении 2.

ПРИЛОЖЕНИЕ 1
Рекомендуемое

ПРОТОКОЛ
определения модуля упругости при статическом изгибе

Порода________________________

Температура воздуха Θ, °С_____________

Скорость нагружения, Н/мин_______________________________________________________

Степень насыщенности воздуха φ, %________________________________________________

 

Маркировка

Размеры поперечного сечения образца, мм

Отсчет по прогибомеру при нагрузке Н

Влажность W, %

Модуль упругости, ГПа

Примечание

b

h

300

800

EW

E12

 

 

 

 

 

 

 

 

 

 

«_____»_________________19_____

Подпись_________________________

ПРИЛОЖЕНИЕ 2
Рекомендуемое

ПРОТОКОЛ
определения модуля упругости при статическом изгибе некондиционированных образцов

Порода____________________________

Температура воздуха Θ, °С______________

Скорость нагружения, Н/мин__________

Степень насыщенности воздуха φ, %______

Вид изгиба_________________________

 

 

Маркировка

Размеры поперечного сечения образца, мм

Отсчеты по прогибомеру при нагрузке, Н

Влажность W,%

Коэффициент пересчета

Модуль упругости, ГПа

Примечание

b

h

300

800

EW

E12

 

 

 

 

 

 

 

 

 

 

 

«_____»_________________19_____

Подпись_________________________

ПРИЛОЖЕНИЕ 3
Справочное

Информационные данные о соответствии ГОСТ 16483.9-73 и СТ СЭВ 1142-78

Разд. 1 ГОСТ 16483.9-73 соответствует СТ СЭВ 1142-78.

ПРИЛОЖЕНИЕ 3. (Введено дополнительно, Изм. № 1).

 




ГОСТЫ, СТРОИТЕЛЬНЫЕ и ТЕХНИЧЕСКИЕ НОРМАТИВЫ.
Некоммерческая онлайн система, содержащая все Российские Госты, национальные Стандарты и нормативы.
В Системе содержится более 150000 файлов нормативно-технической документации, действующей на территории РФ.
Система предназначена для широкого круга инженерно-технических специалистов.

Рейтинг@Mail.ru Яндекс цитирования

Copyright © www.gostrf.com, 2008 - 2026