Крупнейшая бесплатная информационно-справочная система онлайн доступа к полному собранию технических нормативно-правовых актов РФ. Огромная база технических нормативов (более 150 тысяч документов) и полное собрание национальных стандартов, аутентичное официальной базе Госстандарта. GOSTRF.com - это более 1 Терабайта бесплатной технической информации для всех пользователей интернета. Все электронные копии представленных здесь документов могут распространяться без каких-либо ограничений. Поощряется распространение информации с этого сайта на любых других ресурсах. Каждый человек имеет право на неограниченный доступ к этим документам! Каждый человек имеет право на знание требований, изложенных в данных нормативно-правовых актах!

  


 

ГОСУДАРСТВЕННЫЙ СТАНДАРТ СОЮЗА ССР

СРЕДСТВА ПАКЕТИРОВАНИЯ

ОБВЯЗКА ДЛЯ ПАКЕТОВ ПИЛОМАТЕРИАЛОВ
ИЗ СТАЛЬНОЙ УПАКОВОЧНОЙ ЛЕНТЫ

ГОСТ 21214-75

ГОСУДАРСТВЕННЫЙ КОМИТЕТ СТАНДАРТОВ
СОВЕТА МИНИСТРОВ СССР

Москва

РАЗРАБОТАН

Центральным научно-исследовательским институтом механической обработки древесины (ЦНИИМОД)

Зам. директора Фонкин В. Ф.

Руководитель темы Шестаков В. П.

Исполнитель Козлов В. Ф.

Всесоюзным научно-исследовательским институтом по нормализации в машиностроении (ВНИИНМАШ)

Зам. директора Потемкин Л. В.

Руководитель темы Махсон М. А.

Исполнитель Комарова Р. X.

ВНЕСЕН Министерством лесной и деревообрабатывающей промышленности СССР

Зам. директора Ступнев Г. К.

ПОДГОТОВЛЕН К УТВЕРЖДЕНИЮ Всесоюзным научно-исследовательским институтом по нормализации в машиностроении (ВНИИНМАШ)

Директор Верченко В. Р.

УТВЕРЖДЕН И ВВЕДЕН В ДЕЙСТВИЕ Постановлением Государственного комитета стандартов Совета Министров СССР от 4 ноября 1975 г. № 2775

ГОСУДАРСТВЕННЫЙ СТАНДАРТ СОЮЗА ССР

СРЕДСТВА ПАКЕТИРОВАНИЯ

Обвязка для пакетов
пиломатериалов из стальной упаковочной ленты

Means ov packaging. Straps for lumber
packages from steel band

ГОСТ
21214-75

Постановлением Государственного комитета стандартов Совета Министров СССР от 4 ноября 1975 г. № 2775 срок действия установлен

с 01.01. 77

до 01.01. 82

Несоблюдение стандарта преследуется по закону

Настоящий стандарт распространяется на обвязки разового пользования из стальной упаковочной лепты, предназначенные для сохранения формы и конструкции транспортных пакетов прямоугольного сечения, сформированных по ГОСТ 16369-70 и ГОСТ 19041-73.

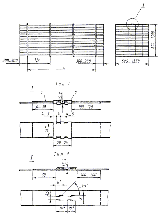
1. ТИПЫ И РАЗМЕРЫ

1.1. В зависимости от вида соединения концов ленты устанавливаются два типа обвязок:

1 - с пломбовым соединением;

2 - с беспломбовым соединением.

1.2. Основные размеры узлов соединения должны соответствовать указанным на чертеже.

Пример условного обозначения:

Обвязки с пломбовым соединением из ленты толщиной 0,5 мм:

Обвязка 1-0,5 ГОСТ 21214-75

то же, с беспломбовым соединением из ленты толщиной 0,7 мм:

Обвязка 2-0,7 ГОСТ 21214-75

1 - лента; 2 - пломба

___________

* Размеры для справок.

2. ТЕХНИЧЕСКИЕ ТРЕБОВАНИЯ

2.1. Обвязки должны быть изготовлены из стальной холоднокатаной низкоуглеродистой, нагартованной ленты нормальной точности изготовления по ГОСТ 3560-73, шириной 20 мм с временным сопротивлением разрыву не менее 600 Н/мм2 (60 кгс/мм2). Толщина ленты должна быть:

0,5 мм - для обвязки пакетов шириной и высотой до 800 мм;

0,7 мм - для обвязки пакетов шириной и высотой свыше 800 мм.

2.2. Пломбы для обвязки должны изготовляться из ленты стальной холоднокатаной низкоуглеродистой, полунагартованной, нормальной точности изготовления, толщиной 0,5 мм и шириной 20 мм по ГОСТ 3560-73. Допускается изготовлять пломбы шириной до 24 мм из стали такого же качества.

2.3. Боковое смещение одного конца ленты относительно другого в соединении не должно превышать 1 мм.

2.4. Усилие натяжения обвязки, создаваемое упаковочным инструментом должно быть:

3000-2000 Н (300-200 кгс) - для ленты толщиной 0,5 мм;

4000-3000 Н (400-300 кгс) - для ленты толщиной 0,7 мм.

2.5. Прочность узла соединения должна быть не менее:

3500 Н (350 кгс) - для ленты толщиной 0,5 мм;

4500 Н (450 кгс) - для ленты толщиной 0,7 мм.

2.6. Соединение концов обвязки должно производиться только после натяжения ее согласно п. 2.4 и располагаться в верхней ветви обвязки.

2.7. Расположение просечек на ленте и пломбе должно быть симметричным. Смещение просечек относительно оси ленты и пломбы не должно превышать 1 мм. При некачественном изготовлении пломбового соединения ставится дополнительная пломба.

2.8. Количество и размещение обвязок на пакете должно соответствовать ГОСТ 19041-73.

3. ПРАВИЛА ПРИЕМКИ

3.1. Для проверки соответствия обвязок требованиям настоящего стандарта предприятие-поставщик пиломатериалов должно проводить приемо-сдаточные испытания упакованных пакетов пиломатериалов. При этом испытаниям подвергают 5 % обвязок от общего их количества, но не менее 6 шт.

3.2. Испытания проводят на соответствие требованиям пп. 2.4, 2.6 и 2.7.

3.3. При получении неудовлетворительных результатов проверки хотя бы по одному показателю следует проводить повторную проверку удвоенного количества обвязок.

Результат повторной проверки является окончательным и распространяется на всю партию.

4. МЕТОДЫ ИСПЫТАНИЙ

4.1. Усиление натяжения обвязок определяют по величине прогиба ленты при оттягивании ее с усилием 10 кгс, прикладываемым к середине боковой ветви обвязки. Величина прогиба ленты, измеряемая в месте приложения силы на длине, равной 1000 мм, должна составлять:

от 7 до 10 мм - для ленты толщиной 0,5 мм;

от 5 до 7 мм - для ленты толщиной 0,7 мм.

4.2. Регулярно через 30 рабочих смен производят контроль работы упаковочного инструмента посредством испытания на растяжение образцов соединений, полученных вырезкой из обвязок, по ГОСТ 11701-66.

СОДЕРЖАНИЕ

 

 




ГОСТЫ, СТРОИТЕЛЬНЫЕ и ТЕХНИЧЕСКИЕ НОРМАТИВЫ.
Некоммерческая онлайн система, содержащая все Российские Госты, национальные Стандарты и нормативы.
В Системе содержится более 150000 файлов нормативно-технической документации, действующей на территории РФ.
Система предназначена для широкого круга инженерно-технических специалистов.

Рейтинг@Mail.ru Яндекс цитирования

Copyright © www.gostrf.com, 2008 - 2026