Крупнейшая бесплатная информационно-справочная система онлайн доступа к полному собранию технических нормативно-правовых актов РФ. Огромная база технических нормативов (более 150 тысяч документов) и полное собрание национальных стандартов, аутентичное официальной базе Госстандарта. GOSTRF.com - это более 1 Терабайта бесплатной технической информации для всех пользователей интернета. Все электронные копии представленных здесь документов могут распространяться без каких-либо ограничений. Поощряется распространение информации с этого сайта на любых других ресурсах. Каждый человек имеет право на неограниченный доступ к этим документам! Каждый человек имеет право на знание требований, изложенных в данных нормативно-правовых актах!

  


 

ГОСТ 2.701-84

МЕЖГОСУДАРСТВЕННЫЙ СТАНДАРТ

ЕДИНАЯ СИСТЕМА КОНСТРУКТОРСКОЙ ДОКУМЕНТАЦИИ

СХЕМЫ

ВИДЫ И ТИПЫ. ОБЩИЕ ТРЕБОВАНИЯ К ВЫПОЛНЕНИЮ

ИПК ИЗДАТЕЛЬСТВО СТАНДАРТОВ

Москва

МЕЖГОСУДАРСТВЕННЫЙ СТАНДАРТ

Единая система конструкторской документации

СХЕМЫ

Виды и типы. Общие требования к выполнению

Unified system for design documentation. Diagrams. Kinds and types.
General requirements for fulfilment

ГОСТ
2.701-84

Взамен
ГОСТ 2.701-76

Постановлением Государственного комитета СССР по стандартам от 29 августа 1984 г. № 3038 дата введения установлена

01.07.85

Настоящий стандарт распространяется на схемы, выполняемые вручную или автоматизированным способом, изделий всех отраслей промышленности, а также электрические схемы энергетических сооружений (электрических станций, электрооборудования промышленных предприятий и т. п.), устанавливает виды и типы схем и общие требования к их выполнению.

Пояснения терминов, использованных в стандарте, приведены в приложении 1.

Стандарт полностью соответствует СТ СЭВ 651-77.

1. ВИДЫ И ТИПЫ СХЕМ

1.1. Схемы в зависимости от видов элементов и связей, входящих в состав изделия (установки), подразделяют на следующие виды:

- электрические;

- гидравлические;

- пневматические;

- газовые (кроме пневматических);

- кинематические;

- вакуумные;

- оптические;

- энергетические;

- деления;

- комбинированные.

Примечания:

1. Для изделия, в состав которого входят элементы разных видов, разрабатывают несколько схем соответствующих видов одного типа, например, схема электрическая принципиальная и схема гидравлическая принципиальная или одну комбинированную схему, содержащую элементы и связи разных видов.

2. На схеме одного вида допускается изображать элементы схем другого вида, непосредственно влияющие на работу схемы этого вида, а также элементы и устройства, не входящие в изделие (установку), на которое (которую) составляют схему, но необходимые для разъяснения принципов работы изделия (установки).

Графические обозначения таких элементов и устройств отделяют на схеме штрих-пунктирными линиями, равными по толщине линиям связи, и помещают надписи, указывая в них местонахождение этих элементов, а также необходимые данные.

3. Схему деления изделия на составные части (схему деления) выпускают для определения состава изделия.

1.2. Схемы в зависимости от основного назначения подразделяют на следующие типы:

- структурные;

- функциональные;

- принципиальные (полные);

- соединений (монтажные);

- подключения;

- общие;

- расположения;

- объединенные.

Примечание. Наименования типов схем, указанные в скобках, устанавливают для электрических схем энергетических сооружений.

1.3. Наименование и код схем определяют их видом и типом.

Наименование схемы комбинированной определяют комбинированными видами схем и типов схемы.

Наименование схемы объединенной определяют видом схемы и объединенными типами схемы.

Код схемы должен состоять из буквенной части, определяющей вид схемы, и цифровой части, определяющей тип схемы.

Виды схем обозначают буквами:

- электрические - Э;

- гидравлические - Г;

- пневматические - П;

- газовые (кроме пневматических) - Х;

- кинематические - К;

- вакуумные - В;

- оптические - Л;

- энергетические - Р;

- деления - Е;

- комбинированные - С.

Типы схем обозначают цифрами:

- структурные - 1;

- функциональные - 2;

- принципиальные (полные) - 3;

- соединений (монтажные) - 4;

- подключения - 5;

- общие - 6;

- расположения - 7;

- объединенные - 0.

Например, схема электрическая принципиальная - Э3; схема гидравлическая соединений - Г4; схема деления структурная - Е1; схема электрогидравлическая принципиальная - С3; схема электрогидропневмокинематическая принципиальная - С3; схема электрическая соединений и подключения - Э0; схема гидравлическая структурная, принципиальная и соединений - Г0.

К схемам или взамен схем в случаях, установленных правилами выполнения конкретных видов схем, выпускают в виде самостоятельных документов таблицы, содержащие сведения о расположении устройств, соединениях, местах подключения и другую информацию. Таким документам присваивают код, состоящий из буквы Т и кода соответствующей схемы. Например, код таблицы соединений к электрической схеме соединений - ТЭ4.

В основной надписи (графа 1) документа указывают наименование изделия, а также наименование документа «Таблица соединений».

Таблицы соединений записывают в спецификацию после схем, к которым они выпущены, или вместо них.

Примечания:

1. Допускается разрабатывать схемы совмещенные, когда на схемах одного типа помещают сведения, характерные для схемы другого типа, например, на схеме соединений изделия (установки) показывают его внешние подключения.

При выполнении схем совмещенных должны быть соблюдены правила, установленные для схем соответствующих типов.

Номенклатура, наименования и коды совмещенных схем должны быть установлены в отраслевых стандартах.

2. Если в связи с особенностями изделия (установки) объем сведений, необходимых для его проектирования, регулировки, контроля, ремонта и эксплуатации, не может быть передан в комплекте документации в схемах установленных видов и типов, то допускается разрабатывать схемы прочих видов и типов.

Номенклатура, наименования и коды прочих схем должны быть установлены в отраслевых стандартах.

3. На изделие (установку) допускается выполнять схему определенного вида и типа на нескольких листах или вместо одной схемы определенного вида и типа выполнять совокупность схем того же вида и типа. При этом каждая схема должна быть оформлена как самостоятельный документ.

При выпуске на изделие (установку) нескольких схем определенного вида и типа в виде самостоятельных документов допускается в наименовании схемы указывать название функциональной цепи или функциональной группы (например, схема электрическая принципиальная привода, схема электрическая принципиальная цепей питания; схема гидравлическая принципиальная привода, схема гидравлическая принципиальная смазки, схема гидравлическая принципиальная охлаждения).

В этом случае каждой схеме присваивают обозначение по ГОСТ 2.201-80, как самостоятельному конструкторскому документу и, начиная со второй схемы, к коду схемы в обозначении добавляют через точку арабскими цифрами порядковые номера (например, АБВГ.ХХХХХХ.ХХХЭ3, АБВГ.ХХХХХХ.ХХХЭ3.1; АБВГ.ХХХХХХ.ХХХГ3, АБВГ.ХХХХХХ.ХХХГ3.1, АБВГ.ХХХХХХ.ХХХГ3.2).

4. Таблица соответствия кодов типов электрических схем по данному стандарту и СТ СЭВ 527-77 приведена в приложении 2.

2. ОБЩИЕ ТРЕБОВАНИЯ К ВЫПОЛНЕНИЮ

2.1. Комплект (номенклатура) схем

2.1.1. Номенклатура схем на изделие должна определяться в зависимости от особенностей изделия (установки).

Количество типов схем на изделие (установку) должно быть минимальным, но в совокупности они должны содержать сведения в объеме, достаточном для проектирования, изготовления, эксплуатации и ремонта изделия (установки).

2.1.2. Между схемами одного комплекта конструкторских документов на изделие (установку) должна быть установлена однозначная связь, которая обеспечила бы возможность быстрого отыскания одних и тех же элементов (устройств, функциональных групп), связей или соединений на всех схемах данного комплекта.

2.2. Форматы

2.2.1. Форматы листов схем выбирают в соответствии с требованиями, установленными в ГОСТ 2.301-68 и ГОСТ 2.004-88, при этом основные форматы являются предпочтительными.

При выборе форматов следует учитывать:

1) объем и сложность проектируемого изделия (установки);

2) необходимую степень детализации данных, обусловленную назначением схемы;

3) условия хранения и обращения схем;

4) особенности и возможности техники выполнения, репродуцирования и (или) микрофильмирования схем;

5) возможность обработки схем средствами вычислительной техники.

Выбранный формат должен обеспечивать компактное выполнение схемы, не нарушая ее наглядности и удобства пользования ею.

2.3. Построение схемы

2.3.1. Схемы выполняют без соблюдения масштаба, действительное пространственное расположение составных частей изделия (установки) не учитывают или учитывают приближенно.

2.3.2. Графические обозначения элементов (устройств, функциональных групп) и соединяющие их линии связи следует располагать на схеме таким образом, чтобы обеспечить наилучшее представление о структуре изделия и взаимодействия его составных частей.

Примечания:

1. Допускается располагать условные графические обозначения элементов (устройств, функциональных групп) на схеме в том же порядке, в котором они расположены в изделии, при условии, что это не нарушит удобочитаемость схемы.

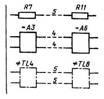
2. При наличии в изделии нескольких одинаковых элементов (устройств, функциональных групп), соединенных параллельно, допускается вместо изображения всех ветвей параллельного соединения изображать только одну ветвь, указав количество ветвей при помощи обозначения ответвления. Около графических обозначений (устройств, функциональных групп), изображенных в одной ветви, проставляют их обозначения. При этом должны быть учтены все элементы, устройства или функциональные группы, входящие в это параллельное соединение (черт. 1).

Черт. 1

Черт. 2

Элементы в этом случае записывают в перечень элементов в одну строку.

3. При наличии в изделии трех и более одинаковых элементов (устройств, функциональных групп), соединенных последовательно, допускается вместо изображения всех последовательно соединенных элементов (устройств, функциональных групп) изображать только первый и последний элементы (устройства, функциональные группы), показывая связи между ними штриховыми линиями.

При присвоении элементам (устройствам, функциональным группам) обозначений должны быть учтены элементы (устройства, функциональные группы), не изображенные на схеме (черт. 2). Над штриховой линией при этом указывают общее количество одинаковых элементов. Элементы в этом случае записывают в перечень элементов в одну строку.

4. Схемы допускается выполнять в пределах условного контура, упрощенно изображающего конструкцию изделия. В этих случаях условные контуры выполняют линиями, равными по толщине линиям связи.

2.3.3. При выполнении схемы на нескольких листах или в виде совокупности схем одного типа рекомендуется:

1) для схем, предназначенных для пояснения принципов работы изделия (функциональная, принципиальная), изображать на каждом листе или на каждой схеме определенную функциональную группу, функциональную цепь (линию, тракт и т. п.);

2) для схем, предназначенных для определения соединений (схема соединений), изображать на каждом листе или на каждой схеме часть изделия (установки), расположенную в определенном месте пространства или определенной функциональной цепи.

2.3.4. Расстояние (просвет) между двумя соседними линиями графического обозначения должно быть не мене 1,0 мм.

Расстояние между соседними параллельными линиями связи должно быть не менее 3,0 мм. Расстояние между отдельными условными графическими обозначениями должно быть не менее 2,0 мм.

2.3.5. Устройства, имеющие самостоятельную принципиальную схему, выполняют на схемах в виде фигуры сплошной линией, равной по толщине линиям связи.

Примечание. Допускается выполнять устройства в виде фигуры линией в два раза толще линии связи.

2.3.6. Функциональную группу или устройство, не имеющее самостоятельной принципиальной схемы, выполняют на схемах в виде фигуры из контурных штрих-пунктирных линий, равных по толщине линиям связи.

Примечание к пп. 2.3.5 - 2.3.6. Фигура, очерченная контурной линией, как правило, должна быть прямоугольником. Допускается выделять части схемы фигурами непрямоугольной формы.

2.3.7. При проектировании изделия, в которое входят несколько разных устройств, на каждое устройство рекомендуется выполнять самостоятельную принципиальную схему.

На устройства, которые могут быть применены в других изделиях (установках) или самостоятельно, следует выполнять самостоятельные принципиальные схемы.

2.3.8. При оформлении схем изделия (установки), в состав которых входят устройства, имеющие самостоятельные принципиальные схемы, каждое такое устройство рассматривают как элемент схемы изделия и изображают его в виде прямоугольника или условного графического обозначения, ему присваивают позиционное обозначение и записывают в перечень элементов одной позицией.

Примечания:

1. Если в изделие (установку) входят несколько устройств, не имеющих самостоятельных принципиальных схем, или функциональных групп, то на схеме изделия (установки) допускается не повторять схемы этих устройств или функциональных групп. При этом устройство или функциональную группу изображают в виде прямоугольника, а схему такого устройства или функциональной группы изображают внутри одного из прямоугольников (большего размера) или помещают на поле схемы с соответствующей надписью, например: «Схема блока АБВГ.ХХХХХХ.ХХХ».

2. При выполнении принципиальной схемы на нескольких листах следует выполнять следующие требования:

1) при присвоении элементам позиционных обозначений соблюдают сквозную нумерацию в пределах изделия (установки);

2) перечень элементов должен быть общим;

3) отдельные элементы допускается повторно изображать на других листах схемы, сохраняя позиционные обозначения, присвоенные им на одном из листов схемы.

3. При разработке на одно изделие нескольких самостоятельных принципиальных схем следует выполнять следующие требования:

1) позиционные обозначения элементам присваивают по правилам, установленным в примечании;

2) в каждой схеме должен быть перечень только тех элементов, позиционные обозначения которым присвоены на этой схеме;

3) отдельные элементы допускается повторно изображать на нескольких схемах, сохраняя за ними позиционные обозначения, присвоенные им на одной из схем.

В этом случае на схемах помещают указания по типу: «Элементы, изображенные на схеме и не включенные в перечень элементов, см. АБВГ.ХХХХХХ.ХХХГ3» или «Гидроклапаны К1 и К5 см. АБВГ.ХХХХХХ.ХХХГ3».

(Измененная редакция, Изм. № 2).

2.4. Графические обозначения

2.4.1. При выполнении схем применяют следующие графические обозначения:

1) условные графические обозначения, установленные в стандартах Единой системы конструкторской документации, а также построенные на их основе;

2) прямоугольники;

3) упрощенные внешние очертания (в том числе аксонометрические).

При необходимости применяют нестандартизованные условные графические обозначения.

При применении нестандартизованных условных графических обозначений и упрошенных внешних очертаний на схеме приводят соответствующие пояснения.

Условные графические обозначения, для которых установлено несколько допустимых (альтернативных) вариантов выполнения, различающихся геометрической формой или степенью детализации, следует применять, исходя из вида и типа разрабатываемой схемы в зависимости от информации, которую необходимо передать на схеме графическими средствами. При этом на всех схемах одного типа, входящих в комплект документации, должен быть применен один выбранный вариант обозначения.

Применение на схемах тех или иных графических обозначений определяют правилами выполнения схем определенного вида и типа.

2.4.2. Условные графические обозначения элементов изображают в размерах, установленных в стандартах на условные графические обозначения. Условные графические обозначения, соотношения размеров которых приведены в соответствующих стандартах на модульной сетке, должны изображаться на схемах в размерах, определяемых по вертикали и горизонтали количеством шагов модульной сетки М (черт. 2а). При этом шаг модульной сетки для каждой схемы может быть любым, но одинаковым для всех элементов и устройств данной схемы.

Условные графические обозначения элементов, размеры которых в указанных стандартах не установлены, должны изображать на схеме в размерах, в которых они выполнены в соответствующих стандартах на условные графические обозначения.

Размеры условных графических обозначений, а также толщины их линий должны быть одинаковыми на всех схемах для данного изделия (установки).

Черт. 2а

Примечания:

1. Все размеры графических обозначений допускается пропорционально изменять.

2. Условные графические обозначения элементов, используемых как составные части обозначений других элементов (устройств), допускается изображать уменьшенными по сравнению с остальными элементами (например, резистор в ромбической антенне, клапаны в разделительной панели).

(Измененная редакция, Изм. № 2).

2.4.3. Графические обозначения на схемах следует выполнять линиями той же толщины, что и линии связи.

2.4.4. Условные графические обозначения элементов изображают на схеме в положении, в котором они приведены в соответствующих стандартах, или повернутыми на угол, кратный 90°, если в соответствующих стандартах отсутствуют специальные указания. Допускается условные графические обозначения поворачивать на угол, кратный 45°, или изображать зеркально повернутыми.

Если при повороте или зеркальном изображении условных графических обозначений может нарушиться смысл или удобочитаемость обозначения, то такие обозначения должны быть изображены в положении, в котором они приведены в соответствующих стандартах.

Условные графические обозначения, содержащие цифровые или буквенно-цифровые обозначения, допускается поворачивать против часовой стрелки только на угол 90 или 45°.

2.5. Линии связи

2.5.1. Линии связи выполняют толщиной от 0,2 до 1,0 мм в зависимости от форматов схемы и размеров графических обозначений. Рекомендуемая толщина линий от 0,3 до 0,4 мм.

2.5.2 Линии связи должны состоять из горизонтальных и вертикальных отрезков и иметь наименьшее количество изломов и взаимных пересечений.

Примечание. В отдельных случаях допускается применять наклонные отрезки линий связи, длину которых следует по возможности ограничивать.

2.5.3. Линии связи, переходящие с одного листа или одного документа на другой, следует обрывать за пределами изображения схемы без стрелок.

Рядом с обрывом линии связи должно быть указано обозначение или наименование, присвоенное этой линии (например, номер провода, номер трубопровода, наименование сигнала или его сокращенное обозначение и т. п.), и в круглых скобках номер листа схемы и зоны при ее наличии при выполнении схемы на нескольких листах, например, лист 5 зона А6 (5, А6), или обозначение документа, при выполнении схем самостоятельными документами, на который переходит линия связи.

2.5.4. Линии связи должны быть показаны, как правило, полностью.

Примечание. Линии связи в пределах одного листа, если они затрудняют чтение схемы, допускается обрывать. Обрывы линий связи заканчивают стрелками. Около стрелок указывают места обозначений прерванных линий, например, подключения, и (или) необходимые характеристики цепей, например, полярность, потенциал, давление, расход жидкости и т. п.

2.5.5. Элементы (устройства, функциональные группы), входящие в изделие и изображенные на схеме, должны иметь обозначения в соответствии со стандартами на правила выполнения конкретных видов схем.

Обозначения могут быть буквенные, буквенно-цифровые и цифровые.

Примечание. Обозначения элементов (устройств, функциональных групп), специфических для определенных отраслей техники, должны быть установлены отраслевыми стандартами.

2.6. Перечень элементов

2.6.1. Перечень элементов помещают на первом листе схемы или выполняют в виде самостоятельного документа.

2.6.2. Перечень элементов оформляют в виде таблицы (черт. 3), заполняемой сверху вниз. В графах таблицы указывают следующие данные:

- в графе «Поз. обозначение» - позиционные обозначения элементов, устройств и функциональных групп;

- в графе «Наименование» - для элемента (устройства) - наименование в соответствии с документом, на основании которого этот элемент (устройство) применен, и обозначение этого документа (основной конструкторский документ, государственный стандарт, отраслевой стандарт, технические условия); - для функциональной группы - наименование;

Черт. 3

- в графе «Примечание» - рекомендуется указывать технические данные элемента (устройства), не содержащиеся в его наименовании.

2.6.3. При выполнении перечня элементов на первом листе схемы его располагают, как правило, над основной надписью.

Расстояние между перечнем элементов и основной надписью должно быть не менее 12 мм.

Продолжение перечня элементов помещают слева от основной надписи, повторяя головку таблицы.

2.6.4. При выпуске перечня элементов в виде самостоятельного документа его код должен состоять из буквы «П» и кода схемы, к которой выпускают перечень, например код перечня элементов к гидравлической принципиальной схеме - ПГ3. При этом в основной надписи (графа 1) указывают наименование изделия, а также наименование документа «Перечень элементов».

Перечень элементов записывают в спецификацию после схемы, к которой он выпущен.

Перечень элементов в виде самостоятельного документа выполняют на формате А4. Основную надпись и дополнительные графы к ней выполняют по ГОСТ 2.104-68 (формы 2 и 2а).

2.6.5. При разбивке поля схемы на зоны перечень элементов дополняют графой «Зона» (черт. 4), указывая в ней обозначение зоны, в которой расположен данный элемент (устройство).

Черт. 4

Примечания:

1. В отдельных случаях сведения об элементах, помещаемые на схеме, могут быть неполными, если их объем установлен в государственных или отраслевых стандартах.

2. На этапах технического предложения, эскизного и технического проектирования сведения об элементах, помещаемые на схеме, могут быть неполными.

3. При необходимости допускается вводить в перечень элементов дополнительные графы, если они не нарушают запись и не дублируют сведений в основных графах.

2.6.6. Элементы в перечень записывают группами в алфавитном порядке буквенных позиционных обозначений.

В пределах каждой группы, имеющей одинаковые буквенные позиционные обозначения, элементы располагают по возрастанию порядковых номеров.

При выполнении на схеме цифровых обозначений в перечень их записывают в порядке возрастания.

Примечания:

1. Для облегчения внесения изменений допускается оставлять несколько незаполненных строк между отдельными группами элементов, а при большом количестве элементов внутри групп - и между элементами.

2. Элементы одного типа с одинаковыми параметрами, имеющие на схеме последовательные порядковые номера, допускается записывать в перечень в одну строку. В этом случае в графу «Поз. обозначение» вписывают только позиционные обозначения с наименьшим и наибольшим порядковыми номерами, например: R3, R4, С8...С12, а в графу «Кол.» - общее количество таких элементов.

Черт. 5

3. При записи элементов одинакового наименования, отличающихся техническими характеристиками и другими данными и имеющих одинаковое буквенное позиционное обозначение, допускается в графе «Наименование» записывать:

наименование этих элементов в виде общего наименования;

в общем наименовании - наименование, тип и обозначение документа (государственный стандарт, технические условия или основной конструкторский документ), на основании которого эти элементы применены (черт. 5).

2.6.7. При присвоении позиционных обозначений элементам в пределах групп устройств или при вхождении в изделие одинаковых функциональных групп в перечень элементов, элементы, относящиеся к устройствам и функциональным группам, записывают отдельно.

Запись элементов, входящих в каждое устройство (функциональную группу), начинают с наименования устройства или функциональной группы, которое записывают в графе «Наименование» и подчеркивают. При автоматизированном проектировании наименование устройства (функциональной группы) допускается не подчеркивать.

Ниже наименования устройства (функциональной группы) должна быть оставлена одна свободная строка, выше - не менее одной свободной строки.

Примечания:

1. Если в состав изделия входят неодинаковые функциональные группы, то этот способ записи является допустимым.

2. Если на схеме изделия имеются элементы, не входящие в устройства (функциональные группы), то при заполнении перечня элементов вначале записывают эти элементы без заголовка, а затем устройства, не имеющие самостоятельных принципиальных схем, и функциональные группы с элементами, входящими в них.

3. Если в изделии имеется несколько одинаковых устройств или функциональных групп, то в перечне указывают количество элементов, входящих в одно устройство (функциональную группу).

Общее количество одинаковых устройств (функциональных групп) указывают в графе «Кол.» на одной строке с заголовком.

4. Если в изделии имеются элементы, не являющиеся самостоятельными конструкциями, то при записи их в перечень графу «Наименование» не заполняют, а в графе «Примечание» помещают поясняющую надпись или ссылку на поясняющую надпись на поле схемы (черт. 6).

Черт. 6

2.7. Текстовая информация

2.7.1. На схемах допускается помещать различные технические данные, характер которых определяется назначением схемы. Такие сведения указывают либо около графических обозначений (по возможности справа или сверху), либо на свободном поле схемы. Около графических обозначений элементов и устройств помещают, например, номинальные значения их параметров, а на свободном поле схемы - диаграммы, таблицы, текстовые указания (диаграммы последовательности временных процессов, циклограммы, таблицы замыкания контактов коммутирующих устройств, указания о специфических требованиях к монтажу и т. п.).

2.7.2. Текстовые данные приводят на схеме в тех случаях, когда содержащиеся в них сведения нецелесообразно или невозможно выразить графически или условными обозначениями.

Содержание текста должно быть кратким и точным. В надписях на схемах не должны применяться сокращения слов, за исключением общепринятых или установленных в стандартах.

Текстовые данные в зависимости от их содержания и назначения могут быть расположены:

- рядом с графическими обозначениями;

- внутри графических обозначений;

- над линиями связи;

- в разрыве линий связи;

- рядом с концами линий связи;

- на свободном поле схемы.

2.7.3. Текстовые данные, относящиеся к линиям, ориентируют параллельно горизонтальным участкам соответствующих линий.

При большой плотности схемы допускается вертикальная ориентация данных.

2.7.4. На схеме около условных графических обозначений элементов, требующих пояснения в условиях эксплуатации (например, переключатели, потенциометры, регуляторы и т. п.), помещают соответствующие надписи, знаки или графические обозначения.

Надписи, знаки или графические обозначения, предназначенные для нанесения на изделие, на схеме заключают в кавычки.

Если на изделие должна быть нанесена надпись в кавычках, то на поле схемы приводят соответствующие указания.

2.7.5. На поле схемы над основной надписью допускается помещать необходимые технические указания, например, требования о недопустимости совместной прокладки некоторых проводов, жгутов, кабелей, трубопроводов, величины минимально допустимых расстояний между проводами, жгутами, жгутами и кабелями, трубопроводами, данные о специфичности прокладки и защиты проводов, жгутов, кабелей и трубопроводов и т. п. При выполнении схемы на нескольких листах технические указания, являющиеся общими для всей схемы, следует располагать на свободном поле (по возможности над основной надписью) первого листа схемы, а технические указания, относящиеся к отдельным элементам, располагают или в непосредственной близости от изображения элемента или на свободном поле того листа, где они являются наиболее необходимыми для удобства чтения схемы.

2.8. Правила выполнения комбинированных схем

2.8.1. Элементы (устройства, функциональные группы) и связи каждого вида (электрические, гидравлические, пневматические и т. п.) изображают на схеме по правилам, установленным для соответствующих видов схем данного типа.

2.8.2. Сведения, помещаемые на схеме и оформление схемы в целом, следует определять по правилам, установленным для соответствующих видов схем данного типа.

2.8.3. Элементам одного вида схем на схеме присваивают позиционные обозначения, сквозные в пределах схемы. Для различия одинакового написания их следует подчеркивать, начиная с элементов, относящихся ко второй по виду схеме, указанной в наименовании. Эти правила следует выполнять для устройств и функциональных групп.

Например, схема электрогидравлическая принципиальная - одной чертой для гидравлических элементов (устройств, функциональных групп); схема гидропневматическая принципиальная - одной чертой для пневматических элементов (устройств, функциональных групп), двумя - для кинематических.

ПРИЛОЖЕНИЕ 1

Справочное

Пояснения терминов, использованных в стандарте

1. Элемент схемы - составная часть схемы, которая выполняет определенную функцию в изделии и не может быть разделена на части, имеющие самостоятельное назначение и собственные условные графические и буквенно-цифровые обозначения (резистор, контакт реле, труба, насос, муфта и т. п.).

2. Устройство - совокупность элементов, представляющая единую конструкцию (многоконтактное реле, набор транзисторов, плата, блок, шкаф, механизм, разделительная панель и т. п.).

Устройство может не иметь в изделии определенного функционального назначения.

1, 2. (Измененная редакция, Изм. № 2).

3. Функциональная группа - совокупность элементов, выполняющих в изделии определенную функцию и не объединенных в единую конструкцию.

4. Функциональная часть - элемент, устройство, функциональная группа.

5. Функциональная цепь - линия, канал, тракт определенного назначения (канал звука, видеоканал, тракт СВЧ и т. п.).

6. Линия взаимосвязи - отрезок линии, указывающей на наличие связи между функциональными частями изделия.

7. Установка - условное наименование объекта в энергетических сооружениях, на который выпускается схема, например, главные цепи.

8. Схема структурная - схема, определяющая основные функциональные части изделия, их назначение и взаимосвязи.

Схемы структурные разрабатывают при проектировании изделий (установок) на стадиях, предшествующих разработке схем других типов, и пользуются ими для общего ознакомления с изделием (установкой).

9. Схема функциональная - схема, разъясняющая определенные процессы, протекающие в отдельных функциональных цепях изделия (установки) или в изделии (установке) в целом.

Схемами функциональными пользуются для изучения принципов работы изделий (установок), а также при их наладке, контроле и ремонте.

10. Схема принципиальная (полная) - схема, определяющая полный состав элементов и связей между ними и, как правило, дающая детальное представление о принципах работы изделия (установки).

Схемами принципиальными пользуются для изучения принципов работы изделий (установок), а также при их наладке, контроле и ремонте. Они служат основанием для разработки других конструкторских документов, например, схем соединений (монтажных) и чертежей.

11. Схема соединений (монтажная) - схема, показывающая соединения составных частей изделия (установки) и определяющая провода, жгуты, кабели или трубопроводы, которыми осуществляются эти соединения, а также места их присоединений и ввода (разъемы, платы, зажимы и т. п.).

Схемами соединений (монтажными) пользуются при разработке других конструкторских документов, в первую очередь, чертежей, определяющих прокладку и способы крепления проводов, жгутов, кабелей или трубопроводов в изделии (установке), а также для осуществления присоединений и при контроле, эксплуатации и ремонте изделий (установок).

12. Схема подключения - схема, показывающая внешние подключения изделия.

Схемами подключения пользуются при разработке других конструкторских документов, а также для осуществления подключений изделий и при их эксплуатации.

13. Схема общая - схема, определяющая составные части комплекса и соединения их между собой на месте эксплуатации.

Схемами общими пользуются при ознакомлении с комплексами, а также при их контроле и эксплуатации. Схему общую на сборочную единицу допускается разрабатывать при необходимости.

14. Схема расположения - схема, определяющая относительное расположение составных частей изделия (установки), а при необходимости, также жгутов, проводов, кабелей, трубопроводов и т. п.

Схемами расположения пользуются при разработке других конструкторских документов, а также при эксплуатации и ремонте изделий (установок).

15. Схема объединенная - схема, когда на одном конструкторском документе выполняют схемы двух или нескольких типов, выпущенных на одно изделие (установку).

ПРИЛОЖЕНИЕ 2

Справочное

Информационные данные о соответствии кодов типов электрических схем по ГОСТ 2.701-84 и СТ СЭВ 527-77

Наименования типов схем

Код типа схемы

по ГОСТ 2.701-84

по СТ СЭВ 527-77

Структурные

1

101

Функциональные

2

102

Принципиальные (полные)

3

201

Эквивалентные

-

202

Соединений (монтажные)

4

301

Подключения

5

303

Общие

6

302

Расположения

7

401

Электрооборудования и проводки на планах

-

402

Электроснабжения и связи

-

403

Объединенные

0

-

СОДЕРЖАНИЕ

 

 




ГОСТЫ, СТРОИТЕЛЬНЫЕ и ТЕХНИЧЕСКИЕ НОРМАТИВЫ.
Некоммерческая онлайн система, содержащая все Российские Госты, национальные Стандарты и нормативы.
В Системе содержится более 150000 файлов нормативно-технической документации, действующей на территории РФ.
Система предназначена для широкого круга инженерно-технических специалистов.

Рейтинг@Mail.ru Яндекс цитирования

Copyright © www.gostrf.com, 2008 - 2026