| |

ГОСУДАРСТВЕННЫЙ
СТАНДАРТ СОЮЗА ССР
ЕДИНАЯ СИСТЕМА КОНСТРУКТОРСКОЙ ДОКУМЕНТАЦИИ
ОБОЗНАЧЕНИЯ УСЛОВНЫЕ
ГРАФИЧЕСКИЕ В СХЕМАХ
ГОСТ 2.721-74
ГОСУДАРСТВЕННЫЙ КОМИТЕТ
СССР ПО СТАНДАРТАМ
Москва
ГОСУДАРСТВЕННЫЙ СТАНДАРТ СОЮЗА ССР
|
Единая система конструкторской документации
ОБОЗНАЧЕНИЯ УСЛОВНЫЕ
ГРАФИЧЕСКИЕ В СХЕМАХ.
ОБОЗНАЧЕНИЯ ОБЩЕГО ПРИМЕНЕНИЯ
Unified
system for design documentation.
Graphical designations in schemes.
Graphical symbols of general use
|
ГОСТ
2.721-74
|
Дата введения 01.07.75
1. Настоящий стандарт устанавливает условные графические
обозначения общего применения на схемах, выполняемых вручную или
автоматизированным способом, изделий всех отраслей промышленности и
строительства.
(Измененная редакция,
Изм. № 1).
2. Обозначения направлений распространения тока, сигнала,
информации и потока энергии, жидкости и газа должны соответствовать приведенным
в табл. 1.
(Измененная редакция,
Изм. № 2).
3. Обозначения направления движения должны соответствовать
приведенным в табл. 2.
4. Обозначения линий механической связи должны
соответствовать приведенным в табл. 3.
5. Обозначения передачи движения должны соответствовать
приведенным в табл. 4.
4, 5. (Измененная
редакция, Изм. № 1).
6. Обозначения регулирования, саморегулирования и
преобразования должны соответствовать приведенным в табл. 5.
(Измененная редакция,
Изм. № 2).
7. Обозначения элементов привода и управляющих устройств
должны соответствовать приведенным в табл. 6, общие элементы условных
графических обозначений, линии для выделения и разделения частей схемы и для
экранирования - в табл. 6а; обозначения заземления и возможных
повреждений изоляции - в табл. 6б; обозначения электрических связей, проводов,
кабелей и шин - в табл. 6вв; обозначения рода тока и напряжения - в табл.
6г;
обозначения видов обмоток в изделиях - в табл. 6д; обозначения форм импульсов
- в табл. 6е;
обозначения сигналов - в табл. 6ж; обозначения видов модуляции - в табл. 6з;
обозначения появления реакций при достижении определенных величин - в табл. 6и;
обозначения веществ (сред) - в табл. 6к; обозначение воздействий,
эффектов, зависимостей - в табл. 6л; обозначения излучений - в табл. 6м;
обозначения прочих квалифицирующих символов - в табл. 6н; обозначения, выполняемые на
алфавитно-цифровых печатающих устройствах, - в табл. 6о.
(Измененная редакция,
Изм. № 1, 2).
8. Размеры условных графических обозначений должны
соответствовать приведенным в табл. 7.
9. Термины, применяемые в стандарте, и их пояснения
приведены в приложении 1. Размеры (в модульной сетке) условных
графических обозначений приведены в приложении 2.
(Введен
дополнительно, Изм. № 2).
Таблица 1
|
Наименование
|
Обозначение
|
|
1. Распространение тока, сигнала, информации и
потока энергии:
|
|
|
а) в одном направлении
|

|
|
б) в обоих направлениях неодновременно
|

|
|
в) в обоих направлениях одновременно
|

|
|
1.1. Направление тока, сигнала, информации и потока
энергии:
|
|
|
а) передача
|

|
|
б) прием
|

|
|
1.2. Распространение энергии в направлениях:
|
|
|
а) от токоведущей шины
|

|
|
б) к токоведущей шине
|

|
|
в) в обоих направлениях
|

|
|
2. Поток жидкости:
|
|
|
а) в одном направлении (например, вправо)
|

|
|
б) в обоих направлениях
|

|
|
3. Поток газа (воздуха):
|
|
|
а) в одном направлении (например, вправо)
|

|
|
б) в обоих направлениях
|

|
|
Примечания к пп. 2 и 3:
|
|
|
1. Если необходимо уточнить рабочую среду в
трубопроводах, то следует применять обозначения по ГОСТ 3464-63.
|
|
|
2. При
выполнении схем автоматизированным способом допускается вместо зачернения применять
наклонную штриховку, например, поток жидкости
|

|
Таблица 2
|
Наименование
|
Обозначение
|
|
1. Движение прямолинейное:
|
|
|
а) одностороннее
|

|
|
б) возвратное
|

|
|
в) одностороннее с выстоем
|

|
|
г) возвратное с выстоем
|

|
|
д) одностороннее с ограничением.
|
|
|
Примечания. Если
необходимо указать, что перемещение осуществляется на определенное
расстояние, то значение расстояния следует проставлять над изображением
стрелки, например, перемещение на 40 мм
|

|
|
е) возвратно-поступательное
|

|
|
2. Движение вращательное:
|
|
|
а) одностороннее
|

|
|
б) возвратное
|

|
|
в) одностороннее с выстоем
|

|
|
г) с ограничением движения в направлении вращения.
|

|
|
Примечание. Если необходимо указать, что поворот
осуществляется на определенный угол, то значение угла поворота следует
проставлять над изображением стрелки, например, поворот осуществляется на
угол 45°
|

|
Таблица
3
|
Наименование
|
Обозначение
|
|
1. Линия механической связи в гидравлических и
пневматических схемах
|

|
|
2. Линия механической связи в электрических схемах.
|

|
|
Примечание. При небольшом
расстоянии между элементами и их составными частями допускается применять
следующее обозначение
|

|
|
2а. Линия механической связи с эластичным элементом
|

|
|
3. Разветвление линии механической связи в
электрических схемах:
|
|
|
а) под углом 90°
|

|
|
б) под углом 45°
|

|
|
4. Пересечение линий механической связи в
электрических схемах:
|
|
|
а) под углом 90°
|

|
|
б) под углом 45°
|

|
Таблица 4
|
Наименование
|
Обозначение
|
|
1. Линия механической связи, передающей движение:
|
|
|
а) прямолинейное одностороннее в направлении, указанном
стрелкой
|

|
|
|

|
|
б) прямолинейное возвратное
|

|
|
в) прямолинейное с ограничением с одной стороны
|

|
|
г) прямолинейное возвратно-поступательное с
ограничением с двух сторон
|

|
|
с ограничением с одной стороны
|

|
|
д) вращательное по часовой стрелке (наблюдатель
слева)
|

|
|
допускается указывать частоту вращения, например, 40
мин-1
|

|
|
е) вращательное в обоих направлениях
|

|
|
ж) вращательное в обоих направлениях с ограничением
с одной стороны
|

|
|
з) вращательное в обоих направлениях с ограничением
с двух сторон
|

|
|
допускается указывать угол поворота, например, 120°
|

|
|
и) вращательное в одном направлении с ограничением
|

|
|
|

|
|
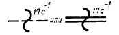
2. Линия механической связи, срабатывающей
периодически (передача периодических движений).
|

|
|
Примечание. Если
необходимо указать частоту срабатывания, то значение частоты следует
проставлять около знака периодичности, например, линия механической связи с
частотой срабатывания 17 с-1
|

|
|
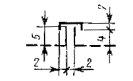
3. Линия механической связи со ступенчатым
движением.
|

|
|
Примечание. При
необходимости следует обозначать число ступеней, например 5
|

|
|
4. Линия механической связи, имеющей выдержку
времени:
|
|
|
а) при движении вправо
|

|
|
б) при движении влево
|

|
|
в) при движении в обоих направлениях.
|

|
|
Примечания:
|
|
|
1. Замедление происходит при движении в направлении
от дуги к центру
|
|
|
2. Если необходимо указать значение
выдержки времени, то его следует проставлять около знака выдержки времени,
например, линия механической связи, имеющей выдержку времени 5 с при движении
вправо
|

|
|
5. Линия механической связи с автоматическим
возвратом до состояния покоя после исчезновения приводящей силы. Возврат в
направлении, указанном стрелкой
|

|
|
6. Движение винтовое:
|
|
|
а) вправо
|

|
|
|

|
|
б) влево
|

|
|
|

|
Таблица 5
|
Наименование
|
Обозначение
|
|
1. Регулирование задействованием органов управления:
|
|
|
а) линейное
|

|
|
б) нелинейное
|

|
|
2. Регулирование автоматическое:
|
|
|
а) линейное
|

|
|
б) нелинейное
|

|
|
3. Саморегулирование, вызванное физическими
процессами или величинами:
|
|
|
а) линейное
|

|
|
б) нелинейное
|

|
|
Примечания:
|
|
|
1. При необходимости уточнения характера регулирования
следует применять следующие обозначения:
|
|
|
а) регулирование плавное
|

|
|
б) регулирование ступенчатое
|

|
|
в) регулирование подстроечное
|

|
|
2. При выполнении указания способа регулирования
следует применять следующие обозначения:
|
|
|
а) регулирование ручкой, выведенной наружу
|

|
|
б) регулирование инструментом; элемент регулирования
(например ось потенциометра) выведен наружу
|

|
|
в) регулирование инструментом; элемент регулирования
(например, ось потенциометра) находится внутри устройства
|

|
|
г) при выполнении схем автоматизированным способом
допускается вместо зачернения применять наклонную штриховку
|

|
|
3. Около квалифицирующего символа допускается
указывать уточняющие данные, например:
|
|
|
а) регулирование при токе, равном нулю
|

|
|
б) регулирование линейное при напряжении равном нулю
|

|
|
в) функциональная зависимость регулирования,
например логарифмическая зависимость
|

|
|
г) при изображении ступенчатого регулирования
допускается указывать число ступеней, например, регулирование пятиступенчатое
|

|
|
д) при необходимости указания направления движения
органа регулирования, при котором происходит увеличение регулируемой
величины, используют стрелку, например, регулирование ручкой, выведенной
наружу
|

|
|
4. Обозначение в соответствии с пп. 1 - 3 должно
пересекать условное графическое обозначение, с которым оно применяется,
например:
|
|
|
а) конденсатор с подстроечным регулированием
|

|
|
б) усилитель с автоматическим регулированием
усиления
|

|
|
4. Функция преобразования, например,
аналого-цифрового
|
X/Y
A/D
|
(Измененная редакция, Изм. № 4).
Таблица 6
|
Наименование
|
Обозначение
|
|
1. Фиксирующий механизм:
|
|
|
а) общее обозначение
|

|
|
б) в положении фиксации
|

|
|
в) приобретающий положение фиксации после
передвижения вправо
|

|
|
г) приобретающий положение фиксации после
передвижения влево
|

|
|
д) приобретающий положение фиксации после
передвижения вправо и влево
|

|
|
|

|
|
2. Механизм с защелкой:
|
|
|
а) общее обозначение
|

|
|
|

|
|
б) препятствующий передвижению влево в фиксированном
положении
|

|
|
в нефиксированном положении
|

|
|
в) препятствующий передвижению вправо в
фиксированном положении
|

|
|
в нефиксированном положении
|

|
|
г) препятствующий передвижению в обе стороны.
|

|
|
Примечание к пп. 1 и 2.
При необходимости следует указывать способ возврата механизма в исходное
положение, например, электромагнитом
|

|
|
3. Механизм свободного расцепления
|

|
|
|

|
|
4. Муфта. Общее обозначение:
|

|
|
а) выключенная
|

|
|
б) включенная
|

|
|
5. Тормоз:
|
|
|
а) общее обозначение
|

|
|
б) в отпущенном состоянии
|

|
|
в) в состоянии торможения.
|

|
|
Примечание к пп. 4 и 5.
При необходимости следует указывать способ включения муфты или тормоза,
например, электромагнитом
|

|
|
6. Поводок
|

|
|
7. Кулачок
|

|
|
8. Линейка (рейка).
|

|
|
Примечание. При
необходимости следует указывать направление движения
|
|
|
9. Пружина
|

|
|
10. Толкатель
|

|
|
11. Ролик
|

|
|
12. Ролик, срабатывающий в одном направлении.
|

|
|
Примечание к пп. 1-12.
При необходимости указания конкретных видов элементов привода следует
применять обозначения по ГОСТ 2.770-68
|
|
|
13. Привод ручной:
|
|
|
а) общее обозначение
|

|
|
б) приводимый в движение ключом
|

|
|
в) приводимый в движение несъемной рукояткой
|

|
|
г) приводимый в движение съемной рукояткой
|

|
|
д) приводимый в движение маховичком
|

|
|
е) приводимый в движение нажатием кнопки
|

|
|
ж) приводимый в движение нажатием кнопки с
ограниченным доступом
|
|
|
з) приводимый в движение вытягиванием кнопки
|

|
|
и) приводимый в движение поворотом кнопки.
|

|
|
Примечание к пп. 13е-13и.
Предполагается, что привод кнопками имеет самовозврат.
|
|
|
к) приводимый в движение рычагом
|

|
|
л) аварийного срабатывания
|

|
|
м) приводимый в движение эффектом близости
|

|
|
н) приводимый в движение прикасанием
|

|
|
о) приводимый в движение с помощью электромагнитной
защиты по типу перегрузки
|

|
|
п) приводимый в движение с помощью электрических
часов
|

|
|
14. Привод ножной
|

|
|
14а. Привод другими частями тела
|

|
|
15. Другие приводы:
|
|
|
а) аккумулятор механической энергии, общее
обозначение.
|

|
|
Примечание. При
необходимости внутри квадрата помещают сведения о виде энергии
|
|
|
б) электромагнитный
|

|
|
в) пневматический или гидравлический
|

|
|
г) электромашинный
|

|
|
д) тепловой (двигатель тепловой)
|

|
|
е) мембранный
|

|
|
ж) поплавковый
|

|
|
з) центробежный
|

|
|
и) с помощью биметалла
|

|
|
к) струйный
|

|
|
л) кулачковый
|

|
|
м) привод линейкой (рейкой)
|

|
|
и) пиропатрон
|

|
|
о) привод механической пружиной
|

|
|
|

|
|
п) привод шестеренчатый
|

|
|
р) привод щупом или прижимной планкой
|

|
(Измененная редакция, Изм. № 4).
Таблица 6а
|
Наименование
|
Обозначение
|
|
1. Прибор,
устройство
|

|
|
2. Баллон
(электровакуумного и ионного прибора), корпус (полупроводникового прибора).
|

|
|
Примечание. Комбинированные электровакуумные приборы при
раздельном изображении систем электродов
|

|
|
3. Линия для
выделения устройств, функциональных групп, частей схемы
|

|
|
4.
Экранирование.
|

|
|
Примечание. При уточнении характера экранирования
(электростатическое или электромагнитное) под изображением линии
экранирования проставляют буквенные обозначения соответственно:
|
|
|
а) электростатическое
|

|
|
б)
электромагнитное
|

|
|
5.
Экранирование группы элементов.
|

|
|
Примечание. Экранирование допускается изображать с любой
конфигурацией контура
|
|
|
6.
Экранирование группы линий электрической связи
|

|
|
7. Индикатор
контрольной точки
|

|
(Измененная редакция, Изм. № 4).
Таблица 6б
|
Наименование
|
Обозначение
|
|
1. Заземление, общее обозначение
|

|
|
2. Бесшумное
заземление (чистое)
|

|
|
3. Защитное
заземление
|

|
|
4.
Электрическое соединение с корпусом (массой).
|

|
|
Примечание. При отсутствии наклонных линий допускается
горизонтальную линию изображать толстой
|
|
|
5.
Эквипотенциальность
|

|
|
6. Возможность
повреждения изоляции, общее обозначение
|

|
|
7. Возможность
повреждения изоляции:
|
|
|
а) между
проводами
|

|
|
б) между
проводом и корпусом (пробой на корпус)
|

|
|
в) между
проводом и землей (пробой на землю).
|

|
|
Примечание. Допускается применять точки для обозначения
повреждения изоляции между проводами
|

|
Таблица 6в
|
Наименование
|
Обозначение
|
|
1. Линия электрической связи, провода, кабели, шины,
линия групповой связи.
|

|
|
Примечания:
|
|
|
1. Допускается защитный проводник (РЕ)
изображать тонкой штрихпунктирной линией
|

|
|
2. При необходимости для линий групповой
связи применяются утолщенные линии
|

|
|
3. При наличии текста к линии
электрической связи, кабелю, шине или к линии групповой связи текст помещают:
|
|
|
а) над линией
|

|
|
б) в разрыве линии
|

|
|
в) в начале или в конце линии
|

|
|
|

|
|
2. Графическое разветвление (слияние) линий
электрической связи в линию групповой связи, разводка жил кабеля или проводов
жгута.
|

|
|
Примечания:
|
|
|
1. Расстояние между соседними линиями, отходящими в
разные стороны, должно быть не менее 2 мм.
|

|
|
2. Для облегчения поиска отдельных линий связи можно
указывать направление каждой линии при помощи излома под углом 45°, при этом:
|
|
а) точка излома должна быть удалена от групповой
линии связи не менее чем на 3 мм;
|
|
б) наклонные участки соседних линий, изображенных по
одну сторону от групповой линии связи, не должны пересекаться или иметь общие
точки
|
|
3. Графическое разветвление (слияние) линий
групповой связи
|

|
|
|

|
|
|

|
|
4. Графический излом линий электрической связи,
линий групповой связи, провода, кабеля, шины:
|
|
|
а) под углом 90°
|

|
|
б) под углом 135°
|

|
|
5. Пересечение линий электрической связи, линий
групповой связи электрически не соединенных проводов, кабелей, шин,
электрически не соединенных.
Линии должны пересекаться под углом 90°
|

|
|
Примечание. Линия,
имеющая излом под углом 135°, не должна пересекаться с другой линией в точке
излома
|

|
|
6. Линия электрической связи с ответвлениями:
|
|
|
а) с одним
|

|
|
б) с двумя.
|

|
|
Примечания:
|
|
|
1. Ответвления допускается изображать под углами,
кратными 45°
|

|
|
|

|
|
2. Линию электрической связи с одним ответвлением
допускается изображать без точки
|

|
|
3. При изображении ответвлений электрической связи
не допускается в качестве точек ответвления использовать элементы условных
графических обозначений, имеющие вид точек, изломов, пересечений и т.д.
|

|
|
|

|
|
4. Если при выполнении схем автоматизированным
способом линии групповой связи выполняют неутолщенными, то для графического
отделения этих линий от пересекающихся с ними или параллельных им линий
электрической связи на линию групповой связи наносят наклонные штрихи.
|

|
|
7. Линии электрической связи, графически сливаемые и
расположенные:
|
|
|
а) вертикально
|

|
|
б) горизонтально.
|

|
|
Примечание. На месте
знаков Х и Y должны быть
указаны условные обозначения линий по ГОСТ 2.702-75
|
|
|
8. Обрыв линии электрической связи.
|

|
|
Примечание. На месте
знака Х указывают необходимые данные о продолжении линии на схеме
|
|
|
9. Шина
|

|
|
|

|
|
10. Ответвление шины
|

|
|
11. Шины, графически пересекающиеся и электрически
не соединенные
|

|
|
12. Отводы (отпайки) от шины.
|

|
|
Примечание к
пп. 9 - 12. Изображение шин при помощи двойных линий применяется в тех
случаях, когда необходимо графически отделить их от изображения линии
электрической связи
|
|
|
13. Группа проводов, подключенных к одной точке
электрического соединения:
|
|
|
а) два провода
|

|
|
б) четыре провода
|

|
|
в) более четырех проводов
|

|
|
14. Линия электрической связи с ответвлением в
несколько параллельных идентичных цепей.
Внутри обозначения ответвления указывают общее
количество параллельных цепей, включая изображенную цепь, например:
|

|
|
изображение
|

|
|
соответствует изображению
|

|
|
15. Группа линий электрической связи, имеющих общее
функциональное назначение, изображенная:
|
|
|
а) однолинейно
|

|
|
б) многолинейно.
|

|
|
Примечания:
|
|
|
1. В однолинейном изображении буква n заменяется
числом, указывающим количество линий в группе, например группа линий
электрической связи, состоящей из семи линий
|

|
|
2. При многолинейном изображении группы для
облегчения поиска линий допускается разбивать группу линий на подгруппы при
помощи интервалов. При этом в каждой подгруппе должно быть одинаковое
количество линий; крайняя подгруппа может содержать меньшее количество линий
|

|
|
3. В однолинейном изображении группы линий
электрической связи, состоящей из 2 - 4 линий, допускается изображать:
|
|
|
а) группу из двух линий
|

|
|
б) группу из трех линий
|

|
|
в) группу из четырех линий
|

|
|
16. Переход группы линий электрической связи,
имеющих общее функциональное назначение, от многолинейного изображения к
однолинейному (например, восемь линий)
|

|
|
17. Группа линий электрической связи, имеющих общее
функциональное назначение, каждая из которых имеет ответвление
|

|
|
18. Группа линий электрической связи, имеющих общее
функциональное назначение и осуществляемых многожильным кабелем, например
семижильным, изображенная:
|
|
|
а) однолинейно
|

|
|
б) многолинейно
|

|
|
19. Группа линий электрической связи, четыре из
которых осуществлены многожильным кабелем
|

|
|
20. Группа линий электрической связи, осуществленная
n скрученными проводами, например,
шестью скрученными проводами, изображенная:
|
|
|
а) однолинейно
|

|
|
б) многолинейно
|

|
|
21. Группа линий электрической связи, четыре из
которых осуществлены скрученными проводами
|

|
|
22. Линия электрической связи, осуществленная гибким
проводом
|

|
|
23. Экранированная линия электрической связи, провод
и кабель с экранированием.
|

|
|
Примечание. При
необходимости обозначение экранирования можно показывать не по всей длине
линии, а на отдельных ее участках
|

|
|
24. Частично экранированные линия электрической
связи, провод и кабель
|

|
|
25. Экранированная линия электрической связи с
ответвлением
|

|
|
26. Экранированная линия электрической связи с
ответвлением от экрана
|

|
|
27. Группа индивидуально экранированных линий
электрической связи, имеющих общее функциональное назначение
|

|
|
28. Группа индивидуально экранированных линий
электрической связи, имеющих общее функциональное назначение и ответвления
|

|
|
29. Группа линий электрической связи в общем экране,
например, шесть линий электрической связи, изображенные:
|
|
|
а) однолинейно
|

|
|
б) многолинейно
|

|
|
30. Группа линий электрической связи, четыре из
которых находятся в общем экране.
|

|
|
Примечание к пп. 23 - 30. Соединение экрана:
|
|
|
а) с корпусом
|

|
|
|

|
|
б) с землей
|

|
|
31. Экранированный провод или кабель с отводом на
землю:
|
|
|
а) от конца экрана
|

|
|
б) от промежуточной точки экрана
|

|
|
32. Коаксиальный кабель
|

|
|
33. Коаксиальный кабель:
|
|
|
а) соединенный с корпусом
|

|
|
б) заземленный
|

|
|
34. Коаксиальный экранированный кабель.
|

|
|
Примечание к пп. 32 - 34
Если коаксиальная структура не продолжается, то касательная к окружности
направлена в сторону изображения коаксиальной структуры
|

|
Примечание. При выполнении схем автоматизированным способом
допускается точки ответвления не зачернять.
Таблица 6г
|
Наименование
|
Обозначение
|
|
1. Постоянный ток, основное обозначение.
|

|
|
Примечание. Если
невозможно использовать основное обозначение, то используют следующее обозначение.
|

|
|
2. Полярность постоянного тока:
|
|
|
а) положительная
|

|
|
б) отрицательная
|

|
|
3. m проводная линия постоянного тока напряжением U, например:
|

|
|
а) двухпроводная линия постоянного тока напряжением
110 В
|

|
|
б) трехпроводная линия постоянного тока, включая
средний провод, напряжением 110 В между каждым внешним проводником и средним
проводом 220 В - между внешними проводниками
|

|
|
4. Переменный ток, основное обозначение.
|

|
|
Примечание. Допускается
справа от обозначения переменного тока указывать величину частоты, например:
|
|
|
переменного тока частотой 10 кГц
|
10 кГц
|
|
переменного тока в диапазоне частот от 100 до 600
кГц
|
100 … 600
кГц
|
|
5. Переменный ток с числом фаз m, частотой f, например, переменный трехфазный ток
частотой 50 Гц
|
m f
|
|
|
3 50Гц
|
|
6. Переменный ток с числом фаз m, частотой f, напряжением U, например:
|
m f U
|
|
а) переменный ток, трехфазный, частотой 50 Гц,
напряжением 220 В
|
3 50Гц 220 B
|
|
б) переменный ток, трехфазный, четырехпроводная
линия (три провода, нейтраль) частотой 50 Гц, напряжением 220/380 В
|
3N 50 Гц 220/380 B
|
|
в) переменный ток, трехфазный, пятипроводная линия
(три провода фаз, нейтраль, один провод защитный с заземлением) частотой 50
Гц, напряжением 220/380 В
|
3 NPE 50 Гц 220/380 B
|
|
г) переменный ток, трехфазный, четырехпроводная
линия (три провода фаз, один защитный провод с заземлением, выполняющий
функцию нейтрали) частотой 50 Гц, напряжением 220/380 В
|
3 PEN 50 Гц 220/380 B
|
|
7. Частоты переменного тока (основные обозначения):
|
|
|
а) промышленные
|

|
|
б) звуковые
|

|
|
в) ультразвуковые и радиочастоты
|

|
|
г) сверхвысокие
|

|
|
8. Постоянный и переменный ток
|

|
|
9. Пульсирующий ток
|

|
(Измененная редакция, Изм. № 4).
Таблица 6д
|
Наименование
|
Обозначение
|
|
1. Однофазная обмотка с двумя выводами
|

|
|
2. Однофазная обмотка с выводом от средней точки
|

|
|
3. Две однофазные обмотки, каждая из которых с двумя
выводами
|

|
|
4. Три однофазные обмотки, каждая из которых с двумя
выводами
|

|
|
5. m однофазных обмоток, каждая из которых с двумя
выводами
|

|
|
6. Двухфазная обмотка с раздельными фазами
|

|
|
7. Трехфазная обмотка с раздельными фазами
|

|
|
8. Многофазная обмотка n с числом раздельных фаз m.
|

|
|
Примечание к пп. 6 - 8.
Обозначения применяются для обмоток с раздельными фазами, для которых
допускаются различные способы внешних соединений
|
|
|
9. Двухфазная трехпроводная обмотка
|

|
|
10. Двухфазная четырехпроводная обмотка
|

|
|
11. Двух-трехфазная обмотка Т-образного соединения
(обмотка Скотта)
|

|
|
12. Трехфазная обмотка V-образного соединения двух фаз в открытый
треугольник.
|

|
|
Примечание. Допускается
указывать угол, под которым включены обмотки, например, под углом 60° и 120°.
|

|
|
13. Трехфазная обмотка, соединенная в звезду
|

|
|
14. Трехфазная обмотка, соединенная в звезду, с
выведенной нейтралью
|

|
|
15. Трехфазная обмотка, соединенная в звезду, с
выведенной заземленной нейтралью
|

|
|
16. Трехфазная обмотка, соединенная в треугольник
|

|
|
17. Трехфазная обмотка, соединенная в разомкнутый
треугольник
|

|
|
18. Трехфазная обмотка, соединенная в зигзаг
|

|
|
19. Трехфазная обмотка, соединенная в зигзаг, с
выведенной нейтралью
|

|
|
20. Четырехфазная обмотка
|

|
|
21. Четырехфазная обмотка с выводом от средней точки
|

|
|
22. Шестифазная обмотка, соединенная в звезду
|

|
|
23. Шестифазная обмотка, соединенная в звезду, с
выводом от средней точки
|

|
|
24. Шестифазная обмотка, соединенная в двойную звезду
|

|
|
25. Шестифазная обмотка, соединенная в две обратные
звезды
|

|
|
26. Шестифазная обмотка, соединенная в две обратные
звезды, с раздельными выводами от средних точек
|

|
|
27. Шестифазная обмотка, соединенная в два
треугольника
|

|
|
28. Шестифазная обмотка, соединенная в шестиугольник
|

|
|
29. Шестифазная обмотка, соединенная в двойной
зигзаг
|

|
|
30. Шестифазная обмотка, соединенная в двойной
зигзаг, с выводом от средней точки
|

|
(Измененная редакция).
Таблица 6е
|
Наименование
|
Обозначение
|
|
1. Прямоугольный импульс:
|
|
|
а) положительный
|

|
|
б) отрицательный
|

|
|
2. Трапецеидальный импульс
|

|
|
3. Импульс с крутым спадом
|

|
|
4. Импульс с крутым фронтом
|

|
|
5. Двуполярный импульс
|

|
|
6. Остроугольный импульс:
|
|
|
а) положительный
|

|
|
б) отрицательный
|

|
|
7. Остроугольный импульс с экспоненциальным спадом
|

|
|
8. Пилообразный импульс:
|
|
|
а) с линейным нарастанием
|
или 
|
|
б) с линейным спадом
|
или 
|
|
9. Гармонический импульс
|

|
|
10. Ступенчатый импульс
|

|
|
11. Импульс высокой частоты (радиоимпульс)
|

|
|
12. Импульс переменного тока
|

|
|
13. Искаженный импульс
|

|
Примечание. Квалифицирующие символы являются упрощенным
воспроизведением форм осциллограмм соответствующих импульсов.
Измененная редакция, (Изм. №4).
Таблица 6ж
|
Наименование
|
Обозначение
|
|
1. Аналоговый сигнал
|

|
|
2. Цифровой сигнал
|

|
|
3. Положительный перепад уровня сигнала
|

|
|
4. Отрицательный перепад уровня сигнала
|

|
|
5. Высокий уровень сигнала
|
H
|
|
6. Низкий уровень сигнала
|
L
|
Таблица 6з
|
Наименование
|
Обозначение
|
|
1. Амплитудная модуляция
|
A
|
|
2. Частотная модуляция
|
f или F
|
|
3. Фазовая модуляция
|

|
|
4. Импульсная модуляция:
|

|
|
а) фазово-импульсная
|

|
|
б) частотно-импульсная
|

|
|
в) амплитудно-импульсная
|

|
|
г) время-импульсная
|

|
|
д) широтно-импульсная
|

|
|
е) кодово-импульсная.
|

|
|
Примечание. Допускается
вместо символа указывать характеристику соответствующего кода, например:
|
|
|
двоичного пятиразрядного кода
|

|
|
кода три из семи
|

|
Таблица 6и
|
Наименование
|
Обозначение
|
|
1. Срабатывание, когда действительное значение выше
номинального
|

|
|
2. Срабатывание, когда действительное значение ниже
номинального
|

|
|
3. Срабатывание, когда действительное значение ниже
или выше номинального
|

|
|
4. Срабатывание, когда действительное значение равно
номинальному
|

|
|
5. Срабатывание, когда действительное значение равно
нулю
|

|
|
6. Срабатывание, когда действительное значение приближено
к нулю
|

|
|
7. Срабатывание при максимальном токе
|

|
|
8. Срабатывание при минимальном токе
|

|
|
9. Срабатывание при превышении определенного
значения тока
|

|
|
10. Срабатывание при обратном токе
|

|
|
11. Срабатывание при максимальном напряжении
|

|
|
12. Срабатывание при минимальном напряжении
|

|
|
13. Срабатывание при превышении определенного
значения напряжения
|

|
|
14. Срабатывание при максимальной температуре
|

|
|
15. Срабатывание при минимальной температуре
|

|
Таблица 6к
|
Наименование
|
Обозначение
|
|
Вещество (среда):
|
|
|
1. Твердое
|

|
|
2. Жидкое
|

|
|
3. Газовое
|

|
|
4. Газовое (защитное)
|

|
|
5. Вакуумное
|

|
|
6. Полупроводниковое
|

|
|
7. Изолирующее
|

|
|
8. Электрет.
|

|
|
Примечание к пп. 3 - 5. Прямоугольное обрамление допускается
не выполнять, если это не приведет к неправильному пониманию схемы
|
|
Таблица 6л
|
Наименование
|
Обозначение
|
|
1. Термическое воздействие
|

|
|
2. Электромагнитное воздействие
|

|
|
3. Электродинамическое воздействие
|

|
|
4. Магнитострикционное воздействие
|

|
|
5. Магнитное воздействие
|

|
|
6. Пьезоэлектрическое воздействие
|

|
|
7. Воздействие от сопротивления
|

|
|
8. Воздействие от индуктивности
|

|
|
9. Электростатическое воздействие, емкостной эффект
|

|
|
10. Гальваномагнитный эффект (эффект Холла)
|

|
|
11. Воздействие от ультразвука
|

|
|
12. Воздействие замедления
|

|
|
13. Температурная зависимость
|

|
Таблица 6м
|
Наименование
|
Обозначение
|
|
1. Неионизирующее электромагнитное излучение,
фотоэлектрический эффект
|

|
|
2. Неионизирующее излучение, например когерентный
свет
|

|
|
3. Ионизирующее излучение
|

|
|
4. Световое излучение, оптоэлектрический эффект
|

|
|
5. Связь оптическая
|

|
|
6. Излучение ламп накаливания.
|

|
|
Примечание. Для указания вида излучения допускается применять
следующие буквы:
|
|
|
а) для излучений по пп. 1 и 6:
|
|
|
Инфракрасное
|
IR
|
|
Ультрафиолетовое
|
UV
|
|
б) для излучений по п. 3:
|
|
|
альфа-частицы
|
a
|
|
бета-частицы
|
b
|
|
гамма-лучи
|
g
|
|
кси-частицы
|

|
|
лямбда-частицы
|
l
|
|
мю-мезон
|
m
|
|
Нейтрино
|
n
|
|
пи-мезон
|
p
|
|
сигма-частицы
|
å
|
|
Дейтрон
|
d
|
|
k-мезон
|
k
|
|
нейтрон
|
h
|
|
протон
|
r
|
|
тритон
|
t
|
|
рентгеновские лучи
|
Х
|
|
электрон
|
e
|
Таблица 6н
|
Наименование
|
Обозначение
|
|
1. Усиление
|

|
|
2. Суммирование
|

|
|
3. Сопротивление:
|
|
|
а) активное
|

|
|
б) реактивное
|

|
|
в) полное
|

|
|
г) реактивное индуктивное
|

|
|
д) реактивное емкостное
|

|
|
4. Магнит постоянный.
|

|
|
Примечание. При
необходимости указания полярности магнита применять для обозначения северного
полюса букву N
|

|
|
5. Подогреватель
|

|
|
6. Идеальный источник тока
|

|
|
7. Идеальный источник напряжения
|

|
|
8. Идеальный гиратор
|

|
(Измененная редакция).
Таблица 6о
|
Наименование
|
Обозначение
|
|
1. Прибор, устройство
|

|
|
2. Линия для выделения устройств, функциональных
групп, частей схемы.
|

|
|
Примечание. При
перекрещивании с электрическими соединениями контур прерывают
|

|
|
3. Заземление, общее
|

|
|
4. Электрическое соединение с корпусом (массой)
|

|
|
5. Линия электрической связи, провод, кабель, шина,
линия групповой связи.
|

|
|
Примечания:
|
|
|
1. В случае необходимости для линий групповой связи
допускается применять обозначение
|

|
|
2. При наличии текста к линии электрической связи,
кабелю, шине, линии групповой связи текст помещают:
|
|
|
а) над линией
|

|
|
б) в разрыве линии
|

|
|
в) в начале или в конце линии
|

|
|
6. Графическое разветвление (слияние) линий
электрической связи в линию групповой связи, разводка жил кабеля или проводов
жгута
|

|
|
|

|
|
7. Графическое разветвление (слияние) линий
групповой связи
|

|
|
|

|
|
8. Графический излом линии электрической связи,
линии групповой связи, провода, кабеля, шины:
|
|
|
а) под углом 90°
|

|
|
б) с наклонным участком.
|

|
|
Примечания:
|
|
|
1. Расстояние между двумя точками излома можно
выбрать равным одному интервалу (строке, позиции) печатающего устройства.
|

|
|
|

|
|
2. Для выполнения наклонных
участков применяется символ «дробная черта»
|
|
|
9. Пересечение линий электрической связи, линий
групповой связи электрически не соединенных проводов, кабелей, шин,
электрически не соединенных.
|

|
|
Примечание. На одной
схеме применять только одну форму точки пересечения
|

|
|
|

|
|
10. Линия электрической связи с ответвлениями:
|
|
|
а) с одним
|

|
|
|

|
|
б) с двумя.
|

|
|
Примечания:
|
|
|
1. Расстояние между двумя точками
ответвления выбирают равным одному интервалу (строке, позиции) печатающего
устройства
|

|
|
2. Линию электрической связи с
одним ответвлением допускается изображать без выделения точки, если это не
приведет к неправильному пониманию схемы
|

|
|
11. Группа линий электрической связи, имеющих общее
функциональное назначение.
|

|
|
Примечания:
|
|
|
1. В однолинейном обозначении буква n заменяется числом, указывающим количество линий в
группе, например, группа линий электрической связи, состоящая из семи линий
|

|
|
2. В однолинейном обозначении для группы линий
электрической связи, состоящей из 2 - 4 линий, допускается применять
следующие обозначения:
|
|
|
а) группа из двух линий
|

|
|
б) группа из трех линий
|

|
|
в) группа из четырех линий
|

|
|
12. Переход группы линий электрической связи
(например восьми линий), имеющих общее функциональное назначение, от
многолинейного изображения к однолинейному
|

|
|
13. Группа линий электрической связи, имеющих общее
функциональное назначение, каждая из которых имеет ответвление
|

|
|
14. Группа линий электрической связи, осуществляемых
n скрученными
проводами, например шестью скрученными проводами
|

|
|
15. Линия электрической связи, провод, кабель
экранированные
|

|
|
16. Экранированная линия электрической связи с
ответвлением
|

|
|
17. Группа из n линий
электрической связи, имеющих общее функциональное назначение, каждая из
которых экранирована индивидуально
|

|
|
18. Группа из n линий
электрической связи, имеющих общее функциональное назначение, каждая из
которых индивидуально экранирована и имеет ответвления
|

|
|
19. Группа линий электрической связи в общем экране,
например шесть линий
|

|
|
20. Кабель коаксиальный
|

|
|
21. Ток постоянный, основное обозначение
|
|
|
22. Полярность постоянного тока:
|
|
|
а) положительная
|
+
|
|
б) отрицательная
|
-
|
|
23. m-проводная линия постоянного тока напряжением U, например:
|
M = U
|
|
а) двухпроводная линия постоянного тока напряжением
110 В
|
2 = 110 В
|
|
б) трехпроводная линия постоянного тока, включая
средний провод, напряжением 110 В между каждым внешним проводником и средним
проводом, 220 В между внешними проводниками
|
2М = 110 / 220 В
|
|
24. Ток переменный, основное обозначение.
|
¹
|
|
Примечание. Допускается
справа от обозначения переменного тока указывать величину частоты, например,
ток переменный 10 кГц
|
¹ 10 кГц
|
|
25. Ток переменный с числом фаз m, частотой f, например, ток
переменный трехфазный 50 Гц
|
3 ¹ 50 кГц
|
|
26. Ток переменный с числом фаз m, частотой f, напряжением U, например:
|
|
|
а) ток переменный, трехфазный 50 Гц, 220 В
|
3 ¹ 50 Гц 220 В
|
|
б) ток переменный, трехфазный, четырехпроводная
линия (три провода фаз, нейтраль) 50 Гц, 220/380 В
|
3N ¹ 50 Гц 220/380 В
|
|
в) ток переменный трехфазный, пятипроводная линия
(три провода фаз, нейтраль, один провод защитный с заземлением) 50 Гц,
220/380 В
|
3NPE ¹ 50 Гц 220/380 В
|
|
г) ток переменный, трехфазный, четырехпроводная
линия (три провода фаз, один провод защитный с заземлением, выполняющий
функцию нейтрали) 50 Гц, 220/380 В
|
3PEN ¹ 50 Гц 220/380 В
|
|
27. Ток постоянный и переменный
|

|
|
28. Ток пульсирующий
|

|
|
29. Аналоговый сигнал
|
А
|
|
30. Цифровой сигнал
|
# или D
|
|
31. Высокий уровень сигнала
|
H
|
|
32. Низкий уровень сигнала
|
L
|
|
33. Распространение тока, сигнала, информации,
потока энергии, основное обозначение:
|
|
|
а) в одном направлении
|

|
|
б) в обоих направлениях неодновременно
|

|
|
в) в обоих направлениях одновременно
|

|
|
34. Усиление
|

|
|
35. Обрыв линии электрической связи.
|

|
|
Примечания:
|
|
|
1. Стрелку образуют наложением символов «минус» и
«больше» или «минус» и «меньше».
|
|
|
2. На месте знака Х помещают информацию о продолжении
линии на схеме.
|
|
|
3. Допускается упрощенное изображение обрыва линии
без указания стрелки
|

|
|
|

|
(Измененная редакция).
Таблица 7
|
Наименование
|
Обозначение
|
|
1. Поток электромагнитной энергии, сигнал
электрический в одном направлении (например, влево)
|

|
|
2 Поток газа (воздуха):
|
|
|
а) в одном направлении (например, вправо)
|

|
|
б) в обоих направлениях
|

|
|
3. Движение прямолинейное:
|
|
|
а) одностороннее
|

|
|
б) возвратное
|

|
|
в) одностороннее с выстоем
|

|
|
4. Движение вращательное:
|
|
|
а) одностороннее
|

|
|
б) одностороннее с выстоем
|

|
|
5. Регулирование линейное. Общее обозначение
|

|
|
6. Регулирование ручкой, выведенной наружу.
|

|
|
Примечание к пп. 3 - 6.
Размеры стрелки должны быть в пределах l = 3 ... 5, a = 15° ... 30°
|

|
|
7. Линия механической связи в гидравлических и
пневматических схемах
|

|
|
8. Линия механической связи со ступенчатым движением
|

|
|
9. Линия механической связи, имеющей выдержку
времени
|

|
|
10. Механизм с защелкой, препятствующий передвижению
в обе стороны
|

|
|
11. Механизм свободного расцепления
|

|
|
12. Муфта:
|
|
|
а) выключенная
|

|
|
б) включенная
|

|
|
13. Тормоз
|

|
|
14. Исключен
(Изм. № 1).
|
|
|
15. Толкатель
|

|
|
16. Ролик
|

|
|
17. Ролик, срабатывающий в одном направлении
|
|
|
18. Кулачок
|

|
|
19. Линейка (рейка)
|

|
|
20. Привод ручной:
|
|
|
а) общее обозначение
|

|
|
б) приводимый в движение ключом
|

|
|
в) приводимый в движение несъемной рукояткой
|

|
|
г) приводимый в движение съемной рукояткой
|

|
|
д) приводимый в движение маховичком
|

|
|
е) приводимый в движение нажатием кнопки
|

|
|
ж) приводимый в движение нажатием кнопки с
ограниченным доступом
|
|
|
з) приводимый в движение рычагом
|
|
|
21. Привод ножной
|

|
|
22. Другие приводы:
|
|
|
а) общее обозначение
|

|
|
б) электромагнитный
|

|
|
в) пневматический или гидравлический
|

|
|
г) электромашинный
|

|
|
д) тепловой (двигатель тепловой)
|

|
|
е) мембранный
|

|
|
ж) поплавковый
|

|
|
з) центробежный
|

|
|
и) с помощью биметалла
|

|
|
к) струйный
|

|
|
л) пиропатрон.
|

|
|
Примечание к пп. 1 - 20.
Все геометрические элементы условных графических обозначений следует
выполнять линиями той же толщины, что и линии связей.
|
|
Справочное
Термины, применяемые в
стандарте, и их пояснения
|
Термин
|
Пояснение
|
|
Электрическая
связь
|
Проводящая
среда, электрически соединяющая группу точек электрического соединения
(электрических контактов)
|
|
Линия
электрической связи
|
Условное
графическое обозначение электрической связи, показывающее путь прохождения
тока.
|
|
|
Примечание. Линия электрической
связи не дает информации о проводах (кабелях, шинах), осуществляющих данную
электрическую связь
|
|
Ответвление
линии электрической связи
|
Условное
изображение электрического узла, в котором происходит сложение и вычитание
токов.
|
|
|
Примечание.
Ответвления линий электрической связи не дают информации о реальных
электрических контактах, соединенных данной электрической связью
|
|
Линия
групповой связи
|
Линия,
условно изображающая группу линий электрической связи (проводов, кабелей,
шин), следующих на схеме в одном направлении
|
|
Графическое
слияние линий электрической связи (проводов, кабелей, шин)
|
Упрощенное
изображение нескольких электрически не соединенных линий связи (проводов,
кабелей, шин), использующее линию групповой связи
|
Справочное
Размеры (в модульной сетке)
основных условных графических обозначений
|
Наименование
|
Обозначение
|
|
Прибор,
устройство
|

|
|
Баллом
электровакуумного и ионного прибора, корпус полупроводникового прибора
|

|
|
Заземление,
общее обозначение
|

|
|
Электрическое
соединение с корпусом
|

|
|
Эквипотенциальность
|

|
|
Группа
линий электрической связи, имеющих общее функциональное назначение,
осуществляемая многожильным кабелем, например семижильным
|

|
|
Коаксиальный
кабель
|

|
|
Твердое
вещество
|

|
|
Магнит
постоянный
|

|
ПРИЛОЖЕНИЯ
1,
2.
(Введены дополнительно, Изм. № 2).
ИНФОРМАЦИОННЫЕ ДАННЫЕ
1. РАЗРАБОТАН И ВНЕСЕН Государственным
комитетом СССР по стандартам
ИСПОЛНИТЕЛИ
В.Р. Верченко, Ю.И. Степанов, Э.Я. Акопян, Ю.П. Широкий, В.С. Мурашов,
Т.Н. Назарова
2.
УТВЕРЖДЕН И ВВЕДЕН В ДЕЙСТВИЕ Постановлением Государственного комитета СССР по
стандартам от 18.03.74 № 605
3. СООТВЕТСТВУЕТ СТ СЭВ 1984-79, СТ СЭВ
5679-86
4. ВЗАМЕН ГОСТ 2.721-68, ГОСТ 2.783-69,
ГОСТ 2.750-68, ГОСТ 2.751-73
5.
ССЫЛОЧНЫЕ НОРМАТИВНО-ТЕХНИЧЕСКИЕ ДОКУМЕНТЫ
|
Обозначение НТД,
на который дана ссылка
|
Номер пункта
|
|
ГОСТ 3464-63
|
2, табл. 1
|
|
ГОСТ
2.770-68
|
7, табл. 6
|
6. ПЕРЕИЗДАНИЕ (июль 1987 г.) с Изменениями
1, 2, утвержденными в марте 1981 г.; Пост. № 1594 от 26.03.81, апреле 1987 г.;
Пост. № 1307 от 20.04.87 (ИУС №6-81, 7-87)
Изменение № 3
ГОСТ 2.721-74 Единая система конструкторской документации. Обозначения условные
графические в схемах. Обозначения общего применения
Утверждено и введено в действие Постановлением Комитета
стандартизации и метрологии СССР от 15.07.91 № 1254
Дата введения 01.01.92
Изменение № 4
ГОСТ 2.721-74 Единая система конструкторской документации. Обозначения условные
графические в схемах. Обозначения общего применения
Принято решением Межгосударственного Совета по
стандартизации, метрологии и сертификации (протокол № 4 от 21.10.93)
Дата введения 1994-07-01
|
|