Крупнейшая бесплатная информационно-справочная система онлайн доступа к полному собранию технических нормативно-правовых актов РФ. Огромная база технических нормативов (более 150 тысяч документов) и полное собрание национальных стандартов, аутентичное официальной базе Госстандарта. GOSTRF.com - это более 1 Терабайта бесплатной технической информации для всех пользователей интернета. Все электронные копии представленных здесь документов могут распространяться без каких-либо ограничений. Поощряется распространение информации с этого сайта на любых других ресурсах. Каждый человек имеет право на неограниченный доступ к этим документам! Каждый человек имеет право на знание требований, изложенных в данных нормативно-правовых актах!

  


 

ГОСТ Р 12.4.184-95

ГОСУДАРСТВЕННЫЙ СТАНДАРТ РОССИЙСКОЙ ФЕДЕРАЦИИ

СИСТЕМА СТАНДАРТОВ БЕЗОПАСНОСТИ ТРУДА

ПОЯСА ПРЕДОХРАНИТЕЛЬНЫЕ

ОБЩИЕ ТЕХНИЧЕСКИЕ ТРЕБОВАНИЯ.
МЕТОДЫ ИСПЫТАНИЙ

ГОССТАНДАРТ РОССИИ

Москва

Предисловие

1 РАЗРАБОТАН Екатеринбургским научно-исследовательским институтом охраны труда ФНПР

ВНЕСЕН Техническим комитетом по стандартизации ТК 320 «Средства индивидуальной защиты»

2 ПРИНЯТ И ВВЕДЕН В ДЕЙСТВИЕ Постановлением Госстандарта России от 27 июля 1995 г. № 405

3 ВВЕДЕН ВПЕРВЫЕ

ИЗДАНИЕ (февраль 2002 г.) с Изменением № 1, утвержденным в марте 1998 г. (ИУС 6-98)

СОДЕРЖАНИЕ

ГОСУДАРСТВЕННЫЙ СТАНДАРТ РОССИЙСКОЙ ФЕДЕРАЦИИ

Система стандартов безопасности труда

ПОЯСА ПРЕДОХРАНИТЕЛЬНЫЕ

Общие технические требования. Методы испытаний

Occupational safety standards system.
Safety belts. General technical requirements and test methods

Дата введения 1996-01-01

1 Область применения

Настоящий стандарт распространяется на предохранительные пояса (далее - пояса), предназначенные для обеспечения безопасности работ на высоте, в том числе на воздушных линиях электропередачи, электрических и атомных станциях, контактных сетях других энергетических и высотных сооружениях, и устанавливает технические требования и методы испытаний.

Требования по безопасности изложены в 5.1-5.3, 5.7, 5.8, 5.10 и 5.12-5.16.

(Измененная редакция, Изм. № 1).

2 Нормативные ссылки

В настоящем стандарте использованы ссылки на следующие стандарты:

ГОСТ 9.301-86 Единая система защиты от коррозии и старения. Покрытия металлические и неметаллические неорганические. Общие требования

ГОСТ 12.4.115-82 Система стандартов безопасности труда. Средства индивидуальной защиты работающих. Общие требования к маркировке

ГОСТ 166-89 (ИСО 3599-76) Штангенциркули. Технические условия

ГОСТ 427-75 Линейки измерительные металлические. Технические условия

ГОСТ 7328-2001 Меры массы общего назначения и образцовые. Технические условия

ГОСТ 7502-98 Рулетки измерительные металлические. Технические условия

ГОСТ 13837-79 Динамометры общего назначения. Технические условия

ГОСТ 14192-96 Маркировка грузов

3 Определения

В настоящем стандарте применяют следующие термины с соответствующими определениями:

3.1 предохранительный пояс: Средство индивидуальной защиты для снижения вероятности травмирования в случае падения работающего при выполнении работ на высоте.

3.2 безлямочный пояс: Пояс, предусматривающий обхват тела человека только по талии.

3.3 лямочный пояс: Пояс, обхватывающий тело человека по талии, плечам и (или) бедрам.

3.4 ремень: Часть пояса, непосредственно обхватывающая тело человека по талии.

3.5 лямки: Часть пояса, обхватывающая плечи и (или) бедра человека.

3.6 пряжка: Часть пояса, предназначенная для его фиксации на теле человека.

3.7 строп: Часть пояса, включающая фал и карабин и предназначенная для соединения человека с точкой закрепления.

3.8 фал: Гибкий элемент стропа.

3.9 карабин: Элемент стропа для фиксации его в точке закрепления.

3.10 коуш: Металлическая обойма петли на конце фала в месте его соединения с карабином.

3.11 кушак: Часть пояса, закрепленная на ремне, непосредственно прилегающая к телу человека в зоне поясницы.

3.12 амортизатор: Составная неотъемлемая часть пояса или присоединяемая к поясу в необходимых случаях, защищающая от сотрясений и больших нагрузок, возникающих при остановке падающего человека.

(Измененная редакция, Изм. № 1).

3.13 замок: Устройство, состоящее из защелки карабина, воспринимающей усилие руки для раскрытия карабина, и предохранителя, исключающего случайное раскрытие карабина.

(Введен дополнительно, Изм. № 1).

4 Классификация

4.1 Пояса по конструкции, исполнению и наличию комплектующих, определяющих соответствие их условиям труда, в которых они применяются, следует подразделять на типы, виды и разновидности, указанные в таблице 1.

Таблица 1 - Классификация и маркировка предохранительных поясов

Классификация предохранительных поясов

Наименование предохранительных поясов

Маркировка предохранительных поясов

Тип (по конструкции)

Безлямочные

I

Безлямочные с амортизатором

Iа

Лямочные

II

Лямочные с амортизатором

IIа

Безлямочные страховочные

Iс

Лямочные страховочные

IIc

Вид (по исполнению элементов)

С фалом из ленты

А

С фалом из металлического каната

Б

С фалом из неметаллического каната

В

С фалом из цепи

Г

С двумя стропами

Комбинация из букв

(А, Б, В, Г)

С наплечными лямками

Д

С набедренными лямками

Е

С наплечными и набедренными лямками

Ж

С седловидной лямкой

И

Со стропом с двумя карабинами

К

Разновидность (по наличию комплектующих устройств)

С ловителем

1

С тормозным устройством

2

С сумкой для инструментов

3

Примеры условного обозначения:

Пояс безлямочный с амортизатором, с фалами из ленты и металлического каната, с ловителем и сумкой для инструментов:

Пояс Iа.А,Б.1,3. ГОСТ Р 12.4.184-95;

Пояс безлямочный с амортизатором и фалом из цепи:

Пояс Ia.Г. ГОСТ P 12.4.184-95.

(Измененная редакция, Изм. № 1).

5 Общие технические требования

5.1 Масса пояса и размеры элементов конструкции устанавливаются в нормативном документе на изделие конкретного типа, утвержденного в установленном порядке. При этом параметры, задаваемые настоящим стандартом, не должны быть ухудшены.

(Измененная редакция, Изм. № 1).

5.2 Ширина ремня, несущего нагрузку, должна быть не менее 45 мм, ширина лямок пояса - не менее 34 мм, ширина подкладки-кушака - не менее 80 мм.

5.3 Масса пояса с одним фалом и одним карабином должна быть не более 2400 г. Для лямочных поясов масса не должна превышать 3200 г. Для поясов с двумя стропами масса не должна превышать 3500 г.

(Измененная редакция, Изм. № 1).

5.4 Для изготовления поясов следует использовать материалы и вещества, разрешенные к применению органами государственного санитарно-эпидемиологического надзора, имеющие соответствующий сертификат.

5.5 Элементы пояса из тканых несинтетических материалов должны быть пропитаны антисептиком.

(Измененная редакция, Изм. № 1).

5.6 Металлические детали пояса должны иметь антикоррозионное покрытие по ГОСТ 9.301.

5.7 Материалы, применяемые для изготовления несущих деталей (ремня, лямки, стропа) пояса, должны выдерживать разрывную статическую нагрузку не менее 15000 Н, а амортизатора - 10000 Н.

5.8 Конструкция пояса должна исключать возможность травмирования человека:

- несущие детали поясов из тканевых материалов должны быть цельнокроенными;

- края деталей из тканевых материалов и отверстия в них, а также концы сшивных ниток, за исключением сшивки амортизатора, должны быть оплавлены или закреплены другим способом, чтобы исключить их расплетение;

- металлические детали должны быть без трещин, надрывов, заусенцев. Острые кромки не допускаются;

- конструкция замыкающего устройства (пряжки) должна исключать возможность неправильного или неполного его закрывания и случайного раскрытия в процессе эксплуатации;

- прилегающая к телу рабочего сторона замыкающего устройства должна быть гладкой, без выступов и острых краев;

- карабин должен иметь предохранительное устройство, исключающее случайное раскрытие карабина. Закрытие замка и предохранительного устройства должно осуществляться автоматически.

5.9 Конструкция карабина должна обеспечивать раскрытие его замка одной рукой при надетой утепленной рукавице.

(Измененная редакция, Изм. № 1).

5.10 Строп пояса, применяемого при производстве огневых работ (электросварочных, газорезательных и т.д.), должен быть изготовлен из цепи. При использовании другого материала условия безопасности его эксплуатации должны быть разработаны в стандартах или технических условиях на пояса конкретных типов.

5.11 Каждый строп с фалом из цепи до его установки на пояс должен быть испытан статической нагрузкой в 7000 Н.

(Измененная редакция, Изм. № 1).

5.12 Длина наплечных и набедренных лямок должна регулироваться.

5.13 Длину стропа устанавливают для конкретной конструкции в зависимости от условий применения. Пояса, предназначенные для ограничения падения с высоты, должны иметь длину стропа не более 2 м. Длина стропа с учетом раскрытия амортизатора не должна превышать 3 м. Допускается применение приспособления, регулирующего длину стропа.

(Измененная редакция, Изм. № 1).

5.14 Разрывная статическая нагрузка для пояса должна быть не менее 10000 Н.

5.15 Пиковое значение силы, возникающее в момент рывка при остановке свободно падающего груза или манекена массой 100 кг, проходящего путь, равный двум метрам, должно быть не более 4000 Н для поясов типа Iа и не более 6000 Н - для поясов типа IIа.

Пояс не должен терять несущей способности при падении груза массой 100 кг на расстояние, равное двум длинам стропа (при регулируемой длине стропа принимается максимальная длина). При испытании несущей способности не берутся пояса, использованные при измерении пикового значения силы.

(Измененная редакция, Изм. № 1).

5.16 Усилие, необходимое для раскрытия карабина (отжатия замыкающего устройства-защелки), должно быть при открытом предохранителе не менее 9,8 Н и не более 78 Н.

5.17 Пояса должны сохранять свои защитные и эксплуатационные свойства в интервале температуры окружающей среды, предусмотренном нормативным документом на изделие конкретного вида.

5.18 Маркировка поясов - по ГОСТ 12.4.115.

На каждом поясе должны быть нанесены:

- товарный знак предприятия-изготовителя;

- месяц и год изготовления;

- размер и тип пояса.

Место нанесения маркировки должно быть указано в нормативном документе на изделие конкретного вида, утвержденного в установленном порядке.

5.19 Пояса должны поставляться потребителю в таре, обеспечивающей их сохранность при транспортировке. Масса упаковки - не более 50 кг.

5.17-5.19 (Измененная редакция, Изм. № 1).

5.19.1 (Исключен, Изм. № 1).

6 Правила приемки

6.1 Для проверки поясов на соответствие требованиям настоящего стандарта и нормативному документу на пояса конкретных типов поясов должны проводиться приемосдаточные, периодические, типовые и сертификационные испытания.

Приемку поясов проводят партиями. За партию принимают пояса одного вида, изготовленные по одной технологии из материалов одного вида и качества. Размер партии должен быть не менее 100, но не более 5000 поясов. При этом для проверки линейных размеров, массы пояса и усилия раскрытия карабина дополнительного количества поясов не берется.

(Измененная редакция, Изм. № 1).

6.2 Приемосдаточные испытания поясов проводит предприятие-изготовитель в составе и объеме нормативной документации на пояса конкретных конструкций.

6.3 Приемосдаточным испытаниям поясов на соответствие требованиям 5.5, 5.6, 5.8 должен быть подвергнут каждый пояс.

Приемосдаточные испытания на соответствие требованиям 5.1-5.3, 5.13, 5.14, 5.16 и при проверке несущей способности по 5.15 проводят на трех поясах по каждому пункту.

6.4 Периодические испытания поясов проводят по 5.1-5.3, 5.5, 5.6, 5.8, 5.13 и 5.16 на поясах одной конструкции, отобранных методом случайного отбора из поясов, прошедших приемосдаточные испытания, в количестве не менее шести поясов, по 5.14 и 5.15 не менее трех поясов от партии и не реже двух раз в год.

6.5 Типовые испытания проводят при создании новой конструкции пояса, замене материалов, применяющихся для изготовления несущих нагрузку деталей пояса, изменении конструкции пояса, организации или технологии производства.

Порядок и условия проведения сертификационных испытаний изложены в нормативных документах по сертификации.

Проверку поясов на соответствие требованиям 5.1-5.3, 5.8, 5.13 и 5.16 следует проводить на девяти поясах, а п. 5.14 и 5.15 - на трех поясах. В испытаниях вправе принимать участие представители разработчика и изготовителя.

6.6 Пояса, подвергшиеся испытаниям по 5.15 с измерением пикового значения силы, могут быть использованы для проверки требований по 5.14.

Пояса, подвергшиеся испытаниям на несущую способность, не могут быть использованы для проверки требований по 5.14.

Пояса, испытанные по 5.14 и 5.15, отправке потребителю не подлежат.

6.7 При получении неудовлетворительных результатов по одному из требований хотя бы на одном поясе при приемосдаточных, периодических, типовых и сертификационных испытаниях, проводят повторные испытания удвоенного количества поясов, отобранных из этой же партии.

Если при повторных испытаниях получены неудовлетворительные результаты, партию поясов бракуют.

6.3-6.7 (Измененная редакция, Изм. № 1).

7 Методы контроля

7.1 Проверка внешнего вида

7.1.1 Условия проверки

Проверка поясов осуществляется в помещении с температурой воздуха (20 ± 5) °С и относительной влажностью (65 ± 10) %. Пояса должны быть выдержаны при этих условиях не менее 12 ч.

(Измененная редакция, Изм. № 1).

7.1.2 Проведение проверки

Проверку поясов на соответствие требованиям 5.5, 5.6, 5.8, 5.10 и 5.12 проводят визуально.

7.2 Проверка линейных размеров

7.2.1 Проверку проводят на соответствие требованиям 5.1, 5.2, 5.13 с использованием следующего измерительного инструмента:

- металлическая рулетка по ГОСТ 7502;

- штангенциркуль по ГОСТ 166;

- измерительная линейка по ГОСТ 427.

Допускается применять другие измерительные инструменты, обеспечивающие точность измерения с погрешностью до 1 мм.

(Измененная редакция, Изм. № 1).

7.3 Проверка массы

7.3.1 Подготовка к проверке - по 7.1.1.

(Измененная редакция, Изм. № 1).

7.3.2 Проверка массы на соответствие требованиям 5.3 осуществляют на весах с погрешностью не более 50 г.

7.4 Испытание на раскрытие карабина

7.4.1 Оборудование:

- зажимающий механизм типа слесарных тисков;

- динамометр по ГОСТ 13837 2-го класса с пределом измерения 100 Н или гири общего назначения 5-го класса по ГОСТ 7328.

7.4.2 Проведение испытания

Проверяют усилие раскрытия замыкающего устройства при открытом предохранителе.

Корпус карабина зажимают тисками, а к защелке карабина на половине ее длины с помощью динамометра прикладывают усилие 9,8 Н и 78,0 Н или подвешивают гири массой 1 кг и 8 кг.

Карабин считается выдержавшим испытание, если при усилии 9,8 Н не началось раскрытие карабина, а при усилии 78,0 Н защелка дошла до упора.

7.4.1, 7.4.2 (Измененная редакция, Изм. № 1).

7.5 Испытание статической нагрузкой до разрушения

7.5.1 Оборудование:

- жесткий цилиндр диаметром (300 ± 15) мм для поясов типа I и Iа;

- манекен, моделирующий туловище человека, для поясов типа II и IIа (рисунок 1a);

- динамометр с пределом измерения 19600 Н (2000 кгс);

- устройство, создающее усилие.

(Измененная редакция, Изм. № 1).

7.5.2 Подготовка к испытанию - по 7.1.1.

7.5.3 Безлямочный пояс надевают на цилиндр и застегивают пряжку. Цилиндр через динамометр крепят к неподвижной конструкции. К карабину стропа с помощью устройства прикладывают усилие.

Лямочный пояс надевают на манекен, застегивают пряжку, регулируют длину лямок, обеспечивая их плотную затяжку. Манекен за нижнее кольцо через динамометр крепят к неподвижной конструкции. К карабину стропа с помощью устройства прикладывают усилие.

Усилие увеличивают до момента разрушения одного из элементов пояса. Испытание поясов с амортизатором проводят при полностью раскрытом амортизаторе.

При испытании поясов, имеющих несколько несущих элементов для закрепления стропа, испытаниям подвергают каждый элемент.

Пояса считают выдержавшими испытания, если разрушение (разрыв) одного из его элементов произошел при нагрузке не менее 10000 Н.

(Измененная редакция, Изм. № 1).

7.6 Испытание динамической нагрузкой

7.6.1 Оборудование

- манекен массой (100 ± 2) кг или

- груз массой (100 ± 2) кг;

- установка (стенд), включающая подъемно-расщепляющее устройство;

- измерительное устройство для регистрации пикового значения силы с погрешностью не более ±10 % и частотной характеристикой с полосой пропускания 60 Гц на уровне - 3 дБ, неравномерностью ±1,5 дБ в полосе пропускания и подавлением частот за полосой пропускания не менее 12 дБ на октаву.

(Измененная редакция, Изм. № 1).

7.6.2 Подготовка к испытанию - по 7.1.1

Материал: металлы или пластмассы.

Минимальный радиус сопряжения R 50, если не оговорено специально.

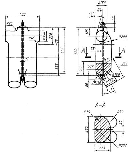
Центр тяжести (ЦТ) должен располагаться (200 ¸ 25) мм выше промежности.

Масса манекена: (100 ± 1) кг.

Рисунок 1а - Манекен

7.6.3 Проведение испытания

Схема испытания поясов динамической нагрузкой представлена на рисунке 1. Безлямочный пояс надевают на груз массой 100 кг и подсоединяют к подъемно-расцепляющему устройству. Лямочный пояс надевают на манекен массой 100 кг и за верхнее кольцо подсоединяют к подъемно-расцепляющему устройству. Строп (при необходимости) удлиняют технологическим фалом из цепи так, чтобы общая длина составляла 2 м, и соединяют с датчиком силы. Расстояние между датчиком силы и подъемно-расцепляющим устройством не должно превышать 200 мм. При срабатывании подъемно-расцепляющего устройства груз (или манекен «ногами» вниз) свободно падает и проходит путь равный 2 м. Пиковое значение силы регистрируют измерительным устройством.

Испытание поясов динамической нагрузкой на несущую способность проводят аналогично, но без регистрации силы с помощью груза или манекена массой 100 кг, который при сбросе должен пройти путь, равный двум длинам стропа. Пояс считают выдержавшим испытание, если ни одна из частей не разрушилась, кроме тех, разрушение которых предусмотрено защитным действием пояса.

(Измененная редакция, Изм. № 1).

7.7 Испытание на термостойкость (проводится на соответствие требованиям нормативного документа на пояса конкретных типов)

7.7.1 Оборудование - по 7.6.1, а также тепловая и холодильная камеры.

Тепловая камера должна обеспечивать регулирование температуры до плюс 50 °С с точностью ±5 °С.

Холодильная камера должна обеспечивать регулирование температуры до минус 40 °С с точностью до ±5 °С.

7.7.2 Подготовка к испытанию

Пояс помещают в тепловую или холодильную камеру и выдерживают не менее 30 мин при температурах, определенных нормативным документом на пояс конкретного типа.

7.7.3 Проведение испытания

Пояса, извлеченные из тепловой или холодильной камеры не позднее чем через 2 мин, подвергают испытанию по 7.5.3 и 7.6.3.

7.7, 7.7.1-7.7.3 (Измененная редакция, Изм. № 1).

7.8 (Исключен, Изм. № 1).

7.9 Результаты всех испытаний оформляются соответствующими актами и протоколами.

(Измененная редакция, Изм. № 1).

8 Транспортирование и хранение

8.1 Транспортная маркировка тары - по ГОСТ 14192.

8.2 К каждому поясу должна быть приложена инструкция по эксплуатации (паспорт).

8.3 Транспортировать пояса следует в закрытых от попадания воды и влаги транспортных средствах согласно Правилам перевозок грузов, действующих на транспорте.

8.4 Хранить пояса следует в сухом (влажность не более 70 %) помещении в подвешенном состоянии или разложенными на полках в один ряд. Помещение должно быть защищено от прямого попадания солнечных лучей.

Перед хранением пояса должны быть просушены, а их металлические детали протерты. Запрещается хранение поясов с тепловыделяющими приборами, кислотами, щелочами, маслами, бензином, растворителем.

1 - пояс; 2 - груз или манекен массой 100 кг; 3 - подъемное устройство; 4 - расцепляющее устройство; 5 - датчик измерительного устройства; 6 - технологический фал для удлинения стропа до 2 м или до двух длин стропа; 7 - строп

Рисунок 1 - Испытания динамической нагрузкой

9 Указания по эксплуатации

9.1 На пояс должна быть разработана и утверждена в установленном порядке инструкция по его применению.

9.2 Потребитель должен подвергать каждый пояс испытанию на статическую нагрузку, равную 4000 Н, перед выдачей в эксплуатацию, а также в процессе эксплуатации через каждые 6 мес.

Методика таких испытаний должна быть приведена в технических условиях на конкретные типы поясов.

9.3 Изготовитель должен гарантировать соответствие пояса требованиям настоящего стандарта на срок не менее двух лет со дня изготовления при соблюдении потребителем условий эксплуатации и хранения, установленных в паспорте.

(Измененная редакция, Изм. № 1).

9.4 (Исключен, Изм. № 1).

Ключевые слова: предохранительный пояс, фал, строп, пряжка, карабин, манекен, методы испытаний, безлямочный пояс, лямочный пояс, средство индивидуальной защиты.

 




ГОСТЫ, СТРОИТЕЛЬНЫЕ и ТЕХНИЧЕСКИЕ НОРМАТИВЫ.
Некоммерческая онлайн система, содержащая все Российские Госты, национальные Стандарты и нормативы.
В Системе содержится более 150000 файлов нормативно-технической документации, действующей на территории РФ.
Система предназначена для широкого круга инженерно-технических специалистов.

Рейтинг@Mail.ru Яндекс цитирования

Copyright © www.gostrf.com, 2008 - 2026