Крупнейшая бесплатная информационно-справочная система онлайн доступа к полному собранию технических нормативно-правовых актов РФ. Огромная база технических нормативов (более 150 тысяч документов) и полное собрание национальных стандартов, аутентичное официальной базе Госстандарта. GOSTRF.com - это более 1 Терабайта бесплатной технической информации для всех пользователей интернета. Все электронные копии представленных здесь документов могут распространяться без каких-либо ограничений. Поощряется распространение информации с этого сайта на любых других ресурсах. Каждый человек имеет право на неограниченный доступ к этим документам! Каждый человек имеет право на знание требований, изложенных в данных нормативно-правовых актах!

  


 

МИНИСТЕРСТВО ВНУТРЕННИХ ДЕЛ
РОССИЙСКОЙ ФЕДЕРАЦИИ

ГОСУДАРСТВЕННАЯ ПРОТИВОПОЖАРНАЯ СЛУЖБА

 

НОРМЫ ПОЖАРНОЙ БЕЗОПАСНОСТИ

 

 

ОГНЕЗАЩИТНЫЕ КАБЕЛЬНЫЕ ПОКРЫТИЯ.
ОБЩИЕ ТЕХНИЧЕСКИЕ ТРЕБОВАНИЯ И МЕТОДЫ ИСПЫТАНИЙ

НПБ 238-97

 

Москва 1997

 

Разработаны Всероссийским научно-исследовательским институтом противопожарной обороны (ВНИИПО) МВД России.

Внесены и подготовлены к утверждению нормативно-техническим отделом пожарной охраны объектов Главного управления Государственной противопожарной службы (ГУГПС) МВД России.

Утверждены главным государственным инспектором Российской Федерации по пожарному надзору.

Введены в действие приказом ГУГПС МВД России от 30.06.1997 г. № 42.

Дата введения в действие 01.07.1997 г.

 

 

МИНИСТЕРСТВО ВНУТРЕННИХ ДЕЛ
РОССИЙСКОЙ ФЕДЕРАЦИИ

 

ГОСУДАРСТВЕННАЯ ПРОТИВОПОЖАРНАЯ СЛУЖБА

 

НОРМЫ ПОЖАРНОЙ БЕЗОПАСНОСТИ

 

 

ОГНЕЗАЩИТНЫЕ КАБЕЛЬНЫЕ ПОКРЫТИЯ.
ОБЩИЕ ТЕХНИЧЕСКИЕ ТРЕБОВАНИЯ И МЕТОДЫ ИСПЫТАНИЙ

Fire retardant cables coatings.
General technical requirements and test methods.

НПБ 238-97

1. Область применения

1.1. Настоящие нормы содержат положения, регламентирующие общие технические требования и методы испытаний огнезащитных кабельных покрытий (ОКП), применяемых для снижения пожарной опасности кабельных линий, выполненных силовыми (кроме маслонаполненных), контрольными кабелями и кабелями связи, прокладываемыми в кабельных сооружениях, а также по строительным конструкциям зданий.

1.2. Регламентируемые настоящими нормами методы применяются в сертификационных целях, а также для сравнительной оценки эффективности ОКП в определенных контролируемых условиях испытаний.

1.3. Положения настоящих норм обязательны к применению при разработке и изготовлении ОКП предприятиями, организациями, юридическими и физическими лицами независимо от форм собственности и ведомственной подчиненности.

ОКП, ввозимые по импорту, должны иметь сертификат соответствия системы сертификации ГОСТ Р.

2. Нормативные ссылки

В настоящих нормах приведены ссылки на следующие стандарты:

ГОСТ 15140-78. Материалы лакокрасочные. Методы определения адгезии;

ГОСТ 12176-89. Кабели, провода и шнуры. Методы проверки на нераспространение горения;

ГОСТ 12.1.044-89. Пожаровзрывоопасность веществ и материалов. Номенклатура показателей и методы их определения.

НПБ 248-97 "Кабели и провода электрические. Показатели пожарной опасности. Методы испытаний.

(Измененная редакция. Изм. № 1).

3. Общие технические требования

3.1. Сопроводительная документация (ТУ, технологические регламенты и др.) на ОКП, поступающая на испытания, должна включать в себя сведения о материале наружных кабельных оболочек и защитных шлангов (поливинилхлорид, резина, полиэтилен), для которых данное покрытие разработано.

(Измененная редакция. Изм. № 1).

3.2. Подготовленные к испытаниям образцы кабелей с нанесенным ОКП должны иметь толщину покрытия, установленную в ТУ. Поверхность покрытия должна быть ровной, без видимых дефектов.

3.3. Нанесенные на кабели ОКП должны сохранять огнезащитные свойства в течение всего указанного в ТУ гарантированного срока эксплуатации*.

3.4. ОКП, применяемые во влажных средах, в помещениях с агрессивными средами и пожароопасными жидкостями, должны обладать соответствующей стойкостью к воздействию влаги и обращающихся веществ*.

3.5. ОКП должны обладать свойством адгезии по отношению к материалам оболочек кабелей и не оказывать агрессивного воздействия на их наружные покровы*.

___________

* Соответствие требованию проверяют испытанием, методику которого, при необходимости, приводят в ТУ на конкретный вид покрытия.

3.6. ОКП должны обладать малой дымообразующей способностью (коэффициент дымообразования до 50 м2/кг включительно) и быть малоопасными по показателю токсичности (ГОСТ 12.1.044-89).

3.7. Огнезащитная эффективность ОКП должна проверяться на образцах кабелей, имеющих в соответствии с требованиями настоящих норм (п. 3.1) один из кодов показателя предела распространения горения (далее - ПРГП) по НПБ 248-97.

Огнезащитные покрытия, которые применяют для защиты кабелей, имеющих код показателя предела распространения горения ПРГП2 или ПРГП4, отвечают требованиям настоящих норм, если в результате испытаний:

а) длина поврежденной пламенем или обугленной части кабельной прокладки не превышает 1,5 м;

б) коэффициент снижения допустимого длительного тока нагрузки для кабеля - не менее 0,98;

в) на поверхности ОКП отсутствуют трещины, сколы, потеки.

(Измененная редакция. Изм. № 1).

3.8. ОКП должны подвергаться квалификационным, приемо-сдаточным, периодическим и типовым испытаниям.

Программа и последовательность квалификационных и приемо-сдаточных испытаний указаны в табл. 1, периодических - в табл. 2.

Таблица 1

Программа квалификационных и приемо-сдаточных испытаний

Наименование испытаний и проверок

Нормативный документ и пункт настоящих норм

Технические требования

Метод испытаний

Идентификация

3.1

4.1

Проверка качества и толщины покрытия

3.2

4.2

Допустимый длительный ток нагрузки

3.7

4.3

Предел распространения горения

3.7

4.4

Сохранение огнезащитных свойств (допустимый срок эксплуатации)

3.3

ТУ

Адгезия

3.5, ТУ

ГОСТ 15140-78, ТУ

Стойкость к воздействию окружающей среды

3.4, ТУ

ТУ

Токсичность

3.6

ГОСТ 12.1.044-89

Дымообразующая способность

3.6

ГОСТ 12.1.044-89

Проверка агрессивного воздействия на наружные покровы кабелей

3.5

ТУ

Термическая стойкость

3.7

4.5

 

Типовые испытания ОКП проводят при изменении рецептуры и технологии изготовления огнезащитных составов. Программа этих испытаний устанавливается в зависимости от характера внесенных изменений.

3.9. Объем сертификационных испытаний и испытаний на пожарную опасность определяется заказчиком из табл. 1 и 2.

Таблица 2

Программа периодических испытаний

Наименование испытаний и проверок

Нормативный документ и пункт настоящих норм

Технические требования

Метод испытаний

Идентификация

3.1

4.1

Проверка качества и толщины покрытия

3.2

4.2

Допустимый длительный ток нагрузки

3.7

4.3

Предел распространения горения

3.7

4.4

Термическая стойкость

3.7

4.5

4. Методы испытаний

4.1. Идентификация

4.1.1. Идентификация осуществляется:

а) для проверки соответствия поступающих на испытания огнезащитных покрытий требованиям сопроводительной документации (входной контроль);

б) для установления идентичности ОКП, использованных на объекте и прошедших сертификационные испытания (при сдаче объекта в эксплуатацию, реконструкции кабельных линий и т.п.);

(Измененная редакция. Изм. № 1).

4.1.2. (Исключен. Изм. № 1).

4.1.3. (Исключен. Изм. № 1).

4.1.3.1. (Исключен. Изм. № 1).

4.1.3.2. (Исключен. Изм. № 1).

4.1.3.3. (Исключен. Изм. № 1).

4.1.3.4. (Исключен. Изм. № 1).

4.1.3.5. (Исключен. Изм. № 1).

4.1.3.6. (Исключен. Изм. № 1).

4.2. Метод проверки качества и толщины покрытия

(Измененная редакция. Изм. № 1).

Контроль толщины и качества огнезащитного слоя покрытия проводится при подготовке образцов кабелей с ОКП к испытаниям и при выполнении контрольных и надзорных функций на кабельных линиях реальных объектов.

(Измененная редакция. Изм. № 1).

4.2.1. Аппаратура.

Для измерения применяется штангенциркуль с ценой деления не менее 0,1 мм, диапазоном измерения 0  125 мм.

4.2.2. Подготовка образцов.

Измерение толщины покрытия проводится на образцах, представленных и подготовленных согласно методикам на соответствующие виды испытания, или на реальных линиях при контроле за выполнением работ по нанесению ОКП.

4.2.3. Проведение измерений толщины покрытия.

4.2.3.1. Перед нанесением ОКП на экспериментальный образец определяют диаметр кабеля штангенциркулем в 2 зонах, выбранных случайным образом и равномерно распределенных по длине образца. В каждой зоне необходимо проводить измерение в трех точках, равномерно расположенных по окружности образца. За величину диаметра кабеля принимается среднеарифметическое значение результатов шести измерений.

На кабельной линии реального объекта с нанесенным ОКП внешний диаметр определяют в пяти случайно выбранных и равномерно распределенных по длине образцов зонах по три точки измерения в каждой. Диаметр кабеля определяют по НД на данную марку кабеля.

4.2.3.2. Толщина ОКП определяется разницей среднеарифметических значений диаметров кабеля с ОКП (d1) и без ОКП (d2):

для ОКП, нанесенных на экспериментальный образец:

                                                        (1)

где х - среднеарифметическое значение толщины покрытия, мм; d1 - диаметр кабеля с ОКП, мм; d2 - диаметр кабеля без ОКП, мм;

для ОКП, нанесенных на кабельные линии реальных объектов:

                                                        (2)

4.2.4. Оценка результатов.

Полученное при испытаниях среднеарифметическое значение толщины покрытия не должно отличаться от толщины покрытия, указанной в ТУ, более чем на 10 %.

4.2.5. Требования безопасности.

Рабочее место оператора должно удовлетворять требованиям электробезопасности ГОСТ 12.1.019-79 и санитарно-гигиеническим требованиям ГОСТ 12.1.005-76.

4.2.6. Проверка качества покрытия кабеля огнезащитными составами осуществляется визуально после нанесения ОКП и его высыхания.

Качество покрытия отвечает требованиям настоящих норм, если на поверхности кабеля отсутствуют непрокрашенные места, а само покрытие не имеет потеков, локальных утолщений (бугорков), вздутий, трещин и отслоений.

(Введен дополнительно. Изм. № 1).

4.3. Метод определения коэффициента снижения допустимых длительных токов нагрузки для кабелей с ОКП

4.3.1. Аппаратура:

прибор для регистрации температур, диапазон измерения от 0 до 300 °С, класс точности не более 0,15;

(Измененная редакция. Изм. № 1).

термоэлектрический преобразователь, пределы измерения от 0 до 300 °С, диаметр электродов не более 0,5 мм;

источник электрического тока, позволяющий устанавливать ток в пределах от 0 до 300 А, погрешность установки и поддерживания режима не более 1 А;

измерительный комплект с трансформатором тока, диапазон измерения от 0 до 600 А, класс точности не более 0,5.

4.3.2. Подготовка образцов.

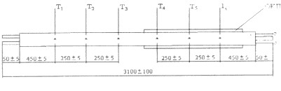
Отрезок кабеля с сечением алюминиевых токопроводящих жил не более 25 мм2, длиной (3,1  0,1) м на расстоянии (50  5) мм от концов очищают от изоляции для подключения к источнику электропитания. Жилы кабеля соединяют последовательно. На жилу закрепляют шесть термопар в точках, указанных на рисунке. На участке (1  0,1) м, отступив от конца образца (0,2  0,1) м, на кабель наносят ОКП (в соответствии с НД).

Размещение термоэлектрических преобразователей

4.3.3. Условия проведения испытания:

температура окружающей среды от 10 до 30 °С;

относительная влажность воздуха от 40 до 80 %;

атмосферное давление от 84 до 106 кПа.

4.3.4. Проведение испытания.

4.3.4.1. Регулируя ток источника питания, определяют такое значение тока I1, при котором показания прибора, регистрирующего температуру в точках 1 - 3, составляют (65  3) °С в течение 60 мин.

(Измененная редакция. Изм. № 1).

4.3.4.2. Аналогично п. 4.3.4.1 определяют значение тока I2 , при котором показания прибора, регистрирующего температуру в точках 4 - 6, составляют (65  3) °С в течение 60 мин.

(Измененная редакция. Изм. № 1).

4.3.5. Оценка результатов.

4.3.5.1. Коэффициент снижения допустимых длительных токов нагрузки определяют по формуле

                                                                               (3)

(Измененная редакция. Изм. № 1).

4.3.5.2. Покрытие считается отвечающим требованиям настоящей методики, если коэффициент снижения допустимых длительных токов нагрузки не менее 0,98.

4.4. Метод определения предела распространения горения по кабелям с ОКП

Оценивается способность ОКП препятствовать распространению горения вдоль кабельного пучка, выполненного кабелями, распространяющими горение.

4.4.1. Аппаратура.

Экспериментальная установка, температурный режим испытаний и регистрируемые параметры - по ГОСТ 12176-89, ч. 3.

4.4.2. Подготовка образцов.

4.4.2.1. Длина отрезков кабелей и их количество - в соответствии с категорией А по ГОСТ 12176-89, ч. 3.

4.4.2.2. Нанесение ОКП на кабели и его сушка осуществляются в соответствии с ТУ на покрытие.

4.4.3. Проведение испытаний по ГОСТ 12176-89, ч. 3.

4.4.4. Оценка результатов.

Огнезащитная эффективность ОКП в части нераспространения горения считается отвечающей требованиям настоящей методики, если длина поврежденной пламенем или обугленной части защищенной ОКП кабельной прокладки (предел распространения горения) не превышает 1,5 м.

4.5. Метод определения термической стойкости ОКП

4.5.1. Аппаратура.

Установка включает в себя термокамеру с диапазоном регулируемых температур от 20 до 200 °С, погрешность поддержания температуры ±5 °С.

(Измененная редакция. Изм. № 1).

4.5.2. Подготовка образцов.

Образец представляет собой отрезок кабеля длиной (200 ± 5) мм, диаметром (35 - 60) мм с нанесенным покрытием реальной толщины. Длительность сушки определяется в соответствии с ТУ на покрытие.

(Измененная редакция. Изм. № 1).

4.5.3. Условия проведения испытаний:

относительная влажность - от 40 до 80 %;

температура в камере поддерживается (150  5) °С.

(Измененная редакция. Изм. № 1).

4.5.4 Проведение испытаний.

Образец помещают в термокамеру и термостатируют при температуре (150 ± 5) °С в течение 120 минут.

(Измененная редакция. Изм. № 1).

4.5.5. Оценка результатов.

Образец считается выдержавшим испытание в случае отсутствия на поверхности ОКП трещин, сколов, потеков, определяемых визуально.

(Измененная редакция. Изм. № 1).

4.5.6. Требования безопасности.

4.5.6.1. При проведении работ на установке следует соблюдать требования следующих нормативных документов:

Правила технической эксплуатации электроустановок потребителей и Правила техники безопасности при эксплуатации электроустановок потребителей (утверждены Госэнергонадзором России);

Основные правила безопасности работы в химической лаборатории (утверждены Госкомитетом Совета Министров СССР по химии).

4.5.6.2. Заземление внутри помещения, где эксплуатируется установка, должно соответствовать требованиям Правил устройства электроустановок.

4.5.6.3. Помещение, где эксплуатируется установка, должно соответствовать санитарно-гигиеническим требованиям ГОСТ 12.1.005-76.

 

Приложение (Исключено. Изм. № 1).

 

Содержание

1. Область применения

2. Нормативные ссылки

3. Общие технические требования

4. Методы испытаний

4.1. Идентификация

4.2. Метод контроля толщины покрытия

4.3. Метод определения коэффициента снижения допустимых длительных токов нагрузки для кабелей с ОКП

4.4. Метод определения предела распространения горения по кабелям с ОКП

4.5. Метод определения термической стойкости ОКП

 

 




ГОСТЫ, СТРОИТЕЛЬНЫЕ и ТЕХНИЧЕСКИЕ НОРМАТИВЫ.
Некоммерческая онлайн система, содержащая все Российские Госты, национальные Стандарты и нормативы.
В Системе содержится более 150000 файлов нормативно-технической документации, действующей на территории РФ.
Система предназначена для широкого круга инженерно-технических специалистов.

Рейтинг@Mail.ru Яндекс цитирования

Copyright © www.gostrf.com, 2008 - 2026