Крупнейшая бесплатная информационно-справочная система онлайн доступа к полному собранию технических нормативно-правовых актов РФ. Огромная база технических нормативов (более 150 тысяч документов) и полное собрание национальных стандартов, аутентичное официальной базе Госстандарта. GOSTRF.com - это более 1 Терабайта бесплатной технической информации для всех пользователей интернета. Все электронные копии представленных здесь документов могут распространяться без каких-либо ограничений. Поощряется распространение информации с этого сайта на любых других ресурсах. Каждый человек имеет право на неограниченный доступ к этим документам! Каждый человек имеет право на знание требований, изложенных в данных нормативно-правовых актах!

  


 

ГОСТ Р 52087-2003

ГОСУДАРСТВЕННЫЙ СТАНДАРТ РОССИЙСКОЙ ФЕДЕРАЦИИ

ГАЗЫ УГЛЕВОДОРОДНЫЕ
СЖИЖЕННЫЕ ТОПЛИВНЫЕ

ТЕХНИЧЕСКИЕ УСЛОВИЯ

ГОССТАНДАРТ РОССИИ
Москва

Предисловие

1 РАЗРАБОТАН И ВНЕСЕН Техническим комитетом по стандартизации ТК 139 «Сжиженные газообразные топлива», Государственным унитарным предприятием «Всероссийский научно-исследовательский институт углеводородного сырья» (ГУП ВНИИУС)

2 ПРИНЯТ И ВВЕДЕН В ДЕЙСТВИЕ Постановлением Госстандарта России от 30 июня 2003 г. № 216-ст

3 ВВЕДЕН ВПЕРВЫЕ

СОДЕРЖАНИЕ

ГОСУДАРСТВЕННЫЙ СТАНДАРТ РОССИЙСКОЙ ФЕДЕРАЦИИ

ГАЗЫ УГЛЕВОДОРОДНЫЕ
СЖИЖЕННЫЕ ТОПЛИВНЫЕ

Технические условия

Liquefied hydrocarbon fuel gases.
Specifications

Дата введения 2004-07-01

1 Область применения

Настоящий стандарт распространяется на углеводородные сжиженные топливные газы (далее - сжиженные газы), применяемые в качестве топлива для коммунально-бытового потребления, моторного топлива для автомобильного транспорта, а также в промышленных целях.

2 Нормативные ссылки

В настоящем стандарте использованы ссылки на следующие стандарты:

ГОСТ 12.1.005-88 Система стандартов безопасности труда. Общие санитарно-гигиенические требования к воздуху рабочей зоны

ГОСТ 12.1.007-76 Система стандартов безопасности труда. Вредные вещества. Классификация и общие требования безопасности

ГОСТ 400-80 Термометры стеклянные для испытаний нефтепродуктов. Технические условия

ГОСТ 1510-84 Нефть и нефтепродукты. Маркировка, упаковка, транспортирование и хранение

ГОСТ 1770-74 Посуда мерная, лабораторная стеклянная. Цилиндры, мензурки, колбы, пробирки. Общие технические условия

ГОСТ 6709-72 Вода дистиллированная. Технические условия

ГОСТ 10679-76 Газы углеводородные сжиженные. Метод определения углеводородного состава

ГОСТ 14192-96 Маркировка грузов

ГОСТ 14921-78 Газы углеводородные сжиженные. Методы отбора проб

ГОСТ 15860-84 Баллоны стальные сварные для сжиженных углеводородных газов на давление до 1,6 МПа. Технические условия

ГОСТ 16350-80 Климат СССР. Районирование и статистические параметры климатических факторов для технических целей

ГОСТ 17299-78 Спирт этиловый технический. Технические условия

ГОСТ 18300-87 Спирт этиловый ректификованный технический. Технические условия

ГОСТ 19433-88 Грузы опасные. Классификация и маркировка

ГОСТ 22387.5-77 Газ для коммунально-бытового потребления. Метод определения интенсивности запаха

ГОСТ 22985-90 Газы углеводородные сжиженные. Метод определения сероводорода и меркаптановой серы

ГОСТ 28656-90 Газы углеводородные сжиженные. Расчетный метод определения плотности и давления насыщенных паров

ГОСТ Р 12.4.026-2001 Система стандартов безопасности труда. Цвета сигнальные, знаки безопасности и разметка сигнальная. Назначение и правила применения. Технические требования и характеристики. Методы испытаний

ГОСТ Р 50802-95 Нефть. Метод определения сероводорода, метил- и этилмеркаптанов

ГОСТ Р 50994-96 (ИСО 4256-78) Газы углеводородные сжиженные. Метод определения давления насыщенных паров

3 Марки

3.1 В зависимости от основного компонента марки сжиженных газов и коды ОКП приведены в таблице 1.

Таблица 1 - Марки сжиженных газов

Марка

Наименование

Код ОКП

ПТ

Пропан технический

02 7236 0101

ПА

Пропан автомобильный

02 7239 0501

ПБА

Пропан-бутан автомобильный

02 7239 0502

ПБТ

Пропан-бутан технический

02 7236 0102

БТ

Бутан технический

02 7236 0103

Применение сжиженных газов различных марок в зависимости от микроклиматического района по ГОСТ 16350 приведено в приложении А.

4 Технические требования

4.1 Сжиженные газы должны изготовляться в соответствии с требованиями настоящего стандарта по технологической документации, утвержденной в установленном порядке.

4.2 По физико-химическим и эксплуатационным показателям сжиженные газы должны соответствовать требованиям и нормам, указанным в таблице 2.

Таблица 2 - Физико-химические и эксплуатационные показатели сжиженных газов

Наименование показателя

Норма для марки

Метод испытания

ПТ

ПА

ПБА

ПБТ

БТ

1

2

3

4

5

6

7

1 Массовая доля компонентов, %:

 

 

 

 

 

По ГОСТ 10679

сумма метана, этана и этилена

Не нормируется

 

сумма пропана и пропилена, не менее

75

-

-

Не нормируется

 

в том числе пропана

-

85±10

50±10

-

-

 

сумма бутанов и бутиленов:

Не нормируется

-

-

 

не более

-

-

-

60

-

 

не менее

-

-

-

-

60

 

сумма непредельных углеводородов, не более

-

6

6

-

-

 

2 Объемная доля жидкого остатка при 20 ºС, %, не более

0,7

0,7

1,6

1,6

1,8

По 8.2

3 Давление насыщенных паров, избыточное, МПа, при температуре:

 

 

 

 

 

По ГОСТ Р 50994 или ГОСТ 28656

плюс 45 ºС, не более

1,6

 

минус 20 ºС, не менее

0,16

-

0,07

-

-

 

минус 30 °С, не менее

-

0,07

-

-

-

 

4 Массовая доля сероводорода и меркаптановой серы, %, не более

0,013

0,01

0,01

0,013

0,013

По ГОСТ 22985 или ГОСТ Р 50802

в том числе сероводорода, не более

0,003

По ГОСТ 22985 или ГОСТ Р 50802

5 Содержание свободной воды и щелочи

Отсутствие

По 8.2

6 Интенсивность запаха, баллы, не менее

3

По ГОСТ 22387.5 или 8.3

Примечания

1 Допускается не определять интенсивность запаха при массовой доле меркаптановой серы в сжиженных газах марок ПТ, ПБТ и БТ 0,002 % и более, а марок ПА и ПБА - 0,001 % и более. При массовой доле меркаптановой серы менее указанных значений или интенсивности запаха менее 3 баллов сжиженные газы должны быть одорированы в установленном порядке.

2 При температурах минус 20 °С и минус 30 °С давление насыщенных паров сжиженных газов определяют только в зимний период.

3 При применении сжиженных газов марок ПТ и ПБТ в качестве топлива для автомобильного транспорта массовая доля суммы непредельных углеводородов не должна превышать 6 %, а давление насыщенных паров должно быть не менее 0,07 МПа для марок ПТ и ПБТ при температурах минус 30 °С и минус 20 °С соответственно.

4.3 Маркировка

4.3.1 Маркировка сжиженных газов - по ГОСТ 1510 с указанием манипуляционного знака «Беречь от солнечных лучей» по ГОСТ 14192, знака опасности по ГОСТ 19433, класса 2, подкласса 2.3.

4.3.2 Сигнальные цвета и знаки безопасности должны применяться в соответствии с ГОСТ Р 12.4.026.

4.4 Упаковка

4.4.1 Сжиженные газы наливают в цистерны, металлические баллоны и другие емкости, освидетельствованные в соответствии с правилами устройства и безопасной эксплуатации сосудов, работающих под давлением, утвержденными в установленном порядке, и ГОСТ 15860.

5 Требования безопасности

5.1 Сжиженные газы пожаро- и взрывоопасны, малотоксичны, имеют специфический характерный запах, по степени воздействия на организм относятся к веществам 4-го класса опасности ГОСТ 12.1.007.

5.2 Сжиженные газы образуют с воздухом взрывоопасные смеси при концентрации паров пропана от 2,3 % до 9,5 %, нормального бутана от 1,8 % до 9,1 % (по объему), при давлении 0,1 МПа (1 атм.) и температуре 15 °С - 20 ºС.

5.3 Температура самовоспламенения пропана в воздухе составляет 470 ºС, нормального бутана - 405 ºС.

5.4 Предельно допустимая концентрация в воздухе рабочей зоны (в пересчете на углерод) предельных углеводородов (пропан, нормальный бутан) - 300 мг/м3, непредельных углеводородов (пропилен, бутилен) - 100 мг/м3.

5.5 Сжиженные газы, попадая на тело человека, вызывают обморожение, напоминающее ожог. Пары сжиженного газа тяжелее воздуха и могут скапливаться в низких непроветриваемых местах.

Человек, находящийся в атмосфере с незначительным превышением ПДК паров сжиженного газа в воздухе, испытывает кислородное голодание, а при значительных концентрациях в воздухе может погибнуть от удушья.

5.6 Сжиженные газы действуют на организм наркотически. Признаками наркотического действия являются недомогание и головокружение, затем наступает состояние опьянения, сопровождаемое беспричинной веселостью, потерей сознания.

Пары сжиженных газов при вдыхании быстро накапливаются в организме и столь же быстро выводятся через легкие, в организме человека не кумулируются.

5.7 При концентрациях, незначительно превышающих ПДК сжиженных газов, применяют промышленные фильтрующие противогазы марки А, а при высоких концентрациях и работе в закрытых емкостях, сосудах, колодцах и т.д. - шланговые изолирующие противогазы марок ПШ-1, ПШ-2 и ДПА-5 с принудительной подачей воздуха.

5.8 В производственных помещениях следует соблюдать требования санитарной гигиены по ГОСТ 12.1.005. Все производственные помещения должны быть оборудованы приточно-вытяжной вентиляцией, обеспечивающей десятикратный воздухообмен в 1 ч.

5.9 В помещениях производства, хранения и перекачивания сжиженных углеводородных газов запрещается обращение с открытым огнем, искусственное освещение должно быть выполнено во взрывозащищенном исполнении, все работы следует проводить инструментами, не дающими при ударе искру.

5.10 При загорании применяют следующие средства пожаротушения:

- порошок ПСБ, углекислый газ (СО2) - при небольших возгораниях;

- объемное тушение, охлаждение водой - при пожаре.

6 Требования охраны природы

6.1 Основными требованиями, обеспечивающими сохранение природной среды, являются максимальная герметизация емкостей, коммуникаций, насосных агрегатов и другого оборудования, строгое соблюдение технологического режима.

6.2 В производственных помещениях и на открытых площадках необходимо периодически контролировать содержание углеводородов в воздухе рабочей зоны. Для контроля используют переносные автоматические приборы (анализаторы, сигнализаторы), допущенные к применению в установленном порядке.

6.3 Промышленные стоки необходимо анализировать на содержание в них нефтепродуктов в соответствии с методическим руководством по анализу сточных вод нефтеперерабатывающих и нефтехимических заводов, утвержденным в установленном порядке.

7 Правила приемки

7.1 Сжиженные газы принимают партиями. За партию принимают любое количество сжиженного газа, однородное по своим показателям качества и оформленное одним документом о качестве.

7.2 Объем выборки - по ГОСТ 14921.

7.3 При получении неудовлетворительных результатов испытаний хотя бы по одному из показателей качества проводят повторные испытания новой пробы, взятой из той же партии. Результаты повторных испытаний распространяются на всю партию.

7.4 При разногласиях в оценке качества сжиженных газов между потребителем и изготовителем арбитражный анализ газа выполняют в лабораториях, аккредитованных в установленном порядке.

8 Методы испытаний

8.1 Пробы сжиженного газа отбирают по ГОСТ 14921.

8.2 Метод определения свободной воды и щелочи в жидком остатке

8.2.1 Аппаратура, реактивы и материалы

Отстойник вместимостью 100 или 500 см3.

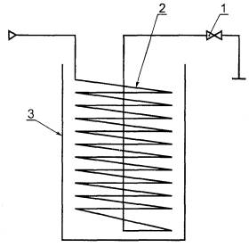
Устройство для охлаждения (рисунок 1).

1 - игольчатый вентиль; 2 - змеевик; 3 - сосуд для охлаждающей смеси

Рисунок 1 - Устройство для охлаждения сжиженного газа

Охлаждающий змеевик изготавливают из медной трубки наружным диаметром 6 - 8 мм и длиной 6 м, навитой виток к витку в виде спирали диаметром 60 - 90 мм.

Сосуд для охлаждения смеси с тепловой изоляцией, с размерами под охлаждающий змеевик (внутренний диаметр не менее 120 мм, высота не менее 220 мм).

Термометры типов ТН-1, ТН-8 по ГОСТ 400.

Штатив лабораторный для отстойника.

Термостат или водяная баня с терморегулятором для поддержания температуры с погрешностью не более 1 °С.

Гайка накидная к штуцеру пробоотборника с уплотнительной прокладкой, снабженной металлической или пластиковой трубкой длиной 20 - 30 см и внутренним диаметром 1 - 3 мм, служащей для соединения пробоотборника с охлаждающим змеевиком.

Индикаторы тимоловый синий водорастворимый, ч.д.а., и фенолфталеин, раствор в этиловом спирте по ГОСТ 18300 или ГОСТ 17299, массовой долей 1 %.

Вата гигроскопическая.

Вода дистиллированная (рН = 7) по ГОСТ 6709.

Смесь охлаждающая, состоящая из крупнокристаллической поваренной соли и льда или ацетона и твердого диоксида углерода, или другие смеси, обеспечивающие требуемую температуру (8.2.2.4).

Примечание - Допускается применять аналогичные приборы и материалы по классу точности не ниже предусмотренных стандартом.

8.2.2 Проведение испытания

8.2.2.1 На штуцер пробоотборника с испытуемым сжиженным газом навинчивают накидную гайку с чистой сухой отводной трубкой. Открывая нижний вентиль (впускной вентиль) вертикально расположенного пробоотборника (типа ПГО-400), осторожно наливают сжиженный газ через трубку в чистый сухой отстойник. При наливе конец трубки удерживают под поверхностью жидкости, отстойник наполняют до метки 100 см3.

8.2.2.2 Быстро устанавливают медную проволоку в пробку из ваты, неплотно вставленную в горло отстойника. Проволока предотвращает перегрев жидкости и ее вскипание с выбросом и способствует равномерному испарению продукта, а пробка из ваты не пропускает в отстойник влагу из воздуха.

8.2.2.3 После испарения основной массы сжиженного газа при температуре окружающей среды и прекращения заметного испарения жидкости отстойник помещают в водяную баню температурой (20±1) °С и выдерживают 20 мин. Затем измеряют объем жидкого остатка с точностью до 0,1 см3.

8.2.2.4 Если объем жидкого остатка превышает норму, то проводят повторные испытания новой пробы, взятой из той же партии.

При проведении повторных и арбитражных испытаний отстойник заполняют сжиженным газом через охлаждающий змеевик. Змеевик устанавливают в сосуд для охлаждающей смеси, снабженный термометром, охлаждают до температуры на несколько градусов ниже температуры кипения основного компонента пробы сжиженного газа и присоединяют к пробоотборнику или пробоотборной точке.

8.2.2.5 Открывая вентили на пробоотборнике или пробоотборной точке и змеевике, промывают змеевик сжиженным газом. Затем отстойник наполняют пробой сжиженного газа, выходящей из змеевика, до метки 100 см3, не допуская выброса пробы из отстойника. Далее повторяют операцию испарения газа и измеряют количество жидкого остатка по 8.2.2.2 и 8.2.2.3.

8.2.2.6 Если в продукте имеется свободная вода, то после испарения пробы она остается на дне и стенках отстойника. При затруднениях в визуальной идентификации свободной воды в жидком остатке ее наличие определяют с помощью водорастворимого индикатора. Для этого в отстойник вносят на кончике сухой стеклянной палочки или проволоки несколько кристалликов тимолового синего. В углеводородном жидком остатке тимоловый синий не растворяется и не окрашивается.

Окрашивание жидкости указывает на наличие воды. В щелочной среде тимоловый синий окрашивается в синий цвет.

Для определения наличия щелочи в жидком остатке допускается применять в качестве индикатора фенолфталеин. В отстойник добавляют 100 см3 дистиллированной воды, предварительно проверенной на нейтральность, и 2 - 3 капли водного раствора фенолфталеина. При отсутствии окраски раствора в розовый или красный цвет фиксируют отсутствие щелочи, при окраске раствора - присутствие щелочи.

8.2.2.7 В жидком остатке может содержаться метанол, который дает такое же окрашивание при проверке индикатором, как и свободная вода.

Для дополнительной идентификации свободной воды необходимо охладить жидкий остаток до температуры минус 5 °С - 10 ºС в соответствующей охлаждающей смеси. Если при этом в отстойнике образуется лед, то констатируют наличие свободной воды, если жидкость не замерзает, то констатируют отсутствие свободной воды.

8.2.2.8 Два результата определения, полученные одним исполнителем, признают достоверными (с 95 %-ной доверительной вероятностью), если абсолютное расхождение между ними не превышает 0,1 %.

8.3 В случае разногласий интенсивность запаха определяют по ГОСТ 22387.5 (арбитражный метод) со следующим дополнением: через газовый счетчик в комнату-камеру подают испытуемый газ в следующих количествах для марок: ПТ - 0,5 %, ПБТ - 0,4 %, БТ - 0,3 %, ПА - 1,0 % и ПБА - 0,8 % (по объему).

9 Транспортирование и хранение

9.1 Транспортирование и хранение сжиженных газов - по ГОСТ 1510.

10 Гарантии изготовителя

10.1 Изготовитель гарантирует соответствие сжиженного газа требованиям настоящего стандарта при соблюдении условий транспортирования и хранения.

10.2 Гарантийный срок хранения сжиженного газа всех марок - 6 мес со дня отгрузки.

Приложение А

(рекомендуемое)

Применение различных марок сжиженного газа

Назначение сжиженного газа

Применяемый сжиженный газ для микроклиматического района по ГОСТ 16350

умеренного

холодного

Летний период

Зимний период

Летний период

Зимний период

1 Коммунально-бытовое потребление:

 

 

 

 

газобаллонное:

 

 

 

 

- с наружной установкой баллонов;

ПБТ, ПБА

ПТ, ПА

ПБТ, ПБА

ПТ, ПА

- с внутриквартирной установкой баллонов;

ПБТ, ПБА

ПБТ, ПБА

ПБТ, ПБА

ПБТ, ПБА

- портативные баллоны;

БТ

БТ

БТ

БТ

групповые установки:

- без испарителей;

ПБТ, ПБА

ПТ, ПА

ПТ, ПА, ПБТ, ПБА

ПТ, ПА

- с испарителями

ПБТ, ПБА, БТ

ПТ, ПА, ПБТ, ПБА, БТ

ПТ, ПА. ПБТ, ПБА

ПТ, ПА, ПБТ, ПБА

2 Топливо для автомобильного транспорта

ПБА, ПБТ

ПА, ПТ

-

-

Примечания

1 Для всех климатических районов, за исключением холодного и очень холодного:

летний период - с 1 апреля по 1 октября;

зимний период - с 1 октября по 1 апреля.

2 Для холодных районов:

летний период - с 1 июня по 1 октября;

зимний период - с 1 октября по 1 июня.

3 Для очень холодных районов:

летний период - с 1 июня по 1 сентября;

зимний период - с 1 сентября по 1 июня.

4 Допускается к применению газ марки ПБА в качестве топлива автомобильного транспорта во всех климатических зонах при температуре окружающего воздуха не ниже 20 °С.

Ключевые слова: газы углеводородные сжиженные, пропан, бутан и их смеси

 




ГОСТЫ, СТРОИТЕЛЬНЫЕ и ТЕХНИЧЕСКИЕ НОРМАТИВЫ.
Некоммерческая онлайн система, содержащая все Российские Госты, национальные Стандарты и нормативы.
В Системе содержится более 150000 файлов нормативно-технической документации, действующей на территории РФ.
Система предназначена для широкого круга инженерно-технических специалистов.

Рейтинг@Mail.ru Яндекс цитирования

Copyright © www.gostrf.com, 2008 - 2026