Крупнейшая бесплатная информационно-справочная система онлайн доступа к полному собранию технических нормативно-правовых актов РФ. Огромная база технических нормативов (более 150 тысяч документов) и полное собрание национальных стандартов, аутентичное официальной базе Госстандарта. GOSTRF.com - это более 1 Терабайта бесплатной технической информации для всех пользователей интернета. Все электронные копии представленных здесь документов могут распространяться без каких-либо ограничений. Поощряется распространение информации с этого сайта на любых других ресурсах. Каждый человек имеет право на неограниченный доступ к этим документам! Каждый человек имеет право на знание требований, изложенных в данных нормативно-правовых актах!

  


 

ГОСТ Р 51941-2002

ГОСУДАРСТВЕННЫЙ СТАНДАРТ РОССИЙСКОЙ ФЕДЕРАЦИИ

БЕНЗИНЫ

Газохроматографический метод определения
ароматических углеводородов

ГОССТАНДАРТ РОССИИ

Москва

Предисловие

1 РАЗРАБОТАН Техническим комитетом по стандартизации ТК 31 «Нефтяные топлива и смазочные материалы» (ОАО «ВНИИНП»)

ВНЕСЕН Департаментом нефтепереработки Министерства энергетики Российской Федерации

2 ПРИНЯТ И ВВЕДЕН В ДЕЙСТВИЕ Постановлением Госстандарта России от 25 сентября 2002 г. № 352-ст

3 Настоящий стандарт представляет собой аутентичный текст АСТМ Д 4420-94 «Газохроматографический метод определения ароматических углеводородов в товарном бензине»

4 ВВЕДЕН ВПЕРВЫЕ

ГОСТ Р 51941-2002

ГОСУДАРСТВЕННЫЙ СТАНДАРТ РОССИЙСКОЙ ФЕДЕРАЦИИ

БЕНЗИНЫ

Газохроматографический метод определения ароматических углеводородов

Gasolines.

Gas chromatographic method for determination of aromatic hydrocarbons

Дата введения 2003-07-01

1 Область применения

1.1 Настоящий стандарт распространяется на автомобильные товарные бензины, а также на компоненты их смешения и устанавливает газохроматографический метод определения бензола, тулуола, ароматических углеводородов С8, С9 и более тяжелых и общей объемной доли ароматических углеводородов в следующих диапазонах, %:

бензол                                                                                              От 0,1 до 5,0

толуол                                                                                                 » 1,0 » 20,0

ароматические С8                                                                              » 3,0 » 25,0

ароматические С9 и более тяжелые                                                 » 5,0 » 30,0

общая объемная доля ароматических углеводородов                    » 10,0 » 80,0

Примечания:

1 Для определения в бензинах только бензола и толуола можно использовать метод испытания [1].

2 Применение данного метода для бензинов, содержащих оксигенаты, например эфиры и спирты, не определено.

1.2 Используют хроматографическую систему с двумя колонками, соединенную с детектором по теплопроводности с двумя катодами (или два детектора с одним катодом). Воспроизводимый объем образца впрыскивают в колонку, содержащую полярную жидкую фазу. Неароматические углеводороды направляют в сравнительную ячейку детектора (или детектора В с одним катодом) и выпускают в атмосферу по мере элюирования.

До элюирования бензола колонку промывают обратной струей, а все ароматические углеводороды направляют во вторую колонку, содержащую неполярную фазу. Ароматические углеводороды элюируют в порядке температур выкипания и детектируют их на аналитической ячейке детектора (или детектора А с одним катодом). Сразу после элюирования ароматических углеводородов С8 поток через неполярную колонку поворачивают в обратную сторону для промывки обратной струей С9 и более тяжелых ароматических углеводородов из колонки через детектор.

Количественные результаты получают по измеренным площадям зарегистрированных пиков углеводородов ароматического ряда, используя коэффициенты, полученные при анализе смеси с известным содержанием ароматических углеводородов.

1.3 Значения, установленные в единицах системы СИ, необходимо считать стандартными.

1.4 Требования безопасности приведены в приложении А.

2 Нормативные ссылки

В настоящем стандарте использованы ссылки на нормативные документы, указанные в приложении Б.

3 Аппаратура

3.1 Хроматограф

Можно применять хроматограф, который имеет систему прямого ввода, систему промывки обратной струей и детектор по теплопроводности, который может работать в условиях, приведенных в таблице 1.

Таблица 1 - Рабочие условия

Наименование показателя

Значение

Наименование показателя

Значение

Газ-носитель

Гелий

Температура системы ввода образца, °С

200

Скорость потока газа-носителя, см3/мин

60

Температура термостата колонки, °С

135

Тип детектора

По теплопроводности

Размер образца, мкл

3

Температура детектора, °С

150

 

 

Возможны две системы промывки обратной струей: на рисунке 1 приведена схема потока при использовании ротационного клапана с восьмью отверстиями, а на рисунке 2 - диаграмма потока при использовании линейного клапана с 11 отверстиями. Можно применять любую из схем потока.

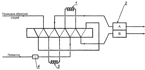
1 - детектор В; 2 и 6 - колонка А; 3 и 7 - инжектор; 4 и 8 - колонка В; 5 и 9 - детектор А

Рисунок 1 - Схема потока при ротационном клапане с 8-ю отверстиями

1 - колонка А; 2 - детектор; 3 - колонка В; 4 - система ввода

Рисунок 2 - Схема потока при линейном клапане с 11-ю отверстиями

3.1.1 Детектор по теплопроводности

Можно применять детектор с двумя катодами или два детектора с одним катодом. При применении детекторов с двумя катодами аналитическую ячейку и ячейку сравнения используют отдельно для детектирования элюируемых компонентов. Надлежащего детектирования достигают переключением полярности сигнала вручную или автоматически. Более новые газовые хроматографы, снабженные детекторами с одним катодом, обычно имеют способность к автоматическому переключению от выхода одного сигнала на другой, так что им также нужен только единственный самописец или единственный канал интегрирования.

3.1.2 Чувствительность

Общая чувствительность должна быть достаточной для детектирования 0,1 % бензола с высотой пика не менее 3 мм при впрыскивании 3 мкл.

3.2 Самописец ленточный

Потенциометр с регистрацией диапазона 0 - 1 мВ, со временем отклика 2 с или менее и максимальным уровнем шума ±0,3 % всей шкалы.

3.3 Интегратор (компьютерное или электронное интегрирование)

3.4 Колонка

Применяют две колонки, характеристики которых указаны в таблице 2. Колонка А (полярная) отделяет ароматические углеводороды от неароматических, колонка В (неполярная) разделяет ароматические углеводороды по числу атомов углерода.

Таблица 2 - Характеристика колонок

Параметры

Колонка А

Колонка В

Жидкая фаза

OV - 275

SE - 30 или OV - 101

Длина, м (нержавеющая сталь)

3

Диаметр, мм (дюймы):

 

 

внутренний

1,8 (0,07")

наружный

3,2 (1/8")

Масса загрузки, %

33

25

Твердый носитель

Хромосорб Р

Число отверстий на 1 дюйм, меш.

60 - 80

Обработка

Промытый кислотой

3.5 Микрошприц вместимостью 5 мкл

4 Реактивы и материалы

4.1 Газ-носитель

Гелий чистотой 99,99 %.

4.2 Твердый носитель

Дробленый огнеупорный кирпич или инертная диатомовая земля, промытая кислотой, 60 - 80 меш.

4.3 Жидкие фазы: OV - 275 и метилсилоксан.

4.4 Изооктан, 99+ мол. %.

4.5 Бензол, 99+ мол. %.

4.6 Толуол, 99+ мол. %.

4.7 Ксилолы смешанные, квалификации ч, содержат этилбензол.

4.8 н-Бутилбензол, 99+ мол. %.

5 Отбор проб

5.1 Пробу отбирают в соответствии с [2]. Перед тем как открыть контейнер с образцом, его необходимо охладить.

6 Подготовка аппаратуры

6.1 Помещают колонки, включая клапан, в термостат в соответствии со схемой потока, приведенной на рисунках 1 и 2.

Колонки можно подготовить любым пригодным методом, используемым на практике, при условии, что достигаемое разделение равноценно приведенному на рисунках 3 - 5.

Примечание - В [4] приведены типичные инструкции по подготовке колонок.

6.1.1 Устанавливают рабочие условия в соответствии с таблицей 1, не подключая линию детектора. Проверяют систему на утечку газа-носителя. После того, как подтверждено отсутствие утечек, включают детектор и позволяют системе достичь равновесия, на что указывает стабильная нулевая линия самописца.

Рисунок 3 - Хроматограмма, показывающая позиции включения клапана

Рисунок 4 - Хроматограмма бензина

Рисунок 5 - Хроматограмма, показывающая позиции переключения клапана для второго (повторного) анализа

7 Калибровка

7.1 Калибровочная смесь

Пользуясь методикой [3], готовят калибровочную смесь ароматических углеводородов в изооктане с тем же содержанием компонентов, что и в анализируемом образце.

В качестве представителя ароматического углеводорода С9 и более тяжелых ароматических углеводородов используют н-бутилбензол. При помощи относительных плотностей пересчитывают массовую долю в объемную долю (таблица 3).

Таблица 3 - Рекомендуемые концентрации ароматических углеводородов и их относительная плотность

Углеводород

Объемная доля, %

Относительная плотность (60/60 °F)

Бензол

3,00

0,8845

Толуол

10,00

0,8719

Смесь ксилолов (ароматические

 

Среднее значение:

углеводороды С8)

15,00

0,8727

н-Бутилбензол (С9 и более тяжелые ароматические углеводороды)

15,00

0,8646

7.2 Процедура калибровки

7.2.1 Вводят 3 мкл калибровочной смеси через клапан в положении прямотока и детекторе на полярности В. Если используют детектор с одним катодом, проверяют сигнал с детектора В. Определяют время в секундах, при котором бензол начинает элюироваться, и вычитают из этого значения 6 с. Обозначают это время Т1.

7.2.2 Хроматографируют калибровочную смесь с детектором на полярности А. Если используют детектор с одним катодом, записывают сигнал с детектора А. Во время Т1 переключают клапан в позицию промывки обратной струей. Когда пик о-ксилола возвращается к нулевой линии, переключают клапан в позицию прямотока. Обозначают это время Т2. В качестве примера на рисунке 3 приведена хроматограмма.

7.2.3 Измеряют площади пиков бензола, толуола, ароматических углеводородов С8 и н-бутилбензола. Рассчитывают коэффициент чувствительности, % (по объему на единицу площади), для каждого из этих компонентов или групп, до трех значащих цифр по следующему уравнению

F = M/A,                                                                         (1)

где F - коэффициент чувствительности компонента или группы для объема пробы в 3 мкл;

М - объемная доля компонента, %;

А - площадь пика компонента.

8 Проведение испытания

8.1 Хроматографируют образец согласно 7.2. Объем вводимого образца должен быть точно таким же, как и объем, используемый при калибровке.

8.1.1 Для образца, содержащего тяжелые неароматические углеводороды, мешающие определению ароматических углеводородов С9 и более тяжелых, пик неароматических углеводородов на хроматограмме представлен в виде обратного пика, не возвращающегося к нулевой линии за время Т1. При применении детектора с одним катодом пик неароматических углеводородов окажется в положительной области. Для расчета содержания ароматических углеводородов С9 и более тяжелых ароматических углеводородов определяют время Т и Т и используют для второго анализа того же образца, где определяют только С9 и более тяжелые ароматические соединения.

8.1.2 Время Т определяют хроматографированием калибровочной смеси при прямоточном положении клапана и полярности детектора В. При применении детектора с одним катодом записывают сигнал с детектора В. Определяют время в секундах, при котором начинает элюироваться смесь ксилолов, и вычитают из этого значения 6 с. Обозначают это время Т.

8.1.3 Хроматографируют смесь с детектором на полярности А. При применении детектора с одним катодом записывают сигнал с детектора А. Во время Т переключают клапан в позицию обратной промывки. Когда пик о-ксилола возвращается к нулевой линии, переключают клапан в позицию прямотока. Обозначают это время Т.

Все указанное выше приведено на рисунке 5.

8.1.4 Если пик неароматических углеводородов для образцов, содержащих тяжелые неароматические углеводороды, возвращается к нулевой линии до времени Т, то содержание С9 и более тяжелых ароматических углеводородов можно определить при таком же повторном анализе. Если пик не достигает нулевой линии, то содержание С9 и более тяжелых ароматических углеводородов определить нельзя.

8.2 Измерение площади

Измеряют площади пиков бензола, толуола, смеси ароматических углеводородов С8, а также С9 и более тяжелых ароматических углеводородов и рассчитывают коэффициент чувствительности, как указано в 7.2.3.

9 Обработка результатов

9.1 Рассчитывают объемную долю LV, %, каждого компонента или группы ароматических углеводородов, присутствующих в образце, по формуле

LV = FC,                                                                         (2)

где F - коэффициент чувствительности, предварительно определенный по 7.2.3;

С - площадь пика компонента.

9.2 Записывают концентрацию индивидуальных ароматических углеводородов или групп ароматических углеводородов в абсолютных значениях с точностью до 0,1 %.

10 Точность метода

10.1 Точность метода, полученная статистическим исследованием межлабораторных результатов испытаний, приведена в 10.1.1 и 10.1.2.

Примечание - Формулировки точности разработаны по данным, полученным с помощью электронных интеграторов или компьютеров on-line. Показатели точности неприменимы, если используются другие методы интегрирования или измерения площади пика.

10.1.1 Сходимость

Расхождение между двумя последовательными результатами испытаний, полученными одним и тем же оператором на идентичном исследуемом материале с использованием одной и той же аппаратуры при постоянно действующих условиях в течение длительного времени при нормальном и правильном использовании метода испытаний, не должно превышать следующие значения более чем в одном случае из двадцати:

бензол                                                                                0,171 ´ измеренное значение, %

толуол                                                                                0,089 ´          »                 »         »

ароматические углеводороды C8                                     0,121 ´          »                 »         »

С9 и более тяжелые ароматические углеводороды       0,092 ´          »                 »         »

сумма ароматических углеводородов                             0,078 ´          »                 »         »

10.1.2 Воспроизводимость

Расхождение между двумя единичными и независимыми результатами, полученными разными операторами, работающими в различных лабораториях на идентичном испытуемом материале в течение длительного времени при нормальной и правильной эксплуатации метода испытаний, не должно превышать следующие значения более чем в одном случае из двадцати:

бензол                                                                                0,408 ´ измеренное значение, %

толуол                                                                                0,156 ´          »                 »         »

ароматические углеводороды C8                                     0,190 ´          »                 »         »

С9 и более тяжелые ароматические углеводороды       0,196 ´          »                 »         »

сумма ароматических углеводородов                             0,141 ´          »                 »         »

Примечание - Точность была определена при использовании традиционных автомобильных бензинов, купленных на открытом рынке, и представительных бензиновых компонентов смешения. Объемные доли бензола в большинстве образцов были меньше 2 %. Для более точного анализа бензола при низких уровнях концентрации следует применять метод испытания [1].

10.2 Отклонение

В связи с отсутствием стандартного образца бензина, содержащего известные концентрации индивидуальных ароматических углеводородов, отклонение содержания ароматических углеводородов в товарных бензинах по данному методу определить нельзя.

10.2.1 Настоящий метод испытания использует ранее подготовленные калибровочные смеси для установления зависимости абсолютной чувствительности детектора от известной объемной доли каждого индивидуального ароматического углеводорода или группы ароматических углеводородов, описанных в разделе «область применения метода». Коэффициенты чувствительности определены таким образом, что учитывают любую инструментальную составляющую отклонения. Используемые калибровочные смеси, являясь более простыми по составу, чем товарные бензины, не могут служить адекватной моделью бензинов; таким образом, влияние матрицы может быть источником отклонения.

ПРИЛОЖЕНИЕ А

(справочное)

Требования безопасности

А.1 Настоящий стандарт не ставит целью указать все меры техники безопасности, связанные с его применением. Соответствующие меры техники безопасности и обязательные ограничения применения стандарта должен установить пользователь стандарта.

Ниже приведены характеристики наиболее опасных реактивов, применяемых в стандарте:

бензин - чрезвычайно воспламеняем, пары вредны при вдыхании;

гелий - сжатый газ под высоким давлением;

изооктан - чрезвычайно воспламеняем, вреден при вдыхании;

бензол - яд, канцероген, смертелен при проглатывании;

чрезвычайно воспламеняем, пары могут вызвать пожар;

толуол - воспламеняем, пары вредны;

ксилолы, этилбензол, н-бутилбензол - воспламеняемы, пары вредны.

ПРИЛОЖЕНИЕ Б

(обязательное)

Перечень нормативных документов, применяемых в настоящем стандарте

[1] АСТМ Д 3606 Газохроматографический метод определения бензола и толуола в товарных автомобильном и авиационном бензинах1)

[2] АСТМ Д 4057 Руководство по отбору проб нефти и нефтепродуктов вручную1)

[3] АСТМ Д 4307 Руководство по подготовке смесей жидкостей для применения в качестве аналитических стандартов1)

[4] АСТМ Е 260 Руководство по газовой хроматографии с набивными колонками2)

1) Ежегодный сборник стандартов АСТМ, т. 05.02.

2) Ежегодный сборник стандартов АСТМ, т. 14.02.

Ключевые слова: бензин, ароматические углеводороды, бензол, толуол, газохроматографический метод

СОДЕРЖАНИЕ

 

 

 

 




ГОСТЫ, СТРОИТЕЛЬНЫЕ и ТЕХНИЧЕСКИЕ НОРМАТИВЫ.
Некоммерческая онлайн система, содержащая все Российские Госты, национальные Стандарты и нормативы.
В Системе содержится более 150000 файлов нормативно-технической документации, действующей на территории РФ.
Система предназначена для широкого круга инженерно-технических специалистов.

Рейтинг@Mail.ru Яндекс цитирования

Copyright © www.gostrf.com, 2008 - 2026