Крупнейшая бесплатная информационно-справочная система онлайн доступа к полному собранию технических нормативно-правовых актов РФ. Огромная база технических нормативов (более 150 тысяч документов) и полное собрание национальных стандартов, аутентичное официальной базе Госстандарта. GOSTRF.com - это более 1 Терабайта бесплатной технической информации для всех пользователей интернета. Все электронные копии представленных здесь документов могут распространяться без каких-либо ограничений. Поощряется распространение информации с этого сайта на любых других ресурсах. Каждый человек имеет право на неограниченный доступ к этим документам! Каждый человек имеет право на знание требований, изложенных в данных нормативно-правовых актах!

  


 

ОТРАСЛЕВОЙ ДОРОЖНЫЙ МЕТОДИЧЕСКИЙ ДОКУМЕНТ

Утвержден распоряжением
Минтранса России
от 15.07.2003 г. № ОС-622-р

РЕКОМЕНДАЦИИ
ПО ПРИМЕНЕНИЮ УДАРОБЕЗОПАСНЫХ
НАПРАВЛЯЮЩИХ УСТРОЙСТВ
ИЗ КОМПОЗИЦИОННЫХ МАТЕРИАЛОВ
НА АВТОМОБИЛЬНЫХ ДОРОГАХ ОБЩЕГО
ПОЛЬЗОВАНИЯ

МИНИСТЕРСТВО ТРАНСПОРТА РОССИЙСКОЙ ФЕДЕРАЦИИ
ГОСУДАРСТВЕННАЯ СЛУЖБА ДОРОЖНОГО ХОЗЯЙСТВА

МОСКВА 2003

1. Разработан ЗАО «Холдинговая Компания «Автодортехпрогресс» совместно с ГП «Росдорнии» и ООО «Армопроект».

2. Внесен Департаментом эксплуатации и сохранности автомобильных дорог.

3. Принят и введен в действие распоряжением Министерства транспорта Российской Федерации от 15.07.2003 № ОС-622-р.

«Рекомендации по применению ударобезопасных направляющих устройств из композиционных материалов на автомобильных дорогах общего пользования» разработаны инженером В. А. Поповым (руководитель разработки), канд. техн. наук В.  И. Лебедевым (ЗАО «Холдинговая Компания «Автодортехпрогресс»), канд. техн. наук В. Д. Беловым (ГП «Росдорнии»), канд. техн. наук А. В. Сухановым, инженером А. В. Асеевым, канд. техн. наук В. И. Сисаури (ООО «Армопроект») по заказу Управления инноваций и технического нормирования в дорожном хозяйстве Государственной службы дорожного хозяйства Министерства транспорта Российской Федерации.

В Рекомендациях учтены замечания и предложения ОАО «Гипродорнии» (канд. техн. наук Н. А. Рябиков); МАДИ (ТУ) (д-р техн. наук В. В. Сильянов); НИЦ ГИБДД МВД России (канд. техн. наук В. Д. Кондратьев); ГП «Росдорнии» (канд. техн. наук Н. П. Минин); ГУ «Федеральное управление автомобильных дорог «Центральная Россия» (В. Ю. Травкин, С. Ф. Сорокин).

1. ВВЕДЕНИЕ

1.1. Современные условия движения на автомобильных дорогах характеризуются наличием в потоке большого числа автомобилей с высокими динамическими характеристиками, которые во многом определяют режимы движения. Водителям становится все труднее ориентироваться при движении на дороге, т.к. у них не всегда хватает времени на то, чтобы правильно оценить ситуацию на дороге и выбрать правильную траекторию движения. Особенно это характерно для участков дорог, имеющих особенности в организации движения (например места производства дорожных работ), а также при движении в темное время суток, когда видимость дороги в свете фар не превышает 10 - 15 м, а кромка проезжей части становится почти неразличимой при отсутствии или значительном износе краевой разметки. Это время от времени становится причиной дорожно-транспортных происшествий (ДТА), связанных со съездом автомобилей с дороги и их опрокидыванием или наездами на препятствия, имеющиеся на дороге в период производства дорожных работ.

Для улучшения безопасности движения на дорогах их оборудуют техническими средствами организации движения, в число которых входят направляющие устройства, являющиеся средством зрительного ориентирования водителей.

1.2. Разработанная серия направляющих устройств из композиционных материалов обладает следующими отличительными качествами, что делает их использование более эффективным, с точки зрения безопасности, и экономически выгодным:

- низкая инерционность и твердость композиционных материалов, по сравнению с бетоном и металлом, практически исключает возможность механических повреждений автотранспорта при наезде на такие устройства и травмируемость пассажиров;

- коррозионная стойкость и инертность композиционных материалов к действию растворов солей, щелочей и антигололедных растворов повышает срок эксплуатации и практически исключает затраты на содержание в процессе эксплуатации;

- большая гибкость, по сравнению с металлическими и бетонными конструкциями, при сопоставимой и большей прочности обеспечивает сохранение работоспособности композитных конструкций при многократных наездах и в процессе длительного срока эксплуатации;

- малая масса обеспечивает возможность оперативной установки и замены без использования грузоподъемной и специальной строительной техники;

- возможность установки в непосредственной близости от движущихся транспортных средств.

Использование гибких ударобезопасных направляющих устройств из композиционных материалов позволяет повысить качество информационного обеспечения водителей, что является одной из составляющих безопасности дорожного движения.

2. НАЗНАЧЕНИЕ И ВИДЫ УДАРОБЕЗОПАСНЫХ НАПРАВЛЯЮЩИХ УСТРОЙСТВ ИЗ КОМПОЗИЦИОННЫХ МАТЕРИАЛОВ

2.1. Технические средства организации дорожного движения в виде направляющих устройств помогают водителям следить за направлением дороги и своим положением на проезжей части, а также обозначать участки проезжей части, закрытые для движения, имеющиеся на дороге препятствия и направление их объезда. Направляющие устройства, как правило, оборудуют световозвращателями, что делает их применение особенно эффективным в темное время суток.

2.2. К ударобезопасным направляющим устройствам из композиционных материалов относятся:

- столбик сигнальный (варианты с круглым, треугольным и сегментным сечением);

- пластина прямоугольная сигнальная;

- веха стержневая цилиндрическая.

2.3. Направляющие устройства подразделяют на типы:

сплошные - корпус и опорная часть являются единой конструкцией, не требующей сборки в процессе ее установки на дороге;

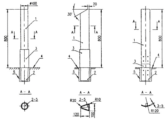
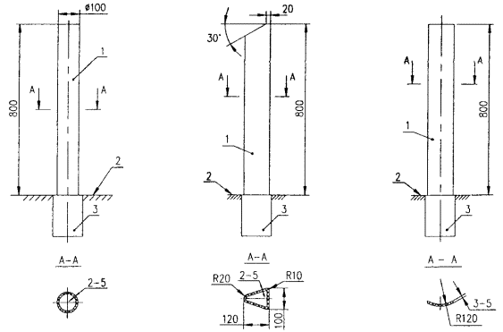
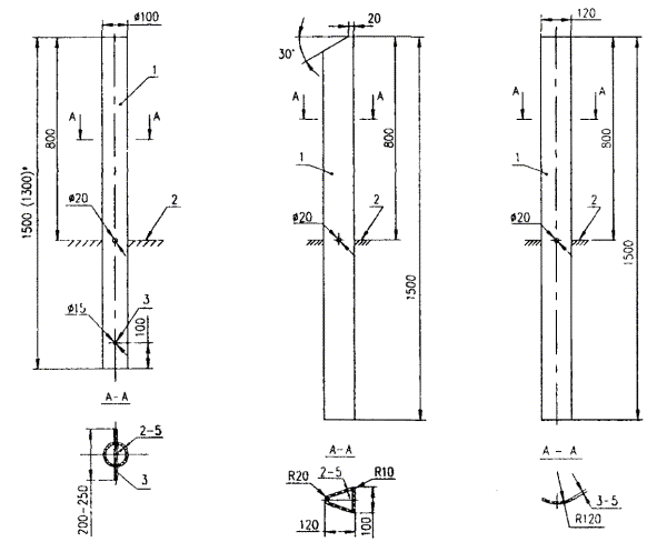
составные - корпус и опорная часть представляют собой самостоятельные конструкции, соединяемые между собой при установке на дороге с помощью специальных удерживающих устройств. На рис. 1 и 2 приведены примеры сплошных и составных направляющих устройств в виде сигнальных столбиков.

Сплошные и составные направляющие устройства из композиционных материалов ударобезопасны, ввиду меньшей жесткости, инерционности и твердости, по сравнению с металлическими и бетонными конструкциями, а также обладают повышенной долговечностью за счет использования для их изготовления базальтопластика, имеющего высокие эксплуатационные качества, приведенные в приложении А.

Рис. 1. Форма и размеры сплошных ударобезопасных сигнальных столбиков из композиционных материалов:

1 - корпус столбика; 2 - поверхность земли; 3 - анкерное устройство

*В скобках указаны размеры для случая использования анкерных устройств

Рис. 2. Форма и размеры составных ударобезопасных сигнальных столбиков из композиционных материалов:

1 - корпус столбика; 2 - поверхность земли; 3 - опорная часть с удерживающим устройством

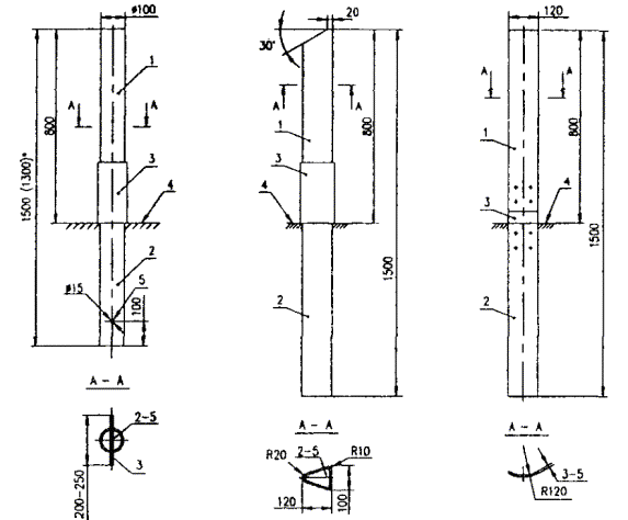
2.4. По конструктивному исполнению направляющие устройства подразделяют на жесткие и гибкие.

Примером жесткой конструкции могут служить сигнальные столбики, показанные на рис. 1 и 2.

Гибкие направляющие устройства менее жестки, по сравнению с предыдущими вариантами, за счет введения в их конструкции гибкого эластичного узла, который обеспечивает восстановление вертикального положения направляющего устройства после наезда на него автомобиля.

Использование такого узла повышает безопасность при наезде автомобиля, исключает возможность его повреждения и повышает долговечность конструкции. Примеры гибких направляющих устройств в виде сигнальных столбиков приведены на рис. 3 и 4.

Рис. 3. Форма и размеры жестких сплошных ударобезопасных сигнальных столбиков из композиционных материалов:

1 - верхняя часть корпуса столбика; 2 - нижняя часть корпуса столбика; 3 - гибкий эластичный узел; 4 - поверхность земли; 5 - анкерное устройство

*В скобках указаны размеры для случая использования анкерных устройств

Рис. 4. Форма и размеры гибких составных ударобезопасных сигнальных столбиков из композиционных материалов

1 - верхняя часть корпуса столбика; 2 - нижняя часть корпуса столбика; 3 - гибкий эластичный узел; 4 - поверхность земли; 5 - опорная часть с удерживающим устройством

3. ТЕХНИЧЕСКИЕ ПАРАМЕТРЫ УДАРОБЕЗОПАСНЫХ НАПРАВЛЯЮЩИХ УСТРОЙСТВ ИЗ КОМПОЗИЦИОННЫХ МАТЕРИАЛОВ

3.1. Технические параметры сигнальных столбиков

Общие технические параметры конструкции столбиков

3.1.1. Конструкция сигнальных столбиков должна соответствовать требованиям ГОСТ Р 50970.

3.1.2. Поперечное сечение сигнальных столбиков может представлять собой прямоугольник, треугольник с закругленными углами, круг, кольцо или его часть.

Ширина поперечного сечения столбика должна составлять от 80 до 120 мм.

Сигнальные столбики, имеющие сечение в виде кольца, необходимо изготавливать закрытыми сверху.

3.1.3. Длину корпуса составного сигнального столбика выбирают с таким расчетом, чтобы его возвышение над уровнем земли составляло от 750 до 800 мм.

3.1.4. Опорная часть составного столбика должна обеспечивать удержание корпуса столбика при воздействии на него снега во время механизированной очистки проезжей части.

3.1.5. Сигнальные столбики не должны наносить серьезных повреждений транспортному средству и травм участникам движения в случае наезда на них.

Технические параметры корпуса сигнальных столбиков

3.1.6. Длина корпуса столбика должна составлять 1500 мм. Часть корпуса столбика, возвышающаяся над землей, должна составлять 750 - 800 мм. При применении анкерных устройств для закрепления столбика в земле длина его корпуса может быть уменьшена до 1300 мм.

3.1.7. Корпус столбика следует изготавливать из материалов белого цвета или окрашивать в белый цвет.

3.1.8. Сигнальные столбики следует изготавливать из материалов, обладающих ударопрочной вязкостью. Конструкция сигнального столбика должна быть достаточно прочной, обеспечивающей его сохранность при выполнении работ по его содержанию (мойка корпуса, замена световозвращателей и т.п.).

3.1.9. Сигнальные столбики должны обладать устойчивостью в вертикальном положении после их установки на автомобильной дороге, а в случае наезда транспортного средства обеспечивать разрушение, изгиб или отделение корпуса от опорной части, а также возможность быстрой его замены.

3.1.10. Сигнальный столбик следует изготавливать из материалов стойких к длительному воздействию внешних климатических факторов, действию растворов солей, щелочей и антигололедных растворов и/или защищать лакокрасочными материалами.

3.1.11. Верхняя часть корпуса столбика, имеющего прямоугольное или треугольное поперечное сечение с закругленными углами, должна иметь скос под углом 30°.

Форма и размеры сигнальных столбиков различных типов и вариантов исполнения показаны на рис. 1 - 4.

Технические параметры вертикальной разметки столбиков

3.1.12. На поверхностях столбиков, обращенных в сторону приближающихся транспортных средств, наносят вертикальную разметку по ГОСТ Р 50970-96 в виде черной полосы и световозвращателей.

3.1.13. На корпусе столбика, имеющего в верхней части скос, должна быть нанесена вертикальная разметка в виде наклонной полосы черного цвета шириной 150 - 250 мм. Угол ее наклона должен быть равен 30°. Полосу наносят на расстоянии 150 мм от верхнего торца столбика.

3.1.14. Верхняя часть столбика без скоса, имеющего в поперечном сечении круг, кольцо или дугу, должна иметь вертикальную разметку в виде черной горизонтальной полосы шириной 100 мм.

3.1.15. На стороне столбика, направленной навстречу движению транспортных средств, вертикальная разметка должна также иметь прямоугольный световозвращатель типа КД1-2 или два круглых световозвращателя типа КД2-2 красного цвета, а с противоположной стороны - световозвращатель типа КД1-1 или два световозвращателя КД2-1 белого цвета, выполненные по ГОСТ Р 50971.

3.1.16. На сигнальных столбиках, имеющих скос верхней части, прямоугольные или круглые световозвращатели располагают в центре черной полосы. На сигнальных столбиках, не имеющих скоса, световозвращатели располагают на расстоянии 100 мм от верха столбика по вертикальной оси. Круглые световозвращатели устанавливают вертикально один над другим на расстоянии 80 мм друг от друга.

3.1.17. Для обеспечения видимости столбиков в темное время суток применяемые для изготовления световозвращателей пленочные материалы должны иметь удельный коэффициент силы света, значение которого не менее указанного в табл. 1, и коэффициент отражения, значение которого не менее указанного в табл. 2.

Таблица 1

Цвет световозвращателя

Удельный коэффициент силы света, кд·лк-1·м-2

при равномерной укладке стеклосфер в световозвращающей пленке, не менее

при ячеистой структуре световозвращающей пленки, не менее

Красный

10

25

Белый

50

180

Примечание. Угол отклонения а = 20°, а угол освещения b = 5°.

Таблица 2

Цвет световозвращателя

Коэффициент отражения, %, не менее

Красный

5

Белый

35

Примеры вертикальной разметки сигнальных столбиков различной формы приведены на рис. 5.

Рис. 5. Вертикальная разметка ударобезопасных сигнальных столбиков из композиционных материалов (лицевые и обратные стороны):

Цвет разметки столбиков:  - сплошной черный;

Цвет световозвращателей:  - сплошной красный на лицевой стороне;

 - сплошной белый на обратной стороне

3.2. Технические параметры прямоугольных пластин

3.2.1. Направляющие устройства в виде пластин прямоугольных состоят из щитка, закрепленного на утяжеленной опоре. Крепление щитка к опоре осуществляется через гибкую вставку, которая позволяет восстанавливать форму пластины после наезда автомобиля и продолжать ее дальнейшую эксплуатацию (рис. 6).

Рис. 6. Форма и размеры ударобезопасной пластины прямоугольной из композиционных материалов с гибким элементом

3.2.2. Направляющее устройство в виде пластины имеет высоту 90 - 100 см и состоит из щитка прямоугольной формы и утяжеленной опоры.

3.2.3. Размеры щитка составляют: высота 80 см, ширина 20 - 25 см.

3.2.4. Пластины должны иметь наклонные, под углом 45°, чередующиеся световозвращающие полосы белого и красного (оранжевого) цвета шириной 20 см по вертикали, светотехнические характеристики которых должны удовлетворять требованиям табл. 1 и 2.

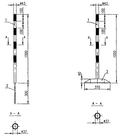
3.3. Технические параметры вех стержневых

3.3.1. Направляющее устройство в виде вехи стержневой состоит из трубчатого корпуса и утяжеленной опоры. Вместо утяжеленной опоры веха может с нижней стороны иметь металлический заостренный стержень.

3.3.2. Высота вехи должна составлять 120 - 150 см.

Длина заостренного стержня - 30 см.

3.3.3. Веха должна иметь горизонтальные чередующиеся полосы красного и белого цвета шириной 10 см.

3.3.4. Конструкция верхней части корпуса вехи должна обеспечивать установку сигнального фонаря. С этой целью верх вехи должен быть в виде цилиндра с внутренним диаметром 37 мм.

На рис. 7 показаны варианты жесткой конструкции вехи, на рис. 8 - гибкой.

Рис. 7. Форма и размеры ударобезопасных направляющих устройств типа вехи стержневой жесткой конструкции из композиционных материалов:

1 - корпус вехи; 2 - штырь; 3 - жесткая утяжеленная опора;

Цвета разметки: - сплошной красный;

*- сплошной белый (свободная поверхность)

Рис. 8. Форма и размеры ударобезопасного направляющего устройства в виде стержневой гибкой конструкции из композиционных материалов:

1 - верхняя часть корпуса указателя; 2 - штырь; 3 - нижняя часть корпуса указателя; 4 - гибкий эластичный узел;

Цвета разметки: - сплошной красный; - сплошной белый (свободная поверхность)

4. ПРИМЕНЕНИЕ УДАРОБЕЗОПАСНЫХ НАПРАВЛЯЮЩИХ УСТРОЙСТВ ИЗ КОМПОЗИЦИОННЫХ МАТЕРИАЛОВ

4.1. Применение сигнальных столбиков

4.1.1. Сигнальные столбики устанавливают по ГОСТ 23457-86 на дорогах без искусственного освещения при условиях, когда не требуется установка дорожных ограждений:

- в пределах кривых в продольном профиле и на подходах к ним (по три столбика с каждой стороны дороги) при высоте насыпи не менее 2 м и интенсивности движения не менее 1000 ед./сут на расстояниях, указанных в табл. 3 (рис. 9);

Таблица 3

Радиус кривой в продольном профиле (R), м

Расстояние между столбиками в пределах кривой (l0), м

Расстояние между столбиками на подходах к кривой, м

Радиус кривой в продольном профиле (R), м

Расстояние между столбиками в пределах кривой (l0), м

Расстояние между столбиками на подходах к кривой, м

l1

l2

l3

l1

l2

l3

100

5

8

17

34

2000

25

40

50

50

200

7

12

23

47

3000

30

47

50

50

300

9

15

30

50

4000

35

60

50

50

400

11

17

33

50

5000

40

50

50

50

500

12

19

37

50

6000

45

50

50

50

1000

17

27

50

50

8000

50

50

50

50

Рис. 9. Установка сигнальных столбиков в пределах кривых в продольном профиле

- в пределах кривых в плане и на подходах к ним (по три столбика с каждой стороны дороги) при высоте насыпи не менее 1 м на расстояниях, указанных в табл. 4 (рис. 10);

Таблица 4

Радиус кривой в плане, (R),м

Расстояние между столбиками в пределах кривой, м

Расстояние между столбиками на подходах к кривой

Радиус кривой в плане, (R),м

Расстояние между столбиками в пределах кривой, м

Расстояние между столбиками на подходах к кривой

на внешней стороне кривой (l0), м

На внутренней стороне кривой (l1), м

l2

l3

l4

на внешней стороне кривой (l0), м

на внутренней стороне кривой (l1), м

l2

l3

l4

20

3

6

6

10

20

200

15

30

30

45

50

30

3

6

7

11

21

300

20

40

40

50

50

40

4

8

9

15

31

400

30

50

50

50

50

50

5

10

12

20

40

500

40

50

50

50

50

100

10

20

25

42

50

600 и более

50

50

50

50

50

Примечание. При промежуточных значениях радиусов кривых в продольном профиле и плане, кратных 50 или 5 м, значения расстояний между столбиками определяют интерполяцией.

- на прямолинейных участках дорог при высоте насыпи не менее 2 м и интенсивности движения не менее 1000 ед./сут через 50 м;

- в пределах закруглений на перекрестках на расстояниях, указанных для внешней стороны закруглений;

- на дорогах, расположенных на расстоянии до 15 м от болот и водотоков глубиной от 1 до 2 м, через 10 м;

- у мостов и путепроводов по 3 столбика с двух сторон дорог до и после сооружения, через 10 м;

- у водопропускных труб по два столбика с каждой стороны дороги на расстоянии 1 м до и после трубы.

Рис. 10. Установка сигнальных столбиков в пределах кривых в плане

4.1.2. Сигнальные столбики устанавливают на обочине на расстоянии 0,35 м от бровки земляного полотна.

4.1.3. Расстояние от сигнальных столбиков, установленных на обочине, до кромки проезжей части должно быть не менее 0,75 м.

4.1.4. При установке столбика скос его верхней части и наклон черной полосы разметки должны быть направлены в сторону проезжей части.

4.1.5. Сигнальные столбики располагают таким образом, чтобы водитель во время движения видел на правой обочине световозвращатели красного цвета, а на левой - белого.

4.1.6. Сигнальные столбики с гибкой конструкцией рекомендуется использовать на участках автомобильных дорог с разрешенной скоростью движения более 90 км/ч, что позволит уменьшить вероятность повреждения автомобиля при наезде на столбик. Кроме того, при высокой скорости движения велика вероятность того, что в контакте с автомобилем будет участвовать достаточно большое количество столбиков. Применение столбиков с гибкой вставкой позволит уменьшить число сломанных столбиков и тем самым уменьшить затраты дорожно-эксплуатационной организации на замену вышедших из строя столбиков.

4.2. Применение прямоугольных пластин

4.2.1. Пластины прямоугольные применяют для отклонения транспортного потока на магистральных автомобильных дорогах и магистральных улицах при интенсивности движения транспорта более 3 тыс. авт./сут на участках производства дорожных работ.

4.2.2. В зависимости от места установки пластин (справа или слева от проезжей части) применяют пластины со щитками, имеющими наклон полос в левую или в правую сторону. Наклон полос выбирают таким образом, чтобы их нижний край был направлен в сторону участка проезжей части, по которой разрешено движение.

4.2.3. Пластины устанавливают по краю участка проезжей части, закрытого для движения на всем протяжении зоны отгона транспортного потока и буферной зоны (рис. 11).

4.2.4. Зона отгона предназначена для перевода транспортного потока с полосы или полос, занятых дорожными работами, на свободные полосы движения в объезд зоны производства работ.

Траектория движения в этой зоне должна быть понятна водителям, поэтому для отгона транспортного потока рекомендуется использовать пластины совместно с временной разметкой оранжевого цвета по ГОСТ Р 51256.

На участках автомобильных дорог с интенсивностью движения более 7 тыс. авт./сут в зоне отгона рекомендуется использовать дорожные знаки со световой индикацией, размещаемые за линией пластин, с помощью которых осуществляется отклонение транспортного потока.

4.2.5. Длина зоны отгона (Lотг) зависит от характера маневра, который совершают водители в этой зоне (табл. 5).

Рис. 11. Установка направляющих устройств в виде пластин на участке производства дорожных работ

Таблица 5

Длина зоны отгона для различных маневров автомобилей

Тип маневра

Длина зоны отгона (Lотг)

Перестроение на соседнюю полосу с вливанием в поток автомобилей

Не менее L*

Перестроение на соседнюю полосу без вливания в поток автомобилей

Не менее 1/2L

Перестроение перед участком с попеременным движением автомобилей различного направления

Не более 30 м

Переход на свою полосу движения в зоне стабилизации транспортного потока

Не более 30 м

Примечание. *L - минимальная протяженность зоны отгона для условия перестроения на соседнюю полосу движения с вливанием в поток автомобилей

4.2.6. Длину зоны отгона (L) на полосе движения шириной 3,75 м при перестроении на соседнюю полосу с вливанием в поток автомобилей, число устанавливаемых в этой зоне направляющих устройств в виде пластин и расстояние между отдельными устройствами следует принимать в зависимости от разрешенной в этой зоне скорости движения (табл. 6).

Таблица 6

Скорость движения, км/ч

Минимальная длина зоны отгона, м

Число пластин

Расстояние между пластинами, м

20

10

4

2,5 - 3

30

22

5

4 - 5

40

38

6

6 - 7

50

60

8

7 - 8

60

86

10

8 - 9

70

160

12

13 - 14

80

183

13

14 - 15

Примечание. В любом случае, если в зоне отгона водители прибегают к резкому торможению, длину зоны отгона следует увеличить.

Для другой ширины полосы движения или ширины закрываемой проезжей части длину зоны отгона определяют по формулам

 - для скорости движения до 70 км/ч

или  - для скорости движения более 70 км/ч,

где В - ширина закрываемой полосы или проезжей части, м;

V - скорость движения, км/ч.

4.2.7. Буферная зона предназначена для защиты работающих в зоне производства работ дорожных рабочих от наезда на них автомобиля, водитель которого по какой-либо причине не заметил установленных дорожных знаков и случайно въехал в зону отгона транспортного потока. Длина буферной зоны зависит от скорости движения и численно равна расстоянию видимости для остановки автомобиля перед препятствием (табл. 7).

Таблица 7

Скорость движения, км/ч

Расстояние видимости, м

120

250

11

200

80

150

60

85

50

75

40

55

30

45

4.2.8. По границе буферной зоны пластины устанавливают на всей ее длине на расстояниях, указанных в табл. 6.

4.3. Применение вех стержневых

4.3.1. Вехи стержневые применяют как средство для временной организации пешеходных путей и обозначения опасных участков в местах производства дорожных работ.

4.3.2. Обозначение временных пешеходных путей с помощью вех осуществляют путем установки их по границам организуемых пешеходных путей и крепления к ним сигнальных лент (рис. 12). В темное время суток на опасных участках, проходящих мимо глубоких разрытий, водотоков или иных опасных мест, вехи оборудуют сигнальными фонарями, которые вставляют в отверстие в верхней части вехи.

4.3.3. Обозначение границ опасных участков, находящихся в зоне производства работ (например, разрытий глубиной более 50 см), осуществляют путем размещения вех по границе опасного участка и крепления к их верхней части сигнальной ленты.

Расстояние между вехами должно составлять не более 5 м.

В темное время суток вехи оборудуют сигнальными фонарями.

4.3.4. При установке вех на мягкий грунт или в снег применяют вехи с металлическим штырем, который втыкают в грунт или снег. При размещении вех на твердом основании применяют вехи с утяжеленной опорой. Вехи с гибкой вставкой применяют на участках, где на веху возможен наезд транспортного средства.

Рис. 12. Обозначение временного пешеходного пути с помощью вех и сигнального шнура

Приложение А

(справочное)

ХАРАКТЕРИСТИКИ СТЕКЛОПЛАСТИКА И БАЗАЛЬТОПЛАСТИКА, ИСПОЛЬЗУЕМЫХ В КОНСТРУКЦИЯХ УДАРОБЕЗОПАСНЫХ НАПРАВЛЯЮЩИХ УСТРОЙСТВ

№№ п/п

Характеристика

Стеклопластик

Базальтопластик

Тип связующего

полиэфирная

эпоксидная

полиэфирная

эпоксидная

1.

Плотность, кг/м3

1800 - 1900

1800 - 1900

1900 - 2000

1900 - 2000

2.

Модуль упругости, ГПа

35

50

40

55

Удельный модуль упругости, км

 

2895 ÷ 3056

 

3250 ÷ 3421

3.

Предел прочности при растяжении, МПа

750

900

1000

1200

Удельный предел прочности, км

46 ÷ 48

48 ÷ 51

56 ÷ 59

61 ÷ 64

4.

Отношение усталостной прочности к статической (число циклов 107)

0,28

0,29

0,32

0,33

5.

Теплопроводность при 20°С, Вт/(м°С)

 

0,75

 

0,50

6.

Удельное объемное электрическое сопротивление, Ом·м

 

1,0·1010

 

2,5·1011

7.

Коэффициент линейного расширения, ´106 град-1

 

0,45 ÷ 8,3

 

0,45 ÷ 8,3

8.

Стойкость к воздействию химически агрессивных сред, солевых растворов

Стоек

Стоек

Стоек

Стоек

Список литературы

1. ГОСТ Р 51256-99. Технические средства организации дорожного движения. Разметка дорожная. Общие технические требования.

2. ГОСТ Р 50970. Технические средства организации дорожного движения. Столбики сигнальные дорожные. Общие технические требования. Правила применения.

3. ГОСТ Р 50971. Технические средства организации дорожного движения. Световозвращатели дорожные. Общие технические требования. Правила применения.

4. ГОСТ 23457-86. Технические средства организации дорожного движения. Правила применения.

СОДЕРЖАНИЕ

1. Введение. 1

2. Назначение и виды ударобезопасных направляющих устройств из композиционных материалов. 2

3. Технические параметры ударобезопасных направляющих устройств из композиционных материалов. 6

3.1. Технические параметры сигнальных столбиков. 6

3.2. Технические параметры прямоугольных пластин. 8

3.3. Технические параметры вех стержневых. 9

4. Применение ударобезопасных направляющих устройств из композиционных материалов. 11

4.1. Применение сигнальных столбиков. 11

4.2. Применение прямоугольных пластин. 13

4.3. Применение вех стержневых. 15

Приложение А Характеристики стеклопластика и базальтопластика, используемых в конструкциях ударобезопасных направляющих устройств. 16

Список литературы.. 16

 

 




ГОСТЫ, СТРОИТЕЛЬНЫЕ и ТЕХНИЧЕСКИЕ НОРМАТИВЫ.
Некоммерческая онлайн система, содержащая все Российские Госты, национальные Стандарты и нормативы.
В Системе содержится более 150000 файлов нормативно-технической документации, действующей на территории РФ.
Система предназначена для широкого круга инженерно-технических специалистов.

Рейтинг@Mail.ru Яндекс цитирования

Copyright © www.gostrf.com, 2008 - 2026