Крупнейшая бесплатная информационно-справочная система онлайн доступа к полному собранию технических нормативно-правовых актов РФ. Огромная база технических нормативов (более 150 тысяч документов) и полное собрание национальных стандартов, аутентичное официальной базе Госстандарта. GOSTRF.com - это более 1 Терабайта бесплатной технической информации для всех пользователей интернета. Все электронные копии представленных здесь документов могут распространяться без каких-либо ограничений. Поощряется распространение информации с этого сайта на любых других ресурсах. Каждый человек имеет право на неограниченный доступ к этим документам! Каждый человек имеет право на знание требований, изложенных в данных нормативно-правовых актах!

  


 

МИНИСТЕРСТВО ЭНЕРГЕТИКИ
РОССИЙСКОЙ ФЕДЕРАЦИИ

УТВЕРЖДЕНО

приказом

Минэнерго России

от 30 июня 2003 г. № 266

ИНСТРУКЦИЯ
ПО ПЕРЕКЛЮЧЕНИЯМ
В ЭЛЕКТРОУСТАНОВКАХ

СО 153-34.20.505-2003

Москва

«Издательство НЦ ЭНАС»

2004

Инструкция по переключениям в электроустановках. - М.: Изд-во НЦ ЭНАС, 2004.

Инструкция определяет порядок и последовательность выполнения переключений в электроустановках напряжением до 1000 В и выше. Инструкция составлена в соответствии с федеральным законодательством, правилами технической эксплуатации электрических станций и сетей, правилами по охране труда. На основании настоящей Инструкции на электростанциях, в электрических сетях должны быть разработаны местные инструкции по производству переключений, учитывающие особенности нормальных и ремонтных схем электрических соединений электроустановок, конструкцию и состав оборудования распределительных устройств, особенности устройства РЗА, порядок оперативного обслуживания этих объектов.

Инструкция утверждена и введена в действие приказом Минэнерго России от 30 июня 2003 г. № 266.

1. ОБЩАЯ ЧАСТЬ

1.1. Настоящая инструкция определяет порядок и последовательность выполнения переключений в электроустановках напряжением до и выше 1000 В.

1.2. Инструкция составлена в соответствии с федеральным законодательством, правилами технической эксплуатации электрических станций и сетей, правилами по охране труда.

1.3. На основании настоящей Инструкции на электростанциях, в электрических сетях разрабатываются инструкции по производству переключений (далее - инструкции энергопредприятий), учитывающие особенности нормальных и «ремонтных» схем электрических соединений электроустановок, конструкцию и состав оборудования распределительных устройств, особенности устройств РЗА, порядок оперативного обслуживания этих объектов.

В инструкциях энергопредприятий отражаются особенности и порядок переключений при оперативном обслуживании новых серий электрооборудования, в том числе: тиристорных и бесщеточных систем возбуждения генераторов, тиристорных пусковых устройств газовых турбин, реверсивных бесщеточных систем возбуждения синхронных компенсаторов, статических компенсаторов, управляемых шунтирующих реакторов, элегазовых и вакуумных выключателей.

1.4. Настоящая Инструкция используется персоналом, участвующим в разработке, согласовании и утверждении инструкций энергопредприятий по переключениям в электроустановках, а также оперативным и административно-техническим персоналом, участвующим в проведении оперативных переключений.

Инструкция энергопредприятия по оперативным переключениям в электроустановках находится на рабочем месте оперативно-диспетчерского персонала.

1.5. К оперативному персоналу энергообъектов, энергосистем, объединенных относятся:

оперативный персонал - персонал, непосредственно воздействующий на органы управления электроустановок и осуществляющий управление и обслуживание электроустановок в смене;

оперативно-ремонтный персонал - персонал с правом непосредственного воздействия на органы управления электроустановок;

оперативные руководители (диспетчеры) - персонал, осуществляющий оперативное руководство в смене работой закрепленных за ним объектов (энергосистемы, электрические сети, электростанции) и подчиненного ему персонала.

1.6. К оперативному персоналу электростанций, подстанций, электрических сетей и энергосистем относятся:

начальники смен электрических цехов электростанций;

начальники смен энергоблоков;

дежурные электромонтеры электростанций;

дежурные электромонтеры подстанций;

персонал оперативно-выездных бригад.

К оперативно-ремонтному персоналу электрических сетей относится ремонтный персонал с правом выполнения переключений в электроустановках.

Оперативными руководителями в смене являются:

диспетчер Единой энергетической системы (России), объединенной энергосистемы, межсистемных электрических сетей;

диспетчер энергосистемы;

диспетчер предприятия (района, участка) электрической сети;

начальник смены (дежурный инженер) электростанции.

В течение смены оперативные руководители, осуществляя оперативное управление работой энергосистем, электростанций и электрических сетей, руководят работой оперативного персонала при выполнении переключений в электроустановках.

1.7. Оперативное состояние электрического оборудования (генераторов, трансформаторов, синхронных компенсаторов, коммутационных аппаратов, сборных шин, токоведущих частей, линий электропередачи и пр.) определяется положением коммутационных аппаратов, с помощью которых оно отключается или включается под напряжение и вводится в работу.

Принятое в эксплуатацию оборудование находится в одном из следующих оперативных состояний:

в работе, в том числе в автоматическом резерве, под напряжением;

в резерве;

в ремонте;

в консервации.

1.8. Оборудование считается находящимся в работе, если коммутационные аппараты в его цепи включены и образована или может быть автоматически образована замкнутая электрическая цепь между источником питания и приемником электроэнергии.

Вентильные разрядники, конденсаторы связи, трансформаторы напряжения, ограничители перенапряжения и другое оборудование, жестко (без разъединителей) подключенные к источнику питания и находящиеся под напряжением, считаются находящимися в работе.

1.9. Оборудование считается находящимся в автоматическом резерве, если оно отключено только выключателями или отделителями, имеющими автоматический привод на включение, и может быть введено в работу действием автоматических устройств.

1.10. Оборудование считается находящимся под напряжением, если оно подключено коммутационными аппаратами к одному источнику напряжения (силовой трансформатор на холостом ходу, линия электропередачи, включенная со стороны питающей ее подстанции и т.д.).

Отключенный от сети, но продолжающий вращаться невозбужденный генератор (или синхронный компенсатор) с отключенным автоматом гашения поля считается находящимся под напряжением.

1.11. Оборудование считается находящимся в резерве, если оно отключено коммутационными аппаратами и возможно включение его в работу с помощью этих коммутационных аппаратов.

1.12. Оборудование считается находящимся в ремонте, если оно отключено коммутационными аппаратами, снятыми предохранителями или расшиновано, заземлено и подготовлено в соответствии с требованиями правил безопасности к производству ремонтных работ.

1.13. Каждое устройство релейной защиты и автоматики может находиться в состоянии:

включенном (введенном) в работу;

отключенном (выведенном) из работы;

отключенном для технического обслуживания.

1.14. Устройство РЗА считается включенным в работу, если все выходные цепи, в том числе контакты выходных реле этого устройства, с помощью накладок (блоков, ключей) подключены к цепям управления включающих или отключающих электромагнитов управления коммутационных аппаратов.

1.15. Устройство РЗА считается отключенным, если все выходные цепи, в том числе контакты выходных реле этого устройства, отключены накладками (блоками, ключами) от включающих или отключающих электромагнитов управления коммутационных аппаратов.

1.16. Устройство РЗА считается отключенным для технического обслуживания (эксплуатационной проверки), если его нельзя включить в работу из-за неисправности самого устройства или его цепей, а также для проведения профилактических работ на устройстве или в его цепях.

1.17. Переключения в нормальном режиме работы электроустановки при переводе оборудования и устройств РЗА из одного состояния в другое, а также переключения, связанные с изменением эксплуатационных режимов работы оборудования и устройств РЗА, выполняются оперативным персоналом по распоряжению оперативного руководителя, в оперативном управлении которого находится это оборудование и устройства РЗА.

1.18. В нормальном режиме работы операции с оборудованием и устройствами РЗА, находящимися в оперативном ведении диспетчера, могут выполняться только после получения его разрешения. Разрешение отдается в общем виде, например: «Отключение энергоблока № 1 разрешаю»; «Разрешаю ввод в работу второй системы сборных шин 110 кВ» и т.д.

Получив разрешение на выполнение переключений, оперативный руководитель или оперативный персонал, в оперативном управлении которого находится это оборудование и устройства РЗА, устанавливает необходимую в данном случае последовательность операций и отдает распоряжение о переключении оперативному персоналу энергопредприятий.

1.19. В распределительных электросетях напряжением до 35 кВ включительно при отсутствии оперативно-диспетчерского управления, переключения могут выполняться по распоряжению уполномоченного административно-технического персонала, выполняющего в этом случае функции диспетчера.

Перечень электроустановок, для которых принят такой порядок выполнения переключений, устанавливается распоряжением по предприятию.

Допуск лиц административно-технического персонала к исполнению обязанностей диспетчера проводится после проверки их знаний в порядке, установленном руководством предприятия электрических сетей.

1.20. В случаях, не терпящих отлагательства (при явной опасности для жизни людей или сохранности оборудования, несчастном случае, стихийном бедствии, пожаре, технологическом нарушении в работе энергообъекта), оперативному персоналу энергопредприятия разрешается самостоятельно выполнять необходимые в этом случае переключения оборудования, находящегося в оперативном управлении или оперативном ведении вышестоящего оперативно-диспетчерского персонала, без получения распоряжения или разрешения диспетчера, но с последующим уведомлением его о всех выполненных операциях, как только появится такая возможность.

1.21. В Инструкции приняты следующие сокращения и термины:

АВ - автоматический выключатель;

АВР - автоматическое включение резерва;

АГП - автомат гашения магнитного поля генератора или синхронного компенсатора;

АО-энерго - региональное акционерное общество энергетики и электрификации;

АПВ - автоматическое повторное включение;

АПВТ - автоматическое повторное включение трансформатора;

АРВ - автоматический регулятор возбуждения:

АРКТ - автоматический регулятор коэффициента трансформации трансформатора;

АСДУ - автоматизированная система диспетчерского управления;

АСУ ТП - автоматизированная система управления технологическими процессами;

АТ - автотрансформатор;

ВЛ - воздушная линия электропередачи;

ДЗО - дифференциальная защита ошиновки;

ДЗШ - дифференциальная защита сборных шин;

ДФЗ - дифференциально-фазная защита;

ДГР - дугогасящий реактор;

ЕЭС - единая энергетическая система;

ЗН - заземляющие ножи разъединителя;

КЗ - короткозамыкатель;

КЛ - кабельная линия электропередачи;

КРУ - комплектное распределительное устройство;

КРУН - комплектное распределительное устройство наружной установки;

МТП - мачтовая трансформаторная подстанция;

МУТ - механизм управления мощностью турбины;

МЭС - межсистемные электрические сети;

ОВ - обходной выключатель;

ОВБ - оперативно-выездная бригада;

ОД - отделитель;

ОДС - оперативно-диспетчерская служба;

ОЭС - объединенная электроэнергетическая система;

ПА - противоаварийная автоматика;

ПЭС - предприятие электрических сетей;

РУ - распределительное устройство;

РЗА - релейная защита и электроавтоматика;

РП - распределительный пункт;

РПН - переключатель регулирования напряжения трансформатора под нагрузкой;

РЭС - район электрических сетей;

СВ - секционный выключатель;

СН - собственные нужды;

СДТУ - средства диспетчерского и технологического управления;

СШ - система шин;

ТН - трансформатор напряжения;

ТП - трансформаторная подстанция;

ТС - телесигнализация;

ТСН - трансформатор собственных нужд;

ТТ - трансформатор тока;

ТУ - телеуправление;

УРОВ - устройство резервирования отказа выключателя;

ЦДС - центральная диспетчерская служба;

ЦП - центр питания;

ШСВ - шиносоединительный выключатель.

Бланк переключений (обычный) - оперативный документ, в котором приводится строгая последовательность операций с коммутационными аппаратами, заземляющими разъединителями (ножами), цепями оперативного тока, устройствами релейной защиты, противоаварийной и режимной автоматики, операции по проверке отсутствия напряжения, наложению и снятию переносных заземлений, вывешиванию и снятию плакатов, а также необходимых (по условиям безопасности персонала и сохранности оборудования) проверочных операций.

Типовой бланк переключений - оперативный документ, в котором указывается строгая последовательность операций при выполнении повторяющихся сложных переключений в электроустановках для конкретных схем электрических соединений и состояний устройств РЗА.

Программа переключений (типовая программа) - оперативный документ, в котором указывается строгая последовательность операций при переключениях в электроустановках разных уровней управления или разных энергообъектов.

Дистанционное управление - управление коммутационным аппаратом с удаленного на безопасное расстояние поста (щита, пульта) управления.

Местное управление - управление коммутационным аппаратом от местной кнопки или ключа управления, расположенных вблизи коммутационного аппарата.

2. ОРГАНИЗАЦИЯ И ПОРЯДОК ПЕРЕКЛЮЧЕНИЙ

2.1. Распоряжение о переключениях

2.1.1. Оперативному руководителю рекомендуется перед отдачей распоряжения на производство переключений выяснить состояние схемы электроустановки, готовность оперативного персонала к производству переключений, наличие бланка (программы) переключений, присутствие контролирующего лица и др.

Распоряжение о переключении диспетчер отдает, как правило, непосредственно оперативному руководителю нижестоящего уровня управления. Принимающий распоряжение о переключении повторяет текст отдающему распоряжение и записывает его в оперативный журнал.

Допускается передача распоряжения о переключении дежурному электроустановки, прямая связь с которым нарушилась, через дежурного другой электроустановки, который записывает распоряжение в свой оперативный журнал или на пленку звукозаписи (при наличии звукозаписи переговоров), а затем передает распоряжение по его назначению.

2.1.2. В случае срочной необходимости и при отсутствии на щите управления начальника смены электростанции диспетчер энергосистемы отдает распоряжение о выполнении единичной операции на оборудовании (включая РЗА), находящемся в его оперативном управлении, непосредственно начальнику смены электроцеха или дежурному электромонтеру главного (центрального) щита управления (например, о дистанционном включении или отключении выключателя, о переключении в цепях релейной защиты и т.д.). Указанный оперативный персонал выполняет распоряжение диспетчера, сообщает об этом диспетчеру, отдавшему распоряжение, и начальнику смены электростанции.

2.1.3. Содержание распоряжения о переключении и порядок его выполнения определяются отдающим его вышестоящим оперативным персоналом с учетом сложности задания, необходимой координации действий оперативного персонала и согласованности изменений в схемах электроустановок.

В распоряжении о переключениях указываются цель переключений и последовательность выполнения операций в схеме электроустановки и цепях РЗА с необходимой степенью детализации, определяемой вышестоящим оперативно-диспетчерским персоналом.

При переключениях в цепях РЗА называются наименования присоединений, устройства релейной защиты (автоматики) и операции, которые выполняются.

2.1.4. Распоряжение о переключении отдается ясным по содержанию, четким и по возможности кратким. Отдающий и принимающий распоряжение четко усваивают последовательность выполнения намеченных операций и допустимость их выполнения по условиям безопасности, состоянию схемы, режиму работы оборудования и сети.

Не допускается выполнение оперативным персоналом непонятного для него распоряжения.

2.1.5. На электростанциях и подстанциях с постоянным дежурством оперативного персонала исполнителю переключений одновременно выдается не более одного задания на проведение оперативных переключений, содержащего операции одного целевого назначения.

2.1.6. Персоналу ОВБ, обслуживающему подстанции и распределительные сети, в целях экономии времени и рационального использования транспорта разрешается выдавать одновременно несколько заданий на переключения с указанием очередности их выполнения. Число заданий, выдаваемых одной бригаде, определяется отдающим распоряжение. Задания записываются в оперативный журнал ОВБ в том порядке, в котором выполняются. К выполнению каждого очередного задания персонал ОВБ приступает после сообщения диспетчеру о выполнении предыдущего задания и только после получения его разрешения на выполнение очередного задания.

При устранении повреждений в электросетях 10 кВ и ниже допускается выполнение очередных заданий без предварительного сообщения диспетчеру о выполнении предыдущих заданий.

2.1.7. Распоряжение вышестоящего оперативно-диспетчерского персонала по вопросам, входящим в его компетенцию, обязательно к исполнению подчиненным ему оперативно-диспетчерским персоналом.

В случае, если распоряжение вышестоящего оперативно-диспетчерского персонала представляется подчиненному оперативно-диспетчерскому персоналу ошибочным, он немедленно докладывает об этом лицу, отдавшему распоряжение. При подтверждении распоряжения оперативно-диспетчерский персонал выполняет его.

Распоряжения вышестоящего оперативно-диспетчерского персонала, содержащие нарушения требований правил безопасности, а также распоряжения, которые могут привести к повреждению оборудования, потере питания СН электростанции, подстанции или обесточению потребителей I категории, выполнять не допускается. О своем отказе выполнить распоряжение оперативно-диспетчерский персонал докладывает вышестоящему оперативно-диспетчерскому персоналу, отдавшему распоряжение, и соответствующему административно-техническому руководителю, а также записывает в оперативный журнал (с указанием причины отказа).

2.1.8. Переключения на электрооборудовании и в устройствах РЗА, находящихся в оперативном управлении вышестоящего оперативно-диспетчерского персонала, производятся по его распоряжению, а находящихся в его ведении, - с его разрешения.

2.1.9. Распоряжение диспетчера о переключении считается выполненным, если об этом сообщено диспетчеру лицом, получившим распоряжение.

2.1.10. Если оборудование находится в оперативном ведении вышестоящего оперативного персонала, то время получения разрешения на переключения и время сообщения об окончании переключений лицу, разрешившему их, записывается в оперативный журнал или на пленку звукозаписи (при наличии звукозаписи переговоров) аналогично записям о переключениях, выполняемых по распоряжениям вышестоящего оперативного персонала, в оперативном управлении которого находится оборудование.

2.1.11. Вышестоящий оперативно-диспетчерский персонал разрешение на переключения дает в общем виде (без перечисления отдельных операций) после проверки возможности их выполнения по схеме, проверки режима работы оборудования и проведения необходимых режимных мероприятий.

2.2. Бланки переключений

2.2.1. Сложные переключения, а также все переключения (кроме одиночных) на электроустановках, не оборудованных блокировочными устройствами или имеющих неисправные блокировочные устройства, выполняются по программам, бланкам переключений.

К сложным относятся переключения, требующие строгой последовательности операций с коммутационными аппаратами, заземляющими разъединителями и устройствами релейной защиты, противоаварийной и режимной автоматики. При выполнении указанной в программах, бланках переключений последовательности операций обеспечивается безопасность оперативного и ремонтного персонала и предотвращается возникновение или развитие нарушения в работе электроустановки.

Наряду с обычными бланками переключений для повторяющихся сложных переключений разрабатываются и используются типовые программы и типовые бланки переключений.

Не допускается при производстве сложных переключений замена бланков или программ переключений какими-либо другими оперативными документами.

2.2.2. Для каждой электростанции, подстанции и электроустановки распределительных электросетей разрабатываются перечни видов переключений, выполняемых по обычным бланкам переключений, по типовым бланкам переключений и программам, а также перечень видов переключений, выполнение которых допускается без бланков переключений. В каждом перечне указывается число лиц оперативного персонала, участвующих в тех или иных переключениях.

Перечни сложных переключений, утверждаемые техническими руководителями соответствующих АО-энерго и энергообъектов, хранятся на диспетчерских пунктах АО-энерго и энергообъектов, центральных (главных) щитах управления электрических станций и подстанций.

Перечни сложных переключений пересматриваются при изменении схемы, состава оборудования, устройств защиты и автоматики.

2.2.3. Обычный бланк переключений составляется оперативным или оперативно-ремонтным персоналом, который будет производить переключения, после записи распоряжения в оперативном журнале.

Допускается составление бланка переключений заблаговременно в течение смены указанным персоналом.

2.2.4. Типовые бланки переключений заранее разрабатываются персоналом энергопредприятий применительно к сложным переключениям в главной схеме электрических соединений электроустановки, в цепях собственных нужд, устройствах РЗА с учетом того, что переключения, содержащие операции с аппаратурой вторичной коммутации в цепях противоаварийной системной автоматики, относятся к числу сложных.

Типовые бланки переключений подписываются на электростанциях начальниками электрических цехов и их заместителями по РЗА; на предприятиях электрических сетей - начальниками ОДС и начальниками местных служб РЗА (МС РЗА).

Типовые бланки переключений согласовываются с начальником ОДС или ЦДС, в оперативном управлении которой находится оборудование, и утверждаются главным инженером предприятия.

2.2.5. Программы переключений (типовые программы) применяются оперативными руководителями при производстве переключений в электроустановках разных уровней управления и разных энергообъектов.

Программа переключений утверждается руководителем диспетчерского управления, в оперативном подчинении которого находится псе переключаемое оборудование.

Степень детализации программ принимается соответствующей уровню диспетчерского управления.

Лицам, непосредственно выполняющим переключения, разрешается применять программы переключений соответствующего диспетчера, дополненные бланками переключений.

Типовые программы и бланки переключений своевременно корректируются при изменениях в главной схеме электрических соединений электроустановок, связанных с вводом нового оборудования, заменой или частичным демонтажем устаревшего оборудования, реконструкцией распределительных устройств, а также при включении новых устройств РЗА или изменениях в электроустановках.

При планируемых изменениях схемы и режимов работы ОЭС, энергосистемы и изменениях в устройствах РЗА производственными службами объединенных энергосистем и энергосистем, в управлении которых находится оборудование и устройства РЗА, заранее вносятся необходимые изменения и дополнения в типовые программы и бланки переключений на соответствующих уровнях оперативного управления.

2.2.6. В бланках переключений, которые являются оперативными документами, устанавливаются порядок и последовательность операций при проведении переключений в схемах электрических соединений электроустановок и цепях РЗА.

Бланки переключений (типовые бланки) используются оперативно-диспетчерским персоналом, непосредственно выполняющим переключения.

В бланке переключений (обычном и типовом) записываются все операции с коммутационными аппаратами и цепями оперативного тока, операции с устройствами релейной защиты и автоматики (а также с цепями питания этих устройств), операции по включению и отключению заземляющих ножей, наложению и снятию переносных заземлений, операции по фазировке оборудования, результаты осмотра опорно-стержневых изоляторов (наличие трещин и сколов) перед производством операций с разъединителями, операции с устройствами телемеханики и другие в определенной последовательности их выполнения.

В бланках переключений указываются наиболее важные проверочные действия персонала: проверка отсутствия напряжения перед наложением заземлений (включением заземляющих ножей) на токоведущие части; проверка на месте включенного положения шиносоединительного выключателя до начала выполнения операций по переводу присоединений с одной системы шин на другую; проверка на месте отключенного положения выключателя, если следующей является операция с разъединителями; проверка на месте или по устройствам сигнализации положения каждого коммутационного аппарата первичной цепи после выполнения операции этим аппаратом; проверка по окончании переключений соответствия переключающих устройств в цепях РЗА режимным картам.

Каждая операция (или действие) в бланке переключений записывается под порядковым номером.

Непосредственно перед выполнением переключений по обычному бланку переключений правильность записанных в нем операций проверяется по оперативной схеме (или схеме-макету), точно отражающей действительное положение коммутационных аппаратов электроустановки на момент проверки.

После проверки бланк переключений подписывается двумя лицами - выполняющим переключения и контролирующим их.

При выполнении переключений одним лицом из оперативного персонала правильность составления бланка переключений контролирует оперативный руководитель, отдавший распоряжение о переключении, и в бланк вносится его фамилия.

На электростанциях, при участии в переключениях начальника смены электрического цеха (в качестве контролирующего лица) и дежурного электромонтера (в качестве выполняющего операции), на бланке переключений делается надпись «Переключения разрешаю» за подписью начальника смены электростанции.

2.2.7. При пользовании типовыми бланками переключений соблюдаются следующие условия:

а) решение о применении типового бланка переключении при выполнении конкретных операций принимается лицом, выполняющим переключения, и контролирующим лицом;

б) на типовом бланке переключений указывается, для каких присоединений, какого задания и при какой схеме электроустановки он может быть применен;

в) перед началом выполнения переключений типовой бланк переключений проверяется по оперативной схеме или схеме-макету электроустановки контролирующим лицом.

О проверке типового бланка переключений и правильности изложенной в нем последовательности операций и проверочных действий в оперативном журнале после записи распоряжения диспетчера о переключении делается запись, о том что соответствующий типовой бланк переключений проверен, соответствует схемам и переключения в указанной в нем последовательности могут быть выполнены.

Допускается делать указанную запись в типовом бланке переключений за подписями лица, производящего операции, и лица, контролирующего данные переключения;

г) не допускается применять типовой бланк переключений в случае несоответствия схемы электроустановки или состояния устройств РЗА той схеме, для которой был составлен типовой бланк.

Не допускается внесение оперативным персоналом изменений и дополнений в типовой бланк переключений, если он соответствует схеме и заданию;

д) если в схеме первичных соединений или цепях релейной защиты и автоматики электроустановки произошли изменения, исключающие возможность выполнения операций по отдельным пунктам типового бланка переключений, или обнаружены ошибки в типовом бланке переключений, оперативный персонал электростанции, подстанции делает соответствующую запись в оперативном журнале и сообщает об этом лицам, подписавшим типовой бланк переключений, или лицам, заменяющим их по должности, а также оперативному руководителю. Применение типового бланка переключений в этом случае не допускается и составляется обычный бланк переключений;

е) в случае, когда при пользовании типовым бланком переключений на проведение очередной операции изданной электроустановке требуется получить распоряжение диспетчера (например, распоряжение на включение заземляющих ножей на отключаемую линию электропередачи), в типовом бланке переключений перед записью этой очередной операции делается отметка «Выполняется по распоряжению диспетчера».

2.2.8. При сложных переключениях в электроустановках с применением обычных и типовых бланков переключений допускается привлекать к выполнению отдельных операций в схемах релейной защиты и автоматики лиц из числа работников местных служб релейной защиты и автоматики, закрепленных за этими устройствами. Привлеченный к переключениям работник службы РЗА проверяет правильность и очередность операций, записанных в бланке переключений, подписывает бланк переключений как участник переключений и выполняет очередные операции в цепях релейной защиты и автоматики по распоряжению лица, выполняющего переключения в схеме первичных соединений. При этом распоряжения и сообщения об их выполнении могут передаваться с помощью средств связи.

2.2.9. Бланки переключений (обычные и типовые) являются отчетными документами и находятся под строгим учетом.

Выдаваемые оперативному персоналу резервные экземпляры бланков как обычных, так и типовых оперативных переключений нумеруются. Номера всех выданных оперативному персоналу резервных бланков переключений фиксируются в оперативном журнале. При сдаче смены указываются номера последних использованных (заполненных) бланков. Хранятся использованные бланки переключений (в том числе и испорченные) по порядку их номеров.

Использованные бланки переключений хранятся не менее 10 дней.

Правильность заполнения, применения и ведения отчетности по бланкам переключений периодически контролируются руководством электроцеха на электростанциях, оперативным персоналом в электрических сетях.

2.3. Общие положения о переключениях

2.3.1. Все переключения на электростанциях и подстанциях выполняются в соответствии с инструкциями энергопредприятий.

2.3.2. Переключения в электроустановке разрешается выполнять оперативному персоналу, знающему ее схему, расположение оборудования и устройств РЗА, обученному правилам выполнения операций с коммутационными аппаратами и ясно представляющему последовательность переключений, прошедшему проверку знаний правил технической эксплуатации, правил безопасности и производственных инструкций. Допуск к оперативной работе разрешается после дублирования на рабочем месте.

Не допускается выполнение переключений (даже отдельных операций) лицам, не имеющим на это права.

Список лиц, допущенных к проведению переключений (с указанием, на каких электроустановках), а также список лиц административно-технического персонала, контролирующих выполнение переключений, утверждается руководителем предприятия (организации).

2.3.3. Дежурный получает и оформляет распоряжение о переключении в следующем порядке:

а) получив распоряжение о переключении, записывает его на «черновик», повторяет по записи и получает подтверждение диспетчера о том, что распоряжение понято правильно;

б) записывает задание в оперативный журнал;

в) проверяет по оперативной схеме (схеме-макету) последовательность выполнения операций и при необходимости составляет бланк переключений или готовит к использованию типовой бланк переключений.

При наличии звукозаписи переговоров запись задания в оперативном журнале производится в общем виде без перечисления операций. Пленка со звукозаписью переговоров хранится в течение десяти суток со дня последней записи, если не поступит запрос на продление срока хранения.

Цель полученного распоряжения и последовательность предстоящих операций разъясняется второму лицу, если оно будет привлечено к участию в переключениях.

2.3.4. Переключения в электроустановках, за исключением сложных, могут проводиться единолично - при одном дежурном в смене - или двумя лицами - при двух дежурных в смене или в составе ОВБ.

Сложные переключения выполняются двумя лицами, из которых одно является контролирующим.

Все остальные переключения при наличии работоспособного блокировочного устройства могут быть выполнены единолично независимо от состава смены.

При выполнении переключений двумя лицами контролирующим, как правило, является старший по должности, который кроме функций пооперационного контроля осуществляет контроль за переключениями в целом.

В отдельных случаях непосредственное выполнение операций в соответствии с инструкцией энергопредприятия может быть возложено и на старшего по должности.

При наличии в смене одного лица из числа оперативно-диспетчерского персонала контролирующим лицом может быть лицо из административно-технического персонала, допущенное к выполнению переключений.

Перед началом переключений он знакомится с оперативной схемой и делает запись в оперативном журнале.

При участии в переключениях более двух лиц, включая уполномоченное лицо из персонала службы РЗА, контроль за правильностью переключений возлагается на всех лиц, участвующих в переключениях.

Во время переключений не допускается изменение установленного инструкцией энергопредприятия распределения обязанностей между участниками переключений.

Не допускается приступать к выполнению операций единолично, если в переключениях участвуют два человека.

2.3.5. Переключения по бланкам переключений выполняются в следующем порядке:

а) на месте переключений персонал внимательно проверяет по надписи наименование присоединения и название аппарата, на котором предстоит проведение операции, и соответствие их указанным в бланке переключений.

Не допускается переключение по памяти без прочтения надписи на аппарате;

б) убедившись в правильности выбранного присоединения и аппарата, контролирующее лицо зачитывает по бланку переключений содержание операции или проверочного действия, подлежащего выполнению;

в) лицо, выполняющее операцию, повторяет ее содержание и, получив разрешение контролирующего лица, выполняет операцию.

В случае чрезмерной плотности расположения аппаратов управления на пультах и панелях рекомендуется следующий порядок выполнения операции:

лицо, выполняющее операцию, берется за ключ управления (накладку, испытательный блок и др.) и повторяет содержание данной операции;

контролирующее лицо убеждается в том, что ключ управления (накладка и др.) выбран правильно и понято содержание проводимой операции, после чего дает разрешение на ее выполнение;

лицо, производящее переключение, выполняет операцию.

При выполнении переключений одним дежурным зачитывается по бланку переключений содержание предстоящей операции, и затем она выполняется;

г) сразу после выполнения отдельных операций или проверочных действий в бланке переключений делаются отметки об их выполнении, чтобы исключить возможность пропуска какой-либо операции;

д) перед началом и по окончании операций по переключениям в бланке переключений указывается дата и время начала и окончания операций.

Использованный бланк перечеркивается и кладется в папку использованных бланков переключений.

Не допускается изменять установленную в бланке последовательность переключений.

При возникновении сомнений в правильности проводимых операций переключения прекращаются, последовательность операций проверяется по оперативной схеме или схеме-макету; в случае необходимости получается соответствующее разъяснение оперативного руководителя, отдавшего распоряжение о переключении.

2.3.6. Во время переключений не допускаются разговоры, не имеющие прямого отношения к исполняемому заданию; нежелательны и перерывы в переключениях, если нет необходимости. Не допускается во время переключений отвлекать оперативный персонал на другие вопросы или работы, не входящие в объем выполняемых операций. Если во время переключений произошел вынужденный перерыв (например, в связи с ликвидацией технологических нарушений), то к прерванным переключениям приступают только после проверки соответствия бланка переключений новому состоянию схемы. При этом проверяется выполнение последней отмеченной в бланке переключений выполненной операции. При выявлении несоответствия схемы составляется новый бланк переключений.

2.3.7. По окончании переключений в оперативном журнале делается запись о всех операциях с коммутационными аппаратами, изменениях в цепях РЗА, о включении (отключении) заземляющих ножей, наложении (снятии) переносных заземлений с указанием их номеров и мест нахождения. Порядок учета, наложения и снятия заземлений указан в прил. 1.

При проведении операций по бланку переключений в оперативном журнале указывается номер бланка переключений, по которому проводились операции, с указанием установленных (снятых) заземлений и делается запись об изменении первичной схемы электроустановки.

В бланках переключений и записях в оперативном журнале допускается употребление сокращенных наименований оборудования в соответствии с инструкцией энергопредприятия.

Все изменения в схемах электрических соединений электроустановок и в цепях устройств РЗА, выполненные при производстве переключений, а также места установки заземлений отражаются на оперативной схеме или мнемосхеме (схеме-макете) по окончании переключений. Порядок ведения оперативной схемы и схемы-макета электрических соединений электростанций и подстанций указан в прил. 2.

Об окончании переключений сообщается диспетчеру, отдавшему распоряжение о переключении.

2.3.8. В инструкции энергопредприятия указывается порядок переключений, исключающий появление резонанса в РУ 110 - 500 кВ и высоких уровней высокочастотных коммутационных перенапряжений.

Не допускается отключение трансформаторов напряжения серии НКФ разъединителями после возникновения феррорезонансного процесса независимо от типа привода (ручной или с дистанционным управлением).

Не допускается производство плановых переключении разъединителями трансформаторов напряжения 110 кВ и выше, находящихся под напряжением, при наличии подключенных к шинам или другим присоединениям данного распределительного устройства вентильных разрядников типа РВМГ, а также типа РВС, имеющих значительные отклонения характеристик от нормативных.

2.3.9. Плановые переключения рекомендуется производить в часы наименьших нагрузок.

Время начала плановых переключений в каждом конкретном случае определяется диспетчером, в оперативном управлении и оперативном ведении которого находится данное оборудование.

Не допускается производство плановых переключений в часы максимума нагрузок и во время грозы или урагана, а также начало переключений за полчаса до окончания смены оперативно-диспетчерского персонала.

Перед сложными переключениями, запланированными в ночное время, рекомендуется провести осмотр оборудования открытых распределительных устройств в дневное время (с записью в журнале).

Переключения могут производиться при освещенности на рабочих местах, достаточной для четкого определения положения коммутационных аппаратов и прочтения надписей на оборудовании и переключающих устройствах.

2.4. Переключения в схемах релейной защиты и автоматики

2.4.1. Оперативный персонал знакомится с принципами работы устройств РЗА, АСУ ТП, ПА, АСДУ, применяемых на данной электроустановке, а также с назначением и расположением на панелях предохранителей и автоматических выключателей, испытательных блоков и рубильников, переключающих и отключающих устройств, с помощью которых выполняются переключения в схемах РЗА.

При переключениях в электроустановках оперативный персонал своевременно выполняет все необходимые операции с устройствами РЗА в соответствии с требованиями инструкции энергопредприятия.

2.4.2. Силовое электрооборудование и линии электропередачи могут находиться под напряжением или в автоматическом резерве только с включенной релейной защитой от всех видов повреждений.

При выводе из работы или неисправности отдельных видов защит оставшиеся в работе устройства релейной защиты обеспечивают полноценную защиту электрооборудования, систем шин и линий электропередачи от всех видов повреждений. Если это условие не выполняется, то осуществляется временная быстродействующая защита или вводится ускорение резервной защиты, в противном случае присоединение отключается.

2.4.3. При наличии быстродействующих релейных защит и УРОВ все операции по включению линий, сборных шин и оборудования после ремонта или нахождения без напряжения, а также по переключению разъединителями и воздушными выключателями выполняются при введенных в работу этих защитах.

Не допускается отключение дифференциальной защиты шин при выполнении операций с шинными разъединителями и воздушными выключателями, находящимися под напряжением. До начала операций с шинными разъединителями проверяется исправность дифференциальной защиты шин (измерением тока небаланса).

При отключенной дифференциальной защите шин операции с шинными разъединителями и воздушными выключателями 110 кВ и выше (находящимися под напряжением) выполняются при введенных ускорениях на соответствующих резервных защитах или при включенных временных защитах.

Если для работ в цепях дифференциальной защиты шин узловых подстанций напряжением 110 кВ и выше требуется кратковременное (до 30 мин) выведение этой защиты из действия, допускается на период до обратного ее ввода в работу не включать ускорения резервных защит, но при этом, как правило, не выполняются в зоне действия этой защиты никакие операции по включению и отключению шинных разъединителей и воздушных выключателей под напряжением.

На время проведения операций с шинными разъединителями и воздушными выключателями, выкатными тележками КРУ устройства АПВ шин, АВР секционных и шиносоединительных выключателей отключаются.

2.4.4. При изменении фиксации присоединений по системам шин, вводе в работу выключателя по окончании его ремонта, а также в других случаях, связанных с переключениями в РУ напряжением 330 кВ и выше, операции в токовых цепях дифференциальной защиты шин и УРОВ выполняются персоналом службы РЗА. Допускается проведение этих операций оперативным персоналом при условии, что все переключения производятся с помощью испытательных блоков и по типовым бланкам переключений.

Операции во вторичных цепях трансформаторов тока и напряжения, в том числе испытательными блоками, производятся с выводом из действия соответствующих устройств РЗА (или отдельных их ступеней), которые по принципу действия и параметрам настройки (уставкам) могут срабатывать ложно в процессе выполнения указанных операций.

2.4.5. Перед отключением устройства релейной защиты, действующей на пуск УРОВ, предварительно отключается пуск УРОВ этой защитой.

Накладка пуска УРОВ переводится в положение «Включен» после включения в работу защиты, пускающей УРОВ.

2.4.6. При выводе в ремонт силовых трансформаторов персонал следит за сохранением «режима» заземления нейтралом данной электроустановки или участка сетей. В инструкциях энергопредприятий указываются мероприятия, которые выполняются при отключении или включении трансформаторов.

При выводе в ремонт трансформаторов (автотрансформаторов, шунтирующих реакторов) с принудительной системой охлаждения, не имеющих собственных выключателей или включенных по схеме «полуторная», «4/3» с последующим включением выключателей, принимаются меры по предотвращению их отключения после отключения системы охлаждения выведенного в ремонт трансформатора.

2.4.7. При производстве операций с линейными разъединителями воздушных линий электропередачи 110 кВ и выше или при переводе их через обходной выключатель на время операций с линейными разъединителями, как правило, выводится из работы устройство АПВ линии с противоположной стороны.

2.4.8. Для сложных переключений в устройствах РЗА привлекаются лица из релейного персонала предприятия.

2.5. Переключения при ликвидации технологических нарушений

2.5.1. Ликвидация технологических нарушений в электроустановках производится в соответствии с инструкциями энергопредприятий, составленными на основе инструкции вышестоящего органа оперативного управления.

При пожаре оперативный персонал действует в соответствии с инструкциями энергопредприятий и оперативным планом пожаротушения.

2.5.2. Переключения при ликвидации аварий и технологических нарушений (инцидентов) выполняются в том же порядке и последовательности, которые изложены в настоящей Инструкции и инструкциях энергопредприятий. При этом не допускаются отступления от требований правил безопасности.

2.5.3. При осмотре панелей РЗА и сигнализации отмечают все сработавшие указательные реле (мелом или другим способом) и прошедшие сигналы о срабатывании устройств, записывают, какие устройства РЗА сработали. Перед повторным включением оборудования сигналы квитируются, флажки указательных реле поднимаются. Не допускается повторное включение отключившегося оборудования без квитирования указательных реле.

В случае невозможности квитирования сигналов, при отсутствии фактических признаков срабатывания устройств РЗА и условий для их срабатывания, решение о возможности включения отключившегося оборудования принимает оперативный руководитель, в управлении которого находится отключившееся оборудование.

Оперативный персонал снимает показания приборов ОМП, самопишущих приборов, производит первичную оценку правильности действий устройств РЗА.

2.5.4. При ликвидации технологических нарушений или для их предотвращения разрешается производить переключения без применения бланков переключений с последующей записью в оперативном журнале после ликвидации технологического нарушения.

2.5.5. При ликвидации технологических нарушений в случае неисправности устройств оперативной блокировки, отказе выключателей или других коммутационных аппаратов в отключении (включении) оперативному персоналу может быть дано разрешение самостоятельно деблокировать указанные устройства блокировки после тщательной проверки схемы и правильности выполнения предыдущих операций. Разрешение на деблокирование в этих случаях дает оперативный руководитель в смене предприятия (электростанции, электрической сети).

2.5.6. При ликвидации технологических нарушений в условиях отсутствия связи с диспетчером оперативный персонал самостоятельно выполняет операции с коммутационными аппаратами и устройствами РЗА в случаях, предусмотренных инструкцией энергопредприятий по ликвидации технологических нарушений. О выполненных операциях он сообщает диспетчеру, в оперативном управлении или оперативном ведении которого находятся эти аппараты и устройства, как только восстановится связь.

2.6. Переключения при вводе в работу нового оборудования и проведении испытаний

2.6.1. Включение под напряжение и в работу вновь вводимых электроустановок и оборудования, а также специальные испытания оборудования проводятся по программам, согласованным с соответствующими производственными службами и утвержденным руководителем АО-энерго или предприятия в зависимости от способа диспетчерского управления оборудованием. Программы составляются в соответствии с положением о порядке разработки, согласования и утверждения программ испытаний на тепловых, гидравлических и атомных электростанциях, в энергосистемах, тепловых и электрических сетях.

2.6.2. Переключения в электроустановках, связанные с включением вновь вводимого оборудования или специальными испытаниями, производятся по бланкам переключений, составленным в соответствии с утвержденными программами, под руководством оперативного руководителя предприятия или энергосистемы - в зависимости от характера испытаний. Если специальные испытания проводятся в течение двух смен и более, бланки переключений рекомендуется составлять заблаговременно - до начала испытаний.

3. ВЫПОЛНЕНИЕ ПЕРЕКЛЮЧЕНИЙ

3.1. Проведение операций с выключателями, разъединителями, отделителями и выключателями нагрузки

3.1.1. Отключение и включение под напряжение и в работу присоединения, имеющего в своей цепи выключатель, производится выключателем и, как правило, дистанционно. При этом ключ управления (кнопка) выключателя удерживается в положении «Отключить» или «Включить» до момента срабатывания сигнализации, указывающей на окончание операции (загорание соответствующей сигнальной лампы, окончание мигания сигнальной лампы в ключе управления и пр.).

В случае отказа в отключении при дистанционном управлении выключателя не допускается его отключение воздействием на кнопку местного управления, защелку привода или сердечник отключающего электромагнита (во избежание несчастного случая). Для вывода выключателя в ремонт в этом случае обесточивается соответствующая секция или участок электроустановки. Отключение такого выключателя по месту допустимо лишь при настоятельной необходимости, например, для снятия напряжения с пострадавшего, если нет других вариантов.

Включение масляных выключателей 6 - 10 кВ в распределительных устройствах, не имеющих сплошной защитной стенки, производится дистанционно или с помощью выносных пультов.

В распредустройствах, имеющих защиту персонала от взрыва выключателя, ручное отключение выключателя, имеющего дистанционный привод, выполняется воздействием на защелку привода или сердечник отключающего электромагнита. Включение масляного выключателя ручным приводом производится быстро, при повороте рычага управления (штурвала) до упора, но без значительных усилий в конце хода рычага управления.

На выключателях с грузовыми и пружинными приводами принимаются меры, предотвращающие ошибочное или самопроизвольное включение выключателя (снимается оперативный ток с привода выключателя; накладка заводки привода и накладка АПВ переключаются в нейтральное положение; включающие пружины приводятся в нерабочее положение путем выполнения операций «отключить - включить - отключить»).

3.1.2. Включение и отключение воздушных выключателей всех типов и классов напряжения выполняется дистанционно со щита управления.

Отключение и включение воздушных выключателей в процессе ремонтных работ выполняется дистанционно со щита управления или с пульта передвижной ремонтной мастерской после удаления персонала на безопасное расстояние или в укрытие.

3.1.3. В момент включения выключателя контролируются показания амперметров и ваттметров включаемого присоединения. При броске тока или мощности, указывающем на наличие короткого замыкания или несинхронное включение, в результате которого появился асинхронный режим, выключатель отключается, не дожидаясь отключения его действием релейной защиты.

3.1.4. Для включения или отключения выключателя с помощью устройства телемеханики ключ-символ выключателя ставится в положение «Несоответствие», при этом загорается лампа грифа ключа и горит мигающим светом. Поворотом общего ключа выбора операции подается команда на ТУ. Операция ТУ продолжается 5 - 7 с после посылки исполнительного импульса. Операция переключения выключателя считается выполненной после поступления извещающей информации, передаваемой в обратном направлении устройством ТС, при этом сигнальная лампа грифа ключа гаснет.

Если операция ТУ окажется неуспешной (сигнал о переключении выключателя не поступил, а устройство ТУ пришло в состояние готовности), делается запрос, после чего повторяется операция ТУ.

Одновременно выполняется операция ТУ только одного выключателя. Каждая последующая операция выполняется после окончания предыдущей. Перед выполнением операции ТУ квитируются все сигналы положения выключателей и аварийные сигналы, если они поступили в результате технологического нарушения на электроустановке. При наличии неквитированных сигналов положения выключателей команда ТУ не будет успешной.

Коммутационные аппараты телемеханизированной подстанции переводятся на «местное управление» перед выполнением переключений персоналом непосредственно на самой подстанции.

3.1.5. При выполнении операций с разъединителями на присоединении, отключенном выключателем, с привода этого выключателя снимается оперативный ток, и принимаются меры, исключающие самопроизвольное включение выключателя. На ключ управления отключенного выключателя вывешивается плакат «Не включать - работают люди».

Операции с разъединителями разрешается производить только при отсутствии у них дефектов и повреждений.

Перед проведением операций с разъединителями 110 - 220 кВ производится их тщательный осмотр, в том числе с применением бинокля.

Не допускается производство операций разъединителями, изоляторы которых имеют дефекты в виде трещин или царапин на фарфоре глубиной более 0,5 мм, также сколы глубиной более 1 мм.

Не допускается производство переключений разъединителями 110 - 220 кВ с применением неинвентарных (удлиненных) ручных приводов.

Все операции с разъединителями проводятся при введенных в работу быстродействующих релейных защитах и УРОВ.

Не рекомендуется выполнять операции с шинными разъединителями присоединений под напряжением, если в процессе переключений по бланку или программе переключений эти операции могут быть выполнены, когда напряжение с шинных разъединителей будет снято отключением соответствующего выключателя.

Не допускается пребывание посторонних лиц (в том числе лиц ремонтного персонала) в опасной зоне в момент переключений.

3.1.6. Включение разъединителей выполняется быстро и решительно, но без удара в конце хода. Начатая операция включения продолжается до конца в любом случае, даже при появлении дуги между контактами.

Отключение разъединителей выполняется медленно и осторожно. Вначале необходимо сделать небольшое движение рычагом привода, чтобы убедиться в отсутствии качаний и поломок изоляторов. Если при расхождении контактов между ними возникнет дуга, разъединитель возвращается во включенное положение и до выяснения причины возникновения дуги операции с ним не выполняются. Смотреть на электрическую дугу не рекомендуется.

Исключение составляют операции по отключению разъединителями (отделителями) намагничивающего тока силовых трансформаторов, зарядного тока воздушных и кабельных линий. Отключение разъединителей в этих случаях выполняются быстро, чтобы обеспечить гашение дуги. При этом выполняющий операцию располагается под защитным козырьком для ограждения от воздействия электрической дуги.

Оперативный персонал до и после проведения операции с разъединителями убеждается в том, что произошла фиксация стержней блокирующих замков электромагнитной блокировки разъединителей в отверстии вала привода.

3.1.7. Операции отключения однополюсных разъединителей с помощью оперативных штанг выполняются в той очередности, которая обеспечивает наибольшую безопасность для персонала.

При любом расположении разъединителей первым всегда отключается разъединитель средней фазы. У разъединителей горизонтально-поворотного типа вторым отключается разъединитель, ножи которого расходятся в наружную сторону. Последним отключается разъединитель, ножи которого расходятся во внутрь трехфазной группы разъединителей. При вертикальном расположении разъединителей (один над другим) вторым отключается верхний разъединитель, третьим - нижний.

Операции включения однополюсных разъединителей выполняются в обратном порядке.

3.1.8. Разъединителями разрешается выполнять операции:

а) включения и отключения зарядного тока ошиновки и оборудования всех классов напряжения (кроме тока батарей силовых конденсаторов). Зарядным током называется в данном случае переходный и переменный установившийся ток через емкости всех видов;

б) включения и отключения трансформаторов напряжения, нейтралей силовых трансформаторов и дугогасящих реакторов с номинальным напряжением до 35 кВ включительно при отсутствии в сети замыкания фазы на землю или резонанса;

в) включения и отключения трансформаторов напряжения электромагнитного типа с номинальным напряжением 110 кВ и выше;

г) шунтирования и расшунтирования включенных выключателей (с приводов которых снят оперативный ток) вместе с прилегающей к ним ошиновкой.

3.1.9. В кольцевых сетях 6 - 10 кВ разрешается отключение разъединителями уравнительных токов до 70 А и замыкание разъединителем сети в кольцо при разности напряжений в момент операции на подстанциях, питающих стороны этого разъединителя, не более 5 %.

Допускается отключение и включение трехполюсными разъединителями наружной установки при напряжении 10 кВ и ниже тока нагрузки до 15 А.

Допускается дистанционное отключение разъединителями неисправного выключателя 220 кВ и выше, зашунтированного одним выключателем или цепочкой из нескольких выключателей других присоединений системы шин (схема четырехугольника, полуторная и т.п.), если отключение выключателя может привести к его разрушению или обесточению подстанции.

3.1.10. Допустимые значения отключаемых и включаемых разъединителями токов определяются на основе нормативных документов.

Порядок и условия выполнения операций разъединителями для конкретных электроустановок и видов электрооборудования указываются в инструкциях энергопредприятий.

Разъединители и отделители наружной и внутренней установок для отключения и включения зарядных токов воздушных и кабельных линий, а также токов замыкания на землю в распределительных электросетях напряжением 6 - 35 кВ применяются в зависимости от напряжения, способа установки и расстояний между осями полюсов.

3.1.11. Операции с разъединителями в цепях, содержащих выключатели с пружинными и грузовыми приводами, выполняются после принятия мер, предотвращающих их ошибочное включение.

3.1.12. При выполнении операций с разъединителями и отделителями ненагруженных трансформаторов (автотрансформаторов), линий электропередачи, сборных шин и присоединений соблюдается следующее:

а) на присоединениях 35 - 220 кВ, имеющих в одной цепи отделители и разъединители, отключение намагничивающих токов трансформаторов и зарядных токов линий выполняется дистанционно отделителями, а включение - разъединителями при предварительно включенных отделителях.

Перед отключением намагничивающего тока трансформатора его РПН рекомендуется устанавливать в положение, соответствующее номинальному напряжению. Переключатель вольтодобавочного трансформатора (последовательного регулировочного трансформатора) рекомендуется устанавливать в положение, соответствующее нулевому значению добавочной ЭДС;

б) отключение и включение намагничивающих токов силовых трансформаторов 110 - 220 кВ, имеющих неполную изоляцию нейтрали и работающих с разземленной нейтралью, независимо от наличия защиты разрядником выполняются после предварительного заземления их нейтрали разъединителем нейтрали или через токоограничивающий реактор (или резистор);

в) отключение и включение ненагруженных трансформаторов, к нейтрали которых подключен дугогасящий реактор, во избежание появления перенапряжений выполняются после отключения дугогасящего реактора;

г) пофазное отключение ненагруженного трансформатора производится в порядке, определенном в п. 3.1.7 настоящей Инструкции;

д) перед включением разъединителя нейтрали 110 кВ и выше проверяется отсутствие напряжения на выводе нейтрали трансформатора (указателем напряжения соответствующего класса). При неполнофазном режиме (обрыв фазы) заземляющий нож трансформатора включать не допускается.

3.1.13. Для электроустановок, где применены отделители и разъединители 35 - 220 кВ с дутьевыми приставками в инструкциях энергопредприятий указываются операции, выполняемые с помощью этих аппаратов.

Операция включения отделителей или разъединителей с дутьевыми приставками выполняется без дутья как обычная операция включения отделителей и разъединителей.

Операции отключения разъединителей или отделителей с дутьевыми приставками выполняются в такой последовательности:

а) проверяется нагрузка на присоединении, которая не должна превышать предельно допустимую для отключения аппаратом (проверяется по амперметру);

б) создается в резервуаре давление, соответствующее рабочему давлению аппарата;

в) надеваются резиновые (диэлектрические) перчатки, боты; персонал располагается подзащитным козырьком;

г) выполняется операция отключения.

3.1.14. Для исключения отказов в работе оборудования (повреждений фарфоровой изоляции разъединителей, отделителей, воздушных выключателей и пр.) не рекомендуется производить плановые переключения в электроустановках при низких температурах окружающего воздуха, а также при резких колебаниях температуры окружающего воздуха (более 15 °С) с переходом через 0 °С. Минимальная отрицательная температура воздуха, при которой возможно выполнение плановых переключений в электроустановках, расположенных в той или иной климатической зоне, указывается в инструкции энергопредприятия.

3.1.15. Выключателями нагрузки обычной конструкции серий ВН и ВНП разрешается выполнять операции включения и отключения токов нагрузки и уравнительных токов, значение которых не превышает номинальный ток аппарата.

3.1.16. Включение выключателя нагрузки ручным приводом производится быстрым перемещением рукоятки привода снизу вверх до упора.

3.1.17. Отключение выключателя нагрузки ручным приводом производится нажатием на защелку рукоятки привода и отведением рукоятки вниз до упора. При этом скорость перемещения рабочих ножей не менее 3 - 4 м/с. Движение рабочих ножей в конце хода выполняется плавным, без жестких ударов.

Перед отключением выключателя нагрузки проверяется значение тока в отключаемой цепи, которое не превышает номинальный ток аппарата.

При отсутствии в электрической цепи измерительного прибора максимально возможное значение тока в цепи заранее измеряется; в инструкции энергопредприятия указывается, что это значение тока не может превысить номинальный ток аппарата.

3.1.18. Не допускается с помощью выключателя нагрузки серии ВН подавать напряжение на линии, трансформаторы и шины, отключившиеся действием устройств релейной защиты, без осмотра оборудования и устранения повреждения.

3.1.19. При операциях с коммутационными аппаратами оперативный персонал располагается в безопасной зоне, определяемой с учетом местных условий, конструктивных особенностей оборудования или по указанию лица, контролирующего переключения.

3.2. Снятие оперативного тока с приводов коммутационных аппаратов

3.2.1. Операции с коммутационными аппаратами, имеющими дистанционное управление, производятся при отсутствии замыкания на землю в цепях оперативного тока.

При наличии замыкания на землю в цепях оперативного тока плановые операции с выключателями не разрешаются на время поиска и устранения замыкания на землю.

Операции с выключателями присоединений при наличии замыкания на землю в цепях оперативного тока допускаются только в аварийных ситуациях.

Если в аварийной ситуации возникнет необходимость выполнения операций с разъединителями, с приводов отключенных выключателей соответствующих присоединений снимается оперативный ток отключением автоматических выключателей (или предохранителей) на обоих полюсах цепей управления.

3.2.2. Снятие оперативного тока с приводов коммутационных аппаратов (разъединителей, отделителей, выключателей нагрузки) производится в случаях, предусмотренных правилами безопасности.

3.2.3. Для перевода присоединений с одной системы шин на другую с помощью шиносоединительного выключателя перед проведением операций с шинными разъединителями снимается оперативный ток с привода и защит включенного шиносоединительного выключателя.

Оперативный ток снимается автоматическими выключателями (или предохранителями) на обоих полюсах цепей управления и защит (при наличии отдельных автоматических выключателей или предохранителей для питания оперативных цепей защит шиносоединительного выключателя отключаются также эти автоматические выключатели или снимаются предохранители) до проверки положения шиносоединительного выключателя на месте его установки.

3.2.4. Оперативный ток снимается с приводов разъединителей, имеющих дистанционное управление, если в процессе переключений необходима жесткая фиксация этих разъединителей во включенном положении.

Рекомендуется также отключать и цепи переменного тока приводов указанных разъединителей.

3.2.5. Перед подачей напряжения на линию включением разъединителей (отделителей) со стороны подстанции, выполненной по упрощенной схеме, с другого конца этой линии (где имеется выключатель) на это время с привода отключенного выключателя снимается оперативный ток.

3.2.6. Перед выполнением операций с разъединителями на присоединении, отключенном выключателем, снимается оперативный ток с привода этого выключателя и принимаются меры, исключающие произвольное включение выключателя.

3.2.7. Необходимость снятия оперативного тока с привода включенного выключателя перед выполнением операции шунтирования или дешунтирования разъединителями данного выключателя определяется указаниями инструкции энергопредприятия.

3.2.8. На время проведения фазировки присоединения косвенным методом (на зажимах вторичных обмоток трансформаторов напряжения) до подачи напряжения по фазируемой цепи снимается оперативный ток с привода отключенного выключателя, разделяющего источники напряжения.

3.3. Проверка положений коммутационных аппаратов

3.3.1. Отключение и включение разъединителей присоединения, имеющего в своей цепи выключатель, выполняется после проверки отключенного положения выключателя на месте его установки.

3.3.2. На подстанциях с упрощенными схемами перед выполнением операций с разъединителями или отделителями на стороне высшего напряжения трансформатора проверяется отключенное положение выключателей трансформатора со стороны среднего и низшего напряжений на месте установки выключателей.

3.3.3. В КРУ выкатного исполнения перемещение тележки выключателя из рабочего в контрольное положение, и наоборот, выполняется после проверки отключенного положения выключателя.

3.3.4. Проверка положения выключателя на месте установки осуществляется пофазно:

по механическому указателю, имеющемуся на выключателе;

по положению рабочих контактов у выключателей с видимым разрывом цепи тока;

по показаниям манометров у воздушных выключателей.

3.3.5. Проверка положений выключателей по сигнальным лампам ключей управления и показаниям измерительных приборов (амперметров, вольтметров) допускается:

при отключении присоединения только выключателем (без последующего проведения операций с разъединителями);

при отключении присоединения выключателем и проведении операций с разъединителями с помощью дистанционного привода;

при включении присоединения под нагрузку;

при подаче и снятии напряжения с шин.

3.3.6. После каждой проведенной операции включения или отключения разъединителей, отделителей, выключателей нагрузки, а также стационарных заземляющих ножей их действительное положение проверяется визуально. При этом каждая фаза коммутационного аппарата и заземляющие ножи проверяются отдельно независимо от фактического положения аппаратов других фаз (положения других заземляющих ножей) и наличия механических связей между ними.

3.4. Действия с оперативной блокировкой

3.4.1. Оперативная блокировка рассматривается как дополнительное средство, предотвращающее выполнение ошибочных операций с коммутационными аппаратами и заземляющими ножами в процессе всех переключений в электроустановках.

Блокировка разъединителей с выключателем предназначается для предотвращения ошибочных операций включения и отключения разъединителей под нагрузкой при включенном положении выключателя.

Блокировка заземляющих ножей предназначается для предотвращения следующих ошибочных операций:

включения заземляющих ножей на шины и участки присоединений, находящиеся под напряжением;

включения находящихся под напряжением разъединителей на секции, системы сборных шин, участки присоединений, заземленные с помощью заземляющих ножей;

подачи напряжения выключателем на заземленные с помощью заземляющих ножей участки шин;

возбуждения генератора при включенных заземляющих ножах.

3.4.2. Для шинных разъединителей и заземляющих ножей сборных шин выполняется полная оперативная блокировка, предотвращающая включение заземляющих ножей на сборные шины при включенных шинных разъединителях (хотя бы одном шинном разъединителе) и включение любого из шинных разъединителей при включенных заземляющих ножах сборных шин.

В электроустановках, где блокировка выполнена не в полном объеме (заземляющие ножи сборных шин имеют блокировку только с разъединителями трансформатора напряжения и не имеют блокировочных устройств с шинными разъединителями всех присоединений данной системы шин), приводы заземляющих ножей сборных шин запираются висячими замками, ключи от которых находятся у оперативного персонала, обслуживающего электроустановку. В этом случае при выводе системы шин в ремонт включение заземляющих ножей на шины, а также операции с шинными разъединителями выведенных в ремонт присоединений выполняются только после тщательной проверки схемы электрических соединений в натуре.

3.4.3. У линейных разъединителей приводы заземляющих ножей в сторону линии имеют только механическую блокировку с приводом главных ножей, что не исключает возможности подачи на включенные заземляющие ножи напряжения с противоположной стороны линии. Для предотвращения ошибочных действий оперативного персонала энергопредприятия оперативный руководитель, координирующий выполнение операций с обеих сторон линии, сообщает оперативному персоналу о положении главных и заземляющих ножей линейных разъединителей на противоположной стороне линии каждый раз перед подачей напряжения на линию и перед ее заземлением при выводе в ремонт.

3.4.4. Во время переключений в электроустановках все устройства оперативной блокировки находятся в работе.

Блокировочные замки, находящиеся в эксплуатации, опломбируются.

3.4.5. В том случае, когда блокировка не разрешает выполнение какой-либо операции, переключения прекращаются и проверяются:

правильно ли выбрано присоединение и коммутационный аппарат;

положение других коммутационных аппаратов, операции с которыми предшествуют выполняемой операции;

наличие напряжения в цепях блокировки и исправность электромагнитного ключа;

исправность (проверяется визуально) механической части привода коммутационного аппарата.

Если такой проверкой не будет установлена причина, по которой блокировка не допускает выполнение операции, об этом сообщается оперативному руководителю, отдавшему распоряжение о переключении.

3.4.6. Оперативно-диспетчерскому персоналу, непосредственно выполняющему переключения, самовольно выводить из работы блокировки безопасности не допускается.

Деблокирование разрешается только после проверки на месте отключенного положения выключателя и выяснения причины отказа блокировки по разрешению и под руководством лиц, уполномоченных на это письменным указанием по энергообъекту. В этом случае в бланк переключений вносятся операции по деблокированию. Если возникает необходимость деблокирования, а операции выполнялись без бланка переключений, составляется бланк переключений с внесением в него операций по деблокированию.

В аварийных ситуациях разрешение на деблокирование дает оперативный руководитель в смене предприятия (электростанции, электрической сети).

3.4.7. В электроустановках напряжением выше 1000 В разрешается пользоваться деблокировочным ключом для открытия дверей сетчатых ограждений ячеек при работах с токоизмерительными клещами, фазировке оборудования прямым методом и определении степени нагрева контактов с помощью изолирующих штанг. Указанные работы выполняются в соответствии с требованиями правил безопасности. На деблокирование дверей сетчатых ограждений разрешение выдается оперативным руководителем.

3.4.8. О всех случаях деблокирования блокировочных устройств производится запись в оперативном журнале.

3.5. Последовательность операций с коммутационными аппаратами присоединений линий, трансформаторов, синхронных компенсаторов и генераторов

3.5.1. Операции с коммутационными аппаратами выполняются в последовательности, определяемой назначением этих аппаратов и соблюдением условий безопасности для лиц, выполняющих переключения. В инструкциях энергопредприятий указываются и проверочные действия, которые выполняются персоналом в процессе переключений.

Далее приводится последовательность операций с коммутационными аппаратами при переключениях в схемах электроустановок, выполненных в основном по типовым проектным решениям. Во всех других случаях последовательность операций определяется инструкциями энергопредприятий.

3.5.2. Последовательность типовых операций с коммутационными аппаратами при включении и отключении присоединений воздушных и кабельных линий:

Включение (рис. 1):

а) проверяется отключенное положение выключателя;

б) включается шинный разъединитель;

в) включается линейный разъединитель;

г) включается выключатель.

Отключение:

а) отключается выключатель;

б) отключается линейный разъединитель;

в) отключается шинный разъединитель.

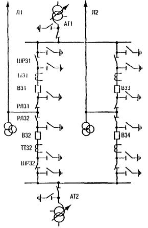
Рис. 1. Присоединение линии 10 кВ:

1 - шинный разъединитель; 2 - линейный разъединитель; 3 - выключатель

Примечание. В распределительных устройствах 6 - 35 кВ закрытого типа в зависимости от конструкции РУ допускается после отключения выключателя присоединения линии сначала отключать шинный, а потом линейный разъединитель. При включении линии - первым включается линейный, а затем шинный разъединитель. Последовательность операций указывается в инструкции энергопредприятия.

3.5.3. Последовательность операций в КРУ с выкатными элементами при включении присоединений воздушных и кабельных линий:

Включение:

а) проверяется, отключен ли выключатель;

б) перемещается тележка выключателя из контрольного в рабочее положение;

в) включается выключатель.

Отключение:

а) отключается выключатель;

б) проверяется, отключен ли выключатель;

в) перемещается тележка с выключателем в контрольное или ремонтное положение.

Примечание. При отключении линий для производства работ вне КРУ (на линии) тележка с выключателем, как правило, выкатывается из шкафа (ремонтное положение). При наличии блокировки между заземляющими ножами и тележкой с выключателем допускается устанавливать тележку в контрольное положение после включения заземляющих ножен на линии. При отсутствии блокировки, а также, если шкафы КРУ не оснащены стационарными заземляющими ножами, допускается устанавливать тележку в промежуточное между контрольным и ремонтным положение с запиранием ее на замок в этом положении.

3.5.4. Последовательность операций при включении и отключении трехобмоточного трансформатора (автотрансформатора):

Включение:

а) включаются шинные и трансформаторные разъединители высшего напряжения;

б) включаются шинные и трансформаторные разъединители среднего напряжения;

в) включаются шинные и трансформаторные разъединители низшего напряжения;

г) включаются выключатели со стороны высшего, среднего и низшего напряжений трансформатора.

Для некоторых типов автотрансформаторов, имеющих недостаточную динамическую устойчивость при КЗ на стороне высшего напряжения, рекомендуется следующая последовательность включения их выключателей: включаются выключатели среднего, низшего, а затем высшего напряжений.

Отключение:

а) отключаются выключатели со стороны низшего, среднего и высшего напряжений трансформатора;

б) отключаются трансформаторные и шинные разъединители низшего напряжения;

в) отключаются трансформаторные и шинные разъединители среднего напряжения;

г) отключаются трансформаторные и шинные разъединители высшего напряжения.

3.5.5. При включении или отключении воздушным выключателем ненагруженного трансформатора с неполной изоляцией нейтрали обмотки 110 кВ предварительно заземляется нейтраль, если она была разземлена, независимо от наличия защиты ее разрядником или ограничителем перенапряжений.

3.5.6. На электростанциях последовательность включения и отключения трансформаторов (автотрансформаторов) связи с энергосистемой зависит от местных условий и должна выполняться в соответствии с инструкциями энергопредприятия.

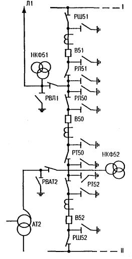
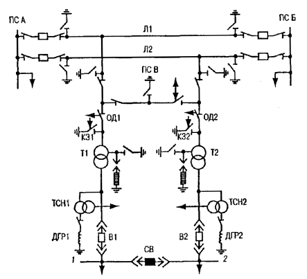
3.5.7. Последовательность операций и действий персонала при включении и отключении трансформатора Т1 на двухтрансформаторной подстанции, выполненной по упрощенной схеме:

Включение трансформатора Т1 (рис. 2):

а) переключается АРКТ трансформатора Т1 на дистанционное управление;

б) дистанционно переводится РПН трансформатора Т1 в положение, соответствующее режиму его номинального возбуждения;

в) проверяется отключенное положение выключателя В1;

г) перемещается тележка выключателя В1 в контрольное положение; соединяются штепсельные разъемы цепей вторичной коммутации;

д) проверяется, отключен ли разъединитель дугогасящего реактора ДГР1;

е) проверяется, отключен ли короткозамыкатель КЗ1;

ж) включается разъединитель в нейтрали трансформатора Т1;

з) включается отделитель ОД1;

и) проверяется полнофазность включения трансформатора Т1 под напряжение; отключается заземляющий разъединитель в его нейтрали;

к) переключается АРКТ работающего трансформатора Т2 с автоматического на дистанционное управление;

л) дистанционно переводится РПН трансформатора Т1 в положение, одинаковое с положением РПН трансформатора Т2;

м) перемещается тележка с отключенным выключателем В1 трансформатора Т1 в рабочее положение;

н) включаются выключатель В1 и его АПВТ;

о) отключается секционный выключатель СВ; включается АВР СВ;

п) переключаются АРКТ трансформаторов Т1 и Т2 с дистанционного на автоматическое управление;

р) восстанавливается нормальная схема питания нагрузки собственных нужд на напряжении 0,4 кВ;

с) включается разъединитель дугогасящего реактора ДГР1 (настроенного для работы в нормальном режиме компенсации емкостного тока);

т) отключается разъединитель дугогасящего реактора ДГР2, настраивается ДГР2 для работы в нормальном режиме компенсации емкостного тока, включается разъединитель дугогасящего реактора ДГР2.

Рис. 2. Участок сети 110 кВ с проходной двухтрансформаторной подстанцией, выполненной по упрощенной схеме:

 - выключатель включен;  - выключатель отключен;  - разъединитель включен;  - разъединитель отключен; тделитель включен;  - отделитель отключен;  - автоматический выключатель включен;  - автоматический выключатель отключен; - короткозамыкатель отключен; - заземляющие ножи включены;  - заземляющие ножи отключены;  - выключатель КРУ отключен и перемещен в ремонтное положение

Примечание. Далее в схемах приняты такие же условные графические обозначения положений коммутационных аппаратов.

Отключение трансформатора Т1:

а) переводится питание нагрузки собственных нужд с трансформатора ТСН1 на трансформатор ТСН2; при отключенном автоматическом выключателе АВ1 отключается рубильник 0,4 кВ в сторону трансформатора ТСН1;

б) отключается разъединитель дугогасящего реактора ДГР2, настраивается ДГР2 на компенсацию емкостного тока присоединений 1-й и 2-й секций, включается разъединитель дугогасящего реактора ДГР2;

в) отключается разъединитель дугогасящего реактора ДГР1;

г) переключаются АРКТ трансформаторов Т1 и Т2 с автоматического на дистанционное управление;

д) дистанционно переводится РПН трансформатора Т1 в положение, одинаковое с положением РПН трансформатора Т2;

е) отключается АВР секционного выключателя; включается СВ;

ж) отключаются АПВТ и выключатель В1 трансформатора Т1;

з) переключается АРКТ работающего трансформатора Т2 с дистанционного на автоматическое управление;

и) дистанционно переводится РПН трансформатора Т1 в положение, соответствующее режиму его номинального возбуждения;

к) перемещается тележка с отключенным выключателем В1 в контрольное или ремонтное положение в зависимости от характера намечаемых работ;

л) включается заземляющий разъединитель в нейтрали трансформатора Т1;

м) отключается отделитель ОД1 в цепи трансформатора Т1.

3.5.8. Последовательность операций и действий персонала при отключении и включении трансформатора Т1 на ответвительной двухтрансформаторной подстанции, выполненной по упрощенной схеме и подключенной к двум проходящим параллельным линиям с двусторонним питанием:

Отключение трансформатора Т1 (рис. 3):

а) переводится на ответвительной подстанции В питание нагрузки собственных нужд с трансформатора ТСН1 на трансформатор ТСН2;

б) отключается разъединитель дугогасящего реактора ДГР2, настраивается ДГР2 на компенсацию емкостного тока присоединений 1-й и 2-й секций, включается разъединитель дугогасящего реактора ДГР2;

в) отключается разъединитель дугогасящего реактора ДГР1;

г) переключаются АРКТ трансформаторов Т1 и Т2 с автоматического на дистанционное управление;

д) дистанционно переводится РПН трансформатора Т1 в положение, одинаковое с положением РПН трансформатора Т2;

е) отключается АВР секционного выключателя; включается СВ;

Рис. 3. Участок сети 110 - 220 кВ с упрощенной двухтрансформаторной подстанцией, питающейся от двух проходящих параллельных линий с двусторонним питанием

ж) отключаются АПВТ и выключатель В1 трансформатора Т1;

з) переключается АРКТ оставшегося в работе трансформатора Т2 с дистанционного на автоматическое управление;

и) перемещается тележка с отключенным выключателем В1 в ремонтное или контрольное положение в зависимости от характера намечаемых работ;

к) включается заземляющий разъединитель в нейтрали трансформатора Т1;

л) отключаются на питающих подстанциях А и Б с помощью устройств телемеханики (или дистанционно вручную) выключатели с обеих сторон линии Л1 (при этом напряжение снимается с линии Л1 и одновременно отключается ток намагничивания трансформатора Т1 на подстанции В);

м) отключается на подстанции В отделитель ОД1 трансформатора Т1;

н) включаются на подстанциях А и Б с помощью устройств телемеханики (или дистанционно вручную) выключатели линии Л1.

Включение трансформатора Т1:

а) перемещается тележка с отключенным выключателем В1 в рабочее положение, соединяются штепсельные разъемы цепей вторичной коммутации;

б) проверяется, отключен ли разъединитель дугогасящего реактора ДГР1;

в) проверяется, отключен ли короткозамыкатель КЗ1;

г) включается разъединитель в нейтрали трансформатора Т1;

д) отключаются на питающих подстанциях А и Б с помощью устройств телемеханики (или дистанционно вручную) выключатели с обеих сторон линии Л1;

е) включается на подстанции В отделитель ОД1 трансформатора Т1;

ж) включаются на питающих подстанциях А и Б с помощью устройств телемеханики (или дистанционно вручную) выключатели линии Л1;

з) отключается на подстанции В разъединитель в нейтрали трансформатора Т1 (если он был включен);

и) переключаются АРКТ трансформаторов Т1 и Т2 на дистанционное управление;

к) дистанционно переводится РПН трансформатора Т1 в положение, одинаковое с положением РПН трансформатора Т2;

л) включаются выключатель В1 и его АПВТ;

м) отключается СВ и включается АВР СВ;

н) переключаются АРКТ трансформаторов Т1 и Т2 с дистанционного на автоматическое управление;

о) восстанавливается нормальная схема питания нагрузки собственных нужд напряжением 0,4 кВ;

п) включается разъединитель дугогасящего реактора ДГР1, настроенного для работы в нормальном режиме компенсации емкостного тока;

р) отключается разъединитель дугогасящего реактора ДГР2, настраивается ДГР2 для работы в нормальном режиме компенсации емкостного тока, включается разъединитель дугогасящего реактора ДГР2.

Примечание. В обоих случаях отключения и включения трансформатора на ответвительной подстанции операции с поперечной дифференциальной защитой параллельных линий и автоматическими устройствами на ответвительной подстанции выполняются в соответствии с требованиями инструкций энергопредприятий.

3.5.9. При автоматическом пуске синхронного компенсатора серии КСВ с машинным возбуждением после подготовки водяной, масляной и газовой систем компенсатора для работы в нормальном режиме соблюдается следующая последовательность операций и действий персонала:

а) проверяется отключенное положение аппаратуры автоматики для пуска компенсатора;

б) проверяется отключенное положение пускового выключателя и включаются его разъединители;

в) проверяется положение рабочего выключателя и включаются шинные разъединители компенсатора;

г) включаются трансформаторы напряжения компенсатора;

д) устанавливается тележка выключателя двигателя возбудителя в рабочее положение;

е) устанавливается шунтовой регулятор возбудителя в положение холостого хода;

ж) подается оперативный ток на цепи автоматики управления; ключом автоматического пуска подается импульс на включение компенсатора;

з) контролируется по устройствам сигнализации и приборам последовательность операций пуска: включение агрегата возбуждения, системы смазки и водяного охлаждения, пускового выключателя, автомата гашения поля, включение рабочего выключателя после снижения пускового тока и отключения пускового выключателя;

и) включается АРВ и устройство форсировки возбуждения, если они отключались по принципу действия;

к) набирается нагрузка (скорость повышения токов статора и ротора при этом не ограничивается).

3.5.10. При останове синхронного компенсатора соблюдается следующая последовательность операций и действий персонала:

а) полностью снимается нагрузка компенсатора;

б) отключаются АРВ и устройство форсировки возбуждения, если это необходимо по принципу их действия;

в) подается импульс на отключение компенсатора ключом автоматического управления;

г) контролируются отключения рабочего выключателя, выключателя двигателя возбудителя и АГП;

д) снимается оперативный ток с цепей автоматического управления компенсатора, если последний предполагается вывести в ремонт;

е) проверяется отключенное положение пускового выключателя и отключаются его разъединители;

ж) проверяется отключенное положение рабочего выключателя и отключаются шинные разъединители компенсатора;

з) проверяется отключенное положение выключателя двигателя возбудителя и выкатывается тележка выключателя из шкафа КРУ.

3.5.11. При включении генератора в сеть способом точной синхронизации при достижении частоты вращения генератора, близкой к номинальной, соблюдается следующая последовательность операций и действий персонала:

а) проверяется отключенное положение выключателя генератора и включаются его шинные разъединители на ту систему шин, на которую он работает;

б) включаются разъединители и автоматические выключатели (устанавливаются предохранители) трансформаторов напряжения генератора;

в) включаются колонка синхронизации и блокировка от несинхронных включений;

г) проверяется, полностью ли введен шунтовой реостат возбуждения.

Включается автомат гашения поля, возбуждается генератор до напряжения, равного значению напряжения на шинах.

Примечание. При наличии тиристорного, высокочастотного или иных схем возбуждения операции по синхронизации генератора выполняются в соответствии с требованиями инструкций предприятия;

д) добиваются воздействием на ключ МУТ, чтобы частота генератора превышала частоту электрической сети энергосистемы на значение скольжения, контролируемого оператором по стрелке частотомера.

Импульс на включение выключателя генератора подается при равенстве частот, напряжений и совпадений по фазе векторов напряжении включаемого генератора и электрической сети энергосистемы с опережением, учитывающим время включения выключателя.

Не допускается подача повторного импульса на включение выключателя, если при подаче первого импульса на его включение генератор не включился. С генератора снимается возбуждение, и выключатель выводится в ремонт. После устранения причины отказа в работе выключатель опробывается на включение и отключение.

3.5.12. Включение генератора в сеть методом самосинхронизации выполняется в соответствии с указанием инструкции предприятия.

3.5.13. При отключении от сети турбогенератора, который работает с турбиной, имеющей промышленный отбор пара, для предупреждения разгона турбины после разгрузки генератора по активной и реактивной нагрузкам, отдается распоряжение о закрытии клапанов и главных паровых задвижек турбины. Только убедившись в полном прекращении подачи пара в турбину, отключается выключатель генератора. Затем проверяется его полнофазное отключение, и отключается АГП. Учитывается АГП с деионными решетками (АГП1 и аналогичные ему по принципу действия не способны отключать токи менее 10 % номинального тока автомата).

3.5.14. В случае неполнофазного отключения выключателя генератора (неотключение двух фаз) развозбуждение генератора не допускается; АГП может быть отключен только после устранения неполнофазного режима. В инструкциях энергопредприятий указывается последовательность действий персонала по ликвидации неполнофазных режимов.

3.5.15. При отключении от сети блока турбогенератор-трансформатор без генераторного выключателя соблюдается следующая последовательность операций и действий персонала:

а) разгружается турбогенератор по активной и реактивной нагрузкам до значения не менее потребляемой мощности механизмами собственных нужд блока;

б) переводится питание секции шин собственных нужд энергоблока на резервный источник; отключаются выключатели рабочего трансформатора собственных нужд блока;

в) полностью разгружается турбогенератор по активной и реактивной нагрузкам;

г) отдается распоряжение о прекращении подачи пара в турбину; проверяется полное прекращение доступа пара в турбину;

д) отключается выключатель блока на стороне высшего напряжения; убеждаются в его полнофазном отключении;

е) проверяется соответствие тока в цепи ротора требуемому (по отключающей способности АГП) значению; отключается АГП; полностью вводится шунтовой регулятор возбудителя;

ж) отключаются разъединители на стороне высшего напряжения блока;

з) отключается шинный разъединитель (выкатываются тележки выключателей в шкафах КРУ) рабочего трансформатора собственных нужд блока;

и) отключаются автоматические выключатели (снимаются предохранители) и разъединители трансформаторов напряжения генератора.

3.5.16. Все указания по пуску и останову турбогенераторов и гидрогенераторов в инструкциях энергопредприятия даются с указанием конкретных числовых значений параметров режима (в амперах, вольтах и т.д.).

3.6. Последовательность операций при включении и отключении линий электропередачи

3.6.1. При включении и отключении линий электропередачи, оснащенных устройствами АПВ (трехфазными или однофазными), действия с последними в зависимости от их схемы и конструкции выполняются в соответствии с указаниями инструкций энергопредприятий. В настоящей Инструкции действия с АПВ линий не рассматриваются.

3.6.2. При отключении воздушных и кабельных линий тупикового питания первым отключается выключатель со стороны нагрузки, вторым - со стороны питания.

Включение осуществляется в обратной последовательности.

3.6.3. При отключении линий, отходящих от электростанций, первым, как правило, отключается выключатель со стороны электростанции, вторым - выключатель со стороны энергосистемы.

Подача напряжения на линию при ее включении производится, как правило, со стороны энергосистемы.

Рис. 4. Схема спаренных кабельных линий, находящихся в различных оперативных положениях (линия Л1 включена, линия Л2 отключена)

3.6.4. Включение или отключение одной из двух спаренных линий при отключенной другой (рис. 4) выполняется в обычном порядке, предусмотренном для включения и отключения одиночной линии.

3.6.5. Включение одной из спаренных кабельных линий, например Л2, при находящейся в работе другой (Л1) независимо от расположения линейных разъединителей каждой линии (в общей ячейке, в отдельных камерах, в ячейке, разделенной специальными перегородками) выполняется, как правило, после отключения линии, находящейся в работе.

Для этого:

а) отключается выключатель В1 работающей линии Л1 со стороны нагрузки;

б) отключается выключатель В3 спаренных линий со стороны питания;

в) включаются линейные разъединители с обеих сторон включаемой линии Л2;

г) включается выключатель В3 спаренных линий со стороны питания;

д) включаются выключатели В1 и В2 со стороны нагрузки.

3.6.6. Допускается включение или отключение одной из спаренных линий 6 - 10 кВ линейными разъединителями без отключения выключателя со стороны питания при допустимом зарядном токе линии и только при наличии дистанционного управления разъединителем, а также в случае, когда линия оборудована выключателем нагрузки с дистанционным управлением.

3.6.7. Отключение одной из двух спаренных линий, когда обе линии находятся в работе, выполняется в следующей последовательности:

а) отключаются выключатели обеих линий со стороны нагрузки;

б) отключается выключатель спаренных линий со стороны питания;

в) отключаются линейные разъединители с обеих сторон отключаемой линии;

г) включается выключатель спаренных линий со стороны питания;

д) включается выключатель остающейся в работе линии со стороны нагрузки.

3.6.8. Последовательность операций и действий персонала при включении и отключении транзитной линии, не имеющей выключателей на промежуточной подстанции:

Включение линии Л1 (см. рис. 2):

На подстанции А:

а) включается линейный разъединитель, а затем выключатель линии Л1 (линия Л1 опробуется напряжением);

б) проверяется наличие напряжения на всех фазах ввода линии Л1;

в) отключается выключатель линии Л1, проверяется его положение; снимается оперативный ток с привода выключателя.

В случае управления выключателями подстанции А по каналам ТУ и включения линии одной ОВБ после опробования линии напряжением оперативный ток с привода отключенного выключателя допускается не снимать.

На подстанции Б:

а) убеждаются в отсутствии напряжения на вводе линии Л1;

б) включается линейный разъединитель линии Л1 - на линию Л1 подается напряжение. Эта операция проводится в порядке, указанном в п. 3.1.10 настоящей Инструкции.

На подстанции А подается оперативный ток на привод выключателя; включается выключатель линии Л1.

Отключение линии Л1:

На подстанции А отключаются выключатель и линейный разъединитель линии Л1.

На подстанции Б отключается линейный разъединитель линии Л1.

3.6.9. Последовательность операций при включении и отключении транзитной линии:

Включение линии Л1 (рис. 5):

На подстанции А:

а) отключаются заземляющие ножи развилки шинных разъединителей линии Л1;

б) отключаются заземляющие ножи линии Л1.

На подстанции Б:

а) отключаются заземляющие ножи развилки шинных разъединителей линии Л1;

б) отключаются заземляющие ножи линии Л1;

в) включается шинный разъединитель линии Л1 на соответствующую систему шин;

г) включается линейный разъединитель линии Л1.

Рис. 5. Транзитная линия 110 кВ в отключенном положении

На подстанции А:

а) включается шинный разъединитель линии Л1 на соответствующую систему шин;

б) включается линейный разъединитель линии Л1;

в) включается выключатель линии Л1.

На подстанции Б включается выключатель линии Л1.

Отключение линии Л1:

На подстанции А отключается выключатель линии Л1.

На подстанции Б:

а) отключается выключатель линии Л1;

б) отключается линейный разъединитель линии Л1;

в) отключается шинный разъединитель линии Л1.

На подстанции А:

а) отключается линейный разъединитель линии Л1;

б) убеждаются в отсутствии напряжения на вводе линии Л1;

в) включается заземляющий разъединитель в сторону линии Л1;

г) отключается шинный разъединитель линии Л1;

д) убеждаются в отсутствии напряжения на развилке шинных разъединителей линии Л1;

е) включается заземляющий разъединитель в сторону выключателя линии Л1.

На подстанции Б:

а) убеждаются в отсутствии напряжения на вводе линии Л1;

б) включается заземляющий разъединитель в сторону линии Л1;

в) убеждаются в отсутствии напряжения на развилке шинных разъединителей линии Л1;

г) включается заземляющий разъединитель в сторону выключателя линии Л1.

3.6.10. Порядок включения и отключения транзитных линий 110 - 220 кВ и линий межсистемных электропередач 330 кВ и выше устанавливается диспетчерскими службами энергосистем, ОДУ (ЦДУ) и указывается в инструкциях энергопредприятий соответствующей ступени диспетчерского управления.

Диспетчер при включении и отключении транзитных линий и линий межсистемных электропередач руководствуется указаниями инструкции энергопредприятий и учитывает фактическое состояние схемы сетей и условия работы электростанций в данный момент, надежность питания отдельных подстанций и участков сети в случае подачи от них напряжения на линию, наличие быстродействующих защит на линии и другие условия.

При включении и отключении линий межсистемных электропередач, как правило, предварительно выполняются режимные мероприятия: регулирование перетоков мощности по линиям, отключение (или включение) устройств противоаварийной автоматики (разгрузки электростанции, автоматического ограничения перегрузки линии и др.), а также изменение уставок срабатывания автоматических устройств.

4. ПЕРЕКЛЮЧЕНИЯ ПРИ ПЕРЕВОДЕ ПРИСОЕДИНЕНИЙ С ОДНОЙ СИСТЕМЫ ШИН НА ДРУГУЮ

4.1. При переводе присоединений с одной системы шин на другую необходимость и последовательность операций с защитой шин и устройствами резервирования при отказе выключателей определяется указаниями инструкций энергопредприятий.

4.2. При переводе присоединений с одной системы шин на другую и необходимости проверки синхронности напряжений в электроустановках, где нет приборов контроля синхронизма, синхронность напряжений систем шин и переводимых присоединений подтверждается диспетчером, отдающим распоряжение о переводе.

4.3. Последовательность операций и действий персонала при переводе всех присоединений, находящихся в работе, с рабочей системы шин на резервную с помощью ШСВ следующая:

а) убеждаются в отсутствии напряжения на резервной системе шин, а также в отсутствии включенных заземляющих ножей и наложенных переносных заземлений;

б) проверяются уставки на защитах ШСВ (они должны соответствовать уставкам, указанным в инструкции энергопредприятия для режима «Опробование») и включаются защиты с действием на отключение ШСВ;

в) включается ШСВ и проверяется наличие напряжения на резервной системе шин;

г) снимается оперативный ток с привода и защит ШСВ;

д) отключается АПВ шин (если оно предусмотрено);

е) проверяется на месте установки, включен ли ШСВ;

ж) включаются шинные разъединители всех переводимых присоединений на резервную систему шин; проверяется включенное положение разъединителей:

з) отключаются шинные разъединители всех переводимых присоединений от освобождаемой системы шин; проверяется отключенное положение разъединителей;

и) переключается питание цепей напряжения защит, автоматики и измерительных приборов на соответствующий трансформатор напряжения, если питание цепей не переключается автоматически;

к) подается оперативный ток на привод и защиты ШСВ;

л) убеждаются по амперметру в отсутствии нагрузки на ШСВ и отключают ШСВ;

м) убеждаются в отсутствии напряжения на освобожденной системе шин;

н) включается АПВ шин.

Примечания: 1. Здесь и далее для открытых РУ с большим числом присоединений, шинные разъединители которых имеют электродвигательные приводы с дистанционным управлением, допускается перевод присоединений с одной системы шин на другую поочередно, по отдельным присоединениям. После перевода производится визуальная проверка положений шинных разъединителей переведенных присоединений на месте их установки.

2. Последовательность переключений при выводе в резерв систем шин в электроустановках с воздушными выключателями и трансформаторами напряжения серии НКФ, где возможно возникновение феррорезонанса, указывается в инструкциях энергопредприятия.

4.4. Перевод присоединений с одной системы шин на другую без шиносоединительного выключателя допускается при условии, когда резервная система шин не включена под напряжение и на нее переводятся все находящиеся в работе присоединения.

Последовательность операций и действий персонала при переводе присоединений:

а) проверяется наружным осмотром готовность резервной системы шин к включению под напряжение;

б) убеждаются в отсутствии напряжения на резервной системе шин;

в) отключается АПВ шин (если оно предусмотрено);

г) включается шинный разъединитель присоединения, находящегося в работе и выбранного исходя из местных условий, на резервную систему шин;

д) включаются шинные разъединители всех остальных присоединений на резервную систему шин; проверяется положение разъединителей;

е) переключается питание цепей напряжения защит, автоматики и измерительных приборов на соответствующий трансформатор напряжения, если питание не переключается автоматически;

ж) отключаются шинные разъединители всех переводимых присоединений от освобождаемой системы шин и проверяется положение разъединителей;

з) убеждаются по щитовым вольтметрам в отсутствии напряжения на освобожденной системе шин;

и) включается АПВ шин.

Примечание. Наряду с наружным осмотром резервная система шин в случае необходимости опробуется напряжением, подаваемым от смежной подстанции по одной из линий, которая предварительно переключается (с отключением) на опробуемую систему шин.

Непосредственно перед опробованием резервной системы шин напряжением отключается ДЗШ или выводятся токовые цепи трансформаторов тока линии, по которой будет подаваться напряжение на шины, из схемы ДЗШ, а на смежной подстанции вводится ускорение резервных защит.

4.5. Последовательность операций и действий персонала при переводе всех присоединений, находящихся в работе, с одной системы шин на другую с помощью шиносоединительного выключателя в электроустановках с фиксированным распределением присоединений по системам шин:

а) включается ШСВ (если он был отключен);

б) переводятся УРОВ и защита шин в режим работы с нарушением фиксации;

в) снимается оперативный ток с привода и защит ШСВ;

г) отключается АПВ шин (если оно предусмотрено);

д) проверяется на месте, включен ли ШСВ;

е) включаются шинные разъединители всех переводимых присоединений на ту систему шин, которая остается в работе, и проверяется положение разъединителей;

ж) отключаются шинные разъединители всех переводимых присоединений от освобождаемой системы шин; проверяется положение разъединителей;

з) переключается питание цепей напряжения защит, автоматики и измерительных приборов на трансформатор напряжения той системы шин, которая остается в работе, если питание не переключается автоматически;

и) подается оперативный ток на привод и защиты ШСВ;

к) убеждаются по амперметру в отсутствии нагрузки на ШСВ, и отключают его;

л) убеждаются по вольтметрам в отсутствии напряжения на освобожденной системе шин.

4.6. Перевод части (двух - трех) присоединений с одной системы шин на другую в электроустановках с фиксированным распределением присоединений допускается выполнять поочередно, по отдельным присоединениям. При этом перед каждой операцией отключения шинных разъединителей проверяется, включены ли шинные разъединители присоединения на другую систему шин. После выполнения операции включения или отключения шинных разъединителей проверяется их положение.

4.7. Переключение части присоединений с одной системы шин на другую без шиносоединительного выключателя при раздельной работе систем шин возможно только с предварительным отключением переключаемых присоединений. При переключениях генераторов производится их синхронизация. Синхронность напряжений проверяется при переключении присоединений, на которых после их отключения возможно появление несинхронных напряжений.

Последовательность операций и действий персонала при переключении присоединения с одной системы шин на другую без шиносоединительного выключателя:

а) проверяется допустимость режима, который установится после отключения присоединения для переключения его на другую систему шин;

б) отключается выключатель присоединения;

в) отключается АПВ шин;

г) проверяется на месте, отключен ли выключатель переключаемого присоединения;

д) отключается шинный разъединитель переключаемого присоединения; проверяется отключенное положение разъединителя;

е) включается шинный разъединитель переключаемого присоединения на ту систему шин, на которую оно переводится; проверяется включенное положение разъединителя;

ж) выполняются необходимые операции с устройствами релейной защиты, автоматики, измерительными приборами в соответствии с указаниями инструкции энергопредприятия;

з) производится синхронизация, если она требуется, и включается выключатель присоединения, проверяется по амперметру наличие нагрузки;

и) при необходимости отключаются и приводятся в соответствие со схемой первичных соединений защита шин и УРОВ, защита шин проверяется током нагрузки и включается в работу, включаются УРОВ и АПВ шин.

4.8. Последовательность операций и действий персонала при переводе части или всех присоединений с одной системы шин на другую без шиносоединительного выключателя в электроустановках, где часть присоединений имеет по два выключателя на цепь (рис. 6) и имеется присоединение с дистанционным управлением шинными разъединителями 1:

1 Присоединение, шинные разъединители которого оборудованы приводами с дистанционным управлением, в дальнейшем именуется базисным. Наиболее часто в качестве базисного присоединения используется присоединение обходного выключателя.

Рис. 6. Схема электроустановки 220 кВ с двумя раздельно работающими системами шин и частью присоединений с двумя выключателями на цепь перед выполнением операций по переводу присоединений с одной системы шин на другую

а) включаются вторые выключатели двух - трех присоединений, имеющих по два выключателя на цепь;

б) переводится защита шин в режим работы «с нарушением фиксации»;

в) отключается АПВ шин;

г) включаются дистанционно со щита управления шинные разъединители базисного присоединения на обе системы шин;

д) снимается оперативный ток с приводов шинных разъединителей I и II систем шин базисного присоединения; проверяется включенное положение шинных разъединителей на месте их установки;

е) включаются дистанционно или вручную разъединители переводимых присоединений на другую систему шин и проверяется включенное положение разъединителей;

ж) отключаются шинные разъединители переводимых присоединений от той системы шин, на которую они были включены до переключения; проверяется положение разъединителей;

з) проверяется наличие напряжения на устройствах релейной защиты и автоматики переведенных присоединений (или переключаются цепи напряжения на соответствующий трансформатор напряжения в случае их ручного переключения);

и) подается оперативный ток на приводы шинных разъединителей I и II систем шин базисного присоединения;

к) отключаются дистанционно со щита управления шинные разъединители обеих систем шин базисного присоединения;

л) отключаются согласно принятой фиксации вторые выключатели присоединений, имеющих по два выключателя на цепь;

м) отключаются УРОВ и защита шин, если новая фиксация присоединений по шинам предусматривается на длительное время;

н) переключаются токовые и оперативные цепи переведенных присоединений на соответствующие комплекты защиты шин (если с одной системы шин на другую переводилась часть присоединений), производится переключение цепей УРОВ. Проверяется защита шин током нагрузки и включается в работу по нормальной схеме. Включаются УРОВ и АПВ шин.

4.9. В электроустановках с одной секционированной и резервной системами шин перевод присоединений с одной секции шин на другую при замкнутой реакторной связи между секциями выполняется переключением присоединений с секции на резервную систему шин, которая затем соединяется с помощью ШСВ с другой секцией шин.

Последовательность операций и действий персонала при переводе линии Л1, питающейся от 1-й секции шин (рис. 7), на питание от 2-й секции шин:

а) убеждаются в отсутствии напряжения на резервной системе шин;

б) проверяется, включены ли защиты ШСВ 1-й секции с уставками согласно инструкции энергопредприятия;

в) включается ШСВ 1-й секции; проверяется по вольтметрам наличие напряжения на резервной системе шин;

г) вводится резервная система шин в зону действия ДЗШ 1-й секции;

д) снимается оперативный ток с привода и защит ШСВ 1-й секции;

е) проверяется на месте включенное положение ШСВ 1-й секции;

ж) включается шинный разъединитель переводимой линии Л1 на резервную систему шин; проверяется положение разъединителя;

з) отключается шинный разъединитель линии Л1 от 1-й секции шин; проверяется положение разъединителя;

и) переводятся цепи напряжения защит, автоматики и измерительных приборов линии Л1 на питание от трансформатора напряжения резервной системы шин;

к) включается ШСВ 2-й секции; проверяется по приборам наличие нагрузки на выключателе;

л) вводится резервная система шин в зону действия ДЗШ 2-й секции;

м) снимается оперативный ток с привода и защит ШСВ 2-й секции;

н) подается оперативный ток на привод и защиты ШСВ 1 -и секции;

о) отключается ШСВ 1-й секции; по приборам убеждаются в отсутствии на нем нагрузки;

Рис. 7. Схема электроустановки 10 кВ с включенной реакторной связью между секциями перед выполнением операций по переводу линии Л1 с 1-й секции шин на 2

п) отключается ДЗШ, выводится резервная система шин из зоны действия ДЗШ 1-й секции; переводятся цепи линии Л1 в комплект ДЗШ 2-й секции, ДЗШ проверяется под нагрузкой и включается в работу.

4.10. Последовательность операций и действий персонала при переводе всех присоединений с одной из секций шин (например, со 2-й секции шин) на резервную систему шин без шиносоединительного выключателя СВ 2-й секции находится в ремонте) с сохранением в работе межсекционной реакторной связи в схемах, имеющих секционный реактор с двумя развилками шинных разъединителей (рис. 8):

а) убеждаются в отсутствии напряжения на резервной системе шин;

Рис. 8. Схема электроустановки 10 кВ к началу выполнения операций по переводу всех присоединений со 2-й секции на резервную систему шин без шиносоединительного выключателя с сохранением в работе межсекционной реакторной связи

б) проверяется, включены ли защиты на ШСВ 1-й секции с уставками согласно инструкции энергопредприятия;

в) включается ШСВ 1-й секции (резервная система шин опробуется напряжением от 1-й секции шин);

г) отключается ШСВ 1-й секции; проверяется, что напряжение на резервной системе шин отсутствует;

д) включается шинный разъединитель секционного выключателя со стороны 2-й секции шин на резервную систему шин; проверяется включенное положение разъединителя;

е) включаются шинные разъединители всех работающих присоединений 2-й секции шин на резервную систему шин; проверяется положение разъединителей;

ж) отключаются шинные разъединители всех работающих присоединений от 2-й секции шин, кроме шинных разъединителей секционного выключателя, проверяется отключенное положение разъединителей;

з) переводятся цепи напряжения защит, автоматики и измерительных приборов, питающихся от трансформатора напряжения 2-й секции шин, на питание от трансформатора напряжения резервной системы шин;

и) отключается шинный разъединитель секционного выключателя от 2-й секции шин, проверяется отключенное положение разъединителя;

к) убеждаются по вольтметрам в отсутствии напряжения на 2-й секции шин.

4.11. Не допускается в схемах электроустановок, где секции шин нормально замкнуты через межсекционный реактор, шунтирование и расшунтирование межсекционного реактора развилками шинных разъединителей присоединений. Эти операции рассматриваются как операции, проводимые под нагрузкой.

5. ПЕРЕКЛЮЧЕНИЯ ПРИ ВЫВОДЕ ОБОРУДОВАНИЯ В РЕМОНТ И ПРИ ВВОДЕ ЕГО В РАБОТУ ПОСЛЕ РЕМОНТА

5.1. Последовательность операций и проверочных действий оперативного персонала при выводе в ремонт системы шин, находящейся в состоянии резерва (ШСВ отключен):

а) вывешивается на ключе управления ШСВ плакат «Не включать - работают люди»;

б) проверяется на месте, что ШСВ отключен, отключается его шинный разъединитель резервной системы шин; проверяется его отключенное положение.

При необходимости отключается шинный разъединитель рабочей системы шин ШСВ и проверяется его отключенное положение;

в) снимаются предохранители (или отключаются автоматические выключатели) со стороны низшего напряжения трансформатора напряжения резервной системы шин, запирается шкаф, где установлены предохранители (автоматические выключатели), и вывешивается плакат «Не включать - работают люди»;

г) отключается шинный разъединитель трансформатора напряжения резервной системы шин и проверяется положение разъединителя;

д) проверяется, отключены ли шинные разъединители всех присоединений от выводимой в ремонт системы шин, и запираются приводы разъединителей на замок. На приводах отключенных разъединителей вывешиваются плакаты «Не включать - работают люди»;

е) убеждаются в отсутствии напряжения на токоведущих частях, где должны быть наложены заземления. Включаются заземляющие ножи или накладываются переносные заземления там, где нет стационарных заземляющих ножей;

ж) выполняются другие технические мероприятия, обеспечивающие безопасное производство работ (установка ограждений, вывешивание соответствующих плакатов на рабочем месте).

5.2. Перед вводом в работу системы шин после ремонта оперативный персонал осматривает место работ, проверяет, в каком положении находятся (оставлены ремонтным персоналом) шинные разъединители присоединений после ремонта; убеждается в отсутствии людей, а также посторонних предметов на оборудовании.

Последовательность операций и действий персонала при вводе в работу системы шин:

а) отключаются заземляющие ножи и проверяется их отключенное положение (снимаются переносные заземления и размещаются в местах хранения);

б) проверяется сопротивление изоляции шин мегаомметром (если в этом есть необходимость);

в) снимаются замки с приводов шинных разъединителей, снимаются временные ограждения и плакаты, вывешенные на месте работ. Устанавливаются постоянные ограждения, если их снимали. Снимаются плакаты с ключей управления и приводов коммутационных аппаратов, вывешенные до начала работ;

г) включается разъединитель трансформатора напряжения вводимой в работу системы шин и устанавливаются предохранители (включаются автоматические выключатели) со стороны низшего напряжения;

д) проверяется отключенное положение ШСВ и включаются разъединители ШСВ;

е) проверяются уставки на защитах ШСВ и включаются защиты. Подается оперативный ток на привод ШСВ, если он был отключен;

ж) включаются ШСВ; проверяется, имеется ли напряжение на опробуемой системе шин;

з) восстанавливается нормальная схема электроустановки.

5.3. Последовательность операций и действий персонала при выводе в ремонт секции КРУ собственных нужд электростанции:

а) отключаются все рубильники и автоматические выключатели со стороны низшего напряжения трансформаторов, питающихся от выводимой в ремонт секции КРУ. Проверяется их положение. На рубильниках и автоматических выключателях вывешиваются плакаты «Не включать - работают люди»;

б) отключаются выключатели присоединений, питающихся от данной секции. На ключах управления вывешиваются плакаты «Не включать - работают люди»;

в) отключается АВР секции;

г) отключаются выключатели рабочего источника (трансформатора или линии), питающего секцию; на ключах управления выключателей вывешиваются плакаты «Не включать - работают люди»; проверяется, что отключено питание электромагнитов включения выключателей;

д) проверяется отключенное положение выключателей; перемещаются в ремонтное положение тележки выключателей всех присоединений, по которым возможна подача напряжения к месту работ (рабочего и резервного источников питания, секционного выключателя и др.);

е) перемещается в ремонтное положение тележка разъединителя присоединения секционного выключателя; на дверцах ячейки вывешивается плакат «Не включать - работают люди»;

ж) перемещается в ремонтное положение тележка трансформатора напряжения; на дверцах ячейки вывешивается плакат «Не включать - работают люди». При стационарном исполнении трансформатор напряжения отключается предохранителями (рубильниками, автоматическими выключателями) со стороны низшего напряжения и разъединителями со стороны высшего напряжения;

з) запираются на замок дверцы шкафов выключателей и автоматические шторки отсеков в шкафах присоединений рабочего и резервного источников питания, а также тех присоединений, в шкафах которых разъединяющие контакты могут оказаться под напряжением. На дверцах ячеек вывешиваются плакаты «Стой - напряжение».

Ключи от замков дежурный держит у себя и во время производства работ их не выдает.

Наложение заземлений, ограждение места работ и вывешивание плакатов производятся в зависимости от заданных условий работ в соответствии с требованиями правил безопасности.

5.4. Перед вводом в работу секции КРУ после ремонта оперативный персонал осматривает место работ, убеждается в отсутствии людей, а также посторонних предметов на оборудовании.

Последовательность операций и действий персонала при вводе в работу секции КРУ:

а) отключаются заземляющие ножи, снимаются переносные заземления и размещаются в местах хранения;

б) проверяется сопротивление изоляции шин мегаомметром, если это необходимо;

в) удаляются временные ограждения рабочих мест и плакаты. Устанавливается постоянное ограждение (если оно снималось). Снимаются плакаты с ячеек и ключей управления коммутационных аппаратов;

г) проверяется, что отключено питание электромагнитов включения выключателей;

д) при отключенном положении коммутационного аппарата перемещаются в рабочее положение:

тележка-разъединитель присоединения секционного выключателя;

тележка секционного выключателя;

тележки выключателей всех вводимых в работу присоединений и резервного источника питания;

е) перемещается в рабочее положение тележка трансформатора напряжения (или при стационарном исполнении включаются разъединители; устанавливаются предохранители со стороны низшего напряжения трансформатора напряжения).

В рабочем положении тележек проверяется правильность их фиксации в корпусах шкафов и надежность установки штепсельных разъемов цепей вторичной коммутации;

ж) снимаются плакаты с ключей управления выключателями; включается выключатель рабочего источника, питающего секцию; проверяется по приборам наличие напряжения на шинах секции;

з) включается АВР секции;

и) включаются выключатели присоединений, питающихся от данной секции шин.

5.5. Из-за недостаточной обозреваемости оборудования и разъемных контактных соединений в шкафах КРУ персонал при выполнении операций с аппаратами и подготовке рабочих мест контролирует работу блокировочных устройств КРУ. При обнаружении каких-либо неисправностей в работе блокировочных устройств он действует согласно п. 3.4.5 настоящей Инструкции.

Не допускается самовольное деблокирование аппаратов, отвинчивание съемных деталей шкафов, открывание автоматических шторок, закрывающих части установки, находящихся под напряжением.

5.6. Последовательность операций и действий персонала при выводе в ремонт трансформатора 6/0,4 кВ собственных нужд электростанции:

а) отключается защита минимального напряжения выводимого в ремонт трансформатора;

б) отключается АВР резервного трансформатора (резервного источника питания);

в) включаются выключатель 6 кВ и автоматические выключатели резервного источника питания секций собственных нужд 0,4 кВ; проверяется по приборам наличие нагрузки на резервном источнике питания;

г) отключаются автоматические выключатели 0,4 кВ выводимого в ремонт трансформатора; вывешиваются плакаты «Не включать - работают люди»;

д) отключаются выключатель на стороне 6 кВ трансформатора; на ключе управления вывешивается плакат «Не включать - работают люди»;

е) проверяется положение автоматических выключателей 0,4 кВ трансформатора, отключаются рубильники; их приводы запираются на замок; вывешиваются плакаты «Не включать - работают люди»;

ж) проверяется положение выключателя 6 кВ трансформатора; тележка выключателя перемещается в ремонтное положение; запираются на замок дверцы шкафа; вывешивается плакат «Не включать - работают люди»;

з) убеждаются в отсутствии напряжения; устанавливаются заземления на выводах трансформатора со стороны высшего и низшего напряжений; ограждается рабочее место; вывешиваются плакаты в соответствии с требованиями правил безопасности.

5.7. Включение в работу после ремонта трансформатора напряжением 6/0,4 кВ собственных нужд электростанции производится по окончании работ и осмотра персоналом места работ.

Последовательность операций и действий персонала при вводе в работу трансформатора:

а) снимаются все установленные на присоединении трансформатора заземления, переносные заземления размещаются в местах хранения;

б) удаляются временные ограждения и плакаты; устанавливаются постоянные ограждения; снимаются плакаты с приводов и ключей управления коммутационных аппаратов;

в) проверяется отключенное положение выключателя трансформатора со стороны 6 кВ; тележка выключателя перемещается в рабочее положение.

В рабочем положении тележки проверяется правильность ее фиксации в корпусе шкафа и надежность установки штепсельных разъемов цепей вторичной коммутации;

г) проверяется отключенное положение автоматических выключателей 0,4 кВ; включаются рубильники, проверяется их положение;

д) включается выключатель 6 кВ трансформатора;

е) включаются автоматические выключатели 0,4 кВ трансформатора;

ж) проверяется по приборам наличие нагрузки на трансформаторе;

з) отключаются автоматические выключатели и выключатель резервного источника питания;

и) включается АВР резервного источника питания;

к) включается защита минимального напряжения трансформатора.

5.8. Последовательность операций и действий персонала при выводе в ремонт трансформатора (например, Т1) на двухтрансформаторной подстанции (рис. 9):

а) уточняется допустимое значение нагрузки на остающемся в работе трансформаторе Т2, если трансформатор Т1 будет отключен;

б) переводится питание собственных нужд подстанции с трансформатора ТСН1 на трансформатор ТСН2 (отключается автоматический выключатель АВ1, при этом включается автоматический выключатель АВ1-2);

в) отключается рубильник РБ1 трансформатора ТСН1, запирается на замок рукоятка рубильника, вывешивается плакат «Не включать - работают люди»;

г) проверяется, нет ли замыкания фазы на землю в сети 35 кВ, отключается разъединитель Р1 ДГР; включается разъединитель Р2 ДГР;

д) переключаются АРКТ трансформаторов Т1 и Т2 с автоматического на дистанционное управление;

е) дистанционно переводится РПН трансформатора Т1 в положение, одинаковое с положением РПН трансформатора Т2;

ж) отключается АВР СВ 10 кВ; включается этот выключатель, проверяется наличие на нем нагрузки;

з) включается СВ 35 кВ; проверяется наличие на нем нагрузки;

и) отключаются выключатели В1 и В3 трансформатора Т1, на ключах управления вывешиваются плакаты «Не включать - работают люди»;

Рис. 9. Схема двухтрансформаторной подстанции 220 кВ с выключателем в перемычке и отделителями в цепях трансформаторов и нормальном режиме работы

к) проверяется значение нагрузки на трансформаторе Т2;

л) переключается АРКТ трансформатора Т2 с дистанционного на автоматическое управление;

м) дистанционно переводится РПН трансформатора Т1 в положение, соответствующее режиму его номинального возбуждения;

н) проверяется, отключен ли выключатель В3 трансформатора Т1;

о) включается заземляющий разъединитель в нейтрали трансформатора Т1;

п) отключаются (дистанционно) отделители ОД1 трансформатора Т1, проверяется полнофазность отключения ножей отделителя, запирается на замок привод отделителя; на приводе вывешивается плакат «Не включать - работают люди»;

р) проверяется, отключен ли выключатель В1 трансформатора Т1, перемещается тележка выключателя В1 в ремонтное положение, вывешивается плакат «Не включать - работают люди»;

с) отключаются газовые и технологические защиты трансформатора Т1;

т) отключается при отключенном выключателе В3 трансформаторный разъединитель РТ1, проверяется отключенное положение разъединителя, запирается на замок привод разъединителя; на привод вывешивается плакат «Не включать - работают люди»;

у) убеждаются перед наложением заземлений на присоединении трансформатора Т1 в отсутствии напряжения на токоведущих частях; в зависимости от характера работ накладываются заземления со стороны высшего, среднего и низшего напряжений трансформатора Т1, а также на выводах трансформатора ТСН1.

Ограждение места работ и вывешивание плакатов производятся в соответствии с требованиями правил безопасности.

5.9. Последовательность операций и действий персонала при вводе в работу после ремонта трансформатора Т1 на двухтрансформаторной подстанции (см. рис. 9):

а) производится осмотр места работ, проверяется, нет ли посторонних предметов на оборудовании;

б) снимаются все установленные на присоединениях трансформаторов Т1 и ТСН1 переносные заземления и размещаются в местах хранения;

в) удаляются временные ограждения и плакаты, вывешенные на месте работ; снимаются плакаты с приводов и ключей управления коммутационных аппаратов трансформаторов Т1 и ТСН1;

г) проверяется:

отключен ли короткозамыкатель КЗ1;

включен ли разъединитель в нейтрали трансформатора Т1;

находится ли РПН трансформатора Т1 в положении, соответствующем режиму номинального возбуждения;

переведен ли АРКТ трансформатора Т1 на дистанционное управление;

д) перемещается тележка выключателя В1 в контрольное положение; устанавливаются штепсельные разъемы цепей вторичной коммутации;

е) включаются газовая и технологические защиты трансформатора Т1;

ж) включается отделитель ОД1 трансформатора Т1; проверяется его полнофазное включение;

з) отключается заземляющий разъединитель в нейтрали трансформатора Т1;

и) проверяется, отключен ли выключатель В3, и включается трансформаторный разъединитель РТ1 трансформатора Т1, проверяется отключенное положение разъединителя;

к) проверяется, отключен ли выключатель В1, и вкатывается тележка с выключателем в рабочее положение;

л) переключается АРКТ работающего трансформатора Т2 с автоматического на дистанционное управление;

м) дистанционно переводится РПН трансформатора Т1 в положение, одинаковое с положением РПН трансформа гора Т2;

н) включаются выключатели В3 и В1 трансформатора Т1; провернется нагрузка;

о) отключаемся СВ 35 кВ;

п) отключается СВ 10 кВ; включается АВР СВ 10 кВ;

р) переключаются АРКТ трансформаторов Т1 и Т2 с дистанционного на автоматическое управление;

с) включается рубильник РБ1 трансформатора ТСН1, восстанавливается нормальная схема питания собственных нужд подстанции;

т) проверяется, нет ли замыкания фазы на землю в сети 35 кВ, отключается разъединитель Р2 ДГР; включается разъединитель Р1 ДГР.

5.10. Последовательность операций и действий персонала 1 при выводе в ремонт линии электропередачи Л1 при полуторной схеме электрических соединений с воздушными выключателями (рис. 10):

1 Все действия оперативного персонала обоих концов линии координируются диспетчером и выполняются по его распоряжению.

а) проверяется, допустимо ли отключение по нагрузке и схеме РУ линии Л1; выполняются необходимые режимные мероприятия, в том числе операции с устройствами противоаварийной системной автоматики, переводятся цепи напряжения линии с выключателями В50, В51 с трансформатора напряжения НКФ51 на трансформатор напряжения НКФ52;

Рис. 10. Часть схемы электроустановки 500 кВ к началу выполнения операций по выводу в ремонт оборудования присоединений, включенных по полуторной схеме:

РШ - разъединитель шинный; РЛ - разъединитель линейный

б) отключаются выключатели В50 и В51, снимается оперативный ток; убеждаются в отсутствии нагрузки на линии;

в) вывешиваются на ключах управления выключателей плакаты «Не включать - работают люди»;

г) проверяется на месте отключенное положение выключателей В50 и В51;

д) отключается линейный разъединитель РВЛ1; проверяется его отключенное положение; запирается на замок привод разъединителя; снимаются предохранители (отключаются автоматические выключатели) в цепях управления привода разъединителя РВЛ1; отключаются силовые цепи привода указанного разъединителя;

е) снимаются предохранители (отключаются рубильники, автоматические выключатели) со стороны обмоток низшего напряжения трансформатора напряжения НКФ51;

ж) запрашивается разрешение диспетчера на включение заземляющих ножей разъединителя РВЛ1 в сторону линии, проверяется отсутствие напряжения на линии Л1, включаются заземляющие ножи у разъединителей РВЛ1 в сторону линии; проверяется их включенное положение;

з) вывешивается на приводе разъединителя РВЛ1 плакат «Не включать - работают люди»;

и) снимаются плакаты «Не включать - работают люди» с ключей управления; включаются выключатели В51 и В50, проверяется по приборам ток нагрузки.

5.11. Последовательность операций и действий персонала при вводе в работу после ремонта линии электропередачи Л1 (см. рис. 10):

а) проверяется, допустимо ли проведение операций по включению линии Л1, выполняются необходимые режимные мероприятия, в том числе операции с устройствами противоаварийной системной автоматики;

б) отключаются с разрешения диспетчера заземляющие ножи разъединителя РВЛ1 со стороны линии Л1; проверяется их отключенное положение;

в) устанавливаются предохранители (включаются рубильники, автоматические выключатели) со стороны обмоток низшего напряжения трансформатора напряжения НКФ51;

г) отключаются выключатели В50 и В51; убеждаются в отсутствии тока нагрузки;

д) вывешиваются на ключах управления выключателей плакаты «Не включать - работают люди»;

е) проверяется на месте отключенное положение выключателей В50 и В51;

ж) снимается плакат «Не включать - работают люди» с привода разъединителя РВЛ1;

з) снимается замок с привода разъединителя РВЛ1, устанавливаются предохранители (включаются автоматические выключатели) в оперативных цепях привода разъединителя; подается напряжение на силовые цепи привода разъединителя; включается разъединитель РВЛ1 и проверяется его включенное положение;

и) снимаются плакаты «Не включать - работают люди» с ключей управления; включаются выключатели В51 и В50, проверяется ток нагрузки;

к) выполняются необходимые режимные мероприятия, в том числе с устройствами системной автоматики, предусмотренные диспетчерскими программами переключений.

5.12. Последовательность операций и действий персонала при выводе в ремонт автотрансформатора АТ2 при полуторной схеме электрических соединений с воздушными выключателями и электромагнитными ТН (см. рис. 10):

а) проверяется допустимость отключения автотрансформатора АТ2 по нагрузке и схеме РУ;

б) отключаются выключатели обмоток низшего и среднего напряжений автотрансформатора АТ2; убеждаются в отсутствии тока нагрузки;

в) отключаются выключатели В50 и В52; убеждаются в отсутствии тока нагрузки;

г) вывешиваются на ключах управления выключателей плакаты «Не включать - работают люди»;

д) проверяется на месте отключенное положение выключателей низшего и среднего напряжений; отключаются разъединители со стороны низшего и среднего напряжений автотрансформатора АТ2; на приводах разъединителей вывешиваются плакаты «Не включать - работают люди»;

е) проверяется на месте, отключены ли выключатели В50 и В52;

ж) отключаются разъединители РТ50 и РТ52; проверяется их отключенное положение;

з) отключается разъединитель РВАТ2; проверяется его отключенное положение, запирается на замок привод разъединителя; снимаются предохранители (отключаются автоматические выключатели) в оперативных цепях привода разъединителя РВАТ2; отключаются силовые цепи привода разъединителя; на приводе разъединителя вывешивается плакат «Не включать - работают люди»;

и) убеждаются в отсутствии напряжения на токоведущих частях; включаются заземляющие ножи разъединителя РВАТ2 в сторону автотрансформатора АТ2, проверяется их включенное положение;

к) снимаются плакаты «Не включать - работают люди» с ключа управления выключателя В52, деблокируются 1 разъединитель РТ52 с выключателем В52;

1 Если в РУ установлены выключатели без конденсаторов, туширующих контактные разрывы (масляные, элегазовые и др.), то при подключенных к узлам схемы трансформаторах напряжения серии НКФ деблокирование разъединителей с выключателями не требуется, оперативные действия выполняются в обычной последовательности.

л) включается выключатель В52; проверяется его включенное положение на месте;

м) включается разъединитель РТ52; проверяется его включенное положение;

н) восстанавливается блокировка разъединителя РТ52 с выключателем В52;

о) проверяется отключенное положение выключателя В50, включается разъединитель РТ50; проверяется его включенное положение;

п) снимается плакат «Не включать - работают люди» с ключа управления; включается выключатель В50; проверяется ток нагрузки выключателей В50 и В52.

Все последующие оперативные действия по завершению вывода в ремонт автотрансформатора АТ2 выполняются обычным порядком в зависимости от характера намечаемых работ и в соответствии с требованиями правил безопасности.

5.13. Последовательность операций и действий персонала при вводе в работу после ремонта автотрансформатора АТ2 при подключенном к узлу схемы трансформаторе напряжения серии НКФ (см. рис. 10):

а) производится осмотр места работ, проверяется, нет ли посторонних предметов на оборудовании;

б) отключаются заземляющие ножи, снимаются все переносные заземления с присоединения автотрансформатора АТ2 и размещаются в местах хранения; удаляются временные ограждения и плакаты на месте работ;

в) отключается выключатель В50; убеждаются в отсутствии тока нагрузки; на ключе управления вывешивается плакат «Не включать - работают люди»;

г) проверяется отключенное положение выключателя В50; отключается разъединитель РТ50, проверяется отключенное положение разъединителя;

д) деблокируется разъединитель РТ52 с выключателем В52, отключается разъединитель РТ52; проверяется его отключенное положение;

е) отключается выключатель В52, на ключе управления вывешивается плакат «Не включать - работают люди»;

ж) восстанавливается блокировка разъединителя РТ52 с выключателем В52;

з) проверяется на месте отключенное положение выключателей низшего и среднего напряжений, снимаются плакаты «Не включать - работают люди» с приводов разъединителей; включаются разъединители со стороны низшего и среднего напряжений автотрансформатора АТ2;

и) отпирается привод разъединителя РВАТ2, устанавливаются предохранители (включаются автоматические выключатели) в оперативных цепях привода разъединителя; подается напряжение на силовые цепи привода разъединителя; снимаются плакаты «Не включать - работают люди»; включается разъединитель РВАТ2, проверяется включенное положение разъединителя;

к) проверяется отключенное положение выключателей В50 и В52, включаются разъединители РТ50 и РТ52, проверяется включенное положение разъединителей;

л) снимаются плакаты «Не включать - работают люди» с ключей управления; включаются выключатели В52 и В50, проверяется нагрузка на выключателях;

м) снимаются плакаты с ключей управления выключателей; включаются выключатели среднего и низшего напряжений автотрансформатора АТ2, проверяется нагрузка на выключателях.

6. СПОСОБЫ ВЫВОДА В РЕМОНТ И ВВОДА В РАБОТУ ПОСЛЕ РЕМОНТА ВЫКЛЮЧАТЕЛЕЙ

6.1. Вывод в ремонт выключателей присоединений в зависимости от схемы электроустановки может быть осуществлен:

а) при любой схеме электроустановки с одним выключателем на цепь - отключением присоединения на все время ремонта выключателя, если это допустимо по режиму работы электроустановки и сети;

б) при схеме с двумя системами шин и одним выключателем на цепь - заменой выключателя присоединения шиносоединительным выключателем;

в) при схеме с двумя рабочими и обходной системой шин с одним выключателем на цепь - заменой выключателя присоединения обходным выключателем;

г) при схеме с двумя выключателями на цепь, многоугольника и полуторной - отключением выводимого в ремонт выключателя присоединения и выводом его из схемы с помощью разъединителей;

д) при схеме мостика с выключателем и ремонтной перемычкой на разъединителях для ремонта секционного выключателя - включением в работу перемычки, содержащей разъединители, и выводом из схемы секционного выключателя с помощью разъединителей в его цепи.

6.2. При каждом способе вывода в ремонт выключателей последовательность выполнения переключений в главной схеме и в схемах релейной защиты и автоматики определяется инструкциями энергопредприятий.

6.3. Основные группы операций при замене выключателя присоединения шиносоединительным выключателем (рис. 11):

а) подготавливается схема первичных соединений к переключению: включаются защиты ШСВ с уставками согласно инструкции энергопредприятия, включается ШСВ; присоединения, кроме присоединения, выключатель которого выводится в ремонт, переводятся на одну, например, на вторую систему шин; ШСВ остается включенным;

б) выводится из зоны действий ДЗШ система шин, на которую осталось включенным присоединение с выводимым в ремонт выключателем; поочередно выводятся из работы и переключаются устройства релейной защиты и автоматики с трансформаторов тока выводимого в ремонт выключателя на трансформаторы тока ШСВ; защиты проверяются током нагрузки и включаются в работу.

Примечание. Перевод защит с трансформаторов тока выводимого в ремонт выключателя на трансформаторы тока ШСВ не обязателен, если защиты ШСВ могут обеспечить полноценную защиту присоединения. При этом вносятся изменения лишь в схему защиты шин и защиты проверяются током нагрузки;

в) отключаются и заземляются в соответствии с требованиями правил безопасности присоединение и выводимый в ремонт выключатель; отсоединяются соединяющие шины от выводимого в ремонт выключателя (иногда и от линейных разъединителей присоединения); устанавливаются вместо выведенного из схемы выключателя специальные перемычки из провода соответствующего сечения;

Рис. 11. Схема замены выключателя присоединения шиносоединительным выключателем

г) переключается на ШСВ действие защит присоединения по цепям оперативного тока; опробуются защиты на отключение ШСВ;

д) проверяется внешним осмотром правильность установки перемычек (на совпадение фаз); включаются шинные разъединители присоединения (если линейные разъединители выведены из схемы) на первую систему шин; вводится в работу присоединение включением ШСВ.

6.4. При работе присоединения по схеме рис. 11 не допускаются переводы присоединений с одной системы шин на другую без соответствующих переключений в токовых цепях защит.

6.5. Основные операции при вводе в работу после ремонта выключателя присоединения, включенного в работу с помощью ШСВ (см. рис. 11):

а) отключается и заземляется в соответствии с требованиями правил безопасности присоединение, выключатель которого вводится в работу; снимаются перемычки, установленные вместо выключателя, а вводимый из ремонта выключатель (и линейный разъединитель) присоединяется по обычной схеме;

б) переключается действие защит присоединения по цепям оперативного тока на выключатель, вводимый из ремонта, и опробуются защиты на отключение выключателя;

в) проверяется внешним осмотром на месте работ правильность присоединения ошиновки к коммутационным аппаратам (на совпадение фаз); снимаются переносные заземления, включаются шинные и линейные разъединители на первую систему шин; вводится присоединение в работу включением последовательно двух выключателей (вышедшего из ремонта и шиносоединительного);

г) поочередно выводятся из работы и переключаются устройства релейной защиты и автоматики с трансформаторов тока ШСВ на трансформаторы тока выключателя, вышедшего из ремонта, защиты проверяются током нагрузки и включаются в работу;

д) восстанавливается нормальная схема первичных соединений с распределением присоединений по шинам согласно принятой фиксации, защита шин переводится в режим работы с фиксацией присоединений.

6.6. Основные операции при выводе в ремонт выключателя присоединения и замене его обходным выключателем (рис. 12):

а) готовится схема обходного выключателя для опробования напряжением обходной системы шин от рабочей системы шин, на которую включено присоединение с выводимым в ремонт выключателем;

б) включается обходной выключатель с уставками «опробования» на его защитах, с введенной защитой шин, включенной по оперативным цепям на отключение обходного выключателя, и включенным пуском УРОВ от защит; проверяется наличие напряжения на обходной системе шин;

Рис. 12. Схема замены выключателя присоединения обходным выключателем

в) отключается обходной выключатель. Проверяется отключенное положение обходного выключателя и включается на обходную систему шин разъединитель присоединения, выключатель которого выводится в ремонт;

г) вводятся с помощью испытательных блоков в схему защиты шин цепи трансформаторов тока обходного выключателя как выключателя присоединения; на защитах обходного выключателя выставляются уставки, соответствующие уставкам защит данного присоединения; отключаются быстродействующие защиты (ДФЗ, ДЗЛ и др.) со всех сторон защищаемого присоединения;

д) включается обходной выключатель; проверяется ток нагрузки, отключается выводимый в ремонт выключатель присоединения; убеждаются в отсутствии тока нагрузки;

е) отключается защита шин, выполняются необходимые переключения в ее цепях, защита проверяется током нагрузки и включается в работу;

ж) переключаются токовые цепи быстродействующих защит присоединения на трансформаторы тока обходного выключателя и оперативные цепи с действием на обходной выключатель; проверяются защиты током нагрузки, включаются защиты в работу и опробуются на отключение обходного выключателя с включением его от АПВ;

з) отключаются разъединители с обеих сторон выводимого в ремонт выключателя, проверяется отсутствие на нем напряжения и включаются заземляющие ножи в сторону выключателя.

6.7. Основные группы операций при вводе в работу после ремонта выключателя присоединения, выведенного в ремонт с помощью обходного выключателя (см. рис. 12):

а) отключаются заземляющие ножи с обеих сторон вводимого в работу выключателя;

б) подключаются к трансформаторам тока вводимого в работу выключателя резервные защиты (либо специальные, временно включаемые защиты), соответствующим образом настроенные, и включаются на отключение выключателя;

в) опробуется напряжением вводимый в работу выключатель 1 при отключенных шинных разъединителях;

1 Операции опробования выключателя напряжением производятся, если в этом есть необходимость.

г) отключаются быстродействующие защиты (ДФЗ, ДЗЛ и др.) со всех сторон защищаемого присоединения;

д) подключаются с помощью испытательных блоков к схеме защиты шин цепи трансформаторов тока вводимого в работу выключателя;

е) проверяется отключенное положение вводимого в работу выключателя, включаются его шинные разъединители на соответствующую систему шин (и линейный разъединитель, если он был отключен);

ж) включается вводимый в работу выключатель; проверяется наличие нагрузки; отключается обходной выключатель; проверяется отсутствие нагрузки;

з) отключается защита шин; выполняются необходимые переключения в ее цепях, защита проверяется током нагрузки и включается в работу;

и) переключаются по токовым цепям быстродействующие защиты присоединения на трансформаторы тока введенного в работу выключателя с действием по оперативным цепям на этот выключатель. Защиты проверяются током нагрузки, включается в работу и опробуется на отключение выключатель с включением его от АПВ. Проверяются током нагрузки резервные защиты присоединения и включаются в работу; отключаются временные защиты, если их включали;

к) проверяется отключенное положение обходного выключателя; отключается разъединитель присоединения от обходной системы шин (приводится в соответствие с нормальной схемой).

6.8. Основные группы операций при выводе в ремонт выключателя в схеме с двумя рабочими системами шин и двумя выключателями на цепь (рис. 13):

а) отключается выводимый в ремонт выключатель присоединения; убеждаются в отсутствии тока нагрузки;

б) проверяется на месте отключенное положение выводимого в ремонт выключателя; отключаются с обеих сторон его разъединители, проверяется отключенное положение разъединителей;

в) отключается защита шин, выводятся из ее схемы цепи трансформаторов тока выводимого в ремонт выключателя, защита шин проверяется током нагрузки и включается в работу;

г) поочередно отключаются защиты присоединения, отключаются их токовые цепи от трансформаторов тока выводимого в ремонт выключателя, отключаются оперативные цепи защит и автоматики от привода выводимого в ремонт выключателя при сохранении их действия на парный выключатель, остающийся в работе; защиты проверяются током нагрузки и включаются в работу, включаются в работу устройства автоматики. Переключения в цепях РЗА производятся с помощью испытательных блоков и накладок;

д) убеждаются по схеме в отсутствии напряжения; включаются заземляющие ножи в сторону выведенного в ремонт выключателя.

Рис. 13. Схема электроустановки с двумя рабочими системами шин и двумя выключателями на цепь после вывода в ремонт выключателя присоединения

6.9. Основные группы операций при вводе в работу после ремонта выключателя присоединения в схеме с двумя рабочими системами шин и двумя выключателями на цепь (см. рис. 13):

а) отключаются заземляющие ножи с обеих сторон вводимого в работу выключателя;

б) опробуется подачей напряжения вводимый в работу выключатель при отключенном шинном разъединителе;

в) подключаются токовые и оперативные цепи резервных защит соответственно к трансформаторам тока и приводу вводимого в работу выключателя; проверяется наличие тока в цепях резервных защит; к схеме защиты шин подключаются цепи от трансформаторов тока вводимого в работу выключателя. Перечисленные защиты включаются в работу;

г) проверяется отключенное положение выключателя; включаются его шинный и линейный разъединители;

д) включается выключатель; проверяется наличие нагрузки;

е) поочередно отключается защита шин, основные и резервные защиты присоединения, выполняются необходимые переключения в их схемах; проверяются защиты током нагрузки. Защиты включаются в работу. Включаются в работу устройства автоматики.

6.10. Основные группы операций при выводе в ремонт выключателя в схеме с тремя выключателями на два присоединения (см. рис. 10) и в схеме четырехугольника (рис. 14):

а) отключается выводимый в ремонт выключатель; убеждаются в отсутствии нагрузки;

б) проверяется на месте отключенное положение выводимого в ремонт выключателя; отключаются с обеих сторон разъединители;

в) поочередно отключаются устройства релейной защиты и автоматики, токовые цепи которых подключены к трансформаторам тока выводимого в ремонт выключателя, отключаются испытательными блоками токовые цепи защит и автоматики от этих, трансформаторов тока; проверяются защиты током нагрузки и включаются в работу с действием на оставшиеся в работе смежные выключатели; включаются в работу устройства автоматики; При этом исключаются ложные воздействия на устройства РЗА, оставшиеся в работе;

Рис. 14. Распределительное устройство 330 кВ, выполненное по схеме четырехугольника, в нормальном режиме работы

г) убеждаются по схеме в отсутствии напряжения на выводимом в ремонт выключателе; включаются заземляющие ножи в сторону выключателя.

6.11. Основные группы операций при вводе в работу после ремонта выключателя в схеме с тремя выключателями на два присоединения и в схеме четырехугольника (вторичные цепи трансформаторов тока, исключенных из схемы вместе с выведенным в ремонт выключателем, отключены от цепей защит и закорочены испытательными блоками) - см. рис. 10 и 14:

а) отключаются заземляющие ножи с обеих сторон вводимого в работу выключателя (например, выключателя В31 в схеме четырехугольника (см. рис. 14));

б) присоединяются защиты подставного щитка к трансформаторам тока ТТ31.

Защиты настраиваются и проверяются от постороннего источника тока. Действие защит проверяется на отключение выключателя В31;

в) опробуется напряжением вводимый в работу выключатель путем дистанционного включения разъединителя РЛ31;

г) проверяется на месте отключенное положение выключателя В31; включается разъединитель ШР31;

д) отключается пуск УРОВ, быстродействующие защиты и АПВ линии Л1, подключаются их токовые цепи к трансформаторам тока ТТ31, проверяются защиты током нагрузки;

е) включается вводимый в работу выключатель В31; отключается находящийся с ним в одной цепи выключатель В32;

ж) поочередно отключаются устройства релейной защиты и автоматики, токовые цепи которых подключаются к трансформаторам тока ТТ31, с помощью испытательных блоков они подключаются к указанным трансформаторам тока, проверяются током нагрузки и включаются в работу.

Проверяются рабочим током быстродействующие защиты линии Л1, включаются в работу защиты и пуск УРОВ.

Выводятся из работы защиты, смонтированные на подставном щитке;

з) включается выключатель В32;

и) проверяются с помощью прибора ВАФ значения и направления токов в токовых цепях защит;

к) включается АПВ с действием на выключатель В31.

6.12. Основные группы операций при выводе в ремонт секционного выключателя в схеме мостика при наличии ремонтной перемычки на разъединителях (рис. 15):

а) включается ускорение резервных защит линий Л1 и Л2 (с обеих сторон) и автотрансформаторов АТ1 и АТ2; отключаются защиты линий и автотрансформаторов, действующие без выдержки времени;

б) переключаются токовые цепи защит линий и автотрансформаторов с трансформаторов тока, установленных в цепи секционного выключателя, на трансформаторы тока ремонтной перемычки;

в) отключаются автоматические выключатели (снимаются предохранители) оперативного тока секционного выключателя;

г) проверяется на месте включенное положение секционного выключателя; включаются разъединители ремонтном перемычки, проверяется их включенное положение;

д) включаются автоматические выключатели (устанавливаются предохранители) оперативного тока секционного выключателя; отключается секционный выключатель; убеждаются в отсутствии тока нагрузки;

е) проверяются током нагрузки защиты линий Л1 и Л2 и автотрансформаторов АТ1 и АТ2, действующие без выдержки времени, и вводятся в работу. Выводятся из действия ускорения резервных защит линий и автотрансформаторов;

ж) проверяется на месте отключенное положение секционного выключателя; отключаются разъединители с обеих его сторон;

Рис. 15. Подстанция 220 кВ по схеме мостика с секционным выключателем в перемычке и ремонтной перемычкой на разъединителях:

РЛ - разъединитель линейный

з) убеждаются в отсутствии напряжения; включаются заземляющие ножи в сторону секционного выключателя; на приводах разъединителей РП1, РП2 вывешиваются плакаты «Не включать - работают люди».

6.13. Основные группы операций при вводе в работу после ремонта секционного выключателя в схеме мостика с ремонтной перемычкой на разъединителях (см. рис. 15):

а) отключаются заземляющие ножи с обеих сторон вводимого в работу секционного выключателя; с приводов разъединителей РП1, РП2 секционного выключателя снимаются плакаты «Не включать - работают люди»;

б) опробуется напряжением секционный выключатель (если в этом есть необходимость). Для этого отключается одна из линий, например, линия Л2 с обеих сторон: выключателем В2 и выключателем удаленного конца линии. С приводов выключателей линии Л2 снимается оперативный ток (отключаются автоматические выключатели или снимаются предохранители). Убеждаются в отсутствии напряжения на линии Л2; включаются разъединитель РП2 и СВ. Перед подачей напряжения на выключатель включается ускорение резервных защит линии Л2. Напряжение на секционный выключатель подается включением выключателя удаленного конца линии Л2. После осмотра секционный выключатель отключается; с его привода снимается оперативный ток. Включается разъединитель РП1, отключаются защиты линий и автотрансформаторов, действующие без выдержки времени;

в) переключаются токовые цепи защит линий Л1, Л2 и трансформаторов Т1, Т2 с трансформаторов тока, установленных в ремонтной перемычке, на трансформаторы тока секционного выключателя;

Рис. 16. Часть схемы электроустановки 220 кВ с выключателем совмещенного исполнения (шиносоединительного и обходного), используемого в обычном режиме в качестве шиносоединительного выключателя

г) вводятся в работу защиты линий Л1, Л2 и трансформаторов Т1, Т2, действующие без выдержки времени, и приводятся ускорения резервных защит в нормальный режим;

д) включаются выключатели СВ и В2; проверяется наличие тока нагрузки;

е) проверяется включенное положение СВ; отключаются разъединители РР1 и РР2.

6.14. Основные группы операций при переводе выключателя совмещенного исполнения (шиносоединительного и обходного), используемого обычно в качестве шиносоединительного выключателя, в режим обходного выключателя (рис. 16):

а) проверяется наличие тока нагрузки на ШСВ, ШСВ отключается. Проверяется на месте отключенное положение ШСВ; отключаются его шинный разъединитель от I системы шин и дополнительный шинный разъединитель ДШР от II системы шин;

б) включаются защиты ШСВ (с уставками «опробования»), проверяется, отключен ли УРОВ защитами ШСВ, включается АПВ ШСВ; опробуется ШСВ на отключение защитами и включение устройством АПВ;

в) отключаются АПВ ШСВ, отключается ШСВ. Проверяется на месте отключенное положение ШСВ; включаются его шинный разъединитель на соответствующую рабочую систему шин и шинный разъединитель на обходную систему шин;

г) отключаются УРОВ и защита шин. В соответствии с инструкцией энергопредприятия с помощью испытательных блоков переключаются токовые и оперативные цепи защиты шин таким образом, чтобы обходная система шин входила в зону действия защиты шин при ее опробовании напряжением. Включаются защита шин и УРОВ;

д) включается пуск УРОВ защитами ШСВ. Включается ШСВ; проверяется наличие напряжения на обходной системе шин. Отключается ШСВ.

7. ПЕРЕКЛЮЧЕНИЯ В РАСПРЕДЕЛИТЕЛЬНЫХ ЭЛЕКТРОСЕТЯХ

7.1. Особенности выполнения переключений

7.1.1. Переключения в распределительных электросетях напряжением до 35 кВ включительно выполняются по распоряжению диспетчера, в оперативном управлении которого находится оборудование этих электросетей.

При отсутствии диспетчеризации допускается производство переключений по распоряжению административно-технического персонала, выполняющего в этом случае функции диспетчера (см. п. 1.20).

7.1.2. Соблюдается следующий порядок выдачи и получения распоряжений на выполнение переключений:

а) диспетчер, отдавая распоряжение о переключении, записывает его в оперативный журнал;

б) получающий распоряжение повторяет его, получает подтверждение диспетчера и том, что распоряжение понято правильно, и только после этого приступает к выполнению распоряжения.

7.1.3. Распоряжение о переключении отдается, как правило, непосредственно перед началом переключений. При отсутствии прямой связи диспетчера с ОВБ или трудности ее установления допускается выдача распоряжения о переключении перед выездом ОВБ на переключения.

7.1.4. Диспетчер ГЭС, отдавая распоряжение о переключении, предварительно проверяет по оперативной схеме (схеме-макету) допустимость переключений и устанавливает четкую последовательность выполнения операций и действий персонала.

Персонал ОВБ и оперативно-ремонтный персонал при получении распоряжения диспетчера о переключении по однолинейной (оперативной) схеме участка сети имеет при себе отмеченные положения коммутационных аппаратов к моменту получения распоряжения.

7.1.5. Распоряжение на вывод оборудования в ремонт выдается отдельно от разрешения (распоряжения) на подготовку рабочего места и допуск к работе.

7.1.6. Все оперативные переговоры по отключению оборудования в ремонт, подготовке рабочих мест и допуску, а также включению оборудования в работу по окончании ремонтных работ записываются диспетчером в оперативный журнал или на магнитную пленку с указанием времени.

7.1.7. Переключения в распределительных электросетях напряжением 0,4 кВ выполняются, как правило, по распоряжению диспетчера. Приказом (распоряжением) по предприятию в зависимости от местных условий может быть установлен другой порядок выдачи распоряжений на производство переключений.

7.1.8. На подстанциях 35 - 110 кВ, оборудование которых находится в оперативном управлении диспетчера ПЭС, допускается выполнение плановых отключений и включений отдельных линий, питающих распределительные электросети, персоналом ОВБ ГЭС. Указанные переключения персонал ОВБ РЭС выполняет по распоряжению диспетчера ПЭС.

7.1.9. При переключениях диспетчеры ПЭС и РЭС предварительно согласовывают последовательность выполнения операций по отключению и включению линий, отходящих от подстанций 35 - 110 кВ и питающих распределительные электросети, и только после этого отдают распоряжения персоналу ОВБ РЭС.

7.1.10. На подстанциях 35 - 110 кВ, кроме плановых отключений и включений линий, питающих распределительные электросети, персоналу ОВБ РЭС может быть разрешено (по усмотрению главного инженера ПЭС) включение этих линий под напряжение после их автоматического отключения, а также производство обходов-осмотров на подстанциях оборудования указанных выше линий. Эти операции и действия выполняются по распоряжению диспетчера ПЭС.

7.1.11. Предоставление персоналу ОВБ РЭС возможности выполнения переключений на подстанциях 35 - 110 кВ, оборудование которых находится в оперативном управлении диспетчера ПЭС, в каждом случае устанавливается распоряжением по предприятию с указанием подстанций и вида оперативных переключений на них.

7.1.12. На щитах управления у ключей управления выключателей в РУ у приводов выключателей, а также у приводов разъединителей и заземляющих ножей в сторону линий, операции с которыми разрешено выполнять персоналу ОВБ РЭС, рядом с диспетчерским наименованием присоединения наносится надпись: «Линия РЭС». В КРУ и КРУН надпись «Линия РЭС» делается на двери и с задней стороны ячейки.

7.1.13. Выполняя переключения на подстанциях 35 - 110 кВ, персонал ОВБ РЭС ведет оперативную документацию согласно порядку, установленному в ПЭС: производит записи в оперативном журнале подстанции о всех выполненных переключениях; отмечает на оперативной схеме подстанций (схеме-макете) положения коммутационных аппаратов и устройств релейной защиты и автоматики, а также включения и отключения заземляющих ножей (наложение и снятие переносных заземлений); заполняет бланки переключений и пользуется ими во время переключений; производит записи в журнале дефектов и неполадок с оборудованием.

7.1.14. О всех переключениях на подстанциях 35 - 110 кВ, выполненных персоналом ОВБ ГЭС, диспетчер ПЭС сообщает персоналу ОВБ ПЭС, закрепленному за этими подстанциями, который делает запись в своем оперативном журнале и вносит соответствующие изменения в оперативную схему.

7.1.15. В соответствии с инструкцией энергопредприятия допускается участие персонала ОВБ ГЭС в выполнении переключений в электроустановках потребителей (с оформлением соответствующего документа).

Схемы электроустановок потребителей в данном случае изображаются на оперативной схеме диспетчера.

7.1.16. Порядок переключений в распределительных электросетях 0,4 кВ, питающих электроустановки потребителей, имеющих электростанции резервного питания, приводятся в прил. 3, а форма бланка переключения - в прил. 4.

7.2. Общие указания по выполнению переключений

7.2.1. При выполнении переключений в электрически связанной распределительной сети параллельное включение и замыкание линий (работающих раздельно при нормальном режиме эксплуатации) в кольцо допускается только в виде исключения на время, необходимое для перевода нагрузки потребителей или выполнения неотложных ремонтных работ. При этом возможность параллельного (кольцевого) включения линий предварительно устанавливается фазировкой.

7.2.2. Включение и отключение разъединителей, установленных в электрически связанной замкнутой распределительной сети, допускается при уравнительном токе не более 70 А. Если это условие не соблюдается, необходимо включение шунтирующих связей, которые отключаются по окончании операций с разъединителями.

7.2.3. Если включение в транзит и отключение коммутационным аппаратом линии, имеющей питание с двух сторон, возможно, то в месте деления:

перед включением коммутационного аппарата проверяется, имеется ли напряжение с двух его сторон и нет ли замыкания фазы на землю в сети;

после отключения коммутационного аппарата проверяется, имеется ли напряжение с двух сторон аппарата.

Если перед включением коммутационного аппарата будет обнаружено замыкание фазы на землю или отсутствие напряжения на одной из сторон коммутационного аппарата, дальнейшее проведение операций прекращается, о чем сообщается диспетчеру.

7.2.4. В электрически не связанных распределительных сетях 1 перед включением на параллельную работу или замыканием между собой линий или участков сетей предварительно осуществляется временная электрическая связь между центрами питания (включение секционного выключателя, линии, непосредственно соединяющей шины двух питающих центров, и т.д.).

1 Шины или секции шин, питающиеся от отдельных обмоток одного трансформатора или от одной обмотки через сдвоенный реактор, следует считать отдельными центрами питания.

Перед включением временной электрической связи устанавливаются одинаковые уровни напряжения на шинах питающих центров.

Сразу же после включения временной электрической связи проверяется значение уравнительного тока, которое не должно превышать допустимое значение нагрузки по этой связи.

Если создание временной электрической связи невозможно, операции по переводу нагрузки с одной линии на другую осуществляются с кратковременным отключением потребителей после предварительного их предупреждения.

7.2.5. Включение на параллельную работу, а также замыкание между собой участков сетей 6 - 10 кВ, получающих питание в нормальном эксплуатационном режиме от разных центров питания, каждый раз согласовываются с ОДС и службой РЗА ПЭС, а создание часто повторяющихся типовых ремонтных схем, связанных с замыканием на совместную работу указанных выше участков сетей, отражается в инструкции энергопредприятия.

7.2.6. Не допускается замыкание в сети 0,4 кВ, а также включение на одни шины 0,4 кВ трансформаторов, питающихся от разных центров питания или от разных линий.

Замыкание в сети 0,4 кВ трансформаторов, питающихся от одной линии, но установленных на разных подстанциях, допускается как исключение для разгрузки перегружавшихся трансформаторов или линий напряжением 0,4 кВ.

7.2.7. После ремонта линии (или трансформатора), при котором могло быть нарушено чередование фаз, перед включением линии (трансформатора) в работу проверяется фазировка.

Не допускается включение коммутационных аппаратов, на одноименных зажимах которых может оказаться несфазированное напряжение. Приводы таких аппаратов запираются на замок, и на них вывешивается плакат: «Не включать - нарушена фазировка».

На оперативной схеме и диспетчерском щите несфазированные между собой участки сети и разделяющие их коммутационные аппараты отмечаются специальным знаком.

7.2.8. Фазировка проверяется каждый раз перед включением коммутационного аппарата, установленного в месте раздела распределительной электросети с сетями потребителей электроэнергии.

7.2.9. В распределительных, электросетях, работающих с компенсацией тока замыкания на землю, при переключениях, вызывающих изменение значения этого тока, соответствующим образом изменяется настройка дугогасящих реакторов.

7.2.10. Прежде чем приступить к переключению в помещении электроустановки распределительных электросетей, персоналом производится внешний осмотр ее оборудования и проверяется схема электрических соединений.

7.2.11. При выполнении переключений на разных объектах в бланке переключений делаются подзаголовки с указанием объекта, на котором выполняются переключения. Нумерация пунктов в бланке переключений делается сквозная.

7.3. Последовательность операций при выполнении отдельных видов переключений

7.3.1. Основные операции при выводе в ремонт питающей кабельной линии КЛ1 (рис. 17):

На ЦП:

а) переводятся АРКТ трансформаторов Т1 и Т2 с автоматического на дистанционное управление; устанавливаются РПН трансформаторов Т1 и Т2 в одинаковое положение;

б) отключается АВР секционного выключателя, включается секционный выключатель; проверяется наличие тока нагрузки.

На РП:

а) отключается АВР секционного выключателя, включается секционный выключатель; проверяется наличие тока нагрузки;

б) отключается выключатель линии КЛ1; убеждаются в отсутствии тока нагрузки.

На ЦП:

а) отключается секционный выключатель; убеждаются в отсутствии тока нагрузки, включается АВР секционного выключателя;

б) переводятся АРКТ трансформаторов на автоматическое управление;

в) отключается выключатель линии КЛ1, проверяется на месте отключенное положение выключателя; отключается линейный разъединитель линии КЛ1, проверяется отключенное положение разъединителя. Запирается привод разъединителя на замок; на приводе вывешивается плакат «Не включать - работа на линии».

На РП:

а) проверяется на месте отключенное положение выключателя линии КЛ1; перемещается тележка выключателя в ремонтное положение; вывешивается на дверцах ячейки плакат «Не включать - работа на линии»;

б) убеждаются в отсутствии напряжения на вводе линии КЛ1; включаются заземляющие ножи в сторону линии, проверяется их положение; дверцы ячейки линии КЛ1 запираются на замок.

На ЦП убеждаются в отсутствии напряжения на вводе линии КЛ1; включаются заземляющие ножи в сторону линии, проверяется их включенное положение.

7.3.2. Основные операции при вводе в работу после ремонта кабельной линии КЛ1 (см. рис. 17):

На ЦП отключаются заземляющие полей линии КЛ1; проверяется их отключенное положение.

На РП:

а) отключаются заземляющие ножи линии КЛ1; проверяется их отключенное положение;

б) снимается запрещающий операции плакат и замок с дверей ячейки линии КЛ1, проверяется отключенное положение выключателя линии КЛ1; тележка выключателя перемещается в рабочее положение.

На ЦП:

а) проверяется отключенное положение выключателя линии КЛ1; снимаются запрещающий операции плакат и замок с привода линейного разъединителя линии КЛ1, включается линейный разъединитель линии КЛ1, проверяется его включенное положение;

б) переводится АРКТ трансформаторов Т1 и Т2 с автоматического на дистанционное управление; устанавливаются РПН трансформаторов Т1 и Т2 в одинаковое положение;

в) отключается АВР секционного выключателя, включается секционный выключатель; проверяется наличие тока нагрузки;

г) включается выключатель линии КЛ1.

На РП:

а) включается выключатель линии КЛ1; проверяется наличие тока нагрузки;

б) отключается секционный выключатель; убеждаются в отсутствии тока нагрузки, включается АВР секционного выключателя.

На ЦП:

а) отключается секционный выключатель; убеждаются в отсутствии тока нагрузки; включается АВР секционного выключателя;

б) переводятся АРКТ трансформаторов Т1 и Т2 с дистанционного на автоматическое управление.

Рис. 17. Схема питающей сети 6 - 10 кВ в нормальном режиме работы

7.3.3. Основные операции при выводе в ремонт линии Л6 распределительной электросети 6 - 10 кВ (рис. 18):

На распределительном пункте РП1 отключается АВР; включается выключатель резервной линии КЛ8, проверяется наличие тока нагрузки.

Рис. 18. Схема участка распределительной электросети 6 - 10 кВ, секционированной в ТП3 в нормальном режиме работы

На трансформаторной подстанции ТП3:

а) проверяется, имеется ли напряжение с двух сторон отключенного выключателя нагрузки ВН4; убеждаются в отсутствии замыкания фазы на землю в сети;

б) отключается АВР; включается выключатель нагрузки ВН4.

На трансформаторной подстанции ТП5:

а) отключается выключатель линии Л6; убеждаются в отсутствии тока нагрузки;

б) проверяется на месте отключенное положение выключателя линии Л6, отключается линейный разъединитель линии Л6 и проверяется его положение. Запирается привод разъединителя на замок; на приводе вывешивается плакат «Не включать - работа на линии».

На распределительном пункте РП1 отключается выключатель резервной линии КЛ8; убеждаются в отсутствии тока нагрузки; включается АВР.

На распределительном пункте РП2:

а) отключаются АПВ и выключатель линии Л6;

б) проверяется на месте отключенное положение выключателя линии Л6; отключается линейный разъединитель линии Л6, проверяется положение разъединителя; запирается его привод на замок. На приводе разъединителя вывешивается плакат «Не включать - работа на линии»;

в) убеждаются в отсутствии напряжения на вводе линии Л6; накладывают переносное заземление.

На линии Л6 убеждаются в отсутствии напряжения; накладывают переносное заземление на провода линии Л6 на опоре 20. На месте работ на провода линии Л6 также накладывается переносное заземление.

7.3.4. Основные операции при вводе в работу после ремонта линии Л6 (см. рис. 18):

На линии Л6 снимается заземление с линии Л6 на месте работ; снимается заземление с линии Л6, наложенное на провода линии на опоре 20.

На распределительном пункте РП2:

а) снимается переносное заземление с ввода линии Л6 и размещается на месте хранения;

б) снимается запрещающий операцию плакат и замок с привода, включается линейный разъединитель линии Л6, проверяется включенное положение разъединителя;

в) включается выключатель линии Л6, проверяется включенное положение выключателя, включается АПВ.

На распределительном пункте РП1 отключается АВР; включается выключатель резервной линии, проверяется наличие тока нагрузки.

На трансформаторной подстанции ТП5:

а) проверяется отключенное положение выключателя линии Л6, снимается запрещающий операцию плакат и замок с привода; включается линейный разъединитель линии Л6, проверяется положение разъединителя;

б) включается выключатель линии Л6, проверяется наличие тока нагрузки.

Па трансформаторной подстанции ТП3 отключается выключатель нагрузки ВН4, проверяется, имеется ли напряжение с обеих сторон ВН4, включается АВР.

На распределительном пункте РП1 отключается выключатель резервной линии КЛ8; убеждаются в отсутствии тока нагрузки; включается АВР.

7.3.5. Основные операции при выводе в ремонт трансформаторной подстанции ТП1 (см. рис. 18):

На распределительном пункте РП1 отключается АВР; включается выключатель резервной линии КЛ8, проверяется наличие тока нагрузки.

На трансформаторной подстанции ТП3:

а) проверяется, имеется ли напряжение с двух сторон отключенного выключателя нагрузки ВН4; убеждаются в отсутствии замыкания фазы на землю в сети;

б) отключается АВР, включается выключатель нагрузки ВН4.

На трансформаторной подстанции ТП1:

а) отключаются рубильники всех отходящих линий 0,4 кВ;

б) отключается автоматический выключатель 0,4 кВ трансформатора;

в) отключается выключатель нагрузки ВН2 трансформатора и проверяется его отключенное положение.

На распределительном пункте РП1:

а) отключается АПВ и выключатель линии Л1;

б) проверяется на месте отключенное положение выключателя; отключается линейный разъединитель линии Л1, проверяется его отключенное положение; привод разъединителя запирается на замок; вывешивается плакат «Не включать - работа на линии»;

в) отключается выключатель резервной линии КЛ8; убеждаются в отсутствии тока нагрузки; включается АВР.

На трансформаторной подстанции ТП2 убеждаются в отсутствии тока нагрузки; отключается разъединитель линии Л2, проверяется его положение, запирается привод на замок. На приводе вывешивается плакат «Не включать - работа на линии».

На трансформаторной подстанции ТП1:

а) убеждаются в отсутствии напряжения на вводе линии Л1; накладывается переносное заземление;

б) убеждаются в отсутствии напряжения на вводе линии Л2; накладывается переносное заземление.

При необходимости накладываются дополнительные заземления на оборудование ТП1.

7.3.6. Основные операции при включении в работу после ремонта трансформаторной подстанции ТП1 (см. рис. 18):

На трансформаторной подстанции ТП1:

а) снимается переносное заземление с ввода линии Л1; снимается переносное заземление с ввода линии Л2, а также все остальные заземления, наложенные на оборудование. Заземления размещаются в местах хранения;

б) проверяется включенное положение выключателя нагрузки ВН1 и разъединителей на линиях Л1 и Л2.

На распределительном пункте РП1:

а) проверяется отключенное положение выключателя линии Л1;

б) снимаются запрещающий операции плакат и замок с привода;

в) включается линейный разъединитель линии Л1, проверяется его включенное положение;

г) включается выключатель линии Л1;

д) отключается АВР; включается выключатель резервной линии КЛ8, проверяется наличие тока нагрузки.

На трансформаторной подстанции ТП1 отключается выключатель нагрузки ВН1 линии Л1, проверяется его отключенное положение, вывешивается запрещающий операции плакат.

На трансформаторной подстанции ТП2 снимаются запрещающий операции плакат и замок с привода, включается разъединитель линии Л2, проверяется его включенное положение.

На трансформаторной подстанции ТП1:

а) снимаются запрещающий операции плакат и замок с привода, включается выключатель нагрузки ВН1 линии Л1, проверяется его включенное положение;

б) включается выключатель нагрузки ВН2 трансформатора, проверяется его включенное положение;

в) включается автоматический выключатель 0,4 кВ трансформатора;

г) включаются рубильники отходящих линий 0,4 кВ.

На трансформаторной подстанции ТП3:

а) отключается выключатель нагрузки ВН4, проверяется его отключенное положение;

б) проверяется, имеется ли напряжение с двух сторон отключенного выключателя нагрузки ВН4, включается АВР.

На распределительном пункте РП1:

а) включается АПВ линии Л1;

б) отключается выключатель резервной линии КЛ8; убеждаются в отсутствии тока нагрузки; включается АВР.

7.3.7. Основные операции при выводе в ремонт магистральной линии Л10 0,4 кВ (см. рис. 18):

а) на МТП отключается рубильник линии Л10, проверяется его положение; вывешивается запрещающий операции плакат «Не включать - работа на линии»;

б) на месте работ убеждаются в отсутствии напряжения на проводах линии Л10; накладываются переносные заземления.

Примечание. Если на опорах выводимой в ремонт линии подвешены провода связи радиотрансляционной сети и уличного освещения, то их отключение и заземление выполняются персоналом эксплуатирующей их организации в присутствии ремонтного персонала РЭС. Включение после ремонта линии Л10 выполняется в обратной последовательности.

7.3.8. Основные операции при выводе в ремонт трансформатора МТП, питающегося ответвлением от линии Л6 (см. рис. 18):

а) отключаются на МТП рубильники всех отходящих линий 0,4 кВ;

б) отключается рубильник 0,4 кВ трансформатора;

в) отключается разъединитель, проверяется его отключенное положение, запирается привод на замок, вывешивается запрещающий операции плакат «Не включать - работают люди»;

г) убеждаются в отсутствии напряжения; накладывается переносное заземление на вводах трансформатора (при необходимости накладывается заземление на сборке 0,4 кВ).

Включение после ремонта мачтовой подстанции выполняется в обратной последовательности.

Приложения

Приложение 1

УЧЕТ, НАЛОЖЕНИЕ И СНЯТИЕ ЗАЗЕМЛЕНИЙ

1. Переносные заземления нумеруются сквозной для всей электроустановки нумерацией и хранятся в определенных, отведенных для этой цели местах. На месте хранения каждого заземления указывается номер, соответствующий номеру, имеющемуся на переносном заземлении.

2. Включение заземляющих ножей и наложение переносных заземлений на оборудовании отражается на оперативной схеме (схеме-макете), а также в оперативном журнале.

3. Переносные заземления учитываются по номерам с точным указанием мест их нахождения.

Для экономии времени на записи при сдаче дежурства рекомендуется пользоваться специальным штампом учета переносных заземлений (табл. 1), проставляемым в оперативном журнале.

Таблица 1

Штамп учета переносных заземлений и запись о местах их нахождения

Учет переносных заземлений

ГРУ

1

2

3

4

5

6

7

8

9

10

11

12

 

 

РУ СН

13

14

15

16

17

18

19

20

21

22

23

24

25

 

РУ 10 кВ

26

27

28

29

30

31

32

33

34

35

36

37

38

39

РУ 110 кВ

40

41

42

43

44

45

46

47

48

49

50

51

52

53

54

55

56

57

58

59

60

Заземления № 1, 2 - в ремонте.

Заземление № 40 установлено в ячейке 15 на КЛ5.

4. При выводе оборудования в ремонт и его заземлении первыми включаются стационарные заземляющие ножи, а затем (при необходимости) накладываются переносные заземления.

При вводе оборудования в работу после ремонта сначала снимаются все переносные заземления и размещаются в местах хранения, а потом уже отключаются стационарные заземляющие ножи.

Приложение 2

ВЕДЕНИЕ ОПЕРАТИВНОЙ СХЕМЫ И СХЕМЫ-МАКЕТА ЭЛЕКТРИЧЕСКИХ СОЕДИНЕНИЙ ЭЛЕКТРОСТАНЦИЙ И ПОДСТАНЦИЙ

1. На заготовленных, оперативных схемах электрических соединений электростанций и подстанций все коммутационные аппараты и стационарные заземляющие устройства графически изображаются в положении (включенном или отключенном), соответствующем схеме нормального режима, утвержденной главным инженером электростанции или предприятия электрических сетей.

Оборудование новых присоединений, законченное и незаконченное монтажом, на которое напряжение может быть подано включением коммутационных аппаратов, считается действующим и наносится на оперативную схему.

2. На оперативных схемах и схемах-макетах отражаются все изменения положений коммутационных аппаратов, устройств релейной защиты и автоматики, а также места наложения переносных заземлений и включения заземляющих ножей. Изменения вносятся непосредственно после проведения тех или иных операций.

3. При сдаче дежурства персонал передает оперативную схему (схему-макет) электроустановки с обозначением на ней действительных положений коммутационных аппаратов, отключенных устройств релейной защиты и автоматики, а также заземляющих устройств.

4. Действительные положения коммутационных аппаратов, отключенных устройств релейной защиты и автоматики, а также заземляющих устройств обозначаются нанесением на оперативную схему условных знаков непосредственно на графическое обозначение аппарата или рядом с графическим обозначением соответствующего аппарата (устройства), если положение аппарата (устройства) было изменено. Условные графические обозначения (знаки) положений коммутационных аппаратов приведены на рис. 19.

Знаки наносятся карандашом, чернилами или пастой красного цвета.

Знак З! - устройство релейной защиты отключено - наносится рядом с графическим обозначением защищаемого оборудования (генератор, трансформатор, линия, сборные шины), знак А! - устройство автоматики отключено - наносится рядом с графическим обозначением выключателя, на который воздействует автоматическое устройство.

При снятии с оборудования переносного заземления, а также при включении в работу отключенного ранее устройства релейной защиты или автоматики соответствующие знаки на оперативной схеме перечеркиваются карандашом, ручкой (чернилами или пастой) темного цвета.

5. Не допускается исправление ошибочно нанесенных знаков. Ошибочные знаки обводятся кружком синего цвета, а рядом наносятся правильные знаки.

6. Срок действия оперативной схемы не ограничивается, новая оперативная схема составляется по мере необходимости.

7. Оперативная схема имеет порядковый номер. При сдаче дежурства оперативная схема подписывается сдающим и принимающим дежурство с указанием даты и времени.

8. При пользовании схемами-макетами ведение оперативных схем необязательно.

9. На схемах-макетах все изменения положений коммутационных аппаратов, устройств релейной защиты и автоматики, заземляющих устройств отражаются с помощью символов коммутационных аппаратов и навесных условных знаков. Порядок ведения схемы-макета электроустановки указывается в инструкции энергопредприятия.

10. Допускается ведение оперативной схемы на компьютере. Порядок ведения оперативной схемы на компьютере указывается в инструкции энергопредприятия.

Рис. 19. Условные графические обозначения положений коммутационных аппаратов на оперативной схеме:

а - выключатель; б - разъединитель: в - заземляющий нож; г - короткозамыкатель; д - отделитель; е - автоматический выключатель 0,4 кВ (включенное положение - слева, отключенное - справа); ж - выключатель КРУ включен; з - выключатель КРУ отключен; и - тележка выключателя в контрольном положении; к - тележка выключателя в ремонтном положении; л - переносное заземление (- его номер) наложено; м - переносное заземление снято

Приложение 3

ПЕРЕКЛЮЧЕНИЯ В РАСПРЕДЕЛИТЕЛЬНЫХ ЭЛЕКТРОСЕТЯХ 0,4 кВ, ПИТАЮЩИХ ЭЛЕКТРОУСТАНОВКИ ПОТРЕБИТЕЛЕЙ, ИМЕЮЩИХ ЭЛЕКТРОСТАНЦИИ РЕЗЕРВНОГО ПИТАНИЯ

1. Электроустановки потребителей, имеющие небольшие резервные электростанции, предназначенные для питания нагрузки в случае прекращения электроснабжения от распределительных электросетей 0,4 кВ ПЭС, подключаются к распределительным электросетям ПЭС с помощью перекидного рубильника или другого коммутационного аппарата, исключающего возможность подачи напряжения от электростанции потребителя в распределительную сеть ПЭС.

2. Взаимоотношения оперативного персонала потребителей, обслуживающего указанные выше электроустановки, с диспетчером распределительных электросетей при переключении питания с одного источника на другой, а также при выводе в ремонт и включении в работу после ремонта питающих линий распределительных электросетей определяются инструкциями энергопредприятий. При этом операции с перекидным рубильником (или другим коммутационным аппаратом) допускается выполнять персоналу, обслуживающему электроустановку потребителя, по разрешению диспетчера распределительных электросетей ПЭС.

3. Отключение питающей линии распределительных электросетей для планового ремонта заранее согласовывается с потребителем, с тем чтобы потребитель мог своевременно обеспечить питание нагрузки от резервной электростанции.

4. На оперативной схеме диспетчера распределительных электросетей указываются места расположения всех электростанций потребителей, перечень которых периодически проверяется.

Приложение 4

(рекомендуемое)

ФОРМА БЛАНКА ПЕРЕКЛЮЧЕНИЯ

БЛАНК ПЕРЕКЛЮЧЕНИЯ № _______

начало __________ ч ________ мин

Электростанция _________________________ дата _________________________ 200_ г.

Подстанция ________________________________________________________________

Исходная схема _____________________________________________________________

Задание____________________________________________________________________

___________________________________________________________________________

___________________________________________________________________________

___________________________________________________________________________

Последовательность производства операций при переключении

1. _________________________________________________________________________

2. _________________________________________________________________________

3. _________________________________________________________________________

___________________________________________________________________________

___________________________________________________________________________

___________________________________________________________________________

___________________________________________________________________________

___________________________________________________________________________

n - 1 ______________________________________________________________________

п _________________________________________________________________________

Бланк заполнил                                                                  Бланк проверил

и переключение производит                                             и переключение контролирует

_______________________________                                                                                                                     ________________________________

                       подпись                                                                                                             подпись

Переключения

разрешаю

__________________________

                       подпись

СПИСОК ИСПОЛЬЗОВАННОЙ ЛИТЕРАТУРЫ

1. Методические указания по предотвращению феррорезонанса в распределительных устройствах 110 - 500 кВ с электромагнитными трансформаторами напряжения и выключателями, содержащими емкостные делители напряжении. РД 34.20.517. - М.: СПО Союзтехэнерго, 1987.

2. Методические указания по ограничению высокочастотных коммутационных перенапряжений и защите от них электротехнического оборудования в распределительных устройствах 110 кВ и выше. - М.: СПО ОРГРЭС, 1998.

3. Типовая инструкция по предотвращению и ликвидации аварий в электрической части энергосистем. - М.: Изд-во НЦ ЭНАС, 2004.

4. Правила технической эксплуатации электрических станций и сетей Российской Федерации. - М.: Изд-во НЦ ЭНАС, 2003.

5. Сборник руководящих материалов Главтехуправления Минэнерго СССР. Электротехническая часть. Ч. 2. - М.: СПО ОРГРЭС, 1992.

Содержание

1. Общая часть. 1

2. Организация и порядок переключений. 5

2.1. Распоряжение о переключениях. 5

2.2. Бланки переключений. 7

2.3. Общие положения о переключениях. 10

2.4. Переключения в схемах релейной защиты и автоматики. 13

2.5. Переключения при ликвидации технологических нарушений. 14

2.6. Переключения при вводе в работу нового оборудования и проведении испытаний. 15

3. Выполнение переключений. 15

3.1. Проведение операций с выключателями, разъединителями, отделителями и выключателями нагрузки. 15

3.2. Снятие оперативного тока с приводов коммутационных аппаратов. 19

3.3. Проверка положений коммутационных аппаратов. 20

3.4. Действия с оперативной блокировкой. 21

3.5. Последовательность операций с коммутационными аппаратами присоединений линий, трансформаторов, синхронных компенсаторов и генераторов. 22

3.6. Последовательность операций при включении и отключении линий электропередачи. 29

4. Переключения при переводе присоединений с одной системы шин на другую.. 32

5. Переключения при выводе оборудования в ремонт и при вводе его в работу после ремонта. 38

6. Способы вывода в ремонт и ввода в работу после ремонта выключателей. 46

7. Переключения в распределительных электросетях. 55

7.1. Особенности выполнения переключений. 55

7.2. Общие указания по выполнению переключений. 56

7.3. Последовательность операций при выполнении отдельных видов переключений. 58

Приложение 1. Учет, наложение и снятие заземлений. 63

Приложение 2. Ведение оперативной схемы и схемы-макета электрических соединений электростанций и подстанций. 63

Приложение 3. Переключения в распределительных электросетях 0,4 кв, питающих электроустановки потребителей, имеющих электростанции резервного питания. 65

Приложение 4. Форма бланка переключения. 66

Список использованной литературы.. 66

 

 




ГОСТЫ, СТРОИТЕЛЬНЫЕ и ТЕХНИЧЕСКИЕ НОРМАТИВЫ.
Некоммерческая онлайн система, содержащая все Российские Госты, национальные Стандарты и нормативы.
В Системе содержится более 150000 файлов нормативно-технической документации, действующей на территории РФ.
Система предназначена для широкого круга инженерно-технических специалистов.

Рейтинг@Mail.ru Яндекс цитирования

Copyright © www.gostrf.com, 2008 - 2026