Крупнейшая бесплатная информационно-справочная система онлайн доступа к полному собранию технических нормативно-правовых актов РФ. Огромная база технических нормативов (более 150 тысяч документов) и полное собрание национальных стандартов, аутентичное официальной базе Госстандарта. GOSTRF.com - это более 1 Терабайта бесплатной технической информации для всех пользователей интернета. Все электронные копии представленных здесь документов могут распространяться без каких-либо ограничений. Поощряется распространение информации с этого сайта на любых других ресурсах. Каждый человек имеет право на неограниченный доступ к этим документам! Каждый человек имеет право на знание требований, изложенных в данных нормативно-правовых актах!

  


 

МИНИСТЕРСТВО ТРАНСПОРТНОГО СТРОИТЕЛЬСТВА

ГОСУДАРСТВЕННЫЙ ВСЕСОЮЗНЫЙ ДОРОЖНЫЙ
НАУЧНО-ИССЛЕДОВАТЕЛЬСКИЙ ИНСТИТУТ
СОЮЗДОРНИИ

МЕТОДИЧЕСКИЕ РЕКОМЕНДАЦИИ
ПО РАСЧЕТУ МЕСТНОГО РАЗМЫВА
У ОПОР МОСТОВ

(2-е ИЗД., ПЕРЕРАБОТАННОЕ И ДОПОЛНЕННОЕ)

Утверждены замдиректора Союздорнии
канд. техн. наук Б.С. Марышевым

Одобрены Главным техническим управлением
(письмо № 37-7-15 от 26.06.80 г.)

МОСКВА 1988

При разработке Методических рекомендаций учтены недостатки как отечественных, так и зарубежных методов расчета местного размыва у опор мостов.

Приводится новый теоретико-экспериментальный метод расчета местного размыва в условиях несвязных и связных грунтов. В отличие от существующих эмпирических методов расчета по неразмывающим скоростям, характеризующим первую подвижку наносов, предлагаемый метод основан на взмучивающих скоростях, которые в зоне резко турбулентного потока у опоры соответствуют переносу наносов во взвешенном и полувзвешенном состояниях.

Для получения общего выражения взмучивающих скоростей и построения расчетного метода использованы данные многочисленных натурных замеров местных размывов у опор мостов, обработка которых велась одновременно статистическим и аналитическим методами.

В результате получены расчетные формулы для определения глубины местного размыва для разных режимов наносов. Рассмотрены примеры расчетов.

По сравнению с первым изданием (1981 г.) настоящие Методические рекомендации дополнены методами расчета местного размыва у опор с переменными по высоте сечениями, расчета размыва у опор на высоких свайных ростверках и у затопляемых преград.

Табл. 6, рис. 11, библ. 7.

Предисловие

«Методические рекомендации по расчету местного размыва у опор мостов»*) являются результатом исследований, проведенных Союздорнии в последние годы. Эти исследования показали, что существующие отечественные и зарубежные эмпирические формулы для расчета местного размыва, основанные, главным образом, на данных лабораторных экспериментов, дают результаты, значительно отличающиеся от натурных данных, а в некоторых случаях искажают фактический смысл явления размыва.

*) Основные буквенные обозначения см. Основные буквенные обозначения.

В Союздорнии на основе натурных данных получена принципиально новая характеристика устойчивости наносов в зоне резко турбулентного потока перед опорой - взмучивающая скорость, характеризующая вихревой перенос наносов во взвешенном и полувзвешенном состояниях.

Рекомендуемый расчетный метод получен в результате анализа взаимодействия жидкой (лобовое давление потока на опору) и твердой (параметр турбулентного переноса наносов) фаз потока. Окончательные выражения параметров теоретико-экспериментальной зависимости определены двумя независимыми путями - статистическим и аналитическим. Оба подхода показали полную идентичность расчетных выражений.

Отзывы на первое издание «Методических рекомендаций по расчету местного размыва у опор мостов» (Союздорнии. М., 1981) свидетельствуют о заинтересованности проектных институтов Минтрансстроя, Госстроя СССР, Минкомхоза и Минавтодора РСФСР, миндорстроев союзных республик в практическом применении предложенного метода.

Десятилетний опыт применений метода Союздорнии в проектных институтах разных ведомств и сравнение выполненных по нему расчетов с данными натурных измерений у опор существующих мостов дали вполне удовлетворительные результаты и показали, что точность метода укладывается в точность исходных данных. Кроме того, метод Союздорнии был сопоставлен параллельно с натурными данными и с расчетами по другим, как отечественным, так и зарубежным, методам, в том числе с методами, появившимися в последние 7 - 10 лет. Это сопоставление также показало лучшую сходимость результатов расчета по методу Союздорнии с натурными данными по сравнению с другими методами.

По сравнению с первым настоящее издание дополнено рядом разработок, необходимость которых выдвинута практикой. К ним относятся расчеты местных размывов у опор мостов с переменными по высоте сечениями, у опор на высоких свайных ростверках и у затопляемых преград.

Следует напомнить, что в первом издании Методических рекомендаций расчет местного размыва производился по средней ширине опоры bср. Для развитых в нижней части опор это несколько (на 5 - 10 %) снижало расчетную глубину размыва, поэтому в формулу глубины местного размыва был введен постоянный коэффициент 1,1. При переходе на непосредственный учет ширин элементов в опорах с переменными по высоте сечениями надобность в этом коэффициенте отпала. Однако ввиду того, что в практике мостового строительства сравнительно часто встречаются опоры лишь с небольшим уширением нижней их части, расчет глубины размыва по bср сохранен и в настоящем документе, но ограничен случаем, когда нижняя (уширенная) часть опоры возвышается над дном не более чем на 1/3 глубины потока, а соотношение ширин элементов примерно одинаковой формы для двухступенчатой опоры ориентировочно составляет: b1/b2 £ 1,2. Размыв у трехступенчатой опоры рассчитывается, как правило, по формулам для переменного сечения.

Для автоматизации расчетов размывов у опор предложенным методом Белгипродором составлена программа MEROP (автор В.С. Ищенко). Программа написана на языке Фортран-IV для ЭВМ СМ-4, ЕС-1022 и др. Она предусматривает расчет размыва у опор как простой, так и сложной формы при числе элементов опоры до четырех (не считая свайного основания). Одновременно можно производить расчет размыва у большого количества опор (до 20).

В качестве исходных данных в программе приняты: эпюра элементарных расходов в подмостовом русле, углы косины потока у опор, коэффициент возрастания расхода в отверстии моста, геометрические характеристики элементов опор, характеристики грунтов послойно (до восьми слоев). В результате расчета выдаются на печать: скорости набегания потока на опоры, донная и средняя взмучивающие скорости, отметки дна воронок размыва.

Для индивидуальных расчетов Тбилгипроавтодортрансом составлены удобные бланки расчета местного размыва у опор (автор А.А. Александров).

При составлении настоящих Методических рекомендаций, помимо работ Союздорнии, были использованы работы О.В. Андреева, И.А. Ярославцева, В.С. Кнороза, Г.С. Пичугова и некоторые положения «Технических указаний по расчету местного размыва у опор мостов, струенаправляющих дамб и траверсов» ВСН 62-69 (Минтрансстрой. М., 1970).

Следует отметить, что некоторые вопросы прогноза местного размыва еще недостаточно изучены, поэтому в настоящих Методических рекомендациях они либо не освещены (размыв у регуляционных дамб и траверсов), либо приведены с некоторыми допущениями (формулы, определяющие коэффициент косины потока Кa, размыв в связных грунтах, коэффициент Кп, учитывающий снижение размыва при наличии лобовой полки на уступе опоры или обрезе ее фундамента).

Для создания строгой физической теории местного размыва у опор необходимо расширение кадастра натурных данных /2/. Союздорнии будет благодарен проектным, строительным и дорожно-мостовым эксплуатационным организациям за предоставление данных замеров глубин местных размывов у строящихся и существующих опор мостов. При этом, кроме глубин размыва, необходимых параметров потока и грунтов /2/, следует указать дату и способ замеров, а также приложить схему опоры.

Методические рекомендации составлены канд. техн. наук М.М. Журавлевым.

Замечания и пожелания просьба направлять по адресу: 143900, Московская обл., г. Балашиха-6; ш. Энтузиастов, 79, Союздорнии.

1. Общие положения

1.1. Настоящие Методические рекомендации предназначены для применения при проектировании мостовых переходов под автомобильные и железные дороги.

1.2. Глубину местного размыва у опор (рис. 1) определяют после расчета глубины общего размыва подмостового русла. Самую низкую отметку дна у опоры устанавливают суммированием глубины общего и местного размыва.

Рис. 1. Схема местного размыва русла у опоры:

1 - линия общего размыва; 2 - воронка размыва

1.3. На меандрирующих реках глубина местного размыва у речных опор моста должна приниматься с учетом возможности перемещения главного русла к данной опоре.

1.4. Глубину местного размыва рассчитывают на основании исходных данных, получаемых в результате изысканий (геодезических съемок, гидрометрических и инженерно-геологических работ, включая лабораторные анализы грунтов) и при разработке проекта:

характеристик потока у опор: средней глубины Н; скорости потока у опоры v направления течения по отношению к оси опоры, выраженного углом a. Эти параметры потока определяются для той вероятности паводка, на которую проектируется мостовой переход;

характеристик грунтов в пределах ожидаемого местного размыва: для несвязных грунтов - гранулометрического состава, для связных грунтов - объемного и удельного веса, степени влажности, показателя консистенции (текучести) JL, коэффициента пористости еп, удельного сцепления Ср;

общих схем опор с указанием размеров (ширины, высоты и длины) их элементов выше и ниже обреза фундаментов, очертания в плане и профиле, сечения свай (свай-оболочек) и схемы их размещения.

1.5. В некоторых случаях результаты расчетов могут быть сравнены с данными кадастра натурных измерений /2/ либо с замерами глубин местных размывов, выполненными проектной организацией у мостов, расположенных на той же реке вблизи проектируемого перехода.

2. Метод расчета глубины местного размыва

2.1. Расчетная формула для определения глубины местного размыва выбирается в зависимости от конфигурации поперечного сечения (типа) опоры (рис. 2) и режима наносов, определяемого критерием v  v0 (где v0 - неразмывающая скорость для грунта (наносов), слагающего русло).

2.2. Для опор простой формы - постоянного по высоте сечения (см. рис. 2, а) или на нешироком фундаменте (с соотношением ширин b1/b2 £ 1,2), выступающем над дном на е £ Н/3 (см. рис. 2, б), - определение глубины местного размыва производится по формулам:

при поступлении наносов в воронку размыва (v > v0)

                                                       (1)

при отсутствии наносов в потоке (осветленный поток, v £ v0)

                                                      (2)

где Н - средняя глубина потока у опоры, м;

vв - средняя взмучивающая скорость турбулентного потока перед опорой, м/с, являющаяся функцией донной взмучивающей скорости vв.д;

n - степенной параметр;

 - средние коэффициенты соответственно формы опоры и косины потока.

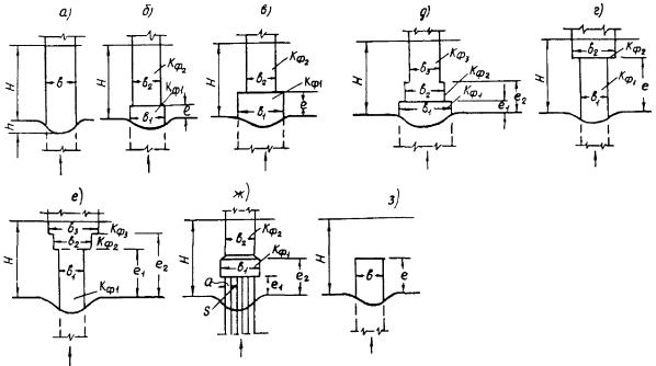
Рис. 2. Различные типы опор:
а - опора простой формы без фундамента; б - то же, с фундаментом (b1/b2 £ 1,2; е £ Н/3); в - двухступенчатая опора с уширением в нижней части (b1/b2 > 1,2; е > Н/3); г - то же, с уширением в верхней части; д, е - трехступенчатая опора с уширением соответственно в нижней и верхней части; ж - опора на высоком ростверке; з - затопленная преграда

2.3. Для предварительных стадий проектирования глубину местного размыва у опоры можно определять по упрощенной формуле (2):

h = а0 ,

где а0 = 0,7 - для равнинных и полугорных рек, кроме рек с высокими скоростями течения и гладкими руслами (с диаметром частиц наносов менее 0,25 мм) типа Амударьи, для которых а0 = 1 ÷ 1,1.

2.4. Средняя ширина опоры bср определяется по формуле (см. рис. 2, б)

                                                             (3)

где е - возвышение фундамента над поверхностью дна, м.

Аналогичным образом определяют и среднюю длину опоры, для чего в формулу (3) вместо значения ширины подставляют длину L.

2.5. Средний коэффициент формы опоры рассчитывают по формуле

                                                     (4)

где  - коэффициенты формы, принимаемые по табл. 1.

Средний коэффициент косины потока  определяется по средним длине и ширине опоры.

Таблица 1

Форма поперечного сечения опоры

Кф

Круглая

1,00

Прямоугольная

1,24

Квадратная

1,46

С полуциркульными торцами (овальная)

0,85

Заостренная:

 

θ = 120°

1,22

θ = 90°

1,00

θ = 60°

0,73

θ = 30°

0,59

2.6. При опорах с переменными по высоте сечениями (см. рис. 2, в - е) глубина местного размыва определяется по следующим формулам:

а) опора из двух элементов (см. рис. 2, в, г):

при режиме наносов v > v0

                              (5)

при режиме наносов v £ v0

                                (6)

б) опора из трех элементов (см. рис. 2, д, е):

при режиме наносов v > v0

          (7)

при режиме наносов v £ v0

           (8)

где   

Кф, Кa - коэффициенты соответственно формы и косины для элементов сечения опоры.

Если опоры состоят из элементов одной формы, то в формулах (5) - (8) коэффициент Кф выносится за скобку.

Для опор из четырех и более элементов формулы глубины местного размыва могут быть выведены на основании литературных источников /2, 3/.

2.7. Глубина местного размыва у опор на высоком свайном ростверке (см. рис. 2, ж) определяется по формулам:

при поступлении наносов в воронку размыва (v > v0)

    (9)

при отсутствии наносов в потоке (v £ v0)

  (10)

где а - диаметр свай-оболочек, м;

S - расстояние в свету между сваями-оболочками, м;

Кфс - коэффициент формы свай; для круглых Кфс = 1, прямоугольных - Кфс = 1,24, квадратных - Кфс = 1,46;

 Кaс - коэффициенты косины потока соответственно для элементов опоры и свай;

АN - коэффициент пропорциональности, зависящий от числа свай в ряду поперек потока; при одной свае А1 = 1, двух - A2 = 1,6; трех - А3 = 2,1, четырех - А4 = 2,5.

Согласно исследованиям И.В. Дитца /7/ при общей ширине ряда свай более (4 ÷ 5) а образуются две самостоятельные воронки размыва. Это ограничение, вплоть до проверки экспериментальных данных И.В. Дитца, и рекомендуется принимать за верхний предел коэффициента AN , т.е. AN £ 2,5.

2.8. В неустойчивой зоне режима наносов (v = (0,95 ÷ 1,0) v0) глубину размыва у опор с отношением размеров b/H < 1 рекомендуется определять как для режима наносов v > v0.

2.9. Глубина местного размыва у затопляемых преград постоянной ширины (см. рис. 2, з) определяется по формулам:

при поступлении наносов в воронку размыва (v > v0)

                                                     (11)

при отсутствии наносов в потоке (v £ v0)

                                                  (12)

где  (см. п. 2.8);

е - высота преграды над дном, м.

2.10. Неразмывающую скорость v0 (м/с) для несвязных грунтов рассчитывают по формуле

                                                            (13)

где Н - средняя глубина потока, м;

d - средний диаметр частиц наносов, м.

Скорость v0 можно также определять по рис. 3.

2.11. Глубину потока Н у опор определяют как полусумму средних глубин в смежных с опорой пролетах моста.

2.12. Донная взмучивающая скорость vв.д (м/с) перед опорой определяется по формулам:

для русел, сложенных наносами с крупностью частиц d ³ 0,20 мм:

                                                            (14)

Рис. 3. График для определения неразмывающей скорости v0 для несвязных грунтов

для гладких русел (0,05 < d < 0,20 мм):

                                                (15)

где g - ускорение силы тяжести;

w - гидравлическая крупность частиц наносов (скорость их падения в стоячей воде), м/с; определяется по табл. 2 в зависимости от диаметра частиц грунта d.

2.13. Средняя взмучивающая скорость vв (м/с) рассчитывается как

vв = vв.д .                                                        (16)

Взмучивающую скорость vв можно также определить по графику рис. 4. Донную взмучивающую скорость в этом случае находят из формулы (16):

vв.д = vв .

2.14. Степенной параметр n определяют по формуле

n = 0,50 + 0,24 .                                                     (17)

Если рассчитанное значение n больше 1, принимают n = 1 или полученное значение n обосновывают натурными данными.

Для предварительных расчетов разрешается принимать n = 1 при v/vв.д > 1 и n = 0,67 при v/vв.д £ 1.

2.15. Коэффициент косины потока Кa определяют в зависимости от угла косины a между направлением набегающего на опору потока и осью опоры:

                                          (18)

где f - коэффициент, определяемый по рис. 5 в зависимости от значений L/b и a.

При a < 10° принимают Кa = 1.


Рис. 4. График для определения средней взмучивающей скорости vв для несвязных грунтов


Таблица 2

d, мм

w, м/с

d, мм

w, м/с

0,01

0,00007

6

0,270

0,03

0,00062

7

0,297

0,05

0,00178

8

0,310

0,08

0,00443

9

0,330

0,10

0,00692

10

0,352

0,15

0,01557

11

0,360

0,20

0,02160

12

0,378

0,25

0,02700

13

0,390

0,30

0,03240

14

0,415

0,35

0,03800

15

0,430

0,40

0,04320

16

0,439

0,45

0,04750

17

0,451

0,50

0,05400

20

0,492

0,55

0,05950

25

0,548

0,60

0,06480

30

0,600

0,65

0,06950

40

0,689

0,70

0,07300

50

0,769

0,75

0,07750

60

0,842

0,80

0,08070

80

0,969

0,85

0,08750

100

1,080

0,90

0,09000

120

1,190

0,95

0,09400

140

1,280

1,00

0,09600

160

1,370

1,50

0,12600

180

1,450

2,00

0,15300

200

1,520

2,50

0,17700

250

1,700

3,00

0,19300

300

1,860

3,50

0,21100

350

2,010

4,00

0,22300

400

2,150

5,00

0,24900

500

2,400

2.16. При наличии лобовой полки элемента опоры шириной DL ³ , возвышающейся над дном на величину е, следует учитывать снижение глубины местного размыва введением коэффициента Кп:

Кп = 0,75 + 0,25 .                                                    (19)

При ширине полки DL <  значение Кп следует увеличивать простой интерполяцией по закону треугольника с учетом того, что при отсутствии полки Кп = 1.

Рис. 5. График для определения коэффициента f в формуле коэффициента косины Кa

2.17. Большое количество натурных и опытных данных /2/ позволяет установить ориентировочные границы применимости предложенного метода расчета местного размыва. Диапазон изменения расчетных характеристик находится в следующих пределах: глубины потока - от 0,05 до 20 м, среднего диаметра частиц наносов - от 0,1 до 150 мм, глубины местного размыва - от 0,05 до 10 м.

3. Особенности расчета глубины местного размыва при разных грунтах русла

Однородные несвязные грунты

3.1. При расчете глубины местного размыва грунт считается условно однородным, если

,                                                                (20)

где d85 - диаметр частиц грунта, мм, меньше которого в пробе содержится 85 % частиц по массе; определяется по графику гранулометрического состава;

d - средний диаметр частиц грунта, мм;

                                                              (21)

di - средний диаметр отдельной фракции, мм, который определяется как среднее арифметическое максимального (di max) и минимального (di min) диаметров частиц данной фракции;

Pi - массовая доля фракций, %.

Значения di и Pi определяют на основании гранулометрического анализа проб, отобранных из буровых скважин (предпочтительно в местах возведения опор).

3.2. При однородном грунте неразмывающую и взмучивающую скорости определяют по среднему диаметру частиц d.

Слоистое строение несвязных грунтов

3.3. Определение глубины местного размыва русла, сложенного слоями различных грунтов, производят, принимая для неразмывающей и взмучивающей скоростей диаметры d или d85 частиц в соответствующих слоях грунта. Расчет выполняют в следующем порядке: находят глубину размыва для первого слоя; если глубина размыва превосходит его толщину, расчет проводят для второго слоя, считая, что он выходит на поверхность, и так до тех пор, пока не будет найден слой, в котором размыв прекратится.

Если при расчете одного из нижних слоев глубина размыва окажется меньше суммы толщин вышележащих слоев, то это означает, что размыв прекратился на поверхности рассматриваемого слоя.

Разнородные несвязные грунты

3.4. Расчет глубины местного размыва при d85/d > 1,2 производится по неразмывающим скоростям, определяемым по диаметру частиц грунта d85. Частицы с d85 > d образуют отмостку, ограничивающую глубину размыва.

Неразмывающая скорость v0, которая характеризует устойчивость наносов за пределами резко турбулентного потока у опоры, рассчитывается по среднему диаметру d.

Связные грунты

3.5. При определении глубины местного размыва в руслах из связных грунтов различают следующие виды расчета в зависимости от режима наносов:

а) поток влечет более 0,1 % мелких песчаных частиц наносов. В этом наиболее распространенном случае расчет осуществляется по формулам для режима наносов v > v0 (см. пп. 2.1, 2.7, 2.14, 2.16) с дополнительной проверкой глубины размыва в слое мелких песчаных частиц. За расчетную глубину местного размыва принимают меньшую из этих двух определений;

б) поток не содержит песчаных наносов (осветленный). Расчет проводится по формулам для режима наносов v £ v0.

3.6. Донную (vв.д.св) и среднюю (vв.св) взмучивающие скорости для связных грунтов определяют по формулам:

vв.д.св = 1,40 Н0,08 v0.св;                                                  (22)

vв.св = 2,0 Н0,14 v0.св,                                                    (23)

где v0.св - неразмывающая скорость для связного грунта, м/с, определяемая по преобразованной формуле Ц.Е. Мирцхулавы:

                                          (24)

e - коэффициент снижения неразмывающей скорости; когда поток влечет мелкие песчаные частицы, e = 1,4; в случае осветленного потока e = 1;

Ср - расчетное сцепление в грунте, 104 Па (тс/м2).

В целях ускорения расчета по формуле (24) значения v0.св можно определять по графику рис. 6. Для получения v0.св при e = 1 значения v0.св, полученные по рис. 6, следует умножить на 1,4.

Рис. 6. График для определения неразмывающей скорости v0.св связных грунтов при e = 1,4

3.7. Расчетное сцепление Ср при испытании образцов грунта определяют по формуле

                                                             (25)

где Сн - нормативное значение сцепления глинистого грунта, 104 Па, при степени влажности Sr ³ 0,8;

gд - коэффициент надежности по грунту, устанавливаемый в зависимости от изменчивости прочностных характеристик грунта и от числа определений при доверительной вероятности a = 0,90.

3.8. Для получения коэффициента надежности по грунту gд и расчетного значения Ср могут быть использованы стандартные полевые и лабораторные методы испытаний грунтов на сдвиг и рекомендации СНиП 2.02.01-83.

Кроме того, могут быть использованы значения сцепления, определяемые методом вдавливания в грунт сферического штампа (прибор Н.А. Цытовича) в полевых условиях.

При отсутствии данных о сцеплении Ср для предварительных стадий проектирования принимаются нормативные значения Сн по прил. 1.

Приложение 1

НОРМАТИВНЫЕ ЗНАЧЕНИЯ УДЕЛЬНОГО СЦЕПЛЕНИЯ Сн ПЫЛЕВАТО-ГЛИНИСТЫХ НЕЛЕССОВЫХ ГРУНТОВ ЧЕТВЕРТИЧНЫХ ОТЛОЖЕНИЙ (ПО СНиП 2.02.01-83)

Вид и консистенция грунта

Пределы изменения консистенции JL

Нормативное удельное сцепление Cн, 104 Па (тс/м), при коэффициенте пористости еп

0,45

0,55

0,65

0,75

0,85

0,95

1,05

Супеси:

 

 

 

 

 

 

 

 

мягкопластичные

0,25 < JL £ 0,75

1,9

1,5

1,3

1,1

0,9

-

-

полутвердые

0 £ JL £ 0,25

2,1

1,7

1,5

1,3

-

-

-

Суглинки:

 

 

 

 

 

 

 

 

мягкопластичные

0,5 < JL £ 0,75

-

-

2,5

2,0

1,6

1,4

1,2

тугопластичные

0,25 < JL £ 0,5

3,9

3,4

2,8

2,3

1,8

1,5

-

полутвердые

0 £ JL £ 0,25

4,7

3,7

3,1

2,5

2,2

1,9

-

Глины:

 

 

 

 

 

 

 

 

мягкопластичные

0,5 < JL £ 0,75

-

-

4,5

4,1

3,6

3,3

2,9

тугопластичные

0,25 < JL £ 0,5

-

-

5,7

5,0

4,3

3,7

3,2

полутвердые

0 £ JL £ 0,25

-

8,1

6,8

5,4

4,7

4,1

3,6

Примечания: 1. Характеристики приведены для грунтов, содержащих не более 5 % органического вещества и имеющих степень влажности Sr ³ 0,8.

2. Для грунтов с промежуточными значениями eп допускается определять значение Сн по интерполяции.

3. Если значения eп, JL и Sr грунтов выходят за пределы, предусмотренные таблицей, то характеристику Сн следует определять по данным непосредственных испытаний этих грунтов.

Если значения eп, JL, Sr меньше нижних предельных значений, приведенных в таблице, то допускается в запас надежности принимать Сн по таблице, ориентируясь на нижние пределы характеристик eп, JL и Sr.

Приложение 2

ПРИМЕРЫ РАСЧЕТОВ ГЛУБИНЫ МЕСТНОГО РАЗМЫВА У ОПОР МОСТОВ

Однородные несвязные грунты

Пример 1. Глубина потока Н = 5 м, скорость у опоры v = 0,63 м/с; опора - массивная (см. рис. 2, б), овальной формы, шириной b2 = 4,2 м, на выступающем над дном (е = 0,4 м) фундаменте шириной b1 = 4,6 м; длина опоры L = 12 м. Косина потока отсутствует (a = 0; Кa = 1). Русло сложено мелким песком, гранулометрический состав которого приведен в табл. 1 и характеризуется гранулометрической кривой (рис. 1 настоящего приложения).

Таблица 1

Фракция песка, мм

Средний диаметр частиц, мм

Массовая доля фракции Рi, %

Pi di

0,5 - 0,25

0,375

15,00

5,63

0,25 - 0,10

0,175

36,79

6,44

0,10 - 0,05

0,075

39,00

2,92

0,05 - 0,01

0,030

6,40

0,19

< 0,01

0,007

2,81

0,02

 

ΣPi di = 15,2

Средний диаметр частиц наносов определяем по формуле (21):

d =  = 0,152 ~ 0,15 мм.

По рис. 1 находим, что d85 = 0,175 мм. Так как d85/d =  = 1,17 < 1,2, т.е. грунт однородный, расчет производим по диаметру d = 0,15 мм.

Определяем неразмывающую скорость по формуле (13):

v0 = 3,6  = 0,60 м/с < 0,63 м/с,

т.е. имеем случай поступления наносов в воронку размыва (v > v0).

Так как нижняя часть опоры имеет небольшое уширение - b1/b2 = 4,6/4,2 = 1,09 < 1,2 и е = 1,0 м <  = 1,67 м, расчет производим по средней ширине опоры, которую определяем по формуле (3):

 м.

Зная, что d < 0,20 мм, по формулам (15) и (16) вычисляем донную и среднюю взмучивающие скорости потока перед опорой:

vв.д = 10,2  = 0,93 м/с;

vв = 0,93 × 1,86 = 1,73 м/с.

По формуле (17) определяем степенной параметр n:

n = 0,5 + 0,24 ×  = 0,5 + 0,16 = 0,66.

Глубина воронки местного размыва по формуле (1) при Кф = 0,85 (см. табл. 1) составит:

h = 1,1  × 0,85 = 1,1 × 4,63 × 0,51 × 0,85 = 2,21 м.

Заметим, что для предварительных расчетов (см. п. 2.14) степенной параметр n (при  < 1) был бы принят равным 0,67, что в данном случае не изменило бы глубину h.

Пример 2. Исходные данные те же, что в примере 1, но имеется косина потока a = 20°, а русло сложено однородными среднезернистыми песками со средним диаметром частиц d = 0,35 мм.

Рис. 1. График гранулометрического состава мелкого песка

Неразмывающая скорость в этом случае составит:

v0 = 3,6  = 0,74 м/с.

Поскольку v < v0, т.е. наносы в воронку размыва не поступают, расчет ведем по формуле (2).

Донную и среднюю взмучивающие скорости потока перед опорой определяем по формулам (14) и (16) при гидравлической крупности w = 0,038 м/с для d = 0,35 мм (см. табл. 2):

vв.д =  = 1,23 м/с;

vв = 1,23 × 1,77 = 2,17 м/с.

По формуле (17) вычисляем степенной параметр n:

n = 0,5 + 0,24  = 0,5 + 0,12 = 0,62.

Определяем коэффициент Кa. Для этого сначала при L/b =  = 2,9 и a = 20° по рис. 5 находим f = 0,4.

Затем по формуле (18) рассчитываем Кa:

Глубина местного размыва составит:

h = 1,1 × 4,30,6 × 5,00,4  × 0,85 × 1,32 = 2,59 м.

Примечание. Для ориентировочных расчетов при возведении чисел в дробную степень можно использовать график рис. 2 настоящего приложения.

Пример 3. Глубина потока Н = 9 м, скорость у опоры v = 1,9 м/с. Опора - массивная, из трех элементов (см. рис. 2, д): нижняя часть - из прямоугольных элементов ( = 1,24) шириной b1 = 9 м и b2 = 7 м; верхняя - овальной формы (Кф = 0,85) шириной b3 = 5,1 м. Уступы опоры имеют высоту от дна е1 = 2 м и e2 = 5 м. В уровне первого уступа (е1 = 2 м) имеется лобовая полка DL = 1 м.

Косина потока отсутствует. Русло сложено одноразмерным мелким песком со средним диаметром частиц d = 0,22 мм.

Рис. 2. График для возведения чисел в степень

Неразмывающая скорость по формуле (13) составит:

v0 = 3,6  = 0,76 м/с < 1,90.

Имеем случай v > v0, поэтому глубину местного размыва рассчитываем по формуле (5). Вначале определяем донную и среднюю взмучивающие скорости перед опорой:

vв.д =  = 1,28 м/с;

vв = 1,28 × 1,89 = 2,42 м/с.

Степенной параметр находим по формуле (17):

n = 0,5 + 0,24  = 0,86.

Определяем относительные высоты элементов опоры и значения коэффициентов Z:

 = 0,22; Z1 = 0,220,25 = 0,68;  = 0,55;

Z2 = 0,550,25 = 0,86.

Коэффициент снижения размыва Кп из-за наличия лобовой полки DL1 = 1 м вычисляем по формуле (19):

Кп = 0,75 + 0,25  = 0,87.

Так как ширина полки DL1 <  = 1,17, коэффициент Кп уточняем интерполяцией между DL1 и :

Наконец определяем глубину местного размыва по формуле (7):

h =

+ × 0,89 = 8,24 × 0,89 = 7,33 м.

Пример 4. Рассчитаем глубину размыва у опоры при тех же параметрах потока и размерах опоры, что и в примере 3, но опору перевернем на 180° таким образом, чтобы уширенная ее часть оказалась вверху (см. рис. 2, е). Тогда ширина элементов опоры b1 = 5,1 м, b2 = 7 м и b3 = 9 м, а высота уступов над дном и параметры Z будут иметь значения: е1 = 4 м, Z1 =  = 0,82 и е2 = 7 м, Z2 =  = 0,94. Глубину местного размыва у опоры определим по формуле (7) при параметре переноса наносов (см. пример 3)  = 0,81:

h =  = 5,32 м,

т.е., по сравнению со схемой опоры из примера 3 (без учета коэффициента К*п) глубина размыва уменьшилась более чем в 1,5 раза  = 1,55, что свидетельствует о слабом влиянии на местный размыв уширения опоры, если оно расположено вверху опоры.

Пример 5. Параметры потока и грунт примем те же, что и в примере 3. Косина потока отсутствует. Опора - массивная, из двух элементов (см. рис. 2, в): нижний элемент шириной b1 = 7 м - прямоугольной формы ( = 1,24), возвышающийся над дном на е = 2 м, верхний элемент шириной b2 = 5,1 м - с полуциркульными торцами ( = 0,85). На уровне е = 2 м расположена лобовая полка шириной DL1 = 0,95 м.

Значение коэффициента Кп составит:

Кп = 0,75 + 0,25  = 0,87.

Так как DL1 = 0,95 м >  = 0,85, корректировать значение Кп не требуется.

Приняв из предыдущего примера параметр переноса наносов (v/vв)n = 0,81 и Z = 0,68, по формуле (5) определяем глубину местного размыва у опоры:

h =  × 0,87 = 6,90 × 0,87 = 6,0 м.

Для сравнения рассчитаем глубину размыва по средней ширине опоры, которую определим по формуле (3):

Средний коэффициент формы опоры находим по формуле (4):

Глубина размыва рассчитывается по формуле (1):

h = 1,1  × 0,81 × 0,96 = 6,03 м < 6,90 м,

т.е. при расчете по bср мы занизили бы глубину размыва на 14 %.

Пример 6. Опору шириной в нижней части b1 = 6 м предполагается строить в две очереди: в первый год забивается ограждающий металлический шпунт, образующий прямоугольный контур 6 ´ 12 м, высотой над дном после общего размыва е = 2,3 м; на следующий год, после прохода паводка с ожидаемой вероятностью превышения 10 %, предусматривается возведение опоры.

Требуется определить глубину местного размыва у шпунтового ограждения для назначения глубины забивки шпунта.

Глубина и скорость потока для паводка вероятностью 1:10 определены морфометрическим расчетом: Н = 6,7 м, v = 1,1 м/с. Грунт русла реки на глубину 7 м представлен однородным среднезернистым песком (d = 0,3 мм).

Таким образом, расчетная схема шпунтового ограждения представляет собой затопляемую преграду (см. рис. 2, з).

Определяем по формуле (13) неразмывающую скорость

v0 = 3,6 ×  = 0,76 м/с < 1,1.

Донная и средняя взмучивающие скорости по формулам (14) и (16) составят:

vв.д =  = 1,29 м/с;

vв = 1,29 × 1,81 = 2,33 м/с.

Степенной параметр рассчитаем по формуле (17):

n = 0,5 + 0,24 ×  = 0,70.

Находим относительную высоту преграды и коэффициент Z:

 = 0,34; Z = 0,340,25 = 0,76.

Глубину местного размыва определяем по формуле (11):

h = 1,1  × 0,76 × 1,24 = 3,87 м.

Слоистое строение несвязных грунтов

Пример 7. Глубина потока Н = 18 м, скорость у опоры v = 1,8 м/с; опора - на высоком ростверке с закругленными торцами, на круглых сваях-оболочках диаметром d = 1 м, с шагом (в свету) S = 1 м (см. рис. 2, ж). Возвышение подошвы ростверка над дном е1 = 6,5 м, а его обреза над дном - е2 = 10 м. Ширина ростверка b1 = 6,6 м. Тело опоры - овальной формы, шириной b2 = 5 м.

Косина потока отсутствует. Русло сложено слоями однородных грунтов, для которых значения скоростей, характеризующих устойчивость наносов, приведены в табл. 2 настоящего приложения.

Таблица 2

Грунт

Глубина залегания грунта, м

d, мм

w, м/с

v0, м/с

vв.д, м/с

vв, м/с

Песок среднезернистый

0 - 2,8

0,25

0,027

0,93

1,68

3,28

Песок крупнозернистый

2,8 - 5,0

1,20

0,110

1,37

2,67

4,75

Гравий

5,0 - 12,0

5,00

0,249

1,96

3,52

5,74

Определяем относительные высоты элементов опоры и значения коэффициентов Z1 и Z2:

 = 0,36; Z1 = 0,360,25 = 0,77;  = 0,55; Z2 = 0,550,25 = 0,86.

Глубину размыва в двух верхних слоях грунта находим по формуле (9), приняв безразмерный коэффициент, характеризующий число свай АN = 2,1 (три сваи в ряду), и коэффициенты формы ростверка и тела опоры  = 0,85, круглых свай-оболочек Kфс = l.

По формуле (9) определяем глубину размыва в первом верхнем слое грунта при степенном параметре n = 0,5 + 0,24  = 0,76:

h =

 = 4,24 × 0,63 × 1,62 = 4,32 м.

Поскольку 4,32 м > 2,8 м, обнажается второй слой грунта.

Находим глубину размыва во втором слое при степенном параметре n = 0,5 + 0,24  = 0,66:

h =  × 1,62 = 4,24 × 0,53 × 1,62 = 3,64 м,

т.е. размыв прекратится в крупнозернистом песке. Расчетную глубину размыва следует принимать равной 3,64 м.

Разнородные несвязные грунты

Пример 8. Глубина потока Н = 10,1 м, скорость у опоры v = 1,56 м/с. Опора массивная: ее нижняя часть шириной b1 = 6,6 м выступает над дном на e = 3 м; верхняя часть шириной b2 = 6 м. Обе части опоры овальной формы.

Косина потока отсутствует. Русло сложено среднезернистым и крупным песком с гравием, гранулометрический состав которого приведен в табл. 3 настоящего приложения.

Средний диаметр частиц наносов d = 2,09 мм.

Таблица 3

Фракция крупного песка с гравием, мм

Средний диаметр фракций наносов di, мм

Массовая доля фракции Рi, %

Рi di

10 - 5

7,500

15,0

112,50

5 - 2

3,500

16,6

58,10

2 - 1

1,500

12,1

18,20

1 - 0,5

0,750

7,5

5,60

0,5 - 0,25

0,375

29,4

11,00

0,25 - 0,1

0,175

19,1

3,30

0,1 - 0,05

0,075

0,3

0,02

 

ΣРi di = 208,7

Рис. 3. График гранулометрического состава среднего и крупного песка с гравием

По графику гранулометрического состава (рис. 3 настоящего приложения) находим, что d85 = 3,5 мм. Поскольку  = 1,67 > 1,20, грунт неоднородный. Расчет следует вести на диаметр частиц d85, которые создадут отмостку воронки размыва. Однако неразмывающую скорость v0, которая характеризует устойчивость наносов за пределами резко деформированного потока у опоры, определяем по среднему диаметру d:

v0 = 3,6  = 1,37 м/с < 1,58 м/с.

Донная и средняя взмучивающие скорости перед опорой по формулам (14) и (16) при d85 = 3,5 мм и w = 0,211 м/с (см. табл. 2) составит:

vв.д =  = 2,75 м/с;

vв = 2,75 × 1,60 = 4,40 м/с.

Степенной параметр n = 0,5 + 0,24  = 0,64.

Так как е = 3 м <  и b1/b2 = 6,6/6 = 1,1, расчет глубины размыва производим по формуле (1):

 м;

h = 1,1  × (1,56/4,40)0,64 × 0,85 = 3,76 м.

Заметим, что при принятых параметрах потока и опоры, но разных коэффициентах формы частей опоры ( = 1,1 ÷ 1,2), расчет по bср и по формуле для переменного сечения дает одинаковую глубину размыва.

Если бы расчет производился без учета самоотмостки русла по среднему диаметру частиц песчаных наносов d = 2,09 мм, глубина местного размыва составила бы:

vв.д =  = 2,49 м/c;  = 4833;

 = l,66; vв = 2,49 × 1,66 = 4,13 м/с;

n = 0,5 + 0,24  = 0,65;

h = 1,1  × 0,85 = 3,91 м.

Пример 9. Глубина потока Н = 10 м, скорость у опоры v = 1,2 м/с; опора - овальной формы, на высоком прямоугольном ростверке, на круглых сваях-оболочках диаметром а = 0,8 м, с шагом (в свету) S = 1 м (см. рис. 2, ж). Возвышение подошвы ростверка над дном е1 = 2,4 м, а его обреза над дном - е2 = 5 м. Ширина ростверка b1 = 5,4 м, тела опоры - b2 = 4 м.

Косина потока отсутствует. Русло сложено на глубину более 7 м неоднородным песком. Расчетный диаметр частиц грунта, определенный по гранулометрическому графику, составляет d = 0,8 мм.

Неразмывающая скорость

v0 = 3,6  = 1,08 м/с < 1,2 м/с.

Донную и среднюю взмучивающие скорости определяем по формулам (14) и (16), приняв гидравлическую крупность по табл. 2 равной w = 0,0807 м/с:

vв.д =  = 1,99 м/с;

vв = 1,99 × 1,75 = 3,48 м/с.

Степенной параметр по формуле (17) n = 0,5 + 0,24  = 0,64.

Относительные высоты элементов опоры и значения коэффициентов Z составят:

 = 0,24; Z1 = 0,240,25 = 0,70;  = 0,5; Z2 = 0,50,25 = 0,84.

Глубину местного размыва определяем по формуле (9), приняв безразмерный коэффициент AN = 2,1 (три сваи в ряду):

h =

 = 2,45 м.

Пример 10. Глубина потока Н = 9,34 м, скорость у опоры v = 1,00 м/с. Опора - из круглых свай-оболочек больших диаметров, образующих в поперечном направлении два столба, объединенных плитой ростверка (рис. 4 настоящего приложения).

Поток набегает на опору под углом a = 20°. Русло реки у опоры сложено неоднородным песком с расчетным диаметром частиц наносов по гранулометрическому графику d85 = 0,60 мм.

Неразмывающая скорость

v0 = 3,6 ×  = 0,98 м/с < 1,00 м/с.

Рис. 4. Схема двухстолбчатой опоры

Донная и средняя взмучивающие скорости при гидравлической крупности w = 0,0648 м/с (см. табл. 2) составляют:

vв.д =  = 1,81 м/с;

vв = 1,81 × 1,78 = 3,22 м/с.

Степенной параметр находим по формуле (17):

n = 0,5 + 0,24  = 0,63.

Определяем относительную высоту нижней части опоры и значение коэффициента Z (см. рис. 4):

 = 0,57; Z = 0,570,25 = 0,87.

Глубину местного размыва для этого типа опоры рассчитываем как для массивной круглой опоры из двух элементов по формуле (5), но при определении коэффициента косины Кa следует учесть особенность обтекания двух близко расположенных столбов-оболочек. С этой целью воспользуемся опытными данными И.В. Дитца /7/, по которым построен график рис. 5 данного приложения для двух случаев: для раздельных свай (кривые 1 - 3, h/a  Ka) и спаренных свай (кривая 4, h/a  Kф Ka).

Из графика рис. 5 для нижней части опоры имеем:

Рис. 5. Изменение относительной глубины размыва hв зависимости от косины потока для свай-оболочек:

1 - S/а = 0,5 ÷ 1,0; 2 - S/а = 2,0; 3 - S/а = 3,0; 4 - S = 0

По кривой 1 для a = 20° получаем  = 1,2.

Для верхней части опоры при  = 1,9, интерполируя между кривыми 1 и 2, получаем  = 1,13.

Приняв коэффициент формы элементов опоры  = 1, по формуле (5) определяем глубину местного размыва:

h =  = 3,80 м.

Пример 11. Исходные данные те же, что в примере 1, но русло сложено мягкопластичным суглинком с показателем консистенции JL = 0,6 и коэффициентом пористости еп = 0,75. Поток влечет песчаные наносы со средним диаметром частиц d = 0,15 мм.

Согласно данным инженерно-геологических исследований расчетное значение удельного сцепления в грунте Ср = 1,95 × 104 Па.

По рис. 6, учитывая, что поток влечет песчаные наносы (e = 1,4), определяем неразмывающую скорость

v0.св = l,65 м/с.

Взмучивающие скорости перед опорой находим по формулам (22) и (23):

vв.д.св = 1,4 × 5,00,08 × 1,65 = 2,63 м/с;

vв.св = 2,0 × 5,00,14 × l,65 = 4,13 м/с.

Степенной параметр по формуле (17) составит:

n = 0,5 + 0,24 ×  = 0,56.

Тогда глубина местного размыва по формуле (1):

h = 1,1  × 0,85 = 1,52 м.

Полученную глубину размыва необходимо сравнить с глубиной воронки, которая могла бы образоваться в слое донных наносов. Из примера 1 видно, что эта глубина составила 2,21 м, что больше глубины воронки в связном грунте. Согласно указаниям п. 3.5, а за расчетную принимаем глубину h = l,52 м в связном грунте.

ЛИТЕРАТУРА

1. Андреев О.В. Проектирование мостовых переходов. М.: Транспорт, 1980.

2. Журавлев М.М. Местный размыв у опор мостов. М.: Транспорт, 1984.

3. Журавлев М.М. Расчет местного размыва у опор сложной формы. - Автомобильные дороги, 1985, № 4.

4. Кнороз B.C. Неразмывающие (предельные) скорости разнозернистых по крупности материалов. - Изд. ВНИИГ, т. 71, 1962.

5. Пичугов Г.С. Влияние формы фундамента мостовых опор на местный размыв. - Труды Гипродорнии, вып. 31. М., 1980.

6. Ярославцев И.А. Расчет местного размыва у мостовых опор. ЦНИИС. Сообщение № 80. М., 1956.

7. Dietz J.W. Kolkbieldung an einem kreiszilindrischen Pfeilerpaar. Die Bautechnik, 1973, N 6

Основные буквенные обозначения

b - ширина опоры или ее элемента

Ср - расчетное удельное сцепление в связном грунте

d - средний диаметр частиц наносов

d85 - диаметр частиц наносов, меньше которого в пробе содержится 85 % частиц по массе

e - высота уступа опоры или подошвы ростверка над дном; высота затопляемой преграды

g - ускорение силы тяжести

h - расчетная глубина местного размыва

Н - средняя глубина потока у опоры

a - угол между направлением потока и осью опоры (угол косины); при соосности опоры с потоком a = 0

Кф, Кa - коэффициенты соответственно формы и косины потока

L - длина опоры

a - диаметр или ширина свай

S - расстояние между сваями в свету

v - скорость потока у опоры

v0, v0.св - неразмывающая скорость соответственно несвязного и связного грунтов

vв.д, vв - соответственно донная и средняя взмучивающие скорости у опоры для несвязных грунтов русла

vв.д.св, vв.св - то же, для связных грунтов русла

w - гидравлическая крупность частиц, наносов (скорость их падения в стоячей воде).

СОДЕРЖАНИЕ

Предисловие. 1

1. Общие положения. 3

2. Метод расчета глубины местного размыва. 4

3. Особенности расчета глубины местного размыва при разных грунтах русла. 12

Однородные несвязные грунты.. 12

Слоистое строение несвязных грунтов. 12

Разнородные несвязные грунты.. 12

Связные грунты.. 12

Приложение 1. Нормативные значения удельного сцепления Сн пылевато-глинистых нелессовых грунтов четвертичных отложений (по СНиП 2.02.01-83) 14

Приложение 2. Примеры расчетов глубины местного размыва у опор мостов. 14

Литература. 25

 

 




ГОСТЫ, СТРОИТЕЛЬНЫЕ и ТЕХНИЧЕСКИЕ НОРМАТИВЫ.
Некоммерческая онлайн система, содержащая все Российские Госты, национальные Стандарты и нормативы.
В Системе содержится более 150000 файлов нормативно-технической документации, действующей на территории РФ.
Система предназначена для широкого круга инженерно-технических специалистов.

Рейтинг@Mail.ru Яндекс цитирования

Copyright © www.gostrf.com, 2008 - 2026