Крупнейшая бесплатная информационно-справочная система онлайн доступа к полному собранию технических нормативно-правовых актов РФ. Огромная база технических нормативов (более 150 тысяч документов) и полное собрание национальных стандартов, аутентичное официальной базе Госстандарта. GOSTRF.com - это более 1 Терабайта бесплатной технической информации для всех пользователей интернета. Все электронные копии представленных здесь документов могут распространяться без каких-либо ограничений. Поощряется распространение информации с этого сайта на любых других ресурсах. Каждый человек имеет право на неограниченный доступ к этим документам! Каждый человек имеет право на знание требований, изложенных в данных нормативно-правовых актах!

  


 

ГОСУДАРСТВЕННЫЙ КОМИТЕТ РОССИЙСКОЙ ФЕДЕРАЦИИ
ПО СТРОИТЕЛЬСТВУ И ЖИЛИЩНО-КОММУНАЛЬНОМУ КОМПЛЕКСУ

ООО «НАУЧНО-КОНСУЛЬТАЦИОННЫЙ
ЦЕНТР ЖИЛИЩНО-КОММУНАЛЬНОГО
ХОЗЯЙСТВА» («НКЦ ЖКХ»)

МЕТОДИЧЕСКИЕ РЕКОМЕНДАЦИИ
по выбору, установке и эксплуатации
приборов учета и регулирования
расхода тепловой энергии,
холодной и горячей воды

УПРАВЛЕНИЕ, ЭКОНОМИКА.
КОМПЬЮТЕРНЫЕ ТЕХНОЛОГИИ ЖКХ

Москва 2003г.

Настоящие "Рекомендации ...", разработаны ООО «НКЦЖКХ» (авторы: рук. проектов Я.И. Герсамия, рук. проектов к.э.н. В.С. Мордовина).

"Рекомендации ..." содержат методические указания при выборе средств измерений, экономическую целесообразность их применения, технические требования к СИ, сведения о российских и зарубежных производителях СИ, допущенных для использования в сфере ЖКХ.

"Рекомендации ..." разработаны в соответствии с действующими нормативно-правовыми актами Правительства Российской Федерации, Минтопэнерго РФ и Госстроя РФ.

109390, г. Москва, ул. Артюхиной, д.6 «Б», офис 610

ООО «НКЦ ЖКХ»

тел/факс: (095)178-47-74

СОДЕРЖАНИЕ

Введение. 2

I. Принципы работы приборов учета /методические указания при выборе приборов учета/ 2

II. Оценка экономической целесообразности установки приборов учета. 7

III. Радиаторные термостаты /проблемы выбора и применение/ 17

IV. Требования к средствам измерения холодной и горячей воды в квартирах и разработки проектов их установки, монтажа и ввода в эксплуатацию.. 19

V. Требования к коммерческим средствам измерения тепловой энергии и теплоносителей. 21

VI. Выбор, внедрение, метрологическое обеспечение приборов учета. 23

VII. Законодательные и нормативные документы /по энергосбережению/ 35

Литература. 37

Введение

Жилищно-коммунальное хозяйство является крупнейшим потребителем топливно-энергетических ресурсов (свыше 30 % выработки тепловой энергии в России). Ежегодная потребность в расходах на ЖКХ колеблется от 35 % до 50 % муниципальных бюджетов.

Реформирование ЖКХ ведет к прекращению государственного дотирования энергетических предприятий и потребителей их продукции, что обусловливает необходимость приведения тарифов на энергетическую продукцию в соответствии с фактическими затратами на ее производство.

Возникла объективная необходимость более рационального энергоиспользования путем повсеместного внедрения энергоэффективных технологий, учета фактически потребляемых тепловой энергии, холодной и горячей воды, газа, электроэнергии. Отсутствие должного приборного учета приводит к колоссальным потерям тепловой энергии и теплоносителя в протяженных и сильно разветвленных городских тепловых сетях, а также низкую надежность централизованных теплоснабжающих систем. По экспертным оценкам, в настоящее время утечки теплоносителя из сетей достигают 20 % транспортируемого расхода, тепловые потери в сетях доходят до 30 % отпущенной энергии.

Кроме того, конструкции отопительных установок жилых зданий существующей застройки не позволяют регулировать теплоотдачу отопительных приборов. Как правило, отсутствует регулирование отопительной нагрузки на тепловых пунктах, что приводит к перерасходу тепловой энергии в домах. Значительные перерасходы воды на горячее и холодное водоснабжение также можно связать с отсутствием приборов учета. Этому способствуют и существующие до настоящего времени способы расчета с потребителями за холодную и горячую воду - на основе нормативов.

За последние 3 - 4 года значительно расширился круг отечественных производителей энергосберегающего оборудования и увеличилась номенклатура этой продукции; на российском рынке также достаточно в большом количестве представлены технические средства, выпускаемые иностранными фирмами.

Однако информация об отечественных и импортных технических средствах носит, как правило, лишь рекламный характер. Систематизированной объективной информации, доступной широкому кругу потребителей, до настоящего времени практически нет.

"Рекомендации ...", разработанные ООО («НКЦ ЖКХ») содержат методические указания при выборе средств измерений, экономическую целесообразность их применения, технические требования к СИ, сведения о российских и зарубежных производителях СИ, допущенных для использования в сфере ЖКХ.

I. Принципы работы приборов учета/ методические указания при выборе приборов учета/

Для учета количества израсходованных воды, пара и тепла используются счетчики воды и пара, а также теплосчетчики. Метрологические характеристики этих приборов (погрешность, диапазон измерения, межповерочный интервал и др.) должны быть удостоверены сертификатом Госстандарта РФ.

Основной функцией счетчика является измерение расхода (объема) энергоносителя (вода, пар), прошедшего по трубопроводу за время учета, и фиксирование этого количества в цифровой форме. Для формирования, хранения и регистрации информации используется устройства памяти, регистраторы, таймеры. Современные счетчики имеют в своем составе устройства, обеспечивающие возможность выполнения этих и некоторых других функций (защита от несанкционированного доступа, самодиагностика, представление результата измерения в различной форме, сигнализация о превышении предельных значений параметра), которые можно назвать дополнительными.

Расход тепловой энергии измеряется теплосчетчиками.

Определение тепловой энергии, передаваемой теплоносителем, может быть осуществлено лишь путем косвенного измерения объема поступившего теплоносителя, его температуры и давления до и после отдачи тепла.

Для обработки результатов измерения расхода теплоносителя и его параметров в составе теплосчетчика имеется вычислительное устройство, использование которого возможно также и для выполнения целого ряда дополнительных функций.

Таким образом, приборы, обеспечивающие все измерительные операции, необходимые для учета параметров теплоносителя и тепловой энергии в составе узлов учета, это - счетчики воды или пара, теплосчетчики и тепловычислители.

Наряду с измерениями и обработкой результатов измерений приборы учета должны выполнять также дополнительные функции по хранению и регистрации информации о потребленных количествах теплоносителя и тепловой энергии, а также о режимах теплоснабжения. Ряд современных теплосчетчиков могут обеспечить выполнение практически всех функций по измерению, обработке, хранению и регистрации информации.

Выпускаемые счетчики воды и пара, тепловычислители и теплосчетчики различаются по методу измерения, метрологическим характеристикам, структурно-функциональным особенностям, условиям монтажа и эксплуатации, цене. В этих условиях выбор средств приборного обеспечения для учета тепла и теплоносителя представляет собой непростую задачу, которая состоит в том, чтобы, во-первых, правильно выбрать метод измерения расхода (количества) теплоносителя, во-вторых, выбрать тип прибора, наиболее соответствующий вашим условиям и возможностям.

Рассмотрим основные используемые методы измерения и характерные особенности приборов, реализующих эти методы.

Метод переменного перепада давления (дифманометрический)

При течении жидкости или газа по трубе перепад давления на сужающем устройстве (диафрагме) пропорционален квадрату скорости потока.

Особенности метода измерения:

·      может быть применен для измерения пара и воды;

·      при условии соблюдения требований Правил РД 50-411-83 не нуждается в градуировке на теплоносителе;

·      применение приводит к потерям давления на сужающем устройстве;

·      динамический диапазон 1:3, т.е. обеспечивает измерение, начиная с величин расхода 30 % верхнего предела;

·      требует протяженных прямолинейных участков трубопровода (несколько десятков Dу) до и после места установки сужающего устройства;

·      зависимость показаний расходомера от параметров измеряемой среды (давления, температуры).

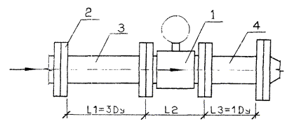
Тахометрический

В качестве чувствительного элемента в приборах этого типа (см. схему 1) используется крыльчатка (или турбинка), которая приводится во вращение потоком контролируемой воды. Каждому обороту крыльчатки соответствует определенное количество воды. Таким образом, количество оборотов пропорционально количеству теплоносителя.

Особенности метода измерения:

·      первичный преобразователь не нуждается в питании;

·      доступен каждому потребителю, т.к. прост в эксплуатации, обслуживании, ремонте и является одним из самых недорогих приборов;

·      обеспечивает измерение в диапазоне (до 1:50) измерения скорости потока;

·      не требует протяженных прямолинейных участков трубопровода (как правило, это L1 = 5Ду до прибора и L3 = 1Ду после) см. схему 2;

·      в полости трубопровода помещается вращающийся элемент конструкции;

·      не обеспечивает измерения мгновенного расхода;

·      ограничения по верхнему пределу температуры воды;

·      критичен к твердым и вязким примесям в воде, для надежной работы необходим фильтр на входе прибора (см. схему 2).

Схема 1

/конструкция счетчика воды крыльчатого типа/

1 - крыльчатка; 2 - уплотнительная панель; 3 - прижимная панель; 4 - уплотнительное кольцо; 5 - фильтр; 6 - скользящее кольцо; 7 - основная ось; 8 - счетный механизм; 9 – кожух счетного механизма; 11 - звездочка; 12 - индикатор; 13 - защитное кольцо; 14 - прижимное кольцо; 15 - хомут; 16 - штуцер; 17 - гайка; 18 - уплотнительная прокладка; 19 - дроссель; 20 - узел датчика; 21 - специальный винт; 22 - футляр магнита; 23 - магнит; 25 - магнитный экран.

Схема 2 /пример монтажа/

1 - счетчик воды; 2 - задвижка; 3 - фильтр магнитный; 4 - патрубок; 5 - патрубок; 6 - прокладка; 7 - фланец по ГОСТ 12815.

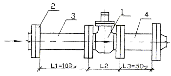
Вихревой

При обтекании жидкостью или газом твердого тела за ним образуется вихревой след, частота вихреобразования пропорциональна скорости течения. Измерение частоты пульсаций в вихревом следе позволяет получить сигнал, пропорциональный скорости потока и при определенных условиях - его расходу (см. схему 3).

Особенности метода измерения:

·      может быть применен для измерения пара и воды;

·      обеспечивает измерение в широком диапазоне (до 1:50) измерения скорости потока;

·      необходимо размещение в полости трубопровода тела обтекания, частично "затеняющего" сечение канала;

·      требует протяженных прямолинейных участков трубопровода (L1 = 10Dy до прибора и L3 = 5Dy после места установки тела обтекания) см. схему 4;

·      независимость показаний от параметров измеряемой среды (давления, температуры).

Схема 3

/конструкция прибора/

1 - поворачивающийся счетный механизм; 2 – пластина, отделяющая счетный механизм от водяной камеры; 3 - корпус; 4 - фильтр; 5 - тело обтекания.

Схема 4 /пример монтажа/

1 - счетчик воды; 2 - фланец по ГОСТ 12815; 3 - патрубок; 4 – патрубок.

Ультразвуковой

Существует ряд разновидностей ультразвукового метода измерения расхода: времяимпульсный, доплеровский, корреляционный. Во всех случаях контролируемый поток пронизывается ультразвуком, а его скорость определяется либо по времени, за которое ультразвук проходит путь от излучателя до приемника, либо по времени, за которое прозвученный участок потока проходит определенное расстояние (см. схему 5).

Особенности метода измерения:

·      не содержит элементов конструкций в потоке;

·      обеспечивает измерение в широком диапазоне (до 1:50) измерения скорости потока;

·      критичен к образованию слоев накипи на внутренней поверхности трубы;

·      требует протяженных прямолинейных участков трубопровода (L1 = 10Dy и более до прибора и L3 = 5Dy после).

Схема 5

/конструкция прибора/

1 - корпус; 2 - преобразователи ультразвука; 3 - отражатели; 4 - электронный блок.

Схема 6 /пример монтажа/

1 - ультразвуковой счетчик; 2 - фланец; 3, 4 – патрубок.

Электромагнитный

При протекании воды в электромагнитном поле возникает электрическое поле, потенциал которого пропорционален скорости потока, а при определенных условиях может быть пропорционален и расходу даже при изменениях распределения скорости по сечению трубы. Этим определяется широкий диапазон и высокая точность электромагнитных преобразователей расхода (см. схема 7).

Особенности метода измерения:

·      не содержит элементов конструкции в потоке, не искажает профиля потока, не создает застойных зон и местных сопротивлений;

·      обеспечивает измерение в широком диапазоне (до 1:100) измерения скорости потока;

·      критичен к "замасливанию" внутренней поверхности трубы.

Схема 7 /конструкция прибора/

Н, L, A, Dy - присоединительные и габаритные размеры.

Схема 8 /пример монтажа/

В табл. 1 приведены показания приборов учета в зависимости от метода и их стоимость.

Таблица 1

Метод измерения

Диапазон измерения, м3

Диапазон диаметров, мм

Погрешность, %

Стоимость, руб. /на 15.10.99 г./

1

2

3

4

5

Механический

Счетчики воды:

 

 

 

 

- крыльчатые

0,03 - 20

15 - 40

2 - 5

150 - 1000

- турбинные

0,7 - 1200

50 - 250

2 - 5

1200 - 3500

Теплосчетчики

0,03 - 1200

15 - 250

4 - 6

4100 - 7600

Ультразвуковой

Счетчики воды:

 

 

 

 

- корпусные

0,01 - 600

15 - 250

2 - 5

2000 - 30000

- с накладными датчиками

0,1 - 1000

15 - 500

5

8000 - 50000

Теплосчетчики

0,01 - 6000

15 - 1200

4 - 6

4000 - 32000

Вихревой

Счетчики воды:

 

 

 

 

- измерение пульсаций давления

0,5 - 500

32 - 200

1,5

3600 - 8000

- измерение пульсаций ЭДС

0,5 - 1500

32 - 200

1,5

2500 - 6000

Электромагнитный

Счетчики воды

0,05 - 350

10 - 150

1,0

3600 - 9000

Теплосчетчики

0,05

10 - 200

2,0

9000 - 30000

II. Оценка экономической целесообразности установки приборов учета

Оценка экономической целесообразности учета тепловой энергии и теплоносителя.

Оборудование узла учета тепловой энергии и теплоносителя на тепловом пункте требует значительных единовременных капиталовложений, но в результате приводит к упорядочиванию взаимных расчетов между сторонами теплоснабжающей организацией и теплопотребителем, а также к значительному снижению расходов абонента на оплату тепловой энергии и теплоносителя. Затраты на оборудование узла учета окупаются, как правило, в период от нескольких месяцев до нескольких лет.

Тем не менее, прежде чем принять решение об организации узла учета с каким-либо набором оборудования, следует оценить экономическую целесообразность этого мероприятия. Таким показателем экономической эффективности является срок окупаемости капиталовложений в оборудование узла учета.

Срок окупаемости (Т, лет) вычисляется как отношение объема единовременных капиталовложений в узел учета (К, руб.) к разнице между снижением ежегодных затрат на оплату тепловой энергии и теплоносителя (DЗт, руб./год) и величиной ежегодных затрат на реновацию, обслуживание, ремонт и поверку приборов учета р, руб./год).

;

,

где:

К - капиталовложения в сооружение узла учета, руб.;

DЗт - снижение ежегодных затрат на тепловую энергию и теплоноситель, руб./год;

Зн - ежегодные затраты на тепловую энергию и теплоноситель по нормативу, руб./год;

Зф - ежегодные затраты на тепловую энергию и теплоноситель по факту, руб./год;

Зр - ежегодные затраты на реновацию, обслуживание, ремонт и поверку приборов узла учета, руб./год.

Очевидно, что оборудование узла учета целесообразно, если срок окупаемости (Т, лет) не превышает срок службы узла учета (ТЕ, лет):

Т < ТЕ.                                                                     (2)

Оценка значений технико-экономических параметров

Капиталовложения в узел учета (К) включают в себя затраты на основное оборудование и материалы, проектные работы, согласования, при необходимости монтажные работы с реконструкцией объекта. Чем больше расчетная нагрузка теплового пункта, тем большие капиталовложения необходимы в оборудование узла учета (К). Вместе с тем, удельные капиталовложения уд) в узел учета, выражающие размер капитальных вложений, приходящийся на единицу вводимой в действие производственной мощности теплового пункта, как правило, тем меньше, чем больше расчетная нагрузка теплового пункта. Реконструкция теплового пункта необходима для соблюдения требований правил монтажа приборов учета и обеспечения возможности ремонта, обслуживания и поверки установленного оборудования. Доля затрат на реконструкцию может быть значительной составляющей общих капиталовложений.

Для оценки ожидаемого снижения ежегодных затрат на тепловую энергию и теплоноситель (DЗт) сравним проектное потребление тепловой энергии общественного здания /присоединенного к закрытой системе централизованного теплоснабжения и имеющего узел учета на тепловом пункте/ с фактическим, определенным по приборам учета (табл. 1).

Расходы (Гкал) тепловой энергии на отопление здания при расчетной нагрузке 0,1 Гкал/ч

Таблица 1

Месяц

Проектные

По показаниям приборов

Январь

45,73

25,34

Февраль

40,32

25,59

Март

35,75

12,18

Апрель

19,32

13,85

Май

-

-

Июнь

-

-

Июль

-

-

Август

-

-

Сентябрь

0,61

-

Октябрь

19,60

9,0

Ноябрь

30,20

13,4

Декабрь

41,01

17,55

За год

232,54

116,91

Данные табл. 1 показывают, что фактические расходы тепловой энергии на отопление здания значительно меньше проектных. Такое несоответствие обусловлено:

·      Поставщик тепловой энергии - предприятие тепловых сетей зачастую является и перепродавцом, покупая тепловую энергию от источника и рассчитываясь, как правило, по приборам учета, установленным на границе принадлежности. Купленная тепловая энергия транспортируется по тепловым сетям потребителям. У одних потребителей на вводах установлены приборы учета, по показаниям которых они рассчитываются. Для объектов, не имеющих приборов учета, потребление тепловой энергии определяется в соответствии с проектными (паспортными) нагрузками, при этом в потребление включаются еще и сверхнормативные потери на сетях поставщика.

Фактические потери в тепловых сетях, как правило, значительно превышают нормативные. Это объясняется как объективными (износ сетей, устаревшее оборудование и т.п.), так и субъективными (отсутствие наладки гидравлических и температурных режимов и т.п.) факторами. Поэтому учесть тепловые потери в сетях в полном объеме очень сложно, и значительная их часть неизбежно относится на потребителей, не имеющих приборов учета.

Одним из условий решения данной проблемы является введение двухставочных тарифов, в частности, на тепловую энергию. Существующая сегодня система расчетов за используемую тепловую энергию, теплоносители и бытовую воду далека от совершенства. Главные ее недостатки заключаются в том, что поставщик, перераспределяя сверхнормативные потери при транспортировке тепла и воды, не заинтересован в их сокращении. Действующая в настоящее время система формирования тарифа не дает предприятию стимулов к снижению непроизводительных потерь и поддержанию в исправном состоянии оборудования, в обеспечении оптимального режима работы систем регулирования подачи тепла на отопление и горячее водоснабжение.

Внедрение «Методики расчета двухставочного тарифа на тепловую энергию» имеет своей целью создание предпосылок для экономической заинтересованности поставщиков тепловой энергии и органов местного самоуправления в экономии энергоресурсов.

При внедрении данной «Методики ...» проводятся следующие работы:

- Адаптация «Методики расчета двухставочного тарифа на тепловую энергию» к технологическим особенностям производства и транспортировки тепловой энергии;

- Анализ финансово-хозяйственной деятельности предприятий - поставщиков тепловой энергии;

- Внедрение в расчетах двухставочного тарифа, при котором платеж потребителя тепловой энергии делится на 2 неравные (в общем случае) части. Первая часть - постоянный платеж за содержание сетей и обеспечение бесперебойной работы оборудования, рассчитываемый на основании заявленной (паспортной) нагрузки объектов потребителя тепловой энергии. Вторая часть - переменный платеж за фактическое потребление тепловой энергии, соответствующее показаниям приборов учета. В случае отсутствия приборов учета у потребителя, его совокупный платеж по двухставочному тарифу равен платежу, рассчитанному по действующим нормативным актам;

- Разработка системы целевого использования доли прибыли теплоснабжающих предприятий, приходящейся на постоянную часть платежа по двухставочному тарифу, на модернизацию сетей поставщика тепловой энергии и оборудования теплоисточников.

Результатом проведения вышеуказанных работ должно послужить:

- Сохранение заинтересованности потребителей тепловой энергии в установке приборов учета и регулирования тепла;

- Высвобождение средств из доходов предприятий - поставщиков тепловой энергии, направляемых на мероприятия по определению фактической реализации, наладке гидравлических и температурных режимов, экономии топлива и т.п.;

- Экономия бюджетных средств от дотаций на разницу в ценах и средств, идущих на оплату услуг теплоснабжения, бюджетных организаций.

При осуществлении конкретных расчетов двухставочных тарифов, их введении и использовании должны соблюдаться требования действующих нормативных актов.

Аналогичная ситуация складывается, когда источник теплоснабжения и тепловые сети находятся в одних руках, и на источнике также установлены приборы учета выработки (отпуска) тепловой энергии.

Такое несоответствие между результатами расчетов, выполненных поставщиком тепловой энергии, и фактическим расходом является типичным и стимулирует потребителя установить у себя приборы учета. Поставщик тепловой энергии чаще всего вынужден принимать все меры, чтобы воспрепятствовать этому, так как увеличение потребителей, оснащенных приборами учета, приводит к росту доли сетевых потерь. Так как становится невозможным распределение всех сверхнормативных теплопотерь между уменьшающимся количеством потребителей, не имеющих приборов учета.

Оценим масштаб этого явления на примере закрытой системы теплоснабжения, обслуживающей 100 потребителей, расчетная нагрузка каждого из которых составляет 1,5 Гкал/час, а неучтенные сверхнормативные потери в сетях - 15 % годового теплопотребления. При годовом числе часов использования расчетной нагрузки равном 2500 годовое потребление тепловой энергии составит:

100×1,5×2500 = 375000 Гкал;

а неучтенные в тарифе на тепловую энергию сетевые потери будут равны:

0,15×375000 = 56250 Гкал.

Потребителям придется рассчитаться за:

375000 + 56250 = 431250 Гкал.

Если все 100 потребителей не имеют узлов учета, то каждый из них получит счет на:

431250 : 100 = 4312,50 Гкал,

из которых 3750 Гкал ими использованы для отопления, а 562,5 Гкал (15 % от полезного расхода энергии) - их вклад в покрытие сетевых потерь.

После установки узла учета в рассматриваемом случае потребитель будет рассчитываться по показаниям прибора учета тепловой энергии за 3750 Гкал. Уменьшение его годовых затрат (З) на тепловую энергию составит:

З = С×Q,

где С - тариф на тепловую энергию;

Q = 562,5 Гкал - уменьшение подлежащего оплате количества тепловой энергии после установки узла учета.

Если 10 потребителей из 100 установили узлы учета, то в течение года они потратят:

10×3750 = 37500 Гкал

и будут рассчитываться за это количество тепловой энергии по показаниям своих приборов. Каждый из 90 потребителей, не имеющих узлов учета, в этом случае получит счет на:

(431250 - 37500) : 90 = 4375 Гкал,

что составит 116 % полезного расхода тепловой энергии.

Проведенная ориентировочная оценка относится лишь к одной стороне рассматриваемого вопроса, но есть и вторая - завышение проектных тепловых нагрузок по сравнению с реальной потребностью в тепловой энергии и несоответствие фактического потребления не только проектным нагрузкам, но и реальным потребностям.

Необходимо иметь в виду, что установка узла учета, наряду со снижением затрат на оплату тепловой энергии и теплоносителя, приводит к увеличению ежегодных затрат потребителя на обслуживание, ремонт и поверку оборудования и приборов, а также к тому, что узел учета по истечении нормативного срока службы должен быть заменен, для чего ежегодно следует производить отчисления на реновацию. Эти отчисления зависят от нормативного срока службы узла учета, темпов инфляции, ставки процентов, устанавливаемой банком для вкладов, темпов технического прогресса в области учета тепловой энергии и теплоносителя.

В формулах (1) и (2) указанные факторы учитываются параметром Зр. Для оценочных технико-экономических расчетов отчисления на реновацию можно принимать равным .

Срок службы основных приборов узла учета - тепло- и водосчетчиков составляет, согласно технической документации 10 - 12 лет. Таким же можно принимать срок службы узла учета в целом. Межповерочный интервал составляет 4 - 5 лет.

Оценка экономической целесообразности сооружения узлов учета

Расчет оценки экономической целесообразности оборудования узлов учета на тепловых пунктах при различных расчетных нагрузках ТП в г. Мытищи, Московской обл.

ТП-1

ТП-2

с присоединенной суммарной нагрузкой на отопление и горячее водоснабжение

0,5 Гкал/час (расчетная)

с присоединенной суммарной нагрузкой на отопление и горячее водоснабжение

1,5 Гкал/час (расчетная)

тариф на тепловую энергию: 100 руб/Гкал

 

расчетная температура наружного воздуха для проектирования отопления: -26 °С

годовое число часов использования отопительной нагрузки: 5112 часов

полная стоимость узла учета

40 тыс. руб

полная стоимость узла учета

100 тыс. руб

ежегодные затраты на реновацию, обслуживание, ремонт и поверку приборов равны 0,2 суммы капиталовложений в оборудование узла учета

годовые затраты на тепловую энергию после установки узла учета уменьшаются на 20 %

5112 часов в год ´ 0,5 Гкал/час = 2556 Гкал в год 2556 Гкал в год ´ 100 руб/Гкал = 255600 руб. в год

20 % - 51120 руб. в год

стало по приборам: 204480 руб. в год

5112 часов в год ´ 1,5 Гкал/час = 7668 Гкал в год 7668 Гкал в год ´ 100 руб/Гкал = 766800 руб. в год 20 % - 153360 руб. в год

стало по приборам: 613440 руб. в год

Срок окупаемости узла учета при различных расчетных нагрузках зависит от отношения тарифа на тепловую энергию к затратам на сооружение узла учета;

На тепловых пунктах с большой тепловой нагрузкой узел учета окупится быстрее. Что касается тепловых пунктов, где расчетная нагрузка 0,1 - 0,2 Гкал/ч и менее - экономически целесообразно оборудовать узлы учета не теплосчетчиками, а значительно более дешевыми счетчиками горячей воды, что допускается действующими «Правилами учета тепловой энергии и теплоносителя».

В настоящее время уделяется большое внимание учету и регулированию тепловой энергии и теплоносителя в квартирах. Однако экономическая целесообразность этого мероприятия должна быть подтверждена экономическими расчетами. Для ориентировочной оценки эффективности поквартирного учета тепловой энергии могут быть использованы изложенные выше методы.

Для оценки экономической эффективности поквартирного учета тепловой энергии и определение срока окупаемости узла зависит от отношения тарифа на тепловую энергию к затратам на сооружение этого узла для квартир различной площади.

Установка приборов учета тепловой энергии в квартирах невозможна без реконструкции системы теплоснабжения всего здания, что потребует больших капиталовложений, поэтому такая работа имеет смысл только во вновь проектируемых зданиях.

Вместе с приборами учета в квартирах необходимо устанавливать термостатические регулирующие клапаны на отопительных приборах для экономии тепловой энергии. В этом случае решаются вопросы и учета, и регулирования тепловой энергии на отопление. Термостатический регулирующий клапан стоит на порядок меньше теплосчетчика, и его установка в квартирах-новостройках необходима.

Вместе с тем положительный экономический эффект от установки приборов учета в квартирах жилого дома может быть получен лишь при условии, что жители будут пользоваться регуляторами на отопительных системах. В противном случае, затраты на оборудование квартирного узла учета и регулирования оказываются бесполезными. Чтобы годовая экономия тепловой энергии составила 20 % годового расхода на отопление, система регулирования должна не только исключить излишний расход тепла, но и обеспечить снижение температуры воздуха в квартире в ночное время и /или/ в отсутствие хозяев.

Расчеты показывают, что наиболее приемлемым в настоящее время решением является оборудование узлов учета на ЦТП, ИТП или вводах в жилые дома. Для определения вклада каждой квартиры в оплату за отопление необходимо применять прибор вида: прибор-распределитель испарительного или электронного типа с одновременной установкой на систему отопления термостатических регулирующих клапанов.

Проблема приборного учета применительно к квартирной системе горячего водоснабжения.

Массовое внедрение приборного учета горячей воды в системах горячего водоснабжения квартир жилых домов позволит жителям регулировать и контролировать расход горячей воды.

Все вновь сооружаемые жилые дома должны быть оборудованы счетчиками горячей и холодной воды. Если прибор приобретен на средства жителя, то экономический эффект становится положительным после того, как затраты на него окупятся за счет экономии средств, затрачиваемых на плату за воду, при условии, что срок окупаемости меньше срока службы прибора.

Затраты на установку счётчиков воды несет либо житель, либо организация-поставщик, либо средства местного бюджета. В последнем случае жильцы не имеют право на использование первичного экономического эффекта, полученного за счет снижения расхода воды. В дальнейшем положительный экономический эффект будет использоваться жителями.

Результаты расчетов показывают, что установка счетчиков горячей воды с межповерочным интервалом 5 лет в квартирах, в которых проживают 3 и более человек, в условиях Московской области становится экономически целесообразна, если их владельцам удастся снизить потребление горячей воды более чем на 15 %. При этом затраты на их установку должны быть в пределах 400 - 500 руб. при тарифе на горячую воду от 4 до 5 руб. за 1 м3. Если стоимость приборов с монтажом будет ниже, то в течение срока службы владельцы получат тем большую выгоду в виде снижения платы за горячую воду, чем ниже будут начальные затраты. Эффективность от установки счетчиков воды будет увеличиваться при росте межповерочного интервала и повышении надежности водосчетчиков. Последнее позволит заметно снизить затраты владельца на ремонт и обслуживание приборов.

Пример расчета: Жители Мытищ платят по нормативу за потребление в сутки 120 л горячей и 180 - холодной воды. При тарифе на воду 4,78 руб. за 1 м3 и затратах на монтаж водосчетчика 400 руб. установка счетчиков горячей и холодной воды в квартире с 4 жителями окупится за 2 года, если жители сэкономят более 25 % нормативного расхода воды.

Измерение объема потребленной воды с помощью счетчиков показало значительный ее перерасход. Элементарные мероприятия по экономии горячей и холодной воды позволили значительно снизить ее потребление, и экономия по сравнению с плановыми показателями составила в среднем более 25 %, что подтверждает приведенные выше оценки экономической эффективности установки приборов учета.

Возникающие проблемы при организации учета тепловой энергии и теплоносителя в квартирах:

- обслуживание, ремонт и поверка приборов, имеющихся у жителей. Решение этой проблемы зависит от распространенности оборудования, используемого для учета, производственной и организационной возможности предприятий, занимающихся данной проблемой;

- комплекс мер связанных с модернизацией систем отопления и теплового оборудования.

Неэкономичные в эксплуатации однотрубные вертикальные системы отопления должны уступить место системам с горизонтальным поквартирным распределением теплоносителя от стояков, установленных в лестничных клетках. Это позволяет наиболее простым и надежным методом организовать поквартирный учет потребляемой тепловой энергии и индивидуальное автоматическое регулирование теплоотдачи отопительных приборов. В результате обеспечивается сокращение потребления тепла на 15 - 20 %.

Поквартирные системы отопления - это такие системы, которые могут управляться жильцами квартир, без изменения теплового режима соседних помещений и обеспечивать поквартирный учет расхода тепловой энергии. Это попытка одновременного решения двух противоречивых задач - повышения тепловой комфортности жилища и энергосбережения.

Для того, чтобы сравнительно просто организовать поквартирный учет тепла, необходимо обеспечить один ввод в квартиру подающего и обратного трубопроводов и присоединить к ним все отопительные приборы, размещенные в квартире. Наиболее распространены две схемы поквартирного отопления: «лучевая» и «периметральная» (схема 1 и схема 2).

Лучевая схема реализуется с помощью металлополимерных труб или полимерных, укладываемых в стяжку «чистого» пола. Каждый из отопительных приборов присоединяется к подающему и обратному коллекторам (манифолдам) и регулируется автономно. В периметральной схеме отопительные приборы гидравлически более зависимы, но эта схема требует меньшего количества труб и обладает лучшей ремонтопригодностью.

В периметральной схеме трубы, как правило, укладываются в лотках и могут обслуживаться. В этом случае могут быть использованы не только металлополимерные (полимерные) трубы, но и обыкновенные стальные.

Независимость развязки трубопроводов от других квартир предполагает возможность индивидуального проектирования отопления каждой квартиры. Можно отказаться от уродующих интерьер стояков и горизонтальных подводок. Как правило, в современных радиаторах используется нижний присоединительный узел к прибору - мультифлекс. Современные отопительные приборы стали предметом интерьера и могут устанавливаться на внутренних стенах.

На лестничной площадке поквартирные вводы объединяются коллекторами в приборном щите с поквартирными счетчиками тепла (схема 3). Приборные щиты всех этажей объединены подающим и обратными стояками системы отопления, связанными через домовой узел учета тепла с теплосетью.

Рассмотрим пути решения проблем, препятствующих широкому внедрению поквартирного отопления.

Действительно точный учет тепловой энергии Q требует применение дорогостоящих приборов, интегрирующих во времени произведение расхода теплоносителя gi на перепад температуры воды в подающем tподi и обратном tобрi трубопроводах системы отопления.

.

Такие приборы нуждаются в квалифицированном техническом обслуживании и периодической поверке. Эти затраты можно сократить в десятки раз, если перейти на упрощенную схему учета тепловой энергии для квартир. Сущность схемы состоит в том, что на весь дом ставится один интегрирующий теплосчетчик, определяющий точный расход тепловой энергии дома. В каждой квартире на подающем трубопроводе системы отопления ставится самый простой горячеводный водомер. Расчет потребления тепла каждой отдельной квартирой пропорционален произведению показания водомера на средний по дому перепад температуры в подающей и обратной магистралях. Очевидно, что реальное потребление тепла в квартире будет отличаться от расчетного тем больше, чем больше отклонения температуры в обратных трубопроводах квартиры и в целом по дому. Величина этого отклонения приблизительна равна:

.

Анализ показал, что в большинстве случаев это отклонение не превышает ±10 % и работает в пользу сберегающих тепло жильцов, что иллюстрируется эмпирическими данными.

Схема 1. Лучевая схема системы отопления

1 - отопительный прибор

2 - счетчик поквартирного учета воды

Схема 1. Периметральная схема системы отопления

1 - отопительный прибор

2 - счетчик поквартирного учета воды

Схема 3. Схема поквартирного учета тепла

1 - домовой теплосчетчик

2 - счетчик поквартирного учета расхода воды

Выводы:

1. Организация приборного учета тепловой энергии и теплоносителя значительно экономит средства потребителей на оплату тепловой энергии.

2. Наиболее удобным и наглядным показателем экономической целесообразности установки узлов учета у потребителей является срок окупаемости затрат на их оборудование.

3. При существующем уровне цен на приборы и стоимости комплекса соответствующих работ, а также при современных тарифах на тепловую энергию постановка приборного учета на тепловых пунктах с расчетной тепловой нагрузкой 0,1 - 0,2 Гкал/час на базе теплосчетчиков окупается, как правило, за срок от нескольких месяцев до нескольких лет.

4. Установка счетчиков горячей и холодной воды в квартирах приведет к снижению перерасхода воды по сравнению с нормативным, а также будет стимулировать экономию воды жителями.

5. Введение приборного учета побуждает применять современные экономические конструкции генераторов тепловой энергии, трубопроводов, теплообменников, систем регулирования, т.е. всего комплекса энергосберегающих мероприятий.

6. Массовое внедрение приборов учета должно быть, подкреплено развитием базы для их обслуживания, ремонта и поверки, а также подготовкой специалистов соответствующего профиля.

III. Радиаторные термостаты /проблемы выбора и применение/

Радиаторные термостаты предназначены для автоматического поддержания заданной температуры воздуха в помещении, где они установлены, в соответствии с температурной настройкой. Термостатические радиаторные вентили позволяют избежать перегрева помещений и обеспечить минимально необходимый уровень отопления в помещениях с периодическим проживанием людей. Они позволяют сэкономить в среднем 15 % тепла на отопление за счет компенсации тепловыделений, поступающих в помещение от солнечной радиации, бытовых приборов, людей, обеспечивая поддержание комфортной температуры в помещении в течение отопительного периода.

Радиаторный термостат состоит из двух частей /см. схему/:

1 - управляющая (верхняя часть с оцифрованным колпачком задатчика, с помощью которого пользователь устанавливает заданную температуру помещения), называемая термостатической головкой, включающей встроенный или выносной датчик;

2 - управляемый исполнительный орган или регулирующий клапан радиаторного термостата.

Схема радиаторного термостата

В общем виде радиаторный термостат работает следующим образом. При повышении температуры в помещении выше заданной управляющая часть радиаторного термостата вырабатывает сигнал на закрытие клапана, который передается выходным звеном термостатической головки на входное звено регулирующего клапана.

Под воздействием управляющего сигнала регулирующий клапан закрывается и перекрывает подачу теплоносителя в отопительный прибор. При снижении температуры воздуха в помещении ниже заданной термостатическая головка вырабатывает сигнал на открытие клапана и пропуск теплоносителя в отопительный прибор.

В настоящее время наиболее массовое применение находят самые дешевые, но менее точные простейшие радиаторные термостаты (фирм Danfoss, Herz, Heimeier), исполняющие роль регулятора температуры прямого действия (без подачи энергии извне) и работающие по пропорциональному закону.

В последние несколько лет появились и регуляторы непрямого действия с автономным (фирмы Herz, Honeywell, Oventrop и др.) или сетевым (фирмы Danfoss, Herz, Heimeier и др.) электропитанием и более дорогих в 3,5 - 10 раз по сравнению с регуляторами прямого действия, однако более точных (±0,3 °С), регулирующих температуру воздуха помещения по пропорционально-интегральным законам регулирования (ПИ).

Условия эффективного функционирования радиаторных термостатов и их характеристики, обеспечивающие комфорт (поддержание заданной температуры в помещении, энергосбережение, удобства монтажа и эксплуатации).

Условием эффективного функционирования термостата является состояние, при котором допустимая скорость изменения температуры в помещении за счет теплопотерь и теплопритоков не должна превышать 3 град.К/час (п. 6.1.2. в соответствии с европейским стандартом DIN EN 215-1).

Термостаты с газоконденсатным заполнением датчика на сегодня производится единственной в мире фирмой - Danfoss. Остальные фирмы отказались от производства такой модели терморегулятора, и производят термостаты только с жидкостным или твердотельным заполнением чувствительного элемента.

Для оценки энергосберегающей возможности термостатов различных фирм важен параметр быстродействия, определяемый постоянной времени терморегулятора и напрямую связанный с процентом утилизации свободного тепла, поступившего в помещение (от инсоляции, бытовых источников тепла и др.). По данным фирмы Danfoss, для термостатов с газоконденсатным заполнением датчика этот процент составляет 85, для термостатов с жидкостным заполнением - 80.

При этом с учетом общей экономии тепла радиаторными термостатами, по данным Агентства энергосбережения при Правительстве Москвы, менее 5 % - искомая величина в энергосбережении термостатов с газоконденсатным заполнением датчика выше, чем с жидкостным и определится следующим образом: (85 - 80/80)´0,05 = 0,003, т.е. менее 0,5 %. В то же время средства измерения и учета тепловой энергии характеризуются значительно меньшей точностью (3 % и менее) и, следовательно, вычисленная разница показывает, что различие между терморегуляторами с газоконденсатным и жидкостным заполнением не имеет никакого коммерческого значения в настоящее время. С другой стороны, технология производства газоконденсатного наполнения термостатической головки с дистанционным и совмещенным датчиком признана специалистами как более сложная и дорогая.

Итог по первому параметру сравнения (быстродействию терморегулятора) в плане энергосбережения: термостаты практически равны между собой, если диапазоны настройки термостатов брать одинаковые. Однако они различаются у термостатов разных фирм.

Сравнение диапазонов настройки терморегуляторов разных фирм

Фирма-изготовитель

Диапазон настройки °С

Danfoss, RTD-N

6 - 26

Herz, TS-90-v

0 - 30

Oventrop, Uni L

7 - 28

Honeywell, T100

6 - 26

T & A, TRV300

0 - 26

Heimeier

0 - 30

Диапазон настройки термостатов фирм Heimeier, Herz, Tour & Andersson более широкий, чем у Danfoss. Эта разница в настройке позволяет увеличить степень энергосбережения для пользователя. В числовом выражении: относительный перерасход тепловой энергии на один °С составляет 5,2 %. При отсутствии пользователя и настройке на дежурный режим 1 - 2 °С (термостаты ТА, Herz, Heimeier) вместо 6 °С (Danfoss) имеем сокращение в потреблении тепла в течение 1/5 всего сезона отопления (реальное время использования режима) следующее 4 °С×5,2 % : 1 °С×1/5 = 4,2 % для одного термостата в комнате, что при имеющейся тенденции возрастания оплаты за тепловую энергию является весьма существенной величиной.

Подведем итог сравнения термостатов по двум рассмотренным характеристикам энергосбережения: термостаты с жидкостным заполнением датчика имеют относительно большее энергосбережение, которое к тому же можно зафиксировать приборами учета.

Радиаторные термостаты настраиваются пользователем с помощью оцифрованного колпачка задатчика на определенную температуру помещения и эта возможность для пользователя должна быть открыта и удобна в эксплуатации. Перед пуском двухтрубной системы отопления, как правило, необходима предварительная гидравлическая регулировка радиаторного термостата, позволяющая провести быструю и эффективную наладку всей системы отопления после монтажа. Такую регулировку должен выполнять профессиональный наладчик и ее результаты должны быть защищены от несанкционированного доступа ввиду возможной полной разрегулировки системы отопления. С этой целью подавляющее большинство фирм использует специализированный инструмент.

Величины остальных технических параметров, таких как гистерезис (свойство материала воспринимать внешнюю нагрузку в момент приложения и после снятия ее не пропорционально, в связи с возникновением в материале внутренних отражающих качеств), связанный с точностью поддержания температуры в помещении, влияние различных внешних воздействий (изменение статического давления среды теплоносителя, его температуры и др.) механические характеристики корпуса клапана и термостатической головки, как правило, отвечают европейскому стандарту DIN EN 215-1, и практически мало отличаются между собой у различных фирм.

Цена термостатов. Термостаты большинства упомянутых фирм дешевле термостатов фирмы Danfoss. У термостата с газоконденсатным заполнением датчика цена выше, чем у термостата с жидкостным датчиком, при почти одинаковом эффекте энергосбережения и комфорта.

Советы потребителям:

·      Терморегуляторы с жидкостным датчиком наиболее надежны и с экономической точки зрения эффективны (имеют повышенное энергосбережение).

·      Важный показатель, на который необходимо обращать внимание - это гарантия производителя, включающая параметры долговечности (срок службы изделия) и его безотказность (время до первого отказа). Гарантийный срок различный у разных фирм.

IV. Требования к средствам измерения холодной и горячей воды в квартирах и разработки проектов их установки, монтажа и ввода в эксплуатацию

1. Для установки в квартирах жилых зданий допускается применять крыльчатые счетчики холодной и горячей воды (до 90 °С), соответствующие следующим требованиям:

·      технические параметры счетчиков соответствуют ГОСТам Р-50601 и 50193 (метрологический класс В);

·      тип счетчиков утвержден НТК по метрологии Госстандарта РФ и внесен Государственный реестр средств измерений;

·      надежность счетчиков подтверждена ускоренными испытаниями на износ, проведенными на водопроводной воде в городах, испытания должны быть проведены местными органами Госстандарта РФ при участии предприятий Водоканала и региональной жилищной инспекции с требованиями ГОСТ Р-50193;

·      в соответствии с описанием типа счетчиков допускается их установка в горизонтальном и вертикальном положении;

·      номинальный расход воды 1,5 м2/ч, длина счетчика без присоединительных штуцеров 80 мм;

·      погрешность измерения расходов воды составляет ±5 % при расходах в диапазоне от Qmin до Qt и ±2 % в диапазоне от Qt до Qmax;

·      среднеинтегральная погрешность измерения количества воды для счетчиков при их выпуске из производства не превышает 1,5 % (отметка о поверке в соответствии с требованиями Госстандарта РФ должна быть приведена в паспорте счетчика);

·      межповерочный интервал, установленный Госстандартом РФ при утверждении сертификата типа счетчиков холодной и горячей воды, составляет не менее 5 лет;

·      возможность метрологического обеспечения счетчиков в процессе их эксплуатации подтверждается местными органами Госстандарта РФ и организацией, предоставляющей услуги по периодической поверке счетчиков;

·      гарантийный срок, в течение которого поставщиком счетчиков производится их бесплатная замена или ремонт, должен составлять не менее 24 месяца с даты установки счетчиков, но не более 30 месяцев с даты их закупки.

2. Решение о возможности использования счетчиков воды различных конструкций на объекте принимается совместным протоколом организаций водоканала, региональной жилищной инспекции на основании рассмотрения указанных выше документов. Принятое решение должно быть, утверждено региональным органом жилищно-коммунального хозяйства и доведено до сведения жилищных организаций города.

3. В жилых зданиях, оснащенных автоматизированной системой контроля энергопотребления, устанавливаемые счетчики холодной и горячей воды должны иметь устройства формирования электрических импульсов, пропорциональных количеству прошедшей через счетчик воды. Подключение счетчиков воды к автоматизированной системе осуществляется организацией, обеспечивающей монтаж и эксплуатацию такой системы. В зданиях, не оборудованных автоматизированной системой контроля энергопотребления, допускается установка электронных блоков-повторителей показаний счетчиков воды, располагаемых на лестничных клетках.

4. Во вновь строящихся и реконструируемых жилых зданиях установка счетчиков холодной и горячей воды в квартирах осуществляется в соответствии с проектом систем внутреннего холодного и горячего водоснабжения, согласованным с организациями водоканала. Водоканал не дает разрешение на присоединение к сетям городского водоснабжения жилых зданий, а также коммунальных предприятий, если в проектах строительства не учтена установка приборов учета и контроля на вводе в объемную систему.

5. В эксплуатируемых жилых зданиях установка счетчиков воды производится в соответствии со схемами. Приведенные схемы предусматривают установку счетчиков воды в квартирах без проведения сварочных работ с установкой запорной арматуры (шаровых кранов) и фильтров на вводах водопровода в каждую квартиру. При установке счетчиков воды допускается использование гибких шлангов, для которых соответствующими сертификатами установлена возможность использования при давлениях 1 МПа и температуре воды до 80 °С (на линиях горячей воды).

6. Монтаж счетчиков холодной и горячей воды осуществляется работниками организаций, имеющих лицензию на право проведения монтажных работ в системах инженерного оборудования зданий. На установленных счетчиках воды должна быть дополнительная пломба, предотвращающая несанкционированный демонтаж счетчиков с мест установки.

7. Метрологическая поверка счетчиков воды в квартирах жилых зданий осуществляется без демонтажа счетчиков с мест установки в соответствии с требованиями Госстандарта РФ. Оплата работ по метрологической поверке осуществляется по тарифам, утвержденным местными органами исполнительной власти по представлению органов управления жилищно-коммунальным хозяйством.

8. Выполнение работ по метрологической поверке квартирных счетчиков воды производится органами Госстандарта РФ или организациями, метрологическая служба которых аккредитована Госстандартом РФ на право проведения поверок, по договорам с органами управления жилищно-коммунальным хозяйством и Государственной жилищной инспекцией. Контроль качества измерения водопотребления в квартирах жилых зданий производится в соответствии с Методикой выборочного контроля. Результаты считаются положительными, если определенная методикой величина межповерочного интервала оказывается равной или превышающей значение, установленное Госстандартом РФ. Результаты выборочного контроля считаются отрицательными, если определенная по результатам контроля величина межповерочного интервала составляет менее 5 лет. На основании положительных результатов выборочного контроля для партии счетчиков воды межповерочный интервал протоколом органа Госстандарта РФ может быть увеличен по сравнению с первоначально установленным значением, но не более чем в два раза (не более 10 лет). При отрицательных результатах выборочного контроля вся партия счетчиков должна быть демонтирована для проведения метрологической поверки, ремонта и настройки в заводских условиях. Не допускается использование квартирных счетчиков воды, для которых по результатам выборочного контроля метрологических параметров межповерочный интервал не превышает 5 лет. Информация о типах счетчиков, не соответствующих вышеперечисленным требованиям, органами управления жилищно-коммунального хозяйства доводится до жилищно-эксплуатационных организаций в течение 1 месяца с момента получения данных от организации (организаций), проводившей выборочный контроль.

9. При возникновении разногласий по качеству работы квартирных счетчиков воды их внеочередная метрологическая поверка может быть проведена по требованию (заявке) организации поставщика или собственника (нанимателя, арендатора) квартиры. Работы по поверке выполняются организацией, соответствующей требованием п. 6. В случае положительных результатов метрологической поверки оплата работ производится заявителем, в случае отрицательного результата - поставщиком счетчиков (в течение гарантийного периода) или организацией, ответственной за эксплуатацию квартирных счетчиков.

V. Требования к коммерческим средствам измерения тепловой энергии и теплоносителей

1. Централизованное теплоснабжение в России в основном представляет собой двухтрубные системы, в которых теплоносителем является горячая вода или пар.

2. Теплоснабжающие организации согласно Гражданскому кодексу РФ и другим нормативным актам продают своим потребителям два товара: тепловую энергию и теплоноситель. Поэтому в каждом коммерческом сечении, где происходит передача товара от одного собственника (энергоснабжающей организации) другому (потребителю-перепродавцу или конечному потребителю), должно выполняться измерение количества и качества продаваемого товара.

3. В соответствии с положениями п. 2 измерению подлежат:

- разность количеств (расходов) теплоносителя, полученного оптовым или конечным потребителем из тепловой сети и возвращенного им в тепловую сеть, т.е. G1 - G2. Эта разность - количество теплоносителя, которое потребитель взял из тепловой сети и должен оплатить;

- суммарное (общее) количество тепловой энергии, которое потребитель взял из тепловой сети за счет охлаждения теплоносителя, возвращенного в тепловую сеть, и которое потребитель получил и использовал вместе с теплоносителем, не возвращенным в тепловую сеть (на источник тепла).

4. Кроме измерения количества тепловой энергии и теплоносителя, согласно Гражданскому кодексу РФ (глава 2, раздел 6 "Энергоснабжение") должны измеряться качество тепловой энергии и режимы ее потребления. Поэтому счетчик тепловой энергии и теплоносителя должен также измерять:

- температуру в подающем трубопроводе (паропроводе) для контроля качества тепловой энергии;

- разность давлений сетевой воды или давление пара для контроля качества тепловой энергии;

- расход теплоносителя в подающем трубопроводе (паропроводе) для контроля режима потребления (потребляемой мощности);

- разность температур в подающем и обратном трубопроводах или температуру обратной сетевой воды (конденсата) для контроля режима потребления.

5. Места измерения количества теплоносителя и тепловой энергии, должны находиться в коммерческих сечениях согласно балансовой принадлежности (собственности) оборудования, например:

·      на выводах источника тепла - на двух трубопроводах "на заборе" ТЭЦ или крупной котельной, "на стене" котельной малой мощности;

·      на вводе двух трубопроводов в центральный тепловой пункт (ЦТП) микрорайона или тепловой пункт (ТП) промышленного предприятия, подключенных к магистральной тепловой сети;

·      на вводе двух трубопроводов в отдельное здание.

Коммерческие средства измерения не должны быть "привязаны" к другим технологическим узлам источника тепла и потребителей, кроме указанных выше. Все, что необходимо для технологического контроля (например, разделение потоков тепловой энергии и теплоносителя по видам нагрузки: отопление и горячее водоснабжение и т.п.), должно измеряться другими (некоммерческими) средствами измерений. Энергоснабжающая организация не вправе вмешиваться во внутренние дела потребителя, и наоборот.

6. Средства измерения количества тепловой энергии и теплоносителя (счетчики тепловой энергии и теплоносителя) должны быть внесены в Госреестр РФ как единое средство измерения, даже если они состоят из нескольких более простых СИ: преобразователей расходов, температур, давления (при необходимости) и процессорного блока - вычислителя.

7. Потребитель, использующий счетчик тепловой энергии и теплоносителя, должен иметь возможность купить у предприятия-изготовителя полностью скомплектованное /согласно п. 6/ и прошедшее первичную поверку на заводе средств измерений с соответствующей документацией, включая инструкцию по установке и пользованию.

Пользователь, который точно выполнил все указания изготовителя по установке средств измерений, должен иметь возможность использовать их без дополнительных аттестационных процедур до очередной поверки, которую следует выполнять как поверку единого средства измерения. Методы поверки определяются госповерителем согласно правилам Госстандарта РФ.

8. В соответствии с требованиями Закона РФ "Об обеспечении единства измерений" в заводской документации на единое средство измерения тепловой энергии и теплоносителя (либо в приложении к ней) должен быть раздел "Методика выполнения измерений".

9. Требования п. 6 не исключают создания счетчика тепловой энергии и теплоносителя комбинированного типа, т.е. из отдельных средств измерений, внесенных в Госреестр РФ индивидуально. Соответственно, аттестация такого средства измерения в органах Госстандарта будет индивидуальной. Такие счетчики тепловой энергии и теплоносителя применяются, как правило, лишь на крупных источниках тепла и у крупных потребителей с тепловой нагрузкой.

10. Погрешность измерения с помощью указанных средств измерений должна соответствовать данным, приведенным в таблице.

Нормы погрешности измерения количества тепловой энергии воды

Разность температур воды в подающем и обратном трубопроводах Dt, °C

Пределы допустимых значений относительной погрешности измерения, %, при максимальных значениях тепловой мощности источников тепла и тепловой нагрузки потребителей, Гкал/ч

> 10

1 - 10

< 1

дек.

мес.

квар.

дек.

мес.

квар.

дек.

мес.

квар.

3 < Dt ≤ 10

±7

±6

±5

±8

±7

±6

±9

±8

±9

10 < Dt ≤ 20

±6

±5

±4

±7

±6

±5

±8

±7

±6

Dt > 20

±5

±4

±3

±6

±5

±4

±7

±6

±5

11. Согласно действующим в настоящее время инструкциям по экономическому регулированию процедур учета тепловой энергии, все указанные средства измерения должны учитывать количество тепловой энергии, содержащейся в воде, которая используется на источнике тепла для восполнения отбираемого из системы центрального теплоснабжения теплоносителя (горячей воды на бытовые и технологические нужды и на утечки, а также невозвращенного конденсата).

На источнике тепла это можно осуществлять путем прямого измерения температуры воды, питающей источник. У потребителей возможны два варианта:

·      прямое измерение этой температуры, для чего потребуется создание и соответствующая аттестация измерительного канала от источника тепла до потребителя;

·      имитация сигнала от преобразователя температуры холодной воды с несколькими фиксированными величинами.

В последнем случае завод изготовитель должен включить в свою документацию сведения о дополнительной погрешности измерения тепловой энергий, связанной с отклонением средней за определенный период (зима, лето) температуры холодной воды на источнике водоснабжения от значения фиксированной ставки, значение которой должно изменяться вручную, при этом следует обеспечить защиту от несанкционированного вмешательства.

12. Кроме указанных выше вариантов передачи тепловой энергии по двухтрубному теплопроводу, в реальной практике теплоснабжения осуществляется передача тепловой энергии и теплоносителя по однотрубному теплопроводу. Поэтому счетчики тепловой энергии и теплоносителя должны быть разработаны и для такого варианта. Все остальные требования - те же, что и для двухтрубного теплопровода.

VI. Выбор, внедрение, метрологическое обеспечение приборов учета

Существующий Государственный реестр средств измерений включает в себя широкий перечень приборов учета тепла и воды с электромагнитным, ультразвуковым и вихревым методами измерения расхода.

Многообразие систем теплоснабжения объектов, большое количество устаревших необорудованных теплопунктов, большое количество приборов, имеющих неудовлетворительные технические характеристики, требуют неординарных схем измерения расхода тепловой энергии и теплоносителя.

Таким образом, при организации внедрения приборов должны быть приняты во внимание следующие критерии:

1. Высокая надежность в эксплуатации.

2. Отличные технические характеристики.

3. Возможность автоматизированного сбора информации.

4. Наличие метрологического обеспечения и ремонтной базы.

5. Стоимость.

Рекомендуется создание совместных предприятий по производству приборов учета с организацией ремонтной базы и метрологического обеспечение на основе долгосрочного обслуживания.

Все вновь сооружаемые, реконструируемые объекты в соответствии с проектной сметной документацией и типовыми проектными решениями оборудуются приборами учета расхода тепла, газа, системами регулирования.

Допускается установка приборов коммерческого учета, разрешенных к применению Комитетом по стандартизации метрологии и сертификации, по результатам государственных приемочных испытаний и утверждения типа и внесенных в Государственный Реестр средств измерений Российской Федерации.

Целесообразность использования приборов учета конкретного типа из числа внесенных в государственный Реестр средств измерений Российской Федерации определяют монтажные организации совместно с электро-, тепло-, водо- и газоснабжающими организациями в зависимости от возможности организации ремонта, сервисного обслуживания и других технико-экономических факторов.

Оценка системы качества поставщика средств измерений должна производиться до заключения договора с целью определения способности прибора соответствовать требованиям международных стандартов, таких как ИСО 9001, ИСО 9002, ИСО 9003.

Исходя из технической и экономической целесообразности необходимо установить следующую очередность оборудования приборами группового учета.

1. Оснащение приборами коммерческого учета отпуска топливно-энергетических ресурсов (ТЭР) у поставщика (ТЭЦ, котельные, водозаборные станции и др.).

2. Оснащение приборами коммерческого учета расхода ТЭР на центральных тепловых пунктах (ЦТП) - на группу домов.

3. Установка коммерческих приборов учета потребления ТЭР на индивидуальном тепловом пункте и водомерном узле каждого жилого дома.

С целью получения максимального экономического эффекта и надежности работы приборов необходимо:

- на ЦТП устанавливать приборы учета и регулирования тепловой энергии и воды;

- в индивидуальном тепловом пункте устанавливать приборы учета и регулирования тепловой энергии, а в водомерном узле - приборы учета воды, при установке приборов учета и регулирования следует руководствоваться требованиями СНиП и другими нормативными документами.

ЦТП, тепловые пункты до установки приборов учета и регулирования должны быть обследованы и приведены в соответствие с нормами содержания (состояние освещения, дверей, устранение течи задвижек и т.д.), за счет эксплуатирующей организации.

Ответственность за правильность выбора прибора учета, его монтаж, сохранность, эксплутационное и метрологическое обслуживание несут монтажные организации, а также энергоснабжающая организация и потребитель в пределах балансовой принадлежности.

Ответственность за качество подаваемых электроэнергии, холодной, горячей воды, газа и параметра теплоносителя несут поставщики в соответствии с заключенными договорами, "Правилами пользования тепловой и электрической энергии", "Правилами технической эксплуатации систем водоснабжения и водоотведения населенных мест", а также другими нормативными документами, регламентирующими вопросы качества.

Метрологическое обеспечение

Государственные приемочные: испытания приборов учета ТЭР, утверждение их типа и внесение в Государственный Реестр средств измерений РФ осуществляет Комитет по стандартизации метрологии и сертификации.

Обеспечение средствами поверки приборов учета ТЭР возлагается на разработчиков и производителей таких приборов, а также на предприятия-изготовители и организации, осуществляющие ввоз внесенных в Государственный Реестр средств измерений приборов учета ТЭР из-за границы.

Поверку и метрологическую аттестацию приборов ТЭР осуществляют органы Госстандарта РФ или государственные метрологические службы аккредитованные Госстандартом РФ на право проведения поверок во взаимодействии с электро-, тепло-, водо- и газоснабжающими организациями.

Техническую политику и контроль за соблюдением единства измерений в области учета ТЭР осуществляет Комитет по стандартизации, метрологии и сертификации, а также другие органы государственного управления в пределах их компетенции.

С целью метрологического обеспечения выпускаемых и внедряемых приборов учета ТЭР необходимо иметь:

- эталоны единиц измерений учета ТЭР;

- образцовые средства измерений, необходимые для исследования метрологических и технических характеристик приборов учета ТЭР на стадии разработки и постановки их на производство;

- сеть базовых лабораторий по поверке приборов учета расхода ТЭР в процессе эксплуатации;

- нормативные документы, соответствующие международным в области стандартизации методов и средств измерений ТЭР;

- персонал для проведения поверки приборов учета расхода ТЭР в процессе производства и эксплуатации.

Перечень приборов, рекомендованных ЗАО "ЖилКомТех" для применения в ЖКХ и имеющих номер государственного реестра средств измерений РФ

Наименование

Тип

Отечественные

Блоки измерительно-вычислительные для узлов количества природного газа

МИР-Г

Вычислители для узлов учета количества воды и тепла на базе сужающих устройств

УВП-80 Т (Г)

Вычислители количества углекислого газа микропроцессорные

УВП-ВГ СО2

Вычислители расхода и количества электронные

ЭВРИК

Вычислители расхода многоцелевые

ВР-96 ДЖГИ.421451.003 ТУ

Вычислители расхода природного газа измерительные микропроцессорные

Вымпел-2

Вычислители расхода электронные

ЭВР-6

Датчики объемного расхода

ДОР

Датчики расхода

ДРЛ-025С

Датчики расхода гомогенных сред с накладными ультразвуковыми сенсорами

УЗОР-Н

Датчики расхода ультразвуковые вихревые

ДРВ-1

Датчики уровня акустические

ЭХО-АС

Датчики уровня акустические

ЭХО-АС-01

Дозаторы пипеточные

ДПВ-1; ДПВ-8; ДПФ-1

Измерители расхода вторичные

ВИР

Измерители расхода газа и тепла

ИРГТ-2

Измерители расхода газовых сред

ИРГ

Измерители скорости и расхода газов ультразвуковые

УИР-01

Измерители уровня недолива

ИНД-1М

Измерители уровня нефти

ИН-4, 5

Имитаторы расхода

ИР-ДРК ТУ 4343-033-1780594-95

Индикаторы водосчетчиков крыльчатые

ИВК ТУ 1857-306-96

Интеграторы

УИ-МП

Комплексы измерения содержимого резервуаров акустические

АКИР

Комплексы поверочные имитационные

КПИ

Преобразователи объемного расхода вихревые

ПОРВ

Преобразователи объемного расхода турбинные

ПОРТ

Преобразователи первичные объемного расхода вихревые

ПП-РОВС

Преобразователи расхода

ПРК-500 тип А2359

Преобразователи расхода жидкости вихревые

С-ВРС

Преобразователи расхода лазерные

ЛПР-ЖВ ТУ 4213-111-000229792-95

Преобразователи расхода лазерные

ЛПР-М ТУ 4213-125-000229792-96

Преобразователи расхода образцовые лазерные

ЛПР

Преобразователи расхода турбинные

ПРМТ

Преобразователи расхода ультразвуковые

УПР-1 ТУ 407151.002

Преобразователи расхода электромагнитные

МР 400-Э В25.00-00.00ТУ

Преобразователи расхода электромагнитные измерительные

ИПРЭ (ИПРЭ-1, ИПРЭ-1 М)

Преобразователи расхода электромагнитные микропроцессорные

ЭПР, РОСТ-6-11

Преобразователи счетчика жидкости вихревые электромагнитные

вэпс

Преобразователи уровня буйковые измерительные пневматические

ПИУП

Преобразователи электронные вторичные микропроцессорные

ЭВМП-01

Расходомеры-счетчики газа турбинные

ТРСГ

Расходомеры-счетчики жидкостей

ТАКАН-АВКОНТ

Расходомеры-счетчики жидкостей вихревые

РСЖВ

Расходомеры-счетчики ультразвуковые

УРСВ

Расходомеры-счетчики ультразвуковые

ДНЕПР-7 ТУ 213-079-00236494-96

Расходомеры воды ультразвуковые бесконтактные

УЗР-МП

Расходомеры газа с автоматической коррекцией показаний по давлению и температуре

РКДТ

Расходомеры для открытых водоворотов систем коммунального хозяйства

РОВ-1

Расходомеры жидкостей электромагнитные

ИМПУЛЬС

Расходомеры магнитоиндукционные

SMC

Расходомеры нефтепродуктов массовые

МРН-1

Расходомеры объемные

ОР

Расходомеры переносные гетерогенных сред с накладными сенсорами

ПИР-5

Расходомеры с интегратором акустические

ЭХО-Р

Расходомеры со счетчиком стока воды

ПС-03

Расходомеры ультразвуковые с накладными излучателями

АКТОН ТУ 4213-008-13258421-95

Расходомеры ультразвуковые со счетчиком

УЗР-В-М "АКУСТРОН"

Расходомеры ультразвуковые со счетчиком АКУСТРОН

УЗР-В

Расходомеры-дозаторы светлых нефтепродуктов массовые многоканальные

МРН-2

Расходомеры-перепадомеры струйные

РПС

Расходомеры-счетчики

UFM 003 ТУ 4213-001-11459018-96

Расходомеры-счетчики воды турбинные

РВТ-1В

Расходомеры-счетчики воды ультразвуковые

UFM 001; UFM 005

Расходомеры-счетчики газа вихревые

ВРСГ; ВРСГ-1 ИРВС 407000000 ТУ

Расходомеры-счетчики газа с коррекцией по температуре и давлению

ТРСГ-Н ТУ Е5500000-96 СП "ЕНХА"

Расходомеры-счетчики газа турбинные с коррекцией по температуре и давлению

МАРС

Расходомер-счетчик жидкости электромагнитный

РСМ-05

Расходомеры-счетчики жидкостей ультразвуковые

СУ-1 ТУ 4213-001-54081127-96

Расходомеры-счетчики жидкостей вихревые

РОСВ

Расходомеры-счетчики количества жидкости и теплоты

TAPАН-Т

Расходомеры-счетчики корреляционные ультразвуковые

ДРК-М

Расходомеры-счетчики турбинные

PTF; PNF

Расходомеры-счетчики ультразвуковые

УРСВ

Расходомеры-счетчики электромагнитные

МР400-К В25.00-00.00 ТУ

Сигнализаторы уровня ультразвуковые

УЗС ТУ 4276-005-04641801-96

Системы измерения уровня

су-1

Системы коммерческого учета газа

ску газА

Счетчики

СПГ 702

Счетчики

СПГ 701

Счетчики

СПГ 703

Счетчики

СПГ 704

Счетчики

СПГ 706 ТУ 4217-014-23041473-96

Счетчики

СПГ 705 ТУ 4217-015-23041473-96

Счетчики воды

всп-15 ИЧпс 407223.001 ту

Счетчики воды вихревые

DYMETIC-9002

Счетчики воды вихревые

DYMETIC-9401

Счетчики воды вихревые ультразвуковые

СВУ

Счетчики воды турбинные

СВТ

Счетчики воды электромагнитные

СВЭМ.М ТУ 39-1233-87

Счетчики газа

NР-G4 тех. док. фирмы "Нуово Пиньоне" и ЭГЗ 3.070.010 ТУ

Счетчики газа

СГ-6 ЕИВЖ. 407262.004 ТУ

Счетчики газа бытовые

СГ-1

Счетчики газа бытовые

СГБ G2, 5, СГБ G4-1

Счетчики газа бытовые

СГБ G4, СГБ G6

Счетчики газа бытовые

СГБ G2-5, СГБ G4-1 ТУ 4858-011-0750-8919-95

Счетчики газа диафрагменные

G-1,6; G-4

Счетчики газа каменные

СГК-4

Счетчики газа мембранные

RS 1,2

Счетчики газа ротационные

РЛ-4; РЛ-6

Счетчики газа ротационные

РУТС-ДМД

Счетчики газа турбинные

СГТ-100

Счетчики газовые

СГТ ТУ 4213-092-00229792-94

Счетчики газовые крыльчатые

СГК-4

Счетчики горячей воды

ВСТ

Счетчики горячей воды

ВСГ

Счетчики горячей воды

СКВГ-90-20/40

Счетчики горячей воды

СКВГ-90-3/15

Счетчики горячей воды

ВСГ ТУ 44213-001-03215076-92

Счетчики горячей воды

ВСТ ТУ 44213-001-03215076-92

Счетчики горячей воды крыльчатые

СГВК-15 "АГИДЕЛЬ"

Счетчики горячей и холодной воды

СКВГ-90-40/65; СКВ-40/65

Счетчики горячей и холодной воды

СКВГ-90-5/20; СКВ-5/20

Счетчики горячей и холодной воды

СКВГ-90-12/32; СКВ-12/32

Счетчики горячей и холодной воды

СКВГ-90-7/25; СКВ-7/25

Счетчики горячей и холодной воды

WS

Счетчики горячей и холодной воды

Profit

Счетчики горячей и холодной воды

JSb

Счетчики горячей и холодной воды

СКВГ-90-100/100; СKB-100/100

Счетчики горячей и холодной воды

СКВГ-90-30/50; СКВ-30/50

Счетчики горячей и холодной воды

СКВГ-90-60/80; СКВ-60/80

Счетчики горячей и холодной воды с контактным электрическим выходом

СКВГ-90-7/25ГК; СКВ-7/25ГК

Счетчики горячей и холодной воды с контактным электрическим выходом

СКВГ-90-20/40ГК; СКВ-20/40ГК

Счетчики горячей и холодной воды с контактным электрическим выходом

СКВГ-90-12/32ГК; СКВ-12/32ГК

Счетчики горячей и холодной воды с контактным электрическим выходом

СКВГ-90-30/50ГК; СКВ-30/50ГК

Счетчики жидкости

СКЖ

Счетчики жидкости

ППТ-МИЗ-ВП

Счетчики жидкости

ОР-У ИВКШ.407279.004 ТУ

Счетчики жидкости винтовые

ППВ СУ

Счетчики жидкости вихревые

ВРСЖ

Счетчики жидкости с овальными шестернями унифицированные

ППО-40-0,6СУ

Счетчики жидкости с овальными шестернями унифицированные

ПОО-25-1,6СУ

Счетчики жидкости ультразвуковые

Расход-7

Счетчики жидкости ультразвуковые

СЖУ-1

Счетчики жидкости ультразвуковые

UF 400/МС 200 ТУ АИТ 2.833.050 ТУ

Счетчики количества горячей и холодной воды

СКВ 2/10; СКВГ 90-2/10 ЦАКИ.407223.001 ТУ ГОСТ Р50601-93

Счетчики корреляционные ультразвуковые

ДРК-С ТУ 4213-004-17805794-96

Счетчики нефти турбинные

МИГ-200, МИГ-250

Счетчики природного газа

СПГ2-400

Счетчики природного газа

СПГТ1-400

Счетчики расхода

СИ-1 МИАВ.468156.019 ТУ

Счетчики расхода

СИ-1Л МИАВ.468156.019 ТУ

Счетчики расхода

СИ-1 М МИАВ.468156.030 ТУ

Счетчики турбинные

НОРД-М

Счетчики ультразвуковые

УЗС-1 ТУ 407251.002

Счетчики расхода холодной воды

вСх

Счетчики расхода холодной воды

СКВ-20/40

Счетчики расхода холодной воды

СХВ-50

Счетчики расхода холодной воды

"ВКОС"

Счетчики расхода холодной воды

СКВ-3/15

Счетчики расхода холодной воды

ВСХ ТУ 4213-001-03215076-92

Счетчики расхода холодной воды бытовые

СБХВ-50-2/10, СБХВ-50-/15

Счетчики расхода холодной воды вихревые

СХВВ

Счетчики расхода холодной воды крыльчатые

СХВК-15 "АГИДЕЛЬ"

Счетчики расхода холодной воды шариковые

СШ-1М/50, СШ-1М/80

Счетчики расхода холодной воды шариковые

СШ-15

Счетчики расхода холодной воды электронные крыльчатые

кэСхв-15 ту рб 145466 36.002

Счетчики расхода холодной и горячей воды

СХВК-15 СГВК-15

Счетчики расхода холодной и горячей воды

СГВ 10-2, СХВ 10-2

Счетчики расхода холодной и горячей воды

СХВГ-15 ТУ 44-07504301-96

Счетчики расхода холодной и горячей воды

СХВ; СГВ ТУ 4213-001-39429475-95

Счетчики расхода холодной и горячей воды крыльчатые

ВКОС (ВКОС-5/25-90, ВКОС-8,0/40-90)

Счетчики-дозаторы

СД-1

Счетчики-расходомеры

ЛЕВИТУР-РС ТУ 4213-001-29524304-95

Счетчики-расходомеры вихреакустические

СВА

Счетчики-расходомеры корреляционные акустические

СКА

Счетчики-расходомеры электромагнитные микропроцессорные

РОСТ-72 ТУ 4213-113-00229792

Счетчики-расходомеры электромагнитные микропроцессорные

РОСТ-72 ТУ 4213-113-00229792

Телеконтроллеры

ИНТЕЛЕКОН

Тепловычислитель

КС-96

Тепловычислстель малопотребляющий /1 тепловой интегратор/ для открытых и закрытых систем

ТВМ-3

Тепловычислитель малопотребляющий /3 тепловых интегратора/

ТВМ-5

Теплосчетчик универсальный, работающий с крыльчатыми и турбинными, ультразвуковыми, вихревыми, электромагнитными расходомерами

ТВМ-Вымпел

Теплосчетчик электромагнитный для открытых и закрытых систем

КМ-5

Теплосчетчик электромагнитный

SA-94

Теплосчетчик микропроцессорный электромагнитный

ТЭМ-05

Теплосчетчик ультразвуковой

UFEC 005

Теплосчетчик ультразвуковой

MULTICAL III UF

Теплосчетчик электромагнитный

MT-200DS

Теплосчетчик вихревой

КСТ-В

Теплорегистратор

КАРАТ

Уровнемеры

СТРУНА

Уровнемеры

РУ-ПТ

Уровнемеры

УНДЕ-18

Уровнемеры

ВК 1200

Уровнемеры

ИУНВ-2

Уровнемеры

УМ-ПО1

Уровнемеры

Струна-М КШЮЕ2.834.008 ТУ

Уровнемеры акустические переносные

ЗОНД-ЗП

Уровнемеры дистанционные восьмиканальные

УД-8

Уровнемеры многоканальные

СКУ-02-8

Уровнемеры поплавковые с пружинным уравновешиванием

УДУ-10 ТУ 25-02.070374-79

Уровнемеры радиолокационные

ЗОНД-01

Уровнемеры-регуляторы буйковые пневматические

УРБ-П; УРБ-ПМ

Зарубежные

Вычислители расхода

модель 2522

Вычислители расхода

GeoProv

Вычислители расхода газа

SOLARTRON 7915

Вычислители расхода природного газа

Teleflow 3530-10А, Accurate 3308-10B, 3308-30В

Датчики для резервуаров интеллектуальные

ITG 50/60/70

Датчики уровня емкостные

HLS 3000

Комплексы расходоизмерительные на базе контроллеров KOS FPM 207 для узлов учета нефти и газа

KOS FCS 212

Комплексы технических средств

TDC000 LCN-UCN, TDC6000, STT3000

Контроллеры объема газа

Модель EVCD 793.1

Корректоры

SEM2000

Корректоры газа

ELCOR-94

Корректоры объема газа

Модель 900

Корректоры объема газа

Модель 510

Корректоры объема газа

ЕК86, ЕК86, ЕК88, TU 90/Т

Корректоры объема газа по давлению, температуре и степени сжатия

SEVC

Корректоры объема газа с регистратором BACK CHAT II

METER MAN II, METER MAN TC

Корректоры объема по температуре

CT 2100

Корректоры объема природного газа

Accurate corrector 3308-50B

Массометры

PROMASS 6 моделей, Promass 60 и Promass 63

Массометры с вычислителями модели Sentine 1500

Micro Motion

Массометры с дозаторами PetroCount

Micro Motion

Плотномеры жидкости промышленные с вычислителями 7945/7946

серия 7835 и 7845

Преобразователи для датчиков уровня

134LD, 134LVD

Преобразователи количества воды ультразвуковые

Ultraflow II

Преобразователи уровня жидкости электрические

LI-166

Расходомеры

UL 600

Расходомеры

UFM 500

Расходомеры

UFM 400

Расходомеры

PORTAFLOW MK11-R

Расходомеры

TP 400SS-W

Расходомеры вихревые

8800

Расходомеры вихревые

VORFLO

Расходомеры вихревые

SWIRL-ST; SWIRL-SM; SWIRL-SR

Расходомеры вихревые

VORTEX-VM; VORTEX-VT; VORTEX-VR

Расходомеры вихревые

PROVIRL 70

Расходомеры вихревые

VFM 1080K;VFM 5090K

Расходомеры газа

GF 90

Расходомеры газа ротационные

IRM INFINITY

Расходомеры газа турбинные

SM-RI

Расходомеры газа турбинные

7400

Расходомеры газа ультразвуковые

Модель GASSONIC-400

Расходомеры газа ультразвуковые

PSONIC

Расходомеры газа ультразвуковые

QSONIC

Расходомеры для факельных газов ультразвуковые

Модель 7168 (модификации 7068 и GP68)

Расходомеры жидкости турбинные

7200

Расходомеры жидкости турбинные

7100

Расходомеры кориолисовые

CJRIMASS MFM 4085

Расходомеры магнитоиндукционные компактные для трубопроводов с Dy от 10 до 150 мм

ALTOFLUX K 480 AS-Ex

Расходомеры магнитоиндукционные

SVC

Расходомеры массовые

RHM

Расходомеры массовые

MASSFLO

Расходомеры массовые

4500 СЕМ

Расходомеры массовые

TRU-MASS

Расходомеры массовые

Micro motion модели F025; F050; F100; F200; DS; DH; DT; DL; CMF

Расходомеры массовые со вторичными приборами серии 1200

Серия К

Расходомеры микропроцессорные

СЕВАН-3 ТУ РА 05795796

Расходомеры с первичными преобразователями WERGE

Серия 1300L и 1600L

Расходомеры с первичным преобразователем IFS 4000 и вторичными приборами сер. 080, 100 и 200

IFS 4000

Расходомеры с первичным преобразователем IFS 5000 и вторичными приборами сер. 080, 100 и 200

IFS 5000

Расходомеры с первичным преобразователем MFS 2000 и вторичными приборами сер. 080, 100 и 200

MFS 2000

Расходомеры с первичным преобразователем MFS 3000 и вторичными приборами сер. 080, 100 и 200

MFS 3000

Расходомеры с первичными преобразователями серии MFE

MagMaster, Aquamag

Расходомеры с электромагнитными первичными погружными преобразователями

AquqProbe

Расходомеры турбинные

PTF, PNF

Расходомеры турбинные

TURBOQUANT-R, TURBOQUANT-S

Расходомеры ультразвуковые

UDM-100

Расходомеры ультразвуковые

SONOFLO модели SONO 4100/3000, SONO 3300/3000, SONO 3110/3000

Расходомеры ультразвуковые

SONOFLO

Расходомеры ультразвуковые

SONOELIS SE 1.0

Расходомеры ультразвуковые

ALTOSONIC GFM 700

Расходомеры электромагнитные

FULL-MAG, MAG-SM

Расходомеры электромагнитные

СОРА-ХМ, СОРА-СК, СОРА-ХЕ

Расходомеры электромагнитные

MAG-XM, MAG-XE, MAG-CK, MAG-ХН, MAG-CM

Расходомеры электромагнитные

MAGFLO

Расходомеры электромагнитные

8700

Расходомеры электромагнитные

PROMAG 3 модели Promag 30, Promag 31, Promag 33, Promag 34

Расходомеры электромагнитные

AQUQAFLUX 410/470K

Расходомеры электромагнитные

EKOFLUX 1010K

Расходомеры электромагнитные с первичными преобразователями М 900

Altoflux IFM 3080

Расходомеры-массметры

Millflo

Расходомеры-скоростемеры микрокомпьютерные

MKPC

Расходомеры-счетчики вихревые

PhD

Расходомеры-счетчики вихревые погружные

V-Bar

Расходомеры-счетчики вихревые погружные

TMP

Расходомеры-счетчики жидкости

XMT868, 6068, 6468

Расходомеры-счетчики жидкости и тепла

PT868, PT868-R, 2PT868, DF868

Расходомеры-счетчики жидкости камерные

Dy от 1,5 до 16

Расходомеры-счетчики жидкости турбинные

Dy от 3 до 30

Расходомеры-счетчики турбинные

HELIFLU TZ-N

Расходомеры-счетчики ультразвуковые

УЗРС "МИНСК"

Резервуары стальные горизонтальные цилиндрические

C2110

Ротамеры

D 10A5400

Ротамеры модели С6, G6, L5, L6

ASA

Ряд массовых расходомеров унифицированный

КОРИ-ФОРС

Сервоуровнемеры с микропроцессором типа 150575 А1

MCG 1500XL

Системы (комплексы) расходоизмерительные с датчиком ANNUBAR

Honeywell

Системы измерительно-управляющие

MARKETER 2000/3000

Системы измерительно-управляющие

OMEGA-2020/2050

Системы измерительно-управляющие

OMEGA-2010

Системы измерительно-управляющие для автозаправочных станций

System DIS

Системы измерительные

MAPKETEP 2000/2500/3000

Системы измерительные

DAS

Системы измерительные для автоматизированного товарного учета продукта в резервуарах

TRL/2

Системы измерительные для автоматизированного товарного учета продукта в резервуарах

НТG

Системы измерительные для контроля и учета продукта в резервуарах

Saab Echo Wave

Системы управления

ENTIS+857

Системы управления

ENTIS+857

Стенды бытовых счетчиков газа с компьютерной обработкой данных испытательные

STEP

Стенды для проверки счетчиков жидкости

STEP

Счетчики бытовые холодной и горячей воды

EMBK 2-15, EMBW 2-15

Счетчики воды крыльчатые

KBM 11 , LXSG-50

Счетчики воды крыльчатые многоструйные

VM3-5V/1, VM7-V1

Счетчики воды крыльчатые одноструйные

Jh3-V3, Jm3-V3

Счетчики воды одноструйные крыльчатые

ZR "Rubikon" ETK, ZR "Rubikon" ETW

Счетчики воды одноструйные крыльчатые

Jm3-V/3 "Rubikon", Jh3-V/3 "Rubikon"

Счетчики воды с взаимозаменяемым механизмом

SD

Счетчики воды турбинные

Cosmos WS

Счетчики вторичные

EBR 100K, EBR 100M, EBR 100E

Счетчики газа

G4

Счетчики газа

J2,5; J4

Счетчики газа

Gallus-2000

Счетчики газа

Г-4 "Берестье"

Счетчики газа

VK-2,5

Счетчики газа

G40, G65, G100

Счетчики газа

G10, G16, G25

Счетчики газа

GT4, G6

Счетчики газа

MR-8

Счетчики газа

Ariete 2000

Счетчики газа

Gallus-2000

Счетчики газа бытовые

G4

Счетчики газа бытовые

G-2,5; G-4; G-6 ТУ РБ.28668202.001-95

Счетчики газа вихревые

WBZ 08

Счетчики газа мембранные

RS 1,2

Счетчики газа мембранные

G 1,6; 2,5; 4; 6; 10; 16; 25

Счетчики газа мембранные

G40, G65, G100, G160

Счетчики газа мембранные

4G4, 5G6

Счетчики газа мембранные

МКМ (G16, G25, G4, G6); PG (G4, G6)

Счетчики газа мембранные

Magnol

Счетчики газа мембранные

БК

Счетчики газа мембранные

G4, G4-RF1, G6-RF1

Счетчики газа мембранные

ВК

Счетчики газа мембранные

G 1,6; G2,5; G4; G6; G10

Счетчики газа мембранные

G4 (6G4), G6 (5G6)

Счетчики газа мембранные бытовые

J2,5; J4

Счетчики газа мембранные бытовые

KG-2, KG-3, KG-5, KG-7

Счетчики газа мембранные бытовые

G2,5; G4; G6

Счетчики газа мембранные бытовые

LM2

Счетчики газа мембранные бытовые

Титан KG-2 ТУ РБ.28668202.002-95

Счетчики газа мембранные модификации: VY2AS-LAe, VY2AS-L, VY2AS-RAe, VY2AS-R

G1,6

Счетчики газа мембранные промышленные

SN

Счетчики газа мембранные промышленные

G40; G65; G100

Счетчики газа мембранные промышленные

G10; G16; G25

Счетчики газа мембранные с температурным компенсатором

BK 4T PG

Счетчики газа образцовые

LMNB-2,5

Счетчики газа образцовые диафрагменные

Моделей RS/10G16, RS/20G25, RS/6G10LA

Счетчики газа образцовые диафрагменные

G-1,6; G-2,5; G-4; G-10

Счетчики газа образцовые диафрагменные

RS/1,2G1,6LA; RS/1,2G2,5LA; RS/1,2G4LA; RS/5G6LA; RS/6G10LA

Счетчики газа повышенной точности барабанные

NB2, NB3, NB6, NB15

Счетчики газа повышенной точности мембранные

G4/G6

Счетчики газа ротационные

DKZ (G40, G65, G100)

Счетчики газа ротационные

РЛ-4, РЛ-6

Счетчики газа ротационные

РГ ТУ 25-02.030445-78

Счетчики газа ротационные

РЛ-20 ТУ 562.М.Т13648866.002-93

Счетчики газа ротационные модели G16, G25, G40, G65, G100, G160, G250

RM

Счетчики газа ротационные промышленные

DELTA

Счетчики газа ротационные промышленные

G65, G100, G160, G250, G400, G650, G1000

Счетчики газа турбинные

G16, 25, 40, 65, 100, 160, 250, 400, 650, 1000, 1600, 2500, 4000, 6500, 10000, 16000

Счетчики газа турбинные

TZ

Счетчики газа турбинные

RPT-3 (G160, G250, G400, G600) D (G160, G250, G400, G600, G1600)

Счетчики газа турбинные

TRZ 03

Счетчики газа турбинные "квантомеры"

Q/QA 10, 25, 40, 65, 100, 250, 400, 650, 1000

Счетчики газа турбинные Dу 2, 4, 6, 8, 12

СТ-1

Счетчики газа турбинные промышленные

NM

Счетчики газа ультразвуковые

Du 2, 4, 6, 8, 12, 16, 18, 20, 24

Счетчики газовые

GMS-3

Счетчики горячей воды крыльчатые

ETW, ETW1

Счетчики горячей воды крыльчатые

ETW

Счетчики горячей воды крыльчатые

MTW

Счетчики горячей воды многоструйные крыльчатые

Rubicon MTW

Счетчики горячей и холодной воды

ETK/ETW

Счетчики горячей и холодной воды

MNK/MTK/MTW

Счетчики горячей и холодной воды

M-N/M-T

Счетчики горячей и холодной воды

AP 90/WT 90, VZ 90/WB 90, MK 90/MK 90E

Счетчики горячей и холодной воды (модели 681, 683, 688)

ETR

Счетчики для горячей и холодной воды комбинированные

WPV QN

Счетчики жидкостей кольцевые 7MS и счетчики (дозаторы) жидкости кольцевые 7MR с дополнительными устройствами 7MV

7MS, 7MR, 7MV

Счетчики жидкости ротационные промышленные моделей F51, F53, F14

PETROL

Счетчики жидкости с овальными шестернями

OV

Счетчики жидкости с овальными шестернями

OaP

Счетчики жидкости с овальными шестернями

OV

Счетчики жидкости с овальными шестернями

Ol

Счетчики жидкости турбинные

RQ

Счетчики жидкости турбинные Dy от 1 до 24

PT

Счетчики жидкости, газа и пара

EDZ370, EDZ3700, EDZ470

Счетчики крыльчатые холодной и горячей воды

VMT 0,6; 1,5; 2,5

Счетчики крыльчатые холодной и горячей воды

E-TQN

Счетчики крыльчатые холодной и горячей воды патронные

IMK 1,5; 2,5 и IMW 1,5; 2,5

Счетчики легких фракций углеводорода с Dу 3 и 4

LR

Счетчики нефтепродуктов

ZC 17

Счетчики турбинные холодной и горячей воды

COSMOS WP

Счетчики холодной воды

ТРИТОН СУПЕР СТАР

Счетчики холодной воды

CORONA (Корона)

Счетчики холодной воды

MNR

Счетчики холодной воды

AQUARIUS (Водолей)

Счетчики холодной воды

Woltex MK WP

Счетчики холодной воды

MBRF

Счетчики холодной воды крыльчатые

MULTIMAG

Счетчики холодной воды крыльчатые

TU115, TU120, TU125, TU132

Счетчики холодной воды крыльчатые

Multijet M

Счетчики холодной воды крыльчатые

ЕТК, ЕТК1

Счетчики холодной воды крыльчатые

СКВ ТУ 05795814 АэР 001-94 СИТКЮ407223Ю001 ТУ

Счетчики холодной воды крыльчатые

МТК

Счетчики холодной воды крыльчатые

MTW

Счетчики холодной воды многоструйные крыльчатые

UM

Счетчики холодной воды многоструйные крыльчатые

Rubikon МТК

Счетчики холодной воды турбинные

Rubikon MNK

Счетчики холодной воды электронные крыльчатые

Wolman WMC, Wolman-Turbo WT

Счетчики холодной и горячей воды

КЭСХВ-15 ТУ РБ 145466 36.02

Счетчики холодной и горячей воды

MNK, MTW, МТК

Счетчики холодной и горячей воды

EVK-DK, EVW-DK

Счетчики холодной и горячей воды

ТРИТОН

Счетчики холодной и горячей воды

WFU 10.80, WFU 20.80, WFU 10.110, WFU 20.110

Счетчики холодной и горячей воды

ТРИТОН СТАР

Счетчики холодной и горячей воды

UNIMAG (TU4)

Счетчики холодной и горячей воды

MVK-MAM, MVW-MAM

Счетчики холодной и горячей воды

EEM-VS, EEM-VM

Счетчики холодной и горячей воды крыльчатые

JS, WS

Счетчики холодной и горячей воды крыльчатые

M-T QN, M-N QN, E-T QN

Счетчики холодной и горячей воды крыльчатые

TU215, TU220

Счетчики холодной и горячей воды объединенные

V и MK

Счетчики холодной и горячей воды одноструйные и многоструйные

VWZ-MK

Счетчики холодной и горячей воды турбинные

Minomess (FAZ, MB3, MC, Minolist ER1), Minomess M (NR-K, VR-K, NR-W, VR-W)

Счетчики холодной и горячей воды турбинные

WSN, WSG, WSC

Счетчики холодной и горячей воды турбинные

WEN, WEG (50, 65, 80, 100, 150, 200, 250, 300, 400, 500)

Счетчики холодной и горячей воды турбинные

WP-QN, WS-QN

Счетчики холодной и горячей воды турбинные

WS

Счетчики холодной и горячей воды турбинные

WPD

Счетчики холодной и горячей воды турбинные WP и комбинированные WPV

WP

Счетчики электромагнитные

WPV, WP

Узлы учета нефтепродуктов

ИР-45

Уровнемеры

ZCE 5

Уровнемеры дискретного действия

FP 740

Уровнемеры емкостные с зондом 21211, электронным блоком ЕС112 и преобразователем FMC420

MCG 1000 SS1, MCG 1020

Уровнемеры ленточно-поплавковые микропроцессорные

MCG FMC 420

Уровнемеры магнитострикционные

MCG 150

Уровнемеры поплавковые

MCG 1010 SS1, MCG 1030

Уровнемеры поплавковые

серии 854

Уровнемеры радарные

BM 60

Уровнемеры радарные

серии 1800 (RTG 1820/Q, RТG 700)

Уровнемеры радарные

серии 872

Уровнемеры радарные

BM 70

Уровнемеры радарные

серии 873

Уровнемеры радарные

VEGA-PULS-RADAR

Уровнемеры торсионные "FISHER"

мод. 249IB-2390B, 2491B-2502

Уровнемеры ультразвуковые

ATG

Уровнемеры ультразвуковые

NIVOSONAR

Установки для массомеров поверочные

MPS

Установки для проверки расходомеров и счетчиков воды

ATB-2

Установки поверочные для счетчиков воды

JOS

Установки трубопоршневые

SMIFH-2000

Устройства для измерения и регистрации расхода, количества жидкости и газа

FQ-111

Устройства измерительные

D-2401

VII. Законодательные и нормативные документы /по энергосбережению/

1. Федеральный закон Российской Федерации об энергосбережении

от 03 апреля 1996г № 28-ФЗ

«Об энергосбережении»

Статья 4. Основные принципы энергосберегающей политики государства

<…>

Обязательность учета юридическими лицами производимых или расходуемых ими энергетических ресурсов, а также учета физическими лицами получаемых ими энергетических ресурсов;

Статья 8. Основные принципы-управления в области энергосбережения

<…>

Организация учета расхода энергетических ресурсов, а также контроля за их расходом.

Статья 11. Учет энергетических ресурсов

Весь объем добываемых, производимых, перерабатываемых, транспортируемых, хранимых и потребляемых энергетических ресурсов с 2000 г. подлежат обязательному учету. Очередность и правила оснащения организаций приборами учета расхода энергетических ресурсов, а также правила пользования электрической и тепловой энергией <...> устанавливаются в порядке, определяемом Правительством РФ.

Учет потребляемых энергетических ресурсов осуществляется в соответствии с установленными Государственными стандартами и нормами точности измерений.

2. Закон Российской Федерации

от 14.04.95 № 41-ФЗ

«О государственном регулировании тарифов на электрическую и тепловую энергию в РФ (редакция 26.03.2003)»

Статья 4. Цели государственного регулирования тарифов.

<...>

Обеспечение коммерческих организаций в сфере производства, передачи и распределения электрической и тепловой энергии финансовыми средствами на развитие производства, научно-техническое и социальное развитие, в том числе средствами, направляемыми на энергосбережение и обеспечение энергетической, технической и экологической безопасности (включая ядерную и радиационную безопасность) Российской Федерации, осуществляемое путем привлечения заемных средств, частных инвестиций, средств коммерческих организаций (инвестиционных фондов, страховых фондов, фондов научно-исследовательских и опытно-конструкторских работ) и иных средств.

3. Постановление Правительства Российской Федерации

от 8 июля 1997 г. № 832

"О повышении эффективности использования энергетических ресурсов и воды предприятиями бюджетной сферы"

4. Постановление Правительства Российской Федерации

от 17.10.2001 г. № 797

«О подпрограмме «Реформирование и модернизация жилищно-коммунального комплекса Российской Федерации» федеральной целевой программы «Жилище» на 2002-2010 г.г.»:

Перевод отношений между предприятиями жилищно-коммунального комплекса и получателями их услуг на договорную основу, отделение выполнения функций собственника жилищного фонда от осуществления хозяйственной деятельности по управлению и обслуживанию этого фонда в муниципальном секторе, совершенствование системы и принципов регулирования тарифов на услуги локальных монополистов в коммунальном хозяйстве позволят:

<...> стимулировать энергоресурсосбережение как со стороны жилищно-коммунальных предприятий (для снижения производственных издержек), так и со стороны потребителей (для уменьшения стоимости потребляемых услуг).

5. Методика расчета экономии бюджетных средств, определяющих эффективность мероприятий при внедрении энергосберегающих технологий в сфере производства и оказания жилищно-коммунальных услуг

Утверждена приказом

Госстроя России

от 30.04.98 г. № 17-106

6. Основные направления и механизм энергоресурсосбережения в жилищно-коммунальном хозяйстве Российской Федерации

Государственный комитет РФ по

жилищной и строительной политике

Одобрены решением Правительственной комиссии

по реформированию жилищно-коммунального хозяйства РФ

Протокол от 20.03.98 г.

7. Методические указания по проведению энергоресурсоаудита в жилищно-коммунальном хозяйстве

Утверждены приказом

Госстроя России

от 18.04.01 № 81

Извлечения из СНиП 2.04.01-85*

11.1*. Для вновь строящихся, реконструируемых и капитально ремонтируемых зданий, с системами холодного и горячего водоснабжения, а также только холодного водоснабжения следует предусматривать приборы измерения водопотребления - счетчики холодной и горячей воды, параметры которых должны соответствовать действующим стандартам.

Счетчики воды следует устанавливать на вводах трубопровода холодного и горячего водоснабжения в каждое здание и сооружение, в каждую квартиру жилых зданий и на ответвлениях трубопроводов в магазины, столовые, рестораны и другие помещения, встроенные или пристроенные к жилым, производственным и общественным зданиям.

Установка, счетчиков воды на системах раздельного противопожарного водопровода не требуется.

На ответвлениях к отдельным помещениям общественных и производственных зданий, а также на подводках к отдельным санитарно-техническим приборам и к технологическому оборудованию счетчики воды устанавливаются по требованию заказчика.

Счетчики горячей воды (на температуру воды до 90 °С) следует устанавливать на подающем и циркуляционном трубопроводах горячего водоснабжения (при двухтрубных сетях) с установкой обратного клапана на циркуляционном трубопроводе.

11.5*. Счетчики холодной и горячей воды следует устанавливать в удобном для снятия показаний и обслуживания эксплуатационным персоналом месте, в помещении с искусственным или естественным освещением и температурой внутреннего воздуха не ниже 5 °С.

Извлечения из СНиП 2.04.07-86*

Тепловые сети

11.2*. В тепловых пунктах предусматривается размещение оборудования, арматуры, приборов контроля, управления и автоматизации, посредством которых осуществляется:

- преобразование вида теплоносителя или его параметров;

- контроль тепловых потоков, расходов теплоносителя и конденсата;

- регулирование расхода теплоносителя и распределение по системам потребления теплоты (через распределительные сети в ЦТП или непосредственно в системы ИТП);

- защита местных систем от аварийного повышения параметров теплоносителя;

- сбор, охлаждение, возврат конденсата и контроль его качества;

- аккумулирование теплоты;

- водоподготовка для систем горячего водоснабжения.

В тепловом пункте в зависимости от его назначения и местных условий могут осуществляться все перечисленные мероприятия или только их часть.

Приборы контроля параметров теплоносителя и учет расхода теплоты следует предусматривать во всех тепловых пунктах.

Извлечения из СНиП 2.04.05-91 *

Отопление, вентиляция и кондиционирование

3.15*. Системы поквартирного отопления в зданиях следует проектировать двухтрубными, предусматривая при этом установку приборов регулирования, контроля и учета расхода теплоты для каждой квартиры.

3.59*. У отопительных приборов следует устанавливать регулирующую арматуру, за исключением приборов в помещениях, где имеется опасность замерзания теплоносителя (на лестничных клетках, в тамбурах и т.п.).

В жилых и общественных зданиях у отопительных приборов следует устанавливать, как правило, автоматические терморегуляторы.

Литература

1. Основные направления и механизм энергоресурсосбережения в жилищно-коммунальном хозяйстве, г. Москва, 1998 г.

2. Королева Т.И. Экономическое пособие оптимизации теплового режима здания. - М.: АСВ, 2001.

3. Топливно-энергетический комплекс. Основы политики Минэнерго России в области развития науки и технологий на период до 2010 г. и дальнейшую перспективу//- М.: ГУ ИЭС, 2002. - 84 с.

4. Богуславский Л.Д. Снижение расхода энергии при работе систем отопления и вентиляции. - М.: Стройиздат 1985 г.

5. Журнал АВОК. № 2 2003 г., № 10 2002 г., № 5 2002 г.

6. Каталог-справочник. Российское и зарубежное оборудование, рекомендуемое для строительства систем канализации, водо-, тепло-, газо-, электроснабжения. Издание 3-е. - М. ГУП ЦПП 1999 г.

7. Чернышев Л.Н. "Организационно-экономические методы привлечения инвестиций в энергоресурсосбережения", "Журнал руководителя и главного бухгалтера ЖКХ", № 6 1998 год.

8. Фатахетдинова А.И., Титов В.Т. "Приборы учета и контроля, некоторые подходы к их выбору", "Журнал руководителя и главного бухгалтера ЖКХ", № 8 1998 год.

 




ГОСТЫ, СТРОИТЕЛЬНЫЕ и ТЕХНИЧЕСКИЕ НОРМАТИВЫ.
Некоммерческая онлайн система, содержащая все Российские Госты, национальные Стандарты и нормативы.
В Системе содержится более 150000 файлов нормативно-технической документации, действующей на территории РФ.
Система предназначена для широкого круга инженерно-технических специалистов.

Рейтинг@Mail.ru Яндекс цитирования

Copyright © www.gostrf.com, 2008 - 2026