Крупнейшая бесплатная информационно-справочная система онлайн доступа к полному собранию технических нормативно-правовых актов РФ. Огромная база технических нормативов (более 150 тысяч документов) и полное собрание национальных стандартов, аутентичное официальной базе Госстандарта. GOSTRF.com - это более 1 Терабайта бесплатной технической информации для всех пользователей интернета. Все электронные копии представленных здесь документов могут распространяться без каких-либо ограничений. Поощряется распространение информации с этого сайта на любых других ресурсах. Каждый человек имеет право на неограниченный доступ к этим документам! Каждый человек имеет право на знание требований, изложенных в данных нормативно-правовых актах!

  


 

ВСЕСОЮЗНЫЙ НАУЧНО-ИССЛЕДОВАТЕЛЬСКИЙ ИНСТИТУТ
ВОДОСНАБЖЕНИЯ, КАНАЛИЗАЦИИ, ГИДРОТЕХНИЧЕСКИХ
СООРУ
ЖЕНИЙ И ИНЖЕНЕРНОЙ ГИДРОГЕОЛОГИИ
(ВНИИ «ВОДГЕО») ГОССТРОЯ СССР

ВСЕСОЮЗНЫЙ НАУЧНО-ИССЛЕДОВАТЕЛЬСКИЙ ИНСТИТУТ
ПО ОХРАНЕ ВОД (ВН
ИИВО) МИНВОДХОЗА СССР

УТВЕРЖДЕНЫ

директором ВНИИ «ВОДГЕО»

чл.-корр. АН СССР, проф.

С. В. Яковлевым

14 декабря 1982 г.

УТВЕРЖДЕНЫ

директором ВНИИВО

к.т.н.

В. В. Лозанским

1 ноября 1982 г.

ВРЕМЕННЫЕ РЕКОМЕНДАЦИИ
ПО ПРОЕКТИРОВАНИЮ СООРУЖЕНИЙ ДЛ
Я ОЧИСТКИ
ПОВЕРХНОСТНОГО СТОКА С ТЕРРИТОРИЙ П
РОМЫШЛЕННЫХ
ПРЕДПРИЯТИЙ И РАСЧЕТУ УСЛОВИЙ ВЫПУСКА ЕГО
В ВОДНЫЕ ОБЪЕКТЫ

Москва - 1983

В рекомендациях приводятся перечень мероприятий, позволяющих сократить загрязненность поверхностного стока, характеристика дождевого и талого стоков, формирующихся на территориях промышленных предприятий, схемы отведения и очистки, обеспечивающие повторное использование поверхностного стока или сброс в водоемы, методики расчета сооружений для аккумулирования и очистки сточных вод, а также условия сброса в водные объекты.

Рекомендации предназначены для проектирования сооружений для очистки поверхностного стока с территорий промышленных предприятий, промузлов и территориально-производственных комплексов.

Рекомендации публикуются в соответствии с решением редакционно-издательского совета ВНИИ «ВОДГЕО» от 13 января 1983 г.

Научный редактор д. т. н. И. Д. Родзиллер

ВВЕДЕНИЕ

Настоящие рекомендации составлены на основании результатов научно-исследовательских работ, выполненных рядом организаций, в частности по заданию Госкомитета СССР по науке и технике 0.85.01 по теме 06.03.02: «Создать новые методы, технологические схемы и типы сооружений, обеспечивающие предотвращение загрязнения водных объектов неорганизованным поверхностным стоком с территории городов и промпредприятий», а также опыта проектирования и эксплуатации сооружений для очистки поверхностного стока с промплощадок.

Рекомендации разработаны ВНИИ «ВОДГЕО» (к.т.н. А. П. Нечаевым и инж. Г. В. Митрофановой), ВНИИВО (к. В. М. Хват и к.т.н. А. В. Рокшевской) и ГПИ Союзводоканалпроект (инж. М. Б. Игрицким, Г. В. Зазовой и Г. М. Мирончик), с участием ИОКГ им. А. Н. Сысина АМН СССР (д. Р. Д. Смирновой и к.н. В. И. Зотовой) и Главводоохраной Минводхоза СССР.т.н. Ю. П. Беличенко).

При разработке рекомендаций учитывались данные, полученные отраслевыми научно-исследовательскими организациями на предприятиях черной и цветной металлургии, машиностроения, металлообработки, коксохимии, нефтепереработки, нефтехимии, энергетики, транспорта, целлюлозно-бумажной, химической, лесохимической, угольной, нефтяной и энергетической промышленности.

Ввиду отсутствия достаточного опыта эксплуатации очистных сооружений поверхностного стока промпредприятий настоящие рекомендации являются временными.

Рекомендации рассмотрены и одобрены секцией канализации и очистки сточных вод научно-технического совета ВНИИ «ВОДГЕО» 14 ноября 1980 г. и согласованы с заместителем начальника Главрыбвода Минрыбхоза СССР А. И. Зуенко, заместителем главного государственного санитарного врача СССР Минздрава СССР А. И. Заиченко и заместителем главного государственного инспектора по регулированию использования и охране вод СССР Минводхоза СССР В. Ф. Костиным.

1. ОБЩИЕ ПОЛОЖЕНИЯ

1.1. Настоящие рекомендации предназначены для использования при проектировании сооружений для очистки поверхностного (дождевого, талого и поливо-моечного) стока с территории промышленных предприятий, речных портов, судоремонтных заводов, промузлов и территориально-производственных комплексов.

1.2. Схемы и методы очистки поверхностного стока с территорий промышленных предприятий, а также параметры для расчета сооружений следует принимать на основании настоящих рекомендаций, инструкций и рекомендаций соответствующих отраслей промышленности, данных научно-исследовательских институтов и опыта эксплуатации действующих сооружений.

1.3. При проектировании систем дождевой канализации промышленных предприятий необходимо рассматривать:

- возможность ликвидации выноса вредных веществ поверхностным стоком с территории предприятия;

- возможность использования поверхностного стока в системах промводоснабжения;

- целесообразность очистки поверхностного стока совместно с производственными или городскими сточными водами.

1.4. С целью уменьшения выноса загрязняющих веществ с поверхностным стоком на промышленных предприятиях должно предусматриваться осуществление следующих мероприятий:

- исключение сброса в дождевую канализацию отходов производства, в том числе и отработанных нефтепродуктов;

- организация регулярной уборки территории с максимальной механизацией уборочных работ;

- проведение своевременного ремонта дорожных покрытий;

- ограждение зон озеленения бордюрами, исключающими смыв грунта во время ливневых дождей на дорожные покрытия;

- повышение эффективности работы пыле- и газоочистных установок с целью максимальной очистки выбросов в атмосферу и предотвращения появления в поверхностном стоке, формирующемся на территории предприятия, специфических загрязнителей;

- повышение технического уровня эксплуатации автотранспорта;

- ограждение строительных площадок с упорядочением отвода поверхностного стока по временной системе открытых канав, осветлением его на 50-70 % в земляных отстойниках и последующим отведением в дождевую канализацию;

- локализация участков территории, где неизбежны просыпи и проливы сырья и промежуточных продуктов, с отведением поверхностного стока в систему производственной канализации для совместной очистки;

- упорядочение складирования и транспортирования сыпучих и жидких материалов.

1.5. При определении условий выпуска поверхностного стока с территории промышленных предприятий в водные объекты следует руководствоваться «Основами водного законодательства Союза ССР и союзных республик» [1], утвержденными Верховным Советом СССР 10 декабря 1970 г., «Правилами охраны поверхностных вод от загрязнения сточными водами» [1], утвержденными Минводхозом СССР, Минздравом СССР и Минрыбхозом СССР 16 мая 1974 г. № 1166, Инструкцией о порядке согласования и выдачи разрешений на специальное водопользование, утвержденной Минводхозом СССР 5 июня 1978 г. по согласованию с Госстроем СССР 5 июня 1978 г., «Методическими указаниями по применению правил охраны поверхностных вод от загрязнения сточными водами», утвержденными Минздравом СССР 10 июля 1980 г., № 2183-80, и Минводхозом СССР 25 июня 1982 г., № 13-2-05/625, ГОСТом 17.12.04-77 «Охрана природы. Гидросфера. Показатели состояния и правила таксации рыбохозяйственных водных объектов» и другими законодательными и нормативными документами, а также положениями и рекомендациями настоящего документа, изложенными в разделе 3 и разработанными с учетом особенностей влияния поверхностного стока на водные объекты.

1.6. Выбор схемы отведения и очистки поверхностного стока определяется его качественней и количественной характеристиками и осуществляется на основании оценки технической возможности реализации того или иного варианта и сравнения технико-экономических показателей разработанных вариантов.

2. КОЛИЧЕСТВЕННАЯ И КАЧЕСТВЕННАЯ ХАРАКТЕРИСТИКА ПОВЕРХНОСТНОГО СТОКА

2.1. Годовое количество дождевых Wд и талых Wт вод в м3, стекающих с 1 га площади водосбора, определяется по формулам

Wд = 10 hд ψд;

Wт = 10 hт ψт;

где hд -  слой осадков в мм за теплый период года;

hт -  слой осадков в мм за холодный период года (определяет общее годовое количество талых вод) или запас воды в снежном покрове к началу снеготаяния (определяет количество талых вод в весеннее половодье);

ψд, ψт - общий коэффициент стока дождевых и талых вод соответственно. Значение ψт принимается в пределах 0,5-0,7, а ψд определяется как средневзвешенная величина для всей площади водосбора с учетом средних значений коэффициентов стока для различного рода поверхности (последние могут приниматься для водонепроницаемых покрытий в пределах 0,6-0,8, для грунтовых поверхностей 0,2, для газонов 0,1).

Общее годовое количество поливо-моечных вод Wм в м3, стекающих с территории промплощадок, определяется по формуле:

Wм = 10 mkFмψм,

где m -     расход воды на одну мойку дорожных покрытий (составляет 1,2-1,5 л/м2);

ψм -   коэффициент стока (может быть принят 0,5);

k -      среднее количество моек в году;

Fм -    площадь покрытий, подвергающихся мокрой уборке, га.

2.2. Расчетные расходы дождевых вод в коллекторах дождевой канализации определяются по СНиПу II-32-74 (пп. 3.7-3.20).

Расход талых вод из-за различия условий снеготаяния по годам и в течение суток, а также неоднородности снежного покрова на застроенных территориях, могут колебаться в широких пределах. Ориентировочно расходы талых вод в л/с могут быть определены по слою стока за часы снеготаяния в течение суток по следующей формуле:

где t -       продолжительность протекания талых вод до расчетного участка, ч;

F -     площадь бассейна водосбора, га;

k -      коэффициент, учитывающий частичный вывоз и окучивание снега (рекомендуется принимать k = 0,5-0,8);

hc -     слой стока за 10 дневных часов, мм.

Величина hc может определяться по данным Союздорнии в зависимости от местоположения предприятия. Карта районирования территории страны по слою талого стока приведена в приложении 1. Для выделенных четырех районов (1, 2, 3, 4) величины hc соответственно равны 25, 20, 15 и 7 мм.

2.3. Состав примесей в поверхностном стоке с территории промышленных предприятий определяется характером основных технологических процессов, а их концентрация зависит также от рода поверхности водосборного бассейна, технического состояния искусственных покрытий, режима уборки территории, эффективности работы систем газо- и пылеулавливания, организации складирования и транспортирования сырья, промежуточных продуктов и отходов производства.

На крупных предприятиях, включающих разнообразные по характеру технологии производства, поверхностный сток с отдельных участков водосборной площади по составу примесей может заметно отличаться от стока с других участков и общего стока, что должно учитываться при разработке схемы его отведения и очистки.

Концентрация основных примесей в дождевом стоке зависит от гидрометеорологических параметров выпадающих осадков (величины слоя за дождь, продолжительности и интенсивности дождя) и продолжительности предшествующего периода сухой погоды. Концентрация примесей тем выше, чем меньше слой осадков и продолжительнее период сухой погоды, и изменяется в процессе стекания дождевых вод. Наибольшие концентрации имеют место в начале стока до достижения максимальных расходов, после чего наблюдается интенсивное их снижение.

Концентрация примесей в талых водах зависит от количества осадков, выпадающих в холодное время года, доли грунтовых поверхностей в балансе площади водосбора, притока стока с прилегающих незастроенных территорий.

Сток поливо-моечных вод отличается относительно стабильным составом и высокими концентрациями примесей.

2.4. Многообразие факторов, влияющих на формирование поверхностного стока, обусловливает значительные колебания его состава.

При разработке мероприятий по очистке поверхностного стока, его состав следует принимать по данным натурных исследований на предприятии или по аналогии с подобными предприятиями.

2.5. В зависимости от состава примесей, накапливающихся на территории промплощадок и смываемых поверхностным стоком, промышленные предприятия и отдельные его участки можно разделить на две группы.

К первой группе относятся предприятия, сток с которых при выполнении требований по упорядочению источников его загрязнения, изложенных в п. 1.4 настоящих рекомендаций, по составу примесей близок к поверхностному стоку с селитебных зон и не содержит специфических веществ с токсичными свойствами.

Основными примесями, содержащимися в стоке с территории предприятий первой группы, являются грубодиспергированные примеси, нефтепродукты, сорбированные главным образом на взвешенных веществах, минеральные соли и органические примеси естественного происхождения.

Ко второй группе относятся предприятия, на которых по условиям производства на современном этапе не представляется возможным в полной мере исключить поступление в сток специфических веществ с токсичными свойствами или значительных количеств органических веществ, обусловливающих высокие значения показателей ХПК и БПК стока.

2.6. К первой группе относятся предприятия черной металлургии (за исключением коксохимпроизводств), машино- и приборостроительной, электротехнической, угольной, нефтяной, легкой, хлебопродуктовой, молочной, пищевой промышленности, серной и содовой подотраслей химической промышленности, энергетики, автотранспортные предприятия, речные порты, ремонтные заводы, а также отдельные производства нефтеперерабатывающих, нефтехимических и химических предприятий, на территорию которых не попадают специфические загрязнения.

Средние концентрации основных примесей в стоке дождевых вод на этих предприятиях могут быть приняты:

- по взвешенным веществам 500-2000 мг/л, при этом более высокие значения относятся к предприятиям с интенсивным движением автотранспорта;

- по нефтепродуктам 30-70 мг/л для предприятий с интенсивным движением автотранспорта и значительным потреблением горюче-смазочных материалов и 10-30 мг/л для остальных (исключение составляют предприятия нефтяной промышленности, где содержание нефтепродуктов в поверхностном стоке может достигать 0,5 г/л за счет сброса совместно с атмосферными водами некоторых видов производственных сточных вод);

- по ХПК и БПК 100-150 мг/л и 20-30 мг/л соответственно в пересчете на растворенные примеси, а с учетом диспергированных примесей эти показатели увеличиваются в 2-3 раза;

- по общему солесодержанию в основном 0,2-0,5 г/л, а на предприятиях химической промышленности (содовых и серных) 0,5-3 г/л.

2.7. Ко второй группе относятся предприятия цветной металлургии, коксохимии, химической, лесохимической, целлюлозно-бумажной, нефтеперерабатывающей, нефтехимической и микробиологической промышленности, кожсырьевые и кожевенные заводы, мясокомбинаты, шпалопропиточные заводы.

В поверхностном стоке предприятий второй группы, помимо примесей, перечисленных в п. 2.6, могут присутствовать также примеси, специфические для данного производства.

Поверхностный сток предприятий цветной металлургии в зависимости от характера производства может содержать различные тяжелые металлы (медь до 100 мг/л, цинк до 15 мг/л, кадмий до 40 мг/л, алюминий до 5 мг/л, титан до 3 мг/л, свинец до 3 мг/л и др.,), мышьяк (до 75 мг/л), фтор (до 200 мг/л) и другие примеси.

В поверхностном стоке коксохимзаводов присутствуют фенолы (до 3 мг/л), роданиды (до 5 мг/л), аммиак (до 20 мг/л), масла и смолы (до 200 мг/л).

В стоке предприятий нефтехимии присутствуют поверхностно-активные вещества; продукты органического синтеза, могут присутствовать тяжелые металлы.

В зависимости от состава производств характер примесей и их концентрации на предприятиях этой отрасли могут существенно отличаться.

В стоке заводов фосфорных удобрений в значительных концентрациях могут присутствовать соединения азота (до 200 мг/л в пересчете на NH4), фосфора (до 100 мг/л и более в пересчете на Р2О5), фтора (10 мг/л и более).

Поверхностный сток лесохимических производств отличается высокими значениями показателей ХПК (средние значения 700-1400 мг/л), БПК (150-400 мг/л), в нем могут присутствовать смолы (до 300 мг/л), фенол (до 30 мг/л), терпинсол (до 3 мг/л), скипидар (до 5 мг/л).

Сток с территории мясокомбинатов имеет высокие БПК (до 300 мг/л), содержит жиры (до 200 мг/л).

В стоке шпалопропиточных заводов могут содержаться фенолы (до 10 мг/л).

Поверхностный сток с территорий предприятий по производству белково-витаминных концентратов (БВК) содержит дрожжи, белки, углеводороды.

3. УСЛОВИЯ ОТВЕДЕНИЯ ПОВЕРХНОСТНОГО СТОКА С ТЕРРИТОРИЙ ПРОМЫШЛЕННЫХ ПРЕДПРИЯТИЙ В ВОДНЫЕ ОБЪЕКТЫ

3.1. Отведение поверхностного стока с территории промышленных предприятий в водные объекты допускается в тех случаях, когда его использование в промводоснабжении оказывается технически невозможным или экономически нецелесообразным.

Отведение поверхностного стока должно осуществляться в соответствии с нормативами и требованиями «Правил охраны поверхностных вод от загрязнения сточными водами» с учетом особенностей его химического состава и условий формирования.

3.2. Места выпуска поверхностного стока в водный объект согласуются с органами по регулированию использования и охране вод, санитарно-эпидемиологической службы и рыбоохраны.

При проектировании выпусков очищенных поверхностных вод в рыбохозяйственные водоемы место сброса должно выбираться с учетом рыбохозяйственного значения данного участка водоема в соответствии с ГОСТом 17.12.04-77 «Охрана природы. Гидросфера. Показатели состояния и правила таксации рыбохозяйственных объектов» и требований, изложенных в разделе III «Правил охраны поверхностных вод от загрязнения сточными водами» (Нормативы качества воды водных объектов, используемых для рыбохозяйственных целей).

3.3. При самостоятельном отведении стока по сети дождевой канализации и отсутствии в нем специфических примесей (сток с территории промышленных предприятий первой группы) допускается ограничиться очисткой основного количества годового объема стока (не менее 70 %). При этом на очистку следует подавать наиболее концентрированную часть стока. Эти условия выполняются при расчете очистных сооружений на прием стока от малоинтенсивных часто повторяющихся дождей с периодом однократного превышения расчетной интенсивности 0,05-0,1 года или аккумуляцию и последующую очистку стока, образующегося от выпадения дождя слоем 10-15 мм.

Приведенные расчетные величины интенсивности и слоя дождя в каждом конкретном случае могут быть уточнены на основе обработки данных об осадках за многолетие.

Степень очистки стока, не содержащего специфические примеси, устанавливается из условия предотвращения заилении и засорения водного объекта и исключения нарушения нормативного содержания в воде растворенного кислорода.

Перед выпуском в водный объект поверхностный сток должен во всех случаях подвергаться очистке от плавающих примесей, в том числе нефтепродуктов, и песка.

Необходимость более глубокой очистки стока устанавливается из условия исключения нарушения кислородного режима в водном объекте, предусмотренного «Правилами охраны поверхностных вод от загрязнения сточными водами», за счет окисления органической части донных отложений, сформированных в результате поступления стока, и определяется по методике, изложенной в приложении 3.

3.4. В случае поступления в дождевую канализацию производственных сточных вод или наличия в поверхностном стоке специфических примесей (сток с территории промышленных предприятий второй группы) к выпуску его в водный объект предъявляются такие же требования, как и к выпуску производственных сточных вод.

Степень очистки поверхностного стока при этом определяется из условия соблюдения в расчетном (контрольном) створе водоприемника с учетом разбавления и самоочищения нормативных требований, предъявляемых к качеству воды водных объектов, используемых для хозяйственно-питьевых, культурно-бытовых нужд населения и рыбохозяйственных целей. Очистные сооружения рассчитываются на прием всего объема сточных вод, поступающих по сети дождевой канализации.

3.5. При определении условий смешения с водой водного объекта расчетный расход поверхностного стока Qp принимается равным зарегулированному расходу стока после очистных сооружений, а при отсутствии регулирования рассчитывается по формуле:

где hсм -   среднесуточный максимум атмосферных осадков, мм (принимается по [2]);

Tд -    средняя продолжительность дождя в данной местности, ч (приведена в приложении 2);

t -       время добегания стока от крайней точки водосборного бассейна до места выпуска в водный объект, ч.

Условия отведения поверхностного стока в водные объекты расчетным путем определяются в соответствии с «Методическими указаниями для органов и учреждений санитарно-эпидемиологической службы по применению правил охраны поверхностных вод от загрязнения сточными водами».

3.6. При наличии большого числа выпусков дождевой канализации в пределах городской территории или производственно-территориального комплекса требуемая степень очистки поверхностного стока и допустимое к сбросу количество примесей для предприятий определяются научно-исследовательскими и проектными организациями с учетом оптимального распределения затрат на очистку, согласовываются соответствующими органами государственного надзора, а разрешение на спецводопользование выдается органами по регулированию использования и охране вод.

4. ОЧИСТКА ПОВЕРХНОСТНОГО СТОКА

4.1. Общие указания по схемам отведения и очистке поверхностного стока

4.1.1. При разработке схем отведения поверхностного стока с территории промышленных предприятий следует исходить из конкретных условий - размеров, конфигурации и рельефа водосборного бассейна, источников загрязнения территории, наличия свободных площадей для строительства очистных сооружений и др. При этом следует рассматривать:

- необходимость локализации отдельных участков производственной территории с отводом стока в производственную канализацию или после предварительной очистки в дождевую;

- целесообразность раздельного отведения стока с водосборных площадей, отличающихся по характеру и интенсивности загрязнения территории;

- целесообразность частичного или полного использования поверхностного стока для промышленного водоснабжения;

- возможность и целесообразность подачи поверхностного стока на очистные сооружения предприятия, промышленного узла или города для совместной очистки со сточными водами.

В схемах отведения следует предусматривать по возможности самотечную подачу стока на очистные сооружения.

4.1.2. Степень очистки поверхностного стока в зависимости от схемы отведения его определяется требованиями к качеству воды, используемой для производственных целей, или условиями спуска в водные объекты, используемые для хозяйственно-питьевых и культурно-бытовых нужд населения и в рыбохозяйственных целях.

Условия сброс после очистки в водный объект поверхностного стока с территории промпредприятий должны отвечать «Правилам охраны поверхностных вод от загрязнения сточными водами», а также требованиям, изложенным в разделе 3 настоящих рекомендаций. При использовании в промводоснабжении очищенный поверхностный сток должен отвечать требованиям к качеству воды, предъявляемым потребителями.

4.1.3. Схема очистных сооружений должна приниматься в зависимости от качественной характеристики и требуемой степени очистки поверхностного стока, его расчетного расхода или количества, направляемого на очистку, с учетом возможности очистки или доочистки стока совместно с производственными или производственно-бытовыми сточными водами или природными водами на станции водоподготовки.

4.1.4. При очистке поверхностного стока с территории промышленных предприятий первой группы (не содержит специфических примесей с токсическими свойствами) может предусматриваться устройство самостоятельных сооружений, а также отведение стоков на городские или заводские очистные сооружения для очистки вместе с бытовыми или производственными сточными водами.

4.1.5. Очистка поверхностного стока с территории промышленных предприятий второй группы (содержит специфические примеси с токсическими свойствами) должна проходить, как правило, совместно с производственными или промышленно-бытовыми сточными водами.

Самостоятельная очистка такого стока должна быть ограничена из-за значительных затрат на нее и технических трудностей, обусловленных эпизодической эксплуатацией сооружений, предназначенных для удаления из стока специфических примесей.

4.1.6. В схемах отведения и очистки поверхностного стока с территории промышленных предприятий первой группы в большинстве случаев следует предусматривать разделение стока перед очисткой с целью уменьшения размеров очистных сооружений и подачи на очистку наиболее загрязненной части стока.

4.1.7. При отведении на очистку поверхностного стока с территории промышленных предприятий второй группы предварительное разделение стока не допускается из-за необходимости очистки всего его количества. Для уменьшения потребной мощности очистных сооружений в таких случаях, как правило, следует предусматривать регулирование расхода стока. Размер регулирующей емкости при этом принимается из условия минимальных общих затрат на обезвреживание стока.

4.1.8. Отведение поверхностного стока без предварительного разделения и регулирования для очистки совместно с производственными сточными водами и последующего использования может приниматься на предприятиях как первой, так и второй группы с водоемкими производствами и оборотным водоснабжением (металлургических заводах, фабриках флотационного обогащения руд и угля, нефтепромыслах, нефтехимических и нефтеперерабатывающих заводах) при наличии в системах водоснабжения значительных по объему накопительных емкостей.

В таких случаях баланс водного хозяйства предприятия составляется с учетом полного использования дождевого и полного или частичного использования талого стока.

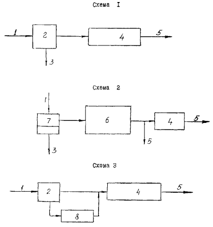
4.1.9. Разделение дождевого стока перед очистными сооружениями может осуществляться двумя способами (рис. 1).

В первом способе (схема 1) предусматривается регулирование расхода стока за счет устройства на коллекторах дождевой канализации разделительных камер. В этом случае на очистку направляется сток от малоинтенсивных дождей и часть стока с определенным расходом от интенсивных дождей, а остальная часть сбрасывается без очистки.

Второй способ разделения (схема 2) заключается в аккумулировании и последующем отведении на очистку объема дождевых вод, притекающих от начала стока до определенного момента. При таком разделении на очистку направляется концентрированная часть стока от всех дождей, а в водный объект сбрасывается наименее концентрированная часть стока от значительных по слою дождей.

При любой схеме разделения дождевого стока состав и свойства воды водных объектов после сброса очищенных и неочищенных стоков должны отвечать нормативам и требованиям, изложенным в «Правилах охраны поверхностных вод от загрязнения сточными водами».

4.1.10. Регулирование расхода поверхностного стока без сброса части его непосредственно в водоприемник следует предусматривать за счет устройства регулирующих емкостей, рассчитанных на прием пиковых расходов стока и последующее опорожнение после уменьшения или прекращения притока (схема 3), или устройства аккумулирующих емкостей, рассчитанных на регулирование стока в течение определенного периода (года, теплого периода, месяца).

4.1.11. При регулировании расхода стока (схемы 1, 3) для последующей предварительной или окончательной самостоятельной его очистки могут быть применены отстойные сооружения или флотационные установки. Высокий эффект механической очистки на этих сооружениях достигается при предварительной реагентной обработке стока. Применение реагентной обработки в данном случае требует полной автоматизации процесса очистки из-за эпизодичности поступления стока и наиболее целесообразно при совместной очистке его с производственными сточными водами.

Рис. 1. Принципиальные схемы разделения дождевого стока перед очистными сооружениями:

1 - коллектор дождевой канализации; 2 - разделительная камера; 3 - сброс неочищенного поверхностного стока в водный объект; 4 - очистные сооружения; 5 - отведение очищенного поверхностного стока в водный объект или в систему производственного водоснабжения; 6 - аккумулирующая емкость; 7 - камера распределения стока; 8 - регулирующая емкость

4.1.12. При разделении стока путем частичного его аккумулирования (схема 2) очистку стока от основной массы примесей следует предусматривать в самой аккумулирующей емкости за счет выдерживания стока в контактных условиях.

4.1.13. Для дополнительного осветления предварительно отстоянного поверхностного стока в случае такой необходимости может быть применена обработка коагулянтами с последующим отстаиванием, фильтрование через различные загрузки из природных и синтетических материалов (кварцевый песок, керамзит, пенополистирол, пенополиуретан, торф), а также флотация с предварительной реагентной обработкой стока.

В случае применения реагентной обработки поверхностный сток перед сбросом в водный объект рыбохозяйственного назначения не должен содержать остаточных концентраций коагулянтов.

4.1.14. Для снижения содержания растворенных органических примесей поверхностный сток следует направлять на заводские сооружения биологической очистки или в биологические пруды.

4.1.15. Для предприятий, поверхностный, сток которых характеризуется не только химическим, но и микробным загрязнением (мясокомбинаты, кожевенные заводы, шерстопрядильные фабрики и др.) необходимо предусматривать сооружения для обеззараживания стоков и периодический контроль за степенью их очистки. Для обеззараживания поверхностного стока указанных предприятий параметры хлорирования рекомендуется принимать по СНиПу II-34-72 аналогично обеззараживанию биологически очищенных сточных вод.

4.2. Сооружения для регулирования и очистки поверхностного стока и их расчет

4.2.1. При расчете сооружений для регулирования и очистки поверхностного стока с территории промышленных предприятий требуются следующие исходные данные:

- общая площадь водосбора и площадь отдельных бассейнов канализования;

- баланс канализуемой территории по роду поверхности;

- режим атмосферных осадков в данной местности;

- схема дождевой или производственно-дождевой канализационной сети (существующей и на перспективу);

- гидравлический расчет коллекторов дождевой канализации;

- расчетные концентрации загрязняющих примесей в поверхностном стоке, а в случае устройства производственно-дождевой канализации и состав производственных сточных вод;

- требуемая степень очистки сточных вод.

4.2.2. Для регулирования дождевого стока с целью отведения определенного количества его с расчетным расходом на очистку, а остального количества в регулирующие резервуары или в водоемы, на коллекторах перед очистными сооружениями устраиваются разделительные камеры по типу ливнеспусков общесплавной канализации.

В конструкцию ливнеспуска входят разделительное устройство, ливнеотвод (на сброс или в регулирующий резервуар) и трубопровод, отводящий сток на очистные сооружения.

Разделительное устройство камеры может выполняться в виде различных водосливов с порогом или в виде ливнесброса циклонного типа с тангенциальным подводом воды. При необходимости изменять величину расхода стока, подаваемого на очистку (например, на опытных сооружениях), целесообразно применять регулируемые ливнеспуски.

В отдельных случаях может применяться разделение стока с помощью перекачки его насосами.

Гидравлический расчет разделительных устройств может быть выполнен с помощью справочной литературы [3].

4.2.3. Трубопровод для сброса стока после разделительной камеры в водоем или регулирующий резервуар должен рассчитываться на пропуск расхода

Qсб = 1,3 (Qо - Qоч),

где Qо -    расчетный расход дождевых вод в коллекторе перед разделительной камерой;

Qоч -  расчетный расход дождевых вод, направляемых на очистные сооружения.

4.2.4. При регулировании дождевого стока с территории предприятий первой группы (см. п. 2.5) расчетный расход дождевых вод Qоч направляемых на очистку, может быть определен двумя способами.

Для определения расчетного расхода Qоч по первому способу следует произвести расчет дождевой сети на прием дождя с выбранным периодом однократного превышения интенсивности pоч. В этом случае конечная расчетная формула имеет вид:

где q20 -   интенсивность дождя для данной местности продолжительностью 20 мин для периода однократного превышения Р = 1 год, л/с га (определяется по рисунку приложения 4);

n -      параметр, зависящий от географического положения объекта (определяется по рисунку приложения 5);

F -     площадь водосборного бассейна, га;

ψд -    средний коэффициент стока дождевых вод (определяется по СНиПу II-32-74 как средневзвешенная величина в зависимости от постоянных значений коэффициента стока для разного рода поверхyостей и их площади);

t -       продолжительность протекания дождевых вод от крайней границы бассейна до расчетного участка при выпадении дождя с выбранным значением p, мин (величина t определяется как сумма продолжительности протекания дождевых вод по поверхности к трубам с учетом уменьшения интенсивности стока по сравнению с расчетным для сети);

τ -      параметр, зависящий от географического параметра С, характеризующего вероятность интенсивности осадков.

Параметр С определяется по рисунку приложения 6, а параметр τ равен 0,2 при С = 0,85;

0,24 при С = 1,0;

0,27 при С = 1,2;

pоч -   период однократного превышения интенсивности дождя в годах, сток от которого полностью подается на очистные сооружения. При определении расчетного расхода Qоч для промпредприятий первой группы величина pоч выбирается в пределах 0,05-0,1 года.

При втором способе определения Qоч исходят из расчетного расхода Qо дождевых вод в сети перед разделительной камерой.

В этом случае

Qоч = Qо · K1,

если расчетные расходы для сети определены для p = 1 году,

и Qоч = Qо · K1 · K2

для иных значений p,

где K1 и K2 - коэффициенты, учитывающие изменение параметров стока при уменьшении значений p, принятых при расчете дождевой сети.

Значения коэффициентов K1 и K2 в зависимости от величины pоч для различных условий расчета сети приведены в табл. 1 и 2.

4.2.5. Дождевые воды с территории предприятий первой группы, подлежащие очистке, могут направляться непосредственно на очистные сооружения с расходом Qоч, а в случае необходимости уменьшения расхода - через регулирующую емкость, устраиваемую на трубопроводе перед очистными сооружениями.

Полезный объем емкости для вторичного регулирования может быть определен по формуле

W′p = (1 - K3) · Qоч · Tд,

где К3 -    коэффициент регулирования, равный отношению расхода стока на выходе из регулирующей емкости к расходу стока до регулирующей емкости;

Тд -    средняя продолжительность дождей для данной местности, ч (принимается по таблице приложения 2).

Таблица 1

ЗНАЧЕНИЯ КОЭФФИЦИЕНТА K1

p в годах

При C = 0,85

При C = 1

При C = 1,2

0,2

0,39

0,35

0,33

0,15

0,31

0,27

0,25

0,1

0,22

0,19

0,17

0,08

0,19

0,15

0,12

0,05

0,12

0,09

0,06

0,04

0,09

0,06

0,04

0,03

0,07

0,03

0,015

0,03

0,033

0,013

-

0,01

0,0035

-

-

Таблица 2

ЗНАЧЕНИЯ КОЭФФИЦИЕНТА K2

Значения p, принятые при расчете дождевой сети, в годах

При C = 0,85

При C = 1

При C = 1,2

0,33

2,12

2,56

3,33

0,5

1,51

1,67

1,9

1

1

1

1

2

0,71

0,69

0,65

3

0,61

0,57

0,53

5

0,52

0,47

0,41

4.2.6. При регулировании с помощью разделительной камеры дождевых вод с территории промпредприятий второй группы сток распределяется между очистными сооружениями и регулирующей емкостью из условия минимальной суммарной стоимости очистных сооружений и регулирующего резервуара сравнением возможных вариантов.

Полезный объем регулирующей емкости Wp рассчитывается по формуле

Wp = kQоtо,

где Qо -    расчетный расход дождевых вод в коллектора, м3/с;

tо -     время добегания дождевых вод, принимаемое при расчете максимального их расхода в сети, с;

k -      коэффициент, являющийся функцией отношения

;

Qоч -  максимальный расход дождевых вод, отводимых на очистку во время дождя и заполнения регулирующего резервуара, а такие средний расход опорожнения резервуара, м3/с;

α -      коэффициент регулирования.

При определении полезного объема регулирующего резервуара задается ряд значений Qоч и соответственно коэффициента α. Затем по табл. 3 определяются предельный коэффициент регулирования αо в зависимости от значений географического параметра «n» и отношения Тд / tо. Здесь αо - значение коэффициента регулирования для случая, когда Qоч равен расходу стока в момент прекращения дождя.

Коэффициент K = f(α) для значений α > αо находят по табл. 4, а для значений α < αо рассчитывают по формуле

K = KI + KII.

Значение KI принимается по табл. 4 для коэффициента регулирования αo, а KII - определяется по формуле

.

После определения величины Wp для принятого ряда значений Qоч и α выполняют ориентировочный расчет системы для отведения и очистки поверхностного стока и выбирают вариант исходя из технико-экономических показателей.

4.2.7. При проектировании регулирующих резервуаров необходимо предусматривать поддержание в них в сухую погоду некоторого постоянного уровня заполнения (на глубину 0,8-1 м) и возможность периодического полного опорожнения и очистки от осадка, а также аварийный сброс воды для предотвращения переполнения резервуара при выпадении значительных по слою осадков редкой повторяемости.

На случай аварийного сброса из регулирующих резервуаров в водный объект необходимо предусматривать мероприятия по исключению сброса в рыбохозяйственные водоемы.

4.2.8. Перед сооружениями для регулирования и очистки поверхностного стока следует предусматривать установку решеток для задержания мусора с прозорами 10-20 мм. При этом для промпредприятий с площадью водосбора до 100 га допускается применение решеток с ручной очисткой. Решетки необходимо чистить после каждого дождя, для чего должна быть предусмотрена площадка обслуживания и контейнер для сбора мусора.

4.2.9. Для регулирования расхода поверхностного стока с территории промпредприятия во многих случаях более предпочтительно устройство аккумулирующих емкостей по сравнению с устройством регулирующих резервуаров.

При накоплении стока в аккумулирующей емкости происходит усреднение его состава, а при последующем выдерживании перед опорожнением удаление из стока основной массы нерастворенных примесей.

Рабочий объем аккумулирующей емкости W в м3 определяется по формуле

W = 10haFψa,

где ha -     максимальный слой осадков за дождь в мм, сток от которого аккумулируется в полном объеме;

ψд -    общий коэффициент стока дождевых вод м. п. 2.1).

Величина ha для промпредприятий первой группы принимается обычно в пределах 10-15 мм, а для промпредприятий второй группы равной среднему суточному максимуму осадков.

4.2.10. Аккумулирующие емкости рекомендуется проектировать прямоугольными в плане и разделенными на секции. Полезный объем одной секции следует рассчитывать на прием стока от слоя осадков 2,5-5 мм.

Таблица 3

ПРЕДЕЛЬНЫЕ КОЭФФИЦИЕНТЫ РЕГУЛИРОВАНИЯ

αо при значениях параметра n

0,50

0,55

0,60

0,67

0,70

0,75

2

0,41

0,37

0,32

0,26

0,23

0,19

3

0,32

0,27

0,23

0,18

0,16

0,13

4

0,26

0,23

0,19

0,14

0,13

0,09

5

0,23

0,20

0,16

0,12

0,10

0,08

6

0,21

0,18

0,15

0,11

0,09

0,07

8

0,19

0,15

0,12

0,09

0,07

0,06

10

0,17

0,13

0,11

0,08

0,06

0,05

12

0,15

0,12

0,09

0,06

0,06

0,04

15

0,13

0,10

0,08

0,05

0,05

0,03

20

0,12

0,09

0,07

0,05

0,04

0,03

Таблица 4

ЗНАЧЕНИЯ КОЭФФИЦИЕНТА K = f(α)

α

K при значениях параметра n

0,50

0,55

0,60

0,67

0,70

0,75

0,5

0,29

0,28

0,28

0,28

0,29

0,31

0,4

0,45

0,42

0,40

0,40

0,41

0,42

0,3

0,62

0,62

0,59

0,54

0,53

0,54

0,25

0,90

0,77

0,69

0,64

0,63

0,63

0,2

1,16

0,96

0,85

0,77

0,73

0,70

0,15

1,55

1,27

1,08

0,93

0,86

0,81

0,12

2,0

1,59

1,27

1,06

0,98

0,90

0,10

 

1,84

1,46

1,17

1,07

0,97

0,09

 

1,99

1,58

1,24

1,12

1,01

0,08

 

 

1,71

1,31

1,19

1,06

0,07

 

 

1,89

1,41

1,27

1,11

0,06

 

 

 

1,54

1,36

1,18

0,05

 

 

 

1,69

1,48

1,26

0,04

 

 

 

 

1,64

1,36

0,03

 

 

 

 

 

1,51

Конструкция распределительной камеры перед аккумулирующей емкостью должна обеспечивать последовательное заполнение свободных секций и отведение стока, поступающего после заполнения всех секций, в сбросной коллектор. Во впускных устройствах секции следует предусмотреть установку щитовых затворов для отключения секций на отстаивание стока, удаление осадка или ремонт. Конструкция выпускных устройств должна исключать попадание всплывших нефтепродуктов в трубопроводы для отвода осветленной воды.

Высоту зоны отстаивания в емкости следует принимать в пределах 1,5-4 м, высоту свободной зоны над уровнем воды 0,3-0,5 м, высоту нейтральной зоны над уровнем осадка 0,4-0,5 м.

Секции аккумулирующей емкости должны быть оборудованы устройствами для периодического удаления всплывших нефтепродуктов и осадка.

При проектировании нефтесгонных и нефтесборных устройств следует учитывать периодическое колебание уровня заполнения секций ниже расчетного.

Иловые приямки в аккумулирующей емкости рекомендуется располагать в средней части. Уклон днища к приямкам и поперечный уклон дна следует принимать не менее 0,05, а уклон стенок приямка не менее 45°. Для удаления осадка с площади днища в приямок следует предусматривать гидросмыв. Объем иловой части емкости определяется исходя из заданной периодичности удаления осадка.

Количество осадка Wос в м3, задерживаемого в аккумулирующей емкости в течение теплого периода года, рассчитывается по формуле

,

где s -      коэффициент, учитывающий долю годового количества дождевых вод, направляемых на очистку (рассчитывается по данным о распределении выпадающих в теплый период года осадков по слоям и принятой величине ha);

Cср -  среднее содержание взвешенных веществ в поступающем на очистку поверхностном стоке, г/л;

Э -     эффект удаления взвешенных веществ из дождевых вод в аккумулирующей емкости, %;

γ -      средняя концентрация твердой фазы в уплотненном осадке, кг/м3 (принимается равной 200 кг/м3).

Для периодического удаления накапливающегося осадка из аккумулирующей емкости следует предусмотреть устройство гидроэлеваторной установки или насосной станции, оборудованной плунжерными или другими насосами, предназначенными для перекачки шламов с высоким содержанием механических примесей.

Для обезвоживания осадка рекомендуется применять выдерживание его на иловых площадках или на площадках-уплотнителях, нагрузка на площадки обезвоживания может быть принята равной 3 м3 на 1 м2 в год. Площадки следует разделить на карты, оборудованные выпускными устройствами для отвода иловой воды.

В некоторых случаях целесообразно применять многолетнее накопление осадка в прудах-илонакопителях, которые желательно устраивать в естественных впадинах, оврагах, земляных выработках.

Продолжительность выдерживания поверхностного стока в аккумулирующей емкости и последующего опорожнения емкости принимается из условия обеспеченности приема всего или части стока от каждого дождя (в зависимости от количества выпадающих за дождь осадков и принятой величины ha), достижения высокого эффекта удаления основных примесей из поверхностного стока и необходимой степени регулирования расхода стока с целью снижения пропускной способности сооружений для его доочистки.

На основании данных о средней продолжительности периодов между стокообразующими осадками продолжительность отстаивания стока в аккумулирующей емкости может быть принята равной 1-2 суткам. В таких же пределах может быть принята и продолжительность отвода осветленной воды.

В большинстве случаев общая продолжительность пребывания дождевых вод в секциях аккумулирующей емкости по сравнению с приведенной может быть увеличена. Однако такое увеличение для предприятий второй группы должно приниматься на основе обработки натурного ряда дождей для данной местности за многолетие.

При продолжительности отстаивания 1-2 суток эффект снижения содержания взвешенных веществ и показателя ХПК в аккумулирующей емкости колеблется в основном в пределах 80-90 %, а показатели БПК в пределах 60-80 %. Остаточное содержание взвешенных веществ в отстоянной воде ориентировочно может быть принято в пределах 50-200 мг/л, нефтепродуктов 0,5-5 мг/л, а органических примесей 50-10 мг/л в пересчете на ХПК и 20-30 мг/л в пересчете на БПК.

4.2.11. Для дополнительного осветления фильтрованием поверхностного стока, отстоянного в аккумулирующей емкости, следует применять фильтрующие загрузки, отличающиеся простотой регенерации. В качестве таковых могут быть рекомендованы загрузки из синтетических материалов - эластичного пенополиуретана (ОСТ 6-05-407-75) и вспененного полистирола (ОСТ 6-05-202-73). Высокий эффект фильтрационного осветления достигается при обработке стока флокулянтами (например, полиакриламидом). Доза флокулянта составляет 1-2 мг/л.

В пенополиуретановых фильтрах рекомендуется применять загрузку из эластичного пенополиуретана марок 35-0,8; 40-0,8; 40-1,2 в измельченном виде (крошка с размером сторон 1-2 см). Технологические параметры пенополиуретановых фильтров при флокуляционной обработке стока принимаются следующими:

- высота слоя загрузки 1-1,5 м;

- плотность загрузки 50-70 кг/м3;

- скорость фильтрования 20-25 м/ч;

- эффект осветления 90-95 %;

- грязеемкость загрузки 50 кг/м3;

- потери напора в начале фильтроцикла 0,5-0,6 м вод. ст., в конце фильтроцикла 1-2 м вод. ст.

При безреагентном фильтровании на пенополиуретановых фильтрах скорость фильтрования следует принимать в пределах 10-30 м/ч, эффект осветления при высоте слоя загрузки 1 м и 1,5 м соответственно 85-60 % и 90-75 %.

Регенерация загрузки осуществляется за счет 3-5-кратной водовоздушной промывки в статических условиях. В тех случаях, когда не исключено периодическое или постоянное поступление в водостоки нефтесодержащих сточных вод или отработанных нефтепродуктов, в пенополиуретановых фильтрах следует предусматривать водовоздушную промывку загрузки с механическим ее отжатием.

В пенополистирольных фильтрах рекомендуется применять загрузку из вспененных гранул полистирола марок ПСВ и ПСВ-С диаметром 2-5 мм с кажущейся плотностью 0,1-0,2 г/см3. Технологические параметры пенополистирольных фильтров при флокуляционной обработке стока принимаются следующими:

- высота слоя загрузки - 2-2,5 м;

- скорость фильтрования 30-40 м;

- эффект осветления 90 %;

- грязеемкость загрузки 30-50 кг/м3;

- потери напора в начале фильтроцикла 0,4-3 м вод. ст.;

в конце фильтроцикла до 10 м вод. ст.;

- регенерация осуществляется за счет обратной водовоздушной промывки (расход воды 30 л/с·м2, расход воздуха 10-12 л/с·м2, время обработки 15-20 мин).

При безреагентном фильтровании на пенополистирольных фильтрах скорость фильтрования следует принимать в пределах 10-30 м/ч, эффект осветления 90-60 %.

При применении фильтров для самостоятельной очистки поверхностного стока регенерацию фильтрующей загрузки следует производить после каждого использования фильтра.

4.2.12. Доочистка отстоянного поверхностного стока флотацией может применяться в основном на флотационных установках, предназначенных для совместной очистки дождевых и сточных вод. В этих случаях применяются установки напорной флотации преимущественно с флотаторами-отстойниками, разработанными Союзводоканалпроектом. Флотацию проводят, как правило, с рециркуляцией сточных вод и реагентной обработкой. Остаточное содержание взвешенных веществ в очищенной воде при этом составляет 10-25 мг/л, а содержание нефтепродуктов определяется исходным их содержанием в производственных сточных водах и находится обычно в пределах 10-20 мг/л. Расход рециркуляционной воды составляет около 50 % от расхода очищенной воды. В качестве коагулянта рекомендуется применять сернокислый алюминий при дозе 50-100 мг/л в пересчете на безводный продукт. Насыщение воды воздухом осуществляется в напорных баках, рассчитанных на пребывание 1-2 мин при давлении 0,4-0,5 МПа. Расчетное время пребывания воды во флотаторе-отстойнике принимается в пределах 20-30 мин. Для удаления осадка с днища флотатора в камеру для осадка и образующейся на поверхности флотатора пены в пеносборный лоток предусматриваются скребковые механизмы (желательно с отдельными приводами). Осадок и нефтешлам, образующиеся при разрушении пены, направляются в шламонакопитель и перерабатываются по схеме, принимаемой в технологии очистки нефтесодержащих производственных сточных вод в зависимости от конкретных условий.

4.2.13. В отдельных случаях для частичной механической очистки поверхностного стока могут применяться проточные горизонтальные отстойники с расчетным временем пребывания tp = 1-3 ч. Такие отстойники обеспечивают задержание всплывающих примесей, в том числе нефтепродуктов (попадают в водостоки в результата аварийных проливов на территории промплощадки или случайных сбросов отходов производства в ливневую канализацию), а также удаление наиболее крупных взвесей со скоростью выпадения более 0,4 мм/с, сброс которых в водные объекты запрещен «Правилами охраны поверхностных вод от загрязнения сточными водами». Эффект удаления взвесей в проточных отстойниках может колебаться в пределах 15-75 % и составляет в среднем при высоте зоны отстаивания 2-3 м

30 % при tp = 1 ч;

45 % при tp = 2 ч;

60 % при tp = 3 ч.

Суммарную площадь горизонтальных отстойников в плане 2) определяют по формуле

,

где Qоч -  расчетный расход дождевых вод, поступающих на очистку, м3/ч;

uo -    скорость выпадения взвесей, задерживаемых отстойником, мм/с;

α -      коэффициент, учитывающий влияние вертикальной составляющей скорости потока;

,

здесь vср - средняя скорость протока воды в отстойнике, мм/с.

Расчетную скорость осаждения взвесей определяют экспериментально при высоте зоны осаждения, равной высоте зоны осаждения в отстойнике Hо (принимается в пределах 2-3,5 м). При отсутствии данных о скорости осаждения взвесей в поверхностном стоке конкретного объекта рекомендуется принимать следующие значения расчетной скорости в зависимости от принятого эффекта удаления взвесей Э (%):

uo = 1 мм/с при Э - 25 %,                               uo = 0,25 мм при Э - 60 %;

uo = 0,55 мм/с при Э - 40 %;                          uo = 0,15 мм/с при Э - 70 %;

uo = 0,4 мм/с при Э - 50 %;                            uo = 0,05 мм/с при Э - 85 %.

Скорость движения воды в отстойнике принимается в пределах 5-7 мм/с, при расчете его на удаление взвесей с uo 0,55 мм/с и 3-5 мм/с при удалении взвесей с uo0,4 мм/с.

Длина отстойника Lo (м) определяется по формуле

,

а общая ширина отстойников В (м) по формуле

.

После определения величины В проверяется фактическая скорость vср (мм/с) в проточной части отстойников:

.

Ширина отстойника (или его секции) принимается в пределах 3-9 м, а длина не менее 10Ho.

При расчете осадочной части отстойника, как и аккумулирующих емкостей (п. 4.2.10), следует исходить из счетного накопления осадка и принятой частоты его удаления.

В отстойниках для механической очистки поверхностного стока, как в нефтеловушках и в первичных отстойниках городских очистных сооружений, должны быть предусмотрены устройства для задерживания и периодического удаления всплывающих примесей (в основном нефтепродуктов и масел) и накапливающегося осадка. Удаляемые с поверхности отстойника всплывающие примеси отводятся в сборники, где выдерживаются в течение нескольких суток для отделения нефтепродуктов. Частично осветленные и обезвоженные нефтепродукты, в зависимости от их качества, должны направляться на утилизацию или сжигание, а отделившаяся вода и шлам возвращаться в отстойник.

Повышение эффективности работы отстойников достигается предварительной обработкой стока дождевых или промливневых вод коагулянтами.

Высокий эффект осветления (94-99 %) может быть достигнут при применении в качестве коагулянта сернокислого алюминия. Корректировка показателя pH при этом не требуется, если его значение в исходной воде находится в пределах 6-8. Рекомендуемая доза коагулянта - 50 мг/л в пересчете на Al2 (SO4)3. Доза коагулянта может быть снижена на 10-20 мг/л в случае дополнительного введения в воду флокулянтов в количестве 0,5-2 мг/л.

Значительный эффект осветления (94-98 %) достигается при самостоятельном применении катионных полиэлектролитов и полиакриламида. Рекомендуемая доза - 1-3 мг/л в пересчете на основное вещество.

Расчетную скорость осаждения взвесей uo при отстаивании поверхностного стока, обработанного коагулянтами, следует принимать в пределах 0,5-0,6 мм/с, среднюю концентрацию твердой фазы в уплотненном осадке - 150 кг/м3.

5. СПИСОК ЛИТЕРАТУРЫ

1. Охрана окружающей среды. Справочник. Л., «Судостроение», 1978, 560 с.

2. Справочник по климату СССР, ч. IV. Влажность воздуха, атмосферные осадки и снежный покров. М.-Л., Гидрометеоиздат, 1964-1970 гг.

3. Справочник по гидравлическим расчетам систем водоснабжения и канализации. Л., Стройиздат, 1978.



Приложение 2

Средняя продолжительность дождей в день с осадками

Пункт

Тд, ч

Пункт

Тд, ч

Европейская территория СССР

 

Нарын

5

Архангельск

9

Нукус

3

Астрахань

4

Ош

6

Бисер

8

Ташкент

4

Брянск

6

Термез

3

Бугульма

8

Фергана

5

Вильнюс

6

Фрунзе

6

Витебск

6

Целиноград

6

Волгоград

5

Западная Сибирь

 

Днепропетровск

5

Александровское

9

Донецк

5

Барнаул

6

Златоуст

10

Новосибирск

7

Калининград

6

Омск

6

Кемь

6

Салехард

9

Киров

8

Томск

8

Кишинев

5

Тюмень

7

Кола

8

Усть-Улаган

4

Котлас

10

Чемал

5

Кривой Рог

5

Восточная Сибирь

 

Куйбышев

6

Алдан

9

Курск

6

Анадырь

8

Ленинград

6

Баргузин

6

Львов

7

Баунт

5

Малые Кармакулы

8

Братск

6

Минск

5

Верхоянск

6

Москва

6

Дудинка

10

Нарьян-Мар

8

Ербогачен

6

Одесса

5

Зима

5

Оренбург

6

Красноармейский прииск

13

Пермь

9

Красноярск

7

Псков

6

Минусинск

4

Ржев

6

Могоча

6

Рига

6

Нерчинский завод

4

Ростов-на-Дону

4

Нижнеангарск

6

Свердловск

8

Оленек

8

Симферополь

4

Сковородино

6

Сыктывкар

10

Среднеколымск

9

Тамбов

6

Таймыр, озеро

7

Таллин

6

Тикси, бухта

7

Ужгород

5

Томмот

6

Хибины

9

Туруханск

13

Чернигов

6

Улан-Удэ

5

Ялта

4

Уэлен

7

Кавказ

 

Чита

5

Адлер

7

Шмидта, мыс

10

Батуми

9

Якутск

4

Гагра

8

Дальний Восток

 

Грозный

8

Бикин

6

Закаталы

9

Биробиджан

9

Ленинакан

4

Благовещенск

6

Ленкорань

9

Владивосток

8

Маштаги

5

Гижига

9

Орджоникидзе

8

Курильск

6

Сочи

7

Магадан

9

Тбилиси

8

Николаевск-на-Амуре

10

Средняя Азия и Казахстан

 

Охотск

10

Алма-Ата

6

Петропавловск-Камчатский

9

Андижан

6

Пикан

6

Аральское море

4

Сантахеза

5

Ашхабад

4

Сихотэ-Алин

6

Балхаш

3

Улунга

10

Душанбе

5

Уссурийск

8

Караганда

7

Усть-Большерецк

9

Кокчетав

6

Усть-Камчатск

11

Красноводск

4

Усть-Хайрюзово

10

Кустанай

6

Южно-Сахалинск

8

Ленинабад

5

 

 

Приложение 3

Методика определения необходимой степени очистки поверхностного стока с территории промпредприятий от взвешенных веществ перед выпуском в водный объект

С помощью расчетов можно определить необходимую степень очистки стока от взвешенных веществ для предотвращения нарушения нормативного содержания кислорода в воде водного объекта в пределах городской черты или на участке поступления стока выше створа водопользования после дождя за счет поглощения кислорода органическими веществами донных отложений, сформированных в результате поступления поверхностного стока.

Расчет выполняется в следующем порядке:

П.3.1. Определяется удельное количество взвешенных веществ mд (кг), допустимое к выпуску в водный объект за дождь на рассматриваемом участке водотока с 1 га застроенной территории:

,                                (1)

где Q -     наименьший среднемесячный расход воды года 95 %-ной обеспеченности, а при зарегулированном стоке установленный гарантированный расход ниже плотины (санитарный попуск), м3/с;

Ср -   средняя концентрация кислорода в водотоке за теплый период года, гО23;

Do -   средний начальный дефицит кислорода в воде, гО23;

Do = P - Cp,                                                                 (2)

где Р -      растворимость кислорода в воде при средней месячной температуре за наиболее теплый месяц года, гО23;

Кр -   коэффициент реаэрации, сут-1;

,                                              (3)

где vp и Hp -   среднее значение скорости течения в м/с и средние глубины водотока на рассматриваемом участке при расчетном расходе Q, м;

i -      уклон дна водотока;

g -      ускорение силы тяжести, м/с2;

tp -     время протекания воды в водотоке от верхней до нижней границы рассматриваемого участка, сут.;

,                                                       (4)

где Zp -    расстояние от верхней до нижней границы участка водотока, м;

Сн -    нормативное содержание кислорода в воде, гО23 (принимается в соответствии с «Правилами охраны поверхностных вод от загрязнения сточными водами»);

Zb -   БПК воды водотока выше поступления стока, г/м3;

A -     средняя удельная скорость потребления кислорода донными отложениями, сформированными в результате осаждения взвешенных веществ поверхностного стока, гО2/кг в сут, определяется на основе натурных исследований; при отсутствии конкретных данных ориентировочно может приниматься в пределах 25-30 гО2/кг в сут;

F -     общая площадь застроенной территории, сток с которой поступает на рассматриваемый участок водотока, га.

П.3.2. Определяется количество взвешенных веществ Мо (кг), выносимых за расчетный дождь с территории объекта и способных к осаждению на рассматриваемом участке водотока;

Мо = 0,1 · hсм · Fi · ψд · Co · a,                                                 (5)

где hсм -   среднесуточный максимум атмосферных осадков, мм (средняя по многолетним данным величина из суточных максимумов осадков в каждом году, принимается по [2]);

Fi -    площадь водосборного бассейна предприятия, га;

ψд -    общий коэффициент стока дождевых вод;

Co -    средняя за дождь концентрация взвешенных веществ в стоке, мг/м3.

При отсутствии данных по конкретному объекту Со может приниматься в пределах 0,5-1,2 кг/м3;

а -      процентное содержание взвешенных веществ, способных к осаждению на данном участке водотока.

Таблица 1

Гидравлическая крупность взвесей, способных к осаждению в пределах расчетных участков водотоков (uo), в зависимости от их гидравлической характеристики (vp, Hi/Zi)

Значения uo (мм/с) в зависимости от vp и Hi/Zi

vp (м/с)

0,02

0,05

0,1

0,15

0,2

0,25

0,3

0,4

0,5

0,1

0,004

0,01

0,02

0,03

0,04

0,05

0,06

0,08

0,1

0,2

0,1

0,02

0,04

0,06

0,09

0,1

0,12

0,16

0,2

0,3

0,010

0,03

0,06

0,09

0,12

0,15

0,18

0,24

0,3

0,4

0,016

0,04

0,08

0,12

0,16

0,2

0,24

0,32

0,4

0,5

0,02

0,05

0,1

0,15

0,2

0,25

0,3

0,4

0,5

0,6

0,02

0,07

0,12

0,18

0,24

0,3

0,36

0,48

0,6

0,7

0,028

0,08

0,14

0,21

0,28

0,35

0,42

0,56

0,7

0,8

0,032

0,09

0,16

0,24

0,32

0,4

0,48

0,64

0,8

0,9

0,036

0,1

0,18

0,27

0,36

0,45

0,54

0,72

0,9

1,0

0,04

0,1

0,2

0,3

0,4

0,5

0,6

0,8

1,0

1,1

0,044

0,11

0,22

0,33

0,44

0,55

0,66

0,88

1,1

1,2

0,048

0,12

0,24

0,36

0,48

0,6

0,72

0,96

1,2

1,3

0,052

0,13

0,26

0,39

0,52

0,65

0,78

1,04

1,3

1,4

0,056

0,14

0,28

0,42

0,56

0,7

0,84

1,12

1,4

1,5

0,06

0,15

0,3

0,45

0,6

0,75

0,9

1,2

1,5

1,6

0,064

0,16

0,32

0,48

0,64

0,8

0,96

1,28

1,6

1,7

0,068

0,17

0,34

0,51

0,68

0,85

1,02

1,36

1,7

1,8

0,072

0,18

0,36

0,54

0,72

0,9

1,08

1,44

1,8

1,9

0,076

0,19

0,38

0,57

0,76

0,95

1,14

1,52

1,9

2,0

0,08

0,2

0,4

0,6

0,8

1,0

1,2

1,6

2,0

Для определения величины «а» вначале исходя из значений vp и отношения Hi/Zi (Zi и Нi - расстояние от ливневыпуска предприятия до нижней границы рассматриваемого участка водотока и его средняя глубина на этом отрезке, м) по табл. 1. приложения 3 устанавливают предельную величину гидравлической крупности частиц uo, способных осесть в пределах рассматриваемого участка водотока. При наличии данных о распределении частиц взвесей поверхностного стока по гидравлической крупности величину «а» определяют непосредственно по этим данным, а в случае отсутствия таковых для конкретных объектов принимают по обобщенным данным (см. табл. 2)

Таблица 2

Распределение взвешенных веществ в поверхностном стоке по гидравлической крупности

Гидравлическая крупность

Ориентировочное содержание взвесей, %

               1      мм/с и более

18

           0,5        -«-

20

           0,4        -«-

22

           0,3        -«-

25

           0,2        -«-

30

           0,1        -«-

45

         0,05        -«-

60

       0,025        -«-

80

     0,0125        -«-

90

П.3.3. Определяется необходимая степень извлечения взвешенных веществ из стока N (%) перед выпуском в водоток:

.                                                        (6)

П.3.4. Определяется допустимая концентрация взвешенных веществ в стоке Cд (кг/м3), отводимом в водный объект после очистки:

.                                                           (7)

где n - доля поверхностного стока (%), подвергаемого очистке.

П.3.5. Пример. Определить условия выпуска поверхностного стока в водоток в пределах городской черты с территории промпредприятия при следующих исходных данных:

Zp = 8000 и; Zi = 4000 м; Q = 5 м3/с; vp = 0,1 м/с; Нр и Нi = 2 м; Ср = 8 мгО2/л, Р = 11 мгО2/л; Кр = 0,2 сут-1; Сн = 4 мгО2; Zb = 3 мгO2/л; F = 5000 га; Fi = 100 га; ψд = 0,4; hсм = 30 мм; Co = 0,8 г/л.

1. Чтобы рассчитать по зависимости (1) значение mд определяем недостающие данные.

По зависимости (2) определяем средний дефицит кислорода:

Do = 11 - 8 = 3 мгО2/л.

По зависимости (4) определяем время добегания от верхней до нижней границы рассматриваемого участка водотока:

 сут.

Величину А принимаем равной 27,5 гО2/кг в сутки.

Тогда

 кг/га.

2. По табл. 1 определяем предельную гидравлическую крупность uo взвесей, способных осесть на участке водотока в пределах городской черты.

Для vp = 0,1 м/с и  uo = 0,1 мм/с.

3. По табл. 2 определяем процентное содержание таких взвесей (показатель «а»). Значению uo ≥ 0,1 мм/с соответствует показатель а = 45 %.

4. По зависимости (5) определяем Мo - количество взвесей в поверхностном стоке предприятия, выносимых за расчетный дождь и способных к осаждению в пределах рассматриваемого участка водотока:

Мо = 0,1 · 30 · 100 · 0,4 · 0,8 · 45 = 4320 кг.

5. С помощью зависимостей (6) и (7) определяем соответственно N - необходимую степень извлечения взвешенных веществ из стока перед выпуском в водоток и допустимую концентрацию взвесей Cд в очищенном стоке (при n = 70 %):

 %;

 г/л.



СОДЕРЖАНИЕ

Введение. 1

1. Общие положения. 2

2. Количественная и качественная характеристика поверхностного стока. 3

3. Условия отведения поверхностного стока с территорий промышленных предприятий в водные объекты.. 5

4. Очистка поверхностного стока. 7

4.1. Общие указания по схемам отведения и очистке поверхностного стока. 7

4.2. Сооружения для регулирования и очистки поверхностного стока и их расчет. 10

5. Список литературы.. 18

Приложение 1 Карта районирования снегового стока. 19

Приложение 2 Средняя продолжительность дождей в день с осадками. 20

Приложение 3 Методика определения необходимой степени очистки поверхностного стока с территории промпредприятий от взвешенных веществ перед выпуском в водный объект. 21

Приложение 4 Карта значений величин интенсивности 25

Приложение 5 Карта значений величин параметра n. 26

Приложение 6 Карта значений величин коэффициента C.. 27

 

 




ГОСТЫ, СТРОИТЕЛЬНЫЕ и ТЕХНИЧЕСКИЕ НОРМАТИВЫ.
Некоммерческая онлайн система, содержащая все Российские Госты, национальные Стандарты и нормативы.
В Системе содержится более 150000 файлов нормативно-технической документации, действующей на территории РФ.
Система предназначена для широкого круга инженерно-технических специалистов.

Рейтинг@Mail.ru Яндекс цитирования

Copyright © www.gostrf.com, 2008 - 2026