Крупнейшая бесплатная информационно-справочная система онлайн доступа к полному собранию технических нормативно-правовых актов РФ. Огромная база технических нормативов (более 150 тысяч документов) и полное собрание национальных стандартов, аутентичное официальной базе Госстандарта. GOSTRF.com - это более 1 Терабайта бесплатной технической информации для всех пользователей интернета. Все электронные копии представленных здесь документов могут распространяться без каких-либо ограничений. Поощряется распространение информации с этого сайта на любых других ресурсах. Каждый человек имеет право на неограниченный доступ к этим документам! Каждый человек имеет право на знание требований, изложенных в данных нормативно-правовых актах!

  


 

ГОСТ 13525.3-97
(ИСО 1974-90)

МЕЖГОСУДАРСТВЕННЫЙ СТАНДАРТ

ПОЛУФАБРИКАТЫ ВОЛОКНИСТЫЕ
И БУМАГА

МЕТОД ОПРЕДЕЛЕНИЯ СОПРОТИВЛЕНИЯ РАЗДИРАНИЮ

(МЕТОД ЭЛЬМЕНДОРФА)

МЕЖГОСУДАРСТВЕННЫЙ СОВЕТ
ПО СТАНДАРТИЗАЦИИ, МЕТРОЛОГИИ И СЕРТИФИКАЦИИ

МИНСК

Предисловие

1 РАЗРАБОТАН Межгосударственным техническим комитетом по стандартизации МТК 144, Украинским государственным научно-исследовательским институтом целлюлозно-бумажной промышленности (УкрНИИБом)

ВНЕСЕН Государственным комитетом Украины по стандартизации, метрологии и сертификации

2 ПРИНЯТ Межгосударственным Советом по стандартизации, метрологии и сертификации (протокол № 11 от 23 апреля 1997 г.)

За принятие проголосовали:

Наименование государства

Наименование национального органа по стандартизации

Республика Армения

Армгосстандарт

Республика Беларусь

Госстандарт Республики Беларусь

Республика Казахстан

Госстандарт Республики Казахстан

Кыргызская Республика

Кыргызстандарт

Республика Молдова

Молдовастандарт

Российская Федерация

Госстандарт России

Республика Таджикистан

Таджикстандарт

Туркменистан

Главгосслужба «Туркменстандартлары»

Республика Узбекистан

Узгосстандарт

Украина

Госстандарт Украины

3 Настоящий стандарт представляет собой полный аутентичный текст международного стандарта ИСО 1974-90 «Бумага. Определение сопротивления раздиранию (метод Эльмендорфа)» с дополнительными требованиями, отражающими потребности экономики страны, которые в тексте выделены курсивом

4 Постановлением Государственного комитета Российской Федерации по стандартизации и метрологии от 1 марта 2001 г. № 98-ст Межгосударственный стандарт ГОСТ 13525.3-97 (ИСО 1974-90) введен в действие непосредственно в качестве государственного стандарта Российской Федерации с 1 июля 2001 г.

5 ВЗАМЕН ГОСТ 13525.3-78

СОДЕРЖАНИЕ

1 Область применения. 2

2 Нормативные ссылки. 2

3 Определения. 2

4 Сущность метода. 3

5 Аппаратура. 3

6 Отбор проб. 3

7 Кондиционирование. 3

8 Подготовка к испытаниям.. 4

9 Проведение испытаний. 4

10 Обработка результатов. 5

11 Точность метода. 6

12 Протокол испытаний. 6

Приложение А. Описание, регулирование и техническое обслуживание приборов при испытании образцов с одним надрезом.. 6

Приложение Б. Калибровка приборов. 9

Приложение в. Единицы измерения. 10

ГОСТ 13525.3-97
(ИСО 1974-90)

МЕЖГОСУДАРСТВЕННЫЙ СТАНДАРТ

ПОЛУФАБРИКАТЫ ВОЛОКНИСТЫЕ И БУМАГА

Метод определения сопротивления
раздиранию
(метод Эльмендорфа)

Pulp and paper. Method for determination of tearing resistance (Elmendorf method)

Дата введения 2001-07-01

1 Область применения

Настоящий стандарт распространяется на волокнистые полуфабрикаты, бумагу и устанавливает метод определения сопротивления раздиранию.

Метод может быть применим для испытания картона, если сопротивление раздиранию находится в пределах диапазона измерения данного прибора.

Настоящий стандарт не распространяется на гофрированный фибровый картон (гофрированный картон), но может быть применим к составляющим его слоям. Стандарт не распространяется на бумагу, которая имеет ориентацию волокна преимущественно в машинном направлении, для испытания ее в поперечном направлении.

2 Нормативные ссылки

В настоящем стандарте использованы ссылки на следующие стандарты:

ГОСТ 7004-93 (ИСО 7213-81) Целлюлоза. Отбор проб для испытаний

ГОСТ 8047-93 (ИСО 186-85) Бумага и картон. Правила приемки. Отбор проб для определения среднего качества

ГОСТ 13199-88 (ИСО 536-76) Полуфабрикаты волокнистые, бумага и картон. Метод определения массы продукции площадью 1 м2

ГОСТ 13523-78 Полуфабрикаты волокнистые, бумага и картон. Метод кондиционирования образцов

ГОСТ 14363.4-89 (ИСО 5264-3-79, ИСО 5269-2-80) Целлюлоза. Метод подготовки проб к физико-механическим испытаниям

ГОСТ 16296-79 Масса древесная. Метод подготовки проб к физико-механическим испытаниям

ГОСТ 16489-78 Масса древесная. Правила приемки. Методы отбора проб

3 Определения

В настоящем стандарте применяют следующие термины с соответствующими определениями:

3.1 сопротивление раздиранию: Среднее значение усилия, необходимого для раздирания предварительно надрезанного образца бумаги (волокнистого полуфабриката, картона), выраженное в миллиньютонах (мН).

Если предварительный надрез на образце сделан в машинном направлении, то в результате получают сопротивление раздиранию в этом направлении.

Если предварительный надрез на образце сделан в поперечном направлении, то в результате получают сопротивление раздиранию в этом направлении.

3.2 индекс сопротивления раздиранию: отношение сопротивления раздиранию к массе образца площадью 1 м2, выраженное в миллиньютонах, умноженное на квадратный метр и деленное на грамм (мН·м2/г).

3.3 относительное сопротивление раздиранию: сопротивление раздиранию, приведенное к массе продукции площадью 1 м2 100 г, выраженное в миллиньютонах (мН).

4 Сущность метода

Сущность метода заключается в определении усилия, необходимого для раздирания определенной длины предварительно надрезанного испытуемого образца, состоящего из наложенных друг на друга четырех образцов, с помощью маятника, который создает это усилие при перемещении перпендикулярно к плоскости испытуемого образца. Работа, совершаемая при раздирании испытуемого образца, измеряется потерей потенциальной энергии маятника.

Среднее значение усилия раздирания (среднее арифметическое показаний - отношение проделанной работы к общей длине разрыва испытуемых образцов) указывается стрелкой или индуцируется на цифровом индикаторе приборов. Сопротивление раздиранию вычисляют, исходя из среднего значения усилия раздирания и количества образцов.

5 Аппаратура

5.1 Для проведения испытания по данному методу должен применяться прибор типа прибора Эльмендорфа, отвечающий требованиям, изложенным в приложении А (например прибор РБ).

Примечания

1 Некоторые приборы имеют цифровую индикацию отсчета среднего значения усилия раздирания. В данных приборах указатель со стрелкой и фрикционное устройство заменены на измерительный преобразователь, который реагирует на угловое перемещение маятника. Выходные сигналы преобразователя подвергаются преобразованию для получения прямого цифрового отсчета средних значений усилия раздирания. Приборы этого типа отвечают требованиям приложения А.

2 По данному методу при испытании образца общая работа, выполняемая маятником, состоит из работы раздирания, подъема, изгиба образца и работы трения между краями испытуемого образца.

В некоторых приборах в общую работу маятника включают и работу на преодоление силы трения испытуемого образца о маятник во время испытания, которая является основным источником погрешности. Данные приборы не соответствуют требованиям настоящего стандарта. Если в приборах сделан специальный вырез, с помощью которого можно устранить силу трения о маятник, то они допускаются для проведения испытания по данному методу.

5.2 Набор поверочных гирь или взаимозаменяемые маятники для расширения пределов шкалы прибора.

5.3 Нож и шаблон для нарезания образцов.

6 Отбор проб

Отбор проб проводят: для целлюлозы - по ГОСТ 7004, древесной массы - по ГОСТ 16489, бумаги (картона) - по ГОСТ 8047.

7 Кондиционирование

Листы пробы кондиционируют по ГОСТ 13523. Условия и продолжительность кондиционирования - по нормативным документам (НД) на продукцию.

8 Подготовка к испытаниям

8.1 Подготовку образцов для испытания проводят в тех же условиях, что и кондиционирование проб.

8.1.1 Подготовку образцов целлюлозы для испытания проводят по ГОСТ 14363.4, древесной массы - по ГОСТ 16296, для бумаги (картона) - из десяти отобранных листов для испытания вырезают по четыре образца прямоугольной формы или иное количество, необходимое для одновременного раздирания, указанное в НД на продукцию.

8.1.2 Образцы вырезают длиной от (50,0 ± 2,0) мм до (76,0 ± 2,0) мм в зависимости от конструкции зажимов прибора (по А.1) при условии соблюдения надрезанной части образцов (43,0 ± 0,5) мм.

Допускаются размеры образцов длиной (75,0 ± 1,0) мм и шириной (60,0 ± 0,5) мм.

Примечание - Испытуемые образцы в зависимости от конструкции зажимов прибора могут иметь размеры:

длина (65,0 ± 1,0) мм,

ширина (50,0 ± 0,5) мм;

длина (63,0 ± 1,0) мм,

ширина (50,0 ± 0,5) мм;

длина (76,0 мм ± 1,0) мм,

ширина (63,0 мм ± 1,0) мм.

Для нарезания образцов вместе с прибором поставляется специальный нож.

Количество образцов должно быть достаточным для проведения не менее десяти испытаний в машинном и не менее десяти в поперечном направлениях (т.е. для каждого направления вырезают не менее 40 образцов).

8.1.3 Образцы бумаги (картона) вырезают на расстоянии не менее 15 мм от края листа. Образцы не должны иметь складок, морщин или других видимых дефектов. Водяные знаки на образцах должны быть отмечены в протоколе испытания.

8.1.4 Отмечают в отобранных листах пробы верхнюю и сеточную стороны и складывают верхней стороной вверх.

Образцы вырезают по одному или сразу по четыре. Края образцов не должны слипаться.

8.1.5 Для испытания бумаги (картона) образцы вырезают в машинном и поперечном направлениях или в одном из них в зависимости от указаний в НД на продукцию.

Большая сторона образцов, предназначенных для испытания в машинном направлении, должна совпадать с поперечным направлением бумаги (картона), а образцов, предназначенных для испытания в поперечном направлении, - с машинным направлением бумаги (картона).

Для каждого направления вырезают не менее 40 образцов.

9 Проведение испытаний

9.1 Испытания должны проводиться в тех же условиях, что и кондиционирование проб.

9.2 Испытанию одновременно подвергают четыре образца. Допускается испытывать другое количество образцов в зависимости от указаний в НД на продукцию.

Проводят десять определений для каждого направления.

Для полуфабрикатов проводят пять определений.

9.3 Перед испытанием прибор необходимо настроить и проверить в соответствии с приложением А. При необходимости следует провести калибровку прибора по приложению Б.

9.4 Подбирают маятник или маятник с поверочными гирями так, чтобы средние показания находились в пределах от 20 % до 80 % шкалы прибора. Значения показаний, снимаемых за указанными пределами шкалы маятника, должны быть отмечены в протоколе испытания.

9.5 Регулируют упор прибора так, чтобы при отпускании маятника без образцов стрелка устанавливалась в нулевое положение.

9.6 Устанавливают маятник и стрелку прибора в исходное положение, при котором зажимы находятся в одной плоскости, маятник упирается в край тормозной пружины, стрелка касается упора.

9.7 Образцы вставляют в зажимы до упора верхней стороной влево, закрепляют их и надрезают с помощью ножа.

При предварительно сделанном надрезе на образцах их располагают по центру между зажимом на стойке и зажимом на маятнике прибора.

9.8 Резким нажатием на тормоз освобождают маятник, с помощью которого происходит раздирание образцов. При обратном ходе маятника в момент приближения его к исходному положению отпускают тормоз.

Проводят отсчет по шкале показаний, зафиксированных стрелкой.

Примечание - В приборах с цифровым отсчетом показаний освобождение и остановка маятника должны проводиться в соответствии с инструкцией к прибору.

9.9 Возвращают маятник и стрелку в исходное положение. Вынимают испытанные образцы. Испытанию подвергают остальные образцы, располагая их так, чтобы верхняя сторона была попеременно направлена то к маятнику, то от него.

9.10 Если направление линии раздирания на одном или двух образцах отклоняется от направления линии надреза более чем на 10 мм, то полученный результат не учитывают и испытания повторяют.

9.11 Если при повторных испытаниях на двух или более испытуемых образцах направление линии раздирания отклоняется от направления линии надреза более чем на 10 мм, то результат учитывают и указывают в протоколе испытаний.

9.12 Если по линии надреза образец расслаивается и отрывается широкая полоса с его поверхности (происходит эффект шелушения), то результат рассматривают по 9.10, 9.11.

9.13 Если результаты испытаний бумаги или картона на испытуемых образцах, состоящих из четырех образцов бумаги или картона, неудовлетворительные, то испытание можно проводить с большим или меньшим количеством образцов. Количество испытуемых образцов, неравное четырем, должно быть указано в протоколе испытаний.

Примечания

1 Определяемое значение сопротивления раздиранию зависит от количества образцов бумаги или картона, разрываемых одновременно. Для некоторых видов бумаги расхождения в значениях определяемого сопротивления раздиранию одного образца и четырех образцов превышают 20 %. При сравнении результатов испытаний на четырех образцах и на двух или более (до 16) образцах расхождения в значениях значительны, но не превышают 20 %.

2 При скручивании образцов необходимо их отогнуть около зажимов в сторону маятника. Недопустимо изменение влагосодержания на испытуемом участке образца.

10 Обработка результатов

10.1 Сопротивление раздиранию (абсолютное сопротивление раздиранию) F, мН, вычисляют по формуле

                                                             (1)

где  - среднеарифметическое показаний по шкале, мН;

Р - количество раздираемых одновременно образцов, на которое откалибрована шкала маятника для прямого отсчета сопротивления раздиранию, мН (это количество равно 4, 8, 16 или 32);

n - количество одновременно раздираемых образцов (обычно 4).

10.2 Индекс сопротивления раздиранию X, мН·м2/г, вычисляют по формуле

                                                             (2)

где ga - масса испытуемого материала 1 м2, г/м2, определенная по ГОСТ 13199.

10.3 Относительное сопротивление раздиранию Fw, мН, приведенное к массе бумаги площадью 1 м2 100 г, вычисляют по формуле

                                                              (3)

11 Точность метода

При испытаниях 12 видов бумаги по данному методу сходимость результатов - около 3,5 %, а воспроизводимость - 18 %.

Относительная погрешность результатов испытаний ± 7 % при доверительной вероятности 0,95.

12 Протокол испытаний

В протокол испытаний должны быть включены следующие данные:

- ссылка на настоящий стандарт;

- дата и место проведения испытаний;

- характеристика испытуемого образца;

- направление нарезания образцов;

- количество испытаний, если число их превышает 10;

- снимаемые показания со шкалы прибора и результаты испытаний (мН, мН·м2/г), записанные с точностью до трех значащих цифр;

- коэффициент вариации результатов;

- сведения о применяемом приборе и цена деления шкалы маятника;

- количество одновременно испытуемых образцов;

- любое отклонение от требований стандарта, которое влияет на результат испытания;

- любое отклонение от линии надреза при раздирании образца;

- масса 1 м2 испытуемого материала или другой показатель, с помощью которого можно интерпретировать результаты испытания.

Примечание - При истолковании результатов испытания образцов с отклонением от линии надреза необходимо проявлять большую осторожность.

ПРИЛОЖЕНИЕ А

(обязательное)

Описание, регулирование и техническое обслуживание приборов при испытании образцов с одним надрезом

А.1 Описание приборов

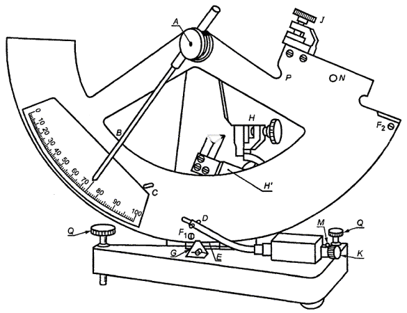
Для проведения испытания должен применяться прибор (рисунок А.1), состоящий из маятника со шкалой и фрикционной стрелкой, смонтированного на стояке так, что он может свободно колебаться относительно горизонтальной оси; двух зажимов для закрепления испытуемого образца, один из которых закреплен на стойке, а другой - на маятнике.

А - подшипники; В - стрелка; С - ограничитель перемещения стрелки маятника; D - приспособление для регулирования хода стрелки; Е - тормозное устройство маятника; F - метка на маятнике; G - метка на основании прибора; Q - регулировочные винты; Н - зажим неподвижный на стойке; J - зажим подвижный на маятнике; K - регулировочный винт тормозного устройства маятника; М - регулировочный винт приспособления для регулирования хода стрелки; N - конусообразное отверстие для закрепления аттестованных гирь; Р - контур вырезанный (для предотвращения столкновения испытуемого образца о маятник); Н - нож

Рисунок А.1 - Прибор для определения усилия раздирания по методу Эльмендорфа

Зажимающие поверхности должны иметь длину (25,0 ± 1,0) мм и ширину (15,0 ± 1,0) мм.

Примечание - Приборы с цифровой индикацией отсчета отвечают требованиям настоящего приложения.

Если маятник находится в исходном положении, то:

- расстояние между зажимами должно соответствовать (2,8 ± 0,3) мм;

- расстояние от верхнего края зажимающих поверхностей к оси маятника должно соответствовать (104 ± 2) мм;

- плоскость кромки зажимающих поверхностей и ось маятника должны находиться под углом (27,5 ± 0,5)° к плоскости испытуемого образца;

- испытуемый образец вставляют в зажимы перпендикулярно к плоскости колебаний маятника.

На маятнике находится отградуированная шкала соответственно величине нагрузки, которую может создавать применяемый прибор.

Для испытаний применяют приборы со следующими величинами нагрузок:

грамм-сила                                                        миллиньютон

(гс)                                                                     (мН)

200                                                                     2000

400                                                                     4000

800                                                                     8000

1600                                                                     16000

3200                                                                     32000

6400                                                                     64000

Данные приборы соответствуют требованиям настоящего стандарта и подбираются в зависимости от сопротивления раздиранию одновременно испытуемых образцов (4, 8, 16 или 32). Если испытывают одновременно четыре образца, показания шкалы умножают на 2, 4 или 8, чтобы получить сопротивление раздиранию в миллиньютонах в соответствии с разделом 10.

На основании прибора установлены тормозное устройство и регулируемый фиксатор стрелки. Тормозное устройство удерживает маятник в исходном положении.

Регулируемый фиксатор стрелки служит для установки прибора на нуль.

Если прибор снабжен ножом для начального надреза образцов, то он должен быть установлен так, чтобы после надреза длина раздираемой части образца составляла (43,0 ± 0,5) мм, а расстояние, на которое подымается режущая кромка ножа над краем зажимов, должно быть (4,0 ± 0,5) мм.

Примечание - В некоторых приборах ширина зажимающих поверхностей соответствует 15 мм, а длина испытуемых образцов - 63 мм. В этом случае расстояние, на которое подымается режущая кромка ножа над кромкой зажимов, должно быть (5,0 ± 0,5) мм, чтобы после надреза обеспечить требуемую длину раздираемой части образца (43,0 ± 0,5) мм.

А.2 Регулирование и техническое обслуживание приборов

Приведенные указания применяют для всех конструкций маятника с дополнительным грузом.

А.2.1 Проводят проверку и регулирование прибора соответственно требованиям:

- ось маятника не должна быть изогнута;

- расстояние между зажимами должно составлять (2,8 ± 0,3) мм;

- зажимающие поверхности и маятник, находящийся в исходном положении, должны быть на одной прямой;

- маятник не должен иметь повреждений и не должен быть закреплен неподвижно на втулке;

- нож должен быть надежно установлен, а режущая кромка должна быть заточена и не иметь повреждений;

- лезвие ножа должно находиться посередине между зажимами и располагаться перпендикулярно к ним;

- после заточки ножа необходимо проверить его соответствие требованиям раздела 8 и А.2.6;

- приборы с измерительным преобразователем необходимо проверить на соответствие их инструкции.

А.2.2 Регулирование прибора по уровню

Устанавливают прибор на жестком столе, не подвергающемся вибрации, и, если возможно, прикрепляют его к столу.

Отводят в сторону стрелку и, нажав на тормоз, отпускают маятник с зажатым без образца зажимом. Выставляют прибор по уровню, при этом маятник находится в вертикальном положении, а метки на основании прибора и маятника должны совпадать. Отводят слегка в сторону маятник. После остановки качания маятника метки на нем и на основании прибора должны совпадать.

Приборы с цифровым отсчетом регулируют по уровню в соответствии с инструкцией изготовителя прибора.

А.2.3 Установка прибора на нуль

На установленном по уровню приборе освобождают маятник с закрытым зажимом без образца. Если стрелка на шкале маятника после прекращения его колебаний не совпадает с нулевой отметкой шкалы, необходимо отрегулировать упорную пластину.

Приборы с цифровым отсчетом проверяют и устанавливают на нуль в соответствии с инструкцией.

Примечание - Устанавливать прибор на нуль следует только после его регулирования по уровню.

А.2.4 Трение маятника

Маятник, пущенный из исходного положения без тормоза с поднятой вертикально вверх стрелкой, должен произвести не менее 35 полных колебаний через контрольную отметку, которую наносят на расстоянии 25 мм от тормозной пружины маятника. Если это требование не выполняется, следует почистить, смазать или отрегулировать подшипник.

В приборах с цифровым отсчетом контрольную отметку наносят на маятник или в другом месте, но не на тормозном устройстве.

А.2.5 Трение стрелки

Проверяют установку прибора на нуль соответственно А.2.3.

Устанавливают маятник с зажатым без образца зажимом в исходное положение. Стрелка должна находиться на нуле. Освобождают маятник и останавливают его движение прежде, чем он достигнет исходного положения. Допускаемые отклонения стрелки должны быть в пределах от четырех до восьми делений шкалы.

Примечание - Не разрешается смазывать подшипники стрелки. Допускается для свободного перемещения стрелки смазать часовым маслом шток фрикционного упора стрелки.

Недостаточная сила трения стрелки из-за износа или сжатия прокладок устраняется заменой их или нанесением шероховатости на их поверхность.

А.2.6 Длина раздираемой части образца

Проверяют, чтобы длина раздираемой части образца была равна (43,0 ± 0,5) мм. Если она не соответствует указанному значению, то регулируют встроенный нож, шаблон или ножницы.

ПРИЛОЖЕНИЕ Б

(обязательное)

Калибровка приборов

Б.1 Калибровка с помощью контрольных гирь

Калибровка прибора может быть проведена измерением работы, производимой маятником при подъеме контрольных гирь. Полученные значения сравнивают с количеством выполненной работы. Большинство приборов для испытаний на раздирание снабжены отверстием для закрепления груза.

Положение центра тяжести прикрепляемых гирь должно быть известно.

Прибор настраивают и проверяют в соответствии с приложением А.

Прибор без образца с прикрепленной контрольной гирей приводят в действие. Снимают показания шкалы и определяют высоту нахождения центра тяжести контрольной гири относительно горизонтальной поверхности, соответствующую этому значению.

Точные значения V по шкале рассчитывают по формулам:

а) для приборов, отградуированных в единицах грамм-силы

                                                (Б.1)

б) для приборов, отградуированных в миллиньютонах

                                           (Б.2)

где V - точное значение шкалы (в единицах шкалы);

т - масса контрольной гири, кг;

h - высота центра тяжести прикрепляемой гири относительно горизонтальной линии при расположении маятника в положении, которое соответствует показанию шкалы, м;

Н - высота центра тяжести прикрепляемой гири относительно горизонтальной линии, когда маятник находится в исходном положении, м;

Р - постоянная маятника (раздел 10).

Повторяют измерения, используя другие гири, и строят график (h - H) при разных значениях шкалы.

При повторной калибровке прибора определяют значение шкалы, соответствующее массе добавочной контрольной гири. Сравнивают значения, полученные на шкале, с соответствующими им значениями на графике (h - H). По полученным данным вычисляют погрешность.

Расчетные значения и значения показаний по шкале должны совпадать с точностью до ± 1 %. Если они не совпадают, необходимо найти причину расхождения значений и устранить ее. Если это невозможно, то следует в соответствии с составленной таблицей поправок внести изменение в результаты измерений.

Приборы с цифровым отсчетом калибруют альтернативными методами, разработанными изготовителями приборов, с условием, что достоверность их может быть доказана.

Б.2 Альтернативная методика

Проводят проверку градуировки приборов аттестованным набором контрольных гирь, которые имеют специальную форму для закрепления в зажимах маятника.

Проводят регулировку прибора соответственно приложению А. Устанавливают маятник в исходное положение и закрепляют в зажиме контрольную гирю. Отпускают маятник и снимают показание шкалы. Повторяют то же самое со всеми контрольными гирями набора. Показания шкалы должны совпадать с аттестованными значениями контрольных гирь до ± 1 %. Если они не совпадают, необходимо найти причину расхождений и устранить. Если расхождения в значениях неустранимы, то следует соответственно составленной таблице внести поправку в результат измерений.

ПРИЛОЖЕНИЕ В

(рекомендуемое)

Единицы измерения

При разработке настоящего стандарта использованы единицы СИ.

Существуют приборы, в которых результаты измерения выражены в единицах грамм-силы. Показания этих приборов необходимо пересчитать соответственно требованиям настоящего стандарта.

В.1 Если показания прибора выражены в грамм-силе (раздел 10, А.1), необходимо умножить результат на 9,81 для выражения его в миллиньютонах.

В.2 Индекс сопротивления раздиранию (раздел 10) должен выражаться в миллиньютонах, умноженных на квадратный метр и деленных на грамм.

В.3 Для приборов, отградуированных в грамм-силе, применяют формулу

                                                   (В.1)

Ключевые слова: бумага, волокнистые полуфабрикаты, картон, метод, определение сопротивления раздиранию, подготовка образцов, приборы, проведение испытаний

 




ГОСТЫ, СТРОИТЕЛЬНЫЕ и ТЕХНИЧЕСКИЕ НОРМАТИВЫ.
Некоммерческая онлайн система, содержащая все Российские Госты, национальные Стандарты и нормативы.
В Системе содержится более 150000 файлов нормативно-технической документации, действующей на территории РФ.
Система предназначена для широкого круга инженерно-технических специалистов.

Рейтинг@Mail.ru Яндекс цитирования

Copyright © www.gostrf.com, 2008 - 2026