Крупнейшая бесплатная информационно-справочная система онлайн доступа к полному собранию технических нормативно-правовых актов РФ. Огромная база технических нормативов (более 150 тысяч документов) и полное собрание национальных стандартов, аутентичное официальной базе Госстандарта. GOSTRF.com - это более 1 Терабайта бесплатной технической информации для всех пользователей интернета. Все электронные копии представленных здесь документов могут распространяться без каких-либо ограничений. Поощряется распространение информации с этого сайта на любых других ресурсах. Каждый человек имеет право на неограниченный доступ к этим документам! Каждый человек имеет право на знание требований, изложенных в данных нормативно-правовых актах!

  


 

МИНИСТЕРСТВО ЖИЛИЩНО-КОММУНАЛЬНОГО
ХОЗЯЙСТВА РСФСР

ОРДЕНА ТРУДОВОГО КРАСНОГО ЗНАМЕНИ
АКАДЕМИЯ КО
ММУНАЛЬНОГО ХОЗЯЙСТВА
им. К. Д. ПАМФИЛОВА

Согласована
с главным санитарно-эпидемиологическим управлением
Министерства здравоохранения СССР

30 декабря 1977 г.

(письмо № 128-14/2691-3)

Утверждена
Министерством жилищно-коммунального
хозяйства РСФСР

12 июля 1978 г.

ИНСТРУКЦИЯ
ПО ОРГАНИЗАЦИИ И ТЕХНОЛОГИИ
МЕХАНИЗИРОВАННОЙ УБОРКИ
НАСЕЛЕННЫХ МЕСТ

 МОСКВА 1980

Рассмотрены вопросы организации и технологии работ по механизированной уборке городских проездов, а также сбору и удалению твердых и жидких бытовых отходов из жилых домов.

Предназначена для инженерно-технических работников городских и областных организаций, занятых благоустройством и уборкой населенных мест, а также для организаций, контролирующих санитарное состояние города.

ПРЕДИСЛОВИЕ

Механизированная уборка городских территорий является одной из важных и сложных задач охраны окружающей среды города. Решениями XXV съезда КПСС предусмотрело осуществлять дальнейшее развитие производства машин и оборудования для предприятий бытового обслуживания и жилищно-коммунального хозяйства, особенно для комплексной механизации уборки и санитарной очистки городов. Разработка и осуществление комплекса мероприятий по удалению и обезвреживанию коммунально-бытовых отходов определены постановлением ЦК КПСС и Совета Министров СССР «О дополнительных мерах по усилению охраны природы и улучшению использования природных ресурсов» (декабрь 1978 г.).

Качество работ по уборке и санитарной очистке города в значительной степени зависит от рациональной организации работ и выполнения технологических режимов.

Настоящая Инструкция разработана взамен «Инструкции по организации и технологии механизированной уборки городских территорий» (М., Стройиздат, 1965). При составлении инструкции использованы результаты научно-исследовательских работ, выполненных за последние годы Академией коммунального хозяйства им. К. Д. Памфилова и другими организациями, а также передовой опыт производственных предприятий по уборке городов.

Инструкция содержит комплекс мероприятий по уборке городских проездов и санитарной очистке домовладении. В ней рассмотрена организация службы уборки и санитарной очистки города, формирование участков и бригад. Дана последовательность и периодичность разных видов работ по зимней и летней уборке городских проездов и санитарной очистке домовладений. Приведены средства механизации и способы выполнения технологических операций санитарной очистки и уборки населенных мест.

Инструкция составлена Никогосовым X.Н., Александровской З.И. (Академия коммунального хозяйства), Ересновым Н.И. и Бесфамильным Н.В. (Главное управление благоустройства МЖКХ). В составлении инструкции также принимали участие Живов М.А. (Управление Росспецстройналадка МЖКХ), Баранов В.А. (Управление Спецтранс Ленгорисполкома), Бронников А.В. (Казанское спецавтохозяйство по уборке города), Колобов Л.А. (Уфимское спецавтохозяйство по уборке города), Алексеев В.Г. (Управление Росспецстройналадка МЖКХ).

1. ОБЩИЕ ПОЛОЖЕНИЯ

1.1. Развитие сети дорог с усовершенствованными покрытиями, увеличение интенсивности транспортного движения, быстрый рост жилищного строительства, повышение благосостояния населения требуют повышения оперативности и качества выполнения работ по содержанию городских территорий и своевременному удалению бытовых отходов для последующего обезвреживания и утилизации.

1.2. Механизированная уборка городских дорог предусматривает работы по поддержанию в чистоте и порядке дорожных покрытий. Летом выполняются работы, обеспечивающие максимальную чистоту городских дорог и приземных слоев воздуха.

Зимой производятся наиболее трудоемкие работы: предотвращение снежно-ледяных образований, удаление снега и скола, борьба с гололедом. Своевременное выполнение указанных работ позволяет поддерживать нормальное эксплуатационное состояние дорог без резкого снижения скоростей движения транспорта.

1.3. Сбор, удаление и обезвреживание бытовых отходов осуществляются с учетом санитарно-гигиенических требований.

1.4. Работы по механизированной уборке и удалению бытовых отходов выполняют коммунальные предприятия, которые обеспечивают своевременное и качественное выполнение установленных объемов работ.

1.5. Для лучшей организации работ по механизированной уборке и удалению бытовых отходов территорию города разбивают на участки, обслуживаемые механизированной колонной, обеспечивающей выполнение всех видов работ по установленной технологии. Целесообразно создавать участки для каждого административного района города.

1.6. Отдел эксплуатации специализированного предприятия должен:

определять объемы работ и число машин, необходимых для их выполнения;

заключать договоры с организациями на обслуживание объектов;

разрабатывать технологические режимы уборки в соответствии с наличием техники и с учетом местных условий;

своевременно составлять маршрутные карты и графики, организовывать проверочные обкатки маршрутов;

подготавливать расчет потребности в технологических материалах;

контролировать исполнение графиков механизированными колоннами, а также осуществлять контроль за технической эксплуатацией машин и механизмов.

1.7. Важнейшим звеном отдела эксплуатации, осуществляющим оперативную организацию проводимых работ, является диспетчерская служба, которая должна обеспечивать:

контроль за подготовкой к выпуску машин на линию;

подготовку документации по выпуску машин на линию (путевого листа и справки о работе спецмашин);

организацию своевременного выпуска машин, периодическую проверку нахождения их на линии;

оперативное перераспределение машин в случаях нарушения утвержденного графика или изменения по каким-либо причинам условий работы машин на линии;

регистрацию машин, возвращающихся с линии в гараж;

прием и обеспечение заявок на машины;

подготовку ежедневного (суточного) отчета работы машин;

своевременную передачу колоннам прогноза погоды и ее изменений.

Диспетчеры вносят в специальный журнал по данным метеорологических центров сводки погоды, которые содержат следующие данные: дату и время получения прогноза, температуру воздуха, влажность, ожидаемое выпадение снега и продолжительность снегопада, возможность наступления гололеда.

Диспетчерские пункты оборудуют техническими средствами внутренней и внешней связи.

1.8. Начальник колонны является ответственным за техническую готовность средств механизации, эффективное использование машин на линии, своевременное и качественное выполнение работ. Руководство работами и контроль за их качеством начальник колонны осуществляет через мастеров колонны. На каждый участок назначаются мастера, работающие посменно. При отсутствии начальника колонны сменный мастер исполняет его обязанности.

1.9. Мастер организует и контролирует работу на участке, обеспечивает выполнение и соблюдение установленной технологии работ, правил техники безопасности и эффективное использование техники.

Мастер должен своевременно через диспетчерскую службу запрашивать дополнительные машины из резерва и в зависимости от сложившихся условий переключать работу машин с одного объекта на другой. По окончании работы водителей мастер оценивает объемы и качество выполненных работ и составляет соответствующие документы.

1.10. Из числа водителей в каждой смене назначается бригадир, который следит за выполнением технологических операций непосредственно на линии.

1.11. Организация механизированной уборки и удаления бытовых отходов требует проведения ряда подготовительных мероприятий:

своевременного ремонта усовершенствованных покрытий улиц, проездов, площадей (чтобы не было неровностей, выбоин, выступающих крышек колодцев подземной городской сети и водоприемных решеток);

периодической очистки водоприемных решеток;

ограждения зеленых насаждений бортовым камнем.

1.12. При производстве всех работ, связанных с уборкой и удалением бытовых отходов, руководствуются «Правилами безопасности и производственной санитарии при уборке и санитарной очистке городских территорий» (М., Стройиздат, 1978).

2. МЕХАНИЗИРОВАННАЯ УБОРКА ГОРОДСКИХ ДОРОГ

2.1. ОРГАНИЗАЦИЯ РАБОТ

2.1.1. Решениями исполкома местного Совета утверждаются титульные списки улиц, площадей, проездов, подлежащих уборке в летний и зимний периоды, определяются проезды, снег с которых перебрасывается роторными снегоочистителями; места размещения снежных свалок, пунктов выгрузки смета, заправки водой поливомоечных машин; количество песка и химических веществ, заготовляемых для посыпки дорог в зимнее время; число дежурных уборочных машин; число самосвалов с наращенными бортами, выделяемых автотранспортными предприятиями для вывоза снега в период сильных снегопадов.

Обозначения:

 улицы I категории;

 улицы II категории;

 улицы III категории;

 участки со значительными уклонами;

 снегозаносимые участки;

 стоянка дежурных уборочных машин;

 база для хранения технологических материалов

Рис. 1. План участка, подлежащего зимней уборке

2.1.2. Организация уборки участка, особенно в зимний период, должна предусматривать четкое выполнение работ по каждой технологической операции. Обслуживаемый участок делят на маршруты, за каждым из которых закрепляют определенное число машин.

Рис. 2. Маршрутная карта работы подметально-уборочных машин

Исходя из объемов работ и производительности машин разбивку на маршруты производят на карте-плане участка, на который предварительно наносят протяженность улиц, их категории и места заправки поливомоечных машин, расположение баз технологических материалов, стоянок машин, находящихся на дежурстве, наличие больших уклонов, кривых малых радиусов и т.д. (рис. 1).

Основываясь на характерных сведениях о снегопадах, их интенсивности и продолжительности за зимний период, определяют необходимое число уборочных машин и организацию их работы на участке.

При подготовке к летней уборке предварительно устанавливают режимы уборки, которые в первую очередь зависят от значимости улицы, интенсивности транспортного движения и других показателей, приводимых в паспорте улицы (прил. 1). Улицы группируют по категориям, в каждой из которых выбирают характерную улицу; по ней устанавливают режимы уборки всех улиц этой категории и объемы работ. Исходя из объемов работ определяют необходимое число машин для выполнения технологических операций.

Для каждой машины, выполняющей работы по летней или зимней уборке, составляют маршрутную карту, т.е. графическое выражение пути следования машин, последовательность и периодичность выполнения той или иной технологической операции. На рис. 2 показана маршрутная карта работы подметально-уборочных машин.

2.1.3. В соответствии с маршрутными картами разрабатывают маршрутные графики. Маршруты составляют таким образом, чтобы свести к минимуму холостые пробеги машин. При изменении местных условий (изменении условий движения на участке, ремонте дорожных покрытий на одной из улиц и т.д.) маршруты корректируют.

Один экземпляр маршрутов движения уборочных машин находится у диспетчера, другой - у водителя. Водителей машин закрепляют за определенными маршрутами, что повышает ответственность каждого исполнителя за сроки и качество работ.

2.1.4. В целях улучшения организации работ по удалению обвалованного снега и зачистке прилотковой части проездов по согласованию с органами ГАИ на зимний период решениями исполкомов устанавливают порядок, запрещающий на основных магистралях города стоянку машин по четным числам на четной стороне улицы, по нечетным - на нечетной стороне.

2.2. ЛЕТНЯЯ УБОРКА ДОРОЖНЫХ ПОКРЫТИЙ

2.2.1. Основная задача летней уборки улиц заключается в удалении загрязнений, скапливающихся на покрытии дорог. Эти загрязнения ухудшают эстетический вид городских улиц, являются источником повышенной запыленности воздуха, а при неблагоприятных погодно-климатических условиях (дождь, туманы) способствуют возникновению скользкости, что сказывается на безопасности движения.

2.2.2. Основными операциями летней уборки являются подметание лотков и мойка проезжей части дороги. Мойка летков допускается на улицах, имеющих ливневую канализацию, хорошо спрофилированные лотки и уклоны (от 0,5 % и более).

2.2.3. Перечень операций летней уборки и средств механизации для их выполнения приведен в табл. 1.

Таблица 1. Перечень операций и средств механизации, применяемых при летней уборке улиц

Операция

Машина

Подметание дорожных покрытий

Подметально-уборочная машина

Мойка дорожных покрытий

Поливомоечная машина

Поливка дорожных покрытий

То же

Уборка грунтовых наносов

Автогрейдер, погрузчик

Подметально-уборочная машина

2.2.4. Работу подметально-уборочных и поливомоечных машин необходимо организовать так, чтобы максимально сократить время на разгрузку смета на специально отведенных площадках и заправку цистерны водой из гидранта или водоема.

Заправка поливомоечных машин водой из открытых водоемов может быть произведена только по согласованию с санитарно-эпидемиологической станцией.

2.2.5. Периодичность выполнения основных операций при составлении титульных списков устанавливают в зависимости от значимости улицы в соответствии с табл. 2.

Таблица 2. Периодичность выполнения основных операций летней уборки улиц

Категория улиц

Уборка дорожных покрытий

Уменьшение запыленности

Примечание

проезжая часть

лоток

Скоростные дороги

Мойка 1 раз в 1-2 сут

Патрульное подметание

-

При отсутствии водоприемных колодцев проезжую часть дорог убирают подметально-уборочными машинами с той же периодичностью, что и при мойке

Магистральные улицы

Мойка 1 раз в 2-3 сут

Подметание 2-3 раза в сутки

 

 

Улицы местного движения

Мойка 1 раз в 3 сут

Подметание 1-2 раза в сутки

Поливка с интервалом 1-1,5 ч

 

Подметание

2.2.6. Подметание является основной операцией по уборке улиц, площадей и проездов, имеющих усовершенствованные покрытия.

2.2.7. Подметание производят в следующем порядке: в первую очередь подметают лотки на улицах с интенсивным движением, маршрутами городского транспорта; во вторую очередь - лотки улиц со средней и малой (для данного города) интенсивностью движения.

Перед подметанием лотков должны быть убраны тротуары, чтобы исключить повторное загрязнение лотков, для чего время уборки тротуаров должно быть увязано с графиком работы подметально-уборочных машин.

2.2.8. Уборку площадей можно производить колонной подметально-уборочных машин, движущихся с уступом 10-20 м. Перекрытие подметаемых полос должно быть не менее чем 0,5 м.

Мойка и поливка

2.2.9. Мойку проезжей части производят на улицах, имеющих усовершенствованные покрытия и водоприемные колодцы или уклоны, обеспечивающие надежный сток воды.

2.2.10. Расход воды при мойке проезжей части дорог составляет 0,9-1,0 л/м2. Насадки поливомоечных машин устанавливают в положение, показанное на рис. 3.

2.2.11. Мойку производят таким образом, чтобы загрязнения не попадали на тротуары и полосы зеленых насаждений.

2.2.12. На дорогах, имеющих продольные уклоны для обеспечения хорошего качества уборки, мойку следует вести под уклон.

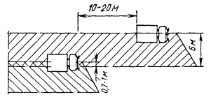
2.2.13. Мойку проездов шириной до 12 м выполняет одна машина; сначала моют одну сторону, затем - другую. Мойку дорог с шириной проезжей части более 12 м производит колонна поливомоечных машин. Первая машина захватывает при мойке осевую линию дороги, а остальные идут уступом, причем полоса, вымытая передней машиной, должна перекрываться следующей на 0,7-1 м. Расстояние между поливомоечными машинами при мойке колонной должно быть 10-20 м (рис. 4).

2.2.14. Мойку проездов с односторонним движением транспорта выполняют в одну сторону, по направлению к лотку тротуара.

Рис. 3. Схемы установки насадков

а - для мойки, б - для поливки

Рис. 4. Схема мойки дорожных покрытий

2.2.15. Моют проезжую часть дорог в период наименьшей интенсивности движения транспорта.

Мойка в дневное время допустима в исключительных случаях, непосредственно после дождя, когда загрязнение городских дорог резко увеличивается, так как дождевая вода смывает грунт с газонов, площадок и т.д.

2.2.16. Поливку производят в первую очередь на улицах, отличающихся повышенной запыленностью. К таким улицам относятся улицы хотя и с усовершенствованным или твердым дорожным покрытием, но недостаточным уровнем благоустройства (отсутствие зеленых насаждений, неплотность швов покрытия и т.д.).

2.2.17. Асфальтобетонные покрытия на улицах с интенсивным движением транспорта поливать нецелесообразно ввиду смывания грязи с колес и крыльев автомобилей, в результате чего после высыхания поверхности покрытия запыленность приземных слоев воздуха увеличивается.

2.2.18. Дорожные покрытия поливают из насадков поливомоечных машин, которые устанавливают так, чтобы выходящие из них веерообразные струи воды направлялись вверх под углом, что обеспечивает необходимую ширину поливки (см. рис. 3, б). Расход воды при поливке дорожных покрытий 0,20-0,25 л/м2.

Удаление грунтовых наносов

2.2.19. Межсезонные грунтовые наносы при незначительном их слое убирают плужно-щеточными снегоочистителями с последующим окучиванием, погрузкой и вывозом наносов на свалку.

При значительном слое наносов, когда невозможно их убрать плужно-щеточными снегоочистителями, применяется автогрейдер. Наносы грузят снегопогрузчиком и самосвал. При выполнении этих работ погрузчик перемещается вдоль вала против направления движения транспорта, а самосвал подается задним ходом с тем, чтобы после погрузки он мог двигаться в одном направлении с общим потоком транспорта.

2.2.20. После вывоза наносов завершающую уборку оставшихся загрязнений производят подметально-уборочной машиной.

2.3. ЗИМНЯЯ УБОРКА ДОРОЖНЫХ ПОКРЫТИЙ

2.3.1. Основной задачей зимней уборки улиц является обеспечение нормальной работы городского транспорта и безопасности его движения.

2.3.2. Важнейшим условием качественного выполнения работ является их своевременность. При несвоевременной уборке выпавший снег под воздействием колес автомобилей уплотняется, и на покрытии образуются накаты, снежные колеи, что значительно ухудшает условия проезда. Несоблюдение установленных сроков удаления снежных валов приводит к образованию снежно-ледяного слоя в основании.

Ликвидация снежно-ледяного слоя, остающегося после удаления вала снега, связана с дополнительными уборочными операциями (скалывание, зачистка, лотков, окучивание и вывоз), при этом значительно снижается производительность снегопогрузчиков.

2.3.3. Для своевременной и эффективной уборки дорог следует правильно комплектовать парк снегоочистительных машин по численности и составу.

Мероприятия по зимней уборке в зависимости от значимости улицы, условий движения и т.п. осуществляют в соответствии с установленными сроками проведения работ.

2.3.4. Для установления сроков удаления снега с городских дорог, режимов проведения работ при борьбе с гололедом и скользкостью улицы города разделяют на три категории.

К I категории относятся скоростные дороги, улицы с интенсивным движением и маршрутами городского транспорта, улицы, имеющие уклоны, сужения проездов, где снежные валы особенно затрудняют движение транспорта, а также проезды, ведущие к больницам и противопожарным установкам.

Ко II категории относятся магистральные улицы со средней интенсивностью движения транспорта и площади перед вокзалами, зрелищными предприятиями, магазинами, рынками.

К III категории относятся все остальные улицы города с незначительным движением транспорта.

Технология зимней уборки городских дорог

2.3.5. Технология зимней уборки городских дорог основана на комплексном применении средств механизации и химических веществ, что является наиболее эффективным и рациональным в условиях интенсивного транспортного движения.

Химические вещества при снегоочистке препятствуют уплотнению и прикатыванию свежевыпавшего снега, а при возникновении снежно-ледяных образований снижают силу смерзания льда с поверхностью дорожного покрытия.

2.3.6. Качественная очистка улиц от снега с применением химических веществ достигается при хорошем перемешивании химических веществ со снегом, что возможно при интенсивном движении транспорта (не менее 100 машин в час на одной полосе).

2.3.7. Технологией зимней уборки городских дорог предусматриваются три основных вида работ:

борьба со снежно-ледяными образованиями путем своевременного удаления свежевыпавшего, а также уплотненного снега;

перекидывание, погрузка и вывоз снега и скола, собранных в валы и кучи;

борьба с гололедом, резко снижающим коэффициент сцепления колес транспорта с дорожными покрытиями.

Перечень операции и машин, применяемых при зимней уборке, приводится ниже.

Операция

Машина

Борьба со снежно-ледяными образованиями

Распределение технологических материалов.....................................

Распределитель технологических материалов

Сгребание и сметание снега............................................................

Плужно-щеточный снегоочиститель

Скалывание уплотненного снега и льда.............................................

Скалыватель-рыхлитель

Сгребание и сметание скола............................................................

Плужно-щеточный снегоочиститель

Удаление снега и скола

Перекидывание снега и скола на свободные площади........................

Роторный снегоочиститель

Сдвигание.....................................................................................

Плуг-совок

Погрузка снега и скола в транспортные средства...............................

Снегопогрузчик

Вывоз снега и скола.......................................................................

Самосвал

Борьба со снежно-ледяными образованиями

2.3.8. Работы по борьбе со снежно-ледяными образованиями наиболее важны, так как эффективность их выполнения определяет качество содержания дорожных покрытий.

2.3.9. Процесс снегоочистки с применением химических веществ предусматривает следующие этапы: выдержку, обработку дорожных покрытий химическими веществами, интервал, сгребание и сметание снега.

Выдержка - период от начала снегопада до момента внесения химических веществ в снег. Продолжительность выдержки зависит от интенсивности снегопада и температуры воздуха. Она должна полностью исключить возможность образования на дорожном покрытии растворов при контактировании снега и химических веществ. Поэтому в период снегопада (интенсивностью 1-3 мм/ч и выше) к распределению химических веществ необходимо приступать через 15-20 мин после начала снегопада. При слабом снегопаде интенсивностью 0,5-1 мм/ч распределение следует начинать через 30-45 мин после его начала. Обработку покрытия следует производить в максимально короткие сроки.

2.3.10. Нормы обработки химическими веществами зависят от температуры воздуха: при одноразовой посыпке химическими реагентами при температуре выше минус 6 °С - 15 г/м2, при температуре ниже минус 6 °С - 25 г/м2. С понижением температуры воздуха до минус 17-20 °С и ниже, а также в зависимости от интенсивности снегопада норму посыпки необходимо увеличивать до 35 г/м2 (табл. 3).

Таблица 3. Основные показатели технологического процесса снегоочистки

Режим

Интенсивность снегопада, мм/ч

Температура снега, °С

Норма расхода реагента, г/м2

Продолжительность этапов, ч

выдержка

обработка реагентами

интервал

сгребание и сметание

всего

Первый цикл

1

0,5-1

Выше -6

15

0,75

1

3

3

7,75

 

 

От -6 до -18

25

 

 

 

 

 

 

 

Ниже -18

35

 

 

 

 

 

2

1-3

Выше -6

15

0,25

1

-

3

4,25

 

 

От -6 до -18

25

 

 

 

 

 

 

 

Ниже -18

35

 

 

 

 

 

3

Свыше 3

Выше -6

15

0,25

1

-

1,5

2,75

 

 

От -6 до -18

25

 

 

 

 

 

 

 

Ниже -18

35

 

 

 

 

 

Последующие циклы

1

0,5-1

Выше -6

15

-

1

3,75

3

7,75

 

 

От -6 до -18

25

 

 

 

 

 

 

 

Ниже -18

35

 

 

 

 

 

2

1-3

Выше -6

15

 

1

0,25

3

4,25

 

 

От -6 до -18

25

 

 

 

 

 

 

 

Ниже -18

35

 

 

 

 

 

3

Свыше 3

Выше -6

15

-

1

0,25

1,5

2,75

 

 

От -6 до -18

25

 

 

 

 

 

 

 

Ниже -18

35

 

 

 

 

 

2.3.11. При снегопадах малой интенсивности (0,5-1 мм/ч) технологический процесс снегоочистки предусматривает интервал между обработкой покрытий химическими веществами и началом оплуживания снега. В интервале, продолжительность которого составляет 3 ч, накапливается снег на дороге и, активно перемешиваясь с химическими веществами колесами движущегося транспорта, сохраняет свою сыпучесть.

2.3.12. При снегопадах 1-3 мм/ч и выше снегоочистку производят без интервала, непосредственно после начала обработки дорог химическими веществами. Срок окончания работ по сгребанию и сметению снега должен соответствовать накоплению на дорожном покрытии допустимого количества снега.

2.3.13. Если после окончания первого цикла работ снегопад продолжается, цикл работ повторяют необходимое число раз до полной уборки снега с покрытия дороги.

2.3.14. Для предотвращения образования снежно-ледяного наката при повышении и последующем резком понижении температуры воздуха после обработки дорожного покрытия химическими веществами снегоочистку начинают сразу по получении сигнала о возможном понижении температуры воздуха.

2.3.15. Не рекомендуется применять химические вещества в местах, имеющих подъемы, спуски и кривые малого радиуса. Для повышения коэффициента сцепления колес с дорогой эти участки обрабатывают песко-соляной смесью. Норма распределения песко-соляной смеси в этом случае составляет 150-200 г/м2 при температуре выше минус 6 °С и 250-300 г/м2 при более низкой температуре.

2.3.16. Твердые химические вещества разбрасывают по поверхности дороги универсальными распределителями.

При отсутствии специальных машин химические вещества распределяют пескоразбрасывателями. Для соблюдения установленной плотности распределения рабочая скорость на третьей передаче должна соответствовать 25-30 км/ч.

2.3.17. Оперативность работ по зимней уборке в первую очередь зависит от работы распределительных машин и организации хранения и погрузки технологических материалов (прил. 3). Это достигается следующим образом:

расположением баз для хранения технологических материалов, при котором пробеги распределителей с обслуживаемого участка на заправку были бы минимальными (3-5 км);

организацией на наиболее опасных участках пунктов дежурства распределителей, загруженных технологическими материалами, которые при необходимости немедленно начинают посыпку дорог;

механизацией погрузки технологических материалов в кузов распределителей.

2.3.18. Технологические маршруты следует составлять для каждого распределителя отдельно. Материалы должны распределяться за один проход машины. На широких проездах, где полоса движения транспортных средств превышает 10 м, поверхность дороги необходимо обрабатывать в два прохода машины.

2.3.19. Химические материалы следует равномерно распределять по всей площади проезжей части в соответствии с установленным режимом снегоочистки и нормами распределения. Не допускается попадание материалов за пределы проезжей части дорог.

2.3.20. Распределение технологических материалов необходимо начинать с улиц, имеющих высокую интенсивность движения. Остановки общественного транспорта, перекрестки, подъемы, спуски и т.д. должны обрабатываться особенно тщательно.

Сгребание и подметание снега

2.3.21. Снег с дорожных покрытий следует удалять путем сгребания и подметания плужно-щеточными снегоочистителями. Технологические маршруты плужно-щеточных снегоочистителей необходимо начинать с улиц с наиболее интенсивным движением транспорта.

2.3.22. Маршруты распределителей технологических материалов и плужно-щеточных снегоочистителей должны по возможности совпадать. Это позволяет выдержать интервал, необходимый для равномерного перемешивания снега с внесенными химическими веществами на всей протяженности маршрута и достигнуть необходимого технологического эффекта.

После окончания снегопада производят завершающее сгребание снега плужно-щеточными снегоочистителями. Число снегоочистителей, работающих на улице, зависит от ширины проезжей части.

Обозначения:

 направление движения плужно-щеточных снегоочистителей

 направление движения роторного снегоочистителя

 направление отбрасывания снега роторным снегоочистителем

Рис. 5. Схема расчистки проезжей части улиц колонной плужно-щеточных снегоочистителей

а - складирование снега в лотке; б - перекидывание снега роторным снегоочистителем

2.3.23. При работе колонны плужно-щеточных снегоочистителей на улицах с двусторонним движением первая машина делает проход по оси проезда, а последующие движутся уступом. При этом полоса, очищенная впереди идущей машиной, должна перекрываться следующей за ней машиной на 0,5-1 м (рис. 5). Один из разрывов между машинами для обеспечения проезда транспорта, снабженного сигналом «сирена», должен быть не менее 25 м.

2.3.24. Для повышения эффективности на широких магистралях снегоочистку участков дорожных покрытий, примыкающих к лотку, рекомендуется производить в два этапа. Первая машина только сгребает снег, работая одним отвалом, а следующая за ней вторая машина работает с включенной щеткой.

2.3.25. При интенсивности снегопада свыше 3 мм/ч для сокращения цикла работы плужно-щеточных снегоочистителей операцию снегоочистки можно ограничить одним сгребанием, что позволяет увеличить производительность в 1,5 раза. После окончания снегопада следует производить завершающее подметание.

Удаление уплотненного снега и льда

2.3.26. Несоблюдение изложенного технологического процесса очистки покрытий от свежевыпавшего снега, а также резкое изменение метеорологических условий может привести к возникновению на дорогах участков, покрытых уплотненным снегом. Уплотненный снег легко может превратиться в лед, поэтому его необходимо удалять в кратчайший срок.

2.3.27. Уплотненный снег удаляется автогрейдером или скалывателем-рыхлителем.

2.3.28. Если уплотненный снег не был удален своевременно, а также не были проведены профилактические работы, в результате чего снег превратился в снежно-ледяной накат или лед, рекомендуется следующая технология удаления льда. Поверхность дороги, покрытую снежно-ледяным накатом или льдом, следует обрабатывать химическими веществами в виде крупных кристаллов не менее 7 мм. Распределять химические вещества необходимо по возможности в период наименьшей интенсивности движения транспорта по норме 200-300 г/м2. Распределение химических веществ является подготовкой к последующему скалыванию слоя льда или наката. Скалывать лед следует через 3-5 ч после распределения реагентов. При слое льда или наката более 20 мм обработку и скалывание производить в несколько этапов. Лед, как и уплотненный снег, скалывают автогрейдером или скалывателемыхлителем.

Дорожное покрытие очищают от скола уплотненного снега или льда плугом и цилиндрической щеткой, установленными на скалывателях-рыхлителях, или плужно-щеточными снегоочистителями.

2.3.29. Для предотвращения образования снежно-ледяных накатов и льда на различных участках дороги (и в первую очередь в прилотковой части) необходимо применять профилактическую обработку этих участков растворами химических веществ. Норма распределения растворов составляет 250 г/м2. Наличие химических веществ способствует значительному снижению сил смерзания снежно-ледяного наката или льда с дорожным покрытием.

Проведение профилактического метода эффективно, если предельные уклоны прилотковой части дороги не превышают 1 %, так как при более значительных уклонах раствор может стекать.

2.3.30. Профилактическую обработку прилотковой части дороги можно производить также твердыми химическими веществами. Норма распределения 80-100 г/м2.

Удаление снега и скола

2.3.31. Своевременное удаление снега и скола обеспечивает нормальную пропускную способность улиц и, кроме того, уменьшает возможность возникновения снежно-ледяных образований при колебаниях температуры воздуха.

Снег и скол, собранные в валы и кучи, следует удалять следующими способами:

складированием на разделительной полосе, в прилотковой части дороги или на площадках, свободных от застройки, зеленых насаждений и движения транспортных средств, до конца зимнего сезона;

погрузкой и вывозкой снега автотранспортом. Так как стоимость вывоза снега резко возрастает при увеличении расстояния до места складирования, необходимо иметь разветвленную сеть снежных свалок, число которых должно быть экономически обоснованным.

2.3.32. В зависимости от местных условий снег следует вывозить на свалки, используя для этого пустыри, или сбрасывать в русла рек. Для сбрасывания в реки и другие водоемы снега, содержащего химические вещества, необходимо иметь разрешение местных санитарных органов.

2.3.33. При складировании снега и скола их перемещение следует осуществлять роторными снегоочистителями или совками-разгребателями. Для удаления снега с набережных рек целесообразно перемещать его роторным снегоочистителем непосредственно в реку.

2.3.34. Сроки вывоза снега (сут) в зависимости от категории улицы следующие:

Слой снега, см           I категория                 II категория                III категория

до 6                           2-3                                  3-4                                   4-6

до 10                         3-4                                  4-6                                   5-8

до 15                         4-6                                  5-8                                   6-10

2.3.35. Погрузку снега следует производить снегопогрузчиками или роторными снегоочистителями, а вывоз - автомобилями с наращенными бортами.

2.3.36. При погрузке снега снегопогрузчиком последний должен двигаться вдоль лотка дороги в направлении, противоположном движению городского транспорта. Находящийся под погрузкой самосвал следует подавать задним ходом вслед за погрузчиком, чтобы после погрузки он мог двигаться в общем потоке транспорта, не пересекая его.

Движение самосвала задним ходом, а также работа погрузочного механизма создают некоторую опасность для пешеходов. Поэтому в процессе работы около погрузчика должен находиться дежурный, который с помощью мегафона подает команду водителям, не допускает пешеходов в зону к рабочим органам снегопогрузчика и отвечает за безопасность работ в зоне. Персонал, обслуживающий снегопогрузчик, должен быть одет в ярко-желтые жилеты.

2.3.37. При погрузке снега роторными снегоочистителями безопасность процесса погрузки повышается, так как снегоочиститель и загружаемый автомобиль движутся рядом в направлении движения городского транспорта. Снегоочиститель обслуживает один рабочий, который отвечает за безопасность работы в зоне рабочего органа и ведет учет числа самосвалов.

2.3.38. Снежно-ледяные образования, остающиеся после погрузки снега, должны быть в кратчайшие сроки удалены с поверхности дорожного покрытия по технологии, описанной выше.

Борьба с гололедом

2.3.39. Гололед представляет собой стекловидную гололедную пленку, образующуюся в результате осаждения и замерзания на дорожном покрытии влаги, водяных паров или замерзания на дорогах дождевых осадков при температуре от +1° до -6 °С и при влажности воздуха свыше 85 %.

При возникновении гололедной пленки резко снижается коэффициент сцепления автомобильных шин с дорогой, что влияет на безопасность движения транспортных средств.

2.3.40. Борьбу с гололедом следует проводить в первую очередь на участках с крутыми уклонами и кривыми малого радиуса, на пересечениях в одном уровне, на искусственных сооружениях и подъездах к ним, а также во всех других местах, где часто возникает необходимость экстренного торможения.

2.3.41. При борьбе с гололедом применяется профилактический метод, препятствующий появлению гололеда, или метод пассивного воздействия, который заключается в обработке дорожных, покрытий песко-соляной смесью и служит для повышения коэффициента сцепления шин с дорогой, уже покрытой гололедной пленкой. Профилактический метод наиболее эффективен, однако эффективность этого метода зависит от своевременного и правильного получения предупредительных сводок метеослужб о возможном возникновении гололеда.

При получении сводки о возможном гололеде дорожное покрытие немедленно обрабатывают химическими веществами по норме 15-20 г/м2.

2.3.43. В случае если гололед уже возник, применяются пассивные методы. Дорожное покрытие в кратчайшие сроки следует обработать песко-соляной смесью по норме 150-300 г/м2. На участках с большими продольными уклонами, на кривых подъездах и пересечениях дорог и во всех других местах, где по условиям движения часто возникает необходимость экстренного торможения, нормы распределения увеличивают.

2.3.44. Обработку дорог при профилактическом методе борьбы с гололедом следует начинать с улиц с наименьшей интенсивностью движения, т.е. II и III категорий, и заканчивать на улицах I категории. Такая последовательность работ способствует сохранению реагентов на поверхности дорожного покрытия.

Обработку же дорог, покрытых гололедной пленкой необходимо начинать с улиц I категории, затем обрабатывать улицы II и III категорий. Одновременно с обработкой улиц I категории производится выборочная обработка участков с уклонами, перекрестков, подъездов к мостам и т.п.

2.3.45. Для ускорения работ по борьбе с гололедом обработку дорог следует производить только в полосе движения, составляющей 60-70 % ширины проезжей части улицы. В случае если гололедные пленки сохраняются, через 2-3 ч, необходимо производить повторную обработку покрытий песко-соляной смесью. Наиболее опасные участки обрабатываются выборочно через каждый час после первой посыпки.

2.3.46. Проезжую часть искусственных сооружений (мостов, путепроводов, эстакад) следует обрабатывать в первую очередь и с особой тщательностью, так как гололед на их покрытиях образуется раньше, чем на покрытиях городских дорог.

Отдельные скользкие участки, возникающие на покрытиях искусственных сооружений (имеющих на основном протяжении, удовлетворительную для движения поверхность покрытия), должны подвергаться немедленной выборочной обработке.

Технологические материалы, применяемые при зимней уборке городских улиц

2.3.47. При выполнении операций зимней уборки в качестве технологических материалов применяют химические реагенты или их смеси, водные растворы которых имеют низкую температуру замерзания, а также смесь инертных материалов (песок) с реагентами (табл. 4).

Приведенные в таблице реагенты применяются в твердом кристаллическом виде.

2.3.48. Для предотвращения слеживания хлористого натрия в него следует добавлять хлористый кальций (неслеживающаяся смесь). Технология приготовления этой смеси приведена в прил. 4.

Таблица 4. Технологические материалы, используемые при зимней уборке

Операция

Технологические материалы

при t выше -15 °С

при t ниже -15 °С

Снегоочистка

Неслеживающаяся смесь1

Хлористый кальций, ХКФ2

Скалывание льда:

 

 

пассивный метод

То же

Хлористый кальций

профилактический метод

ХКФ

ХКФ

Борьба со скользкостью и гололедом:

 

 

пассивный метод

Песко-соляная смесь на основе хлористого натрия

-

профилактический метод

Неслеживающаяся смесь, ХКФ

-

Снегоочистка подъемов, участков торможения автомобилей

Песко-соляная смесь на основе хлористого натрия

Песко-соляная смесь на основе хлористого кальция

1 Механическая смесь хлористого натрия с хлористым кальцием.

2 ХКФ - реагент на основе хлористого кальция, ингибированного фосфатами.

2.3.49. Песко-соляную смесь получают при смешивании песка с хлористым натрием или хлористым кальцием в соотношении 92-97 % песка и 3-8 % реагентов. Количество добавляемых реагентов зависит от минимальной температуры воздуха в зимний период и влажности песка.

При смешивании песка с хлористым кальцием последний используется в твердом и жидком состоянии. При применении жидкого хлористого кальция требуемое количество определяется перерасчетом на сухое вещество. Технология приготовления песко-соляной смеси приведена в прил. 5.

2.3.50. В связи с высокой гигроскопичностью хлористого кальция необходимо следить за тем, чтобы поступающие от предприятий-поставщиков и складируемые при хранении полиэтиленовые мешки с хлористым кальцием не были порваны. Каждая партия должна быть тщательно проверена. Если имеются порванные при транспортировании мешки, находящийся в них хлористый кальций должен быть израсходован для приготовления неслеживающейся смеси, песко-соляной смеси или пересыпан в плотно закрывающуюся тару.

2.3.51. Основой специального реагента (ХКФ), выпускаемого химической промышленностью, служит хлористый кальций, ингибированный фосфатами, которые уменьшают коррозионную активность хлористого кальция и другие нежелательные воздействия на окружающую среду. Поэтому применяемые неслеживающаяся и песко-соляная смеси на основе хлористого натрия или хлористого кальция должны быть заменены специальным реагентом ХКФ и песко-соляной смесью на его основе.

2.4. ОСОБЕННОСТИ УБОРКИ ГОРОДСКИХ ДОРОГ В УСЛОВИЯХ СЕВЕРНОЙ КЛИМАТИЧЕСКОЙ ЗОНЫ

2.4.1. Операции летней уборки городов северной климатической зоны выполняют так же, как в средней климатической зоне. Технология и организация зимней уборки городов северной климатической зоны зависит от географического расположения города.

Города северной климатической зоны подразделяются на города со снегопадами малой интенсивности (Якутская и Бурятская АССР, Красноярский край, Амурская, Читинская, Иркутская, Кемеровская, Томская и Омская области) и со снегопадами значительной интенсивности, а также с метелями и переносами снега (Коми АССР, Салехард, Норильск, Игарка, Магаданская, Камчатская и Сахалинская области).

Технология зимней уборки городов со снегопадами малой интенсивности и низкими температурами воздуха не отличается от описанной выше. В городах северной климатической зоны со значительными снегопадами, метелями и переносами снега, технология зимней уборки улиц обусловлена интенсивностью снегопада и переноса снега.

2.4.2. Технология и организация зимней уборки должна быть построена таким образом, чтобы обеспечить условия безопасности движения и в наибольшей степени облегчить уборку снега.

Это достигается поддержанием поверхности дорог в ровном и обтекаемом для снеговетрового потока состоянии и принятием мер, обеспечивающих уменьшение заноса дороги снегом.

2.4.3. Плужные снегоочистители и автогрейдеры размещают в пунктах, максимально приближенных к обслуживаемому участку.

Машины (роторные снегоочистители, бульдозеры и др.), необходимые для уборки снега в период тяжелых метеорологических условий, следует располагать непосредственно на базах.

2.4.4. Для успешного проведения работ по зимнему содержанию дорог, особенно в период тяжелых метеорологических условий, важное значение имеет хорошо организованная радиосвязь диспетчерских с водителями машин, работающих на линии. Радиосвязь позволяет иметь постоянную информацию о состоянии проезжей части дорог, исправности машин. С помощью радиосвязи водители получают указания о необходимости проведения снегоочистительных операций на отдельных участках.

2.4.5. Для своевременного начала снегоочистительных работ предприятия по уборке снега должны иметь систематическую информацию с краткосрочным прогнозом погоды по данным гидрометеослужбы.

2.4.6. При снегоочистке и борьбе со снежно-ледяными образованиями в городах северной климатической зоны в качестве реагента применяют чешуированный хлористый кальций или реагент ХКФ.

2.4.7. В условиях сильных метелей, переносов снега и снегопадов значительной интенсивности (свыше 3-5 мм/ч) дорожные покрытия необходимо убирать следующим образом. Дорогу по всей ширине следует посыпать с помощью распределителей чешуированным хлористым кальцием или специальным реагентом (ХКФ) при норме 60-80 г/м2.

2.4.8. Для очистки дорожных покрытий необходимо использовать плужно-щеточные снегоочистители.

Периодичность повторного прохода плужно-щеточных снегоочистителей по одному и тому же участку определяют в зависимости от интенсивности накопления снега на дороге.

После проходов плужно-щеточных снегоочистителей при продолжающемся снегопаде и переносе снега образованные валы снега формируют в один основной вал. Для выполнения этой операции следует применять роторные снегоочистители, снабженные направляющим желобом.

Расположение общего вала снега выбирают в зависимости от интенсивности снегопереноса, господствующего направления ветра, ожидаемой продолжительности метели и ширины проезжей части улицы.

2.4.9. Снежные заносы следует расчищать комплектом снегоочистительных машин. Снежные заносы небольшой толщины (0,2-0,3 м) расчищают плужно-щеточными снегоочистителями, работающими в комплекте с роторным снегоочистителем, который, следуя за колонной плужно-щеточных снегоочистителей удаляет создаваемые ими снежные валы. Автогрейдерами расчищают снежные заносы высотой до 0,5-0,6 м. Работы выполняются совместно с роторными снегоочистителями.

2.4.10. Расчищая дорогу при сильном боковом ветре, нецелесообразно отбрасывать снег против ветра, так как снег сдувается обратно на дорогу. В этих случаях снег перемещают в направлении, совпадающем с направлением ветра.

2.4.11. При затяжных метелях возможно для укладки общего вала использовать часть тротуаров вдоль бордюрного камня. В этом случае между валом снега и стенами близлежащих зданий должна быть свободная для прохода пешеходов полоса шириной не менее 1,5-2 м.

2.4.12. Для удаления снежных валов, образуемых на перекрестках и остановках городского транспорта, используют бульдозеры или совки-разгребатели.

3. СБОР И УДАЛЕНИЕ БЫТОВЫХ ОТХОДОВ

3.1. ОРГАНИЗАЦИЯ РАБОТ

3.1.1. Сбор и удаление твердых бытовых отходов в соответствии с санитарно-гигиеническими требованиями следует осуществлять по планово-регулярной системе согласно утвержденным графикам.

3.1.2. Планово-регулярная система включает:

сбор, временное хранение и удаление бытовых отходов с территорий жилых домов и организаций в сроки, указанные в санитарных правилах;

обезвреживание и утилизацию бытовых отходов.

Указанные мероприятия взаимообусловлены, и их необходимо рассматривать, планировать и осуществлять комплексно.

3.1.3. Взаимоотношения предприятий по удалению бытовых отходов с жилищно-эксплуатационными и другими обслуживаемыми организациями строятся на договорных началах.

Договор на удаление бытовых отходов заключается ежегодно (прил. 6). В договоре формулируются основные взаимные обязанности сторон и указывается объем работ по удалению бытовых отходов.

Данный объем устанавливается на основании фактического накопления или утвержденных норм накопления отходов на одного проживающего или другую расчетную единицу (для организаций). Расчет с обслуживаемыми организациями производится на основании утвержденных тарифов.

3.1.4. В обязанность спецавтохозяйств и других предприятий по уборке входит: своевременное удаление твердых и жидких бытовых отходов из домовладений, а также из предприятий культурно-бытового назначения (учебных, детских, лечебных, зрелищных, торговых и т.д.); обезвреживание бытовых отходов; обеспечение удаления бытовых отходов по утвержденным графикам; контроль за соблюдением технологических и санитарных норм эксплуатации спецавтотранспорта.

Вывоз всех видов производственных отходов в обязанности предприятий коммунального хозяйства не входит.

3.1.5. В обязанности жилищно-эксплуатационных и других организаций, обслуживаемых по планово-регулярной системе, входит:

организация сбора и хранения бытовых отходов на территории;

содержание сборников отходов в надлежащем санитарном и техническом состоянии (при системе несменяемых сборников отходов);

обеспечение подъезда спецавтотранспорта и подхода к сборникам отходов.

3.1.6. Для создания нормальных условий сбора отходов и работы спецавтотранспорта представители спецавтохозяйств и жилищной организации совместно с санитарно-эпидемиологической станцией систематически должны обследовать жилищный фонд и составлять рапорт, в котором должны быть указаны численность проживающих, состояние подъездных путей, освещения, наличие и тип сборников отходов и площадок под ними, а также имеющиеся недостатки и сроки их устранения (прил. 7).

Сведения, полученные при обследовании жилищного фонда, подтверждаются справкой, представляемой жилищно-эксплуатационной организацией при заключении ежегодных договоров на удаление бытовых отходов.

Этими сведениями должны располагать спецавтохозяйства и при заключении договоров с прочими организациями, обслуживаемыми по планово-регулярной системе. В случае перемен, происходящих в течение года, в договор вносят изменения согласно дополнительной справке.

При обследовании выявляют необходимость объединения или изменения мест установки сборников бытовых отходов с целью создания лучших условий для жильцов и обслуживающего персонала, а также обеспечения нормальной работы спецавтотранспорта. Сведения, полученные при обследовании, мастер участка заносит в журнал регистрации объектов обслуживания, в котором отражаются все последующие изменения. Данные, содержащиеся в журнале, используют для дальнейшей работы по упорядочению планово-регулярной системы.

3.2. СОСТАВ И КОЛИЧЕСТВО БЫТОВЫХ ОТХОДОВ

3.2.1. Бытовые отходы, подлежащие удалению из жилых и общественных зданий, разделяют на твердые и жидкие.

К твердым бытовым отходам относятся отходы жизнедеятельности человека, отходы текущего ремонта квартир, местного отопления, смет с дворовых территорий и крупногабаритные (старая мебель и др.), а также отходы культурно-бытовых, лечебных и других предприятий общественного назначения. К жидким отходам относятся нечистоты (фекалии, помои), собираемые в неканализованных зданиях.

3.2.2. Основными составляющими твердых бытовых отходов являются пищевые отходы и бумага.

Средний состав твердых бытовых отходов в городах СССР характеризуется следующими данными в % массы: бумага - 25-40; пищевые отходы - 25-30; древесина - 2-4; текстиль - 2-7; кожа, резина - 0,5-0,6; металл - 1-4; камни - 0,5-3; стекло - 2-8; кость - 1-3; полимерные материалы - 0,5-2; отсев (менее 15 мм) - 6-25.

Таблица 5. Ориентировочные дифференцированные нормы накопления бытовых отходов от жилых зданий на одного человека

Классификация жилых зданий

Норма накопления бытовых отходов

Плотность отходов

среднегодовая

среднесуточная

кг

л

кг

л

кг/м3

Полностью благоустроенные жилые дома (газ, центральное отопление, водопровод, канализация)

 

 

 

 

 

при наличии мусоропроводов:

 

 

 

 

 

с отбором пищевых отходов и вторичного сырья

140

610

0,38

1,67

230

без отбора пищевых отходов и вторичного сырья

190

700

0,49

1,97

270

без мусоропроводов:

 

 

 

 

 

с отбором пищевых отходов и вторичного сырья

115

500

0,31

1,33

230

без отбора пищевых отходов и вторичного сырья

160

590

0,44

1,63

270

Жилые дома со средним благоустройством, без отбора пищевых отходов и вторичного сырья:

 

 

 

 

 

с центральным отоплением, водопроводом, канализацией

150

520

0,41

1,42

290

с местным отоплением, водопроводом, канализацией, отоплением дровами

170

550

0,47

1,8

310

с отоплением каменным углем

225

680

0,62

1,88

330

Неблагоустроенные жилые дома (местное отопление) без отбора пищевых отходов:

 

 

 

 

 

с отоплением дровами

270

750

0,75

2,05

360

с отоплением каменным углем

360

720

1

1,98

500

Жидкие отбросы (фекалии и помои) из непроницаемых выгребов и неканализованных домов

-

3250

-

8,9

1000

Примечание. В городах северной зоны во всех зданиях с местным отоплением норма накопления бытовых отходов повышается на 5 % при использовании дров и на 10 % при использовании каменного угля. При использовании бурого угля норма повышается на 50 %.

3.2.3. Ежегодное накопление бытовых отходов определяют как в целом по городу, так и по отдельным обслуживаемым объектам исходя из утвержденных для данного города норм накопления или по фактическому их накоплению.

Таблица 6. Ориентировочные дифференцированные нормы накопления бытовых отходов от отдельных объектов общественного назначения, торговых и культурно-бытовых учреждений в городах РСФСР (для планирования)

Объекты

Нормы накопления бытовых отходов

Плотность отходов

среднегодовая

среднесуточная

кг

л

кг

л

кг/м3

Больница, 1 койка

230

700

0,63

1,9

330

Поликлиника, 1 место

-

-

0,1

0,4

250

Гостиница, 1 место

80

400

0,22

1,1

200

Общежитие, 1 место

100

330

0,28

0,93

300

Детсад, ясли, 1 место (за 6 дней в неделю)

70

235

0,19

0,78

300

Школы, 1 учащийся (за 6 дней в неделю)

20

90

0,06

0,3

320

Институты и техникумы, 1 учащийся (за 6 дней в неделю)

26

120

0,09

0,4

220

Театры, кино, 1 место

20

90

0,06

0,3

220

Учреждения, 1 сотрудник (за 6 дней в неделю)

50

250

0,14

0,7

200

Ресторан, на 1 блюдо

-

-

0,06

0,2

300

Столовые, на 1 блюдо

-

-

0,03

0,1

300

Продовольственные магазины, на 1 м2 торговой площади

120

460

0,33

1,27

260

Промтоварные магазины, на 1 м2 торговой площади (за 6 дней в неделю)

30

150

0,08

0,4

200

Ателье пошивочное, на 1 сотрудника

100

250

0,27

0,68

400

Складские помещения, на 1 м2

35

70

0,09

0,19

500

Рынки на 1 м2 торговой площади (за 6 дней в неделю)

18

36

0,06

0,i2

500

3.2.4. Нормы накопления, т.е. количество бытовых отходов, накапливающихся за определенный период времени на расчетную единицу (на 1 чел.), определяют в каждом конкретном городе или другом населенном пункте по методике, разработанной Академией коммунального хозяйства им. К.Д. Памфилова (прил. 8). Нормы накопления утверждаются горисполкомами.

При введении впервые планово-регулярной системы сбора и удаления бытовых отходов для планирования и определения потребности в спецавтотранспорте следует пользоваться средними нормами, утвержденными МЖКХ РСФСР («Нормы накопления бытовых отходов». М., ОНТИ АКХ, 1971) с обязательным уточнением.

Ориентировочные нормы накопления бытовых отходов от жилых зданий и объектов общественного и торгового назначения приведены в табл. 5 и 6.

3.2.5. Нормы накопления, используемые при расчетах между заказчиком и специализированным предприятием, не являются постоянными и изменяются в зависимости от условий, влияющих на их образование, поэтому они периодически должны корректироваться.

Допускается расчет с заказчиком осуществлять по фактическому объему вывезенных отходов (талонная система). Талон является документом, подтверждающим фактический объем отходов, вывезенных специализированными предприятиями.

3.2.6. При планировании общего объема работ и затрат на удаление бытовых отходов следует пользоваться общей нормой накопления отходов, величиной, полученной от деления количества подлежащих удалению отходов (включая отходы всех обслуживаемых учреждений и предприятий) на численность населения.

3.3. ПЕРИОДИЧНОСТЬ ОБСЛУЖИВАНИЯ И МАРШРУТЫ РАБОТЫ СПЕЦАВТОТРАНСПОРТА

3.3.1. Согласно планово-регулярной системе отходы следует удалять ежедневно независимо от дня недели, в том числе в выходные и праздничные дни.

3.3.2. Своевременность удаления твердых бытовых, отходов достигается детальной разработкой маршрутов движения спецавтотранспорта, предусматривающих последовательный порядок передвижения транспортной единицы от объекта к объекту в пределах одной ездки (т.е. до полного заполнения машины).

Маршруты движения спецавтотранспорта составляют в форме маршрутных карт и графиков. Графики работы спецавтотранспорта, утверждаемые руководителем специализированного предприятия, выдают водителям, а также направляют в жилищно-эксплуатационные организации и в санитарно-эпидемиологическую станцию.

3.3.3. Маршрутные графики пересматриваются при изменениях количества накапливающихся отходов, при вводе в строй или выбытии объектов обслуживания, изменении условии движения на участке и т.п. (прил. 9).

3.3.4. При разработке маршрутов движения спецавтотранспорта необходимо располагать следующими исходными данными: подробной характеристикой подлежащих обслуживанию объектов и района обслуживания в целом, сведениями о накоплении бытовых отходов по отдельным объектам, состоянии подъездов, интенсивности движения по отдельным улицам, о планировке кварталов и дворовых территорий, местоположении объектов обезвреживания и переработки бытовых отходов. По каждому участку должны быть данные о числе установленных сборников отходов.

3.3.5. При разработке маршрутов движения спецавтотранспорта следует руководствоваться следующими правилами:

сводить до минимума повторные пробеги спецавтотранспорта по одним и тем же улицам;

объединять объекты, расположенные на улицах с особо интенсивным движением, в маршруты, подлежащие обслуживанию в первую очередь, объединять все объекты по системам сбора твердых бытовых отходов;

по возможности прокладывать маршрут от центра города в направлении к месту обезвреживания;

при применении кузовных мусоровозов продолжать маршрут до полного заполнения кузова.

При наличии нескольких мест обезвреживания обеспечить правильное закрепление маршрутов за соответствующими местами обезвреживания, предусматривая минимальные пробеги:

3.3.6. Время, затрачиваемое на выполнение маршрута, устанавливают путем хронометража на характерных участках или на основании нормативных данных в зависимости от типа мусоровоза, состава бригады и других факторов. При назначении маршрутов следует сохранять равномерную нагрузку на каждую транспортную единицу.

3.4. СИСТЕМЫ СБОРА И УДАЛЕНИЯ БЫТОВЫХ ОТХОДОВ

3.4.1. Порядок сбора и удаления бытовых отходов определяется местными условиями, основными из которых являются:

этажность и плотность застройки;

наличие и тип применяемых спецмашин и сборников отходов;

принятый способ обезвреживания и утилизации отходов.

3.4.2. Основными системами сбора и удаления твердых бытовых отходов являются:

система сменяемых сборников отходов (с применением контейнерного мусоровоза);

система несменяемых сборников отходов (с применением кузовного мусоровоза).

При системе сменяемых сборников отходов (контейнерная система) заполненные контейнеры (вместимостью 0,75 м3) следует погружать на мусоровоз, а взамен оставлять порожние чистые контейнеры.

При системе несменяемых сборников твердые бытовые отходы из контейнеров необходимо перегружать в мусоровоз, а сами контейнеры оставлять на месте.

Ниже приводится перечень операций и средств механизации, применяемых при удалении бытовых отходов.

Операции

Машины

Удаление твердых бытовых отходов........................

Контейнерный мусоровоз

Кузовной мусоровоз с механизированной загрузкой отходов

Кузовной мусоровоз с ручной загрузкой отходов

Удаление жидких бытовых отходов..........................

Ассенизационная машина

Ассенизационный прицеп

Совместный сбор и удаление твердых и жидких бытовых отходов..........................................................

Вакуумная машина

3.5. СИСТЕМА СМЕНЯЕМЫХ КОНТЕЙНЕРОВ (КОНТЕЙНЕРНАЯ СИСТЕМА)

3.5.1. Потребность в контейнерах определяют с учетом численности проживающих, нормы накопления отходов и установленной периодичности их удаления. Для предварительного определения числа подлежащих расстановке контейнеров вместимостью 0,75 м3, можно использовать данные, приведенные в прил. 10.

3.5.2. Соответствие вместимости контейнеров количеству накапливающихся отходов уточняют в ходе эксплуатации. Для учета удаляемых отходов и контроля за техническим состоянием контейнеров на них должны быть порядковые номера и номер маршрута. Указанная нумерация позволяет следить за техническим состоянием контейнера и закрепить его за строго определенным маршрутом. Нумерация контейнеров дает возможность мастерам осуществлять контроль за своевременным удалением твердых бытовых отходов.

Соответствие суммарной вместимости контейнеров количеству накапливающихся бытовых отходов определяют периодическим обследованием обслуживаемых участков, при этом ведут ведомости, где указывают адреса мест установки контейнеров, их номера и степень заполнения. На основании результатов этих наблюдений при необходимости изменяется расстановка контейнеров.

3.5.3. Для повышения производительности работы машин целесообразно все контейнеры устанавливать на одной площадке; ее планировка, размеры и оформление должны обеспечивать свободный проезд контейнерного мусоровоза и отвечать условиям производства погрузочно-разгрузочных работ.

Площадки под контейнеры устраивают в соответствии с «Альбомом площадок под контейнеры для сбора твердых бытовых отходов», разработанным УНИИ АКХ (Свердловск, 1977).

3.5.4. В малоэтажной застройке необходимо устанавливать контейнер вместимостью 0,75 м3 на группу жилых домов при условии, если расстояние подноса отходов не будет превышать 100 м.

В многоэтажных застройках, где габариты, расположение и оборудование мусороприемной камеры соответствуют «Указаниям по проектированию мусоропроводов в жилых и общественных зданиях», ВСН-8-72 (утвержденным Госгражданстроем СССР), следует устанавливать контейнер, который транспортируют на тележке. Применение этого способа сбора отходов позволяет исключить дополнительные ручные операции по пересыпке отходов и повысить санитарное состояние домовладений.

При несоответствии мусороприемных камер Указаниям жилищным органам следует производить их реконструкцию в соответствии с типовыми решениями по переоборудованию мусороприемных камер (альбом ЛНИИ АКХ «Механизация удаления мусора из мусорокамер типовых жилых домов», 1968). При проектировании и привязке новых домов с мусоропроводами необходимо строго соблюдать требования ВСН-8-72.

3.5.5. Для выкатывания контейнера из мусороприемной камеры необходимо устраивать пандус. Уклон пандуса не должен превышать 8 %.

При невозможности организации непосредственного подъезда мусоровоза к мусороприемной камере следует предусмотреть удобный подвоз контейнера к месту остановки мусоровоза. По пути транспортировки контейнера не должно быть бордюрного камня, лестниц, неровностей покрытия, твердых предметов, снега и льда. Снег и лед удаляются работниками жилищных организаций.

3.5.6. При сборе отходов в контейнер под каналом мусоропровода по прибытии мусоровоза работник жилищной организации должен выполнять следующее:

закрыть шибер ствола мусоропровода;

выкатить с помощью ручной тележки контейнер из мусороприемной камеры;

доставить контейнер на специально выделенную площадку;

доставить чистый порожний сменный контейнер в мусорокамеру и установить его под каналом мусоропровода;

открыть шибер ствола мусоропровода.

3.5.7. При контейнерной системе контейнеры моют на местах обезвреживания твердых бытовых отходов.

3.6. СИСТЕМА НЕСМЕНЯЕМЫХ СБОРНИКОВ

3.6.1. Несменяемые контейнеры можно устанавливать как под каналом мусоропровода, так и на специальных площадках на территории домовладений или других обслуживаемых объектов.

При установке контейнера под каналом мусоропровода (рис. 6) требования к мусорокамерам, а также к производству операций по удалению контейнера из камеры те же, что и в описанной системе сменяемых контейнеров. Контейнеры моют в мусороприемной камере работники жилищных организаций.

3.6.2. Для замены находящихся в ремонте и вышедших из строя контейнеров необходимо предусматривать их резервный фонд.

3.6.3. Для повышения производительности мусоровозов целесообразно сокращать пункты загрузки мусоровозов при обслуживании объекта путем транспортировки контейнеров к централизованной площадке, на которой производят перегрузку отходов.

Рис. 6. Установка контейнера под стволом мусоропровода

1 - шибер; 2 - горячее водоснабжение; 3 - контейнер; 4 - тележка; 5 - пандус; 6 - трап

3.7. СБОР И УДАЛЕНИЕ ОТХОДОВ ИЗ НЕКАНАЛИЗОВАННЫХ ДОМОВЛАДЕНИЙ

3.7.1. Сбор твердых и жидких отходов из неканализованных домовладений в зависимости от наличия и типа спецмашин производится раздельно или совместно.

3.7.2. При раздельном способе сбора целесообразно укрупнять пункты сбора твердых бытовых отходов с установкой стандартных контейнеров. Твердые бытовые отходы при этом следует вывозить по системе несменяемых контейнеров, что снижает влияние неравномерности накопления отходов на показатели использования спецавтотранспорта.

Жидкие отходы следует собирать в один выгреб для сокращения площади, занимаемой санитарным узлом, снижения возможности промерзания выгреба при минусовых температурах, а также сокращения времени на погрузку отходов.

3.7.3. Жидкие отходы из неканализованных домовладений необходимо вывозить по мере накопления, но не реже одного раза в полгода. Уровень наполнения выгреба не должен превышать 0,35 м от поверхности земли.

3.7.4. Выгреб для нечистот и помоев должен быть водонепроницаем, чтобы не загрязнять почву и грунтовые воды просачивающейся жидкостью.

3.7.5. Наземная часть приемников жидких отходов (помойниц и уборных) должна быть удобна для мойки и дезинфекции. К заборному люку следует обеспечить свободный подъезд спецавтотранспорта.

3.7.6. Кроме существующих методов сбора и удаления, бытовых отходов из неканализованных домовладений целесообразно применять системы совместного сбора твердых и жидких бытовых отходов в один выгреб с последующим забором и вывозом смеси вакуумной ассенизационной машиной (УК-19) с увеличенным диаметром шланга (150-200 мм).

Применение метода совместного сбора твердых и жидких бытовых отходов в одном выгребе, их удаления из выгреба и транспортировки в места обезвреживания вакуумной машиной позволяет сократить трудоемкость работ по сбору и удалению твердых бытовых отходов, а также улучшить санитарное состояние территорий домовладений.

Рис. 7. Схема устройства выгреба для совместного сбора жидких и твердых бытовых отходов

1 - вакуумная ассенизационная машина УК-19; 2 - всасывающий шланг; 3 - выгреб; 4 - металлическая решетка

3.7.7. Перед введением системы совместного сбора и удаления твердых и жидких бытовых отходов необходимо провести следующую подготовительную работу.

Над приемным люком общего выгреба установить специальный загрузочный ящик с металлической решеткой, ограничивающей попадание фракций твердых бытовых отходов, превышающих диаметр заборного шланга машины (рис. 7). Размеры решетки выбирают в зависимости от диаметра применяемого всасывающего рукава ассенизационной машины. Размеры решетки при использовании всасывающего рукава с внутренним диаметром 150 мм составляют 120×120 мм и 150×150 мм для всасывающего рукава диаметром 200 мм. Для более крупных предметов, которые обычно не представляют собой санитарной опасности, один-два раза в неделю на группу домов (улиц) устанавливают контейнер.

4. ОСНОВНЫЕ ПРИНЦИПЫ ОРГАНИЗАЦИИ ОБЕЗВРЕЖИВАНИЯ БЫТОВЫХ ОТХОДОВ

4.1. Вывозимые из населенных мест бытовые отходы представляют значительную санитарную опасность и при неорганизованном складировании их вокруг городов загрязняют почву, воздух, подземные и поверхностные воды, способствуют размножению мух, создают неблагоприятную обстановку в пригородных зонах. Поэтому бытовые отходы подвергают возможно более быстрому, правильно организованному с технической и санитарной стороны обезвреживанию.

4.2. Метод обезвреживания и переработки отходов следует выбирать на основании технико-экономических расчетов с учетом интересов народного хозяйства и санитарно-гигиенических требований.

В городах с населением свыше 500 тыс. чел. следует предусматривать методы промышленной переработки бытовых отходов (заводы по механизированному обезвреживанию и переработке твердых бытовых отходов, мусоросжигательные заводы).

4.3. При нецелесообразности применения утилизационных методов обезвреживания отходов в связи с их составом, климатическими и другими местными условиями применяют ликвидационные методы (складирование на полигонах твердых бытовых отходов). Устройство и эксплуатация полигонов регламентируется «Инструкцией по проектированию и эксплуатации полигонов для твердых бытовых отходов» (ОНТИ, АКХ, 1973).

4.4. Жидкие бытовые отходы, вывозимые из выгребов неканализованных домовладений, подвергают соответствующему обезвреживанию. Жидкие отходы удаляются на сливные станции. При отсутствии таких станций отходы могут обезвреживаться на специально отведенных участках, эксплуатируемых по системе полей ассенизации.

4.5. Сооружения по обезвреживанию следует размещать за пределами городов и других населенных пунктов. Размеры земельных участков и санитарно-защитных зон (табл. 7) следует принимать согласно требованиям СНиП II-60-75.

Таблица 7. Размеры земельных участков и санитарно-защитных зон

Методы обезвреживания

Размеры земельных участков на 1000 т отходов в год, га

Размеры санитарно-защитных зон, м2

Мусороперерабатывающие заводы

0,09

500

Мусоросжигательные заводы

0,05

500

Усовершенствованные свалки-полигоны

0,02-0,05

500

Полевое компостирование

1-2

500

Поля ассенизации

2-4

1000

Сливные станции

0,2

300

4.6. Устройство и эксплуатация сооружений и установок по переработке, обезвреживанию и использованию всех видов бытовых отходов регламентируется правилами и инструкциями, издаваемыми Министерством жилищно-коммунального хозяйства РСФСР и Министерством здравоохранения СССР и РСФСР.

ПРИЛОЖЕНИЕ 1

ПАСПОРТИЗАЦИЯ ГОРОДСКИХ УЛИЦ

Паспорт участка должен содержать следующие сведения:

название улицы;

длину, ширину и площадь проезжей части, величину продольных уклонов (эти данные необходимы для составления маршрутных графиков и карт, проекта организации работ), наличие ливневой канализации;

длину, ширину и площадь тротуаров (для определения объемов снега, опавших листьев, смета, скапливающихся в лотковой части улицы);

интенсивность движения, наличие и вид городского транспорта для определения категории улиц и выбора технологического режима уборки;

вид покрытия проезжей части и его состояние (для определения возможности применения химических веществ при зимней уборке, выбора технологической операции уборки и т.д.);

наличие деревьев, кустарников, газонов, их расположение относительно проезжей части дороги, а также их длину, ширину и общую площадь озеленения (эти данные необходимы для определения возможности складирования снега, объемов накопления листьев и т.д.);

наличие остановок городского транспорта, их площадь и характеристику (для внесения в маршрутные карты распределителей технологических материалов);

общую характеристику состояния покрытий дворов, примыкающих к дороге, и вида покрытий, пересекающих улицы проездов (для назначения периодичности уборки лотков, возможности образования наносов после ливневых дождей и т.д.).

ПРИЛОЖЕНИЕ 2

СООРУЖЕНИЯ ДЛЯ СКЛАДИРОВАНИЯ СНЕГА

1. Сухие снежные свалки должны удовлетворять таким основным требованиям:

участок должен иметь планировку с приданием уклонов к водостокам, лоткам, канавам-кюветам, закрытым водостокам с водоприемными колодцами, которые исключают возможность подтопления в период весеннего снеготаяния и кратковременных оттепелей; иметь подъезды с усовершенствованным покрытием;

устройство въездов и выездов на площадку свалки должно обеспечивать нормальное маневрирование автомобилей-самосвалов;

быть освещенными для работы в ночное время;

иметь отапливаемое помещение для обслуживающего персонала.

2. Речные свалки, как правило, размещают на набережных рек вблизи сбросов теплых вод от теплоэлектроцентралей либо других промышленных предприятий, чтобы в районе сброса снега не образовался лед.

Снег в реки сбрасывают со специальных погрузочных эстакад постоянного или временного (сборно-разборного) типа.

3. При устройстве речных свалок необходимо выполнять основные требования:

обеспечивать разбивку льда в течение всего периода ледостава в местах сброса снега;

поддерживать полыньи в местах свалки;

иметь освещение свалки для производства работ в ночное время.

4. При разгрузке нескольких автомобилей расстояние между ними на месте выгрузки должно быть не менее 0,5 м.

Водители автомобилей при въезде на свалку обязаны выполнять указания мастеров, бригадиров и рабочих свалки. Въезжать на свалку следует на малой скорости. Нельзя допускать ударов колес автомобилей о предохранительное устройство (брусья). Находиться пассажирам в кабине автомобиля при разгрузке снега категорически запрещается. При подъезде к ограничительному брусу водитель обязан открыть левую дверцу кабины.

5. Учет объема вывезенного снега ведет дежурный по свалке, который выдает талоны водителям автотранспорта. По этим талонам предприятия по уборке производят расчет с организацией, выделяющей самосвалы для вывоза снега.

6. Для регистрации работы свалки и передачи смен необходимо иметь журнал приема-сдачи дежурства по свалке. Принимающий смену обязан лично проверить состояние креплений, всех узлов и оградительных устройств и результаты осмотра занести в сменный журнал.

7. Свалка должна быть снабжена спасательным, оградительным и другим инвентарем в соответствии с табелем оснащенности. Передачу имеющегося на свалке инвентаря производят по сменам под расписку в специальном журнале.

ПРИЛОЖЕНИЕ 3

БАЗЫ ДЛЯ ПРИГОТОВЛЕНИЯ И СКЛАДИРОВАНИЯ ТЕХНОЛОГИЧЕСКИХ МАТЕРИАЛОВ

1. При организации баз для технологических материалов следует помнить, что используются базы во время сильных снегопадов, поэтому они должны иметь удобный подъезд.

2. Выбор площадки для устройства баз обусловливается наличием свободной площади, условиями планировки и принятым способом доставки технологических материалов (по железной дороге, автотранспортом, баржами), обеспечением минимума холостых пробегов распределителей.

3. Базы следует размещать на площадках, где отсутствуют грунтовые воды.

4. Базы для приготовления и складирования технологических материалов должны иметь асфальтированные площадки.

5. Для производства погрузочных работ на базе должна быть организована круглосуточная работа машин и механизмов.

6. Машины и механизмы, занятые на работах по приготовлению технологических материалов, должны проходить ежедневное обслуживание (ЕО), включающее внешний контроль, уборку, тщательную мойку горячей и холодной водой и пр.

7. Ответственность за работу базы по хранению технологических материалов несет сменный мастер.

ПРИЛОЖЕНИЕ 4

РЕКОМЕНДАЦИИ ПО ПРИГОТОВЛЕНИЮ НЕСЛЕЖИВАЮЩЕЙСЯ СМЕСИ ДЛЯ ОБРАБОТКИ ДОРОЖНЫХ ПОКРЫТИЙ

1. Смесь приготавливают на специально оборудованных горизонтальных асфальтированных площадках баз.

2. Для приготовления неслеживающейся смеси к хлористому натрию необходимо добавлять хлористый кальций в порошкообразном или чешуированном виде. Количество хлористого кальция зависит от вида продукта: если хлористый кальций в порошкообразном виде, то на 1 т хлористого натрия добавляют 40-70 кг, если хлористый кальций чешуированный - 100-120 кг.

3. Перед смешиванием материал следует просеять для отделения крупных комков, затрудняющих смешивание и работу распределителей. Во избежание увлажнения хлористого кальция тару, в которой он хранится, следует вскрывать непосредственно перед приготовлением смеси. Излишки хлористого кальция следует пересыпать в плотно закрывающуюся тару.

4. Для приготовления неслеживающейся смеси хлористый натрий, доставляемый на площадку самосвалом, разгружают и разравнивают слоем высотой до 20 см. Сверху распределяют необходимое количество хлористого кальция, после чего перемешивают погрузчиком типа Д-452 или УП-66. Перемешивание происходит и при складировании в штабеля. При отсутствии указанных средств механизации смешивание производят с помощью других машин и механизмов при обеспечении тщательного перемешивания хлоридов.

5. Приготовленную для складирования неслеживающуюся смесь необходимо предохранять от попадания атмосферных осадков. Штабеля приготовленной смеси следует укрывать водонепроницаемыми материалами (толь, плотная бумага, грунт, обработанный битумом) или хранить под навесом. Норма заготовки смеси на 1000 м2 проезжей части дорог составляет 1 м3.

6. При приготовлении неслеживающейся смеси последовательно выполняют следующие технологические операции:

Операция

Машина

Транспортировка хлористого натрия на пескобазу и его разгрузка............

Автомобили-самосвалы

Подача хлористого натрия на просеивание....................................................

Погрузчик-бульдозер

Просеивание хлористого натрия......................................................................

Виброгрохот

Подача хлористого натрия на площадку смешивания..................................

Ленточный транспортер

Распределение хлористого натрия ровным слоем........................................

Бульдозер

Просеивание хлористого кальция перед смешиванием...............................

Виброгрохот

Распределение хлористого кальция................................................................

Вручную

Перемешивание солей.......................................................................................

Погрузчик

Перевозка к месту складирования...................................................................

Автомобили-самосвалы

7. Погрузку неслеживающейся смеси в распределители рекомендуется производить погрузчиками типа Д-452 и УП-66 или с использованием бункерных установок.

ПРИЛОЖЕНИЕ 5

РЕКОМЕНДАЦИИ ПО ПРИГОТОВЛЕНИЮ ПЕСКО-СОЛЯНОЙ СМЕСИ ДЛЯ ОБРАБОТКИ ДОРОЖНЫХ ПОКРЫТИЙ

1. Заготовку песка следует производить на специально оборудованных участках, имеющих твердое покрытие.

2. Для обработки дорожных покрытий используют речной песок, не имеющий илистых и глинистых включений, которые увеличивают скольжение транспорта при торможении.

В песке не должно быть крупной гальки, камней и других посторонних включений. Поэтому перед смешиванием с хлористым натрием или хлористым кальцием песок должен быть просеян на грохоте. Эта операция обеспечит безопасность работы пескоразбрасывателей в условиях интенсивного транспортного и пешеходного движения, а также предотвратит поломку механизмов пескоразбрасывателей.

3. Для приготовления песко-соляной смеси хлористые соли равномерно распределяют по слою песка высотой 50-70 см из расчета 50-120 кг солей (кристаллических) на 1 м3 песка и тщательно перемешивают погрузчиком типа Д-452.

Эту операцию повторяют до образования штабеля высотой 8-10 м. Штабеля располагают таким образом, чтобы обеспечить проезды для транспортирующих песок автомобилей, размещение механизмов и т.д.

4. Штабеля к зимнему сезону рекомендуется сверху засыпать слоем хлористых солей высотой до 50 мм.

В осенний период соль благодаря осадкам растворится и пропитает слой песка, образовав корку, которая позволит предохранить смесь от промерзания и спекания.

5. Норма заготовки песко-соляной смеси на 1000 м2 проезжей части дорог составляет 6-8 м3.

6. Последовательность операций по приготовлению песко-соляной смеси рекомендуется выполнять аналогично последовательности по приготовлению неслеживающейся смеси, приведенной в прил. 4.

ПРИЛОЖЕНИЕ 6

ТИПОВОЙ ДОГОВОР

Настоящий договор заключен между ______________________________________ именуемым в дальнейшем «Заказчик», в лице ____________________________________, действующего на основании _______________________________, с одной стороны, и спецавтохозяйством в лице директора спецавтохозяйства ________________________________, действующего на основании устава спецавтохозяйства, именуемым в дальнейшем «Исполнитель», с другой стороны, в нижеследующем:

1. «Заказчик» передает, а «Исполнитель» принимает на себя выполнение работ по регулярной вывозке с территории всех домовладений «Заказчика» по адресам согласно прилагаемому списку бытовых отходов. При этом бытовые отходы должны быть подготовлены «Заказчиком» к погрузке. Вывоз бытовых отходов «Исполнителем» производится согласно утвержденным графикам.

2. Заказчик обязуется:

а) обеспечить раздельное хранение бытовых отходов и пищевых отходов в сборниках, шлака и строительного мусора на специально отведенных местах, а также содержание в чистоте дворовых территорий, сборников отходов и площадок под ними;

б) иметь необходимое число сборников отходов для хранения бытовых отходов;

в) содержать сборники в исправном и опрятном виде; обеспечить освещение, свободный подход и подъезд к сборникам и выгребным ямам.

3. Оплата «Заказчиком» «Исполнителю» за выполнение принятых им на себя по настоящему договору работ проводится, исходя из среднемесячной накопляемости в количестве ________________________________ м3 бытовых отходов ____________________ м3 нечистот и помоев по тарифам, утвержденным:

а) за _______________ м3 твердых бытовых отходов по _______ руб. коп. за 1 м3, всего _______ руб. ____ коп.

б) за _______________ м3 жидких бытовых отходов по _______ руб. коп за 1 м3, всего _______ руб. ____ коп.

4. Указанная сумма, руб., ___________ оплачивается равными частями ежемесячно «Заказчиком» через инкассо.

5. За нарушение условий договора устанавливаются пени: для «Заказчика» за каждый день просрочки в перечислении платежей (п. 3 настоящего договора) 0,05 % от просроченной суммы.

6. Срок действия настоящего договора устанавливается с ________ по _______ 198 г.

7. Договор составлен в двух экземплярах, по одному для каждой стороны.

8. Юридические адреса сторон: «Заказчика» ___________________________ текущий счет в _________________________ отделении ______________________банка № _____________ телефон ______________ «Исполнителя» _______________________ текущий счет в отделении _______________________ банка № _____________________ телефон __________________

Подписи:                                                                                                             «Заказчик»

«Исполнитель»

ПРИЛОЖЕНИЕ 7

САНИТАРНЫЙ ПАСПОРТ ДОМОВЛАДЕНИЯ

Город _______________________________

1.               Адрес ________________________________________________________________

2.               Этажность ____________________________________________________________

3.               Ведомство или номер домоуправления ____________________________________

________________________________________________________________________

4.               Численность проживающих, чел. _________________________________________

5.               Наличие арендаторов: торговых и складских помещений, учреждений, мастерских, объектов общественного питания и др. (перечислить, какие) ______________________________________________________________________

Их основные показатели (занимаемая площадь, число мест, пропускная способность в сутки, чел., - для поликлиник или блюд - для объектов общественного питания) ________________________________________________

________________________________________________________________________

6.               Куда поступают отходы от арендаторов: в отдельно стоящие или общие с домовладениями сборники отходов _______________________________________

(подчеркнуть)

Наличие водопровода, газа, мусоропровода ________________________________

________________________________________________________________________

7.               Вид отопления (центральное, печное, местное, плита) _______________________

(подчеркнуть)

________________________________________________________________________

8.               Вид топлива: уголь (бурый, каменный, антрацит), дрова и др.

(подчеркнуть)

________________________________________________________________________

9.               Площадь дворовой территории, м2 ________________________________________

В том числе:

под зелеными насаждениями ______________________________________________

под твердым покрытием __________________________________________________

из них тротуары _________________________________________________________

10.           Тип сборников, их число и вместимость ___________________________________

_________________________________________________________________________

11.           Наличие и вместимость выгребных ям и помойниц (совмещенные или раздельные, водонепроницаемые или проницаемые, приток грунтовых вод или инфильтрация из выгреба) ______________________________________________________________

_________________________________________________________________________

12.           Наличие освещения, асфальтированной или бетонированной площадки, подъездных путей к сборникам и выгребам ___________________________________________

_________________________________________________________________________

(подчеркнуть)

13.           Периодичность вывоза твердых отходов ___________________________________

14.           Периодичность вывоза жидких бытовых отходов ____________________________

15.           Отдельный сбор пищевых отходов и вторичного сырья (каких и сколько) _______

_________________________________________________________________________

16.           Наличие домашнего скота (какого и сколько) ______________________________

17.           Наличие огорода, сада и их площадь, м2 ___________________________________

18.           Использование отходов на месте (да, нет) __________________________________

_________________________________________________________________________

Подписи

ПРИЛОЖЕНИЕ 8

МЕТОДИКА ОПРЕДЕЛЕНИЯ НОРМ НАКОПЛЕНИЯ ТВЕРДЫХ БЫТОВЫХ ОТХОДОВ

1. Методика имеет целью установить способы подготовки и проведения наблюдений при определении норм накопления твердых бытовых отходов, а также порядок обработки полученных материалов.

2. Нормы накопления определяют для жилых зданий, а также для объектов общественного назначения.

3. Основными показателями при определении норм накопления твердых бытовых отходов являются масса (г, кг), объем (л, м3), средняя плотность (т/м3).

4. Нормы накопления твердых бытовых отходов определяют отдельно для жилых домов разного уровня благоустройства:

для благоустроенных домов, имеющих газ, водопровод, канализацию, центральное отопление;

для неблагоустроенных домов, имеющих местное печное отопление, при отсутствии водопровода и канализации.

5. Для получения наиболее точных данных объекты наблюдений подбираются типичные. Сбор и замеры данных твердых бытовых отходов производят от объектов различного вида.

Жилые дома следует подбирать без арендаторов. Отходы or различных обследуемых объектов должны поступать в отдельные сборники отходов.

6. В благоустроенной жилой застройке следует подобрать не менее трех домов.

Удобнее всего определять нормы накопления, используя контейнерный мусоровоз (типа М-30). Подбирают такие благоустроенные дома, где между днями вывоза накопление твердых бытовых отходов соответствует заполнению контейнеров.

7. В неблагоустроенной застройке можно определять нормы накопления, используя как стандартные баки (100 л), так и контейнеры (750 л). Число баков должно быть не менее 10, а контейнеров - не менее 3.

8. Все объекты наблюдений обеспечивают необходимым числом сборников отходов, которые нумеруют и указывают несмываемой краской массу пустого сборника. Все данные заносят в регистрационный журнал (форма 1).

9. При проведении замеров на каждом объекте в регистрационном журнале фиксируют дату и день недели, в который производится замер, адрес, номер сборника отходов, массу порожнего и заполненного контейнеров.

10. Массу и объем накапливающихся твердых бытовых отходов определяют следующим образом.

Перед установкой контейнера на машину или перед опорожнением сборника в мусоровоз в них разравнивают поверхность отходов и мерной линейкой определяют степень его заполнения.

Массу накапливающихся твердых бытовых отходов устанавливают путем взвешивания заполненного контейнера (бака) с помощью динамометра (или напольных весов) и вычитания из полученного результата массы порожнего контейнера (бака). При взвешивании мусоровоза на автовесах из массы груженой машины вычитают массу порожней машины.

11. Норму накопления твердых бытовых отходов на 1 чел. в сутки в объемных показателях определяют делением всего объема удаляемых отходов с объектов данного вида на число расчетных единиц и дней между вывозами.

Норму накопления на 1 расчетную единицу в показателях массы (кг) определяют в том же порядке.

12. После обработки первичных материалов (форма 1) полученные данные (масса, объем, число расчетных единиц) для каждой однородной группы объектов суммируют по дням недели и заносят и сводную ведомость (форма 2).

13. Затем расчетным путем определяют среднее накопление твердых бытовых отходов на 1 день.

14. Полученные средние значения записывают в сводную годовую ведомость, после чего рассчитывают среднегодовые нормы накопления в объемных показателях и показателях массы (форма 3).

15. Делением нормы накопления по массе (кг, г) на норму накопления по объему (л, м3) получают среднюю плотность твердых бытовых отходов данного рода объектов.

16. Делением максимальной суточной величины (из формы 2) на среднегодовое суточное значение получают коэффициент неравномерности накопления твердых бытовых отходов.

Форма 1

Регистрационный журнал определения массы и объема твердых бытовых отходов при определении нормы накопления

Дата

День недели

Адрес

№ контейнеров (баков)

% заполнения

Масса, кг

порожнего* контейнера (бака)

заполненного* контейнера (бака)

твердых бытовых отходов

 

 

 

 

 

 

 

 

* При организации наблюдений с использованием всего контейнерного мусоровоза указывается масса порожней и заполненной машин.

Форма 2

Сводная ведомость (сезонная) накопления твердых бытовых отходов с ___ по ___ месяца __________________ 19____ года

Тип застройки

(род застройки)

Объект

Дни недели

Число расчетных единиц

Накопление

общее

на единицу в сутки

кг

м3

кг

м3

 

 

 

 

 

 

 

Всего:

Среднее за день

Подписи:

Форма 3

Сводная годовая ведомость накопления твердых бытовых отходов

Тип застройки ________________________________

(род объекта)

Сезон

Число расчетных единиц

Накопление

Общее

на 1 расчетную единицу в сутки

кг

м3

кг

м3

 

 

 

 

 

 

Всего:

Среднесуточное

За год

Подписи:

ПРИЛОЖЕНИЕ 9

ПРИМЕРНЫЕ ФОРМЫ МАРШРУТНЫХ ГРАФИКОВ МУСОРОВОЗОВ

«Утверждаю»

Руководитель организации

«___» _____________ 19 г.

График __________

на вывоз твердых бытовых отходов кузовным мусоровозом

Фамилия водителя

Место обезвреживания

Расстояние вывоза

п. п.

Организация

Адрес

Суточное накопление, м3

Всего

1-й рейс

1.

2.

3.

4.

5.

Итого:

Переезд на свалку и обратно

2-й рейс

1.

2.

3.

4.

5.

Итого:

Переезд на свалку и обратно

Начальник эксплуатации ________________                  Мастер ___________________

 

«Утверждаю»

Руководитель организации

«___» _____________ 19 г.

График __________

на вывоз твердых бытовых отходов контейнерной машиной

Фамилия водителя

Место обезвреживания

Расстояние вывоза

п. п.

Организация

Адрес

Суточное накопление отходов, м3

Число вывозимых контейнеров

Время вывоза

ежедневно

по четным дням

по нечетным дням

1-й рейс

1.

2.

3.

4.

5.

Итого:

Переезд на свалку и обратно

2-й рейс

1.

2.

3.

4.

5.

Итого:

Переезд на свалку и обратно

Начальник эксплуатации ________________                  Мастер ___________________

ПРИЛОЖЕНИЕ 10

ОПРЕДЕЛЕНИЕ НЕОБХОДИМОГО ЧИСЛА КОНТЕЙНЕРОВ

1. При несменяемой системе число контейнеров, подлежащих расстановке на обслуживаемом участке, определяют по формуле

,

где М - годовое накопление твердых бытовых отходов на участке; К1 - коэффициент неравномерности накопления отходов (принимается равным 1,25); П - периодичность удаления отходов; Е - вместимость контейнера.

Для определения списочного числа контейнеров полученное число должно быть умножено на коэффициент К2 = 1,05, учитывающий число контейнеров, находящихся в ремонте и резерве.

2. При контейнерной системе списочное число контейнеров определяют по формуле

,

где К3 = l + B1 / B2; В1 - число контейнеров, устанавливаемых на платформе контейнерного мусоровоза; В2 - число обслуживаемых контейнеров, расположенных в местах сбора.

Ориентировочно для определения численности жителей, обслуживаемых одним контейнером, можно воспользоваться табл. 1

Таблица 1 приложения 10. Ориентировочная численность жителей, пользующихся одним контейнером

Норма накопления отходов на 1 чел. в год, м3

Численность жителей

при ежедневном удалении

при удалении через день

0,5

400-450

200-250

0,6

350-400

170-320

0,7

300-350

150-200

0,8

250-300

130-150

ПРИЛОЖЕНИЕ 11

ОПРЕДЕЛЕНИЕ НОРМАТИВОВ ПОТРЕБНОСТИ В СПЕЦМАШИНАХ

Определение числа машин, необходимых для уборки и санитарной очистки городов, выполнялось по формулам, которые могут быть сведены к выражению

,                                                      (1)

где S- число операций, выполняемых машиной; AS - объем работ в тыс. м2 убираемой площади или в м3 удаляемого снега или отходов, который машина выполняет за сутки по S-й операции, ПS - часовая производительность машины при работе на S-й операции.

В качестве примера может быть приведена формула для определения потребности в снегопогрузчиках:

,                                                       (2)

где F - убираемая площадь; k - коэффициент, учитывающий долю площади, обслуживаемой рассматриваемым видом погрузчика; h - расчетная высота слоя снега; λ - число часов работы в сутки; τ - число дней уборки, назначенное в зависимости от величины и от категории улиц; Ку - коэффициент уплотнения; Кв - коэффициент выпуска машин на линию; Кг - коэффициент готовности; П - производительность машины.

Как видно из формул (1) и (2), значения потребности в машинах зависят от коэффициента готовности парка Кг и коэффициента выпуска машин на линию Кв. При определении производительности машин необходимо учитывать коэффициент использования рабочего времени. Значения этих коэффициентов принимались в соответствии с «Правилами технической эксплуатации специальных машин для уборки и очистки городских территорий». В соответствии с этими данными коэффициент технической готовности парка Кг принят равным 0,85. Коэффициент выпуска машин на линию Кв служит для характеристики численного количества машин, ежедневно работающих на линии. Коэффициент использования рабочего времени Ки служит для оценки степени загрузки машин, находящихся на линии. Значения этих коэффициентов приведены в табл. 2.

Таблица 2. Значения коэффициента выпуска машин на линию Кв и коэффициента использования рабочего времени Ки

Наименование машины

Кв

Ки

Поливочные машины

0,82

0,83

Подметально-уборочные машины

0,7

0,8

Песко(хлоридо)разбрасыватели

0,8

0,85

Снегопогрузчики

0,7

0,8

Роторные снегоочистители

0,5

0,75

Скалыватели

 

0,75

Кузовные мусоровозы

0,75

0,85

Контейнерные мусоровозы

0,8

0,85

Ассенизационные машины

0,8

0,81

В табл. 3, 4 даны нормативы потребности в спецмашинах в соответствии с объемами работ, предусмотренными современной технологией уборки и санитарной очистки, а также в соответствии с различными климатическими условиями.


Таблица 3. Нормативы потребности в спецмашинах для уборки улиц городов РСФСР (на 1 млн. м2 для конкретного города)

Наименование машины

Районы РСФСР

Северо-Западный

Центральный

Волго-Вятский

Центрально-Черноземный

Поволжский

Северокавказский

Уральский

Западно-Сибирский

Восточно-Сибирский

Дальневосточный

Прибалтийские

Поливомоечные

15

15

15

16

15

16

15

15

16

16

16

Подметально-уборочные

17

17

17

17

16

19

16

16

16

18

18

Плужно-щеточные снегоочистители (оборудование)*

21

21

21

21

21

10

23

25

23

24

21

Роторные снегоочистители

6

6

6

6

6

2

7

7

7

6

5

Снегопогрузчики

11

9

9

10

5

4

11

10

11

10

7

Распределители технологических материалов**

19

18

17

19

21

17

20

20

20

17

18

Скалыватели-рыхлители

3

3

2

3

3

2

2

3

3

3

3

* Плужно-щеточное оборудование монтируется на поливомоечные машины, на скалыватели-рыхлители и частично на распределители технологических материалов.

** Норматив рассчитан для случая распределения песко-соляной смеси.

Таблица 4. Нормативы потребности в спецмашинах для санитарной очистки домовладений РСФСР (на 100000 жителей для конкретного города)

Наименование машины

Районы РСФСР

Северо-Западный

Центральный

Волго-Вятский

Центральноерноземный

Поволжский

Северокавказский

Уральский

Западно-Сибирский

Восточно-Сибирский

Дальневосточный

Прибалтийский

Мусоровозы

15

16

16

15

16

15

15

16

15

15

15

Ассенизационные машины

20

21

20

21

20

21

21

20

21

21

20


СОДЕРЖАНИЕ

Предисловие. 1

1. Общие положения. 2

2. Механизированная уборка городских дорог. 3

2.1. Организация работ. 3

2.2. Летняя уборка дорожных покрытий. 5

2.3. Зимняя уборка дорожных покрытий. 8

2.4. Особенности уборки городских дорог в условиях северной климатической зоны.. 15

3. Сбор и удаление бытовых отходов. 17

3.1. Организация работ. 17

3.2. Состав и количество бытовых отходов. 18

3.3. Периодичность обслуживания и маршруты работы спецавтотранспорта. 19

3.4. Системы сбора и удаления бытовых отходов. 20

3.5. Система сменяемых контейнеров (контейнерная система) 21

3.6. Система несменяемых сборников. 22

3.7. Сбор и удаление отходов из неканализованных домовладений. 22

4. Основные принципы организации обезвреживания бытовых отходов. 24

Приложение 1 Паспортизация городских улиц. 25

Приложение 2 Сооружения для складирования снега. 25

Приложение 3 Базы для приготовления и складирования технологических материалов. 26

Приложение 4 Рекомендации по приготовлению неслеживающейся смеси для обработки дорожных покрытий. 26

Приложение 5 Рекомендации по приготовлению песко-соляной смеси для обработки дорожных покрытий. 27

Приложение 6 Типовой договор. 27

Приложение 7 Санитарный паспорт домовладения. 28

Приложение 8 Методика определения норм накопления твердых бытовых отходов. 29

Приложение 9 Примерные формы маршрутных графиков мусоровозов. 31

Приложение 10 Определение необходимого числа контейнеров. 32

Приложение 11 Определение нормативов потребности в спецмашинах. 33

 

 




ГОСТЫ, СТРОИТЕЛЬНЫЕ и ТЕХНИЧЕСКИЕ НОРМАТИВЫ.
Некоммерческая онлайн система, содержащая все Российские Госты, национальные Стандарты и нормативы.
В Системе содержится более 150000 файлов нормативно-технической документации, действующей на территории РФ.
Система предназначена для широкого круга инженерно-технических специалистов.

Рейтинг@Mail.ru Яндекс цитирования

Copyright © www.gostrf.com, 2008 - 2026