Крупнейшая бесплатная информационно-справочная система онлайн доступа к полному собранию технических нормативно-правовых актов РФ. Огромная база технических нормативов (более 150 тысяч документов) и полное собрание национальных стандартов, аутентичное официальной базе Госстандарта. GOSTRF.com - это более 1 Терабайта бесплатной технической информации для всех пользователей интернета. Все электронные копии представленных здесь документов могут распространяться без каких-либо ограничений. Поощряется распространение информации с этого сайта на любых других ресурсах. Каждый человек имеет право на неограниченный доступ к этим документам! Каждый человек имеет право на знание требований, изложенных в данных нормативно-правовых актах!

  


 

ОРДЕНА ТРУДОВОГО КРАСНОГО ЗНАМЕНИ
АКАДЕМИЯ КОММУНАЛЬНОГО ХОЗЯЙСТВА им. К.Д. ПАМФИЛОВА

Утверждено

ПО «Роскоммунэнерго»

21 декабря 1989 г.

ИНСТРУКЦИЯ
ПО РЕЖИМАМ РАБОТЫ СИСТЕМ ТЕПЛОСНАБЖЕНИЯ
ОТ КОТЕЛЬНЫХ С АВТОМАТИЗИРОВАННЫМИ
ИНДИВИДУАЛЬНЫМИ ТЕПЛОВЫМИ ПУНКТАМИ

Сектор научно-технической информации АКХ

Москва 1990

Освещены режимы работы систем теплоснабжения жилого сектора от котельных с индивидуальными тепловыми пунктами (ИТП), оборудованными средствами автоматизации регулирования отпуска теплоты на отопление и горячее водоснабжение. Содержатся указания по выбору рациональных режимов работы и совершенствованию управления для всех звеньев системы: теплоисточника, тепловых сетей и тепловых пунктов жилых зданий - при переменных режимах в тепловой сети, обусловленных функционированием комплексной автоматизации системы. Внедрение указанных режимов обеспечит получение максимально возможной экономии ТЭР от автоматизации без нарушения теплоснабжения зданий.

Инструкция разработана отделом энерготеплоснабжения АКХ им. К.Д. Памфилова (ст. науч. сотр. В.С. Фаликов) и предназначена для использования теплоэнергетическими предприятиями и наладочными организациями при внедрении комплексной автоматизации систем теплоснабжения.

I. ОБЩАЯ ЧАСТЬ

1. Областью применения настоящей инструкции являются системы теплоснабжения жилого сектора от котельных с индивидуальными тепловыми пунктами (ИТП), в которых установлены автоматические регуляторы отпуска теплоты местным системам теплопотребления (отопление, горячее водоснабжение).

2. Применение автоматического регулирования отпуска теплоты в тепловых пунктах зданий является одним из эффективных путей энергосбережения и повышения комфортности в отапливаемых помещениях.

В последние годы все больше применяются средства автоматического регулирования для систем отопления и горячего водоснабжения (ГВС) зданий в центральных (ЦТП) и индивидуальных (ИТП) тепловых пунктах. В ряде городов уже в течение нескольких лет эксплуатируются комплексы автоматических регуляторов в котельных и тепловых пунктах зданий. Комплексная автоматизация отпуска теплоты в системах теплоснабжения различной структуры реализована в Москве (система районного теплоснабжения с ЦТП), Черкесске (то же с ИТП), Челябинске (то же с ЦТП и ИТП). В таких системах экономия энергоресурсов достигает 10 % годового их расхода.

3. Функционирование в системах теплоснабжения с автоматизированными тепловыми пунктами средств регулирования теплопотребляющих систем приводит к переменному режиму работы всех звеньев системы - тепловых пунктов, тепловых сетей, теплоисточника: изменяются расходы сетевой воды у потребителей и соответственно с этим изменяются напоры в подающем и обратном трубопроводах у потребителей и в тепловых сетях, температура обратной воды. Вследствие этого возможны нарушения в теплоснабжении потребителей (опорожнение систем отопления, разрушение нагревательных приборов повышенным давлением), ухудшение работы узла поддержания температуры воды на входе в котел из-за возможного отсутствия требуемого рециркуляционного расхода воды.

С другой стороны, наличие авторегуляторов отопления и ГВС во всех тепловых пунктах позволяет использовать экономичные графики температур воды в сетях, обеспечивающие снижение затрат электроэнергии на перекачку теплоносителя, улучшение условий работы тепловой изоляции трубопроводов сетей и снижение их коррозионной повреждаемости.

Поэтому определение наиболее рациональных режимов работы системы теплоснабжения с автоматизированными тепловыми пунктами является весьма актуальной задачей, решение которой обеспечит экономию энергоресурсов от автоматизации отпуска теплоты без нарушения работы потребителей, сетей и теплоисточника.

4. Рассматриваемые в настоящей работе системы теплоснабжения с ИТП обладают рядом особенностей, влияющих на выбор рациональных режимов работы этих систем: во-первых, в таких системах большое количество ИТП (от сотен до нескольких тысяч); во-вторых, в ряде типов систем теплоснабжения ИТП могут применяться совместно с ЦТП. Многочисленность ИТП обусловливает необходимость учета динамики роста нагрузки системы теплоснабжения и возможность частичной (не сплошной) автоматизации ИТП. Различные структуры распределительных сетей (с ЦТП и без них) требуют при выборе режимов работы ИТП учета режима работы автоматизированных ЦТП.

5. В настоящей инструкции приведены указания по определению рациональных режимов тех устройств и регулирующих средств теплоисточника, тепловых сетей и тепловых пунктов, работа которых зависит от функционирования авторегуляторов в тепловых пунктах. К таким средствам относятся регуляторы отпуска теплоты в ИТП, устройство подпитки в сеть, регуляторы отпуска теплоты и узел рециркуляции в котельной. Остальные устройства и регуляторы (химводоподготовка, узлы горелок котлов и др.), работа которых не зависит от характера работы авторегуляторов в ИТП, инструкцией не рассматриваются; режимы работы этих устройств сохраняются без изменений.

II. РЕЖИМЫ РАБОТЫ И СХЕМЫ АВТОМАТИЗИРОВАННЫХ ИТП

Рациональные режимы автоматического регулирования отпуска теплоты в ИТП

6. Структура автоматического регулирования отпуска теплоты зданиям при указанных в прил. 1 структурах распределительных тепловых сетей зависит от количества и типа ступеней регулирования (местное общедомовое, местное пофасадное - в ИТП, групповое регулирование в ЦТП) и от типы системы автоматического регулирования («по возмущению», «по отклонению», «комбинированная»).

Согласно «Основным положениям по комплексной автоматизации систем теплоснабжения городов» [2], структуру системы регулировании отпуска теплоты в ИТП следует принимать в соответствии с данными, приведенными в табл. 1. В тех структурах сетей, где имеются и ЦТП и ИТП, систему автоматического регулирования в ИТП принимать с учетом того, что в ЦТП применяется групповое регулирование «по возмущению».

7. Для реализации регулирования отпуска теплоты по данным табл. 1 следует задать регуляторам рациональный режим регулирования. Рациональным режимом регулирования отпуска теплоты зданию в ИТП следует считать режим, при котором здание получает требуемое при данных метеоусловиях количество теплоты, обеспечивающее комфортную температуру воздуха в представительных отапливаемых помещениях здания.

Таблица 1

Ступени автоматического регулирования в тепловых пунктах
(при отсутствии индивидуального регулирования)

Тип структуры тепловых сетей

Место размещения установки ГВС

Ступени и системы автоматического регулирования отпуска теплоты в ИТП

Наличие пофасадного разделения системы отопления ( ≥ 1000 ГДж)

Есть

Нет

Двухтрубная без ЦТП

ИТП

Местное пофасадное комбинированное

Местное общедомовое по возмущению (или комбинированное)*

Четырехтрубная с ЦТП

ЦТП

Местное пофасадное по отклонению (или комбинированное**). (В ЦТП - групповое по возмущению)

Местное общедомовое комбинированное**. (В ЦТП - групповое по возмущению или комбинированное*)

Двухтрубная с ЦТП со смесительными насосами

ИТП

Местное пофасадное комбинированное. (В ЦТП - групповое по возмущению)

Местное общедомовое по возмущению (или комбинированное*). (В ЦТП - групповое по возмущению)

*При обосновании возможности выбора представительных помещений и прокладки линий связи от регулятора к датчикам в помещениях или вентиляционных каналах здания.

**При обосновании существенного отличия требуемого режима местного регулирования в данном ИТП от режима группового регулирования в ЦТП.

8. Наиболее полно удовлетворяет этим требованиям комбинированное пофасадное регулирование, т.е. регулирование отпуска теплоты на отопление помещений каждого фасада в зависимости от температуры наружного воздуха с коррекцией по усредненной внутренней температуре в помещениях фасадов здания. Решают подобную задачу регуляторы отопления и элеваторы регулируемые на базе регулирующих приборов типа ЭРТ-1 (ЭРТ-2), Т48М2 (Т48М5), Теплар-110. При этом регулирование «по возмущению» следует реализовать заданием регулятору линейного или нелинейного (для Теплар) графика температуры воды на отопление, наиболее близкого к графику 95/70 °С или 105/70 °С (в зависимости от расчетных параметров системы отопления), построенное по известным таблицам, приведенным в справочной литературе [1]. Наличие в указанных приборах коррекции по внутренней температуре обеспечит максимальное приближение фактического графика температур воды к требуемому, учитывавшему усредненное значение внутренних теплопоступлений.

9. В том случае, если осуществить коррекцию не представляется возможным (вследствие затруднений в прокладке линий связи и выборе представительных помещений), следует применять общедомовое регулирование «по возмущению» с использованием регулирующего прибора РС29.2.33, обеспечивающего поддержание нелинейного графика температур воды, достаточно близкого к требуемому графику на всем диапазоне наружных температур. При этом необходимо контролировать обратную температуру воды из системы отопления или внутреннюю температуру в помещениях и сравнивать их с табличными или комфортными значениями. Если фактическая температура обратной воды или внутренняя температура выше указанных значений, что свидетельствует о наличии избыточных внутренних теплопоступлений в здание, то регулятору задают более низкий график температур воды в подающем трубопроводе.

Определение параметров настройки регуляторов для реализации принятых режимов регулирования

10. Задаваемый регуляторам температурный график следует находить графически путем совмещения статической характеристики регулятора с требуемым графиком температур воды. Это совмещение проводится таким образом, чтобы статическая характеристика была бы секущей к требуемому графику в переходном периоде отопительного сезона (с отклонением секущей от графика не более чем на 0,5 °С). Статическая характеристика регулятора представляет собой уравнение статики, связывающее переменные значения сигналов от датчиков температуры и постоянные (фиксированные) значения сигналов от задатчиков регулятора. После определения рациональной статической характеристики следует найти значения соответствующих задатчиков, которые устанавливают при настройке регулятора на требуемый режим регулирования. Последний следует определять с учетом внутренних теплопоступлений по рекомендациям ЦНИИЭП ИО [8] и МНИИТЭП [3].

Графическое определение параметров настройки регуляторов следует осуществлять по методике, приведенной в прил. 2.

Гидравлические режимы работы автоматизированных ИТП

11. Рациональным гидравлическим режимом работы ИТП следует считать режим нормальной роботы теплопотребляющих местных систем. Для нормальной работы потребителей теплоты необходимо соблюдать определенное соответствие параметров гидравлического режима тепловой сети на вводе ИТП требуемым (расчетным) параметрам гидравлического режима местных систем:

в динамическом режиме - Но > hм.з, Ро < Рд для залива местных систем без разрушения приборов; ΔН > Δhp для возможности подачи расчетного расхода сетевой воды в местную систему;

в статическом режиме - Нст > hм.з, Рст < Рд для залива местных систем без разрушения нагревательных приборов (обозначение параметров см. в примеч. к табл. 2).

12. Если такие условия имеют место для данных потребителей, то в схемы их ИТП и схемы их автоматизации не вводятся какие-либо дополнительные элементы. Режимы работы ИТП определяются режимами регулирования отпуска теплоты согласно требованиям п. 6 - 9 и гидравлическим режимам тепловой сети на вводе ИТП.

13. Если указанные выше условия для ИТП не соблюдены, то в зависимости от характера отклонения гидравлического режима тепловой сети в схему ИТП и схему его автоматизации вводятся дополнительные элементы в соответствии с данными табл. 2. Рациональный гидравлический режим работы ИТП реализуется заданием гидравлическим регуляторам определенных значений параметров регулирования, которые следует рассчитывать по формулам, представленным в табл. 2 (гр. 4).

Таблица 2

Средства и параметры регулирования режимов работы ИТП при отклонениях режимов тепловой сети от требуемых для нормальной работы потребителей

Характер отклонения параметров режимов тепловой сети

Мероприятия по обеспечению нормальной работы ИТП

Условия отклонения

Возможные последствия (нарушения)

Устанавливаемые средства автоматизации и оборудование для регулирования гидравлических режимов

Параметры регулирования, задаваемые регуляторам

Но < hм.з
Нст < hм.з

Нет залива местной системы, ее опорожнение

Регулятор подпора на обратной линии и обратный клапан на подающей линии

Ррег = Рст + (0,03 ÷ 0,08)

Ро > Рд
Рст
> Рд

Разрушение нагревательных приборов

Подкачивающие насосы с регулятором подпора на обратной линии и регулятор рассечки на подающей линии, срабатывающий при аварийном останове подкачивающих насосов

Ррег = Рст.м + (0,03 ÷ 0,08) ≤ Рд

ΔН < Δhp

Не обеспечен требуемый расход воды в местной системе

Подкачивающие насосы на обратной (или подающей) линии или замена элеваторного смешения на насосное

 

Ро > Рд
Нп
-
Δhp < hм.з
Рст > Рд

Разрушение нагревательных приборов, нет подачи воды к верхним точкам местной системы

Независимое присоединение местных систем через водонагреватель с регулятором давления «после себя» (и с подпиточными насосами при недостаточном давлении для залива местной системы) на линии подпитки

Ррег = Рст.м + (0,03 ÷ 0,08)

Примечание: hм.з - напор, необходимый для залива местных систем отопления, м; Нп, Но (Ро) - напоры (давление) в подающей и обратной линиях тепловой сети (в динамическом режиме, м (МПа); Нст (Рст) - напор (давление) в системе теплоснабжения при останове сетевых насосов на теплоисточнике (в статическом режиме), м (МПа); Рд - давление воды, допустимое для нагревательных приборов систем отопления, вентиляции, МПа; ΔН - располагаемый напор на входе ИТП, м; Δhp - располагаемый напор, необходимый для преодоления гидравлического сопротивления местных систем, м; Ррег - давление, задаваемое регуляторам давления (подпора), МПа; Рст.м - давление в местной системе в статическом режиме при независимом присоединении, МПа.

Схемы автоматизированных ИТП и особенности их проектирования и эксплуатации

14. Проекты автоматизированных ИТП зданий, присоединенных к тепловой сети без ЦТП, и ИТП зданий с пофасадным разделением систем отопления следует выполнять в соответствии с типовыми материалами для проектирования «Автоматизированные индивидуальные тепловые пункты для жилых и общественных зданий»: № 903-04-42.86 - для систем отопления с циркуляционными насосами и № 903-4-43.86 - для систем отопления с гидроэлеваторами. Проекты ИТП зданий, присоединенных к тепловой сети с автоматизированными ЦТП и не имеющих регуляторов отпуска теплоты на отопление, следует выполнять в соответствии с типовыми материалами для проектирования «Индивидуальные тепловые пункты для жилых, общественных, административно-бытовых и производственных зданий с суммарной годовой нагрузкой систем отопления до 1000 ГДж (240 Гкал)» № А17-88 (1988 г.).

15. При новом строительстве и реконструкции тепловых сетей выбор рациональной схемы присоединения водонагревателя горячего водоснабжения в автоматизированных ИТП следует производить согласно СНиП 2.04.07-86 в зависимости от следующих факторов:

отношения максимального часового расхода теплоты на горячее водоснабжение к максимальному (расчетному) часовому расходу теплоты на отопление для данного ТП ρм;

принятого в тепловых сетях графика центрального регулирования отпуска теплоты;

связанного с принятым графиком способа подачи теплоты теплопотребляющим системам (со связанным регулированием установок отопления и ГВС с использованием аккумулирующей способности зданий или с несвязанным регулированием без такого использования);

тепловой мощности системы теплоснабжения (источника теплоты);

наличия в ТП бака-аккумулятора системы горячего водоснабжения;

характера режима водопотребления в зданиях (непрерывный, периодический).

16. При выборе схемы присоединения водонагревателя ГВС следует учитывать ограничения на их применение, вызванные наличием средств регулирования отпуска теплоты на отопление, обусловливающих переменный расход сетевой воды на отопление:

не следует применять двухступенчатую последовательную схему, так как изменение (уменьшение) расхода воды в результате работы регулятора отопления приведет к уменьшению расхода воды через вторую ступень водонагревателя ГВС и, следовательно, к недогреву воды на горячее водоснабжение;

не следует применять смешанную схему с ограничением максимального расхода сетевой воды на входе ИТП при наличии автоматизированного элеватора с регулируемым коэффициентом смешения, так как при прохождении пика нагрузки ГВС, когда из-за наличия ограничения расхода сетевой воды расход смешанной воды на отопление может уменьшиться до недопустимой величины, на которую большинство типов систем отопления зданий не рассчитано.

17. С учетом указанных ограничений и согласно СНиП 2.04.07-86 ниже определены рациональные области применения рассматриваемых схем при теплоснабжении зданий от котельных без ЦТП.

Для закрытых систем теплоснабжения мощностью более 35 МВт, в которых имеются условия для принятия в качестве расчетного повышенного температурного графика центрального регулирования по совмещенной нагрузке отопления и горячего водоснабжения (рис. 1, кривая 2), выбирают следующие схемы:

при 0,2 ρм 1 и отсутствии бака-аккумулятора системы ГВС - смешанную с ограничением максимального расхода сетевой воды на ИТП при присоединении системы отопления через насос или водонагреватель и смешанную (без ограничения расхода) при присоединении системы отопления через элеватор;

при 0,2 ρм 1 и наличии бака-аккумулятора - смешанную (без ограничения расхода);

при ρм < 0,2 и ρм > 1, а также при прерывном характере водопотребления - параллельную.

Повышенный график рассчитывается с учетом значения отношения среднечасовой нагрузки ГВС к расчетной нагрузке отопления ρср = ρт, являющегося типовым для данной системы теплоснабжения.

Для закрытых систем теплоснабжения мощностью более 35 МВт, в которых в качестве расчетного принят отопительный температурный график центрального регулирования (см. рис. 1, кривая 3), выбирают следующие схемы:

при 0,2 ρм 1 - смешанную (без ограничения);

при ρм 0,2 и ρм > 1, а также при прерывном характере водопотребления - параллельную.

Для закрытых систем теплоснабжения мощностью 35 МВт и менее выбирают параллельную схему.

Для открытых систем теплоснабжения в качестве расчетного принимают скорректированный температурный график центрального регулирования, а присоединение смесительного устройства в ИТП осуществляют по схеме с непосредственным водоразбором.

Рис. 1. Температурные графики центрального регулирования отпуска теплоты при автоматизации ИТП:

1 - ступенчатый при постоянной температуре; 2 - качественного регулирования по совмещенной нагрузке отопления и горячего водоснабжения района теплоснабжения; 3 - качественного регулирования по нагрузке отопления, ограниченный наименьшей температурой, необходимой для подогрева воды, поступающей в системы ГВС.

18. При существующих тепловых сетях и дооборудовании ИТП средствами автоматического регулирования отпуска теплоты следует учитывать существующие диаметры трубопроводов тепловых сетей и параметры сетевых насосов в котельной, увеличение которых связано со значительными капитальными затратами. Поэтому схема присоединения водонагревателя ГВС должна быть принята такой, чтобы расчетный расход сетевой воды на ИТП не превышал расчетного расхода воды, который был до дооборудования.

Превышение расчетного расхода воды, как правило, будет иметь место также при наиболее распространенных ИТП с отношением нагрузок 0,2 ρм 1, без бака-аккумулятора и с элеваторным присоединением систем отопления, если, согласно п. 17, будет применена смешанная схема (без ограничения), при которой в расчетном расходе воды учитывается максимально часовая нагрузка ГВС. При указанных условиях в неавтоматизированном ИТП проектируется двухступенчатая последовательная схема, обеспечивающая расчетный расход воды, близкий к расчетному отопительному расходу (при повышенном графике температур на теплоисточнике). Но эта схема, как указано выше, неработоспособна в сочетании с автоматизированным элеватором.

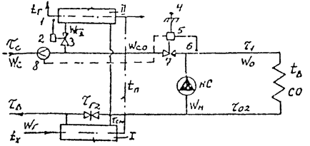
19. Поэтому для рассматриваемых условий следует применять последовательно-смешанную схему с переключением выхода второй ступени водонагревателя ГВС с подающего трубопровода на обратный (рис. 2). Переключение производится трехходовым клапаном 5 по импульсу от датчика температуры наружного воздуха 7.

Режимы работы ИТП с такой схемой следующие: в холодный период отопительного сезона, включая точку излома графика температур, импульс от датчика температуры наружного воздуха 7 таков, что трехходовой клапан 5 находится в положении «а», когда водонагреватель ГВС включен по последовательной схеме, а элеватор 9 открыт полностью и отключен от своего регулятора 8. При этом имеет место только центральное регулирование отпуска теплоты при постоянном расходе сетевой воды на отопление, близком к расчетному отопительному расходу. В переходный период сезона по импульсу от датчика температуры наружного воздуха 7 трехходовой клапан 5 переключается в положение «б», отчего водонагреватель ГВС включается по смешанной схеме, и к элеватору 9 подключается его регулятор 8. При этом осуществляется местное регулирование отпуска теплоты на отопление здания, независимое от работы регулятора температуры воды ГВ 2. Для условий Москвы переключение производится при tн = 3 ÷ 3,5 °С, при которой суммарный расход сетевой воды не превышает расчетного отопительного расхода. Аналогичная схема с переключением для ЦТП [5] апробирована в Москве на предприятии № 3 Мостеплоэнергогаз.

Рис. 2. Схема автоматизации ИТП с элеваторным присоединением системы отопления и последовательно-смешанным присоединением водонагревателей ГВС:

1 - грязевик; 2 - регулятор температуры ГВ; 3 - водонагреватель II ступени; 4 - регулятор расхода воды; 5 - трехходовой переключающий клапан; 6 - насос; 7 - датчик температуры наружного воздуха; 8 - регулятор отпуска теплоты на отопление; 9 - элеватор с регулируемым сечением сопла; 10 - водонагреватель I ступени; 11 - водомер; 12 - теплосчетчик.

20. Для других условий работы ИТП (см. п. 15) указанного выше противоречия не возникает, поэтому и для существующих тепловых сетей следует применять схемы водонагревателя ГВС, рекомендуемые в п. 15.

Для ИТП при их реконструкции или дооборудовании средствами автоматизации отпуска теплоты рекомендуется использовать схемы, приведенные в работе [4].

Определение расчетных расходов воды и параметров режимов работы автоматизированных ИТП

21. Расчетные расходы сетевой воды и параметры режимов работы автоматизированных ИТП необходимо определять с целью проведения расчетов гидравлических режимов тепловых сетей и тепловой схемы теплоисточника, выявления эффективности работы ИТП.

Для ИТП со смешанной (без ограничения расхода), последовательной и параллельной схем присоединения водонагревателя ГВС расчетные расходы и параметры режимов определяются по известным методикам [1, 9].

Для НТЛ со смешанной схемой с ограничением расхода искомые параметры рекомендуется определять по алгоритму, разработанному АКХ им. К.Д. Памфилова [11] и представленному в прил. 4. Предлагаемый алгоритм расчета может быть использован при применении программируемых микрокалькуляторов типа МК-54, МК-56 и др., которые не требуют для программирования специальной подготовки и могут быть использованы в любой обстановке при проектировании, в процессе наладки, в условиях эксплуатации. Данный алгоритм может быть приспособлен для расчета искомых параметров других схем - смешанной (без ограничения расхода) и параллельной.

22. Расчеты, выполненные по указанному алгоритму, показывают, что при переводе ИТП с последовательной на смешанную схему с ограничением расхода расчетный расход сетевой воды следует принимать равным , где  - расчетный отопительный расход [11]. Расчетный расход сетевой воды для ИТП с последовательно-смешанной схемой (см. рис. 2) принимается таким же, как для двухступенчатой последовательной схемы.

III. РАЦИОНАЛЬНЫЕ РЕЖИМЫ РАБОТЫ КОТЕЛЬНОЙ И ТЕПЛОВЫХ СЕТЕЙ С АВТОМАТИЗИРОВАННЫМИ ИТП

Режимы работы устройства подпитки тепловой сети

23. С целью устранения возможности опорожнения отопительных систем зданий (при снижении расхода воды в тепловой сети, вызванном работой автоматизированных ИТП - прил. 3) в котельной следует применять приведенные ниже режимы работы устройства подпитки тепловой сети:

1) при коэффициенте гидравлической устойчивости тепловой сети K больше предельного его значения Kпред:

значение давления в обратном трубопроводе в котельной, поддерживаемого одноимпульсным регулятором подпитки (рис. 3, поз. 1, 2), увеличить путем изменения параметра настройки этого регулятора на величину , где  - потери напора в тепловой сети, м; при этом регулятор подпитки работает с фиксированным значением настройки;

2) при коэффициенте гидравлической устойчивости тепловой сети K меньше предельного его значения Kпред:

устройство подпитки тепловой сети оборудовать двухимпульсным регулятором (см. рис. 3, поз. 1, 2, 3); при этом регулятор подпитки работает с переменным режимом настройки давления при изменении расхода сетевой воды Gc: от начального значения давления Но при  (расчетное значение) до давления, равного статическому напору Нст при Gc = 0 (см. прил. 3).

Рис. 3. Автоматизация подпитки тепловой сети в котельной (варианты):

1, 2 - регулятор давления подпитки (одноимпульсный) с одним датчиком давления Нп (вариант с фиксированным режимом настройки); 1, 2, 3 - то же, двухимпульсный с двумя датчиками - давления Нп и расхода Gc (вариант с переменным режимом настройки); ПН - подпиточный насос; СН - сетевой насос.

24. Коэффициент гидравлической устойчивости тепловой сети K определяется по формуле (1) прил. 3. Значение Kпред находится по табл. 3 в зависимости от располагаемого напора на абоненте Δha и статического напора Нст.

Таблица 3

Значения Kпред для выбора режима работы устройства подпитки сети (допустимое давление для отопительных приборов Рд = 0,06 МПа, удельный вес воды γ = 1000 кг/м3)

Нст, м

Kпред при Δha (м)

10

15

20

25

30

0,37

0,45

0,5

0,54

40

0,45

0,52

0,57

0,62

50

0,57

0,66

0,71

0,75

25. Необходимость установки регуляторов подпора в тепловых пунктах конкретных зданий следует определять по данным табл. 2. При этом условие Но > hм.з проверяется путем построения ряда пьезометрических графиков тепловой сети при различных значениях расхода сетевой воды на тепловой пункт.

Режимы отпуска теплоты из котельной

26. Рациональный (по минимуму эксплуатационных затрат) температурный график регулирования отпуска теплоты из котельной следует принимать в зависимости от фактической степени загрузки системы теплоснабжения, типового отношения нагрузок ГВС и отопления ρт, степени охвата ИТП автоматизацией систем теплопотребления, преимущественной схемы присоединения систем отопления и структуры распределительных тепловых сетей. Перепад давлений сетевой воды на выходе котельной следует поддерживать согласно работе [2].

27. При двухтрубных тепловых сетях с ИТП (без ЦТП) графики температур принимают к реализации согласно табл. 4.

28. При двухтрубных сетях с ЦТП (узлами распределения с насосами смешения) и ИТП и 100 %-ном охвате ЦТП (узлов распределения) автоматизацией регулирования отпуска теплоты в распределительную сеть принимают к реализации ступенчатый температурный график (см. рис. 1, кривая 1). При этом средства автоматизации в ЦТП должны настраиваться на поддержание в распределительной сети отопительного или повышенного графиков согласно СНиП 2.04.07-86 (п. 4.6).

Таблица 4

Рациональные температурные графики отпуска теплоты из котельной при двухтрубных сетях с ИТП (без ЦТП)

Фактическая степень загрузки системы теплоснабжения

Рекомендуемые графики температур воды на котельной (см. рис. 1)

при 100 %-ном охвате ИТП автоматизацией

при охвате ИТП автоматизацией менее 100 %

насосное и независимое присоединение систем отопления

элеваторное присоединение систем отопления

независимо от схемы присоединения систем отопления

100 % (проектная)

Ступенчатый при постоянной температуре

Отопительный или повышенный в зависимости от ρт, согласно СНиП 2.04.07-86

До 70 %

Отопительный

Режимы работы узла рециркуляции в котельной

29. С целью обеспечения требуемой температуры воды на входе в котлы при снижении расхода сетевой воды и снижении температуры обратной воды, вызванных работой автоматизированных ИТП, особенно в начале или конце отопительного сезона при снижении тепловой нагрузки (см. прил. 3), следует в котельной осуществить приведенные ниже режимы:

1) поддерживать температуру воды на выходе котла постоянной на уровне не ниже 130 °С;

2) если производительности одного рециркуляционного насоса (или группы двух последовательно включенных насосов) недостаточно, то следует включить в параллельную работу два насоса (или две группы последовательно включенных насосов), обеспечив тем самым требуемое увеличение рециркуляционного расхода.

ПРИЛОЖЕНИЯ

ПРИЛОЖЕНИЕ 1

ТИПЫ ИТП И ЗАДАЧИ ИХ АВТОМАТИЗАЦИИ

1. Типы индивидуальных тепловых пунктов

Тип ИТП определяется объемом решаемых задач. Задачами ИТП в общем случае являются:

преобразование параметров теплоносителя или его вида;

распределение расхода теплоносителя по системам потребления теплоты;

регулирование отпуска теплоты теплопотребляющим системам;

заполнение, подпитка теплопотребляющих систем;

аккумулирование горячей воды;

водоподготовка для систем горячего водоснабжения (ГВС);

защита систем потребления теплоты от опорожнения и аварийного повышения параметров теплоносителя;

контроль параметров теплоносителей;

учет расхода теплоты и теплоносителя.

ИТП в зависимости от назначения может осуществлять все перечисленные функции или только их часть. Тип ИТП, состав оборудования и задачи его существенно зависят прежде всего от того, имеются ли в системе теплоснабжения центральные (групповые) тепловые пункты (ЦТП) или ЦТП отсутствуют, т.е. зависят от структуры распределительных тепловых сетей.

В современных системах теплоснабжения с двухтрубными магистральными сетями получили распространение следующие структуры распределительных тепловых сетей:

двухтрубная (без ЦТП) с ИТП, содержащими подготовительную установку горячего водоснабжения (ГВС);

четырехтрубная с ЦТП, содержащими подготовительную установку ГВС, и ИТП без такой установки;

двухтрубная с ЦТП, содержащими смесительные насосы, и ИТП, содержащими подготовительную установку ГВС.

Каждая из таких структур имеет свои достоинства и недостатки и отличается друг от друга задачами, решаемыми отдельными ее элементами - тепловыми пунктами (ЦТП, ИТП). В этих структурах различие задач ИТП определяется прежде всего наличием или отсутствием установок ГВС.

2. Задачи автоматизации ИТП

Задачи автоматизации ИТП определяются задачами, решаемыми тепловым пунктом. Для ИТП с подогревательной установкой горячего водоснабжения задачами автоматизации регулирования и управления в общем случае являются:

регулирование отпуска теплоты на отопление и вентиляцию здания;

регулирование температуры воды на горячее водоснабжение;

регулирование гидравлического режима работы и защита теплопотребляющих систем путем регулирования давления в обратном трубопроводе от системы отопления (в ИТП с зависимым присоединением системы отопления), регулировании подпитки системы отопления (в ИТП с независимым присоединением), регулирования давления (перепада давлений) сетевой воды на входе в ИТП (при наличии избыточного напора в тепловой сети);

ограничение максимального расхода сетевой поды на ИТП при применении смешанной схемы присоединения водонагревателя ГВС с ограничением расхода;

регулирование уровня в баке-аккумуляторе системы ГВС при его наличии;

управление включением и отключением и АВР насосного оборудования (хозяйственных, циркуляционных ГВС, подпиточных, смесительных, дренажных насосов) при его наличии.

Для ИТП зданий, присоединенных к четырехтрубным тепловым сетям от автоматизированных ЦТП, задачами автоматизации регулирования могут быть:

регулирование гидравлического режима работы и защита теплопотребляющих систем путем регулирования давления в обратном трубопроводе от системы отопления при необходимости защиты ее опорожнения; регулирование давления (перепада давления) воды на входе ИТП при наличии избыточного напора;

регулирование отпуска теплоты на отопление и вентиляцию при обосновании, например, при пофасадном разделении системы отопления, при наличии установок вентиляции и кондиционирования воздуха, при программном снижении отпуска теплоты в ночное время и нерабочие дни (для общественных и промышленных зданий).

Каждая из указанных задач реализуется соответствующим оборудованием и средствами автоматизации, обеспечивающими поддержание определенного режима работы.

ПРИЛОЖЕНИЕ 2

МЕТОДИКА ОПРЕДЕЛЕНИЯ ПАРАМЕТРОВ НАСТРОЙКИ РЕГУЛЯТОРОВ ОТПУСКА ТЕПЛОТЫ НА ОТОПЛЕНИЕ

1. Уравнения статики, реализуемые автоматическими регуляторами, получившими наибольшее распространение для автоматизации ИТП, имеют следующий вид [10].

Для элеватора с регулируемым соплом (регулятора отопления) «Электроника Р-1М» (рис. 1):

                                        (1)

где τоз, tн - сигналы от датчиков температуры смешанной воды на отопление τоз и наружного воздуха tн; Т, ΔТ1, ΔТ2 - сигналы от соответствующих задатчиков на панели регулятора.

Рис. 1. Графики для определения параметров настройки регулятора отопления «Электроника Р-1М» на заданный режим регулирования:

I - расчетный (табличный) график температуры смешанной воды на отопление τоз; II - искомая статическая характеристика регулятора; 1 - 6 - точки, по которым строится график температуры τоз.

Для регулирующего прибора Р.25.2 автоматизированного элеватора ЭРСА (рис. 2):

                                                 (2)

где  - задаваемая температура воды, устанавливаемая задатчиком «Задание» по данным расчетного графика при tн = 0 °С;  - снижение температуры в ночное время, устанавливаемое внешним задатчиком; Δτ - снижение температуры воды при tн = 10 °С, устанавливаемые задатчиком К2 (при значении К3 = 1, устанавливаемом задатчиком К3).

Рис. 2. График для определения параметров настройки прибора Р.25.2 элеватора ЭРСА на заданный режим регулирования:

1 - искомая статическая характеристика регулятора; 2 - то же, при снижении в ночное время; τсм - температура смешанной воды на отопление; А - нулевая точка настройки прибора (tн = 0, τсм = 55,4 °С).

Для электронного регулятора температуры типа ЭРТ-1, используемого в регуляторе отопления или автоматизированном элеваторе с регулируемом соплом типа ЭА (рис. 3):

                                 (3)

а при наличии программного реле времени

                                (4)

где τпод, tн, tв - сигналы от датчиков температуры воды в систему отопления τпод, наружного воздуха tн и воздуха в помещении tв, "tв", "tп", "tпн", К1, К2 - сигналы от соответствующих датчиков на панели прибора ЭРТ-1; 20 - фиксированное значение температуры наружного воздуха (°С), при котором определяется значение величины перемещения отопительного графика по оси температуры воды, т.е. положения задатчика "tв".

Рис. 3. Графики для определения параметров настройки регулятора ЭРТ-1 на заданный режим регулирования:

1 - расчетный (табличный) график температуры воды в систему отопления τпод; 2 - искомая статическая характеристика регулятора.

Для регуляторов отопления с регулирующим прибором типа Т48М2 или Т48М5 [3]:

а) при поддержании графика разности температур воды на отопление и tн > :

                             (5)

где ΔТ - разность сигналов от датчиков температуры воды в систему отопления и из нее; tн, tв - сигналы от датчиков температуры наружного воздуха и воздуха в помещениях;  - сигналы от соответствующих задатков на панели прибора Т48М;

б) при поддержании графика температуры воды на отопление в подающем или обратном трубопроводе и tн > :

                        (6)

где Тпод(обр) - сигнал от датчика температуры воды в подающем (обратном) трубопроводе; То - сигнал от задатчика температуры воды в подающем (обратном) трубопроводе при температуре наружного воздуха , при которой теплоотдача системы отопления равна 0.

При  в уравнениях статики (5), (6) член  отсутствует.

Для регуляторов отопления с регулирующим прибором типа Т48М1 [3] уравнение статики имеет вид, представленный в формуле (5), но без члена , так как отсутствует коррекция по температуре воздуха в помещениях tв.

Для регуляторов отопления с регулирующим прибором типа Т48М3 или Т48М4 [3] уравнение статики имеет вид:

                                                 (7)

где Ткорр.бр - температурный эквивалент внешнего диалогового сигнала, корректирующего температуру tв.

Для регулятора горячего водоснабжения с прибором Т48М5 или Т48М6 [3]:

                                                     (8)

где tг.в - сигнал от датчика температуры воды на горячее водоснабжение; tэкв - температурный эквивалент сопротивления Rэкв, установленного вместо датчика температуры Тобр.

Для регулятора отопления с регулирующим прибором типа РС29.2.33 при поддержании нелинейного графика температуры воды на отопление в подающем трубопроводе (рис. 4):

на участке I при tн < tн1 < 0

                                                              (9)

на участке II при tн2 tн > tн1

                                                  (10)

на участке III при tн > tн2 > 0

                                                (11)

где

                                               (12)

                                                (13)

                                               (14)

Рис. 4. Графики для определения параметров настройки регулирующего прибора РС29.2.33 на заданный режим регулирования:

1 - расчетный (табличный) график температуры воды в систему отопления; 2 - искомая нелинейная статическая характеристика регулятора; 3 - то же, но при снижении в ночное время; 4 - то же, с учетом внутренних теплопоступлений.

2. Методика графического определения параметров настройка регуляторов отопления на заданный режим регулирования представлена на рис. 1 - 4. Из рис. 1 для элеватора «Электроника-Р1М» находим параметры Т и ΔТ1, фиксирующие задаваемый линейный график АБ как секущую II к расчетному графику температур I. Секущая проводится в области переходного периода сезона, так как именно в этот период сезона имеется наибольший перегрев отапливаемых зданий.

На рис. 2 характеристика I прибора Р25.2 определяется в диапазоне наружных температур 0 - 10 °С как секущая с отклонением от расчетного графика температур не более 0,3 °С. Из этого рисунка находят параметры «Задание» (отклонение от фиксированной нулевой точки А) и коэффициент наклона K2 по значению отклонения Δτ.

Из рисунка 3 для регулятора ЭРТ-1, который может управлять как элеватором ЭА, так и регулирующим клапаном с электрическим исполнительным механизмом, определяются параметры: "tв" (точка Б) и коэффициент наклона секущей АБ:

где  - точка на секущей, соответствующая произвольной температуре наружного воздуха . Параметры "tп" и "tпн" задаются из условия обеспечения комфортных и допустимых температур в помещениях соответственно.

Параметры настройки приборов типа Т48М находят по методике, приведенной в работе [3].

Из рис. 4 для регулятора отопления на базе прибора РС29.2.33 находят значения температур , ,  и наружных температур tн1, tн2, tн3 в точках излома характеристики I и по этим данным рассчитывают согласно формулам (13), (14) коэффициенты наклона α1 и α2 участков характеристики I.

Учет внутренних теплопоступлений может осуществляться на каждом из участков графика независимо друг от друга (см. рис. 4, кривая 3), что снижает затраты времени на настройку и повышает точность регулирования.

Порядок настройки регуляторов отопления по известным значениям настроечных параметров приведен в работах [3, 4, 9].

ПРИЛОЖЕНИЕ 3

ТРЕБОВАНИЯ К РЕЖИМАМ РАБОТЫ КОТЕЛЬНОЙ И ТЕПЛОВЫХ СЕТЕЙ С АВТОМАТИЗИРОВАННЫМИ ИТП

Требования к устройству подпитки тепловых сетей с автоматизированными ИТП

1. В тепловых пунктах жилых зданий (ТП), в которых отсутствует автоматическое регулирование отпуска теплоты на отопление и осуществляется лишь автоматическое регулирование температуры воды на ГВС, расходы сетевой воды на ТП поддерживаются примерно постоянными (благодаря наличию регулятора расхода и повышенного графика температур воды в сети). В этих условиях гидравлический режим работы тепловой сети (напоры в подающих и обратных трубопроводах, статический напор) поддерживаются примерно постоянным, несмотря на переменный режим водопотребления на ГВС. Это положение можно подтвердить фактическим среднесуточным графиком расхода сетевой воды 1 на рис. 1, зарегистрированного в магистрали системы теплоснабжения от котельной одного из районов Москвы [12], где в ТП были автоматизированы лишь водонагреватели ГВС. Колебания расхода воды в течение весны и зимы одного из отопительных сезонов составили ± 200 т/ч (с 3400 до 3800 т/ч), или 200 × 100 : 3600 = ± 6,5 %.

2. В ТП жилых зданий, в которых осуществляется автоматическое регулирование отпуска теплоты и на отопление и на горячее водоснабжение, расход сетевой воды на ТП существенно изменяется. Это положение подтверждается фактическим графиком расхода сетевой воды 2 на рис. 1, зарегистрированного в магистрали вышеуказанной системы теплоснабжения в течение весны последующего сезона, когда в ТП были включены в работу автоматические регуляторы отопления. Как видно из рис. 1 (кривая 2), суммарный среднесуточный расход сетевой воды уменьшается по мере роста температуры наружного воздуха, достигая в конце сезона 2300 т/ч, что составляет от среднего за предыдущий сезон расхода (3600 т/ч) 65 %, т.е. снижение расхода составило 35 %. Измерения фактического часового расхода показали, что снижение этого расхода в отдельные часы и периоды сезона еще больше, особенно в ночные часы, при tн 8 ÷ 10 °С, когда оба регулятора отопления и ГВС прикрываются фактически полностью и в сети циркулирует минимальный расход на покрытие расхода теплоты на циркуляцию в системе ГВС.

Таким образом, в системах теплоснабжения с автоматизированными ТП (безразлично - ЦТП или ИТП) в течение сезона и в суточном разрезе имеет место изменение расхода воды в сети от расчетного значения до минимального (теоретически до нуля).

Рис. 1. Графики расхода сетевой воды в системе районного теплоснабжения при автоматизации отопления в ТП (1; - весна) и без автоматизации (2; - весна; +, Ñ - зима).

3. Рассмотрим пьезометрический график тепловой сети с автоматизированными тепловыми пунктами (рис. 2). Пусть тепловая сеть характеризуется пьезометрическим графиком 1 (см. рис. 2, а), где Нн - напор, создаваемый сетевым насосом в котельной;  - располагаемый напор на абоненте;  - потери напора в тепловой сети (напоры в м).

Коэффициент гидравлической устойчивости сети равен

                                                 (1)

При снижении расхода воды Gc автоматическими регуляторами в ТП увеличивается располагаемый напор на абоненте, и при  этот напор возрастает до значения

                                          (2)

Новый режим характеризуется графиком 3, из которого видно, что у потребителей I, II могут опорожниться системы отопления.

Бόльшие изменения давления в обратном трубопроводе будут в сети с меньшей гидравлической устойчивостью (см. рис. 2, б), где новый режим при Gc = 0 характеризуется графиком 3 и аналогичными параметрами ().

Рис. 2. Примерные пьезометрические графики тепловой сети с автоматизированными ИТП:

а - с фиксированным режимом настройки регулятора подпитки, соответствующим минимальному расходу сетевой воды Gc; б - с переменным режимом настройки регулятора подпитки ; I - V - номера потребителей; Нст - статический напор; 1 - режим при расчетном расходе ; 2 - то же, при сниженном расходе ; 3 - то же, при расходе Gc = 0; 1, 3 - режим при  и Gc = 0 и повышенной фиксированной настройке регулятора подпитки; 4 - режим при сниженном расходе  и с переменным режимом настройки регулятора подпитки.

4. Устранить опорожнение отопительных систем возможно установкой у всех потребителей регуляторов подпора или подкачивающих насосов, однако на это потребуются значительные затраты. Меньшие затраты нужны для этой цели, если изменять давление в обратном трубопроводе с помощью устройства подпитки в котельной.

Но повышение указанного давления может привести к разрушению нагревательных приборов в помещениях. Поэтому одним из требований к гидравлическим режимам работы теплоснабжающей системы с автоматизированными ИТП должна быть возможность изменения давления в обратном трубопроводе у потребителей, особенно концевых, при изменении расхода сетевой воды от расчетного значения до нуля с тем, чтобы не допустить ни опорожнения систем отопления, ни разрушения нагревательных приборов.

5. Поставленное в п. 4 требование к режиму работы устройства подпитки сети может быть выполнено путем увеличения давления в обратном трубопроводе в котельной, поддерживаемого регулятором подпитки, т.е. путем изменения параметра настройки этого регулятора на определенную величину  (см. рис. 2, а) и поддержания нового значения давления в обратном трубопроводе постоянным в течение всего сезона независимо от значения расхода сетевой воды Gc. Тогда условием, при котором можно обеспечить соблюдение данного требования, является неравенство

                                         (3)

где Нст - статический напор, м; Рд - допустимое давление воды в обратном трубопроводе, МПа; γ - удельный вес воды, кг/м3.

Определим область применения предлагаемого способа.

Из выражения (1) найдем

Тогда из (3) получим

откуда

                                               (4)

Приняв значение Рд = 0,6 МПа, Нст = 40 ÷ 50 м,  = 15 - 20 м (как наиболее распространенные) и γ = 1000 кг/м3, получим значение K > 0,5 ÷ 0,7. Эго значение соответствует располагаемому напору на выходе котельной Нн < 40 ÷ 75 м (меньшее значение Нн соответствует K > 0,7 при  = 20 м).

Таким образом, для тепловой сети с относительно большим значением гидравлической устойчивости (K > 0,5 ÷ 0,7) для нормального функционирования сети и автоматизированных потребителей без нарушения их систем отопления регулятор давления в устройстве подпитки должен настраиваться и поддерживать в течение всего сезона величину давления, равную

                                 (5)

где Но - первоначальная настройка регулятора (при ), м. Этот режим работы сетей характеризуется пьезометрическими графиками 1, 3 (см. рис. 2,а).

6. Для систем теплоснабжения с протяженными тепловыми сетями с низкой гидравлической устойчивостью предлагается с целью выполнения поставленного требования постепенно повышать давление в узле подпитки сети по мере снижения расхода сетевой воды Gc с помощью двухимпульсного регулятора (см. раздел III, п. 23). При этом режим работы сети может быть охарактеризован пьезометрическими графиками на рис. 2, б, где режимы 1, 3 и параметры ,  аналогичны режимам при  и Gc = 0, показанным на рис. 2, а. Из рисунка видно, что если сразу настроить регулятор подпитки на величину , то это приведет к переходу работы сети на режим 1' с недопустимым давлением в системах отопления потребителей.

Рассмотрим промежуточный режим 2 при , при этом напор на абоненте , а потери в сети . Если при таком режиме увеличить настройку регулятора подпитки до значения , то получим режим сети 4, при котором давление в обратном трубопроводе не превысит допустимого значения. При дальнейшем снижении расхода Gc настройка регулятора подпитки соответственно повышается, но уже на меньшую величину, пропорциональную снижению ΔGc. При достижении Gc = 0 настройка регулятора подпитки устанавливается на уровне Нст. Таким образом, в процессе изменения расхода сетевой воды от  до 0 в обратном трубопроводе давление не превысит допустимого значения.

Требования к режимам отпуска теплоты из котельной

7. В системах теплоснабжения с автоматизированными ТП следует отличать проектные (расчетные) температурные графики отпуска теплоты из котельной от фактически принимаемых к реализации графиков в эксплуатации.

Расчетные графики температур предназначены для расчета оборудования ТП (водонагревателей, насосов) и диаметров трубопроводов тепловых сетей. Критерием выбора графика является минимум приведенных затрат на сети и оборудование ТП. Согласно СНиП 2.04.07-86 «Тепловые сети» (п. 4.6), при центральном качественном регулировании в системах теплоснабжения с преобладающей (более 65 %) жилищно-коммунальной нагрузкой следует принимать регулирование по совмещенной нагрузке отопления и ГВС по повышенному графику температур (см. разд. II, рис. 1, кривая 2), а при тепловой нагрузке жилищно-коммунального сектора менее 65 % от суммарной тепловой нагрузки и доле средней нагрузки ГВС менее 15 % от расчетной нагрузки отопления - регулирование по нагрузке отопления - по отопительному графику (см. разд. II, рис. 1, кривая 3).

При большой нагрузке жилищно-коммунального сектора возрастает нагрузка ГВС, требующая для своего удовлетворения увеличения расходе воды в сетях. Применение повышенного графика температур и направлено на уменьшение суммарного расхода воды и, следовательно, на снижение диаметров тепловых сетей.

8. При отсутствии автоматического регулирования в ТП принимают к реализации график температур, как правило, равным проектному: в противном случае возможны перегрузки и разрегулирование сетей и потребителей из-за резкого увеличения расхода воды в сети или существенный перегрев отапливаемых зданий и перерасход топлива.

9. В рассматриваемых системах теплоснабжения с автоматизацией отопления и ГВС в ТП связь между проектным и принимаемым графиком менее жесткая, а при определенных условиях (100 % охвата ТП автоматизацией регулирования отопления и ГВС) выбор графиков может быть полностью независим друг от друга. Принимаемый к реализации график может быть выбран из области , ограниченной проектным графиком (см. разд. II, рис. 1, кривые 2 или 3), графиком с постоянной температурой, равной расчетной  (кривая 4), и осью ординат. Критерием выбора этих графиков при нормальной эксплуатации следует считать минимум эксплуатационных затрат (на перекачку теплоносителя, тепловые потери в сетях, ремонты теплопроводов из-за их коррозионной повреждаемости и повреждений компенсаторных устройств).

Таким образом, температурные режимы отпуска теплоты из котельной при нормальной эксплуатации должны удовлетворять требованию минимума эксплуатационных затрат на теплоснабжение и независимости принимаемого к реализации графика температур воды в сети от проектного графика.

10. Указанный в п. 9 критерий выбора реализуемого в эксплуатации графика температур имеет вид:

                                         (6)

где Сэ.н - стоимость электроэнергии на работу сетевых насосов в котельной, руб./год; Ст.с - стоимость затрат на ремонт тепловых сетей из-за коррозионных повреждений, руб./год; Ст.п - стоимость затрат на тепловые потери в сети, руб./год; Сэ.р, Сэ.т - стоимость электроэнергии на работу циркуляционных насосов в котельной и насосов смешения в автоматизированных ТП, руб./год (эти затраты находятся по известным методикам [9]).

Чем выше график температур (меньше его наклон) и ближе к графику  (см. разд. II, рис. 1), тем меньше составляющие Сэ.н и Ст.с и тем больше составляющие Ст.п, Сэ.р, Сэ.т.

11. Как показано в работе [7], удовлетворяет критерию (6) ступенчатый график регулирования при постоянной температуре (кривая 1), в каждой из ступеней которого температура воды в подающем трубопроводе поддерживается постоянной и выше 100 °С. Отпуск теплоты по такому графику обеспечивает при незначительном повышении тепловых потерь в сети снижение повреждаемости теплопроводов от наружной коррозии благодаря достаточно высокой температуре в зоне контакта трубопровода с его изоляцией. Значительная доля длительности поддержания графика с постоянной температурой  и сокращение диапазона измерения температуры сетевой воды (100 - 150 вместо 70 - 150 °С) обеспечивает улучшение условий работы компенсаторных устройств в сети. С другой стороны, увеличение затрат на тепловые потери в сетях в определенней степени компенсируется снижением затрат на электроэнергию на перекачку сетевого теплоносителя из-за резкого снижения расхода сетевой воды.

Для условий Москвы целесообразны следующие значения параметров ступенчатого графика: τс1 = 120 °С при tн - 13 °С; τс2 = 135 °С при - 13 °С > tн2 > -19 °С;  при tн2 < - 19 °С.

12. Ступенчатый температурный график отпуска теплоты из котельной при двухтрубных сетях с ИТП (без ЦТП) может быть реализован лишь при следующих условиях: 100 %-ный охват ТП автоматизацией регулирования отопления и ГВС; присоединение систем отопления к сети через насос смешения или независимое через водонагреватель.

При элеваторном присоединении ступенчатый график обусловит резкое снижение расхода воды не только в сети, но и в местных системах отопления, на что последние не рассчитаны. Между тем именно элеваторное присоединение является самым распространенным, особенно в городах со старой пятиэтажной застройкой. Поэтому при элеваторном присоединении могут применяться отопительный или повышенный графики.

13. Следует отметить, что если фактическая загрузка магистральных сетей системы теплоснабжения составляет до 70 %, т.е. район в стадии строительства и загрузка меньше проектной, то с целью экономии затрат на тепловые потери в сети целесообразен отпуск теплоты по отопительному графику также в том случае, если оборудование ТП выбрано при повышенном графике, т.е. с учетом выхода системы теплоснабжения на проектную загрузку. В этой случае по мере увеличения загрузки системы до 100 % повышают график температур до проектного повышенного графика.

Требования к режимам работы узла рециркуляции в котельной

14. Для надежной и экономичной работы котельной большое значение имеют режимы работы узла рециркуляции, который обеспечивает подогрев воды на входе в котлы до необходимой температуры. В системах с автоматизированными ТП к концу (началу) сезона снижаются расход сетевой воды и температура обратной воды, в большей степени, чем в системах с постоянным расходом воды в сетях. Однако при меньшей температуре обратной воды температура воды на входе в котел уменьшается, что может привести к коррозии металлических стенок котельного агрегата. Увеличение расхода воды на рециркуляцию, которое привело бы к увеличению температуры воды в котле, потребует увеличения мощности рециркуляционного насоса.

Производительность рециркуляционного насоса Gр, т/ч, определяется по формуле

                                                     (7)

где Gк - расход воды через котел, т/ч; τвх, τк - температуры воды на входа и выходе котла, °С; τоб - температура обратной воды из сети, °С. Минимально допустимая температура воды на входе в котел °С (при сжигании природного газа). Минимально возможная температура обратной воды из сети при минимальной тепловой натруске °С (только циркуляционная нагрузка ГВС). Для диапазона τк = 100 - 130 °С значения отношения ср/ск = 20 - 30 %, что соответствует одному насосу НКУ на один котел ПТВМ (например, НКУ-250 с расчетной производительностью 250 т/ч на один котел ПТВМ-100 с расчетным расходом воды 900 - 1250 т/ч), что и предусматривается проектом котельной.

При увеличении нагрузки ГВС (при отключенных регуляторами системах отопления) минимальная температура обратной воды из сети может быть ниже указанной выше, например, °С. Тогда требуемая температура °С согласно (7) обеспечивается только при τк = 130 °С и отношении ср/ск = 0,3. Если производительности насоса НКУ недостаточно, то можно по опыту предприятий Мостеплоэнергогаз включить несколько насосов НКУ в параллель.

ПРИЛОЖЕНИЕ 4

АЛГОРИТМ И ПРОГРАММА ДЛЯ РАСЧЕТА ПАРАМЕТРОВ РЕЖИМОВ РАБОТЫ ТЕПЛОВЫХ ПУНКТОВ С ПРИСОЕДИНЕНИЕМ ВОДОНАГРЕВАТЕЛЯ ГВС ПО СМЕШАННОЙ СХЕМЕ С ОГРАНИЧЕНИЕМ РАСХОДА ВОДЫ

1. Алгоритм предусматривает следующие исходные условия: известны поверхности нагрева ступеней водонагревателя ГВС при их двухступенчатом последовательном присоединении в существующих ИТП, а также тепловые нагрузки ГВС и отопления и график температур воды в сети. Определяются расчетный расход сетевой воды и параметры режимов (температура, расход) при переводе ИТП на работу по смешанной схеме с ограничением расхода воды и насосным подмешиванием для системы отопления (рис. 1).

Рис. 1. Принципиальная схема ТП со смешанным присоединением водонагревателя ГВС и ограничением расхода сетевой воды:

1, 6 - датчики температуры воды; 2, 5 - регулирующие приборы; 4 - датчик температуры наружного воздуха; 3, 7 - регулирующие клапаны; 8 - датчик расхода устройства ограничения расхода; НС - смесительный насос; СО - система отопления здания; I, II - ступени водонагревателя ГВС.

2. Программа написана в символах МК «Электроника МК-54». Распределение исходных данных и промежуточных результатов в памяти МК представлено в табл. 1. Блок-схема алгоритма расчета показана на рис. 2. Инструкция работы с программой приведена в табл. 2, а в табл. 3 - сама программа для автоматизированной части расчета (учитывая ограниченность числа шагов, часть операций производится вручную).

Таблица 1

Распределение исходных данных и промежуточных результатов в памяти микрокалькулятора МК-54

Исходные данные и промежуточные результаты

Обозначение регистров памяти

1

2

3

4

5

6

7

8

9

0

a

b

c

d

Постоянные исходные данные, вводимые в регистры

10-6

103

 

 

 

 

 

 

 

 

 

 

- )

Задаваемые на первом шаге исходные данные, вводимые в регистры

 

 

τI2 = 50

qI из массива 2

 

Qг из массива 2

 

 

Wc из массива 2

 

Wco из массива 2

Τс из массива 1

WcII из массива 2

 массива 1

Получаемые промежуточные результаты расчета параметров в регистрах

 

 

τI2

 

qIi

 

 

qIIi

 

Wcoi

 

WcIIi

Рис. 2. Блок-схема алгоритма расчета:

а - начало; б - окончание.

3. Расчет начинается с ввода исходных данных в память МК - постоянных и задаваемых на первом шаге каждого i-го цикла расчета (см. табл. 1). Для удобства расчетов предварительно подготавливают: 1) массив 1, в котором, согласно работе [9], рассчитывают повышенный график  и  при постоянной заданной температуре воздуха в помещениях °С и заданном отношении среднечасовой нагрузки ГВС () к расчетной нагрузке отопления , характерном для ИТП данной системы теплоснабжения; 2) массив 2, в котором для заданного суточного графика нагрузки ГВС (Qгi, ni) и заданного расхода сетевой воды на ИТП Wc = 1; 1,03; 1,07; 1,1  определяются расход нагреваемой воды Wг и удельная тепловая нагрузка теплообменника I ступени (на 1° максимальной разности температур теплоносителей на входе в теплообменник) qI [9]. Необходимый для расчета qI параметр водонагревателя I ступени ФI, а также необходимый для последующих расчетов параметр водонагревателя II ступени ФII определяются по формулам [9] по данным расчета поверхности нагрева Fп для двухступенчатой последовательной схемы.

Суточный график нагрузки ГВС (Qгi, ni) принимается состоящим из четырех периодов (i = 4):

ni, ч

6

10

4

4

0

1

1,3

2,2

Принимаются значения следующих параметров: расчетная температура сетевой воды на отопление °С и воды из системы отопления °С, воды в местной системе отопления  °С, воды на ГВС tг = 60 °С, холодной воды tx = 5 °C; температура воды из системы отопления в точке излома графика °С; коэффициент смешения насоса в зданиях uэ = 2,2.

Таблица 2

Инструкция работы с программой

Содержание операции

Нажимаемые клавиши

1. Перейти в режим программирования на адрес 00

В/О; F; ПРГ

2. Введите программу

См. табл. 3

3. Перейдите в режим «Автоматическая работа»

F; АВТ

4. Введите постоянные исходные данные в регистры памяти согласно табл. 1

106П.1; 103П.2; П.7

5. Введите задаваемые на первом шаге каждого i-го цикла исходные данные в регистры памяти согласно табл. 1

τcП.b; QoП.d; WcoП.a; WcIIП.с; qIП.4; QгП.6; WcП.9; 50.xП.3;

6. Пустите программу с адреса 00

В/О; С/П

7. Вычислите WcII

Пх.8.55.х.F.1/х.Пх.

Если WcIIWг, то идти к п. 9

6.х.0,35..ФII.F2.х.2,6.х.1. + .F..1.-.F.х2.

Если WcII > Wг, то идти к п. 8

F.1/х.Пх.6.ФII.F.х2.х.30,73.х.хП.с

8. Вычислите WcII

Пх.8.55.х.F.1/х.Пх.6.х.0,65.-.ФII.F.х2.х.1.4.х.1.+.F..1.-.F.x2.F.1/х.Пx.6.х.ФII.F.х2.х.8.91.х.х.П.с

9. Пустите программу с адреса 83

БП; 83; С/П

10. Сравните Wcо с предыдущим его значением

Если (Wcоj+1 - Wcоj) > ΔW, то ввести Wcоj+1 в регистр «а» и идти к п. 6

Если (Wcоj+1 - Wcоj) ≤ ΔW, то идти к п. 11

хП.а

11. Запомните для каждого i полученные результаты в регистрах памяти «а», «с», «d», 3, 5

Пх.а; Пх.с; Пх.d; Пх.3; Пх.5

12. Введите в регистр «с» произведение Qоi ni, сложив с предыдущим его значением

Пx.d.ni.х.Пх.0.+.хП.0

13. Если i < 4, то идти к п. 5

Если i = 4, то идти к п. 14

 

14. Вычислите tв

Если , то идти к п. 16

Пх.0.24.+.44.tн.+

15. Если , то увеличить (при ) или уменьшить (при ) Wc (или τс) и идти к п. 5

0.хП.0

16. По полученным результатам п. 11 вычислите остальные параметры блока 26

 

Таблица 3

Программа (блоки 7 - 12, 16, 17)

Адрес команд

Нажимаемые клавиши

Номер блока (рис. 2) и содержание операции

01 - 45

xП.dх.d.0,2.↔.F.xy.F.1/x.64,5.х.Бх.С.Пх.а+.Пх.2.х.844.+.Пх.9.+.Пx.7.x.+.F.1/x х.b.13.-.xx.d.↔.хП.d.-.F2х.1.-.F.х<0.01.Пх.d

Блок 7

46 - 54

Пx.7.х.Пх.а.+.Пх.2.х.-.Пx.b.+

Блок 8

55 - 62

Пх.а.х.Пх.с.Пх.3.х.+Пх.9.+

Блок 9

63 - 67

5.-.Пх.4.х.х П.5

Блок 10

68 - 74

П x.6.+.55.х.5.+

Елок 11

75 - 83

Пх.b.-.F.1/х.Пх.5.П↔х.6.-.х.хП.8.С/П

Блок 12

84 - 94

Пх.6.Пх.5.-.Пх.2.х.П↔ х.с.+.Пx.b.-./-/.xП.3

Блок 16

95 - 98

Пx.0.Пх.с.-.С/П

Блок 17

4. Последовательность расчета показана на блок-схеме алгоритма (см. рис. 2). Расчет для каждого значения Qгi состоит из двух циклов. В первом цикле (блоки 7 - 18) при данных Qг и Wc находятся расходы воды Wсо, WcII и расход теплоты . Этот цикл заканчивается, когда разность расходов Wсо в блоке 18 станет меньше .

После каждого расчета первого цикла вычисляется произведение Qoi·ni. Во втором цикле (блоки 20 - 25) вычисляется внутренняя температура tв при увеличении или уменьшении расхода Wc на ΔWc согласно данным массива 2 (или температуры τс на 1 - 2 °С). Этот цикл заканчивается при разности Δtв = 0,01 °С.

В блоке 3 параметр τс задается из массива 1, в блоке 6 параметр задается из массива 2. В блоках 2, 13, 15 параметры qI и WcII определяются по формулам (I),(III),(IV) [9].

В результате расчета определяются (блок 26): расход теплоты в ступенях QI и QII, температуры, расходы в разных точках схемы (см. рис. 1), расходы теплоты на отопление Qo, коэффициент смешения насоса uн.

Приведенный на рис. 2 алгоритм может быть использован и при составлении программы для ЭВМ, в частности для персональной ЭВМ, где все операции расчета автоматизированы.

5. При расчете параметров режимов работы тепловых пунктов с присоединением водонагревателя ГВС по смешанной и параллельной схемам (без ограничения расхода) в программу вносят следующие изменения:

1) массив 1 подготавливают для фактически реализуемого в эксплуатации графика - отопительного, повышенного или ступенчатого при постоянной температуре (см. разд. II, рис. 1);

2) в массиве 2 и блоках 2 и 4 вместо расхода , принимают расчетный расход , где  - расход сетевой воды через вторую или параллельную ступень водонагревателя ГВС при максимальной нагрузке ГВС, Wco - расход сетевой воды на отопление (в точках излома графика).

Необходимые для расчетов значения параметров водонагревателей ступеней ФI и ФII определяются по формулам, приведенным в работе [9], по данным расчета поверхности нагрева для смешанной (или параллельной) схемы;

3) при расчете параметров для параллельной схемы принимают qI = 0 в блоках 2, 6, 10.

ЛИТЕРАТУРА

1. Наладка и эксплуатация водяных тепловых сетей // Справочник / Манюк В.И., Каплинский Я.И., Хиж Э.Б. и др. - М.: Стройиздат, 1988.

2. Основные положения по комплексной автоматизации систем теплоснабжения городов. - М.: ОНТИ АКХ им. К.Д. Памфилова, 1988.

3. Рекомендации по применению прибора Т48М для регулирования систем потребления тепла. - М.: МНИИТЭП, 1986.

4. Рекомендации по применению средств автоматического регулирования систем отопления и горячего водоснабжения эксплуатируемых жилых зданий. - М.: ОНТИ АКХ им. К.Д. Памфилова, 1988.

5. Рекомендации по реконструкции существующих ЦТП с целью их автоматизации. - М.: ЦНИИТЭП ИО, 1987.

6. Рекомендации по совершенствованию управления работой котельных и тепловых сетей при комплексной автоматизации систем теплоснабжения городов. - М.: ОНТИ АКХ им. К.Д. Памфилова, 1988.

7. Рекомендации по схемам и режимам работы тепловых сетей от котельных. - М.: ОНТИ АКХ им. К.Д. Памфилова, 1988.

8. Рекомендации по применению средств автоматического регулирования систем отопления и горячего водоснабжения зданий. - М.: ЦНИИЭП ИО, 1987.

9. Соколов В.Я. Теплофикация и тепловые сети. - М.: Энергоиздат, 1982.

10. Фаликов В.С., Витальев В.П. Автоматизация тепловых пунктов // Справочное пособие. - М.: Энергоиздат, 1989.

11. Фаликов В.С. Расчет п применение смешанных схем ЦТП с ограничением расхода воды // Водоснабжение и санитарная техника, 1989, № 8.

12. Фаликов В.С., Витальев В.П., Лапир М.А. и др. Комплексная автоматизация отпуска теплоты в системах теплоснабжения с ЦТП // Водоснабжение и санитарная техника, 1984, № 10.

СОДЕРЖАНИЕ

I. Общая часть. 1

II. Режимы работы и схемы автоматизированных ИТП.. 2

III. Рациональные режимы работы котельной и тепловых сетей с автоматизированными ИТП.. 9

Приложения. 10

Приложение 1 Типы ИТП и задачи их автоматизации. 11

Приложение 2 Методика определения параметров настройки регуляторов отпуска теплоты на отопление. 12

Приложение 3 Требования к режимам работы котельной и тепловых сетей с автоматизированными ИТП.. 16

Приложение 4 Алгоритм и программа для расчета параметров режимов работы тепловых пунктов с присоединением водонагревателя ГВС по смешанной схеме с ограничением расхода воды.. 22

Литература. 27

 

 




ГОСТЫ, СТРОИТЕЛЬНЫЕ и ТЕХНИЧЕСКИЕ НОРМАТИВЫ.
Некоммерческая онлайн система, содержащая все Российские Госты, национальные Стандарты и нормативы.
В Системе содержится более 150000 файлов нормативно-технической документации, действующей на территории РФ.
Система предназначена для широкого круга инженерно-технических специалистов.

Рейтинг@Mail.ru Яндекс цитирования

Copyright © www.gostrf.com, 2008 - 2026