Крупнейшая бесплатная информационно-справочная система онлайн доступа к полному собранию технических нормативно-правовых актов РФ. Огромная база технических нормативов (более 150 тысяч документов) и полное собрание национальных стандартов, аутентичное официальной базе Госстандарта. GOSTRF.com - это более 1 Терабайта бесплатной технической информации для всех пользователей интернета. Все электронные копии представленных здесь документов могут распространяться без каких-либо ограничений. Поощряется распространение информации с этого сайта на любых других ресурсах. Каждый человек имеет право на неограниченный доступ к этим документам! Каждый человек имеет право на знание требований, изложенных в данных нормативно-правовых актах!

  


 

Министерство жилищно-коммунального хозяйства РСФСР

Ордена Трудового Красного Знамени
Академия коммунального хозяйства им. К.Д. Памфилова

Утверждено

приказом Министерства

жилищно-коммунального

хозяйства РСФСР

от 31 мая 1984 г. № 252

ИНСТРУКЦИЯ
ПО РЕЖИМАМ РАБОТЫ
ЗАКРЫТЫХ СИСТЕМ ТЕПЛОСНАБЖЕНИЯ
ОТ РАЙОННЫХ КОТЕЛЬНЫХ ПРИ КОМПЛЕКСНОЙ
АВТОМАТИЗАЦИИ РЕГУЛИРОВАНИЯ ОТПУСКА ТЕПЛОТЫ
В ЦЕНТРАЛЬНЫХ ТЕПЛОВЫХ ПУНКТАХ

Отдел научно-технической информации АКХ

Москва 1984

Настоящая инструкция содержит требования и способы реализации энергосберегающих режимов работы закрытых систем теплоснабжения жилых районов от районных котельных с центральными тепловыми пунктами (ЦТП) при комплексной автоматизации отпуска теплоты на отопление и горячее водоснабжение в ЦТП.

Инструкция разработана отделом теплоснабжения АКХ им. К.Д. Памфилова (ст. науч. сотр. В.С. Фаликов) по результатам исследований и обобщения опыта внедрения автоматизации регулирования в ЦТП предприятий треста Теплоэнергия Управления топливно-энергетического хозяйства Мосгорисполкома.

Предназначена для использования теплоснабжающими предприятиями, проектными и наладочными организациями.

I. ОБЪЕКТ И ЦЕЛЬ ПРИМЕНЕНИЯ ИНСТРУКЦИИ

1. Объектом применения настоящей инструкции являются действующие и проектируемые городские закрытые системы централизованного теплоснабжения от районных котельных с присоединением потребителей через групповые (центральные - ЦТП) тепловые пункты, оборудованные средствами автоматизации регулирования отпуска теплоты на отопление и горячее водоснабжение.

2. Инструкция содержит требования и способы реализации наиболее экономичных режимов работы звеньев рассматриваемого объекта-теплоисточника, тепловых сетей и ЦТП жилых микрорайонов при их комплексной автоматизации с учетом особенностей функционирования объекта в реальных условиях эксплуатации.

3. Предусматриваемые инструкцией режимы работы учитывают следующие особенности функционирования объекта:

возможность ограничения отпуска теплоты потребителям от теплоисточника, в частности, при ограничении в подаче топлива;

изменяющуюся из года в год степень загрузки теплоисточника и тепловой сети;

возможность значительной повреждаемости теплопроводов магистральной сети от влияния наружной коррозии;

передачу в ряде городов всей (или части) нагрузки районной котельной ТЭЦ.

Режимы работы учитывают возможность частичной и поэтапно внедряемой автоматизации регулирования в ЦТП, т.е. отсутствия в течения определенного периода времени сплошной автоматизации ЦТП. Учитывается также возможность широкого маневрирования изменением температуры сетевой воды в подающем трубопроводе, целесообразного для крупных систем теплоснабжения с резервированием тепловых сетей при аварийных режимах.

4. Целью применения настоящей инструкции является получение при внедрении комплексной автоматизации регулирования в ЦТП максимально возможной при этом экономии непосредственно в виде топлива и электроэнергии на теплоисточнике при одновременном поддержании требуемых температур воздуха в отапливаемых зданиях и стабильной работе системы теплоснабжения в реальных условиях ее эксплуатации.

5. Инструкция предназначена для теплоэнергетических предприятий городов с районными котельными и ЦТП, проектных и специализированных наладочных организаций по наладке средств автоматизации и технологического оборудования котельных и ЦТП. Она может быть использована теплоэнергетическими предприятиями городов с ЦТП при теплоснабжении от ТЭЦ.

II. ОБЩИЕ ТРЕБОВАНИЯ К РЕЖИМАМ РАБОТЫ ОБЪЕКТА

6. При внедрении автоматизации регулирования отпуска теплоты на отопление и горячее водоснабжение в ЦТП регулирование отпуска теплоты потребителям (системам отопления зданий) осуществляется следующими ступенями:

центральное регулирование на теплоисточнике;

групповое автоматическое регулирование в ЦТП;

местное регулирование в элеваторных узлах зданий, присоединенных к ЦТП;

местное автоматическое регулирование в тепловых пунктах потребителей, присоединенных к магистральной тепловой сети помимо ЦТП.

В перспективе возможно пофасадное регулирование на каждый фасад здания (при наличии пофасадного деления систем отопления) и индивидуальное регулирование на нагревательных приборах в помещениях.

7. Основные требования, предъявляемые к режимам центрального, группового и местного регулирования:

расчетный расход сетевой воды в магистралях и у потребителей определяется с учетом выравнивания тепловой нагрузки в ЦТП жилых микрорайонов путем использования аккумулирующей способности ограждающих конструкций зданий или баков-аккумуляторов горячей воды (при их наличии);

расход сетевой воды на входе каждого ЦТП не должен превышать расчетного значения;

должна быть обеспечена стабильная работа тепловых сетей без нарушения нормального теплоснабжения потребителей в условиях, определяемых особенностями функционирования системы теплоснабжения, указанными в п. 3.

При выполнении выше перечисленных требований должна быть обеспечена экономия топливно-энергетических ресурсов прежде всего за счет устранения перерасхода теплоты в переходный период отопительного сезона, снижения отпуска теплоты на отопление зданий в ночные часы, учета избыточных бытовых тепловыделений (по минимуму), правильного и точного распределения теплоносителя по потребителям.

8. Режимы центрального и группового регулирования и технологические схемы ЦТП, удовлетворяющие требованиям п. 7, принимаются в зависимости от наличия бака-аккумулятора в ЦТП и степени охвата ЦТП автоматизацией согласно таблице и разд. III и IV.

Степень охвата ЦТП автоматизацией может быть частичной (либо не все ЦТП оборудованы средствами автоматизации, либо ЦТП не оснащены полным комплектом требуемых приборов автоматики) и сплошной.

Таблица

Режимы работы системы теплоснабжения при различной степени охвата ЦТП автоматизацией

Звено системы теплоснабжения

Характеристика звена

Степень охвата автоматизацией

Частичная

Сплошная

ЦТП без бака-аккумулятора

Теплоисточник

График отпуска теплоты

Повышенный (rт)

Ступенчатый количественного регулирования

Центральный тепловой пункт (ЦТП)

Схема (условия ее применения при частичной автоматизации)

Смешанная с частичным ограничением расхода (нет УОР)

Последовательная двухступенчатая с переключением на смешанную (нет УОР и ограничена пропускная способность сети)

Смешанная с ограничением расхода (автоматизировано < 100 %)

Смешанная без ограничения расхода

График отпуска теплоты

Отопительный без срезки

Отопительный без срезки

Повышенный (rцтп) без срезки

Отопительный без срезки

ЦТП с баком-аккумулятором

Теплоисточник

График отпуска теплоты

Отопительный со срезкой tс = 70 °С

Ступенчатый количественного регулирования

ЦТП

Схема

Смешанная без ограничения расхода

График отпуска теплоты

Отопительный без срезки

III. РЕЖИМЫ РАБОТЫ СИСТЕМ ТЕПЛОСНАБЖЕНИЯ ПРИ ЧАСТИЧНОЙ И ПОЭТАПНО ВНЕДРЯЕМОЙ АВТОМАТИЗАЦИИ ЦТП

Режимы регулирования отпуска теплоты из районной котельной

9. При отсутствии в ЦТП баков регуляторов центральное регулирование отпуска теплоты осуществляется по повышенному температурному графику количественного регулирования, различному для выходных и будних дней при постоянном перепаде давлений воды на выходе котельной, а при наличии баков в ЦТП - по отопительному графику.

10. Повышенный температурный график для выходных дней рассчитывается из условия постоянного расхода сетевой воды для удовлетворения расхода теплоты на отопление и горячее водоснабжение в ЦТП (с типичным для района отношением нагрузок rт = (/Qо.р)т, где  - среднечасовая за неделю нагрузка горячего водоснабжения; Qо.р - расчетная нагрузка отопления. Для будних дней при расчете графика rт принимается на 20-30 % меньше, чем для выходных дней.

11. Построение отопительного и повышенного температурного графика производится по известной методике [1, 3, 7].

12. Постоянный перепад давлений воды на выходе котельной обеспечивается путем поддержания постоянными давления воды в подающем и обратном сетевых трубопроводах.

Величины регулируемых давлений определяются гидравлическим расчетом сети и условиями присоединения потребителей к сети и рельефом местности. При этом давление в обратном трубопроводе котельной должно быть таким, чтобы при полном прекращении подачи теплоносителя системам отопления и на водонагреватели верхней ступени регуляторами в ЦТП обеспечивался требуемый для каждого из присоединенных зданий напор в обратном трубопроводе отопления на выходе каждого ЦТП (во избежание оголения систем отопления зданий).

13. Регулирование температуры подающей сетевой воды на выходе котельной производится автоматическим регулятором температуры или дистанционными средствами управления из диспетчерского пункта котельной по прибору, измеряющему температуру наружного воздуха, путем воздействия на подачу топлива в котлы и регулирующий орган на узле подмешивания сетевой годы.

14. Постоянство давления воды в подающем трубопроводе поддерживается автоматическим регулятором давления или средствами дистанционного управления регулирующим органом на нагнетании сетевых насосов или изменением скорости вращения сетевых насосов.

Постоянство давления воды в обратном трубопроводе до сетевых насосов поддерживается автоматическим регулятором давления (регулятором подпитки сети).

Технологические схемы и схемы автоматизации ЦТП

15. Для ЦТП жилых микрорайонов основной схемой присоединения водонагревателя горячего водоснабжения при отсутствии бака-аккумулятора является смешанная с ограничением расхода воды схема (рис. 1, 2) [4, 5].

Для ЦТП при наличии бака-аккумулятора присоединение водонагревателя горячего водоснабжения осуществляется по смешанной схеме (см. рис. 1, 2 без элементов УОР с включением НС по импульсу tн) [4, 5].

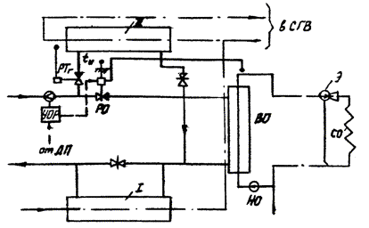
Рис. 1. Технологическая схема ЦТП со смешанной схемой присоединения водонагревателя горячего водоснабжения, автоматическим регулированием отпуска теплоты и зависимым присоединением систем отопления:

I, II - ступени водонагревателя горячего водоснабжения; ОК - обратный клапан; НС - насосы смешения; Э - элеватор с ручным регулированием (иглой); СО - система отопления; СГВ - система горячего водоснабжения; ДП - диспетчерский пункт. Остальные обозначения см. в тексте

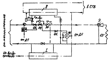
Рис. 2. Технологическая схема ЦТП со смешанной схемой присоединения водонагревателя горячего водоснабжения, автоматическим регулированием отпуска теплоты и независимым присоединением систем отопления:

НО - насос отопления; ВО - водонагреватель отопления. Остальные обозначения см. в тексте и на рис. 1

16. В действующих ЦТП при отсутствии бака-аккумулятора в ряде случаев могут применяться следующие схемы присоединения водонагревателя горячего водоснабжения:

при отсутствии устройств ограничения расхода - смешанная схема без регулятора расхода воды (с частичным ограничением расхода) (см. рис. 1, 2 без элементов УОР и РР, но с включением НС по импульсу tн) [4];

при ограниченной пропускной способности подводящих тепловых сетей и отсутствии устройств ограничения расхода - двухступенчатая последовательная схема (с переключением ее на смешанную по импульсу tн) [4].

17. Независимо от схемы водонагревателя горячего водоснабжения ЦТП с зависимым присоединением систем отопления зданий оборудуется корректирующими насосами смешения для систем отопления.

18. Схемы автоматизации регулирования отпуска теплоты в ЦТП включают (см. рис. 1, 2):

автоматический регулятор температуры воды на отопление в зависимости от температуры наружного воздуха (РО);

автоматический регулятор температуры воды на горячее водоснабжение (РТг);

автоматическое устройство ограничения расхода сетевой воды (УОР) - для смешанной с ограничением расхода схемы или автоматическое (или ручное) устройство переключения - для последовательной схемы с переключением на смешанную [4];

автоматический регулятор расхода воды на отопление (РР) - устанавливается в смешанных схемах п. 15 только при наличии в зданиях регулируемых вентиляционных установок или пофасадных регуляторов для систем отопления (см. рис. 1) или с целью гашения избыточного напора, а также в последовательной схеме п. 16;

автоматическое устройство включения насосов смешения по импульсу tн.

19. В элеваторных узлах зданий, присоединенных к ЦТП, целесообразно устанавливать элеваторы с регулируемым соплом с ручным управлением с целью правильного распределения теплоносителя во внутриквартальной сети по зданиям. Номер элеватора и диаметр сопла определяются так же, как и для обычного нерегулируемого элеватора.

20. Все потребители, присоединенные к магистральной тепловой сети помимо ЦТП жилых микрорайонов, должны иметь собственные автоматизированные тепловые пункты с регулированием отпуска теплоты на отопление и горячее водоснабжение.

При элеваторном присоединении этих потребителей должны быть установлены элеваторы с регулируемым соплом с автоматическим управлением (с регулятором температуры воды на отопление в зависимости от температуры окружающего воздуха). О выборе номера элеватора и диаметра сопла см. п. 19.

21. Функциональные и принципиальные электрические схемы автоматизации рекомендуется выполнять согласно литературе [4, 5] с применением комплексов АНС для ЦТП и элеваторов ЭРСА в блочном исполнении повышенной заводской готовности на базе единой аппаратуры серийного производства.

Порядок поэтапного внедрения автоматизации

22. Охват автоматизацией регулирования отпуска теплоты в ЦТП и тепловых пунктах отдельных потребителей должен быть максимально возможным на каждом этапе внедрения. Чем больше степень охвата автоматизацией, тем больше может быть получена экономия топлива на районной котельной.

23. Поэтапное внедрение автоматизации регулирования следует осуществлять путем охвата автоматизацией на каждом этапе целых магистралей.

Этап включает следующие мероприятия:

а) ЦТП и другие потребители выбранной для автоматизации магистрали автоматизируются согласно п. 15-21. При этом тепловая сеть должна быть гидравлически отрегулирована в соответствии с действующими положениями [7]. При необходимости внедрению автоматизации должны предшествовать работы по гидравлической наладке тепловой сети;

б) ЦТП и другие потребители остальных магистралей должны быть оборудованы обязательно регуляторами температуры воды на горячее водоснабжение. Схемы присоединения водонагревателя горячего водоснабжения в тепловых пунктах этих магистралей - смешанная без регулятора расхода или двухступенчатая последовательная [7]. Элеваторные узлы в зданиях должны быть отрегулированы на расчетный расход теплоносителя.

На головных участках этих магистралей следует установить регуляторы перепада давлений.

Лишь при выполнении этих мероприятий может быть обеспечено получение экономии топлива на котельной от работы регуляторов в ЦТП автоматизированной магистрали и сведен к минимуму перегрев потребителей неавтоматизированных магистралей.

Режимы работы автоматизированных ЦТП

24. В ЦТП жилых микрорайонов со смешанной с ограничением расхода схемой (п. 15) отпуск теплоты на отопление зданий на ЦТП производится по повышенному температурному графику, рассчитанному для отношения нагрузок rцтп = /Qо.р данного ЦТП, с учетом избыточных тепловыделений в помещениях (по минимуму) и снижения отпуска теплоты в ночные часы. Температура воды на горячее водоснабжение поддерживается на заданном уровне со снижением этого уровня в ночные часы.

Учет бытовых тепловыделений и снижения отпуска теплоты в ночные часы в графике производится опытным путем или путем расчета с последующей корректировкой температурного графика по данным замеров фактических температур воздуха в отапливаемых помещениях.

Требуемая зависимость температуры воды на отопление от температуры наружного воздуха (температурный график) и требуемая температура воды на горячее водоснабжение устанавливаются настроечными органами регуляторов РО и РТг. Перевод работы ЦТП на режим сниженного отпуска теплоты на отопление и температуры воды на горячее водоснабжение в ночные часы осуществляется программно-временным устройством.

Насос смешения включен в течение всего отопительного сезона. Во внутриквартальной сети поддерживается постоянный расход воды.

25. ЦТП со смешанной схемой (без ограничения расхода) (п. 15) имеет те же режимы работы, что и в п. 24. Отличие заключается в том, что регулятор отопления настраивается на отпуск теплоты по отопительному графику (с учетом бытовых тепловыделений и снижения отпуска теплоты в ночные часы) и насос смешения автоматически отключается при низких tн.

26. В ЦТП со смешанной схемой с частичным ограничением расхода (без регулятора расхода) (см. п. 16) в зимний период насосы смешения автоматически отключаются, клапан регулятора отопления РО открыты полностью. Благодаря повышенному температурному графику центрального регулирования и постоянному перепаду давлений сетевой воды здания получают за сутки требуемое при данной температуре наружного воздуха количество теплоты на отопление, так как схема обеспечивает использование аккумулирующей способности отапливаемых зданий.

Для осуществления ночного отпуска теплоты в этот период автоматически включается в ночные часы насос смешения и регулятор отопления.

В переходный период сезона автоматически включаются насосы смешения (сначала один, затем с повышением температуры наружного воздуха и второй) и регулятор отопления РО [4]. Отпуск теплоты на отопление зданий из ЦТП производится по отопительному температурному графику с учетом избыточных тепловыделений и снижения отпуска теплоты в ночные часы. Настройка регуляторов производится аналогично п. 24.

27. ЦТП с последовательным присоединением водонагревателя горячего водоснабжения и переключением (см. п. 16) работает в зимний период по последовательной схеме. При этом насосы автоматически отключаются. В ночные часы этого периода автоматически может включаться насос смешения и регулятор для обеспечения снижения отпуска теплоты на отопление.

В переходный период водонагреватель горячего водоснабжения автоматически (или обходчиком) переключается на смешанную схему, автоматически включаются насосы смешения и регулятор отопления; режимы их работы и настройка регуляторов такие же, как и в п. 26 для аналогичного периода сезона. Настройка устройства переключения производится согласно [4].

28. Расчетные расходы сетевой воды на ЦТП и других пунктов определяются согласно СНиП II-36-73 и [4, 5, 7] в точке излома графика с учетом наличия или отсутствия бака-аккумулятора, типа схемы присоединения водонагревателя горячего водоснабжения, наличия или отсутствия устройств ограничения расхода и регулятора расхода воды.

При расчете расходов температура подающей сетевой воды на входе теплового пункта принимается с учетом влияния тепловых потерь в подводящей сети, а для действующих систем теплоснабжения - равной фактической.

29. В ЦТП с зависимым присоединением систем отопления гидравлический режим работы насосов должен быть согласован с гидравлическим режимом работы тепловой сети в точке присоединения ЦТП. Это согласование осуществляется в процессе наладки, при этом могут быть применены различные способы:

с помощью вентилей (задвижек) на обводных и нагнетательных трубопроводах насосов;

обточкой рабочего колеса насосов;

заменой двухходового клапана регулятора отопления (РО на рис. 1) на трехходовой клапан;

установкой второго двухходового клапана на перемычке после насосов, управляемого регулятором РО одновременно с первым в разных направлениях.

30. При необходимости централизованного ограничения отпуска теплоты в котельной снижают температуру подающей сетевой воды. При этом на период ограничения автоматически открываются полностью клапаны регуляторов отопления во всех ЦТП и автоматически (или телемеханически из диспетчерского пункта) отключаются насосы смешения в тех ЦТП где они до ограничения были включены.

При снижении температуры наружного воздуха ниже своего расчетного значения для систем отопления с целью уменьшения величины недодачи теплоты на отопление отключаются водонагреватели горячего водоснабжения в ЦТП (обходчиком) в порядке, предусмотренном действующей на предприятии инструкцией по эксплуатации ЦТП. При этом также открывается полностью клапан регулятора отопления и отключаются насосы смешения (если последние были включены).

Режимы работы тепловых сетей

31. Расход воды в магистральной тепловой сети определяется принятым температурным графиком центрального регулирования и схемами и режимами работы автоматизированных ЦТП. Расчетный суммарный расход сетевой воды определяется для точки излома температурного графика, как сумма расчетных расходов сетевой воды всех тепловых пунктов, найденных по п. 28.

32. Среднесуточный суммарный расход сетевой воды в сети имеет наибольшее значение, равное расчетному расходу, в точке излома графика. При снижении температуры наружного воздуха до расчетной расход уменьшается незначительно (до 10 %), при этом насосы смешения могут не работать. При повышении температуры наружного воздуха от точки излома расход снижается до значения, определяемого лишь нагрузкой горячего водоснабжения и его циркуляционной нагрузкой в конце (начале) отопительного сезона [2].

Снижения суммарного расхода воды от расчетного, особенно в переходный период, и обуславливают экономию теплоты и соответственно топлива и электроэнергии на теплоисточнике от внедрения комплексной автоматизации регулирования в ЦТП.

33. Для обеспечения указанного снижения расхода сетевой воды необходимо строгое соблюдение параметров режима отпуска теплоты из котельной и параметров отпуска теплоты из ЦТП, что должно контролироваться средствами телемеханики [6] или обходчиками.

34. При наличии сетевой насосной станции давления в подающем и обратном трубопроводах должны поддерживаться постоянными на уровнях, определенных по п. 12 для района сети, охватываемой станцией.

Схемы автоматизации станций принимаются согласно справочнику [7].

35. При передаче ТЭЦ всех (или части) тепловых сетей районной котельной с ЦТП, оборудованными регуляторами отпуска теплоты, кроме мероприятий, связанных с возможным изменением гидравлических режимов работы сетей, необходимо выполнить весь комплекс мероприятий по п. 23 для неавтоматизированных магистралей от ТЭЦ. В случае изменения rт (см. п. 10) повышенный график отпуска теплоты от ТЭЦ уточняется.

IV. РЕЖИМЫ РАБОТЫ СИСТЕМЫ ТЕПЛОСНАБЖЕНИЯ ПРИ СПЛОШНОЙ АВТОМАТИЗАЦИИ ЦТП

Режимы регулирования отпуска теплоты из районной котельной

36. Центральное регулирование отпуска теплоты осуществляется по ступенчатому температурному графику количественного регулирования при постоянном перепаде давлений воды на выходе котельной (в перспективе при освоении средств регулирования скорости вращения сетевых насосов - при переменном перепаде давлений воды на выходе котельной).

Ступенчатый температурный график количественного регулирования представляет собой график, в каждой из ступеней которого температура подающей сетевой воды tс поддерживается постоянной.

37. Наиболее целесообразен следующий график:

первая ступень - при температуре наружного воздуха tн ³ tн1 (включая и летний период) температура подающей сетевой воды tс1 = 105-120 °С;

вторая ступень - при температуре наружного воздуха tн1 > tн ³ tн2 температура подающей сетевой воды tс2 = 125-135 °С;

третья ступень - при температуре наружного воздуха tн < tн2 температура подающей сетевой воды равна расчетной tрс.

Значения температур наружного воздуха tн1 и tн2, при которых происходит переход с одной ступени на другую, принимаются согласно повышенному или отопительному графику, построенному по п. 9-11.

Меньшее значение tс1 (и соответственно tс2) принимается при относительно меньшей протяженности тепловых сетей, большее значение - при большей протяженности сетей (с учетом обеспечения у наиболее удаленного потребителя температуры сетевой воды не ниже 100 °С).

38. Для условий Москвы (расчетная температура наружного воздуха для отопления tрн = -25 °С, rг = 0,25), например, может быть принята первая ступень tс1 = 120 °С при tн1 ³ -13 °С, которая составляет по длительности в отопительный период 88 % этого периода; вторая ступень tс2 = 135 °С при -13 °С > tн2 ³ -19 °С с длительностью 8 % отопительного периода; третья ступень tс3 = tрc при tн2 < -19 °С (длительность 4 %).

39. Если котельная не имеет избытков тепловой мощности, т.е. ее мощность не больше, чем требуется для покрытия расчетной нагрузки отопления, вентиляции и среднечасовой нагрузки горячего водоснабжения, график должен состоять из двух частей:

первая - при температуре наружного воздуха tн ³ tн1 (включал и летний период) температура подающей сетевой воды постоянная и равна tс1 = 105-120 °С;

вторая - при температуре наружного воздуха tн1 > tн ³ tрн температура подающей сетевой воды tс2 изменяется по повышенному или отопительному графику по п. 9-11.

40. Способы поддержания постоянными температуры и давления подающей воды и давления обратной воды и выбор величин регулируемых давлений аналогичны п. 12-14.

Технологические системы и схемы автоматизации

41. Присоединение водонагревателя горячего водоснабжения в ЦТП и других тепловых пунктах осуществляется по смешанной схеме (как при наличии бака-аккумулятора, так и при его отсутствии).

42. ЦТП с зависимым присоединением систем отопления зданий оборудуется корректируемыми насосами смешения для систем отопления.

43. Схема автоматизации регулирования отпуска теплоты в ЦТП включает: автоматический регулятор температуры воды на отопление в зависимости от температуры наружного воздуха; автоматический регулятор температуры воды на горячее водоснабжение; автоматический регулятор расхода воды на отопление устанавливается в случаях, указанных в п. 18. Схемы выполняются согласно литературе [4, 5] с применением комплексов АНС (см. п. 21).

44. В элеваторных узлах зданий, присоединенных к ЦТП, устанавливаются элеваторы с регулируемым соплом с ручным управлением аналогично п. 19.

45. Все потребители, присоединенные к магистральным тепловым сетям помимо ЦТП жилых микрорайонов, должны иметь собственные автоматизированные тепловые пункты с регулированием отпуска теплоты на отопление и горячее водоснабжение. При элеваторном присоединении схема автоматизации отопления этих потребителей должна осуществляться по одному из следующих вариантов, включая: обычный элеватор, бесшумный электронасос на подмешивающем трубопроводе к элеватору, автоматический регулятор отпуска теплоты с установкой клапана на подающем трубопроводе перед элеватором; элеватор с регулируемым соплом с автоматическим регулированием (аналогично п. 20 и 21) и бесшумный электронасос на подмешивающем трубопроводе к элеватору.

Режимы работы автоматизированных ЦТП

46. В ЦТП жилых микрорайонов и других тепловых пунктах отпуск теплоты на отопление зданий производится по отопительному температурному графику с учетом избыточных тепловыделений (по минимуму) и снижения отпуска теплоты в ночные часы. Настройка регуляторов и режимы работы аналогичны п. 24. Согласование режима работы смесительных насосов с сетью аналогично п. 29.

47. При осуществлении отпуска теплоты из котельной по графику п. 39 на диапазоне температуры наружного воздуха tн < tн1 в ЦТП автоматически насосы смешения отключаются и открываются полностью клапаны регуляторов отопления: ЦТП переходит на режим работы по смешанной схеме (с частичным ограничением расхода при повышенном графике).

48. Расчетный расход сетевой воды на ЦТП и других пунктах определяется согласно СНиП II-36-73 и литературе [4, 5] при температуре наружного воздуха, равной tн1. Температура подающей сетевой воды на входе пункта принимается с учетом влияния тепловых потерь в подводящей тепловой сети, а для действующей системы - равной фактической.

49. Режимы работы ЦТП при ограничении отпуска теплоты от котельной и снижении tн ниже расчетной аналогичны п. 30.

Режимы работы тепловых сетей

50. Расчетный суммарный расход сетевой воды определяется при температуре tн1, как сумма расчетных расходов сетевой воды всех тепловых пунктов, найденных по п. 48.

51. Среднесуточный суммарный расход в сети имеет наибольшее значение, равное расчетному расходу при температуре наружного воздуха tн1. При снижении температуры наружного воздуха ниже tн1 расход уменьшается незначительно. При повышении температуры наружного воздуха выше tн1 расход снижается до значения, определяемого лишь нагрузкой горячего водоснабжения и его циркуляционной нагрузкой в конце (начале) отопительного сезона.

52. В системах теплоснабжения с сетями с резервированием локализация авария в сети должна осуществляться при условии подачи 100 % теплоты всем потребителям. Это обеспечивается возможностью поддержания в течение значительной части отопительного сезона высокой температуры подающей сетевой воды. При необходимости значение этой температуры на период аварийно-восстановительных работ поднимается до более высокого уровня, определяемого гидравлическим расчетом тепловой сети и расчетом режимов работы ЦТП.

53. При применении центрального количественного регулирования в котельной любое активное изменение отпуска теплоты потребителям может быть осуществлено лишь в ЦТП с помощью автоматических регуляторов отопления и горячего водоснабжения и путем воздействия на их задатчики. От качества работы этих регуляторов зависит эффективность и надежность теплоснабжения.

Кроме того, рассматриваемый режим регулирования обуславливает в сезонном и суточном разрезах изменение расхода воды в сети и, следовательно, изменение давлений води в сети, которые должны стабилизироваться на котельной и в насосных сетевых станциях (при их наличии).

Поэтому роль контроля регулируемых параметров ЦТП и котельной, расходов и давлений в сетях, а также управления оборудованием в ЦТП становится весьма ответственной. Этот контроль и управление наиболее целесообразно осуществлять из диспетчерского пункта с применением средств телемеханики по рекомендациям [6].

V. ПОРЯДОК ВНЕДРЕНИЯ ИНСТРУКЦИИ

54. При внедрении комплексной автоматизации ЦТП теплоэнергетические предприятия составляют план внедрения с указанием этапов автоматизации, их объемов и сроков.

Этапы автоматизации должны отвечать требованиям настоящей инструкции.

55. На основании настоящей инструкции теплоэнергетические предприятия уточняют в связи с комплексной автоматизацией ЦТП действующие инструкции по режимам работы котельных и инструкций по эксплуатации ЦТП применительно к конкретным условиям функционирования каждой из систем теплоснабжения предприятия.

56. При уточнении указанных в п. 55 инструкций учитываются: фактические параметры графиков температур воды, поддерживаемых на теплоисточниках; принятые способы регулирования отпуска теплоты от котельных (в частности, регулирование по требуемому в суточном разрезе количеству теплоты); принятые схемы присоединения водонагревателей горячего водоснабжения в ЦТП; объемы автоматизации и функциональные возможности фактически установленной в ЦТП аппаратуры регулирования отпуска теплоты; степень загрузки котельной и тепловых сетей.

57. На основании настоящей инструкции наладочные организации уточняют методику расчета расходов воды на ЦТП и в магистралях, уточняют порядок наладки сетей.

58. С целью выявления экономической эффективности внедрения комплексной автоматизации регулирования отпуска теплоты в ЦТП теплоэнергетические предприятия в течение не менее двух отопительных сезонов определяют величину экономия топлива и электроэнергии путем сравнения фактических расходов энергоресурсов при внедрении автоматизации с аналогичными расходами до ее внедрения. При этом целесообразно использовать методику определения экономии, предложенную АКХ им. К.Д. Памфилова [2].

По результатам анализа экономического эффекта определяют мероприятия по дальнейшему развитию автоматизации отпуска теплоты и совершенствованию управления теплоснабжением в целом (телемеханизация, создание АСУТП).

ЛИТЕРАТУРА

1. Зингер Н. М. Гидравлические и тепловые режимы теплофикационных систем. - М.: Энергия, 1976, с. 303-306.

2. Инструкция по режимам работы закрытых систем теплоснабжения от районных котельных при комплексной автоматизации регулирования отпуска теплоты и центральных тепловых пунктах. ВНТИЦентр, 1982, инв. № 0283.0.015386.

3. Наладка систем централизованного теплоснабжения (справочное пособие). - М.: Стройиздат, 1979, с. 138.

4. Рекомендации по проектированию автоматизации регулирования отпуска тепловой энергии в центральных тепловых пунктах жилых микрорайонов при закрытой системе теплоснабжения. - М.: ОНТИ АКХ им. К.Д. Памфилова, 1982.

5. Руководство по проектированию тепловых пунктов. - М.: Стройиздат, 1983.

6. Рекомендации по проектированию и эксплуатации средств телемеханики в коммунальной энергетике. - М.: ОНТИ АКХ им. К.Д. Памфилова, 1983.

7. Справочник по наладке и эксплуатации водяных тепловых сетей. - М.: Стройиздат, 1982.

СОДЕРЖАНИЕ

 

 




ГОСТЫ, СТРОИТЕЛЬНЫЕ и ТЕХНИЧЕСКИЕ НОРМАТИВЫ.
Некоммерческая онлайн система, содержащая все Российские Госты, национальные Стандарты и нормативы.
В Системе содержится более 150000 файлов нормативно-технической документации, действующей на территории РФ.
Система предназначена для широкого круга инженерно-технических специалистов.

Рейтинг@Mail.ru Яндекс цитирования

Copyright © www.gostrf.com, 2008 - 2026