Крупнейшая бесплатная информационно-справочная система онлайн доступа к полному собранию технических нормативно-правовых актов РФ. Огромная база технических нормативов (более 150 тысяч документов) и полное собрание национальных стандартов, аутентичное официальной базе Госстандарта. GOSTRF.com - это более 1 Терабайта бесплатной технической информации для всех пользователей интернета. Все электронные копии представленных здесь документов могут распространяться без каких-либо ограничений. Поощряется распространение информации с этого сайта на любых других ресурсах. Каждый человек имеет право на неограниченный доступ к этим документам! Каждый человек имеет право на знание требований, изложенных в данных нормативно-правовых актах!

  


 

Государственное санитарно-эпидемиологическое
нормирование Российской Федерации

УТВЕРЖДЕНО

                                                                         Председатель Госкомсанэпиднадзора России

                                                                    Главный государственный санитарный врач

                                                             Российской Федерации

Е.Н. Беляев

                                                                    8 июня 1996 г.

                                                                    МУК 4.1.0.428-96

                                                                    Дата введения: с момента утверждения

4.1. МЕТОДЫ КОНТРОЛЯ. ХИМИЧЕСКИЕ ФАКТОРЫ

Спектрофотометрическое измерение концентраций дихлорацетамидометил-6-хлорбензойной кислоты («хлоромета») в воздухе рабочей зоны

М. м. 296,536

«Хлоромет» (смесь изомеров пара- и орто- к атому хлора) - порошок от белого до розово-кремового цвета. Устойчив при хранении. Растворим в метаноле и этаноле, не растворим в воде, толуоле и хлористом метилене. Тпл. - 159 - 167 °С.

В воздухе находится в виде аэрозоля.

Оказывает общетоксическое действие, слабо раздражает кожу и умеренно - слизистые глаз. Сенсибилизирующим действием не обладает.

ОБУВ в воздухе рабочей зоны - 1 мг/м3.

Характеристика метода

Определение основано на измерении светопоглощения растворов «хлоромета» в метаноле при длине волны 216 нм.

Отбор проб проводится с концентрированием на фильтр.

Нижний предел измерения концентраций вещества в анализируемом объеме раствора - 20 мкг.

Нижний предел измерения «хлоромета» в воздухе - 0,5 мг/м3 (при отборе 40 л).

Диапазон измеряемых концентраций в воздухе - от 0,5 до 12 мг/м3.

Определению не мешают пары спирта. Оно избирательно на стадиях сушки, просеивания и фасовки.

Суммарная погрешность измерения не превышает 16 %.

Время выполнения измерения - 60 мин.

Приборы, аппаратура, посуда

Спектрофотометр М-40 UV-Vis

Аспирационное устройство

Фильтродержатели

Стаканы химические, вместимостью 100 мл                                     ГОСТ 10394-72

Колбы мерные, вместимостью 25 и 100 мл                                        ГОСТ 1770-74

Пипетки, вместимостью 1, 2, 5 и 10 мл                                              ГОСТ 20292-74

Реактивы, растворы, материалы

«Хлоромет»

Метиловый спирт                                                                                  ГОСТ 2222-78

Стандартный раствор с концентрацией вещества 200 мкг/мл готовят растворением 0,02 г «хлоромета» в метаноле в мерной колбе, вместимостью 100 мл.

Раствор устойчив в течение 3 недель.

Фильтры АФА-ВП-10                                                                           ТУ 95-743-80

Отбор пробы воздуха

Воздух с объемным расходом 10 л/мин аспирируют через фильтр типа АФА-ВП-10. Для измерения 1/2 ОБУВ следует отобрать 40 л воздуха. Срок хранения отобранных проб - 5 суток.

Подготовка к измерению

Градуировочные растворы (устойчивы в течение 2 суток) готовят согласно таблице.

Таблица

Шкала градуировочных растворов

№ стандарта

Стандартный раствор, мл

Метанол, мл

Содержание «хлоромета» в градуировочном р-ре, мкг

1

0

10

0

2

0,1

9,9

20

3

0,3

9,7

60

4

0,6

9,4

120

5

1,2

8,8

240

6

2,4

7,6

480

Подготовленные градуировочные растворы перемешивают и через 10 мин измеряют оптическую плотность на спектрофотометре при длине волны 216 нм. Измерение проводят в кюветах с толщиной поглощающего слоя 1 мм по отношению к раствору сравнения, не содержащему определяемого вещества (стандарт № 1 по таблице).

Строят градуировочные график: на ось ординат наносят значения оптической плотности градуировочных растворов, на ось абсцисс - соответствующие им величины содержания вещества в градуировочном растворе (мкг).

Проверка градуировочного графика проводится 1 раз в 3 месяца.

Проведение измерения

Фильтр с отобранной пробой переносят в химический стакан, приливают 10 мл мэтанола, перемешивают стеклянной палочкой 5 - 10 мин, фильтр отжимают и удаляют. Степень десорбции составляет 98 %. Оптическую плотность полученного анализируемого раствора пробы измеряют аналогично градуировочным растворам по сравнению с метанолом.

Расчет концентрации

Концентрацию вещества (С) в воздухе (мг/м3) вычисляют по формуле:

а - содержание вещества в анализируемом объеме раствора пробы, найденное по градуировочному графику, мкг;

V - объем воздуха, отобранного для анализа и приведенного к стандартным условиям, л (см. приложение 1).

Методические указания разработаны ВНЦБАВ, Одесским НИИ стоматологии.

Приложение 1

Приведение объема воздуха к стандартным условиям (температура 20 °С и давление 760 мм рт. ст.)

проводят по формуле

Vt - объем воздуха, отобранный для анализа, л;

Р - барометрическое давление, кПа (101,33 кПа = 760 мм рт. ст.);

t - температура воздуха в месте отбора пробы, °С.

Для удобства расчета V20 следует пользоваться таблицей коэффициентов (приложение 2). Для приведения воздуха к стандартным условиям надо умножить Vt на соответствующий коэффициент.

Приложение 2

Коэффициенты для приведения объема воздуха к стандартным условиям

Давление Р, кПа/мм рт. ст.

°С

97,33/730

97,86/734

98,4/738

98,93/742

99,46/746

100/750

100,53/754

101,06/758

101,33/760

101,86/764

-30

1,1582

1,1646

1,1709

1,1772

1,1836

1,1899

1,1963

1,2026

1,2058

1,2122

-26

1,1393

1,1456

1,1519

1,1581

1,1644

1,1705

1,1768

1,1831

1,1862

1,1925

-22

1,1212

1,1274

1,1336

1,1396

1,1458

1,1519

1,1581

1,1643

1,1673

1,1735

-18

1,1036

1,1097

1,1158

1,1218

1,1278

1,1338

1,1399

1,1460

1,1490

1,1551

-14

1,0866

1,0926

1,0986

1,1045

1,1105

1,1164

1,1224

1,1284

1,1313

1,1373

-10

1,0701

1,0760

1,0819

1,0877

1,0986

1,0994

1,1053

1,1112

1,1141

1,1200

-6

1,0540

1,0599

1,0657

1,0714

1,0772

1,0829

1,0887

1,0945

1,0974

1,1032

-2

1,0385

1,0442

1,0499

1,0556

1,0613

1,0669

1,0726

1,0784

1,0812

1,0869

0

1,0309

1,0366

1,0423

1,0477

1,0535

1,0591

1,0648

1,0705

1,0733

1,0789

+2

1,0234

1,0291

1,0347

1,0402

1,0459

1,0514

1,0571

1,0627

1,0655

1,0712

+6

1,0087

1,0143

0,0198

1,0253

1,0309

1,0363

1,0419

1,0475

1,0502

1,0557

+10

0,9944

0,9999

0,0054

1,0108

1,0162

1,0216

1,0272

1,0326

1,0353

1,0407

+14

0,9806

0,9860

0,9914

0,9967

1,0027

1,0074

1,0128

1,0183

1,0209

1,0263

+18

0,9671

0,9725

0,9778

0,9830

0,9884

0,9936

1,9989

1,0043

1,0069

1,0122

+20

0,9605

0,9658

0,9711

0,9783

0,9816

0,9868

0,9921

0,9974

1,0000

1,0053

+22

0,9539

0,9592

0,9645

0,9696

0,9749

0,9800

0,9853

0,9906

0,9932

1,9985

+24

0,9475

0,9527

0,9579

0,9631

0,9683

0,9735

0,9787

0,9839

0,9865

1,9917

+26

0,9412

0,9464

0,9516

0,9566

0,9618

0,9669

0,9721

0,9773

0,9799

1,9851

+28

0,9349

0,9401

0,9453

0,9503

0,9555

0,9605

0,9657

0,9708

0,9734

1,9785

+30

0,9288

0,9339

0,9391

0,9440

0,9432

0,9542

0,9594

0,9645

0,9670

0,9723

+34

0,9167

0,9218

0,9268

0,9318

0,9368

0,9418

0,9468

0,9519

0,9544

0,9595

+38

0,9049

0,9099

0,9149

0,9199

0,9248

0,9297

0,9347

0,9397

0,9421

0,9471

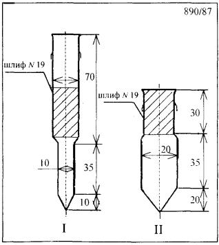
Приложение 3

Рис. 1

Ловушка-концентратор.

Общий вид.

Рис. 2

Ловушка-концентратор.

Приложение 4

Вещества, определяемые по ранее утвержденным методическим указаниям

Название вещества

Методические указания

1. Аммоний винно-кислый кислый

Методические указания на фотометрическое определение аммиака: Сб. МУ в. 1 - 5. - М., 1981. - 58 с.

К = 9,82

Аммоний винно-кислый

Методические указания на фотометрическое определение аммиака: Сб. МУ в. 1 - 5. - М., 1981 - 58 с.

К = 5,41

2. Калий винно-кислый

Калий виннокислый кислый

Методические указания по измерению концентраций сульфата калия, калийной магнезии и хлорида калия в воздухе рабочей зоны: Сб. МУ, в. 22. - М., 1988 - 182 с.

К = 2,9 и 4,82

3. Калий сурьмоксид винно-кислый

Методические указания по полярографическому измерению концентраций сурьмы в воздухе рабочей зоны: Сб. МУ, в. 8. - М., 1983. - 90 с.

К = 2,66

4. Натрий винно-кислый кислый

Методические указания по измерению концентраций натрия сульфата в воздухе рабочей зоны методом атомно-абсорбционной спектрофотометрии: Сб. МУ, в. 21. - М., 1986 - 135с.

К = 7,48

Натрий винно-кислый

Методические указания по измерению концентраций натрия сульфата в воздухе рабочей зоны методом атомно-абсорбционной спектрофотометрии: Сб. МУ, в. 21. - М., 1986 - 135 с.

К = 4,22

Калий-натрий винно-кислый

Методические указания по измерению концентраций натрия сульфата в воздухе рабочей зоны методом атомно-абсорбционной спектрофотометрии: Сб. МУ, в. 21. - М., 1986. - 135 с.

К = 3,39

5. Полиметилмочевина

Методические указания по гравиметрическому определению пыли в воздухе рабочей зоны и в системах вентиляционных установок: Сб. МУ, в. 1 - 5. - М., 1981. - 235 с.

6. Трифторметансульфофторид (фторангидрид трифторметан сульфокислоты)

Методические указания на фотометрическое определение фторорганических соединений: Сб. МУ, в. 1 - 5. - М. 1981. - 187 с.

К = 2

7. Хлоргидрат изонипекотиновой кислоты

Методические указания на фотометрическое определение диэтиламина в воздухе: Сб. МУ, в. 1 - 5. -  М., 1981. - 123 с. Отбор проб на фильтр со скоростью 2 л/мин.

 

 




ГОСТЫ, СТРОИТЕЛЬНЫЕ и ТЕХНИЧЕСКИЕ НОРМАТИВЫ.
Некоммерческая онлайн система, содержащая все Российские Госты, национальные Стандарты и нормативы.
В Системе содержится более 150000 файлов нормативно-технической документации, действующей на территории РФ.
Система предназначена для широкого круга инженерно-технических специалистов.

Рейтинг@Mail.ru Яндекс цитирования

Copyright © www.gostrf.com, 2008 - 2026