Крупнейшая бесплатная информационно-справочная система онлайн доступа к полному собранию технических нормативно-правовых актов РФ. Огромная база технических нормативов (более 150 тысяч документов) и полное собрание национальных стандартов, аутентичное официальной базе Госстандарта. GOSTRF.com - это более 1 Терабайта бесплатной технической информации для всех пользователей интернета. Все электронные копии представленных здесь документов могут распространяться без каких-либо ограничений. Поощряется распространение информации с этого сайта на любых других ресурсах. Каждый человек имеет право на неограниченный доступ к этим документам! Каждый человек имеет право на знание требований, изложенных в данных нормативно-правовых актах!

  


 

Государственное санитарно-эпидемиологическое
нормирование Российской Федерации

УТВЕРЖДЕНО

                                                                         Председатель Госкомсанэпиднадзора России

                                                                    Главный государственный санитарный врач

                                                             Российской Федерации

Е.Н. Беляев

                                                                    8 июня 1996 г.

                                                                    МУК 4.1.0.430-96

                                                                    Дата введения: с момента утверждения

4.1. МЕТОДЫ КОНТРОЛЯ. ХИМИЧЕСКИЕ ФАКТОРЫ

Измерение концентраций железа глиперофосфата методом атомно-абсорбционной спектрофотометрии в воздухе рабочей зоны

                       М. м. 621,9 ´ nН2О

Железа (окисного) глиперофосфат - кристаллическое вещество светло-желтого цвета. Не растворим в воде. Трудно растворим в спирте. Растворим в водных растворах соляной, серной и азотной кислот. При температуре свыше 80 °С выделяет связанную воду. Тразлож. - 185 - 190 °С.

В воздухе находится в виде аэрозоля.

Обладает общетоксическим действием.

ОБУВ в воздухе - 10 мг/м3.

Характеристика метода

Метод основан на измерении абсорбции возбужденными атомами железа резонансного излучения с длиной волны 248,3 нм. Атомизация осуществляется в пламени ацетилен-воздух.

Отбор проб проводят с концентрированием на фильтр.

Нижний предел измерения содержания ионов железа в хроматогра-фируемом объеме пробы (1 мл) - 0,5 мкг, соответственно содержания железа глиперофосфата (в пересчете на безводный) - 5,57 мкг.

Нижний предел измерения концентраций железа глиперофосфата в воздухе - 5 мг/м при отборе 11 л воздуха).

Диапазон измеряемых концентраций железа глиперофосфата в воздухе - от 5 до 100 мг/м3.

Определению не мешает присутствие ионов других 2- и 3-валентных металлов, мешает присутствие ионов натрия и калия в концентрациях, превышающих концентрацию анализируемых элементов на 3 - 4 порядка.

Суммарная погрешность измерения не превышает ± 20 %.

Время выполнения измерения, включая отбор пробы, - около 40 мин.

Приборы, аппаратура, посуда

Атомно-абсорбционный спектрофотометр

«Сатурн», С-302, AAS-1 или другие модели

Лампа «Narva» (ГДР) или ЛСП-1 (СССР)

Электроаспиратор ЭА-1                                                                       ОСТ 95.10052-84

Фильтродержатель

Колбы мерные, вместимостью 100 мл                                                ГОСТ 1770-74

Пипетки, вместимостью 2, 10 мл                                                        ГОСТ 20292-74

Пробирки с пришлифованными пробками,

вместимостью 10 мл                                                                             ГОСТ 10515-75

Реактивы, растворы, материалы

Fе2О3 - окись железа                                                                              ТУ 4173-77

Кислота соляная, ос. ч., 0,1 Н раствор                                                 ТУ 14261-77

Ацетилен в баллоне с редукторами                                                     ГОСТ 5457-75

Сжатый воздух (окислитель) III класс                                                 ГОСТ 17433-80

Стандартный раствор № 1 с концентрацией ионов железа 100 мкг/мл готовят растворением 0,00143 г окиси железа в 0,1 Н растворе соляной кислоты в мерной колбе, вместимостью 100 мл.

Стандартный раствор № 2 с концентрацией ионов железа 10 мкг/мл готовят соответствующим разбавлением стандартного раствора № 1 0,1 Н раствором соляной кислоты.

Растворы устойчивы в течение месяца.

Фильтры аналитические стекловолокнистые                                    ТУ 8-ЮП-1-77

Отбор пробы воздуха

Воздух с объемным расходом 2 л/мин аспирируют через аналитический стекловолокнистый фильтр. Для определения 1/2 ОБУВ достаточно отобрать 11 л воздуха. Пробы можно хранить в закрытых сосудах в холодильнике в течение месяца.

Подготовка к измерению

Градуировочные растворы готовят согласно таблице.

Таблица

Шкала градуировочных растворов

№ стандарта

Стандартный р-р № 2, мл

0,1 Н соляной кислоты, мл

Концентрация ионов Fe в градуировочном р-ре, мкг/мл

1

0,5

9,5

0,5

2

1,0

9,0

1,0

3

4,0

6,0

4,0

4

6,0

4,0

6,0

5

8,0

2,0

8,0

6

10,0

0

10,0

Градуировочные растворы подают в распылительную камеру прибора, где происходит переход раствора в парообразное состояние. Измеряют поглощение излучения с длиной волны 248,3 нм.

Аналогично измеряют аналитический сигнал холостого раствора.

Условия спектрофотометрирования градуировочных смесей и анализируемых проб:

скорость подачи воздуха                                                                  500 л/ч;

скорость подачи ацетилена                                                             50 л/ч;

скорость движения диаграммной ленты                                        3 мм/мин;

длина волны для определения ионов Fe                                         248,3 нм;

ФЭУ                                                                                                    2 - 3;

ширина щели                                                                                     0,2 мм;

усиление сигнала                                                                              4 - 6;

постоянная времени                                                                         1 с;

диапазон тока                                                                                    -;

объем вводимой пробы                                                                    1 мл.

Данные в таблице приведены для атомно-абсорбционного спектрофотометра AAS-1. При работе на других марках приборов требуется соответствующая корректировка данных.

Строят градуировочный график: на ось ординат наносят значения светопоглощения растворов при заданном диапазоне тока, на ось абсцисс - соответствующее им содержание ионов Fe в анализируемом объеме пробы.

Построение градуировочных графиков необходимо проводить - не менее чем по 6 точкам. Проверку градуировочных графиков следует проводить при изменении условий анализа, но не реже 1 раза в месяц.

Проведение измерения

Фильтр с отобранной пробой помещают в пробирку и добавляют 10 мл 0,1 Н раствора соляной кислоты. Пробирку помещают в водяную баню и дают выдержку в течение 15 мин при температуре 50 - 55 °С и периодическом перемешивании.

Степень десорбции с фильтра - 97 %.

1 мл полученного раствора вводят в распылительную камеру.

Спектрофотометрирование анализируемого раствора проводят в тех же условиях, что и при построении градуировочного графика.

Количественное определение содержания ионов Fe в анализируемом объеме проводят по соответствующим предварительно построенным градуировочным графикам.

Расчет концентрации

Концентрацию (С) железа глиперофосфата (в пересчете на безводный) в воздухе (мг/м3) вычисляют по формуле:

а - содержание ионов Fe в спектрофотометрируемом объеме пробы, найденное по соответствующему градуировочному графику, мкг;

б - объем пробы, взятой для анализа, мл;

в - общий объем пробы, мл;

К - коэффициент пересчета (для безводного железа глиперофосфата К = 11,1);

V - объем воздуха, отобранного для анализа и приведенного к стандартным условиям, л (см. приложение 1).

Методические указания разработаны НИО «Экотокс», г. Москва.

Приложение 1

Приведение объема воздуха к стандартным условиям (температура 20 °С и давление 760 мм рт. ст.)

проводят по формуле

Vt - объем воздуха, отобранный для анализа, л;

Р - барометрическое давление, кПа (101,33 кПа = 760 мм рт. ст.);

t - температура воздуха в месте отбора пробы, °С.

Для удобства расчета V20 следует пользоваться таблицей коэффициентов (приложение 2). Для приведения воздуха к стандартным условиям надо умножить Vt на соответствующий коэффициент.

Приложение 2

Коэффициенты для приведения объема воздуха к стандартным условиям

Давление Р, кПа/мм рт. ст.

°С

97,33/730

97,86/734

98,4/738

98,93/742

99,46/746

100/750

100,53/754

101,06/758

101,33/760

101,86/764

-30

1,1582

1,1646

1,1709

1,1772

1,1836

1,1899

1,1963

1,2026

1,2058

1,2122

-26

1,1393

1,1456

1,1519

1,1581

1,1644

1,1705

1,1768

1,1831

1,1862

1,1925

-22

1,1212

1,1274

1,1336

1,1396

1,1458

1,1519

1,1581

1,1643

1,1673

1,1735

-18

1,1036

1,1097

1,1158

1,1218

1,1278

1,1338

1,1399

1,1460

1,1490

1,1551

-14

1,0866

1,0926

1,0986

1,1045

1,1105

1,1164

1,1224

1,1284

1,1313

1,1373

-10

1,0701

1,0760

1,0819

1,0877

1,0986

1,0994

1,1053

1,1112

1,1141

1,1200

-6

1,0540

1,0599

1,0657

1,0714

1,0772

1,0829

1,0887

1,0945

1,0974

1,1032

-2

1,0385

1,0442

1,0499

1,0556

1,0613

1,0669

1,0726

1,0784

1,0812

1,0869

0

1,0309

1,0366

1,0423

1,0477

1,0535

1,0591

1,0648

1,0705

1,0733

1,0789

+2

1,0234

1,0291

1,0347

1,0402

1,0459

1,0514

1,0571

1,0627

1,0655

1,0712

+6

1,0087

1,0143

0,0198

1,0253

1,0309

1,0363

1,0419

1,0475

1,0502

1,0557

+10

0,9944

0,9999

0,0054

1,0108

1,0162

1,0216

1,0272

1,0326

1,0353

1,0407

+14

0,9806

0,9860

0,9914

0,9967

1,0027

1,0074

1,0128

1,0183

1,0209

1,0263

+18

0,9671

0,9725

0,9778

0,9830

0,9884

0,9936

1,9989

1,0043

1,0069

1,0122

+20

0,9605

0,9658

0,9711

0,9783

0,9816

0,9868

0,9921

0,9974

1,0000

1,0053

+22

0,9539

0,9592

0,9645

0,9696

0,9749

0,9800

0,9853

0,9906

0,9932

1,9985

+24

0,9475

0,9527

0,9579

0,9631

0,9683

0,9735

0,9787

0,9839

0,9865

1,9917

+26

0,9412

0,9464

0,9516

0,9566

0,9618

0,9669

0,9721

0,9773

0,9799

1,9851

+28

0,9349

0,9401

0,9453

0,9503

0,9555

0,9605

0,9657

0,9708

0,9734

1,9785

+30

0,9288

0,9339

0,9391

0,9440

0,9432

0,9542

0,9594

0,9645

0,9670

0,9723

+34

0,9167

0,9218

0,9268

0,9318

0,9368

0,9418

0,9468

0,9519

0,9544

0,9595

+38

0,9049

0,9099

0,9149

0,9199

0,9248

0,9297

0,9347

0,9397

0,9421

0,9471

Приложение 3

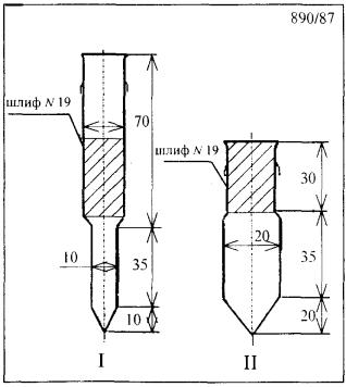
Рис. 1

Ловушка-концентратор.

Общий вид.

Рис. 2

Ловушка-концентратор.

Приложение 4

Вещества, определяемые по ранее утвержденным методическим указаниям

Название вещества

Методические указания

1. Аммоний винно-кислый кислый

Методические указания на фотометрическое определение аммиака: Сб. МУ в. 1 - 5. - М., 1981. - 58 с.

К = 9,82

Аммоний винно-кислый

Методические указания на фотометрическое определение аммиака: Сб. МУ в. 1 - 5. - М., 1981 - 58 с.

К = 5,41

2. Калий винно-кислый

Калий виннокислый кислый

Методические указания по измерению концентраций сульфата калия, калийной магнезии и хлорида калия в воздухе рабочей зоны: Сб. МУ, в. 22. - М., 1988 - 182 с.

К = 2,9 и 4,82

3. Калий сурьмоксид винно-кислый

Методические указания по полярографическому измерению концентраций сурьмы в воздухе рабочей зоны: Сб. МУ, в. 8. - М., 1983. - 90 с.

К = 2,66

4. Натрий винно-кислый кислый

Методические указания по измерению концентраций натрия сульфата в воздухе рабочей зоны методом атомно-абсорбционной спектрофотометрии: Сб. МУ, в. 21. - М., 1986 - 135с.

К = 7,48

Натрий винно-кислый

Методические указания по измерению концентраций натрия сульфата в воздухе рабочей зоны методом атомно-абсорбционной спектрофотометрии: Сб. МУ, в. 21. - М., 1986 - 135 с.

К = 4,22

Калий-натрий винно-кислый

Методические указания по измерению концентраций натрия сульфата в воздухе рабочей зоны методом атомно-абсорбционной спектрофотометрии: Сб. МУ, в. 21. - М., 1986. - 135 с.

К = 3,39

5. Полиметилмочевина

Методические указания по гравиметрическому определению пыли в воздухе рабочей зоны и в системах вентиляционных установок: Сб. МУ, в. 1 - 5. - М., 1981. - 235 с.

6. Трифторметансульфофторид (фторангидрид трифторметан сульфокислоты)

Методические указания на фотометрическое определение фторорганических соединений: Сб. МУ, в. 1 - 5. - М. 1981. - 187 с.

К = 2

7. Хлоргидрат изонипекотиновой кислоты

Методические указания на фотометрическое определение диэтиламина в воздухе: Сб. МУ, в. 1 - 5. -  М., 1981. - 123 с. Отбор проб на фильтр со скоростью 2 л/мин.

 

 




ГОСТЫ, СТРОИТЕЛЬНЫЕ и ТЕХНИЧЕСКИЕ НОРМАТИВЫ.
Некоммерческая онлайн система, содержащая все Российские Госты, национальные Стандарты и нормативы.
В Системе содержится более 150000 файлов нормативно-технической документации, действующей на территории РФ.
Система предназначена для широкого круга инженерно-технических специалистов.

Рейтинг@Mail.ru Яндекс цитирования

Copyright © www.gostrf.com, 2008 - 2026