Крупнейшая бесплатная информационно-справочная система онлайн доступа к полному собранию технических нормативно-правовых актов РФ. Огромная база технических нормативов (более 150 тысяч документов) и полное собрание национальных стандартов, аутентичное официальной базе Госстандарта. GOSTRF.com - это более 1 Терабайта бесплатной технической информации для всех пользователей интернета. Все электронные копии представленных здесь документов могут распространяться без каких-либо ограничений. Поощряется распространение информации с этого сайта на любых других ресурсах. Каждый человек имеет право на неограниченный доступ к этим документам! Каждый человек имеет право на знание требований, изложенных в данных нормативно-правовых актах!

  


 

Государственное санитарно-эпидемиологическое
нормирование Российской Федерации

УТВЕРЖДЕНО

                                                                         Председатель Госкомсанэпиднадзора России

                                                                    Главный государственный санитарный врач

                                                             Российской Федерации

Е.Н. Беляев

                                                                    8 июня 1996 г.

                                                                    МУК 4.1.0.433-96

                                                                    Дата введения: с момента утверждения

4.1. МЕТОДЫ КОНТРОЛЯ. ХИМИЧЕСКИЕ ФАКТОРЫ

Газохроматографическое измерение концентраций карбамоил-3(5)-метилпиразола в воздухе рабочей зоны

                                                                                          М. м. 125,14

Карбамоил-3(5)-метилпиразол (КМП) - бесцветный мелкокристаллический порошок со слабым, неспецифическим запахом. Плотность -1,330 г/см3. Тпл. - 128,5 - 129,0 °С, летучесть 9,2 % при 50 °С. Растворимость в 100 г:

воды                                                                                                    50 °С - 1,52 г;

этанола                                                                                               25 °С - 6,17 г;

диэтилового эфира                                                                           25 °С - 2,85 г;

ацетона                                                                                               25 °С - 13,2 г.

В воздухе находится в виде аэрозоля.

Относится к умеренно токсичным веществам.

ПДК в воздухе - 1 мг/м3.

Характеристика метода

Метод основан на использовании газожидкостной хроматографии с применением пламенно-ионизационного детектора. Отбор проб проводится с концентрированием на фильтр.

Нижний предел измерения в хроматографируемом объеме - 0,03 мкг.

Нижний предел измерения в воздухе - 0,5 мг/м3 (при отборе 300 л воздуха).

Диапазон измеряемых концентраций КМП в воздухе - от 0,5 до 7,5 мг/м3.

Измерению не мешают метоксибутенин, гидразин гидрат и формальдегид. Измерению мешает этанол.

Суммарная погрешность измерения не превышает ± 15 %.

Время выполнения измерения, включая отбор пробы, - около 30 мин.

Приборы, аппаратура, посуда

Газовый хроматограф

с пламенно-ионизационным детектором

Колонки хроматографические стальные,

длиной 1 м и диаметром 3 мм

Микрошприц МШ-10м                                                                          ТУ 2833-106

Чашки фарфоровые, диаметром 62 мм                                               ГОСТ 9147-74

Колбы мерные, вместимостью 25 мл                                                  ГОСТ 1770-74

Пробирки с пришлифованными пробками,

вместимостью 10 мл                                                                             ГОСТ 10515-75

Баня водяная

Термостат воздушный

Лупа измерительная                                                                              ГОСТ 8309-75

Секундомер                                                                                            ГОСТ 5072-79

Аспирационное устройство

Фильтродержатель

Линейка измерительная, металлическая                                            ГОСТ 475-75

Реактивы, растворы, материалы

Карбамоил-3(5)-метилпиразол

Ацетон, ч. д. а.                                                                                       ГОСТ 2603-79

Хлороформ, фармакопейная статья X, 1965 г.

Метанол, ч.                                                                                             ГОСТ 6995-77

Калий гидроокись, ос. ч., 18-3                                                             ОСТ 6-01-301-74

Апиезон «Л»

Целит-545, 60 - 80 меш.

Газообразные (в баллонах с редуктором)

азот                                                                                                          ГОСТ 9293-74

водород технический                                                                            ГОСТ 3022-80

воздух для питания пневматических

приборов и средств автоматизации ГСП                                            ГОСТ 11882-73

Стандартный раствор № 1 с концентрацией 0,3 мг/мл КМП готовят в ацетоне путем растворения точной навески в мерной колбе, вместимостью 25 мл.

Стандартный раствор устойчив в течение 10 дней.

Фильтры обеззоленные «синяя лента»,

диаметром 5,5 см                                                                                   ТУ 6-09-1678-77

Отбор пробы воздуха

Воздух с объемным расходом 20 л/мин аспирируют через фильтр «синяя лента», помещенный в фильтродержатель.

Для измерения 1/2 ОБУВ следует отобрать 300 л воздуха.

Подготовка к измерению

Калия гидроокись, взятую в количестве 20 % от веса носителя целит-545, растворяют в метаноле. Полученный раствор наносят на твердый носитель, помещенный в фарфоровую чашку. Растворитель испаряют посредством нагрева выпарительной чашки на водяной бане при постоянном перемешивании до сухого состояния носителя и помещают в воздушный термостат. После полной осушки носитель снова взвешивают. 5 % апиезона «Л» от веса (целит-545 - 20 % КОН) растворяют в хлороформе и полученным раствором заливают твердый носитель, выпаривают точно так, как сказано выше. Готовой насадкой наполняют чистую сухую колонку и кондиционируют в термостате хроматографа в течение 14 ч при скорости газа-носителя азота 60 мл/мин, постепенно повышая температуру термостата от 50 до 200 °С без подсоединения колонки к детектору.

Прибор готовят к работе согласно инструкции.

Градуированные растворы с содержанием КМП от 30 до 450 мкг/мл готовят соответствующим разбавлением стандартного раствора № 1 ацетоном. Растворы устойчивы в течение 5 дней.

По 1 мкл каждого градуировочного раствора вводят в хроматограф через самоуплотняющуюся мембрану. Строят градуировочную кривую, выражающую зависимость площади пиков (мм2) от содержания КМП (мкг). Площадь пика получают умножением высоты пика на его ширину, измеренную на половине высоты. Для построения градуировочной кривой необходимо провести 5 параллельных определений для каждого стандартного раствора.

Условия хроматографирования градуировочных растворов и анализируемых проб:

температура термостата колонки                                                   140 °С;

температура испарителя                                                                  275 °С;

скорость потока газа-носителя (азота)                                           30 мл/мин;

скорость потока водорода                                                                30 мл/мин;

скорость потока воздуха                                                                  300 мл/мин;

скорость движения диаграммной ленты                                        200 мм/ч;

абсолютное время удерживания КМП                                            2 мин 15 с;

масштаб чувствительности                                                              8 ´ 10-11;

время выхода ацетона                                                                       1 мин 45 с.

Проведение измерения

Фильтр с отобранной пробой КМП переносят в пробирку, обрабатывают, периодически перемешивая 5 мл 10 мин. 1 мкл раствора вводят в хроматограф. Записывают хроматограмму, вычисляют площадь пика. По градуировочному графику находят количество КМП (мкг).

Расчет концентрации

Концентрацию КМП (С) в воздухе (мг/м3) вычисляют по формуле:

а - количество КМП, найденное в анализируемом объеме пробы, мкг;

в - общий объем пробы, мл;

б - объем пробы, вводимый в хроматограф, мл;

V - объем воздуха, отобранного для анализа и приведенного к стандартным условиям, л (см. приложение 1).

Методические указания разработаны НИИ ГИТ МУР, г. Ереван.

Приложение 1

Приведение объема воздуха к стандартным условиям (температура 20 °С и давление 760 мм рт. ст.)

проводят по формуле

Vt - объем воздуха, отобранный для анализа, л;

Р - барометрическое давление, кПа (101,33 кПа = 760 мм рт. ст.);

t - температура воздуха в месте отбора пробы, °С.

Для удобства расчета V20 следует пользоваться таблицей коэффициентов (приложение 2). Для приведения воздуха к стандартным условиям надо умножить Vt на соответствующий коэффициент.

Приложение 2

Коэффициенты для приведения объема воздуха к стандартным условиям

Давление Р, кПа/мм рт. ст.

°С

97,33/730

97,86/734

98,4/738

98,93/742

99,46/746

100/750

100,53/754

101,06/758

101,33/760

101,86/764

-30

1,1582

1,1646

1,1709

1,1772

1,1836

1,1899

1,1963

1,2026

1,2058

1,2122

-26

1,1393

1,1456

1,1519

1,1581

1,1644

1,1705

1,1768

1,1831

1,1862

1,1925

-22

1,1212

1,1274

1,1336

1,1396

1,1458

1,1519

1,1581

1,1643

1,1673

1,1735

-18

1,1036

1,1097

1,1158

1,1218

1,1278

1,1338

1,1399

1,1460

1,1490

1,1551

-14

1,0866

1,0926

1,0986

1,1045

1,1105

1,1164

1,1224

1,1284

1,1313

1,1373

-10

1,0701

1,0760

1,0819

1,0877

1,0986

1,0994

1,1053

1,1112

1,1141

1,1200

-6

1,0540

1,0599

1,0657

1,0714

1,0772

1,0829

1,0887

1,0945

1,0974

1,1032

-2

1,0385

1,0442

1,0499

1,0556

1,0613

1,0669

1,0726

1,0784

1,0812

1,0869

0

1,0309

1,0366

1,0423

1,0477

1,0535

1,0591

1,0648

1,0705

1,0733

1,0789

+2

1,0234

1,0291

1,0347

1,0402

1,0459

1,0514

1,0571

1,0627

1,0655

1,0712

+6

1,0087

1,0143

0,0198

1,0253

1,0309

1,0363

1,0419

1,0475

1,0502

1,0557

+10

0,9944

0,9999

0,0054

1,0108

1,0162

1,0216

1,0272

1,0326

1,0353

1,0407

+14

0,9806

0,9860

0,9914

0,9967

1,0027

1,0074

1,0128

1,0183

1,0209

1,0263

+18

0,9671

0,9725

0,9778

0,9830

0,9884

0,9936

1,9989

1,0043

1,0069

1,0122

+20

0,9605

0,9658

0,9711

0,9783

0,9816

0,9868

0,9921

0,9974

1,0000

1,0053

+22

0,9539

0,9592

0,9645

0,9696

0,9749

0,9800

0,9853

0,9906

0,9932

1,9985

+24

0,9475

0,9527

0,9579

0,9631

0,9683

0,9735

0,9787

0,9839

0,9865

1,9917

+26

0,9412

0,9464

0,9516

0,9566

0,9618

0,9669

0,9721

0,9773

0,9799

1,9851

+28

0,9349

0,9401

0,9453

0,9503

0,9555

0,9605

0,9657

0,9708

0,9734

1,9785

+30

0,9288

0,9339

0,9391

0,9440

0,9432

0,9542

0,9594

0,9645

0,9670

0,9723

+34

0,9167

0,9218

0,9268

0,9318

0,9368

0,9418

0,9468

0,9519

0,9544

0,9595

+38

0,9049

0,9099

0,9149

0,9199

0,9248

0,9297

0,9347

0,9397

0,9421

0,9471

Приложение 3

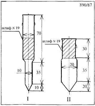
Рис. 1

Ловушка-концентратор.

Общий вид.

Рис. 2

Ловушка-концентратор.

Приложение 4

Вещества, определяемые по ранее утвержденным методическим указаниям

Название вещества

Методические указания

1. Аммоний винно-кислый кислый

Методические указания на фотометрическое определение аммиака: Сб. МУ в. 1 - 5. - М., 1981. - 58 с.

К = 9,82

Аммоний винно-кислый

Методические указания на фотометрическое определение аммиака: Сб. МУ в. 1 - 5. - М., 1981 - 58 с.

К = 5,41

2. Калий винно-кислый

Калий виннокислый кислый

Методические указания по измерению концентраций сульфата калия, калийной магнезии и хлорида калия в воздухе рабочей зоны: Сб. МУ, в. 22. - М., 1988 - 182 с.

К = 2,9 и 4,82

3. Калий сурьмоксид винно-кислый

Методические указания по полярографическому измерению концентраций сурьмы в воздухе рабочей зоны: Сб. МУ, в. 8. - М., 1983. - 90 с.

К = 2,66

4. Натрий винно-кислый кислый

Методические указания по измерению концентраций натрия сульфата в воздухе рабочей зоны методом атомно-абсорбционной спектрофотометрии: Сб. МУ, в. 21. - М., 1986 - 135с.

К = 7,48

Натрий винно-кислый

Методические указания по измерению концентраций натрия сульфата в воздухе рабочей зоны методом атомно-абсорбционной спектрофотометрии: Сб. МУ, в. 21. - М., 1986 - 135 с.

К = 4,22

Калий-натрий винно-кислый

Методические указания по измерению концентраций натрия сульфата в воздухе рабочей зоны методом атомно-абсорбционной спектрофотометрии: Сб. МУ, в. 21. - М., 1986. - 135 с.

К = 3,39

5. Полиметилмочевина

Методические указания по гравиметрическому определению пыли в воздухе рабочей зоны и в системах вентиляционных установок: Сб. МУ, в. 1 - 5. - М., 1981. - 235 с.

6. Трифторметансульфофторид (фторангидрид трифторметан сульфокислоты)

Методические указания на фотометрическое определение фторорганических соединений: Сб. МУ, в. 1 - 5. - М. 1981. - 187 с.

К = 2

7. Хлоргидрат изонипекотиновой кислоты

Методические указания на фотометрическое определение диэтиламина в воздухе: Сб. МУ, в. 1 - 5. - М., 1981. - 123 с. Отбор проб на фильтр со скоростью 2 л/мин.

 

 




ГОСТЫ, СТРОИТЕЛЬНЫЕ и ТЕХНИЧЕСКИЕ НОРМАТИВЫ.
Некоммерческая онлайн система, содержащая все Российские Госты, национальные Стандарты и нормативы.
В Системе содержится более 150000 файлов нормативно-технической документации, действующей на территории РФ.
Система предназначена для широкого круга инженерно-технических специалистов.

Рейтинг@Mail.ru Яндекс цитирования

Copyright © www.gostrf.com, 2008 - 2026