Крупнейшая бесплатная информационно-справочная система онлайн доступа к полному собранию технических нормативно-правовых актов РФ. Огромная база технических нормативов (более 150 тысяч документов) и полное собрание национальных стандартов, аутентичное официальной базе Госстандарта. GOSTRF.com - это более 1 Терабайта бесплатной технической информации для всех пользователей интернета. Все электронные копии представленных здесь документов могут распространяться без каких-либо ограничений. Поощряется распространение информации с этого сайта на любых других ресурсах. Каждый человек имеет право на неограниченный доступ к этим документам! Каждый человек имеет право на знание требований, изложенных в данных нормативно-правовых актах!

  


 

Государственное санитарно-эпидемиологическое
нормирование Российской Федерации

УТВЕРЖДЕНО

                                                                         Председатель Госкомсанэпиднадзора России

                                                                    Главный государственный санитарный врач

                                                             Российской Федерации

Е.Н. Беляев

                                                                    8 июня 1996 г.

                                                                    МУК 4.1.0.449-96

                                                                    Дата введения: с момента утверждения

4.1. МЕТОДЫ КОНТРОЛЯ. ХИМИЧЕСКИЕ ФАКТОРЫ

Измерение концентраций октадециламида-4-бром-1-гидрокси-2-нафтойной кислоты (компоненты Н-500) и октадециламида-1-гидрокси-2-нафтойной кислоты (вещества 1-Г-3) методом высокоэффективной жидкостной хроматографии в воздухе рабочей зоны

                                                               М. м. 518,58

Компонента Н-500 представляет собой белый кристаллический порошок, слегка комкующийся, плохо смачивающийся при смешивании с водой. Тпл. - 93 - 101 °С, растворяется в хлороформе, этилацетате, диоксане, ацетоне, гексане, при нагревании - в изопропаноле, метаноле, этаноле.

В воздухе находится в виде аэрозоля.

Обладает общетоксическим действием.

ОБУВ в воздухе 5 мг/м3.

                                                              М. м. 439,68

1-Г-3 представляет собой кристаллическое вещество светло-коричневого цвета, легко комкующееся с образованием конгломератов различной формы. Тпл. - 77 - 78 °С. Растворимо в ацетоне, хлороформе, этилацетате, диоксане, при нагревании - в гексане, изопропаноле, метаноле, этаноле. В воде не растворимо.

В воздухе присутствует в виде аэрозоля.

Обладает общетоксическим действием.

ОБУВ в воздухе - 5 мг/м3.

Характеристика метода

Метод основан на использовании высокоэффективной жидкостной хроматографии с применением УФ-детектора.

Отбор проб проводится с концентрированием на фильтр.

Нижний предел измерения в анализируемом объеме пробы - 0,01 мкг.

Нижний предел измерения в воздухе - 2,5 мг/м3 (при отборе 20 л воздуха).

Диапазон измеряемых концентраций - от 2,5 до 50 мг/м3.

Суммарная погрешность измерения не превышает ± 25 %.

Время выполнения измерений, включая отбор проб, - 40 мин.

Приборы, аппаратура, посуда

Хроматограф жидкостной с УФ-детектором

Колонка хроматографическая, стеклянная,

длиной 0,15 м и внутренним диаметром

3,3 мм, заполненная фазой Separon NH2

с размером частиц 5 мкм

Весы лабораторные ВЛР 200                                                                ГОСТ 1949-74

Секундомер                                                                                            ГОСТ 5072-79

Линейка                                                                                                  ГОСТ 427-75

Поглотительный прибор Рихтера

Лупа измерительная                                                                              ГОСТ 8309-75

Микрошприц типа МШ-10                                                                   ГОСТ 8043-75

Реактивы, растворы, материалы

1-Г-3 и Н-500, содержание основного

вещества - не менее 98 %

Фильтр «синяя лента»

Гексан, ч.                                                                                                ТУ 6-09-3375-78

Диксан. ч.                                                                                               ГОСТ 10455-75

Гелий газообразный                                                                              ТУ 51-940-80

Элюент: гексан-диоксан в соотношении 80:20 объемных %. Растворители перед использованием подвергают очистке перегонкой. Элюент после смешивания фильтруют через фильтр Шотта (ПОР 40), дегазируют пропусканием гелия через раствор в течение 1 - 2 мин.

Стандартный раствор № 1 готовят в мерной колбе, вместимостью 25 мл. Взвешивают колбу с 5 - 10 мл элюента, вносят 1 - 2 капли вещества, колбу закрывают и снова взвешивают. Раствор в колбе доводят до метки элюентом и рассчитывают содержание вещества в 1 мл раствора.

Стандартный раствор № 2 с концентрацией вещества 0,1 мг/мл готовят соответствующим разбавлением элюентом стандартного раствора № 1. Растворы устойчивы при хранении в холодильнике в герметично закрытой посуде в течение 3 суток.

Отбор пробы воздуха

Воздух с объемным расходом 5 л/мин аспирируют через фильтр «синяя лента». Для определения 1/2 ОБУВ достаточно отобрать 20 л воздуха. Пробы сохраняются в течение 3 суток в пробирках с пришлифованными пробками при температуре 4 °С.

Подготовка к измерению

Градуировочные растворы определяемых веществ с концентрацией от 5 до 100 мкг/мл готовят соответствующим разбавлением стандартного раствора № 2 элюентом. Растворы устойчивы в течение суток при хранении в холодильнике.

По 2 мкл каждого градуировочного раствора вводят в хроматограф. Строят градуировочную прямую, выражающую зависимость площади пика (мм2) от количества компонента (мкг). Построение градуировочного графика необходимо проводить по 6 точкам, проводя 5 параллельных определений для каждой концентрации.

Условия хроматографирования градуировочных смесей и анализируемых проб:

длина волны детектора                                                                    нм;

состав элюента - гексан: диоксан (80:20)                                      объемные %;

скорость потока элюента                                                                 0,5 мл/мин;

объем вводимой пробы                                                                    2 мкл;

скорость диаграммной ленты                                                          0,15 см/мин;

время удерживания: 1-Г-3                                                               5 мин 10 с;

Н-500                                                                                                  10 мин 25 с.

Проведение измерения

Фильтр с пробой помещают в пробирку с пришлифованной пробкой и заливают 10 мл элюента (гексан:диоксан = 80:20). Десорбция определяемых веществ с фильтра - 98 %. Через 20 мин 2 мкл раствора с помощью микрошприца вводят в хроматограф. На полученной хроматограмме измеряют высоту пика вещества и по градуировочному графику находят количество вещества в анализируемом объеме пробы (мкг).

Расчет концентрации

Концентрацию определяемых веществ (С) в воздухе (мг/м3) вычисляют по формуле:

а - содержание вещества, найденное по градуировочному графику, мкг;

в - общий объем пробы, мл;

б - объем пробы, взятой для анализа, мл;

V - объем воздуха, отобранного для анализа и приведенного к стандартным условиям, л (см. приложение 1).

Методические указания разработаны Башкирским мединститутом.

Приложение 1

Приведение объема воздуха к стандартным условиям (температура 20 °С и давление 760 мм рт. ст.)

проводят по формуле

Vt - объем воздуха, отобранный для анализа, л;

Р - барометрическое давление, кПа (101,33 кПа = 760 мм рт. ст.);

t - температура воздуха в месте отбора пробы, °С.

Для удобства расчета V20 следует пользоваться таблицей коэффициентов (приложение 2). Для приведения воздуха к стандартным условиям надо умножить Vt на соответствующий коэффициент.

Приложение 2

Коэффициенты для приведения объема воздуха к стандартным условиям

Давление Р, кПа/мм рт. ст.

°С

97,33/730

97,86/734

98,4/738

98,93/742

99,46/746

100/750

100,53/754

101,06/758

101,33/760

101,86/764

-30

1,1582

1,1646

1,1709

1,1772

1,1836

1,1899

1,1963

1,2026

1,2058

1,2122

-26

1,1393

1,1456

1,1519

1,1581

1,1644

1,1705

1,1768

1,1831

1,1862

1,1925

-22

1,1212

1,1274

1,1336

1,1396

1,1458

1,1519

1,1581

1,1643

1,1673

1,1735

-18

1,1036

1,1097

1,1158

1,1218

1,1278

1,1338

1,1399

1,1460

1,1490

1,1551

-14

1,0866

1,0926

1,0986

1,1045

1,1105

1,1164

1,1224

1,1284

1,1313

1,1373

-10

1,0701

1,0760

1,0819

1,0877

1,0986

1,0994

1,1053

1,1112

1,1141

1,1200

-6

1,0540

1,0599

1,0657

1,0714

1,0772

1,0829

1,0887

1,0945

1,0974

1,1032

-2

1,0385

1,0442

1,0499

1,0556

1,0613

1,0669

1,0726

1,0784

1,0812

1,0869

0

1,0309

1,0366

1,0423

1,0477

1,0535

1,0591

1,0648

1,0705

1,0733

1,0789

+2

1,0234

1,0291

1,0347

1,0402

1,0459

1,0514

1,0571

1,0627

1,0655

1,0712

+6

1,0087

1,0143

0,0198

1,0253

1,0309

1,0363

1,0419

1,0475

1,0502

1,0557

+10

0,9944

0,9999

0,0054

1,0108

1,0162

1,0216

1,0272

1,0326

1,0353

1,0407

+14

0,9806

0,9860

0,9914

0,9967

1,0027

1,0074

1,0128

1,0183

1,0209

1,0263

+18

0,9671

0,9725

0,9778

0,9830

0,9884

0,9936

1,9989

1,0043

1,0069

1,0122

+20

0,9605

0,9658

0,9711

0,9783

0,9816

0,9868

0,9921

0,9974

1,0000

1,0053

+22

0,9539

0,9592

0,9645

0,9696

0,9749

0,9800

0,9853

0,9906

0,9932

1,9985

+24

0,9475

0,9527

0,9579

0,9631

0,9683

0,9735

0,9787

0,9839

0,9865

1,9917

+26

0,9412

0,9464

0,9516

0,9566

0,9618

0,9669

0,9721

0,9773

0,9799

1,9851

+28

0,9349

0,9401

0,9453

0,9503

0,9555

0,9605

0,9657

0,9708

0,9734

1,9785

+30

0,9288

0,9339

0,9391

0,9440

0,9432

0,9542

0,9594

0,9645

0,9670

0,9723

+34

0,9167

0,9218

0,9268

0,9318

0,9368

0,9418

0,9468

0,9519

0,9544

0,9595

+38

0,9049

0,9099

0,9149

0,9199

0,9248

0,9297

0,9347

0,9397

0,9421

0,9471

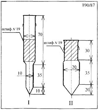
Приложение 3

Рис. 1

Ловушка-концентратор.

Общий вид.

Рис. 2

Ловушка-концентратор.

Приложение 4

Вещества, определяемые по ранее утвержденным методическим указаниям

Название вещества

Методические указания

1. Аммоний винно-кислый кислый

Методические указания на фотометрическое определение аммиака: Сб. МУ в. 1 - 5. - М., 1981. - 58 с.

К = 9,82

Аммоний винно-кислый

Методические указания на фотометрическое определение аммиака: Сб. МУ в. 1 - 5. - М., 1981 - 58 с.

К = 5,41

2. Калий винно-кислый

Калий виннокислый кислый

Методические указания по измерению концентраций сульфата калия, калийной магнезии и хлорида калия в воздухе рабочей зоны: Сб. МУ, в. 22. - М., 1988 - 182 с.

К = 2,9 и 4,82

3. Калий сурьмоксид винно-кислый

Методические указания по полярографическому измерению концентраций сурьмы в воздухе рабочей зоны: Сб. МУ, в. 8. - М., 1983. - 90 с.

К = 2,66

4. Натрий винно-кислый кислый

Методические указания по измерению концентраций натрия сульфата в воздухе рабочей зоны методом атомно-абсорбционной спектрофотометрии: Сб. МУ, в. 21. - М., 1986 - 135с.

К = 7,48

Натрий винно-кислый

Методические указания по измерению концентраций натрия сульфата в воздухе рабочей зоны методом атомно-абсорбционной спектрофотометрии: Сб. МУ, в. 21. - М., 1986 - 135 с.

К = 4,22

Калий-натрий винно-кислый

Методические указания по измерению концентраций натрия сульфата в воздухе рабочей зоны методом атомно-абсорбционной спектрофотометрии: Сб. МУ, в. 21. - М., 1986. - 135 с.

К = 3,39

5. Полиметилмочевина

Методические указания по гравиметрическому определению пыли в воздухе рабочей зоны и в системах вентиляционных установок: Сб. МУ, в. 1 - 5. - М., 1981. - 235 с.

6. Трифторметансульфофторид (фторангидрид трифторметан сульфокислоты)

Методические указания на фотометрическое определение фторорганических соединений: Сб. МУ, в. 1 - 5. - М. 1981. - 187 с.

К = 2

7. Хлоргидрат изонипекотиновой кислоты

Методические указания на фотометрическое определение диэтиламина в воздухе: Сб. МУ, в. 1 - 5. - М., 1981. - 123 с. Отбор проб на фильтр со скоростью 2 л/мин.

 

 




ГОСТЫ, СТРОИТЕЛЬНЫЕ и ТЕХНИЧЕСКИЕ НОРМАТИВЫ.
Некоммерческая онлайн система, содержащая все Российские Госты, национальные Стандарты и нормативы.
В Системе содержится более 150000 файлов нормативно-технической документации, действующей на территории РФ.
Система предназначена для широкого круга инженерно-технических специалистов.

Рейтинг@Mail.ru Яндекс цитирования

Copyright © www.gostrf.com, 2008 - 2026