Крупнейшая бесплатная информационно-справочная система онлайн доступа к полному собранию технических нормативно-правовых актов РФ. Огромная база технических нормативов (более 150 тысяч документов) и полное собрание национальных стандартов, аутентичное официальной базе Госстандарта. GOSTRF.com - это более 1 Терабайта бесплатной технической информации для всех пользователей интернета. Все электронные копии представленных здесь документов могут распространяться без каких-либо ограничений. Поощряется распространение информации с этого сайта на любых других ресурсах. Каждый человек имеет право на неограниченный доступ к этим документам! Каждый человек имеет право на знание требований, изложенных в данных нормативно-правовых актах!

  


 

Государственное санитарно-эпидемиологическое
нормирование Российской Федерации

УТВЕРЖДЕНО

                                                                         Председатель Госкомсанэпиднадзора России

                                                                    Главный государственный санитарный врач

                                                             Российской Федерации

Е.Н. Беляев

                                                                    8 июня 1996 г.

                                                                    МУК 4.1.0.462-96

                                                                    Дата введения: с момента утверждения

4.1. МЕТОДЫ КОНТРОЛЯ. ХИМИЧЕСКИЕ ФАКТОРЫ

Газохроматографическое измерение концентрации 1,2-эпоксиоктена-7 в воздухе рабочей зоны

                                                             М. м. 126

1,2-эпоксиоктен-7 - бесцветная прозрачная жидкость с характерным запахом. Ткип. - 158 °С. Плотность - 895 кг/м3. Легко растворим в органических растворителях, растворимость в воде при 20 °С составляет 0,56 % мас.

В воздухе 1,2-эпоксиоктен-7 находится в виде паров.

1,2-эпоксиоктен-7 относится к веществам наркотического действия, обладает раздражающим действием.

ПДК в воздухе - 5 мг/м3.

Характеристика метода

Метод основан на использовании газожидкостной хроматографии с применением пламенно-ионизационного детектора.

Отбор проб проводят с концентрированием в ловушку, заполненную твердой углекислотой. Концентрацию водяных паров в анализируемом воздухе определяют психометром.

Нижний предел измерения в хроматографируемом объеме - 0,01 мкг.

Нижний предел измерения в воздухе - 0,2 мг/м3.

Диапазон измеряемых концентраций - 0,2 - 5 мг/м3.

Суммарная погрешность не превышает ± 25 %.

Измерению не мешают октадеин-1,7 циклооктен, циклооктадиен.

Время выполнения измерения, включая отбор пробы, - 30 мин.

Приборы, аппаратура, посуда

Хроматограф с пламенно-ионизационным

детектором

Колонка хроматографическая, длиной 1 м,

внутренним диаметром 3 мм

Ловушка-концентратор (рис. 1 и 2)

Линейка измерительная                                                                       ГОСТ 427-75

Набор сит «Физприбор»

Микрошприц МШ-10                                                                            ГОСТ 8309-74

Лупа измерительная                                                                              ГОСТ 25706-83

Пипетки, вместимостью 1 и 10 мл                                                      ГОСТ 20292-74

Колбы мерные, вместимостью 100 мл                                                ГОСТ 1770-74

Колба круглодонная К-200-84 ТС                                                        ГОСТ 1561-72

Секундомер                                                                                            ГОСТ 5072-72

Барометр

Психометр

Баня водяная                                                                                           ТУ 64-1-423-72

Насос водоструйный

Вибратор

Реактивы, растворы, материалы

1,2-эпоксиоктен-7, содержание основного

вещества - не менее 95 %

Жидкая фаза - полиэтиленгликоль 3000

Твердый носитель - цветохром IK,

силанизированный DMDCS, фракция 0,16 - 0,25 мм

Водород технический                                                                            ГОСТ 3022-80

Воздух                                                                                                      ГОСТ 11882-73

Азот в баллонах с редукторами                                                            ГОСТ 9293-80

Двуокись углерода                                                                                 ГОСТ 12162-77

Стандартный раствор № 1 с концентрацией 1 мг/мл, приготовленный взятием точной навески 1,2-эпоксиоктена-7 в воде.

Стандартный раствор устойчив в течение месяца.

Отбор пробы воздуха

Отбор пробы воздуха проводят с помощью ловушки-концентратора. Ампулу 1 заполняют твердой углекислотой доверху и оставляют в точке отбора на 5 - 10 мин.

После образования снегообразного слоя на внешней стенке ампулы 1 ее помещают в ампулу 2 и выдерживают при комнатной температуре до полного таяния снегообразного слоя. Во время отбора пробы воздуха замеряют температуру (°С), атмосферное давление (мм рт. ст. или ГПа) и относительную влажность в точке отбора.

Анализ рекомендуется проводить в день отбора пробы.

Подготовка к измерению

Хроматографическую колонку готовят следующим образом:

100 г просеянного от пыли носителя помещают в круглодонную колбу, вместимостью 200 мл, 5 г полиэтиленгликоля-3000 (ПЭГ-3000) растворяют в 100 мл ацетона и полученный раствор вводят в эту же колбу. Колбы закрывают пробкой с сифоном для продувки и содержимое встряхивают. Затем ацетон удаляют продувкой азотом на водяной бане при температуре 50 - 69 °С. Отгонку продолжают до исчезновения запаха ацетона. Хроматографическую колонку заполняют насадкой с помощью водоструйного насоса.

Колонку помещают в термостат хроматографа, не подсоединяя к детектору, прогревают при программировании температуры 2 °С/мин до 120 °С и кондиционируют при этой температуре в течение 6 ч.

Затем колонку охлаждают до комнатной температуры, подсоединяют к детектору и проверяют герметичность газовой линии.

Градуированные растворы с содержанием 1,2-эпокаюктена-7 от 0,01 до 0,25 мкг/мкл готовят соответствующим разбавлением стандартного раствора № 1 дистиллированной водой в мерной колбе, вместимостью 100 мл, согласно таблицам. В испаритель хроматографа через самоуплотняющуюся мембрану вводят по 1 мкл каждого из градуировочных растворов. На основании полученных данных строят градуировочный график, выражающий зависимость средних значений площадей пиков 1,2-эпоксиоктена-7 (см2) от его количества (мкг).

Площади пика вычисляют умножением высоты на ширину пика, измеренную на половине высоты.

Градуировку прибора проводят, используя вновь приготовленные растворы, 1 раз в месяц или при изменении условий анализа.

Таблица 1

№ градуировочного раствора

Объем стандартного р-ра № 1, мл

Объем воды, мл

Концентрация 1,2-эпоксиоктена-7, мкг/мкл

1

1

99

0,01

2

2

98

0,02

3

5

95

0,05

4

10

90

0,10

5

15

86

0,15

6

20

80

0,20

7

25

75

0,25

Условия хроматографирования градуировочных растворов и анализируемых проб:

температура термостата колонок                                                   90 °С;

температура испарителя                                                                  150 °С;

скорость потока газа-носителя (азота)                                           30 мл/мин;

скорость потока водорода                                                                30 мл/мин;

скорость потока воздуха                                                                  300 мл/мин;

скорость движения диаграммной ленты                                        600 мм/ч;

время удерживания 1,2-эпоксиоктена-7                                        4 мин 50 с.

Проведение измерения

Отбирают из ловушки-концентратора с помощью микрошприца 1 мкл конденсата и вводят в хроматограф через самоуплотняющуюся мембрану. Записывают хроматограмму, вычисляют площадь пика 1,2-эпоксиоктена-7 и по градуировочному графику находят его количество с конденсата (мкг).

Расчет концентрации

Концентрацию 1,2-эпоксиоктена-7 (С) в воздухе (мг/м3) вычисляют по формуле:

а - масса 1,2-эпоксиоктена-7 в конденсате, найденная по градуировочному графику, мкг;

V - объем конденсата, взятого на анализ, мкл;

Р - плотность конденсата (принимают равной 1), мг/мл;

Ратм - атмосферное давление, мм рт. ст. или ГПа;

РН2О - давление насыщенного водяного пара (см. таблицу 2);

a - относительная влажность воздухе, %.

18 - мольная масса воды, г/моль;

22,4 - объем, занимаемый 1 молем водяного пара, л/моль.

Методические указания разработаны НПО «Ярсинтез», г. Ярославль.

Таблица 2

Давление насыщенных паров воды при различных температурах

°С

Р мм рт. ст.

Р, ГПа

 °С

Р мм. рт. ст

Р, ГПа

10

9,21

12,28

21

18,65

24,86

11

9,84

13,12

22

19,83

26,43

12

10,52

14,03

23

21,07

28,09

14

11,99

15,89

24

21,07

28,83

15

12,79

17,05

25

22,38

21,67

16

13,63

18,17

26

23,76

33,60

17

14,53

19,37

27

26,74

35,64

18

15,48

20,63

28

28,35

37,79

19

16,48

21,97

29

30,04

40,04

20

17,54

23,38

30

31,82

42,42

Приложение 1

Приведение объема воздуха к стандартным условиям (температура 20 °С и давление 760 мм рт. ст.)

проводят по формуле

Vt - объем воздуха, отобранный для анализа, л;

Р - барометрическое давление, кПа (101,33 кПа = 760 мм рт. ст.);

t - температура воздуха в месте отбора пробы, °С.

Для удобства расчета V20 следует пользоваться таблицей коэффициентов (приложение 2). Для приведения воздуха к стандартным условиям надо умножить Vt на соответствующий коэффициент.

Приложение 2

Коэффициенты для приведения объема воздуха к стандартным условиям

Давление Р, кПа/мм рт. ст.

°С

97,33/730

97,86/734

98,4/738

98,93/742

99,46/746

100/750

100,53/754

101,06/758

101,33/760

101,86/764

-30

1,1582

1,1646

1,1709

1,1772

1,1836

1,1899

1,1963

1,2026

1,2058

1,2122

-26

1,1393

1,1456

1,1519

1,1581

1,1644

1,1705

1,1768

1,1831

1,1862

1,1925

-22

1,1212

1,1274

1,1336

1,1396

1,1458

1,1519

1,1581

1,1643

1,1673

1,1735

-18

1,1036

1,1097

1,1158

1,1218

1,1278

1,1338

1,1399

1,1460

1,1490

1,1551

-14

1,0866

1,0926

1,0986

1,1045

1,1105

1,1164

1,1224

1,1284

1,1313

1,1373

-10

1,0701

1,0760

1,0819

1,0877

1,0986

1,0994

1,1053

1,1112

1,1141

1,1200

-6

1,0540

1,0599

1,0657

1,0714

1,0772

1,0829

1,0887

1,0945

1,0974

1,1032

-2

1,0385

1,0442

1,0499

1,0556

1,0613

1,0669

1,0726

1,0784

1,0812

1,0869

0

1,0309

1,0366

1,0423

1,0477

1,0535

1,0591

1,0648

1,0705

1,0733

1,0789

+2

1,0234

1,0291

1,0347

1,0402

1,0459

1,0514

1,0571

1,0627

1,0655

1,0712

+6

1,0087

1,0143

0,0198

1,0253

1,0309

1,0363

1,0419

1,0475

1,0502

1,0557

+10

0,9944

0,9999

0,0054

1,0108

1,0162

1,0216

1,0272

1,0326

1,0353

1,0407

+14

0,9806

0,9860

0,9914

0,9967

1,0027

1,0074

1,0128

1,0183

1,0209

1,0263

+18

0,9671

0,9725

0,9778

0,9830

0,9884

0,9936

1,9989

1,0043

1,0069

1,0122

+20

0,9605

0,9658

0,9711

0,9783

0,9816

0,9868

0,9921

0,9974

1,0000

1,0053

+22

0,9539

0,9592

0,9645

0,9696

0,9749

0,9800

0,9853

0,9906

0,9932

1,9985

+24

0,9475

0,9527

0,9579

0,9631

0,9683

0,9735

0,9787

0,9839

0,9865

1,9917

+26

0,9412

0,9464

0,9516

0,9566

0,9618

0,9669

0,9721

0,9773

0,9799

1,9851

+28

0,9349

0,9401

0,9453

0,9503

0,9555

0,9605

0,9657

0,9708

0,9734

1,9785

+30

0,9288

0,9339

0,9391

0,9440

0,9432

0,9542

0,9594

0,9645

0,9670

0,9723

+34

0,9167

0,9218

0,9268

0,9318

0,9368

0,9418

0,9468

0,9519

0,9544

0,9595

+38

0,9049

0,9099

0,9149

0,9199

0,9248

0,9297

0,9347

0,9397

0,9421

0,9471

Приложение 3

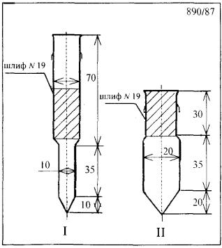
Рис. 1

Ловушка-концентратор.

Общий вид.

Рис. 2

Ловушка-концентратор.

Приложение 4

Вещества, определяемые по ранее утвержденным методическим указаниям

Название вещества

Методические указания

1. Аммоний винно-кислый кислый

Методические указания на фотометрическое определение аммиака: Сб. МУ в. 1 - 5. - М., 1981. - 58 с.

К = 9,82

Аммоний винно-кислый

Методические указания на фотометрическое определение аммиака: Сб. МУ в. 1 - 5. - М., 1981 - 58 с.

К = 5,41

2. Калий винно-кислый

Калий виннокислый кислый

Методические указания по измерению концентраций сульфата калия, калийной магнезии и хлорида калия в воздухе рабочей зоны: Сб. МУ, в. 22. - М., 1988 - 182 с.

К = 2,9 и 4,82

3. Калий сурьмоксид винно-кислый

Методические указания по полярографическому измерению концентраций сурьмы в воздухе рабочей зоны: Сб. МУ, в. 8. - М., 1983. - 90 с.

К = 2,66

4. Натрий винно-кислый кислый

Методические указания по измерению концентраций натрия сульфата в воздухе рабочей зоны методом атомно-абсорбционной спектрофотометрии: Сб. МУ, в. 21. - М., 1986 - 135с.

К = 7,48

Натрий винно-кислый

Методические указания по измерению концентраций натрия сульфата в воздухе рабочей зоны методом атомно-абсорбционной спектрофотометрии: Сб. МУ, в. 21. - М., 1986 - 135 с.

К = 4,22

Калий-натрий винно-кислый

Методические указания по измерению концентраций натрия сульфата в воздухе рабочей зоны методом атомно-абсорбционной спектрофотометрии: Сб. МУ, в. 21. - М., 1986. - 135 с.

К = 3,39

5. Полиметилмочевина

Методические указания по гравиметрическому определению пыли в воздухе рабочей зоны и в системах вентиляционных установок: Сб. МУ, в. 1 - 5. - М., 1981. - 235 с.

6. Трифторметансульфофторид (фторангидрид трифторметан сульфокислоты)

Методические указания на фотометрическое определение фторорганических соединений: Сб. МУ, в. 1 - 5. - М. 1981. - 187 с.

К = 2

7. Хлоргидрат изонипекотиновой кислоты

Методические указания на фотометрическое определение диэтиламина в воздухе: Сб. МУ, в. 1 - 5. - М., 1981. - 123 с. Отбор проб на фильтр со скоростью 2 л/мин.

 

 




ГОСТЫ, СТРОИТЕЛЬНЫЕ и ТЕХНИЧЕСКИЕ НОРМАТИВЫ.
Некоммерческая онлайн система, содержащая все Российские Госты, национальные Стандарты и нормативы.
В Системе содержится более 150000 файлов нормативно-технической документации, действующей на территории РФ.
Система предназначена для широкого круга инженерно-технических специалистов.

Рейтинг@Mail.ru Яндекс цитирования

Copyright © www.gostrf.com, 2008 - 2026