Крупнейшая бесплатная информационно-справочная система онлайн доступа к полному собранию технических нормативно-правовых актов РФ. Огромная база технических нормативов (более 150 тысяч документов) и полное собрание национальных стандартов, аутентичное официальной базе Госстандарта. GOSTRF.com - это более 1 Терабайта бесплатной технической информации для всех пользователей интернета. Все электронные копии представленных здесь документов могут распространяться без каких-либо ограничений. Поощряется распространение информации с этого сайта на любых других ресурсах. Каждый человек имеет право на неограниченный доступ к этим документам! Каждый человек имеет право на знание требований, изложенных в данных нормативно-правовых актах!

  


 

МИНИСТЕРСТВО ТРАНСПОРТА РОССИЙСКОЙ ФЕДЕРАЦИИ
ГОСУДАРСТВЕННАЯ СЛУЖБА ДОРОЖНОГО ХОЗЯЙСТВА
(РОСАВТОДОР)

Введены в действие

распоряжением Минтранса России

№ ОС-1066-р от 03.12.2003 г.

МЕТОДИЧЕСКИЕ РЕКОМЕНДАЦИИ
ПО ПРОЕКТИРОВАНИЮ ЖЕСТКИХ
ДОРОЖНЫХ ОДЕЖД

(взамен ВСН 197-91)

Москва 2004

Руководители работ: канд. техн. наук В.М. Юмашев и д-р техн. наук В.Д. Казарновский (Союздорнии).

В подготовке текста Рекомендаций участвовали сотрудники Союздорнии: инж. В.А. Зельманович (ответственный исполнитель), канд. техн. наук А.М. Шейнин, канд. техн. наук С.В. Эккель, канд. техн. наук. В.И. Коршунов, инж. И.В. Басурманова (вопросы конструирования, расчета жестких дорожных одежд и расчетных характеристик цементобетона).

Кроме материалов Союздорнии, использованы материалы, полученные от организаций-соисполнителей:

Санкт-Петербургского филиала Союздорнии: д-р техн. наук Ю.М. Васильев, кандидаты технических наук П.И. Теляев, А.О. Салль, М.А. Железников, инж. В.Н. Лукантьева (вопросы расчета прочности и устойчивости дорожной одежды);

Смоленского филиала Союздорнии: д-р техн. наук А.В. Линцер, канд. техн. наук Ю.Н. Высоцкий (вопросы конструирования жестких дорожных одежд);

МАДИ (ТУ): д-р техн. наук В.П. Носов, кандидаты технических наук М.С. Коганзон, В.К. Апестин (вопросы расчета и конструирования жестких дорожных одежд);

ГП «Росдорнии»: канд. техн. наук Л.Б. Каменецкий, инж. О.Н. Нагаевская (вопросы конструирования и расчета цементобетонных покрытий и асфальтобетонных покрытий на цементобетонном основании).

Учитывались также опубликованные материалы исследований, выполненных в период 1983 - 1999 гг. под руководством канд. техн. наук В.А. Чернигова и канд. техн. наук В.С. Орловского.

Использованы также результаты разработок, выполненных в различных организациях, отраженные в Инструкции по проектированию жестких дорожных одежд Минтрансстроя СССР (ВСН 197-91).

1. ОБЩИЕ ПОЛОЖЕНИЯ

1.1. Настоящие Методические рекомендации (далее по тексту Рекомендации) распространяются на проектирование жестких дорожных одежд автомобильных дорог общего пользования, подъездных дорог к промышленным предприятиям, внутрихозяйственных сельских дорог различных категорий с покрытиями:

цементобетонными монолитными на различных видах основания;

асфальтобетонными на основаниях из цементобетона;

сборными из предварительно напряженного железобетона, железобетона, армобетона на различных видах основания.

1.2. В дорожных одеждах различают следующие конструктивные слои (рис. 1.1):

покрытие - верхняя часть одежды, воспринимающая усилия от колес автомобилей и подвергающаяся непосредственному воздействию атмосферных факторов;

основание - часть одежды, обеспечивающая совместно с покрытием перераспределение и снижение давления на нижележащие дополнительные слои или грунт земляного полотна;

дополнительные слои основания - слои между основанием и грунтом земляного полотна. Дополнительные слои основания выполняют морозозащитную, дренирующую и теплоизолирующую функции.

Между покрытием и основанием при необходимости укладывают выравнивающий слой из обработанных вяжущими зернистых материалов, который в качестве конструктивного слоя одежды не рассматривается и в расчетах не учитывается.

Дорожные одежды сооружают на земляном полотне, верхняя часть которого носит название рабочего слоя.

1.3. Проектирование дорожных одежд с учетом свойств земляного полотна представляет собой единый процесс конструирования и расчета их на прочность, деформативность, морозоустойчивость и дренирующую способность, а также технико-экономического обоснования вариантов. Конструированию и расчету посвящены соответствующие разделы Рекомендаций.

Рис. 1.1. Поперечные разрезы типовых дорожных одежд с цементобетонным покрытием для дорог I - IV категорий:

1 - покрытие; 2 - основание; 3 - нижний слой основания; 4 - земляное полотно; 5 - выравнивающий слой; 6 - краевая укрепительная полоса; 7 - укрепленная часть обочины; 8 - неукрепленная часть обочины; 9 - откос

Примечание. На схемах не указан продольный и поперечный водоотвод

1.4. Основными положениями раздела конструирования надлежит пользоваться при назначении вида покрытия и его минимально необходимой толщины, швов сжатия и расширения в покрытии, их конструкции, предельных расстояний между швами; при выборе материалов для устройства слоев основания и назначении их минимальной толщины; при выборе материалов для устройства дополнительных слоев основания.

1.5. В расчетной части Рекомендаций определяют расчетные и нормативные нагрузки, размеры основных конструктивных элементов (толщину и длину плит, толщину слоев основания, армирование плит и швов, необходимость устройства швов расширения и расстояние между ними) для различных видов покрытия, категорий дорог, для различных величин транспортных нагрузок, грунтовых и природно-климатических условий.

Расчетом определяют рациональные варианты конструкции по ряду показателей технико-экономического сравнения, а также конструкцию дренирующих и морозозащитных слоев.

1.6. Для определения приведенной стоимости при вариантном проектировании руководствуются сроками службы, вытекающими из долговечности материала верхнего слоя покрытия, которые для дорожных одежд капитального типа с цементобетонным покрытием составляют не менее 25 лет, а для дорожных одежд с асфальтобетонным покрытием на бетонном основании - не менее 20 лет.

В условиях непрерывного роста стоимости строительных материалов, непредсказуемого во времени нарастания интенсивности движения и увеличения нагрузки, наиболее эффективной мерой в проектировании дорожной одежды является создание «базовой» конструкции с учетом последующего наращивания поверхностных слоев при реконструкции и рассчитанной на перспективную долговечность за счет повышения ресурса несущей способности цементобетонного покрытия.

Расчетный срок службы при определении конструкции дорожной одежды и расчетных параметров конструктивных слоев устанавливают не менее 25 лет или менее 25 лет, но с учетом работы в раннем возрасте на воздействие построечного транспорта.

Допускается проектировать конструкции на длительную перспективу по технико-экономическим соображениям со сроком службы 35 … 40 … 45 … 50 лет.

Существенное увеличение долговечности может быть осуществлено за счет применения высокопрочных бетонов с повышением классов бетона до Вtb5,2 - 6,4 и расширения применяемого диапазона толщин конструкций до 28 - 30 см. Причем любое увеличение основных параметров должно быть направлено в сторону увеличения сроков службы покрытия.

2. КОНСТРУИРОВАНИЕ ЖЕСТКИХ ДОРОЖНЫХ ОДЕЖД

2.1. Цель конструирования дорожной одежды - выбрать материалы, определить количество слоев и их размещение по глубине. При этом необходимо:

предусматривать при необходимости максимальное использование местных строительных материалов;

стремиться к уменьшению количества слоев;

предусматривать проезд построечного транспорта по основанию;

обеспечивать соответствие конструкции дорожной одежды технологии ее строительства и наибольшую механизацию работ;

учитывать категорию дороги, состав транспортного потока, интенсивность движения, напряженное состояние и механизм деформирования отдельных слоев и конструктивных элементов;

устанавливать срок службы покрытия и всей дорожной одежды до капитального ремонта;

учитывать природно-климатические и гидрогеологические условия местности (включая возведение высоких насыпей);

предусматривать условия и возможность дальнейшего поэтапного усиления, уширения и повышения капитальности автомобильной дороги.

2.2. Выравнивающий слой предназначен для устранения неровностей основания и обеспечения ровности слоев покрытия и возможности перемещения плит покрытия при изменении температуры. Если неровности основания не превышают 1 см, то допускается не устраивать выравнивающий слой, а применять только слой, прерывающий сцепление плит с основанием и служащий изолятором против высыхания бетона в раннем возрасте и появления в покрытии усадочных трещин.

Выравнивающие слои устраивают из укрепленного вяжущим песка. Если этот слой впитывает воду из бетонной смеси, то его закрывают изолирующим слоем или увлажняют непосредственно перед укладкой бетонной смеси в покрытие.

2.3. В зависимости от категории дороги, вида бетоноукладочного оборудования, устойчивости верхней части земляного полотна и способности его накапливать пластические или неравномерные деформации основание устраивают из бетона низких марок по прочности (Вtb0,8 - Вtb1,2); из нерудных материалов и грунтов, укрепленных неорганическим вяжущим, из щебня, шлака или гравия либо из песка.

Толщину и вид основания определяют расчетом.

При низкой интенсивности автомобильного движения и при строительстве покрытий легкими бетоноукладочными машинами с боковой или центральной загрузкой допускается при соответствующем технико-экономическом обосновании устройство покрытия на песчаном основании, выполняющем одновременно роль дренажного и морозозащитного слоя.

Для исключения образования в слое песчаного основания колей от автомобилей-самосвалов основание должно быть укреплено путем устройства слоя из щебня, шлака или гравия толщиной 10 - 12 см, причем только в местах пропуска автомобилей-самосвалов, подвозящих цементобетонную смесь.

Минимальная толщина основания из бетона низкой прочности - 14 см; из нерудных материалов, укрепленных неорганическими вяжущими, 16 см; из щебня, шлака или гравия - 15 см.

Толщина укрепленного вяжущими основания, по которому уже в раннем возрасте начинается движение гусеничных бетоноукладчиков, должна быть не менее 18 см, марка - Rc7,5.

В ряде случаев возможен вариант устройства основания из щебня, укрепленного слоем цементопесчаного раствора толщиной 4 - 5 см, выполняющим одновременно роль выравнивающего слоя.

При бетонировании покрытия гусеничными бетоноукладчиками со скользящими формами ширина укрепленного основания должна быть шире покрытия на 1,05 м с каждой стороны (см. рис. 1.1).

Ширина укрепленного технологического слоя для подвоза бетонной смеси - 3,0 - 3,5 м.

В слое укрепленного вяжущими основания рекомендуется устраивать поперечные швы через каждые 20 - 30 м, смещенные относительно швов в покрытии не менее чем на 1 м, путем закладки в нижнюю часть основания деревянных брусков высотой 4 - 7 см.

Во избежание появления трещин в основании под поперечными швами покрытия основание не должно сращиваться с плитами покрытия, что достигается укладкой прерывающих сцепление материалов.

2.4. Дополнительный слой основания устраивают из дренирующих, не подверженных пучению материалов (песка, шлака, высевок, ракушечника и пр.).

Дополнительный слой основания должен иметь водослив - сплошные или прерывистые выходы дренирующего материала на откосы земляного полотна и нижнюю плоскость (поверхность земляного полотна) с поперечным уклоном.

Для улучшения водоотвода можно применять геотекстиль в виде сплошного или прерывистого слоя. Для уменьшения подтока влаги снизу можно предусматривать прерывающие прослойки из синтетических пленок.

При небольшой интенсивности движения дополнительный слой основания может одновременно выполнять роль основания и выравнивающего слоя.

Толщина дополнительного слоя основания определяется расчетом.

Дополнительный слой, выполняющий морозозащитную функцию, может быть заменен грунтом, обработанным (в смесителе) гидрофобизирующими материалами. При небольшой интенсивности движения он может работать и в качестве основания.

2.5. Краевые укрепленные полосы устраивают из цементо- или асфальтобетона на бетонном основании, как правило, по типу основной дорожной одежды без устройства продольных швов. Для дорог низких категорий (V - III-c) допускается краевые полосы устраивать из щебня.

Ширина краевых полос на дорогах I - III категорий не менее 75 см, более низких категорий - не менее 50 см. Толщина краевых полос должна быть равна толщине покрытия.

Бетонные полосы разделяют поперечными швами, которые должны быть продолжением швов в покрытии. При устройстве бетонных покрытий со шпунтами на боковых гранях и при отсутствии штырей в поперечных швах бетонных покрытий в швах краевых полос ставят штыри - по одному - два стержня длиной 50 см и диаметром 16 - 18 мм по типу штырей в швах сжатия и расширения в покрытии (с обмазкой и с колпачками в швах расширения).

Бетонные краевые полосы швами от покрытия не отделяются. При устройстве вместо краевых полос уширения шириной более 3 м последние отделяются от бетонного покрытия пазами с заполнением их по типу шва сжатия. Поперечные швы полос уширения по конструкции и по месту расположения должны совпадать с поперечными швами покрытия.

Конструкция монолитных цементобетонных покрытий

2.6. Толщина бетонных покрытий должна быть, как правило, одинаковой по всей ширине проезжей части. На шестиполосных покрытиях толщину крайних внешних полос допускается увеличивать на 2 см для обеспечения проезда тяжелых автомобилей. Бетонные покрытия могут быть однослойными или при наличии соответствующего технологического оборудования - двухслойными, устраиваемыми методом сращивания слоев с одновременным уплотнением верхнего и нижнего слоев, с толщиной верхнего слоя не менее 6 см.

Толщину бетонных покрытий h определяют расчетом. При использовании для покрытия бетонов, указанных в обязательном приложении 1, классов для нормативной нагрузки 50 кН на колесо минимальную толщину покрытия принимают по табл. 2.1.

Таблица 2.1

Основание

Минимальная толщина, см, покрытия при интенсивности движения расчетной нагрузки, ед/сут на полосу

более 2000

1000 - 2000

500 - 1000

100 - 500

менее 100**

Бетонное (мелкозернистый бетон, шлакобетон)

22

20

18 (16)

18* (16)

15*

Из материалов, укрепленных неорганическими вяжущими

22

20

18 (16)

18* (16)

15*

Из щебня, гравия, шлака

-

22

20 (18)

18* (16)

16*

Из песка, песчано-гравийной смеси

-

-

20 (18)

18 (16)

16

* Толщина основания в этих случаях может быть на 2 см меньше указанной в п. 2.3.

** Сооружаются при соответствующем технико-экономическом обосновании.

Примечания: 1. В скобках приведена толщина покрытия для облегченных условий движения.

2. Если в поперечных швах штыри не применяются, толщину покрытия увеличивают на 2 см.

2.7. В покрытии устраивают продольные и поперечные швы (сжатия и расширения), делящие покрытие на плиты определенной длины и ширины. В конце рабочей смены или при длительных перерывах в бетонировании (более 2 - 4 ч) устраивают рабочие швы по типу швов сжатия и при необходимости швы расширения. Для предохранения покрытия от трещинообразования в раннем возрасте часть швов сжатия устраивают как контрольные и в первую очередь в свежеуложенном бетоне.

В швах предусматривают штыревые соединения. Пазы швов заполняют герметизирующим материалом.

Длину плит lсж (расстояние между поперечными швами сжатия) на укрепленном основании и на устойчивом земляном полотне принимают по расчету, но не более 25h, на земляном полотне с ожидаемыми неравномерными осадками (включая насыпи высотой более 3 м) - 22h, а в местах перехода из выемок в высокие насыпи, в местах примыкания к искусственным сооружениям и в покрытиях шириной 6 м и менее - 20h.

2.8. Продольные швы предусматривают при ширине покрытия более 23h.

Контрольные швы, по конструкции аналогичные швам сжатия, обеспечивающие температурно-усадочную трещиностойкость в раннем возрасте, устраивают через каждые 2 - 3 плиты.

2.9. При устройстве швов расширения руководствуются данными табл. 2.2. Ширину швов расширения (толщину прокладки) принимают равной 3 см.

Таблица 2.2

Ожидаемая для данного района температура нагрева покрытия в летнее время, °С

Толщина покрытия, см

Расстояние между швами расширения, число плит, при температуре воздуха во время бетонирования, °С

менее 5

5 - 10

10 - 15

15 - 20

более 20

Менее 40

20 и более

10

10

-*

-

-

 

Менее 20

10

10

10

-*

-

Более 40

20 и более

10

10

10

-*

-

 

Менее 20

10

10

10

10

-

*См. п. 2.11.

2.10. Для повышения продольной устойчивости, лучшей совместной работы плит, увеличения динамической устойчивости основания и повышения транспортно-эксплуатационных качеств рекомендуется поперечные швы устраивать наклонными в плане или в виде «елочки» с уклоном к перпендикуляру 1:10 (рис. 2.1). Количество штырей в продольном шве рассчитывают с учетом массы соседних плит без штырей в продольном шве.

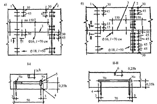
Рис. 2.1. Варианты расположения швов сжатия в плане для повышения комфортности движения, для уменьшения уступов между плитами (а, б и в), ровности покрытия в жаркое время года (б и в)

2.11. Штыри в продольных и поперечных швах располагают в соответствии с рис. 2.2. Конструкции швов расширения и сжатия принимают по рис. 2.2 и 2.3.

При устройстве покрытий на цементогрунтовом основании толщиной не менее 18 см бетоноукладчиками со скользящими формами и допущении проектной организацией уступов между плитами в поперечных швах высотой до 3 мм (см, расчет основания) допускается в поперечных швах штыри не применять. Толщину покрытия в этом случае увеличивают на 2 см, а швы расширения при температуре бетонирования более 10 °С можно не устраивать.


Рис. 2.2. Расположение штырей в швах покрытий на цементогрунтовом и цементобетонном (а), щебеночном и песчаном (б) основаниях:

1 - шов сжатия; 2 - шов расширения; 3 - продольный шов; 4 - установочные шпильки (Æ 5, l - 13 … 16 см), приваренные к штырям; 5 - изоляция места сварки с помощью специальных колпачков или полиэтиленовой пленки; 6 - заполнитель (при приварке к штырям продольного шва шпилек диаметром 8 - 10 мм (в торец) длина штырей может быть уменьшена до 50 см)


Рис. 2.3. Конструкция шва расширения:

1 - прокладка из выдержанной в воде древесины; 2 - каркас для фиксации прокладки и штырей, свариваемый в кондукторе; 3 - штыри в битумной изоляции, привязываемые к каркасу; 4 - температурный компенсатор (колпачок), обеспечивающий смещение штыря в бетоне не менее чем на 2 см; 5 - заполнитель (герметик)

Для повышения продольной устойчивости рекомендуется в примыкающих к шву расширения швах сжатия, а также в швах сжатия для случаев, отмеченных в табл. 2 звездочкой, применять в нижней части деревянные прокладки треугольного сечения высотой 5 - 6 см.

2.12. При устройстве швов сжатия и расширения не допускается отклонение перекосов и наклонов штырей и прокладок от проектного положения более чем на 1 см. При устройстве пазов швов сжатия и расширения в свежеуложенном бетоне радиус закругления кромок швов не должен превышать 8 мм. Длина зоны обмазки штырей в поперечных швах разжиженным битумом составляет 2/3 длины штырей, толщина обмазки не должна превышать 0,2 мм.

Температурные колпачки, надеваемые на штыри швов расширения, должны обеспечивать свободное смещение штыря в бетоне не менее чем на 2 см.

Штыри в продольных швах устанавливают без битумной обмазки с допущением перекосов не более чем на 5 см.

2.13. Паз швов сжатия может быть в сечении прямоугольным, ступенчатым или с наклонными стенками. Ширина паза швов сжатия может быть от 4 до 15 мм, глубина паза - не менее 0,25h.

Ширина паза над швом расширения принимается равной 33 - 35 мм, глубина до верха доски - 40 - 60 мм.

Расстояние между верхней частью доски шва расширения, снимаемой после бетонирования, и поверхностью сооружаемого покрытия должно быть не менее 10 мм.

Перед мостами и путепроводами устраивают не менее трех швов расширения без штырей и прокладок, шириной по 6 см каждый, через 15 - 30 м друг от друга. Швы заполняют сильно сжимаемым материалом, например песком, обработанным битумом; вверху шва устанавливают готовую резиновую пустотелую или пористую прокладку высотой 6 см.

2.14. Армирование плит по индивидуальным проектам применяется как вариант при тяжелых нагрузках, при слабых основаниях. Для армирования следует применять арматуру периодического профиля диаметром 8 - 16 мм класса А-II в виде отдельных продольных стержней, длина которых меньше длины плиты на 100 - 200 см, или в виде плоских сеток той же длины с продольной арматурой, со средним расходом ее 2,3 - 3,4 кг на 1 м2 покрытия.

При армировании краев покрытия в нижней зоне (на высоте 40 мм от нижней плоскости) двумя стержнями (диаметром 10 - 12 мм, А-II) стержни должны быть короче длины плит на 100 см.

Конструкция асфальтобетонных покрытий с цементобетонным основанием

2.15. Асфальтобетонные покрытия на цементобетонном основании могут быть одно-, двух- и трехслойными. Толщина слоя асфальто- и цементобетона определяется расчетом, но не должна быть менее значений, указанных в табл. 2.3.

Таблица 2.3

Класс бетона по прочности на растяжение при изгибе Btb

Средняя прочность бетона на растяжение при изгибе, МПа

Толщина, см, асфальтобетона ha/цементобетона hb при интенсивности действия расчетной нагрузки, авт./сут

более 2000

1000 - 2000

500 - 1000

100 - 500

0,8

1,0

18,0

26

18,0

24

17,0

23

17,0

22

1,2

1,5

18,0

24

18,0

23

17,0

22

16,0

21

1,6

2,0

18,0

22

17,0

21

17,0

20

16,0

19

2,0

2,5

18,0

19

18,0

18

18,0

17

16,0

17

2,4

3,0

17,0

19

16,5

17

16,5

16

16,0

16

2,8

3,5

16,5

17

16,0

17

16,0

16

14,0

16

Примечания: 1. Значения толщины приведены для суточных колебаний температуры на поверхности асфальтобетона (цементобетона) Ап = 15 °С.

2. При других суточных колебаниях температуры толщина слоя асфальтобетона определяется по формуле h¢a = haAп/15, цементобетона - по формуле

3. Значения ожидаемого суточного перепада Ап приведены в обязательном приложении 4.

4. В случае, когда основание в течение длительного времени (но не более одного года с момента укладки) используется для движения транспорта, его устраивают из бетона класса не менее В15 (Вtb2,4) толщиной не менее 20 см.

Допускается применять в основании бетон, уплотняемый укаткой с использованием рационально допустимого срока службы основания в качестве покрытия.

2.16. В цементобетонном основании устраивают швы сжатия через 15 м. Допускается устройство основания без поперечных швов. Перед мостами и у пересечения дорог устраивают не менее трех швов расширения через 10 - 20 м, так же, как и при сооружении монолитных цементобетонных покрытий.

2.17. Для повышения трещиностойкости асфальтобетонного покрытия над поперечными швами в основании рекомендуется армировать асфальтобетон над швами сетками, располагая их симметрично вдоль шва; ширина сеток 80 - 160 см.

Сетки из стекловолокна или стеклопластика размещают в слое асфальтобетона не ближе 8 см от поверхности покрытия или между слоями. Сетки из стали располагают под нижним слоем двух- и трехслойного асфальтобетонного покрытия.

2.18. Продольные швы в основании устраивают при ширине покрытия более 9 м и на участках с ожидаемыми неравномерными осадками земляного полотна. Продольные швы не армируются.

Ширина слоя основания из цементобетона принимается такой же, как и при строительстве цементобетонных покрытий.

2.19. Кроме асфальтобетона, в качестве верхнего слоя могут применяться сборные плиты и слои поверхностной обработки. Для повышения сцепления верхнего слоя с цементобетонным слоем поверхность последнего должна быть повышенной шероховатости и обработана грунтовкой. Грунтовку наносят на чистую и сухую поверхность цементобетона.

Конструкция колейных покрытий

2.20. Для дорог с интенсивностью движения расчетной нагрузки менее 100 ед./сут могут применяться колейные покрытия в виде полос бетона, в том числе имеющие слои износа. Толщина колейного покрытия определяется расчетом. Рекомендуемые минимальные толщины приведены в табл. 2.4.

Таблица 2.4

Основание

Толщина колейного покрытия, см, при проектном классе бетона

В15

В20

В25

В30

Песчаное

20

19

18

17

Цементогрунтовое, шлаковое, щебеночное толщиной 14 см

18

17

16

16

Примечание. При классе бетона В15 - В20 поперечные швы не устраивают, при классе бетона В25 - В30 длина плит составляет 22h.

Поперечные швы в колейных покрытиях устраивают со смещением не менее 30 - 50 см. На песчаном основании в швах ставят штыри - по два стержня диаметром 16 мм длиной 40 см на колею.

Конструкция дорожных одежд со сборными покрытиями

2.21. Дорожные одежды со сборными покрытиями целесообразны на дорогах в северных и труднодоступных районах, в том числе на дорогах нефтяных и газовых промыслов, а также на дорогах промышленных предприятий и сельскохозяйственного назначения I - II дорожно-климатической зоны.

2.22. Проектирование дорожных одежд со сборным покрытием следует производить, как правило, исходя из применения выпускаемых типовых плит, учитывая особенности работы покрытия путем расчета и конструирования основания и стыковых соединений.

Типовые плиты проектируют с учетом возможности их изготовления на одном и том же оборудовании для возможно большего количества сходных расчетных случаев, а в некоторых вариантах и с обеспечением возможности успешной работы при отклонениях от расчетной жесткости основания в меньшую сторону. Типовые плиты проектируют после их опытно-производственной проверки, элементы типовых плит (стыки, надрезы) - после экспериментально-опытной проверки с учетом особенностей технологии изготовления плит и их элементов.

Разработку и применение новых конструкций плит производят с учетом опыта эксплуатации аналогичных конструкций при соответствующем технико-экономическом обосновании.

2.23. Минимальные размеры плит в плане определяют из условия обеспечения устойчивости работы основания под торцами плит, с учетом или без учета работы стыковых соединений, максимальные размеры - из условия работы плит на монтажные нагрузки.

Плиты могут работать в покрытии, в основании, под защитным слоем какого-либо вида или выполнять функции защитного слоя основания повышенной жесткости и прочности, но недостаточной износо- или морозостойкости.

2.24. При строительстве нефтепромысловых и промышленных дорог с интенсивностью движения более 1000 авт./сут целесообразно применять предварительно напряженные плиты длиной 5 - 6 м и шириной 1,75 - 2,30 м; при меньшей интенсивности движения - ненапряженные сочлененные плиты длиной 4,5 - 5,5 м и шириной 1,75 - 2,30 м.

Для внутрихозяйственных и вспомогательных дорог применимы как предварительно напряженные, так и ненапряженные сочлененные плиты. При этом учитывается, что напряженные плиты могут изготовляться без пропаривания, снижающего морозостойкость бетона, и без металлоемкого оборудования. При работе плит на слабом основании сочлененные плиты армируют двухслойной арматурой. Плиты могут быть ребристыми, ячеистыми, двухслойными или многослойными.

2.25. На боковых поперечных гранях плит предусматривают стыковые соединения, конструкция которых зависит от величины колесной нагрузки, вида основания и конструкции формы или опалубки. Некоторые из конструкций стыковых соединений для предварительно напряженных плит показаны на рис. 2.4, для ненапряженных плит - на рис. 2.5.

На боковых продольных гранях плит предусматривают монтажно-стыковые устройства в виде горизонтальных или вертикальных скоб.

Рис. 2.4. Стыковые соединения для предварительно напряженных плит:

а - соединение из свариваемых скоб с прочностью стыков 20 кН; б - то же, с увеличением сечения сварного шва, 40 кН; в - из скоб, соединяемых двумя промежуточными шпунтовыми элементами с омоноличиванием раствором, 70 кН; г - несвариваемое из трех скоб, 70 кН; д - из скобы и паза в бетоне соседней плиты, 60 - 70 кН; е - из свариваемых пластин, имеющих анкерные стержни, 130 кН при податливости 2 мм

Рис. 2.5. Варианты стыковых соединений для ненапряженных плит:

а, б - на углах плит, изготавливаемых в матричных формах (с неоткидными бортами); в, г, д - на боковых гранях плит, изготавливаемых в формах с откидными бортами

2.26. Для повышения долговечности сборного покрытия на поворотах, в местах примыкания или уширения целесообразно применять «доборные» плиты или плиты-вставки. Эти плиты изготавливают в тех же формах, что и плиты основного размера. Часть монтажных скоб может быть установлена на поверхности этих плит или на их боковых гранях, примыкающих к бортам формы. Монтажные и стыковые устройства при этом сохраняются.

2.27. Основания под сборные покрытия могут устраиваться различных типов (рис. 2.6). Конструкция основания определяется по расчету.

Рис. 2.6. Виды оснований под сборное покрытие:

1 - песчаное; 2 - то же, со слоем геотекстиля (СНМ); 3 - песчаное, в том числе с СНМ, с прокладками под углами и торцами плит; 4 - цементогрунтовое; 5 - песчаное с продольными полосами из цементогрунта или сухой цементопесчаной смеси; 6 - из сухой цементопесчаной смеси; 7 - из шлака или шлама; 8 - из нефтегрунта, нефтецементогрунта или грунта с добавкой отработанных буровых растворов; 9 - из сборных, в том числе некондиционных плит

Швы в покрытии можно заполнять в нижней части или на всю высоту раствором, в верхней части - мастикой. Для большей сохранности кромок и для удобства демонтажа плит, работающих на первой стадии при двухстадийном строительстве, швы на первой стадии должны быть заполнены песком.

3. РАСЧЕТ ЖЕСТКИХ ДОРОЖНЫХ ОДЕЖД

3.1. Дорожные одежды рассчитывают с учетом состава транспортного потока, перспективной интенсивности движения к концу срока службы, грунтовых и природно-климатических условий.

Расчет производят в следующих случаях:

при проектировании дорожных одежд;

при определении возможности разового пропуска тяжелых нагрузок по существующему покрытию;

при определении рациональности новых конструктивных или технологических решений.

Расчет выполняют по предельным состояниям, определяющим пределы работоспособности того или иного элемента конструкции, на основании расчетных схем, используя нормируемые расчетные параметры.

3.2. Расчет ведется путем проверок предварительно назначенной конструкции дорожной одежды:

по прочности верхних слоев дорожной одежды;

по прочности и устойчивости земляного полотна и слоев основания на сдвиг и по накоплению уступов в поперечных швах покрытия;

по устойчивости в продольном направлении покрытия в жаркое время года, по прочности стыковых и монтажных соединений;

по устойчивости дорожной одежды к воздействию морозного пучения;

по способности дренирующего слоя основания отводить влагу в весенний период.

Расчетом определяются толщины покрытия и слоев снования, расстояние между поперечными швами, количество штырей в швах расширения и сжатия.

3.3. Исходные данные для расчета дорожной одежды включают:

параметры дороги (категория, ширина проезжей части, срок службы дорожной одежды до капитального ремонта);

параметры движения (интенсивность, нагрузка);

параметры земляного полотна и условия его работы (тип местности, разновидности грунтов, уровень грунтовых вод);

дорожно-климатическую зону расположения участков дороги.

3.4. Жесткие дорожные одежды рассчитывают с учетом уровня надежности (вероятности безотказной работы конструкции в течение намеченного срока эксплуатации), принимаемой в соответствии с табл. 3.1.

Таблица 3.1

Интенсивность расчетной нагрузки, ед./сут

Уровень надежности

Коэффициент прочности Кпр

Более 1000

0,95

1,00

500 - 1000

0,90

0,94

Менее 500

0,80

0,87

Расчетные параметры подвижной нагрузки

3.5. В качестве расчетной схемы нагружения конструкции колесом автомобиля принимается гибкий круговой штамп диаметром D, передающий равномерно распределенную нагрузку величиной р.

Величины расчетного удельного давления колеса покрытия р и расчетного диаметра D, приведенного к кругу отпечатка расчетного колеса на поверхности покрытия, назначают с учетом параметров расчетных типов автомобилей.

В качестве расчетного типа используют наиболее тяжелый автомобиль из систематически обращающихся по дороге, доля которых составляет не менее 10 % (с учетом перспективы изменения состава движения к концу межремонтного срока).

Приведение различных типов автомобилей к расчетному типу и приведение расчетного типа к расчетной схеме нагружения осуществляется в соответствии с указаниями приложения 1.

Величину р принимают равной давлению воздуха в шинах. Диаметр расчетного отпечатка шины D определяют из зависимости:

                                                        (3.1)

где Qрасч - расчетная величина нагрузки, передаваемой колесом на поверхность покрытия, кН;

р - давление, МПа.

(Значения D и р для расчетной нагрузки типа А см. приложение 2).

3.6. Учет характера действующей нагрузки (кратковременное многократное нагружение, статическое нагружение) осуществляется через принятие соответствующих расчетных значений расчетных характеристик конструктивных слоев, а также через введение коэффициента динамичности при назначении величины нагрузки.

3.7. В зависимости от вида расчета конструкции используют различные характеристики, отражающие интенсивность воздействия на нее подвижной нагрузки:

N - перспективную (на конец срока службы) общую среднесуточную интенсивность движения;

Nр - приведенное к расчетной нагрузке среднесуточное (на конец срока службы) число проездов всех колес, расположенных по одному борту расчетного автомобиля, в пределах одной полосы проезжей части (приведенная интенсивность воздействия нагрузки);

ΣNp - суммарное расчетное число приложения приведенной расчетной нагрузки к расчетной точке на поверхности конструкции за срок службы.

3.8. Перспективную общую среднесуточную интенсивность устанавливают по данным анализа закономерностей изменения объема перевозок и интенсивности движения при проведении титульных экономических обследований.

3.9. Величину Np приведенной интенсивности на последний год срока службы определяют по формуле

                                             (3.2)

где fпол - коэффициент, учитывающий число полос движения и распределение движения по ним, определяемый по табл. 3.2;

n - общее число различных марок транспортных средств в составе транспортного потока;

Nm - число проездов в сутки в обоих направлениях транспортных средств m-й марки;

Sm сум - суммарный коэффициент приведения воздействия на дорожную одежду транспортного средства m-й марки к расчетной нагрузке Qpacч, определяемый в соответствии с приложением 2.

3.10. Суммарное расчетное число приложений расчетной нагрузки к точке на поверхности конструкции за срок службы определяют по формуле

                                             (3.3)

или по формуле

                                                  (3.4)

где n - число марок автомобилей;

N1m - суточная интенсивность движения автомобилей m-й марки в первый год службы (в обоих направлениях), авт./сут;

Np - приведенная интенсивность на последний год срока службы, авт./сут;

Трдг - расчетное число расчетных дней в году соответствующих определенному состоянию деформируемости конструкции (определяемое в соответствии с приложением 6);

kn - коэффициент, учитывающий вероятность отклонения суммарного движения от среднего ожидаемого (табл. 3.3):

Кс - коэффициент суммирования (см. приложение 6 табл. П.6.2) определяют по формуле

                                                               (3.5)

где Тсл - расчетный срок службы;

q - показатель изменения интенсивности движения данного типа автомобиля по годам.

Таблица 3.2

Число полос движения

Значение коэффициента fпол для полосы с номером от обочины

1

2

3

1

1,00

-

-

2

0,55

-

-

3

0,50

0,50

-

4

0,35

0,20

-

6

0,30

0,20

0,05

Примечания: 1. На многополосных дорогах допускается проектировать одежду переменной толщины по ширине проезжей части, рассчитав дорожную одежду в пределах различных полос в соответствии со значениями Nр, найденными по формуле (3.3).

2. На перекрестках и подходах к ним (в местах перестройки потока автомобилей для выполнения левых поворотов и др.) при расчете одежды в пределах всех полос движения следует принимать fпол = 0,50, если общее число полос проезжей части проектируемой дороги более трех.

Таблица 3.3

Тип дорожной одежды

Значение коэффициента kn при различных категориях дорог

I

II

III

IV

V

Капитальный

1,49

1,49

1,38

1,31

-

Расчет монолитных цементобетонных покрытий

3.11. Расчет проводят путем проверки прочности покрытия по формуле

                                                                  (3.6)

где Кпр - коэффициент прочности, определяемой в зависимости от категории дороги по табл. 3.1;

 - расчетная прочность бетона на растяжение при изгибе, определяемая по обязательному приложению 1;

spt - напряжения растяжения при изгибе, возникающие в бетонном покрытии от действия нагрузки, с учетом перепада температуры по толщине плиты.

Расчетное сопротивление бетона на растяжение при изгибе определяют по формуле

                                                    (3.7)

где Вtb - класс бетона на растяжение при изгибе;

Кн.п - коэффициент набора прочности со временем; для бетона естественного твердения для районов с умеренным климатом Kн.п. = 1,2; для условий сухого и жаркого климата Кн.п. = 1,0; для пропаренного - Кн.п. = 1;

Ку - коэффициент усталости бетона при повторном нагружении;

Ky = 1,08×(ΣNp)-0,063,                                                         (3.8)

где ΣNp - суммарное расчетное число приложения приведённой расчетной нагрузки за расчетный срок службы;

КF - коэффициент, учитывающий воздействие попеременного замораживания-оттаивания, равный 0,95.

Напряжения растяжения при изгибе определяют по одной из двух расчетных схем, учитывающих условия контакта плиты с основанием и место расположения нагрузки.

Первая расчетная схема применяется для определения толщины покрытия при условии гарантированной устойчивости земляного полотна и отсутствия неравномерных осадок или выпучивания; характеризуется наличием полного контакта плит с основанием под всей площадью плиты. Расчетное место приложения нагрузки в дорожном покрытии - продольный внешний край в центре по длине плиты.

Вторая расчетная схема применяется для определения расстояния между поперечными швами, а также толщины плит в особых условиях для дорог низких категорий при заданной их длине на участках с ожидаемыми неравномерными осадками или неравномерным пучением земляного полотна.

3.12. По первой расчетной схеме напряжения spt (МПа) определяются, исходя из решений теории упругости, по следующей аппроксимирующей зависимости, отражающей наличие контакта плиты с основанием

                               (3.9)

где Q - расчетная нагрузка, кН;

Км - коэффициент, учитывающий влияние места расположения нагрузки; для неармированных покрытий Км = 1,5; для покрытий с краевым армированием или площадок с расположением полос наката не ближе чем 0,8 м от внешнего продольного края покрытия - Км = 1,0 для продольного направления и Км = 1,5 для поперечного;

Кусл - коэффициент, учитывающий условия работы; Кусл = 0,66;

Кшт - коэффициент, учитывающий влияние штыревых соединений на условия контактирования плит с основанием; при наличии в поперечных швах штырей Кшт = 1, при отсутствии штырей Кшт = 1,05;

h - толщина плиты;

Кt - коэффициент, учитывающий влияние температурного коробления плит, определяемый по табл. 3.4.

Таблица 3.4

Дорожно-климатическая зона

Значения Кt при толщине плиты, см

16

17

18

19

20

21

22

23

24

25

26

II

0,95

0,93

0,90

0,87

0,85

0,83

0,80

0,77

0,73

0,70

0,67

III

0,95

0,93

0,90

0,87

0,84

0,92

0,79

0,76

0,72

0,69

0,66

IV

0,94

0,92

0,89

0,86

0,84

0,82

0,78

0,75

0,71

0,68

0,65

V

0,94

0,92

0,89

0,85

0,83

0,81

0,77

0,74

0,70

0,66

0,63

R - радиус отпечатка колеса;

                                                        (3.10)

рш - давление в шинах, принимаемое равным 0,6 МПа;

lу - упругая характеристика плиты, см;

                                                  (3.11)

Е и m - модуль упругости и коэффициент Пуассона бетона, определяемые по обязательному приложению 1; m0 - коэффициент Пуассона основания;

 - эквивалентный модуль упругости основания.

Эквивалентный модуль упругости основания , как многослойной конструкции, определяется путем последовательного приведения слоистой системы к двухслойной по формуле

                          (3.12)

где

                                                           (3.13)

i - номер рассматриваемого слоя дорожной одежды, считал сверху вниз;

hi - толщина i-го слоя, см;

 - общий модуль полупространства, подстилающего i-ый слой, МПа;

Еi - модуль упругости материала i-го слоя, МПа;

D - диаметр отпечатка колеса или площадки силового контактирования верхнего слоя с нижележащим; принимается D = 50 см; для сборного покрытия D = 2а + h или D = 2b + h.

Модули упругости грунтов и материалов слоев, слагающих основание, определяются по обязательным приложениям 3 и 4.

Для нескольких значений толщин цементобетонного покрытия строим график зависимости Ку = f(h), т.е.

                                                      (3.14)

С помощью этого графика определяют толщину покрытия, соответствующую требуемому Ку = fNр).

3.13. При второй расчетной схеме при опирании на основание в ее центральной части по длине полудлина плиты А (см) определяется по формуле

                                              (3.15)

а толщина плиты h (см) на основе формул (3.6) и (3.15)

                                                       (3.16)

где Q - в кН, h, А и В - в см; В - полуширина плиты, см; А ³ В; Кс - коэффициент скорости потери ровности основания, при ожидаемой общей просадке основания (земляного полотна) более 15 см, Кс = 1,2, в остальных случаях Кс = 1.

Расчет параметров конструкций и элементов деформационных швов

3.14. Необходимость устройства швов расширения определяется исходя из допустимых температурных напряжений сжатия stдоп (МПа), которые для оценочных расчетов можно принять равными

                                                       (3.17)

или

                                                             (3.18)

где g - плотность материала плиты, т/м3;

h - толщина плиты, м;

Аt = 19 МПа/м.

Из условия сохранения прочности бетона в зоне швов  не должно превышать 2Btb.

3.15. Из условия прочности швы расширения устраивают, если допустимые напряжения  будут меньше фактических  (МПа), определяемых по формуле

                                                  (3.19)

где a - коэффициент линейной температурной деформации бетона, 1/°С;

a = 0,00001 1/°С;

Tмакс, Тисх - максимальная и исходная температура бетона в середине по толщине плиты, °С (см. табл. 4.12 обязательного приложения 4).

3.16. Расстояние Lрасш (м) между швами расширения определяется по формуле

                                                           (3.20)

где d¢пр - деформация сжатия прокладки шва расширения, м;

d¢пр = Впр×s¢прпр,                                                           (3.21)

Впр - ширина прокладки, м;

Епр - модуль упругости прокладки, МПа; для деревянных прокладок Епр = 8 МПа;

s¢пр - обжатие шва расширения (напряжение при сжатии), МПа; для деревянных прокладок мягких пород s¢пр = 2 МПа;

hпр - высота прокладки, м;

hnp = h - 0,04 (м).                                                        (3.22)

3.17. Диаметр dшт (см) штырей в швах вычисляют по формуле

                                                  (3.23)

где Ршт - часть расчетной нагрузки на колесо, воспринимаемой штыревым соединением;

                                                      (3.24)

wшт - податливость штырей при нагружении, мм; для швов сжатия wшт = 1,5 мм, для швов расширения wшт = 2 мм;

wпл - расчетный прогиб края плиты от действия нагрузки, мм; для песчаного и щебёночного основания wпл = 5 мм, для цементогрунтового основания - wпл 3 мм;

Ad - коэффициент длины зоны обжатия бетона в месте входа в него штыря; для швов сжатия Ad = 3, для швов расширения Ad = 1,5;

Rи - средняя прочность бетона на сжатие, МПа: допускается принимать Rи »tb;

n - количество штырей на полосе наката или на длине lу;

Kd - коэффициент запаса, равный 0,75.

3.18. Длина штырей составляет 20d плюс допуск, равный 5 см, плюс прибавка на установку температурного колпачка (5 см) и на ширину шва (3 см для швов расширения).

Диаметр штырей в продольных швах определяется из требуемой площади поперечного сечения Fa (см2/м) арматуры:

                                                   (3.25)

где f - коэффициент трения-сцепления плиты с основанием; принимается f = 1,5;

i - поперечный уклон, доли единицы; i = 0,05; Rs - расчетное сопротивление арматуры по СНиП 2.03.01-84; кгс/см2; В, h - в см; g - в т/м3.

Длина гладких штырей в продольных швах равна 40dшт + 5 см, из стержней периодического профиля - 35dm + 5 см, при диаметре шпилек для крепления штырей 8 - 10 мм и при надежной приварке их к штырям - 22d + 5 см.

Обеспечение герметизации швов бетонных покрытий

3.19. Расчетную величину деформативности eт.г. (%) в конструкции без армирования швов, при которой материал герметика деформируется без разрыва, определяют по формуле

                                       (3.26)

где eт.г. - относительное удлинение или деформативность герметика (заполнителя паза шва) при максимальном растягивающем напряжении, %;

bп - ширина паза шва;

n - коэффициент, учитывающий несрабатывание швов сжатия и объединение плит в плиту большего размера; n = 2пл.; n = 3; n = 4; n = 5 и т.д., определяется на момент производства герметизации швов;

a - коэффициент линейной температурной деформации бетона, (°С-1);

DT - температурные изменения серединного слоя плиты в расчетный период времени, °С;

w - прогиб (вертикальные смещения) плиты покрытия при расположении расчетной колесной нагрузки в расчетном месте по длине поперечного шва; определяется любым из методов расчета плит на упругом основании; величина прогиба также может быть определена непосредственно перед герметизацией с помощью пробного зондирования, контрольной прокаткой автомобиля.

Полученную (требуемую) величину деформативности eт.г. сравнивают с предельной величиной деформативности материала, герметизирующего шов eп.г., по условию

eт.г. £ eп.г.,                                                                    (3.27)

где eп.г. должна соответствовать предельной относительной деформации растяжения в условиях расчетной температуры окружающей среды в районе расположения дороги в период наиболее холодных суток наиболее холодного периода года, назначаемых по СНиП 23-01-99 «Строительная климатология».

При армированных швах сжатия

                                                       (3.28)

Расчет асфальтобетонных покрытий с цементобетонным основанием

3.20. Толщину слоя покрытия с цементобетонным основанием рассчитывают из условия прочности

                                                            (3.29)

где sр - вычисляется по формуле (3.9) при Кt = 1, при Км, определяемом исходя из условий эксплуатации и пояснений к этому коэффициенту (см. п. 3.12).

Толщина слоя при этом определяется в зависимости от величины сцепления между слоями асфальто- и цементобетона.

При гарантированном надежном во времени сцеплении учитывается совместная работа слоев на изгиб, при которой расчетная или эквивалентная толщина слоя

                                                      (3.30)

где h - толщина нижнего слоя из цементобетона;

hа - толщина верхнего слоя из асфальтобетона;

Еа - расчетный эквивалентный модуль упругости асфальтобетона (см. обязательное приложение 4).

Если сцепление верхнего слоя с нижним или работа верхнего слоя на изгиб не гарантируется, то расчетную толщину принимают равной толщине нижнего слоя из цементобетона h, но при этом радиус отпечатка колеса увеличивается на толщину верхнего слоя.

При работе нижнего слоя без верхнего в течение более 2 месяцев расчет ведут как для однослойного покрытия с учетом повторности нагружения в течение срока службы без верхнего слоя.

При устройстве бетонного основания, технология которого предусматривает уплотнение способом укатки, длину плит назначают равной 15 м, продольный шов предусматривают при ширине покрытия 9 м и более. Все швы устраивают без штырей.

3.21. Напряжение st от перепада температур по толщине нижнего цементобетонного слоя определяют по формуле

                                                          (3.31)

где

                                              (3.32)

Aп - перепад температуры в течение суток на поверхности асфальтобетонного покрытия, °С, определяемый, в зависимости от района строительства, по обязательному приложению 4;

w - угловая частота суточных колебаний температуры, рад./ч; w = 0,26 рад./ч;

аtа, аtб - коэффициенты температуропроводности соответственно асфальтобетона и цементобетона; аta = 0,002 м2/ч; аtб = 0,004 м2/ч.

Расчет толщины конструктивных слоев целесообразно проводить по периодам, увязанным с изменением интенсивности движения и межремонтными сроками службы покрытия. В течение каждого периода дорожная одежда работает с принятой надежностью. Задав толщину слоя основания и класс прочности бетона путем подбора толщины слоя асфальтобетона, строят график, показывающий изменение коэффициента прочности дорожной одежды в процессе эксплуатации. По оси абсцисс откладывают срок эксплуатации и соответствующую ему интенсивность расчетной нагрузки. По оси ординат - коэффициент прочности. Принимая различные толщины слоев основания и различные классы бетона, можно получить с учетом наращивания слоя покрытия в пределах заданного срока службы набор равнопрочных конструкций и затем путем технико-экономического анализа выбрать конструкцию с минимальной стоимостью.

3.22. Толщину верхнего слоя покрытия проверяют из условия работы на прочность при действии расчетной нагрузки по формуле, отражающей растяжение асфальтобетона в поперечном направлении в призме шириной поверху 2R, понизу (2R + 2hа) и высотой ha:

                                         (3.33)

где Rd - сопротивление асфальтобетона на растяжение при изгибе (см. обязательное приложение 4);

Куа - коэффициент усталости (учитывающий многократное приложение нагрузки в течение суток) (см. обязательное приложение 4);

ma - коэффициент Пуассона для асфальтобетона;

Са - сцепление между слоем асфальтобетона и цементобетона, не превышающее сцепление внутри слоя асфальтобетона (допускаемое напряжение по сдвигу). При отсутствии гарантированного сцепления принимается Са = 0.

Мероприятия по замедлению развития трещин в асфальтобетонном покрытии

3.23. Для повышения трещиностойкости асфальтобетонных слоев покрытия на цементобетонном основании, особенно в зоне швов или случайных трещин, необходимо предусматривать меры, замедляющие процесс возникновения и развития трещин или обеспечивающие регулирование против бессистемного образования трещин. Эти мероприятия предусматривают:

- повышение трещиностойкости асфальтобетона при низкой (отрицательной) температуре;

- увеличение толщины слоя асфальтобетона (увеличение соотношения толщин слоев покрытие-основание);

- армирование асфальтобетона и зоны жесткого основания или между слоями с применением специальных сеток или композитных материалов;

- снижение концентрации растягивающих напряжений за счет обеспечения участка растяжения определенной длины, обусловленной применением специальных сеток или трещинопрерывающих прослоек;

- применение материалов слоев с уменьшенными модулями упругости и коэффициентами линейной температурной деформации;

- нарезку деформационных швов над швами бетонного основания.

Комплексное использование перечисленных мероприятий позволяет повысить трещиностойкость покрытия.

3.24. Для повышения трещиностойкости и уменьшения общего количества случайных трещин на покрытии в бетонных основаниях допускается применять чередование швов сжатия с армированными швами.

При устройстве бетонного основания производится размещение штырей: гладкого профиля в швах сжатия и периодического профиля в каждых трех последующих швах (после шва сжатия). Затем чередование повторяется. Далее осуществляют нарезку всех швов бетонного основания; устраивают асфальтобетонное покрытие. Осуществляют нарезку швов в покрытии, причем поперечные швы нарезают только над швами сжатия.

По другой технологической схеме может предусматриваться такое же распределение швов и армирования, но при этом допускается предварительная установка в зонах швов (в нижней части по высоте слоя) деревянных прокладок треугольного сечения (высотой 5 - 6 см) с целью направленного трещинообразования. В этом случае нарезку швов производят только в швах сжатия. После устройства покрытия нарезку швов осуществляют также только над швами сжатия.

Подобное мероприятие позволит замедлить возникновение трещин на покрытии между швами (на участках до 20 метров).

Количество арматуры в армированных швах устанавливается из условия

                                                (3.34)

где Fа(ш.с) - площадь сечения штырей в швах сжатия;

Fb - площадь поперечного сечения бетонного слоя; Fb = В×h;

ms - степень армирования сечения;

Rbt,ser - расчетное сопротивление бетона осевому растяжению на момент твердения бетона и разделения бетонного основания на плиты (срабатывание швов);

Rs,ser - расчетное сопротивление арматуры (класса А-II);

m - отношение соответствующих модулей упругости арматуры Es и бетона Eb.

Расчет колейных покрытий

3.25. Расчет колейных покрытий ведется так же, как и цементобетонных. Изгибающий момент в колейных покрытиях определяют с учетом ширины колей, используя существующие методы расчета балок на упругом и упругопластическом основании, учитывая перераспределение реакций отпора основания за счет его пластических деформаций под торцами плит и приложение нагрузки через штамп (см. ниже расчет сборных покрытий из плит).

Расчет сборных покрытий из плит

3.26. Расчет сборных покрытий из плит ведется на действие колесных и монтажных нагрузок. Неравномерное опирание плит на основание при укладке их на неровное и слабое основание, при температурном короблении плит или при неравномерном морозном выпучивании основания учитывают путем умножения нагрузки Q на коэффициент К, который принимается для предварительно напряженных несочлененных плит длиной до 6 м или для элементов сочлененных плит длиной не более 2 м равным 1,1, для железобетонных плит длиной более 2 м - по расчету при неполном опирании плит на основание.

3.27. Расчет толщины плит и количества арматуры выполняют исходя из следующих условий:

а) для бетонных плит и элементов сочлененных плит - из условия прочности бетона на изгиб краевых участков плит:

                                                              (3.35)

где W - момент сопротивления плиты;

 - изгибающий момент по краю плит от действия расчетной или монтажной нагрузки;

б) для бетонных плит и элементов с краевым армированием, выдерживающих до появления трещин усилие 0,25 за счет арматуры на краевых участках плит шириной 2h - из условия прочности бетона в центре плит или элементов:

                                                            (3.36)

где  - изгибающий момент в центре плиты;

в) для слабоармированных плит или плит с вероятностью образования одиночных трещин и для мест надрезов в сочлененных плитах - дополнительно из условия прочности сечения с узкой трещиной на действие изгибающего момента от монтажных нагрузок:

                                                              (3.37)

где 2В - ширина плиты;

Fa - поперечное сечение арматуры в нижней зоне на ширине 2В;

 - изгибающий момент от действия монтажной нагрузки;

Z - плечо внутренней пары сил, определяется по СНиП 2.03.01-84.

При работе плит на ровных основаниях, не дающих неравномерных осадок, расчет проводят из условия ограничения раскрытия трещин сверх пределов, указанных в СНиП 2.03.01-84, но не более 0,3 мм, а при работе на неустойчивых или неравных основаниях из условия работы арматуры в трещине или надрезе в качестве штыревого соединения;

г) для железобетонных плит с вероятным частым расположением узких трещин - из условия прочности армированных сечений без учета работы бетона на растяжение при действии изгибающего момента от колесной или монтажной нагрузки. При действии колесной нагрузки учитывается снижение жесткости плиты в продольном и поперечном направлениях за счет раскрытия трещин (по СНиП 2.03.01-84) или уменьшения расчетного модуля упругости сечения до уровня Е", определяемого по формуле

                                      (3.38)

где E и Еа - модули упругости соответственно бетона и арматуры;

Rs.ser - напряжения в арматуре после раскрытия трещин (табл. 20, СНиП 2.03.01-84);

sпр - предварительное напряжение в арматуре;

sпт - потери предварительного напряжения в арматуре;

fа - площадь поперечного сечения арматуры;

х¢ - высота сжатой зоны бетона;

ао - толщина защитного слоя растянутой арматуры (до оси арматуры);

д) для предварительно напряженных плит или сечений на действие монтажных нагрузок:

по прочности напряженного бетона на растяжение при изгибе с одновременной работой на изгиб напряженной арматуры (1-я стадия) и по прочности на изгиб с появлением узких трещин (2-я стадия) по СНиП 2.03.01-84.

При действии колесных нагрузок дополнительно расчет ведут исходя из условия работы арматуры в узких трещинах в качестве штырей (3-я стадия).

3.28. Изгибающие моменты определяют при приложении нагрузки в центре, на краю, на углу и на торце, в продольном и поперечном направлениях.

Расчетную длину () и ширину () эпюр отпора основания определяют по формулам в случае приложения нагрузки:

в центральной части плиты

                                                             (3.39)

                                                             (3.40)

на торце и на углу с обратным выгибом

                                                 (3.41)

где а и в - полудлина и полуширина отпечатка колеса, отнесенных к нейтральной линии плиты.

Для двухколесной опоры с расстоянием между отпечатками колес в¢

a = 0,87R + 0,5h;                                                          (3.42)

a = 1,15R + 0,5h + 0,5в¢.

Величины , ,  и  ограничиваются размерами плит причем ,    (рис. 3.1).

Рис. 3.1. Расчетные места приложения нагрузки и расчета точки определения изгибающих моментов в плитах сборных покрытий

При определении  принимается во внимание модуль упругости  (см. формулу (3.11)) бетона или плиты в продольном направлении, при определении  - в поперечном направлении. Значение  определяется при Д = 50 см.

На первой стадии при двухстадийном строительстве модуль упругости  земляного полотна принимается равным 0,37 табличного значения модуля упругости (песка или супеси) или численно равен табличному значению модуля деформации.

Изгибающий момент определяют по формулам:

а) в центре плиты:

в продольном направлении

                                      (3.43)

в поперечном (для плит шириной не более 2,2 м)

                                                        (3.44)

где Ga и Gв - коэффициенты влияния размеров штампа;

                          (3.45)

б) на краю плиты:

в продольном направлении

                                                    (3.46)

в поперечном направлении

                                                    (3.47)

в) на поперечном торце плиты в продольном направлении

                                            (3.48)

г) на углу плиты в продольном направлении:

                                             (3.49)

Коэффициент, учитывающий влияние соседней оси Ка, удаленной от первой оси на расстояние а1, для центральных частей плит в продольном направлении определяется по формуле

                                                                 (3.50)

За счет того, что при центральном нагружении краевые участки плит при пластических деформациях основания недогружены, продольный изгибающий момент в центре плиты уменьшается до величины, определяемой по формуле

                                                        (3.51)

а поперечный изгибающий момент - до величины

                                                        (3.52)

Пои расчете ненапряженных плит длиной более 2 м, укладываемых на неровное основание, изгибающий момент при нагружении на торце и углу плиты определяется по формулам (3.48) и (3.49), а в центре плиты - по формулам (3.43) и (3.44), причем, при В > 100 см, вместо Q принимается 2Q.

3.29. Изгибающий момент  от монтажных нагрузок определяется по формуле

                                                (3.53)

где l расстояние между монтажными скобами на длинной стороне плиты;

аl - расстояние от монтажных скоб до торцов плиты;

g - плотность бетона;

Кq - коэффициент динамичности (коэффициент прихватывания плиты к форме);

для плит длиной 3,5 м и менее Kq = 1,5;

для плит длиной более 3,5 м Кq = 2,0.

3.30. Количество арматуры в железобетонных и предварительно напряженных плитах определяется исходя из внутренних изгибающих моментов, вычисленных по СНиП 2.03.01-84.

При пропаривании плит для повышения их трещиностойкости необходимо на краях располагать дополнительную арматуру диаметром 8 - 10 мм по одному стержню в верхней и нижней зонах, а в зонах заанкерования предварительно напряженных стержней - дополнительно к расчету по два стержня диаметром 8 - 10 мм.

При интенсивности движения до 1000 авт./сут количество арматуры определяется исходя из того, что на расстоянии  от поперечных краев возможно появление поперечных трещин, которые существенно снижают изгибающий момент в плите в зоне трещин, а арматура должна работать в качестве штыревого соединения.

В данном случае площадь поперечного сечения арматуры Fa (см2 на длину трещины lтр):

                                                        (3.54)

где Rи - марочная прочность бетона (средняя прочность) на сжатие;

lтр - длина трещины, принимаемая равной для края плиты

для центра -

Толщину плиты при этом устанавливают исходя из выбранного заранее расстояния между трещинами lтр (при 2А = 2lтр). Толщина может колебаться от 8 до 16 см. Общий расход арматуры определяют также из условия работы плиты на монтажные нагрузки.

Расход арматуры в сочлененных плитах рассчитывают по колесной нагрузке с помощью формулы (3.54), а из действия монтажной нагрузки - исходя из формулы (3.53). Арматуру, рассчитанную на монтажные нагрузки, располагают в верхней и в нижней зонах.

3.31. Толщину бетонных плит определяют из формулы (3.35), плит с краевым армированием - (3.36).

3.32. Шпунтовые соединения типа «выступ-паз», которые целесообразно устраивать на поперечных гранях плит, должны быть шириной 0,25h и иметь плавные очертания. Высота гребня или глубина паза 1,9 - 2,5 см.

На продольных гранях можно устраивать сдвоенные или строенные пазы общей шириной 0,3h и глубиной 5 - 8 мм.

Прочность стыковых соединений должна быть не менее Ртр и определяться по формуле (3.24).

Фактическую прочность горизонтальной скобы  (МПа), при длине в зоне заделки не менее 10d, вычисляют по формуле

                                                  (3.55)

где d - диаметр арматуры скобы;

Fп - площадь опирания полки скобы на бетон.

Прочность сварки скоб определяют по нормам расчета стальных конструкций на повторную нагрузку исходя из площади поперечного сечения сварного шва.

Допустимое усилие на вертикальную скобу рассчитывают по прочности анкерной заделки скобы в бетон:

                                                         (3.56)

Допустимое усилие на горизонтальную монтажную скобу при подъеме плит определяют по формуле

                                                      (3.57)

Это усилие должно составлять не менее половины веса плиты.

Расчет основания

3.33. Критерием устойчивости основания является устойчивость его по сдвигу и отсутствие недопустимых деформаций под торцами плит к концу расчетного срока службы. Для дорог I - III категорий величину предельно допустимых деформаций или высоту уступов между плитами в поперечных швах устанавливают равной 0,3 см.

Толщину дорожной одежды в целом определяют также из условия обеспечения отвода влаги из основания и из расчета на морозное пучение.

3.34. Устойчивость основания по сдвигу допускается оценивать двумя вариантами.

При расчете на формирование в результате накопления остаточных деформаций в основании к концу срока службы дорожной одежды уступов между плитами высотой не более 0,3 см устойчивость считают обеспеченной при условии qрасч £ qдоп.

3.34.1. Расчетное давление qрасч (МПа) на основание при нагружении обоих углов плиты у поперечного шва (длина плиты более 15h) можно определить по формуле

                            (3.58)

где mст - коэффициент, учитывающий влияние стыкового соединения; если стык работает, то mст = 0,7, если нет, то mст = 1,0.

Значения  и  не должны превышать, соответственно, 2А и 2В. Если под плитой основание толщиной ho укрепленное, то проверку на сдвиг проводят на глубине ho, а  и  увеличивают на 3ho; при этом  и

На подошве слоя песка толщиной hп значения  и  увеличивают на 0,7hп.

При применении подшовных подкладок -

где lп - размер подшовной подкладки вдоль покрытия для поперечных швов и поперек покрытия для продольных швов и краев.

Расчетное давление qрасч (МПа) на основание составляет:

для плит длиной 8 - 15h

                             (3.59)

для плит длиной менее 8h

                                                        (3.60)

где Q¢ - вес плиты, кН; Q - в кН; А, В, а, в - в см.

3.34.2. Допустимое давление qдоп (МПа) на основание

                     (3.61)

где m - коэффициент, учитывающий условия работы; m = 1,3;

Кн - коэффициент надежности; Кн = 1,1;

А1, А2 и А3 - безразмерные коэффициенты, зависящие от угла внутреннего трения грунта, принимаемые по табл. 3.5;

gгр - удельный вес грунта, тс/м3;

hв.с - толщина выравнивающего слоя;

С - удельное сцепление грунта основания (см. обязательное приложение 3), МПа;

nj, nq и nc - коэффициенты, учитывающие размеры площадки нагружения:

                           (3.62)

Lx(y), h, ho и hв.с принимаются в м; Lтx(y) = 0,7Lx(y).

Таблица 3.5

Угол внутреннего трения грунта j, град

Безразмерные коэффициенты

А1

А2

А3

4

0,06

1,25

3,51

8

0,10

1,39

3,71

10

0,18

1,73

4,17

24

0,72

3,87

6,45

26

0,84

4,37

6,90

28

0,98

4,93

7,40

30

1,15

5,59

7,95

32

1,34

6,35

8,55

34

1,55

7,21

9,21

36

1,81

8,25

9,98

38

2,11

9,44

10,80

40

2,46

10,84

11,74

3.34.3. Высота накапливаемых уступов wуст (см) между плитами:

                                        (3.63)

где Q - в кН;  - в см; Ео - в МПа;

Кд - коэффициент, учитывающий влияние виброползучести при динамическом нагружении подвижной колесной нагрузкой:

                                        (3.64)

 - то же, для основания толщиной по табл. 3.6;

ho - проектная, т.е. предварительно назначенная толщина слоя укрепленного основания;

Кq - коэффициент, учитывающий влияние нагруженности основания по сдвигу;

Таблица 3.6

Основание

Толщина основания , см

Материал выравнивающего слоя

Значение , когда стыки

не работают

работают

Песчаное

 

Песок

5,7**

1,6**

 

 

СНМ

2 - 3*/**

1,3**

 

 

Подшовные подкладки

2 - 3*

1,2 - 1,5*

Песчано-гравийное

20

Песок

2,0

1,2

 

20

Цементопесчаная смесь

1,2

1,0

Цементогрунтовое

16

Песок

1,5

1,1

 

16

Цементопесчаная смесь

1,1

1,0

Нефтегрунтовое

20

Нефтегрунт

2,2

1,3

 

20

СНМ

1,8

1,2

Нефтецементогрунтовое

20

Нефтегрунт

1,2

1,1

Грунтовое с добавкой отработанных буровых растворов

20

СНМ

1,1

1,0

* Меньшее значение - для более сухого грунта земляного полотна, уплотненного в летнее время.

** Для песчаных оснований из однозернистых (барханных) песков значение при отсутствии стыков увеличивают в 1,3 раза, а при наличии - в 2 раза.

                                                   (3.65)

Из формулы (3.63) получаем

                                    (3.66)

где wдоп - в см.

Величину ho назначают предварительно, а затем для определения  уточняют исходя из условия  Ео для назначенной толщины основания определяют как эквивалентный модуль упругости по обязательным приложениям 3 и 4.

Подшовные подкладки, применяемые для укрепления песчаных оснований, должны выдерживать на песчаном основании на изгиб (при приложении нагрузки через полосу шириной 10 см, размещенную в центре подкладки) нагрузку, равную 0,5Q.

Подшовные подкладки следует располагать на такой высоте, чтобы после прикатки покрытия несколькими проходами крана по сборному покрытию подкладки находились заподлицо с поверхностью основания.

При использовании в основании некондиционных сборных плит вначале определяют их конструктивные и прочностные характеристики по тем группам, на которые они были предварительно рассортированы. Расчет этих плит проводится с учетом увеличения размеров (а и в) площадки нагружения на половину толщины верхнего асфальтобетонного слоя. При необходимости под плитами можно применять укрепленный нижний слой основания, толщина которого определяется расчетом.

Расчет по условию сдвигоустойчивости подстилающего грунта и малосвязных конструктивных слоев

3.35. Дорожную одежду проектируют из расчета, чтобы под действием кратковременных или длительных нагрузок в подстилающем грунте или малосвязных (песчаных) слоях за весь срок службы не накапливались недопустимые остаточные деформации формоизменения. Недопустимые деформации сдвига в конструкции не будут накапливаться, если в грунте земляного полотна и в малосвязных (песчаных) слоях обеспечено условие

                                                                     (3.67)

где  - требуемое минимальное значение коэффициента прочности, определяемое с учетом заданного уровня надежности согласно табл. 3.1;

Т - расчетное активное напряжение сдвига (часть сдвигающего напряжения непогашенная внутренним трением) в расчетной (наиболее опасной) точке конструкции от действующей временной нагрузки;

Тпр - предельная величина активного напряжения сдвига (в той же точке), превышение которой вызывает нарушения прочности на сдвиг, определяемые ОДН 218.046-01 по проектированию нежестких дорожных одежд с учетом того, что в зоне швов покрыта расчетный модуль упругости бетонного покрытия назначают согласно табл. 3.7.

Таблица 3.7

Класс бетона на растяжение при изгибе

Вtb4,4

Вtb4,0

Вtb3,6

Вtb3,2

Вtb2,8

Вtb2,4

Вtb2,0

Вtb1,6

Вtb1,2

Вtb0,8

Ерасч, МПа

Тяжелый бетон

1770

1650

1600

1520

1420

1310

1150

930

780

650

Мелкозернистый бетон

1400

1300

1250

1150

1100

1000

850

700

600

500

Проверка дорожной конструкции на морозоустойчивость дренирующую способность

3.36. Расчет морозозащитных слоев основания проводят в соответствии с положениями ОДН 218.046-01 по проектированию нежестких дорожных одежд исходя из следующих допустимых величин общего приподнятия от выпучивания:

для цементобетонных покрытий при эксплуатации по первой расчетной схеме, для сборных покрытий из железобетонных ненапряженных плит длиной более 25h - 3 см;

для цементобетонных покрытий при эксплуатации по второй расчетной схеме, для сборных покрытий из железобетонных ненапряженных плит длиной менее 25h, из сочлененных и предварительно напряженных плит:

при отсутствии в поперечных швах стыков - 4 см;

при их наличии - 6 см.

3.37. Проектирование устройств по осушению дорожных одежд и земляного полотна, включая расчет дренирующего слоя, проводят также согласно ОДН 218.046-01. Ориентировочно толщину дренирующего слоя hф (м) определяют в общем случае по формуле

                                                     (3.68)

где Lф - длина участка фильтрации, равная половине ширины насыпи, м;

Кф - коэффициент фильтрации дренирующего материала, м/сут.

При применении в основании нетканых синтетических материалов (геотекстиля) с Кф ³ 50 м/сут толщину дренирующего слоя из песка уменьшают на 10 - 15 см, из песчано-гравийной смеси (ПГС) - на 7 - 10 см.

Меньшие значения уменьшения толщины дренирующего слоя принимают при использовании средне- и крупнозернистых песков и при содержании гравия в ПГС более 50 %, большие - при использовании мелкозернистых песков и при содержании гравия в ПГС менее 50 %.

ПРИЛОЖЕНИЕ 1

(обязательное)

НОРМАТИВНЫЕ И РАСЧЕТНЫЕ ХАРАКТЕРИСТИКИ ЦЕМЕНТОБЕТОНА

1.1. К нормативным характеристикам дорожного цементобетона (далее «бетон») относятся: класс (марка) по прочности на растяжение при изгибе и на сжатие; модуль упругости марка по морозостойкости; коэффициент линейной температурной деформации; коэффициент поперечной деформации (коэффициент Пуассона).

1.2. Нормативные прочность и морозостойкость бетона устанавливаются в проектах и должны приниматься в зависимости от назначения конструктивного слоя дорожной одежды.

1.3. Для строительства монолитных цементобетонных покрытий и оснований, а также для изготовления плит сборных покрытий следует применять бетоны тяжелые и мелкозернистые по классификации ГОСТ 25192-82*. Бетон должен отвечать требованиям ГОСТ 26633-91, СНиП 2.05.02-85, соответствующих стандартов на сборные плиты и настоящих норм.

1.4. Класс бетона по прочности следует принимать по табл. П.1.1.

1.5. Значения начального модуля упругости бетона принимаются в зависимости от прочности бетона на растяжение при изгибе по табл. П.1.2. В случае, когда расчетной характеристикой является прочность бетона на сжатие, значения модуля упругости принимаются в зависимости от прочности бетона на сжатие по СНиП 2.03.01-84, табл. 18.

Таблица П.1.1

Конструктивный слой дорожной одежды

Категория автомобильной дороги

Интенсивность расчетной нагрузки, ед./сут

Минимальные проектные классы (марки) по прочности

на растяжение при изгибе Btb (Ptb)

на сжатие В (М)

Монолитное однослойное покрытие или верхний слой двухслойного покрытия

I

более 2000

4,4 (55)

35 (450)

II, III

от 1000 до 2000

4,0 (50)

30 (400)

IV

менее 1000

3,6 (45)

25 (300)

Нижний слой двухслойных монолитных покрытий

I - II

более 1000

3,2 (40)

-

III - IV

менее 1000

2,8 (35)

-

Монолитное основание под покрытие: цементобетонное и асфальтобетонное

I - IV

любая

0,8 (10)

-

Сборное покрытие (основание) из бетонных, слабоармированных, железобетонных и предварительно напряженных железобетонных плит

I - IV

любая

3,6 (45)

25 (300)

Примечания: 1. При соответствующем технико-экономическом обосновании для однослойного и верхнего слоя монолитных двухслойных покрытий автомобильных дорог I категории допускается применять бетон, как для дорог II и III категорий.

2. Классы (марки) бетона по прочности на сжатие следует применять только для железобетонных и предварительно напряженных железобетонных покрытий, когда прочность на сжатие является расчетной характеристикой.

3. Класс (марка) бетона по прочности устанавливается в возрасте 28 сут твердения в нормальных условиях по ГОСТ 10180 и ГОСТ 18105, если иной возраст не предусмотрен проектом.

4. Под двухслойным понимается монолитное покрытие, включающее верхний и нижний слой, устраиваемые одновременным уплотнением верхнего и нижнего слоев (метод сращивания). Толщина верхнего слоя должна быть не менее 6 см.

Таблица П.1.2

Класс (марка) бетона по прочности на растяжение при изгибе

Начальный модуль упругости Еб, МПа, бетона

тяжелого

мелкозернистого

6,4/80

39000

-

6,0/75

38500

-

5,6/70

38000

-

5,2/65

37500

-

4,8/60

36500

30000

4,4/55

36000

28000

4,0/50

33000

26500

3,6/45

32000

25500

3,2/40

30000

24000

2,8/35

28000

22500

2,4/30

26000

20500

2,0/25

23000

17000

1,6/20

19000

14000

1,2/15

16000

12000

0,8/10

13000

10000

Примечание. Для определения модуля упругости мелкозернистого бетона, приготовленного на песках с модулем крупности менее 2,0 следует соответствующие табличные значения умножать на 0,9.

1.6. Коэффициент линейной температурной деформации atb при изменении температуры от минус 40 °С до плюс 50 °С для тяжелого и мелкозернистого бетонов принимается равным 1×10-5 °С-1.

1.7. Начальный коэффициент поперечной деформации бетона m (коэффициент Пуассона) принимается равным 0,2 для тяжелого и мелкозернистого бетона.

1.8. Марка бетона по морозостойкости принимается по табл. П.1.3.

Таблица П.1.3

Конструктивный слой дорожной одежды

Минимальные проектные марки бетона по морозостойкости (F) для районов со среднемесячной температурой воздуха наиболее холодного месяца, °С

от 0 до минус 5

от минус 5 до минус 15

ниже минус 15

Однослойное покрытие или верхний слой двухслойного покрытия

100

150

200

Нижний слой двухслойного покрытия

50

50

100

Основание

50

50

50

Примечания: 1. Марки по морозостойкости устанавливаются по ГОСТ 10060.0-95.

2. Среднемесячная температура наиболее холодного месяца района строительства определяется по СНиП 23-01-99. Строительная климатология.

1.9. Расчетное сопротивление бетона на растяжение при изгибе определяют по формуле

                                             (П.1.1)

где Вtb - класс бетона на растяжение при изгибе;

Кн.п. - коэффициент набора прочности со временем; для бетона естественного твердения для районов с умеренным климатом Кн.п. = 1,2; для условий сухого и жаркого климата Кн.п. = 1,0; для пропаренного - Кн.п. = 1;

Ку - коэффициент усталости бетона при повторном нагружении;

Ky = 1,08×(SNp)-0,063,                                                    (П.1.2)

где SNр - суммарное расчетное число приложения приведённой расчетной нагрузки за расчетный срок службы;

KF - коэффициент, учитывающий воздействие попеременного замораживания-оттаивания, равный 0,95.

1.10. Нормативные и расчетные характеристики арматуры принимаются по СНиП 2.03.01-84.

ПРИЛОЖЕНИЕ 2

(обязательное)

РАСЧЕТНЫЕ НАГРУЗКИ

2.1. При проектировании дорожных одежд в качестве расчетных принимают нагрузки, соответствующие предельным нагрузкам на ось расчетного двухосного автомобиля.

Если в задании на проектирование расчетная нагрузка не оговорена специально, за расчетную принимают нагрузку, соответствующую расчетному автомобилю группы А (табл. П.2.1).

Таблица П.2.1

Группа расчетной нагрузки

Нормативная статическая нагрузка на ось, кН

Нормативная статическая нагрузка на поверхность покрытия от колеса расчетного автомобиля Qрасч, кН

Расчетные параметры нагрузки

Р, МПа

D, см

А1

100

50

0,60

37/33

А2

110

55

0,60

39/34

А3

130

65

0,60

42/37

Примечание. В числителе - для движущегося колеса, в знаменателе для неподвижного.

2.2. Данные о нагрузках, передаваемых на дорожное покрытие выпускаемыми серийно автотранспортными средствами, следует принимать по специальным справочникам.

2.3. Значение суммарного коэффициента приведения определяют по формуле

                                                        (П.2.1)

где n - число осей у данного транспортного средства, для приведения которого к расчетной нагрузке определяется коэффициент Sm cyм;

Sn - коэффициент приведения номинальной динамической нагрузки от колеса каждой из n осей транспортного средства к расчетной динамической нагрузке.

2.4. Коэффициенты приведения нагрузок Sn определяют по формуле

                                                       (П.2.2)

где Qдn - номинальная динамическая нагрузка от колеса на покрытие;

Qдрасч - расчетная динамическая нагрузка от колеса на покрытие;

b - минимальный показатель степени, принимаемый равным:

4,4 - для капитальных дорожных одежд;

3,0 - для облегченных дорожных одежд;

2,0 - для переходных дорожных одежд.

2.5. Номинальная динамическая нагрузка Qдn определяется по паспортным данным на транспортное средство с учетом распределения статических нагрузок на каждую ось:

Qдn = Кдин×Qn,                                                        (П.2.3)

где Кдин - динамический коэффициент, принимаемый равным 1,3; допускается принимать Кдин в зависимости от осевой массы автомобиля:

Осевая масса автомобиля, т

2

4

6

8

10

12

Кдин

1,6

1,3

1,15

1,08

1,06

1,04

Qn - номинальная статическая нагрузка на колесо данной оси.

При определении расчетного значения номинальной статической нагрузки для многоосных автомобилей фактическую номинальную нагрузку на колесо, определяемую по паспортным данным, следует умножать на коэффициент Кс, вычисляемый по формуле

                                                    (П.2.4)

где Бт - расстояние в метрах между крайними осями тележки;

а, в, с - параметры, определяемые в зависимости от капитальности дорожной одежды и числа осей тележки по табл. П.2.2.

Таблица П.2.2

Тележки

а

в

с

Двухосные

1,7/1,52

0,43/0,36

0,5/0,5

Трехосные

2,0/1,60

0,46/0,28

1,0/1,0

Примечание. В числителе - для капитальных и облегченных типов дорожных одежд, в знаменателе - для переходных.

2.6. Суммарный коэффициент приведения определяют в следующей последовательности:

- назначают расчетную нагрузку и определяют ее параметры: Qрасч, Р и D;

- для каждой марки автомобилей в составе перспективного движения по паспортным данным устанавливают величину номинальной статической нагрузки на колесо для всех осей транспортного средства Qn;

- умножив полученные значении Qn и расчетную нагрузку Qрасч на динамический коэффициент, находят величины номинальных динамических нагрузок Qдn от колеса для каждой оси и величину расчетной динамической нагрузки Qдрасч;

- по формуле (П.2.2) вычисляют коэффициент приведения номинальной нагрузки от колеса каждой из осей Sn к расчетной;

- по формуле (П.2.1) вычисляют суммарный коэффициент приведения нагрузки от рассматриваемого типа автомобиля к расчетной нагрузке.

2.7. Допускается приближению принимать суммарный коэффициент приведения Sm сум по данным табл. П.2.3.

Таблица П.2.3

Типы автомобилей

Коэффициент приведения Sm сум к расчётной нагрузке

А1

А2

А3

Легкие грузовые автомобили грузоподъемностью от 1 до 2 т

0,005

0,003

0,0015

Средние грузовые автомобили грузоподъемностью от 2 до 5 т

0,2

0,13

0,063

Тяжелые грузовые автомобили грузоподъемностью от 5 до 8 т

0,7

0,46

0,22

Очень тяжёлые грузовые автомобили грузоподъёмностью более 8 т

1,25

0,82

0,40

Автобусы

0,7

0,46

0,22

Тягачи с прицепами

1,5

0,99

0,47

ПРИЛОЖЕНИЕ 3

(справочное)

ОПРЕДЕЛЕНИЕ РАСЧЕТНЫХ ХАРАКТЕРИСТИК ГРУНТА РАБОЧЕГО СЛОЯ ЗЕМЛЯНОГО ПОЛОТНА ПРИ РАСЧЕТЕ ДОРОЖНОЙ ОДЕЖДЫ НА ПРОЧНОСТЬ

А. Определение расчетной влажности грунта рабочего слоя

Расчетную влажность дисперсного грунта Wp (в долях от влажности на границе текучести Wт), при суммарной толщине слоев дорожной одежды Z1 ³ 0,75 м, определяют по формуле

                              (П.3.1)

где  - среднее многолетнее значение относительной (в долях от границы текучести) влажности грунта, наблюдавшееся в наиболее неблагоприятный (весенний) период года в рабочем слое земляного полотна, отвечающего нормам СНиП по возвышению над источниками увлажнения, на дорогах с усовершенствованными покрытиями и традиционными основаниями дорожных одежд (щебень, гравий и т.п.) и, при суммарной толщине одежды до 0,75 м, определяемое по табл. П.3.1 в зависимости от дорожно-климатической зоны и подзоны (рис. П.3.2), схемы увлажнения земляного полотна и типа грунта;

 - поправка на особенности рельефа территории, устанавливаемая по табл. П.3.2;

 - поправка на конструктивные особенности проезжей части и обочин, устанавливаемая по табл. П.3.3;

D3 - поправка на влияние суммарной толщины стабильных слоев дорожной одежды, устанавливаемая по графику рис. П.3.1;

t - коэффициент нормированного отклонения, принимаемый в зависимости от требуемого уровня надежности по табл. П.4.2 приложения 4 ОДН 218.046-01.

Таблица П.3.1

Дорожно-климатические зоны

Дорожно-климатические подзоны

Схема увлажнения рабочего слоя земляного полотна

Среднее значение влажности  грунта, доли от Wт

супесь легкая

песок пылеватый

суглинок легкий, тяжелый и тяжелый пылеватый, глины

супесь пылеватая, тяжелая пылеватая, суглинок легкий пылеватый

1

2

3

4

5

6

7

I

I1

1

2

3

0,53

0,55

0,57

0,57

0,59

0,62

0,62

0,65

0,67

0,65

0,67

0,70

I2

1

2

3

0,57

0,59

0,62

0,57

0,62

0,65

0,62

0,67

0,70

0,65

0,70

0,75

I3

1

2

3

0,60

0,62

0,65

0,62

0,65

0,70

0,65

0,70

0,75

0,70

0,75

0,80

II

II1

1

2

3

0,60

0,63

0,65

0,62

0,65

0,67

0,65

0,68

0,70

0,70

0,73

0,75

II2

1

2

3

0,57

0,60

0,62

0,59

0,62

0,64

0,62

0,65

0,67

0,67

0,70

0,72

II3

1

2

3

0,63

0,66

0,68

0,65

0,68

0,70

0,68

0,71

0,73

0,73

0,76

0,78

II4

1

2

3

0,60

0,63

0,65

0,62

0,65

0,67

0,65

0,68

0,70

0,70

0,73

0,75

II5

1

2

3

0,65

0,68

0,70

0,67

0,70

0,72

0,70

0,73

0,75

0,75

0,78

0,80

II6

1

2

3

0,62

0,65

067

0,64

0,67

0,69

0,67

0,70

0,72

0,72

0,75

0,77

III

III1

1

2 - 3

0,55

0,59

0,57

0,61

0,60

0,63

0,63

0,67

III2

1

2 - 3

0,58

0,62

0,60

0,64

0,63

0,66

0,66

0,70

III3

1

2 - 3

0,55

0,59

0,57

0,61

0,60

0,63

0,63

0,67

IV

-

1

0,53

0,55

0,57

0,60

-

2 - 3

0,57

058

0,60

0,64

V

-

1

0,52

0,53

0,54

0,57

-

2 - 3

0,55

0,56

0,57

0,60

Примечание. Табличными значениями  можно пользоваться только при обеспечении возвышения земляного полотна в соответствии со СНиП. На участках, где возвышение не обеспечивается (например, в нулевых местах и в выемках с близким залеганием грунтовых вод), величина  назначается индивидуально по данным прогнозов, но она должна быть не менее чем на 0,03 выше табличных значений.

Таблица П.3.2

№ п/п

Тип местности по рельефу

Поправка

1.

Равнинные районы

0,00

2.

Предгорные районы (до 1000 м в.у.м.)

0,03

3.

Горные районы (более 1000 м в.у.м.)

0,05

Таблица П.3.3

№ п/п

Конструктивная особенность

Поправка  в дорожно-климатических зонах

 

 

II

III

IV

V

1.

Наличие основания дорожной одежды, включая слои на границе раздела с земляным полотном, из укрепленных материалов и грунтов:

 

 

 

 

 

- крупнообломочного грунта и песка

0,04

0,04

0,03

0,03

 

- супеси

0,05

0,05

0,05

0,04

 

- пылеватых песков и супесей, суглинка, зологрунта

0,08

0,08

0,06

0,05

2.

Укрепление обочин (не менее 2/3 их ширины):

 

 

 

 

 

- асфальтобетоном

0,05

0,04

0,03

0,02

 

-щебнем (гравием)

0,02

0,02

0,02

0,02

3.

Дренаж с продольными трубчатыми дренами

0,05

0,03

-

-

4.

Устройство гидроизолирующих прослоек из полимерных материалов

0,05

0,05

0,03

0,03

5.

Устройство теплоизолирующего слоя, предотвращающего промерзание

Снижение расчетной влажности до величины полной влагоемкости при требуемом Kупл,, грунта

6.

Грунт в активной зоне земляного полотна в «обойме»

Снижение расчетной влажности до оптимальной

7.

Грунт, уплотненный до Купл = 1,03 - 1,05 в слое 0,3 - 0,5 м от низа дорожной одежды, расположенном ниже границы промерзания

-

0,03-0,05

0,03-0,05

0,03-0,05

Примечание. Поправки  при мероприятиях по п/п № 1 и 2 следует принимать только при 1-й схеме увлажнения рабочего слоя, а по п/п № 5 - при 2-й и 3-й схемах.

Рис. П.3.1. Графики для определения поправки на влияние суммарной толщины стабильных слоев одежды:

1 - для исходной* относительной влажности 0,75Wт; 2 - то же, для 0,80Wт; 3 - то же, для 0,85 Wт; 4 - то же, для 0,90Wт.

* Исходная влажность определяется первым слагаемым в выражении (П.3.1)

Б. Рекомендуемые расчетные значения механических характеристик грунтов и песчаных конструктивных слоев

Таблица П.3.4

Расчетные значения сдвиговых характеристик грунтов в зависимости от расчетного числа приложений расчетной нагрузки и расчетной относительной влажности

Расчетная относительная влажность

Сцепление, МПа, при суммарном числе приложений нагрузки SNр

Угол внутреннего трения, град, при суммарном числе приложений нагрузки SNр

1

103

104

105

106

1

103

104

105

106

Суглинки и глины

£ 0,60

0,030

0,030

0,016

0,014

0,012

24

20

14,5

11

9

0,65

0,024

0,019

0,013

0,011

0,009

21

15

11

8

7

0,70

0,019

0,013

0,009

0,007

0,006

18

11,5

8,5

6,5

5,5

0,75

0,015

0,009

0,006

0,005

0,004

15

10

7,5

5

4

0,80

0,011

0,007

0,005

0,003

0,002

13

8

5

3

2,5

0,90

0,008

0,004

0,004

0,002

0,001

11,5

6,5

3,5

2,2

2

Супеси и пески пылеватые

0,6

0,014

0,012

0,008

0,006

0,005

36

24

18

14

12

0,65

0,013

0,010

0,008

0,006

0,004

36

23,5

17

14

12

0,70

0,012

0,009

0,006

0,005

0,004

35

23,5

17

14

12

0,75

0,011

0,008

0,005

0,004

0,003

35

23

17

14

12

0,80

0,010

0,007

0,005

0,004

0,003

34

23

17

14

12

0,85

0,009

0,007

0,004

0,003

0,003

34

22

15

12

10

0,90

0,008

0,004

0,003

0,003

0,003

33

21

12,5

10

8

Примечание. Значение сдвиговых характеристик при SNр = 1 используются при расчете на статическое действие нагрузки.

При SNр > 106 расчетные значения j и с следует принимать по столбцу «106».

Таблица П.3.5.

Расчетные значения модулей упругости грунтов

Грунт

Модуль упругости при относительной влажности W/WT, МПа

0,5

0,55

0,60

0,65

0,70

0,75

0,80

0,85

0,90

0,95

Пески:

 

- крупные

130

- средней крупности

120

- мелкие

100

- однородные

75

- пылеватые

96

90

84

78

72

66

60

54

48

43

Супеси:

 

 

 

 

 

 

 

 

 

 

- легкая

70

60

56

53

49

45

43

42

41

40

- пылеватая, тяжелая пылеватая

108

90

72

54

46

38

32

27

26

25

- легкая крупная

65

Суглинки:

 

- легкий, тяжелый,

108

90

72

50

41

34

29

25

24

23

- легкий пылеватый, тяжелый пылеватый

108

90

72

54

46

38

32

27

26

25

Глины

108

90

72

50

41

34

29

25

24

23

Примечание. Классификация песков дана по ГОСТ 25100-95. Однородные выделяются по указаниям СНиП «Автомобильные дороги».

Таблица П.3.6

Расчетные значения угла внутреннего трения и сцепления песчаных грунтов и песков конструктивных слоев в зависимости от расчетного числа приложения расчетной нагрузки (SNр)

№ п/п

Тип грунта

Угол внутреннего трения, град./сцепление, МПа, при суммарном числе приложений нагрузки (SNp)

1

103

104

105

³ 106

1

Песок крупный с содержанием пылевато-глинистой фракции:

 

 

 

 

 

 

0 %

35

0,004

33

0,003

32

0,003

31

0,003

29

0,003

 

5 %

34

0,005

31

0,004

30

0,004

29

0,003

28

0,003

2

Песок средней крупности с содержанием пылевато-глинистой фракции:

 

 

 

 

 

 

0 %

32

0,004

30

0,004

30

0,003

28

0,003

27

0,002

 

5 %

33

0,005

30

0,004

29

0,003

28

0,003

26

0,002

3

Песок мелкий с содержанием пылевато-глинистой фракции:

 

 

 

 

 

 

0 %

31

0,003

28

0,003

27

0,002

26

0,002

25

0,002

 

5 %

31

0,005

27

0,004

26

0,004

25

0,003

24

0,003

 

8 %

31

0,006

27

0,005

26

0,004

25

0,003

23

0,003

Примечания: 1. Значения характеристик даны для условий полного заполнения пор водой.

2. В числителе - угол внутреннего трения в градусах, в знаменателе - сцепление в МПа.

3. При SNр > А×106 расчетные значения j и с следует принимать по столбцу «106».

4. Значения сдвиговых характеристик для супеси легкой крупной принимать как для песка мелкого с содержанием пылевато-глинистой фракции 8 %.

В. Дорожно-климатические зоны и подзоны

Таблица П.3.7

Дорожно-климатическая зона и подзона

Примерные географические границы

1

2

I

Севернее линии, соединяющей Нивский - Сосновку - Новый Бор - Щельябож - Сыню - Суеватпуль - Белоярский - Ларьяк - Усть-Озерное - Ярцево - Канск - Выезжий Лог - Усть - Золотую - Сарыч - Сеп - Новоселово - Артыбаш - Иню - государственную границу - Симоново - Биробиджан - Болонь - Многовершиный. Включает географические зоны тундры, лесотундры и северо-восточную часть лесной зоны с распространением вечно-мерзлых грунтов

I1

Расположена севернее линии Нарьян-Мар - Салехард - Курейка - Трубка Удачная - Верхоянск - Дружина - Горный Мыс - Марково

I2

Расположена восточнее линии устье р. Нижняя Тунгуска - Ербогачен, Ленек - Бодайбо - Богдарин и севернее линии: Могоча - Сковородино - Зея - Охотск - Палатка - Слаутсткое. Ограничена с севера I1 подзоной

I3

От южной границы вечной мерзлоты до южной границы подзоны I2

II

От границы I зоны до линии, соединяющей Львов - Житомир - Тулу - Н. Новгород - Ижевск - Томск - Канск. На Дальнем Востоке от границы I зоны до государственной границы. Включает географическую зону лесов с избыточным увлажнением грунтов

II1

С севера и востока ограничена I зоной, с запада - подзоной II3, с юга - линией Рославль - Клин - Рыбинск - Березники - Ивдель

II2

Ограничена с севера подзоной II1 с запада - подзоной II4, с юга - III зоной, с востока и южной границы - I зоной

II3

С севера ограничена государственной границей, с запада - границей с подзоной II5, с юга - линией Рославль - Клин - Рыбинск, с востока - линией Псков - Смоленск - Орел

II4

Ограничена с севера подзоной II3, с запада - подзоной II6, с юга - границей с III зоной, с востока - линией Смоленск - Орел - Воронеж

II5

С севера и запада ограничена государственной границей, с востока - линией Минск - Бобруйск - Гомель, с юга - линией Барановичи - Рославль - Клин - Рыбинск

II6

С севера ограничена подзоной II5, с запада - государственной границей, с юга - границей с III зоной, с востока - линией Минск - Бобруйск - Гомель

III

От южной границы II зоны до линии, соединяющей Кишинев - Кировоград - Белгород - Самару - Магнитогорск - Омск - Бийск - Туран. Включает лесостепную географическую зону со значительным увлажнением грунтов в отдельные годы

III1

Ограничена с севера зоной II, с запада - подзоной III2, с юга - IV зоной, с востока - I зоной

III2

Ограничена с севера зоной II, с запада - подзоной III3, с юга - зоной IV, с востока - линией Смоленск - Орел - Воронеж

III3

Ограничена с севера зоной II, с запада - государственной границей, с юга - зоной IV, с востока - линией Бобруйск - Гомель - Харьков

IV

Расположена от границы III зоны до линии, соединяющей Джульфу - Степанакерт - Кизляр - Волгоград и далее проходит южнее на 200 км линии, соединяющей Уральск - Актюбинск - Караганду. Включает географическую степную зону с недостаточным увлажнением грунтов

V

Расположена к юго-западу и югу от границы IV зоны и включает пустынную и пустынно-степную географические зоны с засушливым климатом и распространением засоленных грунтов


Рис. П.3.2. Карта дорожно-климатических зон и подзон: |||||||| - границы дорожно-климатических зон; - × - × - границы дорожно-климатических подзон


ПРИЛОЖЕНИЕ 4

(справочное)

ТАБЛИЦЫ НОРМАТИВНЫХ И РАСЧЕТНЫХ ЗНАЧЕНИЙ ПРОЧНОСТНЫХ И ДЕФОРМАЦИОННЫХ ХАРАКТЕРИСТИК КОНСТРУКТИВНЫХ СЛОЕВ ИЗ РАЗЛИЧНЫХ ДОРОЖНО-СТРОИТЕЛЬНЫХ МАТЕРИАЛОВ

А. Слои из асфальтобетона

Таблица П.4.1

Характеристики асфальтобетонов при расчете на растяжение при изгибе под кратковременными нагрузками

Асфальтобетон

Расчетные значения модуля упругости Е, МПа

Нормативные значения сопротивления растяжению при изгибе Rо, МПа

Высокоплотный на БНД

 

 

марки:

 

 

40/60

8600

3,2

60/90

6000

2,8

90/130

4600

2,4

130/200

3500

2,0

200/300

2500

1,8

Плотный на БНД марки:

 

 

40/60

6000

3,2

60/90

4500

2,8

90/130

3600

2,4

130/200

2600

2,0

200/300

2000

1,8

Пористый на БНД марки:

 

 

40/60

3600

1,8

60/90

2800

1,6

90/130

2200

1,4

130/200

1800

1,2

200/300

1400

1,1


Таблица П.4.2

Расчетные значения кратковременного модуля упругости асфальтобетонов различных составов при расчете конструкции по допускаемому упругому прогибу и по условию сдвигоустойчивости

Материал

Марка битума

Кратковременный модуль упругости Е, MПа, при температуре покрытия °С

+10

+20

+30

+40

+50 (60)

Плотный асфальтобетон и высокоплотный

Вязкий БНД и БН;

40/60; 60/90; 90/130

130/200;200/300

4400; 3200; 2400

1500; 1200

2600; 1800; 1200

800; 600

1550; 1100; 550

670; 500

850; 650; 550

460; 420

520; 460; 420

380; 360

асфальтобетон

Жидкий:

БГ-70/130; СГ-130/200

СГ-70/130; МГ-70/130

1000; 1000

800; 800

420; 420

360; 360

400; 400

350; 350

350; 350

350; 350

350; 350

350; 350

Пористый и высокопористый асфальтобетон

Вязкий БНД и БН:

40/60; 60/90; 90/130

130/200; 200/300

2800; 2000; 1400

1100; 950

1700; 1200; 800

600; 450

9000; 700; 510

400; 350

540; 460; 380

340; 330

390; 360; 350

340; 330

Плотный дегтебетон

-

3800

1500

800

500

350

Пористый дегтебетон

 

2000

300

400

350

300

Асфальтобетоны холодные

 

 

 

 

 

 

Бх

Вх

Гх

Дх

-

1300

1100

900

750

-

-

-

-

Примечания: 1. Модули упругости пористого и высокопористого асфальтобетона даны применительно к песчаным смесям. При температуре от 30 до 50 °С модули упругости для мелкозернистых смесей следует увеличить на 10 %, а для крупнозернистых смесей - на 20 %. 2. При расчете на упругий прогиб Е принимать при t° = +10°.


Таблица П.4.3

Расчетные значения модуля упругости асфальтобетона при расчете на длительную нагрузку

Вид асфальтобетона

Тип смеси

Расчетный модуль упругости Е при статическом действии нагрузки, МПа, при расчетной температуре, °С

+20

+30

+40

+50

Плотные смеси

А

480

420

360

300

Б

400

350

300

250

В

320

280

240

200

Г

300

270

220

200

Д

200

180

160

150

Пористые и высокопористые смеси

Крупнозернистая

360

320

280

250

Мелкозернистая

290

250

220

200

Песчаная

250

225

200

190

Асфальтобетоны холодные

Бх

180

-

-

-

Вх

170

-

-

-

Гх

160

-

-

-

Дх

150

-

-

-

Примечание. Модуль упругости высокоплотного асфальтобетона принимать как для плотного асфальтобетона типа А.

Б. Конструктивные слои из органоминеральных смесей и грунтов, укрепленных органическим вяжущим

Таблица П.4.4

Конструктивные слои из щебеночно-гравийно-песчаных смесей и грунтов, обработанных органическими и комплексными вяжущими (органоминеральные смеси - ГОСТ 30491-97)

№ п/п

Материал слоя

Расчетные значения модуля упругости Е, МПа

1

2

3

1

Щебеночно-гравийно-песчаные смеси и крупнообломочные грунты (оптимального/неоптимального состава) обработанные:

 

 

- жидкими органическими вяжущими или вязкими, в т.ч. эмульгированными органическими вяжущими

450/350

 

- жидкими органическими вяжущими совместно с минеральными или эмульгированными органическими вяжущими совместно с минеральными

950/700

2

Пески гравелистые, крупные, средние / пески мелкие, супесь легкая и пылеватая, суглинки легкие обработанные:

 

 

- жидкими органическими вяжущими или вязкими, в т.ч. эмульгированными органическими вяжущими

430/280

 

- жидкими органическими вяжущими совместно с минеральными или эмульгированными органическими вяжущими совместно с минеральными

700/600

Таблица П.4.5

Конструктивные слои из черного щебня

№ п/п

Материал

Расчетные значения модуля упругости Е, МПа

1

Черный щебень, уложенный по способу заклинки

600 - 900

2

Слой из щебня, устроенного по способу пропитки вязким битумом и битумной эмульсией

400 - 600

Примечание. Большие значения - для покрытий, меньшие - для оснований.

В. Конструктивные слои из щебеночно-гравийно-песчаных смесей и грунтов, обработанных неорганическими вяжущими материалами

Таблица П.4.6

Конструктивные слои из смесей щебеночно-гравийно-песчаных и грунтов, обработанных неорганическими вяжущими материалами, соответствующих ГОСТ 223558-94

№ п/п

Материал

Расчетные значения модуля упругости Е, МПа

1

2

3

1

Щебеночно-гравийно песчаные смеси, крупнообломочные грунты (оптимальные/неоптимальные), обработанные цементом:

 

 

- соответствующие марке               20

500/400

 

40

600/550

 

60

800/700

 

75

870/830

 

100

1000/950

2

То же, обработанные зольным или шлаковым вяжущим:

 

 

- соответствующие марке:                 20

450/350

 

40

550/500

 

60

750/650

 

57

870/780

 

100

950/910

3

Пески гравелистые, крупные, средние / пески мелкие и пылеватые, супесь легкая и тяжелая, суглинки легкие, обработанные цементом:

 

 

- соответствующие марке                  20

400/250

 

40

550/400

 

60

700/550

 

75

870/750

 

100

950/870

4

То же, обработанные зольным или шлаковым вяжущим:

 

 

- соответствующие марке                  20

300/200

 

40

450/300

 

60

600/450

 

75

730/600

 

100

870/750

Таблица П.4.7

Конструктивные слои из активных материалов (шлаки, шламы, фосфогипс и др.)

№ п/п

Материал

Расчетные значения модуля упругости Е, МПа

1

Основание из подобранных оптимальных смесей из высокоактивных материалов с максимальным размером зерен до 40 мм, уплотненных при оптимальной влажности

650 - 870

2

То же, из активных материалов

480 - 700

3

Основание из рядовых неоптимальных смесей из высокоактивных материалов с максимальной крупностью 70 мм

450 - 650

4

То же, из активных материалов

370 - 480

Примечания:

1. К высокоактивным материалам относятся материалы, имеющие прочность при сжатии от 5 до 10 МПа в возрасте 90 сут.

2. К активным материалам - материалы, имеющие прочность при сжатии от 2,5 до 5 МПа в том же возрасте.

3. Расчетное значение модуля упругости выбирается в указанном в таблице диапазоне с учетом реального состава местного материала и практического опыта его использования.

Г. Конструктивные слои из щебеночно-гравийно-песчаных материалов, не обработанных вяжущими

Таблица П.4.8

Конструктивные слои из смесей щебеночно-гравийно-песчаных, соответствующих ГОСТ 25607-94 и ГОСТ 3344-83

Материал слоя

Расчетные значения модуля упругости Е, МПа

Щебеночные / гравийные смеси (С) для покрытий:

 

- непрерывная гранулометрия (ГОСТ 25607) при максимальном размере зерен:

 

С1 - 40 мм

300/280

С2 - 20 мм

290/265

Смеси для оснований

 

- непрерывная гранулометрия:

 

С3 - 80 мм

280/240

С4 - 80 мм

275/230

С5 - 40 мм

260/220

С6 - 20 мм

240/200

С7 - 20 мм

260/180

Шлаковая щебеночно-песчаная смесь из неактивных и слабоактивных шлаков (ГОСТ 3344)

 

С1 - 70 мм

275

С2 - 70 мм

260

С4 - 40 мм

250

С6 - 20 мм

210

Таблица П.4.9

Щебеночные основания, устраиваемые методом заклинки, соответствующие ГОСТ 25607-94

Материал слоя

Расчетные значения модуля упругости Е, МПа

Щебень фракционированный 40 - 80 (80 - 120) мм с заклинкой:

 

- фракционированным мелким щебнем

450

350

- известняковой мелкой смесью или активным мелким шлаком

400

300

- мелким высокоактивным шлаком

450

400

- асфальтобетонной смесью

500

450

- цементопесчаной смесью М75 при глубине пропитки 0,25 - 0,75h слоя

450 - 700

350 - 600

Примечание. Для слоя: в числителе - из легкоуплотняемого щебня; в знаменателе - из трудноуплотняемого щебня.

Д. Механические характеристики теплоизоляционных слоев

Таблица П.4.10

Материал

Расчетные значения модуля упругости Е, МПа

1

2

Пенопласт

13,0 - 33,5

Стиропорбетон

500 - 800

Аглопоритовый щебень, обработанный вязким битумом

400

Керамзитовый гравий, обработанный вязким битумом

500

Гравий (щебень) с легкими заполнителями, обработанные вязким битумом

500

Цементогрунт с перлитом

130

То же, с полистиролом, состава:

300

- гранулы полистирола 2 - 3 %

 

- песок 97 - 98 % (% от массы)

 

- цемент 7 - 6 %

 

То же, с керамзитом, состава:

300

- песок 75 %

 

- керамзит 25 %

 

- цемент 6 %

 

Битумоцементогрунт с перлитом, состава:

250 - 350

- перлитовый щебень 25 - 20 %

 

- песок 75 - 80 %

 

- цемент 4 - 6 %

 

- битум 12 - 10 % (от массы песка, перлита и цемента)

 

Цементогрунт с аглопоритом, состава:

250 - 350

- супесь или песок 70 - 80 %

 

- аглопорит 30 - 20 %

 

- цемент 6 %

 

Золошлаковые смеси, укрепленные цементом

150

Грунт, укрепленный золой-уносом

200

Цементогрунт, обработанный битумной эмульсией

-

Таблица П.4.11

Административный район

Расчетная амплитуда колебаний температуры t за сутки на поверхности покрытия

цементобетонного Бп

асфальтобетонного Ап

Мурманская обл., Ненецкий АО

10,5

11,5

АО, Архангельская, Ленинградская, Псковская, Н. Городская, Кировская, Костромская, Ярославская, Камчатская области, Республики: Коми, Карелия

12,0

13,0

Новгородская, Вологодская, Пермская, Тверская, Калининградская, Московская, Смоленская, Брянская, Тульская, Орловская, Ульяновская, Магаданская области, Республики: Марий ЭЛ, Мордовия, Чувашия, Башкорстан; Хабаровский край

14,0

15,0

Калужская, Рязанская, Курская, Белгородская, Воронежская, Тамбовская, Пензенская, Саратовская, Татарстан, Свердловская, Челябинская, Томская области, Республики: Бурятия, Саха (Якутия) - южная часть; Приморский край, Республика Беларусь

14,5

15,5

Ростовская, Волгоградская, Астраханская, Оренбургская, Курганская, Омская, Кемеровская, Иркутская, Амурская, Сахалинская области, Республики: Северная Осетия, Дагестан, Алтай; Красноярский край

15,5

16,5

Читинская обл., Краснодарский, Ставропольский края, Республики: Чеченская, Ингушская, Республики Закавказья, Средней Азии

16,5

17,5

Таблица П.4.12

Географическая широта местности (град. сев. ш)

Исходная температура бетона Тисх, °С, при укладке

Максимальная расчетная температура бетона (на глубине 10 см) Тmax, °С

в апреле

в мае

56 (г. Москва)

18,0

32,5

48,0

53 (г. Самара)

19,5

39,0

48,5

49 (г. Волгоград)

25,5

45,0

53,0

42 (г. Ташкент)

39,0

55,5

65,0

Таблица П.4.13

Вид асфальтобетонной смеси

Характеристика асфальтобетона для расчета на сдвиг

Комплексный коэффициент К

Сцепление Са (МПа)

Крупнозернистая

1,6

0,30/0,21

Мелкозернистая

1,1

0,20/0,11

Песчаная

0,9

0,15/0,13

Примечание. В числителе - для горючих смесей на вязких битумах (40/130), в знаменателе - для смесей с битумами марок 130/300.

Рис. П.4.1. Зависимость коэффициента усталости асфальтобетона Куа от суточной интенсивности движения Nc

ПРИЛОЖЕНИЕ 5

(справочное)

ТЕПЛОФИЗИЧЕСКИЕ ХАРАКТЕРИСТИКИ КОНСТРУКТИВНЫХ СЛОЕВ ИЗ РАЗЛИЧНЫХ ДОРОЖНО-СТРОИТЕЛЬНЫХ МАТЕРИАЛОВ

Таблица П.5.1

№ п/п

Материал, грунт

Плотность r, кг/м3

Коэффициент теплопроводности l, Вт/(мК)

1

2

3

4

1

Асфальтобетон горячий плотный

2400

1,40

 

То же, пористый

2300

1,25

 

Тоже, высокопористый, в том числе битумопесчаная смесь (ТУ 218 РСФСР)

2200 - 1900

1,10 - 1,00

2

Аглопоритовый щебень, обработанный вязким битумом

800

0,23

3

Керамзитовый гравий, обработанный вязким битумом

1100

0,64

4

Гравий (щебень) с легкими заполнителями, обработанный вязким битумом

2000

0,52

5

Супесь, укрепленная 10 %-ной эмульсией

1700 - 1900

1,45

6

Цементобетон

2400

1,74

7

Песок разномерный, укрепленный 10 % 6 - 10 % цемента

2100

1,86

8

Песок мелкий, одномерный, укрепленный 10 % цемента

2100

1,62

9

Цементогрунт с керамзитом:

песок - 75 % (от массы), керамзит - 25 %, цемент - 5 %

1500 - 1600

0,58 - 0,70

10

Цементогрунт с гранулами полистирола:

песок 97 - 98 %, гранулы полистирола 3 - 2 %, цемент 7 - 6 %

1300 - 1500

0,41 - 0,58

11

Битумоцементогрунт с перлитом, состава:

перлитовый щебень 25 - 20 %, песок 75 - 80 %, цемент 3 - 4 %, битум 12 - 10 % (от массы песка, перлита и цемента)

1400

0,52 - 0,58

12

Цементогрунт с аглопоритом, состава:

супесь или песок 70 - 80 %, аглопорит 30 - 20 %, цемент 6 %

1700 - 1800

0,64 - 0,75

13

Шлакобетон

1600

0,58

14

Керамзитобетон

1400

0,75

15

Стиропорбетон

1000 - 1100

0,23

16

Слабопрочные известняки, укрепленные известью

2000

1,16

17

Суглинок, укрепленный 6 - 12 % цемента

1750 - 1900

1,45

18

Суглинок, укрепленный 2 - 5 % цемента и 6 - 2 % известью

1800 - 1900

1,33

19

Супесь, укрепленная 8 - 10 % цемента

1700 - 1900

1,51

20

Пенопласт

38,5 - 60

0,03 - 0,052

21

Пеноплэкс

38,5 - 50

0,03 - 0,032

22

Каменноугольная золошлаковая, укрепленная 6 - 8 % цемента

1600

0,7

23

Шлак топочный

800

0,46

24

Щебень из гранита

1800

1,86

25

Щебень из известняка

1600

1,39

26

Гравий

1800

1,86

27

Песок крупный талый

2000

1,74

 

То же, мерзлый

2000

2,32

28

Песок средней крупности талый

1950

1,91

 

То же, мерзлый

1950

2,44

29

Песок мелкий талый

1850

1,91

 

То же, мерзлый

1850

2,32

30

Песок пылеватый талый

1750

1,80

 

То же, мерзлый

1750

2,20

31

Супесь талая

2100

1,80

 

То же, мерзлая

2100

2,03

32

Суглинок и глина талые

2000

1,62

 

То же, мерзлые

2000

1,97

33

Лессы талые

1500

1,51

 

То же, мерзлые

1500

2,09

34

Одномерный гранитный щебень, обработанный вязким битумом

1850

1,28

35

Гравийно-песчаная смесь

2000

2,10

36

Гравийно-песчаная смесь, укрепленная 10 % цемента

2000

2,02

ПРИЛОЖЕНИЕ 6

(справочное)

ПАРАМЕТРЫ ДЛЯ ОПРЕДЕЛЕНИЯ РАСЧЕТНОГО СУММАРНОГО ЧИСЛА ПРИЛОЖЕНИЙ НАГРУЗКИ ЗА СРОК СЛУЖБЫ ДОРОЖНОЙ ОДЕЖДЫ

Определение расчетного числа дней в году для вычисления суммарного числа приложения расчетной нагрузки за проектный срок службы конструкции

6.1. Входящие в выражения 3.3 и 3.4 раздела 3 основного текста расчетное число расчетных дней в году (Тргд)1) за проектный срок службы конструкции (Тсл) должно устанавливаться по данным специальных региональных исследований и закрепляться в региональных нормах, утверждаемых в установленном порядке.

1) Расчетным считается день, в течение которого сочетание состояния грунта земляного полотна по влажности и температуре слоев конструкции обеспечивают возможность накопления остаточной деформации в грунте земляного полотна или малосвязных слоях дорожной одежды.

При отсутствии региональных данных допускается использовать приведенные ниже рекомендации и табличные данные.

При отсутствии региональных норм на территории России допускается использовать данные рис. П.6.1 и табл. П.6.1.

Таблица П.6.1

Рекомендуемые значения Трдг в зависимости от местоположения дороги

Номера районов на карте

Примерные географические границы районов

Рекомендуемое количество расчётных дней в году Тргд

1

2

3

1

Зона распространения вечномёрзлых грунтов севернее семидесятой параллели

70

2

Севернее линии, соединяющей Онегу - Архангельск - Мезень - Нарьян-Мар - шестидесятый меридиан до побережья Европейской части

145

3

Севернее линии, соединяющей Минск - Смоленск - Калугу - Рязань - Саранск - сорок восьмой меридиан, до линии, соединяющей Онегу - Архангельск - Мезень - Нарьян-Мар

125

4

Севернее линии, соединяющей Львов - Киев - Белгород - Воронеж - Саратов - Самару - Оренбург - шестидесятый меридиан, до линии районов 2 и 3

135

5

Севернее линии, соединяющей Ростов-на-Дону - Элисту - Астрахань, до линии Львов - Киев - Белгород - Воронеж - Саратов - Самару

145

6

Южнее линии, соединяющей Ростов-на-Дону - Элисту - Астрахань, - для Европейской части, южнее сорок шестой параллели - для остальных территорий

205

7

Восточная и Западная Сибирь, Дальний Восток (кроме Хабаровского и Приморского краёв, Камчатской области), ограниченные с севера семидесятой параллелью, с юга - сорок шестой параллелью

130 - 150 (меньшие значения для центральной части)

8

Хабаровский и Приморский края, Камчатская область

140

Примечание. Значения величины Трдг на границах районов следует принимать по наибольшему из значений.

6.2. Значение коэффициента суммирования (при отсутствии других данных) следует принимать по табл. П.6.3.

Таблица П.6.2

Показатель изменения интенсивности движения по годам q

Значение Кс при сроке службы дорожной одежды Тсл, в годах

8

10

15

20

0,90

5,7

6,5

7,9

8,8

0,92

6,1

7,1

8,9

10,1

0,94

6,5

7,7

10,0

11,8

0,96

7,0

8,4

11,4

13,9

0,98

7,5

9,1

13,1

16,6

1,00

8,0

10,0

15,0

20,0

1,02

8,6

10,9

17,2

24,4

1,04

9,2

12,0

20,0

29,8

1,06

9,9

13,2

23,2

36,0

1,08

10,6

14,5

27,2

45,8

1,10

11,4

15,9

31,7

67,3


Рис. П.6.1. Карта районирования по количеству расчетных дней в году, Трдг


ПРИЛОЖЕНИЕ 7

(справочное)

ПРИМЕРЫ РАСЧЕТА

Пример 1

Требуется запроектировать дорожную одежду с цементобетонным покрытием на дороге I категории.

Исходные данные

ширина проезжей части для движения в одном направлении - 7,5 м;

ширина земляного полотна (с учетом обочин) - 15 м;

расчетный срок службы покрытия - 25 лет;

расчетная нагрузка на дорожную одежду типа А1;

статическая нагрузка на поверхность покрытия от колеса расчетного автомобиля - Qк = 50 кН;

давление в шинах - 0,6 МПа;

расчетный диаметр отпечатка колеса: движущегося - D = 37 см; неподвижного - D = 33 см;

интенсивность движения, ед./сут, в первый год службы дорожной одежды характеризуется следующими данными:

лёгкие грузовые автомобили с нагрузкой на ось 50 кН.......................... 1080

средние грузовые автомобили с нагрузкой на ось 70 кН....................... 950

тяжелые грузовые автомобили с нагрузкой на ось 100 кН.................... 1940

автобусы с нагрузкой на ось 96 кН........................................................... 500

показатель ежегодного роста интенсивности движения - q = 1,05;

дорожно-климатическая зона - II, подзона - II1;

схема увлажнения рабочего слоя - 2;

грунт земляного полотна - супесь пылеватая;

глубина промерзания - 1,5 м;

глубина залегания грунтовых вод - 1,8 м;

коэффициент фильтрации дренирующего материала (песка) - Кф = 3 м/сут;

материал покрытия - бетон класса Вtb4,4;

материал основания - песок, укрепленный цементом; нижний слой - песок среднезернистый;

расчетная влажность грунта Wp = 0,855Wт.

Назначение расчетных характеристик грунта и материалов дорожной одежды

Для проведения расчетов назначаем следующие показатели:

1) Требуемый уровень надежности и соответствующий ему коэффициент прочности по табл. 3.1 Рекомендаций:

для вычисленной ниже интенсивности движения, приведенной к расчетной нагрузке (1418 ед./сут), вероятность предельного состояния (уровень надежности) - 0,95; коэффициент прочности - Кпр = 1,00.

2) Расчетную влажность грунта рабочего слоя по формуле

где

 (равнинные районы);

D3 = 0,00, т.к.

t = 1,71 при Кн = 0,95.

Получаем Wp = 0,73(1 + 0,1×1,71) = 0,855.

3) Расчетный модуль упругости грунта по табл. для супеси пылеватой - Wр = 0,855Wт; Eгр = 27 МПа.

4) Определение расчетной интенсивности движения.

Сначала число воздействий автомобилей с различной нагрузкой на ось Qi приводим к числу воздействия расчетных нагрузок:

по формуле (5) Рекомендаций находим коэффициент приведения i-го автомобиля с нагрузкой на колесо Qi к нормативно нагрузке Qк = 50 кН:

лёгкие грузовики - Sn = (25,0/50,0)4,64 = 0,04;

средние грузовики - Sn = (35,0/50,0)4,64 = 0,19;

тяжелые грузовики - Sn = (50,0/50,0)4,64 = 1,00;

автобусы - Sn = (35,0/48,0)4,64 = 0,83.

По табл. 3.2 Рекомендаций для двух полос движения fпол = 0,55.

По формуле (3.2) находим интенсивность движения Nпр, приведенную к расчетной нагрузке:

Np = 0,55(0,04×1080+0,19×950+1,0×1940 + 0,83×500) = 1418 ед./сут.

По формуле (3.4) определяем расчетную повторность нагружения при Т = 25 лет; Трдг = 210 сут; q = 1,05:

5) Расчетные характеристики сопротивления грунта сдвигу по табл. П.2.4 ОДН 218.046-01:

для супеси пылеватой jгр = 10°; Сгр = 0,003 МПа.

6) Плотность грунта 1,9 т/м3.

7) Модуль упругости материала верхнего слоя основания (песок, укрепленный цементом) по табл. П.3.6 ОДН 218.046-01: для песков средних, укрепленных цементом и соответствующих марке 40, Ец гр = 550 МПа.

8) Модуль упругости песчаного слоя основания по табл. П.2.6 ОДН 218.046-01 для песка среднезернистого Еп = 120 МПа.

9) Характеристики сопротивления сдвигу песчаного слоя по табл. П.2.4 ОДН 218.046-01 jп = 26°; Сгр = 0,002 МПа.

10) Модуль упругости и сопротивление растяжению при изгибе бетона по табл. П.1.1 Рекомендаций:

для бетона класса Btb4,4 Ptb = 55, Е = 36000 МПа.

11) Характеристики для расчета конструкции на морозоустойчивость:

Для цементобетонных покрытий с условиями эксплуатации по 1-й расчетной схеме допускаемая величина общего приподнятая от выпучивания 3 см.

Определение необходимости проведения расчета конструкции на морозоустойчивость

Грунт земляного полотна (супесь пылеватая) является сильнопучинистым по ОДН 218.046-01 (табл. 4.2).

Условие морозоустойчивости - lпуч < lдоп,

где lпуч - расчетное (ожидаемое) пучение грунта земляного полотна;

lдоп - допускаемое для данной конструкции пучение грунта.

Величина возможного морозного пучения равна:

lпуч = lпуч(ср)×KУГВ×Kпл×Kгр×Kнагр×Kвл;

lпуч(ср) = 3; KУГВ = 0,53; Kпл = 1,0; Kгр = 1,1; Kнагр = 0,9; Kвл = 1,25;

zпр = zпр(ср)×1,38 = 1,5×1,38 = 2,07 м » 2,0 м;

lпуч = 3×0,53×1,0×1,1×0,9×1,25 = 1,97 см < 3 см.

Условие морозоустойчивости выполнено, так как lпуч < 0,8lдоп.

Расчет необходимой толщины дренирующего слоя

Удельный вес воды по табл. 5.3 ОДН 218.046-01:

q = 4,5 л/(м2×сут); Кпк = 1,6; Квог = 1,0; Кг = 1,2; Кр = 0,9;

qp = 4,5×1,6×1,0×1,2×0,9 : 1000 = 0,0078 м3/(м2×сут);

q¢ = qp×(В/2) = 0,0078×75 = 0,02925 м32;

q¢ф = 0,02925/3 = 0,00975.

По номограмме 3,5×hнac/L = 0,11;

L = 7,5 + (0,75 + 0,35/2)×1,5 = 12,64 м;

hнас = 0,11×12,64/3,5 = 0,40 м;

hзап = 0,14 м;

hп = 0,40 + 0,14 = 0,54 м.

Поскольку требуемая толщина дренирующего слоя превышает заданную, следует применить конструкцию с прикромочным дренажом.

Назначение конструкции дорожной одежды

Назначаем следующую конструкцию дорожной одежды:

покрытие - цементобетон класса Btb4,4; Е = 36000 МПа;

основание - песок, укрепленный цементом, марки 40;

Ец гр = 550 МПа; hц гр = 16 см;

нижний слой основания - песок среднезернистый;

Еп = 120 МПа; hп = 35 см.

Определение эквивалентного модуля упругости

1) На уровне дренирующего слоя песка:

при Егр = 27 МПа; Еп = 120 МПа; hп = 35 см; D = 50 см по формуле (3.13) Рекомендаций

по формуле (3.12)

2) На уровне слоя цементогрунта:

при Ец гр = 550 МПа; Еэ = 51,25 МПа; hц гр = 16 см; D = 50 см

Определение расчетной прочности бетона

По формуле (3.8), при SNp = 14,823299,

Kу = 1,08×(SNp)-0,063 = 0,38.

По формуле (3.7) Рекомендаций

Определение толщины покрытия

1) По формуле (П.2.3) Рекомендаций определяем расчетную нагрузку:

Q = 50×1,3 = 65 кН.

2) По формуле (3.10) определяем радиус отпечатка колеса qш = 0,6 MПa:

3) Для нескольких значений h определяем:

lу - по формуле (3.11);

Kt - по табл. 3.4;

spt - по формуле (3.9);

Ку - по формуле

Значения указанных величин приведены в табл. 1.

Таблица 1

Значение h, см

lу, см

Kt

spt

Кy

20

81,22

0,85

2,23

0,42

22

89,34

0,80

2,04

0,39

24

97,47

0,73

1,95

0,37

4) Строим график зависимости Кy = f(h).

С помощью этого графика определяем значение h = 23 см, соответствующее требуемому значению Кy = 0,38.

Расчет по сдвигу в грунте земляного полотна

По табл. 3.7 Рекомендаций находим Ер = 1770 МПа.

Расчет производится в соответствии с пп. 3.30 - 3.37 ОДН 218.046-01.

По формуле (3.12) ОДН 218.046-01

Есргр = 725,8/27 = 26,88;

По номограмме (3.3) ОДН 218.046-01, при j = 10°,

По формуле (3.13) ОДН 218.046-01 Т = 0,01×0,6 = 0,006 МПа.

Предельное активное напряжение сдвига Тпр в грунте рабочего слоя определяем по формуле (3.14) ОДН 218.046-01, где CN = 0,003 МПа; Кд = 1,0;

Zоп = 23 + 16 + 35 = 74 см;

jст = 34° (табл. П.2.6 ОДН 218.046-01);

gср = 0,002 кг/см3;

0,1 - коэффициент для перевода в МПа;

Тпр = 0,003 + 0,1×0,002×74×tg34° = 0,013 МПа;

Кпр = 0,013 : 0,006 = 2,17, что больше Кпр = 1,0 (см. табл. 3.1 ОДН 218.046-01).

Следовательно, конструкция удовлетворяет условию прочности по сдвигу в грунте.

Расчет промежуточного слоя (песка) на устойчивость против сдвига (по ОДН 218.046-01)

1) По формуле (3.12)

Еср = (1770×23 + 600×16)/39 = 1290 МПа;

Ер = 1770 МПа, h = 23 см;

Ец гр = 600 МПа, h = 16 см;

Еп = 120 МПа, h = 35 см;

CN = 0,002 МПа, jN = 27°;

Евн = 1290/51,25 = 25,17; hв/D = 39/37 = 1,05;

По формуле (3.13) Т = 0,016×0,6 = 0,0096 МПа.

Предельное активное напряжение сдвига Тпр в песчаном слое определяем по формуле (3.14) ОДН 218.046-01,

где CN = 0,002 МПа; Кд = 4,0;

Zоп = 23 + 16 = 39 см;

jст = 34° (табл. П.2.6 ОДН 218.046-01);

gср = 0,002 кг/см3;

0,1 - коэффициент для перевода в МПа;

Тпр = 4×(0,002 + 0,1×0,002×39×tg34°) = 0,029 МПа;

Кпр = 0,029/0,0096 = 3,03;  (см. табл. 3.1 ОДН 218.046-01).

Следовательно, условие по сдвигоустойчивости в песчаном слое основания выполнено.

Пример 2

Требуется запроектировать дорожную одежду с цементобетонным покрытием на дороге IV категории.

Исходные данные

дорога имеет две полосы движения шириной по 3 м;

ширина земляного полотна - 10 м;

расчетный срок службы покрытия - 25 лет;

расчетная нагрузка от колеса на дорожную одежду Qк = 50 кН;

общая суточная интенсивность движения расчетной нагрузки по проектируемой дороге на конец срока её службы - 500 ед./сут на полосу;

схема увлажнения рабочего слоя - 1;

грунт земляного полотна - супесь лёгкая;

расчетная влажность грунта Wp = 0,62Wт;

глубина промерзания - 0,5 м;

дорожно-климатическая зона IV;

материал покрытия - бетон класса Вtb3,6;

материал основания - песок среднезернистый, коэффициент фильтрации - 6 м/сут.

Назначение расчетных характеристик грунта и материалов дорожной одежды

Для проведения расчетов назначаем следующие показатели.

1) Требуемый уровень надежности и соответствующий ему коэффициент прочности по табл. 3.1 Рекомендаций:

для заданной интенсивности движения уровень надежности - 0,80; коэффициент прочности - Кпр = 0,87.

2) Расчетную влажность грунта рабочего слоя по формуле (П.2.1) ОДН 218.046-01

где

 (равнинные районы);

D3 = 0,00, т.к.

t = 0,84 при Кн = 0,80.

Получаем Wp = 0,57(1 + 0,1×0,84) = 0,62Wт.

3) Расчетный модуль упругости грунта по табл. П.2.5 ОДН 218.046-01 при Wp = 0,62Wт; Егр = 55 МПа.

4) Определение расчетной повторности нагружения.

Находим интенсивность движения в первый год:

Расчетную повторность нагружения по формуле (3):

5) Расчетные характеристики сопротивления грунта сдвигу по табл. П.2.4 ОДН 218.046-01:

для супеси лёгкой jгр = 12°; Сгр = 0,005 МПа.

6) Плотность грунта 1,9 т/м3.

7) Модуль упругости материала верхнего слоя основания (песок среднезернистый) по табл. П.2.5 ОДН 218.046-01:

8) Характеристики сопротивления сдвигу песчаного слоя по табл. П.2.6 ОДН 218.046-01 - jп = 27°; Сгр = 0,002 МПа.

9) Модуль упругости и сопротивление растяжению при изгибе бетона по табл. П.1.1 Рекомендаций:

для бетона класса Btb3,6; Рtb = 45, Е = 32000 МПа.

Определение необходимости проведения расчета конструкции на морозоустойчивость

Глубина промерзания конструкции 0,5 м, что меньше 0,6, поэтому расчет дорожной одежды на морозоустойчивость не требуется.

Расчет необходимой толщины дренирующего слоя

Значение удельного притока воды по табл. 5.3 ОДН 218.046-01 для IV дорожно-климатической зоны и 1-й схемы увлажнения земляного полотна отсутствует. Принимаем полную толщину дренирующего слоя равной 0,20 м.

Назначение конструкции дорожной одежды

Назначаем следующую конструкцию дорожной одежды:

покрытие - цементобетон класса Btb3,6; Е = 32000 МПа;

основание - песок среднезернистый; Еп = 120 МПа; hп = 35 см.

Определение эквивалентного модуля упругости

По формуле (3.13) Рекомендаций: при hп = 20 см; Еп = 120 МПа;

Егр = 55 МПа рассчитываем hэ:

По формуле (3.12) Рекомендаций, при D = 50 см, определяем Еэ:

Определение расчетной прочности бетона

По формуле (3.8), при SNp = 887724, находим

Ку = 1,08×887724-0,063 = 0,46.

По формуле (1) приложения 1, при Кнп = 1,2 и Ку = 0,46, определяем:

Определение толщины покрытия

По формуле (П.2.3) Рекомендаций определяем расчетную нагрузку:

Q = 50×1,3 = 65 кН.

По формуле (3.10) определяем радиус отпечатка колеса при qш = 0,6 МПа:

Для нескольких значений h определяем:

lу - по формуле (3.11);

Kt - по табл. 3.4;

spt - по формуле (3.9);

Ку - по формуле

Значения указанных величин приведены в табл. 2.

Таблица 2

Значение h, см

lу, см

Kt

spt

Кy

18

76,48

2,55

0,89

0,51

20

84,98

2,30

0,84

0,46

22

93,48

2,14

0,78

0,42

4) Строим график зависимости Ку = f(h), с помощью которого находим значение h = 20 см, соответствующее требуемому значению Ку = 0,46.

Расчет по сдвигу в грунте земляного полотна

По табл. 3.7 Рекомендаций находим Ер = 1600 МПа.

Расчет производится в соответствии с пп. 3.30 - 3.37 ОДН 218.046-01:

1) По формуле (3.12) ОДН 218.046-01

2) Есргр = 860/55 = 15,64;

3)

4) По номограмме (3.3) ОДН 218.046-01, при j = 12°

По формуле (3.13) ОДН 218.046-01 Т = 0,02×0,6 = 0,012 МПа.

Предельное напряжение сдвига (Тпр) в грунте рабочего слоя определяем по формуле (3.14) ОДН 218.046-01,

где CN = 0,005 МПа;

Кд = 1,0;

Zоп = 20 + 20 = 40 см;

jст = 36° (табл. П.2.4 ОДН 218.046-01);

gср = 0,002 кг/см3;

0,1 - коэффициент для перевода в МПа;

Тпр = 0,005 + 0,1×0,002×40×tg36° = 0,0108 МПа;

Kпр = 0,0108/0,012 = 0,9, что больше Кпр = 0,87 (см. табл. 3.1 ОДН 218.046-01).

Следовательно, конструкция удовлетворяет условию прочности по сдвигу в грунте.

Расчет промежуточного слоя (песка) на устойчивость против сдвига (по ОДН 218.046-01)

1) Еср = Ер = 1600 МПа.

2) Есрсл = 1600/120 = 13,33 МПа.

3)

4) По номограмме (3.2) ОДН 218.046-01:

 Евн =1600/65,9 = 24,28;

По формуле (3.13) Т = 0,029×0,6 = 0,0174 МПа.

Предельное активное напряжение сдвига (Тпр) в песчаном слое определяем по формуле (3.14) ОДН 218.046-01,

где CN = 0,002 МПа;

Кд = 4,0;

Zоп = 20 см;

jст = 34° (табл. П.2.6 ОДН 218.046-01);

gср = 0,0024 кг/см3;

0,1 - коэффициент для перевода в МПа;

Тпр = 4×(0,002 + 0,1×0,0024×20×tg34°) = 0,021 МПа;

Кпр = 0,021/0,0174 = 1,20;

 (см. табл. 3.1 ОДН 218.046-01).

Следовательно, условие по сдвигоустойчивости в песчаном слое основания выполнено.

Пример 3

Требуется запроектировать дорожную одежду с асфальтобетонным покрытием на цементобетонном основании.

Исходные данные

Дорога имеет две полосы движения шириной по 3,5 м при ширине обочин 2,5 м;

расчетный срок службы покрытия - 15 лет;

расчетная нагрузка от колеса на дорожную одежду Qк = 50 кН;

интенсивность движения расчетной нагрузки на полосу в конце срока эксплуатации дорожной одежды - 1000 ед./сут;

дорожно-климатическая зона - III;

схема увлажнения рабочего слоя - 1;

грунт земляного полотна - песок мелкий;

материал покрытия - асфальтобетон на основе БНД 60/90;

материал основания - бетон класса Btb2,8 (Ptb35).

Глубина промерзания и уровень залегания грунтовых вод значения не имеют, т.к. расчета конструкции на морозоустойчивость не требуется.

Назначение расчетных характеристик грунтов и материалов дорожной одежды

Для проведения расчетов назначаем следующие показатели:

1) Требуемый уровень надежности и соответствующий ему коэффициент прочности по табл. 3.1 Рекомендаций:

для заданной интенсивности движения уровень надежности 0,90; коэффициент прочности Кпр = 0,94.

2) Модуль упругости грунта по табл. П.2.5 ОДН 218.046-01 для песка мелкозернистого Еп = 100 МПа.

3) Характеристики сопротивления сдвигу песчаного слоя:

определение расчетной повторности нагружения;

интенсивность движения в первый год эксплуатации:

По табл. П.2.6 ОДН 218.046-01

Сп = 0,002 МПа; jп = 25°; jст = 31°.

4) Модуль упругости и сопротивление растяжению при изгибе бетона по табл. П.1.1 Рекомендаций:

для бетона класса Btb2,8 - Ptb = 35, Е = 28000 МПа;

по табл. П.3.1 ОДН 218.046-01 - Еa = 4500 МПа; ha = 14 см; Ro = 9,8 МПа.

Расчета конструкции на морозоустойчивость не требуется, т.к. грунт земляного полотна - песок мелкозернистый.

Расчет необходимой толщины дренирующего слоя

Расчет не производится, т.к. грунт земляного полотна - песок мелкозернистый.

Назначение конструкции дорожной одежды

Согласно табл. 2.3. Рекомендаций, для интенсивности 1000 ед./сут назначаем следующую конструкцию дорожной одежды:

покрытие - асфальтобетон на основе БНД 60/90; Еа = 4500 МПа; hа = 14 см;

основание - цементобетон класса Вtb2,8; Ецб = 28000 МПа; hцб = 16 см.

Согласно пп. 2.16 и 2.18, длину плит назначаем равной 15 м; продольный шов не устраиваем; поперечные швы устраиваем без штырей.

Проверка расчетом толщины слоя покрытия и основания

По формуле (3.30) Рекомендаций определяем эквивалентную толщину слоя:

По формуле (3.11) рассчитываем упругую характеристику:

По формуле (3.9) определяем напряжение, возникающее от нагрузки, при Км = 1:

По табл. П.4.11 для III дорожно-климатической зоны (Курская обл.) находим: Ап = 15,5.

Согласно п. 3.19 Рекомендаций w = 0,26 рад/ч; аta = 0,002 м2/ч; atб = 0,004 м2/ч;

По формуле (3.32) определяем Dtб:

По формуле (3.31) вычисляем напряжения от перепада температуры по толщине нижнего слоя:

st = (0,00001×28000×3,0)/2 = 0,42 МПа.

По формуле (3.8) вычисляем коэффициент усталости:

Ку = 1,08×(1348525)-0,063 = 0,44.

По формуле (3.7) находим:

По формуле (3.29) и с учетом данных табл. 3.1 Рекомендаций

Условие прочности для нижнего слоя выполнено.

Проверка расчетом толщины асфальтобетонного покрытия

По рис. П.4.1 для Nс = 1000 ед./сут находим: Куа = 1.

По формуле (П.2.3) вычисляем расчетную нагрузку:

Q = Qк×Kд = 50×1,3 = 65 кН.

По табл. П.4.13 для мелкозернистого асфальтобетона находим: Са = 0,2 МПа.

Тогда по формуле (3.33)

Условие прочности для покрытия дорожной одежды выполняется.

Пример 4

Требуется запроектировать дорожную одежду со сборным железобетонным покрытием из предварительно напряженных плит размером 0,14 ´ 2 ´ 6 м.

Плита рассчитывается как типовая с учетом возможности ее работы при двухстадийном строительстве: на первой стадии - на земляном полотне из мелкого песка, модуль упругости которого с учетом пластических деформаций (см. п. 3.28) равен 37 МПа, а на второй стадии укладки укрепленного слоя основания - 100 МПа (для Западной Сибири).

Нормативную нагрузку принимаем 65 кН на колесо,

расчетную Q = 65×1,25×1,25 = 101,6 кН;

давление в шинах qш = 0,5 МПа;

расстояние между спаренными колесами в1 = 15 см;

расчетную повторность нагружения для типовых плит - 2000 авт./сут, для дорожной одежды - 1000 авт./сут.

Марка бетона плиты 350 (класс В30).

Согласно СНиП 2.03.01-84, Е = 29×103 МПа; расчетная прочность на сжатие  расчетная прочность на растяжение при изгибе

В продольном направлении применяется арматура Æ 14, A-IV, Е = 190×103 МПа, расчетная прочность Rs.ser = 600 МПа.

В поперечном направлении применяется арматура Æ 5, Вр-I, Е = 170×103 МПа, расчетная прочность Rs.ser = 405 МПа.

Предварительное напряжение ssp = Rs.ser - 30 - 360/6 = 510 МПа.

Потери предварительного напряжения sпт = 100 МПа.

Определение количества арматуры в плите

Для определения количества арматуры рассматриваем работу плиты на первой стадии - до появления в бетоне трещин - и на второй стадии - после появления трещин.

На первой стадии модуль упругости плиты равен модулю упругости бетона, на второй - определяется по формуле (3.38) в зависимости от степени раскрытия трещин.

Первоначально задается удельное сечение арматуры fa и высота сжатой зоны х1.

Для продольного направления (для 5 Æ 14) fа,х = 0,0385 см2; х1 = ао = 4 см и для поперечного - fа,у = 0,0093 см2; х1 = 3 см и ао = 5 см.

Для продольного направления

Для поперечного направления

По формуле (3.42) определяем полуширину и полудлину отпечатков колеса: а = 29 см и в = 29 см.

По формулам (3.39 - 3.41) определяем

Для первой стадии:

Для второй стадии:

Определяем изгибающие моменты на первой стадии (m = 0,17) по формулам (3.43), (3.44) и (3.47) в центре плиты с учетом пластических деформаций основания под краями плит:

в продольном направлении

в поперечном направлении

В продольном направлении в центре плиты с учетом работы ненагруженных краевых полос плит по формуле (3.51) находим:

на продольном крае плит по формуле (3.45) ((Lу + а) не более 2В)

на поперечном крае в поперечном направлении -

Определяем изгибающие моменты на второй стадии:

Изгибающий момент от монтажных нагрузок, при а1 = 50 см и l = 500 см, вычисляем по формуле (3.53):

Определяем количество арматуры на первой стадии.

Бетон выдерживает на изгиб Мб = 8,49 кН, поэтому в поперечном направлении армирование (кроме торцов) не требуется.

Для продольного направления находим площадь поперечного сечения арматуры:

где s¢пр - предварительное напряжение, равномерное по толщине плиты, от напряженной арматуры верхней зоны; для арматуры 5 Æ 14, A-IV s¢пр = 1,237 МПа.

При знакопеременной нагрузке z = 6 см; Fa = 6,4 см2 (4,2 Æ 14, A-IV).

На второй стадии без учета арматуры верхней зоны

При z = 6 см; Fa = 12,48 см2 (8,1 Æ 14, A-IV).

С учетом арматуры верхней зоны при симметричном армировании

где

При а¢о = ао = 4 см;

х¢ = 1,2 см; Fa = 6,45 см2 (4,2 Æ 14, A-IV).

При действии монтажных нагрузок изгибающий момент не выше чем , поэтому отдельно его не рассматриваем.

Определяем количество поперечной арматуры исходя из второй стадии работы плиты.

В центральной части по длине плиты

где а¢о = ао = 5 см; х¢ = 1,0 см; F¢ау = 5,4 см2 (27 Æ 5, Вр-I).

На торцевых участках, допуская раскрытие узких трещин только до арматуры верхней зоны (z = 5 см), дополнительно к F¢ay

F¢ат = 0,97 см2 (5 Æ 5, Bp-I плюс 2 Æ 8, А-III, см п. 3.20).

Из условия работы арматуры в качестве штырей по формуле (3.54)

Faшт = 0,07×(10300/300) = 2,4 см2 (13 Æ 5, Вр-I).

На торце lтр = 85 см, в центре lтр = 170 см.

Общее количество стержней равно  Æ 5, что не превышает ранее определенного количества стержней 27×2 + 20 = 74 Æ 5.

Определение прочности стыковых соединений

Определяем требуемую и фактическую прочность стыковых соединений для Q = 101,6 кН, при допустимой величине пластических деформаций (уступов), - 3 мм (для цементогрунтового основания) и wпл = 5 мм (для песчаных оснований).

1) Для цементогрунтовых оснований по формуле (3.24), при wст = 2 мм, находим:

Из формулы (48), при Rи = 30 МПа, определяем:

При расчетной величине напряжения в сварке 75 МПа площадь сварки скоб

Fсв = 3090/750 = 4,12 см2.

2) Для песчаных оснований, при wст = 2 мм, по формуле (3.24) находим:

 а по формуле (3.55) - d = 2,15 см.

Площадь сварки скоб Fсв = 7,41 см2.

Определение величины накапливаемых уступов между плитами

Определяем величину накапливаемых уступов между плитами на первой стадии строительства, т.е. при условии, что стыки не работают, основание не укреплено.

В основании мелкий песок: Ео = 37 МПа; С = 0,50 т/м2; j = 38°.

Срок работы покрытия на первой стадии Т = 2 года.

Интенсивность движения, приведенная к расчетной нагрузке для основания - 2000 авт./сут.

Количество дней с расчетным состоянием основания - 80.

По формуле (3.58) определяем

qpacч = 27,4×101,6×1/1442 = 0,136 МПа.

По формуле (3.61) вычисляем qдоп (g = 1,65 т/м3).

Для этого по формулам (3.62) рассчитываем: nj = 1 - 0,25 = 0,75; nq = 1,5; nс = 1,3.

По табл. 3.8 находим: А1 = 2,11; А2 = 9,44; А3 = 10,80.

Тогда qдоп = (1,3/1,1)×(0,75×2,11×1,44×1,65 + 1,5×9,44×1,65×0,14 + 1,3×10,80×0,50) =

= 16,60 т/м2 = 0,166 МПа.

По формуле (3.65) определяем коэффициент нагруженности основания:

Kq = (0,136 - 0,15×0,166)/0,166 = 0,669.

По формуле (3.63), при  (см. табл. 3.6) и Np = 2000×80×2 = 320×103 автомобилей, определяем величину накапливаемых уступов между плитами:

Как вариант определяем, что при наличии стыковых соединений (mст = 0,7 и Кд = 1,6) при qрасч = 0,0952 МПа:

Кн = (0,092 - 0,15×0,166)/0,166 = 0,423;

Указанную величину wуст уменьшают при применении подшовных деревянных подкладок и при использовании в основании геотекстиля.

Определение требуемого эквивалентного модуля упругости основания и его толщины на второй стадии строительства

Расчетный срок службы до стабилизации основания - 10 лет. Модуль упругости бетона Е = 29000 МПа.

Модуль упругости песчаного основания - 100 МПа.

По формулам (3.39 - 3.41) находим:

на уровне низа укрепленного основания (толщиной 16 см)

Расчетное давление под углом плиты равно (стыки не работают) по формуле (3.58):

qрасч = 27,4×101,6/157,6 = 0,114 МПа.

При прежних значениях n и А по формуле (3.61) Рекомендаций

qдоп = (1,3/1,1)×(0,75×2,11×1,575×1,65 + 1,5×9,44×1,65×0,30 + 1,3×10,80×0,50) = 21,2 т/ м2 = 0,212 МПа.

Kq = (0,14 - 0,15×0,212)/0,212 = 0,409.

Как видим, qрасч < qдоп, и поэтому устойчивость основания против сдвига обеспечена.

При условии, что цементогрунт работает на изгиб при

Dш = 50 см и D = 2a + h = 58 + 14 = 72 см, по формуле получим:

В этом случае

При Кд = 1,5 и N = 1,6×106 по формуле (3.63) Рекомендаций

 что находится в допустимых пределах.

При выравнивающем слое из цементобетонной смеси Кд = 1,1 и wуст = 0,232 см.

При условии, что укрепленное основание на изгиб не работает, определяем по формулам (3.12) и (3.13) при hо = 16 см; Еуг = 400 МПа:

В этом случае при песчаном выравнивающем слое wуст увеличится до 0,384 см и при выравнивающем слое из цементопесчаной смеси - до 0,281 см.

Проверка по условию устойчивости на сдвиг по ОДН 218.046-01 для песчаного основания с Езп = 100 МПа.

По рис. ОДН 218.046-01, при D = 58 см, h = 14 см, с учетом работы в зоне швов (табл. 3.7) Ерасч = 1600 МПа,

h/D = 0,24; Ео/Е = 16,6; j = 25°;

р = (4Q)/(p×D2) = (4×10160)/(p×582) = 3,85 кгс/см2 = 0,39 МПа;

Тдоп = 3(0,002 + 0,1×0,0024×14tg31°) = 0,0121 МПа;

z = 14 см;

jст = 31°(по П.3.6);

gср = 0,0024 кг/см2;

0,1 - коэффициент для перевода в МПа.

Кпр = 0,0121/0,0273 = 0,44, что меньше допустимого значения Кпр.

Устойчивость по сдвигу в песчаном основании не обеспечена.

ПРИЛОЖЕНИЕ 8

(рекомендуемое)

ПРОЕКТИРОВАНИЕ НЕПРЕРЫВНО АРМИРОВАННЫХ ЦЕМЕНТОБЕТОННЫХ ПОКРЫТИЙ И ОСНОВАНИЙ

1. Общие положения

1.1. Непрерывно армированные покрытия и основания рекомендуется устраивать на магистральных скоростных автомобильных дорогах с интенсивным движением.

1.2. Непрерывно армированные покрытия и основания устраивают неограниченной длины и прерывают их только перед искусственными сооружениями (мостами, путепроводами и т.д.).

1.3. Концевые участки покрытия и основания должны быть заанкерены неподвижными упорами траншейного или свайного типа.

1.4. Выбор конструктивных решений непрерывно армированных покрытий и оснований, а также анкеров должен производиться в увязке с принятыми методами и технологией строительства.

2. Конструкции

2.1. Непрерывно армированные покрытия следует укладывать на прочные основания из черного щебня, стабилизированного цементом или битумом песка, бетона и др. (рис. 1).

2.2. Толщина непрерывно армированного покрытия определяется расчетом. На основаниях из стабилизированного песка и черного щебня не рекомендуется устраивать покрытия тоньше 18 см. На основании из цементобетона толщина покрытия может быть уменьшена до 12 - 14 см.

2.3. Непрерывно армированные покрытия следует укладывать непосредственно на основание без устройства изолирующих и выравнивающих прослоек.

Рис. 1. Принципиальные схемы дорожных одежд с непрерывно армированными покрытиями:

1 - непрерывно армированное бетонное покрытие; 2 - песчано-цементная смесь; 3 - черный щебень; 4 - цементобетон; 5 - песок; 6 - теплоизолятор (стиропорбетон, пенопласт др.)

2.4. Основания следует укладывать на подстилающий морозозащитный и дренирующий слои песка, песчано-гравийной смеси или без них по слоям теплоизоляторов.

2.5. Толщина подстилающего слоя определяется расчетом с учетом обеспечения водно-теплового режима дорожной одежды.

2.6. Для армирования покрытий должна применяться арматура периодического профиля. Диаметр арматуры следует подбирать из учета минимального раскрытия трещин и принятой технологии строительства.

2.7. Армирование покрытий можно осуществлять:

плоскими сварными или вязаными сетками;

сварными каркасами;

отдельными арматурными стержнями.

2.8. Непрерывную арматуру следует располагать на расстоянии (1/3 - 1/2)h (h - толщина бетонной плиты) от поверхности покрытия. Арматурные каркасы ставятся симметрично нейтральной оси покрытия.

2.9. Поперечные швы (сжатия и расширения) на покрытии не устраивают. Продольные швы, в зависимости от содержания поперечной арматуры, устраивают через 3,75 м - по типу ложных, или 7,5 м - по типу шпунта (рис. 2).

Рис. 2. Конструкции продольных швов:

а) - шов по типу ложного; б) - шов по типу шпунта;

1 - бетонная плита покрытия; 2 - арматурная сетка; 3 - битумная мастика

2.10. Непрерывность армирования (взаимная связь сеток или каркасов) обеспечивается нахлесткой стержней в продольном и поперечном направлениях. Длина нахлёстки должна быть не менее:

в продольном направлении.............................. 30 - 35d

в поперечном направлении.............................. 25d

(где d - диаметр стрежней), и во всех случаях не менее 250 мм.

2.11. Поперечные стыки смежных сеток должны располагаться вразбежку с шагом не менее 50 см.

3. Требования к материалам

3.1. Непрерывно армированные покрытия устраивают из бетона, удовлетворяющего требованиям ГОСТ 26633-91*, и арматуры периодического профиля.

3.2. Класс бетона непрерывно армированного покрытия обосновывают расчетом. Применение бетона класса ниже В27,5 не допускается.

3.3. Нормативные сопротивления бетона осевому растяжению при расчете на прочность следует принимать по табл. 1.

Таблица 1

Нормативное сопротивление бетона осевому растяжению ( МПа)

 

Класс бетона

В5

В7,5

В10

В15

В20

В25

В27,5

В30

В35

 МПа

0,8

1,0

1,25

1,5

1,75

2,0

2,25

2,5

2,8

3.4. Для армирования покрытий следует применять следующие виды арматурных сталей:

а) стержневая горячекатаная периодического профиля: класса А-II - диаметром от 10 до 20 мм;

класса А-III - диаметром от 6 до 20 мм;

б) стержневая упрочненная вытяжкой периодического профиля:

класса А-IIв - диаметром от 10 до 20 мм;

класса А-IIIв - диаметром от 6 до 20 мм.

3.5. Величину силы сцепления между бетоном и арматурой (t), при отсутствии опытных данных, можно принимать равной пределу прочности бетона на растяжение при изгибе (Rри).

3.6. Коэффициенты приведения (n¢ = Еаб) при расчете покрытий на выносливость следует принимать согласно следующим показателям:

Класс бетона

В15

В20

В25

В27,5

В30

В35

n¢

25

22

20

17

15

10

3.7. Нормативные сопротивления бетона при расчете покрытий на выносливость () следует рассчитывать по формуле

                                                                     (1)

где Кy - относительный предел выносливости бетона, определяемый по формуле (П.1.2) Рекомендаций, в зависимости от числа циклов многократно повторной нагрузки (Np).

3.8. Нормативные сопротивления арматуры при расчете покрытий на выносливость (R¢a) следует определять путем умножения нормативного сопротивления арматуры () на коэффициент  согласно следующим показателям:

Вид арматуры

Значения

А-II, А-IIв

0,65

А-III, А-IIв

0,52

3.9. Расчетные сопротивления материалов определяют по формуле

Rp = Rн×K,                                                                     (2)

где Rр - расчетное сопротивление материала;

Rн - нормативное сопротивление материала;

К - коэффициент однородности.

Расчетное сопротивление бетона осевому растяжению и коэффициент однородности следует принимать по табл. 3.

Таблица 3

Расчетное сопротивление бетона осевому растяжению ( МПа) и коэффициент однородности

 

Коэффициент однородности, К

Класс бетона

В5

В7,5

В10

В15

В20

В25

В27,5

В30

В35

 МПа

0,7

0,55

0,7

0,9

1,05

1,2

1,4

1,6

1,75

1,95

4. Расчет непрерывно армированных покрытий

Общие положения

4.1. Расчет непрерывно армированных покрытий должен производиться по методу предельных состояний на воздействие автомобильного транспорта и объемных изменений материала.

Для непрерывно армированных покрытий расчет включает:

а) расчеты по первому предельному состоянию, по выносливости и прочности;

б) расчеты по третьему предельному состоянию, обеспечивающие допустимое раскрытие трещин.

4.2. Расчетные напряжения, возникающие в элементах покрытия от воздействия автомобильных нагрузок и объемных изменений материала, при толщине покрытия ³ 18 см можно не суммировать.

4.3. Ширина раскрытия трещин в непрерывно армированных покрытиях должна быть не более 0,4 мм.

4.4. Расчет концевых упоров производится на воздействие температурных деформаций покрытия. Усилия, передаваемые покрытием на упоры, определяются для отрицательных перепадов температуры, когда покрытие работает на растяжение.

Расчет покрытий на воздействие объемных изменений материала

4.5. Коэффициент (или процент) армирования покрытия в продольном направлении определяется из условия восприятия арматурой объемных изменений бетона по формуле

                                                               (3)

где m - коэффициент армирования;

Кс - коэффициент, учитывающий наличие сцепления между покрытием и основанием; Кс принимается равным 0,85 при укладке покрытия на основание из бетона или цементо-песчаной смеси и равным 1,0 при отсутствии надежного сцепления между покрытием и основанием;

n = Еаб.

Процент армирования (р) определяется по формуле

р = m×100 %.                                                                                                                         (4)

4.6. Раскрытие трещин (Dl) от воздействия температурных и усадочных деформаций определяется по формуле

                                                                (5)

где                                                                                                                            (6)

П - суммарный периметр арматурных стержней;

Fa - площадь поперечного сечения арматуры;

t - сила сцепления между бетоном и арматурой.

Примечание. В формулах (5) и (6), при вычислении q, вместо П и Fа может приниматься периметр сечения одного стержня.

Расчет покрытий на воздействие автомобильных нагрузок

4.7. На воздействие автомобильной нагрузки непрерывно армированное покрытие рассчитывается как жесткая плита бесконечной длины, лежащая на упругом полупространстве.

При расположении арматуры на расстоянии < ½h от поверхности плиты покрытие рассчитывается как бетонное - без учета арматуры (т.е. по первой стадии). При расположении арматуры на расстоянии ³ ½h от поверхности покрытие рассчитывается как железобетонное - с включением арматуры в работу на автомобильные нагрузки (т.е. по второй стадии).

4.8. Изгибающие моменты от автомобильных нагрузок определяются в продольном и поперечном направлениях по предложенным М.И. Горбуновым-Посадовым формулам:

а) в центре площадки, нагруженной равномерно распределенной по площади круга нагрузкой,

М = Q (0,0592 - 0,09284×ln(R/L)),                                       (7)

где М - изгибающий момент;

Q - нагрузка на колесо автомобиля;

R - радиус отпечатка колеса, для нагрузки принимается равным 18,5 см;

L - радиус жесткости покрытия (см. п. 4.9);

б) в центре данной площадки от нагрузки, расположенной в других точках покрытия,

                                                                (8)

где  - безразмерная величина изгибающего момента, принимаемая по табл. 4 в зависимости от приведенных координат (h и x) точки, в которой приложена нагрузка.

Приведенные координаты h и x вычисляются по формулам

h = х/L, x = у/L,

где х и у - действительные координаты точки; за начало координат принимается точка приложения нагрузки.

Суммарный момент в заданной точке равен:

                                   (9)

Таблица 4

Безразмерная величина изгибающего момента

h

x

0,0

0,2

0,4

0,6

0,8

1,0

1,2

1,4

1,6

1,8

2,0

2,2

2,4

0,0

¥

0,129

0,068

0,036

0,016

0,004

-0,005

-0,011

-0,014

-0,015

-0,017

-0,016

-0,016

0,2

0,194

0,133

0,072

0,039

0,018

0,005

-0,003

-0,010

-0,013

-0,014

-0,017

-0,016

-0,016

0,4

0,132

0,110

0,071

0,042

0,021

0,006

-0,002

-0,008

-0,011

-0,013

-0,015

-0,015

-0,015

0,6

0,096

0,087

0,063

0,042

0,023

0,009

0,001

-0,006

-0,009

-0,012

-0,013

-0,015

-0,014

0,8

0,074

0,068

0,054

0,039

0,023

0,011

0,002

-0,004

-0,007

-0,010

-0,012

-0,013

-0,013

1,0

0,057

0,054

0,044

0,034

0,022

0,012

0,004

-0,001

-0,005

-0,008

-0,011

-0,012

-0,012

1,2

0,045

0,042

0,037

0,028

0,020

0,011

0,006

0,000

-0,004

-0,007

-0,009

-0,010

-0,010

1,4

0,035

0,034

0,030

0,023

0,017

0,011

0,006

0,001

-0,003

-0,006

-0,007

-0,008

-0,009

1,6

0,028

0,027

0,024

0,020

0,015

0,010

0,005

0,002

-0,002

-0,004

-0,006

-0,007

-0,008

1,8

0,022

0,021

0,019

0,017

0,013

0,008

0,005

0,002

-0,001

-0,002

-0,004

-0,006

-0,006

2,0

0,018

0,018

0,015

0,014

0,011

0,007

0,004

0,003

0,000

-0,002

-0,003

-0,004

-0,005

2,2

0,014

0,014

0,012

0,011

0,009

0,006

0,004

0,003

0,000

-0,002

-0,003

-0,003

-0,004

2,4

0,011

0,011

0,010

0,009

0,008

0,005

0,003

0,002

0,000

0,001

-0,002

-0,003

-0,004

4.9. Радиус жесткости непрерывно армированного покрытия определяется по формулам:

а) при работе покрытия в первой стадии (т.е. до образования трещин)

                                                            (10)

где Ео - эквивалентный модуль упругости основания;

б) при работе покрытия во второй стадии (после образования трещин и включения арматуры в работу на автомобильные нагрузки)

                                                              (11)

где Вп = (В/в) - погонная жесткость сечения;

в - ширина сечения, принимаемая равной 100 см;

В = ЕаFа(hо - Xс/3)(hо - Xс),                                                    (12)

где Хс - высота сжатой зоны сечения (см. рис. 3);

ho - рабочая высота сечения.

Положение нейтральной оси определяется по формулам

sаFa =0,5sбFб,                                                                   (13)

где sа и sб - соответственно напряжения в бетоне и арматуре;

или                                                     (14)

откуда находится величина Хс.

Рис. 3. Схема распределения усилий* в непрерывно армированном покрытии при его работе во второй стадии:

* - треугольная эпюра напряжений бетона в сжатой зоне принята ввиду малости абсолютных значений напряжений за пределами треугольника

4.10. Возникающие в покрытии усилия при расчете на прочность* не должны превышать следующих расчетных значений:

а) при работе покрытия в первой стадии

                                                           (15)

где n - коэффициент перегрузки;

Wб - момент сопротивления бетонного сечения, вычисляемый по формуле

Wб = вh2/6.                                                                (16)

Найденная таким образом толщина покрытия (h) затем может быть уменьшена на величину Dh при расположении арматуры в верхней половине плиты и на величину 2Dh при расположении арматуры на расстоянии ³ ½h от поверхности покрытия:

                                                             (17)

где n - отношение модулей упругости арматуры и бетона (Еаб) при расчете на прочность;

б) при работе покрытия во второй стадии для бетона:

                                          (18)

для арматуры:

                                         (19)

где n - коэффициент перегрузки.

* Расчет на прочность производится, если суммарная интенсивность движения (приведенная к гр. А) за срок службы покрытия не превышает 100000 автомобилей на одну полосу.

4.11. При расчете покрытия в первой стадии

                                                 (20)

где Wб = вh2/6;

Ку - коэффициент выносливости бетона, определяемый по формуле (П.1.2) Рекомендаций.

При отсутствии опытных данных суммарная интенсивность движения за срок службы покрытия принимается равной 20 млн. приведенных к гр. А автомобилей, а относительная влажность бетона q = 0,8.

Найденные значения h, в зависимости от расположения арматуры, уменьшаются на величину Dh при расположении арматуры в верхней половине плиты и на величину 2Dh (см. п. 10), которая определяется по формуле

Dh = Fa×n¢,                                                                    (21)

где n - отношение модулей упругости арматуры и бетона (Еаб) при расчете на выносливость.

б) При работе покрытия во второй стадии

для бетона:

                                           (22)

для арматуры:

                                              (23)

4.12. Если конструкция дорожной одежды включает тонкое непрерывно армированное покрытие (h £ 16 см) на прочном основании, например на бетоне, то основание должно быть рассчитано на прочность и выносливость под воздействием усилий от автомобильных нагрузок.

4.13. Расчет обработанных вяжущим материалом слоев основания на изгиб производят в соответствии с ОДН 218.046-01. Полученные напряжения не должны превышать предела прочности и выносливости (соответственно, при расчете на прочность и выносливость) материала на растяжение при изгибе.

Расчет концевых упоров

4.14. Расчет концевых упоров непрерывно армированных покрытий производится из условия

Pг £ N,                                                                    (24)

где Рг - горизонтальное усилие, возникающее в покрытии от температурных деформаций материала;

N - несущая способность анкера, определяемая прочностью самого анкера и прочностными характеристиками грунта.

4.15. Усилие Рг, передаваемое покрытием на упор, определяется по формуле

Pг = sбFб = a×Dt×Eб×h×в.                                                   (25)

В предельном случае, когда значения sб достигают Rp, усилие Рг определяется по формуле

                                                             (26)

Рис. 4. Схема концевого упора траншейного (шпорного) типа

4.16. Несущая способность анкера шпорного типа по грунту определяется по формуле

N = 2[0,5gгрh2шtg2(45° + j/2) + раhшtg2(45° + j/2) + 2Chшtg2(45° + j/2)]n, (27)

где gгр - объемный вес грунта;

hш - высота шпоры;

j, С - соответствующий угол трения и сцепление грунта;

n - число шпор;

ра - приведенное вертикальное давление анкера, определяемое по формуле

pa = (h×lш + раhша)(gб/lш),                                                      (28)

где lш - расстояние между шпорами (в осях);

а - ширина шпор;

h - толщина покрытия в зоне анкера;

gб - объемный вес бетона.

4.17. Минимальное расстояние между шпорами следует определять по формуле

lш = hшtg2(45° + j/2),                                                     (29)

однако lш не должно быть менее 3 м.

4.18. Прочность анкера шпорного типа на изгиб и срез от воздействия отпора грунта (qг) определяется в расчетном сечении (1-1) из условия

                                              (30)

где М - изгибающий момент в сечении 1-1 от отпора грунта (qг):

Wб = в×a2/6;

в - ширина покрытия, принимаемая равной 1 м;

n - число шпор.

4.19. Несущая способность по грунту анкера свайного типа не определяется при глубине забивки (завинчивания) свай

lc ³ 6d,

где d - толщина ствола сваи.

4.20. Расчетные сечения свайного анкера (места сопряжения свай с плитой покрытия) проверяются на срез от воздействия горизонтального усилия Рг по формуле:

                                            (31)

где  и  - площадь поперечного сечения бетона и арматуры сваи;

 - нормативное сопротивление арматуры на срез, принимаемое равным

nc - число свай.

4.21. Сваи размещаются в рядовом или шахматном порядке, причем минимальное расстояние между осями свай в плоскости подошвы покрытия должно быть не менее трех толщин свай.

Расстояние от края покрытия до ближайшей грани свай должно быть не менее 25 см.

5. Проектирование непрерывно армированных оснований

5.1. Непрерывно армированные бетонные основания рекомендуется устраивать на автомобильных дорогах с интенсивным движением.

5.2. Дорожные одежды с непрерывно армированными основаниями в районах массового строительства можно устраивать в два этапа:

а) на первом этапе, продолжительность которого составляет от двух до пяти лет и включает период массового строительства, непрерывно армированная бетонная плита работает в качестве покрытия для пропуска тяжелого строительного транспорта;

б) на втором этапе непрерывно армированная плита перекрывается слоем асфальтобетона и работает в режиме основания на пропуск автомобильного транспорта.

5.3. Конструкция дорожных одежд с непрерывно армированными основаниями принимаются по пп. 2.1 - 2.10, 2.11 с устройством дополнительного верхнего слоя из асфальтобетона. Непрерывно армированные основания можно также укладывать непосредственно на песчаный подстилающий слой.

5.4. Непрерывную арматуру следует располагать на нейтральной оси основания. Поперечные швы на основании не устраиваются. Продольные швы устраивают через 7,0 - 7,5 м.

5.5. Требования к материалам для непрерывно армированных оснований следует принимать по пп. 3.1 - 3.10, за исключением:

а) класс бетона должен быть не ниже В15,0;

б) морозостойкость бетона должна быть не ниже F100.

5.6. Нагрузки на непрерывно армированные основания следует принимать в виде автомобиля гр. А.

5.7. Расчет непрерывно армированных оснований в продольном и поперечном направлениях следует производить по первому предельному состоянию, гарантирующему конструкцию от исчерпания несущей способности по прочности и выносливости при воздействии автомобильного транспорта.

5.8. Расчет оснований производится в соответствии с пп. 4.7 - 4.11 и состоит из двух этапов:

а) на первом этапе непрерывно армированное основание без учета верхних слоев асфальтобетона рассчитывается на суммарное воздействие транспорта за весь период массового строительства;

б) на втором этапе основание с учетом асфальтобетонного покрытия рассчитывается на заданный срок службы для пропуска транспорта.

Толщина непрерывно армированного основания при расчетах на втором этапе принимается равной hц.б. + Dh¢,

где                                                   (32)

5.9. Расчет концевых упоров производится в соответствии с пп. 4.4, 4.14 - 4.20.

5.10. Непрерывно армированные основания разрешается открывать для движения строительного транспорта при достижении им прочности равной 70 % от проектного класса, но не ранее чем через 14 сут с момента укладки бетонной смеси.

6. Пример расчета непрерывно армированного покрытия

Требуется запроектировать конструкцию дорожной одежды с непрерывно армированным покрытием.

6.1. Исходные данные

Местность по условию увлажнения относится к I типу, проходит в нулевых отметках. Грунт земляного полотна - суглинок тяжелый - Егр = 35 МПа.

Расчетный срок службы покрытия - 35 лет. Суммарный размер движения за срок службы - 20 млн (приведенных к группе А) автомобилей. Суточные перепады температуры на поверхности покрытия (Dtп) в течение года даны в табл. 1.

Дорожная одежда включает:

подстилающий слой из среднезернистого песка - Еп = 120 МПа;

верхний слой основания из песка, стабилизированного цементом М75, с модулем упругости Епц = 600 МПа;

непрерывно армированное покрытие из бетона В30,0 и арматуры класса A-III.

Величина сил сцепления бетона с арматурой составляет 7,0 МПа. Сцепление покрытия с основанием равно 0,7 МПа.

Таблица 1*

Перепад температуры на поверхности покрытия, °С

18

17

16

15

14

12

Повторяемость дней в году с данным перепадом

9

15

7

10

4

30

* Табл. 1 составляется по СНиП, в зависимости от суточного перепада температуры воздуха, или по опытным данным.

6.2. Проектирование дорожной одежды

6.2.1. Общая толщина дорожной одежды и толщина песчаного подстилающего слоя определяется общепринятыми методами (см. ОДН 218.046-01) по условию морозоустойчивости и осушения дорожной одежды. Для принятых данных они составляют, соответственно, 75 и 25 см.

6.2.2. Толщина покрытия предварительно назначается равной 24 см, толщина слоя стабилизированного песка - 14 см.

Для получения общей толщины дорожной одежды Н = 75 см толщина песчаного слоя должна составлять не менее 37 см. Принимаем округленно hп = 40 см.

6.2.3. Процент армирования покрытия в продольном направлении определяется по формулам (3) и (4):

6.2.4. Раскрытие трещин определяется по формуле (5). При диаметре арматуры 14 мм раскрытие трещин составляет

где q = 44/15,4 = 2,86.

При диаметрах арматуры 12, 10, 8 и 6 мм раскрытие трещин, соответственно, уменьшается до 0,31, 0,26, 0,21 и 0,15 мм.

Из условия минимального раскрытия трещин выбираем арматуру диаметром 6 мм.

6.2.5. Эквивалентный модуль упругости основания определяется последовательным решением по номограмме двухслойной системы на упругом основании (см. ОДН 218.046-01). Принятая конструкция имеет эквивалентный модуль упругости основания (Еэкв), равный 90,0 МПа.

6.2.6. В предварительном расчете дорожной одежды на автомобильную нагрузку покрытие считается как бетонное без учета арматуры.

По формуле (10) определяется радиус жесткости покрытия:

6.2.7. Изгибающий момент в покрытии определяется по формуле (7):

Мн = 6,0(0,0592 - 0,09284×ln(18,25/94)) = 1,20 тм.

Влияние соседних колес учитывается по формуле (8). Приведенные ординаты ближайшего колеса равны: h = 160/94 = 1,70; x = 0.

Суммарный нормативный изгибающий момент равен 1,35 тм.

6.2.8. Проверка бетонного сечения на выносливость проводится по формуле (20):

1,35×105 кг×см = 45×0,7×0,43×9600 = 1,35×105 кг×см.

Таким образом, покрытие обладает достаточной несущей способностью по выносливости.

6.2.9. Толщина покрытия армированного непрерывной арматурой в верхней зоне плиты уменьшается на величину Dh по формуле (21), где Fa = m×Fб:

Dh = 0,0059×24×(100/100)×17 = 2,5.

Принимаем Dh = 3 см и толщину покрытия - 21 см.

При расположении арматуры на нейтральной оси покрытия или ниже толщины плиты может быть уменьшена на 2Dh (до 18 см) с последующей проверкой расчетом. Принимаем толщину покрытия h = 18 см с расположением арматуры на нейтральной оси покрытия.

6.2.10. Расчет железобетонного покрытия на автомобильную нагрузку производится в следующем порядке:

а) задаем процент армирования покрытия в продольном и поперечном направлениях.

Процент армирования в продольном направлении принимаем по расчету на объемные изменения материала равным 0,59 %. Процент армирования в поперечном направлении принимаем равным 0,15 %, из стали А-III диаметром 6 мм с расположением арматуры на расстоянии 9,6 см от поверхности покрытия;

б) определяем геометрические характеристики сечения.

По формуле (14) находим высоту сжатой зоны бетона (Хс) в продольном и поперечном направлениях:

в продольном направлении Хс = 2,9 см;

в поперечном направлении Хс = 1,7 см.

По формуле (12) определяем жесткость сечения:

в продольном направлении

В = 2,0×106×11,0×(9,0 - 2,9/3)(9,0 - 2,9) = 1,17×109 кг×см2;

в поперечном направлении

В = 2,0×106×2,7×(9,6 - 1,7/3)(9,6 - 1,7) = 0,41×109 кг×см2.

Погонная жесткость, соответственно, равна:

в продольном направлении Вп = 1,17×107 кг×см;

в поперечном направлении Вп = 0,41×107 кг×см;

в) определяем радиус жесткости покрытия по формуле (11):

в продольном направлении

в поперечном направлении

г) по формуле (7) находим изгибающий момент:

в продольном направлении

М = 6,0(0,0592 - 0,09284×ln(18,25/30)) = 0,63 тм;

в поперечном направлении М = 6,0(0,0592 - 0,09284×ln(18,25/21)) = 0,43 тм;

д) проверку железобетонного сечения на выносливость производим по формулам (22) и (23):

в продольном направлении

для бетона

0,63×105 кг×см < 305×100×2,9×(9,0 - 2,9/3)×0,7×0,43 = 2,13×105 кг×см;

для арматуры

0,63×105 кг×см < 4000×11,0×(9,0 - 2,9/3)×0,85×0,52 = 1,55×105 кг×см;

в поперечном направлении

для бетона

0,43×105 кг×см < 305×100×1,7(9,6 - 1,7/3)×0,7×0,43 = 1,4×105 кг×см;

для арматуры

0,43×105 кг×см < 4000×2,7×(9,6 - 1,7/3)×0,85×0,52 = 0,43×105 кг×см.

Непрерывно армированное покрытие обладает несущей способностью по выносливости.

СОДЕРЖАНИЕ

1. Общие положения. 1

2. Конструирование жестких дорожных одежд. 3

Конструкция монолитных цементобетонных покрытий. 5

Конструкция асфальтобетонных покрытий с цементобетонным основанием.. 10

Конструкция колейных покрытий. 10

Конструкция дорожных одежд со сборными покрытиями. 11

3. Расчет жестких дорожных одежд. 13

Расчетные параметры подвижной нагрузки. 14

Расчет монолитных цементобетонных покрытий. 16

Расчет параметров конструкций и элементов деформационных швов. 18

Обеспечение герметизации швов бетонных покрытий. 19

Расчет асфальтобетонных покрытий с цементобетонным основанием.. 20

Мероприятия по замедлению развития трещин в асфальтобетонном покрытии. 22

Расчет колейных покрытий. 23

Расчет сборных покрытий из плит. 23

Расчет основания. 28

Расчет по условию сдвигоустойчивости подстилающего грунта и малосвязных конструктивных слоев. 30

Проверка дорожной конструкции на морозоустойчивость дренирующую способность. 31

Приложение 1 Нормативные и расчетные характеристики цементобетона. 31

Приложение 2 Расчетные нагрузки. 33

Приложение 3 Определение расчетных характеристик грунта рабочего слоя земляного полотна при расчете дорожной одежды на прочность. 35

Приложение 4 Таблицы нормативных и расчетных значений прочностных и деформационных характеристик конструктивных слоев из различных дорожно-строительных материалов. 42

Приложение 5 Теплофизические характеристики конструктивных слоев из различных дорожно-строительных материалов. 48

Приложение 6 Параметры для определения расчетного суммарного числа приложений нагрузки за срок службы дорожной одежды.. 49

Приложение 7 Примеры расчета. 52

Приложение 8 Проектирование непрерывно армированных цементобетонных покрытий и оснований. 67

 

 




ГОСТЫ, СТРОИТЕЛЬНЫЕ и ТЕХНИЧЕСКИЕ НОРМАТИВЫ.
Некоммерческая онлайн система, содержащая все Российские Госты, национальные Стандарты и нормативы.
В Системе содержится более 150000 файлов нормативно-технической документации, действующей на территории РФ.
Система предназначена для широкого круга инженерно-технических специалистов.

Рейтинг@Mail.ru Яндекс цитирования

Copyright © www.gostrf.com, 2008 - 2026