| |
ТИПОВЫЕ
ТЕХНОЛОГИЧЕСКИЕ КАРТЫ
НА ПРОИЗВОДСТВО ОТДЕЛЬНЫХ ВИДОВ РАБОТ
РАЗДЕЛ 01
ТИПОВАЯ ТЕХНОЛОГИЧЕСКАЯ КАРТА
НА ЗЕМЛЯНЫЕ
РАБОТЫ
1.01.01.79
КОМПЛЕКСНО-МЕХАНИЗИРОВАННЫЙ
ТЕХНОЛОГИЧЕСКИЙ
ПРОЦЕСС УСТРОЙСТВА КОТЛОВАНОВ ПРОМЫШЛЕННЫХ
ОБЪЕКТОВ ОБЪЕМОМ ДО 100,0 тыс. м3 В ЗИМНИХ УСЛОВИЯХ
|
РАЗРАБОТАНА
Институтом
"Красноярский
ПромстройНИИпроект"
Минуралсибстроя СССР
Главный инженер института Б.П. Запятой
Начальник отдела Л.Ф. Галимова
Главный инженер проекта Е.В. Каминов
|
СОГЛАСОВАНО
Отделом
механизации и технологии
строительства Госстроя СССР
Письмо
от 14.12.1988 г. № 23-712
Срок
ввода 1 февраля 1989 г.
|
МОСКВА - 1989
1.1. Типовая технологическая карта
комплексно-механизированного технологического процесса выполнена для
производства работ по устройству котлованов промышленных объектов объемом до
100,00 тыс. м3 в зимних условиях.
1.2. За основу карты приняты чертежи
рабочего проекта цеха офсетных пластин с административно-бытовым корпусом (шифр
888), разработанного институтом ПромстройНИИпроект (г. Красноярск).
1.3. Глубина котлована и размеры в плане
заданы исходя из габаритов фундаментов с учетом песчаной подготовки.
Объем
котлована - 82000 м3.
Размеры
котлована в плане - 207,50´72,00 м.
Глубина
котлована - 5,0 м.
1.4. Характеристика местных условий
Строительство ведется в 5-й температурной
зоне.
Согласно инженерно-геологическим изысканиям
основанием для
фундаментов служит суглинистый
грунт с примесью супеси.
Максимальный
уровень грунтовых вод соответствует относительной отметке, равной - 6,0 м.
Глубина
промерзания - 1,0 м.
Расстояние
транспортирования разработанного грунта в отвал - 1,5 км.
1.5. Работы ведутся в три смены во вторую
треть зимы. Подготовку участка производят в теплое время года.
1.6. Варианты комплексов средств
механизации приведены в табл. 1.
1.7. В качестве конечного измерителя
принято 1000 м3 разработанного грунта.
1.8. Привязка ТТК к местным условиям
строительства заключается в уточнении объемов работ, калькуляции затрат труда и
заработной платы, графика производства работ.
Варианты
комплексов средств механизации
Таблица 1
|
Технологическая
операция
|
Состав
средств механизации
|
|
Вариант
I
|
Вариант
II
|
Вариант
III
|
|
Рыхление
грунта
|
Рыхлитель
ДП-26С
|
Рыхлитель
ДП-26С
|
Рыхлитель
ДП-26С
|
|
Разработка
грунта
|
Экскаватор
ЭО-5122 с оборудованием прямая лопата с ковшом вместимостью 1,6 м3
|
Скрепер ДЗ-13
на тягаче БелАЗ-531 с ковшом вместимостью 15 м3
|
Экскаватор
ЭО-5123 ХЛ с оборудованием обратная лопата с ковшом вместимостью 1,6 м3
|
|
Работа
трактора-толкача
|
-
|
Трактор-толкач
Т-130.1.Г-1
|
-
|
|
Транспортирование
грунта
|
Автомобиль-самосвал
КрАЗ-256-61
|
Скрепер ДЗ-13
|
Автомобиль-самосвал
КрАЗ 3-256-61
|
|
Зачистка дна
котлована
|
Бульдозер
ДЗ-110В
|
Бульдозер
ДЗ-27С
|
Бульдозер
ДЗ-27С
|
2.1. К началу работ необходимо иметь:
схему
разбивки котлована с нанесением существующих подземных коммуникаций;
проект
производства работ.
2.2. Участок разработки грунта
подготавливают в теплое время года до начала промерзания грунта.
Предварительная
подготовка включает:
срезку
и перемещение растительного слоя грунта в отвал;
рыхление
грунта на глубину 30 - 35 см для предохранения от промерзания с одновременным
разравниванием грунта с помощью бороны, закрепленной на бульдозере-рыхлителе.
2.3. В зимнее время для предохранения
грунта от промерзания рекомендуется накапливать снежный покров. Для
снегозадержания устраивают валы из снега, располагая их перпендикулярно
господствующему ветру.
2.4. Настоящий комплексно-механизированный
процесс состоит из подготовительных и основных операций.
2.5. К подготовительным операциям
относятся:
предварительная
разбивки осей и контура котлована;
очистка
площади котлована от снега;
устройство
временного освещения;
окончательные
разбивочные работы.
2.6. К основным операциям относятся:
предварительное
рыхление верхнего мерзлого слоя грунта;
разработка
котлована до проектных отметок;
транспортирование
разработанного грунта за пределы строительной площадки;
зачистка
дна котлована.
2.7. Разработка котлована производится
комплексом машин, включающим бульдозерно-рыхлительный агрегат, экскаватор
(скрепер), автомобили-самосвалы. Марки механизмов зависят от принятого к
производству работ варианта комплекса средств механизации.
Количество
экскаваторов (скреперов) определяют из условия увязки по производительности
механизмов, участвующих в разработке котлована.
2.8. Рыхление грунта производят
последовательно по захваткам. Размеры захваток соответствуют проходкам
экскаватора (скрепера) при разработке грунта.
Рыхление
осуществляется бульдозером-рыхлителем продольными проходками через 0,7 м с
последующими поперечными проходками под углом 60° к предыдущим.
При
разработке грунта экскаватором рыхление производится на глубину 0,7 м за два
прохода бульдозера-рыхлителя. Последующие 0,3 м замерзшего слоя разрабатываются
ковшом экскаватора без предварительного рыхления.
При
разработке грунта скрепером производится послойное рыхление грунта на всю
глубину котлована с предварительной разработкой и удалением каждого
разрыхленного слоя.
2.9. Технология производства работ для
первого варианта.
Рыхление
верхнего слоя грунта производится бульдозером-рыхлителем ДЗ-116В (рыхлитель
ДП-26С на базе трактора Т-130М.Г-1 с бульдозерным оборудованием ДЗ-110В).
Разработку
грунта в котловане производят одновременно четыре экскаватора марки ЭО-5122 с
оборудованием прямая лопата, двигаясь с интервалом, равным 25 м.
Оптимальное
расстояние между двумя последовательными стоянками принимается равным разности
между наибольшим и наименьшим радиусами резания на уровне стоянки экскаватора.
Транспортирование
грунта за пределы строительной площадки производится автомобилями-самосвалами.
Зачистку
дна котлована производят бульдозером ДЗ-110В.
Разработка
грунта ведется с недобором грунта 0,15 м до проектной отметки дна котлована.
Перебор грунта не допускается.
2.10. Технология производства работ для
второго варианта.
Разработка
грунта в котловане и его транспортирование в отвал производится скреперами
ДЗ-13 в количестве 6 штук, обслуживаемыми трактором-толкачом ДЗ-120 на базе
трактора Т-130.1.Г-1.
Разрабатывают
грунт горизонтальными слоями по всей площади котлована, набирая тонкой прямой
стружкой при прямолинейном движении скрепера последовательными проходками с
небольшим уклоном в сторону набора. Длина проходки равна длине пути набора
грунта скрепером.
Каждый
слой предварительно разрыхляется бульдозером-рыхлителем ДЗ-94С.
2.11. Технология производства работ для
третьего варианта.
Рыхление
верхнего слоя грунта производят бульдозером-рыхлителем ДЗ-94С.
Для
разработки грунта в котловане используется одновременно 5 экскаваторов марки ЭО-5123ХЛ
с оборудованием обратная лопата. Разработка ведется с недобором грунта 0,2 м до
проектной отметки.
Транспортирование
грунта за пределы строительной площадки осуществляется
автомобилями-самосвалами.
Зачистка
дна котлована производится бульдозером ДЗ-27С.
2.12. При ведении работ требуется соблюдать
требования СНиП
3.02.01-87 "Земляные сооружения, основания и фундаменты".
2.13. Схемы производства работ приведены на
листах 5, 6, 7.
2.14. Калькуляции затрат труда и заработной
платы на весь объем работ приведены в табл. 3,
4, 5.
Расчеты
в калькуляциях выполнены для Свердловской области, находящейся в 5-й
температурной зоне. При разработке котлована грунт принят II и IIм группы.
Коэффициенты
к нормам времени и расценкам, применяемые при разработке немерзлых грунтов в
зимнее время, не учтены.
При
привязке типовой технологической карты к местным условиям необходимо
пересчитать калькуляции. При этом учитываются усредненные коэффициенты на
зимнее удорожание соответствующих видов работ в зависимости от месяца
строительства и температурной зоны (ЕНиР, Общая часть, Приложение 3).
2.15. Графики производства работ на
конечный измеритель - 1000 м3 разработанного грунта приведены в
табл. 6, 7,
8.

общее направление работ;
направление движения экскаватора; направление движения
бульдозера-рыхлителя; стоянки экскаватора при лобовой проходке
1 - бульдозер-рыхлитель; 2, 3, 4, 5 - экскаваторы
марки ЭО-5122 с оборудованием прямая лопата; 6, 7,
8, 9 - автомобили-самосвалы КрАЗ-256-61

общее направление работ;
направление движения бульдозера-рыхлителя; ось движения скрепера; очередность набора грунта пером;
1 - бульдозер-рыхлитель ДЗ-94С; 2 - самоходный скрепер ДЗ-3-13;
3 - трактор-толкач Т-130.1.Г-1

общее направление работ;
направление движения экскаваторов и
автомобилей-самосвалов; направление движения
бульдозера-рыхлителя стоянки экскаватора при лобовой проходке
1 - бульдозер-рыхлитель ДЗ-94С; 2, 4, 5, 6
- экскаваторы ЭО-5123ХЛ с оборудованием обратная лопата; 7, 6, 10, 11 -
автомобили-самосвалы КрАз-356-61
3.1. Систематические контрольные наблюдения
в процессе производства земляных работ ведут строительная организация и
представители технического надзора заказчика.
В
результате наблюдения устанавливают соответствие выполнения работ проектной
документации и соблюдение требований технических условий.
3.2. При приемке выполненных земляных работ
проверке подлежат: качество грунтов в основании, размеры котлована.
В
зимнее время должен быть обеспечен повседневный контроль за качеством
уплотнения, влажностью и составом грунта.
По
результатам проверки составляется акт, в котором указывают геологические и
гидрогеологические характеристики грунтов и их отклонения от принятых в
проекте. К акту прилагаются результаты лабораторных определений характеристик
грунтов основания.
3.3. Наименование процессов, подлежащих
контролю, предметы контроля приведены в табл. 2.
Таблица 2
|
Наименование
процессов, подлежащих контролю
|
Предмет
контроля
|
Инструмент
и способ контроля
|
Время
контроля
|
Ответственный
контролер
|
Технические
критерии оценки качества
|
|
Подготовительные
работы
|
Качество
очистки территории
|
Визуальный
|
До
разбивочных работ
|
Мастер
|
-
|
|
То же
|
Разбивочные
работы: точность выноса осей и контура котлована
|
Стальная
рулетка, теодолит
|
До разработки
котлована
|
Геодезист
|
Отклонение
границ нижнего контура и верхней бровки относительно осей не должны превышать
в плане 5 см
|
|
Основные работы
|
Рыхление
грунта, глубина разрыхляемого слоя, расстояние между бороздами
|
Металлический
щуп,
стальная
рулетка
|
В процессе
рыхления
|
Мастер
|
-
|
|
То же
|
Отметка дна
котлована, размеры в плане, величина откосов
|
Нивелир,
нивелирная рейка, теодолит
|
По окончании
работ
|
Геодезист, мастер, представитель заказчика
|
Отклонение
отметок дна котлована ±5 см. Увеличение крутизны откосов не допускается
|
4.1. ВАРИАНТ
I
Таблица 3
|
Наименование
процесса
|
Единица
измерения
|
Объем
работ
|
Обоснование
(ЕНиР и др. нормы)
|
Норма
времени
|
Расценка,
руб.-коп.
|
Затраты
труда
|
Заработная
плата, руб.-коп.
|
Время
пребывания машины на объекте, маш.-ч
|
Заработная
плата машиниста с учетом пребывания машины на объекте, руб.-коп.
|
|
|
рабочих,
чел.-ч
|
машиниста,
чел.-ч (маш.-ч)
|
рабочих
|
машиниста
|
рабочих,
чел.-ч
|
машиниста,
чел.-ч (маш.-ч)
|
|
|
рабочих
|
машиниста
|
|
|
Срезка
растительного слоя грунта с поверхности котлована
|
1000 м2
|
19,4
|
§Е2-1-5, № 3а
|
-
|
0,66
(0,66)
|
-
|
0-70
|
-
|
12,80
(12,80)
|
-
|
13-58
|
12,8
|
13-58
|
|
|
Перемещение
растительного слоя на расстояние 20 м
|
100 м3
|
38 8
|
§Е2-1-22, т.
2, № 5а + 5г
|
-
|
0,67
(0,67)
|
-
|
0-68,9
|
-
|
25,22
(25,22)
|
-
|
26-73
|
25,22
|
26-73
|
|
|
Рыхление
грунта на поверхности котлована для предохранения от промерзания на глубину
0,35 м
|
100 м3
|
61,7
|
§Е2-1-1, т.
2, № 2а
|
-
|
0,15
(0,15)
|
-
|
0-15,9
|
-
|
9,25
(9,25)
|
-
|
9-81
|
9,25
|
9-81
|
|
|
Очистка
площади котлована от снега за два прохода бульдозера
|
1000 м2
|
21,1
|
Применит.
§Е2-1-35, № 4а, к = 2
|
-
|
0,4
(0,4)
|
-
|
0-42,4
|
-
|
8,44
(8,44)
|
-
|
8-94
|
8,44
|
8-94
|
|
|
Рыхление
мерзлого грунта на поверхности котлована на глубину 0,7 м за два прохода
бульдозера-рыхлителя
|
100 м3
|
123,4
|
§Е2-1-2, т. 2,
№ 1б
|
-
|
1,2
(1,2)
|
-
|
1-27
|
-
|
148,08
(148,08)
|
-
|
156-71
|
148,08
|
156-71
|
|
|
Разработка
грунта в котловане экскаватором прямая лопата с ковшом вместимостью 1,6 м3
|
|
|
|
|
|
|
|
|
|
|
|
|
|
|
|
грунт IIм
группы
|
100 м3
|
176,3
|
§Е2-1-8, т.
7, № 3в
|
-
|
1,8
(0,9)
|
-
|
1-84
|
-
|
317,34
(158,67)
|
-
|
324-39
|
143,67
|
324-39
|
|
|
грунт II
группы
|
100 м3
|
644,0
|
§Е2-1-8, т.
7, № 3б
|
-
|
1,5
(0,75)
|
-
|
1-53
|
-
|
966,0
(483,0)
|
-
|
985-32
|
446,33
|
985-32
|
|
|
Разгрузка и погрузка
автомобиля-самосвала грузоподъемностью 12 т
|
т
|
155857,0
|
ЕН от
13.03.87 № 153/6-142
|
-
|
0,0125
(0,0125)
|
-
|
0-01,06
|
-
|
1948,21
(1948,21)
|
-
|
1652-08
|
1948,21
|
1652-08
|
|
|
Транспортирование
грунта автомобилями-самосвалами грузоподъемностью 12 т на расстояние 1,5 км
|
т×км
|
?33785,0
|
ЕН от
13.03.87 № 153/6-142
|
-
|
0,0045
(0,0045)
|
-
|
0-00,38
|
-
|
1052,03
(1052,03)
|
-
|
888,38
|
1004,87
|
1192-30
|
|
|
Зачистка дна котлована
бульдозером за два прохода
|
1000 м2
|
15,35
|
Применит.
§Е2-1-36, № 4а, к = 2
|
-
|
0,54
(0,54)
|
-
|
0-57,2
|
-
|
8,28
(8,28)
|
-
|
8-78
|
8,28
|
8-78
|
|
|
Очистка
землевозных дорог от снега бульдозером за два прохода, устройство
снегозадержания
|
1000 м2
|
98,0
|
Применит.
§Е2-1-35, № 4а, к = 2
|
-
|
0,40
(0,40)
|
-
|
0-42,4
|
-
|
39,20
(39,20)
|
-
|
41-50
|
73,73
|
77-41
|
|
|
Итого:
|
|
|
|
|
|
|
|
|
|
|
|
|
|
|
|
На объем
работ
|
100 м3
|
820,3
|
|
|
|
|
|
|
4534,85
(3893,18)
|
|
4116-22
|
3828,88
|
4456-05
|
|
|
На конечный измеритель (1000 м3 грунта)
|
1000 м3
|
1,0
|
|
|
|
|
|
|
55,28
(47,46)
|
|
50-17
|
46,67
|
54-32
|
|
4.2. ВАРИАНТ
II
Таблица
4
|
Наименование
процесса
|
Единица
измерения
|
Объем
работ
|
Обоснование
(ЕНиР и др. нормы)
|
Норма
времени
|
Расценка,
руб.-коп.
|
Затраты
труда
|
Заработная
плата, руб.-коп.
|
Время
пребывания машины на объекте, маш.-ч
|
Заработная
плата машиниста с учетом пребывания машины на объекте, руб.-коп.
|
|
|
рабочих,
чел.-ч
|
машиниста,
чел.-ч (маш.-ч)
|
рабочих
|
машиниста
|
рабочих,
чел.-ч
|
машиниста,
чел.-ч (маш.-ч)
|
|
|
рабочих
|
машиниста
|
|
|
Срезка
растительного слоя с поверхности котлована
|
1000 м2
|
19,4
|
§Е2-1-5, № 3а
|
-
|
0,66
(0,66)
|
-
|
0-70
|
-
|
12,80
(12,80)
|
-
|
13-58
|
12,80
|
13-58
|
|
|
Перемещение
растительного слоя на расстояние 20 м
|
100 м3
|
38,8
|
§Е2-1-22, т.
2, № 5а + 5г
|
-
|
0,65
(0,65)
|
-
|
0-68,9
|
-
|
25,22
(25,22)
|
-
|
26-73
|
25,22
|
26-73
|
|
|
Рыхление
грунта на поверхности котлована для предохранения от промерзания на глубину
0,35 м
|
100 м3
|
61,7
|
§Е2-1-1, т.
2, № 2а
|
-
|
0,15
(0,15)
|
-
|
0-15,9
|
-
|
9,25
(9,25)
|
-
|
9-81
|
9,25
|
9-81
|
|
|
Очистка
площади котлована от снега за два прохода бульдозера
|
1000 м2
|
21,1
|
Применит.
§Е2-1-35, № 4а, к = 2
|
-
|
0,4
(0,4)
|
-
|
0-42,4
|
-
|
8,44
(8,44)
|
-
|
8-94
|
8,44
|
8-94
|
|
|
Рыхления
грунта для возможности разработки скрепером
|
|
|
|
-
|
|
-
|
|
-
|
|
-
|
|
|
|
|
|
грунт IIм
группы
|
100 м3
|
176,3
|
§Е2-1-2, т.
2, № 1б
|
-
|
1,20
(1,20)
|
-
|
1-27
|
-
|
211,56
(211,56)
|
-
|
233-90
|
211,56
|
223-90
|
|
|
грунт II
группы
|
100 м3
|
644,0
|
§Е2-1-1, т.
2, № 2а
|
-
|
0,15
(0,15)
|
-
|
0-15,9
|
-
|
96,60
(96,60)
|
-
|
102-39
|
96,60
|
102-39
|
|
|
Разработка
грунта в котловане и транспортирование его на расстояние 1,5 км самоходным
скрепером с ковшом вместимостью 15 м3
|
|
|
|
|
|
|
|
|
|
|
|
|
|
|
|
грунт IIм
группы
|
100 м3
|
176,30
|
§Е2-1-21, т.
1, № 1з + 3з
|
-
|
2,96
(2,96)
|
-
|
3-57,4
|
-
|
521,84
(521,84)
|
-
|
630-09
|
521,84
|
630-09
|
|
|
грунт II
группы
|
100 м3
|
644,0
|
§Е2-1-21, т.
1, № 1з + 3з
|
-
|
2,96
(2,96)
|
-
|
3-57,4
|
-
|
1906,24
(1906,24)
|
-
|
2301-65
|
1692,97
|
2301-65
|
|
|
Обслуживание скреперов
трактором-толкачом
|
100 м3
|
820,3
|
§Е2-1-21,
Примеч. 1
|
-
|
0,49
(0,49)
|
-
|
0-59,5
|
-
|
404,68
(404,68)
|
-
|
488-07
|
369,13
|
488-07
|
|
|
Разработка и перемещение грунта на
расстояние до 10 м в местах, недоступных для разработки скрепером
|
|
|
|
-
|
|
-
|
|
-
|
|
-
|
|
|
|
|
|
мерзлого разрыхленного
|
100 м3
|
2,8
|
§Е2-1-23, № 1б
|
-
|
0,48
(0,48)
|
-
|
0-58,1
|
-
|
1,34
(1,34)
|
-
|
1-62,6
|
1,34
|
1-62,6
|
|
|
немерзлого
|
100 м3
|
11,2
|
§Е2-1-22, т. 2, № 5б
|
-
|
0,41
(0,41)
|
-
|
0-43,5
|
-
|
4,6
(4,6)
|
-
|
4-87
|
74,12
|
77-82
|
|
|
Зачистка дна котлована бульдозером за
два прохода
|
1000
м2
|
15,35
|
Применит. §Е2-1-36, № 4а , к = 2
|
-
|
0,54
(0,54)
|
-
|
0-57,2
|
-
|
8,28
(8,28)
|
-
|
8-78
|
8,28
|
8-78
|
|
|
Очистка землевозных дорог от снега бульдозером
за два прохода, устройство снегозадержания
|
1000
м2
|
98,0
|
Применит. §Е2-1-35, № 4а , к = 2
|
-
|
0,4
(0,4)
|
-
|
0-42,4
|
-
|
39,20
(39,20)
|
-
|
41-50
|
51,60
|
54-18
|
|
|
Итого:
|
|
|
|
|
|
|
|
|
|
|
|
|
|
|
|
На объем работ
|
100 м3
|
820,3
|
|
|
|
|
|
|
3250,35
(3250,35)
|
-
|
3861-53
|
3082,67
|
3947-56
|
|
|
На конечный измеритель (1000 м3
грунта)
|
1000 м3
|
1,0
|
|
|
|
|
|
|
39,62
(39,62)
|
-
|
47-07
|
37,58
|
48-12
|
|
4.3. ВАРИАНТ III
Таблица 5
|
Наименование
процесса
|
Единица
измерения
|
Объем
работ
|
Обоснование
(ЕНиР и др. нормы)
|
Норма
времени
|
Расценка,
руб.-коп.
|
Затраты
труда
|
Заработная
плата, руб.-коп.
|
Время
пребывания машины на объекте, маш.-ч
|
Заработная
плата машиниста с учетом пребывания машины на объекте, руб.-коп.
|
|
|
рабочих,
чел.-ч
|
машиниста,
чел.-ч (маш.-ч)
|
рабочих
|
машиниста
|
рабочих,
чел.-ч
|
машиниста,
чел.-ч (маш.-ч)
|
|
|
рабочих
|
машиниста
|
|
|
Срезка
растительного слоя с поверхности котлована
|
1000 м2
|
19,4
|
§Е2-1-5, № 3а
|
-
|
0,66
(0,66)
|
-
|
0-70
|
-
|
12,80
(12,80)
|
-
|
13-58
|
12,80
|
13-58
|
|
|
Перемещение
растительного слоя на расстояние 20 м
|
100 м3
|
38,8
|
§Е2-1-22, т.
2, № 5а + 5г
|
-
|
0,65
(0,65)
|
-
|
0-68,9
|
-
|
25,22
(25,22)
|
-
|
26-73
|
25,22
|
26-73
|
|
|
Рыхление грунта
на поверхности котлована для предохранения от промерзания на глубину 0,35 м
|
100 м3
|
61,7
|
§Е2-1-1, т.
2, № 2а
|
-
|
0,15
(0,15)
|
-
|
0-15,9
|
-
|
9,25
(9,25)
|
-
|
9-81
|
9,25
|
9-81
|
|
|
Очистка площади
котлована от снега за два прохода бульдозера
|
1000 м2
|
21,1
|
Применит.
§Е2-1-35, № 4а, к = 2
|
-
|
0,4
(0,4)
|
-
|
0-42,4
|
-
|
8,44
(8,44)
|
-
|
8-94
|
8,44
|
8-94
|
|
|
Рыхление мерзлого
грунта на поверхности котлована на глубину 0,7 м за два прохода
бульдозера-рыхлителя
|
1000 м3
|
123,4
|
§Е2-1-2, т.
2, № 1б
|
-
|
1,2
(1,2)
|
-
|
1-27
|
-
|
148,08
(148,08)
|
-
|
156-71
|
148,08
|
156-71
|
|
|
Разработка грунта
в котловане экскаватором обратная лопата с ковшом вместимостью 1,6 м3
|
|
|
|
|
|
|
|
|
|
|
|
|
|
|
|
грунт IIм
группы
|
100 м3
|
176,3
|
§Е2-1-11, т.
7, № 7в
|
-
|
2,8
(1,4)
|
-
|
2-86
|
-
|
493,64
(246,82)
|
-
|
504-21
|
429,64
|
504-21
|
|
|
грунт II
группы
|
100 м3
|
644,0
|
§Е2-1-1, т.
7, № 7б
|
-
|
2,2
(1,1)
|
-
|
2-24
|
-
|
1416,80
(708,40)
|
-
|
1442-56
|
390,66
|
1442-56
|
|
|
Разгрузка и
погрузка автомобиля-самосвала грузоподъемностью 12 т
|
т
|
155857,0
|
ЕН от
13.03.87 № 153/6-142
|
-
|
0,0125
(0,0125)
|
-
|
0-01,06
|
-
|
1948,21
(1948,21)
|
-
|
1652-06
|
1948,21
|
1652-08
|
|
|
Транспортирование
грунта автомобилями-самосвалами грузоподъемностью 12 т не расстояние 1,5 км
|
т×км
|
233785,0
|
ЕН от
13.03.87 № 153/6-142
|
-
|
0,0045
(0,0045)
|
-
|
0-003,8
|
-
|
1052,03
(1052,03)
|
-
|
888-38
|
1004,87
|
888-38
|
|
|
Зачистка дна
котлована бульдозером за два прохода
|
1000 м2
|
15,35
|
Применит.
§Е2-1-36, № 4а, к = 2
|
-
|
0,54
(0,54)
|
-
|
0-57,2
|
-
|
8,28
(8,28)
|
-
|
8-78
|
8,28
|
8-78
|
|
|
Очистка
землевозных дорог от снега бульдозером за два прохода, устройство
снегозадержания
|
1000 м2
|
98,0
|
Применит.
§Е2-1-35, № 4а, к = 2
|
-
|
0,4
(0,4)
|
-
|
0-42,2
|
-
|
39,20
(39,20)
|
-
|
41-50
|
81,95
|
86-04
|
|
|
Итого:
|
|
|
|
|
|
|
|
|
|
|
|
|
|
|
|
На объем
работ
|
100 м3
|
820,3
|
|
|
|
|
|
|
5161,95
(4206,73)
|
|
4753-28
|
4067,40
|
4797-32
|
|
|
На конечный
измеритель
(1000 м3 грунта)
|
1000 м3
|
1,0
|
|
|
|
|
|
|
62,92
(51,28)
|
-
|
57-94
|
49,58
|
58-48
|
|
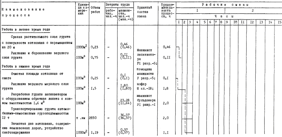
5.1. ВАРИАНТ
I
Таблица
6

5.2. ВАРИАНТ
II
Таблица
7

5.3. ВАРИАНТ
III
Таблица
8

6.1. Формирование комплекса машин и
механизмов производят в соответствии с указаниями "Методических
рекомендаций по построению комплексно-механизированных процессов производства
земляных работ" (ЦНИИОМТП Госстроя СССР, Москва, 1982 г.).
6.2. Потребность в машинах, механизмах,
инструменте приведена в табл. 9.
Таблица 9
|
Наименование
|
Марка,
техническая характеристика
|
Количество
по вариантам
|
Назначение
|
|
I
|
II
|
III
|
|
Экскаватор
|
ЭО-5122 с оборудованием прямая лопата с
ковшом вместимостью 1,6 м3
|
4
|
|
|
Разработка
грунта
|
|
Экскаватор
|
ЭО-5123ХЛ
с оборудованием обратная лопата с ковшом вместимостью 1,6 м3
|
|
|
5
|
То же
|
|
Самоходный
скрепер
|
ДЗ-13
с ковшом вместимостью 15 м3
Базовая
машина-тягач БелАЗ-531
|
|
6
|
|
Разработка и
транспортирование грунта
|
|
Трактор-толкач
|
ДЗ-120
на базе трактора Т-130.1.Г-1
|
-
|
1
|
-
|
Подталкивание
грунта для лучшего заполнения ковша
|
|
Бульдозер-рыхлитель
|
ДЗ-94С
(бульдозер ДЗ-27С с рыхлителем ДП-26С на базе гусеничного трактора
Т-130.1.Г-1)
|
-
|
1
|
1
|
Зачистка дна
котлована, рыхление грунта
|
|
Бульдозер-рыхлитель
|
ДЗ-116В
(бульдозер ДЗ-110В с рыхлителем ДП-26С на базе гусеничного трактора
Т-130М.Г-1)
|
1
|
-
|
-
|
То же
|
|
Автомобиль-самосвал
|
КрАЗ-256-Б1
грузоподъемностью 12 т
|
4
|
-
|
4
|
Транспортирование
грунта
|
|
Теодолит
|
ГОСТ 10529-86
|
1
|
1
|
1
|
Геодезические
работы
|
|
Нивелир
|
НВ.1
ГОСТ 10528-76
|
1
|
1
|
1
|
То же
|
|
Нивелирная
рейка
|
ГОСТ
11158-83
|
1
|
1
|
1
|
-"-
|
|
Рулетка
стальная
|
РС-20
ГОСТ
7502-80
|
1
|
1
|
1
|
-"-
|
6.3.
Потребность в эксплуатационных материалах на 1000 м3 грунта
приведена в табл. 10.
Таблица 10
|
Наименование
топливо-смазочного материала
|
Наименование
механизма
|
Марка
механизма
|
Норма
на 1 ч работы машины, кг
|
Количество
по вариантам
|
|
I
|
II
|
III
|
|
Дизельное
топливо
|
Экскаватор
|
ЭО-5122, ЭО-5123
|
12,5
|
1849
|
770
|
1890
|
|
Скрепер
|
ДЗ-13
|
24,5
|
|
Трактор-толкач
|
Т-130
|
11
|
|
Бульдозер
|
ДЗ-27С
|
10,1
|
|
Бульдозер
|
ДЗ-110В
|
8,8
|
|
Автомобиль-самосвал
на 100 км пробега
|
КрАЗ-256-61
|
48 л
|
|
Моторное
масло
|
Экскаватор
|
ЭО-5122, ЭО-5123
|
0,62
|
93
|
38
|
95
|
|
Скрепер
|
ДЗ-13
|
1,2
|
|
Трактор
|
Т-130
|
0,55
|
|
Бульдозер
|
ДЗ-27С
|
0,5
|
|
Бульдозер
|
ДЗ-110В
|
0,44
|
|
Автомобиль-самосвал
на 100 км пробега
|
КрАЗ-256-61
|
2,4
|
|
Трансмиссионное масло
|
Экскаватор
|
ЭО-5122, ЭО-5123
|
0,12
|
18
|
8
|
19
|
|
Скрепер
|
ДЗ-13
|
0,25
|
|
Трактор
|
Т-130
|
0,1
|
|
Бульдозер
|
ДЗ-27С
|
0,1
|
|
Бульдозер
|
ДЗ-110В
|
0,09
|
|
Автомобиль-самосвал
на 100 км пробега
|
КрАЗ-256-61
|
0,47
|
|
Пластичная смазка
|
Экскаватор
|
ЭО-5122, ЭО-5123
|
0,18
|
27
|
12
|
33
|
|
Скрепер
|
ДЗ-13
|
0,38
|
|
Трактор
|
Т-130
|
0,15
|
|
Бульдозер
|
ДЗ-27С
|
0,15
|
|
Бульдозер
|
ДЗ-110В
|
0,13
|
|
Автомобиль-самосвал
на 100 км пробега
|
КрАЗ-256-61
|
0,7
|
|
Бензин
|
Экскаватор
|
ЭО-5122,
ЭО-5123
|
0,56
|
82
|
34,5
|
84
|
|
Трактор
|
Т-130
|
0,45
|
|
Скрепер
|
ДЗ-13
|
1,1
|
|
Бульдозер
|
ДЗ-27С
|
0,46
|
|
Бульдозер
|
ДЗ-110В
|
0,39
|
|
Автомобиль-самосвал
на 100 км пробега
|
КрАЗ-256-61
|
2,11
|
7.1. При производстве работ следует
соблюдать требования СНиП III-4-80 "Техника
безопасности в строительстве".
7.2. Разрешается работать только на
исправных машинах.
Машины
с топливными баками и обогревающими устройствами, в том числе для обогрева
кабины машиниста, должны быть снабжены огнетушителями.
Категорически
запрещается разогревать двигатель зимой огнем. Для разогрева его следует залить
в радиатор горячую воду, а в картер - подогретое масло.
Заправлять
бак машины топливом разрешается только при остановленном двигателе.
7.3. Во время работы экскаватора
запрещается изменять вылет стрелы и регулировать тормоза при заполненном ковше.
7.4. Во избежание повреждения рабочего
оборудования платформу экскаватора с наполненным ковшом можно поворачивать
только после
выхода ковша из забоя.
7.5. Перед кратковременной остановкой или
по окончании работ стрелу экскаватора следует расположить вдоль оси, а ковш
опустить на землю.
При
совместной работе экскаватора и бульдозера последний не должен находиться в
радиусе действия стрелы экскаватора.
7.6. Находиться под поднятым отвалом
бульдозера, удерживаемым только стальным канатом или гидравлическим приводом,
запрещается.
В
случае необходимости осмотра и выполнения работ под поднятым отвалом в поднятом
положении отвал поддерживают специальными упорами или устанавливают его на
клеть из брусьев.
7.7. Во время движения скрепера
запрещается:
устранять
неисправности машины;
регулировать
и смазывать ее;
входить
на машину.
После
работы машина должна быть поставлена на тормоза. Оставлять незаторможенной
машину на уклоне или косогоре запрещается.
7.8. Крутизну откосов котлована в
сезонно-мерзлых грунтах следует назначать такой же, как для талых грунтов.
|
Наименование
|
Единица
измерения
|
Количество
по вариантам
|
|
1
|
2
|
3
|
|
Затраты
машинного времени
|
маш.-ч
|
46,67
|
37,58
|
49,58
|
|
в том числе в
зимний период
|
маш.-ч
|
46,10
|
37,00
|
49,00
|
|
Заработная
плата
|
руб.-коп.
|
54-32
|
49-10
|
59-47
|
|
в том числе в
зимний период
|
руб.-коп.
|
53-71
|
48-49
|
58-85
|
|
Продолжительность
работ
|
смена
|
0,42
|
0,75
|
0,44
|
|
в том числе в
зимний период
|
смена
|
0,35
|
0,68
|
0,37
|
|
Выработка на
одного рабочего в смену
|
м3
|
171,3
|
212,8
|
161,3
|
|
Условные
затраты на механизацию
|
руб.-коп.
|
548-87
|
355-95
|
566-87
|
|
в том числе в
зимний период
|
руб.-коп.
|
545-63
|
352-72
|
563-64
|
|
в том числе
на транспортирование грунта автомобилями-самосвалами
|
руб.-коп.
|
484-50
|
-
|
484-50
|
|
Прямые
затраты
|
руб.-коп.
|
603-33
|
405-05
|
626-34
|
|
в том числе в
зимний период
|
руб.-коп.
|
599-34
|
401-21
|
622-49
|
|
Приведенные
затраты
|
руб.-коп.
|
624-93
|
547-10
|
661-06
|
|
в том числе в
зимний период
|
руб.-коп.
|
620-50
|
542-46
|
656-62
|
|
Эффективность
комплексно-механизированного технологического процесса
|
руб.-коп.
|
-
|
+ 77-83
|
- 36-13
|
Примечание.
Технико-экономические показатели рассчитаны на законченный результат
комплексно-механизированного технологического процесса - 1000 м3 грунта,
разработанного в котловане.
СОДЕРЖАНИЕ
|
|