| |
ТИПОВЫЕ ТЕХНОЛОГИЧЕСКИЕ КАРТЫ
НА ПРОИЗВОДСТВО ОТДЕЛЬНЫХ ВИДОВ РАБОТ
ТИПОВАЯ ТЕХНОЛОГИЧЕСКАЯ КАРТА
НА СПЕЦИАЛЬНЫЕ СТРОИТЕЛЬНЫЕ РАБОТЫ
6417030032
81032
МОНТАЖ ВНУТРЕННИХ СИСТЕМ
ВОДОСНАБЖЕНИЯ
ЖИЛЫХ И ОБЩЕСТВЕННЫХ ЗДАНИЙ
МОСКВА - 1991
|
РАЗРАБОТАНА
Государственным проектным
институтом
«Проектпромвентиляция»
Главный инженер П.А. Овчинников
Начальник отдела М.К. Митрин
Главный специалист М.М. Давыдов
|
СОГЛАСОВАНО
Управлением механизации и
технологии
строительства Госстроя СССР
Письмо от 26.11.1990 г. №
12-327
Введены в действие с 1.03.1991
г.
|
1.1.
Типовая технологическая карта разработана на монтаж внутренних систем
водоснабжения жилых и общественных зданий; предназначена для использования при разработке
проектов производства работ (ППР) и непосредственно при выполнении работ с
учетом конкретных условий производства; распространяется на монтаж внутренних
систем водоснабжения (прокладка трубопроводов, установка водомерного узла,
водоразборной арматуры и испытание систем).
1.2.
Карта может быть применена при монтаже трубопроводов камер орошения
кондиционеров (стр. 6).
1.3.
При привязке технологической карты к конкретному объекту уточняются объемы
работ и калькуляция затрат труда.
2.1. До
начала монтажа систем внутреннего водоснабжения должны быть выполнены следующие
работы:
монтаж
междуэтажных перекрытий, стен и перегородок;
устройство
фундаментов или площадок;
прокладка
вводов водоснабжения;
подготовка
под полы (с нанесением на стенах всех помещений вспомогательных отметок, равных
проектным отметкам чистого пола плюс 500 мм);
устройство
опор под трубопроводы, прокладываемые в подпольных каналах и технических
подпольях;
установка
закладных деталей в строительных конструкциях в соответствии с рабочей
документацией;
подготовка
отверстий, борозд, ниш и гнезд в фундаментах, стенах, перегородках, перекрытиях
и покрытиях;
подготовка
монтажных проемов в стенах и перекрытиях;
оштукатуривание
стен, ниш, борозд и потолков;
устройство
искусственного освещения и обеспечение возможности включения
электроинструментов и электросварочных аппаратов;
остекление
оконных проемов, утепление входов и отверстий в наружных стенах (при
отрицательных температурах наружного воздуха).
Кроме
того, должно быть выполнено:
уточнение
состава монтажных работ и последовательности их выполнения;
согласование
с генподрядчиком графика совмещенных работ;
обеспечение
свободного доступа к месту производства работ;
обеспечение
доставки в зону монтажа трубных блоков, узлов и деталей, изделий, средств
крепления, вспомогательных материалов и т.п.;
установка
лесов и подмостей (при необходимости);
согласование
о использовании подъемных механизмов генподрядчика;
установка
и крепление грузоподъемных механизмов в местах, согласованных с генподрядчиком
(при необходимости и невозможности использования грузоподъемных механизмов
генподрядчика).
До
начала монтажа трубопроводов из пластмассовых труб должны быть смонтированы
трубопроводы водоснабжения из стальных труб и закончены все
электрогазосварочные работы. Пластмассовые трубозаготовки, доставляемые на
объект в зимнее время, до начала монтажа должны быть выдержаны при
положительной температуре не менее 2 ч.
2.2.
Состав и последовательность укрупненных рабочих операций при монтаже внутренних
систем водоснабжения.
Прокладка
трубопроводов
(стр. 5):
а)
разметка мест установки средств крепления;
б)
установка средств крепления и крепление их к строительным конструкциям:
дюбель-гвоздями
с помощью пристрелки монтажным пистолетом (к кирпичным из сплошного кирпича или
бетонным стенам);
вручную
(к гипсобетонным, шлакобетонным или гипсолитовым стенам);
с
заделкой цементным раствором в готовые отверстия (для стен из любого
материала);
со
сверлением и заделкой цементным раствором (в бетонных стенах);
то же
(в керамзитобетонных, кирпичных и др. стенах);
в)
прокладка трубопроводов (магистралей, стояков и подводок) из готовых
вертикальных или горизонтальных блоков, узлов или отдельных деталей на сварке с
поддерживанием при электроприхватке, резьбе или фланцах;
г)
установка и заделка гильз (в соответствии с рабочей документацией) в готовые
отверстия в местах прохода трубопроводов в стенах, перегородках и перекрытиях;
выверка и крепление трубопроводов.
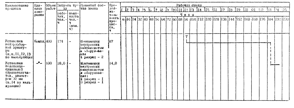
Установка
полотенцесушителей:
разметка мест установки креплений и прибора; установка креплений и прибора;
присоединение прибора к системе горячего водоснабжения на резьбе или сварке с
поддерживанием при электроприхватке.
Монтаж
водомерных узлов
(стр. 8): разметка мест установки водомерного узла и
креплений; установка креплений (опор или кронштейнов); строповка (при
использовании грузоподъемных механизмов); подъем и установка водомерного узла
на опоры; выверка и крепление водомерного узла к опорам хомутами; расстроповка
(при использовании грузоподъемных механизмов); присоединение водомерного узла к
магистральному трубопроводу и вводу на сварке с поддерживанием при
электроприхватке.
Установка
водоразборной арматуры:
установка
водоразборной арматуры (для смесителей и кранов водоразборных, туалетных,
писсуарных обычных, поливочных, пожарных) с подсоединением к трубопроводам и
уплотнением резьбовых соединений;
установка
стационарной душевой трубки или гибкого шланга с подсоединением к смесителю
накидной гайкой с прокладкой и установкой крюка (для смесителей настенных
комбинированных для ванн и умывальников);
установка
излива с подсоединением к смесителю накидной гайкой с прокладкой (для
смесителей настольных, настенных для умывальников, ванн, моек, раковин,
поддонов, настенных с душевой сеткой на гибком шланге и кронштейном);
установка
кронштейна для рукоятки душевой сетки (для смесителей настенных с душевой
сеткой на гибком шланге и кронштейном);
установка
конического штуцера (для поливочного крана);
установка
шайбы (для подсоединения пожарного шланга).
Установка
арматуры к смывному бачку:
установка шарового крана в боковое отверстие смывного бачка и закрепление его
контргайкой; установка в седло выпуска груши с тягой.


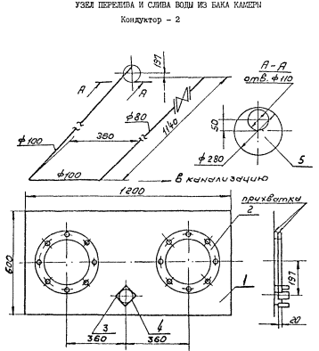
1 - основание,
лист 5 ГОСТ
19903-74*;
2 - фланец
125-6 ГОСТ
12820-80*

1
- основание, лист 5 ГОСТ 19903-74*;
2
- фланец 250-6 ГОСТ
12820-80*;
3
- уголок 25×25×3 ГОСТ 8509-86;
4
- труба 89×3,5 ГОСТ 10704-76*;
5
- лист 5 ГОСТ
19903-74*
Установка полуавтоматического
смывного крана:
отсоединение углового вентиля от корпуса смывного крана; подсоединение углового
вентиля к трубопроводу холодной воды с уплотнением резьбового соединения;
соединение спускной трубы смывного крана со спускной трубой прибора с
уплотнением соединения; подсоединение углового вентиля к корпусу смывного крана
накидной гайкой с прокладкой.
Сборка
пожарных рукавов:
подсоединение к пожарному рукаву рукавной головки и ручного пожарного ствола с
уплотнением резьбовых соединений; сматывание рукава в кольцо и укладывание в
пожарный шкаф.
Испытание
систем водоснабжения из стальных труб гидростатическим (или манометрическим)
методом (см.
стр. 8):
наружный
осмотр трубопроводов системы;
установка
заглушек на подводках к санприборам;
установка
вентилей для выпуска воздуха на подводках к санприборам верхнего этажа (при
гидростатическом методе);
присоединение
гидропресса к действующему водопроводу или передвижного опрессовочного агрегата
с емкостью (или компрессора) к испытываемой системе и установка манометра;
подготовка
мыльной эмульсии (при манометрическом методе);
наполнение
отдельных частей системы водой пробным избыточным давлением равным 1,5
избыточного рабочего давления (или воздухом - 0,15 МПа);
осмотр
трубопроводов (или обнаружение дефектов монтажа на слух) с отметкой мелом
дефектных мест;
спуск
воды из трубопроводов (или сброс давления до атмосферного) и устранение
дефектов. При отсутствии дефектов (при гидростатическом методе) воду из
трубопроводов можно не выпускать;
вторичное
наполнение системы в целом пробным избыточным давлением равным 1,5 избыточного
рабочего давления (или воздухом - 0,1 МПа) и осмотр системы (или обмыливание
эмульсией монтажных стыков и соединений) с отметкой мелом дефектных мест;
снижение
давления (или сброс давления до атмосферного) и устранение дефектов;
сдача
системы. Выдержавшими испытания считаются системы, если в течение 10 мин.
нахождения под пробным давлением при гидростатическом методе испытаний не
обнаружено падения давления более 0,05 МПа (или в течение 5 мин. при
манометрическом методе испытаний - не более 0,01 МПа (0,1 кгс/см2);
спуск
воды из системы (или сброс давления до атмосферного);
снятие
заглушек;
снятие
вентилей для выпуска воздуха (при гидростатическом методе);
отсоединение
гидропресса от действующего водопровода или передвижного опрессовочного
агрегата с емкостью (или компрессора) от испытываемой системы и снятие
манометра.
Испытание
систем холодного водоснабжения из пластмассовых труб гидростатическим методом:
последовательность
рабочих операций аналогична последовательности при испытании систем
водоснабжения из стальных труб;
величину
пробного избыточного давления в наиболее пониженной точке напорного
пластмассового трубопровода следует принимать равной для труб: тяжелого типа
(Т) - 1,5 МПа (15 кгс/см2); среднего типа (С) - 0,9 МПа (9 кгс/см2);
среднелегкого типа (СЛ) - 0,6 МПа (6 кгс/см2); легкого типа (Л) -
0,38 МПа (3,8 кгс/см2);
испытание
следует производить после заполнения трубопроводов водой и проверки отсутствия
в них воздуха выдержкой под пробным избыточным давлением не менее 30 мин. и
внешним осмотром. Для трубопроводов из ПНД и ПВД давление в период испытания и
осмотра следует поддерживать на заданном уровне с отклонением не более 0,05 МПа
(0,5 кгс/см2). Трубопроводы считаются выдержавшими испытание, если
не будет обнаружено течи или других дефектов.

2.3.
Для уплотнения резьбовых соединений при температуре перемещаемой среды до 378 К
(105 °С) следует применять ленту из фторопластового уплотнительного материала
(ФУМ) или льняную прядь, пропитанную свинцовым суриком или белилами,
замешанными на олифе, а при температура выше указанной - ленту ФУМ или
асбестовую прядь вместе с льняной прядью, пропитанные графитом, замешанным на
олифе.
Для
уплотнения фланцевых соединений при температуре перемещаемой среды до 403 К
(130 °С) следует применять прокладки из термостойкой резины, а при температуре
выше указанной - паронит толщиной 2 - 3 мм или фторопласт-4.
2.4.
При выполнении фланцевых соединений головки болтов следует располагать с одной
стороны соединения. На вертикальных участках трубопроводов гайки следует
располагать снизу. Концы болтов не должны выступать из гаек более чем на 0,5
диаметра болта или 3 шага резьбы. Прокладки во фланцевых соединениях не должны
перекрывать болтовых отверстий. Установка между фланцами нескольких или
скошенных прокладок не допускается.
Перед
началом монтажа проводится входной контроль качества применяемых материалов,
трубной заготовки, водоразборной арматуры, измерительных инструментов, при
котором внешним осмотром устанавливается соответствие их требованиям стандартов
или других нормативных документов и рабочей документации, а также наличие и
содержание паспортов, сертификатов и других сопроводительных документов.
Технические
критерии и средства контроля операций и процессов приведены в таблице 1.
Таблица 1
|
Наименование
процессов, подлежащих контролю
|
Предмет контроля
|
Инструмент и способ контроля
|
Время контроля
|
Ответственный контролер
|
Технические критерия оценки качества
|
|
Разметка мест
прокладки трубопроводов и установка креплений
|
Соблюдение проектных
уклонов, соосности трубопроводов, вертикальности стояков
|
Складной
металлический метр, отвес, уровень
|
После
установки креплений
|
Рабочие,
бригадир - самоконтроль. Мастер (бригадир) - выборочный контроль
|
Проект
|
|
Прочность установки
кронштейнов
|
Визуальный
|
То же
|
То же
|
Внешний
осмотр, пробный отрыв
|
|
Сборка
деталей и узлов трубопроводов
|
Правильность
и прочность мест соединений (сварки) стыков, отсутствие перекосов
|
Визуальный
|
В процессе
выполнения сборки
|
- » -
|
Внешний
осмотр
|
|
Прокладка
трубопроводов из готовых узлов или отдельных деталей на сварке. Крепление
узлов и трубопроводов к кронштейнам
|
Положение
подводок в местах подключения водоразборной арматуры
|
Визуальный и
измерительный (складной металлический метр, отвес)
|
В процессе и
после прокладки
|
Рабочие,
бригадир - самоконтроль. Мастер (бригадир) - сплошной контроль
|
Внешний
осмотр.
Проект
|
|
Вертикальность
стояков (отклонение от вертикали не более 2 мм на 1 м)
|
Измерительный
(отвес)
|
В процессе и
после прокладки
|
Рабочие,
бригадир - самоконтроль. Мастер (прораб) - выборочный контроль
|
Проект и СНиП 3.05.01-85, п. 3.2
|
|
Уклоны и
диаметры трубопроводов
|
Измерительный
(штангенциркуль, складной металлический метр)
|
То же
|
То же
|
|
Зазоры между
трубопроводами и расстояния до конструкций
|
Измерительный
(складной металлический метр)
|
- » -
|
Проект и СНиП 3.05.01-85, п. 3.3
|
|
Окончательное
закрепление трубопроводов на опорах и конструкциях
|
Визуальный
|
После
закрепления
|
Проект и СНиП 3.05.01-85, п. 3.4, 3.5
|
|
Отсутствие в
сварных соединениях трещин, раковин, пор, подрезов, незаваренных кратеров,
пережогов и подтеков металла
|
То же
|
В процессе и после
сварки
|
ГОСТ 16037-80; СНиП
3.05.01-85, п. 1.6
|
|
Установка
предусмотренных проектом гильз в перекрытиях, стенах и перегородках
|
Визуальный и
измерительный (складной металлический метр)
|
В процессе
прокладки трубопроводов
|
Проект
|
|
Установка
запорно-регулирующей и водоразборной арматуры
|
Тип и марка устанавливаемой
арматуры
|
Визуальный
|
Перед
установкой
|
Проект и СНиП 2.04.01-85, п. 10 - 17
|
|
Правильность
установки и уплотнения резьбовых соединений
|
То же
|
В процессе и после
установки и присоединения арматуры
|
СНиП 3.05.01-85, п. 3.29, п.
2.6
|
|
Испытание
гидростатическое (до изоляции трубопроводов и начала отделочных работ)
|
Заполнение
системы водой
|
Визуальный
(по изливу воды из самой дальней и высокой подводки)
|
Перед
испытанием
|
Мастер,
прораб
|
СНиП 3.05.01-85, п. 4.4.
Акт гидростатического
испытания на герметичность (по форме приложения 3)
|
|
Создание
пробного давления (1,5 избыточного рабочего) и измерение величины падения
давления (не более 0,5 кгс/см2 в течение 10 мин.)
|
Измерительный
(манометр, часы)
|
Во время испытания
|
То же
|
То же
|
|
Состояние
трубопроводов, соединений, арматуры во время испытаний (наличие капель или
утечек воды)
|
Визуальный
|
Во время
испытаний
|
Рабочие,
бригадир, мастер, прораб - сплошной контроль
|
СНиП
3.05.01-05, п. 4.4.
Акт гидростатического
испытания на герметичность (по форме приложения 3)
|
|
Опорожнение
системы после испытания (по отсутствию воды в нижней точке системы)
|
То же
|
После
испытания
|
Мастер,
прораб
|
То же
|
|
Испытание
манометрическое
|
Создание и поддержание
пробного избыточного давления (1,5 кгс/см2)
|
Измерительный
(манометр, часы)
|
Во время
испытания
|
То же
|
СНиП 3.05.01-85, п. 4.5.
Акт манометрического
испытания на герметичность (по форме приложения 3)
|
|
Утечки
воздуха из системы
|
Органолептический
(на слух)
|
То же
|
Рабочие,
бригадир, мастер, прораб - сплошной контроль
|
То же
|
|
Снижение
величины давления
|
Измерительный
(манометр)
|
Во время
испытания
|
СНиП 3.05.01-85.
Акт
манометрического испытания на герметичность (по форме приложения 3)
|
|
Устранение
выявленных дефектов
|
Визуальный
|
После испытания
|
|
Повторное
создание пробного избыточного давления (1 кгс/см2) и измерение
величины падения давления (не более 0,1 кгс/см2 в течение 5 мин.)
|
Измерительный
(манометр, часы)
|
Во время
повторного испытания
|
То же
|
|
Качество воды
(соответствие ГОСТ 2874-82)
|
Лабораторный
анализ
|
Во время
промывки системы
|
Представитель
СЭС
|
Акты на
качество воды
|
Таблица 2
|
Наименование
процесса
|
Номер фасета
для пересчета показателей
|
Единица
измерения
|
Объем работ
|
Обоснование
(ЕНиР и др. нормы)
|
Норма
времени рабочих, чел.-ч
|
Расценка
рабочих р.-к.
|
Затраты труда
рабочих чел.-ч
|
Заработная
плата р.-к.
|
|
1. Прокладка стальных трубопроводов
из готовых узлов (стояки и подводки), диаметром 25 мм
|
|
м
|
100
|
ЕНиР сб. Е9,
в. 1, § Е9-1-2, табл. 2, п. 1а
|
0,16
|
0-12
|
16,00
|
12-00
|
|
2. То же, диаметром 40 мм
|
|
м
|
100
|
То же, п. 2а
|
0,19
|
0-14,3
|
19,00
|
14-30
|
|
3. То же, диаметром 50 мм
|
|
м
|
100
|
То же, п. 3а
|
0,23
|
0-17,3
|
23,00
|
17-30
|
|
4. То же, диаметром 70 мм
|
|
м
|
100
|
То же, п. 4а
|
0,28
|
0-21
|
28,00
|
21-00
|
|
5. Прокладка стальных трубопроводов
из готовых узлов (магистрали), диаметром 25 мм
|
|
м
|
100
|
То же, п. 9а
|
0,14
|
0-10,5
|
14,00
|
10-50
|
|
6. То же, диаметром 40 мм
|
|
м
|
100
|
То же, п. 10а
|
0,16
|
0-12
|
16,00
|
12-00
|
|
7. То же, диаметром 50 мм
|
|
м
|
100
|
То же, п. 11а
|
0,19
|
0-14,3
|
19,00
|
14-30
|
|
8. То же, диаметром 70 мм
|
|
м
|
100
|
То же, п. 12а
|
0,23
|
0-17,3
|
23,00
|
17-30
|
|
9. Испытание: рабочая проверка
охотами в целом
|
|
100 м
|
8,0
|
ЕНиР сб. Е9, вып.
1, § Е9-1-8, табл. 1, п. 9
|
2,50
|
2-30
|
20,00
|
18-40
|
|
10. Окончательная проверка при сдаче
системы
|
|
100 м
|
8,0
|
То же, п. 10
|
1,00
|
1-77
|
11,40
|
14-16
|
|
11. Установка смесителей настенных
комбинированных для ванн и умывальников
|
|
1 компл.
|
100
|
ЕНиР сб. Е9,
в. 1, § Е9-1-18, табл. п. 7
|
0,51
|
0-42,7
|
54,00
|
42-70
|
|
12. Установка смесителей настольных
для моек
|
|
1 компл.
|
100
|
ЕНиР сб. Е9,
в. 1, § Е9-1-18, табл. п. 10
|
0,5
|
0-39,5
|
50,00
|
39-50
|
|
13. Арматура к смывному бачку:
|
|
|
|
|
|
|
|
|
|
установка
|
|
1 компл.
|
100
|
ЕНиР сб. Е9,
в. 1, § Е9-1-18, табл. п. 15
|
0,43
|
0-34
|
43,00
|
34-00
|
|
регулировка
|
|
1 компл.
|
100
|
ЕНиР сб. Е9,
в. 1, § Е9-1-18, табл. п. 16
|
0,27
|
0-21,3
|
27,00
|
21-30
|
|
14. Установка полотенцесушителей
однопетельчатых, диаметром 32 мм
|
|
1 компл.
|
100
|
ЕНиР сб. Е9,
в. 1, § Е9-1-9, табл. 2, п. а
|
0,28
|
0-21,1
|
28,00
|
21-10
|
|
Итого:
|
|
|
|
|
|
|
394,40
|
309,86
|
Потребность
в инструменте, инвентаре и приспособлениях приведена в табл. 4.
Таблица 4
|
Наименование
|
Марка, техническая характеристика, ГОСТ, № чертежа
|
Количество
|
Назначение
|
|
Молоток
слесарный
|
Масса 800 г
(тип 2) ГОСТ 2310-77*Е
|
2
|
Слесарные
работы
|
|
Зубило
слесарное
|
l = 200 мм (20×70°) ГОСТ 7211-86*Е
|
2
|
То же
|
|
Ключ трубный
рычажный
|
Тип № 1 ГОСТ 18981-73*
|
2
|
Выполнение
соединений
|
|
То же
|
Тип № 2
|
2
|
То же
|
|
Отвертка
монтажно-слесарная
|
А
250×1,4 ГОСТ 24437-80
|
2
|
Завертка
шурупов
|
|
Плоскогубцы
комбинированные
|
ГОСТ 5547-86*
|
1
|
Слесарные
работы
|
|
Гидропресс
ручной с манометром
|
СТД-1751
|
1
|
Испытание
системы водоснабжения
|
|
Пневматический
агрегат с манометром
|
ЦСТМ-10
|
1
|
То же
|
|
Ящик
инструментальный переносный трехсекционный
|
ВНИИ МСС СССР
408×208×300
|
2
|
Хранение
инструмента
|
|
Инструмент
для газосварочных работ (комплект)
|
|
1
|
Сварочные
работы
|
|
Напильник
плоский тупоносый
|
ГОСТ 1465-80*
|
2
|
Слесарные
работы
|
|
Набор
инструмента сварщика
|
ЭНИ-300 ТУ
36-1162-81
|
1
|
Сварочные
работы
|
|
Трансформатор
сварочный
|
ТС-500
|
1
|
То же
|
|
Генератор
ацетиленовый
|
ОСТ
26-05-350-89
|
1
|
- » -
|
|
Кабель
сварочный (50 м)
|
ПРГД
ТУ-16.К73-03-88 (1×50 мм2)
|
1
|
Сварочные
работы
|
|
Баллон
кислородный
|
|
1
|
То же
|
|
Кабель
силовой (для заземления) l = 15 м
|
КРПТ
ТУ-16.К73-05-88 (3×6 мм2)
|
1
|
- » -
|
|
Щиток электросварщика
|
ГОСТ 12.4.035-78* ОСБТ
|
1
|
- » -
|
|
Рулетка
измерительная металлическая (или метр складной металлический)
|
ГОСТ 7502-89
Цена деления
1 мм
|
2
|
Измерительные
работы
|
|
Уровень
строительный
|
УС1-300, l = 300 мм, ГОСТ 9416-83
|
2
|
Проверки
вертикальности
|
|
Отвес
|
Тип О-200 ГОСТ 7948-80
|
2
|
То же
|
|
Шнур
|
l = 12 м
|
2
|
- » -
|
|
Ключ гаечный
с открытым зевом, двухсторонний
|
Тип
10×14; М6; 8 ГОСТ 2839-80*Е
|
2
|
Выполнение
соединений
|
|
То же
|
Тип
14×17, М8; 10
|
2
|
То же
|
|
- » -
|
Тип
17×19, М10; 12
|
2
|
- » -
|
|
- » -
|
Тип
24×27, М16; 18
|
2
|
- » -
|
|
- » -
|
Тип
24×30, М16; 20
|
2
|
- » -
|
|
Машина ручная
сверлильная электрическая
|
ИЭ-1023А
|
1
|
Сверление
отверстий
|
|
Пистолет
монтажный поршневой (комплект)
|
ПЦ 52-1
|
1
|
Пристрелка
кронштейнов к стене
|
|
Набор сверл Æ 6 - 22 (комплект) твердосплавные
|
ГОСТ 17274-71*
|
2
|
Сверление
отверстий
|
|
Строп
канатный с крюком, грузоподъемностью 1,6 т
|
Индивидуальное
изготовление
|
1
|
Временное
закрепление узлов трубопроводов, водомеров
|
|
Монтажный
кран
|
МКА-2
|
1
|
Подъемные
работы
|
|
Монтажный
кран
|
МКА-6,3 длина
стрелы 12 м
|
1
|
То же
|
Потребность в материалах и полуфабрикатах
для выполнения работ по монтажу, испытанию трубопроводов и установки
водоразборной арматуры приведена в таблице 5.
Таблица 5
|
Наименование
материала, полуфабриката
|
Вариант (фасет-код)
|
Исходные данные
|
Потребность в материалах
|
|
Единица измерения
|
Объем работ в нормативных единицах
|
Принятая норма расхода материала
|
|
Узлы из
стальных труб по ГОСТ 3262-75* диаметром 25
мм
|
|
м
|
200
|
1
|
200
|
|
То же,
диаметром 40 мм
|
|
м
|
200
|
1
|
200
|
|
То же,
диаметром 50 мм
|
|
м
|
200
|
1
|
200
|
|
То же,
диаметром 70 мм
|
|
м
|
200
|
1
|
200
|
|
Смесители настенные
комбинированные для ванн и умывальников
|
|
Компл.
|
100
|
1
|
100
|
|
Смесители
настольные для моек
|
|
- » -
|
100
|
1
|
100
|
|
Арматура к
смывному бачку
|
|
Компл
|
100
|
1
|
100
|
|
Полотенцесушители
однопетельчатые, диаметром 32 мм
|
|
- » -
|
100
|
1
|
100
|
Работы
по монтажу и испытаний трубопроводов выполняются с соблюдением СНиП III-4-80*
«Техника безопасности в строительстве».
К работе
с монтажным пистолетом допускаются лица, обученные правилам эксплуатации
пистолета и имеющие специальное удостоверение, не моложе 18 лет с образованием
не ниже 8 классов с квалификацией не ниже III разряда, проработавшие на
монтажных работах не менее 2-х лет, прошедшие медицинский осмотр. При работе с
монтажным пистолетом выполняются требования ВСН
410-80 по наряд-допуску.
Работы
с асбестом должны производиться в респираторах.
Таблица 6
|
Показатели
|
Процессы
|
|
Прокладка
стальных трубопроводов из готовых узлов (стояки и подводки), диаметром 25, 40,
50, 70 мм (400 м)
|
Прокладка
стальных трубопроводов из готовых узлов (магистрали), диаметром 25, 40, 50,
70 мм (400 м)
|
Испытание
Окончательная
проверка при сдаче системы (800 м)
|
Установка
смесителей настольных для моек (100 компл.)
|
Установка
смесителей настенных комбинированных для ванн и умывальников (100 компл.)
|
Установка и
регулировка арматуры к смывному бачку (100 компл.)
|
Установка
полотенцесушителей однопетельчатых, диаметром 32 мм (100 компл.)
|
|
Затраты труда рабочих, чел.-ч
|
86,0
|
72,0
|
20,0
14,4
|
50,0
|
54,0
|
70,0
|
28,00
|
|
Заработная плата рабочих, р.-к.
|
64-60
|
54-10
|
18-40
14-16
|
39-50
|
42-70
|
55-30
|
21-10
|
|
Продолжительность выполнения работ,
смен
|
5,24
|
4,39
|
0,8
0,9
|
3,04
|
3,29
|
4,27
|
1,71
|
|
Выработка одного рабочего в смену
|
38,1 м/ч
|
45,6 м/ч
|
327,9 м/ч
454,6 м/ч
|
16,4 компл./ч
|
15,2 компл./ч
|
11,7 компл./ч
|
29,3 компл./ч
|
ФАСЕТЫ 01-08
Прокладка
100 м стальных трубопроводов из готовых узлов
|
Наименование
фактора
|
Обоснование
|
Фасет 01
|
Фасет 02
|
Фасет 03
|
Фасет 04
|
Фасет 05
|
Фасет 06
|
Фасет 07
|
Фасет 08
|
|
Стояки и
подводки
|
Магистрали
|
|
диаметром,
мм, до
|
|
25
|
40
|
50
|
70
|
25
|
40
|
50
|
70
|
|
Код
|
Значение
фактора Н.вр
Расц.
|
Код
|
Значение
фактора Н.вр
Расц.
|
Код
|
Значение
фактора Н.вр
Расц.
|
Код
|
Значение
фактора Н.вр
Расц.
|
Код
|
Значение
фактора Н.вр
Расц.
|
Код
|
Значение
фактора Н.вр
Расц.
|
Код
|
Значение
фактора Н.вр
Расц.
|
Код
|
Значение
фактора Н.вр
Расц.
|
|
С установкой и креплением кронштейнов
дюбель-гвоздями с помощью монтажного пистолета
|
ЕНиР сб. Е9,
в. 1, § Е9-1-2, табл. 2
|
1
|
16,0
12-00
|
1
|
19,0
14-30
|
1
|
23,0
17-30
|
1
|
28,0
21-00
|
1
|
14,0
10-50
|
1
|
16,0
12-00
|
1
|
19,0
14-30
|
1
|
23,0
17-30
|
|
С установкой и креплением кронштейнов
дюбель-гвоздями вручную к гипсобетонным, шлакобетонным и гипсолитовым стенам
|
То же
|
-
|
-
|
2
|
21,0
15-60
|
2
|
24,0
17-90
|
2
|
29,0
21-60
|
2
|
16,0
11-90
|
2
|
18,0
13-10
|
2
|
20,0
14-90
|
2
|
23,0
17-10
|
|
С установкой и заделкой кронштейнов в
готовые отверстия
|
- » -
|
2
|
18,0
13-40
|
3
|
20,0
14-90
|
3
|
23,0
17-10
|
3
|
27,0
20-10
|
3
|
14,0
10-40
|
3
|
16,0
11-90
|
3
|
19,0
14-20
|
3
|
22,0
16-40
|
|
С установкой и заделкой кронштейнов
со сверлением отверстий в бетонных стенах
|
- » -
|
3
|
21,0
15-60
|
4
|
22,0
16-40
|
4
|
25,0
18-60
|
4
|
29,0
21-60
|
4
|
17,0
12-70
|
4
|
19,0
14-20
|
4
|
22,0
16-40
|
4
|
24,0
17-90
|
|
С установкой и заделкой кронштейнов
со сверлением отверстий в керамзитобетонных, кирпичных и других стенах
|
- » -
|
4
|
20,0
14-90
|
5
|
21,0
15-60
|
5
|
13,0
17-10
|
8
|
28,0
20-90
|
5
|
16,0
11-90
|
5
|
19,0
13-40
|
5
|
20,0
14-90
|
5
|
23,0
17-10
|
|
|
|
|
|
|
|
|
|
|
|
|
|
|
|
|
|
|
|
|
|
ФАСЕТЫ
09-16
Прокладка
100 м стальных трубопроводов из отдельных деталей
|
Наименование
фактора
|
Обоснование
|
Фасет 09
|
Фасет 10
|
Фасет 11
|
Фасет 12
|
Фасет 13
|
Фасет 14
|
Фасет 15
|
Фасет 16
|
|
Стояки и
подводки
|
Магистрали
|
|
диаметром,
мм, до
|
|
25
|
40
|
50
|
70
|
25
|
40
|
50
|
70
|
|
Код
|
Значение
фактора Н.вр
Расц.
|
Код
|
Значение
фактора Н.вр
Расц.
|
Код
|
Значение
фактора Н.вр
Расц.
|
Код
|
Значение
фактора Н.вр
Расц.
|
Код
|
Значение
фактора Н.вр
Расц.
|
Код
|
Значение фактора
Н.вр
Расц.
|
Код
|
Значение
фактора Н.вр
Расц.
|
Код
|
Значение
фактора Н.вр
Расц.
|
|
С установкой и креплением кронштейнов
дюбель-гвоздями с помощью монтажного пистолета
|
ЕНиР сб. 9,
в. 1, § Е9-1-2, табл. 2
|
1
|
23,0
17-20
|
1
|
26,0
19-50
|
1
|
31,0
23-30
|
1
|
36,0
27-00
|
1
|
17,0
12-80
|
1
|
20,0
15-00
|
1
|
25,0
18-80
|
1
|
29,0
21-80
|
|
С установкой и креплением кронштейнов
дюбель-гвоздями вручную к гипсобетонным, шлакобетонным и гипсолитовым стенам
|
То же
|
2
|
26,0
19-40
|
2
|
28,0
20-90
|
2
|
32,0
23-80
|
2
|
37,0
27-60
|
2
|
19,0
14-20
|
2
|
22,0
16-40
|
2
|
25,0
18-60
|
2
|
30,0
22-40
|
|
С установкой и заделкой кронштейнов в
готовые отверстия
|
- » -
|
3
|
24,0
17-90
|
3
|
27,0
20-10
|
3
|
31,0
23-10
|
3
|
35,0
26-10
|
3
|
19,0
14-20
|
3
|
21,0
15-60
|
3
|
24,0
17-90
|
3
|
28,0
20-90
|
|
С установкой и заделкой кронштейнов
со сверлением отверстий в бетонных стенах
|
- » -
|
4
|
27,0
20-10
|
4
|
30,0
22-40
|
4
|
33,0
24-60
|
4
|
37,0
27-60
|
4
|
22,0
16-40
|
4
|
23,0
17-10
|
4
|
27,0
20-10
|
4
|
31,0
23-10
|
|
С установкой и заделкой кронштейнов
со сверлением отверстий в керамзитобетонных, кирпичных и других стенах
|
- » -
|
5
|
25,0
18-60
|
5
|
29,0
21-60
|
5
|
32,0
23-80
|
5
|
36,0
26-80
|
5
|
20,0
14-90
|
5
|
22,0
16-40
|
5
|
25,0
18-60
|
5
|
29,0
21-60
|
|
|
|
|
|
|
|
|
|
|
|
|
|
|
|
|
|
|
|
|
|
|
|
|
|
ФАСЕТ
17
Испытание
100 м водопровода или трубопровода горячего водоснабжения
|
Наименование
фактора
|
Обоснование
|
Код
|
Значение
фактора
|
|
Первое рабочее испытание отдельных
частей системы*
|
ЕНиР, сб. Е9, в. 1, § Е9-1-8, табл. 1
|
1
|
Н.вр. = 3,8
Расц. = 3-04
|
|
Рабочая проверка системы в целом
|
То же
|
2
|
Н.вр. = 2,5
Расц. = 2-30
|
|
Окончательная проверка при сдаче
системы
|
- » -
|
3
|
Н.вр. = 1,8
Расц. = 1-77
|
* Первое рабочее
испытание отдельных частей трубопроводов проводится при монтаже в том случае, если
узлы и детали не были испытаны на заводе или в заготовительной мастерской.
ФАСЕТ
18
Установка
100 контактов разной арматуры
|
Наименование
фактора
|
Обоснование
|
Код
|
Значение
фактора
|
|
Краны водоразборные или туалетные
|
ЕНиР, сб. Е9, в. 1, § Е9-1-18
|
1
|
Н.вр. = 7,00
Расц. = 5-50
|
|
Краны писсуарные обычные
|
То же
|
2
|
Н.вр. = 16,00
Расц. = 12-60
|
|
Душевые трубки
|
- » -
|
3
|
Н.вр. = 31,0
Расц. = 24-50
|
|
Смесители настенные комбинированные
для ванн и умывальников
|
- » -
|
4
|
Н.вр. = 54,0
Расц. = 42-70
|
|
Смесители настенные для умывальников,
ванн, моек, раковин и углубленных душевых поддонов
|
- » -
|
5
|
Н.вр. = 24,0
Расц. = 19-00
|
|
Смесители настенные с душевой сеткой
на гибком шланге и кронштейном
|
- » -
|
6
|
Н.вр. = 32,0
Расц. = 25-30
|
|
Смесители настольные
|
ЕниР сб Е9 в 1, , § Е9-1-18
|
7
|
Н.вр. = 50,0
Расц. = 39-50
|
|
Кран поливочный диаметром 25 мм
|
То же
|
8
|
Н.вр. = 24,0
Расц. =19-00
|
|
Кран пожарный диаметром 50 мм
|
- » -
|
9
|
Н.вр. = 31,0
Расц. = 24-50
|
ФАСЕТ 19
Установка
100 комплектов разной арматуры
|
Наименование
фактора
|
Обоснование
|
Код
|
Значение
фактора
|
|
Рукав пожарный (сборка)
|
ЕНиР, сб. Е9, в. 1, § Е9-1-18
|
1
|
Н.вр. = 54,0
Расц. = 42-70
|
|
Арматура к смывному бачку:
|
|
|
|
|
установка
|
То же
|
2
|
Н.вр. = 43,0
Расц. = 34-00
|
|
регулировка
|
- » -
|
3
|
Н.вр. = 27,0
Расц. = 21-30
|
|
Кнопочные краны типа «Сирекс»:
|
|
|
|
|
установка
|
- » -
|
4
|
Н.вр. = 35,0
Расц. = 27-70
|
|
регулировка
|
- » -
|
5
|
Н.вр. = 23,0
Расц. = 18-20
|
|
Арматура к биде
|
- » -
|
6
|
Н.вр. = 58,0
Расц. = 45-80
|
ФАСЕТ
20-26
Установка
100 полотенцесушителей или 100 блоков полотенцесушителей
|
Наименование
фактора
|
Обоснование
|
Фасет 20
|
Фасет 21
|
Фасет 22
|
Фасет 23
|
Фасет 24
|
Фасет 25
|
Фасет 26
|
|
Установка
100 полотенцесушителей
|
Установка
100 блоков полотенцесушителей
|
|
хромированные
|
однопетельчатые
|
двухпетельчатые
|
однопетельчатые
|
двухпетельчатые
|
|
диаметром,
мм, до:
|
|
32
|
25
|
32
|
32
|
25
|
32
|
|
Код
|
Значение
фактора Н.вр
Расц.
|
Код
|
Значение
фактора Н.вр
Расц.
|
Код
|
Значение
фактора Н.вр
Расц.
|
Код
|
Значение
фактора Н.вр
Расц.
|
Код
|
Значение
фактора Н.вр
Расц.
|
Код
|
Значение
фактора Н.вр
Расц.
|
Код
|
Значение
фактора Н.вр
Расц.
|
|
С установкой и креплением кронштейнов
дюбель-гвоздями с помощью монтажного пистолета
|
ЕНиР, сб. Е9, в. 1, § Е9-1-9, табл. 2
|
-
|
-
|
1
|
28,0
21-10
|
1
|
36,0
27-20
|
1
|
42,0
31-70
|
1
|
32,0
24-10
|
1
|
40,0
30-20
|
1
|
46,0
34-70
|
|
С установкой и креплением кронштейнов
дюбель-гвоздями вручную к гипсобетонным, шлакобетонным и гипсолитовым стенам
|
То же
|
-
|
-
|
2
|
30,0
22-40
|
2
|
38,0
28-30
|
2
|
44,0
32-80
|
2
|
33,0
24-60
|
2
|
43,0
32-00
|
2
|
49,0
36-50
|
|
С креплением кронштейнов шурупами в
готовые отверстия
|
- » -
|
1
|
100,0
74-50
|
3
|
31,0
23-10
|
3
|
41,0
30-50
|
3
|
47,0
35-00
|
3
|
34,0
25-30
|
3
|
46,0
34-30
|
3
|
52,0
38-70
|
|
С креплением кронштейнов шурупами со
сверлением отверстий в облицованных и необлицованных бетонных стенах
|
- » -
|
2
|
250,0
186-00
|
4
|
36,0
26-80
|
4
|
56,0
41-70
|
4
|
62,0
46-20
|
4
|
40,0
29-80
|
4
|
60,0
44-70
|
4
|
66,0
49-20
|
|
С креплением кронштейнов шурупами со
сверлением отверстий в облицованных и необлицованных керамзитобетонных,
кирпичных и других стенах
|
- » -
|
3
|
222,0
164-00
|
5
|
34,0
25-30
|
5
|
48,0
35-80
|
5
|
55,0
41-00
|
5
|
37,0
27-60
|
5
|
53,0
39-50
|
5
|
60,0
44-70
|
|
С креплением кронштейнов сквозными
болтами через перегородку в готовые отверстия
|
- » -
|
-
|
-
|
6
|
33,0
24-60
|
6
|
42,0
31-30
|
6
|
48,0
35-80
|
6
|
36,0
26-80
|
6
|
46,0
34-30
|
6
|
52,0
38-70
|
|
|
|
|
|
|
|
|
|
|
|
|
|
|
|
|
|
|
|