Крупнейшая бесплатная информационно-справочная система онлайн доступа к полному собранию технических нормативно-правовых актов РФ. Огромная база технических нормативов (более 150 тысяч документов) и полное собрание национальных стандартов, аутентичное официальной базе Госстандарта. GOSTRF.com - это более 1 Терабайта бесплатной технической информации для всех пользователей интернета. Все электронные копии представленных здесь документов могут распространяться без каких-либо ограничений. Поощряется распространение информации с этого сайта на любых других ресурсах. Каждый человек имеет право на неограниченный доступ к этим документам! Каждый человек имеет право на знание требований, изложенных в данных нормативно-правовых актах!

  


 

МИНИСТЕРСТВО СВЯЗИ СССР

ГЛАВНОЕ УПРАВЛЕНИЕ КОСМИЧЕСКОЙ И РАДИОСВЯЗИ

СБОРНИК
НОРМАТИВНЫХ ДОКУМЕНТОВ
ПО КРУПНЫМ СИСТЕМАМ
КОЛЛЕКТИВНОГО ПРИЕМА
ТЕЛЕВИДЕНИЯ

ВРЕМЕННАЯ ИНСТРУКЦИЯ
ПО МОНТАЖУ КРУПНЫХ СИСТЕМ
КОЛЛЕКТИВНОГО ПРИЕМА ТЕЛЕВИДЕНИЯ (КСКПТ)
И СИСТЕМ КАБЕЛЬНОГО ТЕЛЕВИДЕНИЯ (СКТВ)

ПРЕЙСКУРАНТИЗДАТ

Москва - 1989

В сборнике представлены нормативные материалы по крупным системам коллективного приема телевидения (КСКПТ) и системам кабельного телевидения (СКТВ). Он включает в себя инструкцию по монтажу, инструкцию по настройке, инструкцию по приемке систем в эксплуатацию, правила технической эксплуатации, правила техники безопасности, материалы по проектированию систем. Приводятся технические характеристики применяемого при сооружении КСКПТ и СКТВ отечественного и зарубежного оборудования и кабелей, дана методика и пример расчета систем кабельного телевидения.

Настоящие материалы обязательны для исполнения предприятиями и организациями, осуществляющими проектирование, сооружение и техническую эксплуатацию КСКПТ и СКТВ.

Сборник предназначен для широкого круга специалистов.

ПРЕДИСЛОВИЕ

Развитие передающей телевизионной сети в стране сопровождалось совершенствованием приемной сети. Повсеместное распространение получили системы коллективного приема телевидения (СКПТ).

В целях проведения единой политики в области проектирования, строительства и эксплуатации таких систем Министерство связи СССР в 1965 году в издательстве «Связь» выпустило сборник «Антенные системы коллективного приема телевидения», который до последнего времени оставался практически единственной справочной технической документацией специально по СКПТ.

В последнее десятилетие в результате массового строительства зданий повышенной этажности, полного перевода передающей сети на цветное вещание, ввода мощных передающих станций и др. СКПТ перестали во многих случаях обеспечивать высококачественный прием. Начали внедряться крупные СКПТ (КСКПТ) и системы кабельного телевидения (СКТВ), к каждой из которых подключено от сотен до десятков тысяч абонентов.

Однако, из-за отсутствия для этих систем нормативно-технической документации не было единых требований к их монтажу, настройке, техобслуживанию, их технический уровень определялся опытом, накопленным конкретными проектными, строительно-монтажными, эксплуатационными и другими организациями, знаниями отдельных специалистов.

Необходимость широкого внедрения КСКПТ и СКТВ во многих городах страны, а также освоение промышленностью специального оборудования для СКТВ и КСКПТ, поставили остро вопрос о создании указанной документации.

Обеспечивая проведение единой технической политики в области развития приемной телевизионной сети в 1985-1987 гг., Министерством связи СССР был разработан ряд нормативных документов, помещенных в настоящем сборнике.

В их разработке участвовали ведущие специалисты различных организаций Министерства связи СССР: ОРПС, НИИР, ГСПИ, треста «Мостелефонстрой», ССКТБ, МЭИС, ЦНИИЛОТ. В работе приняли участие также ведущие специалисты ряда организаций Мосгорисполкома: Управления Моспроект-1 Главного архитектурно-планировочного управления и Главного управления жилищного хозяйства. Разработка нормативных документов осуществлялась под общим руководством ГКРУ Министерства связи СССР.

Все приведенные в сборнике нормативные документы по мере их подготовки были согласованы с заинтересованными ведомствами и организациями и утверждены Министерством связи СССР (за исключением «Руководящих технических материалов КСКПТ», утвержденных ГСПИ). Кроме того, «Инструкция по приемке в эксплуатацию КСКПТ» и «Типовой договор на техническое обслуживание КСКПТ» были также утверждены исполкомом Моссовета, «Инструкция по технике безопасности при техническом обслуживании КСКПТ» согласована с технической инспекцией труда ЦК профсоюзов работников связи, а «Методическое руководство по проектированию» согласовано с Госкомархитектурой при Госстрое СССР.

Материалы сборника, за исключением приложения, являются обязательными для применения всеми министерствами, ведомствами и организациями, осуществляющими проектирование, строительство, монтаж, настройку, эксплуатацию, техническое обслуживание КСКПТ и СКТВ на территории СССР. «Типовой договор на техническое обслуживание КСКПТ» является обязательным только в г. Москве. В других городах он может быть использован лишь как рекомендательный при разработке местных договоров.

Все нормативные документы разрабатывались на основе опыта проектирования, сооружения и технической эксплуатации КСКПТ в г. Москве и ряде других городов. В них учтена ближайшая перспектива развития подобных систем. Учитывая, что сборник выпускается впервые и материалы подготавливались неодновременно различными организациями, в отдельных случаях в разных материалах возможны некоторые непринципиальные разночтения, которые будут исключены при их переработке.

Сборник подготовлен к изданию сотрудниками ОРПС под руководством А.Л. Каневского.

Все предложения по совершенствованию отдельных материалов и сборника в целом необходимо направлять по адресу: 103375 г. Москва, ул. Горького, 7, Министерство связи СССР, Главное управление космической и радиосвязи.

Главное управление космической и радиосвязи

Министерства связи СССР

Перечень сокращений

АВР - автоматическое включение резерва

АЛ - абонентская линия

АМС - антенно-мачтовые сооружения

АПУ - абонентское присоединительное устройство

АРУ - автоматическая регулировка усиления

АРУ и Н - автоматическая регулировка усиления и наклона

АС - антенная система

AT - аттенюатор

АУ* - антенный усилитель

АЧХ - амплитудная частотная характеристика

БВС - блок выбора строки

БДП - блок дистанционного питания

БП - блок питания

БФТК - блок фильтров телевизионных канальных

ВГС - временная головная станция

ВКП - воздушно-кабельный переход

ВМ - ведомости потребности в материалах

ВРУ - вводно-распределительное устройство

ГОСТ - государственный стандарт

ГОЧ - генератор опорной частоты

ГС* - головная станция

ГТС - городские телефонные сети

ГЭМ - главэлектромонтаж

ДВ* - домовый ввод

ДРС* - домовая распределительная сеть

ДСП - древесно-стружечная плита

ДЭЗ - дирекция по эксплуатации зданий

ЗИП - запасные инструменты и приспособления

КЕО - коэффициент естественной освещенности

КЛ - кабельная линия

КПД - коэффициент полезного действия

КСКПТ - крупная система коллективного приема телевидения

КТ - контрольная точка

ЛГН - лаборатория госнадзора

ЛУ* - линейный усилитель

МЛ* - магистральная линия

МС* - магистральная сеть

МУ - магистральный усилитель

МУЛ - магистральный усилительный пункт

НОТ - научная организация труда

ОДС - объединенные диспетчерские службы

ОМ - ответвитель магистральный

ОПЗ - общая пояснительная записка

ОРПС - общесоюзная радиотелевизионная передающая станция им. 50-летия Октября Министерства связи СССР

ОРС* - ответвитель распределительной сети

П - проект

ПА* - приемная антенна

ПАК - присоединительная антенная коробка

ПВ - проводное вещание

ПДВ - пункт домового ввода

ПП - приемопередатчик

ППБ - правила противопожарной безопасности

ПС - паспорт

ПСД - проектно-сметная документация

ПСР - плановый средний ремонт

ПТО - периодическое техническое обслуживание

ПТЭ - правила технической эксплуатации

ПУЭ - правила устройства электроустановок

РА* - разветвитель абонентский

РД - рабочая документация

РП - рабочий проект

РТПС - радиотелевизионная передающая станция

PC* - распределительная сеть

РТО - регламентированное техническое обслуживание

СВТ - средство вещательного телевидения

СИ - средства измерения

СНиП - строительные нормы и правила

СКПТ - системы коллективного приема телевидения

СКТВ - система кабельного телевидения

СЛ - соединительная линия

СМЛ* - субмагистральная линия

СМР - строительно-монтажные работы

CMC* - субмагистральная сеть

СО - спецификация оборудования

ТВ - телевидение (телевизионный)

ТИТ - телевизионная испытательная таблица

ТО - техническое описание

ТУ - технические условия

ТУТ - термоусаживаемые трубки

ТЭ - техническая эксплуатация

ТЭО - технико-экономическое обоснование

УВДП - устройство ввода дистанционного питания

УДРС* - усилитель домовой распределительной сети

УПА* - устройство присоединительное абонентское

УР - усилитель радиодиапазона

УСС - устройство сложения сигналов

УЭИТ - универсальная электронная испытательная таблица

ФК - фильтр канальный

ЭТН - эксплуатационные технические нормы

* - определение терминов приведено в приложении 1 к Методическому руководству по проектированию.

ВРЕМЕННАЯ ИНСТРУКЦИЯ
ПО МОНТАЖУ КРУПНЫХ СИСТЕМ
КОЛЛЕКТИВНОГО ПРИЕМА ТЕЛЕВИДЕНИЯ (КСКПТ)
И СИСТЕМ КАБЕЛЬНОГО ТЕЛЕВИДЕНИЯ (СКТВ)

(утверждена 23.09.1986)

СОДЕРЖАНИЕ

Предисловие. 1

Перечень сокращений. 2

1. Общие положения. 5

2. Входной контроль оборудования и кабельной продукции. 6

2.1. Входной контроль оборудования. 6

2.2. Входной контроль кабельной продукции. 6

3. Приемка зданий, помещений и кабельной канализации под монтаж.. 10

3.1. Общие положения. 10

3.2. Приемка под монтаж при новом строительстве. 11

3.3. Приемка под монтаж в зданиях сложившейся застройки. 11

3.4. Проверка и уточнение места установки приемной антенной системы.. 11

4. Монтаж антенных систем.. 12

4.1. Организация работ. 12

4.2. Монтаж антенн типа АТКГ(В) повышенной помехозащищенности. 12

4.3. Монтаж канальных и диапазонных антенн для нормальных условий приема. 17

4.4. Монтаж нескольких антенн для приема по одному ТВ каналу. 17

5. Монтаж головных станций. 17

5.1. Размещение головных станций. 17

5.2. Монтаж ГС производства ВНР. 18

5.3. Монтаж ГС серии 100. 18

5.4. Монтаж ГС серии 200. 18

5.5. Монтаж дополнительных устройств. 18

6. Монтаж магистральной и субмагистральной сетей. 19

6.1. Прокладка кабелей. 19

6.2. Монтаж кабелей. 26

6.3. Монтаж оборудования. 31

7. Монтаж домовой распределительной сети. 32

7.1. Монтаж усилительного оборудования. 32

7.2. Монтаж линий домовой распределительной сети. 33

7.3. Монтаж абонентских вводов в квартиры.. 33

8. Включение кабелей в телевизионное оборудование. 34

8.2. Включение кабелей в оборудование ПО «Горизонт». 34

8.3. Включение кабелей в ГС и усилители VE-280H, VEE-280 производства ВНР. 34

8.4. Включение кабелей в оборудование БФТК, ОТТУ-6, ОТТУ-2.2, ФТД, AT, КС, УТС, РУМ, УАР-6.1. 35

Приложение 1 Таблица пересчета импульсных сопротивлений растеканию тока заземлителей устройства молниеотвода на сопротивление растеканию тока промышленной частоты.. 37

Приложение 2 Протокол измерений величины КСВн кабеля. 37

Приложение 3 Протокол измерений коэффициента затухания кабеля. 37

Приложение 4 Кабели для приемных систем телевидения. 38

ПРИЛОЖЕНИЯ К СБОРНИКУ.. 41

Приложение 1 Нормативные, инструктивные, справочные и другие документы, рекомендуемые при проектировании и эксплуатации КСКПТ. 41

Приложение 2 Временный типовой договор на техническое обслуживание крупных систем коллективного приема телевидения (КСКПТ) 43

Приложение 3 Приложение к договору. 48

Приложение 4 Инструкция для диспетчеров ДЭЗ при получении заявок на неисправность КСКПТ. 49

Приложение 5 Информация о конвертировании каналов. 50

1. ОБЩИЕ ПОЛОЖЕНИЯ

1.1. Настоящая инструкция регламентирует порядок монтажа КСКПТ и СКТВ, именуемыми далее по тексту «системами».

1.2. Данной инструкцией должны руководствоваться проектные, строительные, строительно-монтажные, эксплуатационные организации и организации, занимающиеся техническим обслуживанием, участвующие в производстве и приемке работ по системам.

1.3. Требования настоящей инструкции должны соблюдаться при строительстве новых и реконструкции действующих систем.

1.4. При производстве работ кроме требований настоящей инструкции должны соблюдаться требования, предусмотренные Государственными стандартами (ГОСТами), техническими условиями (ТУ) и технической документацией предприятий-изготовителей оборудования, кабелей и других применяемых изделий.

1.5. Работы должны производиться в соответствии с проектно-сметной документацией и входящими в нее проектами организации строительства и производства работ.

1.6. Проектно-сметная документация (ПСД) утверждается в установленном порядке. Отклонения от ПСД должны быть согласованы с заказчиком, проектной организацией и организацией, занимающейся техническим обслуживанием систем.

1.7. Категория надежности электроснабжения оборудования систем определяется проектом в соответствии с ПУЭ.

1.8. Монтаж систем осуществляется по проектной документации, разработанной в установленном порядке и согласованной с организацией, осуществляющей техническое обслуживание систем, в соответствии с инструкцией Министерства связи СССР «О порядке и объеме выдачи исходных данных для проектирования КСКПТ и СКТВ и согласовании выполненных проектов».

1.9. Места и способы установки оборудования и прокладки кабелей, электропитание оборудования и другие вопросы монтажа систем, не оговоренные настоящей инструкцией, должны согласоваться с организацией, осуществляющей техническое обслуживание, и заказчиками.

2. ВХОДНОЙ КОНТРОЛЬ ОБОРУДОВАНИЯ И КАБЕЛЬНОЙ ПРОДУКЦИИ

До начала монтажных работ оборудование, материалы и кабельная продукция должны быть подвергнуты входному контролю в соответствии с настоящей инструкцией.

Оборудование и кабели, не имеющие соответствующей документации, к входному контролю не допускаются.

Все оборудование и кабели подвергаются внешнему осмотру и проверке на соответствие сопроводительной документации.

Оборудование должно позволять сдавать системы в эксплуатацию с действующими гарантийными сроками на него не менее половины от установленного техническими условиями или другими документами.

В противном случае заказчик обязан решить с заводом-изготовителем оборудования или поставщиком вопрос о соответствующем продлении гарантийных сроков.

2.1. Входной контроль оборудования

Оборудование подлежит контролю по следующим параметрам на соответствие паспортным данным.

2.1.1. Головные станции подлежат контролю по:

номинальным выходным уровням;

работоспособности системы АРУ (при наличии АРУ);

значениям частот и уровням пилот-сигналов (при наличии пилот-сигналов);

работоспособности системы резервирования (при наличии системы резервирования).

2.1.2. Усилители телевизионные магистральной и субмагистральной сетей подлежат контролю по:

неравномерности АЧХ в рабочем диапазоне частот;

коэффициенту усиления;

работоспособности системы АРУ (при наличии АРУ).

Примечание. Входной контроль по перечисленным параметрам осуществляется в соответствии с техническими условиями.

2.1.3. Усилители домовой сети подлежат контролю по:

коэффициенту усиления;

АЧХ.

2.2. Входной контроль кабельной продукции

2.2.1. Все 100 % кабелей до прокладки подвергаются испытанию на целостность проводников (отсутствие их обрыва) и на отсутствие сообщения проводников между собой.

Кабели, не имеющие паспорта (сертификата), и кабели, срок сохранности которых превысил максимально допустимый, установленный соответствующим ГОСТом или ТУ, подвергаются проверке по следующим электрическим параметрам:

неравномерности волнового сопротивления, выраженной величиной КСВН в рабочем диапазоне частот;

коэффициента затухания.

Нормы на параметры кабелей, используемых для КСКПТ, приведены в табл. 1.

Таблица 1

Марка кабеля

Параметры

 

срок сохраняемости**, лет

волновое сопротивление, Ом

величина КСВН

коэффициент затухания

 

пиковое значение, не более

фоновое значение, не более

в диапазоне частот, ГГц

величина, дБ/м

при частоте, ГГц

 

РК-75-17-13с

20

75±3,5

1,35

1,15

0,03-0,27

0,051

0,2

 

РК-75-17-12

8(5)

75±5

Не нормируется

 

0,18

1,0

 

PK-75-11-11c

20

75±3,5

1,35

1,15

0,03-0,27

0,068

0,2

 

РК-75-9-12

8(5)

75±5

Не нормируется

 

0,12*

0,2

 

РК-75-4-113

20

75±5

То же

 

0,17

0,2

 

РК-75-4-112

12(5)

75±5

То же

 

0,2*

0,2

 

РК-75-4-11

12(5)

75±5

То же

 

0,18*

0,2

 

* Указаны значения на период приемки и поставки.

** Срок сохраняемости исчисляется с момента приемки кабеля; первое число означает общий срок сохранности кабеля, а второе (в скобках) - допустимое из этого срока время - хранение под навесом.

Примечания: 1. Входной контроль кабеля по перечисленным параметрам осуществляется в соответствии с техническими условиями.

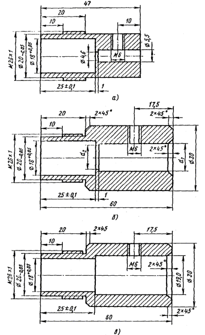
2. При измерениях концы измеряемых кабелей необходимо армировать специальными разъемами, которые согласуются со стандартными разъемами. Чертежи разъемов для разных марок кабелей приведены на рис. 2.1-2.4. Разъемы для разделки конца кабеля при армировании разъемом показаны на рис. 2.5.

Рис. 2.1. Корпус разъема. Материал - латунь:

а) - для кабелей абонентских марок: PK-75-4-11, РК-75-4-112, РК-75-4-113; б) - для кабелей распределительных марок: РК-75-9-12 d1=10,3 d2=9 PK-75-11-11с d1=13,2 d2=11; в) - для кабелей магистральных марок: РК-75-17-12, РК-75-17-13с

Рис. 2.2. Центральная втулка разъема. Материал - латунь:

а) - для кабелей абонентских марок: РК-75-4-11, РК-75-4-112, РК-75-4-113; б) - для кабелей марок: РК-75-9-12 d1=1,32; РК-75-11-11с d1=1,85; РК-75-17-12 и PK-75-17-13c d1=2,7

Рис. 2.3. Шайба. Материал - фторопласт-4 или полиэтилен

Рис. 2.4. Соединение кабеля с разъемом.

1 - центральная втулка разъема; 2 - шайба; 3 - центральный проводник кабеля; 4 - корпус разъема; 5 - изоляция кабеля; 6 - винт М6; 7 - внешний проводник кабеля; 8 - оболочка кабеля

Рис. 2.5. Разделка концов кабелей для армирования разъемами:

а) - абонентские; б) - распределительные и магистральные

3. ПРИЕМКА ЗДАНИЙ, ПОМЕЩЕНИЙ И КАБЕЛЬНОЙ КАНАЛИЗАЦИИ ПОД МОНТАЖ

3.1. Общие положения

3.1.1. До начала монтажа оборудования должны быть приняты общестроительные работы, выполненные в зданиях, и кабельная канализация в целом, а также отдельные помещения в составе, обеспечивающем монтаж комплекса оборудования, хранение принятого оборудования и материалов.

3.1.2. Требования к помещениям, предназначенным для установки оборудования систем и к кровлям.

3.1.2.1. АМС должны устанавливаться на плоских горизонтальных кровлях. В случае необходимости кровля здания должна быть усилена по рекомендации проектной организации. Антенны могут также устанавливаться на отдельно стоящих на земле мачтах.

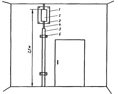
3.1.2.2. Головные станции должны устанавливаться в специально отведенных помещениях*, площадью не менее 10 м2 и высотой не менее 2,5 м. Помещения должны быть обеспечены: электроснабжением от отдельного ввода и занулением, электроосвещением и соответствовать требованиям ТУ на оборудование и нормы СНиП на технологические помещения с обслуживающим персоналом.

* Как правило в квартирах на первых этажах зданий с обеспечением охранной сигнализацией.

3.1.2.3. Электроснабжение помещения ГС должно быть выполнено от отдельного ВРУ собственной линией трехжильным проводом сечением не менее 2,5 мм2 с установкой в помещении ГС автомата ввода с током срабатывания 6 А.

3.1.2.4. Усилители магистральных, субмагистральных и домовых сетей должны устанавливаться в служебных помещениях или в подъездах в специальных шкафах, обеспеченных электроснабжением и электроосвещением, в соответствии с ТУ на оборудование.

3.1.3. Требования к местам прокладки кабеля.

3.1.3.1. Коллекторы, в которых прокладываются кабели, должны соответствовать требованиям СНиП.

3.1.3.2. Трассы прокладки кабелей магистральных и субмагистральных сетей должны соответствовать проекту и «Общей инструкции по строительству линейных сооружений ГТС» (8).

3.1.4. До устройства воздушных кабельных линий должны быть выполнены работы согласно проекту и «Общей инструкции по строительству линейных сооружений ГТС».

3.2. Приемка под монтаж при новом строительстве

3.2.1. Приемка под монтаж объекта может осуществляться поэтапно согласно проекту.

3.2.2. В зданиях должны быть закончены общестроительные работы.

3.3. Приемка под монтаж в зданиях сложившейся застройки

3.3.1. Не допускается включение в зону действия систем зданий, подлежащих сносу или капитальному ремонту с выселением в течение 5 лет со дня сдачи системы в эксплуатацию по сведениям владельцев зданий (указывается в задании на проектирование).

3.4. Проверка и уточнение места установки приемной антенной системы

3.4.1. Проверка предусмотренного проектом места установки антенн производится при помощи испытательных антенн.

3.4.2. Уточнение места производится с целью получения требуемого качества ТВ-изображения по каждому ТВ каналу. При наличии нескольких антенн настройка осуществляется последовательно для каждой антенны, используемой в системе.

3.4.3. Порядок работ по уточнению места установки АМС.

3.4.3.1. Установить испытательные антенны в точках, предусмотренных проектной документацией, подключить к кабелю снижения измерительный приемник и, вращая верхнюю часть мачты с антенной, зафиксировать положение антенны, при котором отмечается наибольший уровень радиосигнала несущей изображения. Измерить уровень радиосигнала.

3.4.3.2. Подключить к кабелю снижения вместо измерительного приемника телевизионный приемник и провести субъективную оценку качества изображения.

Примечание к пп. 3.4.3.1., 3.4.3.2. Работы удобно производить с помощью прибора, обеспечивающего возможность одновременного измерения уровня радиосигнала и контроля качества ТВ-изображения.

3.4.3.3. Если проектом предусматривается установка сдвоенных антенн, измерение уровней и проверка качества изображения производится в каждой из точек, предусмотренных проектом.

3.4.3.4. При соответствии уровней радиосигнала и качества ТВ изображении допустимым значениям производится поканальная проверка всей антенной системы с целью выявления взаимного влияния антенн.

Примечание. Допустимыми являются значения уровней радиосигналов, обеспечивающих получение на входе ГС номинальных уровней напряжения. Оценка качества ТВ-изображения должна быть не ниже 4,5 баллов.

3.4.3.5. При выполнении условий п. 3.4.3.4. выбор места установки антенной системы считается законченным.

3.4.3.6. В случае, когда по одному или ряду каналов субъективная оценка качества телевизионного изображения ниже 4,5 баллов или уровень радиосигнала меньше допустимого, необходимо приступить к отысканию новых точек установки антенн.

3.4.4. Отыскание точек производится на кровле здания, где проектом предусматривается установка ГС, в соответствии с инструкцией по настройке крупных систем коллективного приема телевидения (КСКПТ) и систем кабельного телевидения (СКТВ) и составлении протокола.

3.4.5. Если работы по п. 3.4.4. дали положительный результат, проводятся мероприятия по пп. 3.4.3.4., 3.4.3.5.

3.4.6. В случае отсутствия точки установки антенных сооружений, где может быть обеспечен качественный прием с номинальными уровнями радиосигнала на входе ГС, по согласованию с заказчиком при участии проектной организации производится новый выбор места установки антенных сооружений в пределах проектной зоны с последующей корректировкой проекта.

3.5. При поэтапном монтаже и вводе в эксплуатацию систем, вначале должны быть смонтированы и настроены антенная система, головная станция, магистральная и субмагистральная распределительные сети, усилители домовых распределительных сетей. Затем, по мере монтажа стояков домовых распределительных сетей, они должны подключаться к усилителям.

4. МОНТАЖ АНТЕННЫХ СИСТЕМ

4.1. Организация работ

4.1.1. Меры безопасности при выполнении работ по монтажу антенных систем определяются «Правилами техники безопасности при сооружении и эксплуатации радиопредприятий» и «Временной инструкцией по технике безопасности при проведении работ по монтажу и настройке крупных систем коллективного приема телевидения».

4.1.2. Молниезащита АС

4.1.2.1. При установке АС они оборудуются устройствами молниезащиты, состоящими из молниеприемника-антенны, токоотводов и заземлителя. Все работы выполняют в соответствии с ВСН-1-77, СН-305-77 и другими нормативными документами.

4.1.2.2. Токоотводы для соединения антенны с заземлителем изготовляют из стальной проволоки диаметром 7 мм или из стальной полосы сечением 4´40 мм. Для этой же цели может быть использован стальной трос сечением не менее 35 мм2. Токоотводы прокладывают снаружи домов в местах, малодоступных для людей и животных. Для предохранения от коррозии они должны быть оцинкованы, полужены или окрашены. Токоотвод, прокладываемый по кровле, должен быть прикреплен к ней и покрыт двумя слоями битума. Допускается использовать под токоотводы металлические конструкции домов: колонны, рамы, пожарные лестницы, стенки резервуаров, арматуру железобетонных элементов и др. конструкции. При наличии на доме, на котором устанавливается антенна, собственной молниезащиты, токоотвод можно соединить с этой молниезащитой.

4.1.2.3. При прокладке молниеотвода по стене здания его прикрепляют при помощи скоб на расстоянии 1,5-2,0 м друг от друга. На кровле здания молниеотвод крепится к башмаку мачты сваркой. Второй конец токоотвода соединяют с имеющимся на здании контуром молниезащитного заземлителя внахлестку сваркой. Длина нахлестки должна быть равной ширине проводника при прямоугольном сечении и шести диаметрам - при круглом сечении. Сварку выполняют по периметру нахлестки. Длина сварного шва должна быть не менее двойной ширины при прямоугольном сечении и шести диаметрам - при круглом сечении проводников.

Примечание. Допускается крепление токоотводов к заземлителю болтовым соединением с помощью болта диаметром 10 мм. Соединение должно быть надежным и защищено от коррозии.

4.1.2.4. При отсутствии на здании молниезащитного заземлителя его устанавливает «Генподрядчик».

4.1.2.5. Генподрядчик обязан представить монтажной организации протокол испытаний молниезащиты. Нормы указаны в приложении 1.

4.2. Монтаж антенн типа АТКГ(В) ... повышенной помехозащищенности

4.2.1. Сборка, установка и ориентировка антенн I, II, III телевизионных диапазонов частот (рис. 4.1, 4.2).

4.2.1.1. Проверяют наличие узлов и деталей каждой антенны, мачты и передвижной конструкции крепления мачты с телевизионной антенной (далее «передвижная конструкция», рис. 4.3) согласно сопроводительной документации на эти изделия.

4.2.1.2. Детали антенн, мачт и передвижных конструкций переносят на место сборки (монтажа), расположенное поблизости от места их установки. Так как антенны I и II телевизионных диапазонов частот имеют большие геометрические размеры, их сборку следует производить на кровле вблизи мест их установки. Антенны III телевизионного диапазона частот из-за меньших габаритных размеров могут быть собраны на земле и перенесены к месту установки при использовании обычных путей выхода на крышу.

Примечание. Место установки антенн выбирается до начала их монтажа в соответствии с настоящей инструкцией, п. 3.4.

4.2.1.3. Снимают крышку ПАК и припаивают кабель снижения к лепесткам. Пайку выполняют припоем ПОС 40, ПОС 61, применяя бескислотный флюс. Закрывают крышку ПАК.

4.2.1.4. Собирают каждую из используемых в системе антенн согласно паспорту и инструкции по эксплуатации.

4.2.1.5. Согласно паспорту собирают мачту.

4.2.1.6. Закрепляют в отверстиях фланца мачты концы оттяжек.

4.2.1.7. Передвижную конструкцию собирают и устанавливают согласно проектной документации.

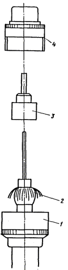
Рис. 4.1. Общий вид канальной антенны повышенной помехозащищенности I, II ТВ диапазонов:

1 - стрела; 2 - директоры; 3 - вибратор петлевой; 4 - элементы рефлектора; 5 - стойки крепления элементов рефлектора; 6 - кронштейн крепления петлевого вибратора к стреле; 7 - кронштейн крепления стоек рефлектора к стреле; 8 - кронштейн крепления директоров и элемента рефлектора к стреле; 9 - кронштейн крепления элементов рефлектора к стойке рефлектора; 10 - кронштейн крепления стрелы к мачте; 11 - устройство ПАК; 12 - мачта

4.2.1.8. Монтируют основание мачты в башмаке, закрепленном на передвижной конструкции (см. рис. 4.3).

4.2.1.9. Собранную антенну с помощью узла крепления устанавливают на мачте на заданной высоте.

Примечание. Если на одной мачте предусматривается установка нескольких антенн, каждая антенна собирается в соответствии с настоящей инструкцией и крепится на мачте. Разнос антенн I, II и III диапазонов по высоте должен быть не менее 1,2 м.

4.2.1.10. Пропускают кабель (кабели) снижения внутри мачты через отверстие в верхней секции.

Рис. 4.2. Общий вид канальной антенны повышенной помехозащищенности III ТВ диапазона:

1 - стрела; 2 - директоры; 3 - вибратор петлевой; 4 - элементы рефлектора; 5 - стойки крепления элементов рефлектора; 6 - кронштейн крепления петлевого вибратора к стреле; 7 - кронштейн крепления стоек рефлектора к стреле; 8 - кронштейн крепления директоров и элемента рефлектора к стреле; 9 - кронштейн крепления элементов рефлектора к стойке; 10 - кронштейн крепления стрелы к мачте; 11 - устройство ПАК-1; 12 - мачта

4.2.1.11. Производят подъем мачты с установленной на ней антенной (антеннами), закрепляют на передвижной конструкции концы оттяжек, натягивая оттяжки талрепами, выставляют мачту вертикально.

4.2.1.12. Кабель снижения подключают к измерительному ТВ приемнику и производят ориентировку антенны по максимальному уровню радиосигнала с учетом качества изображения, путем вращения верхней части мачты.

4.2.1.13. Затягивают болт, фиксирующий положение телескопического стакана верхней части мачты относительно нижней секции мачты.

4.2.1.14. Проходящий по кровле кабель снижения заключают в металлорукав типа РЗПХ или металлическую трубу, прикрепленную к кровле и стенам здания.

4.2.2. Сборка, установка и ориентировка антенн IV, V телевизионных диапазонов частот.

4.2.2.1. Выполняют операции пп. 4.2.1.1., 4.2.1.2.

4.2.2.2. Подключают к антенне кабель снижения. С этой целью: в антенне типа «волновой канал» (рис. 4.4) снимают крышку устройства ПАК-Д и припаивают кабель снижения к устройству ПАК-Д. Пайку выполняют припоем ПОС 40, ПОС 61, применяя бескислотный флюс. Закрывают устройство ПАК-Д крышкой и подключают его к концам петлевого вибратора с помощью винтов;

в логопериодической антенне (рис. 4.5) отвертывают колпачок пластмассовой коробки 13, установленной на конце фидера. Пропускают конец кабеля снижения внутрь той трубки фидера, у которой на конце установлены 2 лепестка для подпайки оплетки кабеля.

Рис. 4.3. Передвижная конструкция крепления мачты

Рис. 4.4. Общий вид антенны АТКГ (В) - 5.1.21-41.0:

1 - стрела; 2 - директоры; 3 - стойка крепления элементов рефлектора; 4 - элементы рефлектора; 5 - кронштейн крепления стойки рефлектора; 6 - кронштейн крепления стрелы к мачте; 7 - вибратор петлевой; 8 - устройство ПАК-Д

Рис. 4.5. Общий вид логопериодической антенны IV, V ТВ диапазонов:

1 - стрела верхняя; 2 - стрела нижняя; 3 - вибраторы; 4 - кронштейн крепления антенны к мачте; 5 - кабель снижения; 6 - мачта; 7 - обойма (винтовой зажим); 8 - пластмассовая коробка

Рис. 4.6. Схема подключения вибраторов антенн IV, V ТВ диапазонов частот

Разделывают кабель снижения согласно разделу настоящей инструкции и припаивают к лепесткам согласно схеме рис. 4.6. Пайку выполняют припоем ПОС 40, ПОС 61, применяя бескислотный флюс. Завертывают колпачок пластмассовой коробки на конце фидера.

4.2.2.3. Антенны собирают в соответствии с технической документацией.

Рис. 4.7. Общий вид сдвоенной антенны крепления сдвоенной антенны на одной мачте:

1 - антенна АТКГ(В); 2 - мачта; 3 - оттяжки; 4 - кронштейн; 5 - соединительный кабель; 6 - кабели снижения 1 и 2 антенн

4.2.2.4. Выполняют операции по пп. 4.2.1.5 - 4.2.1.15.

Примечание. Расстояние до антенн IV-V ТВ диапазонов от других антенн не должно быть меньше 0,6 м.

4.3. Монтаж канальных и диапазонных антенн для нормальных условий приема

4.3.1. Монтаж антенн осуществляется в соответствии с технической документацией. Последовательность операций по монтажу в соответствии с разделом 4.2.

4.4. Монтаж нескольких антенн для приема по одному ТВ каналу

4.4.1. В случаях, определяемых проектом, для приема радиосигнала по каждому ТВ каналу могут быть установлены несколько однотипных антенн. При этом монтаж таких антенных систем производится в строгом соответствии с проектом, согласно разделу 4.2 настоящей инструкции и должен обеспечивать возможность фазирования антенн каждого ТВ канала в соответствии с «Временной инструкцией по настройке КСКПТ и СКТВ»* (раздел «Настройка антенных систем»).

* Приводится в настоящем сборнике.

4.4.2. Устройство сложения сигналов должно устанавливаться в помещении головной станции.

Подключение кабелей к УСС производится в соответствии с гл. 8 настоящей инструкции и технической документацией на УСС.

5. МОНТАЖ ГОЛОВНЫХ СТАНЦИЙ

5.1. Размещение головных станций

Головная станция системы монтируется в специально отведенном для ее установки помещении.

5.2. Монтаж ГС производства ВНР

5.2.1. Монтаж ГС производится в соответствии с документацией завода-изготовителя.

5.2.2. Головная станция устанавливается на столе с учетом свободного доступа к органам управления и настройки.

5.2.3. Укрепляют конверторы и блок питания с помощью штатных винтов.

5.2.4. Монтируют разъемы, входящие в комплект ГС на выходные кабели согласно гл. 8 настоящей инструкции.

5.2.5. Проводят внутренний монтаж ГС в соответствии с документацией завода-изготовителя.

5.2.6. Подключают разъемы к соответствующим антенным входам ГС.

5.2.7. Разделывают и подключают магистральный кабель к выходу ГС в соответствии с гл. 8 настоящей инструкции.

5.2.8. Производят соединение корпуса ГС с глухозаземленной нейтралью в соответствии с ПУЭ и проектом.

5.3. Монтаж ГС серии 100

5.3.1. Снимают защитный кожух головной станции.

5.3.2. Шасси головной станции устанавливают на стене с помощью трех забетонированных шпилек М10 (длина выступающей из стены части шпилек должна быть не менее 35 мм).

Допускается установка ГС на металлической раме, надежно закрепленной на стене.

ГС устанавливается на высоте 0,7-1 м от пола помещения до нижней кромки шасси таким образом, чтобы обеспечивалось удобство монтажа и обслуживания.

5.3.3. Подключают кабели снижения к входным фильтрам и закрепляют их скобкой на шасси.

5.3.4. Производят соединение клеммы «земля» ГС с глухозаземленной нейтралью в соответствии с ПУЭ и проектом.

5.3.5. Подключают устройство ввода УВ-100 и монтируют в него магистральный кабель в соответствии с паспортом на ГС.

5.3.6. Подключают сетевой шнур к блоку питания (не подключая вилку шнура к сети 220 В).

5.3.7. Закрывают ГС защитным кожухом.

5.4. Монтаж ГС серии 200

5.4.1. Укрепляют в полу помещения ГС четыре шпильки с резьбой М10 и производят монтаж и установку ГС в соответствии с паспортом, на ГС.

ГС устанавливается таким образом, чтобы при открытой задней двери и выдвинутых блоках расстояние от ГС до стен помещения было не менее 0,7 м, а также обеспечивалось удобство монтажа и обслуживания.

5.4.2. Производят соединение одной из клемм заземления, установленных в дне стойки станции с глухозаземленной нейтралью в соответствии с ПУЭ и проектом.

5.4.3. Устройство ввода УВ-100, входящее в комплект ГС, монтируется в соответствии с паспортом на ГС и устанавливается на предварительно закрепленном листе ДСП на высоте 0,7-1,7 м от пола помещения ГС.

5.5. Монтаж дополнительных устройств

5.5.1. В случаях, предусмотренных проектом, при подаче сигнала на вход оборудования головных станций могут быть применены дополнительные устройства, обеспечивающие качественную работу систем.

К ним относятся:

фильтры канальные телевизионные,

аттенюаторы,

прочие устройства.

5.5.2. Дополнительные устройства устанавливаются в специальном помещении, где расположена головная станция, и закрепляются на листе ДСП в соответствии с проектной документацией. Лист ДСП надежно крепят к вертикальной стене таким образом, чтобы был обеспечен свободный доступ к оборудованию для удобного монтажа и обслуживания. Размещенное оборудование должно находиться на высоте от 0,7 до 1,7 м от пола.

5.5.3. Крепление дополнительных устройств к листу ДСП производят шурупами за все штатные места крепления. Соединительные кабели должны быть закреплены и проложены таким образом, чтобы обеспечивалось удобство монтажа и обслуживания.

5.5.4. Кабели, приходящие на головную станцию и на дополнительное оборудование, должны быть промаркированы в соответствии с номером канала, диапазона и номером мачты.

5.5.5. Включение кабелей в устройства производится в соответствии с требованиями гл. 8 настоящей инструкции.

6. МОНТАЖ МАГИСТРАЛЬНОЙ И СУБМАГИСТРАЛЬНОЙ СЕТЕЙ

6.1. Прокладка кабелей

6.1.1. Общая часть.

Прокладка магистральных и субмагистральных кабелей для систем должна осуществляться с максимальным использованием существующих коллекторов, телефонной канализации, технических подполий, чердаков (технических этажей) зданий, вертикальных каналов электропанелей.

При отсутствии необходимых коммуникаций или невозможности их использования должна предусматриваться собственная канализация телевидения.

В отдельных случаях, при соответствующем обосновании в проектной документации, допускается устройство воздушных кабельных переходов по согласованию с организацией, проводящей техническое обслуживание.

При прокладке кабелей должна выбираться трасса наименьшей протяженности с наименьшим количеством соединений.

Кабели в местах соединений и подключения к оборудованию маркируются с указанием адреса цепи.

При производстве всех работ по прокладке и монтажу кабелей следует руководствоваться «Правилами техники безопасности при работах на кабельных линиях связи и проводного вещания» (М.: Связь, 1979), а также разделом 1.22 «Общей инструкции по строительству линейных сооружений ГТС» (М.: Связь, 1978), «Общими правилами ТБ для радиопредприятий» и «Временной инструкцией по ТБ при техническом обслуживании на КСКПТ»*.

* - Приводится в настоящем сборнике.

6.1.2. Прокладка кабелей в подземной кабельной канализации.

Прокладка кабелей в подземной кабельной канализации осуществляется так же, как и кабелей связи, в соответствии с гл. 4 «Общей инструкции по строительству линейных сооружений ГТС» (8).

Перед прокладкой по проекту определяют всю длину трассы с целью распределения и использования как можно больших строительных длин кабеля для сокращения количества соединителей. Определяют месторасположение соединителей и количество транзитных колодцев.

Телевизионные кабели прокладывают согласно проекту как в свободные, так и в занятые каналы, номера которых определяют по рабочему чертежу.

До начала прокладки производят подготовку канализации. Заготавливают каналы, используя имеющиеся средства: металлические винтовые палки, пластмассовые трубки, прутки и пр. В качестве, заготовки используют стальную оцинкованную проволоку диаметром 3 мм. Затягивание кабеля в пролеты длиной до 150 м производят вручную, свыше 150 м - при помощи ручной лебедки. Разматывание кабеля при подаче его в колодец производят, как правило, с барабана, установленного возле люка колодца. Предварительная раскатка кабеля с последующим затягиванием допускается только на коротких участках. Для защиты поступающего в колодец кабеля применяют обычные средства: колена различной конструкции, гибкие трубы, предохранительные трубки или воронки и т.д. Затягивание кабеля производят облегченными стальными кабельными чулками или за наконечник. Компенсатор кручения в данном случае не устанавливается.

ТУ 45-79. АХПО, 444.000 ТУ

Типоразмер чулка

Диаметр кабеля, мм

ЧТК-К 15

13-17

ЧТК-К 20

18-26

При протяжке скорость тяжения должна быть постоянной и не превышать 30 м/мин.

Затягивание кабелей допускается при температуре не ниже минус 10 °С. При более низких температурах необходимо обеспечить предварительный прогрев кабеля на барабане.

При протяжке кабеля через несколько пролетов, в каждом колодце должен быть рабочий, обеспечивающий предохранение кабеля от повреждения при выходе и входе в канал, а также для подтягивания кабеля.

В случае возникновения необходимости замены кабеля его вытягивают из канализации вручную или с помощью ручной лебедки.

6.1.3. Прокладка кабелей в коллекторах.

До начала прокладки по проекту определяют протяженность трассы и в соответствии с этим определяют способ прокладки. При прокладке кабель подают через люк, выходящий на поверхность земли. При небольшой длине трассы кабель выносят вдоль всего коллектора на руках бригадой рабочих и укладывают на консоли. При большой длине трассы кабель протягивают по роликам, установленным на полу коллектора. Место расположения кабеля на консолях должно быть определено рабочими чертежами.

Прокладка и крепление кабелей в глубоких коллекторах и вертикальной плоскости на спусках и подъемах должны определяться отдельными проектными решениями.

6.1.4. Устройство подземного ввода кабеля в здание.

Уличная подземная кабельная канализация вводится непосредственно в подвал или техническое подполье здания. В случае отсутствия непосредственного ввода в здание или невозможности прокладки кабеля по подвалу (техподполью), кабель выводится из подземной канализации по трубопроводу на наружные стены дворовых или боковых фасадов зданий и далее проходит открытой прокладкой по стене здания.

В технические подполья, в которые осуществляется ввод кабеля, должен быть обеспечен беспрепятственный доступ обслуживающего персонала.

6.1.5. Прокладка кабелей в технических подпольях и по техническим этажам.

Кабели в технических подпольях, по техническим этажам в зависимости от серии здания, с учетом требований по климатическим условиям, механическим воздействиям, электро- и пожаробезопасности, а также требований по проведению ремонтно-восстановительных работ, прокладывают:

на стальных сварных лотках,

на подвесках из оцинкованной стали,

в металлорукавах,

в пластмассовых и отдельных случаях - стальных трубах,

открыто по стенам.

6.1.6. Подвеска кабелей на стоечных воздушных переходах.

Подвеска кабеля на стоечных воздушных переходах должна осуществляться в соответствии с разделом 8.7 «Общей инструкции по строительству линейных сооружений ГТС» [8].

6.1.7. Способы прокладки кабелей.

6.1.7.1. Прокладка кабелей на стальных лотках и полках производится на уже имеющихся, предусмотренных рабочей документацией лотках и полках или на вновь устанавливаемых конструкциях.

Лотковые магистрали нужной длины составляют из отдельных лотков, соединяемых между собой при помощи поставляемых в комплекте с лотками соединительных деталей.

Расстояние от лотковых магистралей до потолков и перекрытий, а также между магистралями должно быть не менее 200 мм, а от уровня пола до низа конструкции - не менее 1300 мм.

Рис. 6.1. Пример прокладки кабеля на лотках по раскатным роликам

Рис. 6.2. Примеры крепления проложенного в лотках кабеля:

а) - полосками; б) - скобами; в) - пряжками

При сближении и пересечении лотков с трубопроводами должны быть выдержаны минимальные расстояния от них до ближайшего кабеля или провода.

При прокладке кабели сматывают с барабанов и выносят вдоль лотковой магистрали, а затем укладывают на лотки. При большой протяженности магистрали кабели протягивают по раскатным роликам, укрепленным на лотках, с последующей перекладкой на них кабеля. Раскатные ролики устанавливают вдоль лотковой магистрали на расстоянии не более 10 метров один от другого на прямом участке, а также на концах, поворотах, подъемах и спусках. Протяжку кабеля вдоль лотковой магистрали производят с помощью лебедки или вручную.

Прокладку кабелей на лотках, расположенных на большой высоте, целесообразно производить с помощью «непрерывного троса», который протягивают проводом типа ПЭУ-2 вдоль магистрали по роликам, укрепленным на лотковых конструкциях.

Радиус изгиба лотков должен обеспечивать соблюдение требований в отношении допустимого радиуса изгиба кабелей, прокладываемых по лоткам. Пример прокладки кабеля на лотках показан на рис. 6.1.

Крепятся кабели в лотках стальными полосками, пряжками, перфорированными лентами с кнопками, скобами различных типов. Примеры крепления проложенного в лотках кабеля показаны на рис. 6.2.

Для крепления кабелей на сварных лотках, проложенных вертикально (на ребро) по горизонтальной трассе, применяются стальные подвески. Пример крепления кабеля на подвесках показан на рис. 6.3.

Рис. 6.3. Пример крепления кабеля на стальных подвесках

6.1.7.2. Прокладка кабелей в металлорукавах, пластмассовых и в стальных трубах.

Для механической защиты кабели прокладываются в металлорукавах, пластмассовых и в отдельных случаях в стальных трубах. При прокладке кабелей на участках до 10 метров кабель проталкивают без предварительной заготовки канала. На участках большей длины методика затяжки кабеля в канал такая же, как и при прокладке в телефонную канализацию. В виде заготовки используется стальная оцинкованная проволока диаметром 3-4 мм. Затягивают кабели непосредственно заготовочной проволокой, прикрепляемой к концу кабеля проволочным бандажом (рис. 6.4). Для этой же цели можно использовать облегченные стальные чулки.

Рис. 6.4. Пример крепления заготовочной проволоки

Рис. 6.5. Примеры заготовки металлорукавов для защиты кабеля:

1 - металлорукав типа РЗ-Ц-Х; 2 - втулка типа ВО; 3 - соединитель «металлорукав-труба» типа СМТ; 4 - соединитель «металлорукав-короб» типа СМК. l - длина металлорукава, определяемая по длине участка, на котором он должен устанавливаться

Концы металлорукавов, в которые прокладывают кабель, должны иметь оконечные заготовки, показанные на рис. 6.5.

6.1.7.3. Открытая прокладка кабелей.

В зданиях, не имеющих специальных закладных устройств, кабели прокладывают открыто по стенам зданий.

Рис. 6.6. Пример прокладки кабелей по подполью в винипластовых трубах и металлорукавах:

1 - кабель телефонный; 2 - кабель радиочастотный; 3 - дюбель ДГ; 4 - основание одиночной полки; 5 - полка; 6 - скоба с болтом и гайкой; 7 - труба защитная винипластовая; 8 - муфта-компенсатор; 9 - шкаф распаечный; 10 - металлорукав с соединителем СМК

Прокладка должна выполняться в соответствии с разд. 9.15 «Общей инструкции по строительству линейных сооружений ГТС» [8]. В состав основных работ входит:

определение трассы прокладки,

разметка (разбивка) трассы и точек крепления кабеля,

пробивка сквозных отверстий в местах прохода сквозь стены и перекрытия,

штробление угловых переходов,

установка (подготовка) крепежных деталей,

прокладка и крепление кабелей.

Определение мест прохождения трассы производят в соответствии с рабочими чертежами.

Трасса прокладки кабеля должна проходить в местах с наименьшей вероятностью повреждения кабеля. Трассу прокладывают в стороне от труб отопления и горячего водоснабжения, а также от дымоходов и вентиляционных коробов. Открытая прокладка по наружным стенам должна производиться на высоте не менее 2,8 м и не более 5 м от земли. Открытая прокладка по внутренним стенам должна производиться на высоте не менее 2,3 м от пола и не менее 0,1 м от потолка.

При необходимости прокладки кабеля параллельно радиотрансляционным, телефонным и другим кабелям, следует избегать их пересечений и соблюдать расстояния до:

проводки слаботочных сетей - не менее 100 мм,

электропроводки - не менее 250 мм

до труб водоснабжения, отопления, сантехники и газовых - не менее 1 м.

Сквозные отверстия в местах прохода сквозь стены и перекрытия, а также отверстия под крепежную арматуру просверливают или пробивают шлямбурами или другими подобными инструментами. Крепление кабеля осуществляется скрепами различных конструкций, устанавливаемыми на стенах зданий:

к деревянным стенам или балкам - шурупами или гвоздями длиной 25-30 мм;

к любым стенам, кроме деревянных, - дюбелями, шурупами на спиралях, вмазанных алебастром в заготовленные в стене гнезда; шурупами на вкладышах с волокнистым наполнителем; шурупами, ввинчиваемыми в гнезда, заполненные отрезками пластмассовой оболочки кабеля; винтами с распорными гайками, устанавливаемыми в отверстие в стене, с последующей замазкой алебастром. Примеры крепления кабелей к стенам зданий показаны на рис. 6.7. Скрепы устанавливают через каждые 350 мм друг от друга.

Перед креплением кабеля его разматывают вдоль всей трассы, пропуская через все проходные отверстия. В местах прохода кабеля через стены, перегородки и перекрытия, в которых отсутствуют специальные проемы и ниши, должны быть установлены стальные гильзы с внутренним диаметром больше наружного диаметра прокладываемого кабеля на 8-10 мм.

С приставных лестниц, кабель поднимают и временно закрепляют в нескольких местах. После выравнивания кабеля по всей длине трассы, его закрепляют окончательно. На всем протяжении трассы кабель должен быть проложен прямолинейно, не иметь провисаний и плотно прилегать к стене.

Рис. 6.7. Примеры крепления кабелей к стенам зданий:

а) - крепление фигурной скрепы к деревянной стене; б) крепление фасонных скреп (скоб) к кирпичным, бетонным, шлакобетонным стенам шурупами на спиралях; в) крепление фасонных скреп шурупами, ввинчиваемыми в свернутый трубчатый пластикат; г) крепление фасонных скреп винтами с распорными гайками

В местах пересечения кабеля с трубами горячего водоснабжения и отопления в стене делают штробу, в которую укладывают кабель с надетой на него теплоизоляционной трубкой или прокладкой. Кабель по краям штробы закрепляют скрепами, а штробу замазывают алебастром. На деревянных стенах, при невозможности разработки штробы, кабель прокладывают в теплоизоляционной трубе поверх пересекаемых труб.

При открытой прокладке кабелей на высоте менее 2,3 м от уровня пола или 2,8 м от земли он должен защищаться металлическим желобом или стальным угольником или прокладываться в трубе. Способы крепления металлических желобов или угольников такие же, как и скреп для крепления кабелей (рис. 6.7).

Проходы через перекрытия в старых домах у пола заделывают цементным раствором, а на потолке и в стенах - алебастром. Место входа кабеля в деревянные полы прикрывают спрямленной частью желоба, прикрепленного к полу гвоздями.

6.1.7.4. Подвеска кабелей на стоечных воздушных переходах.

Кабели подвешивают на многожильном канате из оцинкованных проволок диаметром 1,4 мм (диаметр каната 6,3 мм). Крепление кабеля к канату производят стальными подвесами, устанавливаемыми через каждые 350 мм друг от друга. Канат крепят оконечной заделкой возле основания каждой стойки. Способ крепления каната и кабеля конкретно для каждого случая должен быть указан в рабочих чертежах:

Вначале производят подвеску каната. С крыш зданий, где укреплены стоечные опоры, опускают концы веревок, внизу прикрепляют к ним канат и поднимают его вверх. После закрепления каната, концы веревок снова опускают вниз, связывают между собой и, выбирая слабину, натягивают между домами. Затем приступают к подвеске кабеля. Для этого его конец связывают с концом веревки. Кабель крепят подвесами к натянутому стальному канату через каждые 350 мм. По мере надевания подвесов на кабель его подтягивают веревкой к противоположной опоре. Если трасса содержит не один пролет, то скрепы на длине кабеля, приходящейся на последующие пролеты, устанавливают на расстоянии 0,7-1,0 м и не закрепляют окончательно. Когда кабель будет подтянут к противоположной стойке, подвесы, по мере его продвижения, перевешивают на канат, находящийся за этой стойкой. Перетягивание кабеля в последующих пролетах производят аналогично. Регулировку и окончательное закрепление кабеля производят после установки всех подвесов во всех пролетах.

6.1.7.5. Маркировка кабелей.

Проложенные кабели КСКПТ маркируются во всех колодцах, входах и выходах всех элементов КСКПТ, переходах в канализации, так же, как и телефонные кабели свинцовыми полосками или пластмассовыми бирками, на которых указывается марка кабеля и адрес цепи.

6.2. Монтаж кабелей

6.2.1. При прокладке кабелей на расстоянии, превышающие их строительные длины, или в условиях, где прокладка большими длинами невозможна, возникает необходимость сращивания кабелей. В инструкции предлагаются два способа сращивания строительных длин кабелей, распространяющихся как на кабели с внешним проводником в виде медной проволочной оплетки, так и на кабели с продольно наложенным медным гофрированным внешним проводником:

разъемом-соединителем типа СКП,

неразъемным-сростком (пайкой).

Первый способ с применением разъемного соединителя обладает достаточно высокой однородностью волнового сопротивления и надежностью в эксплуатации. Процесс его монтажа характерен простотой, где отсутствуют операции спайки конструктивных элементов кабеля, что связано с применением паяльников и использованием припоев и флюсов.

Второй способ представляет собой неразъемное соединение, по своим электрическим и механическим характеристикам не уступающее соединителю, но требующее тщательного соблюдения технологии монтажа и высокой квалификации монтажников. Сращивание кабелей осуществляют спайкой внутреннего и внешнего проводников с восстановлением полиэтиленовой изоляции коаксиальной пары термообработкой. В обоих случаях герметизацию сростков, т.е. восстановление полиэтиленовой оболочки производят двумя ТУТ с термоплавким подслоем типа сэвилен, миравитен или ГИПК-14-17. При отсутствии ТУТ восстановление оболочки производят полиэтиленовой муфтой, стыки которой герметизируют наплавленном на них полиэтиленовой ленты под стеклолентой.

В сухих помещениях, где нет повышенной влажности воздуха и исключается появление воды в результате аварии водонесущих устройств, разрешается восстановление защитной оболочки путем обмотки соединителя или неразъемного соединителя 3-4 слоями липкой пластмассовой ленты.

Кабели с алюминиевым внешним проводником сращивают по отдельной технологии.

6.2.2. Сращивание строительных длин кабелей разъемными соединителями.

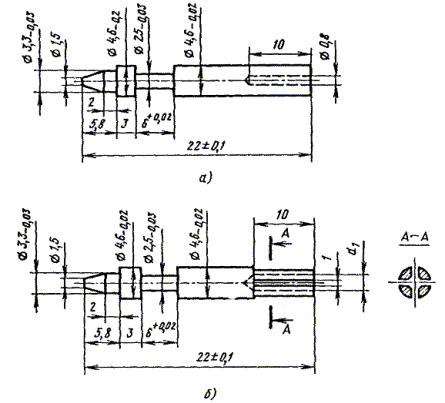
На один из концов сращиваемых длин кабелей надвигают две ТУТ типоразмером 40/20. Длина первой ТУТ - 200 мм, второй ТУТ - 300 мм. В случае использования полиэтиленовой муфты одну ее часть (полумуфту) надвигают на один конец кабеля, вторую - на другой. В данном случае применяется полиэтиленовая муфта МПП-0,5 (ТУ-45.1478-80).

По размерам, указанным на рис. 6.8, удаляют часть полиэтиленовой оболочки. Надпиливают и затем снимают внешний проводник (на оплеточном проводнике возле места надпила рекомендуется предварительно сделать временный проволочный бандаж). Надпиливают полиэтиленовую изоляцию коаксиальной пары, не доходя до внутреннего проводника на 1,5-2 мм и не допуская его повреждения, после чего, скручиванием удаляют изоляцию. На торце внутреннего проводника делают небольшую фаску под углом 45°.

Рис. 6.8. Разделка кабелей под соединитель

На рис. 6.9 показан вариант конструкции соединителя СКП 2,1 - 28,6.

На рис. 6.10 показаны последовательно операции сращивания концов кабеля соединителем.

Рис. 6.9. Конструкция соединителя СКП 2,7/28,6 и его основные размеры

Рис. 6.10. Монтаж соединителя типа СКП

После разделки на каждый конец кабеля надвигают прижимную гайку соединителя конусной частью в сторону его длины. На внутренний проводник насаживают подпружиненную соединительную втулку. Конец кабеля вместе с втулкой вводят в соединитель до упора. С противоположной стороны в соединитель вводят другой конец кабеля. При его введении необходимо следить через цанговые прорези, чтобы внутренний проводник вошел в соединительную втулку. Состыковав таким образом оба конца кабеля, на цанги надвигают и затягивают ключом прижимные гайки.

На весь собранный соединитель с заходом на полиэтиленовую оболочку на 30-35 мм с обеих сторон наматывают с 10 %-ным перекрытием ленту герметика длиной 400-500 мм. Поверх герметика устанавливают и усаживают термоусаживаемую трубку меньшей длины. Затем у торцов усаженной трубки с обеих сторон на участке 30 мм, наматывают по одному пояску герметика длиной по 100 мм каждый. Над трубкой и поясками герметика устанавливают и усаживают вторую термоусаживаемую трубку.

При восстановлении полиэтиленовой оболочки полиэтиленовой муфтой предварительно на соединитель наматывают 2-3 слоя липкой пластмассовой ленты. Части муфты устанавливают над соединителем и герметизируют наплавлением на все стыки полиэтиленовой ленты под стеклолентой.

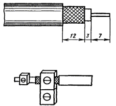
6.2.3. Сращивание строительных длин кабелей неразъемным соединителем (пайкой).

Для сращивания внутренних проводников изготовляют разрезную соединительную гильзу. Для этого медную (очищенную) фольгу толщиной 0,16-0,18 мм и шириной 20 мм накручивают на стержень, делая полный оборот и обрезают. Внутренний диаметр гильз должен соответствовать наружному диаметру внутреннего проводника монтируемых кабелей.

Далее с маломерных отходов кабелей удаляют внешний проводник длиной 50 мм, называемый в дальнейшем «вставкой». Вставку залуживают на концах припоем ПОССу 40-2 в стаканчиковом паяльнике. При монтаже кабелей с оплеточным внешним проводником вставку таких же размеров изготовляют из этого проводника.

С тех же маломерных отходов кабелей снимают часть полиэтиленовой изоляции коаксиальной пары. Снятую изоляцию нарезают отрезками длиной 20 мм, называемыми в дальнейшем «вкладышами». В каждом вкладыше внутреннее отверстие рассверливают до размера наружного диаметра соединительной разрезной гильзы, применяемой для соответствующего кабеля. Затем вкладыш разрезают продольно на 3/4 его диаметра. На рис. 6.11 показаны изготовленные монтажные детали.

В соответствии с размерами, указанными на рис. 6.12, с концов кабеля удаляют часть полиэтиленовой оболочки. Надфилем надпиливают внешний проводник (на оплеточном проводнике рекомендуется возле места надпила предварительно сделать временный проволочный бандаж). После надпила внешний проводник снимают с кабеля. Далее ножовкой надпиливают полиэтиленовую изоляцию коаксиальной пары, скручивают ее и удаляют с внутреннего проводника. На торце внутреннего проводника делают фаску под углом 45°.

На один из концов кабеля надвигают две термоусаживаемые трубки в зависимости от диаметра кабеля:

первая ТУТ 30/15, длиной 180 мм,

вторая ТУТ 30/15, длиной 120 мм.

Рис. 6.11. Детали для монтажа сростки кабелей

Рис. 6.12. Разделка кабелей

При монтаже распределительного кабеля наружным диаметром не менее 12 мм и не более 18 мм:

первая ТУТ 20/10, длиной 160 мм,

вторая ТУТ 20/10, длиной 100 мм.

При монтаже распределительного кабеля наружным диаметром не менее 7 мм и не более 10 мм:

первая ТУТ 12/6, длиной 140 мм,

вторая ТУТ 12/6, длиной 80 мм.

Примечание. Длины ТУТ указаны в той последовательности, в которой ТУТ надвигают на кабель.

Последовательность выполнения операции при сращивании концов кабели показаны на рис. 6.13.

При монтаже кабеля с оплеточным внешним проводником на один из его концов надвигают соответствующую медную вставку, предварительно поджатую в продольном направлении.

Внутренние проводники обоих концов кабеля стыкуют в разрезной соединительной гильзе и пропаивают ПОССу 61 с применением спиртового раствора канифоли в спирте.

На восстановленный внутренний проводник устанавливают полиэтиленовый вкладыш. На вкладыш и выступающую часть полиэтиленовой изоляции наматывают 3-4 слоя полиэтиленовой ленты и поверх нее 2 слоя стеклоленты. Открытым пламенем наплавляют полиэтиленовую ленту под стеклолентой на восстанавливаемый участок. После остывания сростки до температуры примерно 50-60 °С стеклоленту снимают.

При монтаже кабеля с оплеточным внешним проводником над сростком устанавливают предварительно надвинутую на один из концов кабеля медную вставку. Вставку растягивают, добиваясь плотного ее прилегания к восстановленной полиэтиленовой изоляции и закрепляют на концах с обеих сторон медной луженой проволокой диаметром 0,4-0,5 мм (рис. 6.13, а).

Рис. 6.13. Последовательность операций при сращивании концов кабелей неразъемным соединителем (пайкой):

а) - пайка внутреннего проводника в медной гильзе; б) - установка полиэтиленового вкладыша; в) - монтаж кабеля с оплеточным внешним питомником; г) - восстановление внешнего проводника; д) - защита восстановленного внешнего проводника полиэтиленовой лентой и установка сэвилена; е) - смонтированная муфта, полиэтиленовая оболочка восстановлена термоусаживаемыми трубками

При восстановлении гофрированного внешнего проводника над сростком устанавливают гофрированную вставку и также закрепляют на концах проволочным бандажом.

Места стыков вставок с внешним проводником и бандажи пропаивают припоем ПОССу 40-2 с применением раствора канифоли в спирте.

Поверх восстановленного внешнего проводника наматывают несколько слоев полиэтиленовой ленты до выравнивания диаметров полиэтиленовой оболочки и монтируемого участка. Рядом с обрезами полиэтиленовой оболочки с обеих сторон устанавливают по одному пояску ленточного герметика (рис. 6.13, а).

Над восстанавливаемым участком, с равным перекрытием поясков герметика, устанавливают и усаживают открытым пламенем термоусаживаемую трубку меньшей длины. Затем рядом с торцами усаженной ТУТ устанавливают еще по одному пояску герметика и усаживают над ними вторую ТУТ большего размера рис. 6.13, е.

При отсутствии термоусаживаемых трубок восстановление полиэтиленовой оболочки выполняют полиэтиленовой муфтой. Типоразмеры муфт указаны в табл. 2.

Таблица 2

ТУ-45.1478-80

Тип муфты

Диаметр кабеля, мм

МПП-0,1

до 13

МПП-0,3

15÷18

МПП-0,5

18÷24

6.3. Монтаж оборудования

6.3.1. Монтаж магистральных усилителей.

6.3.1.1. В качестве магистральных усилителей применяются усилители телевизионные широкополосные УМ-101, УМ-111, УМ-201, УМ-202, УМ-221, УМ-222, субмагистральные усилители VE 280H, VEE 280 (производства ВНР).

Усилители устанавливаются в помещениях при строгом соблюдении климатических условий эксплуатации в соответствии с ТУ и паспортом на оборудование, как правило, в электрощитовых или других специальных помещениях на 1 этажах зданий.

6.3.1.2. Усилители устанавливаются в запирающихся металлических ящиках и крепятся к пропитанной огнестойким составом плите ДСП за все штатные места крепления шурупами или винтами. Крепление усилителей должно быть надежным и удобным для монтажа и ремонта. Крепление металлических ящиков и плиты ДСП к конструкциям здания должно быть надежным и обеспечивающим сохранность оборудования.

6.3.1.3. Фильтры, выравниватели, аттенюаторы и другое оборудование, предусмотренное проектом, крепятся к плите ДСП шурупами и должно устанавливаться в этих же ящиках.

6.3.1.4. Усилители устанавливаются на вертикальных конструкциях зданий на высоте не менее 1,2 м от уровня пола. К усилителям должен быть обеспечен удобный подход и безопасная работа при монтаже и ремонте.

6.3.1.5. Электроснабжение оборудования осуществляется в зависимости от категорий надежности и обеспечивается от отдельного ВРУ собственной линией или от общей электросети здания с учетом круглосуточной подачи электроэнергии и должно быть выполнено трехжильным проводом сечением не менее 2,5 мм, с установкой электророзетки внутри металлического ящика.

6.3.1.6. Электробезопасность обеспечивается путем подключения клеммы «земля» оборудования и металлических ящиков, в которых оно установлено, к глухозаземленной нейтрали в соответствии с ПУЭ и проектом.

6.3.1.7. Места установки оборудования должны обеспечиваться достаточным уровнем электроосвещенности.

6.3.2. Монтаж магистральных ответвителей.

6.3.2.1. В качестве магистральных ответвителей используются устройства типа ОМ-101, ОМ-102 и РУМ-1.

Ответвители устанавливаются в закрытых помещениях, чердаках, техподпольях, а ОМы также и в коллекторах при строгом соблюдении климатических условий эксплуатации в соответствии с ТУ и паспортом на оборудование.

Места установки ответвителей должны обеспечивать отсутствие конденсации влаги внутри корпусов ответвителей.

Конкретно места установки ответвителей определяются в зависимости от места ввода кабеля и выбранной схемы включения усилителей.

6.3.2.2. Ответвители крепятся за все штатные места крепления:

в сухих помещениях - шурупами к пропитанной огнестойким составом плите ДСП, надежно прикрепленной к конструкциям здания, в местах с повышенной влажностью и при невозможности крепления к плите ДСП - винтами к специальным металлическим крепежным элементам, надежно закрепленным на металлоконструкциях.

Крепление ответвителей должно быть надежным и удобным для монтажа и ремонта.

7. МОНТАЖ ДОМОВОЙ РАСПРЕДЕЛИТЕЛЬНОЙ СЕТИ

7.1. Монтаж усилительного оборудования

7.1.1. В качестве домовых усилителей применяются усилители телевизионные широкополосные УД-101, УД-201, усилители домовые КНЕ 40/230 (производства ВНР), оборудование телевизионное унифицированное ОТУ-2.2, УД-101 и УД-201 устанавливаются, как правило, в электрощитовых или других специальных помещениях на 1 этажах зданий. В отдельных случаях усилители устанавливаются на лестничных площадках в слаботочных монтажных шкафах типа ШЛС-2 или ШЛС-4 или в отдельных запирающихся металлических шкафах при строгом соблюдении климатических условий эксплуатации в соответствии с ТУ и паспортом на оборудование.

Рис. 7.1. Пример установки распределительного устройства на лестничной клетке:

1 - плита ДСП; 2 - распределительное устройство; 3 - дюбель; 4 - кабель; 5 - желоб; 6 - накладка крепящая

7.1.2. Усилители крепятся за все штатные места крепления винтами к монтажным планкам шкафов или к пропитанной огнестойким составом плите ДСП шурупами или винтами. Крепление усилителей должно быть надежным и удобным для монтажа и ремонта. Крепление металлических ящиков и плиты ДСП к конструкциям здания должно быть надежным и обеспечивать сохранность оборудования.

7.1.3. Усилители устанавливаются на вертикальных конструкциях зданий на высоте не менее 1,2 м от уровня пола. К усилителям должен быть обеспечен удобный подход и безопасная работа при монтаже и ремонте.

7.1.4. В шкафах и ящиках, где установлены усилители, производится размещение фильтров, аттенюаторов и другого оборудования, предусмотренного проектом, которое крепится к монтажным планкам винтами или к плите ДСП шурупами.

7.1.5. Электроснабжение оборудования домовой распределительной сети обеспечивается от общей электросети здания с учетом круглосуточной подачи электроэнергии и должно быть выполнено трехжильным проводом сечением не менее 2,5 мм2 с установкой электророзетки в непосредственной близости от монтируемого оборудования.

7.1.6. Электробезопасность обеспечивается путем подключения клеммы «земля» оборудования и металлических шкафов и ящиков, в которых оно установлено, к глухозаземленной нейтрали в соответствии с ПУЭ и проектом.

7.1.7. Места установки оборудования должны обеспечиваться достаточным уровнем электроосвещенности.

7.2. Монтаж линий домовой распределительной сети

7.2.1.1. В качестве распределительных устройств применяются разветвители абонентские РА-102, РА-104, ответвители магистральные ОМ-101, ОМ-102, коробки абонентские КА-102, устройства абонентские распределительные УАР-6.1.

7.2.1.2. Распределительные устройства, исключая КА-102, устанавливаются в шкафах слаботочной домовой распределительной сети и при наличии металлических кронштейнов, крепятся винтами непосредственно к ним.

В старых домах при отсутствии шкафов и закладных устройств распределительные устройства устанавливают на стенах в соответствии с рис. 7.1 и крепят шурупами.

Распределительные устройства (верхний габарит) должны быть установлены на высоте не менее 2,5 м от пола. Кабель, подходящий к коробке, должен быть защищен металлическим желобом или пластмассовой трубой. Расстояние от защитного желоба до нижней части коробки должно быть не менее 100 мм.

7.2.1.3. Монтаж распределительных устройств типа РА-102, РА-104, ОМ-101, ОМ-102 ведется согласно паспорту на изделие.

7.2.1.4. Коробка абонентская КА-102 устанавливается в квартире абонента и крепится по месту.

7.2.2. Прокладка кабелей в домовой распределительной сети.

7.2.2.1. При наличии межэтажных стояков прокладка кабеля в них осуществляется с учетом расстояния между распределительными устройствами и возможностью свободного монтажа.

Крепеж кабеля в шкафах осуществляется скобами не менее чем в двух точках.

7.2.2.2. При отсутствии монтажных стояков прокладка кабеля производится в соответствии с п. 6.1.7.3. настоящей инструкции.

7.3. Монтаж абонентских вводов в квартиры

Монтаж абонентских вводов осуществляется согласно проекту.

7.3.1. Прокладка кабелей абонентских вводов.

7.3.1.1. При наличии каналов в панелях зданий между слаботочными шкафами и квартирами прокладка кабеля осуществляется в них.

7.3.1.2. При отсутствии каналов, указанных в предыдущем пункте, кабель прокладывается открыто по стене и вводится в квартиры вблизи входной двери.

7.3.2. Установка абонентской коробки.

Коробка устанавливается согласно п. 7.2.1.4 вблизи входной двери в квартиру.

8. ВКЛЮЧЕНИЕ КАБЕЛЕЙ В ТЕЛЕВИЗИОННОЕ ОБОРУДОВАНИЕ

8.1. Включение кабелей в телевизионное оборудование заключается в разделке кабеля и его подключении к оборудованию различными способами. При разделке кабелей, если это необходимо, производят залуживанне, бандажирование и опайку.

8.2. Включение кабелей в оборудование ПО «Горизонт»

8.2.1. Включение кабелей в оборудование ПО «Горизонт» проводят в соответствии с документацией на оборудование:

станция головная серии 100 -                                                       паспорт

станция головная серии 200 -                                                       -«-

усилители телевизионные широкополосные серии 100 -          -«-

ответвители магистральные ОМ-101, ОМ-102 -                         -«-

разветвители абонентские РА-102, РА-104 -                              -«-

усилители телевизионные широкополосные серии 200 -          техническое описание и инструкция по эксплуатации (ЮК 0.203.0011 ТО)

коробка абонентская КА-102 -                                                      чертеж на крышке коробки

8.3. Включение кабелей в ГС и усилители VE-280H, VEE-280 производства ВНР

8.3.1. Монтаж разъемов на кабели, входящие в комплект ГС производят согласно рис. 8.1. При монтаже не допускается подрезка внешнего и внутреннего проводников кабеля.

8.3.2. Магистральные кабели разделывают согласно рис. 8.2, а и подключают к ГС и усилителям в местах, указанных на рисунке. Пример включения кабелей показан на рис. 8.2, б.

Рис. 8.1. Монтаж разъемов, входящих в комплект ГС производства ВНР. Длина разделки кабеля равна длине монтируемого разъема плюс 10 мм.

Порядок монтажа: разделка конца кабеля, загибание оплетки на металлическое кольцо 2; надевание на конец кабеля деталей 3 и 4; сборка деталей 1 и 4; пайка центральной жилы и обрезка ее выступающей части

Рис. 8.2. Включение магистральных кабелей в ГС и усилителей производства ВНР:

а) - разделка кабеля; б) - пример включения кабеля

8.4. Включение кабелей в оборудование БФТК, ОТТУ-6, ОТТУ-2.2, ФТД, AT, КС, УТС, РУМ, УАР-6.1

8.4.1. Разделка кабелей с диаметром внутренней изоляции от 4 до 11 мм для включения в оборудование БФТК, ОТТУ-6, ОТТУ-2.2, ФТД, AT, УСС, УТС, РУМ, УАР-6.1 и кабеля диаметром внутренней изоляции 17 мм для включения в оборудование РУМ производится в соответствии с рис. 8.3.

Рис. 8.3. Последовательность операций по разделке кабелей:

а) - со сплошным фольгированным внешним проводником; б) - с оплеточным внешним проводником

По размерам, указанным на рис. 8.3 удаляют внешнюю оболочку кабеля, не повреждая внешнего проводника.

На внешний проводник кабеля, выполненный из фольги, накладывают и пропаивают бандаж из 3-4 витков медного провода диаметром 0,4÷0,5 мм.

Часть внешнего проводника удаляется. Надрезают внутреннюю изоляцию кабеля, не повреждая внутреннего проводника, после чего скручиванием удаляют изоляцию.

Внутренний проводник разделанного кабеля облуживают.

В случае применения кабеля с внешним проводником в виде оплетки после снятия внешней оболочки оплетку расплетают и скручивают в две одинаковые косички.

8.4.2. При монтаже кабелей в оборудование разделанные концы кабелей заводят под имеющиеся на оборудовании держатели.

Внутренний проводник кабеля вводят в отверстие монтажного лепестка и механически закрепляют на нем путем загибания или обкручивания. Лишнюю часть проводника удаляют. Расстояние от внутренней изоляции кабеля до монтажного лепестка должно быть 1-3 мм.

Косички внешнего оплеточного проводника или конец проволочного бандажа обкручивают вокруг имеющихся в оборудовании корпусных контактов. Лишнюю часть проводников удаляют. Длина проводников до контактов должна быть минимальной.

Проводники, закрепленные на контактах и лепестках, опаивают. Плоскогубцами обжимают держатели на оболочке кабеля.

Удаляют остатки флюса, закрашивают места пайки цапонлаком. При невозможности механически закрепить толстый внутренний проводник кабеля в отверстие монтажного лепестка, проводник накладывают на лепесток, бандажируют 5-6 витками медной проволоки диаметром 0,25-0,35 мм и опаивают.

8.5. При пайке и облуживании кабелей используют припой ПОС 40, ПОССу 40-2, ПОС 61, ПОССу 61-05 и бескислотные флюсы.

ПРИЛОЖЕНИЕ 1

Таблица пересчета импульсных сопротивлений растеканию тока заземлителей устройства молниеотвода на сопротивление растеканию тока промышленной частоты

Требуемые величины импульсных сопротивлений растеканию тока, Ом

По указаниям СН 305-77

Предельно допустимые величины сопротивлений растеканию тока промышленной частоты в Ом в зависимости от удельного сопротивления грунта в Ом∙М

20

до 104

20

104-5∙104

20-30

5∙104-105

30-40

более 106

60

При превышении указанного сопротивления забивают дополнительные электроды до получения требуемых значений.

ПРИЛОЖЕНИЕ 2

Протокол измерений величины КСВн кабеля

Марка                                                          Изм. прибор                                                    

(марка, заводской №)

Норма на величину КСВн:

Пиковое значение                                    Температура воздуха                                  °С

Фоновое значение                                  

в диапазоне частот                            ГГц

Измерения производили

                                          

(должность, Ф.И.О.)

«___»_____________19__г.

Величина КСВн

пиковое значение

фоновое значение

1-й конец

 

 

2-й конец

 

 

ПРИЛОЖЕНИЕ 3

Протокол измерений коэффициента затухания кабеля

Марка                                                         Изм. прибор                                                    

(марка, заводской №)

Норма на коэффициент затухания                                 дБ/м

на частоте                                                                         ГГц

Температура воздуха                                                        °С

Измерения производили

                                                        

(должность, Ф.И.О.)

«___»____________19__г.

Длина, м

Затухание, дБ

Коэффициент затухания, ДБ/м

 

 

 

 


ПРИЛОЖЕНИЕ 4

Таблица П.1

Кабели для приемных систем телевидения

№ п.п.

Назначение

Тип

Конструктивные параметры

Электрические параметры

внутренний проводник, диаметр, мм материал (М-медь)

изоляция, диаметр, мм

внешний проводник, материал М - медь

защитная оболочка, диаметр, мм (ПЭ - полиэтилен низкой плотности, ПВХ - поливинилхлорид)

масса погонная, кг/км

минимальный радиус изгиба, мм

волновое сопротивление, Ом

коэффициент затухания при f=200 МГц. дБ/м

сопротивление связи, мОм/м

1

I. Магистральные

РК 75-17-13 С

1´2,73, М

ПЭ 17,3±0,2

М, гофрированная лента

ПЭ 22,3±1,0

473

450

75±2

0,034

10

РК 75-11-11 C

1´1,88, М

ПЭ 11,5±0,15

То же

ПЭ 15,4±0,6

220

325

75±2

0,047

10

II. Распределительные

1. Для стояков высотных домов (> 10 этажей)

РК 75-11-11 С

1´1,88, М

ПЭ 11,5±0,15

М, гофрированная лента

ПЭ 15,4±0,8

220

325

75±2

0,047

10

РК 75-7...-19

1´1,18, М

ПЭ 7,25±0,25

То же

ПЭ 10,2 ±0,4

 

 

75±2

0,073

10

2. Для стояков домов < 10 этажей

РК 75-113

1´0,80, М

ПЭ 4,6±0,2

М, гофрированная лента

ПЭ 7,0 ±0,4

46

70

75 ±3

0,108

50

III. Для абонентских вводов СКПТ, СКТВ и антенна на подъезд (Аэ>50 дБ)

РК 75-4-113

1´0,80, М

ПЭ 4,6±0,2

То же

ПЭ 7,0±0,4

46

70

75±3

0,108

50

РК 75-3,7-31

1´0,90, М

ПЭ 3,7±0,15

-«-

ПЭ 5,8±0,3

30,8

58

75±3

0,127

50

РК 75-4-115 А

1´0,71, М

ПЭ 4,6±0,2

Фольгированная пленка

ПЭ 6,4±0,4

36

50

75±3

0,127

50

2

IV. Для соединения абонентской розетки с телевизором, для удлинителей, индивидуальных комнатных антенн (Аэ<50 дБ)

РК 75-3-16 АУ

7´0,16, М

ПЭ 2,9±0,1

Оплетка проволочная, плотность 88-÷92 %

ПВХ 4,4±0,3

25

30

75±3

0,226

200

РК 75-2-... А

1´0,33, М

ПЭ 2,2±0,1

Фольгированная пленка

ПВХ 3,2±0,2

14,7

30

75

0,256

50

РК 75-1,5-31

1´0,37, М

ПЭ 1,5±0,1

Оплетка проволочная, плотность 70 %

ПЭ 3,0±0,1

8,5

30

75±3

0,34

 

3

V. Для соединения антенн с головной станцией (Аэ>50 дБ)

РК 75-4-115 А

1´0,71, М

ПЭ 4,6±0,2

Фольгированная пленка

ПЭ 6,4±0,4

36

50

75±3

0,127

50

4

VI. Для внутри и межблочного монтажа в телевизорах

РК 75-2-...А

1´0,33, М

ПЭ 2,2±0,1

Фольгированная пленка

ПЭ 3,2±0,2

14,7

30

75±3

0,256

50

РК 75-1,5-31

1´0,37, М

ПЭ 1,5±0,1

Оплетка проволочная, плотность 70 %

ПЭ 3,0±0,1

8,5

30

75±3

0,34

-


Кабели для приемных систем телевидения, подлежащие замене

Таблица П.2

Назначение

Тип

Конструктивные параметры

Электрические параметры

внутренний проводник, диаметр, мм, материал (М - медь)

изоляция, диаметр, мм

внешний проводник, материал

защитная оболочка диаметром, мм

волновое сопротивление, Ом

коэффициент затухания при f=200 МГц, дБ/м

Для систем индивидуального телевизионного приема

 

 

 

 

 

 

 

1. Магистральные

РК 75-7-11 АИ

1´1,13, М

ПЭ 7,25±0,6

Оплетка М Плотность 40 ... 60 %

ПЭ 10,2

75±6

0,14

РК 75-7-12 АИ

7´0,4, М

ПЭ 7,25±0,6

То же

ПЭ 10,2

75 ±6

0,14

РК 75-7-15 АИ

1´1,13, М

ПЭ 7,25±0,6

-«-

ПВХ 10,2

75±6

0,14

РК 75-7-16 АИ

7´0,4, М

ПЭ 7,25±0,6

-«-

ПВХ 10,2

75±6

0,14

РК 75-9-12 АИ

1´1,35, М

ПЭ 9,0±0,7

Оплетка М Плотность 40 ... 60 %

ПВХ 13,1

75±6

0,12

РК 75-9-13 АИ

1´1,35, М

ПЭ 9,0±0,7

То же

ПЭ 13,1

75±6

0,12

2. Для индивидуальных приемных телевизионных антенн

РК75-3,7-11 АИ

1´0,58, М

ПЭ 3,7±0,3

Оплетка М Плотность 40 ... 60 %

ПЭ 5,7

75±6

0,25

РК 75-3,7-12 АИ

7´0,20, М

ПЭ 3,7±0,3

То же

ПЭ 5,7

75±6

0,25

РК 75-3,7-13 АИ

1´0,58, М

ПЭ 3,7±0,3

-«-

ПВХ 5,7

75±6

0,25

РК 75-3,7-14 АИ

7´0,20, М

ПЭ 3,7±0,3

-«-

ПВХ 5,7

75±6

0,25

РК 75-4-11 АИ

1´0,72, М

ПЭ 4,6±0,2

-«-

ПЭ 7,9

75±6

0,2

РК 75-4-12 АИ

7´0,26, М

ПЭ 4,6±0,2

-«-

ПЭ 7,9

75±6

0,2

РК 75-4-15 АИ

1´0,72, М

ПЭ 4,6±0,2

-«-

ПВХ 7,9

75±6

0,2

РК 75-4-16 АИ

7´0,26, М

ПЭ 4,6±0,2

Оплетка М Плотность 40 ... 60 %

ПВХ 7,9

75±6

0,2

КПТА

1´0,52, М

ППЭ 2,4±0,2

Оплетка М Плотность 85 %

ПЭ 4,3

75±7,5

0,2

КПТМ

1´1,13, М

ПЭ 5,2±0,5

Оплетка Плотность 85 %

ПВХ, ПЭ 8,0

75±6,0

0,2

КВТ-1

1´0,68, М

ПЭ 4,6±0,4

Оплетка Плотность 40 %

ПЭ, ПВХ 8,5

75±6,0

0,2

КВТ-1М

1´0,72, М

ПЭ 4,6±0,4

То же, 70 %

ПЭ, ПВХ 7,9

75±6,0

0,2

КВТ-2

7´0,12, М

ПЭ 2,4±0,1

-«- 40 %

ПЭ, ПВХ 5,0

75±6,0

0,37

Для СКПТ

1. Магистральные

РК 75-7-11 АК

1´1,13, М

ПЭ 7,25±0,6

Оплетка Плотность 70 ... 80 %

ПЭ 10,2

75±6

0,14

РК 75-7-12 АК

7´0,4, М

ПЭ 7,25±0,6

То же

ПЭ 10,2

75±6

0,14

РК 75-7-15 АК

1´1,13, М

ПЭ 7,25±0,6

-«-

ПВХ 10,2

75±6

0,14

 

РК 75-7-16 АК

7´0,4, М

ПЭ 7,25±0,6

-«-

ПВХ 10,2

75±6

0,14

 

РК 75-9-12 АК

1´1,35, М

ПЭ 9,0±0,7

-«-

ПВХ 13,1

75±6

0,12

РК 75-9-13 АК

1´1,35, М

ПЭ 9,0±0,7

-«-

ПЭ 13,1

75±6

0,12

2. Для абонентских отводов

РК 75-3,7-11 АК

1´0,58, М

ПЭ 3,7±0,3

Оплетка Плотность 70 ... 80 %

ПЭ 5,7

75±6

0,25

РК 75-3,7-12 АК

7´0,20, М

ПЭ 3,7±03

Тоже

ПЭ 5,7

75±6

0,25

РК 75-3,7-13 АК

1´0,58, М

ПЭ 3,7±0,3

-«-

ПВХ 5,7

75±6

0,25

РК 75-3,7-14 АК

7´0,20, М

ПЭ 3,7±0,3

-«-

ПВХ 5,7

75±6

0,25

РК 75-4-11 АК

1´0,72, М

ПЭ 4,6±0,2

-«-

ПЭ 7,9

75±6

0,2

РК 75-4-12 АК

7´0,26, М

ПЭ 4,6±0,2

-«-

ПЭ 7,9

75±6

0,2

РК 75-4-15 АК

1´0,72, М

ПЭ 4,6±0,2

-«-

ПВХ 7,9

75±6

0,2

РК 75-4-16 АК

7´0,26, М

ПЭ 4,6±0,2

-«-

ПВХ 7,9

75±6

0,2

Таблица П.3

Возможные замены кабелей

Назначение

Заменяемые типы кабелей

Рекомендуемые типы кабелей

1

Для СКТВ, СКПТ, для систем индивидуального приема:

РК 75-9-12 АК

 

 

РК 75-9-13 АК

 

 

РК 75-7-11 АК

 

 

магистральные

РК 75-7-12 АК

 

 

распределительные

РК 75-7-15 АК

 

 

РК 75-7-16 АК

РК 75-17-13 С

 

РК 75-9-12 АИ

PK75-11-11 C

 

РК 75-9-13 АИ

РК 75-7-...

 

РК 75-7-11 АИ

РК 75-4-113

 

РК 75-7-12 АИ

 

 

РК 75-7-15 АИ

 

 

РК 75-7-16 АИ

 

 

РК 75-17-12

(частично)

 

РК 75-17-31

 

2

Для абонентских вводов СКПТ, СКТВ

РК 75-3,7-11 АК

 

 

РК 75-3,7-12 АК

 

 

РК 75-3,7-13 АК

РК 75-4-113

 

РК 75-3,7-14 АК

РК 75-3,7-31

 

РК 75-4-11 АК

РК 75-4-115 А

 

РК 75-4-12 АК

 

 

РК 75-4-15 АК

 

 

РК 75-4-16 АК

 

 

КВТ-1, КВТ-1М

 

3

Для индивидуальных телевизионных антенн, удлинителей

РК 75-3,7-11 АИ

 

 

РК 75-3,7-12 АИ

 

 

РК 75-3,7-13 АИ

 

 

РК 75-3,7-14 АИ

РК 75-3-15 АУ

 

РК 75-4-11 АИ

РК 75-2-... А

 

РК 75-4-12 АИ

 

 

РК 754-15 АИ

РК 75-1,5-31

 

РК 75-4-16 АИ

 

 

КВТ-1

 

 

КВТ-1М

 

 

КВТ-2

 

 

КПТМ

 

4

Для внутри и межблочного монтажа в телевизорах

КПТА

РК 75-1,5-31

 

РК 75-2-11 А

РК 75-2-... А

ПРИЛОЖЕНИЯ К СБОРНИКУ

ПРИЛОЖЕНИЕ 1

НОРМАТИВНЫЕ, ИНСТРУКТИВНЫЕ, СПРАВОЧНЫЕ И ДРУГИЕ ДОКУМЕНТЫ, РЕКОМЕНДУЕМЫЕ ПРИ ПРОЕКТИРОВАНИИ И ЭКСПЛУАТАЦИИ КСКПТ

1. Методическое руководство по проектированию. Крупные системы коллективного приема телевидения РП.6.029-1-87. - М.: Минсвязи СССР, 1987.- 48 с.

2. СНиП 1.02.01-85. Инструкция о составе, порядке разработки, согласования и утверждения проектно-сметной документации на строительство предприятий, зданий и сооружений / Госстрой СССР. - М.: ЦИТП Госстроя СССР, 1986. - 40 с.

3. Инструкция по проектированию и устройству молниезащиты зданий и сооружений. СН 305-77. - М.: Стройиздат, 1978. - 47 с.

4. Инструкция по проектированию молниезащиты радиообъектов. ВСН-1-77. Минсвязи СССР. - М.: Связь, 1978. - 31 с.

5. Инструкция по проектированию линейно-кабельных сооружений связи. ВСН 116-87. Минсвязи СССР, 1988. - 80 с.

6. ГОСТ 11216-83 (СТ СЭВ 1814-79, СТ СЭВ 1815-79). Сети распределительных систем телевидения и радиовещания. Основные параметры, технические требования, методы измерений и испытаний. - М.: Изд-во стандартов, 1983. - 31 с.

7. ГОСТ 11289-80 Антенны телевизионные приемные. Типы, основные параметры и общие технические требования. - М.: Изд-во стандартов, 1985. - 13 с.

8. Общая инструкция по строительству линейных сооружений городских телефонных сетей. - М.: Связь, 1978. - 432 с.

9. Антенные системы коллективного приема телевидения. М.: Связь, 1965. - 136 с.

10. Правила устройства электроустановок / Минэнерго СССР. - 6-е изд., перераб. и доп. - М.: Энергоатомиздат, 1986. - 648 с.

11. Временная инструкция по монтажу крупных систем коллективного приема телевидения (КСКПТ) и систем кабельного телевидения (СКТВ). - М.: Минсвязи СССР, 1986. - 64 с.

12. Временная инструкция по настройке крупных систем коллективного приема телевидения и систем кабельного телевидения. - М.: Минсвязи СССР, 1986. - 70 с.

13. Временная инструкция по приемке эксплуатацию крупных систем коллективного приема телевидения (КСКПТ) и систем кабельного телевидения (СКТВ). - М.: Минсвязи СССР, 1988. - 27 с.

14. Крупные системы коллективного приема телевидения. Системы кабельного телевидения. Типовые материалы для проектирования. 1988.

15. ГОСТ 18198-85. Приемники телевизионные. Общие технические условия. М.: Изд-во стандартов, 1985.

16. Белик А.Я. и др. Технические средства для коллективного приема телевидения и кабельного телевидения // Электросвязь. - 1987. - № 2. - с. 10-16.

17. Пименов В.М., Бранзбург Б.Я., Колесников В.А. Кабели для систем кабельного телевидения. - М.: Связь, 1980. - 52 с.

18. Реушкин Н.А., Коданова Т.А. Повышение эффективности работы домовых распределительных сетей КСКПТ // Электросвязь. - 1983. - № 9. - с. 15-18.

19. Вильям А. Рейнфельд. Разработка малошумящих входных цепей на транзисторах. - М.: Связь, 1967.

20. International Electrotechnical Communication. Geneve. 1986. 185р. Cable Distribution System. Part 1. Publication 728. 1. 1986

21. Рекомендация 370-1. Кривые распространения ОВЧ и УВЧ для диапазона частот 30÷1000 МГц. Радиовещание и подвижные службы // МККР. Документы XI Пленарной ассамблеи. Осло, 1966. Том 11. Распространение радиоволн. - М.: Связь, 1969. - с. 27-46.

22. СНиП II-4-79. Естественное и искусственное освещение / Госстрой СССР. - М.: Стройиздат, 1980. - 48 с.

23. Инструкция по проектированию электрооборудования жилых зданий. СН 544-82. - М.: Стройиздат, 1983. - 33 с.

24. СНиП 3.05.06-85. Электротехнические устройства / Госстрой СССР. - М.: ЦИТП Госстроя СССР, 1986. - 56 с.

25. Инструкция по устройству сетей заземления и зануления в электроустановках. - М.: Минсвязи СССР, 1977. - 35 с.

26. Общие производственные нормы расхода материалов в строительстве. Сборник 39. Кабельные линии связи / Минсвязи СССР. - М.: Стройиздат, 1986. - 72 с.

27. Правила строительства и ремонта воздушных линий связи и радиотрансляционных сетей, ч. 1. - М.: Связьиздат, 1975.

28. Руководящие технические материалы. Крупные системы коллективного приема телевидения. РТМ.6.030-1-87. - М.: Минсвязь СССР, 1988. - 130 с.

29. ГОСТ 12.1.005-76. Воздух рабочей зоны. Общие санитарно-гигиенические требования. - М.: Изд-во стандартов, 1977. - 32 с.

30. Инструкция по монтажу сооружений и устройств связи, радиовещания и телевидения. ВСН 600-81* Минсвязи СССР. - М.: Радио и связь, 1985. - 288 с.

31. Инструкция по проектированию силового и осветительного электрооборудования. СН 357-77. - М.: Стройиздат, 1977. - 94 с.

32. Инструкция по проектированию искусственного освещения предприятий связи. - М., 1977 - 29 с.

Примечание. Литература 1, 11÷13, 28 приведена в настоящем сборнике.

ПРИЛОЖЕНИЕ 2

ВРЕМЕННЫЙ ТИПОВОЙ ДОГОВОР НА ТЕХНИЧЕСКОЕ ОБСЛУЖИВАНИЕ КРУПНЫХ СИСТЕМ КОЛЛЕКТИВНОГО ПРИЕМА ТЕЛЕВИДЕНИЯ (КСКПТ)

в г. Москве

(утвержден 12.12.1985 г.)

Общесоюзная радиотелевизионная передающая станция имени 50-летия Октября Министерства связи СССР (ОРПС) в лице начальника тов. Мисюлина В.Н., действующего на основании Положения о социалистическом государственном производственном предприятии, утвержденного постановлением Совета Министров СССР от 14.10.65 г. № 731, и Устава Общесоюзной радиотелевизионной передающей станции имени 50-летия Октября Министерства связи СССР, утвержденного приказом Министерства связи СССР от 07.03.84 г. № 2948, в дальнейшем именуемая «Предприятие связи», с одной стороны, и производственное жилищное ремонтное объединение (ПЖРО)                                                                                                             

                                 р-на, (жилищно-эксплуатационная организация)                               

                                      в лице начальника тов.                                                                      

действующего на основании Устава, Положения                                                                

(наименование, дата, номер, кем утверждено)

                                                                                                                                              

в дальнейшем именуемое «Организация», с другой стороны, заключили настоящий договор о нижеследующем.

I. ПРЕДМЕТ ДОГОВОРА

1.1. В соответствии с решением Исполкома Моссовета от 29.08.83 г. № 2743 и приказом Министерства связи СССР от 06.01.84 г. № 8 «Предприятие связи» производит техническое обслуживание КСКПТ, указанных в приложении 1.2* и находящихся на балансе «Организации» в домах, эксплуатацию которых она осуществляет и составной частью инженерных сооружений которых является КСКПТ. Конкретные данные по каждой системе приведены в паспортах систем (приложение 2*), на основе которых составляются формуляры, являющиеся неотъемлемой частью настоящего договора (приложение 3).

Примечания: 1. Приложение 1.2* подписывается ответственными лицами и заверяется печатями «Предприятия связи» и «Организации».

2. В формуляр включаются все дома, входящие в одну КСКПТ и находящиеся на балансе одной организации. Он подписывается ответственными лицами и заверяется печатями «Предприятия связи» и эксплуатирующей организации.

3. При любых изменениях в количестве обслуживаемых систем, количестве подключенных абонентов и соответствующей сумме оплаты за техническое обслуживание приложение 1.2 подлежит замене на измененное. Одновременно к договору прикладываются новые формуляры на дополнительно принятые системы или обслуживаемые системы, в которых произошли изменения. В основной текст договора при этом изменения не вносятся.

1.2. Техническое обслуживание КСКПТ осуществляется согласно соответствующим Правилам Министерства связи СССР.

1.3. «Организация», согласно                                                                                            

(нормативный акт)

                                                                                                                                              

(кем принят, когда утвержден, номер)

перечисляет «Предприятию связи» причитающуюся по настоящему договору сумму за техническое обслуживание КСКПТ в соответствии с приложением 1.2.

1.4. Сторонами по договору могут быть только юридические лица. В тех случаях, когда жилищно-коммунальные организации не имеют своего расчетного или текущего счета и не являются самостоятельными предприятиями, а представляют собой лишь структурное подразделение какого-либо предприятия или учреждения, то настоящий договор заключается с последним.

II. ОБЯЗАННОСТИ СТОРОН

2.1. «Предприятие связи» обязуется:

2.1.1. Участвовать в комиссиях по приемке КСКПТ в эксплуатацию «Организацией» от строительной организации согласно действующим положениям.

2.1.2. Обеспечивать работоспособность КСКПТ с качеством телевизионного изображения на экране телевизора, подключенного к абонентскому отводу, не менее 3 баллов (удовлетворительно) согласно ГОСТ 11216-83.

2.1.3. Производить следующие работы на КСКПТ:

2.1.3.1. Техническое обслуживание с периодическим контролем (по ГОСТ 18322-78) по графикам, разрабатываемым «Предприятием связи», в соответствии с п. 1.2 настоящего договора.

2.1.3.2. Текущий (внеплановый) ремонт (по ГОСТ 18322-78) для восстановления работоспособности системы по заявкам «Организации» (п. 2.2.14) в сроки, определенные п. 2.1.6 настоящего договора.

2.1.3.3. Непредвиденный ремонт для обеспечения работоспособности КСКПТ в случаях выхода из строя системы из-за пожара, урагана, затопления отдельных элементов оборудования и т.д., при необходимости замены отдельных элементов распределительной сети или отрезков радиочастотного кабеля в связи с выходом их из строя по техническим причинам, а также после хищения или умышленного повреждения отдельных элементов оборудования.

2.1.4. Представлять «Организации» по ее требованию графики технического обслуживания КСКПТ по п. 2.1.3.1.

2.1.5. При проведении контроля технического состояния КСКПТ отключать систему не более, чем на 8 часов в сутки один раз в месяц, и не более, чем на 40 часов в течение пяти суток один раз в год (за исключением праздничных дней и вечернего времени, в вечернее время допускается пониженное качество изображения у абонентов до окончания работ на системе).

Сообщать «Организации» не позднее чем за 10 дней о планируемых сроках отключения КСКПТ.

2.1.6. Высылать специалистов по заявкам «Организации» и выполнять текущий ремонт КСКПТ в течение трех рабочих дней после поступления заявки на неисправность 1 и 2 общесоюзных программ, и в течение пяти рабочих дней - остальных программ при условии выполнения «Организацией» п.п. 2.2.11 и 2.2.12.

2.1.7. Непредвиденный ремонт КСКПТ осуществлять:

2.1.7.1. С использованием необходимого для его проведения оборудования и кабельной продукции, закупленных «Предприятием связи» для технического обслуживания систем, с оплатой их стоимости «Организацией».

2.1.7.2. При хищении оборудования в сроки по п. 2.1.6 после составления акта (см. п. 2.2.6), заверенного печатью эксплуатирующей организации (ДЭЗа). При отсутствии необходимого оборудования у «Предприятия связи» сроки восстановления систем после хищения устанавливаются по согласованию сторон.

В других случаях, оговоренных пунктом 2.1.3.3, в согласованные сторонами сроки после составления совместного акта «Организации» и «Предприятия связи», заверенного их печатями, о техническом состоянии зданий и сооружений, обеспечивающее возможность восстановления системы.

2.1.8. Немедленно официально ставить в известность «Организацию» об обнаруженных фактах умышленной порчи или хищения оборудования КСКПТ и необходимости проведения непредвиденного ремонта, принимать участие в составлении соответствующего акта.

2.1.9. Вносить предложения, составлять и представлять на утверждение «Организации» проекты планов реконструкции КСКПТ не позднее, чем за 2 года до начала планируемого периода.

Примечание. Реконструкция КСКПТ производится силами специализированной строительно-монтажной организации, как правило, один раз в 10 лет при условии действительной в ней необходимости, по проектам, разработанным в порядке, определенном для проектирования вновь создаваемых систем.

2.1.10. Составлять ежегодно (до марта месяца) перечень и количество запасных частей и оборудования импортного производства (на основе данных предыдущего года), которые необходимо закупать «Организации» для проведения непредвиденных ремонтов по п. 2.1.3.3.

2.2. «Организация» обязуется:

2.2.1. Подготавливать формуляры, необходимые изменения приложения 1.2 и заполнять графу 9 паспорта на КСКПТ на этапе приемки зданий под заселение.

В случае незаключения договора в указанный срок по ее вине, проверка принимаемых на техническое обслуживание систем производится «Предприятием связи» в полном объеме, аналогичном приемке КСКПТ, Государственной комиссией за дополнительную плату по смете на фактические затраты «Предприятия связи».

2.2.2. Обеспечивать передачу «Предприятию связи» к моменту подписания акта приемки КСКПТ в эксплуатацию полного комплекта исполнительской и другой документации, необходимой для технического обслуживания КСКПТ, а также ЗИПа, предусмотренного проектом.

2.2.3. Сообщать «Предприятию связи» о любых изменениях в формулярах, являющихся неотъемлемой частью настоящего договора, и вносить необходимые коррективы в приложение 1.2 к настоящему договору не позднее 15 дней со дня фактического изменения.

2.2.4. Вносить коррективы в приложение 1.2 и формуляры по мере заселения домов-новостроек (а также реконструированных и капитально отремонтированных домов), включенных в КСКПТ, отражающие сведения о заселяемых квартирах, и сообщать об этом «Предприятию» не позднее 15-дневного срока со дня заселения квартиры.

Примечание. Поскольку квартиросъемщики въезжают в квартиры, уже подключенные к КСКПТ, начисление абонентной платы производится без письменного заявления. В случае нежелания пользоваться КСКПТ абонент должен подать заявление об отключении от КСКПТ. Днем отказа от пользования считается день получения «Предприятием связи» сообщения от «Организации».

2.2.5. Перечислять не позднее 10 числа следующего за платежным месяца в соответствии с приложением 1.2. на расчетный счет «Предприятия связи» (см. п. 5.2) причитающуюся ему сумму абонентской платы за техническое обслуживание КСКПТ.

2.2.6. Немедленно вызывать представителей «Предприятия связи» при нарушении работоспособности КСКПТ из-за случаев, указанных в п. 2.1.3.3, составлять с участием представителей владельца зданий и «Предприятия связи» акты о случившемся и о восстановлении системы и заверять их печатями, по 2 экз. актов передавать «Предприятию связи», оплачивать стоимость установленного оборудования в 10-дневный срок после представления «Предприятием связи» акта о восстановлении работоспособности системы и счета на оплату.

2.2.7. Своевременно заказывать и финансировать проектирование и выполнение силами специализированной строительно-монтажной организации реконструкции КСКПТ по соответствующим планам (п. 2.1.9).

2.2.8. Не производить самостоятельно, а также не допускать других лиц и организаций к производству работ на антенно-кабельных сооружениях, головных станциях, магистральных и линейных усилителях КСКПТ без разрешения «Предприятия связи».

2.2.9. Обеспечивать сохранность антенно-кабельных сооружений, магистральных и распределительных усилителей и оборудования головных станций. Регулярно контролировать средства защиты от хищения оборудования КСКПТ, при их нарушении срочно восстанавливать.

Примечание. Ответственность за выход из строя системы или ухудшение качества телевизионного изображения в результате хищения, разукомплектования или порчи оборудования и антенно-кабельных сооружений несет «Организация».

2.2.10. Передавать «Предприятию связи» в кратчайшие сроки импортное оборудование, закупленное для проведения непредвиденных ремонтов, после чего «Предприятием связи» будут произведены восстановительные работы в сроки, согласованные с «Организацией».

При невозможности поставки такого оборудования решить в кратчайшие сроки с проектной организацией и «Предприятием связи» вопрос обеспечения приема телевидения абонентами КСКПТ, в которой похищено оборудование.

2.2.11. Содержать в исправности выходы и проходы по чердакам, подвалам и крышам зданий к антенно-кабельным сооружениям и оборудованию КСКПТ. Обеспечивать беспрепятственный допуск работников «Предприятия связи» (при предъявлении соответствующего документа) на чердаки, подвалы, крыши зданий, к собственной кабельной канализации для выполнения требуемых работ. Содержать в исправности электросеть и освещение, электрозащитное и молниезащитное заземления, ограждения крыш, обеспечивая безопасные условия работы персонала «Предприятия связи». При обнаружении отклонения от нормы величины сопротивления заземления осуществлять работы по его восстановлению в кратчайшие сроки. Поддерживать в исправном состоянии настилы и мостики над трубами и инженерными коммуникациями для возможности прохода к оборудованию КСКПТ и переноса измерительных приборов. При их отсутствии обеспечивать безопасные условия прохода к оборудованию КСКПТ.

Решать с управлением коллекторов вопрос о допуске работников «Предприятия связи» для обслуживания линейных сооружений КСКПТ.

2.2.12. При затоплении подвалов, коллекторов, канализации, где проходят кабели КСКПТ, производить откачку воды из них.

2.2.13. До начала плановых строительных и ремонтных работ, которые могут повлечь за собой нарушение работы систем, порчу антенно-кабельных сооружений, головных станций и оборудования КСКПТ, обеспечивать силами проектных и строительно-монтажных организаций включение КСКПТ по временной схеме по согласованию с «Предприятием связи».

2.2.14. Принимать заявки на неисправности в работе КСКПТ от абонентов, регистрировать их в специальном журнале объединенной диспетчерской службы (ОДС) «Организации» (форма журнала и примеры его заполнения приведены в приложении 4*) и за время не более 2-х часов передавать «Предприятию связи». Заявки передаются «Предприятию связи» в следующих случаях:

* См. приложение к сборнику № 4.

при нескольких заявках абонентов одного подъезда без подтверждения из телеателье;

при разовой заявке абонента с подтверждением о неисправности КСКПТ из телеателье.

2.2.15. Обеспечивать выполнение объединенными диспетчерскими службами (ОДС) «Организации» инструкции (приложение 4) по принятию заявок от абонентов КСКПТ, разработанной «Предприятием связи» и согласованной с «Организацией».

2.2.16. Заранее оповещать абонентов системы:

об особенностях приема телевизионных передач в системах с конвертированием (приложение 5) или имеющие другие технические особенности по дополнительной информации, подготовленной «Предприятием связи»;

о сроках проведения контроля технического состояния, времени отключения системы и возможности временного ухудшения качества приема телевизионных передач (см. п. 2.1.6).

2.3. Штрафные санкции при нарушении сторонами своих обязательств оговариваются в разделе «Особые условия» по согласованию «Предприятия связи» и «Организации».

III. ПОРЯДОК РАСЧЕТОВ

3.1. «Организация» обязана не позднее 10 числа следующего за платежным месяца, в соответствии с приложением 1.2, перечислять на расчетный счет «Предприятия связи» (см. п. 5.2) договорную сумму за пользование КСКПТ платежными поручениями, подлежащими оплате банком в порядке очередности, установленной постановлением Совета Министров СССР от 16 сентября 1983 г. № 911 «Основные положения о расчетах в народном хозяйстве СССР».

3.2. «Предприятие связи» обязано ежемесячно оплачивать услуги «Организации» по сбору абонементной платы за обслуживание КСКПТ в размере 2 % от сумм, перечисленных «Предприятию связи».

IV. ОСОБЫЕ УСЛОВИЯ

4.1. В случае задержки «Организацией» перечисления причитающейся по настоящему договору за оплачиваемый месяц суммы «Предприятие связи» 12 числа каждого месяца представляет в банк на инкассо платежное требование на оплату за техническое обслуживание.

4.2. При просрочке платежа «Организация» уплачивает «Предприятию связи» пени в размере 0,05 % от суммы договора за каждый день просрочки.

4.3. Договор заключен в 2 экземплярах по одному для каждой стороны.

4.4. Все спорные вопросы по настоящему договору решаются в соответствии с действующим законодательством, регулирующим хозяйственные споры.

4.5. В дальнейшем стороны по согласованию между собой и с вышестоящими организациями по подчиненности, могут вносить дополнения в данную главу настоящего договора.

4.6. «Предприятие связи» лишается права на получение с «Организации» абонентской платы за данный месяц за абоненты, по которым имелось нарушение обязательств, указанных в п. 2.1.6.

4.7. «Организация» оплачивает фактические затраты «Предприятия связи» за выезды по заявкам в следующих случаях:

4.7.1. При подаче заявок с нарушением п. 1 инструкции по принятию заявок от абонентов КСКПТ.

V. СРОК ДОГОВОРА И АДРЕСА СТОРОН

5.1. Срок действия настоящего договора определен с _____________ 19 г. до_____________19 г. При неполучении сторонами за месяц до истечения указанного срока письменного заявления условий договора, последний считается продленным на год.

5.2. Адреса, номера счетов для расчетов и телефоны:

«Предприятие связи»                                                                                                          

                                                                                                                                              

«Организация»                                                                                                                    

                                                                                                                                              

5.3. Приложение к договору:

1*. Общие данные о КСКПТ, принятых на техническое обслуживание ОРПС. (паспорт)

* - см. приложение 1.2 временной инструкции по приемке в эксплуатацию КСКПТ и СКТВ (приведено в настоящем сборнике).

2. Технический паспорт КСКПТ.**

** - см. приложение 2 временной инструкции по приемке в эксплуатацию КСКПТ и СКТВ (приведено в настоящем сборнике).

3. (Формуляр.)

4. Инструкция для диспетчеров ДЭЗ Главмосжилуправления (ведомств) с приложением «Форма журнала».

«Предприятие связи»                                                       «Организация»

«___»_______198__ г.                                                      «___»__________198_ г.

ПРИЛОЖЕНИЕ 3

ПРИЛОЖЕНИЕ К ДОГОВОРУ №_________

                                           р-н города                                                                                 

Изменение от «___»                                                   198__ г.

Фактическое количество подключений на 01.____________198__ г.:                         

Сумма оплаты за техобслуживание: __________ руб. _______ коп.

№№ п/п

Номер КСКПТ

Дата принятия на техобслуживание

Фактическое количество подключений

Сумма оплаты за техобслуживание в месяц

 

 

 

 

 

 

 

 

 

 

 

 

 

 

 

 

 

 

 

 

 

 

 

 

 

 

 

 

 

 

 

 

 

 

 

 

 

 

 

 

 

 

 

 

 

 

 

 

 

 

 

 

 

 

 

 

 

 

 

 

Итого:                                                      

Всего:                                                      

ОРГАНИЗАЦИЯ                                                               ПРЕДПРИЯТИЕ СВЯЗИ

________________                                                           _________________

«___»__________198_ г.                                                  «___»___________198_ г.

М.П.                                                                                        М.П.

ПРИЛОЖЕНИЕ 4

ИНСТРУКЦИЯ ДЛЯ ДИСПЕТЧЕРОВ ДЭЗ ПРИ ПОЛУЧЕНИИ ЗАЯВОК НА НЕИСПРАВНОСТЬ КСКПТ

Диспетчер ДЭЗа обязан:

1. Принять заявку о неисправности коллективной антенны от владельца телевизора (абонента) в следующих случаях:

при предъявлении им квитанции, оставленной механиком телеателье, который осмотрел телевизор и сделал в ней записи об исправности телевизора и абонентского отвода и необходимости ремонта КСКПТ. Квитанция должна быть оставлена диспетчеру для передачи представителю предприятия связи, прибывшему по вызову;

при значительном ухудшении качества телевизионного изображения или при его пропадании у нескольких абонентов одного подъезда, проведенные техником-смотрителем или другим ответственным работником ДЭЗа.

2. Зарегистрировать заявки в журнале в графе 1.

3. Передать заявку по телефону, сделав соответствующую запись в журнале (графы 5, 6).

4. При прибытии специалистов предприятия связи выдать им ключи от помещений, где установлено оборудование КСКПТ под расписку при предъявлении служебных удостоверений.

5. В случаях отсутствия электропитания или освещения, необходимого для нормальной работы КСКПТ или ее обслуживания, а также при затоплении подвальных помещений, где расположено оборудование системы, в кратчайшие сроки вызвать соответствующие организации для устранения вышеуказанных неполадок, поставив в известность об этом руководство ДЭЗа.

6. После устранения неисправности подтвердить выполнение заявки росписью в наряде специалиста предприятия связи.

7. При заключении специалиста предприятия связи о необходимости проведения среднего или восстановительного (при похищении или умышленном повреждении оборудования или кабелей) ремонтов немедленно ставить в известность об этом руководство ДЭЗа для заключения договора с предприятием связи на проведение соответствующих работ.

ЗАПРЕЩАЕТСЯ направление абонентов непосредственно в службу предприятия связи.

Дата и время поступления заявки

(Адрес, фамилия, телефон аб-та, номер телеателье, номер квитанции, или № квартиры и Ф.И.О. кто проверил)

Причина вызова

Дата и время передачи заявки

Фамилия лица, принявшего заявку

Дата и результаты проведенных работ

Ф.И.О. роспись спец-та предприятия связи

Примечание

искажение или пропадание изображ. и № каналов

характер искажений

1

2

3

4

5

6

7

8

9

20/Х 1500

Коломенская ул., д. 15 корп. 1, Сидоров

118-55-60 телеателье № 9 квитанция № 954111

 

 

21/Х

1000

Иванова

21/Х - проведен текущий (мелкий) ремонт

 

 

 

 

 

 

 

21/Х - нет питающего напряж. 220 В

 

 

 

 

 

 

 

 

21/Х - похищен усилитель, требуется восстановительный ремонт, акт составлен

 

 

 

 

 

 

 

 

21/Х - требуется проведение среднего ремонта

 

 

 

 

 

 

 

 

(в журнал вносится одна из указанных или других причин)

 

 

ПРИЛОЖЕНИЕ 5

УВАЖАЕМЫЕ ТОВАРИЩИ ЖИЛЬЦЫ!

Ваш дом с____________ с. г. подключен к крупной системе коллективного приема телевидения (КСКПТ), которая позволяет смотреть телевизионные программы на следующих частотных каналах:

I вариант                                                                     II вариант

Первая программа - 12 канал                              Первая программа - 12 канал

Вторая программа - 4 канал                                Вторая программа - 2 канал

Московская программа - 9 канал                        Московская программа - 7 канал

Четвертая программа - 2 канал                           Четвертая программа - 4 канал

Пятая программа - 7 канал                                  Пятая программа - 9 канал

В случае, если качество телевизионных изображений будет неудовлетворительным, Вам необходимо вызвать механика телеателье, который установит причину брака (неисправность в телевизоре или в антенной системе).

Заявки на неисправность КСКПТ принимаются диспетчерской ДЭЗа, только при наличии соответствующей записи в квитанции, выданной механиком телеателье после проверки Вашего телевизора.

Для подачи заявки представьте эту квитанцию в диспетчерскую ДЭЗа.

 

 




ГОСТЫ, СТРОИТЕЛЬНЫЕ и ТЕХНИЧЕСКИЕ НОРМАТИВЫ.
Некоммерческая онлайн система, содержащая все Российские Госты, национальные Стандарты и нормативы.
В Системе содержится более 150000 файлов нормативно-технической документации, действующей на территории РФ.
Система предназначена для широкого круга инженерно-технических специалистов.

Рейтинг@Mail.ru Яндекс цитирования

Copyright © www.gostrf.com, 2008 - 2026