Крупнейшая бесплатная информационно-справочная система онлайн доступа к полному собранию технических нормативно-правовых актов РФ. Огромная база технических нормативов (более 150 тысяч документов) и полное собрание национальных стандартов, аутентичное официальной базе Госстандарта. GOSTRF.com - это более 1 Терабайта бесплатной технической информации для всех пользователей интернета. Все электронные копии представленных здесь документов могут распространяться без каких-либо ограничений. Поощряется распространение информации с этого сайта на любых других ресурсах. Каждый человек имеет право на неограниченный доступ к этим документам! Каждый человек имеет право на знание требований, изложенных в данных нормативно-правовых актах!

  


 

МИНИСТЕРСТВО СВЯЗИ РОССИЙСКОЙ ФЕДЕРАЦИИ

ТИПОВАЯ МЕТОДИКА
ПО ПРИЕМКЕ И ВВОДУ В ЭКСПЛУАТАЦИЮ
СЕРИЙНЫХ ГОРОДСКИХ И СЕЛЬСКИХ АТС
ИМПОРТНЫХ ПОСТАВОК

(редакция 2)

Утверждена Министерством связи
Российской Федерации
16.07.96

Москва 1996

СОДЕРЖАНИЕ

1. Введение. 1

2. Общие положения. 2

3. Приемо-сдаточные испытания. 4

3.1. Приемо-сдаточные испытания на предприятии-изготовителе (ПСИ1) 4

3.2. Приемо-сдаточные испытания на объекте заказчики (ПСИ2) 4

4. Состав приемо-сдаточных испытаний (ПСИ2) 7

5. Порядок проведения приемо-сдаточных работ на этапе ПСИ2. 8

6.1. Типовая методика проверки системы запуска всей станции. 9

6.2. Типовая методика проверки системы синхронизации. 10

6.3. Типовая методика проверки взаимодействия АТС с таксофонами. 14

6.4. Типовые методики проверки функций технического обслуживания и эксплуатации. 16

6.5. Типовая методика испытаний системы учета стоимости разговоров. 22

6.6. Типовая методика проверки функционирования АТС при взаимодействии с другими АТС, амтс данной сети. 25

6.7. Типовая методика проверки функционирования оборудования АОН.. 32

6.8. Типовая методика проверки средств автоматического испытания абонентских установок. 34

6.9. Типовая методика испытаний дополнительных видов обслуживания. 36

6.10. Типовая методика проверки комплекта документации. 80

6.11. Типовая методика проверки ЗИП, инструментов, измерительно-испытательной аппаратуры, приборов, приспособлений и расходных материалов. 80

6.12. Типовая методика проверки стабильности функционирования станции (СФС) перед вводом в эксплуатацию.. 80

6.13. Типовая методика проверки качества обслуживания вызовов методом ручных контрольных вызовов. 83

6.14. Типовая методика проверки требований к системе оперативно-розыскных мероприятий (СОРМ) 87

6.15. Типовая методика проверки требований к АТС в части функций цифровой сети интегрального обслуживания (ISDN) 87

6.16. Типовая методика проверки требований к сети и системе общеканальной сигнализации. 87

1. ВВЕДЕНИЕ

1.1. Настоящая типовая методика приемо-сдаточных испытаний является организационно-методическим документом, разработанным для городских и сельских серийно поставляемых электронных АТС, которая устанавливает в обобщенном виде цели испытаний, виды и перечень проводимых проверок и их последовательность, условия проведения испытаний и отчетность по ним.

1.2. Настоящая типовая методика разработана в соответствии с ГОСТ В.15.211-78 и «Основными положениями сертификации технических средств электросвязи ВСС России».

2. Общие положения

2.1. Для проверки соответствия оборудования серийных ЭАТС требованиям ТУ и требованиям конкретного контракта, комплекс ЭАТС может быть подвергнут приемо-сдаточным испытаниям для введения системы в эксплуатацию. Приемо-сдаточные испытания состоят из двух этапов:

- приемо-сдаточные испытания на предприятии-изготовителе (ПСИ1);

- приемо-сдаточные испытания на объекте Заказчика (ПСИ2)

2.2. Приемо-сдаточным испытаниям должны предшествовать испытания, проводимые в рамках контроля системы качества в соответствии с международным стандартом ISO 9001, предусматривающим сквозной контроль качества на всех стадиях разработки и изготовления.

Все предварительные испытания проводятся силами и средствами Изготовителя на заводе.

2.3. Приемо-сдаточные испытания проводятся на предприятии-изготовителе и на объекте Заказчика. Приемо-сдаточные испытания на предприятии Изготовителя проводятся Изготовителем.

Состав испытаний, описания тестов, осуществляемых в ходе производства (производственных тестов), предоставляется Изготовителем.

2.4. Заказчик, получив оборудование на таможне, перевозит его на место установки.

Осмотр состояния груза и комплектности поступившего оборудования осуществляется Заказчиком в присутствии представителя Поставщика или в отсутствии последнего (по договоренности). (См. в п. 2.13 методики осмотра состояния груза и комплектности поступившего оборудования).

Комплекс, предъявляемый на испытания, должен быть полностью укомплектован в соответствии с перечнем оборудования, проектной спецификацией и договором (контрактом). В частности, должна быть предъявлена соответствующая эксплуатационная документация на русском языке.

2.5. Заказчик должен известить Госсвязьнадзор о начале строительства объекта в установленном порядке.

2.6. Монтаж, установку оборудования и предварительные испытания оборудования осуществляет Изготовитель в соответствии с условиями контракта с Заказчиком.

По окончании строительства Заказчик должен получить от Госсвязьнадзора заключение о соответствии проекту, лицензии, нормам строительно-монтажных работ, о выполнении предварительных тестов и проверок и, что объект готов и разрешается приемка его приемочной комиссией.

Заказчик назначает приемочную комиссию, в состав которой входит представитель Госсвязьнадзора.

Приемочная комиссия осуществляет приемосдаточные испытания ПСИ2.

В приемо-сдаточных испытаниях должен принимать участие эксплуатационный персонал проверяемого объекта, прошедший обучение функциям техобслуживания и эксплуатации под руководством специалистов фирмы Поставщика и получивший документ, подтверждающий право эксплуатации оборудования.

2.7. Результаты испытаний считают положительными, если комплекс испытан в полном объеме тестов и процедур проведения испытаний и соответствует всем требованиям ТУ на станцию проверяемого типа.

2.8. При наличии замечаний комиссия принимает решение о существенности этих замечаний и принимает решение о возможности приемки или неприемки станции.

2.9. Основными документами при проведении испытаний и приемки оборудования являются:

- рабочий проект включения серийной АТС;

- технические условия на проверяемую АТС;

- эксплуатационная документация;

- настоящая типовая методика приемки и вводу в эксплуатацию, утвержденная УЭС Минсвязи России.

2.10. В процессе испытаний запрещается подстраивать, регулировать оборудование, а также подтягивать крепежные изделия. Решение по возможным отказам в ходе приемки принимается по согласованию Заказчика и Поставщика.

При проведении испытаний допускается замена неисправных съемных элементов (предохранителей, сигнальных и индикаторных ламп и т.п.) без возврата изделия. В этом случае испытания должны продолжаться по прерванному и последующим видам испытаний. Допускается также коррекция ошибок в системе с использованием стандартных процедур эксплуатации и техобслуживания. Замена ТЭЗ допускается в количествах, определенных Стандартом фирмы Поставщика оборудования и согласованных с заказчиком.

2.11. При проведении испытаний и приемки на предприятии-изготовителе материально-техническое обеспечение осуществляет предприятие-изготовитель.

При проведении испытаний на объектах заказчика Минсвязи России материально-техническое, метрологическое и бытовое обеспечение осуществляют заказчик и изготовитель.

2.12. По окончании приемки комиссия составляет акт о принятии объекта в эксплуатацию.

2.13. Методика осмотра состояния груза и комплектности поступившего оборудования.

2.13.1. После прибытия груза в таможню, Заказчику посылается уведомляющее сообщение о прибытии груза. Заказчик осуществляет процедуру растаможивания груза и перевозку его на место монтажа оборудования.

При осмотре груза на таможне устанавливается, что все грузоместа (ящики, контейнеры), указанные в перечне поставки изготовителя, доставлены на склад временного хранении таможни и что внешне не повреждены во время транспортировки. Возможен также выборочный или полный осмотр содержимого грузомест на соответствие упаковочным листам грузомест.

Если представитель поставщика не принимает участия в осмотре, и заказчик имеет претензии к поставке, например количество грузомест не совпадает с накладной, то заказчик должен немедленно сообщить об этом представителю поставщика. Представители заказчика и поставщика должны договориться о принятии необходимых мер для устранения обнаруженных недостатков и должен быть составлен протокол.

2.13.2. По прибытии груза на место монтажа оборудования осуществляется осмотр груза после транспортирования и проверка комплектности прибывшего оборудования.

2.13.2.1. Осмотр количества поставленного груза.

Грузоместа не распаковываются при осмотре; проверка количества входящих в поставку грузомест производится путем сравнения с накладной. При этом производится визуальный осмотр упаковок.

2.13.2.2. Осмотр содержания поставленного груза.

При вскрытии грузомест их содержание должно сравниваться с упаковочным листом, который находится внутри каждого грузоместа.

Если представитель поставщика не принимает участия в осмотре и заказчик имеет претензии к содержанию грузомест, например, к количеству поставленных изделий или их дефектам заказчик должен немедленно сообщить об этом представителю поставщика. Представители заказчика и поставщика должны договориться о принятии необходимых мер для устранения обнаруженных недостатков и дефектов и должен быть составлен протокол.

3. Приемо-сдаточные испытания

3.1. Приемо-сдаточные испытания на предприятии-изготовителе (ПСИ1)

состоят из:

- испытаний составных частей комплекса;

- испытания станции в целом и ее подсистем.

3.1.1. На предприятии Изготовителя проводятся ПСИ составных частей комплекса, в том числе стативов оборудования всех видов, полностью укомплектованных ТЭЗами (платами), терминалов оператора, станционных и тестирующих лент и других изделий, перечисленных в спецификациях на поставку согласно контракту.

3.1.2. ПСИ составных частей комплекса выполняются Поставщиком своими средствами и персоналом по правилам и методике, используемым на заводе, в соответствии со стандартами страны Поставщика.

3.1.3. Предназначенные к сдаче составные части комплекса должны быть проверены и приняты отделом технического контроля (ОТК) или аналогичным подразделением предприятия-изготовителя в полном объеме согласно комплектовочным спецификациям. Результаты проверки могут быть оформлены соответствующим документом (зависит от практики фирмы изготовителя).

3.1.4. Принятым и подлежащим отгрузке считается оборудование комплекса, выдержавшее ПСИ1 на предприятии Изготовителя, укомплектованное и упакованное в соответствии с ТУ, уложенное в тару.

3.1.5. Отгрузка прошедшего испытания оборудования может производиться этапами в рамках договора на поставку, причем полностью комплекс должен быть поставлен комплектно в соответствии с условиями контракта.

3.2. Приемо-сдаточные испытания на объекте заказчики (ПСИ2)

3.2.1. До приемо-сдаточных испытаний должны быть произведены следующие предварительные тесты и проверки:

- «проверка результатов установки оборудования и монтажных работ», осуществляемая Заказчиком при участии и помощи Поставщика (см. методику проверки п. 3.2.3);

- «установочные тесты» комплекса, проводимые Изготовителем по его методике. В этих испытаниях представители эксплуатации участвуют в качестве наблюдателей. Протоколы с результатами установочных испытаний прилагаются к извещению о возможности проведения ПСИ2.

Типовой состав «установочных тестов» см. в п. 3.2.4.

Примечание. Отдельные этапы установочных испытаний, заверенные представителями эксплуатации при положительных результатах, по договоренности с председателем приемочной комиссии заказчика, могут быть засчитаны в результаты ПСИ2.

3.2.2. ПСИ2 проводятся на предъявленном к испытаниям комплексе до подключения в полном объеме абонентских и соединительных линий (см. Примечание). Предъявленный к испытаниям комплекс должен быть полностью укомплектован оборудованием, внешними устройствами (терминалами), программным обеспечением (станционными, тестирующими и диагностическими лентами), запасными частями, инструментами, испытательно-измерительной аппаратурой, расходными материалами (ЗИП) и другими изделиями в соответствии со спецификацией на поставку, а также двумя комплектами эксплуатационной документации. Перечисленное оборудование, изделия и документация при положительных результатах ПСИ2 передаются заказчику по соответствующему протоколу, являющемуся приложением к акту приемки.

В процессе приемки ПСИ2 Заказчик предъявляет комиссии документы (протоколы, акты и др.) о прохождении с положительным результатом этапа ПСИ1 всего состава смонтированного на объекте оборудования комплекса и входящих в состав поставки изделий. О результатах этапа ПСИ1 делается запись в акте приемки этапа ПСИ2.

Примечания. 1. В процессе работы комиссии, по требования председателя комиссии, к комплексу подключается некоторое количество абонентских и соединительных линий всех предусмотренных на объекте типов для обеспечения возможности линейных испытаний в реальных условиях (не менее 10-ти СЛ в каждом направлении к встречному коммутационному оборудовании и не менее 1 % АЛ от емкости АТС)

2. Число экземпляров документации уточняется в контрактах.

3.2.3. Методика проверки результатов установки оборудования и монтажных работ

3.2.3.1. Цель

При проверке результатов монтажных работ устанавливается, что все оборудование, указанное в контракте, поставлено, и что оно по своей маркировке соответствует обозначениям технической документации, определенным в таблицах комплектации. Кроме того, проверяются качество и правильность проведения монтажа согласно соответствующим инструкциям.

3.2.3.2. Условия начала проверки.

Процедура проверки монтажных работ, проводится по согласованному графику между заказчиком и стороной, несущей ответственность за монтажные работы. Проверка монтажных работ может начинаться, как только сторона, несущая ответственность за выполнение монтажа, доведет до конца монтаж части, предназначенной для проверки. Не позднее, чем за 10 рабочих дней, сторона, несущая ответственность за выполнение монтажа, сообщает заказчику дату окончания монтажных работ.

3.2.3.3. Процедура проверки монтажа оборудования.

3.2.3.3.1. Проверка оборудования:

- проверка количества и уровня технической взаимозаменяемости изделий путем сравнения с таблицами комплектации. До этого проверяется соответствие таблиц комплектации поставке. Проверке подвергаются также запчасти, рабочие инструменты и измерительные приборы;

- проверка комплектации стативов при помощи чертежей и таблиц комплектации;

- проверка документации, необходимой для процесса монтажа: план расположения оборудования, инструкции по монтажу, монтажные чертежи, фасады всех стативов, промщитов, кроссов, прокладка кабелей абонентских и соединительных линий и перечни (таблицы) прокладки кабелей.

3.2.3.3.2. Проверка качества монтажных работ.

При всех нижеприведенных работах контролируется соблюдение инструкций по монтажу и правильность метода монтажа:

- проверка соответствия расположения оборудования монтажным чертежам;

- проверка установки стативов и других конструкций, а также проверка прокладки кабелей;

- электрическая проверка прокладки и включения кабелей абонентских и соединительных линий путем выборочного контроля прозвонкой 20 % оборудования;

- выборочный (до 20 % оборудования) визуальный осмотр качества и взаимозаменяемости ТЭЗ;

- проверка качества монтажа токораспределительной сети;

- проверка необходимой для эксплуатации маркировки на фасадах стативов, платах, промщитах, кроссах и прочего оборудования.

3.2.3.3.3. Подготовительные тесты:

- проверяются и измеряются заземления и сеть связи с заземлением оборудования станции и ЭПУ;

- проверка монтажа оборудования ЭПУ (с участием организации, ответственной за электропитающие устройства);

- проверки работоспособности основного и резервного оборудования электропитания (с участием организации, ответственной за электропитающие устройства);

- измерения входных и выходных напряжений на стативах и во вторичных источниках электропитания;

- осмотр аварийной сигнализации;

- проверка работы системы отопления и вентиляции для обеспечения требуемых условий окружающей среды (с участием организации, ответственной за сантехнические устройства).

3.2.4. Типовой состав установочных тестов.

3.2.4.1. Установочные тесты делятся на три части:

- Тесты оборудования

- Тесты ПО

- Тесты взаимодействия с существующей сетью.

3.2.4.2. Тесты оборудования проводятся для проверки правильной работы оборудования станции. Они включают:

- Проверка тактового генератора

- Проверка модулей компьютерной периферии

- Предварительный тест устройств ввода/вывода

- Инициализация периферии и модуля загрузки

- Тест периферии и модуля загрузки

- Связь модулей

- Тест коммутации

- Тест аварийной сигнализации

- Тест генератора акустических и вызывных сигналов

- Модуль аналоговых абонентов

- Модуль тестирования трактов

- Модуль служебных комплектов и конференц-связь

- Модуль цифровых трактов

- Модуль общеканальной сигнализации

3.2.4.3. Тест ПО проверяет работоспособность в соответствии с ТУ. Типовой состав тестов:

- Инициализация системы

- Периферийные и сервисные процедуры

- Система защиты базы данных

- Административное управление базой данных

- Функции техобслуживания

- Сводка аварийной сигнализации, управление аварийной сигнализацией

- Система управления базой данных

- Обработка вызовов:

- внутренние вызовы

- исходящие вызовы

- входящие вызовы

- транзитные вызовы, если предусмотрены проектом станции

- вызовы услуг

- Сигнализация

- Синхронизация, удержание частоты при пропадании внешней синхронизации

- Тест сигнализации

- Тест данных маршрутизации

- Тест данных тарификации

- Тест абонентских данных

- Административное управление

- Измерения и статистика

- Модуль тестирования трактов (если предусмотрен в системе)

3.2.4.4. Тесты взаимодействия с существующей сетью.

Тесты взаимодействия с сетью начинаются только после завершения тестов оборудования и «локальных» тестов ПО. Система должна быть загружена рабочими программами.

В тестах взаимодействия с сетью различаются:

- Тесты входящего и исходящего трафика по существующим маршрутам;

- Функциональный тест классов линий и абонентских услуг;

- Функциональный тест связи со спецслужбами, действующими в данной сети;

- Проверка функций учета стоимости;

- Коэффициент потерянных вызовов, тесты нагрузки и/или тесты стабильности функционирования.

4. Состав приемо-сдаточных испытаний (ПСИ2)

4.1. Типовой состав приемо-сдаточных испытаний комплекса на объекте заказчика (ПСИ2) приведен в табл. 1.

4.2. Общие объемы испытаний по каждому виду проверок определяются приемочной комиссией и могут корректироваться на основании полученных результатов тестирования.

Таблица 1

Типовой состав испытаний на пусковом объекте Заказчика

№ п/п

Наименования испытаний и проверок

Номера пунктов типовых методик проверок, испытаний серийных стадий

Примечания: Объемы испытаний, указания по комплексным проверкам

1

2

3

4

1

Проверка первоначального запуска станции

6.1

100 % возможностей по TT

2

Проверка функционирования средств диалога «оператор-система» и (MML)

6.1.4

-″-

3

Проверка системы синхронизации, тактовых генераторов

6.2

-″-

4

Проверка периферийных средств

(терминалов) оператора, в том числе: накопителей на магнитной ленте НМЛ, видеотерминалов ВТУ, устройств документальных копий, дисков, модемов

Эксплуатационная документация (инструкции по управлению периферийными устройствами)

100 % оборудования и функций1)

5

Проверка взаимодействия АТС с таксофонами

6.3

100 % таксофонов

6

Проверка функций технического обслуживания и эксплуатации в том числе:

6.4

Основные директивы ТО, включая средства диагностики1)

7

Проверка функционирования средств автоматического контроля и аварийной сигнализации.

6.4.4, 6.4.5

100 % функциональных сигналов

8

Проверка системы учета стоимости разговора

6.5

 

9

Проверка функционирования АТС при взаимодействии с другими АТС, АМТС данной сети по реальным линиям и системам межстанционной связи

6.6

Не менее 5 линий каждого вида и направления. Не менее 10 контрольных вызовов (KB) по каждому направлению1)

10

Проверка функционирования оборудования АОН по реальным линиям и системе передачи

6.7

Но менее 5 линий в каждом направлении. Не менее 20 КB по каждому направлению1)

Примечание 1) по п.п. 7, 8, 10 - 100 % проверки проводятся до ввода станции в эксплуатацию

11

Проверка средств автоматического испытания абонентских установок

6.8

100 % модулей

Выборочно 15 % монтированной емкости. Должны быть проверены все функции авт. испытаний

Примечание. 100 % проверка АЛ в сторону линии и станции проводится до ввода станции в эксплуатацию работниками кросса при подключении абонентов

12

Проверка функционирования дополнительных видов обслуживания (ДВО)

6.9

Выборочно не менее 20 абонентов с охватом всех предусмотренных ТУ и проектом услуг

13

Проверка оборудования кроссов абонентских и соединительных линий с контролем предусмотренных проектом средств защиты

 

Общий осмотр кросса, проверка наличия элементов защиты (если предусмотрены проектом), проверка сопротивления заземления (не > 0,1 Ом)

14

Проверка ЗИП

6.11

 

15

Проверка стабильности функционирования системы АТС (СФС) в трехсуточном цикле с массовым проведением контрольных вызовов, ротацией соединительных путей и управляющих модулей

6.12

Не менее 100´N контрольных вызовов за 72 часа непрерывной работы (где N - абонентская емкость АТС)

условия:

Искусственная нагрузка имитаций всех видов связи по «завернутым» СЛ

16

Проверка качества обслуживания вызовов методом ручных контрольных вызовов

6.13

Не менее 50 вызовов в каждом направлении (маршруте)

17

Проверка требований к системе оперативно-розыскных мероприятий

6.14

Оговаривается в отдельном документе

18

Проверка требований к АТС в части функций цифровой сети интегрального обслуживания (ISDN)

6.15

Оговаривается в отдельном документе

19

Проверка требований к сети и системе общеканальной сигнализации

6.16

Оговаривается в отдельном документе

5. Порядок проведения приемо-сдаточных работ на этапе ПСИ2

5.1. Проводить проверки в соответствии с пунктами табл. 1 и типовым методикам п. 6.

5.2. Положительные результаты проверок по п.п. 1 - 12 табл. 1 дают право проводить проверку СФС по п. 15 этой же таблицы.

5.3. При отрицательном результате проверки СФС эта проверка может быть повторена заново. При вторичном отрицательном результате станция бракуется и изготовителю предоставляется срок до одного месяца для устранения недостатков и вторичного предъявления комплекса. При вторичном предъявлении комплекса к ПСИ2 председателю приемочной комиссии предоставляется право принять решение об объеме вторичных ПСИ2: по всей таблице 1 или по ее отдельным пунктам.

5.4. При положительном результате СФС осуществляется проверка функционирования оборудования при взаимодействии с АТС и АМТС сети с помощью массовых ручных контрольных вызовов KB. При этом создаются вызовы (не менее 100 КВ) во всех направлениях, подсчитывается коэффициент непрохождений (потерянных вызовов), отмечаются типы непрохождений, отмечается качество обслуживания вызова с точки зрения абонента, качество установленного разговорного тракта.

5.5. При положительном результате ручных контрольных вызовов оформляется акт предварительной приемки. Положительным результатом РКВ является получение потерь, ниже нормы установленной для сети, где установлена рассматриваемая АТС.

5.6. Положительные результаты предыдущих проверок и оформление акта дает право на включение станции в эксплуатацию, после чего начинается гарантийный период обслуживания станции.

5.7. На этапе ПСИ2 Изготовитель должен представить, а Заказчик проверить на соответствие ТУ и принять эксплуатационную документацию в объеме, предусмотренном ТУ и поставочным договором (контрактом), в том числе справочники и инструкции по эксплуатации, по техобслуживанию, директивные и аварийные справочники, включая инструкции оператора при обнаружении ошибок и сбоев в оборудовании и ПО.

5.8. На этапе ПСИ2 Изготовитель должен передать Заказчику полный состав ЗИП согласно ТУ и договору. Если часть ЗИП была израсходованы в процессе пуско-наладочных работ, то Изготовитель должен восстановить ЗИП полностью к началу эксплуатации и в конце периода гарантийного обслуживания ЗИП также должен быть проверен и сдан заказчику в полном объеме.

5.9. Окончательно годным принятым в эксплуатацию считается Комплекс, который по результатам приемо-сдаточных испытаний на объекте Заказчика (ПСИ2) показал положительный результат по всем пунктам табл. 1.

6.1. ТИПОВАЯ МЕТОДИКА ПРОВЕРКИ СИСТЕМЫ ЗАПУСКА ВСЕЙ СТАНЦИИ

6.1.1. Объект испытания.

Вся АТС, включая сеть абонентских и соединительных линий.

6.1.2. Цель испытания.

Целью испытания системы запуска всей станции является перевод всей станции в рабочее состояние, чтобы при всех приемо-сдаточных испытаниях все оборудование и ПО функционировало бы в сети как единое целое.

6.1.3. Условия и порядок проведения испытаний.

Запуск станции проводится по инструкциям эксплуатационной документации. Запуск осуществляется поэтапно, в зависимости от структуры системы, но в первую очередь, происходит запуск системы эксплуатации АТС, необходимой для управления запуском АТС и визуального отображения информации о ходе запуска.

При запуске системы технической эксплуатации проверяется:

- функционирование всех процессов системы эксплуатации;

- функционирование всех устройств ввода/вывода, закрепленных за системой эксплуатации (дисплеев, накопителей на гибких дисках, на жестких дисках «винчестерах», печатающих устройств и др. терминалов);

- функционирование системы аварийной сигнализации;

- отображение с помощью последней, всех этапом запуска АТС, отображение состояния оборудования запускаемой АТС, ее подсистем.

Устройства ввода/вывода проверяют также на взаимозаменяемость, отключают печатающее устройство, на которое выводится аварийная сигнализация, и наблюдается вывод сигнализации на резервное устройство.

После осуществления запуска всех модулей и подсистем станции осуществляется проверка системы управления состояниями отдельных модулей и подсистем.

При неудачных попытках запуска станций или переключениях состояний модулей должно выводиться аварийное сообщение о соответствующем модуле.

С целью локализации неисправности следует включить имеющуюся в системе диагностику и заменить неисправный ТЭЗ из имеющегося комплекта ЗИП.

6.1.4. Проверка функционирования средств диалога «оператор-система (MML)».

С помощью системы директив на языки MML осуществляется управление системой технической эксплуатации, следовательно, самой ЭАТС.

На этапе запуска станции осуществляются проверки:

- управления системой директив (открытие, закрытие сеансов, действие паролей);

- управления периферийными устройствами ввода/вывода, например:

- форматирование дисков,

- инициализация дисков,

- создание/уничтожение файлов,

- защита от записей,

- копирование файлов,

- копирование дисков,

- передача файлов.

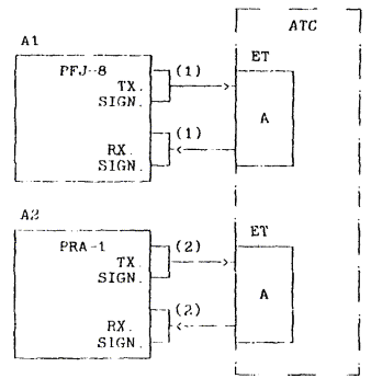
6.2. ТИПОВАЯ МЕТОДИКА ПРОВЕРКИ СИСТЕМЫ СИНХРОНИЗАЦИИ

6.2.1. Измерение полосы захвата частоты синхронизации и проверка аварийной сигнализации по предельной расстройке ведомого тактового генератора АТС и выходу его из синхронизма.

6.2.1.1. Проверка полосы захвата частоты синхронизации проводится по схеме рис. 6.2.1 при помощи приборов:

PFJ-8 - генератор-измеритель дрожаний и ошибок;

НР5370В - частотомер;

НР3325В - синтезатор частоты.

Прибор PFJ-8 должен быть подключен к стыку А, выделенная частота цифрового потока которого используется для синхронизации ведомого тактового генератора АТС.

Рис. 6.2.1

6.2.2. Установить частоту на синтезаторе частоты A1 с отклонением от номинальной равным максимальной расстройке, соответствующей полосе захвата. Проверить срабатывание аварийной сигнализации о предельной расстройке и о нахождении ведомого тактового генератора в синхронизме с частотой входного сигнала. Проверку произвести для минимальной и максимальной расстройки. Показания частотомера А2 должны соответствовать установленному значению частоты.

6.2.3. Установить частоту на синтезаторе частоты А1 с отклонением от номинальной заведомо превышающую полосу захвата. Проверить срабатывание аварийной сигнализации о выходе ведомого тактового генератора из синхронизма.

6.2.4. Изделие считается выдержавшим испытания, если результат измерений соответствует требованиям ТУ и ОТТ.

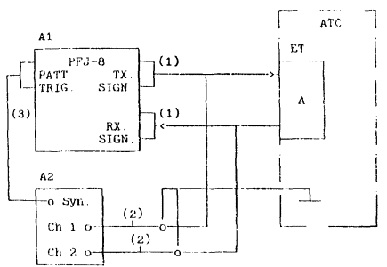
6.2.5. Проверка переключения входов синхронизации тактового генератора при обнаружении в принимаемом ИКМ сигнале неисправностей или аварийных сигналов.

6.2.5.1. Проверка переключения входов синхронизации проводится по схеме рис. 6.2.2 при помощи приборов:

PFJ-8 - генератор-измеритель дрожаний и ошибок;

PRA-1 - анализатор цикла.

Прибор PFJ-8 должен быть подключен к стыку А, выделенная частота цифрового потока которого используется для синхронизации ведомого тактового генератора АТС. Прибор PRA-1 должен быть подключен ко входу синхронизации со следующим приоритетом. Вместо прибора PRA-1 может быть использован другой источник ИКМ сигнала.

Al   PFJ-8 генератор-измеритель дрожаний и ошибок

A2  PRA-1 анализатор цикла

1     Измерительный кабель

2     Измерительный кабель

Рис. 6.2.2

6.2.5.2. При обнаружении непрерывным контролем неисправностей или аварийных сигналов должно происходить переключение тактового генератора на следующий по приоритету вход синхронизации. Контроль правильности функционирования производится по аварийной сигнализации испытываемого стыка и сообщениям персоналу. В соответствии с техническим описанием генератора-измерителя дрожаний и ошибок PFJ-8 имитируются следующие аварии на входе испытываемого оконечного станционного комплекта:

отсутствие принимаемого сигнала;

нарушение цикловой синхронизации;

повышенный коэффициент ошибок;

сигнал индикации аварии (AIS).

6.2.5.3. Изделие считается выдержавшим испытание, если результат измерений соответствует требованиям ТУ и ОТТ.

6.2.6. Измерение нарушения непрерывности фазы выходного ИКМ сигнала.

6.2.6.1. Измерение проводится по схеме рис. 6.2.3 при помощи приборов:

PFJ-8 - генератор-измеритель дрожаний и ошибок;

Цифровой осциллограф (например, TDS460).

Схема измерения нарушения непрерывности фазы

А1     PFJ-8 Генератор-измеритель дрожаний и ошибок

А2     Цифровой осциллограф

1  Измерительный кабель

2  Пробники осциллографа

3  Кабель

Рис. 6.2.3

6.2.6.2. Прибор PFJ-8 должен быть подключен к стыку А, выделенная частота цифрового потока которого используется для синхронизации ведомого тактового генератора АТС.

6.2.6.3. Проверку производят следующим образом:

- подключить осциллограф к испытываемому стыку через пробники согласно схеме рис. 6.2.3;

- произвести настройку осциллографа для наблюдения фронта импульса линейного сигнала в режиме math2, т.е. вычитания ch1 - ch2 при условии внешней синхронизации от прибора PFJ-8;

- по директиве от оператора или путем имитации аварии основного тактового генератора произвести переключение на резервный;

- замерить на осциллографе величину смещения фронта импульса лилейного сигнала по оси времени.

6.2.6.4. Изделие считается выдержавшим испытание, если результат измерений соответствует требованиям ТУ и ОТТ.

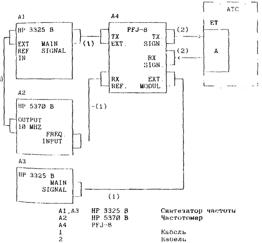
6.2.7. Измерение передаточной характеристики фазового дрожания и дрейфа фазы.

6.2.7.1. Измерение передаточной характеристики фазового дрожания и дрейфа фазы в диапазоне частот свыше 2 Гц проводится на схеме рис. 6.2.4 при помощи приборов:

PFJ-8 - генератор-измеритель дрожаний и ошибок;

НР5370В - частотомер;

НР3325В - синтезатор частоты.

6.2.7.2. Прибор PFJ-8 должен быть подключен к стыку А, выделенная частота цифрового потока которого используется для синхронизации ведомого тактового генератора АТС. Должно быть осуществлено переключение цифрового ИКМ сигнала в выбранном канальном интервале через коммутационное поле АТС со входа на выход испытуемого стыка.

6.2.7.3. Проверку производят следующим образом:

- согласно инструкции по эксплуатации прибора PFJ-8 произвести установку требуемой частоты и амплитуды фазовых дрожаний выходного сигнала;

- произвести на приборе PFJ-8 считывание величины фазового дрожания принимаемого сигнала;

рассчитать коэффициент передачи фазовых дрожаний по формуле:

А (дБ) = 20 lgвых / Aвх);

- произвести измерения для остальных выбранных частит передаточной характеристики.

2.6.2.7. Изделие считается выдержавшим испытаний, если по результатам измерений, коэффициент передачи фазовых дрожаний не больше определенного шаблоном в соответствии с требованиями ТУ и ОТТ.

2.6.2.8. Измерение передаточной характеристики дрейфа фазы в диапазоне частот 0,01 … 1,00 Гц проводится по схеме рис. 6.2.4 и помощи приборов:

А4                        PFJ-8 - Генератор-измеритель дрожаний и ошибок;

А2                        HP5370B - частотомер;

A1                        HP3325B - синтезатор частоты;

A3                        HP3325B - синтезатор частоты.

Схема измерений передаточных характеристик.

Рис. 6.2.4

6.2.8.1. Прибор PFJ-8 должен быть подключен к стыку А, выделенная частота цифрового потока которого используется для синхронизации ведомого тактового генератора АТС. Должно быть осуществлено подключение цифрового ИКМ сигнала в выбранном канальном интервале через коммутационное поле АТС со входа на выход испытуемого стыка.

6.2.8.2. Проверку производят следующим образом:

- согласно инструкции по эксплуатации прибора PFJ-8 установить режим внешнего источника модулирующего сигнала дрейфа фазы и неограниченного времени измерения амплитуды фазового дрейфы выходного сигнала;

- установить на синтезаторе частоты A3 требуемую частоту и амплитуду модулирующего сигнала фазового дрейфа;

произвести через промежуток времени не менее чем в 4 раза превышающий период модулирующего сигнала считывание на приборе PFJ-8 величины фазового дрейфа принимаемого сигнала;

- рассчитать коэффициент передачи фазового дрейфа по формуле:

А (дБ) = 20 lgвых / Авх);

- сбросить показания на приборе PFJ-8 и произвести измерения для остальных выбранных частот передаточной характеристики.

6.2.8.3. Изделие считается выдержавшим испытание, если по результатам измерений, коэффициент передачи дрейфа фазы не больше, определенного шаблоном в соответствии с требованиями ТУ и ОТТ.

6.3. ТИПОВАЯ МЕТОДИКА ПРОВЕРКИ ВЗАИМОДЕЙСТВИЯ АТС С ТАКСОФОНАМИ

6.3.1. Проверка работы АТС с таксофонами осуществляется путем проведения контрольных вызовов (KB) по следующим видам связи:

- внутристанционному,

- исходящему местному,

- исходящему к спецслужбам,

- исходящему к АМТС (МНТС).

При наличии в АТС функции контроля доходности таксофона необходимо проверять правильность учета стоимости.

В АТС следует проверить правильность установки категории АОН за таксофонами.

6.3.1.1. Проверка взаимодействия АТС с местным таксофоном.

6.3.1.2. Таксофон с возможностью продления разговора от АТС.

6.3.1.2.1. Осуществляется внутристанционный вызов без жетона (монеты). При этом отмечается следующая ситуация:

после ответа вызываемого абонента у вызывающего абонента наблюдается отключение микрофона-телефона.

6.3.1.2.2. Осуществляется внутристанционный вызов с жетоном. При этом наблюдаются ситуации:

а) после ответа абонента происходит кассация монеты;

в) до истечения оплачиваемого периода абонент слышит предупредительный сигнал, абонент опускает второй жетон, который также кассируется;

с) по истечении оплаченного периода связь прерывается.

6.3.1.3. Таксофон с автономным устройством тарификации или таксофон без ограничения длительности разговора.

6.3.1.3.1. Осуществляется внутристанционный вызов с жетоном. При этом проверяется лишь тот факт, что после ответа абонента осуществляется кассация жетона.

6.3.1.4. Повторяется проверка по п. 5.1.2.1 для исходящей местной связи.

6.3.1.5. Делается попытка установления междугородного соединения.

При этом проверяется, что АТС не предоставляет междугородное соединение с местного таксофона.

6.3.1.6. Делается попытка установления связи с платными спецслужбами.

6.3.1.7. Повторяется проверка исходящей связи с бесплатной экстренной службой. При этом жетон не должен кассироваться.

6.3.2. Проверка работы АТС с междугородным таксофоном с переполюсовкой от АТС.

6.3.2.1. Делается попытка установления местного соединения. Проверяется, что АТС не предоставляет соединения.

6.3.2.2. Осуществляется исходящей вызов к АМТС. Предварительно устанавливается определенный тарификационный период.

6.3.2.2.1. Отмечается ситуации при отсутствии жетона:

- после ответа вызываемого абонента и после начатия кнопки «ответ» - связь обрывается (обычно через 5 - 10 с).

6.3.2.2.2. Отмечаются ситуации при наличии жетона:

а) после ответа и нажатия на кнопку «ответ» - связь осуществляется;

в) по истечении тарификационного периода - связь прерывается (через 5 - 10 с).

6.3.2.2.3. Повторяется проверка по п. 5.2.2.2 при наличии нескольких жетонов.

6.3.3. Проверка взаимодействия АТС с универсальным карточным таксофоном.

6.3.3.1. Таксофон с передачей тарификационных импульсов от АТС (16 кГц или импульсы переполюсовки).

6.3.3.1.1. Осуществляется набор номера внутристанционного вызова без кредитной карты, с полностью использованной карты или с помощью карты, не соответствующей для данного таксофона. При этом на табло таксофона отмечается отсутствие кредита или соответствующее сообщение и связь абоненту не предоставляется.

6.3.3.1.2. Осуществляется внутристанционный вызов с кредитной картой.

При этом наблюдаются ситуации:

а) после ответа вызываемого абонента и нажатия кнопки «ответ» - связь предоставляется и на табло отмечается содержимое остатка кредитной карты;

б) за 10 - 20 с до истечения кредита абонент слышит акустический предупредительный сигнал, выдаваемый таксофоном, после чего проверяются две ситуации:

- возможность продления разговора вставлением новой кредитной карты;

- отказ в соединении, если новая карта вставляется.

6.3.3.1.3. Повторяется проверка при установлении исходящей местной связи.

6.3.3.1.4. Повторяется проверка при установлении исходящей связи с бесплатной экстренной спецслужбой. Проверка осуществляется дважды: с кредитной картой и без карты. Кредит на карте должен оставаться неизменным.

6.3.3.1.5. Повторяется проверка при установлении исходящей связи с платной спецслужбой. Предварительно устанавливается тариф с платной спецслужбой (поразговорный тариф).

6.3.3.1.6. Повторяется проверка при установлении вызова к АМТС (внутристанционного, междугороднего, международного). Предварительно устанавливается определенный тарификационный период.

6.3.3.2. Таксофон с автономным устройством тарификации.

6.3.3.2.1. Повторяется проверки п. 6.3.3.1. При этом с точки зрения абонента, наблюдаются те же ситуации, что и при проверке взаимодействия АТС и универсального таксофона с передачей тарификационных импульсов от АТС.

6.4. ТИПОВЫЕ МЕТОДИКИ ПРОВЕРКИ ФУНКЦИЙ ТЕХНИЧЕСКОГО ОБСЛУЖИВАНИЯ И ЭКСПЛУАТАЦИИ

6.4. Типовая методика испытаний функций эксплуатации и технического обслуживания.

6.4.1. Функции эксплуатации и состав тестов.

6.4.1.1. Функции эксплуатации:

- административное управление;

- управление системой;

- управление контролем и измерение трафика.

6.4.1.2. В функции административного управления входят операции по управлению:

- абонентскими данными;

- данными маршрутизации.

6.4.1.3. Состав тестов по управлению абонентскими данными:

- создание, исключение абонента;

- измерение категорий и характеристик абонента;

- управление дополнительными услугами;

- управление состоянием абонентской линии.

6.4.1.4. Состав тестов по управлению маршрутизацией:

- управление анализом номера и маршрутизацией вызовов;

- управление пучками;

- управление состояниями СЛ, пучков, направлений.

6.4.2. Методика испытаний административных функций.

6.4.2.1. Предварительные тесты.

6.4.2.1.1. Руководствуясь «Справочником по эксплуатации» устанавливают связь между модулями эксплуатации и внешним устройством ввода/вывода (дисплей, телетайп). Установление этой связи должно быть успешным. Проверить возможность переключения на другой терминал.

6.4.2.1.2. Используя функцию системы типа «HELP» (помощь), или руководствуясь «Справочником по эксплуатации», просматривают все административные команды, реализованные в системе, а также все коды команд в каждой группе команд. Должны быть выведены коды всех административных команд.

6.4.2.1.3. Испытанию подвергаются процедуры, предназначенные для изменения пароля и защиты входа в систему от незарегистрированного пользователя.

Проверка осуществляется путем входа в систему и выхода из системы пользователей с разными уровнями, которым присваиваются соответствующие пароли. Убедиться, что при вхождении в систему пользователя низкого уровня удаление пароля для пользователя какого-либо уровня невозможно, т.е. без ввода правильного пароля пользователи не могут войти в систему. Пароли может удалять только пользователи высшего уровня.

6.4.2.1.4. Проверить процедуры, необходимые для контроля системных часов реального времени. Часы реального времени установить на другую дату и время, а затем вернуть их на правильное значение.

6.4.2.2. Проверяются тесты по управлению абонентскими данными.

6.4.2.2.1. Проверяются процедуры создания, исключения абонента по директивам, указанным в «Справочнике по эксплуатации».

- абоненту присваивается списочный номер и позиционный (физический станционный) номер;

- проверяется, удалось ли создать абонента, посылая вызов по списочному номеру;

- делается попытка придания одного и того же списочного номера другому абоненту;

- делается попытка придания номера абоненту по физическому номеру, принадлежащему другому абоненту;

- осуществляется изменение списочного номера абонента;

- проверяется результат изменения путем посылки вызова к абоненту по новому номеру и по старому;

- осуществляется исключение абонента;

- проверяется результат исключения посылкой вызова по внутренней и входящей связи;

- делается попытка исключения абонента по несоответствующим списочным и/или физическим номерам;

- вернуть первоначальный списочный и физический номер абоненту.

6.4.2.2.2. Проверяются процедуры по изменению категорий и др. характеристик абонента:

- за абонентом закрепляется новый списочный номер и изменяется категория: вводятся категории запретов (поочередно) определенных видов связи;

-делается попытка установить запрещенный вид связи;

- вводятся категории АОН (поочередно);

- делается попытка установления вида связи, ограниченного установленной категорией АОН;

- делается установка «наблюдения за абонентом»;

- осуществляются вызовы к данному абоненту, исходящие вызовы от абонента;

- проверяется возможность вывода рапорта по наблюдению за абонентом, расшифровка данных по «Справочнику эксплуатации»;

- осуществляется установка «детальный учет стоимости» за абонентом;

- осуществляются вызовы от/к данному абоненту определенной длительности разговора (не менее 72 сек) за период времени, соответствующий 15-минутному периоду, расположенному в соответствующей астрономической четверти часа;

- проверяется возможность вывода и правильность детального учета в единицах времени или в количестве тарифных единиц (как принято в системе);

- вернуть первоначальное значение данных абонента.

6.4.2.2.3. Проверяются процедуры по управлению дополнительными услугами (присвоению и отмене права пользования ДВО, сами услуги проверяется отдельно):

- выбрать контрольный абонентский номер и с помощью документации пользователя прочитать значении всех параметров (перечень услуг);

- изменить значения всех параметров для данного абонента (перечень услуг) и снова их прочитать;

- вернуть первоначальное значение услуг;

- проверяются процедуры, предназначенные для создания и изменения групп общих интересов (ГОИ). Функционирование самих ГОИ проверяется отдельно;

- выбрать одну группу ГОИ;

- руководствуясь документацией, прочитать все списочные номера (головные номера) ГОИ на станции;

- выбрать один контрольный телефонный аппарат и написать его номер в качестве головного списочного номера новой группы ГОИ;

- добавить этой группе в качестве сопровождающих еще от двух до четырех контрольных телефонных аппаратов;

- снова прочитать все списочные номера групп ГОИ, а затем конфигурацию заново созданной ГОИ;

- руководствуясь документацией, аннулировать группу ГОИ.

6.4.2.3. Проверяются тесты по управлению маршрутизацией.

6.4.2.3.1. Проверяются процедуры, предназначенные для управления анализом номера и маршрутизацией вызовов.

6.4.2.3.1.1. Проверить управление кодами направлений. Испытываются процедуры, предназначенные для изменения данных таблицы анализа кода направления. Длина кода может быть от 1 до 4 (минимум) цифр:

- записать любой еще не существующий код в таблицу анализа кодов и прочитать его;

- стереть заново записанный код и проверить процедуру повторным считыванием данных для этого кода.

6.4.2.3.1.2. Проверить процедуры, предназначенные для изменения данных о типе исходящего соединения сигнализации и способе занятия исходящего комплекта СЛ. Выбрать код направления и относящийся к нему пункт назначения. Для данного пункта назначения данные сначала изменяются (например, изменить номер направления данного пункта назначения), затем возвращаются к прежним значениям.

6.4.2.3.1.3. Проверить процедуры, предназначенные для изменения добавленных (вставленных) цифр при входящей и исходящей (возможно) связи для определенного направления. Процедура испытания: записать для выбранного исходящего (входящего) направления цифры для вставления и прочитать их. Затем эти цифры удалить.

6.4.2.3.1.4. Проверить административные процедуры, предназначенные для создания запретов при наборе абонентом различных цифр номеров (запрещенных кодов).

6.4.2.3.2. Проверить административные процедуры управления пучками.

6.4.2.3.2.1. Проверить процедуры управления параметрами пучков СЛ, устройств управления или служебных комплектов.

- выбрать пучок и, руководствуясь документацией пользователя, прочитать для него значения всех параметров;

- затем с помощью административной процедуры изменить значения всех параметров для этого пучка и снова их прочитать;

- вернуть исходные значения параметрам пучка.

6.4.2.3.2.2. Проверяются процедуры по созданию, исключению пучка СЛ:

- создается входящий или исходящий (поочередно) тестовый пучок: закрепляется за ним имя, направление, определенные СЛ (путем изъятия из какого-либо имеющегося на станции пучка), определяется сигнализация, записанный набор;

- считываются полученные данные и проверяется, удалось ли создать пучок;

- делается попытка создать тестовый пучок с ошибочными параметрами:

- имя пучка уже используется в АТС;

- сигнализация, которая не используется в системе и др.;

- исключается тестовый пучок: блокируются, а затем исключаются из пучка все СЛ;

- проверяется результат;

- делается попытка исключить из пучка свободные СЛ или СЛ, находящиеся на стадии разговора.

6.4.2.3.3. Проверяются процедуры, предназначенные для управления состояниями СЛ, пучков, направлений.

6.4.2.3.3.1. Проверяется процедура, предназначенная для блокировки СЛ, пучков исходящего и входящего направления, а также (если это возможно в данной АТС) блокировки всего исходящего (входящего) направления.

Выбрать произвольную СЛ, пучок или произвольное направление (поочередно), а затем, в соответствии с указанием в документации пользователя заблокировать его. Процедуру проверить путем считывания состояния СЛ, пучка или данного направления. Соответствующей процедурой аннулировать блокировку.

6.4.2.3.3.2. Произвести процедуры блокировки и отмены блокировки для пучков прямого выбора и пучков второго выбора, если таковые имеются на АТС.

6.4.3. Методика испытаний функций управления контролем и измерением трафика.

6.4.3.1. Состав тестов по контролю и измерению трафика.

6.4.3.1.1. Тест возможности измерения типов нагрузки по видам связи:

- исходящей абонентской нагрузки;

- общей входящей нагрузки;

- входящей абонентской нагрузки;

- общей исходящей нагрузки;

- транзитной нагрузки;

- внутристанционной нагрузки.

6.4.3.1.2. Тест возможности измерения телетрафика и вывода результатов измерения для следующих объектов измерения:

- пучков;

- направлений (определяемые 1, 2 … 6-ою цифрами набираемого номера);

- управляющих устройств;

- вспомогательных устройств;

- отдельных АЛ, групп АЛ;

- типов нагрузки.

6.4.3.1.3. Тест возможности измерения основных параметров, характеризующих объекты измерения, как с точки зрения нагрузки, так и с точки зрения качества обслуживания вызовов:

1. Количество попыток вызова

2. Интенсивность нагрузки (Эрл)

3. Количество вызовов, потерянных из-за ошибок абонента при наборе номера

4. Количество вызовов, потерянных из-за внутристанционных перегрузок

5. Количество вызовов, потерянных из за отсутствия СЛ

6. Количество вызовов, потерянных по причинам ненормального состояния сети АЛ и сети СЛ:

- выключение из обслуживания,

- блокировка,

- изменение маршрута вызова.

7. Количество вызовов, необслуженных по причине непрохождения регистровой сигнализации

8. Количество вызовов, необслуженных из-за занятости АЛ

9. Количество вызовов с ответом

10. Количество вызовов без ответа

11. Количество преждевременных разъединений установленных соединений по техническим причинам тестируемой АТС или ее СЛ

6.4.3.1.4. Тест возможности вывода информации по телетрафику (нагрузке и показателям качества обслуживания) для всех или группы направлений с классификацией причин разъединений соединений, указанных в п.п. 311.

6.4.3.1.5. Тест возможности вывода всех причин разъединения по заданному направлению.

Примечание: Тесты 1.4 и 1.5 проводятся в случае, если указанные возможности предусмотрены ТУ на данную систему.

6.4.3.2. Проверяются процедуры измерения типов нагрузки по видам связи.

В соответствии с документацией пользователя осуществляются тесты по созданию измерения, запуску и останову и удалению измерения.

При создании измерения указывается:

- вид измерения; тип нагрузки;

- график проведения измерения;

- период вывода информации на печать и магнитную ленту;

После осуществления запуска измерения, проверяется, что в выведенных рапортах показатели (счетчики) нагрузки равны нулю, если при проверках отсутствует нагрузка на АТС.

Создаются контрольные вызовы с ответом всех типов нагрузки за минимальный период вывода информации на устройство вывода 15 мин., при длительности разговора не менее 36 сек с примерно одинаковым временем набора номера, с примерно одновременным отбоем вызывающего и вызываемого абонентов.

По показаниям рапорта проверяется соответствие результатов измерений нагрузке, создаваемой контрольными вызовами.

Производится директива останова измерения и проверяется, что выполнение измерения прекращается.

Директивой удаления измерения производится уничтожение данных, внесенных при определении измерения. Считыванием существующих в системе определений измерений проверяется результат по уничтожению данных измерения.

6.4.3.3. Проверяются процедуры контроля и измерения нагрузки по всем объектам измерения.

Создается измерение по всем перечисленным выше объектам измерения. Заказывается минимальный период вывода рапорта, например 15 мин.

Осуществляется запуск измерения.

По полученному результату измерения отмечается, что величина нагрузки соответствует состоянию покоя.

Создается, например, 6 контрольных вызовов по всем типам связи.

Проверяется, что величина нагрузки соответствует интенсивности создаваемой контрольными вызовами.

6.4.3.4. Согласно перечисленным в п. 6.4.3.1.3 параметрам, характеризующим основные классы потерь, создать искусственную нагрузку по п.п. 3 - 11.

Пользуясь документацией отыскать соответствующие счетчики в полученном рапорте и проверить соответствие их значений искусственной нагрузке.

6.4.4. Функции техобслуживания и состав тестов.

6.4.4.1. К функциям техобслуживания относятся:

- автоматический контроль;

- сбор, вывод и хранение аварийной сигнализации;

- восстановление рабочих конфигураций;

- диагностика.

6.4.4.2. Проверка функций техобслуживания осуществляется с помощью имитации повреждений всех категорий срочности. При этом, руководствуясь справочником по эксплуатации, аварийной сигнализации и справочника по директивам MML, проверяется:

- правильность вывода содержимого аварийного сообщения на соответствующее внешнее устройство ввода/вывода, передачу в ЦТЭ по каналу передачи (если предусмотрено по ТУ и проектом);

- правильность содержимого аварийного сообщения (код повреждения, адрес, время, дата, в том числе);

- правильность восстановления рабочих конфигураций в течение указанного в документации времени;

- правильность влияния на процесс установления соединения и на установленные соединения;

правильность функционирования директив техобслуживания, предназначенных для управления программами диагностики.

6.4.4.3. Типовой пример имитации повреждений.

1. Выключение ВИП, имеющего ручной включатель

2. Перезапуск абонентских модулей, модулей СЛ с помощью кнопки ручного перезапуска

3. Отключение плат (из разъемов) резервных блоков коммутационного поля, системы тактовой синхронизации, блоков сигнализации

4. Отключение станционных комплектов ИКМ трактов, СЛ

5. Включение аварийных линий (согласно проекту) от дополнительных устройств, не имеющих непосредственного отношения к системе (ЭПУ, систем передачи, средств слежения за пожаром, за вскрытием помещений)

6. Изменение состояний устройств управления по директиве MML и путем изъятия какой-либо платы из активного блока, перезапуск по директиве MML

7. Перезапуск системы в целом по директиве ММL

8. Изменение состояний вспомогательных устройств (блоков сигнализации, устройств общей памяти, статистики) по директиве MML и путем изъятия платы из активного блока

9. Перезапуск, изменение состояния оборудования системы техобслуживания и эксплуатации по директиве MML.

Тесты 6 - 9 требуют дополнительного проведения контрольных вызовов с целью выяснения влияния изменения состояний и перезапусков устройств на вызовы, предварительно установленные, и вызовы, находящиеся на этапе установления соединения в момент теста.

6.4.5. Методики проверки функций техобслуживания.

6.4.5.1. Процедура проверки:

- согласно списку имитации повреждений создается повреждение;

- проверяется правильность вывода аварийного сообщения на соответствующий терминал, а также на табло оптической сигнализации и ЦТЭ;

- считываются данные сообщения и проверяется правильность их содержимого, считываются данные о состоянии модулей оборудования, состоянии станции;

- устраняется повреждение либо, согласно списку имитаций, осуществляется возврат в прежнее состояние модулей оборудования;

- проверяется правильность вывода на терминал, табло сигнализации, ЦТЭ сообщения об устранении повреждений, либо данные о состоянии модулей оборудования.

6.4.5.2. Проверка функций техобслуживания сети АЛ и СЛ.

6.4.5.2.1. Проверка телефонного аппарата, находящегося в состоянии местной блокировки. Испытанию подвергается один абонентский комплект в каждом абонентском модуле.

Процедура испытания:

- снять трубку с телефонного аппарата;

- прослушать акустический сигнал «ответ станции» до его снятия (около 2 мин);

- на терминале прочитать состояние блокировки АЛ;

- положить микротелефонную трубку (дать отбой) и снова прочитать данные по состоянию блокировок АЛ;

- с помощью терминала определяется местонахождение (телефонный номер и станционный абонентского комплекта) телефонного аппарата, находящегося в состоянии блокировки.

6.4.5.2.2. Проверка правильности работы исходящего комплекта СЛ. Испытанию подвергается один комплект СЛ, одно направление и все комплекты СЛ одного направления, одно направление, в котором имеется один комплект СЛ. Проверка проводится один раз без неисправности и один раз с имитацией неисправности (путем снятия платы из разъема).

В качестве телефонного номера указывается номер автоответчика любой телефонной станции. После окончания испытания выполняется считывание результатов испытаний. Если были имитированы неисправности в комплектах, то при считывании результатов испытаний проверяют правильность сообщения о причине неуспешного установления соединения.

6.4.5.2.3. Проверка правильности работы автоответчика испытуемой телефонной станции (если включение автоответчика предусмотрено в ТУ и проектом). Производится один вызов с другой станции на телефонный номер автоответчика испытуемой станции. Это испытание можно также провести, соединив входящий линейный комплект этой станции с исходящим линейным комплектом и провести испытания исходящего линейного комплекты и автоответчика.

6.4.5.2.4. Проверка правильности функционирования блокировки комплектов СЛ с помощью директив МML.

Для каждого типа комплектов СЛ проводится одно испытание.

Комплекту СЛ с помощью директивы MML записывается состояние блокировки. Для исходящих комплектов на терминале считываются данные по состоянию комплектов СЛ, а также проверяются оптические индикаторы, если таковые имеются. Заблокированный комплект не может быть занят. После устранения блокировки повторно проверяются отчеты, оптические индикаторы и установление соединения черен этот комплект. Для входящих комплектов справедливо все, относящееся к исходящим комплектам, заблокированный комплект не может быть занят с исходящей станции.

Для двусторонних линий действительны обе указанные процедуры.

6.4.6. ОБРАБОТКА, АНАЛИЗ И ОЦЕНКА РЕЗУЛЬТАТОВ ИСПЫТАНИЙ

Результаты испытаний оформляются протоколом по установленной форме. К протоколу должны быть приложены распечатки, полученные в процессе проверок.

6.5. ТИПОВАЯ МЕТОДИКА ИСПЫТАНИЙ СИСТЕМЫ УЧЕТА СТОИМОСТИ РАЗГОВОРОВ

6.5.1.1. ОБЪЕКТ ИСПЫТАНИЙ

6.5.1.1.1. Испытанию подвергается комплекс технических средств и программного обеспечения цифровых серийных АТС, необходимых для функционирования системы учета стоимости разговоров.

6.5.1.1.2. Система учета стоимости разговоров на АТС включает в себя выполнение следующих функций:

- учет стоимости различных видов соединений и хранение итоговой суммы (эквивалента стоимости) в памяти;

- хранение подробной учетной информации,

- контроль правильности учета стоимости;

- вывод учетной информации на магнитную ленту и передачу ее в Центр расчета (если предусмотрено).

6.5.1.1.3. Система учета включает в себя учет:

- обычных местных соединений;

- междугородних соединений;

- дополнительных услуг;

- вызовов платных спецслужб.

- передачу неречевой информации;

- посылку тарифных импульсов в междугородные таксофоны и контрольные счетчики у абонентов;

- начисление оплаты абонентам УПАТС, подключенным к данной АТС.

6.5.1.2. ЦЕЛЬ ИСПЫТАНИЙ

6.5.1.2.1. Целью испытаний является проверки правильности функционирования системы учета стоимости в серийной АТС, проверка функций управления учетом стоимости, проверка правильности записей учетной информации и соответствия заданию моментов вывода учетной информации на магнитные носители.

6.5.1.3. УСЛОВИЯ И ПОРЯДОК ПРОВЕДЕНИЯ ИСПЫТАНИЙ

6.5.1.5.1. Испытания проводят при климатических условиях, являющихся нормальными для эксплуатации станции. Эти условия должны быть обеспечены минимум за 24 часа до испытания, и поддерживаться до конца испытания.

6.5.1.5.2. Одновременно с проверкой функций учета стоимости могут проводиться некоторые другие проверки, которые не оказывают влияния на учет стоимости.

6.5.1.5.3. При проверке учета стоимости все направления связи должны быть открыты, все услуги задействованы.

6.5.1.4. ОТЧЕТНОСТЬ

6.6.1.4.1. Результаты проверок оформляются протоколом с приложением распечаток.

6.5.2. ТИПОВАЯ МЕТОДИКА ИСПЫТАНИЙ СИСТЕМЫ УЧЕТА СТОИМОСТИ

6.5.2.1. ОЦЕНИВАЕМЫЕ ХАРАКТЕРИСТИКИ

6.5.2.1.1. Оцениваются различные виды учета стоимости: поразговорный (оплаты ДВО, связь с платными спецслужбами), повременный и сочетание этих способов в зависимости от различных видов связи.

6.5.2.1.2. Проверяется правильность функционирования системы учета стоимости по времени и по количеству тарификационных импульсов, а также проверяются административные функции управления учетом стоимости и выводом информации на магнитные носители.

6.5.2.2. УСЛОВИЯ И ПРОЦЕДУРА ПРОВЕДЕНИЯ ИСПЫТАНИЙ

6.5.2.2.1. Наблюдения за работой средств учета стоимости пройдут в два этапа: со значениями параметров 1 и со значениями параметров 2 (см. таблицу 1).

Параметры 1 - это параметры, отличные от тех, которые введены в систему для эксплуатации АТС, дают возможность проверить действие функций управления учетом стоимости разговоров.

Параметры 2 - восстановленные параметры, которые должны соответствовать принятым на данной телефонной сети для нормальной эксплуатации АТС.

После установки параметров 1 необходимо в течение одной недели записывать на магнитные ленты (основную и дублирующую) информацию абонентских счетчиков, подробного учета, пучков от УПАТС.

После установки параметров 2 запись информации необходимо проводить в течение 15 дней (время трех съемок информации абонентских счетчиков).

Примечание: путем изменения реального времени можно свести реальное время измерения до одного дня.

6.5.2.2.2. В течение наблюдения необходимо произвести ряд контрольных разговоров (местных и междугородных), вызовов платных и бесплатных спецслужб, нескольких ДВО на этапах 1 и 2 с телефонного аппарата контролируемой АЛ. Для проверок необходимо выделить трех абонентов, для чего ввести для них:

- подробный учет,

- наблюдение за абонентами (вывод рапортов),

- снять показания их счетчиков,

- для проверочного абонента создать искусственное заполнение счетчика, например, без 5 импульсов до обнуления.

6.5.2.2.3. Сделать распечатки записей на лентах и проанализировать полученную информацию на соответствие заданным параметрам и проведенным контрольным вызовам.

6.5.2.3. Указания к проведению контрольных вызовов.

6.5.2.3.1. Установить параметры 1 согласно табл. 1.

6.5.2.3.2. Предварительные проверки отсутствия ошибочного учета до ответа абонента.

Произвести несколько различных наборов местной связи с повешением трубки, до набора номера, во время набора номера, после набора номера до КВП, после ответа до окончания тарифного интервала.

6.5.2.3.3. Установить несколько местных разговоров разной длительности: несколько секунд, несколько минут, несколько часов, в том числе осуществить разговор, длительность которого превышает порог длительности.

6.5.2.3.4. Установить несколько междугородных разговоров разной длительности: длительностью меньшей установленного льготного времени (если эта возможность предусмотрена в системе) и длительностью больше установленного льготного времени.

6.5.2.3.5. Проверить действие льготного тарифа в течение вновь введенных праздничных дней. Установить 2 междугородних разговора длительностью не менее 3 минут.

Проверить действие льготного тарифа по часам суток в течение обычного не праздничного дня. Установить 2 междугородных разговора длительностью не менее 3 минут до наступления времени действия льготного тарифа и 2 междугородных разговора - после наступления времени действия льготного тарифа.

6.5.2.3.6. Проверить действие льготного тарифа по праздничным дням и по часам суток для местных разговоров (если эта возможность предусмотрена в системе).

6.5.2.3.7. Произвести вызов бесплатной спецслужбы.

6.5.2.3.8. Произвести несколько вызовов платной спецслужбы, для которой установлен тариф, например, 13 импульсов с разными моментами разъединения до ответа, через несколько секунд после ответа, после отбоя спецслужбы.

6.5.2.3.9. Заказать и воспользоваться каким-нибудь ДВО («Неведение справки» - проверить с выделенными абонентами).

6.5.2.3.10. По окончании проверочных вызовов необходимо получить рапорты наблюдения, информацию подробного учета и показаний абонентского счетчика проверочного абонента, произвести анализ показаний и сделать соответствующий вывод.

6.5.2.4. Необходимо проследить за сроками вывода учетной информации на магнитные носители согласно предварительно введенным параметрам (см. табл. 1 п.п. 8, 9, 10).

6.5.2.5. Проверка правильности записанной на ленте данных учета стоимости.

Получают распечатку информации магнитных лент. Анализ этой информации на соответствие произведенным контрольным вызовам и правильность тарификации согласно заданным параметрам производится вручную.

6.5.2.6. Отчетность. По результатам испытаний составляется протокол с приложением распечаток.

Таблица 1

ПАРАМЕТРЫ УЧЕТА СТОИМОСТИ РАЗГОВОРОВ

№ п/п

Наименование параметра

Значение параметра 1

Значение параметра 2

1

Выходные и праздничные дни

Оставить существующие выходные дни, организовать новый праздничный день

Исключить новый выходной день. Оставить существующие выходные и праздничные дни

2

Льготное время

Установить новое льготное время

Вернуть существующее льготное время

3

Льготный тариф

Ввести новый льготный тариф и новое расписание его действия

Вернуть существующий льготный тариф и расписание его действия

4

Предел длительности разговора (или количества тарифных импульсов за один разговор)

Уменьшить значение предела длительности, например до 1 ч.

Вернуть прежнее значение предела длительности разговора

5

Тариф местных разговоров

Увеличить тариф, например, 1 мин разговора - 2 импульса

Установить действующий тариф

6

Тариф междугородных разговоров

Ввести действие междугородных тарифов (не менее чем для двух тарифных зон)

Исключить учет стоимости междугородных разговоров

7

Тариф вызовов платных спецслужб

Назначить тариф вызова службы, например - 13 импульсов

Исключить учет стоимости вызовов платных спецслужб

8

Частота вывода информации абонентских счетчиков (основного и дублирующего)

Например, один раз в день

Один раз в пять дней

9

Частота вывода информации подробного учета (основного и дублирующего)

Например, 1 раз в сутки*)

Один раз в сутки

10

Частота вывода информации о занятости СЛ в пучках от УПАТС

Например, один раз в день

Один раз в пять дней

11

Переполнение счетчика

Создать искусственно заполнение счетчика, например, без 5 импульсов до обнуления

Вернуть показания счетчика к первоначальному значению

*) В течение каждого сеанса контроля, если выполняется 25 записей, что соответствует заполнению блока памяти, информация должна выводиться на магнитный носитель; если выполняется менее 25 записей, то информация выводится на магнитный носитель каждые сутки в заданное время.

6.6. ТИПОВАЯ МЕТОДИКА ПРОВЕРКИ ФУНКЦИОНИРОВАНИЯ АТС ПРИ ВЗАИМОДЕЙСТВИИ С ДРУГИМИ АТС, АМТС ДАННОЙ СЕТИ

6.6.1. Проверка функционирования ЭАТС при совместной работе станции с другими АТС всех имеющихся на данной сети типов.

6.6.1.1. Объект испытания

Установление межстанционных соединений, перечисленных в табл. 6.6.1, 6.6.2 и имеющихся в данном проекте.

5.6.1.2. Общие положения.

6.6.1.2.1. Испытания проводятся путем контрольных вызовов. Контрольные вызовы осуществляются с типового телефонного аппарата (дискового и частотного тастатурного) и направляются на телефонные аппараты или автоответчики.

По каждому виду связи осуществляется не менее 10 вызовов.

6.6.1.2.2. Проверяемые виды связи:

а) исходящая связь ко всем АТС существующих типов (предусмотренных проектом): декадно-шаговых, координатных, электронных;

б) входящая связь от всех АТС существующих типов,

в) исходящая связь к УСС;

г) исходящая связь к АМТС всех существующих типов (предусмотренных проектом);

д) входящая связь от АМТС существующих типов;

е) транзитная связь (если предусмотрена проектом), устанавливаемая при местном, при междугородном вызове и при вызове спецслужб.

6.6.1.2.3. Проверяемые типы линейной сигнализации

а) на городских ЭАТС:

1) по двум выделенным сигнальным каналам ВСК в 16 временном интервале ИКМ трактов;

2) сигнализация на частоте 2600 Гц систем передачи с ЧРК;

3) по общему каналу сигнализации в соответствии с рекомендациями МККТТ по системе № 7 (ОКС № 7).

б) на сельских ЭАТС:

1) по двум ВСК и 16 временном интервале ИКМ трактов;

2) сигнализация по одному ВСК;

3) сигнализация по универсальным СЛ двухстороннего действия с использованием одного ИСК и второго в разговорном спектре, либо с использованием двух ВСК;

4) сигнализация «индуктивным способом» по ВСК;

5) сигнализация батарейным способом по 3-х проводным СЛ;

6) сигнализация батарейным способом по 2-х проводным СЛ при связи УСП (ЦС) с экстренными, заказными и справочно-информационными службами (если предусмотрено проектом;

7) сигнализация батарейным способом при связи коммутатора МТС с УСП (ЦС) по 3-х проводным СЛМ (если предусмотрено проектом);

8) сигнализация на частоте 2600 Гц систем передачи с ЧРК;

9) по ОКС № 7.

6.6.1.2.4. Проверяемые способы регистровой сигнализации:

- декадный способ,

- многочастотный способ методом «импульсный челнок»,

- согласование декадного и многочастотного способа при транзите,

- многочастотные способы методом «безинтервального пакета», «импульсного пакета» по одному запросу и по нескольким запросам, используемые при связи с АМТС.

6.6.1.3. Основной оцениваемый показатель.

Правильность установления соединения.

6.6.1.4. Условия и порядок приведения испытаний.

6.6.1.4.1. Проверка осуществляется путем установления соединения к ТА, находящемуся в следующих состояниях:

а) свободен,

б) занят,

в) недоступен,

г) выключен из обслуживания.

6.6.1.4.2. При проведении контрольных вызовов осуществляется проверка правильности разъединения соединения в двух ситуациях:

- отбой первым вызывающего абонента;

- отбой первым вызываемого абонента.

6.6.1.4.3. Оцениваемые показатели:

- вызов требуемого абонента;

- правильность подачи тональных сигналов, отсутствие посторонних сигналов, разговоров;

- отсутствие безотбойных трактов после отбоя абонентов.

6.6.1.4.4. При испытаниях входящей связи от АМТС проверка должна осуществляться как для автоматического, так и для полуавтоматического режима.

При установлении автоматического соединения к занятому абоненту проверяется, что вызывающий абонент получает отказ в установлении соединения.

При установлении полуавтоматического соединения проверяются следующие возможности:

- подключение телефонистки к занятому абоненту аб. В.

- переход из состояния «занято» аб. С в состояние «свободен» после повешения трубки аб. В;

- передача посылки вызова;

- переход и состояние ответа после снятия трубки аб. В;

- переход из состояния «занято» аб. В в состояние «ответ» при повешении трубки прежнего собеседника вызываемого абонента;

- повторное освобождение аб. В;

- повторная посылка вызова;

- повторный ответ.

Примечание. Проверка должна быть произведена как к абоненту, занятому местным соединением, так и к абоненту, занятому междугородным соединением.

6.6.1.4.5. При испытаниях исходящей связи к УСС проверяется взаимодействие со спецслужбами (CC) следующего типа:

- экстренные (бесплатные, двузначные) спецслужбы, не оборудованные приемниками АОН;

- экстренные СС, оборудованные приемниками АОН;

- неэкстренные бесплатные, двух-трехзначные СС, не оборудованные приемниками АОН;

- справочно-информационные и заказные платные СС, оборудованные приемниками АОН;

- справочно-информационные и заказные платные СС с набором абонентом собственного номера (НСН).

Связь к СС проверяется аналогично местной межстанционной связи. Проверками должны быть охвачены все действующие на сети СС. Оцениваемые показатели при проведении контрольных вызовов к СС:

- вызов требуемой спецслужбы;

- правильность подачи тональных сигналов;

- правильность выдачи информации о номере и категории вызывающего спецслужбу абонента;

- отсутствие безотбойных трактов после отбоя абонентов.

6.6.1.4.6. При испытаниях в городской ЭАТС входящей связи от существующих УПАТС аналогового типа проверяется входящая связь, транзитная связь к АТС, УСС и АМТС различных систем.

При этом провернется подача второго «ответа станции» из АТСЭ после занятия СЛ от УПАТС.

Таблица 6.6.1

Перечень проверяемых соединений на городской ЭАТС

№№ п/п

Вид связи

Тип тракта, тип линейной сигнализации

Тип регистр. сигн., применяемый при взаимод. со встречной станцией

Тим оборудования встречной станции

входящий

исходящий

входящей

исходящей

входящей

исходящей

1

2

3

4

5

6

7

8

1

внутристанционная

-

-

-

-

-

 

2

входящая

ИКМ, 2ВСК

-

мч-ич

-

К, Э

-

3

входящая

ИКМ, 2ВСК

-

ДЕК

-

Ш

-

4

исходящая

-

ИКМ, 2ВСК

-

МЧ-ИЧ

 

К, Э

5

исходящая

-

ИКМ, 2ВСК

-

ДЕК

-

ш

6

транзитная

ИКМ, 2ВСК

ИКМ, 2ВСК

МЧ-ИЧ

-

К, Э

к, э

7

транзитная

ИКМ, 2ВСК

ИКМ, 2ВСК

ДЕК

ДЕК

Ш

ш

8

транзитная

ИКМ, 2ВСК

ИКМ, 2ВСК

МЧ-ИЧ

ДЕК

К, Э

ш

9

транзитная

ИКМ, 2ВСК

ИКМ, 2ВСК

ДЕК

МЧ-ИЧ

Ш

К, Э

10

исходящая к УСС

-

ИКМ, 2ВСК

-

мч-ич

-

К, Э

11

исходящая к УСС

-

ИКМ, 2ВСК

-

ДЕК

-

Ш

12

транзитная* к УСС

ИКМ, 2ВСК

ИКМ. 2ВСК

МЧ-ИЧ

-

К, Э

к, э

13

транзитная* к УСС

ИКМ, 2ВСК

ИКМ, 2ВСК

МЧ-ИЧ

ДЕК

К, Э

Ш

14

транзитная* к УСС

ИКМ, 2ВСК

ИКМ, 2ВСК

ДЕК

МЧ-ИЧ

ш

К, Э

15

транзитная* к УСС

ИКМ, 2ВСК

ИКМ, 2ВСК

ДЕК

ДЕК

Ш

Ш

16

исходящая к АМТС

-

ИКМ, 2ВСК/ЧРК, 2600 Гц

 

(МЧ-БП) + дЕк

-

ARM-20

17

исходящая к АМТС

-

ИКМ, 2ВСК/ЧРК, 2600 Гц

-

МЧ-ИП2

-

АМТС-2, 3

18

исходящая к АМТС

-

ИКМ, 2BCK/ЧРК, 2600 Гц

-

МЧ-ИП1

-

АМТС-КЭ, Э

19

исходящая к АМТС

-

ИКМ, 2ВСК

-

(МЧ-ИЧ)/ДЕК + (МЧ-БП) + ДЕК

-

УЗСЛЭ, К, АТСК, Э/АТСШ -- ARM-20

20

Исходящая к АМТС

-

ИКМ, 2ВСК

-

(МЧ-ИЧ) + (МЧ-ИП2)

-

УЗСЛЭ, К, АМТС-2, 3

21

исходящая к АМТС

-

ИКМ, 2ВСК

-

ДЕК/ (МЧ-ИЧ) + ДЕК + (МЧ-БП)

-

УЗСЛШ, АТСШ/УЗСЛК, АТСК с пр -- АМТС-2, 3

22

исходящая к АМТС

-

ИКМ, 2ВСК

-

(МЧ-ИЧ) + (МЧ-ИП1)

-

УЗСЛЭ, к,

АТСК, Э -- АМТСКЭ, Э

23

входящая от АМТС

ИКМ, 2ВСК/ЧРК 2600 Гц

-

МЧ-ИЧ

-

ARM-20, АМТСКЭ, Э

-

24

входящая от АМТС

ИКМ, 2ВСК/ЧРК 2600 Гц

-

ДЕК

-

АМТС-2, 3

-

25

входящая от АМТС

ИКМ, 2ВСК

-

МЧ-ИЧ

-

УВСМК, Э

-

26

входящая от АМТС

ИКМ, 2ВСК

-

ДЕК

-

УВСМШ

-

27

транзитная к АМТС

ИКМ, 2ВСК

ИКМ, 2ВСК

МЧ-ИЧ

-

К, Э

ARM-20

28

транзитная к АМТС

ИКМ, 2ВСК

ИКМ, 2ВСК

ДЕК

-

Ш

ARM-20

29

транзитная к АМТС

ИКМ, 2ВСК

ИКМ, 2ВСК

(МЧ-ИЧ)/ДЕК + (МЧ-БП) + ДЕК

МЧ-ИП2

K

АМТС-2, 3

30

транзитная к АМТС

ИКМ, 2ВСК

ИКМ, 2ВСК/ЧРК 2600 Гц

МЧ-ИЧ

-

Э

АМТС-2, 3

31

транзитная к АМТС

ИКМ, 2ВСК

ИКМ, 2ВСК/ЧРК 2600 Гц

(МЧ-ИЧ)/ДЕК + (МЧ-БП) + ДЕК

МЧ-ИП1

к/ш

АМТСКЭ, Э

32

транзитная к АМТС

ИКМ, 2ВСК

ИКМ, 2ВСК/ЧРК, 2600 Гц

мч-ич

-

Э

АМТСКЭ, Э

33

транзитная от АМТС

ИКМ, 2ВСК/ЧРК 2600 Гц

ИКМ, 2ВСК

мч-ич

-/ДЕК

АRМ-20, АМТСКЭ, Э

К, Э/Ш

34

транзитная от АМТС

ИКМ, 2ВСК/ЧРК 2600 Гц

ИКМ, 2ВСК

ДЕК

(МЧ-ИЧ)/ДЕК

АМТС-2, 3

К, Э/Ш

35

входящая от УПАТС аналогового

ИКМ, 2ВСК

х

ДЕК

х

Ш, К

х

36

исходящая, входящая, транзитная - для проверки ОКС № 7 (уточняется)

-

ИКМ

ИКМ

ИКМ

-

ИКМ

-

№ 7

№ 7/х

№ 7

-

№ 7/х

-

Э

Э

-

*) указанные проверки производятся при наличии такой связи в конкретном проекте.

Условные обозначения:

ИКМ, 2ВСК-ИКМ тракт, линейная сигнализация по двум выделенным сигнальным каналам;

ИКМ, 2600 Гц - система передачи с частотным разделением каналов, линейная сигнализация на частоте 2600 Гц;

ДЕК - декадный способ;

МЧ-ИЧ - многочастотный способ методом «импульсный челнок»;

МЧ-БП - многочастотный способ методом безинтервального пакета;

МЧ-ИП1 - многочастотный способ методом импульсного пакета по одному запросу;

МЧ-ИП2 - многочастотный способ методом импульсных пакетов по нескольким запросам;

Ш, К, Э, КЭ - типы оборудования: шаговый, координатный, электронный, квазиэлектронный;

Пр - промрегистр;

х - способ сигнализации любой.

Таблица 6.6.2

Перечень проверяемых соединений на сельской ЭАТС

№№ п/п

Вид связи

Тип тракта, тип линейной сигнализации (№№ подпунктов перечня в п. 6.6.1.2.3)

Тип регистр. сигн., применяемый при взаимод. со встречной станцией

Тип оборудования встречной станции

входящий

исходящий

входящей

исходящей

входящей

исходящей

1

2

3

4

5

6

7

8

1

внутристанционная

-

-

-

-

-

 

2

входящая

1 - 5

-

МЧ-ИЧ

-

АТС К, КУ, КЭ, Э

-

3

входящая

1 - 5

-

ДЕК

-

АТСВ, АТСК-50/200, 100/2000, 100/500

-

4

исходящая

-

1 - 5

-

МЧ-ИЧ

-

АТСК, КУ, КЭ, Э

5

исходящая

-

1 - 5

-

ДЕК

-

АТС Ш, АТСК-50/200, 100/2000, 100/500

6

транзитная

1 - 5

1 - 5

МЧ-ИЧ

-

АТС К, КУ, КЭ, Э

АТС К, КУ, КЭ, Э

7

транзитная

1 - 5

1 - 5

ДЕК

ДЕК

АТС Ш, АТСК-50/200, 100/2000, 100/500

АТС Ш, АТСК-50/200, 100/2000, 100/500

8

транзитная

1 - 5

1 - 5

МЧ-ИЧ

ДЕК

АТС К, КУ, КЭ, К

АТС Ш, АТСК-50/200, 100/2000, 100/500

9

транзитная

1 - 5

1 - 5

ДЕК

МЧ-ИЧ

АТС Ш, АТСК-50/200, 100/2000, 100/500

АТС К, КУ, КЭ, Э

10

исходящая к УСС

-

1, 5

-

МЧ-ИЧ

-

К, Э

11

Исходящая к УСС / к СС

-

1, 5/6

-

ДЕК

-

Ш

12

Транзитная к УСС

1 - 5

1, 5

МЧ-ИЧ

-

АТС К, КУ, КЭ, Э

К, Э

13

Транзитная к УСС / к СС

1 - 5

1, 5/6

МЧ-ИЧ

ДЕК

АТС К, КУ, КЭ, Э

Ш

14

Транзитная к УСС

1 - 5

1, 5

ДЕК

МЧ-ИЧ

АТС Ш, АТСК-50/200, 100/2000, 100/500

К, Э

15

Транзитная к УСС / к СС

1 - 5

1, 5/6

ДЕК

ДЕК

АТС Ш, АТСК-50/200, 100/2000, 100/500

Ш

16

Исходящая к АМТС

-

1 - 5, 8

-

(МЧ-БП) + ДЕК

-

ARM-20

17

Исходящая к АМТС

-

1 - 5, 8

-

МЧ-ИП2

-

АМТС-2, 3

18

Исходящая к АМТС

-

1, 2, 5, 8

-

МЧ-ИП1

-

АМТС-КЭ, Э

19

Исходящая к АМТС

-

1, 5

-

(МЧ-ИЧ)/ДЕК + (МЧ-БП) + ДЕК

-

УЗСЛЭ, К, АТСК, Э/АТСК-- ,ARM-20

20

Исходящая к АМТС

-

1, 5

-

(МЧ-ИЧ) + (МЧ-ИП2)

-

УЗСЛЭ, К--, АМТС-2, 3

21

Исходящая к АМТС

-

1, 5

-

ДЕК/(МЧ-ИЧ) + ДЕК + (МЧ-БП)

-

УЗСЛШ, АТСШ/УЗСЛК, АТСК с ПР--, АМТС-2, 3

22

Исходящая к АМТС

-

1, 5

-

(МЧ-ИЧ) + (МЧ-ИП2)

-

УЗСЛЭ, К,

АТСК, Э--, АМТС КЭ, Э

23

Входящая от АМТС

1 - 5, 8

-

МЧ-ИЧ

-

ARM-20, АМТСКЭ, Э

-

24

Входящая от АМТС

1 - 5, 8

-

ДЕК

-

АМТС-2, 3

-

25

Входящая от АМТС

1, 5

-

МЧ-ИЧ

-

УВСМ-К, Э

-

26

Входящая от АМТС

1, 5

-

ДЕК

-

УВСМ Ш

-

27

Транзитная к АМТС

1 - 5

1 - 5, 8

МЧ-ИЧ

-

АТС-К, КУ, КЭ, Э

ARM-20

28

Транзитная к АМТС

1 - 5

1 - 5, 8

ДЕК

-

АТС Ш, АТСК-50/200, 100/2000, 100/500

ARM-20

29

Транзитная к АМТС

1 - 5

1 - 5, 8

(МЧ-ИЧ)/ДЕК + (МЧ-БП) + ДЕК

-

АТС К/АТС Ш, АТС К-50/200, 100/2000, 100/500

АМТС-2, 3

30

Транзитная к АМТС

1

1 - 5, 8

МЧ-ИЧ

-

АТС Э

АМТС-2, 3

31

Транзитная к АМТС

1 - 5

1, 2, 5, 8

(МЧ-ИЧ)/ДЕК + (МЧ-БП) + ДЕК

МЧ-ИП1

АТС К/АТС Ш, АТС К-50/200, 100/2000, 100/500

АМТС-2, 3

32

Транзитная к АМТС

1

1, 2, 5, 8

МЧ-ИЧ

-

АТС Э

АМТС-КЭ, Э

33

Транзитная от АМТС

1 - 5

1 - 5

МЧ-ИЧ

-/ДЕК

ARM-20, АМТС КЭ, Э

АТС К, Э/АТС К-50/200, 100/2000, 100/500

34

Транзитная от АМТС

1 - 5, 8

1 - 5

ДЕК

(МЧ-ИЧ)/ДЕК

АМТС-2, 3

АТС К, Э/АТС К-50/200, 100/2000, 100/500

35

Вход. от коммутатора к МТС к УСП/ЦС

7

х

ДЕК

х

коммутатор

 

36

Исход. от УСП/ЦС к СС

х

6

х

-

 

коммутатор

37

Исходящая, входящая, транзитная - для проверки ОКС № 7 (уточняется)

 

 

 

 

 

 

6.6.2. Проверка правильности установки типа системы разъединения в соответствии с типом, заложенным в исходных данных проекта.

6.6.2.1. Общие положения.

Проверка должна осуществляться при установлении соединения любого вида связи (по СЛ любого типа) от/к оборудованию любого существующего типа (К, Э, Ш, КЭ):

- междугородного, к УСС;

- входящего местного, междугородного;

- транзитного местного, междугородного.

6.6.2.1. Оценочный показатель.

Соответствие типа функционирующей системы отбоя данным проекта.

6.6.2.3. Порядок проведения испытаний.

Осуществляются исходящие соединения к местным АТС и проверяется тип функционирующей системы разъединения путем создания ситуации, в которой отбой первым производит вызывающий абонент (аб. А).

Оцениваемый показатель при односторонней системе - разъединение разговорного тракта, подача «ЗЗ» вызываемому абоненту; при двухсторонней системе - удержание тракта до отбоя вызываемого абонента.

В случае несоответствия функционирующей системы разъединения требуемому типу разъединения - следует сделать изменения типа в памяти ЭАТС.

Проверяется, что при исходящей связи к УСС функционирует односторонняя система разъединения.

При входящей полуавтоматической связи от АМТС после отбоя первым вызываемого абонента проверяется:

- удержание тракта,

- возможность повторного вызова от телефонистки,

- возможность продления разговора,

- разъединение тракта от телефонистки.

6.6.3. Отчетность.

В результате испытаний должна быть составлена таблица, содержащая:

- номер пункта проверяемого соединения по табл. 6.6.1 и 6.6.2;

- характеристику устанавливаемого соединения (состояние абонента, кто первый из абонентов дал отбой);

- количество контрольных вызовов;

- результат проверки: нет замечаний; если есть замечания - указывается их характер и причина.

Таблица 6.6.3

Результаты проверки

№ п. табл. 6.6.1/6.6.2

Характеристика соединения

Количество KB

Замечания

 

 

 

 

6.7. ТИПОВАЯ МЕТОДИКА ПРОВЕРКИ ФУНКЦИОНИРОВАНИЯ ОБОРУДОВАНИЯ АОН

Настоящая программа предназначена для проведения испытаний оборудования АОН для цифровых серийных АТС.

6.7.1. Объект испытаний.

Объектом испытаний является оборудование АОН, входящее в состав ЭАТС, и предназначенное для определения и передачи категории и номера телефона вызывающего абонента на АМТС, на другие АТС, спецслужбы, бесплатные и платные службы местной телефонной сети независимо от способа их включения, а также оборудование узлов заказно-соединительных линий (УЗСЛ).

6.7.2. Цель испытаний

Целью испытаний является проверка правильности функционирования оборудования приемников и передатчиков информации АОН.

6.7.3. Условия и порядок проведения испытаний

6.7.3.1. Испытания производятся путем проверки функционирования АОН в реальных условиях эксплуатации.

6.7.4. Методика проверки функционирования АОН

6.7.4.1. Основной метод проверки правильности функционировании АОН - это контрольные вызовы с АТСЭ на станции местной телефонной сети, спецслужбы и АМТС с возможностью определения номера и категории вызывающего абонента с помощью соответствующих технических средств, чем подтверждается правильность функционирования АОН.

В случае получения отрицательных результатов, с целью выяснения причины непрохождения, производятся измерения и прочерки основных характеристик передачи и приема на соответствие ТУ с привлечением разработчиков системы, представителей сертификационного центра. При этом измерения осуществляются по методикам сертификационных испытаний.

6.7.4.2. Проверка правильности функционирования АОН при всех режимах взаимодействия с АМТС, УЗСЛ, АТС местной телефонной сети, спецслужбами 01, 02 и СИС ГТС осуществляется установлением соединений на эти службы с передачей МЧ информации о номере вызывающего абонента.

Функционирование АОН считается правильным, если обеспечивается передача номера вызывающего абонента на АМТС и службы ГТС в соответствии с принятыми алгоритмами.

6.7.4.3. Для проверки возможности передачи информации при поступлении запроса в предответном состоянии на этапе установления соединения, выполняются контрольные вызовы на АМТС с проверкой достоверности зафиксированной информации по распечаткам АМТС (путем сличения переданных и принятых номеров) и АТСЭ.

При этом делаются внутризоновые вызовы набором цифр 8-2 и 7-значного зонового номера. Целесообразно проводить контрольные вызовы «по завернутому каналу» от абонента А к абоненту В через АМТС, когда абоненты А и Б принадлежат к одной АТСЭ.

Функционирование АОН АТСЭ считается нормальным, если соединение к абоненту В устанавливается.

Для проверки функционирования АОН при поступлении запроса на фазе ответа вызываемого абонента к проводам «а» и «в» любой выбранной АТС в качестве абонентского окончания подключается многофункциональный телефонный аппарат (МТА) с АОН, установленный в режим определения номера при поднятии микротелефонной трубки.

Функционирование АОН АТСЭ считается нормальным, если при установлении соединения на МТА (или проверочное устройство) на его индикаторе правильно отображается категория и семизначный номер вызывающего абонента.

При проведении испытаний должно быть сделано не менее 50 вызовов с охватом всех типов сигнализации и типов АТС, имеющихся на телефонной сети.

Для всех видов испытаний фиксировать число установленных соединений с правильно определившимися номерами, число и характер потерь определения номера и случаи искажения номеров.

Для проверки возможности передачи информации при поступлении запроса на фазе разговора выполняются контрольные вызовы на спецслужбу. При этом с абонентского комплекта испытуемой АТСЭ набрать номер спецслужбы (01, 02), после подключения к оператору спецслужбы попросить его передать сигнал запроса на фазе разговора с целью определения номера. По показаниям индикатора у оператора спецслужбы проверить правильность приема номера и категории абонента А.

Повторить процедуру опознавания номера абонента А по установленному тракту 2 - 3 раза. Проверить, что при каждом запросе спецслужба на табло получила номер и категорию абонента А.

Функционирование АОН АТСЭ считается нормальным, если при каждом запросе спецслужба на табло получает номер и категорию называющего абонента.

6.7.4.4. Проверка выхода абонентов по исходящей связи на местную сеть общего пользования, включая выход на спецслужбы 01, 02, с определением номера А производится путем установления соединений с обычного телефонного аппарата испытуемой АТСЭ на проверочное устройство или МТА с АОН, включенное на абонентскую линию вызываемого абонента любой действующий АТС. При этом должно быть сделано не менее 50 вызовов с различных номеров А. Номера А должны быть выбраны таким образом, чтобы они содержали все комбинации кода, в том числе повторяющиеся четное число раз знаки цифр и категории.

Вызовы на спецслужбы должны производиться как с обычных абонентских номеров, так и с таксофонов, включенных сверхномерной емкости с передачей станцией условной нумерации.

При проведении испытаний фиксировать число установленных соединений с успешным определением номера, число неопределений или случаи искажения номеров.

Оценка результатов производится на основе анализа полученных данных. Результаты считаются положительными, если процент неуспешного определения номера составляет не более 0,1.

6.7.4.5. Проверка выхода абонентов по исходящей внутризоновой и междугородной связи производится аналогично п. 6.7.4.4 с проверкой следующих видов связи:

- автоматический междугородный вызов,

- внутризоновый вызов,

- службы МТС с передачей номера А,

- автоматический международный вызов.

Вызовы должны проводится одновременно с 2 - 3 аппаратов. Должна быть проверена передача разных категорий АОН на АМТС.

6.7.4.6. Для проверки приемника АПН в случае функционирования услуги АОН «Определение номера вызывающего абонента» (или «Определение номера злоумышленника») осуществляют два - три вызова от каждого типа существующих АТС к абоненту (или персоналу) тестируемой АТС, предварительно заказавшему услугу АОН.

После ответа абонента, с помощью процедуры пользования услугой осуществляется процесс вывода полученной информации АОН на печатающее устройство.

Функционирование считается правильным, если обеспечивается правильный прием информации АОН от АТС, оборудованных передатчиком АОН.

6.8. ТИПОВАЯ МЕТОДИКА ПРОВЕРКИ СРЕДСТВ АВТОМАТИЧЕСКОГО ИСПЫТАНИЯ АБОНЕНТСКИХ УСТАНОВОК

6.8.1.1. Объект испытаний

6.8.1.1.1. Испытанию подвергаются программно-аппаратные средства проверки абонентских установок (ПАС ПАУ), включая проверку абонентских комплектов, абонентских линий и телефонных аппаратов.

6.8.1.2. Цель испытаний

6.8.1.2.1. Целью испытаний является проверка правильности функционирования ПАС, ПАУ.

6.8.1.3. Объем испытаний

6.8.1.3.1. Проверке подлежат следующие функции:

автоматическая проверка всех абонентских установок, включенных в станцию;

испытание отдельной абонентской установки;

определение на проводах «а» и «в» посторонних напряжений постоянного и переменного тока;

выявление понижения сопротивления изоляции между проводами «а» и «в», между каждым проводом и землей;

проверка целостности шлейфа вызывной цепи абонентской установки;

проверка качества работы импульсных номеронабирателей;

проверка качества работы тастатуры аппарата с частотным способом передачи номера;

проверка «в сторону станции» (работоспособность абонентского комплекта).

6.8.1.4. Отчетность

6.8.1.4.1. Результаты испытаний оформляются Протоколом по установленной форме с приложением распечаток результатов измерений, если это возможно.

6.8.2. ТИПОВАЯ МЕТОДИКА

6.8.2.1. Оцениваемые показатели

6.8.2.1.1. Оцениваются функции ПАС ПАУ, указанные в п. 6.8.1.3 (Объем испытаний).

При выявлении посторонних напряжений на проводах «а» и «в» должны быть обеспечены следующие границы измерений:

напряжение постоянного тока 0 - 100 В;

напряжение переменного тока 0 - 150 В;

с частотой 50 - 1000 Гц.

в диапазонах: от 0 до 20 В с погрешностью не более ±0,2 В, от 20 до 300 В с погрешностью не более ±10 %.

При выявлении понижения сопротивления изоляции между проводами «а» и «в» и между каждым проводом и землей должны обеспечиваться диапазоны измерений: от 0 до 10 кОм с погрешностью не более ±1 кОм, от 10 кОм до 1000 кОм с погрешностью не более ±10 %, от 10 кОм до 1 МОм. Время одного измерения не более 2 с.

При проверке целостности шлейфа вызывной цепи АУ измеряются величины емкости между проводами и сравниваются со следующими нормами:

Ситуация

Величина емкости «а» - «в»

Обрыв абонентской линии в пределах здания АТС или выключение линии в кроссе

до 10 нФ

Обрыв абонентской линии или отключение телефонного аппарата

от 10 нФ до 0,5 мкФ

Аппарат абонента подключен, вызывная цепь исправна

от 0,8 мкФ до 1,2 мкФ

У абонента подключено более одного аппарата со звонковыми цепями

от 1,2 мкФ до 4,5 мкФ

Диапазон измерения от 0 до 5 мкФ.

При проверке качества работы номеронабирателей оценивается количество принятых импульсов при наборе различных цифр, период следования импульсов; импульсный коэффициент.

Пределы измерения:

период 85 - 120 мс;

импульсный коэффициент 1,35 - 1,8;

минимальное время размыкания шлейфа 30 мс;

продолжительность дребезга - 8 мс;

выдержка времени при приеме импульсов набора для защиты от помех - 24 мс.

При проверке работоспособности тастатуры с частотным набором номера измерения должны проводиться в следующих диапазонах:

частота - 600 ... 2000 Гц;

уровень - минус 30 … 0 дБм;

длительность 30 мс ... 1 c.

При проверке входной цепи абонентского комплекта оценивается:

срабатывание комплекта при сопротивлении шлейфа 0 - 2 кОм и сопротивление утечки от 15 кОм и выше;

уровень и частота сигнала «ответ станции» - 1 В и 425 Гц;

уровень и частота посылки вызова - до 256 В и 25 Гц;

уровень и частота фонического сигнала нарастающий громкости - максимум +20 дБ и 800 Гц.

ПАС ПАУ должны обеспечивать измерение постоянного тока в абонентской линии и затухание асимметрии.

6.8.2.2. Условия и порядок проведения испытаний

6.8.2.2.1. Работа ПАС ПАУ по выявлению неисправных абонентских установок проверяется путем внесения искусственных неисправностей и сличением с информацией о неисправностях, выведенной на внешние устройства.

6.8.2.2.2. При проверке функции автоматического испытания для выявления неисправных АУ вводится административные команды, содержащие информацию о времени начала и конца испытаний, а также о первом и последнем номерах испытуемых АУ. Проверка исправности определенной АУ проводится также по командам оператора. Результаты проверки должны быть выведены на печать.

6.8.2.2.3. Для проверки измерения параметров абонентской линии:

в абонентский модуль включить испытательный блок для измерения электрических характеристик абонентской линии;

с помощью команды напустить измерение электрических характеристик для определенного номера абонента, который должен быть свободным.

После успешного запуска программы (после получения сообщения «Старт») подождать 30 секунд окончания измерения и сбора результатов измерения.

Прочитать результаты измерений электрических характеристик абонентской линии с помощью административной процедуры.

Сделать попытку запуска измерений при поднятой трубке. На терминал выводится сообщение «Абонент занят», т.е. измерение не выполняется.

6.8.2.2.4. Для проверки измерения параметров телефонного аппарата включить в абонентский модуль испытательный блок, который используется для измерения электрических характеристик абонентской линии и телефонного аппарата.

С помощью команды запустить измерение электрических характеристик телефонного аппарата с импульсным набором номера для абонента с определенным номером, который должен быть свободен. После появления сообщения «Старт» испытательный блок посылает в телефонный аппарат абонента вызывной ток.

Снять трубку и подождать тонального сигнала. Набрать одну из цифр, например цифру «5» и положить трубку.

Проверить полученные результаты измерений с помощью административной процедуры.

Повторить запуск измерения при снятой трубке. Измерение не будет запущено.

6.8.2.3. Обработка, анализ и оценка результатов испытаний.

6.8.2.3.1. Результаты испытаний оформить Протоколом с приложением распечаток измерений.

6.9. ТИПОВАЯ МЕТОДИКА ИСПЫТАНИЙ ДОПОЛНИТЕЛЬНЫХ ВИДОВ ОБСЛУЖИВАНИЯ

Программа испытаний дополнительных видов обслуживания (ДВО), предоставляемых абонентам.

1. Объект испытаний.

Объектом испытаний являются дополнительные виды обслуживания (ДВО) в АТС.

2. Цель испытаний.

Цель испытаний состоит в проверке функционирования ДВО в серийной АТС.

3. Общие положения.

При проведении испытаний необходимо руководствоваться следующими документами:

- проект зоны с указанием перечня ДВО;

- типовая методика испытаний.

4. Объем испытаний.

4.1. Проверке подлежат следующие дополнительные виды обслуживания.

4.1.1. Передача входящего вызова к другому оконечному абонентскому телефонному устройству (ОАТУ).

4.1.2. Передача вызова в случае занятости вызываемого абонента.

4.1.3. Передача вызова оператору.

4.1.4. Передача вызова на автоинформатор.

4.1.5. Поисковая сигнализация.

4.1.6. Ожидание с обратным вызовом.

4.1.7. Повторный вызов без набора номера.

4.1.8. Соединение с абонентом по предварительному заказу.

4.1.9. Ввод, замена или отмена личного кода-пароля.

4.1.10. Запрет некоторых видов входящей связи.

4.1.11. Исходящая связь по паролю.

4.1.12. Временное избирательное ограничение входящей связи.

4.1.13. Запрет исходящей и входящей связи.

4.1.14. Временный запрет входящей связи.

4.1.15. Передача соединения другому абоненту.

4.1.16. Конференц-связь по списку.

4.1.17. Конференц-связь с последовательным сбором участников.

4.1.18. Уведомление о поступлении нового вызова.

4.1.19. Конференц-связь трех абонентов.

4.1.20. Наведение справки во время разговора.

4.1.21. Подключение к занятому абоненту с предупреждением о вмешательстве.

4.1.22. Отмена всех услуг.

4.1.23. Сокращенный набор абонентских номеров.

4.1.24. Соединение без набора номера.

4.1.25. Автоматическая побудка.

4.1.26. Определения номера вызывающего абонента на АТС.

4.1.27. Проведение испытаний ДВО с ОАТУ с импульсным набором номера.

4.1.28. Объем предоставления услуг.

4.1.29. Проверка совместимости ДВО.

4.2. При испытании ДВО проверяется правильность пользования и совместимость дополнительных видов обслуживания.

5. Условия и порядок проведения испытаний.

5.1. Испытания проводятся в нормальных климатических условиях, заданных в технических условиях на АТС, созданных за 24 часа до начала испытаний.

5.2. ДВО проверяются в условиях сертификационных испытаний с оформлением соответствующих протоколов.

5.3. Проверка ДВО проводится после выполнения проверки основных видов связи и устранения всех замечаний и повреждений оборудования.

5.4. Опытная эксплуатация функционирования ДВО осуществляется на объекте в реальных условиях эксплуатации станции на опытной зоне.

6. Материально техническое обеспечение испытаний.

6.1. При проверке ДВО необходимо иметь:

- телефонные аппараты с частотным набором номера, обеспечивающие передачу номера двухчастотным кодом в соответствии с рекомендацией Q.23 МККТТ, с кнопкой R (для проверки некоторых услуг),

- телефонные аппараты с импульсным набором номера; калиброванный разрыв шлейфа может обеспечиваться как кнопкой R, так и с помощью цифры «1»,

- секундомер.

7. Метрологическое обеспечение испытаний.

7.1. Измерительные приборы, используемые при испытаниях, должны пройти государственную или ведомственную поверку и иметь непросроченное клеймо этой поверки.

8. Отчетность.

8.1. Результаты испытаний оформляются протоколами испытаний по установленной форме.

8.2. Итоговые результаты проверок ДВО сводятся в таблицу 1 (проверки, произведенные с ОАТУ с частотным набором номера) и таблицу 2 (проверки, произведенные с ОАТУ с импульсным набором номера).

Таблица 1

Результаты испытаний, проведенные с ОАТУ с ННЧ

Название услуги

Пункт программы

Заказ услуги

Проверка услуги

Пользование услугой

Отмена услуги

Совместимость

Примечание

 

 

 

 

 

 

 

 

Таблица 2

Результаты испытаний, проведенные с ОАТУ с ННИ

Название услуги

Пункт программы

Заказ услуги

Пользование услугой

Отмена услуги

Совместимость

Примечание

 

 

 

 

 

 

 

8.3. В случае установления ошибок, если таковые имели место, во время работы комиссии, в протоколы заносятся результаты проверок после устранения ошибок.

По желанию этот факт может быть отмечен в протоколе.

9. Типовая методика испытаний.

9.1. Условия проведения испытаний.

9.1.1. Каждая услуга испытывается отдельно (процедуры заказа, пользования, проверки, отмены).

9.1.2. По окончании всех испытаний должна быть проверена совместимость с другими услугами.

9.1.3. При испытаниях ДВО на АТС должен быть введен повременный учет стоимости.

9.1.4. Испытания проводятся квалифицированным и специально подготовленным персоналом.

9.1.5. При проведении испытаний ДВО должны быть выполнены правила в соответствии с требованиями техники безопасности, необходимые при работе с электроустановками напряжением до 1000 В и требованиям безопасности, изложенным в «Инструкции по монтажу, пуску, регулированию комплекса».

Микроклимат на рабочем месте оператора должен соответствовать «Санитарным нормам микроклимата производственных помещений» № 4088-86 (категория работы по 1В).

9.1.6. Результаты проверок сводятся в таблицу 1 и 2. При этом знак «+» означает, что проверка закончилась с положительным результатом, а знак «-» означает, что проверка закончилась с отрицательным результатом.

9.1.7. Комплекс считается выдержавшим испытания в части дополнительных видов обслуживания, если все проверки, изложенные в программе испытаний, закончились с положительным результатом.

9.1.8. Испытания по отдельным пунктам не проводят, если требования не были предъявлены в ТУ.

9.2. Порядок проведения испытаний.

9.2.1. Передача входящего вызова на указанный телефонный аппарат («переадресация») Код 21.

9.2.1.1. Начальные условия.

С помощью языка MML ввести категорию абонента на право пользования услугой. Абонентской линии, на которую переводятся вызовы, присвоить разрешения на переадресацию. Четыре телефонных аппарата (два с частотным набором номера - ННЧ).

9.2.1.2. Испытание 1. Заказ, пользование, проверка, отмена и тарификация процедур.

9.2.1.2.1. Абонент В снимает трубку.

Проверить занятие абонентской линии (ЗАЛ) и поступления в аппарат абонента В сигнала «ОТВЕТ СТАНЦИИ» (ОС).

Абонент В набирает:

* 21 * Нс #,

где Нс - полный номер абонента С;

Проверить, что абонент В слышит сигнал ОС, подтверждающий прием заказа.

Абонент В вешает трубку.

Проверить осуществление тарификации на заказ услуги.

9.2.1.2.2. Послать вызов от абонента А к абоненту В.

Проверить, что вызов поступил на аппарат абонента С, а абонент В при этом не получает никакого сигнала.

Абонент С снимает трубку.

Проверить, что установился разговорный тракт между абонентами А и С.

9.2.1.2.3. Абонент В снимает трубку.

Проверить поступление сигнала ОС (или специального сигнала ОС).

Абонент В вызывает абонента Д.

Проверить возможность установления соединения абонента В с абонентом Д.

Абонент Д снимает трубку.

Проверить установление разговорного тракта между абонентами В и Д.

9.2.1.2.4. Абоненты А, В, С, Д дают отбой.

Проверить поступление сигнала «ЗАНЯТО» (СЗ) при отбое.

Проверить осуществление тарификации за разговор и за пользование услугой.

9.2.1.2.5. Абонент В снимает трубку. После ЗАЛ и получения ОС он набирает:

* # 21 * Нс #.

Проверить поступление сигнала ОС в аппарат абонента В, как подтверждение правильности процедуры проверки заказа услуги.

Абонент В вешает трубку.

Проверить тарификацию за процедуру.

9.2.1.2.6. Абонент В снимает трубку и отменяет услугу. Для этого после ЗАЛ и сигнала ОС он набирает:

# 21 #.

Проверить, что в аппарат абонента В поступил сигнал ОС, подтверждающий отмену услуги.

Абонент В вешает трубку.

Проверить осуществление тарификации за процедуру.

9.2.1.2.7. Абонент А вызывает абонента В.

Проверить, что вызов пришел абоненту В, а абонент С не получил никаких сигналов.

Абоненты А и В вешают трубки.

9.2.1.3. Испытание 2. Возможность переадресации при установленной исходящей связи.

9.2.1.3.1. Абонент В снимает трубку и заказывает переадресацию по п. 2.1.2.1.

9.2.1.3.2. Абонент В устанавливает соединение с абонентом А. Абоненты Б и А находятся в разговоре.

9.2.1.3.3. Послать вызов от абонента Д к абоненту В.

Проверить, что вызов переадресовался абоненту С.

Абонент С снимает трубку.

Проверить, что установился разговорный тракт между абонентами Д и С, не мешающий разговору А - В.

Абоненты А, В, С, Д дают отбой.

Проверить, осуществление тарификации за разговор и пользование услугой: абонент В платит на разговор В - А и за разговор D - C; абонент D платит за разговор D - С (соединение от D к В).

9.2.1.3.4. Абонент В отменяет заказ услуги по п. 9.2.1.2.6.

9.2.1.4. Испытание 3. Отсутствие необходимых свободных устройств или ввод ошибочной информации.

9.2.1.4.1. Создать ситуацию отсутствия необходимых свободных устройств при заказе услуги.

9.2.1.4.2. Абонент В осуществляет процедуру по п. 9.2.1.2.1. Проверить, что абоненту В посылается сигнал «ЗАНЯТО ПРИ ПЕРЕГРУЗКЕ» (З-П).

Абонент В вешает трубку.

Проверить, что не осуществлена тарификация.

9.2.1.4.3. Абонент В заказывает услугу по п. 9.2.1.2.1, но при этом вводит неправильную информацию.

Проверить, что абоненту В посылается сигнал З-П. Абонент В вешает трубку.

Проверить отсутствие тарификации.

9.2.1.4.4. Абонент В осуществляет процедуру по п. 9.2.1.2.5, но при этом вводит ошибочную информацию.

Проверить, что абоненту В посылается сигнал З-П. Абонент В вешает трубку.

Проверить отсутствие тарификации.

9.2.1.4.8. Абонент В заказывает услугу по п. 9.2.1.2.6, но при этом вводит ошибочную информацию.

Проверить, что абоненту В посылается сигнал З-П. Абонент вешает трубку.

Проверить отсутствие тарификации.

9.2.1.5. Испытание 4. Несколько переадресаций на один аппарат.

9.2.1.5.1. Абонент В заказывает услугу по п. 9.2.1.2.1.

9.2.1.5.2. Абонент А заказывает услугу по п. 9.2.1.2.1, набирая при этом:

* 21 * Нс #.

9.2.1.5.3. Абонент Д вызывает абонента В.

Проверить, что установился разговорный тракт между абонентами Д и С.

Абоненты Д и С вешают трубки.

Проверить тарификацию разговора и пользования услугой.

9.2.1.5.4. Абонент Д вызывает абонента А.

Проверить, что установился разговорный тракт между абонентами Д и С.

9.2.1.5.5. Абонент В вызывает абонента А.

Проверить, что абонент В получает сигнал «ЗАНЯТО».

Проверить, что разговор между абонентами Д и С осуществляется без помех.

Абоненты В, С, Д дают отбой.

Проверить осуществление тарификации.

9.2.1.5.6. Абоненты А и В отменяют заказанную услугу согласно п. 9.2.1.2.6.

9.2.1.6. Испытание 5. «Двойная переадресация».

9.2.1.6.1. Абонент В заказывает переадресацию на аппарат С, а абонент С на аппарат D.

9.2.1.6.2. Проверить, что вызов на аппарат абонента В переадресуется на аппарат С, а вызов к С переадресуется к D.

9.2.1.7. Испытание 6. Поступление междугородного (международного) вызова.

9.2.1.7.1. Организовать поступление междугородного (международного) вызова на аппарат абонента В.

Проверить, что вызов поступил на аппарат абонента С и состоялся разговор между абонентами.

Проверить согласование сигнализации, т.к. после переадресации вызов становится местным.

Абоненты вешают трубки

Проверить тарификацию.

9.2.1.8. Испытание 7. Заказ, пользование, проверка, отмена и тарификация процедур абонентом ЦЕНТРЕКСа.

9.2.1.8.1. Абонент В снимает трубку и заказывает услугу «Передача входящего вызова...» на линию абонента ЦЕНТРЕКСа, для этого после получения ОС он набирает:

* 21 * Не #,

где Не - сокращенный номер абонента Е.

Проверить, что абонент В слышит сигнал ОС подтверждающий прием заказа.

Абонент В вешает трубку.

Проверить осуществление тарификации за заказ.

9.2.1.8.2. Выполнить п.п. 9.2.1.2.2 - 9.2.1.7.2.

9.2.1.9. Испытание 8. Проверка заказа услуги наборам собственного номера.

9.2.1.9.1. Абонент В делает «переадресацию» на абонента С согласно п. 9.2.1.2.1.

9.2.1.9.2. Абонент В набирает свой номер телефона.

Проверить, что вызов идет абоненту С и устанавливается разговорный тракт между абонентами В и С.

Абоненты В и С дают отбой.

9.2.1.9.3. Абонент С вызывает абонента А и устанавливает с ним соединение.

Абонент В набирает свой номер телефона.

Проверить, что абонент В слышит сигнал «ЗАНЯТО».

Абоненты А, В, С дают отбой.

9.2.1.10. Испытание 9. Абонент не имеет права пользоваться услугой.

9.2.1.10.1. С помощью языка MML ввести запрет для абонента В пользоваться данной услугой.

9.2.1.10.2. Абонент В осуществляет процедуру согласно п. 9.2.1.2.1.

Проверить, что абонент В слышит указательный сигнал (УКС) или фразу автоинформатора «Данный вид связи не входит в перечень услуг с Вашего аппарата».

Абонент В вешает трубку.

Услуга считается выдержавшей испытание в части передачи входящего вызова на указанный телефонный аппарат, если все проверки, изложенные выше, закончились с положительным результатом.

9.2.2. Передача вызова в случае занятости абонента. Код 22.

9.2.2.1. Начальные условия.

С помощью языка MML ввести категорию абонента на право пользования услугой. Абонентской линии, на которую переводятся вызовы присвоить разрешение на переадресацию.

Четыре телефонных аппарата (два - с ННЧ).

9.2.2.2. Испытание 1. Заказ, пользование, проверка, отмена и тарификация процедуры.

9.2.2.2.1. Абонент В снимает трубку.

Проверить занятие абонентской линии (ЗАЛ) и поступление в аппарат абонента В сигнала ОС.

Абонент В набирает:

* 22 * Нс #,

где Нс - полный номер абонента С.

Проверить, что абонент В слышит сигнал ОС.

Абонент В вешает трубку.

Проверить осуществление тарификации на заказ услуги.

9.2.2.2.2. Абонент В посылает вызов абоненту Д.

Проверить установление разговорного тракта между абонентами В и Д.

9.2.2.2.3. Абонент А посылает вызов абоненту В.

Проверить установление разговорного тракта между абонентами А и С без нарушений в разговорном тракте между абонентами В и Д.

Абоненты А, В, С, Д дают отбой.

Проверить наличие тарификации за разговор и пользование услугой.

9.2.2.2.4. Абонент А посылает вызов абоненту В.

Проверить поступление вызова абоненту В и установление разговорного тракта между абонентами А и В.

Абоненты А и В вешают трубки.

Проверить осуществление тарификации разговора А - В.

9.2.2.2.5. Для проверки заказа услуги абонент В снимает трубку и после ЗАЛ и получения сигнала ОС набирает:

* # 22 * Нс #.

Проверить поступление сигнала ОС в аппарат абонента В о подтверждение проверки правильности приема заказа.

Абонент В вешает трубку.

Проверить осуществление тарификации.

9.2.2.2.6. Для отмены услуги абонент В, сняв трубку и получив сигнал ОС, набирает:

# 22 #.

Проверить, что в аппарат абонента В поступил сигнал ОС, подтверждающий выполнение процедуры.

Абонент вешает трубку.

Проверить, что кодом 21 услугу нельзя отменить.

Проверить проведение тарификации.

9.2.2.2.7. Абонент А вызывает абонента В, который занят.

Проверить, что А получает сигнал «ЗАНЯТО».

Абоненты А и В вешают трубки.

9.2.2.3. Испытание 2. Поступление междугородного (международного) вызова.

9.2.2.3.1. Абонент В заказывает услугу по п. 9.2.2.2.1.

9.2.2.3.2. Абонент В вызывает абонента А и между ними устанавливается разговорный тракт.

9.2.2.3.3. Организовать поступления междугородного (международного) вызова на аппарат абонента В.

Проверить, что вызов поступил на аппарат абонента С и состоялся разговор между абонентами.

Проверить согласований сигнализации.

Абоненты вешают трубку.

Проверить тарификацию.

9.2.2.4. Испытание 3. Отсутствие необходимых свободных устройств или ввод ошибочной информации.

9.2.2.4.1. Выполнить п.п. 9.2.1.4.1 - 9.2.1.4.8.

9.2.2.5. Испытание 4. Заказ, пользование, проверка, отмена и тарификация процедур абонентом ЦЕНТРЕКСа.

9.2.2.5.1. Абонент В заказывает услугу по п. 9.2.2.2.1, набирая при этом:

* 22 * Не #,

где He - сокращенный номер абонента Е.

9.2.2.5.2. Выполнить п.п. 9.2.2.2.2 - 9.2.2.6.2.

9.2.2.6. Испытание 5. Абонент не имеет права пользования услугой.

9.2.2.6.1. Выполнить п.п. 9.2.1.10.1 - 9.2.1.10.2.

Услуга считается выдержавшей испытание, если все проверки, изложенные выше, закончились с положительным результатом.

9.2.3. Передача вызова оператору. Код 23.

9.2.3.1. Начальные условия.

С помощью языка MML ввести категорию абонента на право пользовании этой услугой.

Два телефонных аппарата (один - с ННЧ).

9.2.3.2. Испытаний 1. Заказ, пользования, проверка, отмена и тарификация процедур.

9.2.3.2.1. Абонент В снимает трубку.

Проверить занятие абонентской линии и поступление в аппарат абонента В сигнала ОС.

Абонент В набирает:

* 23 #. В - О.

Проверить, что абонент В соединился с оператором.

Абонент В вешает трубку после разговора с оператором.

Проверить осуществление тарификации за заказ услуги.

9.2.3.2.2. Абонент А вызывает абонента В.

Проверить, что вызов абонента А поступает оператору, а абоненту В не поступает никакого сигнала.

По запросу от оператора ему передается информация АОН абонента В.

Абонент А и оператор дают отбой.

9.2.3.2.3. Абонент В вызывает абонента Д и устанавливает с ним разговор.

Абонент А вызывает абонента В.

Проверить, что вызов поступил оператору, не мешая разговору между абонентами В и Д.

9.2.3.2.4. Абонент В снимает трубку. После ЗАЛ и получение ОС абонент В набирает:

* # 23 #.

Проверить, что абоненту В поступил сигнал ОС.

Абонент В вешает трубку.

Проверить тарификацию процедуры.

9.2.3.2.5. Абонент В набирает:

# 23 #.

Проверить, что в аппарат абонента В поступает сигнал ОС.

Абонент В вешает трубку.

Проверить, что произошла тарификация процедуры.

Проверить, что кодами 21 и 22 услугу нельзя отменить.

9.2.3.2.6. Абонент А посылает вызов абоненту В.

Проверить, что вызов поступил на аппарат абонента В.

Абонент В ответил.

Абоненты А и В повесили трубки.

9.2.3.3. Испытание 2. Проверка заказа услуги набором собственного номера.

9.2.3.3.1. Выполнить п. 9.2.3.2.1.

Абонент В набирает свой номер телефона.

Проверить, что вызов поступил оператору. Она ответила.

Абонент В и телефонистка дают отбой.

9.2.3.3.2. Выполнить п. 9.2.3.2.5.

9.2.3.4. Испытание 3. Отсутствие необходимых свободных устройств или ввод ошибочной информации.

9.2.3.4.1. Выполнить п. 9.2.1.4.1.

9.2.3.4.2. Выполнить п. 9.2.3.2.1.

Проверить, что абоненту В поступает сигнал З-П.

Абонент В вешает трубку.

Проверить, что тарификация не произведена.

9.2.3.5. Испытание 4. Поступление междугородного и международного вызова.

9.2.3.5.1. Выполнить п. 9.2.3.2.1.

9.2.3.5.2. Организовать междугородный вызов.

Проверить, что вызов поступил оператору.

Абоненты дают отбой.

Проверить тарификацию пользования услугой.

9.2.3.6. Испытание 5. У абонента нет права на пользование услугой.

9.2.3.6.1. Выполнить п. 9.2.1.10.1.

9.2.3.6.2. Выполнить п. 9.2.3.2.1.

Проверить, что абонент слышит УКС или фразу «Данный вид связи не входит в перечень услуг с Вашего аппарата».

Абонент вешает трубку.

Услуга считается выдержавшей испытание, если все проверки, изложенные выше, закончились с положительным результатом.

9.2.4. Передача вызова на автоинформатор. Код «24».

9.2.4.1. Начальные условия.

С помощью языка MML ввести категорию абонента на право пользования этой услугой.

Три телефонных аппарата (один с ННЧ).

9.2.4.2. Испытание 1. Заказ, пользование, отмена и тарификация процедур.

9.2.4.2.1. Абонент В заказывает услугу «Передача входящего вызова на автоинформатор», для чего набирает со своего телефонного аппарата:

* 24 * К #.

где К - номер фразы, которую выбирает абонент при заказе услуги.

Проверить, что абонент В слышит сигнал ОС.

Абонент В вешает трубку.

Проверить осуществление тарификации за заказ услуги.

9.2.4.2.2. Абонент А вызывает абонента В.

Проверить, что вызов поступает на автоинформатор и абонент А слышит механический голос, который выдает ему заказанную абонентом В информацию, а абоненту В не поступает никакого сигнала.

Абонент А вешает трубку.

Проверить тарификацию.

9.2.4.2.3. Абонент В вызывает абонента С и устанавливает с ним разговорный тракт.

Абонент А вызывает абонента В.

Проверить, что вызов поступил на автоинформатор и он выдает в линию заданную информацию, не мешая разговору между абонентами В и С.

Абоненты В и С вешают трубки.

Проверить тарификацию разговора и пользования услугой.

9.2.4.2.4. Абонент В снимает трубку. После ЗАЛ и получения ОС набирает:

* # 24 * К #.

Проверить, что абоненту В поступил сигнал ОС.

Абонент В вешает трубку.

Проверить тарификацию процедуры.

9.2.4.2.5. Абонент В набирает:

# 24 #.

Проверить, что абонент В получает сигнал ОС.

Абонент В вешает трубку.

Проверить, что кодами «21», «22» и «23» услугу нельзя отменить.

Проверить тарификацию процедуры.

9.2.4.3. Испытание 2. Проверка заказа услуги набором собственного номера.

9.2.4.3.1. Выполнить п. 9.2.4.2.1.

Абонент В набирает свой номер телефона.

Проверить, что абонент прослушивает фразy автоинформатора.

Абонент В вешает трубку.

2.4.3.2. Выполнить п. 9.2.4.2.5.

2.2.4.4. Испытание 3. Отсутствие необходимых свободных устройств или ввод ошибочной информации.

9.2.4.4.1. Выполнить п. 9.2.1.4.1.

3.2.4.4.2. Выполнить п. 9.2.4.2.1.

Проверить, что абоненту В поступает сигнал З-П.

Абонент В вешает трубку.

Проверить, что не произведена тарификация.

9.2.4.5. Испытание 4. Поступление междугородного и международного вызова.

9.2.4.5.1. Выполнить п. 9.2.3.5 с передачей на автоинформатор.

9.2.4.6. Испытание 5. У абонента нет права на пользование услугой.

9.2.4.6.1. Выполнить п. 9.2.1.10.1.

9.2.4.6.2. Выполнить п. 9.2.4.2.1.

Проверить, что абонент В слышит УКС.

Абонент В вешает трубку.

Услугу считают выдержавшей испытание, если все проверки, изложенные выше, закончились с положительным результатом.

9.2.5. Поисковая сигнализация. Код 25.

9.2.5.1. Начальные условия.

С помощью языка MML ввести категорию абонента на право пользования услугой. Подключить в исходящий комплект соединительных линий оборудование поисковой сигнализации.

Три телефонных аппарата с ННЧ.

9.2.5.2. Испытание 1. Заказ, пользование, проверка, отмена и тарификация процедур.

9.2.5.2.1. Абонент А накаливает поисковую сигнализацию:

* 25 #.

Проверить поступление сигнала ОС.

Абонент А повесил трубку.

Проверить осуществление тарификации.

9.2.5.2.2. Абонент В посылает вызов абоненту А.

Проверить, что вызов направлен на аппаратуру поисковой сигнализации, с помощью которой абонент А информируется о поступлении к нему вызова.

Проверить, что абонент В получает информацию, что адресат разыскивается.

9.2.5.2.3. Абонент А отвечает с аппарата абонента С.

Снять трубку аппарата абонента С и после получения сигнала ОС набрать:

* 25 * На #.

где На - номер абонента А.

Проверить установление разговорного тракта между абонентами С (А) и В.

Абоненты С (А) и В вешают трубки.

Проверить тарификацию за разговор и пользование услугой.

9.2.5.2.4. Абонент А набирает:

*# 25 #.

Проверить получение сигнала ОС.

Абонент А вешает трубку.

Проверить тарификацию процедуры.

9.2.5.2.5. Абонент А набирает:

# 25 #.

Проверить получение сигнала ОС.

Абонент А вешает трубку.

Абонент В вызывает абонента А.

Проверить, что аппаратура поисковой сигнализации не участвует в процессе установления соединения.

Абоненты А и В вешают трубки.

Проверить осуществление тарификации за разговор и процедуру.

9.2.5.3. Испытание 2. Абонент не отвечает на вызов.

9.2.5.3.1. Выполнить п. 9.2.5.2.1.

9.2.5.3.2. Выполнить п. 9.2.5.2.2.

9.2.5.3.3. Абонент А не отвечает.

Абонент В вешает трубку.

Проверить, что не работает аппаратура поисковой сигнализации.

9.2.5.4. Испытание 3. Отсутствие необходимых свободных устройств или ввод ошибочной информации.

9.2.5.4.1. Выполнить п. 9.2.1.4.1.

9.2.5.5. Испытание 4. У абонента нет права на пользование услугой.

9.2.5.5.1. Выполнить п. 9.2.1.10.1.

9.2.5.5.2. Выполнить п. 9.2.5.2.1.

Проверить, что абонент А слышит УКС или фразу автоинформатора.

Абонент А вешает трубку.

Услуга считается выдержавшей испытание, если все проверки, изложенные выше, закончились с положительным результатом.

9.2.6. Ожидания с обратным вызовом. Код 37.

9.2.6.1. Начальные условия.

С помощью языка MML ввести категорию абонента на право пользования данной услугой.

Четыре телефонных аппарата (один с ННЧ).

9.2.6.2. Испытание 1. Заказ, пользование, проверка, отмена и тарификация процедур.

9.2.6.2.1. Абонент А посылает вызов абоненту С и устанавливает разговор.

Абонент В вызывает абонента А и слышит сигнал «ЗАНЯТО».

Абонент В нажимает кнопку R и после сигнала ОС набирает:

* 37 #.

Проверить, что абонент получает сигнал ОС.

Абонент В вешает трубку.

Проверить осуществление тарификации процедуры.

9.2.6.2.2. Абонент А дает отбой.

Проверить поступление вызова к абоненту В.

Абонент В отвечает.

Проверить, что абоненту А посылается вызов, а абонент В слышит сигнал КПВ.

Проверить установление разговорного тракта между абонентами А и В.

Абоненты А и В вешают трубки.

Проверить осуществление тарификации за разговор и процедуру.

9.2.6.2.3. Абонент В набирает:

* # 37 #.

Проверить, что абонент В получает сигнал ОС, если услуга еще не реализована, или УКС, если соединение с обратным вызовом.

Проверить осуществление тарификации процедуры.

9.2.6.2.4. Абонент В набирает (до реализации услуги):

# 37 #.

Проверить, что абонент В получает сигнал ОС.

Абонент А вызывает абонента С и устанавливает с ним разговор.

Абонент В посылает вызов абоненту А.

Проверить, что абонент В получает сигнал «ЗАНЯТО».

Абоненты А, В, С вешают трубки.

Проверить, что не произошло автоматического установления соединения между абонентами А и В.

Проверить осуществление тарификации процедуры.

9.2.6.3. Испытание 2. Вызываемый абонент занят предыдущим соединением.

9.2.6.3.1. Выполнить п. 9.2.6.2.1.

9.2.6.3.2. Абонент А не освобождается.

Проверить осуществление пяти попыток установления соединения в течение 10 минут с интервалом между попытками 2 минуты.

Проверить, что по истечении 10 минут абоненту В не посылается вызов.

9.2.6.4. Испытание 3. Занятость вызывающего абонента.

9.2.6.4.1. Выполнить п. 9.2.6.2.1.

9.2.6.4.2. Абонент Д устанавливает соединение с абонентом В.

Абоненты А и С вешают трубки.

Проверить, что после 10 минут с начала заказа услуги осуществляется вывод информации на печать с указанием причины прекращения действия услуги.

9.2.6.5. Испытание 4. Отсутствие необходимых свободных устройств или ввод ошибочной информации.

9.2.6.5.1. Выполнить п. 9.2.1.4.1.

9.2.6.5.2. Абонент А вызывает абонента С и устанавливает с ним разговор.

Абонент В вызывает абонента А и слышит сигнал «ЗАНЯТО».

Абонент В нажимает кнопку R и после сигнала ОС набирает.

* 37 #.

Проверить, что абонент В получает сигнал З-П.

Абонент В вешает трубку.

Проверить, что тарификация не произведена.

9.2.6.5.3. При выполнении п. 2.6.2.1 ввести ошибочную информацию.

Проверить, что абонент В получает сигнал З-П.

Абонент В вешает трубку.

Проверить отсутствие тарификации.

9.2.6.6. Испытание 5. У вызывающего абонента нет права на пользование услугой.

9.2.6.6.1. Выполнить п. 9.2.1.10.1.

9.2.6.6.2. Выполнить п. 9.2.6.2.1.

Проверить, что абонент В получает УКС или фразу автоинформатора.

Абонент В вешает трубку.

Услуга считается выдержавшей испытание, если все проверки, изложенные выше, окончились с положительным результатом.

9.2.7. Повторный вызов без набора номера.

9.2.7.1. Начальные условия.

С помощью языка MML ввести категорию абонента на право пользования услугой.

Три телефонных аппарата (один с ННЧ).

9.2.7.2. Испытание 1. Заказ, пользование, проверка, отмена и тарификация процедур.

9.2.7.2.1. Абонент А посылает вызов абоненту С и устанавливает с ним разговорный тракт.

Абонент В вызывает абонента А и слышит сигнал «ЗАНЯТО».

Абонент В нажимает кнопку R, получив сигнал ОС, набирает:

* 36 #.

Проверить, что абонент В слышит сигнал ОС.

Абонент В вешает трубку.

Проверить тарификацию процедуры.

9.2.7.2.2. Абонент В снимает телефонную трубку и слушает ОС в течение 5 с.

Проверить, что затем абонент В слышит сигнал «ЗАНЯТО».

9.2.7.2.3. Абоненты А и С вешают трубки.

Абонент В снимает трубку и слушает ОС в течение 5 с.

Проверить, что абоненту А посылается затем сигнал вызова, а абоненту В - КПВ.

Абонент А ответил.

Проверить установлении соединения между абонентами А и В.

Абоненты А и В вешают трубки.

Проверить, что осуществлена тарификация разговора и пользование услугой.

9.2.7.2.4. Выполнить п. 9.2.7.2.1.

9.2.7.2.5. Абонент В снимает трубку и набирает:

*# 36 #.

Проверить, что абонент В получил ОС.

Абонент В вешает трубку.

Проверить тарификацию процедуры.

9.2.7.2.6. Абонент В снимает трубку и набирает:

# 36 #.

Проверить, что произошла отмена услуги.

Абонент В вешает трубку.

Проверить, что осуществлена тарификация.

9.2.7.3. Испытаний 2. Вызываемый абонент занят предыдущим соединением.

9.2.7.3.1. Выполнить п.п. 9.2.7.2.1 и 9.2.7.2.2.

Проверить время, отводимое на проведение повторных попыток установления соединения без набора номера (например, в течение 30 минут). Проверить вывод информации на печать.

Проверить, что после 30 минут с начала заказа услуги, она аннулируется. Проверить вывод информации на печать.

Проверить тарификацию за пользование услугой.

9.2.7.4. Испытание 3. Отсутствие необходимых свободных устройств или ввод ошибочной информации.

9.2.7.4.1. Выполнить п. 9.2.1.4.1.

9.2.7.4.2. Выполнить п. 9.2.7.2.1.

Проверить, что абонент В получает сигнал З-П.

Абонент В вешает трубку.

Проверить, что тарификация не произведена.

Освободить оборудование.

9.2.7.5. Испытание 4. Вызываемый абонент имеет сокращенный номер.

9.2.7.5.1. Выполнить п. 9.2.7.2 - п. 9.2.7.4.3.

9.2.7.6. Испытание 5. Вызываемый абонент является междугородным.

9.2.7.6.1. Выполнить п.п. 9.2.7.2 - 9.2.7.4.3.

9.2.7.7. Испытание 6. Вызываемый абонент является международным.

9.2.7.7.1. Выполнить п.п. 9.2.7.2 - 9.2.7.4.3.

9.2.7.8. Испытание 7. У вызывающего абонента нет права на пользование услугой.

9.2.7.8.1. Выполнить п. 9.2.1.10.1.

9.2.7.8.2. Выполнить п. 9.2.7.2.1.

Проверить, что абонент В получает УКС или фразу автоинформатора.

Абонент В вешает трубку.

Услуга считается выдержавшей испытание, если все проверки, изложенные выше, окончились с положительным результатом.

9.2.8. Соединение с абонентом по предварительному заказу. Код 58.

9.2.8.1. Начальные условия.

С помощью языка MML ввести категорию абонента на право пользования услугой.

Три телефонных аппарата (один с ННЧ).

9.2.8.2. Испытание 1. Заказ, пользование, проверка, отмена и тарификация процедур.

9.2.8.2.1. Абонент В снимает трубку, после получения сигнала ОС набирает:

* 58 * На * ЧЧММ #,

где На - номер абонента А.

ЧЧММ - время. ЧЧ - часы, ММ - минуты. Для обозначения часов используются двузначные числа от 00 до 23 (числа 24 и более не допускаются). Для минут используются числа от 00 до 59 (60 и более не допускаются).

Проверить, что абонент В получает сигнал ОС.

Абонент В вешает трубку.

Проверить, что тарификация произошла.

9.2.8.2.2. В назначенное время станция посылает вызов абоненту В.

Проверить, что абоненту В поступает сигнал вызова.

Абонент В отвечает.

9.2.8.2.3. Посылается вызов абоненту А, абонент В слышит сигнал КПП.

Абонент А отвечает.

Проверить, что произошло установление соединения между абонентом В и абонентом А в указанное время.

Абоненты А и В вешают трубки.

Проверить осуществление тарификации за разговор и пользование услугой.

9.2.8.2.4. Абонент В снимает трубку и набирает:

* # 58 * На * ЧЧММ #.

Проверить, что абонент В получает сигнал ОС.

Абонент В вешает трубку.

Проверить тарификацию.

9.2.8.2.5. Абонент В снимает трубку и набирает:

# 58 #.

Проверить получение абонентом В сигнала ОС.

Абонент В вешает трубку.

Проверить тарификацию за пользование услугой.

9.2.8.3. Испытание 2. Вызываемый абонент занят предыдущим соединением.

9.2.8.3.1. Выполнить п. 9.2.8.2.1.

9.2.8.3.2. Абонент А посылает вызов абоненту С и устанавливает с ним соединение в указанное при заказе услуги время.

9.2.8.3.3. В указанное время станция посылает вызов абоненту В.

Абонент В отвечает.

Проверить, что абоненту В посылается сигнал «Занято».

Абонент В повесил трубку.

Через 2 минуты станция посылает вызов абоненту В.

Абонент В отвечает и слышит сигнал «Занято».

Через 2 минуты станция посылает вызов абоненту В.

Абонент В отвечает и слышит сигнал «Занято».

Абонент В повесил трубку.

9.2.8.3.4. Абоненты А и С повесили трубки.

9.2.8.3.5. Станция посылает вызов абоненту В.

Абонент В отвечает и слышит сигнал KПB.

Станция посылает вызов абоненту А.

Абонент А отвечает.

Проверить, что установился разговорный тракт между абонентами А и В.

Абоненты А и В вешают трубки.

Проверить тарификацию разговора и пользования услугой.

9.2.8.4. Испытание 3. Вызываемый абонент занят соединением.

9.2.8.4.1. Выполнить п.п. 9.2.8.2.1 - 9.2.8.3.3.

9.2.8.4.2. Абонент А не вешает трубку.

Проверить, что после 5 безуспешных попыток в течение 10 минут установления соединения услуга аннулируется и на печать выводится сообщение.

9.2.8.6. Испытание 4. Вызываемый абонент не отвечает.

9.2.8.6.1. Выполнить п. 9.2.6.2.1. и п. 9.2.8.2.2.

9.2.8.5.2. Посылается вызов абоненту А.

Абонент А не отвечает.

Проверить, что после 5 безуспешных попыток в течение 10 минут установления соединения услуга аннулируется и на печать выводится сообщение.

9.2.8.6. Испытание 5. Изменение времени при заказе услуги.

9.2.8.6.1. Выполнить п. 9.2.8.2.1.

9.2.8.6.2. При выполнении п. 9.2.8.2.1 значение ЧЧММ установить отличаемой от п. 9.2.8.2.1 на 10 - 15 минут.

Проверить, что станция стала осуществлять соединение с абонентом А по предварительному наказу в указанное в п. 9.2.8.6.2 время.

9.2.8.6.3. Выполнить п.п. 9.2.8.2.2 - 9.2.8.2.3.

9.2.8.7. Испытание 6. Отсутствие необходимых свободных устройств или ввод ошибочной информации.

9.2.8.7.1. Выполнить п. 9.2.1.4.1.

9.2.8.7.2. Выполнить п. 9.2.8.2.1.

Проверить, что абонент В получает сигнал З-П.

Абонент В вешает трубку.

Проверить, что не произведена тарификация.

9.2.8.8. Испытание 7. Вызываемый абонент имеет сокращенный номер.

9.2.8.8.1. Выполнить п.п. 9.2.8.2 - 9.2.8.7.3.

9.2.8.9. Испытание 8. Вызываемый абонент является междугородным.

9.2.8.9.1. Выполнить п.п. 9.2.8.2 - 9.2.8.7.3.

9.2.8.10. Испытание 9. Вызываемый абонент является международным.

9.2.8.10.1. Выполнить п.п. 9.2.8.2 - 9.2.8.7.3.

9.2.8.11. Испытание 10. У вызывающего абонента нет права на пользование услугой.

9.2.8.11.1. Выполнить п. 9.2.1.10.1.

9.2.8.11.2. Выполнить п. 9.2.8.2.1.

Проверить, что абонент В получает УКС или фразу автоинформатора.

Абонент В вешает трубку.

Услуга считается выдержавшей испытание, если все проверки, изложенные; выше, закончились с положительным результатом.

9.2.9. Ввод, замена или отмена личного кода-пароля.

Код 29 (ввод и отмена пароля) и 30 (замены пароля).

9.2.9.1. Начальные условия.

С помощью языка MML ввести категорию абонента на право пользования услугой и зарезервировать за абонентом А несколько двух, трех и четырехзначных кодов (К-П).

Телефонный аппарат с ННЧ.

9.2.9.2. Испытание 1. Заказ, пользование, проверка, отмена и тарификация процедур.

9.2.9.2.1. Абонент А снимает трубку и, после получения сигнала ОС, набирает:

* 29 *К-П #,

где К-П - код-пароль.

Проверить, что абонент А получает сигнал ОС.

Абонент А вешает трубку.

Проверить тарификацию процедуры.

9.2.9.2.2. Абонент А снимает трубку и, после получения сигнала ОС, набирает:

* # 29 * K-П #.

Проверить, что абонент А получил сигнал ОС.

Абонент A повесил трубку.

Проверить тарификацию процедуры.

9.2.9.2.3. Абонент А снимает трубку и набирает:

# 29 * К-П #.

Проверить, что абонент А получил сигнал ОС.

Абонент А повесил трубку.

Проверить тарификацию за процедуру.

9.2.9.2.4. Абонент А снимает трубку и набирает:

* 30 * К-П #.

Проверить, что произошла замена старого пароля на новый.

Абонент А повесил трубку.

Проверить тарификацию процедуры

9.2.9.3. Испытание 2. Отсутствие необходимых свободных устройств или ввод ошибочной информации.

9.2.9.3.1. Выполнить п. 9.2.1.4.1, п. 9.2.1.4.4., п. 9.2.1.4.7.

9.2.9.3.2. Выполнить п..9.2.9.2.1.

Проверить, что абонент А получает сигнал З-П.

Абонент А вешает трубку.

Проверить, что тарификация не произведена.

9.2.9.4. Испытание 3. У вызывающего абонента нет права на пользование услугой.

9.2.9.4.1. Выполнить п. 9.2.1.10.1.

9.2.9.4.2. Выполнить п. 9.2.9.2.1.

Проверить, что абонент А получает УKC или фразу автоинформатора.

Абонент А вешает трубку.

Услуга считается выдержавшей испытание, если все проверки, изложенные выше, закончились с положительным результатом.

9.2.10. Запрет некоторых видов исходящий связи. Код 34.

9.2.10.1. Начальные условия.

С помощью языка MML ввести категорию абонента на ограничение пользования исходящей связью. Присвоить абоненту В личный код-пароль.

Четыре телефонных аппарата с ННЧ.

9.2.10.2. Испытание 1. Заказ, пользование, проверка, отмена и тарификация процедур.

9.2.10.2.1. Абонент В вызывает абонента А по международной связи.

Проверить, что между абонентами А и В установился разговорный тракт.

Абоненты А и В вешают трубки.

9.2.10.2.2. Абонент В вызывает абонента С по междугородной связи.

Проверить, что абоненты В и С разговаривают.

Абоненты В и С вешают трубки.

9.2.10.2.3. Абонент В вызывает абонента Д, являющегося телефонистом справочной службы.

Проверить, что абоненты В и Д разговаривают.

Абоненты В и Д вешают трубки.

9.2.10.2.4. Абонент В снимает трубку и, после получения сигнала ОС, набирает:

* 34 * К-П * 1 #,

где К-П - код-пароль;

1 - код запрета международной связи.

Проверить, что абонент В получает сигнал ОС.

Абонент В вешает трубку.

Проверить осуществление тарификации за процедуру.

9.2.10.2.5. Абонент В снимает трубку и посылает вызов абоненту А по международной связи.

Проверить, что абонент В слышит УКС или фразу автоинформатора.

Абонент В вешает трубку.

Абонент В вызывает абонента С по междугородной связи.

Проверить, что установилось соединение между абонентами В и С.

Абоненты В и С вешают трубки.

Абонент В вызывает абонента Д - телефониста платной справочной службы.

Проверить, что установилось соединении между абонентами В и Д.

Абоненты В и Д вешают трубки.

Промерить тарификацию процедур и разговоров.

9.2.10.2.6. Абонент В снимает трубку и после сигнала ОС набирает:

# 34 * К-П * 1 #.

Проверить, что абонент В получает сигнал ОС.

Абонент В вешает трубку.

Проверить тарификации процедуры.

9.2.10.2.7. Выполнить п. 9.2.10.2.1.

9.2.10.2.8. Абонент В снимает трубку и после сигнала ОС набирает:

* 34 * К-П * 2 #,

где 2 - код запрета международной и междугородной связи.

Проверить, что абонент В получает сигнал ОС.

Абонент В вешает трубку.

Проверить осуществление тарификации за услугу.

9.2.10.2.9. Абонент В посылает вызов абоненту международной связи.

Проверить, что абоненту В подается УКС или фраза.

Абонент В вешает трубку.

Абонент В вызывает абонента С по междугородной линии.

Проверить, что абоненту В подается УКС или фраза.

Абонент В вешает трубку.

Абонент В вызывает абонента Д.

Проверить, что установился разговорный тракт между абонентами В и Д.

Абоненты В и Д вешают трубки.

9.2.10.2.10. Абонент В снимает трубку и после сигнала ОС набирает:

# 34 * К-П * 2 #.

Проверить, что абонент В получает сигнал ОС.

Абонент В вешает трубку.

Проверить проведение тарификации процедуры.

9.2.10.2.11. Выполнить п.п. 9.2.10.1 и 9.2.10.2.3.

9.2.10.2.12. Абонент В снимает трубку и после сигнала ОС набирает:

* 34 * К-П * 3 #,

где 3 - код запрета международной, междугородной связи и связи с платными справочными службами.

Проверить, что абонент В получает сигнал ОС.

Абонент В вешает трубку.

Проверить тарификацию за процедуры.

9.2.10.2.13. Абонент В посылает вызов абоненту А по международной связи.

Проверить, что абоненту В подается УКС или фраза.

Абонент А витает трубку.

Абонент В вызывает абонента С по междугородной связи.

Проверить, что абоненту В подается УКС или фраза.

Абонент В вешает трубку.

Абонент В вызывает абонента Д.

Проверить, что абоненту В подается УКС или фраза.

Абонент В вешает трубку.

9.2.10.2.14. Абонент В снимает трубку и после сигнала ОС набирает:

# 34 *К-П * 3 #.

Проверить, что абонент В получает сигнал ОС.

Абонент В вешает трубку.

Проверить проведение тарификации процедуры.

9.2.10.2.15. Выполнить п. 9.2.10.2.1, 9.2.10.2.2, 9.2.10.2.3.

9.2.10.2.16. Выполнить п. 9.2.10.2.4, 9.2.10.2.8, 9.2.10.2.12.

9.2.10.2.17. Абонент В снимает трубку и после сигнала ОC набирает:

* # 34 * К-П * 1 #.

Проверить, что абоненту В поступает сигнал ОС.

Абонент В вешает трубку.

Проверить тарификацию за процедуру.

9.2.10.2.18. Абонент В снимает трубку и после сигнала ОС набирает:

* # 34* К-П * 2 #.

Проверить, что абонент В получает сигнал ОС.

Абонент В вешает трубку.

Проверить тарификацию процедуры.

9.2.10.2.14. Абонент В снимает трубку и после сигнала OС набирает:

* # 34 * К-П* 3 #.

Проверить, что абонент В получает сигнал ОС. Абонент В вешает трубку.

Проверить тарификацию процедуры.

9.2.10.2.20. Выполнить п. 9.2.10.2.6, 9.2.10.2.10, 9.2.10.2.14.

9.2.10.3. Испытание 2. Отсутствие необходимых свободных устройств или ввод ошибочной информации.

9.2.10.3.1. Выполнить п. 9.2.14.1, п. 9.2.14.4, п. 9.2.14.7.

9.2.10.3.2. Выполнить п. 9.2.10.2.4.

9.2.10.3.3. Проверить, что абонент В получает сигнал З-П.

Абонент В вешает трубку.

Проверить, что тарификация не произведена.

9.2.10.4. Испытание 4. У вызывающего абонента нет права на пользование услугой.

9.2.10.4.1. Выполнить п. 9.2.1.10.1.

9.2.10.4.2. Выполнить п. 9.2.10.2.4.

Проверить, что абонент В получает УКС или фразу автоинформатора.

Абонент В вешает трубку.

Услуга считается выдержавшей испытание, если все проверки, изложенные выше, закончились с положительным результатом.

9.2.11. Предоставление исходящей связи по паролю. Код 32.

9.2.11.1. Начальные условия.

С помощью языка MML ввести категорию абонента на право пользования услугой. Ввести запрет на пользовании международной и междугородной связью. Присвоить абоненту А код-пароль.

Три телефонных аппарата с ННЧ.

9.2.11.2. Испытание 1. Заказ, пользование и тарификация процедур.

9.2.11.2.1. Абонент А снимает трубку и после сигнала ОС вызывает абонента В по международной связи.

Проверить, что абонент А получает УКС или фразу автоинформатора.

Абонент А вешает трубку.

9.2.11.2.2. Абонент А снимает трубку и числе сигнала ОС вызывает абонента С по междугородной связи.

Проверить, что абонент А получает УКС или фразу автоинформатора.

Абонент А вешает трубку.

9.2.11.2.3. Абонент А снимает трубку и после сигнала ОС набирает:

* 32 * К-П #.

Проверить, что абонент А получает сигнал ОС.

Абонент А набирает номер абонента С по междугородной связи:

8 - ABC ав XX XXX.

Проверить, что установился разговорный тракт между абонентами А и С.

Абоненты А и С вешают трубки.

Проверить тарификацию разговора и пользование услугой.

9.2.11.2.4. Абонент А снимает трубку и после сигнала ОС набирает:

* 32 * К-П #.

Проверить, что абонент А получает сигнал ОС.

Абонент А вызывает абонента В по международной связи.

Проверить, что установился разговорный тракт между абонентами А и В.

Абоненты А и В вешают трубки.

Проверить тарификацию разговора и пользование услугой.

9.2.11.3. Испытание 2. Отсутствие необходимых свободных устройств или ввод ошибочной информации.

9.2.11.3.1. Выполнить п. 9.2.1.4.1.

9.2.11.3.2. Абонент А снимает трубку и после сигнала ОС набирает:

* 32 * К-П #.

Проверить, что абонент А получает сигнал З-П.

Абонент А вешает трубку.

Проверить, что тарификация не произведена.

Освободить оборудование.

9.2.11.3.3. Абонент А снимает трубку и после сигнала ОС набирает код пользования, при этом вводится ошибочная информация.

Проверить, что абонент А получает сигнал З-П.

Абонент А вешает трубку.

Проверить тарификацию.

9.2.11.4. Испытание 4. У вызывающего абонента нет права на пользование услугой.

9.2.11.4.1. Выполнить п. 9.2.1.10.1.

9.2.11.4.2. Выполнить п. 9.2.11.2.3.

Проверить, что абонент А получает УКС или фразу автоинформатора.

Абонент А вешает трубку.

Услуга считается выдержавшей испытание, если все проверки, изложенные выше, закончились с положительным результатом.

9.2.12. Временное избирательное ограничение входящей связи. Код 35.

9.2.12.1. Начальные условия.

С помощью языка MML ввести категорию абонента на право пользовании данной услугой. Присвоить абоненту В код-пароль. Три телефонных аппарата с ННЧ.

9.2.12.2. Испытание 1. Заказ, пользование, проверка, отмена и тарификация процедур.

9.2.12.2.1. Абонент А посылает вызов абоненту В. Проверить, что между этими абонентами установился разговорный тракт. Абонент В может быть внутренним или внешним.

Абоненты А и В вешают трубки.

9.2.12.2.2. Абонент В снимает трубку и после сигнала ОС набирает:

*35 * К-П * На #.

Проверить, что абонент В получает сигнал ОС.

Абонент В вешает трубку.

Проверить осуществление тарификации за заказ услуги.

9.2.12.2.3. Абонент А посылает вызов абоненту В. Проверить, что абонент А получает сообщение автоинформатора о временном запрете входящей связи к абоненту В.

Абонент А вешает трубку.

9.2.12.2.4. Абонент С посылает вызов абоненту В.

Проверить, что между абонентами А и С устанавливается обычное соединение.

Абоненты А и С вешают трубки.

9.2.12.2.5. Абонент В снимает трубку и после сигнала ОС набирает:

* # 35 * К-П * На #.

Проверить, что абоненту В посылается сигнал ОС.

Абонент В вешает трубку.

Проверить тарификацию процедуры.

9.2.12.2.6. Абонент В снимает трубку и после сигнала ОС набирает:

# 35 * К-П #.

Проверить, что абонент В получает сигнал ОС.

Абонент В вешает трубку.

Проверить тарификацию процедуры.

Абонент А вызывает абонента В и между ними устанавливается разговорный тракт

Абоненты А и В вешают трубки.

9.2.12.3. Испытание 2. Отсутствие необходимых свободных устройств или ввод ошибочной информации.

9.2.12.3.1. Выполнить п. 9.2.1.4.1, п. 9.2.1.4.4, п. 9.2.1.4.7.

9.2.12.3.2. Выполнить п. 9.2.12.2.2.

9.2.12.3.3. Проверить, что абонент В получает сигнал З-П.

Абонент В вешает трубку.

Проверить, что тарификация не произведена.

9.2.12.4. Испытание 3. У абонента нет права на пользование услугой.

9.2.12.4.1. Выполнить п. 9.2.1.10.1.

9.2.12.4.2. Выполнить п. 9.2.12.2.2.

Проверить, что абонент В получает УКС или фразу автоинформатора.

Абонент В вешает трубку.

Услуга считается выдержавшей испытания, если все проверки, изложенные выше, закончились с положительным результатом.

9.2.13. Запрет исходящей и входящей связи, кроме связи с экстренными службами. Код 31.

9.2.13.1. Начальные условия.

С помощью языка MML ввести категорию абонента на право пользования услугой. Присвоить абоненту код-пароль. Разрешить абоненту входящую междугородную связь. Пять телефонных аппаратов с ННЧ.

9.2.13.2. Испытание 1. Заказ, пользование, проверка, отмена и тарификация процедур.

9.2.13.2.1. Абонент В посылает вызов абоненту А и устанавливает с ним разговор.

Абоненты А и В вешают трубки.

9.2.13.2.2. Абонент С посылает вызов абоненту Б и устанавливает с ним разговор.

Абоненты В и С вешают трубки.

9.2.13.2.3. Абонент В посылает вызов абоненту Д - оператору экстренной службы и устанавливает с ним разговор.

Абоненты В и Д вешают трубки.

9.2.13.2.4. Абонент В снимает трубку и после получения сигнала ОС набирает:

* 31 * К-П #.

Проверить, что абонент В получает сигнал ОС.

Абонент В вешает трубку.

Проверить тарификацию за процедуру.

9.2.13.2.5. Абонент В набирает номер абонента А.

Проверить, что абонент В получает сообщение автоинформатора.

Абонент В вешает трубку.

Абонент С вызывает абонента В.

Проверить, что абонент С получает сообщение автоинформатора или УКС.

Абонент С вешает трубку.

Абонент В вызывает абонента Д.

Проверить, что между абонентами В и Д установился разговорный тракт.

Абоненты В и Д вешают трубки.

Абонент Е осуществляет междугородний вызов абоненту В.

Проверить установление входящей междугородной связи к абоненту В.

Абоненты В и Е вешают трубки.

9.2.13.2.6. Абонент В снимает трубку и после получения сигнала ОС набирает:

* # 31 #.

Проверить, что абонент В получает сигнал ОС.

Абонент В повесил трубку.

Проверить тарификацию за процедуру.

9.2.13.2.7. Абонент В снимает трубку и после сигнала ОС набирает:

# 31 * К-П #.

Проверить, что абонент В получает сигнал ОС.

Абонент В вешает трубку.

Проверить тарификацию за процедуру.

9.2.13.2.8. Абонент В снимает трубку и после сигнала ОС вызывает абонента А.

Проверить, что между абонентами А и В установился разговорный тракт.

Абоненты А и В вешают трубки.

Абонент С вызывает абонента В.

Проверить, что между абонентами В и С устанавливается разговорный тракт.

Абоненты В и С вешают трубки.

9.2.13.3. Испытание 2. Отсутствие необходимых свободных устройств или ввод ошибочной информации.

9.3.13.3.1. Выполнить п. 9.2.1.4.1, п. 9.2.1.4.4, п. 9.2.1.4.7.

9.2.13.3.2. Выполнить п. 9.2.13.2.3.

9.2.13.3.3. Проверить, что абонент В получает сигнал З-П.

Абонент В вешает трубку.

Проверить, что тарификация не произведена.

9.2.13.4. Испытание 3. У вызывающего абонента нет права на пользование услугой.

9.2.13.4.1. Выполнить п. 9.2.1.10.1.

9.2.13.4.2. Выполнить п. 9.2.13.2.3.

Проверить, что абонент В получает УКС или фразу автоинформатора.

Абонент В вешает трубку.

Услуга считается выдержавшей испытание, если все проверки, изложенные выше, закончились с положительным результатом.

9.2.14. Временный запрет входящей связи (телефонная пауза). Код 26.

9.2.14.1. Начальные условия.

С помощью языка MML ввести категорию абонента на право пользования услугой. Абоненту В присвоить код-пароль. Три телефонных аппарата с ННЧ.

9.2.14.2. Испытание 1. Заказ, пользование, проверка, отмена и тарификация процедур.

9.2.14.2.1. Абонент А вызывает абонента В.

Проверить, что между абонентами А и В установился разговорный тракт.

Абоненты А и В вешают трубки.

9.2.14.2.2. Абонент В снимает трубку и после сигнала ОС набирает:

* 26 * К-П (* ЧЧММ) #.

Проверить, что абонент В получает сигнал ОС.

Абонент В вешает трубку.

Проверить осуществление тарификации.

9.2.14.2.3. Абонент А посылает вызов абоненту В. Проверить, что абонент А слышит сообщения автоинформатора, что к абоненту нет входящей связи.

Проверить, что абонент В не получает никакого сигнала.

Абонент А вешает трубку.

9.2.14.2.4. Абонент В посылает вызов абоненту С. Проверить, что между абонентами В и С установился разговорный тракт.

Абоненты В и С вешают трубки.

9.2.14.2.5. Абонент В снимает трубку и, после получения сигнала ОС, набирает:

* # 26 #.

Проверить, что абонент В получает сигнал ОС.

Абонент В вешает трубку.

Проверить тарификацию процедуры.

9.2.14.2.6. Абонент В снимает трубку и, после получения сигнала ОС, набирает:

# 26 * К-П #.

Проверить, что абонент В получает сигнал ОС.

Абонент В вешает трубку.

Проверить осуществление тарификации на процедуру.

9.2.14.2.7. Выполнить п. 9.2.14.2.1.

9.2.14.3. Испытание 2. Проверка заказа услуги набором собственного номера.

9.2.14.3.1. Выполнить п. 9.2.14.2.2.

9.2.14.3.2. Абонент В снимает трубку и, после получения сигнала ОС, набирает свой номер телефона.

Проверить, что абонент В слышит сообщение автоинформатора, что к нему временно нет входящий связи.

9.2.14.4. Испытание 3. Отсутствие необходимых свободных устройств или ввод ошибочной информации.

9.2.14.4.1. Выполнить п. 9.2.1.4.1, п. 9.2.1.4.4, п. 9.2.1.4.7.

9.2.1.4.4.2. Выполнить п. 9.2.14.2.2.

9.2.14.4.3. Проверить, что абоненту В посылается сигнал З-П.

9.2.14.5. Испытание 4. У вызывающего абонента нет права на пользование услугой.

9.2.14.5.1. Выполнить п. 9.2.1.10.1.

9.2.14.5.2. Выполнить п. 9.2.14.2.2.

Проверить, что абонент В получает сигнал УКС или фразу автоинформатора.

Абонент В вешает трубку.

Проверить, что тарификация не произведена.

Услуга считается выдержавшей испытание, если все проверки, изложенные выше, закончились с положительным результатом.

9.2.15. Передача соединения другому абоненту.

9.2.15.1. Начальные условия.

С помощью языка MML ввести категорию абонента на право пользования данной услугой. Ввести разрешение абонентской линии на передачу соединения.

Пять телефонных аппаратов с ННЧ.

9.2.15.2. Испытание 1. Пользование услугой.

9.2.15.2.1. Абонент А вызывает абонента В.

Проверить, что между абонентами А и В устанавливается разговорный тракт.

9.2.15.2.2. Абонент В нажимает кнопку R.

Проверить, что абоненту В посылается сигнал ОС, и абонент А находится в состоянии ожидания, получая сигнал ожидания.

9.4.15.2.3. Абонент В вызывает абонента С.

Проверить, что между абонентами В и С установлен разговорный тракт.

9.2.15.2.4. Абонент В нажимает кнопку R.

Проверить, что абонент В получает сигнал ОС, а абонент С находится в состоянии ожидания.

9.2.15.2.5. Абонент В нажимает кнопку 4.

Проверить, что между абонентами А и С установился разговорный тракт.

Проверить, что абонент В получает СЗ.

Абонент В вешает трубку.

Абоненты А и С вешают трубки.

Проверить тарификацию разговора В-А, В-С, А-С.

9.2.15.3. Испытание 2. Действие абонента кроме передачи вызова.

9.2.15.3.1. Абонент А устанавливает соединение с абонентом В.

Абонент В нажимает кнопку R.

Проверить, что абонент В получает сигнал ОС.

Абонент В вызывает абонента С и устанавливает с ним соединения.

Абонент С кладет трубку.

Проверить, что абонент В слышит СЗ, а абонент С отключился.

9.2.15.3.2. Абонент В нажимает кнопку R и после сигнала ОС нажимает кнопку 1.

Проверить, что между абонентами А и В восстановился разговор.

Абоненты А и В вешают трубки.

Проверить осуществление тарификации разговора.

9.2.15.3.3. Выполнить п.п. 9.2.15.2.1 - 9.2.15.2.4.

9.2.15.3.4. Абонент В вешает трубку.

Проверить, что абоненты А и С получают СЗ.

Абоненты А и С вешают трубки.

Проверить тарификацию разговора.

9.2.15.3.5. Абонент С устанавливает соединения с абонентом Д.

9.2.15.3.6. Выполнить п.п. 9.2.15.2.1 - 9.2.15.2.2.

9.2.15.3.7. Абонент В вызывает абонента С.

Проверить, что абонент В получает СЗ.

9.2.15.3.8. Выполнить п. 9.2.15.2.4.

9.2.15.3.9. Абонент В нажимает кнопку 1.

Проверить, что восстановился разговор между абонентами А и В.

Абоненты А и В вешают трубки.

Проверить осуществление тарификации разговора.

9.2.15.3.10. Выполнить п.п. 9.2.15.2.1 - 9.2.15.2.2.

9.2.15.3.11. Абонент В вызывает абонента С.

Проверить, что абонент В получает сигнал КПВ.

9.2.15.3.12. Выполнить п. 9.2.15.3.9.

9.2.15.4. Испытание 3. Вызывающий абонент является междугородным.

9.2.15.4.1. Абонент А вызывает абонента В по междугородной связи и между ними устанавливается разговорный тракт.

9.2.15.4.2. Выполнить п.п. 9.2.15.2.2 - 9.2.15.3.12.

9.2.15.5. Испытание 4. Отсутствие необходимых свободных устройств или ввод ошибочной информации.

9.2.15.5.1. Выполнить п. 9.2.1.4.1.

9.2.15.5.2. Выполнить п.п. 9.2.15.2.5.

Проверить, что абонент В получает сигнал З-П.

Абонент В вешает трубку.

Проверить, что тарификация не произведена.

Услуга считается выдержавшей испытание, если все проверки, изложенные выше, закончились с положительным результатом.

9.2.16. Конференц-связь по списку. Код 70.

9.2.16.1. Начальные условия.

С помощью языка MML ввести категорию абоненты на право пользования данной услугой. Ввести списки с составом участников конференц-связи (до 7 абонентов в списке) и пронумеровать их (до 4 списков).

Семь телефонных аппаратов с ННЧ.

9.2.16.2. Испытание 1. Заказ, пользование, проверка, отмена и тарификация процедур.

9.2.16.2.1. Абонент А снимает трубку и, после получения сигнала ОС, набирает:

* 70 * Нсп #,

где Нсп - номер списка.

Проверить, что абонент А получает сигнал ОС.

Абонент А вешает трубку.

Проверить проведение тарификации процедуры.

9.2.16.2.2. Абонент А снимает трубку и после получения сигнала ОС набирает:

* 76 #.

Проверить, что абоненту А посылается сигнал КПВ.

Проверить, что всем абонентам указанного списка посылается сигнал вызова, а после ответа - сообщение «Конференц-связь».

9.2.16.2.3. Ответили все участники конференции указанного списка. Проверить, что установился разговорный тракт между всеми участниками конференции. При отбое любого участника в разговорный тракт передается сигнал «Отключение участника К-С». При отбое инициатора - все получают ЗАНЯТО.

9.2.16.2.4. Все участники конференции повесили трубки.

Проверить тарификацию.

9.2.16.2.5. Абонент А снимает трубку и, после получения сигнала ОС, набирает:

* # 70 * Нсп #.

Проверить, что абонент А слышит сигнал ОС.

Абонент А вешает трубку.

Проверить тарификацию процедуры.

9.2.16.2.6. Абонент А снимает трубку и, после получения сигнала ОС, набирает:

# 70 * Нсп #.

Проверить, что абонент А получает сигнал ОС.

Абонент А вешает трубку.

Проверить осуществление тарификации за процедуру.

9.2.16.3. Испытание 2. Неполный сбор участников конференции.

9.2.16.3.1. Выполнить п. 9.2.16.2.2.

9.2.16.3.2. Не ответил абонент В, а остальные участники конференции ответили.

Проверить, что сигнал вызова посылается абоненту В в течение 30 - 45 сек.

Проверить, что все остальные участники конференции получают сообщение: «Конференц-связь».

9.2.16.3.3. Абонент В исключен из участников конференции.

Проверить, что абоненты - участники конференции получают сигнал неполного сбора.

Проверить, что между оставшимися участниками конференции установлены разговорные тракты.

9.2.16.3.4. Абонент С вешает трубку.

Проверить, что в разговорный тракт посылается одиночный сигнал отключения длительностью 0,3 - 1,0 с.

9.2.16.3.5. Абонент А вешает трубку.

Проверить, что все участники конференции получают СВ.

9.2.16.3.6. Выполнить п. 9.2.16.2.6.

9.2.16.4. Испытание 3. Ввод, дополнение, замена и исключение из списка.

9.2.16.4.1. Ввод, дополнение, замена абонента в списке.

Абонент А снимает трубку и, после получения сигнала ОС, набирает:

* 11 * Нсп * Кв * Нв #.

где Нсп - номер списка;

Кв - номер в списке абонента В;

Нв - номер абонента В.

Проверить, что абонент А получает сигнал ОС.

Абонент А вешает трубку.

Проверить тарификацию за процедуру.

9.2.16.4.2. Выполнить п. 9.2.16.2.2.

Проверить, что абонент В стал участником конференции.

Абоненты- участники конференции положили трубки.

Проверить осуществление тарификации.

9.2.16.4.3. Исключение из списка.

Абонент А снимает трубку и, после получения сигнала ОС, набирает:

* 12 * Нсп * Кс #.

Проверить, чти абонент А получает сигнал ОС.

Абонент А вешает трубку.

Проверить осуществления тарификации за процедуру.

9.2.16.4.4. Выполнить п. 9.2.16.2.2 - 9.2.16.2.4.

Проверить, что абонент С не является участником конференции.

9.2.16.5. Испытание 4. Подключение дополнительного участника конференции.

9.2.16.5.1. Выполнить п.п. 9.2.16.2.2 - 9.2.16.2.3.

9.2.16.5.2. Абонент А нажимает кнопку R. Проверить, что абоненту А посылается сигнал ОС.

9.2.16.5.3. Абонент А набирает

* 13 *Не #.

Проверить, что абонент Е стал участником конференции.

9.2.16.5.4. Выполнить п. 9.2.16.2.4.

9.2.16.6. Испытание 5. Отключение участника конференц-связи.

9.2.16.6.1. Выполнить п.п. 9.2.16.2.2., 9.2.16.2.3, 9.2.16.5.2.

9.2.16.6.2. Абонент А набирает:

* 14 * Нс #,

где Нс - номер отключаемого абонента.

9.2.16.6.3. Выполнить п. 9.2.16.3.4.

Проверить, что абонент С отключен от конференции.

9.2.16.6.4. Выполнить п. 9.2.16.3.5.

9.2.16.6.5. Выполнить п. 9.2.16.2.6.

9.2.16.7. Испытание 6. Отсутствие необходимых свободных устройств или ввод ошибочной информации.

9.2.16.7.1. Выполнить п. 9.2.1.4.1, п. 9.2.1.4.4, п. 9.2.1.4.7.

9.2.16.7.2. Выполнить п. 9.2.16.2.1.

9.2.16.7.3. Проверить, что абонент А получает сигнал З-П.

Абонент А вешает трубку.

9.2.16.8. Испытание 7. У абонента нет права на пользование услугой.

9.2.16.8.1. Выполнить п. 9.2.1.10.1.

9.2.16.8.2. Выполнить п. 9.2.16.2.1.

Проверить, что абонент А получает УКС или фразу автоинформатора.

Абонент А вешает трубку.

Услуга считается выдержавшей испытания, если все проверки, изложенные выше, закончились с положительным результатом.

9.2.17. Конференц-связь с последовательным сбором участников. Код 71.

9.2.17.1. Начальные условия.

С помощью языка MML ввести категорию абонента на право пользования данной услугой.

Телефонные аппараты с ННЧ.

9.2.17.2. Испытание 1. Заказ, пользование и тарификация процедур.

9.2.17.2.1. Абонент А снимает трубку и, после получении сигнала ОС, набирает:

* 71 Нв * Нс * Нд ... #.

Проверить, что последовательно посылается сигнал вызова вызываемым абонентам - участникам конференции.

Проверить, что линии вызываемых абонентов подключаются к автоинформатору, который сообщает о предстоящей конференции, проверить, что абонент А получает сигнал КПВ.

9.2.17.2.2. Ответили все участники конференции.

Проверить, что между всеми участниками конференции установился разговорный тракт.

9.2.17.2.3. Абонент С повесил трубку.

9.2.17.2.4. Выполнить п. 9.2.16.3.4.

9.2.17.2.5. Выполнить п. 9.2.16.3.5.

Все участники конференции вешают трубки.

Проверить осуществление тарификации.

Услуга считается выдержавшей испытание, если все проверки, изложенные выше, закончились с положительным результатом.

9.2.18. Уведомление о поступлении нового вызова. Код 43.

9.2.18.1. Начальные условия.

С помощью языка MML ввести категорию абонента на право пользования данной услугой.

Шесть телефонных аппаратов (один с ННЧ с кнопкой R).

9.2.18.2. Испытание 1. Заказ, пользование, отмена и тарификация процедур.

9.2.18.2.1. Абонент А снимает телефонную трубку и, после получения сигнала ОС, набирает:

* 43 #.

Проверить, что абонент А получает сигнал ОС.

Абонент А вешает трубку.

Проверить осуществление тарификации.

9.2.18.2.2. Абонент А вызывает абонента В и устанавливает с ним разговор.

9.2.18.2.3. Абонент С вызывает абонента А.

Проверить, что абонент А получает сигнал уведомления, а абонент С получает сигнал «контроль посылки сигнала уведомления (ожидание)».

9.2.18.2.4. Абонент А нажимает кнопку R и, после получения сигнала ОС, нажимает «2».

Проверить, что абоненты А и С находятся в состоянии разговора, а абонент В находится в состоянии ожидания, получая сигнал ожидания.

9.2.18.2.5. Абонент С вешает трубку.

Проверить, что абоненту А посылается СЗ.

Проверить осуществления тарификации за разговор абонентов А и С.

9.2.18.2.6. Абонент А нажимает кнопку R и, после получения сигнала ОС, кнопку «1».

Проверить, что разговор между абонентами А и В восстановился.

Абоненты А и В вешают трубки.

Проверить осуществление тарификации за разговор.

9.2.18.2.7. Абонент А вызывает абонента Д по междугородной связи и устанавливает с ним разговор.

9.2.18.2.8. Выполнить п. 9.2.18.2.3.

9.2.18.2.9. Абонент А нажимает кнопку R и, после получения сигнала ОС, нажимает «2».

Проверить, что абоненты А и С находятся в состоянии разговора, а абонент Д находится в состоянии ожидания.

9.2.18.2.10. Выполнить п. 9.2.18.2.5.

9.2.18.2.11. Абонент А нажимает кнопку R и, после получения сигнала ОС, нажимает кнопку «1».

Проверить, что разговор между абонентами А и Д восстановился.

Абоненты А и Д вешают трубки.

Проверить осуществление тарификации за разговор.

9.2.18.2.12. Абонент В вызывает абонента А и устанавливает с ним разговор.

9.2.18.2.13. Абонент Д вызывает абонента А по междугородной связи. Проверить, что абонент D получает сигнал «ЗАНЯТО».

9.2.18.2.14. Проверить, что междугородная телефонистка может подключиться к абоненту А, занятому местным или междугородным соединением.

9.2.18.2.15. Абонент А снимает трубку и, после получения сигнала ОС, набирает:

* # 43 #.

Проверить, что абонент А получает сигнал ОС.

Абонент А вешает трубку.

Проверить тарификацию процедуры.

9.2.18.2.16. Абонент А снимает трубку и, после сигнала ОC, набирает:

# 43 #.

Проверить, что абонент А получает сигнал ОС.

Абонент А вешает трубку. Проверить тарификации процедуры.

9.2.18.2.17. Выполнить п. 9.2.16.2.2.

9.2.18.2.18. Абонент С вызывает абонента А.

Проверить, что абоненту С подается сигнал «Занято», а разговору абонентов А и В ничего не мешает.

Абоненты А, В, и С вешают трубки.

9.2.18.3. Испытание 2. Отключение абонента.

9.2.18.3.1. Выполнить п. 9.2.18.2.1.

9.2.18.3.2. Выполнить п. 9.2.18.2.2.

9.2.18.3.3. Выполнить п. 9.2.18.2.3.

9.2.18.3.4. Абонент А нажимает кнопку R и, после получения сигнала ОС, нажимает кнопку 1.

Проверить, что абонент В получает СЗ, а абоненты А и С разговаривают.

Абонент В вешает трубку.

Проверить тарификацию.

Абоненты А и С вешают трубки.

Проверить тарификацию.

9.2.18.4. Испытание 3. Последовательный разговор с двумя абонентами.

9.2.18.4.2. Выполнить п. 9.2.18.2.1, п. 9.2.18.2.2, п. 9.2.18.2.3, п. 9.2.18.2.4.

9.2.18.4.2. Абонент А нажимает кнопку R и, после получении сигнала ОС, кнопку 2.

Проверить, что восстановился разговор между абонентами А и В, и абонент С находится в состоянии ожидания.

9.2.18.4.3. Выполнить п. 9.2.18.2.4.

9.2.18.4.4. Абонент А нажимает R и после сигнала ОС нажимает «1».

Проверить, что абоненту С подается СЗ, а между абонентами А и В устанавливается разговорный тракт.

Абонент С вешает трубку.

Проверить осуществление тарификации.

Абоненты А и В вешают трубки.

Проверить осуществление тарификации.

9.2.18.5. Испытание 4. Поступление двух вызовов к одному абоненту, занятому разговором.

9.2.18.5.1. Выполнить п. 9.2.18.2.2 и 9.2.18.2.3.

9.2.18.5.2. Абонент Д посылает вызов абоненту А.

Проверить, что абонент Д получает СЗ.

Абонент Д вешает трубку.

9.2.18.6. Испытание 5. Отсутствие необходимых свободных устройств или ввод ошибочной информации.

9.2.18.6.1. Выполнить п. 9.2.1.4.1.

9.2.18.6.2. Выполнить п. 9.2.18.2.1. Проверить, что абонент А получает сигнал З-П.

Абонент А вешает трубку.

Проверить, что тарификация не произведена.

9.2.18.7. Испытание 6. У вызывающего абонента нет права на пользование услугой.

9.2.18.7.1. Выполнить п. 9.2.1.10.1.

9.2.18.7.2. Выполнить п. 9.2.18.2.1.

Проверить, что абонент А получает УКС или фразу автоинформатора.

Абонент А вешает трубку.

Услуга считается выдержавшей испытание, если все проверки, изложенные выше, закончились с положительным результатом.

9.2.19. Конференц-связь трех абонентов.

9.2.19.1. Начальные условия.

С помощью языка MML ввести категорию абонента на право пользования данной услугой.

Три телефонных аппарата с ННЧ или с ННИ.

9.2.19.2. Испытание 1. Подключение третьего абонента по конференц-связи.

9.2.19.2.1. Абонент А устанавливает связь с абонентом В.

9.2.19.2.2. Абонент А нажимает кнопку R и после сигнала ОС вызывает абонента С.

Проверить, что абонент В находится в ожидании, абоненту С посылается сигнал вызова, а абонент А получает сигнал КПВ.

9.2.19.2.3. Абонент С ответил. Установился разговорный тракт между А и С.

9.2.19.2.4. Абонент А нажимает кнопку R и после сигнала ОС нажимает кнопку «3».

Проверить, что абоненты А, В и С находятся в разговорном состоянии.

9.2.19.2.5. Абонент В повесил трубку.

Проверить, что в разговорный тракт подан сигнал отключения участника конференц-связи.

Проверить, что разговор между абонентами А и С продолжается.

Абоненты А и С вешают трубки.

Проверить осуществление тарификации.

9.2.19.3. Испытание 2. Отбой абонента-инициатора.

9.2.19.3.1. Выполнить пп. 9.2.19.2.1 - 9.2.19.2.3.

9.2.19.3.4. Абонент А повесил трубку.

Проверить, что абонентам В и С передается сигнал «Занято».

Абонента В и С вешают трубки.

Проверить тарификацию.

9.2.19.4. Испытание 3. У абонента нет права пользования услугой.

9.2.19.4.1. Проверить, что при нажатии кнопки R сигнал ОС не передается и разговор не прерывается.

Услуга считается выдержавшей испытания, если все проверки, изложенные выше, закончились с положительным результатом.

9.2.20. Наведение справки во время разговора.

9.2.20.1. Начальные условия.

С помощью языка MML ввести категорию абонента на право пользования данной услугой.

Три телефонных аппарата с ННЧ (или с ННИ) с кнопкой R.

9.2.20.2. Испытание 1. Пользование услугой.

9.2.20.2.1. Абонент А устанавливает соединение с абонентом В.

9.2.20.2.2. Абонент А нажимает кнопку R и, после получения сигнала ОС, набирает номер абонента С.

Проверить, что абоненту С посылается сигнал вызова, абоненту A - сигнал КПВ, а абонент В находится в ожидании.

9.2.20.2.3. Абонент С ответил.

Проверить, что между абонентами А и С установился разговорный тракт.

9.2.20.2.4. Абонент А нажимает кнопку R и после сигнала ОC нажимает кнопку 1.

Проверить, что абоненту С подается СЗ, в абоненты А и В находятся в разговоре.

Абонент С вешает трубку.

Абоненты А и В вешают трубки.

Проверить тарификацию разговора.

9.2.20.2.5. Выполнить п.п. 9.2.20.2.1 - 9.2.20.2.3.

9.2.20.2.6. Абонент А нажимает R и после сигнала ОС нажимает кнопку 2.

Проверить, что восстановился разговор между абонентами А и В, а абонент С находится в состоянии ожидания.

9.2.20.2.7. Абонент В вешает трубку.

Проверить, что абонент А получает СЗ.

9.2.20.2.8. Абонент А нажимает кнопку R и, после получения сигнала ОС, нажимает кнопку «1».

Проверить, что восстановился разговор между абонентами А и С.

Абоненты А, С вешают трубки.

Проверить осуществление тарификации за разговор.

9.2.20.3. Испытание 2. У вызывающего абонента нет права на пользование услугой.

2.20.3.1. Проверить, что при нажатии кнопки R сигнал ОС не передается и разговор не нарушается.

Услуга считается выдержавшей испытание, если все проверки, изложенные выше, закончились с положительным результатом.

9.2.21. Подключение к занятому абоненту с предупреждением о вмешательстве. Код 45.

9.2.21.1. Начальные условия.

С помощью языка MML ввести категорию абонента на право пользования услугой. Абонент А является привилегированным абонентом УПАТС, имеющим право выхода на сеть ГТС, а абонент В таким правом не обладает.

Три телефонных аппарата (один с ННЧ с кнопкой R).

9.2.21.2. Испытание 1. Пользование услугой.

9.2.21.2.1. Абонент В посылает вызов абоненту С и устанавливает с ним разговорный тракт.

9.2.21.2.2. Абонент А вызывает абонента В.

Абонент А получает СЗ.

9.2.21.2.3. Абонент А нажимает R и, после получения сигнала ОС, набирает:

* 45 #.

Проверить, что абонент В получает специальный акустический сигнал вмешательства в течение всего времени подключения.

Проверить, что установился разговорный тракт между абонентами А, В и С.

9.2.21.2.4. Абонент С вешает трубку.

Проверить, что разговорный тракт между абонентами А и С нарушен, а сигнал вмешательства не передается.

Проверить, что в разговорный тракт поступил одиночный сигнал отключения длительностью 0,3 - 1,0 с.

Абоненты А и В вешают трубки.

Проверить осуществление тарификации за разговор и пользование услугой.

9.2.21.2.5. Абонент С вызывает абонента В и устанавливает с ним разговорный тракт.

9.2.21.2.6. Выполнить п.п. 9.2.21.2.1 - 9.2.21.2.3.

9.2.21.2.7. Абонент А вешает трубку.

Проверить, что в разговорный тракт поступил одиночный сигнал отключения длительностью 0,3 - 1,0 с.

Проверить, что разговорный тракт между абонентами В и С не нарушился, сигнал вмешательства прекратился.

Проверить тарификацию разговора абонента А и пользования услугой.

Абоненты В и С вешают трубки.

Проверить тарификацию разговора.

9.2.21.2.8. Выполнить п.п. 9.2.21.2.1 - 9.2.21.2.3.

9.2.21.2.9. Абонент В повесил трубку.

Проверить, что абоненту С поступает СЗ, абоненту В поступает посылка вызова, он снимает трубку.

Абоненты А и В разговаривают.

9.2.21.3. Испытание 2. Отсутствие необходимых свободных устройств или ввод ошибочной информации.

9.2.21.3.1. Выполнить п. 9.2.1.4.1.

9.2.21.3.2. Выполнить п.п. 9.2.21.2.1 - 9.2.21.2.3.

Проверить, что абонент А получает сигнал З-П.

Абонент А вешает трубку.

Проверить, что тарификация не произведена.

9.2.21.4. Испытание 3. У абонента А нет права на пользование услугой.

9.2.21.4.1. Выполнить п. 9.2.1.10.1.

9.2.21.4.2. Выполнить п.п. 9.2.21.2.1 - 9.2.21.2.3.

Проверить, что абонент А получает СЗ несмотря на нажатие кнопки R.

Услуга считается выдержавшей испытание, если все проверки, изложенные выше, закончились с положительным результатом.

9.2.22. Отмена всех услуг. Код 50.

9.2.22.1. Начальные условия.

С помощью языка MML ввести абоненту категории на право пользования несколькими услугами и данной услугой. Присвоить абоненту А код-пароль.

Один телефонный аппарат с ННЧ.

9.2.22.2. Испытание 1. Пользование услугой.

9.2.22.2.1. Абонент А заказывает услуги со своего аппарата в соответствии с присвоенной категорией и затем набирает:

* 50 * К-П #.

Проворить получения сигнала ОС абонентом А.

Абонент А вешает трубку.

Проверить осуществление тарификации заказа.

9.2.22.2.2. Абонент А снимает трубку и, после получения сигнала ОС, процедурами проверки проверяет, что все заказанные ранее услуги отменены.

9.2.22.3. Испытание 2. Отсутствие необходимых свободных или ввод ошибочной информации.

9.2.22.3.1. Выполнить п. 9.2.1.4.1.

9.2.22.3.2. Выполнить п.п. 9.2.22.2.1.

Проверить, что абонент А получает сигнал З-П.

Абонент А вешает трубку.

Проверить, что тарификация не осуществлена.

9.2.22.4. Испытание 3. У абонента нет права на пользование услугой.

9.2.22.4.1. Выполнить п. 9.2.1.10.1.

9.2.22.4.2. Выполнить п. 9.2.22.2.1.

Проверить, что абоненту А подается УКС или фраза автоинформатора.

Абонент А вешает трубку.

Проверить, что тарификация не произведена.

Услуга считается выдержавшей испытание, если все проверки, изложенные выше, закончились с положительным результатом.

9.2.23. Сокращенный набор абонентских номеров. Код 51.

9.2.23.1. Начальные условия.

С помощью языка MML ввести категорию абонента на право пользования услугой. Абонент будет присваивать следующие сокращенные номера:

- местному абоненту В номер 5.

- междугородному абоненту С номер 6.

- международному абоненту Д номер 7.

Телефонный аппарат с ННЧ.

9.2.23.2. Испытание 1. Заказ, пользование, проверка, отмена и тарификация процедур.

9.2.23.2.1. Абонент А снимает трубку и, после получения сигнала ОС, набирает:

* 51 * 5 * Нв #.

Проверить, что абонент А получил сигнал ОС.

Абонент А положил трубку.

Проверить тарификацию заказа услуги.

9.2.23.2.2. Абонент А снимает трубку и, после получения сигнала ОС, набирает:

* 51 * 6 * 8 АВС Нс #,

где ABC - код города.

Проверить, что абонент А получил сигнал ОС.

Абонент А повесил трубку.

Проверить тарификацию заказа услуги.

9.2.23.2.3. Абонент А снимает трубку и, после получения сигнала ОС, набирает:

* 51 * 7 * 8  10 Кстр АВС Нд #,

где Кстр - код страны.

Проворить, что абонент А получил сигнал ОС.

Абонент А повесил трубку.

Проверить тарификацию заказа.

9.2.23.2.4. Абонент А снимает трубку и, после получения сигнала ОС, набирает:

* * 5.

Проверить, что абонент А послал вызов абоненту В и установил с ним соединение.

Абоненты А и В вешают трубки.

9.2.23.2.5. Абонент А снимает трубку и, после получения сигнала ОС, набирает:

* * 6.

Проверить, что абонент А послал вызов абоненту В и установил с ним соединение.

Абоненты А и С вешают трубки.

9.2.23.2.6. Абонент снимает трубку и, после получения сигнала ОС, набирает:

* * 7.

Проверить, что абонент А послал вызов абоненту Д и установил с ним соединение.

Абоненты А и Д вешают трубки.

9.2.23.2.7. Абонент А снимает трубку и после сигнала ОС набирает:

* # 51 * 5* Нв #,

или

* # 51 * 6*  Нс #,

или

* # 51 * 7*  Нд #.

Проверить, что абонент А получает сигнал ОС.

Абонент А вешает трубку.

Проверить тарификацию за процедуру.

9.2.23.2.8. Абонент А снимает трубку и, после получения сигнала ОС, набирает:

# 51 * 5 #.

Проверить, что абонент А получил сигнал ОС.

Абонент А вешает трубку.

Проверить осуществление тарификации за процедуру.

9.2.23.2.9. Абонент А снимает трубку и, после получении сигнала ОС, набирает.

* * 5.

Проверить, что абонент А получает УКС.

Абонент А вешает трубку.

Проверить, что тарификация не осуществлена.

9.2.23.3. Испытание 2. Отсутствие необходимых свободных устройств или ввод ошибочной информации.

9.2.23.3.1. Выполнить п. 9.2.1.4.1.

9.2.23.3.2. Выполнить п. 9.2.23.2.1.

9.2.23.3.3. Проверить, что абонент А получает сигнал З-П.

Абонент А вешает трубку.

Проверить, что тарификация за услугу не производилась.

9.2.23.4. Испытание 7. Абонент А не имеет права на пользование услугой.

9.2.23.4.1. Выполнить п. 9.2.1.10.1.

9.2.23.4.2. Выполнить п. 9.2.23.2.1.

Проверить, что абоненту А посылается УКС.

Абонент А вешает трубку.

Проверить, что тарификация не осуществлена.

Услуга считается выдержавшей испытание, если все проверки, изложенные выше, закончились с положительным результатом.

9.2.24. Соединение без набора номера (прямой вызов). Код 53.

9.2.24.1. Начальные условия.

С помощью языка MML ввести категорию абонента на право пользования данной услугой.

Пять телефонных аппаратов (один с ННЧ).

9.2.24.2. Испытание 1. Заказ, пользование, проверка, отмена и тарификация процедур.

9.2.24.2.1. Абонент А снимает трубку и, после получения сигнала ОС, набирает:

* 53 * На #.

Проверить, что абонент А получил сигнал ОС.

Абонент А вешает трубку.

Проверить тарификацию за заказ услуги.

9.2.24.2.2. Абонент А снимает трубку и получает сигнал ОС.

Проверить, что через 5 с линия абонента А соединяется с линией абонента В.

Абоненту В посылается сигнал вызова, а абонент А получает КПВ.

Абонент В снимает трубку.

Между ними устанавливается разговорный тракт.

Абоненты А и В вешают трубки.

9.2.24.2.3. Абонент А снимает трубку и, после получении сигнала ОС, набирает номер абонента С.

Проверить, что между абонентами А и С установился разговорный тракт.

Абоненты А и С вешают трубки.

9.2.24.2.4. Абонент А снимает трубку, получает сигнал ОС и ждет 4 - 6 сек.

Проверить, что посылается сигнал вызова к абоненту В, абоненту А подается КПВ.

Абонент В не отвечает.

Абонент А вешает трубку.

9.2.24.2.5. Абонент В устанавливает соединение с абонентом С.

Абонент А снимает трубку и ждет установления соединения с абонентом В.

Проверить, что абонент А получает ОС.

Абонент А вешает трубку.

9.2.24.2.6. Абонент А снимает трубку и, после получении сигнала ос, набирает:

* # 53 * Нв #.

Проверить, что абонент А получает сигнал ОС.

Абонент А вешает трубку.

Проверить тарификацию процедуры.

9.2.24.2.7. Абонент А снимает трубку и, после получения сигнала ОС, набирает:

* 53 *8 ABC Нд #,

где нд - код направления.

Проверить, что абонент А получает сигнал ОС.

Абонент А вешает трубку.

Проверить осуществление тарификации заказа услуг.

9.2.24.2.8. Абонент А снимает трубку, получает сигнал ОС и ждет установления соединения с абонентом Д.

Проверить, что абоненту Д посылается сигнал вызова, а абонент А слышит КПВ.

Абонент Д снимает трубку.

Проверить, что между абонентами А и Д установился разговорный тракт.

Абоненты А и Д вешают трубки.

9.2.24.2.9. Абонент А снимает трубку, получает сигнал ОС и ждет 4 - 6 сек.

Проверить, что абоненту Д посылается сигнал вызова, а абоненту А подается КПВ.

Абонент Д не отвечает.

Абонент А вешает трубку.

9.2.24.2.10. Абонент Д устанавливает соединение с абонентом С.

Абонент А снимает трубку и ждет установления соединения с абонентом Д.

Проверить, что абонент А получает СЗ.

Абонент А вешает трубку.

9.2.24.2.11. Абонент А снимает трубку и, после получения сигнала ОС, набирает:

* 53 * 8 10 ABC He #,

где ABC - код направления.

Проверить, что абонент А получает сигнал ОС.

Абонент А вешает трубку.

Проверить осуществление тарификации заказа.

9.2.24.2.12. Абонент А снимает трубку, получает сигнал ОС и ждет установления соединения с абонентом Е.

Проверить, что абоненту Е посылается сигнал вызова, а абонент А слышит КПВ.

Абонент Е снимает трубку.

Проверить, что между абонентами А и Е установится разговорный тракт.

Абоненты А и Е вешают трубки.

9.2.24.2.13. Абонент Е устанавливает соединение с абонентом С.

Абонент А снимает трубку и ждет установления соединения с абонентом Е.

Проверить, что абонент А получает СЗ.

Абонент А вешает трубку.

9.2.24.2.14. Абонент А снимает трубку и, после получения сигнала ОС, набирает:

* # 53* 8 10 ABC He #.

Проверить, что абонент А получает сигнал ОС.

Абонент А вешает трубку.

Проверить тарификацию процедуры.

9.2.24.2.15. Абонент А снимает трубку и, после получения сигнала ОС, набирает:

# 53 #.

Проверить, что абонент А получает сигнал ОС.

Абонент А вешает трубку.

Проверить тарификацию за процедуру.

9.2.24.2.16. Абонент А снимает трубку, получает сигнал ОС и ждет 10 сек.

Проверить, что сигнал ОС поступает в течение 10 сек.

Абонент А вешает трубку.

9.2.24.3. Испытание 2. Отсутствие необходимых устройств или ввод ошибочной информации.

9.2.24.3.1. Выполнить п. 9.2.1.4.1.

9.2.24.3.2. Абонент А снимает трубку и, после получения сигнала ОС, набирает:

* 53 * Нв #.

9.2.24.3.3. Проверить, что абонент А получает сигнал З-П. Абонент А вешает трубку.

Проверить, что тарификация не произведена.

9.2.24.4. Испытание 3. Абонент А является абонентом УПАТС или ЦЕНТРЕКСа.

9.2.24.4.1. Абонент А снимает трубку и, после получения сигнала ос, набирает:

* 53 * И Нв #,

где И - индекс выхода на сеть.

Проверить, что абонент А получает сигнал ОС.

Абонент А вешает трубку.

Проверить тарификацию процедуры заказа.

9.2.24.4.2. Выполнить пп. 9.2.24.2.2 - 9.2.24.2.6.

9.2.24.4.3. Абонент А снимает трубку и, после получения сигнала ОС, набирает:

* 53 * И 8 АВС Нд #,

где И - индекс выхода на сеть.

ABC - код направления.

Проверить, что абонент А получает сигнал ОС.

Абонент А вешает трубку.

Проверить осуществление тарификации заказа.

9.2.24.4.4. Выполнить пп. 9.2.24.2.8 - 9.2.24.2.10.

9.2.24.4.5. Абонент А снимает трубку и, после получения сигнала ОС, набирает:

* 53 *И 8 10 АВС Не #,

где И - индекс выхода на сеть.

ABC - код направления.

Проверить, что абонент А получает сигнал ОС.

Абонент А вешает трубку.

Проверять осуществление тарификации заказа.

9.2.24.4.6. Выполнить п.п. 9.2.24.2.12 - 9.2.24.2.15.

9.2.24.4.7. Выполнить п.п. 9.2.24.3.1 - 9.2.24.3.3.

9.2.24.5. Испытание 4. Абонент А не имеет права пользоваться услугой.

9.2.24.6.1. Выполнить п. 9.2.1.10.1.

9.2.24.6.2. Выполнить п. 9.2.24.2.1.

Проверить, что абонент А получает УКС.

Абонент А вешает трубку.

Услуга считается выдержавшей испытание, если все проверки, изложенные выше, закончились с положительным результатом.

9.2.25. Автоматическая побудка. Код 55 - для разового пользования, код 56 - для многократного пользования.

9.2.25.1. Начальные условия.

С помощью языка MML ввести категорию абонента на право пользования услугой с телефонных аппаратов с ННЧ. Допускается предоставление права на услугу всем абонентам на услугу без введения специальной категории.

9.2.25.2. Испытание 1. Заказ, пользование, проверка, отмена и тарификация процедур.

9.2.25.2.1. Абонент А снимает трубку и, после получения сигнала ОС, набирает:

* 55 * ЧЧММ #,

где ЧЧММ - время побудки.

Проверить, что абонент А получает сигнал ОС.

Абонент А вешает трубку.

Проверить осуществление тарификации за заказ.

9.2.25.2.2. Время ЧЧММ.

Проверить, что абоненту А посылается сигнал вызова. Длительность посылки вызова ограничена по сравнению с обычной.

9.2.25.2.3. Абонент А ответил.

Проверить, что абонент А слышит сигнал ОС или фразу автоинформатора.

Абонент А повесил трубку.

9.2.25.2.4. Абонент А снимает трубку и, после получения сигнала ОС, набирает:

* # 55 * ЧЧММ #.

Проверить, что абонент А получает сигнал ОС.

Абонент А вешает трубку.

Проверить тарификацию процедуры.

9.2.25.2.5. Выполнить п.п. 9.2.25.2.1 и 9.2.25.2.2.

9.2.25.2.6. Абонент А не отвечает.

Проверить, что через 5 мин снова посылается сигнал вызова.

Абонент А не отвечает.

Проверить распечатку сообщения, указывающего, что заявка на побудку отменена и по какой причине.

9.2.25.2.7. Выполнить п. 9.2.25.2.1.

9.2.25.2.8. Абонент А вызывает абонента В и устанавливает с ним соединение.

Время побудки истекло, включая вторую побудку.

Абонент А занят разговором с абонентом В.

Проверить распечатку сообщения, указывающего, что заявка не отменена и по какой причине.

9.2.25.2.9. Выполнить п. 9.2.25.2.1.

9.2.25.2.10. Абонент А снимает трубку и, после получения сигнала ОС, набирает:

# 55 * ЧЧММ #.

Проверить, что абонент А получил сигнал ОС.

Абонент А вешает трубку.

Проверить осуществление тарификации за процедуру.

9.2.25.2.11. Время ЧЧММ

Проверять, что абоненту А не посылается сигнал вызова.

9.2.25.3. Испытание 2. Многократное пользование услугой.

9.2.25.3.1. Абонент А снимает телефонную трубку и после получения сигнала ОС набирает:

* 56 * ЧЧММ #.

Проверить, что абонент А получает сигнал ОС.

Абонент А вешает трубку.

Проварить тарификацию процедуры.

9.2.25.3.2. Время ЧЧММ.

Проверить, что абоненту А посылается сигнал вызова.

9.2.25.3.3. Выполнить п. 9.2.25.2.3.

9.2.25.3.4. Время ЧЧММ + 24 часа.

Проверить, что абоненту А посылается сигнал вызова.

9.2.25.3.5. Абонент А снимает трубку и, после получения сигнала ОС набирает:

# 56 * ЧЧММ #.

Проверить, что абонент А получил сигнал ОС.

Абонент А вешает трубку.

Проверять осуществление тарификации за процедуру.

9.2.25.3.6. Выполнить п. 9.2.25.2.11.

9.2.25.4. Испытание 3. Отсутствие необходимых свободных устройств или ввод ошибочной информации.

9.2.25.4.1. Выполнить п. 9.2.14.1.

9.2.25.4.2. Выполнить п. 9.2.25.2.1

9.2.25.4.3. Проверить, что абонент А получает сигнал З-П.

Абонент А вешает трубку.

Проверить, что тарификация не произведена.

9.2.25.5. Испытание 4. У абонента А нет права на пользование услугой.

9.2.25.5.1. Выполнить п. 9.2.1.10.1.

9.2.25.5.2. Абонент А снимает трубку и, после получения сигнала ОС, набирает:

* 55 * ЧЧММ #.

Проверить, что абонент А получил УКС.

Абонент А вешает трубку.

Услуга считается выдержавшей испытание, если все проверки, изложенные выше, закончились с положительным результатом.

9.2.26. Определения номера вызывающего абонента на АТС.

9.2.26.1. Начальные условия.

С помощью языка MML ввести категорию абонента на право пользования услугой.

Два телефонных аппарата с ННЧ.

9.2.26.2. Испытание 1. Пользование услугой.

9.2.26.2.1. Абонент А вызывает абонента В и устанавливает с ним соединение.

Абонент В нажимает кнопку R и после сигнала ОС набирает:

* 39 #.

Проверить, что распечатался номер абонента А.

Абоненты А и В вешают трубки.

Проверить тарификацию за пользование услугой.

9.2.26.2.2. Абонент А вызывает абонента В и устанавливает с ним соединение.

Абонент А повесил трубку.

Абонент В нажимает кнопку R и после сигнала ОС набирает:

* 39 #.

Проверить, что на распечатке есть номер абонента А.

Абонент А вешает трубку.

Проверить тарификацию за пользование услугой.

9.2.26.2.3. Абонент А вызывает абонента В и устанавливает с ним соединение.

Абонент А вешает трубку.

Абонент В задерживает подачу отбои на 20 сек, получая сз.

Проверить прекращение подачи СЗ.

Проверить, что на распечатке есть номер абонента А.

Абонент В вешает трубку.

9.2.26.2.4. Абонент A вызывает абонента В и устанавливает с ним соединение.

Абонент В нажимает кнопку R и после сигнала ОС, при наборе кода услуги вводит ошибочную информацию.

Проверить, что абонент А получает сигнал З-П.

Абонент А вешает трубку.

9.2.26.4. Все испытания провести для входящих вызовов внутренних, местных, междугородных и от таксофона.

Услуга считается выдержавшей испытание, если все проверки, изложенные выше, закончились с положительным результатом.

9.2.27. Проведение испытаний ДВО с ОАТУ с импульсным набором номера.

9.2.27.1. Выполнить пункты 9.2.1 - 9.2.26 настоящей методики. При выполнении процедур заказа, пользования и отмены руководствоваться таблицей 1 «Перечень схем процедур управления дополнительными услугами» (Приложение 2). С ОАТУ с ННИ не производится проверка заказа услуги.

9.2.28. Объем предоставления услуг.

9.2.28.1. Начальные условия.

С помощью языка MML определить группу абонентов на предоставление услуг (до 5 % от емкости станции).

9.2.28.2. Испытание 1. Определение % абонентов, которым может быть предоставлены услуги.

9.2.28.2.1. Группа из 500 абонентов заказывает услуги.

Проверить, что у всех абонентов приняты заказы на предоставление услуг.

9.2.28.2.2. 501 абонент заказывает услугу.

Проверить, что абоненту подается сигнал З-П.

Абонент вешает трубку.

Проверить, что тарификация не произведена.

9.2.28.3. Испытание 2. Максимальная доля абонентов, одновременно использующих услугу.

9.2.28.3.1. Группа абонентов заказывает услугу.

Проверить, что у всех абонентов принят заказ и произведена тарификация.

9.2.28.3.2. Абонент заказывает эту услугу.

Проверить, что абоненту поступает сигнал З-П.

Проверить, что тарификация не произведена.

9.2.29. Проверка совместимости ДВО.

9.2.29.1. Требования по совместимости услуг должны соответствовать таблице 1 (Приложение 3). По вертикали перечислены номера услуг указанные в «Программе испытаний», которые уже заказаны абонентом, а по горизонтали - номера услуг, которые абонент намеревается заказать. При этом «+» означает, чти заказ услуг возможен, а «-», что заказ услуги невозможен до отмены несовместимой с ней услуги.

9.2.29.2. При заказе услуги до отмены несовместимой услуги абоненту подается сигнал «ЗАНЯТО - ПЕРЕГРУЗКА».

9.2.29.3. Требования по совместимости услуг являются рекомендуемыми. Конкретные требования по совместимости услуг уточняется в ТУ на АТС.

9.2.30. Организация групп общих интересов (ГОИ).

9.2.30.1. Проверить возможность организации на АТС групп общих интересов. Проверка осуществляется следующим образом: абонентским комплектам А, В и С, имеющим полные списочные номера, с помощью административных процедур присвоить списочные номера ГОИ. Абонентскому комплекту А присвоить право на установление исходящих соединений из группы в общую сеть. Абонентским комплектам В и С права внешней связи не присваивается. Установить обычные соединения внутри группы ГОИ: между абонентами А и В (набором внутреннего сокращенного номера, напр. «1»), между В и С (набором номера «2») и между С и А набором цифры «3»). Цифры 1, 2 и 3 - это последние цифры полных номеров. Соединения должны нормально установиться.

9.2.30.2. Установить соединение к абоненту А по полному списочному номеру с аппарата абонента Д, не входящего в группу. Соединение должно пройти нормально. Сделать попытку установления соединения от абонента В по полному списочному номеру к абоненту D. Соединение не устанавливается. Абонент В слышит специальный акустический сигнал, информирующий о невозможности связи (рекомендуется указательный сигнал) или фразу автоинформатора.

9.2.30.3. Абонент А делает попытку установить с абонентом Д. Он набирает цифру «9» и полный номер абонента. Соединение должно нормально устанавливаться.

9.2.30.4. С аппарата абонента А установить междугородное соединение, для чего набрать индекс выхода из ГОИ - цифру «9», затем цифру «8», индекс выхода на АМТС с последующим набором номера. Соединение должно нормально установиться.

9.2.30.5. Проверить функционирование дополнительных услуг для абонентов ГОИ по методикам, изложенным в пунктах 2.9.2.1 - 2.9.2.29.

9.3. Обработка, анализ и оценка результатов.

9.3.1. Результаты проверок оформляются протоколом, в который заносятся следующий данные:

дата и место проведения испытаний,

фамилии участников испытаний,

объект, на котором проводились испытания,

пункт технических условий и методики испытаний,

полученные результаты,

причины, по которым не было проведено испытание какой-то услуги, если это имело место.

В протоколе должен быть сделан вывод о соответствии проверяемых дополнительных услуг требованиям технических условий и ОСТ 4549-95.

9.3.2. Если все испытания данной методики прошли успешно, то ДВО можно принять в эксплуатацию.

Приложение 1

Таблица 1

Перечень дополнительных услуг

Наименование услуг

Английское название услуг

1

Передача входящего вызова к другому абоненту

Absent subscriber service, immediate diversion to any number

2

Передачи вызовы в случае занятости вызываемого абонента

Diversion on busy fully subscriber controller to any number

3

Передача вызова оператору

Absent subscriber service, immediate diversion, to и manual answering service

4

Передача вызова на автоинформатор

Absent subscriber service, immediate diversion to an announcement selected from a number of predetermined announcements

5

Поисковая сигнализация

Automatic personal call

6

Ожидание с обратным вызовом

Completion call to busy subscriber service

7

Повторный вызов без набора номера

Recall

8

Соединение с абонентом по предварительному заказу

Call booking

9

Ввод, замена или отмена личного кода-пароля

Password input, change and cancel

10

Запрет некоторых видов исходящей связи

Restriction in outgoing direction

11

Исходящая связь по паролю

Outgoing connection on password

12

Временное избирательное ограничение входящей связи

Incoming connection temporary selective restriction

13

Запрет исходящей и входящей связи

Pare on

14

Временный запрет входящей связи (телефонная пауза)

Do not disturb

15

Передача соединения другому абоненту

Three party service for enquiry with 3-way conversation

16

Конференц-связь по списку

Conference on listing

17

Конференц-связь с последовательным сбором участников

Conference call, separate number registration, sequential set-up

18

Уведомление о поступлении нового вызова

Call waiting indication controlled by the called subscriber, acceptance without clearing

19

Конференц-связь трех абонентов

Three-party conference, hold for enquiry with 3-way conversation

20

Наведение справки во время разговора

Three-party conference, hold for enquiry with 3-way conversation

21

Подключение к запитому абоненту с предупреждением о вмешательстве

Connection to busy subscriber with appointment

22

Отмена всех услуг

Cancel all services

23

Сокращенный набор абонентских номеров

Abbreviated dialed subscriber registration

24

Соединение без набора номера (прямой вызов)

Hot-line timeout connection fixed destination call, subscriber controlled with time-out

25

Автоматическая побудка

Alarm call service

26

Определения номера вызывающего абонента на АТС

Malicious call identification, request for identification during call by means of register recall procedure

Приложение 2

Таблица 1

Перечень схем процедур управления ДВО с ОАТУ с импульсным набором номера

Наименование услуги

Заказ

Отмена

Пользование

1

Передача входящего вызова и другому абоненту

а 21 Н

а 021

-

2

Передача вызова в случае занятости абонента

а 22 Н

а 022

-

3

Передача вызова оператору

а 23

а 023

-

4

Передача вызова на автоинформатор

а 24 К

а 024

-

5

Поисковая сигнализация

а 25

а 025

а 25 Н

6

Ожидание с обратным вызовом

1 ОС а37

а 037

ПВ ОТВЕТ

7

Повторный вызов без набора номера

1 ОС а36

а 036

соединение устанавливается через 5 с после ЗАЛ

8

Соединение с абонентом по предварительному заказу

А58НЧЧММ

а 058

-

9

Личный код-пароль

 

 

 

9.1

Ввод и отмена личного кода-пароля

а 29К-П

а 029К-П

с другими услугами

9.2

Замена кода-пароля

а 30К-П

а 029К-П

с другими услугами

10

Запрет некоторых видов исходящей связи

К = 1 - запрет международной связи

К = 2 - запрет международной и междугородной связи

К = 3 - запрет международной, междугородной связи и связи с платными службами

а 34К-П К

а 034К-П

-

11

Предоставление исходящей (междугородной связи) по паролю

-

-

а 32К-П ОС 8-АВСавХХХXX

12

Временное избирательное ограничение входящей связи

а 35К-ПН

а 035К-П

-

13

Запрет исходящей и входящей связи, кроме связи с экстренными службами

а 31К-П

а 031К-П.

-

14

Временный запрет входящей связи

а 26К-П (ЧЧММ)

а 026К-П

-

15

Передача соединения другому абоненту

Варианты процедур

 

 

 

 

а) Разговор А - В

разговор В - С, А - ожидание

разговор А - С, В - отключается

 

 

1в ОС Нс

1в ОС 4

 

б) Разговор А - В

разговор В - С

разговор А - В, С отключается

 

 

1в ОС Нс

1в ОС 1

1в ОС 1

 

в) разговор А - В занято или КПВ

разговор А - В

 

 

1в ОС 1

16

Конференц-связь по списку

а 70 Нс

а 070Нс

а 76 К-С

 

1. Ввод, дополнение и замена в списке (К - номер абонента в списке)

а 11НспК

 

 

 

2. Исключение из списка

а 12НспК

 

 

 

3. Подключение дополнительного участника

1 ОС а 13 Н

 

 

 

4. Отключение дополнительного участника

1 ОС а 14 Н

 

 

17

Конференц-связь с последовательным сбором участников

а 71 ТН1 ТН2… Т(5-6с)

 

 

18

Уведомление о поступлении нового вызова

Исходное состояние:

а 43

а 043

-

 

разговор А - В, сигнал уведомления

Варианты процедур:

 

 

1 ОС 2

 

а) разговор А - С, В ждет разговор А - В, С отключается или ждет

 

 

1 ОС 1

 

б) разговор А - С, В - отключается

 

 

1 ОС 2

19

Конференц-связь трех абонентов.

Варианты процедур:

а) разговор А - В

б) разговор А - С, В - ожидает

в) разговор А - В - С

 

 

1 ОС Нс

1 ОС 3

20

Наведение справки во время разговора.

Варианты процедур:

 

 

 

 

а) разговор А - В

разговор А - С, В - ожидает

разговор А - В, С - отключается

 

 

1 ОС Нс

1 ОС 1

 

б) разговор А - С, В - ожидает

разговор А - В, С ожидает

 

 

1 ОС Нс

1 ОС 2

21

Подключение к занятому абоненту с предупреждением о вмешательстве

 

 

СЗ 1 ОС 4 45 разговор

22

Отмена всех услуг

 

 

а 50 К-П

23

Сокращенный набор абонентских номеров

а 51СН Н

а 051 СН

СН

24

Прямая связь

а 53 Н

а 053

Соединение устанавливается автоматически через 5 с после ЗАЛ

25

Автоматическая побудка

а 55ЧЧММ

А055ЧЧММ

ПВ в указанное время, ответ, слушание сигнала (фразы), ОАЛ

26

Определение номера вызывающего абонента на АТС

Варианты процедуры:

Разговор А - В или задержка ОАЛ

 

 

1 ОС а 39

Приложение 3

Таблица 1

Приложение 4

Список сокращений

АЛ- абонентская линия

АТС - автоматическая телефонная станция

ДВО - дополнительные виды обслуживания

ЗАЛ - занятие абонентской линии

З-П - сигнал «ЗАНЯТО-ПЕРЕГРУЗКА»

К - в услуге «ПЕРЕДАЧА ВЫЗОВА НА АВТОИНФОРМАТОР» номер фразы, которую выбирает абонент при заказе услуги;

- в услуге «КОНФЕРЕНЦ-СВЯЗЬ ПО СПИСКУ» - номер абонента в списке

К-П - код-пароль (двух- четырехзначный номер), используемый в услугах, ограничивающих пользование основными видами связи

КПВ - сигнал «КОНТРОЛЬ ПОСЫЛКИ ВЫЗОВА»

Н - полный местный или междугородный номер абонента

Нсп - номер списка при пользовании услугой «КОНФЕРЕНЦ-СВЯЗЬ ПО СПИСКУ»

ННИ - номеронабиратель импульсный

ННЧ - номеронабиратель частотный

ОАТУ - оконечное абонентское телефонное устройство

ОАЛ - освобождение абонентской линии

ОС - сигнал «ОТВЕТ СТАНЦИИ»

ПВ - сигнал «ПОСЫЛКА ВЫЗОВА»

СЗ - сигнал «ЗАНЯТО»

СН - сокращенный номер, набираемый вместо полного номера абонента

Т - тиккер

УКС - указательный сигнал

ЧЧММ - время ЧЧ - часы, ММ - минуты. Для обозначения часов используются двузначные числа от 00 до 23 (число 24 и более не допускаются). Для минут используются числа от 00 до 59 (числа 60 и более не допускаются).

6.10. ТИПОВАЯ МЕТОДИКА ПРОВЕРКИ КОМПЛЕКТА ДОКУМЕНТАЦИИ

6.10. Типовая методика проверки комплекта документации

6.10.1. Проверка состава документации проводится путем сличения предоставляемой документации на соответствие требованиям ТУ и контракту, если в нем указаны дополнительные требования на документацию.

6.10.2. Проверка содержимого документации осуществляется по следующим аспектам.

- наличие документации на русском языке;

- наличие требуемых экземпляров комплекта документации;

- наличие документации на отдельное оборудование или программной обеспечение, поставляемое по контракту, но не входящее в стандартный комплект документации для пользователя;

- выполнение требований ТУ по содержанию документации и по носителям информации документов.

6.11. ТИПОВАЯ МЕТОДИКА ПРОВЕРКИ ЗИП, ИНСТРУМЕНТОВ, ИЗМЕРИТЕЛЬНО-ИСПЫТАТЕЛЬНОЙ АППАРАТУРЫ, ПРИБОРОВ, ПРИСПОСОБЛЕНИЙ И РАСХОДНЫХ МАТЕРИАЛОВ

6.11.1. Проверка наличия запасных частей, инструментов, измерительно-испытательной аппаратуры, приборов, приспособлений и расходных материалов производится сличением поставленного оборудования и материалов с соответствующими спецификациями контракта. Одновременно визуально оценивается состояние проверяемого оборудования и его упаковки, а при необходимости проверяется срок годности.

6.11.2. Функциональная проверка запасных частей, инструментов, измерительно-испытательной аппаратуры, приборов и приспособлений производится в 100 % объеме путем установки их на рабочие места и проверки их в рабочих режимах.

6.12. ТИПОВАЯ МЕТОДИКА ПРОВЕРКИ СТАБИЛЬНОСТИ ФУНКЦИОНИРОВАНИЯ СТАНЦИИ (СФС) ПЕРЕД ВВОДОМ В ЭКСПЛУАТАЦИЮ

6.12.1. Стабильность функционирования проверяется на каждом пусковом объекте. Эта проверка является заключительным этапом работы комиссии по приемке станции в эксплуатацию. Целью проверки СФС является контроль общего состояния станции и готовности пуско-наладочных работ для определения возможности ввода станции в эксплуатацию.

6.12.2. Проверка СФС проводится в обычных рабочих условиях на станции при напряжении станционной батареи и климатических условиях, соответствующих постоянному режиму, согласно техническим условиям на оборудование комплекса.

6.12.3. Методика проверки основана на проведении контрольных вызовов автоматическими средствами. Контрольные вызовы должны охватывать основные виды связи в пределах предъявленной к сдаче системы, включая опорную станцию, узловое оборудование, концентраторы (на опорной АТС и удаленные …), а также другие однотипные станции, если они принимаются одновременно. Количество контрольных вызовов на трехсуточный цикл должно быть не менее 100´N, где N - абонентская емкость АТС.

6.12.4. Контрольные вызовы проводятся с помощью имитаторов телефонной нагрузки типа «Минисимат», «Эрат», «Америтек» и др. типов, каждый из которых позволяет устанавливать, в зависимости от типа, одновременно N´2 контролируемых соединений. Производительность указанных имитаторов составляет от 2 до 5 тысяч вызовов в час в зависимости от заданных временных параметров и вида набора номера (импульсного или частотного).

6.12.5. Структурные схемы испытания и включения имитаторов должны быть осуществлены таким образом, чтобы проверкой были охвачены:

- внутренние связи станции и концентраторов;

- взаимные связи между станцией и концентраторами по принципу «каждый с каждым» в обоих направлениях;

- транзитные соединения, коммутируемые предъявленным к сдаче узловым оборудованием и созданные путем «заворотов» (замыкания исходящих СЛ на входящие).

Для организации указанных связей рекомендуется устанавливать два имитатора на опорной станции и по одному на каждом объекте, содержащем концентраторы.

6.12.6. В целях проверки обоих типов набора номера рекомендуется одни имитаторы программировать на импульсный, а другие на частотный набор (примерно, по 50 % того или другого вида).

Для обеспечения связей, согласно требуемым по п. 6.12.5 структурной схемы, рекомендуется для программирования каждого из используемых имитаторов составлять таблицы по следующей форме:

Таблица 1

№№ линий имитатора

№№ абонентов А

№№ абонентов В

Направление связи

1

 

 

Внутренняя связь

2

 

 

От ... к … и т.д.

 

 

 

16

 

 

 

6.12.7. Параметры имитаторов, используемые для проведения проверки СФС (применительно к имитатору типа «Эрат») представлены в табл. 2.

Таблица 2

Параметры ERATa для проведения проверки СФС

RUM = AUT, PAR, FIX, FAU                       - режим работы

KEL = SIM                                                    - способ отбоя

СHR = МRT                                                  - имп. тариф.

LEV = MIN                                                    - уровень 700 ГЦ

Т1М01 = 0,7 КПВ                                         - мин. длит. КПВ

Т1М02 = 1,3                                                  - макс. длит. КПВ

Т1М03 = 3,4                                                  - мин. длит. паузы

Т1М04 = 4,6                                                  - макс. длит. паузы

TIM05 = 0,6 вызов                                       - мин. длит. звонка

Т1М06 = 1,4                                                  - макс. длит. звонка

TIM07 = 3,4                                                   - мин. длит. паузы

Т1М08 = 4,6                                                  - макс. длит. паузы

TIM09 = 0,1 занято                                       - мин. длит. зум. зан.

ТIM10 = 0,6                                                   - макс. длит. зум. зан.

TIM11 = 3,0 ответ                                        - 1-я зад. ответа АТС

TIM12 = 7,0                                                   - 2-я зад. ответа АТС

TIM13 = 1,0                                                   - распозн. отв. АТС

TIM14 = 1,0                                                   - распозн. отв. АМТС

TIM15 = 0,0                                                   - задержка анализа

TIM16 = 0,0 запуски                                     - интервал запуска сосед. линии

TIM17 = 3,0                                                   - интервал по данной линии

TIM18 = 2,0 700 Гц                                      - задержка сигнала от В

TIM19 = 0.5                                                   - время передачи от В к А

TIM20 = 1,0                                                   - мин. задержка тариф. имп.

TIM21 = 1                                                      - время разговора

TIM22 = 10                                                    - макс. зад. ответа АТС

TIM23 = 30                                                    - макс. зад. КПВ

TIM24 = 5                                                      - макс. зад. реакции В на А

TIM25 = 5                                                      - макс. длит. ожид. отбоя

TIM26 = 420                                                  - межсерийный интервал

TIM27 = 60                                                    - декад. пауза

TIM28 = 40                                                    - декад. импульс

TIM29 = 50                                                    - частотная посылка

TIM30 = 50                                                    - пауза

TIM31 = 100                                                  - мин. длит. тариф. имп.

TIM32 = 200                                                  - макс. длит. тариф. имп.

CTR = DIT, NAT, DID, RBT, TRA               - контр. и упр. соединением

NCC = 4000, 255                                          - кол. вызовов и циклов

CAM = DIR                                                   - прохождение вызова

APY01 = PBD (25 %) и RTD                        - кат. аб. А

APY16 = PBD (25 %) и RTD

BРY01 = *******, 0, 0, 0                             - номер аб. В, инт. и зад. тариф посылок

BPY16 = *******, 0, 0, 0

FTR = DET=ПЕТ                                           - форма таб. рез.

ROB = LST, 2-LST.2                                     - реж. раб. В

SDM = 00H00M                                            - время отлож. запуска ччНммМ

СРТ01 = 250                                                 - макс. кол. ош. одного типа

СРT02 = 250                                                 - макс. кол. ош. одного типа

СРТ03 = 5                                                     - макс. кол. перезап. ЭРАТа

СРТ04 = 250                                                 - макс кол. послед. одинак.

СРТ05 = 3                                                     - макс. кол. посылок вызова

DAT = SA 13 02 93 (пример)                       - дата (MG, TU, ME, TH, FR, SA, SU)

HOR = 10H16M05S (пример)                      - время

6.12.8. Процедура проведения проверки СФС содержит следующие этапы и наблюдения.

- производится предварительная проверка работоспособности всех установленных помощью имитаторов связей;

- проверяется состояние всех видов оборудования станции для подтверждения того, что все предъявленные устройства включены и готовы к испытанию, в том числе:

- ЭВМ управляющего комплекса - директивой....................................................... ;

- телефонное периферийное оборудования, включая концентраторы и системы ИКМ - директивами     ;

- фиксируется состояние счетчиков числа занятий и учета ошибок оборудования директивой    ;

- запускаются все подготовленные по п. 5 имитаторы телефонной загрузки;

- через 1 час после запуска снимается показания счетчиков станционной статистики по количеству обработанных вызовов по всем предусмотренным видам связи и количество ошибок, одновременно с промежуточными данными по «Эратам» (таблицы PRT, SUM; PRT, CUM;). Сопоставляются данные станционной статистики и «Эрат». В дальнейшем показания счетчиков «Эрат» и рапорты станционной статистики фиксируются два раза в сутки и после окончания проверки;

- ведется наблюдение за системным телетайпом и в журнале испытания отмечаются все сообщения высшей срочности аварийности (!!!);

- после окончания проверки повторно проверяется состояние телефонного оборудования, включая комплекты РСЛ, каналы ИКМ и отмечаются приборы и устройства, отключившиеся или заблокировавшиеся в процессе испытания.

6.12.9. В течение трехсуточного периода проверки СФС не допускаются какие-либо вмешательства в работу станции, как в аппаратные средства (запрещается замена ТЭЗов), так и в программные (запрещаются директивы, влияющие на конфигурацию системы и управление ею). Допускается проведение директив информационного характера (например,.... и.п.).

6.12.10. Во время проведения проверки СФС ведется журнал испытания, в котором отмечаются все этапы и происшествия. По окончанию испытания к журналу прилагаются распечатки системного телетайпа и имитаторов телефонной нагрузки.

6.12.11. Результаты проверки СФС считаются положительными, если в течение непрерывного трехсуточного периода:

- произведено не менее 100´N контрольных вызовов на АТС емкостью N номеров с коэффициентом ошибок не более 0,1 % при соединениях в пределах одной системы (управляемых одним и тем же УК) и не более 0,2 % при соединениях, проходящих через две независимые системы (управляемые разными УК);

Примечание. Связь со станциями других систем (существующими АТС координатных и д/ш систем) проверяется отдельно ручными контрольными вызовами (см. п. 6.13).

- не было полных остановов или других серьезных аварийных ситуаций (например, повреждение плат, блокировка оборудования или любые другие происшествия, требующие вмешательства обслуживающего персонала). Допускается появление одного симплексного останова или другой аварийной ситуации, если система автоматически смогла произвести перезапуск остановившегося устройства без последствий для качества обработки вызовов.

6.12.12. Если условия п. 6.12.11 оказались не выполненными, то полученные результаты отменяются, и производится повторная попытка проведения проверки СФС по процедуре п. 6.12.8, с такими же критериями оценки, как указано в п. 6.12.11.

Если повторная проверка не даст положительного результата, то приемка станции приостанавливается, изготовитель совместно с монтажной организацией проводят необходимые мероприятия, после которых станция предъявляется заказчику вторично.

6.12.13. При любых результатах (положительных или отрицательных) составляется протокол испытания СФС, отражающий полученные данные, критерии оценки и выводы.

6.12.14. По результатам проверки составляется таблица по следующей форме, которая прилагается к протоколу:

Таблица 2

Сводка результатов на 72 час непрерывной работы станции

____________________________________________________

(время и дата начала и окончания испытаний)

Тип вызова

Внутренняя связь

Декадный обмен по СЛ

Многочастотный обмен по СЛ

Итого за 72 час

Внутренняя связь

-

-

Исходящая связь

-

Входящая связь

Транзитная связь

-

Всего

Число ошибок

Потери %

6.13. ТИПОВАЯ МЕТОДИКА ПРОВЕРКИ КАЧЕСТВА ОБСЛУЖИВАНИЯ ВЫЗОВОВ МЕТОДОМ РУЧНЫХ КОНТРОЛЬНЫХ ВЫЗОВОВ

6.13.1. Ручные контрольные вызовы выполняются с помощью телефонных аппаратов, одновременно, не менее чем с 10 вызывающих ТА и такого же количества вызываемых. Операторы должны выполнять набор номера, контролировать прохождение акустических и вызывных сигналов на различных этапах соединения, наличие и качество разговорного тракта (по субъективной оценке), следить за правильностью отбоя и разъединения после разговора (при различном порядке аб. А и Б).

Особое внимания должно быть обращено на случаи неполучения сигнала ОТВЕТ СТАНЦИИ, безотбойности и «зависания» соединения без сигналов. Количество вызовов и все случаи отклонения от нормы должны фиксироваться каждым оператором.

6.13.2. Перед началом контрольных вызовов (КВ) составляется план проведения КВ. Операторам выдаются карточки - «шахматки» для учета KB и фиксации обнаруженных ошибок по единому для всех операторов коду. Результаты KB сводятся в таблицу. Формы упомянутых документов прилагаются в табл. 2.

6.13.3. Ручные KB должны включать все виды связи, предусмотренные проектом:

- внутренняя связь;

- исходящая связь (местная);

- входящая связь (местная);

- исходящая к АМТС;

- связь к узлу спецслужб.

При этом должны быть охвачены все направления (маршруты), предусмотренные в проекте серийной АТС.

Ручные KB проводятся в несколько циклов в зависимости от объема проверок.

6.13.4. Каждое направление должно оцениваться коэффициентом непрохождений:

где

Н - количество непрохождений соединений;

С - количество контрольных вызовов.

6.13.5. Количество вызовов, необходимой для достоверной оценки обслуживания абонентов в направлении связи, должно быть не менее 50.

6.13.6. В периоды проведения циклов KB не допускается выполнение с пульта оператора или другими средствами каких-либо директив технического обслуживания (ТО) или «чисток» массивов ЗУ и деблокировок АЛ и СД. Одновременно с оценкой результатов контрольных вызовов должны рассматриваться распечатки сообщений техобслуживания. Нарушение прохождения программы или останов управляющего комплекса рассматриваются как полный отказ и браковка всего цикла КВ. После завершения цикла КВ соответствующими директивами техобслуживания должно быть проверено состояние комплектов СЛ. Заблокировавшиеся комплекты рассматриваются как непрохождения (ошибки), отнесенные к общему количеству вызовов цикла.

6.13.7. Оценка результатов KB.

6.13.7.1. В результате контрольных вызовов подсчитывается основной показатель качества обслуживания вызовов Кн и заносится в таблицу результатов проведения КВ.

Результаты КВ не должны быть хуже нормы потерь по вызовам, принятым на конкретной сети (в среднем на уровне 1,5 - 2).

Согласно общероссийскому нормативному документу ВНТП-112-92 нормы на телефонные потери по вызовам от абонента до абонента (по сети) при местной связи в ЧНН:

для ГТС - не более 3 %;

для СТС - не более 12 %.

Таблица 2

ПЛАН

проведения контрольных вызовов (ручные вызовы)

Наименование АТС

Дата

Операторы, линии

№ абонента А

Вид связи и направление

№ абонента В

Колич. вызовов

Примечания

1

 

 

 

 

 

2

 

 

 

 

 

3

 

 

 

 

-

Всего вызовов

Таблица 3

Входящая связь

Номер ТА вызывающего абонента №________________________________

Номер ТА вызываемого абонента №_________________________________

Время проведения контрольных вызовов:

Начало: __________ конец __________ дата _______________

Всего: вызовов ______________________________

непрохождений _______________________

Ф.и.о. оператора ____________________________

Исходящая связь

Тип встречной АТС________________________________________________

Номер ТА вызывающего абонента N _________________________________

Номер ТА вызываемого абонента N __________________________________

Время проведения контрольных вызовов:

Начало:_________ конец __________ дата _________

Всего: вызовов ____________________________

непрохождений ______________________

Ф.и.о. оператора.____________________________

Таблица 4

ПЕРЕЧЕНЬ характерных ошибок и их кодирование

1. Отсутствие зуммера готовности АТС

2. Отсутствие КПП после набора №

3. После набора номера вместо КПВ, зуммера готовности АТС

4. Зуммер ЗАНЯТО после снятия микротелефона

5. Зуммер ЗАНЯТО в ходе набора №

6. Зуммер ЗАНЯТО вместо КПВ после набора №

7. Зуммер ЗАНЯТО после 1-й (2-й) посылки КПВ

8. Нет сигнала после набора № (зависание)

9. Нет вызова при наличии КПВ

10. Преждевременный отбой от абонента В

11. Нет слышимости или односторонняя слышимость

12. Выход на другого абонента

13. Подключение к постороннему разговору (параллельное подключение)

14. Безотбойность (А или В)

15. Нарушение ритма КПВ

16. Нарушение ритма вызывного сигнала

17. Абонент В получил вызов, прослушивает зуммер занятости, соединения нет, абонент А слышит КПВ

18. Сигналы занятости на фоне разговора

19. Другие ошибки

Таблица 5

РЕЗУЛЬТАТЫ

проведения контрольных вызовов (ручные вызовы)

Наименование АТС ______________________  Дата ___________________

Показатели

Внутренняя связь

Исходящая связь

Входящая связь

***

Всего

Количество вызовов

 

 

 

 

 

Количество ошибок

 

 

 

 

 

Коэффициент непрохождения

 

 

 

 

 

Коды ошибок

 

 

 

 

 

6.14. ТИПОВАЯ МЕТОДИКА ПРОВЕРКИ ТРЕБОВАНИЙ К СИСТЕМЕ ОПЕРАТИВНО-РОЗЫСКНЫХ МЕРОПРИЯТИЙ (СОРМ)

(ОТДЕЛЬНЫЙ ДОКУМЕНТ)

6.15. ТИПОВАЯ МЕТОДИКА ПРОВЕРКИ ТРЕБОВАНИЙ К АТС В ЧАСТИ ФУНКЦИЙ ЦИФРОВОЙ СЕТИ ИНТЕГРАЛЬНОГО ОБСЛУЖИВАНИЯ (ISDN)

(ОТДЕЛЬНЫЙ ДОКУМЕНТ)

6.16. ТИПОВАЯ МЕТОДИКА ПРОВЕРКИ ТРЕБОВАНИЙ К СЕТИ И СИСТЕМЕ ОБЩЕКАНАЛЬНОЙ СИГНАЛИЗАЦИИ

(ОТДЕЛЬНЫЙ ДОКУМЕНТ)

 




ГОСТЫ, СТРОИТЕЛЬНЫЕ и ТЕХНИЧЕСКИЕ НОРМАТИВЫ.
Некоммерческая онлайн система, содержащая все Российские Госты, национальные Стандарты и нормативы.
В Системе содержится более 150000 файлов нормативно-технической документации, действующей на территории РФ.
Система предназначена для широкого круга инженерно-технических специалистов.

Рейтинг@Mail.ru Яндекс цитирования

Copyright © www.gostrf.com, 2008 - 2026