Крупнейшая бесплатная информационно-справочная система онлайн доступа к полному собранию технических нормативно-правовых актов РФ. Огромная база технических нормативов (более 150 тысяч документов) и полное собрание национальных стандартов, аутентичное официальной базе Госстандарта. GOSTRF.com - это более 1 Терабайта бесплатной технической информации для всех пользователей интернета. Все электронные копии представленных здесь документов могут распространяться без каких-либо ограничений. Поощряется распространение информации с этого сайта на любых других ресурсах. Каждый человек имеет право на неограниченный доступ к этим документам! Каждый человек имеет право на знание требований, изложенных в данных нормативно-правовых актах!

  


 

ГОСУДАРСТВЕННЫЙ СТАНДАРТ СОЮЗА ССР

МОНТАЖ ЭЛЕКТРИЧЕСКИЙ
РАДИОЭЛЕКТРОННОЙ АППАРАТУРЫ
И ПРИБОРОВ

ТЕХНИЧЕСКИЕ ТРЕБОВАНИЯ К МОНТАЖУ
СОЕДИНИТЕЛЕЙ 2РМ

ГОСТ 23590-79

ИПК ИЗДАТЕЛЬСТВО СТАНДАРТОВ

Москва

ГОСУДАРСТВЕННЫЙ СТАНДАРТ СОЮЗА ССР

МОНТАЖ ЭЛЕКТРИЧЕСКИЙ
РАДИОЭЛЕКТРОННОЙ АППАРАТУРЫ
И ПРИБОРОВ

Технические требования к монтажу соединителей 2РМ

Mounting of electric radioelectronic equipment and instruments. Technical requirements for mounting of connectors 2РM

ГОСТ
23590-79

Дата введения 01.07.80

1. Настоящий стандарт распространяется на электрический монтаж (далее - монтаж) радиоэлектронной аппаратуры и приборов.

Стандарт устанавливает требования к монтажу приборных частей электрических соединителей 2РМ.

Термины, примененные в стандарте, соответствуют ГОСТ 21962 и ГОСТ 14312.

2. Монтаж соединителей 2РМ должен производиться в соответствии с требованиями настоящего стандарта, нормативной документации (НД), конструкторской и технологической документации, утвержденной в установленном порядке.

3. Монтаж однотипных соединителей в изделии должен быть идентичным.

4. Для обеспечения идентичности монтажа соединителей следует изготовлять контрольный образец монтажа, утвержденный в установленном порядке.

Для опытных образцов изделий контрольные образцы монтажа не устанавливают.

5. Требования к монтажу приборных частей соединителей 2РМ, установленные настоящим стандартом, должны быть указаны в конструкторской документации.

Пример: «Технические требования к электромонтажу приборных частей соединителей 2РМ по ГОСТ 23590».

6. Дополнительные требования к монтажу соединителей, не снижающие его качество, должны указываться в конструкторской и технологической документации.

7. Площадь сечения проводов, подводимых к контакт-деталям (далее - контакт) соединителей 2РМ, не должна превышать площади сечения, установленной в технических условиях на соединители конкретных типов, и соответствовать указанным в табл. 1.

Таблица 1

Размеры в мм

Диаметр контакта

1,0

1,5

2,0

3,0

Диаметр отверстия контакта

2РМ

1,0

1,3

1,7

3,8

2РМД

 

2,2

4,9

Наибольшая площадь сечения припаиваемого провода, мм2

2РМ

0,5

1,0

1,5

6,0

2РМД

 

2,5

10,0

Длина паяной части провода

3,8 - 4,0

6,0 - 6,5

8. Если в одно отверстие контакта соединителя необходимо впаять несколько проводов меньшего сечения, то жилы всех проводов должны быть скручены вместе, а суммарный диаметр облуженных проводов должен быть меньше диаметра соответствующего отверстия в контакте соединителя.

9. Длина паяной части провода, входящего в отверстие крепежной части контакта, должна быть равна длине монтажной части внутренней полости контакта и соответствовать указанной в табл. 1 и на черт. 1.

10. При диаметре отверстия контакта свыше 2,0 мм, а также для проводов с полиэтиленовой изоляцией оголение провода от изоляции не должно быть более 3,0 мм.

11. При монтаже соединителей не допускается применять провода, у которых наружный диаметр по изоляции вместе с надеваемой на провод изоляционной трубкой больше, чем расстояние между осями контактов в соединителе.

12. Резервные контакты в соединителе необходимо запаять отрезками проводов одной из марок, которыми производится монтаж. Рекомендуемая длина проводов 40 - 100 мм.

13. Резервные контакты не следует запаивать в соединителях, заливаемых герметиком или работающих непродолжительное время (до 15 мин разового действия) при воздействии вибрации, соответствующей техническим условиям на соединители.

14. Концы резервных проводов следует заделать в общий жгут в соответствии с черт. 2 - 5.

1 - припой; 2 - жила; 3 - изоляционная трубка; 4 - провод; 5 - соединитель

Черт. 1

1 - жгут; 2 - изоляционная лента; 3 - резервные провода

Черт. 2

1 - жгут; 2 - нитяной бандаж; 3 - изоляционная трубка; 4 - провод

Черт. 3

1 - провод; 2 - нитяной бандаж

Черт. 4

1 - провод; 2 - изоляционная трубка

Черт. 5

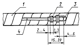
15. Провода, заделываемые в соединители, должны быть закреплены у корпуса соединителя с применением кронштейнов или на панели в соответствии с черт. 6.

16. Высота укладки проводов с полиэтиленовой и фторопластовой изоляцией не должна быть более 35 мм (черт. 7), с поливинилхлоридной изоляцией - не более 20 мм.

(Измененная редакция, Изм. № 2).

17. Укладка проводов с поливинилхлоридной изоляцией площадью сечения не более 0,20 мм2 должна соответствовать черт. 8.

18. Рихтовка проводов после пайки не допускается.

1 - жгут; 2 - изоляционная трубка; 3 - скоба; 4 - соединитель; 5 - панель

Черт. 6

1 - жгут; 2 - изоляционная трубка; 3 - скоба; 4 - соединитель; 5 - кронштейн

Черт. 7

1 - жгут; 2 - изоляционная трубка; 3 - скоба; 4 - соединитель; 5 - кронштейн

Черт. 8

19. Перемычки в соединителе, выполненные монтажным проводом, следует вводить петлей в жгут. Петли перемычек следует располагать ступенчато. Длина петли перемычки в этом случае не должна превышать 100 мм от крепления жгута у соединителя.

Необходимость введения перемычек петлей в жгут определяет разработчик конструкторской документации.

(Измененная редакция, Изм. № 2).

20. Перемычки выполняются в соответствии с черт. 9 только при заливке соединителей компаундом или герметиком. При этом петли должны быть минимального размера, позволяющего на контакты соединителя надеть изоляционные трубки.

1 - жгут; 2 - изоляционная трубка; 3 - скоба; 4 - соединитель; 5 - кронштейн; 6 - перемычка

Черт. 9

21. При большом количестве перемычек в соединителе и малом количестве цепей (до 10 цепей) перемычки следует вводить ступенчато в ствол жгута в соответствии с черт. 10. Длина части перемычки в стволе жгута не должна превышать 100 мм.

1 - соединитель; 2 - цепи жгута; 3 - перемычки; 4 - жгут; 5 - кронштейн

Черт. 10

22. Заливка или обволакивание монтажной части соединителя для защиты от пыли и влаги производится герметикой или компаундом в соответствии с черт. 11.

1 - первый слой герметика; 2 - второй слой герметика; 3 - изоляционная трубка

Черт. 11

23. Провода при монтаже не должны иметь повреждений (поджогов, надрезов) и других дефектов, снижающих механическую и электрическую прочность.

24. Провода к контактам соединителей должны подходить свободно без натяжения, быть отрихтованы и иметь запас по длине на перепайку в соответствии с требованием п. 38. При заливке компаундом запас может отсутствовать.

25. Зачистку проводов от изоляции следует производить на глубину отверстия контакта в соответствии с табл. 2.

Таблица 2

мм

Диаметр контакта

Размер зачистки, пред. откл. +1,0

2РМ

2РМД

1,0

6,0

-

1,5

6,0

6,0

2,0

7,5

8,0

3,0

8,0

9,0

26. Жилы проводов следует скрутить в сторону повива, облудить и отрезать в размер.

27. Монтаж соединителей с плавающими контактами не допускается производить жесткими одно-проволочными проводами.

28. Монтаж, заливку и обволакивание соединителей с плавающими контактами следует производить с технологической ответной частью.

29. При заделке в соединители экранированных проводов, разделанных по ГОСТ 23585, не допускается, чтобы оплетка экранов этих проводов входила в изоляционные трубки, надеваемые на контакты соединителей.

30. Перед пайкой концы проводов жгута следует продеть в отверстие специального шаблона (имитатора контактного поля соединителя) для предупреждения перекрещивания проводов в зоне монтажа.

31. Перед пайкой в контакты соединителей на провода должны быть надеты изоляционные трубки диаметром, обеспечивающим плотную посадку их после пайки на контакте и (или) проводе (проводах).

Если соединители подлежат заливке или обволакиванию, возможны два варианта монтажа:

а) с трубками;

б) без трубок - в соответствии с черт. 11.

(Измененная редакция, Изм. № 2).

32. Длина изоляционных трубок, надеваемых на контакты соединителей, должна быть 10 - 12 мм.

33. Соединитель при монтаже следует установить в положение, исключающее затеки флюса внутрь соединителя, так, чтобы срезанная часть контактов была направлена в сторону электромонтажника.

34. В расчлененном состоянии контактная сторона соединителя должна быть закрыта технологической крышкой.

35. Пайку проводов к соединителю следует производить по рядам контактов, начиная с нижнего ряда в направлении слева направо.

36. При пайке жил проводов в соединители выбор мощности паяльника следует производить в соответствии с указаниями НД на соединители.

37. Время пайки жил проводов в контакты соединителей устанавливают в соответствии с указаниями НД на соединители.

36, 37. (Измененная редакция, Изм. № 2).

38. В негерметичных соединителях перепайка контактов диаметром 1 мм не производится более одного раза, контактов диаметром более 1,5 мм - двух раз.

Черт. 12

39. Паяная поверхность монтажных соединений должна быть блестящей или матовой без темных пятен, трещин, раковин, загрязнений, острых выпуклостей и посторонних включений. Припой должен заливать место соединения со всех сторон, заполняя щели и зазоры между жилами проводов и контактами, с незначительными наплывами припоя на наружной поверхности контакта (черт. 12).

Количество припоя, необходимого для пайки, должно быть минимальным.

Качество пайки в соединителях следует проверять после пайки каждого ряда контактов.

(Измененная редакция, Изм. № 1).

40. При выполнении монтажа не должно нарушаться защитное покрытие деталей соединителя, а также покрытие деталей, на которых производится монтаж соединителей.

41. По окончании монтажа соединители должны быть очищены от остатков монтажных материалов и загрязнений.

Требование не распространяется на монтаж с применением флюсов, допускающих не производить очистку.

42. Качество пайки соединителей проверяется при межоперационном контроле до надевания на контакты изоляционных трубок.

43. После монтажа и проверки качества пайки изоляционные трубки должны быть надвинуты на контакты до упора в изолятор соединителя.

44. Прозвонку соединителей следует производить с применением технологической ответной части.

ИНФОРМАЦИОННЫЕ ДАННЫЕ

1. РАЗРАБОТАН И ВНЕСЕН Минобщемашем СССР

2. УТВЕРЖДЕН И ВВЕДЕН В ДЕЙСТВИЕ Постановлением Государственного комитета СССР по стандартам от 26.04.79 № 1536

3. ССЫЛОЧНЫЕ НОРМАТИВНО-ТЕХНИЧЕСКИЕ ДОКУМЕНТЫ

Обозначение НТД, на который дана ссылка

Номер пункта

ГОСТ 14312-79

1

ГОСТ 21962-76

1

ГОСТ 23585-79

29

4. ПЕРЕИЗДАНИЕ, февраль 1998 г., с Изменениями № 1, 2, утвержденными в декабре 1983 г. и марте 1990 г.

 




ГОСТЫ, СТРОИТЕЛЬНЫЕ и ТЕХНИЧЕСКИЕ НОРМАТИВЫ.
Некоммерческая онлайн система, содержащая все Российские Госты, национальные Стандарты и нормативы.
В Системе содержится более 150000 файлов нормативно-технической документации, действующей на территории РФ.
Система предназначена для широкого круга инженерно-технических специалистов.

Рейтинг@Mail.ru Яндекс цитирования

Copyright © www.gostrf.com, 2008 - 2026