Крупнейшая бесплатная информационно-справочная система онлайн доступа к полному собранию технических нормативно-правовых актов РФ. Огромная база технических нормативов (более 150 тысяч документов) и полное собрание национальных стандартов, аутентичное официальной базе Госстандарта. GOSTRF.com - это более 1 Терабайта бесплатной технической информации для всех пользователей интернета. Все электронные копии представленных здесь документов могут распространяться без каких-либо ограничений. Поощряется распространение информации с этого сайта на любых других ресурсах. Каждый человек имеет право на неограниченный доступ к этим документам! Каждый человек имеет право на знание требований, изложенных в данных нормативно-правовых актах!

  


 

ЦЕНТРАЛЬНЫЙ НАУЧНО-ИССЛЕДОВАТЕЛЬСКИЙ
И ПРОЕКТНО-ЭКСПЕРИМЕНТАЛЬНЫЙ ИНСТИТУТ
ОРГАНИЗАЦИИ, МЕХАНИЗАЦИИ И ТЕХНИЧЕСКОЙ ПОМОЩИ
СТРОИТЕЛЬСТВУ (ЦНИИОМТП) ГОССТРОЯ СССР

СПРАВОЧНОЕ ПОСОБИЕ К СНиП

Серия основана в 1989 году

РАЗРАБОТКА
ПРОЕКТОВ ОРГАНИЗАЦИИ СТРОИТЕЛЬСТВА
И ПРОЕКТОВ ПРОИЗВОДСТВА РАБОТ
ДЛЯ ПРОМЫШЛЕННОГО
СТРОИТЕЛЬСТВА

Москва Стройиздат 1990

Рекомендовано к изданию решением секции организации строительного производства Научно-технического совета ЦНИИОМТП Госстроя СССР.

Редактор - Г.А. Полякова

Разработано к СНиП 3.01.01-85 «Организация строительного производства».

Изложена методика разработки проектных решений и документации в составе проектов производства работ и проектов организации строительства. Рассмотрены вопросы разработки документации по выполнению производственной программы строительной организации.

Для инженерно-технических работников проектных, проектно-технологических и строительных организаций.

Предисловие

Настоящее Пособие разработано с целью обеспечения проектировщиков, строителей и инженерно-технических работников оргтехстроев для разработки проектов организации строительства и проектов производства работ новыми методическими указаниями с учетом современного состояния и положительного опыта и достижений в этой области.

При разработке Пособия использованы работы институтов НИИЭС и ЦНИИпроект Госстроя СССР, ПТИОМЭС Минстроя СССР и других в части совершенствования состава и содержания проектных решений и применения новых форм документации, в том числе по выполнению годовой (двухлетней) производственной программы работ строительной организации (сводного проекта организации работ); методики разработки, выбора и технико-экономического обоснования решений; применения экономико-математических методов и средств электронно-вычислительной техники для решения задач в проектах организации строительства и проектах производства работ.

Пособие содержит технические требования, методические указания и рекомендации, справочные материалы, а также ряд примеров решения различных задач, наиболее часто встречающихся при разработке организационно-технологической документации по организации строительства и производству строительно-монтажных работ.

Разработано ЦНИИОМТП (кандидаты техн. наук Л.П. Аблязов - ответственный исполнитель; В.А. Алексеев, В.С. Алтунджи, A.А. Берсенев, Б.Г. Борисенков, В.А. Гребенник, В.В. Костюков, Ш.Л. Мачабели, В.Г. Покровский, Л.Ш. Фомиль; инженеры С.И. Кандаурова, Н.П. Красавина, С.Я. Назаров, Р.Б. Степанова, Л.А. Телингатер); НИИЭС Госстроя СССР (доктора экон. наук В.Г. Киевский, В.А. Спектор; кандидаты экон. наук Э.С. Паперно, З.Б. Циммерман); ЦНИИпроект Госстроя СССР (кандидаты техн. наук В.И. Пулико, С.А. Синенко; канд. экон. наук М.А. Миронова; инженеры Л.А. Говорова, А.К. Чулков); Киевским инженерно-строительным институтом (канд. техн. наук B.К. Черненко, инженеры С.В. Кожемяка, Г.Н. Тонкочеев); Горьковским инженерно-строительным институтом (канд. техн. наук К.А. Огай).

Научно-методическое руководство и общее редактирование осуществлено кандидатами техн. наук В.В. Шахпароновым и Л.П. Аблязовым (ЦНИИОМТП).

Отзывы и пожелания следует направлять по адресу: 127434, Москва, Дмитровское шоссе, 9, ЦНИИОМТП Госстроя СССР.

Проект организации строительства

1. ОРГАНИЗАЦИОННО-ТЕХНОЛОГИЧЕСКИЕ СХЕМЫ ВОЗВЕДЕНИЯ ЗДАНИЙ И СООРУЖЕНИЙ И МЕТОДЫ ПРОИЗВОДСТВА РАБОТ

1.1. В проекте организации строительства производится выбор организационно-технологической схемы строительства зданий и сооружений в составе комплекса предприятий и организационно-технологических схем возведения основных зданий и сооружений, обоснование методов производства и возможности совмещения строительных, монтажных и специальных строительных работ, а также технических решений по возведению сложных зданий и сооружений.

1.2. Организационно-технологическая схема строительства зданий и сооружений в составе предприятия (очереди, пускового комплекса) устанавливает очередность строительства основных объектов, объектов подсобного и обслуживающего назначения, энергетического и транспортного хозяйства и связи, наружных сетей и сооружений водоснабжения, канализации, теплоснабжения и газоснабжения, а также благоустройства территории в зависимости от технологической схемы производственного процесса промышленного предприятия, особенностей строительных решений его генерального плана (характера распределения объемов работ в зависимости от типа объекта - сосредоточенного, линейного, территориально-разрозненного, смешанного) и объемно-планировочных решений основных зданий и сооружений (однородные, неоднородные объекты), а также принятого метода организации строительства.

Организационно-технологические схемы возведения основных зданий и сооружений устанавливают последовательность возведения отдельных зданий (сооружений) по их частям (узлам, секциям, пролетам, ячейкам, ярусам, этажам, производственным участкам, цехам и т.д.) в зависимости от технологической схемы производственного процесса, размещаемого в данном здании (сооружении), или другой функциональной схемы, объемно-планировочных и конструктивных решений, а также принятых методов (технологических схем) производства работ.

1.3. При выборе организационно-технологических схем в качестве общих принципов необходимо принимать:

законченность отдельного технологического цикла в общей технологии промышленного производства;

конструктивную завершенность выделяемой части промышленного предприятия или отдельного здания (сооружения);

пространственную устойчивость выделяемой части здания (сооружения);

параллельность (одновременность) строительства отдельных объектов в составе предприятия и возведения частей зданий (сооружений), а также прямоточность (исключающую избыточные, дальние, возвратные, встречные и другие нерациональные направления в организационно-технологических схемах).

1.4. Выбор организационно-технологических схем следует производить с учетом сложности строительства объектов (промышленных предприятий, отдельных зданий, сооружений).

1.5. При строительстве сложных объектов и крупных промышленных комплексов выбор организационно-технологических схем следует производить на основе применения узлового метода, сущность которого заключается в том, что предприятие (пусковой комплекс) при выборе схем членится на конструктивно и технологически обособленные части - узлы для организации целенаправленного и технологически обоснованного выбора последовательности возведения объектов и их частей с учетом достижения в возможно более короткие сроки их технической готовности для автономного опробования и наладки отдельных технологических линий, отделений и установок.

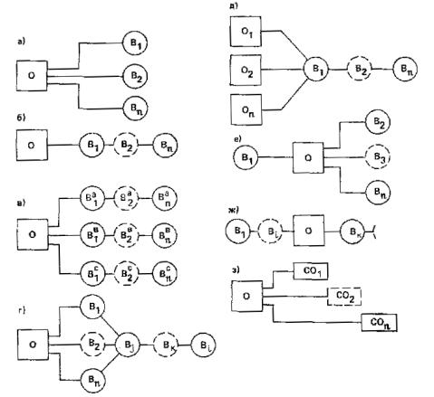
При выборе организационно-технологических схем по функциональному назначению выделяются следующие узлы:

технологические - конструктивно обособленные части технологических линий (установок), в границах которых производятся строительно-монтажные работы до технической готовности, необходимой для проведения наладки и опробования оборудования;

строительные - здания (сооружения) основного производственного назначения или их конструктивно обособленные части, в пределах которых производятся строительно-монтажные работы до технической готовности, необходимой для передачи узла под механо-монтажные работы;

общеплощадные - объекты административно-бытового и подсобно-вспомогательного назначения, электро- и энергоснабжения, оборотного водоснабжения, транспортного хозяйства, а также подготовка территории строительства и благоустройство промышленной площадки.

Примерный состав технологического узла (применительно к строительству объекта черной металлургии): фундаменты и технологическое оборудование, размещаемое на них; подземные сети (водоводные, электрокабельные, транспортные тоннели); подземные сооружения (насосные всех видов, масло- и гидроподвалы); технологические металлоконструкции; технологические трубопроводы; встроенные помещения основного производственного назначения (пульты управления, распределительные устройства); полы и чистовая отделка.

Основным критерием для определения границ строительного узла является необходимость создания геометрической неизменяемости части здания или сооружения и возможно более близкое совпадение с границами технологических узлов.

В составе наиболее трудоемких и сложных узлов могут выделяться подузлы, которые представляют собой часть узла, в пределах которой обеспечивается выполнение строительно-монтажных работ до технической готовности, необходимой для проведения в целом по узлу пусконаладочных работ, опробования агрегатов и устройств.

Определению перечня и состава однотипных узлов промышленного предприятия должно предшествовать выделение следующих групп зданий и сооружений: главные корпуса основных технологических процессов; здания и сооружения, в которых осуществляются сопутствующие основным технологические процессы; вспомогательные здания и сооружения производственного назначения, связанные с обеспечением основных и сопутствующих технологических процессов; здания и сооружения, не связанные непосредственно с выполнением технологических процессов; линейные сооружения энергетического, водохозяйственного и транспортного назначения.

1.6. В проекте организации строительства разрабатываются следующие организационно-технологические схемы на основе применения узлового метода:

разбивка на узлы и их маркировка;

технологическая взаимоувязка узлов и их энергетическое обеспечение;

последовательность ввода узлов с учетом межузловых ограничений во времени.

Схема разбивки объектов на узлы определяется и разрабатывается на основании технологических схем основного процесса и состава пускового комплекса.

Схема разбивки объекта на узлы представляет собой план расположения зданий и сооружений предприятия с перечнем и составом узлов. В перечень и состав узлов включаются наименования объектов, сооружений и затрат, включенных в титульный список (пусковой комплекс), с указанием общего объема строительно-монтажных работ и их трудоемкости.

Исходными данными для разработки схемы разбивки на узлы являются:

решения технологической и архитектурно-строительной частей рабочего проекта (проекта);

типовые решения по отдельным узлам;

схема технологической взаимоувязки узлов и энергетического обеспечения.

Схема разбивки на узлы разрабатывается в следующей последовательности:

определяется перечень и состав узлов;

наносятся на схематическом плане зданий и сооружений границы узлов и подузлов, а также производится маркировка объектов в соответствии с принятыми перечнем и составом узлов;

указываются объемы строительно-монтажных работ и трудоемкость возведения каждого узла (подузла) в таблице перечня и состава узлов.

Определение границ технологических узлов (подузлов) производится на плане технологического оборудования главного корпуса.

Определение границ строительных узлов (подузлов) производится на планах зданий и сооружений.

В границах строительного узла могут размещаться один или несколько технологических узлов.

Схема технологической взаимоувязки узлов и энергетического обеспечения определяет: последовательность выполнения отдельных технологических процессов в каждом узле, вид этих процессов, состав основного технологического оборудования с указанием источников энергоснабжения, необходимых для опробования и функционирования технологического процесса в пределах каждого узла.

Исходными данными для разработки схемы технологической взаимоувязки узлов и энергетического обеспечения являются:

перечень и состав узлов; описание технологического процесса; генеральный план; планы расположения технологического оборудования; схема цепи аппаратов; схемы снабжения электроэнергией, водой, газом и другими необходимыми энергетическими ресурсами.

Схема технологической взаимоувязки узлов разрабатывается в следующей очередности:

определяется технологическая взаимозависимость узлов;

указываются направления перемещения сырья, полуфабрикатов и готовой продукции между узлами;

наносятся на схему источники энергоресурсов и их коммуникации.

В схеме технологической взаимоувязки узлов и энергетического обеспечения следует применять условные обозначения, принятые для технологического процесса конкретной отрасли.

Для определения сроков сдачи основных технологических узлов для пусконаладочных работ должна разрабатываться схема последовательности ввода узлов с учетом межузловых ограничений во времени. На схеме указываются сроки подачи сырья и энергетических ресурсов для опробования оборудования каждого узла. Исходными данными для разработки такой схемы являются: схема разбивки на узлы; схема технологической взаимоувязки узлов и энергетического обеспечения; установленный срок ввода комплекса в действие; график пусконаладочных работ.

Принцип построения схемы последовательности ввода узлов состоит в том, что, начиная с заключительного технологического процесса с учетом необходимого времени для пусконаладочных работ, определяются (справа налево) сроки окончания строительно-монтажных работ по каждому узлу в заданной технологической последовательности, т.е. определяются межузловые ограничения во времени, которые определяют также сроки подачи энерготехнологических ресурсов на определенные узлы, т.е. окончание пусконаладочных работ на узлах, обеспечивающих работу узлов технологического передела. Межузловые ограничения во времени на схеме изображаются в масштабе времени.

Схемы узлов должны содержать основные сведения о зданиях, сооружениях, устройствах, технологических линиях и служить основой для разработки документации по организации, планированию и управлению строительством.

1.7. Пример схемы последовательности ввода узлов с учетом межузловых ограничений во времени, а также требования к разработке проектно-сметной документации, рекомендации по разработке документов узлового метода в составе проекта организации строительства, примерный перечень сложных объектов и крупных промышленных комплексов отраслей промышленности, строительство которых следует осуществлять на основе узлового метода, а также другие указания по применению узлового метода даны в Руководстве по применению узлового метода проектирования, подготовки, организации и управления строительством сложных объектов и крупных промышленных комплексов (ЦНИИОМТП - М.: Стройиздат, 1982) и Методических рекомендациях по применению узлового метода в строительстве (ЦНИИОМТП. - М.: Стройиздат, 1985).

1.8. При строительстве объектов без применения узлового метода (массовые промышленные предприятия, здания, сооружения) выбор организационно-технологических схем производится на основе вариантного выбора очередности возведения цехов и производственных помещений главного корпуса предприятия с тем, чтобы обеспечить начало монтажа технологического оборудования в наиболее ранние сроки и сократить продолжительность строительства объекта в целом. Количество вариантов при этом зависит от объемно-планировочных и конструктивных решений.

Принцип формирования вариантов последовательности возведения здания на примере массового одноэтажного промышленного здания, составленного из различного количества секций размером 72 ´ 72 м с разнообразным взаимным расположением секций в плане, в котором размещается главный корпус предприятия, показан на рис. 1. Из рисунка видно, что указанные здания можно возводить отдельными пролетами или секциями, ограниченными температурными швами, в последовательности, предусматривающей комбинацию попролетного и посекционного возведения. Количество вариантов возрастает при начале строительства с разных участков.

При выборе практически целесообразных для сравнения вариантов организационно-технологической схемы возведения здания следует учитывать:

особенности объемно-планировочных и конструктивных решений здания, его членения на пролеты, температурные секции и ячейки;

организационно-технологические особенности смежных с монтажом строительных конструкций и технологического оборудования работ (устройство фундаментов под колонны, бетонной подготовки под полы, теплоизоляционные и гидроизоляционные работы на кровле, прокладка подземных сетей, устройство подпольных каналов), требующих для их своевременного выполнения подготовки фронта работ;

исключение технологически неоправданных маршрутов, холостых ходов и поворотов монтажных кранов;

наличие участков с предварительно устроенными подпольными каналами, фундаментами под технологическое оборудование и другими сооружениями, препятствующими проходу через них монтажных кранов.

Рис. 1. Принципы формирования вариантов последовательности возведения здания (стрелками показано направление работ)

а - план секции; б - варианты взаимного расположения секций в плане

1.9. Выбор наиболее рационального варианта организационно-технологической схемы строительства предприятия (возведения здания) производится в следующем порядке:

производится членение технологической схемы предприятия на цехи, производственные помещения или пространственные участки с учетом их функциональных особенностей и трудоемкости работ по монтажу технологического оборудования;

определяются сроки монтажа строительных конструкций цехов и производственных помещений по каждому из намеченных к сравнению вариантов технологических маршрутов монтажных кранов, которыми определяется очередность (последовательность) возведения главного корпуса согласно Рекомендациям по методике составления проектов организации строительства и проектов производства работ (ЦНИИОМТП. - М.: Стройиздат, 1968);

производится оценка полученных сроков монтажа с целью установления такой очередности возведения цехов и помещений, при которой можно будет начать монтаж технологического оборудования в наиболее ранние сроки;

по нормативам или объектам-аналогам определяется продолжительность монтажа технологического оборудования в каждом производственном помещении;

по каждому из вариантов определяется суммарная продолжительность возведения производственных помещений с учетом сроков выполнения работ по монтажу строительных конструкций и технологического оборудования;

производится оценка полученных сроков окончания монтажа технологического оборудования в производственных помещениях.

В каждом из вариантов при этом среди неповторяющихся значений, характеризующих продолжительность возведения производственных помещений, выявляется наибольшее, которое и будет определять продолжительность строительства объекта.

1.10. В основу выбора организационно-технологических схем должен быть положен поточный метод строительства.

При выборе организационно-технологической схемы строительства проектируется комплексный поток по строительству промышленного предприятия, а организационно-технологических схем возведения основных зданий и сооружений - объектные и специализированные потоки.

Проектирование организации строительства промышленных предприятий поточными методами следует осуществлять в соответствии с методическими рекомендациями Указаний по проектированию поточного строительства промышленных предприятий и другими методическими документами.

1.11. Проектирование комплексного потока строительства промышленного предприятия производится, в увязке с выбором организационно-технологической схемы строительства и включает:

выбор метода организации строительства предприятия;

группировку зданий и сооружений в объектные потоки по функциональному признаку (назначению) и степени однородности строительных решений (объемно-планировочных и конструктивных);

определение номенклатуры, объемов, сроков и очередности выполнения работ и строительства отдельных объектов, используемых для нужд строительства, в подготовительном периоде;

определение номенклатуры, объемов, сроков и последовательности выполнения работ по строительству зданий и сооружений в основном периоде строительства;

выбор очередности строительства объектов по сформированным группам (взаимная увязка объектных потоков в составе комплексного);

построение циклограммы и расчет основных параметров комплексного потока;

разработку календарного плана строительства.

1.12. Проектирование объектных и специализированных потоков производится в увязке с выбором организационно-технологических схем возведения основных зданий и сооружений и включает:

выбор метода (способа) организации возведения здания (сооружения) и разбивку в зависимости от этого объектного потока на специализированные;

выбор схем (направлений) развития строительных потоков по частям (секциям, пролетам, этажам, ярусам, производственным цехам и участкам) здания и их членение на участки и захватки;

определение номенклатуры, объемов и последовательности выполнения подготовительных работ по строительству отдельного здания (сооружения);

определение номенклатуры, объемов и последовательности выполнения основных строительных, монтажных и специальных строительных работ;

выбор методов производства основных видов работ;

построение циклограммы поточного строительства здания (сооружения) и расчет основных параметров объектных и специализированных потоков;

построение календарного плана строительства и календарного плана производства работ по объекту.

1.13. При выборе организационно-технологических схем и проектировании строительных потоков следует руководствоваться также рекомендациями, приведенными ниже.

Методы (способы) возведения зданий и монтажа технологического оборудования могут варьироваться в зависимости:

совмещения работ по устройству фундаментов под здание с работами по устройству фундаментов под оборудование и этажерки (открытый и закрытый способы строительства);

совмещения монтажа конструкций здания и этажерок с монтажом технологического оборудования (раздельный и совмещенный способы монтажа).

Открытый способ или способ законченного подземного цикла предусматривает, что фундаменты под каркас здания выполняются одновременно с фундаментами под технологическое оборудование и этажерку. В это же время должны устраиваться все каналы, приямки и подземные сети.

Закрытый способ предполагает устройство фундаментов под оборудование и этажерки после возведения надземной части здания, включая устройство покрытия и кровли.

Совмещенный способ монтажа оборудования предусматривает одновременное (в одном специализированном потоке) выполнение монтажа строительных конструкций здания и этажерок совместно с подачей и установкой на место технологического оборудования. При таком способе в одном специализированном потоке выполняются монтаж строительных конструкций и установка на место оборудования, а дальнейшие работы по его монтажу (сборка, агрегирование и др.) выполняются в следующем специализированном потоке.

Раздельный способ монтажа предусматривает выполнение работ по монтажу строительных конструкций в одном специализированном потоке, а работ по монтажу оборудования, включая такелажные работы, установку и механомонтаж, - в другом специализированном потоке в полностью законченном строительством здании.

Комбинированный способ в отличие от совмещенного допускает выполнение части работ по монтажу оборудования раздельно от работ по монтажу строительных конструкций в готовых помещениях.

Рис. 2. Горизонтальная организационная схема развития специализированных потоков монтажа строительных конструкций и технологического оборудования

При выборе того или иного способа следует иметь в виду, что применение совмещенного монтажа позволяет в большей степени, чем при раздельном способе, механизировать работы по монтажу оборудования. При этом применение для монтажа строительных конструкций мощных монтажных кранов создает условия для повышения индустриальности монтажа оборудования и трубопроводов за счет их монтажа укрупненными блоками и узлами. В то же время совмещенный монтаж, как интенсивный способ, требует более четкой увязки работы всех производственных звеньев, усложняется при этом и организация работ в монтажной зоне, а также мероприятия по технике безопасности. Раздельный способ возведения здания при закрытом способе обеспечивает благоприятные микроклиматические условия работ, выполняемых внутри здания. Раздельный способ монтажа строительных конструкций и технологического оборудования позволяет эффективнее использовать грузовые характеристики монтажных средств (кранов, подъемников).

Строительные потоки в пределах одного здания (сооружения) могут иметь различные схемы (направления) развития в пространстве. Они зависят от объемно-планировочных и конструктивных решений здания, видов выполняемых работ, применяемых строительных машин.

Направление развития специализированных потоков при монтаже строительных конструкций и технологического оборудования может быть принято горизонтальным (рис. 2), вертикальным и смешанным (комбинированным).

Горизонтальное направление развития потока принимается при устройстве фундаментов, монтаже конструкций в пределах одного этажа, производстве кровельных работ и т.д.

Рис. 3. Вертикальные организационные схемы развития специализированных потоков монтажа строительных конструкций и технологического оборудования

а - нисходящая; б - восходящая

Вертикальное направление может быть принято снизу вверх (вертикально-восходящая схема) и сверху вниз (вертикально-нисходящая схема) (рис. 3).

Принимается также сочетание этих двух схем.

Вертикальную схему преимущественно следует применять при монтаже конструкций каркаса многоэтажных промышленных зданий, когда монтаж осуществляется методом «на кран» («на себя») отдельными участками на всю высоту здания, а также при кирпичной кладке промышленных труб и т.п. По наклонной схеме осуществляется кирпичная кладка стен в пределах одного этажа, монтаж конструкций на разных отметках и т.п.

Сочетание различных направлений дает смешанные (комбинированные) схемы движения потоков. Преобладающей схемой развития потоков в многоэтажном промышленном строительстве является горизонтально-вертикальная, а в одноэтажном - горизонтальная.

При выборе схемы монтажа технологического оборудования и трубопроводов следует отдавать предпочтение такому направлению, при котором создаются условия для производства пусконаладочных работ и работ по опробованию оборудования в пределах одного технологического передела, цеха, участка и т.п. Обычно таким условиям в многоэтажных зданиях отвечает вертикальная схема.

1.14. Обоснование методов производства строительно-монтажных работ в проекте организации строительства производится на основе типовых технологических карт на производство отдельных видов работ, а также технологических схем возведения одноэтажных и многоэтажных промышленных зданий*. В пояснительной записке приводится описание принятых решений с необходимыми технико-экономическими обоснованиями и графическими схемами движения строительных машин, монтажа конструкций и производства других видов работ на планах и разрезах зданий (сооружений) с указанием типов и марок строительных машин, вспомогательных сооружений, приспособлений, устройств и установок.

* Технологические схемы возведения одноэтажных промышленных зданий / ЦНИИОМТП: Бюро внедрения. - М, 1978 (Вып. I: Устройство кровли, покрытия полов, отделка поверхностей и остекление).

Технологические схемы монтажа сборных железобетонных конструкций унифицированных каркасов серий ИИ-04, ИИС-04 / ЦНИИОМТП: Бюро внедрения. - М., 1980.

Технологические схемы монтажа сборных железобетонных конструкций унифицированных каркасов серий ИИ 20/70 и 1.420-4 многоэтажных промышленных зданий / ЦНИИОМТП: Бюро внедрения. - М., 1981.

2. КАЛЕНДАРНЫЙ ПЛАН СТРОИТЕЛЬСТВА

2.1. Календарный план строительства промышленного предприятия разрабатывается по форме 1 СНиП 3.01.01-85 (табл. 1) для всех объектов, независимо от степени сложности их строительства, и устанавливает очередность и сроки строительства основных и вспомогательных объектов и пусковых комплексов и работ подготовительного периода с распределением капитальных вложений и объемов строительно-монтажных работ по кварталам строительства предприятия, зданий (сооружений), входящих в их состав пусковых комплексов, объектов основного производственного, подсобного и обслуживающего назначения в соответствии с нормами продолжительности строительства и задела в строительстве предприятий, зданий и сооружений.

Таблица 1. Календарный план строительства (наименование объекта)

Форма 1

№ строки

Наименование отдельных зданий, сооружений или видов работ (с выделением пускового комплекса)

Сметная стоимость, тыс. руб.

Распределение капитальных вложений и объемов строительно-монтажных работ по периодам строительства (кварталам, годам), тыс. руб.

всего

в том числе объем строительно-монтажных работ

А

Б

1

2

3 - 4

 

Предприятие, сооружение или его очередь: в том числе:

 

 

 

 

пусковые комплексы (обеспечивающие выпуск продукции или оказание услуг)

 

 

 

 

объекты основного производственного назначения

 

 

 

 

» вспомогательного назначения

 

 

 

 

» обслуживающего назначения

 

 

 

 

» энергетического хозяйства

 

 

 

 

» транспортного хозяйства

 

 

 

 

» складского хозяйства

 

 

 

 

объекты связи

 

 

 

 

инженерные коммуникации

 

 

 

 

очистные сооружения

 

 

 

Примечания: 1. Номенклатура по графе «Б» устанавливается в зависимости от вида и особенностей строительства. 2. Распределение объемов строительно-монтажных работ дается в виде дроби: в числителе - объем капитальных вложений, в знаменателе - объем строительно-монтажных работ.

Главный инженер проекта _________________________________________________

(подпись)

Согласовано:

Заказчик _____________________________

(подпись)

Руководитель подрядной организации _______________________________________

(подпись)

2.2. В качестве основных исходных материалов при разработке календарного плана строительства промышленного предприятия принимаются:

решения генерального плана предприятия; объемно-планировочные и конструктивные решения и разбивка промышленного предприятия на строительные, технологические и общеплощадочные узлы; объемы строительных, монтажных и специальных строительных работ по отдельным зданиям и сооружениям; общая организационно-технологическая схема строительства объектов основного производственного, подсобного и обслуживающего назначения, энергетического хозяйства, транспорта и связи, наружных сетей, культурно-бытового назначения и других, вытекающих из технологической схемы производственного процесса промышленного предприятия;

установленные сроки ввода предприятия в действие и нормы продолжительности строительства и задела в строительстве предприятий, зданий и сооружений;

номенклатура, объемы и продолжительность работ, выполняемых в подготовительный период;

данные по объектам-представителям или объектам-аналогам.

2.3. Разработка календарного плана строительства промышленного предприятия производится в такой последовательности:

устанавливается перечень объектов, мероприятий и работ, которые необходимо выполнить в подготовительный период строительства, а также объемы подготовительных работ по данным проектно-сметной документации (в рабочем проекте) или по показателям на укрупненные стоимостные и физические измерители (в проекте) по расчетным нормативам (показателям) для составления проектов организации строительства (части I - XIII, ЦНИИОМТП);

производится группировка зданий и сооружений подсобного производственного и обслуживающего назначения по степени их однородности. В дальнейшем каждая такая группа однородных объектов на календарном плане представляется как один отдельный объект;

производится распределение по группам зданий и сооружений основного производственного назначения с учетом состава предприятия установленной очередности ввода в эксплуатацию отдельных его очередей, частей и пусковых комплексов, назначения объектов, их территориального размещения и степени однородности проектных решений;

устанавливается номенклатура и определяются объемы и трудоемкость работ, а также потребность в работе строительных машин по каждой группе объектов на основе принятых в соответствии с указаниями разд. 1 настоящего Пособия методов производства работ;

производится выбор организационно-технологических схем возведения зданий и сооружений и обоснование методов производства работ и выбор ведущих строительных машин по указаниям разд. 1 настоящего Пособия;

производится построение графической (линейной, циклограммной или сетевой) модели поточного строительства предприятия с выбором наиболее целесообразного варианта в соответствии с указаниями разд. 7 настоящего Пособия;

производится построение на основе выбранного варианта календарного плана строительства промышленного предприятия по форме табл.;

производится построение графиков распределения по кварталам строительства капитальных вложений и объемов (стоимости) строительно-монтажных работ с соблюдением указаний СНиП 1.04.03 - 85 «Нормы продолжительности строительства и задела в строительстве предприятий, зданий и сооружений» по процентному соотношению объемов задела по периодам при освоении капитальных вложений и выполнении строительно-монтажных работ и графиков суммарной потребности в трудовых ресурсах.

2.4. При календарном планировании строительства промышленных объектов, так же как и при выборе общей организационно-технологической схемы строительства, следует различать четыре типа объектов по характеру распределения объемов строительно-монтажных работ:

сосредоточенные объекты, все здания и сооружения которых расположены в пределах единой строительной площадки (промышленные предприятия) или нескольких строительных площадок (промышленные узлы, районы сосредоточенного строительства);

линейные объекты транспорта и связи (железные и автомобильные дороги, магистральные трубопроводы, линии связи и электропередачи, каналы);

территориально разрозненные объекты, в состав которых входят отдельные здания и сооружения, расположенные на значительном расстоянии друг от друга;

смешанные объекты (железные дороги с узловыми станциями, вокзалами, депо, мостами и подстанциями; автомобильные дороги с комплексами технического обслуживания транспорта, дорожно-эксплуатационными службами, транспортными развязками, мостами).

2.5. Однородные объекты характеризуются многократной повторяемостью конструктивных решений по частям (секциям, пролетам и др.) зданий и равномерным распределением объемов строительно-монтажных работ в них. К таким зданиям относятся, как правило, одноэтажные промышленные здания в машиностроительной, легкой, радиотехнической, электротехнической, пищевой промышленности и промышленности строительных материалов и строительной индустрии, многоэтажные промышленные здания универсального назначения, а также здания, предназначенные для размещения предприятий легкой (обувных, швейных фабрик) и пищевой (молочных заводов, мясокомбинатов) промышленности.

Неоднородные объекты отличаются неравномерным распределением объемов работ, наличием разнохарактерных строительных конструкций (сборочных и монолитных бетонных и железобетонных, металлических), отсутствием повторяющихся (унифицированных) габаритных схем и размеров по частям зданий, применением тяжелого и сложного (уникального) технологического оборудования, монтаж которого производится в процессе возведения здания. К таким объектам относятся одноэтажные здания, а также здания смешанного типа, в которых в едином строительном объеме применяются одноэтажные и многоэтажные части (секции, пролеты) с разнотипными конструкциями больших габаритных размеров и веса. К зданиям такого типа относятся производственные корпуса угольных и горно-рудных предприятий, металлургических заводов, тепловых электростанций, сахарных и цементных заводов, ряда предприятий химической промышленности.

2.6. При разработке календарного плана строительства промышленного предприятия необходимо соблюдать следующие принципы подготовки к строительству отдельных зданий и сооружений в составе предприятия, а также условия их взаимоувязки по объемам работ и во времени:

каждое новое строительство должно начинаться с прокладки постоянных подъездных путей к строительной площадке, а также выполнения необходимых подготовительных работ, в состав которых входят работы по подготовке строительной площадки; устройство временных дорог, сетей и устройств для обеспечения строительства водой, энергией и теплом; работы по созданию строительного хозяйства; организация карьеров; строительство производственных предприятий, временных административно-хозяйственных зданий и жилых помещений для строителей;

основные строительно-монтажные работы должны начинаться с инженерной подготовки территории, в которую включаются планировка территории, устройство водостоков, прокладка подземных магистральных сетей энергоснабжения, водоснабжения, канализации, тепло- и газоснабжения и других инженерных сетей, а также строительство железных и автомобильных дорог;

строительство каждого отдельного здания или сооружения должно начинаться только после окончания подготовительных и общеплощадочных работ на участке этого объекта;

работы по возведению надземных конструкций здания или сооружения и их частей следует начинать только после устройства подземных конструкций, обратной засыпки грунта в пазухи котлованов и траншей и планировки площадки.

Принципиальная схема освоения объемов строительно-монтажных работ по календарным периодам при строительстве промышленного предприятия с жилым поселком при нем приведена на рис. 4.

Рис. 4. Принципиальная схема освоения объемов строительно-монтажных работ по календарным периодам при строительстве промышленного предприятия с жилым поселком при нем

Пример календарного плана строительства завода по производству подшипников приведен в табл. 2.

Таблица 2

№ строки

Наименование зданий, сооружений или видов работ

Сметная стоимость, тыс. руб.

Распределение капитальных вложений и объемов строительно-монтажных работ по годам строительства, тыс. руб.

 

всего

в том числе объем строительно-монтажных работ

1-й

2-й

 

А

Б

1

2

3

4

 

1

Главный корпус

9098,05

3603,69

3706,4

2276,26

5391,65

1327,43

 

 

Итого по I объектному потоку

9098,05

3603,69

-

-

 

2

Сооружение циркуляционных систем и очистных установок

172,02

163,12

167,52

158,62

4,5

4,5

 

3

Склад светлых нефтепродуктов

10,54

7,05

10,54

7,05

-

 

4

Газораспределительная станция

53,88

53,88

53,88

53,88

-

 

5

Внеплощадочные и внутриплощадочные сети газопровода

25,36

25,36

25,36

25,36

-

 

 

Итого по II объектному потоку

261,8

249,41

-

-

 

6

Внеплощадочные сети и сооружения водопровода, канализации и водостока

125,77

125,77

125,77

125,77

-

 

7

Внутриплощадочные сети водопровода и канализации

74,84

74,84

74,84

74,84

-

 

8

Градирня, подземные железобетонные резервуары емкостью 400 м3 и отстойник

23,63

21,33

23,63

21,33

-

 

9

Внешние теплосети

38,49

38,49

38,49

38,49

-

 

10

Автомобильные дороги и площадки вне территории завода

47,78

47,78

47,78

47,78

-

 

 

Итого по III объектному потоку

310,51

308,21

-

-

 

11

Внутриплощадочные автомобильные дороги, площадки и подъезды

75,85

75,85

41,66

41,66

34,19

34,19

 

12

Внешнее электроснабжение

87,48

76,64

87,48

76,64

-

 

13

Внутриплощадочная связь и сигнализация

35,25

19,44

15

9,44

20,25

10

 

14

Связь и сигнализация вне территории завода (кабельные линии связи)

3,49

3,49

3,49

3,49

-

 

15

Вертикальная планировка

72

72

72

72

-

 

16

Благоустройство (планировочные работы, наружное освещение, озеленение)

18,89

18,89

-

18,89

18,89

 

17

Инвентарные здания и временные сооружения

183,79

183,79

183,79

183,79

-

 

18

Прочие работы (очистка территории от мусора и т.д.)

138,32

134,88

69,16

67,44

69,16

67,44

 

 

Итого вне потока

615,07

584,98

-

-

 

 

Всего

10285,43

4746,29

7446,79 (46 %)

3283,84 (69 %)

5538,64 (54 %)

1462,45 (31 %)

 

Примечания: 1. В числителе дроби дается объем капитальных вложений, в знаменателе - стоимость строительно-монтажных работ. 2. В примере календарного плана строительства завода распределение объемов работ (графы 3 и 4) условно приведено не по кварталам, а по годам строительства.

 

Главный инженер проекта ________________________________________________

(подпись)

Согласовано:

Заказчик ______________________________________________________________

(подпись)

Руководитель подрядной организации ______________________________________

(подпись)

 

2.7. Для сложных объектов в составе проекта организации строительства дополнительно разрабатывается комплексный укрупненный сетевой график, который должен определять продолжительность основных этапов проектирования и строительства предприятий, очередность строительства отдельных объектов в составе пускового комплекса и сроки поставки технологического оборудования, а также служить основой для планирования по соответствующим календарным периодам капитальных вложений и материально-технического снабжения.

Комплексный укрупненный сетевой график служит основой для разработки комплексных сетевых графиков в составе проектов производства работ.

2.8. Комплексный укрупненный сетевой график составляется с ограниченным количеством работ и событий со степенью детализации, достаточной для определения отдельных этапов проектирования и строительства, сроков поставки технологического оборудования, а также для проведения оптимизации графика по использованию основных ресурсов.

2.9. Исходными данными для разработки комплексного укрупненного сетевого графика являются:

заданный срок строительства проектируемого предприятия, а также решения по вопросам материально-технического обеспечения;

технологические и компоновочные решения проекта (состав пусковых комплексов по очередям строительства, полный перечень объектов, технологическая последовательность ввода в действие производств и др.);

состав и мощности подрядных организаций, намеченных для осуществления строительства.

2.10. Разработка графика производится с соблюдением зонного, объектного и технологического принципов его построения.

Зонный принцип состоит в группировке работ по основным ответственным исполнителям, которыми являются:

по проектированию - генеральная проектная организация (зона проектирования);

по обеспечению поставок оборудования - соответствующий Союзглавкомплект Госснаба СССР (зона поставок);

по строительству и монтажу - генеральная подрядная строительная организация (зона строительно-монтажных работ).

Объектный принцип построения графика состоит в том, что объекты, представляемые на нем, определяются по составу утвержденных пусковых комплексов. Количество объектов в графике устанавливается в ходе группировки их в пусковом комплексе с учетом того, что ряд объектов и работ, выделенных в составе пускового комплекса, не имеют самостоятельного производственного значения (инженерные сети, благоустройство территории и т.п.) и их готовность в определенном объеме является условием возможности функционирования отдельных цехов, участков и производств или всего предприятия в целом.

Технологический принцип построения графика состоит в том, что при его построении первоначально отдельные объекты увязываются между собой зависимостями, отражающими только технологическую последовательность проектирования, строительства и ввода объектов в действие, так как в составе промышленного предприятия многие объекты, будучи тесно связанными между собой по технологии эксплуатации и имеющими строгую технологическую последовательность ввода, обладают определенной технологической независимостью друг от друга в проектировании и строительстве. Организационная же последовательность проектирования и строительства отдельных объектов предприятия, принимаемая по условиям рационального использования ресурсов проектных и строительных организаций, учитывается на следующем этапе.

2.11. В комплексном укрупненном сетевом графике должны быть отражены взаимосвязи между отдельными его зонами, в том числе:

из состава проектных работ должен быть выделен объем проектно-сметной документации, который необходим для начала строительства объекта, если его строительство может быть начато до выдачи полного объема рабочих чертежей;

в зоне проектирования должны быть выделены работы по составлению заказных спецификаций на технологическое оборудование;

в зоне строительно-монтажных работ должно быть отражено событие, обозначающее начало работ по монтажу технологического оборудования.

В зоне проектирования работы по каждому объекту детализируются таким образом, чтобы отражалась взаимосвязь между работами проектировщиков основных разделов рабочего проекта (проекта).

В зоне строительно-монтажных работ их детализация определяется характером объекта, возможностью независимого строительства отдельных его частей или узлов или монтажа отдельных групп оборудования. Выделение пусконаладочных работ позволяет выявить основную технологическую взаимосвязь между отдельными объектами, входящими в состав предприятия.

В зонах проектирования и строительства должны выделяться общие для групп объектов или всего предприятия работы (разработка генерального плана, проектирование инженерных сетей, работы подготовительного периода и т.п.).

Детализация работ в зоне поставок должна определяться прежде всего действующими положениями о порядке комплектования строящихся предприятий оборудованием и комплектующими изделиями.

Если объект предполагается оснащать новым оборудованием, необходимо отражать в зоне поставок последовательность работ по его проектированию, изготовлению головного образца, доводке и промышленному изготовлению.

2.12. Этап разработки рабочих чертежей должен отражаться в графике в виде укрупненной работы с продолжительностью, принятой с учетом норм продолжительности проектирования.

При определении сроков готовности и выдачи проектно-сметной документации необходимо учитывать порядок, при котором в планы капитального строительства включаются только те стройки, по которым на 1 июля года, предшествующего планируемому, имеются утвержденная в установленном порядке проектно-сметная документация, а также рабочие чертежи на годовой объем работы.

2.13. Сроки поставки основного технологического оборудования должны быть отражены в графике специальными символами, привязанными с необходимым опережением к началу монтажа отдельных узлов и обозначенными цифрами со ссылками на соответствующие комплектовочные ведомости и спецификации.

При необходимости проведения сложных и длительных работ по изготовлению, комплектации и поставке нестандартизированного и именникового технологического оборудования его изготовители и поставщики по согласованию с заказчиками могут разрабатывать самостоятельные сетевые графики, в которых сроки поставок должны быть увязаны со сроками строительных, монтажных и специальных строительных работ.

2.14. Разработка комплексного упрочненного сетевого графика производится одновременно и в полной увязке с разработкой организационно-технологических решений проекта организации строительства.

Разработка графика включает подготовку исходных данных; составление карточек-определителей по форме, приведенной в табл. 3; составление отдельных участков графика; сведение их («сшивку») в общий комплексный укрупненный сетевой график; расчет графика; его корректировку и оптимизацию.

2.15. При разработке графика выделяется главная цепь работ, отражающая технологическую последовательность строительства, монтажа и ввода в действие основного агрегата или производства, которая ложится в основу компоновки сетевой модели.

2.16. При определении продолжительности работ графика следует руководствоваться действующими нормативами и данными о продолжительности проектирования и строительства объектов-аналогов.


Таблица 3. Карточка-определитель работ для комплексного укрупненного сетевого графика

Объект ______________________ Организация-исполнитель ____________________

(наименование, шифр)

Предшествующие работы

№ п. п.

Наименование работы

Код работы

Объем

Продолжительность

Стоимость, тыс. руб.

Интенсивность выполнения работ, тыс. руб.

Выработка одного рабочего, тыс. руб.

Ведущие механизмы

единица измерения

количество

единица измерения

количество

1

2

3

4

5

6

7

8

9

10

11

12

 

 

 

 

 

 

 

 

 

 

 

 

Ответственный исполнитель _______________________

(подпись)

Примечания. 1. Объем работы определяется в укрупненных показателях (тыс. м3 железобетона, тыс. т металлоконструкций или оборудования и пр.). 2. Стоимость работы определяется в соответствии с ее объемом как часть полной стоимости предприятия, здания, сооружения. 3. Для отдельных работ гр. 5 и 6 не заполняются. 4. Интенсивность выполнения работ определяется после расчета сетевого графика путем деления стоимости работы на ее продолжительность.


2.17. «Сшивка» отдельных участков графика в единый производится по входным и выходным событиям отдельных участков в пределах общего исходного и завершающего событий.

2.18. Расчет графика производится вручную или на ЭВМ с использованием для этой цели - программ расчета, приведенных в разд. 14 настоящего Пособия.

2.19. После составления и расчета графика проводится его оптимизация. На этой стадии путем последовательного многократного улучшения первоначального варианта решаются следующие основные задачи:

выявление оптимальной продолжительности строительства предприятия, не превышающей директивного срока и норм продолжительности строительства и задела в строительстве предприятий, зданий и сооружений;

выявление возможности наиболее целесообразного использования капитальных вложений, материально-технических и людских ресурсов путем распределения работ графика в пределах имеющихся резервов времени для более равномерного использования ресурсов и финансовых средств, уменьшения объемов незавершенного строительства, сокращения времени хранения на строительстве неустановленного оборудования и т.п.

2.20. Потребность в капиталовложениях по периодам строительства определяется суммированием объемов строительно-монтажных работ, определенных по интенсивности их выполнения и стоимости оборудования, поставка которого предусматривается в соответствующем периоде.

Интенсивность выполнения работ рассчитывается путем деления объема работ в стоимостном выражении на ее продолжительность в принятых единицах измерения.

2.21. Потребность в рабочих по периодам строительства определяется путем деления объемов работ за данный период на усредненную выработку по видам работ в стоимостном выражении.

2.22. Расчет потребности в указанных ресурсах может производиться на ЭВМ или вручную. При расчете потребности вручную рекомендуется использовать комплексный укрупненный сетевой график, построенный в масштабе времени.

2.23. Если освоение проектной мощности промышленного предприятия представляет собой длительный и сложный процесс, включающий комплекс работ по развитию сырьевой базы, подготовке кадров и освоению ими нового оборудования и т.д., на этот этап заказчиком составляется самостоятельный сетевой график.

2.24. При применении узлового метода разрабатывается комплексный укрупненный поузловой сетевой график, в котором устанавливается продолжительность строительства, сроки ввода производственных мощностей в действие, определяются последовательность и сроки возведения узлов во взаимоувязке со сроками выдачи проектно-сметной документации, поставок конструкций, технологического оборудования и комплектующих изделий.

2.25. График разрабатывается со степенью детализации по указаниям п. 2.8 с номенклатурой работ, достаточной для установления связей, обеспечивающих увязку во времени смежных специализированных потоков работ в пределах одного узла и возможность увязки этих потоков в пределах всего пускового комплекса.

2.26. Исходными данными для разработки графика дополнительно к перечисленным в п. 2.9 являются: схема разбивки на узлы; схема последовательности ввода узлов с учетом межузловых ограничений во времени.

Примеры представления исходных данных, порядок разработки и примеры комплексных укрупненных поузловых сетевых графиков приведены в Руководстве по применению узлового метода проектирования, подготовки, организации и управления строительством сложных объектов и крупных промышленных комплексов (М.: Стройиздат, 1981), а также в методических примерах проектов организации строительства предприятия химической промышленности, фабрики окомкования и комплекса доменной печи *, подготовленных ЦНИИОМТП.

* Методический пример проекта организации строительства предприятия химической промышленности. - М.: Стройиздат, 1983; методический пример проекта организации строительства фабрики окомкования. - М.: Стройиздат, 1983; методический пример проекта организации строительства комплекса доменной печи объемом свыше 5000 м3. - М.: Стройиздат, 1985.

3. СТРОИТЕЛЬНЫЙ ГЕНЕРАЛЬНЫЙ ПЛАН

3.1. Строительный генеральный план - это генеральный план проектируемого объекта, на котором показано расположение возводимых постоянных и временных зданий и сооружений, а также определены рациональный состав и размещение объектов строительного хозяйства в целях максимальной эффективности их использования с учетом требований охраны труда и пожаро-взрывобезопасности. Он является основным проектным документом, регламентирующим организацию строительной площадки и объемы временного строительства.

3.2. При разработке строительных генеральных планов необходимо руководствоваться следующими основными принципами:

строительный генеральный план является частью комплексной документации на строительство объектов, и его решения должны быть увязаны с решениями остальных разделов проекта, в том числе с принятой организацией и технологией работ и сроками строительства, установленными в календарных планах и сетевых графиках;

решения строительного генерального плана должны обеспечивать наиболее полное удовлетворение бытовых нужд работающих на строительстве;

временные здания, сооружения и инженерные сети должны располагаться на свободных участках площадки и в таких местах, которые позволяют осуществлять их эксплуатацию в течение всего периода строительства без разборки и переноса с места на место;

затраты на строительство временных зданий и сооружений должны быть минимальными, что достигается за счет временного использования для нужд строительства существующих и возводимых в первую очередь постоянных зданий, сооружений и инженерных сетей;

размещение временных производственных зданий и механизированных установок должно осуществляться возможно ближе к местам максимального потребления их продукции;

обеспечивать рациональное прохождение грузов на площадке за счет сокращения количества перегрузок и уменьшения расстояния перевозок.

Кроме того, при разработке строительных генеральных планов должны учитываться следующие требования:

расположение временных зданий и сооружений относительно строящихся объектов, сторон света и господствующих ветров должно осуществляться таким образом, чтобы обеспечивались условия для наиболее благоприятного естественного освещения и проветривания помещений; временные объекты должны располагаться компактно на ограниченной территории в целях сокращения протяженности временных сетей и облегчения условий управления строительством;

производственные, складские помещения и другие временные объекты вспомогательного назначения должны располагаться таким образом, чтобы исключалось неблагоприятное воздействие (в санитарном отношении) одного объекта на другой;

расположение площадок для складирования сгораемых материалов и складов для хранения легковоспламеняющихся материалов и жидкостей должно осуществляться с противопожарными разрывами между ними в соответствии с действующими нормами;

расположение и устройство складов для хранения взрывных веществ должно осуществляться в строгом соответствии с требованиями специальных инструкций.

3.3. В составе проекта организации строительства проектной организацией на основе вариантных проработок в целях достижения наиболее рационального состава и расположения всех элементов строительного хозяйства разрабатывается строительный генеральный план строительства промышленного предприятия, на котором даются принципиальные решения по организации строительного хозяйства всей площадки в целом. В нем указывается расположение: существующих и строящихся (реконструируемых) зданий и сооружений; знаков геодезической разбивочной основы; участков для размещения временных (инвентарных) зданий и сооружений; постоянных и временных железных и автомобильных дорог; основных инженерных сетей; складов; монтажных кранов и других строительных машин; механизированных установок; объектов производственной базы (с выделением условными обозначениями объектов, возводимых в подготовительный период строительства), а также существующих и подлежащих сносу строений.

3.4. Исходными данными для разработки строительного генерального плана служат:

генеральный план промышленного предприятия;

данные геологических, гидрогеологических и инженерно-экономических изысканий;

сметная документация;

календарный план строительства;

нормативные документы по проектированию строительных генеральных планов;

расчеты и обоснования потребности в материально-технических и энергетических ресурсах, временных зданиях и сооружениях и другие решения и материалы проекта организации строительства. Порядок расчета и обоснования потребности строительства в трудовых, материально-технических и энергетических ресурсах, а также временных зданиях и сооружениях в проекте организации строительства рассмотрен в разд. 5 настоящего Пособия.

Материалы геологических и гидрогеологических изысканий используются при размещении на строительной площадке объектов строительного хозяйства в том случае, когда необходимо знать несущую способность грунтов и другие их характеристики и уровень грунтовых вод.

Результаты инженерно-экономических изысканий используются при проектировании рациональных маршрутов и транспортных связей строительства с карьерами, поставщиками и т.п.

Рельеф местности и планировочные отметки существующих и проектируемых зданий и сооружений, зеленые насаждения, сети дорог и коммуникаций, показываемые на генеральном плане, служат основой для принятия рациональных решений по планировке территории строительства, отводу поверхностных вод, по схемам прокладки, отметкам и конструкциям временных дорог, для определения мест присоединения временных сетей к источникам питания и решения других вопросов.

3.5. Проектные материалы по строительному генеральному плану состоят из графической и текстовой части.

Графическая часть включает:

общий план строительной площадки с нанесенными на нем постоянными зданиями и сооружениями, знаками геодезической разбивочной основы и объектами временного строительного хозяйства;

экспликацию основных постоянных и всех временных зданий, сооружений и установок;

условные обозначения, принятые на строительном генеральном плане;

технико-экономические показатели.

Так как графической основой строительного генерального плана является генеральный план проектируемого объекта, масштаб изображения на строительном генеральном плане следует принимать таким же, как и на генеральном плане (1:1000; 1:2000; 1:5000), а для линейных объектов большой протяженности - 1:100000 - 1:200000.

Экспликация временных зданий и сооружений должна включать все титульные здания (сооружения), данные об объемах работ, площади, протяженности каждого временного устройства, его габаритах в плане, конструктивную характеристику (тип, марку, краткое описание).

Условные обозначения для временных объектов следует принимать такими же, как и для существующих и проектируемых постоянных зданий, сооружений и инженерных сетей с выделением их специальными знаками и символами в соответствии с рекомендуемыми обозначениями, приведенными в табл. 4.

Расчетно-пояснительная записка к строительному генеральному плану должна содержать необходимые обоснования принятых в генеральном плане решений по всем элементам строительного хозяйства.

Таблица 4. Принятые обозначения

Объект

Принятое обозначение

Примечание

1. Здания:

 

Назначение подсобно-вспомогательных зданий дополнительно обозначается буквенным индексом. Например, для производственных - ПП, ИП, ВП; для контор - ПК, ИК, ВК и т.д.

постоянные, существующие

то же, возводимые

то же, временно используемые для нужд строительства

инвентарные

временные

сносимые

2. Дороги:

 

Для двухпутных дорог приведенные обозначения повторяются. Дороги узкой колеи обозначаются индексом УК

железные:

 

постоянные, существующие

то же, возводимые

временные

Для двухпутных дорог приведенные обозначения повторяются. Дороги узкой колеи обозначаются индексом УК

сносимые

 

автомобильные:

 

 

постоянные, существующие

Материал покрытия дорог и пешеходных путей и их участков указывается путем введения буквенного индекса. Например, АБ - асфальтобетонное покрытие, СЖБ - сборное железобетонное

то же, возводимые

то же, временно

используемые для нужд строительства

 

 

с инвентарным покрытием

 

временные

 

сносимые

 

с двухсторонним движением

 

места разгрузки, разъезды, уширения и т.п.

Вид контура зависит от характера дороги (постоянная, временная и т.д.)

Пешеходные пути

 

Переезды или переходы через железные дороги

 

3. Ограждения:

 

 

постоянные, существующие

Материал ограждения обозначается введением дополнительного буквенного индекса. Например, ОД - деревянное ограждение, ОМ - металлическое

то же, возводимые

инвентарные

временные

сносимые

Материал ограждения обозначается введением дополнительного буквенного индекса. Например, ОД - деревянное ограждение, ОМ - металлическое

ворота

 

калитки

 

4. Объекты электроснабжения:

 

Напряжение прокладываемых линий указывается дополнительными цифровыми индексами. Например, сеть напряжением до 1 кВ - ВЭ-1

временная ЛЭП или электрическая сеть на высоких опорах

 

то же, наземная или прокладываемая в стене здания

 

то же, подземная со смотровыми колодцами

 

шкаф распределительный

 

щит (щиток) для подключения

 

то же, аварийного обеспечения

 

прожекторная мачта

Порядковый номер мачты или опоры №, установленная мощность С, высота сооружения h, угол поворота a

опора со светильником

 

то же, с оттяжкой

 

направление проекции осевого луча прожектора

 

5. Объекты водоснабжения:

временная хозяйственно-питьевая сеть и смотровые колодцы

Диаметр труб (мм), давление в сети (ПА) и др. указываются путем введения цифровых индексов. Например, ВПЖ-12,5, ВПЖ-2

то же, противопожарная сеть и гидранты

 

то же, производственная сеть и смотровые колодцы

 

то же, горячего водоснабжения и смотровые колодцы

 

питьевой фонтанчик

 

постоянная сеть водопровода

 

постоянная сеть горячего водоснабжения

 

производственная сеть горячего водоснабжения

 

6. Канализация:

временная сеть бытовой канализации и смотровые колодцы

 

производственная сеть и смотровые колодцы

 

постоянная сеть и смотровые колодцы

 

то же, ливневая

 

7. Различные сооружения:

 

 

навесы, сараи, укрытия

Вид контура зависит от характера сооружения (постоянное, временное и т.д.)

открытые складские площадки

 

мосты, переходы

 

подкрановые пути и концевые упоры, тупики

 

8. Дополнительные знаки:

направление движения автотранспорта, крана

 

стоянка крана

 

геодезический знак закрепления разбивочных осей

 

3.6. Проектирование строительного генерального плана осуществляется в следующем порядке:

на основе календарного плана строительства определяется потребность в трудовых, материально-технических и энергетических ресурсах по периодам и этапам строительства;

на основе выявленной потребности в ресурсах определяются виды и количество временных зданий, сооружений, устройств, строительных машин и механизированных установок;

на генеральном плане участка строительства определяются границы строительной площадки;

производится размещение и привязка всех элементов временного строительного хозяйства (в первую очередь привязываются к объектам монтажные механизмы, площадки для размещения временных зданий, приобъектные склады и дороги, механизированные установки и площадки укрупнительной сборки строительных конструкций и оборудования и т.д.).

3.7. При разработке строительных генеральных планов должна быть определена потребность и решены вопросы обеспечения строительства электроэнергией, водой, сжатым воздухом, кислородом, ацетиленом и другими газами.

При этом на стадии разработки строительного генерального плана проекта организации строительства решаются следующие вопросы:

определяется ориентировочная потребность в указанных ресурсах (в соответствии с указаниями разд. 5 настоящего Пособия);

выбираются и обосновываются наиболее рациональные схемы инженерных сетей, энергетических линий и пункты подключения временных сетей к действующим;

выбираются наиболее эффективные по технико-экономическим показателям источники водоснабжения; устанавливаются места бурения артезианских скважин, характер оборудования водозаборов и фильтроочистных устройств; определяется дебит водоисточников и качество их воды;

определяется ориентировочная потребность строительства в оборудовании и кабельной продукции, необходимых для устройства временных энергетических линий и инженерных сетей;

производится согласование с соответствующими организациями вопросов выделения строительству электроэнергии, воды, газа в необходимом количестве и требуемых параметров.

При этом электроснабжение строительства следует проектировать, как правило, от действующих систем или с использованием для нужд строительства запроектированных постоянных сооружений. Временные источники (передвижные электростанции, энергопоезда) следует использовать только в начальный период строительства до ввода в эксплуатацию постоянных объектов электроснабжения основного производственного назначения. Временные сети высокого и низкого напряжения следует проектировать, как правило, воздушными. Прокладка временных линий электропередачи в траншеях допускается в тех случаях, когда применение воздушных линий может осложнить условия производства работ или недопустимо по технике безопасности. При временном электроснабжении должны применяться преимущественно инвентарные передвижные и столбовые трансформаторные подстанции, переносные опоры и штепсельные соединения проводов.

Водоснабжение строительства следует проектировать с учетом действующих систем водоснабжения, расположенных вблизи строительной площадки. При устройстве сетей временного водоснабжения в первую очередь следует прокладывать и использовать сети запроектированного постоянного водопровода.

Для обеспечения строительства сжатым воздухом следует предусматривать использование действующих стационарных компрессорных станций или передвижных компрессорных установок в зависимости от объема и характера строительно-монтажных работ.

Схемы энергоснабжения, водоснабжения, газоснабжения и связи должны быть решены комплексно в увязке со всеми этапами выполнения работ и с учетом последующего развития строительства в данном районе.

3.8. Оценку эффективности различных вариантов строительного генерального плана следует производить по его технико-экономическим показателям:

протяженность и стоимость временных дорог;

протяженность и стоимость временных энергетических линий и сетей, отнесенные к единице площади застройки (1 га);

объем и стоимость работ по созданию временного строительного хозяйства, отнесенные к 1 млн. руб. стоимости строительно-монтажных работ по основным объектам или на единицу площади строительной площадки (1 га);

удельный вес стоимости временного строительного хозяйства (в процентах) в общей стоимости строительства и в сопоставлении ее со сметным лимитом на временное строительство.

Помимо этих основных технико-экономических показателей строительный генеральный план должен также оцениваться с точки зрения других факторов, не учтенных системой общепринятых показателей. Так следует оценивать соответствие принятой схемы устройства подъездных путей удобству работы транспорта, наибольшие расстояния переходов от бытовок к рабочим местам.

3.9. В том случае, когда организационными и техническими решениями охватывается территория за пределами площадки строительства, а также для объектов, материально-техническая база которых находится вне пределов строительной площадки, разработке строительного генерального плана в составе проекта организации строительства предшествует составление ситуационного плана района строительства.

КРАН КБ.к-160.2

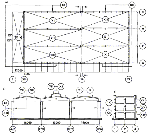
Рис. 5. Строительный генеральный план строительства обогатительной фабрики

На ситуационном плане района строительства показывается расположение: предприятий материально-технической базы; населенных пунктов; внешних путей сообщения и дорог, станций примыканий к железнодорожным путям; линий связи и электропередач; промышленных и энергетических предприятий, магистральных линий водо- и газоснабжения, канализации; основных проектируемых объектов, трасс подъездных путей; подводящих сетей электроснабжения, связи и мест их примыкания к внешним магистральным линиям; границ территории строящегося объекта, вырубки леса и участков, временно отводимых для нужд строительства.

Ситуационный план составляется на основе данных, полученных в результате технико-экономических изысканий и обследований природных условий района, а также по материалам проекта районной планировки и по отдельным проектам промышленных предприятий, предусмотренных к строительству в данном районе.

В зависимости от степени рассредоточенности указанных объектов, величины занимаемого ими района ситуационный план может составляться в масштабах 1:5000; 1:10000; 1:25000, а для объектов водохозяйственного назначения и магистральных трубопроводов - 1:50000; 1:100000.

Рис. 6. Ситуационный план строительства обогатительной фабрики

3.10. В качестве примера приведены строительный генеральный план (рис. 5) и ситуационный план (рис. 6) строительства обогатительной фабрики. Экспликация строящихся зданий и сооружений пускового комплекса дана в табл. 5.

Таблица 5. Экспликация строящихся зданий и сооружений

№ п.п.

Объект

Количество

Размер в плане, м

Высота, м

Количество пролетов

Строительный объем, м3

1

Корпус обогащения

1

150 ´ 150

20 - 52

7

816200

2

Корпус крупного дробления

1

24 ´ 36

57

2

49248

3

Корпус среднего и мелкого дробления

1

36 ´ 60

43

2

92880

4

Усреднительный склад руды

1

42 ´ 120

32

1

80640

5

Корпус сгущения пульпы

1

50 ´ 120

34

3

136690

6

Корпус сушки концентрата

1

36 ´ 72

28

2

72576

7

Силовая установка

1

24 ´ 78

48

1

89856

8

Заводоуправление

1

18 ´ 76

27

5 эт.

36936

9

Галлереи материало- и токопроводов

8

6 ´ 596

6

1

21456

10

Погрузочное устройство

1

12 ´ 12

21

1

3024

11

Устройство для приема топлива

1

18 ´ 32

16

2

9216

12

Кладовая хранения баллонов

1

18 ´ 18

8

1

2592

13

Склад ГСМ

1

18 ´ 30

12

1

6480

14

Резервуары оборотной воды

2

a = 9

9

1

1145

15

Резервуар производственной воды

2

18 ´ 18

12

1

7776

16

Резервуары питьевой воды

2

a = 7

6

1

462

17

Склад топлива

4

a = 9

10

1

3240

4. ГЕОДЕЗИЧЕСКОЕ ОБЕСПЕЧЕНИЕ СТРОИТЕЛЬСТВА

Основные требования к местоположению знаков закрепления разбивочных осей зданий и сооружений

4.1. Для перенесения проектных параметров здания (сооружения) в натуру, производства детальных разбивочных работ и исполнительных съемок на строительной площадке создается внешняя разбивочная сеть здания (сооружения), пункты которой закрепляют на местности основные, главные и промежуточные разбивочные оси.

4.2. На стройгенплане показываются места расположения знаков, закрепляющих следующие разбивочные оси:

основные, определяющие габариты здания, сооружения (крайние координационные оси по ГОСТ 21.101-79, рис. 7, а, б);

главные оси симметрии здания (сооружения), технологического оборудования (рис. 8 - 10);

промежуточные в местах температурных (деформационных) швов, расположенные через 50 - 60 м (см. рис. 7, а).

Рис. 7. Схема закрепления основных и промежуточных осей промышленных сооружений простой (а) и усложненной (б) конфигураций

Рис. 8. Схема закрепления главных разбивочных осей сооружений башенного типа

Рис. 9. Схема закрепления главных разбивочных осей линейных сооружений

Рис. 10. Схема закрепления главных разбивочных осей углов поворота линейных сооружений

Количество разбивочных сетей, закрепляемых осевыми знаками, зависит от конфигурации и размеров здания (сооружения) (рис. 7 - 10). В исключительных случаях, когда нет возможности показать закрепление всех разбивочных осей, для небольших зданий (сооружений) допустим показ закрепления двух разбивочных осей продольной и поперечной.

4.3. При строительстве производственных зданий (сооружений) значительной длины (более 100 м) с поточными и автоматическими линиями, промышленных зданий с комплексами агрегатов, технологически связанных между собой, а также зданий (сооружений) сложной конфигурации показываются осевые знаки, закрепляющие главные разбивочные оси (см. рис. 8, 10).

4.4. При строительстве отдельно стоящих зданий (сооружений) простой конфигурации, не связанных технологическими линиями и не имеющими сложного технологического оборудования, показываются осевые знаки, закрепляющие основные оси (см. рис. 7).

Для цехов с механизмами большой протяженности, требующими точной соосности, главные разбивочные оси совмещаются с осями механизмов.

4.5. Знаки закрепления разбивочных осей башенных сооружений высотой до 100 м целесообразно размещать по направлениям главных осей от его проектного центра (см. рис. 18).

Для сооружений с большим поперечным сечением, как, например, телебашни, градирни, целесообразно применять схему размещения знаков в виде радиально-кольцевой сети. Осевые знаки располагаются на концентрических окружностях различных радиусов с центром, совпадающим с центром башни. Величина радиуса-вектора зависит от размера сечения сооружений и высоты башни.

4.6. Каждая основная и промежуточная разбивочные оси закрепляются двумя осевыми знаками - по одному знаку с каждой стороны здания (сооружения) (см. рис. 7).

Главные разбивочные оси закрепляются четырьмя знаками - по два знака с каждой стороны здания (сооружения) (см. рис. 7 - 10). Расстояние между парными осевыми знаками должно быть в пределах 15 - 50 м, для линейных сооружений - до 100 м.

В тех случаях, когда невозможно закрепить главные разбивочные оси четырьмя знаками, показывают два знака - по одному с каждой стороны здания (сооружения).

4.7. Основные требования к местоположению знаков закрепления разбивочных осей (осевых знаков) следующие:

должна быть видимость от знака до здания, для чего необходимо предусматривать свободные полосы шириной 1 м;

неизменность положения знака на весь период строительства, особенно на период строительства подземной части здания, сооружения;

возможность выполнения геодезических измерений с учетом требований техники безопасности при производстве строительно-монтажных работ.

4.8. В целях лучшей сохранности осевых знаков их надлежит размещать на газонах, обочинах дорог, вдоль заборов, за пределами котлована, в местах, свободных от постоянных и временных зданий, сооружений, в том числе подземных и надземных коммуникаций, дорог, строительных конструкций, материалов, изделий и оборудования, складских площадок, механизмов.

Осевые знаки не должны попадать в зону нарушения грунта при выполнении строительно-монтажных работ. Размещение их увязывается с проектными решениями по организации земляных и строительно-монтажных работ. Складирование строительных конструкций, материалов допустимо не ближе 2 м от центра знака.

Участки, занятые осевыми знаками, обозначаются условными знаками  3 мм или  3 мм, если осевой знак совмещен с репером.

Осевые знаки, как правило, показываются на расстоянии 15 - 30 м от контура здания. Наименьшее расстояние допускается 3 м от бровки котлована, границы призмы обрушения грунта, наибольшее - полуторная высота здания (сооружения), но не более 50 м.

Расстояние между осевыми знаками, закрепляющими промежуточные поперечные оси, может достигать 50 - 100 м.

4.9. Для кривых линейных сооружений показываются места закрепления главных точек.

При закреплении разбивочных осей тоннелей, эстакад, подпорных стен, имеющих значительную длину, на продольных осях показываются промежуточные знаки через 50 - 100 м.

4.10. При строительстве предприятий и группы зданий (сооружений) на стройгенплане показывают один нивелирный репер для каждого здания (сооружения). Расстояние между реперами 200 - 300 м.

При строительстве отдельных строящихся зданий (сооружений) показываются два репера.

При строительстве инженерных сетей показывается один репер через 0,5 км. Репера, как правило, совмещают с осевыми знаками.

4.11. Определение рациональной схемы размещения геодезических знаков, предусматривающей их устойчивость, сохранность и доступность, является необходимым условием своевременного и качественного выполнения геодезических работ на стройплощадке.

Основные особенности построения геодезической разбивочной основы при строительстве сложных объектов

4.12. Построение геодезической разбивочной основы выполняется по специальному проекту, разработанному специализированной проектной организацией, по окончании вертикальной планировки.

Геодезическая разбивочная основа для строительства состоит из разбивочной сети строительной площадки и внешней разбивочной сети здания (сооружения), которые включают в себя плановые и высотные сети.

В состав геодезической разбивочной основы сложных объектов должна входить внешняя разбивочная сеть зданий (сооружений), знаки которых закрепляют главные или основные оси.

4.13. Для выбора рациональной схемы, методов, точности построения геодезической разбивочной основы в проекте организации строительства указываются особенности геологических и природных условий строительства объекта, новой технологии работ, новых строительных конструкций, наличие уникального технологического оборудования, а также здания (сооружения), соединенные технологическими связями, особенности конфигурации и очередность строительства отдельных зданий (сооружений).

4.14. При строительстве объектов стороны разбивочной сети строительной площадки располагаются параллельно главным или основным осям зданий (сооружений), а знаки сети - по периметру строительной площадки за ее пределами.

4.15. Для зданий (сооружений) со сложными геометрическими формами в плане, в зависимости от их конфигурации, построение разбивочной сети выполняется в виде сети треугольников, многоугольников, центральных фигур.

4.16. При строительстве объектов с уникальным технологическим оборудованием знаки внешней разбивочной сети здания (сооружения) располагаются на главных технологических осях или линиях, им параллельных, в местах, удобных для геодезического контроля монтируемых конструкций и оборудования.

За исходное направление при проектировании и построении разбивочной сети принимается главная технологическая ось оборудования или линия, ей параллельная. В пояснительной записке проекта организации строительства указывается технологическая ось, которая принимается как разбивочная. Знаки устанавливаются на твердом основании. В конструкции знаков должны быть предусмотрены особенности геологических и природных условий.

Технологические оси закрепляются фундаментными знаками с глубиной закладки до коренных пород.

4.17. Точность геодезической разбивочной основы должна удовлетворять точности строительства объекта в целом, а также отдельных зданий (сооружений) и приниматься по ГОСТ 21779-82 и СНиП 3.01.03-84 или рассчитываться на основе технических условий и проектных требований.

4.18. Нивелирная сеть строится с таким расчетом, чтобы обеспечить передачу проектных высот (отметок) от реперов, расположенных на расстоянии не более 200 - 300 м.

Отметки высот должны определяться в единой системе.

Для устойчивости знаков нивелирной сети на строительной площадке закладываются фундаментные реперы, и это оговаривается в пояснительной записке ПОС.

Количество фундаментных реперов определяется размерами строительной площадки, сложностью объекта, конфигурацией зданий, сооружений и другими факторами.

Геодезический контроль в процессе строительства

4.19. Геодезический контроль точности геометрических параметров зданий (сооружений), в том числе исполнительные съемки являются составной частью производственного контроля качества. Геодезический контроль включает определение действительного планового и высотного положения и положения относительно вертикали элементов, конструкций и частей зданий (сооружений) как на стадии временного закрепления (операционный контроль), так и после окончательного их закрепления (приемочный контроль).

4.20. Методы геодезического контроля точности геометрических параметров зданий (сооружений) должны предусматриваться на разных стадиях производственного контроля качества строительно-монтажных работ, т.е. при входном, операционном и приемочном контролях, что должно быть оговорено в пояснительной записке ПОС.

4.21. Методы геодезического контроля точности геометрических параметров элементов, конструкций и частей зданий (сооружений) выбираются при разработке ППГР с учетом новых строительных конструкций, новой технологии работ, технологического оборудования, сложных геологических и природных условий и других факторов, о чем указывается в пояснительной записке ПОС.

4.22. Контролируемые в процессе строительства геометрические параметры зданий (сооружений), перечень ответственных конструкций и частей, подлежащих геодезическому контролю в процессе строительства, рекомендуется приводить в пояснительной записке ПОС.

4.23. В процессе строительства необходимо следить за сохранностью и устойчивостью знаков геодезической разбивочной основы и контролировать их положение с помощью инструментов не реже двух раз в год (в весенний и осенне-зимний периоды). В случае нарушения сохранности или устойчивости знаков они должны быть своевременно восстановлены.

4.24. При строительстве сложных объектов производятся геодезические измерения деформаций оснований, конструкций зданий (сооружений) и их частей в соответствии со СНиП 3.01.03-84 и ГОСТ 24846-81.

4.25. В ПОС указывается, что акты освидетельствования скрытых работ, акты приемки работ нулевого цикла, акты промежуточной приемки ответственных конструкций и другая исполнительная документация, а также оценка качества строительно-монтажных работ должны составляться на основе данных исполнительных геодезических схем и чертежей (СНиП 3.01.03-84, СНиП III-16-80).

4.26. При определении потребности в кадрах строителей потребность в работниках геодезической службы определяется из расчета 1,5 - 2 млн. руб. СМР на одного инженерно-технического работника геодезической службы в год. Потребность рабочих замерщиков определяется из расчета один - два человека на одного геодезиста. Потребность в кадрах геодезической службы уточняется при разработке проекта производства геодезических работ.

4.27. Геодезические работы, выполняемые в подготовительный и основной периоды строительства, включаются в ведомость объемов работ. Стоимость этих работ, выполняемых в подготовительный и основной периоды строительства, включается в сметную стоимость зданий (сооружений).

5. ОПРЕДЕЛЕНИЕ ПОТРЕБНОСТИ В МАТЕРИАЛЬНО-ТЕХНИЧЕСКИХ, ЭНЕРГЕТИЧЕСКИХ И ТРУДОВЫХ РЕСУРСАХ

5.1. Для решения вопросов о материально-техническом обеспечении стройки в составе проекта организации строительства составляется форма 3 (СНиП 3.01.01-85) «Ведомость потребности в строительных конструкциях, изделиях, материалах и оборудовании». Потребность в материальных ресурсах определяется с целью оценки возможностей предприятий существующей базы строительной индустрии обеспечить данную стройку материальными ресурсами как по отдельным основным объектам, так и в целом по календарным периодам строительства. На основании данных этой формы делается вывод о достаточности или необходимости развития (расширения) мощностей предприятий промышленности строительных материалов и строительной индустрии для удовлетворения потребности стройки в материальных ресурсах. В проекте организации строительства, таким образом, устанавливается ориентировочная потребность стройки в основных материальных ресурсах по их укрупненной номенклатуре для принципиального решения вопросов об источниках ее покрытия.

Данные формы 3 о потребности в материалах не являются основанием для составления заявок на них, в том числе в УПТК, и обеспечения ими строящихся объектов.

Потребность в материальных ресурсах должна определяться по физическим объемам работ на основании предварительно принятых в рабочем проекте (проекте) технологических, объемно-планировочных и конструктивных решений; данных привязываемых типовых проектов; данных для объектов-аналогов с использованием накапливаемых данных («банка данных»); расчетных нормативов (показателям) для разработки ПОС на укрупненные стоимостные или натуральные (физические) измерители.

Для сложных и крупных объектов строительства взамен формы 3 в составе ПОС рекомендуется разрабатывать «формы товародвижения» (табл. 6). При разработке этой формы целесообразно предусматривать следующие схемы поставки по видам продукции транзитом:

от предприятий строительной индустрии непосредственно на строительные объекты (гр. 3) - сборных строительных конструкций, изделий, деталей, кирпича, блоков деревянных, растворных и бетонных смесей, полуфабрикатов, камня бутового и т.п.;

от промышленных предприятий и карьеров предприятиям строительной индустрии (гр. 4) - цемента, металлопроката, лесоматериалов, гравия, щебня, песка и т.п.;

от заводов-поставщиков на производственно-комплектовочные базы УПТК строительно-монтажных объединений и трестов (гр. 6):

а) сборных строительных конструкций, изделий, деталей, кирпича, блоков деревянных и т.п., поступающих от отдаленно расположенных предприятий строительной индустрии;

б) труб нефтепроводных, горячекатаных, чугунных, газовых, асбестоцементных, керамических; плит древесно-волокнистых, изоляционных, фибролитовых, минераловатных; кровельных материалов; нефтебитума, плиток керамической, облицовочной, глазурованной, мозаичной и т.п. - при потреблении этой продукции в пределах действующих транзитных норм отгрузки;

на предприятия по поставкам продукции Госснабов союзных республик и главных территориальных управлений Госснаба СССР (гр. 5).


Таблица 6. Ведомость потребности в строительных конструкциях, изделиях, материалах и оборудовании (формы товародвижения)

№ строки

Наименование

Единица измерения

Всего по строительству

В том числе по календарным периодам строительства и основным объектам

Условия поставки (формы товародвижения)

транзитом на объекты строительства

транзитом на предприятия строительной индустрии

на предприятия по поставкам продукции Госснаба СССР

на производственно-комплектовочную базу УПТК объединений и трестов

транзитом от заводов-поставщиков

от предприятий по поставкам продукции Госснаба СССР

А

Б

В

1

2

3

4

5

6

7

 

 

 

 

 

 

 

 

 

 

Примечания: 1. Номенклатура конструкций, изделий, материалов и оборудования (гр. Б) должна быть определена в зависимости от вида и особенностей строительства. 2. Потребность в материалах показывается дробью: в числителе - общая потребность, в знаменателе - потребность, за исключением материалов для изготовления конструкций и изделий на предприятиях строительной индустрии. 3. Распределение потребности в ресурсах (гр. 2) должно предусматривать обеспечение ресурсами выделяемых пусковых комплексов, а также необходимый задел на будущие периоды строительства. 4. Определение условий поставки ресурсов для обеспечения покрытия потребности в них (выбор форм товародвижения) осуществляется проектной организацией на основе переданных подрядчиком и согласованных им с территориальными органами Госснаба СССР данных по условиям поставки материалов транзитом, через производственно-комплектовочные базы, предприятия по поставкам продукции общегосударственной системы материально-технического снабжения.


Доставка с предприятий по поставкам продукции осуществляется:

непосредственно на строительные объекты - металлопроката, лесоматериалов (кроме направляемых на предприятия строительной индустрии), труб горячекатаных, нефтепроводных, чугунных, газовых и др., стальной проволоки и канатов; гвоздильно-проволочных изделий, оцинкованной и кровельной стали; кабельно-проводниковой продукции; лакокрасочной продукции, резинотехнических изделий, электротехнических материалов; инструмента строительного, режущего, измерительного, абразивного; санитарно-технического оборудования (приборов отопительных, водонагревательных, запорной арматуры, задвижек и т.п.); плитки керамической, облицовочной, глазурованной, кислотоупорной, мозаичной, оборудования и всей прочей продукции, потребляемой строительно-монтажными объединениями и трестами в размере, ниже транзитных норм;

на производственно-комплектовочные базы УПТК (гр. 7) по той же номенклатуре продукции:

а) при нахождении непосредственно в пунктах строительства предприятий по поставкам продукции завоз осуществляется для подукомплектования продукции;

б) при нахождении за пределами пункта строительства предприятий по поставкам продукции предусматривается завоз всей необходимой продукции, которая не может быть доставлена непосредственно в зону работы рабочих бригад.

5.2. При разработке ПОС предприятия, здания и сооружения и решении вопросов материально-технического обеспечения должны быть определены:

объемы строительных, монтажных и специальных строительных работ (включая монтаж технологического оборудования) с выделением объектов, очередей, пусковых комплексов и периодов строительства;

потребность в строительных конструкциях, изделиях, деталях, полуфабрикатах, основных материалах и оборудовании с распределением по объектам, очередям, пусковым комплексам и срокам строительства;

потребность в энергетических ресурсах (электрической энергии, топливе, паре, воде, кислороде);

потребность в основных строительных машинах и транспортных средствах;

потребность в трудовых ресурсах с распределением по категориям работающих (рабочие, служащие, ИТР, МОП и охрана).

Потребность определяется:

в строительных и дорожных машинах - на основе объемов работ в физических измерителях и годовой производительности машин, исчисляемой по отчетным данным строительно-монтажной организации об использовании машин с учетом планируемого роста их производительности;

в автотранспортных средствах - на основе грузооборота и годовой производительности, определяемой по отчетным данным строительно-монтажной организации об использовании автотранспорта с учетом планируемого роста производительности;

в трудовых ресурсах - на основе годовых объемов работ, выработки на одного рабочего в год и процентного соотношения численности работающих по их категориям с учетом планируемого роста производительности труда;

в жилье - на основе численности работающих в год максимальной потребности в трудовых ресурсах, нормы на одного проживающего и коэффициента семейности: в подготовительный период - 1,8 и в основной - 2,2. Удельный вес категорий работающих устанавливается по сложившейся структуре работников данного строительства, а в случае ее отсутствия - по данным табл. 7;

в средствах на строительство временных зданий и сооружений - на основании данных проекта организации строительства.

Таблица 7. Соотношение различных категорий работающих по видам строительства

Виды строительства

Категории рабочих, %

рабочие

ИТР

служащие

МОП и охрана

Промышленное

83,9

11

3,6

1,5

Жилищно-гражданское

84,5

11

3,2

1,3

Линейное

80,2

13,2

4,5

2,1

Сельское

83

13

3

1

Строительство газопроводов:

 

 

 

 

промысловое

83,5

10,9

4,1

1,5

линейное

83,4

9

5,9

1,7

Компрессорные и насосные станции

80,2

13,2

4,5

2,1

5.3. При определении потребности в материальных ресурсах, технических и транспортных средствах по расчетным нормативам (показателям)*, разработанным ЦНИИОМТП, необходимо учитывать следующие особенности:

* Расчетные нормативы (показатели) для составления проектов организации строительства: Ч. I - XIII. - М.: Стройиздат, 1966 - 1982.

нормативы (показатели) разработаны на объекты-представители как объективно-отраслевые, и в них примяты укрупненные стоимостные и физические измерители;

объемы работ и материально-технические ресурсы, необходимые для их выполнения, приняты, как правило, в пределах 1 - 7 глав сводного сметного расчета стоимости строительства;

нормативы (показатели) разработаны в сметных нормах и ценах, введенных в строительстве 1 января 1969 г., и приведены к стоимости строительства в I территориальном поясе с территориальным коэффициентом, равным 1. Для строительства в других территориальных поясах сметная стоимость строительно-монтажных работ должна быть приведена к сметной стоимости I территориального пояса путем применения соответствующих коэффициентов, а в случае их отсутствия - путем применения поясных территориальных коэффициентов:

территориальные пояса

..................

I

II

III

IV

V

VI

VII

VIII

IX

коэффициенты

..................

1

1,05

1,1

1,15

1,26

1,8

2

2,1

2,7

Приведение осуществляется путем деления сметной стоимости на коэффициент.

5.4. Потребность в энергетических ресурсах (электроэнергии, топливе, паре) зависит от вида строительства, годового объема строительно-монтажных работ, района строительства и его природно-климатических условий; потребность определяется по формуле

Pп = K1P,                                                              (1)

где K1 - коэффициент, учитывающий изменение стоимости строительно-монтажных работ в зависимости от района строительства, средней температуры наружного воздуха и продолжительности строительного периода; принимается по приведенным ниже значениям; Р - нормативный показатель потребности в ресурсах, приведенный в табл. 2 - 11 Расчетных нормативов для составления проектов организации строительства, ч. IV. - М.: Стройиздат, 1973.

Значения коэффициента К1:

Таджикская ССР, Молдавская ССР, Дагестанская АССР, Узбекская ССР (Ташкентская обл.)

0,8

Киргизская ССР, Армянская ССР, Узбекская ССР (Хорезмская обл.)

0,84

Московская (без г. Москвы), Калининская, Тульская области, Казахская ССР (Алма-Атинская и Талды Курганская области)

1

г. Москва

1,05

Владимирская, Ивановская, Рязанская, Саратовская, Тамбовская области, Карельская АССР

1,06

Вологодская, Куйбышевская, Ульяновская области

1,14

Челябинская, Томская области (южнее 55-й параллели), Казахская ССР (Карагандинская обл.)

1,28

Краснодарский край, Украинская ССР (области: Закарпатская, Ивано-Франковская, Одесская, Николаевская, Херсонская)

0,83

Украинская ССР (области: Житомирская, Запорожская, Винницкая, Днепропетровская, Львовская, Тернопольская, Хмельницкая)

0,87

Белорусская ССР, Украинская ССР (области: Полтавская, Черниговская, Донецкая, Киевская (включая Киев), Крымская, Ворошиловградская, Черкасская, Харьковская)

1,02

Таджикская ССР, Кабардино-Балкарская АССР, Северо-Осетинская АССР, Узбекская ССР (области: Сурхандарьинская, Ферганская, Андижанская, Кашкадарьинская, Наманганская, Самаркандская, Сырдарьинская)

0,81

Литовская ССР, Латвийская ССР, Украинская ССР (области: Кировоградская, Ровненская, Черновицкая, Волынская и Ставропольский край)

0,83

Эстонская ССР, г. Ленинград, Брянская, Псковская области, Украинская ССР (Сумская обл.), РСФСР (Ростовская обл.)

0,93

Астраханская, Волгоградская, Горьковская, Смоленская, Ярославская области

1,04

Башкирская АССР, Кировская обл.

1,22

Азербайджанская ССР, Бухарская обл., Караколпакская АССР, Чечено-Ингушская АССР, Калининградская обл.

0,81

Белгородская, Воронежская, Курская, Ленинградская (без г. Ленинграда), Липецкая области, Калмыцкая АССР

0,95

Марийская АССР, Алтайский, Приморский края, Калужская, Кемеровская, Свердловская области

1,19

Грузинская ССР

0,78

Мордовская АССР, Чувашская АССР, Архангельская, Костромская, Пермская области, Казахская ССР (Актюбинская обл.)

1,14

Хабаровский край (южнее 55-й параллели), Новосибирская, Амурская области

1,49

Казахская ССР (Чимкентская обл.), Туркменская ССР

0,79

Новгородская, Орловская области, Казахская ССР (Кзыл-Ординская обл.)

0,96

Татарская АССР, Курганская, Оренбургская, Пензенская области, Казахская ССР (Семипалатинская обл.), Восточно-Казахстанская обл., Удмуртская АССР

1,15

Бурятская АССР, Омская, Томская, Иркутская области

1,41

Читинская обл., Красноярский край

1,58

Казахская ССР (Джамбулская обл.)

0,78

Мурманская обл., Казахская ССР (Уральская обл.)

1,09

Казахская ССР (Целиноградская и Кустанайская области), Коми АССР

1,26

Казахская ССР (Гурьевская обл.)

0,78

Казахская ССР (Кокчетавская и Павлодарская области), Тюменская обл. (южнее 60-й параллели)

1,22

Тувинская АССР, Казахская ССР (Северо-Казахстанская обл.)

1,38

Коэффициент K1 применяется при составлении проектов организации строительства только по расчетным нормативам (показателям), издаваемым ЦНИИОМТП.

Для объектов строительства на территориях Якутской АССР, Чукотского национального округа, Сахалинской и Камчатской областей и севернее Полярного круга потребность в ресурсах определяется путем расчетов, учитывающих конкретные климатические и геофизические условия района строительства.

При достаточных данных об условиях строительства потребность в ресурсах определяется путем прямого подсчета.

Суммарная потребность в электроэнергии выражается следующей формулой:

Рм = 1,1/cosj1SРc + К2SРм + К3SРов + К4SРон),                            (2)

где Рм - общая потребность мощности, кВ×А; 1,1 - коэффициент, учитывающий потери мощности в сетях; K1, К2, К3, К4 - коэффициенты одновременности, зависящие от вида и числа потребителей; принимаются 0,6 - 1; Рс - силовая мощность, потребляемая строительными машинами, инструментами, механизмами, кВт; Рм - потребляемая мощность на технологические нужды (электроподогрев бетона), кВт; Рвн - потребляемая мощность для внутреннего освещения помещений, кВт; Рон - потребляемая мощность для наружного освещения дорог, проездов, фронта работ, кВт; cosa - коэффициент мощности, в среднем равный 0,75.

5.5. Энергоемкость по воде определяется отношением общей потребности в воде к укрупненному стоимостному или физическому измерителю, выраженному в л/с.

Общая потребность в воде слагается из потребности для: производственных и санитарно-бытовых нужд, производства строительно-монтажных работ, транспортных средств, строительных машин, трансформаторов, противопожарных мероприятий.

Потребность для производственных нужд определяется по формуле

Рп = Р1К1/8×3600, л/с;                                                        (3)

для санитарно-бытовых нужд по формуле

Рб = Р2К1/8×3600, л/с,                                                      (4)

где Р1 - расход воды в смену (8 ч) для производства, л; Р2 - расход воды на бытовые нужды по площадке за смену, л; K1 - коэффициент неравномерности потребления, равный для: строительно-монтажных работ - 1,6; отделочных строительных работ - 1,5; силовых установок - 1,1; транспортного хозяйства - 1; санитарно-бытовых нужд - 2,7; подсобных предприятий - 1,25.

5.6. Энергоемкость по сжатому воздуху определяется отношением общей потребности к укрупненному стоимостному или физическому измерителю, выраженному в м3/мин и приведенному затем в потребное количество компрессорных установок (шт.).

Мощность компрессорной установки определяется по формуле

Q = mSqKо,                                                                (5)

где Q - потребная производительность компрессорной установки, м3/мин; q - потребность каждого инструмента в воздухе, м3/мин; m = (1,3 - 1,5) - коэффициент, учитывающий потери воздуха в трубопроводах и инструменте; Ко - коэффициент, при одновременном присоединении инструмента:

Количество инструмента                                                    Кo

1.............................................................................. 1

2 - 3........................................................................ 0,9

4 - 6........................................................................ 0,83 - 0,8

7 - 10...................................................................... 0,78 - 0,71

12 - 20.................................................................... 0,69 - 0,56

25 - 40.................................................................... 0,55 - 0,53

50 - 80.................................................................... 0,54 - 0,42

Потребность пневмоинструмента в сжатом воздухе составляет, м3/мин:

перфораторы легкие............................................................ 1,4 - 1,6

перфораторы тяжелые........................................................ 1,8 - 2,5

отбойные молотки.............................................................. 0,9 - 1,3

пневмолопаты и пневмолоты............................................ 1

пневмотрамбовки................................................................ 0,8

сваебойные копры.............................................................. 1,8

цемент-пушка...................................................................... 5

шлифовальная машина с кругом диаметром 50 см........... 1

шлифовальная машина с кругом диаметром 125 см......... 1,6

штукатурный аппарат......................................................... 2 - 2,5

окрасочный аппарат........................................................... 0,2 - 0,3

5.7. Энергоемкость по топливу определяется отношением общей потребности, выраженной в тоннах условного топлива, к укрупненному стоимостному или физическому измерителю.

Часовой расход тепла, необходимого для обогрева помещений здания, определяется по формуле

Q = [aq0(tвн - tн)]Vн,                                                         (6)

где a - коэффициент, учитывающий изменение удельной тепловой характеристики q0, в зависимости от климатических условий; q0 - удельная тепловая характеристика здания, ккал/(ч×м3×°С); tн - расчетная температура наружного воздуха, °С; tвн - расчетная внутренняя температура помещений, °С; Vн - объем здания по наружному обмеру, м3.

Общая потребность в тепле слагается из потребностей всех потребителей строительного объекта.

5.8. Потребность в кислороде определяется по формуле 1 путем умножения показателя потребности на коэффициент К1.

5.9. Потребность в основных материальных ресурсах определяется по формуле

Вн = К2В1,                                                                (7)

где К2 - коэффициент, учитывающий изменение сметной стоимости строительства в зависимости от района. Коэффициент применяется для показателей, определенных на укрупненный стоимостной измеритель; В1 - нормативный показатель потребности в ресурсах, приведенный в таблицах «Расчетных показателей».

5.10. Определение потребности во всех видах ресурсов производится по объекту в целом, т.е. на объем работ, предусмотренный семью главами сводной сметы, и отдельно по объектам основного производственного назначения в объеме, предусмотренном во 2-й главе сводного сметного расчета стоимости строительства.

Конструкции, изделия, полуфабрикаты и материалы учитываются в количествах, необходимых для выполнения всех видов работ.

Потребность в металле, цементе, лесоматериале, щебне (гравии) и песке определяется в полном объеме и отдельно в объеме, необходимом для работ, выполняемых непосредственно на строительной площадке. Указанная потребность в ресурсах обозначается в виде дроби: над чертой - общая потребность, под чертой - потребность на строительной площадке.

5.11. Потребность в таких материалах, как цемент, металл и лесоматериалы, определяется дифференцированно по их маркам, классам и видам; при этом приводятся: цемент - к единой марке М400; металл - к классу A-I или С38/23; лесоматериал - к круглому или пиленому.

Цемент (ГОСТ 10178-62*) учитывается в объеме, необходимом для производства всех видов работ на данной стройке.

Приведение различных марок цемента к марке М400 осуществляется по формуле

± П = (400 - Мц)0,1 %,                                               (8)

где Мц - средняя марка поставляемого цемента; 0,1 - средний коэффициент использования марочной прочности цемента (10 %) на 100 единиц марки цемента.

Приведение марок цемента к марке М400 возможно также путем применения коэффициентов, указанных в табл. 8.

Таблица 8

Марка цемента

Коэффициенты приведения цемента к марке 400

Марка цемента

Коэффициенты приведения цемента к марке 400

100

0,7

500

1,1

200

0,8

600

1,2

300

0,9

700

1,3

400

1

800

1,4

Перевод круглого лесоматериала в пиленый и пиленого в круглый или другие его виды осуществляется с помощью коэффициентов, приведенных в табл. 9.

Таблица 9

Лесоматериал

Коэффициенты перевода лесоматериалов в условно круглый лес, м3

Лесоматериал

Коэффициенты перевода лесоматериалов в условно круглый лес, м3

Круглый

1

Древесно-стружечные плиты

3

Пиломатериал

1,5

Древесно-волокнистые плиты

0,02

Фанера, шпон

5

Паркет щитовой

0,053

Приведение различных марок арматурной стали к классу A-I осуществляется путем применения коэффициентов табл. 10, а марок профильного металла, идущего на изготовление металлоконструкций, к стали марки С38/23 путем применения коэффициентов табл. 11.

Таблица 10

Классы арматурной стали

Коэффициенты приведения классов арматурной стали к классу A-I

A-I

1

А-II, Ас-II

1,21

A-III

1,43

А-IIIк

1,48

A-IV, Ат-IV

1,95

A-V, Ат-V

2,2

Ат-VI

2,4

Aт-VII, Атк

2,8

Проволока:

 

низкоуглеродистая гладкая (B-I)

1,39

низкоуглеродистая профильная (Вр-I)

1,47

высокопрочная гладкая (B-I) периодического профиля (Ар-II), пряди и канаты арматурные

2,8

Таблица 11

Классы и виды стали

Коэффициенты приведения классов и видов стали к классу С38/23

Термоупроченная углеродистая сталь

1,13

Сталь повышенной прочности

1,25

Сталь высокопрочная

1,55

Балки двутавровые широкополочные

1,07

Сварные балки для путей подвесного транспорта

1,24

Гнутые профили открытые

1,14

Профилированный лист (для настила, покрытий, стен)

1

При определении потребности в основных материалах и изделиях должны быть учтены потери, вызванные условиями транспортировки и хранения (табл. 12).

5.12. Дополнительные затраты и потребность в материальных ресурсах определяются с учетом конкретных природно-климатических условий строительства.

Дополнительные затраты, вызываемые условиями производства работ в зимнее время, по отдельным видам строительства и температурным зонам исчисляются в соответствии с «Временными нормами дополнительных затрат при производстве строительно-монтажных работ в зимнее время».

Таблица 12

Материалы и изделия

Размеры потерь материалов и изделий при транспортировке и хранении на складах, %

Цемент

2

Стекло оконное

5,8

Асбестоцементные листы

2,7

Материалы рулонные кровельные и гидроизоляционные

0,6

Керамические плитки

0,8

Трубы асбестоцементные

1,5

Трубы керамические

2,5

Умывальники, унитазы, писсуары

1,6

Белила, олифа

1,1

Нефтебитум

0,6

Кирпич

1,5

Камень бутовый

1,2

Гравий

2,4

Щебень

2,7

Песок

6,6

Известь

3,7

В табл. 13 приведен удельный вес зимнего периода по температурным зонам в нормативной продолжительности строительства.

При определении средних расчетных норм расхода материалов на 1 млн. руб. сметной стоимости строительно-монтажных работ в зимнее время следует применять поправки, размеры которых определяются по формулам, приведенным ниже в данном пункте.

Таблица 13

Температура зоны

Средняя температура среднемесячного зимнего периода, до, ° С

Удельный вес зимнего периода в общей продолжительности строительства

I

-3

0,23

II

-5

0,33

III

-8

0,4

IV

-12

0,45

V

-18

0,52

VI

-25

0,6

VII

-18

0,6

VIII

-25

0,65

IX

-31

0,65

X

Ниже -31

0,65

Изменение условий строительства по сравнению с Московской обл. учитывается коэффициентом К, величина которого определяется по формуле

К = 365/370 + 0,7(Д - 152),                                              (9)

где К - коэффициент, учитывающий изменения сметной стоимости выполняемых работ в зимнее время; 365 - число дней в году; 0,7 - среднее удорожание работ, выполняемых в зимнее время (7 %); Д - средневзвешенная продолжительность расчетного зимнего периода в днях; 152 - продолжительность расчетного зимнего периода для Московской обл.

Дополнительная потребность в материалах К2 определяется по формуле

К2 = ПД/365,                                                           (10)

где П - поправка к средним нормам расхода материалов на 1 млн. руб. сметной стоимости строительно-монтажных работ, выполняемых в зимнее время (табл. 14).

Таблица 14

Материал

Поправки к средним нормам расхода основных строительных материалов на 1 млн. руб. строительно-монтажных работ

Сталь класса A-I и С38/23, т

7

Цемент, т

130

Пиломатериал, м3

25

Лесоматериал круглый, м3

8

Материалы рулонные, кровельные и гидроизоляционные, тыс. м2

3,5

Стекло оконное, м2

30

Приведенные нормы поправок уточняются Госснабом СССР для каждого вида строительства.

5.13. Дополнительная потребность в ресурсах для строительства в сейсмических районах должна учитываться путем применения соответствующих коэффициентов, приведенных в табл. 15.

Таблица 15

Материал

Коэффициенты для уточнения норм расхода материалов в сейсмических районах

Сейсмичность, баллы

7

8

9

Металл

1,03

1,05

1,08

Цемент

1,01

1,01

1,03

Все остальные материалы

0,99

0,89

0,99

Стоимость строительства зданий и сооружений, возводимых в сейсмических районах, корректируется применением коэффициентов, приведенных в табл. 16.

Таблица 16

Здания и сооружения

Коэффициент для уточнения укрупненных показателей стоимости строительства зданий и сооружений в сейсмических районах

Сейсмичность, баллы

7

8

9

Жилые и гражданские (кроме деревянных)

1,03

1,04

1,06

Производственного назначения (кроме деревянных)

1,04

1,05

1,08

Надземные (дымовые трубы, водонапорные башни, мосты, эстакады)

1,03

1,04

1,06

5.14. Потребность в строительных машинах, агрегатах и механизмах должна определяться по физическому объему работ, подлежащих выполнению, и нормам выработки, установленным соответствующими министерствами и ведомствами, с учетом конкретных условий строительства.

Для строительных подразделений и организаций типа СМУ, трест потребность в основных строительных и дорожных машинах, агрегатах и механизмах должна рассчитываться на основе объемов работ в физических измерителях и годовой производительности машин, определяемой по отчетным данным строительно-монтажной организации об использовании машин и механизмов в строительстве с учетом их планируемой производительности.

Потребность в машинах (П) для строительства в отдельных отраслях народного хозяйства или промышленности определяется по формуле

П = QH,                                                               (11)

где Q - объем строительно-монтажных работ, выполняемых собственными силами, млн. руб.; Н - норма потребности данного вида машин на 1 млн. руб. строительно-монтажных работ, единицы главного параметра или штуки.

Потребность в отдельных видах машин для условий строительства в нескольких отраслях народного хозяйства или промышленности рассчитывается по формуле

П = QНУ/100,                                                       (12)

где У - удельный вес строительно-монтажных работ данной отрасли в общем объеме работ организации, %.

Пример расчета потребности в машинах для строительства в отраслях народного хозяйства.

Объем строительно-монтажных работ, выполняемых собственными силами строительной организации, составляет 345 млн. руб. Удельный вес объемов работ по отраслям в общем объеме составляет, %:

промышленное строительство.......................................................................................... 59

в том числе:

нефтеперерабатывающая............................................................................................... 2

угольная........................................................................................................................... 9,5

черная металлургия........................................................................................................ 19

цветная металлургия...................................................................................................... 9,5

промышленность строительной индустрии и строительных материалов............... 4,5

легкая и прочие отрасли промышленности................................................................. 14,5

транспортное строительство (железные дороги)............................................................ 3,5

жилищное и культурно-бытовое строительство (в городах с населением до 500 тыс. жителей)  36

энергетическое строительство (электростанции)............................................................ 1,5

Необходимо определить потребность строительных организаций в экскаваторах одноковшовых с ковшом емкостью до 2,5 м3 (включая тракторы с навесным экскаваторным оборудованием).

В соответствии с формулой (12) общая потребность в одноковшовых экскаваторах, м3 емкости ковша, составит:

П = [345(0,83×2 + 0,71×9,5 + 1,31×19 + 1,24×9,5 + 0,98×4,5 +

+ 0,66×14,5 + 1,05×3,5 + 0,38×36 + 0,45×1,5)]/100 = 267,82 м3.

При изменении физических объемов работ, приходящихся на 1 млн. руб. строительно-монтажных работ, способов механизации и годовой выработки машин по сравнению с базовым годом потребность в машинах, рассчитанная по формуле (11), может быть скорректирована.

Уточненная потребность Пк в этом случае определяется по формуле

Пк = ПКоКcв,                                                              (13)

где Ко - коэффициент, учитывающий изменение физического объема работ на 1 млн. руб. строительно-монтажных работ; определяется делением объема работ на 1 млн. руб. планируемого (расчетного) года на объем работ, выполненный в базовом году; Кс - коэффициент, учитывающий изменение способов механизации; определяется делением удельного веса, %, данного способа работ в общем объеме работ планируемого (расчетного) года на соответствующий показатель базового года; Кв - коэффициент, учитывающий изменение выработки машин, определяемой делением выработки машин планируемого (расчетного) года на соответствующий показатель базового года.

Пример уточнения потребности в строительных машинах.

Необходимо уточнить потребность в экскаваторах одноковшовых с ковшом вместимостью до 2,5 м3 (включая тракторы с навесным экскаваторным оборудованием) при объеме строительно-монтажных работ 120 млн. руб. Исходные данные для расчета приведены в табл. 17.

Таблица 17

Показатели

Базисный год

Планируемый год

Коэффициент изменения

Объем земляных работ на 1 млн. руб. строительно-монтажных работ, тыс. м3

180

185

Удельный вес земляных работ выполняемых экскаваторами, %

40

41,5

Годовая выработка экскаваторов на 1 м3 емкости ковша, тыс. м3

130

136

Потребность в экскаваторах одноковшовых по нормам в соответствии с формулой (11) составит

П = 120×1,31 = 157,2,

где 1,31 - норма потребности, приведенная в табл. 33 XI части Расчетных показателей.

Уточненная потребность в экскаваторах одноковшовых с учетом изменения условий работы в соответствии с формулой (13) составит, м3:

Пк = 157,2(1,028×1,038)71,046 = 160,37.

5.15. Показатели нормативной потребности в автотранспортных средствах для перевозки конструкций, материалов на 1 млн. руб. строительно-монтажных работ определяется с учетом следующих данных:

коэффициент использования автопарка............................... 0,7 - 0,63

»                          »           грузоподъемности................. 0,988

»                          »           пробега................................... 0,49 - 0,5

среднее расстояние перевозок, км......................................... 9 - 16

Автотранспортные средства распределены по трем основным видам: самосвальные, бортовые и специализированные.

Нормативная потребность в автотранспортных средствах для отраслей носит усредненный характер. Она не привязана к какому-либо территориальному району и дана на 1 млн. руб. строительно-монтажных работ независимо от ведомственной подчиненности автотранспортных хозяйств.

Потребность в автотранспортных средствах, определенная при разработке проекта организации строительства, уточняется при разработке проектов производства работ для конкретных условий организации работ на данном строительстве.

Потребность в автотранспортных средствах определяется в зависимости от объемов и характера перевозимых грузов (строительные конструкции, изделия и материалы), их весовых и габаритных характеристик, дальности перевозок, класса дорог и их состояния; увязывается с подбором, марок автомобилей и автопоездов, наиболее полно отвечающих конкретным условиям обеспечения строительства ресурсами.

Удельный вес транспортных расходов в сметной стоимости строительно-монтажных работ достаточно высок, вследствие чего требуется в каждом конкретном случае обосновывать экономическую целесообразность выбора транспортной схемы и автотранспортных средств.

Автотранспортные средства должны быть использованы точно по назначению:

бортовые автомобили - для перевозки негромоздких штучных грузов, изделий и материалов, размеры которых после загрузки автомобиля вписываются в установленные массы и габариты;

самосвальные автомобили и автопоезда - главным образом для перевозки сыпучих грузов и вывоза избыточного грунта с объектов строительства. В последнем случае автомобили подбирают с учетом емкости ковша экскаватора (т.е. объем кузова самосвала должен быть кратным объему ковша экскаватора, а масса - полному использованию грузоподъемности автомобиля). Оптимальное соотношение емкости кузова автомобиля и ковша экскаватора колеблется в пределах от 10:1 до 15:1;

автопоезда с прицепами и полуприцепами - для перевозки крупногабаритных грузов, благодаря их применению значительно увеличивается производительность автотранспорта;

специализированные автопоезда - главным образом для перевозки крупногабаритных строительных конструкций (ферм, стеновых панелей, балок, свай), требующих особой укладки и крепления.

Автосамосвалы и автопоезда подбираются в соответствии с действующей номенклатурой автотранспортных средств и конкретными условиями их использования, причем перевозимый ими груз должен подбираться с учетом вместимости кузова или платформы автотранспортного средства и получения наибольшего значения коэффициента грузоподъемности, близкого к 1, но не меньше 0,8.

При организации перевозок тягачом и несколькими прицепами (полуприцепами) потребность в них должна определяться с учетом технологического цикла работы автотранспорта (работающих на линии, находящихся под погрузкой и выгрузкой и в простое).

Пример определения потребности в автотранспортных средствах для строительства сельскохозяйственного комплекса.

Разрабатывается проект организации строительства на сельскохозяйственный производственный комплекс; стоимость строительно-монтажных работ составляет 3 млн. руб.

Определяется общая потребность в автотранспорте. В данном случае общая потребность в автотранспорте составит: 106,61×3 = 319,83 » 320 автотонн.

Анализируется характер грузов, подлежащих перевозке, и устанавливаются их объемы.

Определено, что самосвальными средствами автотранспорта необходимо перевезти 35 % (по весу), бортовыми - 45 % и специализированными - 20 % грузов. В данном случае потребность распределится по средствам автотранспорта в автотоннах следующим образом: на самосвальные 320×0,35 = 112; бортовые 320×0,45 = 144; специализированные 320×0,20 = 124.

Определено, что для транспортирования грузов необходимы следующие автосредства:

Самосвальные:

автомобили-самосвалы        - 2,5 т для перевозки 50 % грузов;

автомобили с прицепами     - 5 т      »          »          30 %     »;

тягачи с полуприцепами       - 9 т для перевозки 20 % грузов.

Бортовые:

автомобили грузовые - 3 т для перевозки 60 % грузов;

»                 »          - 5 т   »          »          40 %     »

Специализированные:

растворовозы           - 3 т для перевозки 10 % грузов;

панелевозы              - 12 т »           »         60 %     »;

фермовозы                - 16 т »           »         30 %     ».

Тогда потребность в различных автотранспортных средствах составит:

автомобили-самосвалы (112×0,5)/2,5 = 22,4 = 22

автомобили с прицепами (112×0,3)/5 = 6,72 = 7

тягачи с полуприцепами (112×0,2)/9 = 2,5 = 3

бортовые автомобили (114×0,6)/3 = 22,13 = 22

растворовозы (124×0,1)/3 = 4,13 = 4

панелевозы (124×0,6)/12 = 6,37 = 6

фермовозы (124×0,3)/16 = 2,43 = 3

Итого                                  67 единиц

Пример определения потребности в автотранспортных средствах для строительства гидроэлектростанций.

Определяется списочный состав парка автомобилей по формуле

П = П1 + П2 + П3,                                                       (14)

где П1 - автомобили, необходимые для внутрипостроечных перевозок; П2 - для перевозки работающих; П3 - для внешних перевозок.

Определяется потребность в автотранспортных средствах для внутренних перевозок по укрупненному стоимостному измерителю на 1 млн. руб. сметной стоимости строительно-монтажных работ, выполняемых собственными силами генподрядчика в объеме 1 - 7 глав сводной сметы.

Рассчитывается потребность в автотранспортных средствах, необходимых для перевозки работающих и других перевозок, по физическим показателям.

Расчетная годовая стоимость строительно-монтажных работ принимается по плану финансирования как среднеарифметическая за 2 - 3 плановых года, включая планируемый год.

Сметная стоимость приводится к сметной стоимости в I территориальной зоне путем деления ее на территориальный коэффициент*:

территориальные зоны

I

II

III

IV

V

территориальные коэффициенты

1

1,1

1,2

1,5

3

* Коэффициенты приведения приняты по «Отраслевым коэффициентам изменения сметной стоимости строительно-монтажных работ по районам СССР для строительства гидроэлектростанций».

Привязка территориальных районов, установленных ЕРЕР-69, произведена к границам территориальных зон, указанных в приложении Расчетных показателей, ч. XI.

Списочное количество автомобилей для внутрипостроечных перевозок определяется по формуле

ПА1К1,                                                                      (15)

где А1 - списочное количество грузовых автомобилей; K1 - коэффициент, учитывающий прочий автотранспорт (легковые автомобили, спецтранспорт); принимается 1,3 - 1,35.

Списочное количество грузовых автомобилей определяется по формуле

А1 = aСсК2/Г,                                                            (16)

где a - расчетный показатель потребности в автотранспортных средствах в автотоннах на 1 млн. руб. строительно-монтажных работ; принимается по табл. 18; Сс - расчетная годовая стоимость строительно-монтажных работ, выполняемых собственными силами генподрядчика, млн. руб.; К2 - коэффициент, учитывающий природно-климатические условия; принимается по табл. 19; Г - средняя грузоподъемность автомобилей; принимается 10 - 15 т для строительств, имеющих БелАЗ-540 и БелАЗ-548, и 7 - 10 т - для строительств, не имеющих указанных автомобилей.

Для промежуточных значений величина a определяется интерполяцией.

Количество автоприцепов принимается в размере 5 - 15 % списочного количества грузовых автомобилей.

Таблица 18

Отношение объемов бетонных и земельно-скальных работ

1

5

и более

1

10

1

15

1

20

1

25

1

30

1

35

и менее

Значения расчетных показателей потребности, автотонны

65 - 80

90 - 105

115 - 130

140 - 155

165 - 180

190 - 205

215 - 230

Примечание. Объемы земельно-скальных работ (насыпь, выемка) берутся по основным сооружениям профильные. Объемы насыпи должны быть уменьшены на величину объемов, идущих в насыпь непосредственно из деловых выемок.

Таблица 19

Климатическая зона

Климатический район и подрайон

Коэффициент, учитывающий природно-климатические условия, К2

Наименование

Обозначение

Наименование

Обозначение

Холодная

I

Очень холодный

Iа

1,15

 

Холодный

Iб¢

1,1

 

I подрайон

Iб¢

1,1

 

II подрайон

IIб

1

Умеренная

II

Умеренно холодный

IIа

1

Высокогорные территории

-

Умеренно холодный, влажный

IIа, в

1

Жаркая

IV

-

-

1,1

Примечание. Для остальных зон, районов и подрайонов значение К2 принимается в пределах 1 - 1,1.

Списочное количество автобусов для перевозки работающих определяется по формуле

П2 = Ргод/(40000 - 45000),                                               (17)

где Ргод - годовой пробег автобусов на перевозке работающих на строительстве к месту работы и обратно, км; 40000 - 45000 - годовой пробег одного автобуса, км.

Годовой пробег автобусов по перевозке работающих на строительстве к месту работы и обратно определяется по формуле

Ргод = 700NP/В,                                                         (18)

где 700 - коэффициент, учитывающий количество рабочих дней в году, поездок в сутки, холостые и нулевые пробеги; N - среднегодовая численность работающих, подлежащих перевозке; Р - средневзвешенное расстояние перевозок, км; В - вместимость одного автобуса.

Списочное количество грузовых автомобилей для внешних перевозок определяется по формуле

П3 = ТРК2/ВГ,                                                            (19)

где Т - суммарный годовой объем внешних перевозок, т; Р - среднее расстояние перевозок от перевалочной базы до строительной площадки, км; В - средняя годовая производительность одной списочной автотонны, принимается: 35 - 40 тыс. т×км для ГЭС на равнинных реках; 30 - 35 тыс. т×км для ГЭС в горных условиях.

Средняя грузоподъемность автомобилей для внешних автоперевозок 12 - 16 т.

Пример определения потребности в автотранспортных средствах для строительства гидроэлектростанции в районе, приравненном к Крайнему Северу, в холодном климатическом районе и подрайоне I б1. Отношения объемов бетонных и земельных работ, выполняемых сухим способом 1:15. В 350 км от строительства имеется районная база стройиндустрии; железная дорога отсутствует.

Объемы строительно-монтажных работ, выполняемые собственными силами генподрядчика (гл. 1 - 7 сводного сметного расчета стоимости строительства в предпиковый, пиковый и послепиковый годы, соответственно составляют 62, 68 и 58 млн. руб. в ценах территориального района строительства; среднесписочная численность работающих, подлежащих перевозке, 9500 чел.; средневзвешенное расстояние перевозки работающих составляет 11 км; суммарный годовой объем внешних перевозок 350000 т.

Расчетная годовая стоимость строительно-монтажных работ составит

Сс = (62 + 68 + 58)/(3×1,5) = 42 млн. руб.,

где 1,5 - коэффициент приведения к сметной стоимости I территориальной зоны.

Списочное количество автомобилей для внутрипостроечных перевозок определится по формулам (15) и (16)

П1 = (115×42×1,1×1,3)/11 = 630 шт.,

где a = 115 автотонн - расчетный показатель потребности (табл. 18); K1 - коэффициент, учитывающий прочий транспорт, равный 1,3; К2 - коэффициент, учитывающий природно-климатические условия, равный 1,1 (табл. 19); Г - средняя грузоподъемность автомобиля, равная 11 т.

Списочное количество автобусов для перевозки работающих определится по формулам (17) и (18)

П2 = (700×950×11)/60×1/40000 = 30.

Списочное количество грузовых автомобилей для внешних перевозок определится по формуле (19)

П3 = (350000×350×1×1)/(40000×15) = 225.

Таким образом, общее количество автомобилей по формуле (14) составит

П = 630 + 30 + 225 = 885.

Потребность в автотранспортных средствах по физическим объемам грузоперевозок определяется путем расчета на среднесписочный автомобиль.

Рассчитывается дневная производительность (выработка) одного работающего автомобиля, т/км, по формуле

Qq = Tvbqglг/lr + tпрvb,                                             (20)

где Т - время в наряде одного автомобиля, ч; V - средняя техническая скорость автомобиля, принимаемая в соответствии с классом дороги и условиями транспортирования (в городе, за городом), км/ч; b - коэффициент использования пробега (отношение пробега с грузом к общему пробегу); q - грузоподъемность автомобиля, т; g - коэффициент использования грузоподъемности автомобиля (в зависимости от характера груза колеблется от 1 до 0,4); lг - среднее расстояние пробега автомобиля с грузом, км; tnp - время, затрачиваемое на погрузку и выгрузку за одну ездку (при механизированной погрузке и разгрузке 5 - 10 мин).

Годовая производительность одного инвентарного автомобиля, т/км

Qг = QqДкКп,                                                         (21)

где Дк - количество календарных дней в году; Кп - коэффициент использования автопарка (отношение количества инвентарных автомобилей к работающим, которое должно составлять 0,75 - 0,85).

Производительность автомобиля в тоннах определяется путем деления полученного значения Qq или Qг на величину среднего пробега автомобиля с грузом.

Количество ездок с грузом, выполняемых автомобилем (автопоездом) за рабочий день на линии, определяется по формуле

eг = ТVb/lг + tпрtтVb,                                                     (22)

где eг - количество ездок с грузом за день работы; Т - продолжительность работы автомобиля (автопоезда) в течение дня, ч; tпр - простой автомобиля под погрузкой и выгрузкой, ч; tт - простой тягача под прицепкой и отцепкой, ч.

Дневная производительность автомобиля (автопоезда) может быть определена в тоннах или тонно-километрах по числу расчетных ездок.

Общая потребность в автомобилях определяется по формуле

N = SQ/Qcyт,                                                                   (23)

где SQ - общий объем грузов, подлежащих перевозке, выраженный в т или т×км; Qcyт - объем грузов, перевозимый в течение суток, т или т×км.

Количество автомобилей, необходимых для работы на линии

Nл = Nк,                                                            (24)

где Дк - число календарных дней работы автомобиля на линии.

Потребность парка в автомобилях определяется по формуле

Nпарк = Nл/aп,                                                       (25)

где aп - коэффициент использования автопарка.

Требуемое количество автотранспортных средств, приведенное к единому показателю, определяется по формуле

М = NлТс/Т,                                                            (26)

где Тс - суммарное количество дней работы автомобилей; Т - общая продолжительность рабочих дней данного строительства.

Выбор транспортной схемы и автотранспортных средств должен быть экономически обоснован путем определения зависимости уровня себестоимости перевозок от выбранных типов автотранспортных средств и организации транспортного процесса.

Себестоимость 1 т×км может быть определена по формуле

S = 1/qgb[Sпep + Sпост(lг + tпрvb)/lгv],                                   (27)

где S - расчетная себестоимость 1 т×км коп.; Sпер - переменные расходы на 1 км пробега автомобиля (автопоезда), руб.; Sпост - постоянные расходы, включая заработную плату шоферов, исчисляемые на 1 ч работы на линии автомобиля (автопоезда).

5.16. Показатели по материально-, энергоемкости и трудоемкости строительства предприятий, зданий и сооружений, в соответствии с указаниями Госстроя СССР, включаются в состав основных технико-экономических показателей, включаемых в распорядительный документ об утверждении проекта.

Показатели определяются по объекту в целом и относятся к единице мощности или единице выпускаемой продукции, указанной в задании на проектирование промышленного предприятия, а для жилищного строительства - на укрупненный показатель общей площади.

Трудоемкость строительной продукции определяется количеством рабочего времени на единицу продукции или мощности, затраченной основными производственными рабочими (технологическая трудоемкость) или всеми работниками предприятия (общая или полная трудоемкость).

При выполнении строительно-монтажных работ поточными методами с применением средств механизации в виде обоснованно выбранного комплекта машин трудоемкость единицы продукции определяется по формуле

Ql = Qм + Qр/Pэ + Qп/P,                                                     (28)

где Qм - трудоемкость механизированных операций, чел.-дн.; Qр - трудоемкость ручных операций, чел.-дн.; Qn - трудоемкость подготовительных работ, чел.-дн.; Рэ - сменная эксплуатационная производительность комплекта машин, т/ч, м3/ч; Р - общий объем работ.

Расчетные показатели трудоемкости по строительству жилых зданий разрабатываются на укрупненный физический измеритель (100 м2 общей площади) на следующие виды строительно-монтажных работ: земляные; возведение подземной и надземной частей; кровельные; плотнично-столярные; общестроительные; настилка полов; устройство лифтов; санитарно-технические; отделочные; электромонтажные, электрослаботочные.

Материалоемкость определяется на укрупненный физический измеритель и стандартные единицы измерения по конструкциям, изделиям, полуфабрикатам и основным строительным материалам.

Показатели по материалоемкости определяются на укрупненные стоимостные и физические измерители по всему объекту строительства и отдельно по объектам основного производственного назначения.

Трудоемкость определяется на те же измерители, что и материалоемкость, с подразделением ее на технологическую и общую трудоемкость.

Материалоемкость и трудоемкость по промышленному предприятию, кроме того, рассчитываются на единицу выпускаемой продукции, определенной заданием на проектирование данного предприятия.

Показатели материалоемкости и трудоемкости по строительству энергетических объектов определяются на единицу мощности основного силового агрегата.

Показатели энерговооруженности и электровооруженности рассчитываются путем деления мощности двигателей на списочное количество рабочих либо количества потребляемой энергии на отработанное количество чел.-ч.

Электроемкость строительно-монтажных работ определяется мощностью трансформатора, кВ×А, отнесенной на укрупненный стоимостный или физический измеритель.

5.17. Мобильные (инвентарные) здания и сооружения по типам подразделяются на сборно-разборные, контейнерные и передвижные.

К сборно-разборным относятся здания, собранные из простых или сложных элементов, не являющихся самостоятельной частью здания.

К контейнерным - здания из одиночных или сблокированных объемных элементов, представляющих собой объемно-планировочную часть помещения или целое здание.

К передвижным - здания, аналогичные контейнерным, но в отличие от них имеющие постоянную или съемную инвентарную ходовую часть.

Расчет потребных площадей мобильных (инвентарных) зданий производится на численность работающих на строительной площадке или на программу работ, выполняемую собственными силами, строительно-монтажной организации.

Для расчета потребности в мобильных (инвентарных) зданиях производственного и складского назначения пользуются показателями, разработанными на программу работ строительно-монтажной организации, выполняемую собственными силами.

Для мобильных (инвентарных) зданий производственного назначения показателями являются мощности производства и потребные площади, исчисленные на 1 млн. руб. годового объема работ, а для складского назначения - площадь (м2) на тот же стоимостный измеритель.

Показателями для определения потребности в мобильных (инвентарных) зданиях жилого и общественного назначения являются площади, исчисленные на 100 жителей; для зданий вспомогательного назначения - площади, исчисленные на 1 чел.

Количество работающих на отдельной площадке определяется на основе календарного плана работ для каждой строительно-монтажной организации по формуле

R = S/WT,                                                              (29)

где S - стоимость строительных, монтажных или специальных работ на расчетный период, руб.; W - среднегодовая выработка на одного работающего, руб./чел.-год; Т - продолжительность выполнения работ по календарному плану, годы.

В общем количестве работающих удельный вес отдельных категорий (рабочих, ИТР, служащих, МОП и охраны) принимается по сложившейся структуре работающих для данного вида строительства или по данным табл. 7.

Расчет потребности в площадях зданий жилого и общественного назначения для работающих на строительной площадке и членов их семей производится на основании следующих данных:

в общем количестве работающих число одиночек принимается за 30 %, а семейных - 70 %;

коэффициент семейности для подготовительного периода принимается 1,8, а основного - 2,2.

Нормативные показатели для определения потребности в мобильных (инвентарных) зданиях жилого и общественного назначения приведены в табл. 20.

Расчет потребности в площадях зданий санитарно-бытового назначения производится на численность работающих, занятых на строительной площадке в многочисленную смену. Если нет данных о численности работающих в смену, принимается: число рабочих до 70 % их числа; ИТР, служащих, МОП и охраны - до 80 % их общего количества.

Расчет площадей гардеробных производится на общее количество рабочих, занятых на строительной площадке.

Нормативные показатели для определения потребности в мобильных (инвентарных) зданиях санитарно-бытового назначения приведены в табл. 21.

Потребность в площадях вспомогательных зданий определяется с учетом численности работающих на строительной площадке в наиболее многочисленную смену.

Площади контор определяются исходя из общего количества ИТР, служащих и МОП, принимаемый при отсутствии исходных данных в размере 50 % общего количества ИТР, служащих и МОП.

Нормативные показатели для определения потребности в зданиях вспомогательного назначения приведены в табл. 22.

Показатели для определения площадей складов указаны в Расчетных нормативах, ч. I.

Примеры расчета потребности в мобильных (инвентарных) зданиях.

Для жилого поселка строителей.

Строительство планируется в неосвоенном районе центральной зоны страны. Стоимость работ, выполняемых собственными силами - 12 млн. руб. в год.

Определяется номенклатура мобильных (инвентарных) зданий. В нее включается жилой дом для семейных, общежитие, продовольственный магазин, магазин промтоваров, клуб, баня, прачечная, школа, детский сад, ясли.

Таблица 20

на 100 жителей

Номенклатура мобильных (инвентарных) зданий

Единица измерения

Нормативные показатели

Примечание

Жилой дом (для семейных)

м2

900*

Жилая площадь

Общежитие

м2

600*

Жилая площадь

Магазины:

продовольственных товаров

рабочее место продавца

м2

      0,04      

до 3,94 (0,64)

В скобках площадь торгового зала

промышленных товаров

то же

      0,24      

до 29,23 (4,8)

То же

Клуб

место в зрительном зале

м2

      15         

34,5 (10,5)

В скобках площадь зрительного зала

Баня

промывочное место

м2

      0,7        

до 11,55 (1,68)

В скобках площадь моечного помещения

Прачечная

кг сухого белья в смену

м2

      9           

4,38

Общая полезная площадь

Школа

учащиеся

м2

      15         

18,75

Полезная площадь в классных комнатах

Детский сад

место

м2

      6,3        

21,55 - 22,05

Нижний предел для детских садов и яслей на 90 мест, верхний - на 50 мест

Детские ясли

то же

      6,3        

23,56 - 25,8

То же

* Корректируется в соответствии с нормативами, действующими в министерстве (ведомстве).

Таблица 21. Нормативные показатели для мобильных (инвентарных) зданий санитарно-бытового назначения на 10 чел. и здравпунктов на 200 - 3000 чел.

Номенклатура мобильных (инвентарных) зданий

Единица измерения

Нормативные показатели

Примечание

Бытовые помещения: гардеробная

м2

5 - 6

Нижний предел - для гардеробных без скамей, верхний - для гардеробных со скамьями

душевая с преддушевой

сетка

м2

2

8,2

-

умывальная

кран

м2

0,5

0,6 - 0,65

Нижний предел - для индивидуальных умывальников, верхний - для групповых круглых умывальников

сушилка

м2

2

-

туалет

»

0,7 - 1,4

Нижний предел - для мужчин, верхний - для женщин

Помещение для обогревания рабочих

м2

1

 

Столовая:

 

 

 

на сырье на:

250 посадочных мест

посадочное место

м2

2,5

9,12

Нормативный показатель на единицу измерения с учетом полезной площади вне помещений столовых и буфетов

200 посадочных мест

то же

2,5

9,4

Нормативный показатель в обеденном зале на 10 чел. не менее 4,55 м2

150 посадочных мест

»

2,5

9,87

 

100 посадочных мест

»

2,5

10,2

-

50 посадочных мест

»

2,5

12,05

-

на полуфабрикатах на:

 

 

 

250 посадочных мест

»

2,5

8

-

200 посадочных мест

»

2,5

8,17

-

150 посадочных мест

»

2,5

8,4

-

100 посадочных мест

»

2,5

8,75

-

50 посадочных мест

»

2,5

10,1

-

Буфет на:

24 посадочных места

»

2,5

6,7

-

20 посадочных мест

»

2,5

6,92

-

16 посадочных мест

»

2,5

7,27

-

12 посадочных мест

»

2,5

7,87

-

8 посадочных мест

»

2,5

8,92

-

Комната приема пищи

»

2,5

2,5

Не менее 12 м2

Здравпункт:

 

 

Количество работающих:

IV категории

м2

До 70

от 200 до 1200

III        »

»

» 100

» 1201 » 2000

II         »

»

» 150

» 2001 » 3000

Таблица 22

Номенклатура мобильных (инвентарных) зданий

Единица измерения

Нормативные показатели для мобильных (инвентарных) зданий вспомогательного назначения

Контора

место

м2

1

4

Красный уголок

то же

1

0,75

Диспетчерская

обслуживающий персонал

м2

1

7

Примечание. Площадь кабинетов и площадь для административно-управленческих работников в конторах строительных управлений трестов не должны превышать 15 % площади рабочих комнат (но не менее двух кабинетов площадью 15 м2 каждый).

Определяется количество работающих по формуле (29)

R = 12000000/5370×1 = 2235 чел.

Из общего числа работающих 600 чел. предполагается разместить в ближайших населенных пунктах и 391 чел. набрать из местного населения, обеспеченного жильем. Таким образом, подлежит обеспечению жильем 2235 - (600 + 391) = 1244 чел. Из них 630 чел. семейных и 614 чел. одиноких.

Всего подлежат обеспечению жильем (630×2,2) + 614 = 2000 чел.

Определяется требуемая площадь мобильных (инвентарных) зданий жилого поселка по формуле

Sтр = SнW,                                                                 (30)

где Sн - нормативный показатель, принимаемый по табл. 25; W - общее число жителей.

Жилой дом для семейных: Sтр = 900×1386×0,01 = 12474 м2.

Общежитие: Sтр = 600×614×0,01 = 3684 м2.

Магазины:

продовольственных товаров: Sтр = 3,94×2000×0,01 = 78,8 м2

промышленных товаров: Sтр = 29,28-2000-0,01 = 585,6 м2.

Клуб: Sтр = 34,5×2000×0,01 = 690 м2

Баня: Sтр = 11,25×2000×0,01 = 231 м2

Прачечная: Sтр = 4,38×2000×0,01 = 87,6 м2

Школа: Sтр = 18,75×2000×0,01 = 375 м2

Детские сады на 90 мест: Sтр = 21,55×2000×0,01 = 431 м2

Детские ясли на 90 мест: Sтр = 23,56×2000×0,01 = 471,2 м2

Для строительной площадки.

Строительство продолжительностью 3 года осуществляется в освоенном районе. Стоимость строительно-монтажных работ на расчетный период, выполняемых строительной организацией, 22 млн. руб.

По условиям строительства определены три группы мобильных (инвентарных) зданий: санитарно-бытового, вспомогательного и складского назначения.

Определяется количество работающих на строительной площадке по формуле (29)

R = 22000000/5370×1 = 4097 чел.

В том числе:

рабочих                   R1 = 4097×84,5/100 = 2462 чел.;

ИТР                          R2 = 4097×11/100 = 451 чел.;

служащих                R3 = 4097×3,2/100 = 131 чел.;

МОП                        R4 = 4097×1,3/100 = 53 чел.

Рассчитывается потребность в площадях зданий различного назначения.

Показатели для расчета зданий санитарно-бытового назначения приведены в табл. 21.

В наиболее многочисленную смену число рабочих составляет 70 % общего количества рабочих, а ИТР, служащих, МОП и охраны - 80 %.

Гардеробная Sтр = 6×3462×0,1 = 2077,2 м2.

Душевая: Sтр = 8,2×2423×0,1 = 1986,9 м2.

Умывальная: Sтр = 0,65×2677×0,1 = 174 м2.

Сушилка: Sтр = 2×2423×0,1 = 485 м2.

Столовая: Sтр = 4,55×2677×0,1 = 1218 м2.

Помещения для обогрева рабочих: Sтр = 1×2423×0,1 = 242,3 м2.

Туалет: Sтр = (0,7×2677×0,1)0,7 + (1,4×2677×0,1)0,3 = 131,2 + 112,4 = 243,6 м3, где 0,7 и 1,4 - нормативный показатель площади соответственно для мужчин и женщин: 0,7 и 0,3 - коэффициенты, учитывающие соотношение соответственно количества мужчин и женщин.

Показатели для расчета зданий вспомогательного назначения приведены в табл. 22.

Контора Sтр = 4×635 = 2540 м2, где 635 - количество ИТР, служащих и МОП.

Красный уголок: Sтр = 0,75×2677 = 2007,8 м2.

Диспетчерская: Sтр = 7×3 = 21 м2, где 3 - количество диспетчеров.

Пример расчета потребности в мобильных (инвентарных) зданиях производственного и складского назначения.

Строительство осуществляется в неосвоенном районе. Стоимость работ, выполняемых собственными силами строительной организации в расчетный период, 10 млн. руб. в год.

По условиям выполнения работ определяется номенклатура мобильных (инвентарных) зданий (табл. 23). В нее вошли: здания производственного и складского назначения. Показатели для расчета приведены в табл. 24, 25.

Здания производственного назначения.

Мастерские:

ремонтная Sтр = 67×8 = 536 м2;

авторемонтная Sтр = 23×4 = 92 м2;

плотничная Sтр = 9×10 = 90 м2;

арматурная Sтр = 12×10 = 120 м2.

Котельная Sтр = 120×10 = 1200 кг/ч пара.

Электростанция Sтр = 70×1 = 70 кВ×А.

Таблица 23

Номенклатура мобильных (инвентарных) зданий

Единица измерения

Максимальная мощность

Производственного назначения

Мастерские:

 

 

ремонтно-механическая

тыс. руб. продукции в год

млн. руб. годового объема СМР

378

30

авторемонтная

То же

70

16

механомонтажная

»

100

20

санитарно-техническая монтажная

»

100

20

электротехническая монтажная

»

100

20

плотничная

»

59

36

арматурная

»

985

92

по контрольно-измерительной аппаратуре и автоматике

тыс. руб. продукции в год

100

кровельно-изоляционная (антикоррозионная)

то же

50

Гараж

количество единиц подвижного состава

100

Профилакторий

то же

75

Закрытая стоянка

»

50

Котельная

кг/ч пара

360

Электростанция

кВ×А

210

Насосная

м3

200

Раздаточная газовой смеси

м3 газовой смеси

13200

Складского назначения

Склад (кладовая):

 

 

отапливаемый материально-технический

м2

млн. руб. годового объема строительно-монтажных работ

800

33

неотапливаемый материально-технический

то же

800

16

тепло-холодный материально-технический

»

120

32

Навес

»

500

7

Таблица 24. Нормативные показатели потребности в инвентарных зданиях производственного назначения на 1 млн. руб. годового объема строительно-монтажных работ

Номенклатура инвентарных зданий

Единица измерения

Нормативный показатель

Мастерские:

 

 

ремонтно-механическая

руб. продукции в год

м2

12600

67

авторемонтная

то же

4346

23

плотничная

»

1636

9

арматурная

»

10710

12

Котельная

кг/ч пара

120

Электростанция

кВ×А

70

Раздаточная газовой смеси

м3 газовой смеси

4400

Таблица 25. Нормативные показатели потребности в инвентарных зданиях складского назначения на 1 млн. руб. годового объема строительно-монтажных работ

Номенклатура инвентарных зданий

Единица измерения

Нормативный показатель

Склад (кладовая):

 

 

отапливаемый материально-технический для хранения химикатов, красок, олифы, паркета, материалов, спецодежды, постельных принадлежностей, обуви, канцелярских принадлежностей

м2

52

неотапливаемый материально-технический для хранения цемента, извести, гипса, минеральной ваты, изоляционных материалов, гипсовых изделий, сухой штукатурки, клея, асбестовых изделий, фанеры, электроустановочных проводов, троссов, цепей, стали кровельной и инструментальной, гвоздей, метизов, скобяных изделий

»

29

теплоизоляционный материально-технический

»

37

Навес для хранения:

 

 

стали арматурной, рубероида, толя, гидроизоляционных материалов, плиток облицовочных и метлахских, асбестоцементных плит, асбестоцементных

»

2,3

волокнистых листов, гипсовых перегородок

»

48

столярных и плотничных изделий

»

13

битумной мастики

»

13

Таблица 26

№ п.п.

Наименование

Показатель, м2/чел.

Расчетная численность работников в пиковый период строительства

1

Контора

5

На общее число линейного персонала ИТР или из расчета 30 % общего числа ИТР

2

Здание для проведения занятий и культурно-массовых мероприятий

0,8

На 20 % общего числа работающих

3

Гардеробная

1

На общее число рабочих, включая учеников, практикантов и др. (до 10 % рабочих)

4

Гардеробная с умывальной, помещением для отдыха и сушилкой (для зданий контейнерного типа)

1,6

То же

5

Душевая с преддушевой и раздевалкой

0,2

На общее число рабочих

6

Умывальная

0,1

На общее число работающих

7

Здание для кратковременного (регламентированного) отдыха, обогрева и сушки спецодежды

0,5

На 10 % общего числа рабочих или на полное число рабочих, занятых на наружных работах в неблагоприятных условиях

8

Сушилка для спецодежды и обуви

0,2

На общее число рабочих, включая практикантов и др. (до 10 % рабочих)

9

Уборная мужская

0,1

На 70 % общего числа работающих

10

Уборная женская с комнатой для гигиены

0,2

На 30 % общего числа работающих

 

В том числе помещение для личной гигиены женщин

0,05

-

11

Помещение для отдыха и приема пищи

0,8

На 20 % общего числа рабочих

12

Столовая раздаточная

0,6

На 50 % общего числа работающих

 

То же, доготовочная (на полуфабрикатах)

0,8

На 30 % общего числа работающих

 

То же, заготовочная (на сырье)

1

На 20 % общего числа работающих или на общее число работающих в неосвоенных районах страны

13

Здравпункт

0,05

На общее число работающих

Раздаточная газовой смеси Sтр = 4700×10 = 47000 м3 газовой смеси.

Здания складского назначения.

Склады:

отапливаемый материально-технический Sтр = 24×4 = 96 м2;

тепло-холодный материально-технический Sтр = 37×10 = 370 м2.

Навес Sтр = 76,3×10 = 763 м2.

5.18. Расчетные (минимальные) показания потребности в мобильных зданиях административного и бытового назначения (основной номенклатуры) приведены в табл. 26.

6. РАЗРАБОТКА ПРОЕКТНЫХ РЕШЕНИЙ И ДОКУМЕНТАЦИИ ПРИ СТРОИТЕЛЬСТВЕ В ОСОБЫХ ПРИРОДНО-КЛИМАТИЧЕСКИХ УСЛОВИЯХ

6.1. При разработке проектных решений и документации по организации строительства и производству строительно-монтажных работ в особых природно-климатических условиях (суровых климатических и сложных инженерно-геологических условиях); в районах с особыми грунтовыми условиями (вечномерзлые, просадочные, засоленные, пучинистые, заторфованные и др., в районах с повышенной влажностью подверженных селям, лавинам, оползням и обвалам); в сейсмических, труднодоступных, отдаленных и малонаселенных районах, а также в курортных, водоохранных и т.п. зонах должны также предусматриваться специальные мероприятия, учитывающие условия организации строительного производства в этих районах и зонах в соответствии с требованиями строительных норм и правил для районов с особыми природно-климатическими условиями, а также СНиП 3.01.01-85 «Организация строительного производства».

6.2. При разработке проектных решений и документации следует руководствоваться также указаниями и рекомендациями, приведенными в «Методических рекомендациях по комплектно-блочному строительству объектов», «Пособии по строительству в труднодоступных и малообжитых районах с применением экспедиционно-вахтового метода организации работ», «Руководстве по организации строительного производства в условиях северной зоны» (М.: Стройиздат, 1978), «Методических рекомендациях по организации пионерного комплекса при рассредоточенном строительстве объектов в неосвоенных районах северной зоны с учетом опыта применения вахтового и экспедиционного методов организации строительства» (М.; Стройиздат, 1983), а также примерами организационно-технологических схем, решений и документации, разработанными ЦНИИОМТП в составе изданных Стройиздатом массовым тиражом эталонов и примеров проектов организации строительства*.

* Проект организации строительства промышленного предприятия в северной зоне страны / ЦНИИОМТП. - М.: Стройиздат, 1978.

Проект организации строительства промышленного предприятия в пустынных и горных районах южной зоны страны / ЦНИИОМТП. - М.: Стройиздат, 1977.

Проект организации строительства жилищно-гражданских объектов в пустынных и горных районах южной зоны страны / ЦНИИОМТП. - М.: Стройиздат, 1977.

7. ОЦЕНКА ЭКОНОМИЧЕСКОЙ ЭФФЕКТИВНОСТИ ПРОЕКТОВ ОРГАНИЗАЦИИ СТРОИТЕЛЬСТВА

7.1. Экономическое обоснование решений ПОС производится в соответствии с основными положениями действующей Инструкции по определению экономической эффективности капитальных вложений в строительстве, а в части применяемых прогрессивных решений, предусматриваемых планами внедрения новой техники, - Инструкции по определению экономической эффективности использования в строительстве новой техники, изобретений и рационализаторских предложений.

7.2. Определение сравнительной экономической эффективности вариантов проектных решений по организации строительства производится путем сопоставления приведенных затрат, представляющих собой сумму себестоимости и нормативных отчислений от капитальных вложений в производственные фонды строительно-монтажных организаций, по каждому из вариантов по формуле

Зi = Ci + EнKi,                                                          (31)

где Сi - себестоимость строительно-монтажных работ по i-му варианту проекта организации строительства; Ен - нормативный коэффициент эффективности капитальных вложений в строительстве; Кi - капитальные вложения в фонды строительно-монтажных организаций по i-му варианту проекта организации строительства.

При выборе варианта проекта организации строительства предпочтение отдается варианту с минимальными приведенными затратами с учетом экономического эффекта от сокращения продолжительности строительства объекта, а при равенстве приведенных затрат - варианту, обеспечивающему получение социального эффекта (вытеснение ручного труда, улучшение условий труда и др.).

Определение экономического эффекта производится по проекту организации строительства для объекта (предприятия, здания, сооружения) в целом независимо от продолжительности его возведения согласно действующим нормативам или плановым показателям. При этом нормативный коэффициент экономической эффективности капитальных вложений принимается в размере Ен = 0,15.

7.3. Отбор и оценка новых технологических процессов, методов механизации и автоматизации производства, новых способов организации производства и труда для их включения в проекты организации строительства производятся в соответствии с требованиями Инструкции по определению экономической эффективности использования в строительстве новой техники, изобретений и рационализаторских предложений.

7.4. Сравниваемые варианты проекта организации строительства должны быть приведены в сопоставимый вид по фактору времени, уровню применяемых цен и социальных факторов, в том числе качеству временных (инвентарных) зданий и сооружений санитарно-бытового назначения, условиям размещения рабочих, характеру инфраструктуры.

Приведение разновременных затрат по фактору времени производится по формуле

at = (1 + E)t,                                                            (32)

где at - коэффициент приведения; Е - норматив для приведения разновременных затрат; t - период времени приведения в годах, т.е. количество лет, отделяющих затраты или результаты данного года от начала расчетного года. При оценке проектов организации строительства за расчетный принимается год ввода объекта в действие по варианту проекта организации строительства с большей продолжительностью строительства.

Коэффициенты приведения разновременных затрат, определенные по формуле (32), указаны в табл. 27.

Таблица 27

Время приведения, годы

Коэффициент приведения разновременных затрат по фактору времени at при

0,08

0,1

0

1

1

1

1,0799

1,1

2

1,1655

1,21

3

1,2594

1,331

4

1,3605

1,4641

5

1,4684

1,6105

6

1,5873

1,7716

7

1,7153

1,9487

8

1,8518

2,1436

9

2

2,3579

10

2,1598

2,5937

Норматив для приведения разновременных затрат Е = 0,08, а при оценке прогрессивных форм и методов, применяемых в проекте организации строительства, предусмотренных планами по внедрению новой техники, Е = 0,1.

7.5. Экономическая эффективность от сокращения продолжительности строительства объекта, обусловленного применением проекта организации строительства Эт, определяется по формуле

Эт = Эу + Эф,                                                       (33)

где Эу - показатель экономии от сокращения условно-постоянных расходов строительной организации; Эф - эффект от выпуска дополнительной продукции или оказания дополнительных услуг за период сокращения продолжительности строительства объекта производственного назначения.

7.6. Экономия условно-постоянных расходов строительной организации в связи с сокращением продолжительности строительства объектов в результате выбора более совершенного варианта проекта организации строительства при неизменной сметной стоимости определяется по формуле

Эу = Н(1 - Тio),                                                          (34)

где Н - условно-постоянные расходы по базовому варианту, руб.; То и Тi - продолжительность строительства соответственно по эталону, принятому для сравнения и разработанному i-му варианту, в сопоставимых единицах измерения.

Условно-постоянную часть расходов строительной организации при усредненных расчетах можно определять по формуле

Н = (0,01q + 0,15m + 0,5nб/100,                                        (35)

где 0,01; 0,15 и 0,5 - доля условно-постоянных затрат соответственно в расходах на материалах, по эксплуатации строительных машин и оборудования и в накладных расходах; q, т, п - коэффициенты, определяющие структуру сметной себестоимости строительно-монтажных работ (соответственно затраты на материалы, по эксплуатации строительных машин и оборудования и накладные расходы), %; Сб - себестоимость строительно-монтажных работ по базовому варианту.

В укрупненных расчетах значения коэффициентов q, т и п могут приниматься соответственно равными 0,6; 0,08 и 0,14. Эти значения приняты в соответствии со среднестатистическими данными о структуре себестоимости строительно-монтажных работ.

7.7. Эффект от досрочного ввода промышленного предприятия в результате сокращения продолжительности строительства определяется по формуле

Эф = ЕнФ(То - Тi),                                                           (36)

где Ф - стоимость основных фондов, досрочно введенных в действие, руб.

При наличии исходных данных о прибыли размер экономического эффекта от функционирования объекта за период досрочного ввода в действие определяется по формуле

Эф = Пpo - Тi),                                                            (37)

где Пр - среднегодовая прибыль за период досрочного ввода объекта в действие.

В том случае, если ввод объекта в действие осуществляется очередями, эффект от досрочного ввода объекта в действие определяется по формуле

                                                 (38)

где Ф - стоимость основных фондов, вводимых в составе i-ой очереди; Т1i, Т2i - продолжительность строительства i-ой очереди соответственно по базисному и проектируемому варианту; r - общее количество пусковых очередей предприятия.

7.8. При оценке сравнительной экономической эффективности вариантов ПОС в качестве эталона для определения эффекта от сокращения продолжительности строительства объекта принимается вариант проекта с большей продолжительностью.

В случаях когда вариантная разработка ПОС не осуществляется, в качестве эталона принимается продолжительность строительства аналогичных объектов, предусмотренная Нормами продолжительности строительства и задела в строительстве предприятий, зданий и сооружений, а при отсутствии аналогов - эталоны или методические примеры проектных документов (проектов организации строительства, проектов производства работ, типовых технологических карт и др., рекомендованные к использованию при проектировании).

7.9. Расчеты экономической эффективности ПОС производятся в процессе их разработки для выбора наиболее эффективного варианта и после завершения разработки проекта и передачи его заказчику для отражения показателей его эффективности в нормативных, плановых и отчетных документах.

После завершения строительства объекта оценивается фактическая экономическая эффективность ПОС с учетом реально сложившихся условий строительного производства, нормативной базы и цен.

Показатели фактической эффективности применяются для анализа и уточнения показателей ПОС при последующем проектировании аналогичных объектов, а также использования при проектировании передового опыта, достигнутого в процессе строительства.

7.10. Для оценки экономической эффективности проекта организации строительства применяются следующие показатели:

экономический эффект по приведенным затратам, отражающий суммарную экономию всех производственных ресурсов, получаемую народным хозяйством, Э;

снижение сметной стоимости строительно-монтажных работ DСм;

прирост прибыли (снижение себестоимости строительно-монтажных работ) DР;

сокращение продолжительности строительства DТ;

экономия трудовых затрат Dr;

экономия материальных ресурсов в натуральном и денежном выражении DМ;

изменение фондоемкости производства DФ.

7.11. Расчет экономического эффекта, получаемого в народном хозяйстве, производится по формуле

                                              (39)

где З1i и З2i - приведенные затраты по сравниваемым вариантам, осуществляемые в i-ом году строительства, определяемые по формуле (31); T1 и Т2 - продолжительность строительства по сравниваемым вариантам; ati - коэффициент приведения для 1-го года; Эт - экономический эффект от сокращения продолжительности строительства.

В тех случаях, когда применение более совершенного варианта проекта организации строительства приводит к изменению затрат на его проектирование, в частности при применении узлового метода, учитывается изменение этих затрат по формуле

DСпр = Зп(N1t1 - N2t2) + Цм2(Q1 - Q2),                                        (40)

где Зп - среднемесячная заработная плата одного работника проектной организации (принимается одинаковой по сравниваемым вариантам), руб.; N1 и N2 - среднее количество работников, занятых разработкой проектов организации строительства по сравниваемым вариантам, чел.; t1 и t2 - время, затрачиваемое на разработку проектов организации строительства по сравниваемым вариантам, мес; Q1 и Q2 - машинное время ЭВМ, необходимое для решения задач в проектах по сравниваемым вариантам; Цм2 - стоимость единицы машинного времени ЭВМ, руб./час.

Определение в составе приведенных затрат, рассчитываемых по формуле (31), размеров капитальных вложений в основные производственные фонды строительной организации производится по формуле

К = ФМоп,                                                        (41)

где Ф - балансовая (восстановительная) стоимость соответствующих машин, механизированных установок и оборудования, руб.; Мп и Мо - соответственно среднегодовое плановое нормативное количество машино-смен работы и количество машино-смен работы машин, механизированных установок и оборудования, предусмотренных в проекте организации строительства.

Если предусмотренный проектом метод организации строительства изменяет потребность в оборотных средствах, к капитальным вложениям в состав основных производственных фондов по сравниваемым вариантам добавляются вложения в оборотные средства. Размер этих вложений Ко определяется в проекте в соответствии с Основными положениями о нормировании оборотных средств государственных предприятий и организаций, утвержденных Советом Министров СССР, в процентах к сметной стоимости строительно-монтажных работ и учитывается в составе приведенных затрат за каждый год строительства по формуле

Зi = Сi + Енi + Кoi).                                                             (42)

7.12. При оценке проектов организации строительства, предусматривающих применение укрупнительной сборки и блочно-конвейерного метода строительных конструкций и технологического оборудования, комплектно-блочного метода строительства, в составе приведенных затрат должны учитываться включаемые в смету на строительство объектов связанные с этим дополнительные текущие издержки по усилению или изменению строительных конструкций, а также дополнительные единовременные затраты по организации производства конструкций в заводских условиях.

При оценке проектов организации строительства с применением экспедиционного, экспедиционно-вахтового и вахтового методов, предусматривающих доставку рабочей силы и материально-технических ресурсов с тыловых баз, расположенных в освоенных районах страны, к экономическому эффекту, определенному по формуле (39), следует добавлять экономию капитальных вложений в строительство объектов жилищного и культурно-бытового назначения для проживания рабочих и членов их семей с учетом затрат на создание инфраструктуры возводимых жилых поселков. Указанные затраты определяются по действующим укрупненным нормативам.

7.13. Экономия сметной стоимости по проекту организации строительства определяется с учетом всех лимитирующих затрат, определяемых на основе утвержденных нормативов по сводной смете в процентах к сметной стоимости строительно-монтажных работ, по формуле

                                           (43)

где Ссм1 и Ссм2 - сметная стоимость строительно-монтажных работ, определяемая по сводной смете по соответствующему объекту с учетом накладных расходов и плановых накоплений, руб.; R - коэффициент, учитывающий затраты на удорожание работ в зимнее время, временные здания и сооружения, непредвиденные работы и затраты, %.

7.14. Если в проекте организации строительства предусматривается использование при строительстве объекта временных мобильных (инвентарных) зданий передвижного и контейнерного типа, то экономический эффект от их применения взамен временных неинвентарных зданий аналогичного назначения определяется по формуле

                                      (44)

где З¢1 - затраты на материалы и оборудование для временного здания франко-строительная площадка (за вычетом стоимости возврата материалов после разборки, приведенной к началу строительства объекта); Зс1 - затраты на возведение и разборку временного неинвентарного здания (сооружения); j - коэффициент изменения срока службы инвентарного здания по сравнению с базовым вариантом, определяется по формуле

j = Р1 + Ен/(Р2 + Ен);                                                         (45)

Р1 и Р2 - доля стоимости временных зданий соответственно по неинвентарному и инвентарному вариантам здания в расчете на 1 год их службы; определяется по данным табл. 28; И1 и И2 - годовые издержки по эксплуатации временных зданий по сравниваемым вариантам; З2 - приведенные затраты на изготовление инвентарного здания и доставку его на строительную площадку; Тстр - продолжительность строительства объекта; Тсл - срок службы инвентарного здания передвижного и контейнерного типов; Ев - принимается равным 0,15.

Таблица 28

Тс

Р

Р + Е

1/(P + Е)

1

1

1,15

0,8696

2

0,4762

0,6262

1,5969

3

0,3021

0,4521

2,2119

4

0,2155

0,3655

2,736

5

0,1638

0,3138

3,1867

6

0,1296

0,2796

3,5765

7

0,1054

0,2554

3,9154

8

0,0874

0,2374

4,2123

9

0,0736

0,21236

4,4723

10

0,0627

0,2127

4,7015

Коэффициенты реновации, определенные по формуле Р = Е/[(1 + Е)Тс - 1], где Тс - срок службы новой техники при Е = 0,1, приведены в табл. 28.

Примеры расчета экономического эффекта приведены в прил. 1.

7.15. Показатели экономической эффективности ПОС должны отражаться при разработке годовых и пятилетних планов, в отчетах строительных организаций, а также в нормах и нормативах.

Для отражения эффективности ПОС используется система технико-экономических показателей, которые учитываются в планах в течение всего периода строительства объекта.

Со строительной организации должны рассчитываться следующие показатели экономической эффективности применения проектов организации, отражаемые в результатах ее производственно-хозяйственной деятельности:

экономия трудовых затрат Dr;

рост производительности труда DВ;

прирост прибыли DП;

снижение себестоимости строительно-монтажных работ DС;

экономия материальных ресурсов DМ.

Экономия трудовых затрат выражается показателем условного высвобождения численности работников в результате применения более эффективного проекта организации строительства и определяется по формуле

Dr = (Т1 - Т2)А,                                                             (46)

где T1 и Т2 - трудоемкость производства объема строительно-монтажных работ соответственно по сравниваемым вариантам, чел.-дн.; А - объем строительно-монтажных работ по проекту организации строительства в соответствующих единицах измерения. При разработке годовых планов в расчет принимается объем работ Аi, подлежащих выполнению в планируемом i-ом году.

Показатель роста производительности труда определяется по формуле

DВ = Dr/(r1 - Dr),                                                           (47)

где r1 - общее количество работников на строительно-монтажных работах и в подсобных производствах по заменяемому варианту проекта организации строительства. При разработке годовых планов в расчет принимается количество условно-высвобождаемых работников в планируемом году Dri и численность работников, занятых на данном объекте в планируемом году, исходя из средней выработки и объема работ Аi.

Влияние принятого проекта организации строительства по данному объекту на изменение показателя роста производительности труда по строительной организации в планируемом году определяется по формуле

Bopгi = (Вi - Boi)Ki,                                                        (48)

где Вi - выработка в планируемом году по объекту в соответствии с принятым ПОС; Вoi - выработка по организации в планируемом году; Кi - удельный вес объемов работ i-го года, выполняемых на данном объекте в соответствии с проектом организации строительства по отношению к объему работ, выполняемому строительной организацией в целом в планируемом году.

Показатель прироста прибыли DП в результате применения принятого проекта организации строительства определяется по формуле

DП = (Ссм1 - С1) - (Ссм2 - С2).                                             (49)

Показатель прироста прибыли, определяемый по формуле (49), принимается в расчет в планируемом году ввода объекта в действие.

Снижение материальных затрат в результате применения прогрессивных проектов организации строительства определяется по формуле

DМ = М1 - М2,                                                           (50)

где М1 и М2 - материальные затраты в натуральном выражении на единицу объема работ по сравниваемым вариантам проекта организации строительства.

ПРОЕКТ ПРОИЗВОДСТВА РАБОТ

8. КАЛЕНДАРНЫЙ ПЛАН ПРОИЗВОДСТВА РАБОТ ПО ОБЪЕКТУ (ВИДУ РАБОТ)

8.1. Календарный план производства работ по объекту (виду работ) в составе проекта производства работ по форме 1ППР (см. СНиП 3.01.01-85) разрабатывается только для:

несложного объекта, состоящего из здания, сооружения или их части небольшого строительного объема с простыми технологическими процессами, объемно-планировочными и конструктивными решениями, предусматривающего участие в строительстве кроме генеральной подрядной строительной организации не более двух специализированных;

отдельных видов технически сложных и больших по объему строительных, монтажных и специальных строительных работ;

работ подготовительного периода.

8.2. При разработке календарных планов производства работ по объекту в качестве исходных данных принимаются:

проектные решения зданий и сооружений (объемно-планировочные, конструктивные и технологические) и данные проекта об объемах работ;

организационно-технологические схемы и решения по возведению здания, сооружения по секциям, пролетам, этажам, ярусам, захваткам и участкам, принятые в проекте организации строительства и технологических картах, в увязке с аналогичными решениями по возведению объектов производственной программы работ строительной организации;

календарные графики выполнения отдельных видов работ в технологических картах;

данные по организации и технологии возведения объектов-аналогов или объектов-представителей.

8.3. Разработка календарного плана производства работ по объекту (зданию, сооружению) осуществляется в следующей последовательности:

производится анализ объемно-планировочных и конструктивных решений с разбивкой здания (сооружения) на отдельные конструктивные элементы или части;

устанавливаются перечень (номенклатура) и объемы строительных, монтажных и специальных строительных работ, подлежащих выполнению на объекте;

производится выбор методов производства работ с определением количества, типов и марок строительных машин, оборудования, инвентаря и приспособлений, а также профессионального и численно-квалификационного состава рабочих низовых строительных подразделений (участков, звеньев и др.) и принимается предварительная интенсивность и продолжительность выполнения каждого вида работ; определяется трудоемкость выполнения каждого вида работ (в чел.-дн.) и потребность в работе строительных машин (в маш.-см.);

устанавливается температурно-влажностный режим выполнения строительных процессов, а также величина технологических и организационных перерывов;

устанавливается организационная и технологическая последовательность выполнения строительных процессов и их взаимная увязка во времени и корректируются принятые ранее интенсивность и продолжительность выполнения работ, а также количество средств механизации;

производится построение графической (линейной, циклограммной, сетевой) модели поточного возведения здания (сооружения) с расчетом основных параметров поточного строительства и выбором наиболее целесообразного варианта, отвечающего основным решениям по возведению данного здания (сооружения), принятым в проекте организации строительства в составе предприятия, по продолжительности строительства объекта или другому критерию эффективности (непрерывности потребления ресурсов, минимума приведенных затрат и др.) в соответствии с указаниями разд. 14 настоящего Пособия;

производится, на основе выбранного варианта, построение календарного плана и графиков движения рабочих, работы строительных машин и транспортных средств, а также потребности в строительных машинах, конструкциях и других материально-технических ресурсах.

8.4. На основе анализа проектных решений здание или сооружение относится к определенному типу по степени однородности проектных решений, принимаются организационно-технологическая схема его возведения и методы производства работ в зависимости от степени сложности объекта, возможности его разбивки на одинаковые захватки и участки, характера чередования отдельных строительных процессов в общем комплексе работ и других организационных условий в соответствии с указаниями разд. 1 настоящего Пособия.

8.5. При составлении перечня работ они заносятся в календарный план в технологической последовательности и группируются по видам и периодам времени. При группировании работ необходимо придерживаться определенных правил. Работы по возможности следует укрупнять, объединять, чтобы график был лаконичным и удобным для чтения. В то же время укрупнение работ имеет предел в виде следующих ограничений:

нельзя объединять работы, выполняемые различными исполнителями (строительными участками, звеньями и другими низовыми строительными подразделениями);

в комплексе работ, выполняемых одним исполнителем, необходимо выделять и показывать отдельно ту часть работы, которая открывает фронт работ для другого строительного подразделения. Так, например, общестроительные работы на строительстве здания выполняет одно комплексное подразделение (звено), и исходя из этого его работу можно было бы показать одной строкой. Но так как в строительстве участвует ряд других специализированных подразделений, то из общестроительных работ следует выделить, например, такую работу, как монтаж строительных конструкций, с указанием сроков выполнения монтажа по этажам, ярусам, захваткам здания, чтобы показать, когда (после какого этажа, яруса, захватки) могут быть начаты санитарно-технические и электромонтажные работы. В свою очередь, окончание определенной части специальных работ позволяет приступить к заделке отверстий и устройству подготовки под полы и т.д.

Таким образом, укрупнение перечня работ в календарном плане ограничено технологическими факторами - последовательностью строительных процессов и организационными - распределением работ по исполнителям.

8.6. Объемы работ определяются по рабочим чертежам и объектам и локальным сметам. Выборка объемов работ из смет менее трудоемка, но так как в сметах отсутствует разбивка объемов работ по частям здания (захваткам, этажам, ярусам и др.), при определении объемов необходимо пользоваться непосредственно рабочими чертежами и спецификациями к ним, контролируя правильность расчетов по сметам. Объемы работ следует выражать в единицах измерения, принятых в действующих нормах и расценках на строительно-монтажные работы.

8.7. Трудоемкость работ и количество машино-смен работы строительных машин и оборудования определяется по действующим единым или ведомственным и местным нормам и расценкам с учетом данных о фактической производительности труда и мероприятий, предусматривающих соответствующее перевыполнение норм выработки. Планируемый рост производительности труда учитывается путем введения поправочного коэффициента на перевыполнение норм.

Необходимо иметь в виду, что нормирование труда по действующим нормам и расценкам очень трудоемкий процесс, в связи с чем во всех крупных строительных организациях для целей планирования следует использовать укрупненные нормы, разрабатываемые на основе производственных калькуляций. Укрупненные нормы составляются по видам работ на здание или его часть (секцию, пролет, ярус, этаж и т.д.), конструктивный элемент или комплексный строительный процесс.

8.8. Продолжительность работ в календарном плане определяется следующим образом. К моменту составления календарного плана должны быть приняты методы производства работ, выбраны строительные машины, механизированные установки и оборудование и принята интенсивность выполнения работ. В процессе составления календарного плана следует предусматривать эксплуатацию основных строительных машин путем их использования в 2 - 3 смены без перерывов в работе и излишних перебазировок. Интенсивность и продолжительность механизированных работ должна определяться только исходя из производительности машины. В связи с этим сначала определяется интенсивность и продолжительность механизированных работ, ритм выполнения которых определяет все построение календарного плана, а затем рассчитывается интенсивность и продолжительность работ, выполняемых вручную.

Продолжительность выполнения механизированных работ (в рабочих днях) определяется по формуле

Тмех = N/nмашm,                                                           (51)

где N - потребное количество машино-смен; nмаш - количество принятых машин, шт.; т - количество смен работы в сутки.

Потребное количество машин nмаш зависит от объема работ, принятой организационно-технологической схемы возведения здания и установленных сроков строительства объекта.

Продолжительность работ, выполняемых вручную (в рабочих днях), определяется по формуле

Тр = Qp/nчел,                                                            (52)

где Qр - трудоемкость работ, чел.-дн.; nчел - количество рабочих, которые могут занять фронт работ.

Предельное (максимальное) количество рабочих, которые могут работать на захватке, определяется путем разбивки фронта работ захватки на делянки, размер фронта работ на которых должен соответствовать по объему работ не менее чем сменной производительности звена или отдельного рабочего или быть кратным ей.

Произведение числа делянок на количественный состав звеньев дает максимальную численность исполнителей на данной захватке.

Минимизация продолжительности выполнения работ имеет предел в виде трех ограничений: размера фронта работ; наличия рабочих кадров; технологии производства работ.

8.9. Количество смен работы при использовании основных строительных машин (монтажных кранов, экскаваторов, бульдозеров и др.) принимают не менее двух. Работы без применения строительных машин, как правило, должны вестись только в одну смену. Сменность работ, выполняемых вручную и с помощью механизированного инструмента, зависит от имеющегося фронта работ и наличия рабочих кадров. Как правило, при достаточном фронте работ эти работы целесообразно планировать только в первую смену, при которой улучшаются условия труда, повышается возможность более четкой организации и управления работами, обеспечивается тем самым более высокая производительность труда. Кроме того, отделочные виды работ, например отделочные, можно выполнять только в дневную смену. Производство ряда работ во вторую смену, особенно в сезон дождей и циклонов, требует проведения дополнительных мероприятий, таких как освещение рабочих мест и проходов, принятия мер по охране труда.

Однако и проведение этих дополнительных мероприятий не устраняет полностью неудобств работы во вторую смену. Работы, осуществляемые вручную, назначаются во вторую смену только в тех редких случаях, когда фронт работ резко ограничен и звено вынуждено разделиться для посменной работы (например, при возведении дымовых труб).

Рис. 11. Принципиальные схемы отображения взаимоувязки строительных процессов и переноса топологии на различных графических моделях

а, б, в - на циклограмме соответственно при совмещенном, последовательном и параллельном выполнении работ; г, д, е - то же, на сетевой модели; ж, з, и - то же, на линейной модели (графике Ганта)

8.10. Количество рабочих в смену и состав производственного подразделения (звена) определяются в соответствии с трудоемкостью и продолжительностью работ. При расчете состава подразделения исходят из того, что переход в пределах объекта с одной работы на другую не должен вызывать изменений в количественном и профессионально-квалификационном составе звена рабочих или другого производственного подразделения. С учетом этого требования должна устанавливаться наиболее целесообразная структура совмещения профессий в подразделении. Обычно производственные подразделения (звенья) имеют уже сложившийся состав, что следует учитывать при разработке календарного плана.

8.11. Графическая модель возведения здания (сооружения) наглядно отображает ход работ во времени и пространстве, их последовательность и взаимную увязку и может быть представлена в циклограммной (рис. 11, а, б, в), сетевой (рис. 11, г, д, е) и линейной форме (рис. 11, ж, з, и).

Правила переноса топологии на различные графические модели строительства и принципиальные схемы отображения взаимоувязки строительных процессов на них даны на рис. 11.

Календарные сроки выполнения работ устанавливаются из условия соблюдения строгой технологической последовательности с учетом необходимости в минимально возможный срок предоставить фронт работ для выполнения последующих.

Время подготовки фронта работ в ряде случаев увеличивается из-за необходимости соблюдения технологических перерывов между двумя последовательно выполняемыми работами. Такие технологические перерывы связаны со свойствами применяемых материалов. Например, монтаж вышележащих железобетонных конструкций может производиться только после того, как монтажные стыки опорных конструкций приобретут необходимую прочность. Величина технологических перерывов не является неизменной, она зависит от ряда факторов. Так, время сушки штукатурки зависит от периода года, температуры и применяемых методов (естественная или искусственная сушка). При необходимости величина технологических перерывов может быть сокращена путем использования более интенсивных методов. Так, при устройстве монолитного стыка могут быть применены другой вид и марка цемента, электропрогрев или другие методы ускорения твердения бетона.

Технологическая последовательность работ зависит от конкретных проектных решений. Так, способ прокладки внутренних электрических сетей определяет технологическую последовательность выполнения штукатурных, малярных и электромонтажных работ. Скрытая электрическая проводка выполняется до штукатурных и малярных работ, а при открытой - штукатурные работы предшествуют электрической проводке.

Основным методом сокращения сроков строительства объектов является поточно-параллельное и совмещенное выполнение строительно-монтажных работ. Работы, не связанные между собой, должны выполняться параллельно и независимо друг от друга (см. рис. 11, в, е, и).

При наличии технологической связи между работами в пределах общего фронта соответственно смещаются участки их выполнения, и работы производятся совмещенно (см. рис. 11, а, г, ж). При этом необходимо учитывать правила охраны труда. Например, при выполнении в течение дня на одной захватке монтажных и отделочных работ следует планировать в первую смену отделочные работы, а во вторую - монтаж конструкций.

При составлении графика работ на строительство промышленных объектов учитывается очередность ввода в эксплуатацию отдельных агрегатов, узлов, технологических линий, пусковых комплексов, а также секций, блоков, отдельных зданий и сооружений. Например, при сооружении ТЭЦ сдаются в эксплуатацию отдельные блоки паровых турбин, при строительстве мартеновских цехов - отдельные печи и т.п. С учетом такого порядка сдачи в эксплуатацию устанавливается технологическая последовательность строительно-монтажных работ и работ по монтажу технологического оборудования.

Календарный план выполнения работ

8.12. Исходными данными для разработки календарного плана выполнения работ являются:

проектные решения и физические объемы работ по отдельным конструктивным элементам или частям зданий (сооружений);

решения по организации и технологии выполнения строительного процесса с учетом взаимной увязки со смежными процессами;

карты трудовых процессов;

нормы затрат труда и работы строительных машин, принимаемые по действующим сборникам норм и расценок;

данные о количественном и профессионально-квалификационном составе комплексных и специализированных подразделений рабочих (звеньев), а также о производительности, видах, типах и марках строительных машин;

производственные нормы расхода строительных материалов.

Принципы и методика разработки календарных планов работ, а также порядок составления перечня рабочих процессов и операций и расчета объемов работ, их трудоемкости и продолжительности, состава исполнителей (рабочих звеньев) и др. являются такими же, как и при разработке календарного плана производства работ по объекту (см. пп. 8.3 - 8.11).

Календарный план работ строительной организации

8.13. Исходными данными для разработки календарного плана работ строительной организации по выполнению производственной программы являются:

перспективный (пятилетний) план подрядных работ строительной организации;

проектно-сметная документация на полный объем работ в планируемом периоде;

проект производственной программы строительной организации по видам и объемам работ, разработанный на основе данных внутрипостроечных титульных списков по отдельным заказчикам;

календарные планы строительства в составе проектов организации строительства, проектов производства работ и технологических карт;

данные о планируемых объемах и сроках поставки строительных материалов, машин и других материально-технических ресурсов;

установленные сроки ввода объектов в действие;

расчетные данные о производственной мощности генподрядной и субподрядных строительных организаций и отдельных их подразделений (строительных участков, звеньев и др.);

ожидаемое выполнение объемов работ на задельных объектах на начало планируемого периода.

8.14. Разработка календарного плана работ строительной организации производится в такой последовательности;

строительная организация на основе проектов внутрипостроечных титульных списков по всем заказчикам составляет проект плана подрядных строительно-монтажных работ на планируемый (годовой, двухлетний) период и план распределения объектов по строительно-монтажным управлениям с учетом их территориального расположения, специализации и мощности. Эти данные заносятся в табл. 29;

строительно-монтажные организации на основе плана распределения объектов устанавливают перечень (номенклатуру) и объемы основных строительных, монтажных и специальных строительных работ (специализированных потоков), а также затраты труда на их выполнение по каждому объекту и в целом по строительной организации. Эти данные также заносятся в табл. 29. В ней для примера приведены данные для одного из генподрядных строительных управлений, входящего в состав общестроительной территориальной организации;

производится построение календарного плана работ строительной организации, исходя из условий наиболее равномерного использования трудовых ресурсов и строительных машин строительных подразделений (строительных участков, звеньев рабочих) с использованием данных проектов организации строительства, проектов производства работ, технологических карт и календарных планов рассмотренных разновидностей.

8.15. Разработка календарного плана (рис. 12) производится следующим образом (на примере данных табл. 29):

1. Определяется среднее число рабочих, необходимое в течение планового периода (года) для выполнения ведущего строительного процесса по объектам строительного управления. Таким ведущим процессом в нашем примере являются работы по устройству кирпичных стен с общей трудоемкостью работ 15428 чел.-дн. Тогда среднее число каменщиков равно: 15428/260 = 60 чел., где 260 - количество рабочих дней в году.


Рис. 12. Календарный план работы строительной организации


Таблица 29. Проект производственной программы строительного управления на 1987 г.

Объект

Сметная стоимость. тыс. руб.

Остаток сметной стоимости на 01.01.1987 г., тыс. руб.

Сроки строительства

Общий план

по генподряду

собственными силами

по субподряду

начало

окончание

объем работ,

тыс. руб.

затраты труда, чел.-дн.

объем работ. тыс. руб.

затраты труда, чел.-дн.

объем работ тыс. руб.

затраты труда, чел.-дн.

1. Общежитие на 516 мест

316,2

220,6

XI-86

VIII-87

220,6

12346

175,6

11386

45

960

2. 70-квартирный жилой дом

333,8

333,8

IX-87

Перех.

113,8

4340

113,8

4340

-

-

3. Котельная

420,6

286,2

VII-86

X-87

286,2

12360

150,3

9430

135,9

2930

4. Детсад на 140 мест

................................

207,5

207,5

VIII-87

Перех.

60,4

1920

60,4

1920

-

-

11. Профтехучилище

650,6

524

VII-86

Перех.

167,2

3430

167,2

3430

-

-

12. Склад

191,2

151,2

VI-86

X-87

150,6

6900

131,4

6240

19,2

660

13. 80-квартирный жилой дом

398,1

123,3

VI-84

III-87

123,3

4826

80

3780

43,3

1046

14. Техникум механизации

................................

694,4

190

VII-85

VIII-87

190

9623

161,2

8910

28,8

713

33. Склад медицинского оборудования

280,6

54,1

IV-84

III-87

54,1

2776

28,8

2210

25,3

566

34. Дом культуры

562,1

562,1

V-87

Перех.

258,3

6518

258,3

6518

-

-

35. Магазин

396

173,9

III-86

VI-87

173,9

7642

142

6900

31,9

742

36. Склад

210,6

67,2

V-85

III-87

67,2

2950

42,2

2370

25

580

Итого по всем 36 объектам строительного управления с учетом не включенных в таблицу

-

-

-

-

2879

109140

2057

89300

822

19840

Продолжение табл. 29

Объект

План по видам работ

земляные

устройство фундаментов

установка колонн

монтаж конструкций кровельного покрытия

монтаж панелей стен и перегородок

устройство кирпичных стен и перегородок

тыс. руб.

чел.-дн.

тыс. руб.

чел.-дн.

тыс. руб.

чел.-дн.

тыс. руб.

чел.-дн.

тыс. руб.

чел.-дн.

тыс. руб.

чел.-дн.

1. Общежитие на 516 мест

-

-

-

-

6,2

250

-

-

-

-

86,3

4500

2. 70-квартирный жилой дом

4,6

460

44

1060

-

-

-

-

-

-

5,9

290

3. Котельная

9,2

920

-

-

-

-

-

-

-

-

31,6

1560

4. Детсад на 140 мест

..................................

8,8

880

36,8

230

-

-

-

-

-

-

14,8

810

11. Профтехучилище

-

-

-

-

-

-

-

-

-

-

-

-

12. Склад

6,2

560

17,8

440

3,8

100

9,8

100

60,4

720

24,6

1350

13. 80-квартирный жилой дом

-

-

-

-

-

-

-

-

-

-

-

-

14. Техникум механизации

..................................

-

-

-

-

-

-

-

-

-

-

-

-

33. Склад медицинского оборудования

-

-

-

-

-

-

-

-

-

-

6,8

400

34. Дом культуры

98,6

1280

46,3

1068

8,6

310

16,2

180

-

-

72,4

3240

35. Магазин

-

-

-

-

-

-

-

-

-

-

-

-

36. Склад

-

-

-

-

-

-

-

-

-

-

-

-

Итого по всем 36 объектам строительного управления с учетом не включенных в таблицу

160,4

7920

220,8

5960

40,6

1240

120,8

1620

90,4

940

560,4

15428

Продолжение табл. 29

Объект

План по видам работ

устройство монолитных конструкций каркаса

устройство кровли

устройство бетонной подготовки под полы

санитарно-технические

электромонтажные

тыс. руб.

чел.-дн.

тыс. руб.

чел.-дн.

тыс. руб.

чел.-дн.

тыс. руб.

чел.-дн.

тыс. руб.

чел.-дн

1. Общежитие на 516 мест

8,4

240

8,2

354

9,6

246

24,3

480

20,1

420

2. 70-квартирный жилой дом

5,2

120

-

-

32,8

1210

-

-

-

-

3. Котельная

12,6

310

5,2

280

18,4

820

92,8

1890

42,3

960

4. Детсад на 140 мест

....................................

-

-

-

-

-

-

-

-

-

-

11. Профтехучилище

6,2

180

28,4

930

26

620

-

-

-

-

12. Склад

6,4

180

5,2

200

5,6

420

7,6

150

6,1

240

13. 80-квартирный жилой дом

-

-

-

-

6,8

540

24,8

620

16,3

380

14. Техникум механизации

...................................

-

-

14,8

360

-

-

-

-

24,6

530

33. Склад медицинского оборудования

-

-

-

-

-

-

16,3

380

9

186

34. Дом культуры

162

440

-

-

-

-

-

-

-

-

35. Магазин

-

-

-

-

-

-

9,3

210

6,2

140

36. Склад

-

-

-

-

-

-

-

-

18

410

Итого по всем 36 объектам строительного управления с учетом не включенных в таблицу

61,8

1280

68

1260

78

1460

396

9820

278

6980

Продолжение табл. 29

Объект

План по видам работ

устройство слаботочных сетей

отделочные

монтаж технологического оборудования

устройство чистых полов

устройство наружных коммуникаций

благоустройство территории

тыс. руб.

чел.-дн.

тыс. руб.

чел.-дн.

тыс. руб.

чел.-дн.

тыс. руб.

чел.-дн.

тыс. руб.

чел.-дн.

тыс. руб.

чел.-дн.

1. Общежитие на 516 мест

0,6

60

36

4316

-

-

9,6

960

4,1

200

7,6

320

2. 70-квартирный жилой дом

-

-

-

-

-

-

-

-

21,3

1200

-

-

3. Котельная

0,8

80

19,6

2890

-

-

9,8

1100

11,3

620

32,6

930

4. Детсад на 140 мест

.............................

-

-

-

-

-

-

-

-

-

-

-

-

11. Профтехучилище

-

-

-

-

-

-

-

-

46,2

980

-

-

12. Склад

1,2

30

16,3

1100

4,9

240

3,2

360

19,3

920

12,6

510

13. 80-квартирный жилой дом

2,2

46

44,6

3620

-

-

28,6

620

-

-

-

-

14. Техникум механизации

.............................

-

-

91,6

7120

4,2

83

46,4

1220

-

-

9

210

33. Склад медицинского оборудования

-

-

22

1810

-

-

-

-

-

-

-

-

34. Дом культуры

-

-

-

-

-

-

-

-

-

-

-

-

35. Магазин

-

-

42

3600

16,4

392

16

380

-

-

84

2920

36. Склад

3,8

94

21

1910

3,2

76

8,6

196

12,6

264

-

-

Итого по всем 36 объектам строительного управления с учетом не включенных в таблицу

62

1460

186

14600

86

1580

120

8400

144

12672

205,8

16520

2. Определяется среднее число рабочих и соответственно продолжительность выполнения ведущего процесса на каждом объекте годовой (двухлетней) программы работ строительной организации. Так, для склада медицинского оборудования максимально возможное число звеньев, которое позволяет разместить фронт работ при численном составе звена в 2 чел., составляет 20. Тогда среднее число рабочих в смену составит 20×2/2 = 20 чел., а продолжительность этой работы (в сменах) 400/20 = 20.

3. Производится построение линейного графика по устройству стен из кирпича, на котором представленные в масштабе времени отрезки, равные продолжительности этих работ на каждом из объектов, наносятся таким образом, чтобы суммарное число рабочих было постоянным и равнялось среднему.

Для решения вопроса об очередности строительства объектов, а следовательно, очередности включения ведущего процесса в график все объекты делятся на четыре группы. К I группе относятся объекты, начатые строительством в предшествующие планируемому годы; ко II - объекты с началом и окончанием строительства в планируемом году; к III - объекты с началом строительства в предшествующие и окончанием в последующие годы и IV - с началом в планируемом и окончанием в последующие годы.

В первую очередь в график работ включают объекты I группы, затем II, III и IV.

В нашем примере количество объектов I группы составило 6.

Для одновременного выполнения ведущего вида работ (устройства стен из кирпича) на этих объектах необходимо иметь 120 каменщиков, в то время как имеется только 60 чел.

Такое количество рабочих одновременно может быть успешно использовано на строительстве общежития на 516 мест, имеющего наибольшую готовность к началу работ по устройству стен. Этот объект включается в график первым. Включение в график остальных пяти объектов первой группы осуществляется последовательно по мере окончания работ на предыдущих объектах.

Такой порядок включения объектов остальных групп в поток сохраняется и далее, до конца планируемого периода времени.

4. Определяется в зависимости от фронта работ предварительное минимальное и максимально возможное число исполнителей на каждом объекте по остальным (неведущим) процессам и устанавливается продолжительность их выполнения.

После определения величины организационного перерыва между каждой парой смежных процессов в график включаются последующие и предшествующие работы.

5. Строятся графики суммарной потребности в трудовых ресурсах для выполнения каждого вида работ на всех объектах строительной организации, включающие и рабочих, необходимых для выполнения ведущего процесса.

6. Далее графики оптимизируются с целью приведения требуемой суммарной потребности в трудовых ресурсах по каждому виду работ в каждый момент времени в соответствие с имеющимся числом рабочих.

Оптимизация производится путем изменения числа рабочих, увеличения организационного перерыва по сравнению с расчетным (сдвиг вправо) и включения в график тех объектов, на которых ведущий процесс отсутствует. При этом обязательно следует соблюдать установленные сроки ввода объектов в действие.

Комплексный сетевой график

8.16. Комплексный сетевой график разрабатывается в составе проекта производства работ для следующих объектов:

зданий, сооружений или их частей, включающих помещения (участки) с различными нетиповыми технологическими, объемно-планировочными и конструктивными решениями;

имеющих особо сложные конструкции и условия производства работ, при которых необходимо применение вспомогательных сооружений, приспособлений, устройств и установок;

отличающихся разнообразием строительных процессов и стесненными условиями выполнения строительно-монтажных работ, требующих участия в строительстве более 10 взаимосвязанных специализированных организаций;

зданий, сооружений или их частей, включающих несколько помещений (участков, цехов) с применением унифицированных технологических, объемно-планировочных и конструктивных решений, с организацией попролетного, посекционного выполнения повторяющихся строительных процессов методами непрерывных или цикличных строительных потоков и привлечением до 10 специализированных организаций.

8.17. В комплексном сетевом графике на основе объемов строительно-монтажных работ и разработанной технологии устанавливаются последовательность и сроки выполнения работ, определяется потребность в трудовых и материально-технических ресурсах, а также сроки поставок всех видов оборудования. График должен отражать работы всех организаций, занятых на устройстве объекта, а также работы, связанные с комплектацией строящегося объекта.

8.18. Разработка графика ведется четырьмя последовательными этапами.

На первом этапе группой СПУ (сетевого планирования и управления) изучается проектно-сметная документация и составляются технические задания ответственным исполнителям на разработку исходных данных и составление первичных сетевых моделей выполняемых ими работ.

В технических заданиях указываются:

объекты или часть объектов, на которых должны выполняться работы данного ответственного исполнителя;

результаты, которые должны быть получены после выполнения данным исполнителем основных работ на объекте;

ответственные исполнители смежных работ;

код, которым обозначаются работы данного исполнителя.

На втором этапе каждый ответственный исполнитель составляет исходные данные для сетевого графика, которые представляют собой полный перечень работ, выполняемых его организацией, их характеристики и последовательность выполнения, а также первичные сетевые модели.

При разработке исходных данных необходимо точно формулировать результат окончания каждой работы.

Материалами для подготовки исходных данных служат:

комплексный укрупненный сетевой график, разработанный и утвержденный в составе проекта (рабочего проекта), и принятые на его основе решения;

проектно-сметная документация;

действующие нормы на строительно-монтажные работы;

типовые технологические решения по производству работ;

данные о наличии ресурсов и материально-технической базы строительства;

данные об особых условиях строительства и о производительности труда, достигнутой в конкретных организациях.

На третьем этапе группой СПУ с участием ответственных исполнителей производится построение сетевой модели строительства объекта.

Для упрощения работы по составлению сетевых графиков и сокращения ее трудоемкости рекомендуется использовать типовые сетевые модели как для целых сооружений, так и для отдельных участков, а также применять типовые бланки, формы и соответствующие материалы аналогичных строек.

После построения сетевой модели производится нумерация событий и первоначальный расчет графика.

На четвертом этапе производится анализ и корректировка сетевого графика, заключающаяся в выявлении и сокращении путей, продолжительность которых превышает установленный срок окончания строительства.

Сокращение продолжительности критического и других напряженных путей производится за счет сокращения продолжительности работ, их составляющих или за счет организации параллельных потоков работ.

Осуществление этих мер достигается добавлением на напряженные работы ресурсов (в первую очередь за счет работ, имеющих значительные резервы времени), изменением технологической последовательности работ, применением более индустриальных конструкций и более производительных механизмов, переносом сроков поставки оборудования и другими способами.

Эффективность планируемых мер проверяется расчетом.

Согласованный со всеми организациями-исполнителями сетевой график, продолжительность критического пути которого приведена в соответствие с директивным сроком, утверждается руководством генподрядной организации.

Для успешного применения СПУ на стадии управления строительным производством необходимо создание устойчивого и ритмичного процесса сбора, передачи и обработки информации о ходе работ, соблюдение сроков и форм представления и обработки отчетности, а также своевременное принятие решений по поступающей информации.

В ходе управления строительством группа СПУ выполняет следующие работы:

сбор периодической информации от ответственных исполнителей, ее обработку и корректировку на ее основе сетевого графика;

подготовку предложений по сокращению продолжительности критического пути, изменению способов ведения работ (осуществляется совместно с ответственными исполнителями);

составление донесения руководству строительства для принятия решений, направленных на улучшение хода работ;

корректировку графика на основе принятых решений.

На основе результатов обработки очередной информации группа СПУ представляет руководству генподрядной строительной организации следующие сведения:

даты окончания строительства (по плану и по расчету графика);

продолжительность всех путей, превышающих установленный срок строительства, и перечни работ, их составляющих;

перечень работ планируемого периода, на которых уменьшились общие резервы времени;

предложения группы СПУ, согласованные с ответственными исполнителями, в отношении дальнейшего хода работ, перераспределения ресурсов;

перечень работ, ликвидация отклонений по которым не зависит от данного уровня руководства.

Донесение группы СПУ руководству генподрядной организации представляется по форме, постоянной для данного строительства.

Весь процесс обработки информации и выработки предложений в группе СПУ должен занимать не более двух дней.

Руководство генподрядной организации на основе представленных донесений принимает согласованное с ответственными исполнителями решение о дальнейшем ходе работ, в первую очередь о ликвидации отставаний от графика, и поручает группе СПУ корректировку сетевого графика. Учтя внесенные в сетевой график изменения, группа СПУ выдает планово-производственному аппарату генподрядной организации данные о новом критическом пути, резервах времени и сроках выполнения работ для составления планово-производственных заданий всем ответственным исполнителям. Задания выдаются на два отчетных периода с целью лучшего сопряжения последовательных заданий.

Служба диспетчеризации осуществляет повседневный контроль за выполнением решений, принятых на основе периодического контроля хода работ по сетевому графику.

8.19. При разработке комплексных сетевых графиков следует руководствоваться также указаниями пп. 8.3 - 8.11 настоящего раздела, а также методическими рекомендациями Указаний по разработке сетевых графиков и применению их в строительстве (СН 391-68)*.

* Настоящие Указания отменены как общесоюзный нормативный документ, однако сохраняют свою силу в качестве методического документа.

9. УНИФИЦИРОВАННАЯ НОРМАТИВНО-ТЕХНОЛОГИЧЕСКАЯ ДОКУМЕНТАЦИЯ ДЛЯ ПРОИЗВОДСТВЕННО-ТЕХНОЛОГИЧЕСКОЙ КОМПЛЕКТАЦИИ

9.1. В соответствии с требованиями главы СНиП 3.01.01-85 «Организация строительного производства» в составе проекта производства работ в увязке с календарным планом должна разрабатываться унифицированная нормативно-технологическая документация по производственно-технологической комплектации строящихся объектов строительными конструкциями, изделиями, материалами, инженерным и технологическим оборудованием, а также специальными строительными материалами в соответствии с принятой в технологических картах или схемах технологией работ.

9.2. Унифицированная нормативно-технологическая документация по комплектации должна содержать данные о составе, количестве и последовательности формирования технологических комплексов по видам материальных ресурсов и являться проектом технологической комплектации объекта из расчета на комплексные и специализированные подрядные бригады. При определении объема технологического комплекта должны учитываться ограничения по его стоимости и времени монтажа, а также соблюдаться принципы конструктивности и технологичности комплектов.

Рис. 13. Схема образования технологических комплектов при возведении одноэтажного здания (пример)

а - в плане здания; б - в поперечном разрезе; в - для административно-бытового корпуса; VI - XVI - номера технологических комплектов надземной части здания (комплекты для подземной части здания условно не показаны)

9.3. Формы унифицированной нормативно-технологической документации, которые необходимо применять для производственно-технологической комплектации с учетом планирования комплектации бригад, приведены в табл. 30, 31 и на рис. 13.

Таблица 30

Карточка реквизитов объекта

Наименование реквизитов

Код

Реквизиты объекта

Строительный трест, СМУ (СУ)

Заказчик

Наименование и адрес объекта

Пусковой комплекс

Товарная строительная продукция

Категория объекта

Получатель (плательщик)

№ расчетного счета и отделение банка

Количество бригад на объекте

Номера бригад и фамилии бригадиров

 

 

Продолжительность строительства

 

 

Дата начала и окончания строительства

 

 

Конструктивная характеристика:

вид фундаментов

» каркаса перекрытия

» ограждающих конструкций

этажность

секционность

пролетность

номера унифицированной типовой секции

 

 

Таблица 31

Схема образования технологических комплектов для объекта

__________________________________________________________________________

(наименование)

Графическое изображение границ технологических комплектов на планах и разрезах здания (сооружения)

Таблица привязки технологических комплектов к работам сетевого (линейного) графика

№ п.п.

Технологический этап строительства

Код технологического этапа строительства

Код работы графика

Номера технологических комплектов

Номенклатурная группа

Объем СМР, тыс. руб.

Границы (оси, отметки) технологических комплектов

1

2

3

4

5

6

7

8

 

 

 

 

 

 

 

 

Руководитель отдела (группы) подготовки строительного

производства______________________________________________________________

(подпись)

Исполнитель ___________________

(подпись)

Таблица 32

Комплектовочно-технологическая карта на объект________________________

(наименование)

Наименование строительно-монтажной организации (трест, комбинат, объединение)  

Номенклатурная группа ______________________

№ п.п.

Код конструкций, материалов и полуфабрикатов

Конструкции, материалы и полуфабрикаты

Серия, марка, ГОСТ

Единица измерения

Количественная характеристика единицы

Потребность на объект

Количество материальных ресурсов по технологическим комплектам:

№...

№...

№...

№...

№...

№...

1

2

3

4

5

6

7

8

9

10

11

12

13

 

 

 

 

 

 

 

 

 

 

 

 

 

Руководитель отдела (группы) подготовки строительного

производства______________________________________________________________

(подпись)

Исполнитель _______________________

(подпись)

Таблица 33

Сводная комплектовочно-технологическая карта на объект ______________

Наименование строительно-монтажной организации (трест, комбинат, объединение)__________________________________________________________________________

№ п.п.

Обозначение укрупненных номенклатурных групп

Наименование укрупненных номенклатурных групп и группировок

Единица измерения

Потребность на объект

Пусковые комплексы, этапы строительно-монтажных работ и количество материальных ресурсов по технологическим комплектам:

№...

№...

№...

№...

№...

1

2

3

4

5

6

7

8

9

10

 

 

 

 

 

 

 

 

 

 

Руководитель отдела (группы) подготовки строительного производства__________

(подпись)

Исполнитель _____________________

(подпись)

Таблица 34

Карта повышения технологической готовности изделий и полуфабрикатов

Наименование строительно-монтажной организации (трест, комбинат, объединение)  

Наименование и характеристика изделий и полуфабрикатов____________________

Номер технологического комплекта

Материалы для изготовления изделий и полуфабрикатов

Марка, ГОСТ

Единица измерения

Количество на 1 изделие

Количество и стоимость изделий в комплекте

Расход материалов на изготовление

натуральная

приведенная

натуральное

приведенное

шт.

руб.

натуральное

приведенное

1

2

3

4

5

6

7

8

9

10

11

 

 

 

 

 

 

 

 

 

 

 

Руководитель отдела (группы) подготовки строительного производства__________

(подпись)

Исполнитель ______________________

(подпись)

Таблица 35

План-график обеспечения объектов технологическими комплектами материальных ресурсов для бригады

УТВЕРЖДАЮ:

Главный инженер строительно-монтажной организации (трест, комбинат, объединение)__________________

(подпись)

№ п.п.

Объект

Сроки поставки технологических комплектов по объектам

I квартал

II квартал

III квартал

IV квартал

№ комплекта

№ комплекта

№ комплекта

№ комплекта

1

2

3

4

5

6

 

 

 

 

 

 

Главный технолог строительно-_______ Производитель работ (мастер)___________

монтажной организации                  (подпись)                                                              (подпись)

Главный инженер УПТК________________ Бригадир___________________

(подпись)                                            (подпись)

Руководитель отдела (группы) подготовки строительного производства__________

(подпись)

Таблица 36

Ведомость состава и стоимость технологических комплектов по объекту для бригады

__________________________________________________

(фамилия бригадира)

УТВЕРЖДАЮ:

Главный инженер строительно-монтажной организации

_______________________

(подпись)

№ п. п.

Код материального ресурса

Материальный ресурс

Единица измерения

Количество

Планово-расчетная цена единицы материального ресурса

Стоимость материального ресурса, руб.

Результат

план

фактически

план

фактически

экономия, руб.

перерасход, руб.

1

2

3

4

5

6

7

8

9

10

11

 

 

 

 

 

 

 

 

 

 

 

Производитель работ (мастер)_______ Главный бухгалтер____________________

(подпись)                                               (подпись)

Бригадир____________________ Руководитель отдела (группы) подготовки

(подпись)                             строительного производства___________

(подпись)

10. СТРОИТЕЛЬНЫЙ ГЕНЕРАЛЬНЫЙ ПЛАН

10.1. Строительный генеральный план в составе проекта производства работ разрабатывается на строительство отдельных зданий (сооружений), входящих в состав промышленного предприятия.

10.2. Исходными материалами для разработки строительного генерального плана служат решения генерального плана в составе проекта организации строительства, календарный план или сетевой график, технологические карты, расчеты потребности и графики поступления на строительную площадку всех видов материальных и технических ресурсов, решения по охране труда и пожарозащите, а также другие решения проектов организации строительства и производства работ.

10.3. На строительном генеральном плане даются детальные решения по организации строительного производства на той части строительной площадки, которая непосредственно связана с возведением данного здания или сооружения и охватывает территорию, непосредственно примыкающую к нему.

10.4. Строительный генеральный план охватывает территорию строительства одного или нескольких зданий (сооружений) в составе промышленного предприятия. На нем следует показывать:

расположение и привязки существующих, реконструируемых, возводимых зданий и сооружений с выделением в их составе объектов, используемых в различные периоды для нужд строительства, в том числе: зданий и сооружений; автомобильных и железных дорог, проездов, площадок для разворота транспорта; пешеходных дорог и тротуаров;

инженерные сети с указанием мест подключений к ним проектируемых и временных сетей, распределительных устройств и т.п.;

постоянное и временное ограждение строительной площадки; подлежащие сносу и временно переоборудуемые для нужд строительства здания и сооружения;

открытые площадки для складирования и укрупнительной сборки строительных конструкций, деталей, элементов и технологического оборудования;

временные инженерные сети с показом мест их подключения и элементов оснащения (прожекторных мачт и вышек, питьевых фонтанчиков, пожарных гидрантов, водопонижающих устройств и т.д.);

строительные машины, установки и средства для перемещения строительных материалов, конструкций, грузов, полуфабрикатов и рабочих;

места приемки и разгрузки строительных материалов;

опасные зоны для движения транспорта и пешеходов с размещением знаков безопасности; инвентарные и временные железные и автомобильные дороги с площадками для стоянки и разгрузки, мосты и переходы; направления движения автотранспорта и строительных машин;

места подъезда и прохода к пожарным гидрантам и другим средствам пожаротушения;

знаки закрепления геодезических разбивочных осей;

зоны для временного складирования снятого плодородного слоя грунта;

инвентарные и временные здания и установки различного функционального назначения;

расчетные (технико-экономические) показатели в табличной форме и принятые условные обозначения.

10.5. Технико-экономические показатели строительного генерального плана включают: протяженность и стоимость внутриплощадочных инвентарных и временных дорог и инженерных сетей; площади и стоимость подсобных зданий и сооружений; затраты на эксплуатацию подсобно-вспомогательного и обслуживающего хозяйства, сооружений и установок; стоимость строительно-монтажных работ и мероприятий по организации строительной площадки.

10.6. В зависимости от сложности строительства строительные генеральные планы разрабатываются для отдельных периодов и этапов выполнения строительно-монтажных работ с различной степенью детализации.

Для сложных сооружений стройгенплан следует составлять на отдельные этапы (подготовительный, основной и др.) или на стадию возведения части здания (подземная, надземная), а также на выполнение отдельных, основных видов строительных, монтажных или специальных работ в зависимости от того, на что разрабатывается проект производства работ.

При разработке стройгенплан на подготовительные работы основное внимание следует уделять геодезической разбивке территории, прокладке трасс постоянных и временных дорог и инженерных сетей, определению мест складирования растительного грунта, ограждению строительной площадки, вопросам техники безопасности, размещению пионерного состава подсобно-вспомогательных и обслуживающих зданий, установок и сооружений. При разработке строительных генеральных планов на период выполнения работ по возведению подземной части объектов основное внимание следует уделять развитию и корректировке перечисленных выше элементов, а также конкретизации решений по размещению площадок для складирования грунта для обратной засыпки и подсыпного грунта, землевозных дорог, ограждений и обноски котлована и других мест производства работ, подготовке и выделению площадок для работы строительных, монтажных и других машин, установок и средств механизации, детализации мероприятий по противопожарной защите строительства и распределению на строительной площадке осветительных устройств, Кроме того, на таких строительных генеральных планах особое внимание уделяется размещению монтажных и подъемно-транспортных машин, установок и площадок для складирования строительных конструкций, деталей, материалов и полуфабрикатов.

В случае выполнения особо сложных строительно-монтажных работ или применения принципиально новых решений по возведению объектов разрабатываются дополнительно фрагменты строительных генеральных планов с детальной проработкой определенных зон строительных площадок.

В проектах производства работ на подготовительный период строительства разрабатывается строительный генеральный план всей площадки строительства с указанием на нем мест расположения инвентарных зданий и временных сооружений, внеплощадочных и внутриплощадочных сетей с подводкой их к местам подключения и потребления и др.

Для работ по монтажу особо сложного технологического оборудования на строительном генеральном плане должны быть даны необходимые привязки, основные размеры и экспликации строящихся зданий и сооружений, а также зданий и сооружений, примыкающих к зоне монтажа и влияющих на основные решения по организации площадки и производству монтажных работ, транспортные схемы и площадки укрупнительной сборки, а также перечень основного монтажного оборудования, которым определяются решения по организации монтажных работ.

10.7. При разработке строительного генерального плана привязку (размещение) строительных грузоподъемных машин и приспособлений следует производить с учетом требований техники безопасности, для чего на строительном генеральном плане необходимо показывать: монтажную зону, зону работы кранов, опасную зону дорог, опасную зону монтажа конструкций и конструктивных элементов, зоны совместной работы кранов.

10.8. Графическая часть строительного генерального плана выполняется на геодезической подоснове той части генерального плана комплекса, на которой показан данный объект; выполняется в масштабе 1:200 или 1:500 и содержит в основном те же элементы, что и строительный генеральный план в проекте организации строительства.

10.9. К строительному генеральному плану составляется пояснительная записка, содержащая:

расчет потребности в электроэнергии, воде, паре, кислороде, сжатом воздухе;

решения по устройству временного освещения строительной площадки и рабочих мест с разработкой при необходимости рабочих чертежей подводки сетей к объекту от источников питания; перечень временных и инвентарных зданий и сооружений с расчетом потребности и обоснованием условий, привязка их к участкам строительной площадки.

Все расчеты должны выполняться на основе натуральных (физических) объемов работ по рабочей документации, а также конкретных технических решений по выбору механизированных установок, временных зданий, сооружений и др.

10.10. Строительство транспортных сетей должно быть увязано по времени с выполнением работ по вертикальной планировке площадки. При значительных объемах планировочных работ их следует выполнять по очередям с выделением на строительном генеральном плане первоочередных полос для опережающего устройства инженерных сетей и транспортных коммуникаций.

На строительном генеральном плане следует предусматривать места для складирования и хранения плодородного слоя почвы.

Строительная площадка и ограждаемые участки внутри площадки должны иметь не менее двух въездов.

Ширину ворот автомобильных въездов следует принимать по наибольшей ширине строительных машин и транспортных средств с добавлением 1,5 м, но не менее 4,5 м, а ширину ворот для железнодорожных въездов не менее 4,9 м.

Временные автомобильные дороги следует проектировать исходя из грузооборота и интенсивности движения транспорта с учетом очередности строительства. К зданиям и сооружениям по всей их длине должен быть обеспечен подъезд автотранспорта и пожарных автомобилей. Автомобильные дороги на строительной площадке должны обеспечивать кольцевой проезд и радиальные подъезды к объектам.

При устройстве тупиковых дорог в конце тупика необходимо устраивать площадки размером не менее 12 ´12 м для разворота автомобилей.

Расстояние от края проезжей части автомобильной дороги до зданий и сооружений следует принимать не менее приведенного в табл. 37.

Ширина проезжей части транзитных дорог принимается с учетом размеров дорожных плит: однополосных - 4,5 м, двухполосных с уширениями для стоянки машин при разгрузке - 8 м.

Радиусы закругления дорог в плане принимаются для перевозки длинномерных конструкций 30 м при скорости автомобилей 15 - 20 км/ч и уширении проезжей части кривых; для временных дорог с коротким сроком эксплуатации допускается радиус кривых 12 м.

Таблица 37. Расстояние от края проезжей части автомобильной дороги до зданий и сооружений

№ п. п.

Здания и сооружения

Расстояние, м

1

Наружные грани стен зданий:

при отсутствии въезда в здание и при длине здания до 20 м

1,5

 

то же, при длине здания более 20 м

3

 

при наличии въезда в здание двухосных автомобилей

8

 

то же, трехосных автомобилей

12

2

Оси параллельно расположенных железнодорожных путей колеи 1520 мм

3,75

3

Ограждения строительных площадок

1,5

4

Наружные грани конструкций опор и эстакад

0,5

5

Подкрановые пути (с учетом вылета стрелы крана)

6,5 - 12,5

Проектирование сети внутрипостроечных дорог следует выполнять с учетом геодезической основы постоянных транспортных коммуникаций с использованием их для нужд строительства, и только при несовпадении трассировки проектировать временные дороги. При необходимых обоснованиях до 65 % постоянных дорог могут быть приспособлены для нужд строительства. Временные дороги могут быть: естественные грунтовые профилированные; щебеночные, шлаковые с верхним слоем из асфальта или поверхностной обработкой вяжущими материалами; из сборных железобетонных инвентарных плит.

В пределах пересечений транспортных сетей предварительно должны быть уложены все инженерные сети как временные, так и постоянные.

В зонах действия монтажных кранов дороги устраиваются с соблюдением норм по технике безопасности и с установкой шлагбаумов и предупредительных надписей на въездах в опасные и монтажные зоны.

На строительном генеральном плане наносятся направления движения, въезды и выезды, места разгрузки и погрузки, переезды через железные дороги, шлагбаумы, опасные зоны, ширина дорог, радиусы кривых, допустимые расстояния приближения к зданиям.

При вводе железнодорожных путей в здания на строительном генеральном плане следует предусматривать перед въездом горизонтальный участок длиной не менее длины вагона или локомотива.

Пересечение железных и автомобильных дорог следует выполнять под углом 60 - 90° с устройством переездов, установкой контр-рельс, специальных знаков и освещения. Автодорога по обе стороны должна иметь твердое покрытие с уклоном более 5 %.

Тротуары, устраиваемые на строительной площадке, следует размещать вдоль автомобильных дорог на удалении 2 м от их края и 3,75 м от оси железнодорожного пути. Ширину тротуаров следует принимать не менее 1,5 м.

Существующие зеленые насаждения на территории строительной площадки следует по возможности сохранять.

10.11. На строительном генеральном плане определяются необходимые запасы складируемых материалов; выбираются способы хранения строительных конструкций, материалов и др.; рассчитываются площади по видам хранения; выбираются типы складов; размещаются и привязываются склады на площадке; размещаются детали и изделия на площадке.

Количество складируемых материалов определяется по формуле

Рскл = Роб/ТнК1К2,                                                             (53)

где Роб - общее количество потребных материалов и изделий; Т - продолжительность строительства по календарному плану, дни; н - норма запаса материалов, дни, принимается по данным табл. 38; K1 - коэффициент неравномерности поступления материалов на склады, принимается: для водного транспорта - 1,2, железнодорожного и автомобильного - 1,1; К2 - коэффициент неравномерности потребления материалов; ориентировочно принимается 1,3.

Таблица 38. Нормы запаса основных материалов и изделий на складах строительства, дни

Материалы и изделия

При перевозке

по железной дороге

автотранспортом на расстояние

до 50 км

св. 50 км

Сталь (прокатная, арматурная, кровельная), трубы металлические, лесоматериалы, нефтебитум, сантехнические и электротехнические материалы, цветные металлы

25 - 30

12

15 - 20

Цемент, известь, стекло, рулонные и асбестоцементные материалы, столярные изделия, металлоконструкции

20 - 25

8 - 12

10 - 15

Кирпич строительный, камень бутовый, сыпучие материалы, сборные железобетонные конструкции и трубы, утеплитель плитный, перегородки

15 - 20

5 - 10

7 - 20

Расчеты потребности в складских помещениях для основных материалов и изделий следует выполнять по формуле

S = Рскл/q,                                                               (54)

где Рскл - расчетный запас; q - норма складирования на 1 м2 площади склада, принимается по данным табл. 39.

Таблица 39. Нормы для определения площадей складов для хранения материалов и изделий

Материалы и изделия

Единица измерения

Расчетная площадь на единицу измерения, м2

1. Закрытые склады:

отапливаемые

 

 

химикаты, краски, олифа, паркет, спецодежда, канцелярские принадлежности, обои, обувь

1 млн. руб.

24

неотапливаемые:

 

 

цемент

1 млн. руб.

24

гипс

то же

7,6

известь

»

4,5

войлок, пакля, минвата, сухая штукатурка, фанера, асбестоцементные листы, тросы, цепи, сталь кровельная, метизы, гвозди, инструмент

»

29

2. Навесы

 

 

сталь арматурная

»

2,3

рубероид, толь, плитки керамические, гипсовые перегородки

»

48

столярные и плотничные изделия

»

13

3. Открытые складские площадки

 

 

сталь-прокат и сталь сортовая

т

1,8 - 1,25

лесоматериалы

м3

1,7 - 1,25

кирпич на поддонах

тыс. штук

2,5 - 2,2

щебень, гравий

м3

0,5 - 0,35

песок, шлак

»

1,1 - 0,8

трубы металлические

т

2,5 - 1,4

опалубка

м2

0,1 - 0,07

арматура

т

1,4 - 1,2

сборный железобетон:

 

 

фундамент

м3

1,7 - 1

плиты перекрытий, колонны

»

2

плиты покрытия

»

4,1 - 3,3

фермы

»

4,1 - 2,8

бетонные блоки

»

1

металлоконструкции

т

3,3

На строительном генеральном плане располагаются:

склады для приемки и хранения металлических и железобетонных конструкций организаций, осуществляющих монтаж каркасов зданий;

склады для приемки, хранения, комплектования, сборки и ревизии оборудования, арматуры, специальных конструкций организаций, осуществляющих монтаж оборудования;

склады для хранения цемента, песка, щебня, гравия, битума, гранитного отсева;

механизированные установки по приготовлению бетонов и растворов;

склады огнеупорных материалов;

навесы для хранения баллонов с различными газами;

приобъектные складские площадки.

Все виды складов следует располагать исходя из условия их длительного использования.

Размещение складов на строительном генеральном плане должно производиться с учетом расположения подъездных автомобильных и железных дорог.

К складам необходимо предусматривать железнодорожный подъездной путь и подъезд для автомобилей и тракторов с прицепами.

Размеры складов для строительных конструкций принимаются исходя из условия размеров свободных площадей и зон действия строительных кранов.

Территории складов следует проектировать с покрытием из шлака, щебня или инвентарных плит.

Для открытых складов следует предусматривать продольные и поперечные проходы шириной не менее 0,7 м, поперечные проходы устраивать через каждые 25 - 30 м.

Расположение и поэлементная раскладка изделий и конструкций должны соответствовать технологической последовательности монтажа основных строительных конструкций и элементов. Размещение механизированных установок необходимо увязывать с расположением складов и кранов.

10.12. Размещение временных (инвентарных) зданий на строительном генеральном плане следует производить с учетом возможности их использования для всех зданий и сооружений в составе пускового комплекса или очереди строительства. Временные здания следует располагать относительно сторон света и преобладающего направления ветров с целью обеспечения наиболее благоприятного естественного освещения, проветривания площадки, предотвращения снежных или песчаных заносов.

При определении потребности в инвентарных зданиях следует руководствоваться «Наборами инвентарных зданий и помещений для строительных и монтажных организаций», разработанными ЦНИИМОТП (М.: Стройиздат, 1978) и рекомендуемыми для строительных организаций с различной программой работ, ведущих строительство различных объектов в освоенных и неосвоенных районах страны.

Устройство временных зданий следует проектировать при разработке строительных генеральных планов в следующем порядке:

определяется необходимый объем их по годам с учетом назначений зданий;

выявляется возможность и целесообразность использования существующих и проектируемых зданий;

определяется номенклатура временных зданий, подлежащих сооружению по годам строительства;

определяется схема размещения временных зданий, бытовых городков и способы обеспечения их энергоресурсами.

Для определения площадей административных и санитарно-бытовых помещений следует использовать укрупненные нормативные показатели, приведенные в табл. 40.

При прогнозировании потребности и целесообразности использования существующих и проектируемых зданий взамен временных следует рассмотреть возможность их скоростного строительства, временной перепланировки и восстановления срока ввода комплексов.

В таких зданиях, как правило, располагают: штабы управления строительством, клубы, магазины, парикмахерские, другие службы быта, буфеты, бани и др.

Таблица 40. Нормы потребности площадей обслуживающих зданий

Номенклатура зданий

Единица измерения

Нормативный показатель

Гардеробная

м2/10 чел.

7

Душевая с преддушевой

то же

5,4

Умывальная

»

2

Сушилки для одежды и обуви

»

2

Помещение для обогрева работающих (защиты от солнечной радиации)

»

1

Столовая (на сырье)

»

10,2

Столовая (на полуфабрикатах)

»

8,1

Буфет

»

7

Помещение для приема пищи и отдыха

»

10

Помещение для личной гигиены женщин

м2/100 женщин

3,5

Здравпункт

м3/300 - 1200 чел. работающих

70

Туалет

м2/10 чел.

1

Наборы административных и санитарно-бытовых инвентарных зданий следует объединять в бытовые городки на 50 - 250 работающих в зависимости от условий строительства. Расстояние от бытовых городков до рабочих мест не должно превышать 500 м, а в Северной строительно-климатической зоне 300 м. В составе бытовых городков следует совмещать часть производственных и складских инвентарных зданий (мастерские различного назначения, раздаточные инструментальные, навесы и другие здания).

Размещение бытовых городков на строительной площадке должно удовлетворять следующим требованиям: не затруднять производство работ в течение всего периода строительства; обеспечивать безопасность и удобство подходов; обеспечивать рациональные схемы подключения всех видов энергетических ресурсов.

Для размещения бытовых городков следует использовать: участки зеленых насаждений; участки строительства последующих комплексов, территории действующих предприятий (при расширении и реконструкции), территории под смонтированными галереями и другие относительно свободные места.

На строительном генеральном плане должны быть показаны габариты помещений, их привязки в плане, места подключения к инженерным сетям, подходы и подъезды. В экспликации временных зданий и сооружений должны быть отражены сведения об их назначении, количестве, объемах, размерах в плане, а также типы и номера типовых проектов.

10.13. Проектирование сети временного электроснабжения выполняется в два этапа. Определяется рациональная точка размещения источника, совпадающая с центром электрических нагрузок, а затем производится трассировка сети электроснабжения.

Электроснабжение рекомендуется предусматривать от постоянных источников, а в случае отсутствия свободных ячеек в трансформаторных подстанциях следует их дооборудовать для присоединения источников временного электроснабжения. На площадках, не обеспеченных электропитанием от временных источников, по низковольтной сети проектируется установка инвентарных комплектных трансформаторных подстанций. В подготовительном периоде допускается применение временных передвижных электростанций. При возможности следует запроектировать два независимых ввода электроснабжения.

Прокладка кабелей к потребителям должна выполняться на надземных опорах, а в случае невозможности - в траншеях.

Воздушные линии следует устраивать преимущественно вдоль проездов, совмещая с опорами освещения, что облегчает условия строительно-монтажных работ на площадке.

Расстояние между опорами низковольтных сетей следует принимать 25 - 40 м, а между опорами высоковольтных линий 40 - 60 м.

Для прокладки временных кабелей могут быть использованы постоянные электрокабельные эстакады, опоры надземных межцеховых коммуникаций, строения мостов, галлерей и другие постоянные сооружения.

Расчет количества прожекторов, потребных для освещения строительной площадки, следует выполнять по формуле

п = рЕSл,                                                             (55)

где р - удельная мощность; для прожекторов ПЗС-35р 0,25 - 0,4 Вт/ /(м2×лк), для прожекторов ПЗС-45 0,2 - 0,3 Вт/(м2×лк); Е - освещенность, лк (принимается согласно данным табл. 41; S - площадь, подлежащая освещению, м2; Рл - мощность лампы прожектора, Вт.

При освещении прожекторами ПЗС-35 Рл мощность лампы составляет 500 и 1000 Вт, ПЗС-45 Рл = 1000 - 1500 Вт.

Таблица 41. Удельные показатели потребной мощности на освещаемую площадь

Потребитель

Освещенность, лк

Удельная мощность на 1 м2 площади, Вт

Территория строительства в районе производства работ

2

0,4

Проходы и проезды

 

 

главные

3

5000

второстепенные

1

25000

Освещение:

 

 

охранное

0,5

1500

аварийное

0,2

700

Места складирования материалов и конструкций

10

2

Места производства работ:

 

 

отделочных

50

15

земляных и бетонных

7

1

монтажа строительных конструкций:

 

 

каменных

20

3

такелажных

10

2

свайных

3

0,6

Для освещения открытых пространств прожекторы следует устанавливать группами (по три, четыре и более) по контуру площадки. Высота установки прожекторов: при мощности 200 Вт - 7 м, при мощности 1500 Вт - 25 м. Расстояние между прожекторными мачтами в зависимости от мощности прожекторов принимается 80 - 250 м.

Высотные объекты (башни, галереи, мосты и пр.) могут быть использованы для установки прожекторов и прожекторных ламп (ксеноновых и др.).

Расчет потребной мощности трансформаторов производится в следующей очередности:

1. Определяется мощность одного или группы одинаковых токоприемников по формулам:

Qм = Pмtgj (квap) и Рм = КсРу(кВт),                                      (56)

где Кс - коэффициент спроса одного или нескольких токоприемников (принимается согласно, данным табл. 42); Ру - установленная мощность токоприемников, кВт.

tgj определяется по данным табл. 43 через коэффициент мощности cosj, принятый для определенных потребителей по табл. 42.

2. Рассчитывается суммарная мощность, кВ×А, по строительной площадке в целом по формуле SSм = Pм/cosj0, где cosj0 - средне-расчетный коэффициент мощности строительной площадки, определяемый отношением суммарной реактивной мощности, квар, к суммарной активной мощности, кВт, значения тригонометрических функций tgj и cosj.

Таблица 42

Потребитель электроэнергии

Коэффициент спроса Кс

Коэффициент мощности cosj

Башенные, козловые, мостовые краны

0,2

0,5

Экскаваторы и краны с электроприводом

0,5

0,6

Растворные узлы

0,15

0,5

Компрессоры, насосы, вентиляторы

0,7

0,8

Сварочные трансформаторы

0,35

0,4

Установки электропрогрева

0,5

0,85

Ремонтно-механические мастерские

0,3

0,65

Электрическое освещение наружное

1

1

Таблица 43

cosj

0,3

0,4

0,5

0,6

0,7

0,75

0,8

0,9

1

1,1

1,2

tgj

0,96

0,93

0,9

0,86

0,82

0,8

0,78

0,74

0,71

0,67

0,64

cosj

1,3

1,4

1,5

1,6

1,7

1,8

2

2,2

2,3

3

-

tgj

0,61

0,56

0,55

0,53

0,5

0,49

0,45

0,41

0,4

0,3

-

3. Определяется потребная трансформаторная мощность, кВ×А, путем умножения суммарной мощности токоприемников строительной площадки на коэффициент совпадения нагрузок, принимаемый для строек в размере 0,75 - 0,85.

Производится выбор трансформаторной подстанции в соответствии с характеристиками трансформаторных подстанций, приведенными в табл. 44.

Таблица 44

Марка трансформаторных подстанций

Мощность, кВ×А

Габариты

длина

ширина

СКТП-100-6 (10)/0,4

20; 50; 100

3,05

1,55

СКТП-180-10 (6)/0,4 (0,23)

180

2,73

2

КТП-100-10

100

1,55

1,4

СКТП-560

560

3,4

2,27

СКТП-750

750; 1000

3,2

2,5

КТП-160

160

2,74

1,3

КТП-250

250

2,9

1,5

КТПН-72-630

630

2,27

3,34

На строительном генеральном плане расположение трансформаторных подстанций следует проектировать в непосредственной близости от наиболее крупных потребителей электроэнергии.

10.14. К инженерным сетям, обеспечивающим нужды строительства и показываемым на строительном генеральном плане, относятся трубопроводы питьевого и технического водоснабжения, водоотведения, теплоснабжения, воздухоснабжения и др.

Источниками водоснабжения могут быть существующие или проектируемые водопроводы, построенные ко времени начала строительства, водоемы и скважины.

Расчет суммарного расхода воды следует производить с учетом производственных, хозяйственно-бытовых и противопожарных нужд.

Схемы водоснабжения могут быть кольцевыми, тупиковыми и смешанными. Трассирование основных магистралей следует осуществлять вдоль транспортных коммуникаций с целью улучшения их эксплуатационных условий и обеспечения нужд пожаротушения. Ответвления к объектам водопотребления следует проектировать тупиковыми с установкой водоразборных кранов и питьевых фонтанчиков.

Для устройства временных водопроводов следует использовать стальные водогазопроводные и асбестоцементные трубы.

Отвод ливневых вод следует осуществлять открытыми земляными кюветами (лотками).

Отвод хозяйственно-бытовых стоков следует проектировать в действующие сети, а в случае их отсутствия на строительной площадке - в различные выгребные устройства. Размещение выгребных устройств должно быть согласовано с органами санитарного надзора. При значительном количестве бытовых стоков рекомендуется проектировать сооружения для их очистки (септики). В качестве источников временного теплоснабжения следует принимать действующие установки, а в случае их отсутствия временные, в первую очередь инвентарные. Сети временного теплоснабжения надлежит проектировать из стальных труб с подземной, наземной или надземной прокладкой.

Сети воздухоснабжения необходимо проектировать от действующих воздуховодов или от передвижных компрессорных установок. С целью снижения эксплуатационных затрат при сосредоточенном строительстве объектов рекомендуется проектировать централизованные установки воздухоснабжения, составляемые из нескольких передвижных компрессоров.

При проектировании временных инженерных сетей строительного генерального плана следует рассмотреть возможность обеспечения нужд строительства в энергетических ресурсах по постоянным подземным, наземным или надземным инженерным сетям. Такой анализ должен производиться по сводному плану коммуникаций комплекса путем выявления возможности использования постоянных инженерных сетей различного функционального назначения для временного обеспечения нужд строительства.

Рекомендуемые типовые схемы использования постоянных инженерных сетей для временного обеспечения строительных нужд приведены в табл. 45.

На строительном генеральном плане необходимо показывать все основные элементы временных инженерных сетей от источника до ввода (потребителя).

В экспликации приводятся объемы работ с указанием конструктивных решений по всем инженерным сетям.

При размещении временных инженерных сетей на строительном генеральном плане следует применять прокладку сетей различного назначения в совмещенных траншеях. Расстояния между коммуникациями различного функционального назначения принимаются в соответствии с данными табл. 46.

Наименьшая высота прокладки надземных трубопроводов на высоких опорах должна быть (в свету):

в непроезжей части стройплощадки, в местах прохода людей 2,2 м;

в местах пересечения с автодорогами (от верха покрытия дорог) 5 м;

в местах пересечений с железными дорогами (от головки рельса) 5,6 м;

то же, электрифицированных дорог 7,1 м.

Таблица 45. Рекомендуемые типовые схемы замещения функций временных подземных коммуникаций постоянными

№ п.п.

Варианты

Функции замещения

Схема

1

Трубопроводы прямого назначения

Вода, воздух, тепло

2

То же, прямого и другого назначения

Вода, воздух

3

То же, только другого назначения

Вода, воздух

4

То же, по постоянным и временным сетям

Вода, воздух

5

То же, по постоянным напорным и временно переустраиваемым самотечным сетям

Вода, воздух

6

То же, по постоянным самотечным с прокладкой в них временных сетей

Вода, воздух, тепло, электрокабели

7

То же, по постоянным самотечным и временно переустраиваемым под самотечные сети

Вода, воздух

8

По постоянным подземным и надземным коммуникациям

Вода, воздух, тепло

9

По постоянным трубопроводам на существующих надземных опорах

Вода, воздух

10

По постоянным подземным и временным надземным сетям

Вода, воздух, тепло

11

По временным подземным и постоянным надземным сетям

Вода, воздух, тепло

12

По существующим подземным тоннелям и постоянным сетям

Вода, воздух, тепло

13

То же, по существующим тоннелям и временным трубопроводам

Вода, воздух, тепло

Обозначения:

1 - постоянные коммуникации прямого назначения;

2 -        »                        »             предусматриваемые под временные;

3 -        »             самотечные коммуникации;

4 -        »             надземные коммуникации;

5 - временные коммуникации.

Таблица 46

Сети коммуникаций

Наименьшее расстояние между коммуникациями, м

водопроводом

канализацией

водостоком

кабелями силовыми

кабелями связи до 35 кВ

теплопроводами

фундаментами и сетями

бортовым камнем дорог и сетями

Водопровод

1,5

1,5

1,5

1

0,5

1,5

5

2

Канализация

1,5

0,4

0,4

1

0,5

1

3

1,5

Водосток

1,5

0,4

0,4

1

0,5

1

3

1,5

Кабели силовые

1

1

1

0,1 - 0,5

0,5

2

0,6

1,5

Кабели связи

0,5

0,5

0,5

0,5

-

1

0,6

1,5

Теплопроводы

1,5

1

1

2

1

-

2

1,5

Примечание. При совмещенной прокладке допускается уменьшать расстояние между сетями, исходя из размеров и размещения камер, колодцев, необходимости обеспечения монтажа и ремонта временных сетей.

При наземной прокладке инженерных сетей расстояние между трубами (изоляцией) и поверхностью земли должно быть не менее 0,35 м.

Применять надземную и наземную прокладку для водопроводов питьевой воды не разрешается.

Расстояния по вертикали в свету должны быть приняты не менее:

между верхом трубопровода (футляра) или электрокабеля от подошвы рельса или верха проезжей части автодороги 1 м;

между трубами и кабелями (в том числе связи) 0,5 м;

между трубами (за исключением канализационных сетей, пересекающих водопроводные сети) 0,2 м;

между трубопроводами питьевой воды и канализационными 0,4 м.

10.15. Технико-экономическую оценку строительного генерального плана следует производить по следующим показателям:

показатель удельных затрат (средств на временные здания и сооружения); стоимость временных зданий и сооружений строительного генерального плана определяется по формуле

К = Р×100/С,                                                               (57)

где К - показатель удельных затрат на временные здания и сооружения, %. Р - стоимость временных зданий и сооружений строительного генерального плана, тыс. руб.; С - сметная стоимость строительно-монтажных работ по комплексу, тыс. руб. (этот показатель является основным при оценке варианта строительного генерального плана);

показатель удельных затрат по объему и стоимости на 1 млн. руб. строительно-монтажных работ по дорогам, складам, инженерным сетям и т.д.;

продолжительность работ по организации строительной площадки;

трудоемкость работ по организации строительной площадки.

11. ТЕХНОЛОГИЧЕСКИЕ КАРТЫ И КАРТЫ ТРУДОВЫХ ПРОЦЕССОВ

11.1. Технологические карты являются основной составной частью проекта производства работ и разрабатываются с целью обеспечения строительства решениями по организации и технологии производства работ, способствующими повышению производительности труда, улучшению качества и снижению себестоимости строительно-монтажных работ.

11.2. Технологические карты разрабатываются на строительные процессы, результатом которых являются законченные конструктивные элементы, а также части здания или сооружения.

В технологической карте приводятся:

указания по подготовке объекта и требования к готовности предшествующих работ и строительных конструкций, обеспечивающие необходимый и достаточный фронт работ для выполнения строительного процесса, предусмотренного картой;

эскизы конструктивных частей здания (сооружения), где выполняются работы; схемы организации строительной площадки и рабочей зоны на время производства данного вида работ с указанием всех основных размеров и мест размещения строительных машин, механизированных установок, погрузоразгрузочных устройств, складов основных материалов, изделий и конструкций, подъездных путей, сетей временного энерго- и водоснабжения, необходимых для производства работ;

указания по продолжительности хранения и запасу конструкций, изделий и материалов на строительной площадке и в рабочей зоне;

методы и последовательность производства работ, разбивка здания на захватки, участки и ярусы, способы транспортирования материалов и конструкций к рабочим местам; типы применяемых подмостей, приспособлений и монтажной оснастки;

профессиональный и количественно-квалификационный состав строительных подразделений (бригад, звеньев и др.) с учетом совмещения профессий рабочих;

график выполнения работ и калькуляция трудовых затрат;

указания по привязке карт трудовых процессов, предусматривающих рациональную организацию, методы и приемы труда рабочих по выполнению отдельных рабочих процессов и операций, входящих в комплексный строительный процесс, предусмотренный технологической картой;

указания по осуществлению контроля и оценке качества работ, включающие допуски в соответствии с требованиями строительных норм, правил (стандартов) и рабочего проекта; схемы операционного контроля качества работ, включающие перечень контролируемых операций, состав, сроки и способы контроля; перечень скрытых работ, на которые должны составляться акты их освидетельствования в процессе строительства;

решения по технике безопасности и пожаро-, взрывобезопасности, требующие специальной разработки (расчетов и обоснований).

11.3. График выполнения работ составляется по форме, приведенной в табл. 47, в соответствии со следующими указаниями:

Таблица 47. График выполнения работ

Работы

Един. изм.

Объем работ

Трудоемкость на единицу измерения; чел.-дн.

Трудоемкость на весь объем работ, чел.-дн.

Состав бригады (звена) и используемые строительные машины и механизированные установки

Рабочие дни, смены, часы

 

 

 

 

 

 

 

в графе «Наименование работ» приводятся в технологической последовательности выполнения все основные, вспомогательные и сопутствующие рабочие процессы и операции, входящие в комплексный строительный процесс, на который составлена технологическая карта, а в графе «Трудоемкость» указываются затраты труда на их выполнение, соответствующие принятым методам производства работ;

в графе «Состав бригады, звена и используемые строительные машины и механизированные установки» приводится количественный, профессиональный и квалификационный состав строительных подразделений для выполнения каждого рабочего процесса и операции в зависимости от трудоемкости, объемов и сроков выполнения работ, а также наименование, тип, марка и количество принятых строительных машин и механизированных установок. При этом необходимо стремиться сохранять постоянство состава комплексных и специализированных бригад на все время выполнения работ. При выборе машин и установок необходимо предусматривать варианты их замены в случае необходимости. Если предусматривается применение новых строительных машин, установок и приспособлений, необходимо указывать наименование и адрес организации или предприятия-изготовителя;

в графике работ указываются последовательность выполнения рабочих процессов и операций, их продолжительность и взаимная увязка по фронту работ и во времени. Продолжительность выполнения комплексного строительного процесса, на который составлена технологическая карта, должна быть кратной продолжительности рабочей смены при односменной работе или рабочим суткам при двух- и трехсменной работе.

11.4. Калькуляция трудовых затрат (табл. 48), используемая при составлении нарядов-заданий рабочим, составляется на основе следующих указаний:

Таблица 48. Калькуляция трудовых затрат

Обоснование нормы

Работы

Един. изм.

Объем работ

Норма времени на единицу измерения, чел.-ч

Затраты труда на весь объем работ, чел.-дн.

Расценка на единицу измерения, руб.-коп.

Стоимость труда на весь объем работ, руб.-коп.

1

2

3

4

5

6

7

8

Итого

 

-

-

-

-

-

-

в гр. 1 указываются номера параграфа, таблицы, графы и позиции нормы, принятой по соответствующему сборнику норм;

в гр. 2 приводится перечень работ, соответствующих принятому в технологической карте, с увязкой по позициям, предусмотренным сборником норм;

в конце калькуляции проставляются итоги по гр. 6 и 8.

11.5. Схема операционного контроля качества работ составляется по форме, приведенной в табл. 49.

11.6. В технологической карте приводятся следующие технико-экономические показатели:

затраты труда на принятую единицу измерения и на весь объем работ;

затраты машино-смен на весь объем работ;

выработка на одного рабочего в смену в физическом выражении;

себестоимость строительно-монтажных работ.

11.7. Потребность в материально-технических ресурсах в технологической карте приводится в табл. 50 - 52.

Таблица 49. Схема операционного контроля качества работ

Операции, подлежащие контролю

Контроль качества выполнения операций

производителем работ

мастером

состав

способы

сроки

привлекаемые службы

 

 

 

 

 

 

Таблица 50. Потребность в строительных конструкциях, деталях, полуфабрикатах, материалах и оборудовании

Таблица 51. Потребность в машинах, оборудовании, инструменте, инвентаре и приспособлениях

Машины, оборудование, инструменты, инвентарь и приспособления

Тип

Марка

Количество

Техническая характеристика

 

 

 

 

 

Таблица 52. Потребность в эксплуатационных материалах

Эксплуатационные материалы

Единица измерения

Норма на 1 ч работы машины

Количество на принятый объем работы

 

 

 

 

11.8. При разработке технологических карт следует широко использовать типовые технологические карты, которые разрабатываются в соответствии с Руководством по разработке типовых технологических карт в строительстве (ЦНИИОМТП Госстроя СССР).

11.9. Привязка типовой технологической карты к конкретным проектным решениям объекта и условиям строительства состоит в уточнении объемов работ, средств механизации, потребности в трудовых и материально-технических ресурсах, а также графической схемы организации строительного процесса.

11.10. Карты трудовых процессов разрабатываются с целью широкого внедрения в строительном производстве высокопроизводительных методов и рациональных форм организации труда на основе изучения и обобщения передового опыта, обеспечивающих повышение производительности труда, снижение себестоимости и улучшение качества строительно-монтажных работ.

Карты трудовых процессов разрабатываются в соответствии с Методическими указаниями по составлению карт трудовых процессов строительного производства ВНИПИ труда в строительстве Госстроя СССР и являются основным документом, регламентирующим организацию, методы и приемы труда рабочих, и используются после их привязки совместно с технологическими картами в составе проектов производства работ, а также при разработке и осуществлении планов и мероприятий по научной организации труда. Они разрабатываются на отдельные рабочие процессы и операции комплексных строительных процессов применительно к их номенклатуре в действующих сборниках норм и расценок на строительно-монтажные работы.

Отдельные карты трудовых процессов сводятся в комплекты для комплексного строительного процесса, если карты разработаны на отдельные рабочие процессы; для рабочего процесса, если карты разработаны на отдельные рабочие операции. Так, комплект карт на комплексный строительный процесс по устройству монолитных железобетонных фундаментов под стены здания должен состоять из отдельных карт на армирование, монтаж стальной щитовой опалубки, бетонирование, демонтаж (разборку) опалубки. Комплект карт на рабочий процесс по оклейке стен моющимися обоями должен состоять из карт на отдельные рабочие операции по нанесению роликом линии верха обоев, частичной подмазке, очистке и шлифовке поверхности стены, сплошной шпаклевке и огрунтовке оштукатуренной поверхности, раскрою и обрезке кромок обоев, оклейке стен обоями на бумажной или тканевой основе.

Каждый комплект карт должен сопровождаться вводной частью, содержащей их перечень и основные технико-экономические показатели.

11.11. Карта трудового процесса содержит следующие разделы:

«Область и эффективность применения карты», в котором приводятся характеристика конструктивных элементов или их частей, а также частей здания (сооружения), рабочих процессов и операций, на выполнение которых составлена карта; указания о привязке карты к местным условиям; показатели производительности труда, предусмотренные в карте, в сопоставлении с аналогичными показателями в действующих сборниках норм и расценок на строительно-монтажные работы, приводимые в виде выработки в натуральных (физических) измерителях продукции процесса на 1 чел.-дн. и затрат труда на единицу продукции (в чел.-дн.);

«Подготовка и условия выполнения процесса», в который включаются требования к готовности и качеству выполнения предшествующих работ с указаниями в необходимых случаях о способах контроля (осмотр, обмер и т.п.); требования к качеству применяемых материалов, конструкций и изделий и указания о способах его контроля; указания по подготовке материалов и изделий к употреблению в дело (предварительное раскатывание и выдерживание листов линолеума, смачивание кирпича, очистка поверхностей стыкуемых элементов и т.п.), а также о допустимых сроках хранения на рабочем месте материалов, качество которых быстро изменяется с течением времени (строительные растворы, шпаклевочные материалы); требования к подготовке и обслуживанию трудового процесса (установка и перестановка подмостей и других приспособлений, подача к рабочему месту материалов, изделий и конструкций, в том числе в контейнерах и пакетах и т.п.), указания по рациональному режиму труда и отдыха, физиологические и санитарно-гигиенические требования к обеспечению необходимых условий труда (освещенность рабочих мест, обеспечение соответствующими видами спецодежды и защитных средств при работе в условиях запыленности и загазованности воздушной среды и т.п.); указания по технике безопасности; требования к качеству выполнения работ, предусмотренных процессом;

«Исполнители, предметы и орудия труда», в котором приводятся профессиональный и количественно-квалификационный состав звена рабочих; перечень и количество инструментов, приспособлений и инвентаря с указанием государственных стандартов, технических условий и др.; расход материалов и изделий на единицу продукции процесса по производственным нормам;

«Технология процесса и организация труда», в котором приводится краткая характеристика технологического процесса, определяется его продолжительность и производится взаимная увязка рабочих операций, входящих в процесс, а также содержатся график трудового процесса, схема организации рабочего места и описание рабочих приемов, с помощью которых выполняются рабочие операции. В графике отражается последовательность и продолжительность рабочих операций, выполняемых каждым исполнителем, их взаимодействие во времени, продолжительность технологических перерывов и общие затраты труда.

На схеме организации рабочего места указываются места нахождения рабочих, размещения материалов, инструментов, изделий, приспособлений, инвентаря, оснастки и средств механизации работ, а также направление передвижения рабочих и технических средств при выполнении работ. Приемы труда рабочих следует описывать в табличной форме и сопровождать графическими схемами и рисунками.

12. ГЕОДЕЗИЧЕСКОЕ ОБЕСПЕЧЕНИЕ СТРОИТЕЛЬНО-МОНТАЖНЫХ РАБОТ

12.1. Для составления геодезической части проекта производства работ исходными данными служат:

генеральный план существующей и проектируемой застройки;

материалы и данные о топографо-геодезической и разбивочной основе строительной площадки;

строительный генеральный план;

проект вертикальной планировки территории промышленной площадки;

сведения об объемах и очередности строительства объектов;

конструктивные схемы зданий;

планы и разрезы фундаментов с указанием технологических отверстий, анкеров для установки технологического оборудования.

12.2. В техническом задании на разработку геодезической части проекта производства работ указываются:

сведения об организации заказчика, генподрядчика и субподрядчиков;

данные о промышленном объекте, его характеристики и назначение;

данные о разбивочной основе;

виды работ, подлежащие включению в геодезическую часть проекта производства работ;

специальные требования, не отраженные в нормативной документации, по точности строительно-монтажных работ и их особенностям;

перечень состава и материалов геодезической части проекта производства работ (текстовые, расчетные, графические);

очередность составления геодезической части, проекта производства работ на отдельные объекты, корпуса, узлы, сроки выдачи материалов;

специальные требования по технике безопасности.

12.3. В состав геодезической части проекта производства работ входят:

стройгенплан с нанесенными знаками планово-высотного обоснования строительной площадки и разбивочной основы;

проект вертикальной планировки территории, примыкающей к зданию, сооружению;

технологические карты;

пояснительная записка.

12.4. При разработке строительного генерального плана следует руководствоваться не только строительными требованиями, но и требованиями геодезического обеспечения. Временные здания и сооружения, производственные и складские помещения, площадки для складирования материалов надо располагать так, чтобы они не мешали производству геодезических работ.

12.5. Технологические карты разрабатываются на основании изучения и обобщения современных методов производства геодезических работ, а их содержание и применение должно быть направлено на улучшение организации производства, повышение производительности труда, унификацию технологических решений, сокращение сроков строительства.

Технологические карты должны содержать:

технико-экономические показатели геодезической части проекта производства работ (объемы, продолжительность работ, стоимость и др.);

технологическую схему производства работ;

график (сетевой график) выполнения геодезических процессов;

рабочие чертежи и указания по технологии работ;

ведомость потребности в приборах, оборудовании, материалах;

ведомость потребности в трудовых ресурсах;

схемы операционного контроля;

указания по технике безопасности.

Технико-экономические показатели геодезической части проекта производства работ определяются на весь объем работ, охваченный технологической картой. Продолжительность и трудоемкость геодезических процессов устанавливается по графику выполнения строительно-монтажных работ.

Технологической схемой определяются последовательность и способы выполнения геодезических работ на строительной площадке. Она содержит сведения о составе геодезической группы и характере рабочей исполнительной документации по каждому виду работ. В технологической схеме целесообразно указывать вид исходной и завершающей документации, для кого она предназначена и кому сдается (табл. 53).

Таблица 53. Технологическая схема геодезического обеспечения

Геодезические работы

Состав геодезической группы

Документация

Кому сдается исполнительная документация

исходная

исполнительная

Плановое и высотное обеспечение строительства

Разбивка и закрепление осей

Вынос строительных реперов и их закрепление

Приемка разбивки и закрепления основных осей строительно-монтажной организацией

Инженер-геодезист - 1,

рабочий IV разр. - 2

Заявка заказчика

Генеральный план строительной площадки

Разбивочный чертеж

Акт о выполнении геодезической разбивки

(3 экз.)

Исполнительная схема

Заказчику (1 экз.)

Исполнителю строительно-монтажных работ

(1 экз.) Производственно-техническому отделу строительно-монтажной организации (1 экз.)

Геодезическое обеспечение при возведении подземной части здания

Разбивка контура котлована

Перенос основных осей и проектных отметок на дно

Исполнительная планово-высотная съемка

Устройство обноски

Разбивка и закрепление промежуточных осей

Инженер-геодезист - 1,

рабочий IV разр. - 2

Исполнительная схема разбивки и закрепления основных осей

Разбивочный чертеж

Исполнительная схема разбивки и закрепления осей

Акт готовности котлована (3 экз.)

Исполнительная схема планово-высотной съемки открытого котлована

(3 экз.)

Акт о выполнении геодезической разбивки промежуточных осей

(3 экз.)

Исполнителю строительно-монтажных работ

(1 экз.)

Производственно-техническому отделу строительно-монтажной организации

(2 экз.)

Исполнителю строительно-монтажных работ

(1 экз.)

При разработке геодезической части проекта производства работ рекомендуется предусматривать следующую очередность работ:

1. Для подготовительного периода:

вынос в натуру основных осей сооружения;

разбивка и закрепление промежуточных осей;

закрепление осей створными знаками;

установка и определение отметок рабочих реперов.

2. Для подземной части здания:

разбивка контура котлована и перенос осей и высот на дно котлована;

передача осей и высот на обноски;

разбивочные работы при устройстве фундаментов и свайных полей.

3. Для надземной части здания:

передача осей и отметок на цоколь и монтажные горизонты;

создание разбивочной основы на исходном горизонте;

разбивка и закрепление рисок под монтаж элементов;

нивелирование монтажного горизонта и установка маяков;

выверка в процессе установки строительных конструкций;

производство исполнительных съемок.

4. Для инженерных подземных сетей:

плановая разбивка сетей;

контроль за глубиной отрывки траншей, плановой и высотной установкой, конструкций, трубопроводов;

исполнительные съемки проложенных сетей.

5. Для монтажа технологического оборудования:

разбивка и закрепление проектных осей оборудования;

контроль при установке и закреплении;

исполнительные съемки.

6. Для вертикальной планировки:

определение и закрепление линий нулевых работ;

трассирование линий заданного уклона, закрепление точек;

разбивка и закрепление в натуре проектных плоскостей;

исполнительные съемки спланированных территорий.

В технологических картах приводятся указания по технологии выполнения перечисленных работ, средства измерений и чертежи.

При составлении указаний по технологии выполнения геодезических работ учитывается, что контролю точности подлежат геометрические параметры элементов, конструкций и параметры, определяющие положение разбивочных осей и ориентиров для установки конструкций:

всех зданий и сооружений

в плане - габариты котлованов и траншей, отдельно стоящие, ленточные и сплошные фундаменты, объемные элементы, закладные детали, отверстия, штрабы, направляющие лифтовых шахт;

по высоте - дно котлована, опорные площадки конструктивных элементов, все ярусы фундаментов;

каркасных зданий

в плане - колонны, ригели, балки, распорные плиты, диафрагмы жесткости;

по высоте - отметки опорных плоскостей (оголовков) колонн, навесных панелей наружных стен;

кирпичных и монолитных зданий

в плане - места пересечения капитальных стен;

по высоте - площадки опирания перекрытий (покрытий) на стены;

производственных и промышленных зданий и сооружений дополнительно

в плане - расстояния от колонн до оси подкрановых балок, смещение оси рельсов от оси балок, прямолинейность подкрановых путей и расстояние между ними, смещение анкерных болтов от проектного положения;

по высоте - проектные отметки балок, головок рельсов, анкерных болтов, закладных деталей и других опорных поверхностей.

12.6. Ведомости потребности в материальных и трудовых ресурсах и график выполнения работ составляются в соответствии с объемами работ по действующим нормам.

Пример схемы операционного контроля показан в табл. 54. В разделе по технике безопасности обращается внимание на соблюдение правил при выполнении геодезических работ.

12.7. Технологические карты должны содержать краткий текстовой и наглядный иллюстративный материал.

При вертикальной планировке промышленной площадки предусматривается обеспечение безопасности движения транспорта и пешеходов, обеспечение водоотвода, сохранение режима грунтовых вод и предотвращение оползней, соблюдение баланса земляных работ.

Сначала на плане наносятся проектные отметки железнодорожных путей, уровней полов зданий и некоторых точек площадки, определяющих систему водоотвода, затем составляются профили путей, наносятся проектные линии и подсчитываются объемы земляных работ. Затем задаются отметки точек на площадке вокруг цехов так, чтобы они были ниже уровня пола, проектируются отмостки с водоотводом, профили автомобильных дорог, водоотводящих лотков и остальных точек рельефа. На последнем этапе подсчитывается объем земляных работ.

12.8. В пояснительной записке приводятся необходимые расчеты, обоснования и пояснения к выбранным решениям.

12.9. При сооружении котлованов геодезические работы выполняются при его разбивке и контроле за установкой обносок и отрывкой котлована, при зачистке дна и откосов, передаче осей и высот в котлован, исполнительных съемках открытого котлована.

Таблица 54. Монтаж сборных железобетонных фундаментов под колонны

Основные процессы и операции, подлежащие контролю

Подготовительные работы

Установка контрольных визиров по осям фундаментов

Установка и выверка блоков

Состав контроля (что контролировать)

Проверка основных геометрических размеров фундаментных блоков и сопоставление паспортных данных с проектными

Отметки дна котлована

Толщина песчаной или гравийной подушки

Соответствие проекту перенесенных на дно котлована осей. Точность положения осей и отметок верха контрольных визирок

Точность установки.

Соответствие проектным отметкам и осям

Способ и техническое оснащение контроля (чем контролировать)

Стальной метр, рулетка

нивелир

стальной метр

Теодолит, нивелир, рулетка

Нивелир, отвес, рулетка

Когда контролировать

До начала монтажа

Во время монтажа

 

 

 

Проектирование котлована выполняется на топографическом плане крупного масштаба. В процессе проектирования определяются расположение котлована на местности по отношению к местным предметам, плановое положение внутренней и внешней кромок котлована, способы разбивочных работ. Внешний контур котлована (границу земляных работ или линию нулевых работ) определяют графически по уклону откосов и проектной отметке дна котлована. Нанеся на план ортогональную проекцию дна, строят проектные горизонтали, показывающие откосы. Пересечения проектных горизонталей с одноименными по высоте горизонталями топографической поверхности являются точками нулевых работ, соединяя которые, получают внешний контур котлована. Внешняя бровка разбивается на местности, если глубина котлована более 5 м. Разбивка внутреннего контура котлована ведется от осей здания, закрепленных на местности или обноске. Контроль за глубиной отрывки котлована ведется с помощью визирок или нивелира и реек. Контроль зачистки дна котлована производится нивелированием по квадратам.

Передача осей в котлован выполняется с помощью теодолита со створных точек или отвесами от точек пересечения осей, фиксированных проволоками, натянутыми по обноске. Высоты в котлован передаются нивелиром непосредственно на дно или сложным нивелированием по откосам. В глубокие котлованы с отвесными стенками отметки передаются с помощью вертикально подвешенной рулетки и двух нивелиров.

12.10. Разбивка осей фундаментов производится от осей здания, закрепленных на обноске или переданных в котлован. Монтаж сборных фундаментов начинается после тщательного выравнивания дна котлована с установки угловых подушек и блоков.

Сооружение монолитных фундаментов выполняется в опалубке, которая устанавливается в соответствии с проектными осями фундаментов и планом опалубки. После сооружения опалубки на ее внутренние грани выносятся отметки верхнего обреза фундамента для контроля за высотой укладки бетона.

Контроль за высотой укладки монолитных фундаментов ведется геометрическим нивелированием.

12.11. При определении видов геодезических знаков и составлении схемы закрепления осей и реперов следует исходить из конкретных условий и требований нормативов.

Для закрепления пунктов геодезической разбивочной основы применяются типы знаков, предусмотренные Инструкцией ГУГК при Совете Министров СССР «Центры геодезических пунктов для территорий городов, поселков и промышленных площадок» и прил. 3 инструкции СН 212-73 с учетом местных геологических и гидрологических условий.

Конструкция и глубина заложения знаков должна обеспечивать их незыблемость, чтобы возможные их изменения в плане и по высоте были меньше допусков на разбивочные и монтажные работы.

Место расположения знаков должно обеспечивать их сохранность и быть удобным для выполнения измерений. Размещение, конструкцию и глубину закладки их надлежит проектировать с учетом расположения сооружения и инженерных коммуникаций, организации производства, технологии строительно-монтажных работ, топографических, инженерно-геологических и гидрологических условий участка строительства.

Постоянные знаки плановой и высотной основы должны быть расположены в местах, не подверженных деформации земной поверхности, за границей земляных работ (траншей, котлованов). Ближние (временные) знаки располагаются не менее 5 м от контура здания, сооружения; постоянные грунтовые - на расстоянии не менее высоты здания, сооружения. Для долговременной сохранности грунтовые знаки ограждают деревянной или металлической обноской.

Основные оси закрепляются знаками - не менее четырех на каждую ось. (Схема закрепления и привязки основных осей здания показана на рис. 14.) Осевые знаки размещаются за пределами разработки котлована и закрепляются в местах, свободных от временных и постоянных сооружений, складов строительных материалов, установки механизмов, оборудования. Места закладки осевых знаков определяются на основе строительного генерального плана и согласовываются с главным инженером строительства.

Рис. 14. Схема закрепления и привязки основных осей здания

Оси транспортных и инженерных внутриплощадочных коммуникаций закрепляются знаками на углах поворота и прямых участках не менее чем через 100 м.

Высотная основа на территории строительства закладывается с таким расчетом, чтобы передачу высот можно было произвести не более чем с трех станций нивелирного хода.

При построении плановой разбивочной основы на исходном и монтажном горизонте могут применяться знаки в виде насечек на металлических закладных деталях, приваренных к арматуре пластин (или пристреленных к бетону), и открасок масляными красками на металлических, бетонных, деревянных или других частях постоянных и временных сооружений. В некоторых случаях оси сооружения могут закрепляться знаками в виде марок, различной формы скоб, металлических заершенных стержней, прочно заделанных в бетон, кирпичную кладку или в деревянные части.

При стесненных условиях работы в качестве плановой разбивочной основы следует максимально использовать знаки настенной полигонометрии и настенной разбивочной основы. Подобные знаки, закрепляемые на колоннах, значительно облегчают проведение работ внутри цехов промышленных сооружений.

Знаки плановой и высотной основы, заложенные на территории строительства, подлежат сдаче по акту под наблюдение за сохранностью заказчику. По окончании закладки знаков должны быть представлены:

схема расположения знаков, их типы и зарисовки;

абрисы привязок пунктов;

акт сдачи знаков под наблюдение за сохранностью.

13. РЕШЕНИЯ ПО ТЕХНИКЕ БЕЗОПАСНОСТИ

13.1. Состав и содержание решений по технике безопасности в проектах производства работ должны соответствовать требованиям главы СНиП «Техника безопасности в строительстве».

13.2. Решения по технике безопасности должны учитываться и находить отражение в календарном плане производства работ, строительном генеральном плане объекта и разрабатываться в технологических картах или организационно-технологических схемах на производство работ, пояснительной записке.

13.3. При разработке календарного плана производства работ необходимо предусматривать такую последовательность выполнения работ, чтобы любая из выполняемых работ не являлась источником производственной опасности для одновременно выполняемых или последующих работ.

Сроки выполнения работ и потребность в трудовых ресурсах следует устанавливать с учетом обеспечения безопасного ведения работ и времени на соблюдение мероприятий по обеспечению безопасного производства работ (временное крепление элементов строительных конструкций в проектном положении, устройство откосов или креплений стен выемок в грунте, установка временных защитных ограждений при выполнении работ на высоте и др.).

13.4. На строительном генеральном плане должны быть обозначены опасные зоны вблизи мест перемещения грузов подъемно-транспортным оборудованием, вблизи строящегося здания или сооружения, а также воздушной линии электропередачи.

Границы опасных зон устанавливаются согласно требованиям главы СНиП «Техника безопасности в строительстве», а в необходимых случаях определяются расчетом, который следует приводить в пояснительной записке.

На строительном генеральном плане должны быть обозначены места размещения санитарно-бытовых помещений, автомобильных и пешеходных дорог, определяемых с учетом опасных зон, расположение источников освещения и ограждение территории строительной площадки.

13.5. Санитарно-бытовые помещения следует размещать вне опасных зон и располагать по отношению к объектам, выделяющим пыль, вредные пары и газы (бункеры, бетонорастворные узлы и т.д.), на расстоянии не менее 50 м с наветренной стороны ветров преобладающего направления.

Входы в бытовые помещения со стороны железнодорожных путей необходимо устраивать при условии расположения оси железнодорожного пути на расстоянии не менее 7 м от наружных стен зданий.

13.6. Автомобильные и пешеходные дороги должны размещаться за пределами опасных зон. В случае нахождения автомобильных дорог в зоне перемещения краном груза необходимо предусматривать установку сигнального ограждения, предупредительных надписей и дорожных знаков о въезде в опасную зону.

13.7. Автомобильные дороги должны проектироваться кольцевыми, при необходимости следует предусматривать петлевые объезды или площадки для разворота автомобилей.

Радиусы закругления временных дорог принимаются не менее 12 м, ширина проезжей части дорог 3,5 м при движении транспортных средств в одном направлении и 6 м при движении в двух направлениях.

13.8. Освещенность строительной площадки и участков производства работ должна проектироваться в соответствии с Инструкцией по проектированию электрического освещения строительных площадок. Освещение должно предусматриваться рабочим, охранным и аварийным. Расчет освещенности должен приводиться в пояснительной записке.

13.9. При выборе ограждения территории строительной площадки и участков производства работ необходимо учитывать требования ГОСТ 23407-78.

Тип ограждения должен соответствовать характеристике объекта и специфике строительно-монтажных работ.

13.10. В технологических картах или схемах на выполнение отдельных видов работ при определении методов и последовательности их выполнения следует учитывать опасные зоны, возникающие в процессе работ.

При необходимости выполнения работ в опасных зонах в технологической карте должны предусматриваться мероприятия по защите работающих.

13.11. Размещение строительных машин должно быть определено таким образом, чтобы обеспечивалось пространство, достаточное для обзора рабочей зоны и маневрирования при условии соблюдения расстояния безопасности вблизи неукрепленной выемки, штабелей грузов, оборудования.

13.12. Размещение рабочих мест должно предусматриваться на устойчивых и прочных конструкциях с учетом расположения опасных зон.

При организации рабочих мест должны быть решены вопросы их оснащения средствами коллективной защиты, рациональной технологической оснасткой, средствами малой механизации, механизированным инструментом, приспособлениями по обеспечению безопасного производства работ.

13.13. Для рабочих мест и проходов к ним на высоте 1,3 м и более и расстоянии менее 2 м от границы перепада по высоте следует предусматривать устройство временных ограждений. Защитные ограждения должны отвечать требованиям ГОСТ 12.4.059-78.

При невозможности устройства этих ограждений работы на высоте должны выполняться с использованием предохранительного пояса (ГОСТ 12.4.089-80), например работы с балок, ферм, оборудования, установка временных защитных ограждений и др.

13.14. Основными требованиями, предъявляемыми к ограждениям при возведении надземной части здания, являются:

возможность многократного использования;

удобство установки и демонтажа;

надежность узла крепления ограждения к элементам строительных конструкций.

13.15. На рабочих местах, расположенных на расстоянии 2 м и более от границы перепада по высоте, вместо защитного ограждения предусматривается сигнальное ограждение с установкой знаков безопасности (ГОСТ 12.4.026-76).

13.16. Для прохода на рабочие места, расположенные на высоте, следует предусматривать лестницы, переходные мостики.

Ширина проходов к рабочим местам должна быть не менее 0,6 м, а высота проходов в свету не менее 1,8 м.

Для лестниц, устанавливаемых на проходах с уклоном более 20", предусматривается устройство ограждений.

13.17. При использовании средств подмащивания следует применять инвентарные конструкции, отвечающие нормативно-технической документации.

Нетиповые средства подмащивания должны применяться в том случае, если они изготовлены по проекту, утвержденному в установленном порядке.

13.18. Способы строповки перемещаемых конструкций должны исключить скольжение перемещаемого груза.

Расчет гибких стропов выполняется в соответствии с правилами устройства и безопасности эксплуатации грузоподъемных кранов Госгортехнадзора СССР.

13.19. Выбор технологической оснастки должен обеспечивать удобство и безопасность работ; при применении технологических устройств, типа кондукторов следует использовать конструкции, имеющие оборудованное рабочее место.

13.20. В технологических картах на производство земляных работ указываются:

меры безопасности при обслуживании строительных машин, размещении материалов или грунта вдоль бровок траншей и котлованов;

способы обеспечения устойчивости грунта при устройстве котлованов или траншей;

решения, обеспечивающие неизменяемость положения и сохранность имеющихся коммуникаций.

13.21. Условия, обеспечивающие устойчивость вертикальных стенок выемок без креплений, определены главой СНиП по технике безопасности в строительстве.

При их превышении, а также при наличии стесненных производственных условий и в грунтах, насыщенных водой, необходимо предусмотреть устройство креплений.

При устройстве выемок глубиной 3 м и более должен разрабатываться проект креплений.

Расчет элементов креплений следует указывать в пояснительной записке.

13.22. При размещении грузоподъемного оборудования и транспортных средств вблизи неукрепленной выемки следует предусматривать расстояния безопасности, указанные в п. 3.8 главы СНиП по технике безопасности в строительстве.

При наличии креплений выемок размещение материалов и строительных машин в пределах призмы обрушения грунта допускается после проверки расчетом прочности крепления. При расчете должны учитываться величина и динамичность создаваемой нагрузки.

13.23. При производстве земляных работ в условиях пересечения действующих коммуникаций необходимо предусмотреть решения, обеспечивающие неизменяемость положения и сохранность имеющихся коммуникаций. В этом случае способ разработки грунта необходимо согласовывать с организацией, эксплуатирующей данные коммуникации.

13.24. В технологических картах на производство монтажных работ должны содержаться решения по предупреждению опасности падения работающих с высоты, падения конструкций, изделий или материалов при перемещении их краном или при потере устойчивости в процессе монтажа или складирования.

13.25. Для предупреждения опасности падения работающих при организации рабочих мест на высоте рекомендуется ограждение ВНИПИпромстальконструкции, которое устанавливается по перекрытию здания и крепится к колоннам с помощью специальных захватов. Ограждение разработано для зданий с колоннами сечением 400 ´ 400 мм при шаге колонн 6 м.

13.26. При выполнении работ на высоте с применением предохранительного пояса рекомендуются устройства ВНИПИпромстальконструкции (рис. 15), конструкция которых позволяет обеспечить крепление страховочных канатов к металлическим фермам, железобетонным и металлическим колоннам. Канат устанавливается с предварительным натяжением с помощью специального рычажного устройства. Масса каната 35 кг.

13.27. При выборе грузозахватных приспособлений для обеспечения безопасных условий производства работ по расстроповке элементов следует использовать конструкции, имеющие устройства для дистанционной расстроповки.

13.28. Для предотвращения падения устанавливаемых элементов конструкций в технологических картах следует предусмотреть (указать):

последовательность операций по монтажу конструкций;

способы и оснастку для временного закрепления конструкций, обеспечивающие удобство и безопасность работ.

13.29. Предотвращение падения перемещаемых элементов конструкций, материалов должно обеспечиваться правильной строповкой, а также применением грузозахватных приспособлений, отвечающих правилам устройства и безопасной эксплуатации грузоподъемных кранов и имеющих замыкающие устройства.

13.30. В технологических картах на каменные работы рекомендуется предусматривать решения по предупреждению обрушения возводимых конструкций, средств подмащивания и улавливанию падающих предметов, что обеспечивается:

указанием предельной высоты свободно стоящих каменных стен (без укладки перекрытий и покрытий);

устройством временных креплений возводимых стен высотой более предельно допустимой;

указанием нагрузок на рабочий настил и приведением схем размещения нагрузок;

устройством защитных козырьков для улавливания падающих предметов.

Рис. 15. Схема крепления страховочного каната к элементам строительных конструкций

а - на металлических фермах; б - на металлических и железобетонных колоннах

13.31. При выполнении каменной кладки при отрицательных температурах в технологических картах должны содержаться решения по предупреждению обрушения кладки на период оттаивания, для чего в технологических картах указывается:

предельная высота кладки стен и столбов, допускаемая на период оттаивания;

временные крепления для разгрузки несущих конструкций и простенков;

способы усиления стен, столбов и других конструкций;

время выдерживания отдельных элементов конструкций (арок, сводов) при отрицательных температурах - на растворах с химическими добавками или без них до их распалубливания и при загрузке.

13.32. При разработке технологических карт на отделочные работы должны решаться вопросы:

безопасной организации рабочего места, включающей применение необходимых средств подмащивания и устройство ограждений;

максимальной механизации работ, связанных с применением вредных веществ;

указания мер безопасности при работе с легковоспламеняющимися и горючими материалами;

применения средств защиты.

При разработке мероприятий пожарной безопасности при производстве отделочных работ следует руководствоваться «Правилами пожарной безопасности при производстве строительно-монтажных работ», утвержденных ГУПО МВД СССР.

13.33. При составлении пояснительной записки следует указать:

расчет опасных зон;

расчет освещенности территории стройплощадки, участков производства работ и рабочих мест, выбор типов светильников;

расчет креплений стен выемок;

описание методов и последовательности выполнения работ;

перечень грузозахватных приспособлений, монтажной оснастки, инвентаря, тары, лестниц;

перечень средств защиты работающих;

перечень мероприятий по обеспечению безопасности работающих в опасных зонах.

13.34. Для подсчета величины опасной зоны, возникающей при падении предметов вблизи строящегося здания, рекомендуется формула

                                  (58)

где X - границы опасной зоны, м; s - эффективная площадь сечения падающего предмета, м2; т - масса падающего предмета, кг; q - ускорение свободного падения, м/с2; Н - высота падения, м; V0 - горизонтальная составляющая скорости падения предмета, м/с.

13.35. Граница опасной зоны, возникающей от падения предметов при перемещении краном груза, может быть определена по формуле

                                              (59)

где S - величина предельно возможного отлета конструкции в сторону от первоначального положения ее центра тяжести при возможности свободного падения, м; m - длина стропов, м; j - угол между вертикалью и стропом, град; п - половина длины конструкции, м; h - высота подъема конструкции над уровнем земли, монтажным горизонтом, м.

14. ОЦЕНКА ЭКОНОМИЧЕСКОЙ ЭФФЕКТИВНОСТИ ПРОЕКТОВ ПРОИЗВОДСТВА РАБОТ

14.1. Экономическое обоснование решений проектов производства работ производится в соответствии с основными положениями действующей Инструкции по определению экономической эффективности капитальных вложений в строительстве, а в части применяемых прогрессивных решений, предусматриваемых планами внедрения новой техники, - Инструкции по определению экономической эффективности использования в строительстве новой техники, изобретений и рационализаторских предложений.

14.2. Определение сравнительной экономической эффективности вариантов проектных решений по производству работ производится путем сопоставления приведенных затрат, представляющих собой сумму себестоимости и нормативных отчислений от капитальных вложений в производственные фонды строительно-монтажных организаций, по каждому из вариантов по формуле

Зi = Сi нКi,                                                              (60)

где Сi - себестоимость строительно-монтажных работ по i-му варианту проекта производства работ; Ен - нормативный коэффициент эффективности капитальных вложений в строительстве; Ki - капитальные вложения в фонды строительно-монтажных организаций по 2-му варианту проекта производства работ.

При выборе варианта проекта производства работ предпочтение отдается варианту с минимальными приведенными затратами с учетом экономического эффекта от сокращения продолжительности строительства объекта, а при равенстве приведенных затрат - варианту, обеспечивающему получение социального эффекта (вытеснение ручного труда, улучшение условий труда и др.).

Определение экономического эффекта производится по проекту производства работ для здания, сооружения или вида работ в целом, независимо от продолжительности возведения здания (сооружения) или выполнения работ согласно действующим нормативам или плановым показателям. При этом нормативный коэффициент экономической эффективности капитальных вложений принимается в размере Ен= 0,15.

14.3. Отбор и оценка новых технологических процессов, методов механизации и автоматизации производства, новых способов организации производства и труда для их включения в проекты производства работ производятся в соответствии с требованиями Инструкции по определению экономической эффективности использования в строительстве новой техники, изобретений и рационализаторских предложений.

14.4. Сравниваемые варианты проекта производства работ должны быть приведены в сопоставимый вид в соответствии с указаниями п. 7.4 настоящего Пособия.

14.5. Экономическая эффективность от сокращения продолжительности строительства здания, сооружения, обусловленного применением проекта производства работ, определяется так же, как и для проекта организации строительства, в полном соответствии с указаниями пп. 7.5 - 7.9 настоящего Пособия.

14.6. Для оценки экономической эффективности проекта производства работ применяются следующие показатели:

экономический эффект по приведенным затратам Э, определяемый по формуле (60);

прирост объемов выполняемых работ DА;

прирост прибыли DП;

снижение себестоимости строительно-монтажных работ DС;

сокращение продолжительности строительства;

экономия трудовых затрат;

изменение фондоемкости работ.

14.7. При разработке проекта производства работ оценка и выбор вариантов технологии производства различных видов работ по возведению зданий (сооружений) и их частей производится в соответствии с требованиями инструкции по определению экономической эффективности использования в строительстве новой техники, изобретений и рационализаторских предложений.

14.8. Определение экономического эффекта проекта производства работ в целом по объекту производится по формуле

Э = (З1 - З2) + Эт,                                                       (61)

где З1 и З2 - приведенные затраты на единицу объема работ по сравниваемым вариантам.

При этом сокращение продолжительности строительства по зданию (сооружению) в целом определяется в сравнении с продолжительностью строительства этого здания или сооружения, принятой в проекте организации строительства, или с продолжительностью строительства аналогичных объектов по нормам продолжительности строительства.

Экономическая оценка документации по организации выполнения производственной программы работ строительно-монтажной организации на годовой (двухлетний) период, разрабатываемой на основе проектов организации строительства и проектов производства работ по строительству отдельных предприятий, зданий, сооружений и их частей, а также на выполнение отдельных видов работ определяется по приросту прибыли DП, получаемому в результате роста годового объема выполняемых строительно-монтажной организацией работ без дополнительного увеличения ее производственной мощности, по формуле

DП = DАП11 + Эу,                                                      (62)

где DА - прирост объемов работ, выполняемых в плановом периоде; А1 - объемы работ, выполняемые по базисному варианту; П1 - плановые накопления, приходящиеся на базисный объем работ; Эу - экономия условно-постоянных расходов строительной организации, определяемая по формуле

Эy = HCм/100(g - 1),                                                    (63)

где См - сметная стоимость работ по базисному варианту годовой программы работ; Н - условно-постоянные расходы в процентах к сметной стоимости строительно-монтажных работ; g - коэффициент роста объема выполняемых работ; определяется как А2/А, где А2 - объемы работ, выполняемые по новому варианту.

14.9. Показатели экономической эффективности проектов производства работ должны отражаться при разработке годовых и пятилетних планов, в отчетах строительных организаций, а также в нормах и нормативах.

Для отражения эффективности применения проектов производства работ используются те же показатели, что и для проектов организации строительства (см. п. 7.15 настоящего Пособия).

Экономия трудовых затрат; показатель роста производительности труда в результате применения более эффективного проекта производства работ; влияние принятого проекта производства работ по данному зданию, сооружению, их части или виду работ на изменение показателя роста производительности труда по строительной организации в целом в планируемом году; снижение материальных затрат в результате применения прогрессивного проекта производства работ определяются в соответствии с указаниями п. 7.16 и соответственно по формулам (46) - (50) настоящего Пособия.

Рост прибыли и снижение себестоимости в результате применения принятого проекта производства работ определяются по формуле

DП = DС = С1 - С2.                                                        (64)

Показатель снижения себестоимости DС учитывается при разработке годовых планов. При этом в расчет принимается себестоимость строительно-монтажных работ, выполняемых на объекте в планируемом году в соответствии с проектом производства работ.

15. ПРИМЕНЕНИЕ ЭКОНОМИКО-МАТЕМАТИЧЕСКИХ МЕТОДОВ И ЭЛЕКТРОННО-ВЫЧИСЛИТЕЛЬНОЙ ТЕХНИКИ ПРИ РАЗРАБОТКЕ ПРОЕКТНЫХ РЕШЕНИЙ И ДОКУМЕНТАЦИИ ПРОЕКТОВ ОРГАНИЗАЦИИ СТРОИТЕЛЬСТВА И ПРОЕКТОВ ПРОИЗВОДСТВА РАБОТ

15.1. Задачи организационно-технологического проектирования разделяются на расчетные, оптимизационные и оформительские.

Расчетные задачи основаны на несложных вычислительных схемах с большим объемом вычислений, автоматизация решения которых позволяет сократить трудоемкость и сроки разработки проектов.

Оптимизационные задачи позволяют выбрать наиболее эффективные решения с учетом заданных ограничений.

Решением задачи оформительского характера является графическое отображение и оформление проектных разработок.

15.2. Ниже приведен перечень и содержание задач проектов организации строительства, решение которых следует осуществлять с применением экономико-математических методов и электронно-вычислительной техники*.

* В скобках даны номера программ, приведенных в прил. 2, к задачам, имеющим программное обеспечение.

I. Разработка комплексного укрупненного сетевого графика для особо сложных объектов (22, 27).

определение продолжительности основных этапов проектирования объекта (9, 12, 24); определение продолжительности основных этапов строительства объекта (8, 9, 12, 20, 24); определение рациональной очередности строительства отдельных зданий и сооружений в составе пускового комплекса (9, 12, 24, 35); определение сроков поставки технологического оборудования (24).

II. Формирование календарного плана строительства (2, 3, 4, 25, 26, 33):

установление рациональной очередности строительства основных и вспомогательных зданий и сооружений; определение сроков строительства основных и вспомогательных зданий и сооружений (9, 24); установление очередности строительства пусковых комплексов, сроков строительства пусковых комплексов, очередности работ подготовительного периода, сроков работ подготовительного периода (9, 24); распределение капитальных вложений по этапам строительства и во времени; распределение объемов строительно-монтажных работ по этапам строительства и во времени.

III. Разработка строительного генерального плана:

рациональное размещение временных инвентарных зданий и сооружений (28).

IV. Разработка ведомости объемов строительных, монтажных и специальных строительных работ (включая монтаж технологического оборудования) (1, 18, 39):

определение по проектам и сметам объемов строительно-монтажных работ с выделением работ по отдельным объектам, пусковым комплексам, временным зданиям и сооружениям и периодам строительства.

V. Формирование графика потребности в строительных конструкциях, изделиях, деталях, полуфабрикатах, материалах и оборудовании (33):

определение потребности в материально-технических ресурсах (6, 10, 19, 20, 23, 29, 31, 32, 36); распределение материально-технических ресурсов по объектам, пусковым комплексам, временным зданиям и сооружениям, календарным периодам.

VI. Расчет графика потребности в основных строительных машинах по строительству в целом (34, 44).

VII. Разработка графика потребности в рабочих кадрах (20, 35).

VIII. Составление пояснительной записки:

расчет состава парка основных строительных, дорожных и погрузочно-разгрузочных машин на основании годовых объемов работ в физических измерителях и годовой выработки машин по отчету строительно-монтажных организаций об использовании машин в строительстве с учетом планируемого роста их производительности (42); расчет потребности в транспортных средствах на основании годового грузооборота и годовой выработки транспортных средств по отчету строительно-монтажных организаций об использовании транспорта в строительстве с учетом планируемого роста повышения их производительности (11, 37, 38); расчет потребности в складском хозяйстве; обоснование потребности в жилье и культурно-бытовом обслуживании (16, 17); обоснование потребности в строительных кадрах, определенной на основании годовых объемов строительно-монтажных работ отдельных организаций, участвующих в строительстве, и годовой выработки этих организаций на одного работающего с учетом численности работников обслуживающих и прочих хозяйств, взятых по отчетам строительно-монтажных организаций, с учетом планируемого роста повышения производительности труда (16, 17, 20, 35); обоснование потребности в электроэнергии, паре, сжатом воздухе; расчет потребности в инвентарных зданиях и временных сооружениях для производства строительно-монтажных работ и санитарно-бытового обслуживания работников; расчет объемов работ для определения дополнительных затрат, обусловленных принятой организацией и технологией строительства, в том числе на стесненность строительной площадки, производство работ в зимних условиях, разработку специальных приспособлений, необходимых для монтажа уникальных конструкций и оборудования по перевозке работников строительства, на подсобно-вспомогательные и обслуживающие строительное производство здания и сооружения, а также других затрат с указаниями по отнесению их к определенным главам сметы или статьям накладных расходов и об организациях-разработчиках документации по этим решениям (40); решения по оперативно-диспетчерскому управлению в случае строительства особо сложных объектов (2, 5, 13, 33, 37, 38).

IX. Расчет технико-экономических показателей (7, 8, 41, 43):

определение объемов строительно-монтажных работ, в том числе: производственной базы, стоимости временных зданий и сооружений; соотношения стоимости оборудования (включая приспособления и производственный инвентарь) и строительно-монтажных работ; продолжительности строительства, в том числе подготовительного и основного периода (30); максимальной численности работающих (в пиковый год по кварталам); производительности труда, исчисленной по нормативной условно-чистой продукции; трудоемкости строительно-монтажных работ; удельной трудоемкости строительно-монтажных работ (на единицу производственной мощности или товарной продукции); материалоемкости строительства, в том числе расхода металла, цемента, лесоматериалов (14); удельной материалоемкости строительства (на единицу производственной мощности или товарной продукции), в том числе: металла (включая конструкции и изделия), цемента, лесоматериалов (31, 32).

15.3. Ниже приведены перечень и содержание задач проектов производства работ, решение которых следует осуществлять с применением экономико-математических методов и электронно-вычислительной техники (см. прил. 2).

I. Разработка комплексного сетевого графика производства работ (или календарного плана производства работ) (13, 22, 25, 26, 27, 33):

установление на основе объемов строительно-монтажных работ и разработанной технологии последовательности выполнения работ, сроков выполнения работ, потребности в трудовых ресурсах (21, 35); выделение этапов и комплексов работ, поручаемых хозрасчетным бригадам; определение количественного, профессионального и квалификационного состава хозрасчетных бригад.

II. Разработка строительного генерального плана: размещение приобъектных постоянных транспортных путей, приобъектных временных транспортных путей, приобъектных и пешеходных дорог и переходов, приобъектных сетей водоснабжения, канализации, электроснабжения, сетей теплоснабжения, пунктов административно-хозяйственной связи; пунктов диспетчерской связи, монтажных кранов, механизированных установок, складов; размещение временных инвентарных зданий, сооружений и устройств, используемых для нужд строительства, а также помещений для бытового обслуживания строителей (столовых, душевых, гардеробных и т.п.).

III. Формирование графика поступления на объект (здание, сооружение) строительных конструкций, деталей, полуфабрикатов, материалов и оборудования (унифицированной нормативно-технологической документации по производственно-технологической комплектации) (19):

определение объемов поставки на объект (здание, сооружение) строительных конструкций, деталей, полуфабрикатов, материалов и оборудования; определение сроков поставки на объект (здание, сооружение) строительных конструкций, деталей, полуфабрикатов, материалов и оборудования; разработка карточки реквизитов объекта в составе унифицированной нормативно-технологической документации; формирование комплектовочно-технологической карты (23, 29); формирование сводной комплектовочно-технологической карты.

IV. Разработка графика потребности в рабочих кадрах по объекту (зданию, сооружению) (18, 33, 35):

определение потребности в рабочих по профессиям (отдельно для генподрядной и субподрядных организаций); среднесуточное распределение количества рабочих по месяцам, неделям, дням.

V. Расчет графика потребности в основных строительных машинах по объекту (зданию, сооружению) (18, 34, 42):

определение потребности в основных строительных машинах по объекту (зданию, сооружению); среднесуточное распределение количества машин по дням, неделям, месяцам.

VI. Формирование технологических карт (индивидуальных или типовых, приведенных к объекту и местным условиям строительства) или технологических схем на выполнение отдельных видов работ:

определение последовательности производства работ, методов производства работ, сроков работ, стоимости работ, трудозатрат, потребности в материалах (13, 18, 19, 23, 31, 32); определение потребности в машинах (18, 34, 44, 45).

VII. Составление пояснительной записки:

расчет потребности в электроэнергии; расчет потребности в воде (15).

VIII. Расчет технико-экономических показателей: определение объемов строительно-монтажных работ, продолжительности строительно-монтажных работ (30), определение трудоемкости строительно-монтажных работ (23).

ПРИЛОЖЕНИЕ 1

Примеры расчета экономического эффекта и показателей эффективности для отражения в стройфинплане строительной организации*

* Примеры расчетов являются условными и служат только для методических целей.

Пример 1. Расчет экономического эффекта от применения проекта организации строительства при строительстве нефтепровода Сургут-Полоцк на участке 1569 - 1978 км.

1. Краткая техническая характеристика сравниваемых вариантов.

Нефтепровод проходит в пределах Марийской АССР и южной части Кировской обл. с естественными границами от р. Вятки до р. Ветлуги. Диаметр трубы 1020 мм.

С точки зрения условий строительства трассу следует отнести к категории средней сложности. Трасса пересекает значительное количество болот, рек; на западном участке трассы строительство осложнено слабо несущими грунтами, требующими устройства лежневых дорог; около половины трассы требует расчистки от лесорастительности.

Строительство нефтепровода ведется тремя участками (потоками):

протяженность I участка 1569 - 1593 км

1719 - 1807 »

- 112 км;

»               II     »  1807 - 1903 » - 96 »

»               III    »  1903 - 1978 » - 75 »

Продолжительность строительства по нормам с учетом коэффициента на переходы составляет 15 мес (принята по самому большому участку строительства).

При расчетном темпе строительства с учетом директивных сроков, установленных трестом Союзгазспецстрой, продолжительность строительства составляет 8 мес.

За эталон приняты рекомендации по составу и оснащению комплексных линейных строительно-монтажных потоков для сооружения магистральных трубопроводов 1020, 1220 и 1420 км в различных условиях, утвержденные Миннефтегазстроем.

Темп работ принят по технологическим картам работы изоляционно-укладочной колонны; изоляция производится полимерной лентой.

Продолжительность работ по эталону составляет 9 мес.

В расчет приняты только основные строительные машины и механизмы при работе в одну смену.

Выполнение работ в соответствии с проектом организации строительства позволяет сократить сроки строительства, снизить сметную стоимость и себестоимость строительно-монтажных работ и затраты труда по сравнению с принятым эталоном.

2. Исходные данные для расчета

Таблица 1

Показатели

Единица измерения

Сравниваемые варианты ПОС

базовый

новый

1. Сметная стоимость

тыс. руб.

-

7500

2. Затраты на материалы

то же

4150

4150

3. Основная заработная плата

»

415,2

407,2

4. Затраты на эксплуатацию машин и механизмов

»

1237,4

1074,5

5. Накладные расходы, зависящие от:

 

 

 

основной заработной платы

(415,2×0,15 = 62,3

407,2×0,15 = 61,1)

»

62,3

61,1

трудоемкости

(91,65×0,6 = 55

89,9×0,6 = 53,4)

тыс. руб.

55

53,9

6. Трудовые затраты

тыс. чел.-дн.

91,65

89,9

7. Капитальные вложения в основные производственные фонды

тыс. руб.

2527,6

2523,6

8. Продолжительность строительства

год

0,75

0,67

9. Себестоимость строительно-монтажных работ

тыс. руб.

5919,9

5746,7

3. Расчет экономического эффекта.

Экономический эффект, получаемый в результате внедрения более совершенного проекта организации строительства, определяется по формуле (45) и для каждого из вариантов составит, тыс. руб.

З1 = 5919,9 + 0,15 ´ 2527,6 = 6299

З2 = 5746,7 + 0,15 ´ 2523,6 = 6125,2

З = 6299 - 6125,2 = 173,8

Помимо прямого экономического эффекта по приведенным затратам достигается экономия условно-постоянных расходов строительной организации Эу в результате сокращения продолжительности строительства.

Условно-постоянные расходы Н принимаем в размере:

по накладным расходам Н = 117,3×0,5 = 58,7 тыс. руб.;

по затратам на эксплуатацию машин и механизмов Н = 1237,4 ´ 0,15 = 185,6 тыс. руб.;

по затратам на материалы Н = 4150×0,01 = 41,5 тыс. руб.

Итого Н = 285,8 тыс. руб.

ЭУ = Н(1 - Т21) = 285,8(1 - 0,67/0,75) = 30,6 тыс. руб.                        (1)

Экономия от функционирования объекта за период досрочного ввода определяется по формуле

Эф = ЕнФ(Т1 - Т2).                                                          (2)

Эф = 7500×0,15(0,75 - 0,67) = 90 тыс. руб.

Общий экономический эффект составляет

Э + Эу + Эф = 173,8 + 30,6 + 90 = 294,4 тыс. руб.                    (3)

Пример 2. Расчет экономического эффекта от применения проекта организации строительства, предусматривающего внедрение поточно-совмещенного метода при монтаже технологического оборудования КС-5 Ю-Балыкская

1. Краткая техническая характеристика сравниваемых вариантов

В примере определяется эффект от применения поточно-совмещенного метода ведения строительно-монтажных работ, заключающегося в концентрации материально-технических ресурсов для опережающего монтажа газоперекачивающих агрегатов.

Применение этого метода позволяет повысить производительность труда, сократить продолжительность монтажа, уменьшить затраты на капитальные вложения в основные фонды строительно-монтажных организаций.

В качестве эталона принимается традиционный метод строительства, заложенный в проекте организации строительства (последовательное ведение работ с нормативным сроком строительства).

2. Исходные данные для расчета

3. Расчет экономического эффекта

Экономический эффект, получаемый в результате внедрения нового проекта, определяется по формуле (31):

З1 = 92,5 + 0,15×181,2 = 119,7 тыс. руб.;

З2 = 75,3 + 0,15×92,9 = 89,2 тыс. руб.;

Э = З1 - З2 = 119,7 - 89,2 = 30,5 тыс. руб.

Помимо прямого экономического эффекта по приведенным затратам достигается экономия условно-постоянных расходов строительной организации Эу в результате сокращения продолжительности строительства.

Условно-постоянные расходы принимаем в размере:

по накладным расходам Нн = 8,9×0,5 = 4,45;

по затратам на эксплуатацию Н = 44,1×0,15 = 6,62;

машин и механизмов

Таблица 2

Показатель

Единица измерения

Традиционный метод

Поточно-совмещенный метод

1. Сметная стоимость объекта

тыс. руб.

 

800

2. Сметная стоимость технологического оборудования

то же

500

500

3. Прямые затраты на монтаж

»

83,6

69

В том числе:

 

 

 

основная заработная плата

»

39,5

28,2

затраты на эксплуатацию машин и механизмов

»

44,1

40,8

4. Накладные расходы, зависящие от:

 

 

 

основной заработной платы

(39,5×0,15 = 5,9

28,2×0,15 = 4,2)

»

5,9

4,2

трудоемкости

(4,94×0,6 = 3

3,53×0,6 = 2,1)

»

3

2,1

Итого себестоимость работ по монтажу

»

92,5

75,3

5. Трудовые затраты

тыс. чел.-дн.

4,94

3,53

6. Капитальные вложения в основные производственные фонды

тыс. руб.

181,2

92,9

7. Продолжительность монтажа оборудования

год

0,3

0,25

8. Продолжительность строительства объектов

»

2

1,95

по затратам на материалы Н = 500×0,01 = 5,0;

(оборудование)

Итого Н = 16,07

ЭУ = Н(1 - Т21) = 16,07(1 - 0,25/0,3) = 2,68 тыс. руб.                           (4)

Эф = ЕнФ(Т1 - Т2).                                                     (5)

Эф = 8000×0,15(0,3 - 0,25) = 60 тыс. руб.

Общий экономический эффект составляет

Э + Эу + Эф = 30,5 + 2,7 + 60 = 93,2 тыс. руб.                         (6)

Пример 3. Расчет экономического эффекта проекта организации строительства с применением узлового метода проектирования и строительства объекта

1. Технико-экономическая характеристика

Новый проект организации строительства предусматривает разделение строящегося промышленного комплекса на обособленные конструктивные и технологические части - узлы, связанные между собой технологическими и временными зависимостями.

Строительное производство на узлах осуществляется автономно на основе сетевого структурно-узлового графика. В качестве базы для сравнения принят традиционный проект организации строительства на основе обычного сетевого графика.

Применение узлового метода проектирования подготовки и организации строительства приводит к сокращению продолжительности строительства промышленного комплекса и более рациональному распределению производственных ресурсов по годам строительства.

2. Исходные данные расчета

Таблица 3

Показатель

Единица измерения

Традиционный проект организации строительства (базовый вариант)

Поточно-узловой метод организации строительства (новый вариант)

Продолжительность строительства объекта

год

3,6

3

Сметная стоимость объекта

млн. руб.

72

72

Сметная стоимость строительно-монтажных работ по объекту

»

52

52

Себестоимость строительно-монтажных работ по объекту

 

 

 

Всего

млн. руб.

49

49

В том числе по годам строительства:

 

 

 

I

»

12

15

II

»

14

17

III

»

14

17

IV

»

9

-

Капитальные вложения в основные и оборотные производственные фонды строительной организации по годам строительства объекта:

 

 

 

I

»

12

17

II

»

16

18

III

»

16

18

IV

»

9

-

Дополнительные затраты на проектирование организации строительства, связанные с применением узлового метода

Численность рабочих, занятых на строительно-монтажных работах по сооружению промкомплекса по годам строительства:

тыс. руб.

-

20

I

чел.

1325

1350

II

»

1500

1390

III

»

1560

900

 

»

1300

-

Показатель выработки на 1 рабочего в год, планируемый строительной организацией без учета узлового метода, по годам строительства:

 

 

 

I

руб.

10000

-

II

»

10500

-

III

»

11000

-

Удельный вес строительно-монтажных работ, выполняемых организацией с применением узлового метода, по отношению к общему объему работ по годам строительства:

 

 

 

I

%

-

70

II

»

-

80

III

»

-

80

3. Расчет экономического эффекта от применения узлового метода производится по формуле (39)

Приведенные затраты по сравниваемым вариантам:

Базовый вариант организации строительства

Таблица 4

Базовый вариант организации строительства

Годы строительства объекта

C

К

З

Коэффициент приведения

З1i

1

12

12

13,8

1,33

18,4

2

14

16

16,4

1,21

19,8

3

14

16

16,4

1,1

18

4

9

9

10,4

1

10,4

Итого

49

53

 

 

66,6

Таблица 5

Новый вариант организации строительства

Годы строительства объекта

C

К

З2

Коэффициент приведения

Зi

1

15

17

17,6

1,21

21,3

2

17

18

19,7

1,1

21,7

3

17

18

19,7

1

19,7

Итого

49

53

-

-

62,7

Экономия условно-постоянных расходов за счет сокращения продолжительности строительства от применения узлового метода определяется по формуле

Эу = (0,01 + 0,15 + 0,5п)С/100(1 - T2/T),

Эу = (0,01×60 + 0,15×8 + 0,5×14)49/100(1 - 3/3,6) = 0,62 млн. руб.            (7)

Экономический эффект от функционирования объекта за период досрочного ввода его в эксплуатацию определяется по формуле

Эф = ЕнФ(Т1 - Т2),                                                              (8)

где Ф - сметная стоимость объекта;

Эф = 0,15×72(3,6 - 3) = 6,5 млн. руб.

Общий экономический эффект составляет

Э = (66,6 - 62,7) + 0,62 + 6,5 - 0,02 = 11 млн. руб.

4. Расчет показателей эффективности для отражения в стройфинплане строительной организации.

Коэффициент рентабельности определяется по формуле

Ру = Эчп×100/А = 0,62×100/52 = 1,19 %.                                (9)

Прирост прибыли в результате применения узлового метода определяется по каждому году строительства:

П1 = PyA1/100 = 1,19×15000×1,06/100 = 189,2 тыс. руб.;

П2 = РУА2/100 = 1,19×17000×1,06/100 = 214,4 тыс. руб.;                       (10)

П3 = РуА3/100 = 1,9×16000×1,06/100 = 201,8 тыс. руб.,

где А1, 2, 3 - объем работ, выполняемых по разным вариантам.

Прирост выработки за счет применения узлового метода определяется по каждому году строительства:

B1 = 15×1,06/1325 - 14×1,06/1325 = 0,0111 - 0,0109 =

= 0,0002 млн. руб./чел, = 200 руб./чел.;

В2 = 17×1,06/1500 - 14×1,06/1390 = 0,0121 - 0,0107 =

= 0,0014 млн. руб./чел. = 1400 руб./чел.;

В3 = 17×1,06/1560 - 9×1,06/900 = 0,0115 - 0,0106 =

 = 0,0009 млн. руб./чел. = 900 руб./чел.

Изменение средней по строительной организации выработки на 1 рабочего в год за счет узлового метода по отношению к показателю, запланированному без учета узлового метода, определяется по формуле (48) по каждому году строительства:

Ворг1 = (12000 - 10000)0,7 = 1400 руб., или 14 %;

Ворг2 = (12000 - 10500)0,8 = 1200 руб., или 11 %;

Ворг3 = (11500 - 11000)0,8 = 400 руб., или 4 %.

ПРИЛОЖЕНИЕ 2

Перечень программ, рекомендуемых к использованию при разработке проектов организации строительства и проектов производства работ

Программа 1

Планирование и управление на основе сетевых графиков - обработка сметной документации

Разработчик: Главсевкавстрой Минтяжстроя СССР.

Язык разработки: PL/1, Ассемблер.

Применяемая ЭВМ: ЕС-1020.

Назначение: выдача ведомостей объемов работ в агрегированном виде на основании обработки сметной документации.

Выходная информация.

Ведомость агрегированных объемов работ.

Исходная информация.

Сметы.

Программа 2

Календарное планирование на основе сетевых моделей («А-План»)

Разработчик: НИИ строительства Госстроя ЭССР, г. Таллин.

Язык разработки: PL, Ассемблер.

Применяемая ЭВМ: ЕС-1022.

Назначение: формирование различных вариантов календарного расписания строительно-монтажных работ.

Выходная информация.

План строительного производства на: год, квартал, месяц для объекта, СМУ, треста.

Исходная информация.

Оперативная: сетевые модели объектов, таблицы ограничений.

Нормативно-справочная информация: объемы работ в физических измерителях.

Программа 3

Составление сетевых моделей для календарного планирования работ.

Разработчик: НИИ строительства Госстроя ЭССР, г. Таллин.

Язык разработки: Ассемблер.

Применяемая ЭВМ: ЕС-1020.

Назначение: представление информации о процессе возведения объектов в виде сетевых моделей для календарного планирования работ по натуральной выработке.

Выходная информация.

Таблицы характеристик работ сетевых моделей.

Справки о достигнутой выработке в натуральных показателях.

Исходная информация.

Данные о сметной стоимости по работам плановой сетевой модели и конкретных исполнителях.

Нормативно-справочная информация: нормативы выработок; формулы для расчета интенсивности выполнения работ.

Программа 4

Формирование организационно-технологических моделей календарного планирования.

Разработчик: ЦНИИпроект Госстроя СССР.

Язык разработки: PL/1.

Применяемая ЭВМ: ЕС-1040.

Назначение: на базе объемно-планировочных и конструктивных решений объектов, организационно-технологических характеристик ограничений и средств возведения осуществляется формирование организационно-технологических моделей календарного планирования, оценка этих моделей с помощью имитационного моделирования и графическое оформление рациональных вариантов в виде циклограмм.

Выходная информация.

Сетевая модель календарного планирования в табличной форме.

Циклограмма производства работ.

Исходная информация.

Технологическая последовательность работ.

Пространственное развитие работ.

Совмещение работ.

Номенклатура работ.

Число бригад.

Сроки прибытия бригад на объект.

Ограничения на поточность выполнения работ.

Нормативная выработка бригад.

Экономические характеристики работы бригад.

Программа 5

Контроль выполнения недельных планов подрядных строительно-монтажных работ.

Разработчик: ИВЦ Минстроя Киргизской ССР.

Язык разработки: PL/1.

Применяемая ЭВМ: ЕС-1020.

Назначение: оперативное управление ходом строительства объектов.

Выходная информация.

Показатели выполнения недельного плана строительно-монтажных работ генподрядными, субподрядными организациями.

Исходная информация.

Плановые данные и информация о ходе их выполнения.

Программа 6

Прогнозирование потребности в строительных материалах.

Разработчик: Челябинский политехнический институт.

Язык разработки: PL/1.

Применяемая ЭВМ: ЕС-1020, ДОС.

Назначение: прогнозирование потребности строительных трестов в основных материальных ресурсах при составлении годовых заявок, Результаты решения могут также использоваться при составлении годовых заявок и распределении фондов на строительные материалы для каждого треста Главстроя.

Выходная информация.

Коэффициенты, отражающие степень готовности объектов строительства в предыдущие годы.

Коэффициенты, отражающие структуру строительства в предыдущие годы.

Коэффициенты, отражающие структуру строительства в планируемом году.

Коэффициенты статистической модели потребности в строительных материалах.

Потребность в материально-технических ресурсах, рассчитанная методом статистических испытаний.

Исходная информация.

Данные о фактическом выполнении плана строительно-монтажных работ за предыдущие годы.

Данные о фактическом расходе материальных ресурсов за предыдущие годы.

Ограничения:

1. Максимальное количество лет, за которые берется необходимая информация, - 12.

2. Максимальное количество направлений строительства - 4.

3. Максимальное количество объектов строительства - 50.

Программа 7

Оценка экономичности и технологичности проектных решений («Этап-1»).

Разработчик: ЦНИИпроект Госстроя СССР.

Язык разработки: PL-1.

Применяемая ЭВМ: ЕС-1040.

Назначение: оценка проекта по группе параметрических критериев, отражающих экономичность и технологичность проектируемого объекта. Результатом работы программы являются оценка уровня экономичности и технологичности проекта и рекомендации по улучшению проектных показателей, характеризующих этот уровень.

В основу алгоритма положен эвристический метод. Исходная информация по любому составу показателей формируется на основе выборки однородных решений. Однородность объектов характеризуется функциональным назначением, принадлежностью к определенной отрасли или подотрасли, а также рядом других факторов.

Выходная информация.

Оценка экономичности и технологичности проектных решений:

высокий уровень экономичности и технологичности;

высокий уровень экономичности и низкий уровень технологичности; при этом указываются показатели, способствующие повышению технологичности;

низкий уровень экономичности и высокий уровень технологичности; при этом указываются показатели, способствующие повышению экономичности;

низкий уровень экономичности и технологичности; при этом указываются показатели, способствующие повышению экономичности и технологичности, выдаются возможные резервы их улучшения.

Исходная информация.

Показатели экономичности:

объем годового выпуска продукции;

себестоимость годового выпуска продукции;

капитальные вложения;

трудозатраты на годовую программу;

численность работающих;

численность всех рабочих;

численность вспомогательных рабочих;

численность ИТР, служащих и МОП;

затраты ручного труда;

площадь зданий и сооружений (полезная);

стоимость основных производственных фондов;

площадь производственных цехов (полезная);

стоимость активной части производственных фондов;

площадь складского хозяйства;

площадь вспомогательных цехов;

количество потребляемой электроэнергии;

стоимость оборотных фондов; однотипных изделий; покупных изделий; основных материалов.

Показатели технологичности:

разнотипность ячеек;

концентрация ячеек;

относительная масса конструкций;

загрузка кранов;

крупность конструкций;

относительная масса конструкций;

разнотипность конструкций;

геометрические формы здания;

разновесность конструкций;

разнотипность объемно-планировочных параметров;

количество ячеек;

отклонение объема конструкций;

затраты машинного времени на монтаж;

показатель, характеризующий конструкции стыков сборных элементов;

развертка площади поверхности конструкций;

геометричность форм конструкций;

отклонение стержней арматуры от прямоугольной формы;

число точек сопряжения стержней арматуры;

расход арматуры и закладных деталей.

Примечание. Показатели экономичности и технологичности программ составляются в зависимости от плана экспертируемого объекта.

Программа 8

Прогнозирование технико-экономических показателей строительства объектов и комплексов («Прогноз»)

Разработчик: ЦНИИпроект Госстроя СССР.

Язык разработки: Фортран.

Применяемая ЭВМ: ЕС-1040.ОС.

Назначение: для прогнозирования вероятности завершения строительства объектов и комплексов в целом или его отдельных этапов в заданный срок, а также прогнозирования технико-экономических показателей.

Выходная информация.

Таблица работ и их параметров после топологического упорядочения.

Результаты расчета сетевой модели методом Монте-Карло: средние и среднеквадратические значения критической продолжительности, а также гистограмма и эмпирическая функция распределения в табличной и графической форме.

Результаты расчета сетевой модели аналитическим методом: средние и среднеквадратические значения критической продолжительности, а также вероятность того, что первый путь является критическим.

Таблица актуализированных путей сетевой модели, средние и среднеквадратические значения их продолжительностей, рассчитанных аналитическим способом, а также частоты выхода пути сетевой модели на критический, рассчитанный методом Монте-Карло.

Таблица средних и среднеквадратических значений технико-экономических показателей (затраты труда, заработной платы, затраты на эксплуатацию строительных машин) отдельных работ и для комплекса в целом.

Исходная информация.

Директивный срок окончания строительства (TD).

Число работ сетевой модели (NN).

Число испытания для метода Монте-Карло (МК).

Максимальное число работ для критических и подкритических путей (МN).

Число интервалов для гистограммы и эмпирической функции распределения (IН).

Число контрольных событий, для которых осуществляется расчет (NI).

Номер варианта сетевой модели (NR).

Признак необходимости выполнения вероятностных расчетов экономических показателей (NС). При NC ³ 0 вводятся следующие массивы:

количество рабочих в бригадах для каждой работы (К);

средняя заработная плата одного рабочего по каждой работе (D);

себестоимость машино-смен строительных машин на каждой работе (Р).

Далее вводятся массивы «начальные события» I и «конечные события» J.

Дальнейший ввод исходных данных осуществляется в зависимости от значения управляющего параметра NR.

Полученные вероятностные характеристики позволяют решать следующие задачи прогнозирования и расчета организационно-технологических параметров:

завершение строительства объектов и комплексов в целом или его отдельных этапов в заданный (директивный) срок;

вероятность того, что директивный срок окончания строительства или его отдельных этапов лежит в заданных пределах;

выполнение директивных технико-экономических показателей;

предельные изменения директивных значений технико-экономических показателей.

Ограничения:

1 £ Число работ сетевой модели (NN) £ 600.

0 £ Максимальное число работ для критических и £ 500 подкритических путей.

1 £ Число интервалов для гистограммы и эмпирической функции распределения (JH) £ 600.

0 £ Число контрольных событий, для которых осуществляется расчет (NJ) £ 600.

1 £ Номер варианта сетевой модели £ 6.

Программа 9

Комплекс программ для решения задач сетевого планирования (АРС-1, 2, 3, 4)

Разработчик: ЦНИИпроект Госстроя СССР.

Язык разработки: система команд.

Применяемая ЭВМ: БЭСМ-2М.

Назначение: для обработки на ЭВМ сетевых графиков.

АРС-1 производит расчет сетевого графика с привязкой получаемых результатов к календарным датам, исходя из 6-дневной рабочей недели.

АРС-2 осуществляет привязку результатов к календарю, исходя из 7-дневной рабочей недели (непрерывное производство).

АРС-3 позволяет выводить получаемые результаты на широкую печать в форме таблиц с помощью табулятора Т-5 (Т-5МИ).

АРС-4 производит расчет сетевого графика с использованием трех исходных временных оценок продолжительности работ: «оптимистической», «пессимистической» и «наиболее вероятной».

Выходная информация.

Длина критического пути.

Календарная дата завершения всех работ.

Список работ критического пути и их продолжительность.

Порядковый день и календарные даты раннего начала и раннего окончания каждой работы.

Порядковый день и календарные даты позднего начала и позднего окончания каждой работы.

Частный (свободный) и общий (полный) резервы времени.

Исходная информация.

Информация о работах рассчитываемого графика.

Ограничения: количество работ сетевых графиков - 1850;

максимальный номер события - 1999.

Программа 10

Расчет потребности в строительных материалах, конструкциях и полуфабрикатах на перспективу

Разработчик: НИИАСС Госстроя СССР, г. Киев.

Язык разработки: система команд.

Применяемая ЭВМ: БЭСМ-3М.

Назначение: для составления календарного графика потребности в основных материальных ресурсах, соответствующего календарному графику работ строительной организации в перспективном плановом периоде.

Выходная информация.

Расход материалов по всем объектам по годам планируемого периода.

Средневзвешенные годовые нормы расхода.

Суммарная потребность по всем объектам в каждом квартале планируемого периода.

Исходная информация.

Календарные графики на перспективу (квартальные интенсивности в денежном выражении по каждому объекту в целом).

Нормы расхода материалов на 1 млн. руб., стоимости СМР.

Ограничения: количество материалов (их видов) - до 42; количество строительных объектов - до 97.

Программа 11

Расчет потребности в автотранспорте

Разработчик: НИИАСС Госстроя УССР, г. Киев.

Язык разработки: система команд.

Применяемая ЭВМ: БЭСМ-3М.

Назначение: для расчета потребности в автомобилях, тракторах и прицепах на перспективный планируемый период.

Выходная информация.

Потребности каждого объекта и генподрядного треста по годам планируемого периода в автомобилях, тракторах, прицепах.

Исходная информация.

Для расчета потребности в автомобилях:

годовая производительность одного автомобиля грузоподъемностью 1 т (условно) по годам пятилетки;

нормы перевозимых грузов на 1 млн. руб. стоимости строительно-монтажных работ;

квартальные объемы работ на планируемый период по каждому объекту;

средние расстояния перевозок.

Для расчета потребности в тракторах и прицепах:

нормативное количество тракторных прицепов на 1 млн. руб. сметной стоимости строительно-монтажных работ;

квартальные объемы работ на планируемый период по каждому объекту.

Ограничения: количество объектов строительно-монтажных работ £ 100.

Программа 12

Комплекс программ составления календарных графиков строительно-монтажных работ на перспективу

Разработчик: НИИАСС Госстроя УССР, г. Киев.

Язык разработки: система команд.

Применяемая ЭВМ: БЭСМ-3М.

Назначение: для составления календарных графиков строительства, удовлетворяющих требованию равномерной загрузки исполнителей по видам работ; комплекс состоит из 4 программ.

Выходная информация.

Для каждого объекта:

интенсивность работ данного вида;

время начала и окончания работ;

Статистический коэффициент вариации, представляющий собой количественную оценку неравномерности загрузки по данному виду работ.

Исходная информация.

Нормативная продолжительность строительства каждого объекта и допустимые сроки его окончания (самый ранний и самый поздний).

Объемы работ Vij (i - индекс объекта, j - индекс специализации).

Границы допустимой продолжительности работ (минимальные и максимальные), соответствующие объемам работ.

Ограничения: количество специализаций - до 6; количество объектов - до 64.

Программа 13

Автоматизированная система оперативного управления строительством крупных промышленных комплексов

Разработчик: Челябинское ПКБ АСУ.

Язык разработки: PL/1.

Применяемая ЭВМ: ЕС-1022.

Назначение: для расчета сетевых графиков, формирования календарных графиков производства работ, расчета основных плановых показателей, потребности в строительных материалах.

Выходная информация.

Календарные графики работ.

Основные показатели по объектам, организациям, специальностям.

Ведомости потребности в материалах по:

объектам;

организациям.

Исходная информация.

Оперативная:

сетевые графики работ;

перечни работ и ресурсов;

информация о выполнении работ за отчетный период.

Нормативно-справочная информация: словари объектов, материалов, организаций, бригад, норм.

Программа 14

Расчет потребности в материально-технических ресурсах.

Разработчик: ВЦ Минстроя Латвийской ССР.

Язык разработки: PL/1.

Применяемая ЭВМ: ЕС-1022.

Назначение: для расчета пообъектных нормативных потребностей в материальных и технических ресурсах, трудоемкости и заработной плате, а также формирования заказа-заявки потребностей в материальных ресурсах.

Выходная информация.

Комплектовочно-технологическая карта по видам работ.

Сводная комплектовочно-технологическая карта.

Нормативные показатели по труду.

Производственные нормативы продолжительности и стоимости эксплуатации собственных машин и механизмов.

Сметные показатели.

Заказы-заявки на материальные ресурсы.

Исходная информация.

Пообъектная информация по инженерным сетям и благоустройству.

Пообъектная информация по подземной и надземной частям здания.

Оперативная информация к заказам-заявкам.

Нормативно-справочная информация: словари материалов, изделий, машин, механизмов, работ и услуг объектов;

нормативные карточки;

нормативные массивы для подземной и надземной частей здания;

сведения о нормативных запасах материальных ресурсов, об остатках на складах.

Программа 15

Расчет систем водоснабжения («Сеть-1»)

Разработчик: Белкоммунпроект и Минскпроект Белорусской ССР.

Язык разработки: Фортран-4.

Применяемая ЭВМ: ЕС-1020.

Назначение: для гидравлического расчета систем подачи и распределения воды.

Выходная информация.

Расходы потери напора и скорости движения воды на всех линиях сети.

Исходная информация.

Данные о линиях и узлах.

Данные о линиях, моделирующих насосные станции, резервуары (башни), нефиксированные отборы, линии с обратными клапанами и дросселями.

Ограничения:

общее количество узлов сети не более 500 (J £ 500);

количество линий не более 700 (L £ 700).

Количество линий, которые моделируют насосные станции, резервуары (башни), нефиксированные отборы воды, линии с обратными клапанами и дросселями, не должно превышать 50.

Общее количество элементов формируемой матрицы определяется по формуле

Х = N + (Н - 1)(2N - H)/2 £ 10000,

где Н - ширина ленты матрицы системы;

N - порядок системы.

Порядок системы N определяется по формуле: N = y - Р,

где у - количество узлов сети;

Р - количество резервуаров (башен) и нефиксированных отборов воды.

Программа 16

Расчет ресурсов типа мощности, соответствующих заданному уровню надежности расписания работ («Надежность-2»)

Разработчик: НИИАСС Госстроя УССР, г. Киев.

Язык разработки: система команд.

Применяемая ЭВМ: БЭСМ-3М.

Назначение: для расчета календарных планов с взаимозависимыми потоками однородных работ (интенсивность выполнения работы является величиной постоянной). Под надежностью понимается вероятность завершения плана работы в заданный промежуток времени.

Выходная информация.

Значения интенсивности потребления ресурсов, соответствующих заданному уровню надежности.

Исходная информация.

Календарный план-график.

Значения интенсивности потребления ресурсов каждого вида.

Функции распределения продолжительности выполнения единицы объема работ при единичной интенсивности потребления ресурсов (по каждому виду работ).

Стоимость потребления единицы ресурса в единицу времени.

Ограничения:

количество работ, выполняемых ресурсами одного вида, - до 20;

количество возможных значений интенсивности потребления каждого вида ресурсов - до 5;

количество видов ресурсов - 10.

Программа 17

Расчет ресурсов типа мощности, соответствующих заданному уровню надежности («Надежность-3»)

Разработчик: НИИАСС Госстроя УССР, г. Киев.

Язык разработки: система команд.

Применяемая ЭВМ: БЭСМ-3М.

Назначение: для расчета календарных планов с параллельными работами, выполняемыми ресурсами одного вида (интенсивность выполнения работы может быть величиной переменной).

Выходная информация.

Значения интенсивностей потребления ресурсов, соответствующих заданному уровню надежности.

Исходная информация.

Календарный план-график.

Значения интенсивности потребления ресурсов каждого вида.

Функции распределения продолжительности выполнения единицы объема работ при единичной интенсивности потребления ресурсов (по каждому виду работ).

Стоимость потребления единицы ресурса в единицу времени.

Дополнительные данные при многообъектном планировании: функция удорожания строительства при срыве сроков выполнения работ (изменение накладных расходов, потери от замораживания капитальных вложений, функции штрафа и т.д.).

Ограничения:

максимальное количество работ в сетевом графике - 260.

количество объектов в сетевом графике - до 50;

количество работ, входящих в событие сетевого графика, - до 5;

количество одновременно рассматриваемых видов ресурсов - до 50.

Программа 18

Планирование и управление на основе сетевых графиков - расчет себестоимости строительно-монтажных работ и потребности в ресурсах

Разработчик: Главсевкавстрой Минтяжстроя СССР.

Язык разработки: PL/1, Ассемблер.

Назначение: расчет потребности в ресурсах, фонда заработной платы, производительности труда и себестоимости.

Выходная информация.

Ведомости распределения объемов строительно-монтажных работ по исполнителям.

Потребности в материальных и трудовых ресурсах, машинах и механизмах.

Исходная информация.

Ведомости сметных объемов работ и ресурсов.

Нормативно-справочная информация: словари строительных материалов, видов трудозатрат машин и механизмов.

Программа 19

Определение потребности в материальных ресурсах по технологическим комплектам

Разработчик: АСУС Минстроя СССР.

Язык разработки: Ассемблер, PL/1.

Применяемая ЭВМ: ЕС-1020.

Назначение: определение годовой, квартальной и месячной потребности в конструкциях, полуфабрикатах и материалах на основе технологических комплектов, заявки на поставку материальных ресурсов и выполнение расчетов.

Выходная информация.

Ведомости потребности в материальных ресурсах по объекту, строительному управлению, тресту, главку на месяц, квартал, год.

Сводные ведомости потребности в материальных ресурсах по подразделениям.

Исходная информация.

Нормативно-справочная информация: массивы единого информационного обеспечения АСУС Минстроя СССР.

Программа 20

Формирование календарного плана строительства комплекса объектов

Разработчик: ЦНИИОМТП Госстроя СССР.

Язык разработки: Фортран-4, Алгол-60.

Применяемая ЭВМ: ЕС-1022, М-222.

Назначение: для расчета календарных графиков строительства комплекса объектов; позволяет рассчитывать календарные графики, оптимальные по критериям равномерного использования ресурсов: определять оптимальную очередность строительства объектов комплекса, максимальное совмещение видов работ на отдельных объектах и решать обратную задачу - расчет необходимого количества ресурсов при ограничениях на продолжительность строительства. Расчет календарных графиков строительства комплекса объектов на ЭВМ осуществляется в 2 этапа. На 1-м этапе рассчитывается календарный график строительства отдельных объектов, на 2-м этапе формируется общий календарный график строительства всего комплекса. Выходная информация.

Для отдельного объекта.

Продолжительность возведения объекта.

Приведенное время начала работ на объекте.

Приведенное время окончания работ на объекте.

Ресурсы типа «мощность», необходимые для выполнения работ.

Оптимальное время начала потоков на объектах.

Оптимальное время окончания потоков на объектах.

Для комплекса объектов.

Максимальное число исполнителей на каждой работе.

Продолжительность строительства объекта.

Приведенное время начала работ на объекте.

Приведенное время окончания работ на объекте.

Ресурсы, необходимые для выполнения работ типа «мощность».

Исходная информация.

Для отдельного объекта.

Количество видов работ.

Количество объектов.

Минимальное число исполнителей по каждой работе согласно ЕНиР.

Технологические последовательности:

по номерам работ;

по количеству работ на соответствующих ступенях.

Число осей.

Объемы строительно-монтажных работ по видам работ в стоимостном выражении.

Выработка по каждому виду работ.

Для комплекса объектов.

Количество объектов и видов работ.

Ресурсы, необходимые для выполнения работ.

Количество работ, выполняемых одним видом ресурсов.

Номера работ, выполняемых одним видом ресурсов.

Имеющиеся виды ресурсов.

Мощность строительной организации.

Ограничения: количество объектов, работ на объектах и видов ресурсов - не более 99.

Программа 21

Календарное планирование строительства крупных объектов на основе сетевых графиков

Разработчик: ТИВЦЭС Минэнерго СССР.

Язык разработки: Фортран.

Применяемая ЭВМ: ЕС-1022.

Назначение: для управления строительством энергообъектов на основе анализа сетевых моделей.

Выходная информация.

Расписание работ.

Графики использования ресурсов.

Исходная информация.

Карточки комплектации.

Определители.

Сетевые графики.

Программа 22

Формирование календарного плана специализированных работ («Поиск-2»)

Разработчик: ИВЦ Главзапстроя Минстроя СССР.

Язык разработки: Фортран.

Применяемая ЭВМ: ЕС-1022.

Назначение: ежеквартальное формирование календарного плана специализированных работ.

Выходная информация.

Календарный план производства монтажных работ.

Сводные планы работ по управлению и тресту.

Исходная информация.

Ведомость объемов работ.

Численный состав бригад.

Нормативно-справочная информация: словари специальностей, отраслей и направлений строительства.

Программа 23

Подготовка организационно-технологической документации для формирования плана работ строительного треста

Разработчик: ВЦ Минстроя Латвийской ССР.

Язык разработки: PL/1.

Применяемая ЭВМ: ЕС-1022.

Назначение: проверка сметной стоимости, расчет потребности в материальных ресурсах, расчет технико-экономических показателей по объектам и укрупненным видам работ.

Выходная информация.

Перечень укрупненных работ по объектам.

Расчет труда и заработной платы по объектам.

Сводная спецификация и комплектовочная ведомость на материалы по объектам.

Исходная информация.

Оперативная:

данные о выполненных работах; перечень объектов и этапов; указание директивных сроков.

Нормативно-справочная информация:

нормативы трудозатрат;

нормативы зарплаты;

нормативы материальных ресурсов по видам работ; словари организаций, исполнителей, материалов и изделий.

Программа 24

Расчет обобщенных сетевых моделей (ОСМ) во времени.

Разработчик: ЦНИИпроект Госстроя СССР.

Язык разработки: ЯСК.

Применяемая ЭВМ: Минск-32.

Назначение: для определения ранних и поздних начал работ обобщенной сетевой модели, полного резерва времени каждой работы, а также для обнаружения контуров положительной длины (более подробно «Обобщенные сетевые модели. Методические рекомендации». М.: ЦНИПИАСС, 1975). Предполагается, что ОСМ задана способом узлы - работы, дуги - связи.

Выходная информация.

Результат расчета ОСМ.

Список работ, лежащих на контуре положительной длины.

Исходная информация.

Список дуг.

Список ограничений.

Ограничения:

максимальное количество работ - 600;

максимальное количество связей - 600;

максимальное количество работ, имеющих ограничение снизу или сверху - 100;

шифр работы - от 1 до 4095;

ограничение снизу на раннее начало работы - не более 4095;

максимальная длина положительного контура - 100.

Программа 25

Формирование календарных планов строительно-монтажных работ на основе сетевых графиков

Разработчик: трест Оргстрой Минстроя ЭССР, г. Таллин; НИИ строительства Госстроя ЭССР, г. Таллин; ПТИОМЭС Минстроя СССР, г, Ярославль.

Язык разработки: PL/1, Ассемблер.

Применяемая ЭВМ: ЕС-1020.

Назначение: расчет календарных планов строительно-монтажных работ на основе сетевых графиков для строительных трестов и управлений.

Выходная информация.

Годовой и квартальный планы строительства по тресту для строительно-монтажных управлений, бригад, объектов.

Таблицы временных характеристик работ сетевых моделей.

Графики загрузки бригад.

Графики загрузки машин и механизмов.

Исходная информация.

Перечень объектов и работ с основными характеристиками.

Данные о мощности трестов и строительно-монтажных управлений.

Нормативно-справочная информация: словари строек и объектов, организаций и подразделений, ресурсов, нормы расхода ресурсов.

Программа 26

Объект

Разработчик: ЦНИИпроект Госстроя СССР.

Язык разработки: PL/1.

Применяемая ЭВМ: ЕС-1020.ОС.

Назначение: для решения задачи формирования вариантов организационно-технологических моделей возведения зданий. В качестве объекта расчета принято здание, сооружение.

Выходная информация.

Расчетная продолжительность строительства (в днях).

Варианты технологической последовательности производства работ.

Вариант пространственного развития.

Номер захватки, на которой производится работа.

Код работы, заданный в исходных данных для рассматриваемой работы.

Наименование производимой на захватке работы.

Начало работы в днях.

Окончание работы в днях.

Номер бригады (ресурса), выполняющей работу.

Сменность работы.

Объем выполняемой на захватке работы.

Продолжительность работы в днях на захватке.

Код работы.

Наименование работы.

Начало выполнения работы в днях.

Окончание всего объема работы на всем здании или сооружении в днях.

Продолжительность всей работы в месяцах.

Суммарный объем работы.

Исходная информация.

Количество рассматриваемых в расчете задач.

Продолжительность выполнения каждого вида работ.

Количество захваток, на которое разделено рассматриваемое здание или сооружение.

Количество вариантов технологической последовательности производства номенклатуры работ на рассматриваемом объекте расчета.

Количество вариантов пространственного развития номенклатуры работ по захваткам здания.

Число вариантов ресурсов, привлекаемых для расчета.

При нескольких вариантах принимается максимальное число вариантов.

Максимальное число технологических связей между работами из всевозможных заданных вариантов технологических графов.

Максимальное число разбиений пространственного развития работ.

Номера работ, для которых справедливо задание пространственного развития, причем задаются лишь начальная и конечная работы.

Последовательность выделения захваток для указанного цикла работ.

Объем работ по захваткам здания или сооружения.

Код работы (алфавитно-цифровая информация, необходимая при работе программного комплекса с банком данных).

Наименование работы (сокращенное).

Выработка для данной работы.

Бригада (тип бригады - цифровая информация).

Для каждой работы определяется количество рабочих и сменность производства работ.

Технологические зависимости между работами и коэффициент их совмещения.

Программа 27

Расчет пообъектных сетевых графиков

Разработчик: ИВЦ Главмурманскстроя Минтяжстроя СССР.

Язык разработки: Фортран-4, PL/1.

Применяемая ЭВМ: ЕС-1020.

Назначение: для расчета временных параметров сетевых графиков и определения потребности в ресурсах.

Выходная информация.

Привязанные к календарю пообъектные графики.

Потребность в ресурсах.

Исходная информация.

Оперативная: карточки-определители работ.

Нормативно-справочная информация: словари ресурсов, объектов.

Программа 28

Поиск места расположения временных зданий и сооружений на стройгенплане крупных промышленных комплексов («План»)

Разработчик: ЦНИИпроект Госстроя СССР.

Язык разработки: Фортран-4, PL/1.

Применяемая ЭВМ: ЕС-1020.ОС.

Назначение: для решения задачи оптимального размещения временных зданий и сооружений на стройгенплане крупных промышленных комплексов. Задача решается с помощью метода случайного поиска.

Выходная информация.

Номер испытания.

Стоимость перемещения рабочих.

Стоимость водопровода.

Стоимость сетей канализации.

Общая стоимость и соответствующие координаты подвижных точек.

Исходная информация.

Число неподвижных точек.

Число подвижных точек.

Число запрещенных зон.

Число статистических испытаний.

Число отрезков канализации.

Размер строительной площадки.

Стоимость перемещения одного рабочего на единицу расстояния.

Стоимость единицы длины водопровода.

Стоимость единицы длины канализации.

Координаты неподвижных точек.

Координаты подвижных точек.

Радиусы около подвижных точек.

Числа, характеризующие запрещенные зоны.

Число рабочих, перемещающихся между i-й неподвижной и j-й подвижной точками.

Число рабочих, перемещающихся между i-й и j-й подвижными точками.

Координаты концов отрезков водопровода.

Координаты концов отрезков канализации.

Примечание. Для проведения расчета необходимо задать первоначальный вариант координат расположения временных сооружений (например, вариант, предложенный проектировщиком).

Программа 29

Формирование унифицированной нормативно-технологической документации для подготовки строительного производства.

Разработчик: ВЦ Минстроя Латвийской ССР.

Язык разработки: PL/1.

Применяемая ЭВМ: ЕС-1022.

Назначение: обеспечение расчетов пообъектных нормативных данных и формирование заявок на материальные ресурсы. Получение взаимоувязанных нормативных данных на бригаду.

Выходная информация.

Комплектовочно-технологическая карта.

Нормативные показатели по труду.

Сметные и производственные нормативы.

Продолжительности и стоимости эксплуатации машин и механизмов.

Заявки на материальные ресурсы.

Оперативная:

пообъектная информация о монтажных и общестроительных работах;

материальные ресурсы по объектам.

Нормативно-справочная информация: словари материалов, изделий, машин и механизмов, объектов, работ и услуг.

Программа 30

Преобразование и обработка статистических массивов продолжительности выполнения строительно-монтажных работ (ПОСМ)

Разработчик: ЦНИИпроект Госстроя СССР.

Язык разработки: Фортран.

Применяемая ЭВМ: ЕС-1040.

Назначение: алгоритм дает возможность по известным статистическим массивам сменных выработок определить статистические массивы продолжительности выполнения любого наперед заданного объема работ. Предусмотрена обработка исходного и получаемого статистических массивов и определение основных статистических параметров.

Выходная информация.

Гистограмма и статистические параметры исходных массивов (сменных выработок) и формируемых массивов (продолжительности) (минимальные и максимальные значения случайных величин, средние значения, дисперсия, среднеквадратические отклонения, коэффициенты вариации, эксцессы и коэффициенты асимметрии).

Исходная информация.

Сменные выработки единичных ресурсов (типа «мощность»).

Объемы работ на объекте, выбираемые из сетевого графика.

Ограничения:

количество работ - не более 99999;

количество заданных объемов работ - не более 99999;

количество интервалов гистограммы - не более 25;

объем первой выборки - не более 9999;

количество реализаций - не более 99999;

заданный объем работ - не более 999999,9.

Программа 31

Комплекс программ для расчета средних норм расхода материалов на 1 млн. руб. стоимости строительно-монтажных работ.

Разработчик: ЦНИИпроект Госстроя СССР.

Язык разработки: Фортран.

Применяемая ЭВМ: Минск-32.

Назначение: значительно сократить время и трудовые затраты по переработке большого количества информации и точнее определить потребность в материальных ресурсах.

Выходная информация.

Расчет средних норм расхода материалов на 1 млн. руб. стоимости строительно-монтажных работ.

Исходная информация.

Постоянная (9 бланков):

для записи наименований материалов;

для корректировки наименований материалов;

для записи наименований отраслей и поправок;

для корректировки наименований отраслей и поправок;

для записи объектов строительства;

для корректировки объектов строительства;

для записи поправочных коэффициентов;

для корректировки поправочных коэффициентов;

для норм.

Переменная (2 бланка):

описание отраслевой и внутриотраслевой структуры плана строительно-монтажных работ;

данные, необходимые для расчета поправок к нормам.

Ограничения (для постоянной и переменной информации):

Количество материалов - 120.

Количество отраслей - 65.

Количество объектов (всего) - 3000.

Количество объектов данной отрасли - 400 (для переменной информации).

Количество поправок - 31.

Число единичных нормативов - 360000 (для постоянной информации).

Объем строительно-монтажных работ по объекту и отрасли - 1 млрд. руб. (для переменной информации).

Программа 32

Расчет потребностей в материалах по нормам на 1 млн. руб. стоимости строительно-монтажных работ

Разработчик: ИВЦ Минстроя КиргССР.

Язык разработки: PL/1, Ассемблер.

Применяемая ЭВМ: ЕС-1020.

Назначение: для расчета средневзвешенных норм расхода материалов и потребности в материалах по нормам на 1 млн. руб. строительно-монтажных работ.

Выходная информация.

Средневзвешенные отраслевые нормы.

Потребность в материальных ресурсах на годовую программу работ.

Исходная информация.

Нормы расхода на 1 млн. руб. строительно-монтажных работ.

Потребность на 1 млн. руб. строительно-монтажных работ.

Программа 33

Комплекс программ автоматизации контроля и координации оптимальных режимов деятельности («Аккорд»)

Разработчик: Институт гидродинамики Сибирского отделения АН СССР.

Язык разработки: ЯСК.

Применяемая ЭВМ: Минск-22, Минск-32 (в режиме совместимости).

Назначение: для выработки и анализа оптимальных технико-экономических текущих и оперативных планов в организациях, выполняющих программы сложных проектов. АСУ «Аккорд» состоит из 4 программ («Дельта», «Омега», «Сигма», «Гамма»). Так как задача выполнения программы сложных проектов в заданные сроки при ограниченных ресурсах решения не имеет, то в качестве условий (ограничений) фиксируется либо заданное время выполнения проектов, либо заданный уровень ресурсов. В связи с этим возникают следующие постановки задач для календарного планирования:

при заданном времени выполнения проекта минимизировать суммарную интенсивность, затрачиваемую на его выполнение (первая группа);

при заданном наличии ресурсов отыскать такое их распределение по проектам, которое, с учетом приоритета одного проекта перед другим минимизирует время выполнения каждого из них (вторая группа). Как правило, производственная программа организации включает в себя выполнение проектов первой и второй групп.

Выходная документация по системе «Аккорд»

Функциональные подсистемы

Комплексы программ

Выходные документы

Календарное планирование

«Дельта», «Омега»

Анкеты проекта; календарный план; список критических работ; прогноз завершения этапных работ

Планирование трудовых ресурсов

«Сигма»

Календарные графики использования ресурсов: для исполнителя на объекте и на всех объектах; для организаций на объекте и на всех объектах

 

«Гамма»

План-заказ поставщика

План-заказ исполнителя

Исходная информация.

Разделение всех проектов программы организации по группам.

Сетевые модели всех проектов программы организации.

Сведения о текущем и перспективном наличии ресурсов в организации.

Заданное (директивное) время выполнения проектов первой группы.

Календарные даты начала выполнения проектов первой группы.

Порядок приоритета выполнения проектов второй группы.

Программа 34

Расчет потребности в строительных машинах и механизмах

Разработчик: НИИАСС Госстроя УССР, г. Киев.

Язык разработки: система команд.

Применяемая ЭВМ: БЭСМ-6.

Назначение: для расчета потребности в строительных машинах и механизмах (30 видов на период перспективного планирования).

Выходная информация.

Потребности каждого объекта и генподрядного треста в машинах и механизмах по годам планируемого периода.

Исходная информация.

Квартальные объемы работ на планируемый период по каждому объекту строительно-монтажных работ.

Нормативы для определения потребности в строительных машинах и механизмах, разработанные НИИСП Госстроя УССР.

Ограничение: количество объектов строительно-монтажных работ 100.

Программа 35

Расчет потребности в рабочей силе

Разработчик: НИИАСС Госстроя УССР, г. Киев.

Язык разработки: система команд.

Применяемая ЭВМ: БЭСМ-3М.

Назначение: для определения потребности в рабочей силе на период перспективного планирования.

Выходная информация.

Квартальные потребности в рабочей силе по каждому виду работ на планируемый период.

Исходная информация.

Квартальные объемы работ по каждому объекту на планируемый период.

Нормы выработки на одного работника каждой специальности по годам строительства с учетом директивных заданий по росту производительности труда.

Ограничение: количество объектов строительно-монтажных работ 100.

Программа 36

Расчет средних норм расхода материалов на 1 млн. руб. стоимости строительно-монтажных работ и определение потребности в материальных ресурсах («Миллионник»).

Программа 37

Автоматизированная система управления обеспечением объектов строительства бетоном, раствором, асфальтом («Супер»).

Программа 38

Автоматизированная система планирования автотранспортных перевозок товарных смесей и сыпучих материалов на объекты строительства («Спрут»)

Программа 39

Расчет годового плана подрядных строительно-монтажных работ

Разработчик: ГИВЦ Минпромстроя СССР.

Адрес: 117916, Москва, В-916, ул. Строителей, д. 8, корп. 2.

Программа 40

Подсчет транспортных расходов доставки местных материалов к месту производства работ

Разработчик: Институт Оргтрансстрой Минтрансстроя СССР.

Адрес: 119034, Москва, Г-34, 2-й Зачатьевский пер., 2, корп. 7.

Программа 41

Расчет технико-экономических характеристик одноэтажных промышленных зданий («ORSS»)

Разработчик: ЦНИИОМТП Госстроя СССР.

Язык разработки: PL/1.

Применяемая ЭВМ: ЕС-1022.

Назначение: для расчета суммарной стоимости монтируемых конструкций одноэтажных промзданий унифицированных габаритных схем, времени работы кранов, заработной платы, трудозатрат.

Выходная информация.

Значение объемов работ при монтаже каждой группы конструкций.

Затраты ручного труда.

Заработная плата рабочих.

Стоимость смонтированных конструкций.

Исходная информация.

Размеры здания в плане.

Расстояние между температурными швами.

Типоразмер ячейки здания.

Расчетное количество элементов в ячейках в зависимости от расположения в здании.

Программа 42

Выбор крана по его параметрам («РVК»).

Разработчик: ЦНИИОМТП Госстроя СССР.

Язык разработки: PL/1.

Применяемая ЭВМ: ЕС-1022.

Назначение: для выбора строительно-монтажных кранов в соответствии с монтируемым элементом.

Выходная информация.

Характеристика строительного элемента: ширина, масса, высота подъема и высота монтажного приспособления.

Параметры кранов для монтажа каждого строительного элемента: номер крана, номер стрелы, номер вылета, наименьшее расстояние груза от крана.

Исходная информация.

Количество имеющихся кранов и их основные технические характеристики.

Программа 43

Программа поперечного метода монтажа покрытий («POPER»).

Разработчик: ЦНИИОМТП Госстроя СССР.

Язык разработки: PL/1.

Применяемая ЭВМ: ЕС-1022.

Назначение: для определения эффективности поперечного метода монтажа покрытий при строительстве одноэтажных промзданий.

Выходная информация.

На печать выводятся следующие показатели: масса, высота подъема; номер наиболее дешевого крана (для поперечного метода); номер наиболее дешевого крана (для продольного метода); экономическая эффективность.

Исходная информация:

характеристика ячейки здания: сетка колонны; высота до низа строительных конструкций; условный номер типа ячейки здания.

требуемое количество машино-часов работы крана для монтажа покрытия ячейки;

высота подъема фермы и плиты;

ширина фермы и плиты при продольном методе монтажа; плиты при поперечном методе монтажа;

монтажная масса, фермы, плиты;

высота грузозахватного приспособления.

Программа 44

Программа определения оптимального комплекта кранов («ОККО»).

Разработчик: ЦНИИОМТП Госстроя СССР.

Язык разработки: PL/1.

Применяемая ЭВМ: ЕС-1022.

Назначение: для определения оптимального графика монтажа, включающего сроки начала и окончания каждой монтажной работы, тип и количество кранов: для расчета экономического эффекта.

Выходная информация.

Типы и количество кранов на каждом специализированном потоке, продолжительность потоков и увязка их во времени.

Расчетный экономический эффект.

Исходная информация.

Перечень сборных конструкций зданий для каждого специализированного потока.

Монтажные параметры конструкций: масса; расчетная ширина; высота подъема элемента.

Технико-экономические показатели на одну конструкцию: стоимость; затраты времени работы кранов; затраты труда рабочих; заработная плата рабочих.

Программа 45

Комплекс программ расчета показателей строительной технологичности проектных решений сборных зданий общественного и промышленного назначения с каркасом («ARGO»)

Разработчик: ЦНИИОМТП Госстроя СССР.

Язык разработки: PL/1.

Применяемая ЭВМ: ЕС-1022.

Назначение: для расчета сборных элементов на 1000 м2, определения затрат машинного времени крана, выбора кранов по параметрическому соответствию монтируемым элементам.

Выходная информация.

Номер конструктивного варианта.

Число колонн.

Число ригелей.

Число рам.

Число плит перекрытий.

Число стеновых панелей.

Число дополнительных элементов на 1000 м2 площади здания.

Общее число элементов на 1000 м2 площади здания.

Исходная информация.

Постоянная для всех рассматриваемых объемно-планировочных решений:

массив массы строительных элементов; массив монтажных высот строительных элементов; массив расстояний от точки подвески строительных элементов; массив расстояний от точки подвески строительных элементов до дальней от подъемного крана стены здания;

массив высот строповочных приспособлений для монтажа строительных элементов; массив ширины строительных элементов; количество рассматриваемых объемно-планировочных решений.

Характеристики данного объемно-планировочного решения: этажность здания; число пролетов по длине; число пролетов по ширине; признаки, характеризующие расположение ригелей; средний пролет по ширине; пролет по длине; матрица практических времен пребывания гусеничного подъемного крана на площадке (при данной длине здания).

Ограничение: рассмотрены каркасные здания высотой от 2 до 16 этажей, длиной от 12 до 60 м и шириной от 12 до 18 м, всего - 84 варианта наиболее распространенных в настоящее время объемно-планировочных решений.

ПРИЛОЖЕНИЕ 3

Рекомендации по выбору и разработке рациональных методов монтажа конструкций в проектах производства работ

1. Проект производства монтажных работ является основным документом, определяющим технические и технологические решения по монтажу строительных конструкций наиболее эффективными методами. Выбор наиболее рациональных решений является одной из наиболее ответственных задач проектирования, так как определяет основные технико-экономические показатели строительства.

2. Структура и содержание основных проектных работ по монтажу строительных конструкций с учетом квалификации исполнителей приведены в табл. 1.

3. Подготовительный этап проектирования предусматривает комплекс мероприятий по своевременному началу и последующему успешному выполнению проектных работ: выбор исполнителя - специализированной проектной организации, разрабатывающей ППР; подача заявки на проектирование; составление технического задания на разработку ППР; сбор исходных данных; оформление сметно-договорной документации и обеспечение финансирования.

4. Информация (проектная и техническая документация) выдается заказчиком в сроки, предусмотренные договором, но не позднее, чем за 6 мес. до начала монтажных работ. Если у заказчика отсутствует необходимая для проектирования исходная информация или имеющиеся данные не могут быть использованы, то заказчик может поручить организации, разрабатывающей ППР, подготовить их за счет средств заказчика, оговорив это условие в соответствующем договоре.

5. Варианты методов монтажа строительных конструкций разрабатываются с целью выбора наиболее рационального (оптимального) для конкретных условий производства.

Организационно-технологическая структура метода монтажа ММ раскрывается множеством составляющих

ММ = {О, М, П, Yп},                                                   (1)

где О - возможные решения по организации монтажного процесса; М - возможное решение по механизации монтажного процесса; П - возможное решение (приемы) по выполнению монтажных операций; Yп - возможное решение по управлению монтажными операциями.

Таблица 1

Этапы проектирования и исполнители работ

Структура и содержание проектных работ

Подготовительный этап проектирования

(отдел или группа проектирования технологии монтажа ГКП, руководитель бригады, ведущий конструктор, инженер-конструктор, ст. инженер, ст. техник, представители заказчика)

Сбор и анализ исходных данных:

изменяемая информация - ознакомление и изучение местных условий, установление наличия дорог, площадок для складирования, временных зданий и сооружений, инженерных сетей и т.п.; изучение архитектурно-конструктивных решений проекта, сроков строительства, наличия и характеристик технологического оборудования, строительных машин и механизмов, такелажной оснастки и приспособлений в монтажной организации; выявление источников обеспечения электроэнергией, кислородом, водой, паром, наличия баз стройиндустрии, транспортных средств и т.п.; установление возможных сроков поставки сборных конструкций, условий их складирования, укрупнительной сборки и подачи к месту монтажа;

неизменяемая информация - выявление наличия требуемой нормативной, инструктивной, справочной, иллюстративной и другой проектной документации, установление возможностей использования имеющегося архива нормативно-технологической информации (АНТИ).

Формирование задания на проектирование - ознакомление с заданием и технологической частью проекта; изучение и анализ технических характеристик объекта; составление сметно-договорной документации (расчет стоимости проектных работ, составление сметы и договора). Согласование и заключение договора с заказчиком

Уточнение и разработка основных технических решений по организации и производству работ (отдел проектирования технологии монтажа, представители монтажной организации)

Уточнение и изучение состава пусковых комплексов, мощностей производственных баз поставщиков конструкций и изделий.

Разработка основных технических решений - разработка комплексного строительного генерального плана, комплексного сетевого или узлового графика строительства; разбивка комплекса на этапы и узлы монтажных работ; разработка укрупненного технологического графика монтажа оборудования по технологическим узлам на строительстве; составление графиков загрузки строительно-монтажных организаций, поставки конструкций и оборудования, потребности в рабочих, основных строительных машинах и механизмах.

Установление основных технологических факторов (степени стесненности строительной площадки, наличия фундаментов и подземных коммуникаций и т.п.); установление схем проходок монтажных машин и механизмов, мест их стоянки и радиусов действия, расчет их потребности.

Разбивка объекта на участки, захватки, ярусы. Выбор направления монтажа. Определение последовательности установки конструкций, степени их укрупнения и доставки под монтаж

Разработка вариантов метода монтажа (отдел или группа технологии монтажа)

Строительно-технологический анализ объектов строительства - определение строительных габаритов объектов и размеров территории, на которой они размещены; массы монтируемых элементов, конструкций, блоков, частей сооружений и т.п.; высоты подъема или глубины опускания груза; глубины подачи конструкций; общего количества монтируемых элементов и их распределения по высоте и массе; объемов строительно-монтажных работ, влияющих на ход монтажа конструкций (кирпичная кладка, монтаж опалубки, укладка бетона и т.п.); насыщенности объекта технологическим оборудованием и т.д.

Формирование вариантов метода монтажа - подбор соответствующих (конкурирующих) монтажных машин и механизмов, проверка правильности их выбора по справочникам, номограммам или графоаналитическим, или графическим способами; установление основных составляющих метода монтажа для всех вариантов.

Определение основных технико-экономических показателей рассматриваемых вариантов продолжительности монтажа, трудоемкости, себестоимости, основных и оборотных фондов

Отдел технологии монтажа, экономический отдел (ГКП, руководитель бригады, инженер, экономист)

Определение дополнительных показателей расхода электроэнергии, топлива, металла и т.п. на единицу продукции.

Технико-экономический анализ сравниваемых вариантов механизации монтажного процесса с исходным вариантом (эталоном).

Определение потребности в технологическом транспорте, его вида и характеристик. Расчет потребности в транспортных единицах.

Выбор проектного варианта решения. Сравнение технико-экономических показателей нескольких вариантов. Принятие или рекомендация вариантов с экономическим обоснованием

Выбор окончательного варианта решения Технический совет с участием представителей проектной организации, заказчика и строительной организации

Разработка дополнительных требований (отдел технологии монтажа)

Рассмотрение на техническом совете и принятие окончательного варианта решения.

Доработка окончательного варианта с учетом замечаний, дополнений и изменений, принятых техническим советом

Разработка дополнительных требований к проектной организации, выполняющей архитектурно-строительное проектирование, по вопросам повышения технологичности конструкций с точки зрения их укрупнения, транспортирования, монтажа и т.п., а также проектирование временных зданий, сооружений и инженерных коммуникаций.

Разработка дополнительных требований к заводу-изготовителю конструкций по вопросам их изготовления и комплектности отгрузки.

Разработка дополнительных требований к строительной организации по вопросам организации строительной площадки, устройства оснований и фундаментов и сроков передачи их под монтаж

Составление стройгенплана

Компоновка стройгенплана, выкопировка из генплана или строительно-конструктивных чертежей контуров объекта в плане и его наиболее характерных разрезов с изображением и привязкой к нему сооружений и коммуникаций, находящихся в зоне выполнения монтажных работ и влияющих на основные решения по организации площадки.

Расчет потребности во временных сооружениях, складах, площадках укрупнительной сборки, электроэнергии, кислороде, ацетилене и т.д.

Расстановка, размещение и привязка к объекту монтажных средств (с указанием направлений перемещения стреловых кранов); путей под башенные краны и дорог, сетей, приобъектных складов, площадок укрупнительной сборки, мест монтажа и демонтажа кранов, служебных и подсобных зданий и сооружений. Установление монтажных зон с указанием границ или радиуса их действия. Разбивка объектов на очереди, узлы, участки, захватки, ярусы с выделением жестких секций, подлежащие сдаче под производство последующих строительно-монтажных работ

Решение вопросов охраны труда - выявление опасных зон и разработка мероприятий по обеспечению безопасных условий производства работ на строительной площадке

Построение графиков производства работ

Разработка технологического потока монтажных работ - изучение заданий по выработке директивных сроков строительства; определение возможности совмещения работ; разработка технологической последовательности выполнения монтажных работ.

Подсчет объемов работ, их трудоемкости и продолжительности. Определение численного и квалификационного состава бригад.

Графическое отражение протекания монтажных процессов (моделирование монтажных процессов по возведению объекта) - построение календарного плана или циклограммы производства монтажных работ по объекту; графиков выполнения отдельных процессов (в составе технологических карт) и операций (в составе карт трудовых процессов); потребности и движения рабочих; работы машин и механизмов; поступления на объект конструкций, деталей, полуфабрикатов и материалов. Для отдельных сложных сооружений или комплексов расчет и построение сетевых графиков

Разработка (привязка) технологических карт и карт трудовых процессов

Подбор типовых технологических карт, карт трудовых процессов на монтаж строительных конструкций и привязка их к объекту.

Разработка технологических карт - определение их назначения и количества; разработка схем; составление калькуляции трудовых затрат и выполнение технологических расчетов; построение графиков производства работ, потребности и движения рабочих; составление ведомостей и графиков поставки материалов и изделий, машин и механизмов, оборудования, приспособлений и инвентаря. Разработка мероприятий по технике безопасности и указаний по производству работ

Разработка технологических схем монтажа (отдел технологии монтажа)

Разработка мероприятий по усилению конструкций. Расчет (поверочный) прочности и устойчивости элементов при возведении монтажных нагрузок. Разработка схем усиления. Подбор или конструирование временных связей и т.п.

Разработка схем укрупнительной сборки конструкций - проектирование стеллажей и стендов; разработка решения по организации производства работ, последовательности укрупнения, стыковки, сварки, установки технологического оборудования, антикоррозийной защиты и т.п.; вычерчивание чертежей.

Проектирование оснастки и обстройки конструкций монтажными подмостями и приспособлениями - разработка и подбор монтажных подмостей, люлек, лестниц и т.п.; разработка рабочих чертежей грузозахватных приспособлений; привязка типовых приспособлений; разработка деталировочных чертежей (КМД)

Экономический отдел (отдел технологии монтажа)

Составление сметы на специальные монтажные приспособления и устройства.

Проектирование подъема и установки конструкций - определение массы монтируемых элементов с учетом такелажной оснастки; расчет такелажной оснастки и приспособлений; установление мест строповки типа захватов и проверка узлов конструкций на монтажные нагрузки; определение грузоподъемности монтажных машин и механизмов на необходимых высотах и вылетах стрелы; вычерчивание схем с указанием мест строповки, крепления оттяжек, распорок, временных связей, расположения монтажников, кранов и т.п.; установление последовательности монтажа.

Решение вопросов выверки конструкций - выбор способов выверки; разработка приспособлений для выполнения поверочных работ; выполнение проекта производства геодезических работ (при необходимости).

Разработка мероприятий по обеспечению закрепления конструкций - принятие решений о способах временного закрепления; расчет, конструирование и подбор инвентарных одиночных и групповых приспособлений и кондукторов, обеспечивающих временное закрепление; разработка схем; описание способов постоянного закрепления, включая технологию сварки, клепки, бетонирования и т.п.

Разработка схем разгрузки и складирования сложных пространственных элементов, для обеспечения устойчивости которых требуются специальные решения и приспособления.

Решение вопросов транспортирования крупногабаритных элементов и конструкций, для доставки которых к месту монтажа требуется специальная проектная разработка с учетом данных о трассе, грузоподъемности искусственных сооружений и условий пути следования.

Разработка схем операционного контроля качества выполнения работ

Разработка мероприятий по охране труда (отдел технологии монтажа)

Решение вопросов техники безопасности при выполнении монтажных работ:

технологических вопросов - проверка надежности способов усиления конструкций; обеспечения прочности, устойчивости и неизменяемости конструкций в процессе монтажа; проверка прочности применяемой оснастки и обстройки; устранение опасных напряжений при подъеме и установке; обеспечение безопасного закрепления конструкций на период выверки;

общеплощадочных вопросов - разработка мероприятий по электробезопасности, безопасному ведению работ в зимних условиях; определение опасных зон;

при одновременной работе нескольких организаций на одном объекте (на разных захватках или участках и одной захватке в нескольких ярусах); на действующем предприятии и т.п.

Решение вопросов промсанитарии - выявление характерных опасностей и вредностей, которые могут возникнуть в период строительства.

Решение вопросов пожарной профилактики - размещение на строительной площадке противопожарного водопровода, противопожарного оборудования и средств первичного пожаротушения, а также пожарной связи, сигнализации, транспортных путей для пожарных машин на случай пожара и т.п.

Разработка мероприятий по охране труда (отдел технологии монтажа)

Проектирование организации безопасной работы грузоподъемных кранов - разработка плана и разрезов монтажной площадки с указанием мест размещения путей, дорог, стоянок кранов и зон их действия при максимальном вылете стрелы, площадок для складирования грузов, временных зданий и сооружений в зонах работы кранов, подъемных коммуникаций, светильников, контрольного груза, тупиков и т.п. На схемах должны быть указаны размеры из условия обеспечения безопасности ведения работ для прохода пешеходов; движения транспорта; возможного приближения к линиям электропередач, котлованам, выступающим частям крана, строениям, складируемым конструкциям и другим предметам. Разработка мероприятий по безопасной эксплуатации кранов, включающих технологическую последовательность выполняемых операций; перечень основных монтируемых элементов, их массу и центр тяжести; установку тупиков, ограждений, концевых выключателей и других приспособлений, предотвращающих задевание кранов за здания или сооружения, находящиеся в зоне их действия; ограничения по метеорологическим условиям (ветер, снег, гололед, температура и т.п.); требования к подкрановым путям и условиям их эксплуатации и т.п.

Определение экономической эффективности ППР (отдел технологии монтажа, экономический отдел, отдел новой техники)

Определение основных технико-экономических показателей проекта: продолжительности работ, их трудоемкости, себестоимости и капитальных вложений в производственные фонды. Установление основных физических объемов, максимальной численности рабочих, продолжительности использования машин и механизмов и других дополнительных показателей.

Сравнение технико-экономических показателей ППР с показателями эталона. Определение возможности снижения себестоимости и трудоемкости работ в результате реализации решений, принятых в ППР

Составление пояснительной записки и оформление ППР (отдел технологии монтажа)

Разработка пояснительной записки - описание обоснования разработки ППР; краткая характеристика монтируемого здания или сооружения и конструкций с указанием особенностей, влияющих на методы монтажа; особенностей строительной площадки; принципиальных решений технологии производства монтажных работ, выбранных методов монтажа (в том числе выполняемых в зимнее время), принятых новых и прогрессивных решений с использованием изобретений, рацпредложений и т.п.; основных решений по охране труда; требований к производству работ, вытекающих из расчетов прочности, устойчивости и усиления монтируемых конструкций или отдельных частей зданий и сооружений на монтажные и метеорологические нагрузки, а также из условий ограничения применения монтажных кранов, приспособлений и оснастки.

Оформление материалов пояснительной записки и чертежей в соответствии с действующими указаниями, требованиями стандартов ЕСКД и инструкций. Составление перечня чертежей и материалов, входящих в ППР. Размножение чертежей. Переплет ППР

Решения по организации монтажного процесса (табл. 2) выражаются как

O = {Х1, Х2, … , Хn},                                                      (2)

где

X1 = {X11 È X12}*

* Символ È в формуле обозначает «или».

Таблица 2

Возможные решения по организации монтажного процесса

Обозначение составляющих

Обозначение структурных элементов

Направление развития монтажного процесса (потока) X1

Поперечное Х11

Продольное X12

Вертикальное X13

Горизонтальное Х14

Комбинированное X15

Последовательность установки элементов Х2

Раздельная X21

Комплексная Х22

Комбинированная Х23

Укрупнение конструкций Х3

Без укрупнения (россыпью) X31

Конструктивными элементами Х32

Блоками Х33

Частями сооружений Х34

Сооружениями Х35

Доставка конструкций под монтаж Х4

С транспортных средств Х41

С приобъектного склада Х42

С конвейерной линии Х43

при X11(12) = {X13 È X14 È X15};

X2 = {X21 È X22, È…, È X2…};

Xn = {Xn1 È Xn2, È…, È Xn…}.                                             (3)

Решения по выбору ведущих грузоподъемных монтажных средств (табл. 3) выражается как

М = {Уi}; М = {У1 È У2, … È У5},                                            (4)

где

У1 = {у1i1, È у1i2, …, È у1i…};

У2 = {у2i1, È у2i2, …, È у2i…};                                                 (5)

У5 = {у5i1, È у5i2, …, È у5i…};

при i = 1, 2, …, m.

Таблица 3

Решения по выбору грузоподъемных монтажных средств

Обозначение составляющих

Обозначение структурных элементов

Мобильные монтажные машины и механизмы У1

Гусеничные краны у111, у112, …, у11

Пневмоколесные краны у121, у122, …, у12 ...

Автомобильные краны у131, …

Самоходные установщики у141, …

Краны на воздушной подушке у151, …

Ограниченно мобильные монтажные машины и механизмы У2

Краны:

башенные у211, у212, …, у21

козловые у221, у222, …, у22

железнодорожные у231, …

портальные у241, …

мостовые у251, …

ползучие у261, …

приставные у271, …

самоподъемные у281, …

Немобильные монтажные машины и механизмы У3

Простые монтажные механизмы (домкраты, строительные лебедки, тали) у311, у312, …, у31

Стационарные стреловые краны (мачты, стрелы, шевры, порталы, вантовые мачтово-стреловые) у321, у322, …, у32

Стационарное оборудование (ленточные, тросовые подъемники, спецоборудование для особых методов подъема) у331, …

Летательные аппараты У4

Вертолеты-краны у411, у412, …, у41

Дирижабли-краны y421, …

Летающие краны у431, …

Плавучие монтажные машины и механизмы У5

Плавучие краны у511, у512, …, у51

Решения по монтажным операциям (табл. 4) выражаются как при i = 1, 2, …, С.

П = {Z1, Z2, …, Zп},                                                       (6)

где

Z1 = {Z1i1, È Z1i2, …, È Z1i…};

Z2 = {Z2i1, È Z2i2, …, È Z2i…};                                                (7)

Zm = {Zmi1, È Zmi2, …, È Zmi…};

при i = 1, 2, …, С.

Таблица 4

Решения по выполнению основных монтажных операций

Обозначение составляющих

Обозначение структурных элементов

Оснастка и захват конструкций Z1

В обхват (обвязкой) z111, z112, …, z11

За петли, строповочные отверстия в накладках, фасонках или стенках конструкции z121, z122, z12

За отверстия в теле конструкции z131, …

За конструкцию z141, …

Подъем (перемещение) конструкций Z2

Вертикальным перемещением (подъемом) z211, z212, …, z12

Горизонтальным перемещением (передвижкой) z221, …

Радиальным перемещением (поворотом) z231, …

Комбинированным перемещением z241, …

Наводка, ориентирование, установка конструкций Z3

Свободная z311, z312, …, z31

Граниченно свободная z321, …

Ограниченная (принудительная) z331, …

Выверка Z4

Визуальная z411, z412, …, z41

Инструментальная z421, …

Безвыверочный монтаж z431, …

Автоматизированная z441, …

Временное закрепление Z5

Без закрепления z511, z512, …, z51

С закреплением средствами:

индивидуальными z521, …

групповыми z531, …

Zn

zn11, zn12, …, zn1

Решения по управлению монтажными операциями (табл. 5) выражаются как

Y = {R1, R2, …, Rк},                                                       (8)

где

R1 = {r11, È r12, …, È r1…};

R2 = {r21, È r22, …, È r2…};                                                    (9)

Rк = {rn1, È rn2, …, È rn…};

Таблица 5

Возможные решения по управлению монтажными операциями

Обозначение составляющих

Обозначение структурных элементов

Команды R1

Речевые r111, r112, …, r11

Звуковые r121, …

Световые r131, …

Знаковые r141, …

Цифровые r151, …

Средства R2

С использованием:

радио r211, r212, …, r21

телевидения r221

Дистанционные пульты управления r231, …

С учетом ограничений на составляющие (О, М, П и У) организационно-технологическая структура метода монтажа в развернутом виде может быть представлена так:

ММ = {Х1 (при х11 - х15), Х2 (при x21 ¸ x23),

Х3 (при х31 - х35);

Х4 (при х41 - х43), Yi [при Y1 = (y11...y15...) ¸ Y5 (y51 - y52…)], Z (при z111 - z14...);

Z2 (при z211 - z24...), Z3 (при z311 - z33...);

Z4 (при z411 - z44...), Z5 (при z511 - z53...);

R1 (при r111 - r15…), R2 (при r211 - r23...)}.                                  (10)

Эта структура в общем виде раскрывает любые методы монтажа, применяемые в практике ведения монтажных работ, и те, которые будут появляться по мере развития строительного производства. В таком представлении каждый метод монтажа строительных конструкций может характеризоваться однозначно и может быть обозначен буквами или цифрами.

ТЕХНОЛОГИЧЕСКАЯ МОДЕЛЬ РАЗРАБОТКИ ВАРИАНТОВ МЕТОДОВ МОНТАЖА

Рис. 1. Схема последовательности разработки вариантов методов монтажа

6. Формирование методов монтажа строительных конструкций заключается в поиске и выборе составляющих формулы 10, которые отвечают исходным данным. Так как процесс формирования и выбора составляющих взаимоувязан и практически неотделим друг от друга, проектировать этот этап желательно в соответствии с рекомендациями последовательности разработки вариантов методов монтажа, приведенных на рис. 1.

Особое внимание при формировании методов монтажа должно быть обращено на применение принципов индустриализации, к которым относятся:

использование элементов, конструкций и узлов полной заводской готовности;

внедрение комплексной механизации - производство технологически связанных между собой монтажных операций (основных и вспомогательных) с помощью комплекта машин и средств малой механизации, увязанных между собой по технологическому назначению, техническому уровню и производительности;

использование передового опыта и научной организации труда - совершенствование выполнения монтажных приемов и операций с учетом внедрения наиболее удобных инструментов и приспособлений;

организация поточности производства - расчленение монтажного процесса на составляющие и распределение их между исполнителями при обязательном соблюдении производственного ритма и максимального совмещения работ во времени.

С целью обеспечения безопасности производства монтажных работ должны быть предусмотрены технологические и общеплощадочные мероприятия.

Для удобства выполнения проектных работ, связанных с формированием вариантных решений, могут быть рекомендованы соответствующие таблицы - формы, раскрывающие возможные решения всех составляющих методов монтажа и технологического процесса в целом (табл. 6). Эти формы могут выполняться в виде предписаний или проектных разработок. В первом случае в ячейках формы опытным проектировщиком или руководителем проекта отмечаются в виде условно принятых обозначений возможные варианты, которые после принятия окончательного решения подробно разрабатываются в соответствующих проектных документах. Во втором случае в ячейках формы сразу вычерчиваются необходимые схемы или указывается на их наличие в нормативно-справочных и проектных материалах.

Такой подход нормализует не только структуру и содержание метода монтажа, но и его технологию, делает ее всесторонне полной и раскрывает максимально возможные условия использования всего монтажного арсенала для решения поставленной задачи; кроме того, создаются условия для раскрытия многовариантных ответов с указанием рациональности каждого решения. Для этого каждое решение должно иметь информацию на сколько и в каких единицах измерения одно из них будет более эффективным по сравнению с другим. Ответы в ячейках формы могут проставляться по соответствующему ранжиру, зависящему, например, от трудоемкости, себестоимости или других показателей.

Таблица 6

Макет формы вариантных решений метода монтажа строительных конструкций

7. Под объектом монтажа понимают здание или сооружение со всеми относящимися к нему постройками, галереями, эстакадами и специальным технологическим оборудованием. Строительно-технологический анализ выполняется для того, чтобы установить влияние конструктивных особенностей объекта на метод монтажа. Для этого объект разделяют на составные элементы и части по фронту работ и выявляют однотипные элементы, участки, части здания или целые сооружения, для возведения которых приемлемы одни и те же методы монтажа, а также может быть установлена технологическая последовательность их выполнения.

Строительно-технологическими характеристиками, влияющими на метод монтажа, являются:

строительные габариты объекта w и размеры территории Fт, на которой он размещен, м;

масса монтируемых элементов и конструкций G, т;

высота подъема или глубина опускания груза Н, м;

глубина подачи конструкций L, м;

общее количество монтируемых элементов и их распределение по высотным и весовым характеристикам тnq, шт.;

объемы строительно-монтажных работ V, влияющих на монтаж конструкций;

насыщенность объекта технологическим оборудованием, системой коммуникаций, средствами автоматики N и т.п., которые могут располагаться на отдельных площадках, непосредственно в зданиях, где они монтируются на специальных монолитных фундаментах или постаментах, этажерках, встроенных в здание или вынесенных за его пределы.

Из перечисленных характеристик анализируются только те, которые в каждом конкретном случае являются определяющими для выполнения технологического процесса, связанного с монтажом строительных конструкций.

Анализ объектов строительства обычно заканчивается сравнением установленных значений с требованиями, предъявляемыми монтажной технологичностью и распределением объемов монтажных работ. Первую задачу решают, как правило, на стадиях архитектурно-строительного и конструктивного проектирования, но могут решать и при технологическом проектировании, когда устанавливаются пределы укрупнения монтируемых элементов. Это связано с тем, что технологичность конструкций влияет на методы монтажа возводимого объекта и требует ее учета при формировании и разработке соответствующих вариантов.

8. Распределение объемов монтажных работ производится в зависимости от территориальных и пространственных возможностей объекта и строительной площадки, на которой он размещен, эти возможности характеризуют фронт работ по монтажу строительных конструкций - очереди, этапы, узлы, участки, захватки, ярусы, зоны и т.п. Для установления размеров этих составляющих разрабатываются рекомендации и формулы, учитывающие технологические особенности и конструктивные характеристики объектов строительства, местные условия, требования поточности.

Для распределения монтажных элементов по массе и высоте строят графики, отражающие изменения этих характеристик по данному объекту. Так, график, приведенный на рис. 2, а, характеризует распределение монтажных элементов только по массе. Он показывает, как в зависимости от категории груза Gi изменяются общая масса и количество элементов. График на рис. 2, б иллюстрирует распределение монтажных элементов по высотным характеристикам Нi. Он отражает изменение общей массы и количества элементов в зависимости от высоты подъема. Распределение монтажных характеристик для основных строительных конструкций объекта может быть выполнено на графике в виде сетки координат (рис. 2, в), и этот график может быть дополнен данными изменения глубины подачи.

Приведенные графики позволяют установить диапазоны изменения характеристик отдельных элементов и конструкций, а также их количество и общую массу, выявить пределы, ограничивающие нерациональные области этих изменений в соответствии с рекомендациями, предъявленными к монтажной технологичности, выполнить распределение объемов работ по соответствующим уровням. Данные распределения монтажных элементов по массе заносят в матрицу (табл. 7).

Рис. 2. Графики распределения характеристик монтажных элементов

а - по массе Gм; б - по высоте Нм; в - основных строительных конструкций; 1 - 8 нумерация (наименование) монтажных элементов в соответствии со спецификацией; F1, F3 - кривые, характеризующие распределение общей монтажной массы монтируемых элементов по массе и высоте подъема; F2, F4 - кривые, характеризующие распределение общего количества монтируемых элементов по массе и высоте подъема; ·-·-· - граница максимальной высоты подъема

9. Выбор монтажных средств предусматривает подбор и расстановку такой строительной техники, которая обеспечивала бы наиболее рациональные, удобные и безопасные методы монтажа строительных конструкций для конкретных производственных условий. Выбор осуществляют по техническим параметрам монтажных средств, которые должны удовлетворять условиям, полученным в результате выполненного анализа строительно-технологических характеристик возводимого объекта или его части (узла, участка, захватки) в зависимости от распределения монтажных элементов по высоте и массе. Для этого по монтажным характеристикам объекта вначале определяют необходимые параметры, которыми должны обладать монтажные средства (например, для кранов - табл. 8), а затем по ним, используя номограммы, графики или таблицы технических монтажных средств, подбирают тип и марку различных вариантов конкурентоспособных машин и механизмов. Параллельно с этим устанавливают схемы работы машин и механизмов. Наиболее распространенными являются схемы комплексной механизации; характерные виды некоторых из них приведены на рис. 3.

Таблица 7. Данные распределения монтажных элементов по массе

Высота подъема, м

Группы по массе, т

Распределение общего количества монтажных элементов по высоте подъема, шт.

до 2

св. 2

до 5

св. 5

до 10

св. 10

до 15

св. 15

до 20

До 6

100

200

150

100

50

600

Св. 6 до 9

100

150

100

150

50

550

» 9 » 12

75

125

75

125

-

400

» 12 » 15

50

100

50

75

-

275

» 15 » 18

50

50

-

-

-

100

Итого

375

625

375

450

100

1925

В каждой схеме работы выделяют ведущую машину (одну или несколько), которая определяет, как правило, темп выполнения работ, и вспомогательные (комплектующие), обеспечивающие непрерывность ее работы. В качестве ведущей машины, чаще всего в массовом промышленном и гражданском строительстве, применяют различные типы кранов. Комплектующими могут быть краны (обычно меньшей грузоподъемности), обеспечивающие фронт работ для ведущей машины, и транспортные средства, обслуживающие их.

Требуемое количество кранов (комплектов) вычисляют по формуле

К = РКсэТз,                                                         (11)

где Р - объем работ по монтажу строительных конструкций, т (м3); Кс - коэффициент, учитывающий возможное совмещение работы кранов во времени. Принимается при двух кранах - 1,25; трех - 1,3; четырех - 1,35; Пэ - средняя эксплуатационная производительность крана (комплекта кранов) в смену, т (м3); Т3 - заданный или директивный срок монтажа, смены.

Рис. 3. Характерные виды схем комплексной механизации

а - основное (ведущее) монтажное средство О и несколько параллельно работающих вспомогательных (комплектующих) монтажных средств В; б - то же, последовательно, в - ж - то же, комбинированно; з - основное монтажное средство с комплектом сменного рабочего оборудования СО

Если в этой формуле общие нормативные затраты времени кранов на монтаж конструкций Р/Пэ выразить через Тн, то получим

К = ТнзКс.                                                                 (12)

При необходимости монтажа конструкций несколькими типами кранов количество кранов каждого типа определяют по формуле

Кi = КТнiн,                                                                (13)

где Тнi - принятые затраты времени для каждого типа монтажных средств в комплекте.

При выборе монтажных средств намечают возможный вариант комплексной механизации, ведущий монтажный кран, схему его проходок и стоянок, способы установки конструкций с каждой стоянки, размещение вспомогательных монтажных и транспортных средств.

Таблица 8. Грузовысотные зоны, обслуживаемые стреловыми кранами различных типоразмеров

Масса элемента, т

Грузоподъемность крана, т, при высоте верха элемента в проектном положении, м

до 0,5 (L ³ 7,5 м) св. 5 до 10 (Lстр ³ 12,5 м)

А

Г

П

СШ

А

Г

П

СШ

0,1 - 3

5

6,3

10

6,3

5

6,3

10

6,3

Св. 3 до 6,3

6,3

6,3

10

6,3

16

16

10

10

7,6 - 10

10

10

10

10

16

16

16

16

Св. 10 до 16

16

16

16

16

16

25

16 п, р, о

16

» 16 » 25

-

25

25

25

-

25

25

25

» 25 » 40

-

30 п. р. о

40

40

-

30 п. р. о

40

40

» 40 » 63

-

50 п. р

2×40

63

-

2×30 п, р, о

2×40; 50 п, р

63

» 63 » 100

-

2×40 п, р;

-

2×63; 100

-

2×40 п, р;

-

2×63

 

 

100

 

 

 

100

 

100

» 100 » 160

-

2×63 п; 160

-

2×100; 250

-

2×63 п; 160

-

2×100; 250

» 160 » 200

-

2×100; 160 п

-

250

-

2×100; 160 п

-

250

» 200 » 300

-

2×100 п

-

2×250

-

2×100 п;

-

2×250; 500

 

 

2×160; 250 п

 

500

 

2×160; 250 п

 

 

» 300 » 400

-

2×160 п

-

500

-

2×160 п

-

500

Св. 400

Краны грузоподъемностью 250 - 1000 т и специальные грузоподъемные средства

Продолжение табл. 8

Масса элемента, т

Грузоподъемность крана, т, при высоте верха элемента в проектном положении, м

св. 10 до 15 (Lстр ³ 17,5 м)

св. 15 до 20 (Lстр ³ 22,5 м)

А

Г

П

СШ

А

Г

П

СШ

0,1 - 3

10

6,3

10

10

16

16

16

16

Св. 3 до 6,3

16

16

10

16

2×16

16

16

16

7,6 - 10

2×16

16

16

16 р

2×16

20

16 р, о

25

Св. 10 до 16

2×16

25

25;

 

на опорах

 

 

 

 

 

 

16 р, о, рг

25

-

25

20

25

» 16 » 25

-

25 р, о, рг

40

25

-

25 р, о

25 р, о

40

 

 

 

25 р, о, рг

 

 

 

 

 

» 25 » 40

-

30 р, о

40 п, р, о

63

-

40

40

40

» 40 » 63

-

2×40 п, р

2×40

63 п,

-

30 о, р

40 о

63 п

» 63 » 100

-

2×50 п

-

2×63 п

-

2×50; 63

2×40 р

2×63 р

» 100 » 160

-

2×100

-

250 п

-

100 р, о

-

250 п

 

 

160

 

 

 

160 п

 

 

» 160 » 200

-

2×100

-

2×250

-

2×100 п, о, р

-

2×250

 

 

160 п

 

 

 

160 п

 

 

» 200 » 300

-

2×100 п;

-

500

-

2×100 п

-

500

 

 

2×160;

 

 

 

2×160;

 

 

 

 

240 п

 

 

 

250 п

 

 

» 300 » 400

-

2×160 п

-

500

-

2×160 п

-

500

» 400

Краны грузоподъемностью 250 - 1000 т и специальные грузоподъемные средства

Продолжение табл. 8

Масса элемента, т

Грузоподъемность крана, т, при высоте верха элемента в проектном положении, м

св. 20 до 25 (Lстр ³ 28 м)

св. 25 до 30 (Lстр ³ 32,5 м)

А

Г

П

СШ

А

Г

П

СШ

0,1 - 3

-

20

20

25

-

20

20

25

Св. 3 до 6,3

-

20

20

25

-

20

20

25

6,4 - 7,5

-

20

20

25

-

-

-

25

7,6 - 10

-

20

20

40

-

20

20

40

Св. 10 до 16

-

25 р, о, рг

40

63

-

2×20

20 о

63

» 16 » 25

-

40

40 р, о

63

-

40 о

2×40 р

63 п

» 25 » 20

-

40 о

40 о

63

-

50 о

 

2×63

» 40 » 63

-

2×50;

2 ´ 40 о

63 п

-

63 о

-

2×63 п

» 63 » 100

-

2×63 п

100 р, о,

-

2×63 п

-

100 о

-

100 п

» 100 » 160

-

160; 2 ´ 100 р, о, п

-

-

-

2×160;

2×100 о

-

2×100 о;

2×250; 500

» 160 » 200

-

160 п

-

-

-

2×160

2×100 о

-

2×250

» 200 » 300

-

2×160

250 п

-

-

-

250 п

-

500

» 300 » 400

-

2×160 п

-

-

-

2×250

-

2×250

» 400

Краны грузоподъемностью 250 - 1000 т и специальные грузоподъемные средства

Продолжение табл. 8

Масса элемента, т

Грузоподъемность крана, т, при высоте верха элемента в проектном положении, м

св. 30 до 35 (Lстр ³ 38 м)

св. 35 до 40 (Lстр ³ 43 м)

св. 40 (Lстр ³ 50 м)

А

Г

П

СШ

А

Г

П

СШ

А

Г

П

СШ

0,1 - 3

-

30 (БСО)

-

40

-

30 (БСО)

-

63 (БСО)

-

30 (БСО)

-

63

Св. 3 до 6,3

-

30 (БСО)

-

40

-

30 (БСО)

-

63

-

30 (БСО)

-

63

6,4 - 7,5

-

30 (БСО)

-

40

-

30 (БСО)

-

63

-

30 (БСО)

-

63

7,6 - 10

-

30 (БСО)

-

40

-

40 (БСО)

-

63

-

30 (БСО)

-

63

Св. 10 до 16

-

40 (БСО)

-

63

-

30 (БСО)

-

63

-

50 (БСО)

-

63

» 16 » 25

-

63 (БСО)

-

63 п

-

63 (БСО)

-

63 п

-

63 (БСО)

-

63 п

» 25 » 40

-

50 о

- м

2×63

-

100 (БСО)

-

2×63

-

100 (БСО)

-

2×63

» 40 » 63

 

63 о

-

2×63 п

-

2×100 с гус.

-

2×63 п

-

160

-

2×63

» 63 » 100

-

100 о

-

100 о

-

160

-

2×100

-

160

-

2×100

» 100 » 160

-

2×160;

2×100 о

-

250;

2×100 о

-

2×160

-

250 п

-

2×160

-

2×100 п

» 160 » 200

-

2×160

2×100 о

-

250

2×100 о

-

2×160

-

2×100 п, р 250 п, р

-

2×160

-

2×100 п, р

250 п, р

»200 » 300

-

250 п

-

250 п

-

250 п

-

250 п

-

250 п

-

500

» 300 » 400

-

2×250

-

2×250

500

-

2×250 п

-

2×250 п

500

-

2×250 п

-

2×250 п

» 400

Крапы грузоподъемностью 250 - 1000 т и специальные грузоподъемные средства

Примечание. Краны: А - автомобильные, Г - гусеничные, П - пневмоколесные, СШ - на специальном шасси с телескопическими стрелами; п - поворот через шарнир; р - расчлененные стрелы; о - опертые стрелы, соединенные ригелем; БСО - башенно-стреловое оборудование.

Проверяют, обеспечивает ли каждый механизм установку монтируемых элементов и конструкций в зоне их действия (в зависимости от массы, высоты подъема и вылета крюка). Выбор мест стоянок кранов и радиусы их действия устанавливают исходя из обеспечения подъема максимально возможного количества элементов с одной стоянки при минимальном количестве перестановок крана.

Для проверки оптимального распределения монтируемых элементов и конструкций между основными и вспомогательными кранами необходимо, чтобы продолжительность подъема всех грузов каждым краном (комплектом) была минимальной

T(nij) ® min,                                                                 (14)

где Т - общее время работы каждого крана на монтаже; п - общее количество монтируемых элементов; j, i - характеристики категории и высоты подъема груза.

При этом общее количество монтажных элементов п, распределенных между группами по массе и высоте подъема, можно выразить как сумму подъема груза основным и вспомогательным крюком:

                                                          (15)

где m - количество монтажных кранов; s, g - количество элементов, поднимаемых основным и вспомогательным крюками.

Для решения этой задачи время подъема каждой категории груза можно принимать по калькуляции трудовых затрат, составленной на основании ЕНиР, или установить как частное от деления высоты на скорость подъема. С учетом этого время работы каждого крана при различных вариантах его загрузки и режиме работы можно представить как

                                            (16)

где tij - время подъема груза j-категории основным крюком на отметку i; x - то же, вспомогательным крюком.

Они должны удовлетворять ряду требований: обеспечивать сохранность, устойчивое и неизменяемое положение груза во время его подъема после установки; обладать надежностью и универсальностью - быть по возможности инвентарными и удобными при перевозке транспортом общего назначения; иметь небольшую собственную массу и минимальную трудоемкость и стоимость изготовления, эксплуатации и ремонта; обеспечивать точность установки элементов на один класс выше предельных отклонений, а также удобные и безопасные условия работы.

Выбор монтажных приспособлений сводится к установлению номенклатуры (типов) приспособлений, определению их конструктивных параметров и потребного количества, технико-экономическому обоснованию выбранных вариантов.

Выбор конструктивных параметров грузозахватных приспособлений при захватке в точках, расположенных выше центра тяжести конструкции, начинают с определения мест и количества точек строповки, которые устанавливают исходя из условия обеспечения устойчивого положения монтируемого элемента при его подъеме и установке*.

* При применении в монтируемых зданиях типовых конструкций точки захвата обычно определены в разделах проекта (где даны конструктивные решения) и их размещение подтверждено расчетом прочности и устойчивости конструкций при подъеме, перемещений и установке.

Например: плоские вертикальные (панели, фермы, балки) и длинномерные горизонтальные (трубы, ригели) конструкции поднимают за две и более точек, расположенных по длине конструкции с таким расчетом, чтобы центр тяжести находился между точками строповки. При этом расстояние от концов конструкции до мест захвата может быть ориентировочно принято равным 0,2L (где L - длина конструкции, рис. 4, а). Плоские горизонтальные конструкции поднимают за три и более точек, не расположенных на одной прямой и отстоящих на одинаковых расстояниях от центра тяжести (рис. 4, б). В этом случае для размещения статической неопределенности работы приспособлений в их устройство могут вводиться дополнительные балансировочные элементы.

Длинномерные вертикальные элементы (колонны, стойки) захватываются минимум за одну точку. При их подъеме способом поворота вокруг одного опорного шарнира точка строповки должна располагаться на одну треть высоты элемента от его верхнего конца (рис. 4, в). При подъеме конструкций с последующим поворотом их в воздухе предусматриваются специальные балансирные траверсы, гидроцилиндры, тормозящие и другие устройства.

Рис. 4. Схема расположения точек строповки монтируемых конструкций

а - плоских вертикальных и длинномерных горизонтальных; б - плоских горизонтальных; в - длинномерных высотных

После выбора точек строповки определяются основные геометрические параметры приспособлений. К их числу относят высоту превышения приспособления над монтируемым элементом h и расстояние между точками строповки. Высота превышения выбирается в зависимости от уровня расположения проектных отметок монтируемых конструкций и запаса высоты подъема крюка крана. Для стропов оптимальной высотой превышения является высота, определенная при угле между ветвями стропов, равным 90°. Расстояние между точками строповки принимается минимальным из условия прочности и устойчивости поднимаемого элемента. При этом чем меньше расстояние между точками захвата, тем проще и легче приспособление, тем меньше трудоемкость и продолжительность строповки, а также легче управление конструкцией при ориентировании и посадке.

В случае недостаточной прочности и устойчивости элементов конструкций, вызванной сжимающими усилиями стропов, следует применять траверсы. Траверсы-распорки рекомендуются лишь при достаточной высоте подъема крюка крана и расположении ветвей стропов под углом между ними 75 - 90°. При ограничении высоты превышения приспособления, увеличивающем угол между ветвями стропов, применяют траверсы-балки или траверсы-фермы. Первые рекомендуется применять при расстоянии между точками строповки не более 6 м, а вторые - при расстояниях до 30 м. При большей длине траверс конструкция их должна быть сборно-разборной или складываемой, что позволяет перевозить приспособления средствами транспорта общего назначения и хранить в закрытых помещениях.

С целью обеспечения возможности разгрузки и монтажа конструкций одним и тем приспособлением необходимо, чтобы грузозахватные приспособления были с изменяемыми геометрическими параметрами. Во всех случаях конструкция захватов должна обеспечивать быструю и удобную строповку монтируемых элементов и иметь дистанционное управление для расстроповки, позволяющее производить отцепление захватов с земли или с подмостей у узлов опирания конструкции, а также исключить самопроизвольное отцепление конструкций. Для тросовых захватов необходимо предусматривать инвентарные подкладки, которые предохраняли бы их от повреждения.

При расположении точек захвата ниже центра тяжести конструкции устойчивость последней во время подъема можно обеспечивать применением жестких захватов, подхватывающих конструкцию снизу, если она обладает статической устойчивостью относительно захвата, или искусственным понижением центра тяжести путем крепления к монтируемой конструкции дополнительных грузов (одного или нескольких).

Искусственное понижение центра тяжести путем крепления к конструкции дополнительного груза позволяет использовать для монтажа краны с высотой подъема крюка, при которой точка захвата располагается ниже, чем отметка центра тяжести монтируемой конструкции. При определении координат центра тяжести конструкции с дополнительным грузом исходят из условия равновесия левых и правых частей. При этом одну из координат принимают равной нулю, а вторую определяют из уравнения равновесия.

Например, уравнение равновесия по оси х относительно точки 0 (рис. 5) имеет вид

G1X1 = G2X2,                                                            (17)

откуда

X2 = G1X1/G2                                                           (18)

где G1 - масса монтируемой конструкции, т; G2 - масса дополнительного груза, устанавливаемого из условия грузоподъемности монтажного крана

Gк ³ G1 + G2,

Gк - грузоподъемность монтажного крана, т; X1 - расстояние от центра тяжести монтируемой конструкции до центра тяжести строповочного узла, устанавливаемого из условий его конструирования (рекомендуется принимать минимальным), м; Х2 - расстояние от центра тяжести строповочного узла до центра тяжести дополнительного груза, м.

Рис. 5. Схема для определения координат центра тяжести строповочного узла, расположенного ниже центра тяжести монтируемой конструкции при размещении дополнительного груза с одной (а) и с двух (б) сторон стрелы

1 и 1¢ - связи, соединяющие монтируемую конструкцию с соответствующим дополнительным грузом G2 и G2¢; 2 - то же, со строповочным узлом; 3 - ось стрелы крана (пунктиром показан дополнительный вариант крепления груза ниже оси X)

При условии, если X1 ® min, а G2 ® max, расстояние Х2 будет минимальным. Это необходимо учитывать при размещении дополнительного груза G2 в подстреловом габарите. Дополнительный груз может крепиться к конструкции жестко или с помощью троса с гирляндой груза. В последнем случае трос перебрасывается через жестко прикрепленную к монтируемой конструкции консоль. Располагать груз можно с одной стороны или симметрично по обеим сторонам стрелы.

Во всех случаях уравнение равновесия по оси Y относительно точки 0

YцтGo = G1y1 + G2y2,                                                     (19)

откуда

Yцт = (G1y1 + G2y2)/Go,                                                  (20)

где Go - общая масса монтируемой конструкции с учетом дополнительных грузов, т; y1, у2 - расстояние от центра тяжести соответственно монтируемого блока и дополнительного груза до оси, м.

Анализ уравнения (20) показывает, что центр тяжести монтируемой конструкции может быть понижен только путем уменьшения у2, так как у1 является постоянным для данного случая. При этом возможны три характерных случая размещения центра тяжести блока с дополнительным грузом: y2 > 0, т.е. центр тяжести располагается выше оси х; y2 = 0 - на оси х; у2 = х1¢ < 0 - ниже оси х. В последнем случае

y2¢ = G1y1/G2.                                                               (21)

При выборе захватных устройств необходимо отдавать предпочтение беспетлевым захватам, обеспечивающим следующую строповку конструкций: «в обхват», за отверстия, расположенные в теле конструкции, за конструкцию, ее выступающие части и поверхностные плоскости. Окончательное заключение о расположении мест захвата должно подтверждаться поверочным расчетом прочности и устойчивости элементов конструкций.

Удерживающие приспособления применяются для обеспечения устойчивого проектного положения строительных конструкций до момента постановки постоянных связей. Основными принципиальными решениями по созданию устойчивого положения монтируемых конструкций являются: изменение положения шарнира опрокидывания передача удерживающих усилий на устойчивые элементы, применение контргрузов и изменение шарнира опрокидывания, передача удерживающих усилий на устойчивые элементы и одновременное изменение шарнира опрокидывания конструкции (рис. 6).

Первое решение предусматривает создание свободно стоящих кондукторов с развитой базой опирания (рис. 6а); второе - использование расчалок, подкосов, распорок и связей (рис. 6б); третье - свободно стоящих кондукторов, обладающих большой массой или имеющих в комплекте специальные контргрузы (рис. 6в); четвертое - применение клиновых вкладышей и кондукторов, закрепленных за ранее смонтированные конструкции (рис. 6г).

При этом оптимальные параметры расчалок и подкосов определяют исходя из объемно-планировочных решений зданий и сооружений, размещения анкерных креплений, с учетом ограничений, накладываемых монтажной зоной работы кранов при их расположении по отношению к монтируемому элементу под углом 45°.

Расчалки рекомендуется применять для плоских и длинномерных вертикальных конструкций, когда невозможно использовать подкосы, распорки, связи и другие приспособления. Плоские вертикальные конструкции необходимо закреплять парами расчалок, устанавливаемых с двух сторон по одной оси, перпендикулярно длине конструкции. Длинномерные вертикальные конструкции допускается крепить тремя расчалками, расположенными в плане под углом 120°. Обычно расчалки закрепляются выше центра тяжести монтируемой конструкции.

Рис. 6. Принципиальные решения, обеспечивающие создание устойчивого положения монтируемых конструкций путем

а - изменения шарнира опрокидывания; б - передачи удерживающих усилий на устойчивые элементы; в - применение контргрузов с изменением шарнира опрокидывания; г - передачи усилия на устойчивые элементы с изменением положения шарнира опрокидывания; 1 - шарнир опрокидывания конструкции; 2 - монтируемый элемент; 3 - удерживающее приспособление; 4 - устойчивый элемент

Подкосы следует выбирать для обеспечения устойчивости невысоких конструкций (панелей, колонн, рам). Уровень их закрепления на устанавливаемой конструкции не должен превышать 1,8 - 1,9 м. Конструкцией подкосов должна быть предусмотрена возможность изменения их длины. Для временного закрепления плоских вертикальных элементов необходимо устанавливать два подкоса с одной стороны. Для длинномерных вертикальных конструкций достаточно двух подкосов, установленных в плане под углом 90° (рис. 7а).

Распорки рекомендуется применять для временного закрепления плоских вертикальных конструкций. Проектное положение конструкции обычно обеспечивается в процессе установки распорок заданной длины при закреплении одним концом за базовую конструкцию здания. Их необходимо применять для ограниченно свободной установки конструкций (рис. 7б).

Клиновые вкладыши и клинья можно применять для временного закрепления вертикальных длинномерных элементов - колонн, столбов высотой до 6 м при установке их в фундаменты стаканного типа. Клиновые вкладыши должны устанавливаться до посадки колонны и предварительно выверяться, образуя угловой упор. С двух других сторон устанавливаются обычные вкладыши (клинья), прижимающие колонну к упору (рис. 7в, г).

Рис. 7. Удерживающие приспособления

а - подкосы; б - распорки (связи); в, г - клинья и схема конструкции клинового вкладыша в узле А; д - групповой кондуктор: 1 - монтируемый элемент; 2 - удерживающие приспособления; 3 - устойчивый элемент; 4 - клиновой вкладыш; 5 - рама кондуктора; 6 - связи; 7 - ограничивающий упор

Наибольшее распространение в практике монтажа плоских и длинномерных вертикальных конструкций получили одиночные и групповые кондукторы.

Одиночные кондукторы следует применять для временного закрепления и выверки одного конструктивного элемента. Для обеспечения устойчивости конструкций их обычно закрепляют за ранее смонтированные элементы (оголовки колонн, петли ригелей и плит перекрытия и т.п.). Кондукторы для длинномерных вертикальных конструкций желательно выбирать с откидными захватами для удобства снятия и установки.

Основным преимуществом одиночных кондукторов является их компактность, однако они обладают большой массой (до 500 кг) и требуют затрат кранового времени при перемещении и установке, что снижает производительность труда при монтаже конструкций.

Групповые кондукторы рекомендуется выбирать для выверки и временного закрепления нескольких конструкций, расположенных с равными пролетами и шагами в многоэтажных зданиях с большим объемом монтажных работ (для зданий более 9 этажей). При этом необходимо отдавать предпочтение групповым кондукторам с изменяемыми геометрическими параметрами.

Для ограниченно свободных методов монтажа кондукторы должны иметь ограничивающие устройства, предварительно выверяемые по горизонтали и вертикали. Полное ограничение достигается при расположении угловых упоров в двух уровнях. Примером таких кондукторов могут служить рамно-шарнирные индикаторы (ЭРШИ) со связевой системой, объединяющей их в группы по два и четыре кондуктора для монтажа 8 и 16 колонн.

Применение групповых кондукторов позволяет существенно повысить производительность труда, но на их доставку, установку и подготовку к работе требуются дополнительные затраты. Для снижения этих затрат в конструкциях кондукторов необходимо предусматривать подмости, площадки и лестницы для монтажа других незакрепляемых монтажных элементов и устройства их стыков.

Потребное количество удерживающих приспособлений выбирается из условия непрерывности монтажа конструкций в соответствии с заданной организацией монтажных процессов. Окончательное решение при выборе монтажных приспособлений необходимо принимать после технико-экономического сравнения вариантов.

Обоснование проектных вариантов методов монтажа строительных конструкций связано с всесторонним анализом их основных составляющих, которые прямым или косвенным образом влияют на оценочные технико-экономические показатели с учетом общих требований, наличия средств механизации в строительных организациях и других условий. Форма представления технико-экономических показателей приведена в табл. 9.

Таблица 9. Форма итоговых технико-экономических показателей

Показатели

Стальные конструкции

Сборные железобетонные конструкции

Единица измерения

Количество

Единица измерения

Количество

Общий объем работ

т

 

м3

 

Общее количество подъемов

шт.

 

шт.

 

Количество машино-смен работы крана

маш.-см.

 

маш.-см.

 

Выработка крана в смену

т

 

т

 

Средняя масса (объем) одного подъема

т

 

м3

 

Среднее количество подъемов в смену

шт.

 

шт.

 

Общая трудоемкость

чел.-дн.

 

чел.-дн.

 

Выработка на одного рабочего

кг/руб.

в смену

 

м3/руб.

в смену

 

Среднее количество рабочих

чел.

 

чел.

 

Общая стоимость эксплуатации кранов

руб.

 

руб.

 

То же, на единицу объема работ

руб./т

 

руб./м3

 

Расход металла

кг/100 т

 

кг/100 м3

 

Расход лесоматериалов

м3/100 т

 

м3/100 м3

 

Продолжительность работ

мес

 

мес

 

Сокращение срока строительства

дн.

 

дн.

 

Рост производительности труда

%

 

%

 

Высвобождение численности

чел.

 

чел.

 

Экономический эффект

тыс. руб.

 

тыс. руб.

 

СОДЕРЖАНИЕ

Предисловие. 1

Проект организации строительства. 2

1. Организационно-технологические схемы возведения зданий и сооружений и методы производства работ. 2

2. Календарный план строительства. 10

3. Строительный генеральный план. 20

4. Геодезическое обеспечение строительства. 27

5. Определение потребности в материально-технических, энергетических и трудовых ресурсах. 32

6. Разработка проектных решений и документации при строительстве в особых природно-климатических условиях. 57

7. Оценка экономической эффективности проектов организации строительства. 57

проект производства работ. 63

8. Календарный план производства работ по объекту (виду работ) 63

9. Унифицированная нормативно-технологическая документация для производственно-технологической комплектации. 76

10. Строительный генеральный план. 80

11. Технологические карты и карты трудовых процессов. 91

12. Геодезическое обеспечение строительно-монтажных работ. 95

13. Решения по технике безопасности. 100

14. Оценка экономической эффективности проектов производства работ. 105

15. Применение экономико-математических методов и электронно-вычислительной техники при разработке проектных решений и документации проектов организации строительства и проектов производства работ. 107

Приложение 1 Примеры расчета экономического эффекта и показателей эффективности для отражения в стройфинплане строительной организации. 110

Приложение 2 Перечень программ, рекомендуемых к использованию при разработке проектов организации строительства и проектов производства работ. 115

Приложение 3 Рекомендации по выбору и разработке рациональных методов монтажа конструкций в проектах производства работ. 135

 

 




ГОСТЫ, СТРОИТЕЛЬНЫЕ и ТЕХНИЧЕСКИЕ НОРМАТИВЫ.
Некоммерческая онлайн система, содержащая все Российские Госты, национальные Стандарты и нормативы.
В Системе содержится более 150000 файлов нормативно-технической документации, действующей на территории РФ.
Система предназначена для широкого круга инженерно-технических специалистов.

Рейтинг@Mail.ru Яндекс цитирования

Copyright © www.gostrf.com, 2008 - 2026