Крупнейшая бесплатная информационно-справочная система онлайн доступа к полному собранию технических нормативно-правовых актов РФ. Огромная база технических нормативов (более 150 тысяч документов) и полное собрание национальных стандартов, аутентичное официальной базе Госстандарта. GOSTRF.com - это более 1 Терабайта бесплатной технической информации для всех пользователей интернета. Все электронные копии представленных здесь документов могут распространяться без каких-либо ограничений. Поощряется распространение информации с этого сайта на любых других ресурсах. Каждый человек имеет право на неограниченный доступ к этим документам! Каждый человек имеет право на знание требований, изложенных в данных нормативно-правовых актах!

  


 

ТИПОВЫЕ ТЕХНОЛОГИЧЕСКИЕ КАРТЫ
НА
ПРОИЗВОДСТВО ОТДЕЛЬНЫХ ВИДОВ РАБОТ

РАЗДЕЛ 7

ТИПОВАЯ ТЕХНОЛОГИЧЕСКАЯ КАРТА
НА МОНТАЖ СТРОИТЕЛЬНЫХ КОНСТРУКЦИЙ

7.01.01.61

УСИЛЕНИЕ ЖЕЛЕЗОБЕТОННЫХ БАЛОК И РИГЕЛЕЙ ПЕРЕКРЫТИЙ
И ПОКРЫТИЙ УСТРОЙСТВОМ ОБОЙМ И НАРАЩИВАНИЕМ БЕТОНА
В УРОВНЕ ПЕРЕКРЫТИЙ И СНИЗУ ПРИ ПОДАЧЕ И УКЛАДКЕ БЕТОНА:
ЛЕНТОЧНЫМИ ТРАНСПОРТЕРАМИ; БЕТОНОНАСОСАМИ
И П
НЕВМОНАГНЕТАТЕЛЯМИ; ТОРКРЕТМАШИНАМИ

МОСКВА - 1989

РАЗРАБОТАНА

ГПКИ «Тульский Промстройпроект», Минсевзапстроя СССР

 

СОГЛАСОВАНО

Отделом механизации и технологии строительства Госстроя СССР

Главный инженер института

М.М. Пантелеев

Письмо от 27.12.198823-737

Начальник отдела

Ю.А. Данилин

Введена в действие с 1 февраля 1989 г.

Главный инженер проекта

С.Г. Егоров

 

При участии ЦНИИОМТП

Р.А. Гребенник

 

1. ОБЛАСТЬ ПРИМЕНЕНИЯ

1.1. Данная типовая технологическая карта разработана на процесс усиления железобетонных балок и ригелей ячейки промздания путем устройства монолитных железобетонных обойм и рубашек с набетонкой в уровне перекрытия и снизу.

1.2. Карта рекомендована для применения при техперевооружении, реконструкции и ремонте промышленных зданий с монолитными железобетонными балочными перекрытиями при ширине пролетов 3 - 9 м.

1.3. Картой предусмотрено выполнение работ с применением различных вариантов механизации подачи и укладке бетонной смеси, принимаемых в зависимости от конкретных условий и технической оснащенности производителя работ.

1.4. При привязке технологической карты к реальным объектам и условиям производства работ необходимо выполнить пересчет объемов работ, калькуляций затрат труда и заработной платы, графиков производства работ, материально-технических ресурсов и конечных технико-экономических показателей на основании классификатора фасетных факторов. В каждом конкретном случае выбирается наиболее рациональный по экономическим показателям вариант с учетом работы основного производства м. раздел 2).

2. ОРГАНИЗАЦИЯ И ТЕХНОЛОГИЯ ВЫПОЛНЕНИЯ РАБОТ

2.1. До начала работ по усилению конструкций в зависимости от конкретных условий необходимо:

проанализировать влияние стесненности фронта работ от конструкций и технологического оборудования на условия производства работ;

определить возможность производства работ без остановки технологического оборудования, а при необходимости сроки частичной или полной его остановки, и увязать график выполнения работ с технологическим режимом действующего производства;

выявить возможность привлечения внутрицехового транспорта и грузоподъемных механизмов для производства работ, а также доставки материалов в зону выполнения работ;

разработать схему доставки строительных материалов и инвентаря к местам применения и зонам временного складирования;

произвести необходимый демонтаж оборудования и инженерных сетей и их временное отключение или вынос на период производства работ по усилению конструкций;

выполнить разгружение усиливаемых конструкций;

установить порядок и места подключения машин и механизмов к существующим энергетическим сетям;

осуществить комплекс дополнительных мероприятий по обеспечению безопасного выполнения работ в условиях действующего производства и защите технологического оборудования и инженерных коммуникаций от возможного повреждения или загрязнения в ходе строительных работ.

2.2. По конструктивной схеме настоящей картой предусмотрено усиление конструкций тремя типами монолитных набетонок (см. рис. 1).

В случае несовпадения проектного решения усиления балочного перекрытия с конструктивными схемами, принятыми в настоящей технологической карте, следует привязывать технологию производства работ к наиболее подходящей конструктивной схеме из указанных, с необходимым пересчетом объемов и параметров согласно проекту усиления.

КОНСТРУКТИВНЫЕ СХЕМЫ УСИЛЕНИЯ КОНСТРУКЦИЙ

Рис. 1

А - пролет балки; 1 - новая рабочая продольная арматура; 2 - хомут; 3 - новая поперечная арматура; 4 - старая рабочая арматура; 5 - соединительные скобы

2.3. В зависимости от применяемой схемы и способа механизации укладки бетонной смеси комплекс работ по усилению конструкций будет включать следующие технологические процессы м. табл. 1).

Таблица 1

№ пп

Наименование работ

Способ механизации бетонных работ

Примечание

Ленточный транспортер

Бетононасос

Пневмонагнетатель

Торкрет-установка

I

II

III

I

II

III

I

II

III

I

II

III

1

Монтаж и демонтаж лесов

+

+

+

+

+

+

+

+

+

+

+

+

 

2

Очистка бетонных поверхностей

+

+

+

+

+

+

+

+

+

+

+

+

 

3

Насечка бетонных поверхностей

+

+

 

+

+

 

+

+

 

+

+

 

 

4

Скалывание защитного слоя бетона

 

 

+

 

 

+

 

 

+

 

 

+

 

5

Пробивка или сверление отверстий 50 мм

+

+

+

+

+

+

+

+

+

+

+

+

Для крепления опалубки

6

То же, 100 мм

+

 

 

+

 

 

+

 

 

+

 

 

Для пропуска хомутов

7

То же, 150 мм

+

+

+

+

+

+

+

+

+

 

 

 

Для заливки бетонной смеси

8

Установка арматурных сеток и каркасов

+

+

 

+

+

 

+

+

 

+

+

 

 

9

Установка отдельных арматурных стержней

+

+

+

+

+

+

+

+

+

+

+

+

 

10

Установка и демонтаж опалубки

+

+

+

+

+

+

+

+

+

+

+

+

 

11

Прием бетонной смеси из кузова транспортных средств

+

+

+

+

+

+

+

+

+

 

 

 

 

12

Монтаж и демонтаж бетоноводов

 

 

 

+

+

+

+

+

+

 

 

 

 

13

То же, секций транспортера

+

+

+

 

 

 

 

 

 

 

 

 

 

14

Подача бетонной смеси

+

+

+

+

+

+

+

+

+

 

 

 

 

15

Укладка бетонной смеси

+

+

+

+

+

+

+

+

+

 

 

 

 

16

Торкретирование

 

 

 

 

 

 

 

 

 

+

+

+

 

17

Очистка бетоноводов

 

 

 

+

+

+

+

+

+

 

 

 

 

18

Приготовление бетонной смеси

 

 

 

 

 

 

+

+

+

+

+

+

Непосредственно на объекте

2.4. Настоящей картой предусмотрен следующий порядок производства работ:

монтаж трубчатых лесов с устройством рабочего настила;

пробивка отверстий в перекрытии рядом с усиливаемыми элементами для пропуска тяжей подвески опалубки, хомутов, арматуры и укладки бетонной смеси;

очистка бетонных поверхностей;

насечка поверхности усиливаемых элементов или скалывание защитного слоя при оголении арматуры;

установка стенда для сборки арматурных каркасов и опалубки на рабочем настиле лесов;

сборка арматурных каркасов и установка их или отдельных стержней арматуры в проектное положение;

сборка опалубки из инвентарных металлических щитов и установка ее в проектное положение;

укладка бетонной смеси и выдержка бетона до набора 75 % проектной прочности;

демонтаж опалубки;

заделка отверстий для пропуска тяжей подвески;

демонтаж лесов.

2.5. Последовательность работ на захватке в целом едина при всех трех схемах усиления, но в зависимости от средств механизации имеет свои особенности.

Бетонирование с помощью ленточных транспортеров рекомендовано применять для усиления перекрытий нижних этажей промзданий при обоснованной технологичности такой механизации выполнения работ, т. использование ленточных транспортеров не обеспечивает достаточной гибкости производства работ, особенно при условии насыщенности оборудованием реконструируемого производства.

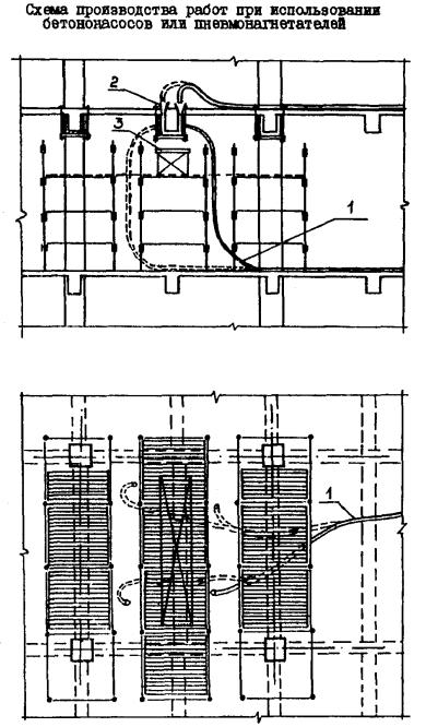
Подачу бетонной смеси предусмотрено осуществлять снаружи внутрь здания с помощью самоходных бетоноукладчиков, далее по перекрытию - переставными транспортерами. В местах перегрузки и укладки бетонной смеси используются направляющие воронки. Количество секций транспортера принимается исходя из конкретных условий производства работ.

Подача бетонной смеси бетононасосными установками эффективна при значительных объемах бетонных работ и большой дальности транспортирования бетонной смеси как по вертикали, так и по горизонтали. Разовый объем укладываемой бетонной смеси должен составлять не менее 5 м3, что возможно только при широком фронте производства работ или комплексном усилении конструкций (колонны-балки-перекрытие) во время остановочного периода.

Бетонирование конструкций с применением бетононасосов включает комплекс работ, связанных единой технологической схемой:

монтаж и демонтаж трубопроводов;

установка средств распределения бетонной смеси;

подача и укладка бетонной смеси;

ликвидация пробок и очистка оборудования.

При прокладке бетонопровода необходимо соблюдать следующие рекомендации:

система бетонопроводов должна иметь минимальную протяженность и минимальное число поворотов;

бетонопровод не должен мешать установке опалубки, арматуры, закладных деталей, а также выполнению других смежных работ;

схема устройства бетонопроводов должна обеспечивать спуск воды после промывки системы;

в местах изменения направления бетонопровода его необходимо надежно закрепить к неподвижным частям сооружения с помощью растяжек и распорок;

вертикальный участок бетонопровода следует располагать не ближе 7 … 8 м от бетононасоса.

Для распределения бетонной смеси по зонам укладки в конструкции возможно применение переставных распределительных стрел и механических манипуляторов.

Распределительные стрелы можно применять при достаточной высоте помещений (не менее 6 м) в условиях развитого технологического оборудования.

Механические распределители требуют свободы маневра распределительного органа в горизонтальной плоскости, что затруднено при наличии оборудования на усиливаемом перекрытии.

При использовании распределительных механизмов необходимо учитывать дополнительную нагрузку на перекрытие от распределителя и наличия бетонной смеси в системе бетонопроводов.

Для управления подачей бетонной смеси необходимо устройство звуковой сигнализации. Перерывы в работе бетононасоса должны быть минимальны, в противном случае увеличивается опасность возникновения пробок в системе бетонопровода.

Для уплотнения бетонной смеси в этом случае рекомендуются поверхностные вибраторы, устанавливаемые на щиты опалубки.

При бетонировании с помощью бетононасосов целесообразно применение литых бетонных смесей с суперпластификаторами.

При нарушении рекомендуемых режимов работы, условий эксплуатации бетононасоса, неправильном подборе смеси или неисправном техническом состоянии агрегата в системе бетонопровода появляется опасность возникновения пробок. Ликвидация пробок и очистка бетононасоса является ответственной операцией, которую следует выполнять в строгом соответствии с указаниями по эксплуатации применяемого оборудования.

При небольших объемах бетонирования, узости фронта работ, необходимости последовательного усиления конструкций наиболее целесообразно применение пневмонагнетательных установок.

В зависимости от типа установки бетонную смесь можно применять в готовом виде или приготавливать на объекте в смесительных камерах применяемых пневмонагнетателей. Подача бетонной смеси может осуществляться порционно, с прослойками сжатого воздуха, что значительно увеличивает дальность подачи смеси.

Выбор типа пневмонагнетательной установки определяется конкретными условиями производства работ.

При бетонировании с помощью пневмонагнетателей необходимо более тщательное уплотнение бетонной смеси в конструкциях в связи с насыщением ее воздухом в процессе побуждения и транспортировки.

Устройство набетонок способом торкретирования целесообразно применять при небольших толщинах наращиваемого бетона, когда обычное бетонирование менее технологично. Торкретирование можно отнести к «грязным» процессам, что в некоторых случаях ограничивает его применение или требует организации защиты от загрязнения.

При бетонировании конструкций способом торкретирования число и толщина слоев, характеристика смеси, вид и максимальная крупность заполнителя определяются проектом в зависимости от конструктивного решения усиления.

Настоящей картой предусмотрено нанесение торкрета слоем толщиной 20 мм, причем каждый последующий слой наносится после полного нанесения предыдущего до его затвердевания без устройства технологических перерывов. При необходимости получения гладких поверхностей на последний слой торкрета наносят затирочный слой и выполняют затирку поверхности.

Нанесение торкрета должен выполнять сопловщик (не ниже 5-го разряда) с помощником (не ниже 4-го разряда).

Квалификация и опыт сопловщика определяют качество нанесения торкрета.


СХЕМА УСТРОЙСТВА ПОДВЕСНОЙ ОПАЛУБКИ

Рис. 2

1 - боковой щит; 2 - тяж подвески; 3 - несущий прогон; 4 - щит днища; 5 - поперечный прогон; 6 - заливная горловина  направление струи из цемент-пушки


Рис. 3

○ - отверстие в плите 100 ´ 100 мм в шахматном порядке для пропуска хомутов; ● - отверстие в плите для нагнетания бетона; + - отверстие в плите Æ 50 мм для установки тяжей подвески опалубки; L - пролет второстепенных балок; L' - пролет основных балок; L" - шаг второстепенных балок

Рис. 4

1 - тяжи подвески; 2 - щиты опалубки; 3 - стенд для сборки опалубки; 4 - стойки лесов

Рис. 5

1 - бетоновод; 2 - воронка; 3 - стенд для сборки опалубки

Рис. 6

1 - цемент-пушка; 2 - емкость с водой; 3 - шланги; 4 - сопло

Рис. 7

1 - опалубка; 2 - леса; 3 - стенд для сборки опалубки; 4 - транспортер; 5 - воронка

Направление струи бетона должно быть перпендикулярно торкретируемой поверхности. При диаметре устанавливаемой арматуры более 14 мм для устранение «теневого» эффекта рекомендуется отклонять струю до 15°.

В процессе торкретирования сопло перемещают по спирали кругообразными движениями на расстоянии 1 м от поверхности, при бетонировании закладных деталей указанное расстояние уменьшают до 0,5 … 0,8 м. Влажность торкрета должна обеспечивать необходимую подвижность смеси, но не приводить к оплыванию поверхности нанесенного слоя. При качественном нанесении бетона поверхность имеет одинаковый цвет и «жирный» блеск. Сухих пятен и полос быть не должно.

При бетонировании способом торкретирования следует предусмотреть мероприятия по сбору и использованию отскока. Отскок, собранный немедленно до начала схватывания, можно добавлять в исходную смесь до 15 % с учетом изменения состава бетона в отскоке (уменьшение содержания цемента, увеличение содержания заполнителей).

Схему выполнения работ способом торкретирования см. лист № 6, 8.

Очистку бетонных поверхностей от набелов и загрязнений производят пескоструйным аппаратом, а при наличии масляных загрязнений выполняют обезжиривание.

Пробивку отверстий в перекрытии предусмотрено производить с помощью бурильных, отбойных молотков, электрических бетоноломов или выполнять сверление отверстий с помощью станков с кольцевыми сверлами.

Сборка арматурных каркасов и коробов опалубки осуществляется на стенде, устанавливаемом на верхнем настиле лесов.

Подъем арматурных каркасов и коробов опалубки в проектное положение производят с помощью тросов, пропускаемых в отверстия в перекрытии.

Закрепление и выверку опалубки осуществляют посредством затяжки гаек с шайбами размером 110´110´10 мм, закрепляемых на тяжах подвески.

Нагнетание бетонной смеси производят через отверстия в перекрытии, либо через боковые отверстия в опалубке, оборудованные пластинчатыми затворами.

После достижения бетоном не менее 75 % проектной прочности производится распалубливание и бетонирование отверстий для пропуска тяжей подвески.

При выполнении работ следует строго соблюдать требования СНиП 3.03.01.87.

2.6. В качестве примера выполнения усиления балочного перекрытия в настоящей карте рассмотрен вариант со следующими параметрами (см. рис. 8). На указанные в примере объемы рассчитаны калькуляции затрат труда и разработаны графики производства работ для различных конструктивных схем и способов производства работ.

2.7. При привязке технологической карты, в случае отличия параметров конструктивных элементов и применяемой техники от указанных в примере, необходимо произвести перерасчет путем замены значений факторов, приведенных в разделе 9 «Фасетный классификатор факторов».

Рис. 8

1,1' - устройство обоймы и наращивание второстепенных балок; 2,2' - то же, основных балок


3. ТРЕБОВАНИЯ К КАЧЕСТВУ И ПРИЕМКЕ РАБОТ

Таблица 2

Наименование процессов, подлежащих контролю

Предмет контроля

Инструмент и способ контроля

Время контроля

Ответственный за контроль

Технические критерии оценки качества

1. Очистка поверхности конструкций

Удаление с поверхности конструкций штукатурки, набелов, грязи, масляных пятен и т.п.

Визуально

До установки арматуры

Мастер, прораб

Отсутствие на бетонной поверхности набела, грязи, масляных пятен и т.п.

2. Насечка или скалывание бетона, очистка арматуры

Равномерность насечки поверхности. Удаление отслоений, очистка поверхности арматуры от остатков отколотого бетона, мусора и пыли

Молоток, визуально

То же

То же

Отсутствие расслоений бетона, отсутствие на поверхности арматуры продуктов коррозии, пыли и остатков бетона

3. Установка арматурных каркасов

Правильность установки арматурных стержней относительно проектных размеров

Стальной метр, инструментально

До установки опалубки

-"-

Смещение арматурных стержней от проектных размеров не более 1/4 диаметра. Отклонение от проектной толщины защитного слоя бетона не более 5 мм

4. Установка опалубки

Правильность установки опалубки, надежность ее крепления, уплотнение стыков и сопряжений

Стальной метр

Инструментально и визуально

До начала бетонирования

-"-

Отклонение расстояний между опорными конструкциями от проектных не более 75 мм. Смещение осей опалубки относительно проектных не более 10 мм

5. Укладка бетонной смеси

Качество уплотнения бетонной смеси

Визуально

В процессе бетонирования

Бригадир, мастер

Прекращение осадки бетонной смеси

6. Торкретирование

Гранулометрический состав и влажность заполнителей

Отбор проб

До приготовления рабочей смеси

Строительная лаборатория

Максимальная крупность зерен заполнителя не более 5 ¸ 8 мм. Влажность в пределах 2 - 8 %

Правильность приготовления сухой смеси

То же

В процессе приготовления

Мастер, строительная лаборатория

Соблюдение процентного содержания компонентов смеси. Срок хранения приготовленной смеси не более 3 часов

Толщина наносимых слоев

Визуально

В процессе торкретирования

Мастер, бригадир

Соблюдение толщины слоя, заданного проектом

7. Выдержка и уход за бетоном

Температурно-влажностный режим твердения бетона

термометр, инструментально и визуально

До набора прочности, указанной в проекте

Мастер, прораб

Соблюдение сроков выдержки и температурно-влажностного режима, указанного в проекте производства работ

8. Качество бетона

Физико-механические свойства бетона (торкрета)

Отбор образцов и их испытание

В процессе торкретирования

Строительная лаборатория

Соответствие прочностных характеристик бетона проектным

4. КАЛЬКУЛЯЦИИ ЗАТРАТ ТРУДА, МАШИННОГО ВРЕМЕНИ И ЗАРАБОТНОЙ ПЛАТЫ

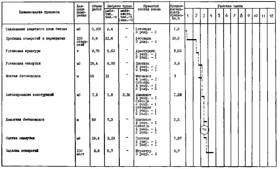
4.1. ПОДАЧА БЕТОННОЙ СМЕСИ ЛЕНТОЧНЫМИ ТРАНСПОРТЕРАМИ

Таблица 3

Наименование процессов

Номер фасет для пересчета показателей

Единица измерения

Объем работ

Обоснование (ЕНиР и др. нормы)

Норма времени

Расценка, р.-к.

Затраты труда

Заработная плата, р.-к.

Время пребывания на объекте, маш.-ч

Заработная плата машиниста с учетом пребывания машины на объекте, р.-к.

рабочих, чел.-ч

машиниста, чел.-ч (маш.-ч)

рабочих

машиниста

рабочих, чел.-ч

машиниста, чел.-ч (маш.-ч)

рабочих

машиниста

Очистка бетонных поверхностей

-

100 м2

0,336***

§ Е20-1-176 п. 2а

9

-

6-71

-

3,02

-

2-25

-

-

-

Насечка бетонных поверхностей

-

100 м2

0,336***

§ Е8-1-1 Табл. 2 п. в

36,5

-

25-55

-

12,26

-

8-58

-

-

-

Скалывание защитного слоя бетона с оголением арматуры

-

м3

0,392***

§ Е20-1-44 п. применительно

6,1

-

4-27

-

2,4

-

1-67

-

-

-

Пробивка сквозных отверстий в плитах перекрытий отбойным молотком при глубине до 100 мм и размере стороны 50 мм

01, 08

100 отв.

0,4

§ Е20-1-214 Табл. 1 п. 3в

22,5

-

15-75

-

9

-

6-30

-

-

-

То же, 100 мм

То же

1,2*

0,3**

То же, п. 5в

37

-

25-90

-

44,4

11,1

-

-

31-08

7-77

-

-

-

То же, 150 мм

"

0,2

п. 6в

63

-

44-10

-

12,6

-

8-82

-

-

-

Установка арматурных сеток и каркасов массой до 50 кг

02

1 сетка

15***

§ Е4-1-44 Табл. 2 п. б

0,24

-

0-15,8

-

3,6

-

2-37

-

-

-

Установка отдельных арматурных стержней с приваркой к существующей арматуре

06

т

0,75***

§ Е4-1-46 п. 3д К = 0,75

7,5

-

5-81

-

5,65

-

4-35

-

-

-

Установка опалубки из отдельных щитов

04

м2

16,8***

§ Е4-1-34 Табл. 4 п. 1ж

0,23

-

0-16,4

-

3,86

-

2-75

-

-

-

16,8***

То же, К = 1,22

0,28

-

0-20

-

4,70

-

3-36

-

-

-

18,4***

     "       К = 1,65

0,38

-

0-27

-

6,99

-

4-98

-

-

-

Разборка опалубки

10

м2

16,8***

§ Е4-1-34 Табл. 4 п. 1з

0,1

-

0-06,7

-

1,68

-

1-12

-

-

-

16,8***

То же, К = 1,3

0,13

-

0-08,7

-

2,18

-

1-46

-

-

-

18,4***

     "       К = 1,7

0,17

-

0-11,4

-

3,13

-

2-09

-

-

-

Прием бетонной смеси из кузова самосвала

-

м3

5,3***

§ Е4-1-48 Табл. 3

0,11

-

0-07

-

0,58

-

0-37

-

-

-

1,6***

0,17

-

0-11

-

-

-

Монтаж и демонтаж секций транспортеров

-

1 т

2,4

§ Е28-1-1 Табл. 2 п. а (Применительно)

18

-

14-40

-

43,2

-

34-56

-

-

-

Подача бетонной смеси ленточными транспортерами

-

100 м3

0,053***

§ Е1-18 Табл. 2 п. 10аб

17

8,5

10-03

5-44

0,90

0,45

0-53

0-29

-

-

0,016***

0,27

0,136

0-16

0-08

-

-

Укладка бетонной смеси в конструкции

03

1 м3

2,65***

§ Е4-1-49 Табл. 2 п. 8

1,1

-

0-78,7

 

2,92

 

2-08

-

-

-

2,65***

То же, К = 1,27

0,89

-

1-00

-

3,70

 

2-65

-

-

-

1,6***

     "       К = 0,81

0-70

-

1,42

1-12

-

-

-

Заделка отверстий в железобетонных перекрытиях

-

100 мест

0,4***

§ Е8-1-5 Табл. 2 п.

14,5

-

10-15

-

5,8

 

4-06

-

-

-

0,6***

8,7

6-09

-

-

-

Итого: на ячейку

*

**

***

154,85

121,55

93,66

112-63

89-31

70-33

 

на 1 м3 железобетона усиления

*

**

***

29,21

22,93

58,53

21-25

16-85

43-95

Примечание. Только для: * - первой конструктивной схемы

** - второй конструктивной схемы

*** - третьей конструктивной схемы

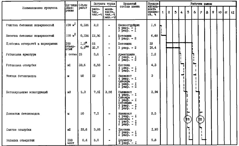
4.2. ПОДАЧА БЕТОННОЙ СМЕСИ БЕТОНОНАСОСАМИ И ПНЕВМОНАГНЕТАТЕЛЯМИ

Таблица 4

Наименование процессов

Номер фасет для пересчета показателей

Единица измерения

Объем работ

Обоснование (ЕНиР и др. нормы)

Нормы времени

Расценка, р.-к.

Затраты труда

Заработная плата, р.-к.

Время пребывания машины на объекте, маш.-ч

Заработная плата машиниста с учетом пребывания машины на объекте, р.-к.

рабочих, чел.-ч

машиниста, чел.-ч (маш.-ч)

рабочих

машиниста

рабочих, чел.-ч

машиниста, чел.-ч (маш.-ч)

рабочих

машиниста

Очистка бетонных поверхностей с помощью пескоструйного аппарата

-

100 м2

0,336***

§ Е20-1-176 п. 2а

9

-

6-71

-

3,02

-

2-25

-

-

-

Насечка бетонных поверхностей

-

100 м2

0,336***

§ Е8-1-1 Табл. 2 п. в

36,5

-

25-55

-

12,26

-

8-58

-

-

-

Скалывание защитного слоя бетона с оголением арматуры

-

м3

0,392***

§ Е20-1-44 п. применительно

6,1

-

4-27

-

2,4

-

1-67

-

-

-

Пробивка сквозных отверстий в плитах перекрытий отбойным молотком при глубине до 100 мм и размере стороны 50 мм

01, 08

100 отверстий

0,4

§ Е20-1-214 Табл. 1 п. 3в

22,5

-

15-75

-

9

-

6-30

-

-

-

То же, 100 мм

То же

1,2*

0,3**

То же, п. 5в

      "

37

-

25-90

-

44,4

11,1

-

-

31-08

7-77

-

-

-

-

-

-

     "       150 мм

"

0,2

      "       п. 6в

63

-

44-10

-

12,6

-

8-82

-

-

-

Установка арматурных сеток и каркасов массой до 50 кг

02

1 сетка

15***

§ Е4-1-44 Табл. 2 п. б

0,24

-

0-15,8

-

3,6

-

2-37

-

-

-

Установка отдельных арматурных стержней с приваркой к существующей арматуре

06

т

0,75***

§ Е4-1-46 п. 3д

К = 0,75

7,5

-

5-81

-

5,65

-

4-35

-

-

-

Установка опалубки из отдельных щитов

04

м2

16,8***

§ Е4-1-34 Табл. 4 п.

0,23

-

0-16,4

-

3,86

-

2-75

-

-

-

16,8***

То же, К = 0,22

0,28

-

0-20

-

4,70

-

3-36

-

-

-

18,4***

      "       К = 1,65

0,38

-

0-27

-

6,99

-

4-98

-

-

-

Разборка опалубки

10

м3

16,8***

§ Е4-1-34 Табл. 4 п. 1з

0,1

-

0-06,7

-

1,68

-

1-12

-

-

-

16,8***

То же, К = 1,3

0,13

-

0-08,7

-

2,18

-

1-46

-

-

-

18,4***

     "         К = 1,7

0,17

-

0-11,4

-

3,13

-

2-09

-

-

-

Прием бетонной смеси из кузова автобетоносмесителя

-

м3

5,3***

Е4-1-48

0,11

-

0-07

-

0,58

-

0-37

-

-

-

1,6***

Табл. 3

 

 

 

 

0,17

-

0-11

-

-

-

Монтаж бетоноводов: горизонтальных, вертикальных

-

м

40

§ Е4-1-48 Табл. 2 п. 2а

0,21

-

0-15

-

8,4

-

6-00

-

-

-

м

10

То же, п. 6а

0,36

-

0-25,7

-

3,6

-

2-57

-

-

-

Демонтаж бетоноводов:

 

 

 

 

 

 

 

 

 

 

 

 

 

 

горизонтальных

-

м

40

     "    п. 7а

0,13

-

0-09,3

-

5,2

-

3-72

-

-

-

вертикальных

м

10

     "    п. 8а

0,21

-

0-15

-

2,1

-

1-50

-

-

-

Подача бетонной смеси

-

100 м3

0,053***

0,016***

§ Е4-1-48 Табл. 5 п. ?

13,5

13,5

8-64

10-66

0,71

0,21

0,71

0,21

0-46

0-14

0-56

0-17

-

-

-

-

Очистка бетоноводов

-

100 м3

0,50

§ Е4-1-48 Табл. 6

 

6,3

 

4-66

 

3,15

 

2-33

-

-

Укладка бетонной смеси в конструкции

03

м3

2,65***

§ Е4-1-49 Табл. 2, п. 8

1,1

-

0-78,7

-

2,92

-

2-08

-

-

-

2,65***

То же, К = 1,27

1,397

-

1-00

-

3,70

-

2-65

-

-

-

1,6***

      "        К = 0,81

0,89

-

0-70

-

1,42

-

1-12

-

-

-

Заделка отверстий в железобетонных перекрытиях

-

100 мест

0,4***

§ Е8-1-5 Табл. 2 п. 4б

14,5

-

10-15

-

5,8

-

4-06

-

-

-

0,6***

 

 

 

 

 

8,7

-

6-09

-

-

-

Итого: на ячейку

*

**

***

134,17

100,87

72,93

94-39

71-08

51-96

 

на 1 м3 железобетона усиления

*

**

***

25,31

19,03

45,58

17-81

13-41

32-48

Примечание. Только для: * - первой конструктивной схемы;

** - второй конструктивной схемы;

*** - третьей конструктивной схемы.

4.3. УСИЛЕНИЕ КОНСТРУКЦИЙ ПО ТЕХНОЛОГИИ ТОРКРЕТИРОВАНИЯ

Таблица 5

Наименование процессов

Номер фасет для пересчета показателей

Единица измерения

Объем работ

Обоснование (ЕНиР и др. нормы)

Норма времени

Расценка, р.-к.

Затраты труда

Заработная плата, р.-к.

Время пребывания машины на объекте, маш.-ч

Заработная плата машиниста с учетом пребывания машины на объекте, р.-к.

 

рабочих, чел.-ч

машиниста, чел.-ч (маш.-ч)

рабочих

машиниста

рабочих, чел.-ч

машиниста, чел.-ч (маш.-ч)

рабочих

машиниста

 

Очистка бетонных поверхностей

-

100 м2

0,336***

§ Е20-1-176 п. 2а

9

-

6-71

-

3,02

-

2-25

-

-

-

 

Насечка бетонных поверхностей

-

100 м2

0,336***

§ Е8-1-1 табл. 2 п. В

36,5

-

25-55

-

12,26

-

8-58

-

-

-

 

Скалывание защитного слоя бетона с оголением арматуры

-

м3

0,392***

§ Е20-1-44 п. 1б применительно

6,1

-

4-27

-

2,4

-

1-67

-

-

-

 

Пробивка сквозных отверстий в плитах перекрытий отбойным молотком при глубине до 100 мм и размере стороны 50 мм

То же, 100 мм

01, 08

100 отверстий

0,4

1,2*

0,3**

§ Е20-1-214 Табл. 1 п. 3в

То же, п. 5в

"

22,5

37

-

-

15-75

25-90

-

-

9

44,4

11,1

-

-

-

6-30

31-08

?

-

-

-

-

-

-

-

-

-

 

Установка арматурных сеток и каркасов

02

1 сетка

15***

§ Е4-1-44 Табл. 2 п. б

0,24

-

0-15,8

-

3,6

-

2-37

-

-

-

 

Установка отдельных арматурных стержней с приваркой их к существующей арматуре

06

т

0,75***

§ Е4-1-46 п. 3д

К = 0,75

7,5

-

5-81

-

5,65

-

4-35

-

-

-

 

Установка опалубки из отдельных щитов

04

м2

16,2***

12,96***

§ Е4-1-34 Табл. 4 п. 1ж

К = 1,65

0,38

-

0-27,4

-

6,15

4,92

-

-

4-44

3-55

-

-

-

-

-

-

 

Разборка опалубки

10

м2

16,2***

12,96***

То же, п.

0,17

-

0-11,4

-

2,75

2,2

-

-

1-84

1-48

-

-

-

-

-

-

 

Торкретирование поверхности слоем 20 мм

09

100 м2

2,7*

2,6**

0,8***

§ Е8-1-12 п. 1

К = 1,5

33,75

11,25

25-65

8-89,5

91,12

87,75

27

30,38

29,25

9

69-25

66-69

20-52

24-01

23-13

7-12

30,38

28,25

9

24-01

23-13

7-12

 

Заделка отверстий в железобетонных перекрытиях

-

100 мест

04

§ Е8-1-5 Табл. 2 п.

14,5

-

10-15

-

5,8

-

4-06

-

-

-

 

Итого: на ячейку

*

**

***

208,48

170,68

165,97

154-18

127-43

49-05

 

*

**

***

39,33

32,20

41,23

57-10

49-01

30-65

на 1 м3 железобетона усиления

Примечание. ТП - технологический перерыв;

* - первая конструктивная схема;

** - вторая конструктивная схема.

 

5. ГРАФИКИ ПРОИЗВОДСТВА РАБОТ

5.1. УСИЛЕНИЕ БАЛОЧНОЙ КЛЕТКИ ПО I и II КОНСТРУКТИВНОЙ СХЕМЕ С ПРИМЕНЕНИЕМ ЛЕНТОЧНЫХ ТРАНСПОРТЕРОВ

Таблица 6

Примечание. ТП - технологический перерыв;

* - первая конструктивная схема;

** - вторая конструктивная схема.

5.2. УСИЛЕНИЕ БАЛОЧНОЙ КЛЕТКИ ПО КОНСТРУКТИВНОЙ СХЕМЕ С ПРИМЕНЕНИЕМ ЛЕНТОЧНЫХ ТРАНСПОРТЕРОВ

Таблица 7

Примечание. ТП - технологический перерыв.

5.3. УСИЛЕНИЕ БАЛОЧНОЙ КЛЕТКИ ПО I и II КОНСТРУКТИВНОЙ СХЕМЕ ПРИ ПОДАЧЕ БЕТОННОЙ СМЕСИ БЕТОНОНАСОСАМИ И ПНЕВМОНАГНЕТАТЕЛЯМИ

Таблица 8

Примечание. ТП - технологический перерыв;

* - первая конструктивная схема;

** - вторая конструктивная схема.

5.4. УСИЛЕНИЕ БАЛОЧНОЙ МЕТКИ ПО III КОНСТРУКТИВНОЙ СХЕМЕ ПРИ ПОДАЧЕ БЕТОННОЙ СМЕСИ БЕТОНОНАСОСАМИ И ПНЕВМОНАГНЕТАТЕЛЯМИ

Таблица 9

Примечание. ТП - технологический перерыв.

5.5. УСИЛЕНИЕ БАЛОЧНОЙ КЛЕТКИ СПОСОБОМ ТОРКРЕТИРОВАНИЯ ПО I И II КОНСТРУКТИВНОЙ СХЕМЕ

Таблица 10

Примечание. ТП - технологический перерыв;

* - первая конструктивная схема;

** - вторая конструктивная схема.

5.6. УСИЛЕНИЕ БАЛОЧНОЙ КЛЕТКИ СПОСОБОМ ТОРКРЕТИРОВАНИЯ ПО III КОНСТРУКТИВНОЙ СХЕМЕ

Таблица 11

Примечание. ТП - технологический перерыв.


6. МАТЕРИАЛЬНО-ТЕХНИЧЕСКИЕ РЕСУРСЫ

Потребность в инструменте, инвентаре и приспособлениях приведена в табл. 12.

Таблица 12

Наименование

Марка, техническая характеристика, ГОСТ, № чертежа

Количество по вариантам

Назначение

1

2

3

4

Самоходный ленточный бетоноукладчик

ЛБУ-20

СБ-131

1

-

-

-

Подача бетонной смеси внутрь здания

Ленточный конвейер

ТК-13

ТК-14

ТК-11

ТК-17

ТК-18

х

х

х

х

х

-

-

-

Транспортировка бетонной смеси внутри здания к месту применения

Бетононасос

СБ-165

СБ-95

СБ-126

С-296

АБН-60

-

1

-

-

Подача бетонной смеси к месту применения

Установка для торкретирования

СБ-117

СБ-67

-

-

-

1

Приготовление и нанесение торкрета

Компрессор

ДК-

ПК-10

ПР-10М

1

1

1

1

Обеспечение работ сжатым воздухом

Пневмонагнетательная установка

СО-165

СО-126

-

-

1

-

Подача бетонной смеси к месту применения

Автобетоносмеситель

С-942

С-1036

СБ-92

-

2

2

-

Транспортировка бетонной смеси на объект

Автобетоновоз

 

2

-

-

-

То же

Механический манипулятор

Разработчик ЦНИИОМТП

-

1

-

-

Распределение бетонной смеси

Стрела распределительная

СБ-136

-

1

-

-

То же

Отбойный молоток

МО-5

МО-6

МО-7

4

4

4

4

Пробивание отверстий в перекрытии

ИЭ-4211**

2

2

2

2

 

(Станок для сверления отверстий в железобетоне)

Э-1805)

1

1

1

1

То же, сверление

Нормокомплект инструмента для выполнения арматурных работ

По каталогам ВНИПИ труда в строительстве

1

1

1

1

Производство работ

Нормокомплект инструмента для выполнения опалубочных работ

То же

1

1

1

1

То же

Нормокомплект инструмента для выполнения бетонных работ

"

1

1

1

1

"

Леса трубчатые

ГОСТ 27321-87

 

 

 

 

Средства подмащивания

Опалубка инвентарная металлическая

«Монолит-72»

 

 

 

 

Производство работ

Стенд для сборки опалубки и армокаркасов

Индивидуальный проект по аналогам

1

1

1

1

То же

Примечание. Примененная техника принята по номенклатурным каталогам Минстройдормаша, ЦНИИОМТП и др.

* Количество принимается исходя из дальности транспортировки бетонной смеси.

** При использовании электроинструмента.

Потребность в материалах и полуфабрикатах для выполнения работ

Таблица 13

Наименование материала, полуфабриката, конструкции (марка, ГОСТ)

Вариант (фасет-код)

Исходные данные

Потребность в материале

единица измерения

объем работ в норматив. единицах

принятая норма расхода материала

Бетон конструкционный по ГОСТ 25192-82

-

м3

5,3***

1,6***

1,015

5,38***

1,62***

Арматура стержневая горячекатаная периодического профиля по ГОСТ 5781-82

-

кг

750

1,03

772 кг

Электроды Э42

-

1 м шва

3,8

3,94

15 кг

7. ТЕХНИКА БЕЗОПАСНОСТИ

При производстве работ строго следовать требованиям СНиП III-4-80 «Техника безопасности в строительстве».

Леса должны соответствовать требованиям ГОСТ 12.2.012-75, ГОСТ 24259-80, ГОСТ 24258-80. Устойчивость лесов должна быть обеспечена устройством подкосов и растяжек, схема расположения которых должна быть указана в проекте производства работ. Леса высотой до 4 м подлежат приемке прорабом или мастером с регистрацией в журнале производства работ, а выше 4 м - специальной комиссией с оформлением соответствующего акта.

При выполнении отдельных видов работ необходимо соблюдать требования типовых инструкций по охране труда для рабочих строительных специальностей.

К управлению строительными механизмами и агрегатами могут быть допущены лица, прошедшие специальное обучение работе на данном виде техники и имеющие соответствующие удостоверения.

При производстве работ в закрытых помещениях следует отдавать предпочтение машинам с электроприводом. При работе с электрифицированным инструментом необходимо постоянно следить за исправностью защитных кожухов и заземления.

При выполнении работ в условиях действующего производства комплекс мероприятий по технике безопасности должен разрабатываться совместно с администрацией данного предприятия и учитывать взаимовлияние действующего производства и строительно-монтажных работ.

8. ТЕХНИКО-ЭКОНОМИЧЕСКИЕ ПОКАЗАТЕЛИ НА ЯЧЕЙКУ ПЕРЕКРЫТИЯ

Нормативные затраты труда рабочих, чел.-ч                                      178,1

Нормативные затраты машинного времени, маш.-ч                          30,38

Заработная плата рабочих, р.-к                                                            130-17

Заработная плата механизаторов, р.-к                                                 24-01

Продолжительность выполнения работ, смена                                  8

Выработка на одного рабочего в смену, м3                                         0,2

Условные затраты на механизацию, р.-к                                            54-38

Сумма изменяемых затрат, р.-к                                                            208-56

Примечание. Технико-экономические показатели приведены исходя из варианта усиления по технологии торкретирования для первой конструктивной схемы.

9. ФАСЕТНЫЙ КЛАССИФИКАТОР ФАКТОРОВ

ФАСЕТ 01

Пробивка отверстий в плите перекрытия

Наименование фактора

Обоснование

Код

Значение фактора

При глубине пробивки до 100 мм

§ Е-20-1-214 Табл. 1

1

По калькуляции

Более 100 мм

То же

2

На каждые 10 мм увеличения глубины Н.вр и Расц. увеличивать на 10 %

ФАСЕТ 02

Установка арматурных сеток и каркасов

Наименование фактора

Обоснование

Код

Значение фактора

Масса сеток или каркасов, кг, до:

20

§ Е4-1-44. Табл. 2

1

Н.вр. и Расц. умножать на 0,71

50

То же

2

По калькуляции

100

"

3

Н.вр. и Расц. умножать на 1,5

ФАСЕТ 03

Укладка бетонной смеси в конструкции

Наименование фактора

Обоснование

Код

Значение фактора

Балки и ригели при ширине, мм, до:

150

§ Е4-1-49 Табл. 2

1

Н.вр. и Расц. умножать на 1,27

250

То же

2

По калькуляции

Более 250

"

3

Нр. и Расц. умножать на 0,81

ФАСЕТ 04

Установка опалубки балок и ригелей

Наименование фактора

Обоснование

Код

Значение фактора

Высота балок, мм, до:

300

§ Е4-1-34

1

Н.вр. и Расц. умножать на 1,65

500

То же

2

Н.вр. и Расц. умножать на 1,22

Свыше 500

"

3

По калькуляции

ФАСЕТ 05

Демонтаж опалубки балок и ригелей

Наименование фактора

Обоснование

Код

Значение фактора

Высота балок, мм, до:

300

§ Е4-1-34 Табл. 4

1

Н.вр. и Расц. умножать на 1,7

500

То же

2

Н.вр. и Расц. умножать на 1,3

Свыше 500

"

3

По калькуляции

ФАСЕТ 06

Установка арматуры отдельными стержнями

Наименование фактора

Обоснование

Код

Значение фактора

При диаметре арматуры, мм, до:

§ Е4-1-46

 

Н.вр. и Расц. умножать на:

6

То же

1

2,8

8

"

2

2,25

12

"

3

1,85

18

"

4

1,4

26

"

5

По калькуляции

Более 26

"

6

0,67

ФАСЕТ 08

Сверление вертикальных отверстий в железобетоне

Наименование фактора

Обоснование

Код

Значение фактора

Диаметр сверла, мм

50

§ Е4-1-55 Табл. 3

1

Н.вр. умножать на 1,91 Расц. на 2,03

100

Тоже

2

Н.вр. умножать на 1,38 Расц. на 1,46

150

"

3

Н.вр. умножать на 1,02 Расц. на 1,08

ФАСЕТ 09

Торкретирование поверхности слоем толщиной 20 мм

Наименование фактора

Обоснование

Код

Значение фактора

Производительность цемент-пушки, м3

1,5

§ Е8-1-12

1

По калькуляции

2

То же

2

Н.вр. и расценку для машинистов умножать на 0,68;

для штукатуров

Н.вр. умножать на 0,91

Расц. умножать на 0,875

ФАСЕТ 10

Разборка опалубки балок и ригелей

Наименование фактора

Обоснование

Код

Значение фактора

Высота балок, мм, до:

300

§ Е4-1-34

1

Н.вр. и Расц. умножать на 1,7

500

То же

2

Н.вр. и Расц. умножать на 1,3

Свыше 500

"

3

По калькуляции

СОДЕРЖАНИЕ

 

 




ГОСТЫ, СТРОИТЕЛЬНЫЕ и ТЕХНИЧЕСКИЕ НОРМАТИВЫ.
Некоммерческая онлайн система, содержащая все Российские Госты, национальные Стандарты и нормативы.
В Системе содержится более 150000 файлов нормативно-технической документации, действующей на территории РФ.
Система предназначена для широкого круга инженерно-технических специалистов.

Рейтинг@Mail.ru Яндекс цитирования

Copyright © www.gostrf.com, 2008 - 2026