Крупнейшая бесплатная информационно-справочная система онлайн доступа к полному собранию технических нормативно-правовых актов РФ. Огромная база технических нормативов (более 150 тысяч документов) и полное собрание национальных стандартов, аутентичное официальной базе Госстандарта. GOSTRF.com - это более 1 Терабайта бесплатной технической информации для всех пользователей интернета. Все электронные копии представленных здесь документов могут распространяться без каких-либо ограничений. Поощряется распространение информации с этого сайта на любых других ресурсах. Каждый человек имеет право на неограниченный доступ к этим документам! Каждый человек имеет право на знание требований, изложенных в данных нормативно-правовых актах!

  


 

Министерство связи
РоссийскОй федерации

Система автоматизированной
телефонной связи общего пользова
ния

ТРЕБОВАНИЯ ПО УСТАНОВКЕ
ЭХОПОДАВ
ЛЯЮЩИХ УСТРОЙСТВ

Руководящий документ

Утв. Министерством связи
Российской Федерации
05.02.97 г.

Москва 1997

Введение.

Настоящий документ является частью Руководящего документа по Системе автоматизированной телефонной связи общего пользования и включает требования, связанные с обеспечением функции защиты телефонных разговоров от мешающего воздействия эффекта электрического эха в соединениях с большим временем распространения сигнала.

Функция защиты телефонных разговоров от мешающего воздействия эффекта электрического эха и ее поддержка на сети связи имеет ряд аспектов, обуславливающих выдвижение целого ряда требований как к оборудованию эхоподавляющих устройств и коммутационных станций, так и к принципам их взаимодействия.

Соблюдение этих требований, изложенных в настоящем Руководящем Документе, гарантирует выполнение национальных и международных требований к качеству телефонной передачи с точки зрения подавления мешающего воздействия эффекта электрического эха и является обязательным для выполнения всеми операторами связи, работающими на ВСС РФ.

Выполнение проектных работ без учета настоящих требований не допускается.

Одним из наиболее важных аспектов защиты телефонных разговоров от мешающего воздействия эффекта электрического эха является выбор типа эхоподавляющего устройства. Главным критерием выбора должно являться качество передачи, обеспечиваемое в заданных условиях эксплуатации эхоподавляющего устройства на сети с учетом влияния всех значимых факторов. Многообразие серийно выпускаемых эхоподавляющих устройств определяет задачу выбора типа как оптимизационную по экономическим показателям при условии обеспечения требуемого качества телефонной передачи.

С проблемой обеспечения требуемого качества передачи тесно связаны задача определения необходимости включения эхоподавляющих устройств в соединения и задача размещения эхоподавляющих устройств на сети.

Размещение эхоподавляющих устройств на сети связи должно преследовать цель обеспечения минимальных затрат при соблюдении двух непременных условий:

I. Удаленность точки включения эхоподавляющего устройства в телефонный канал от оконечной дифференциальной системы и от ближнего абонента не должна превышать установленного в технических условиях на эхоподавляющее устройство значения.

II. При каждом соединении в каждый телефонный канал должно включаться либо два полукомплекта эхоподавляющих устройств (по одному на каждом конце канала), либо один полный комплект полнофункционального эхоподавляющего устройства, рассчитанный на полное подавление эха в канале. Все промежуточные эхоподавляющие устройства заграждающего типа (в случае их наличия) должны быть выключены (нейтрализованы). Вероятность нарушения этого условия не должна превышать 1 %.

Функция определения необходимости включения эхоподавляющих устройств в телефонное соединение, также как и функция включения/выключения эхоподавляющих устройств, должны поддерживаться техническими средствами коммутационных станций. Эти две функции входят в задачу управления эхоподавляющими устройствами на сети.

Решение о включении в канал эхоподавляющих устройств или выключении имеющихся должно выноситься оконечной или транзитной коммутационной станцией на основании анализа протяженности соединения. Для управления эхоподавляющими устройствами при взаимодействии станций должны формироваться и передаваться между станциями специальные сигналы управления.

Эхоподавляющие устройства могут использоваться как с индивидуальным закреплением для каждого канала, так и с групповым закреплением, обеспечивающим автоматическое включение в канал по требованию.

Индивидуальное закрепление эхоподавляющих устройств за каналом должно использоваться на каналах прямых путей и может использоваться на каналах обходных направлений. При этом должна быть обеспечена такая схема включения или система управления, которая обеспечивала бы беспрепятственный обмен сигналами управления по каналу, включая линейные и регистровые сигналы и сигналы контроля целостности канала, либо применено эхоподавляющее устройство, поддерживающее функцию трансляции этих сигналов.

Групповое закрепление эхоподавляющих устройств может быть использовано на каналах обходных направлений при технико-экономической целесообразности. При определении целесообразности использования группового закрепления эхоподавляющих устройств должны быть приняты во внимание два фактора:

- с одной стороны, групповое закрепление снижает общую потребность в эхоподавляющих устройствах за счет повышения эффективности их использования;

- с другой стороны, каждое эхоподавляющее устройство, включенное по групповому способу закрепления, снижает полезную емкость коммутационной станции на 2 порта.

Выполнение предлагаемых требований определяет обязательную общую потребность в оборудовании эхоподавляющих устройств для каждой коммутационной станции.

Список использованных сокращений:

ЭП - эхоподавляющее устройство;

ОКС № 7 - система сигнализации МККТТ7;

1VF - одночастотная система сигнализации;

ПП - прямые пути прохождения вызовов;

ОПП - обходные пути прохождения вызовов;

ППВ - путь последнего выбора;

ЧНН - час наибольшей нагрузки;

АМТС - автоматическая междугородная телефонная станция, оконечная;

ОТО - оконечно-транзитная станция;

УАК - узел автоматической коммутации;

ЭЗ - эхозаградитель;

ЭК - эхокомпенсатор;

канал ТЧ - канал тональной частоты;

ЦСП - цифровые системы передачи;

ИСЗ - искусственные спутники Земли;

ДС - оконечная дифференциальная система телефонного канала;

ЦСИО - цифровая сеть интегрального обслеживания.

1. Типы ЭП, допустимые к применению на ВСС РФ.

1.1. Типы ЭП и их свойства.

На ВСС РФ допускается использование следующих типов ЭП:

1.1.1. Аналоговые полукомплекты ЭЗ, выполненные в соответствии с рекомендацией МККТТ G.161.

1.1.2. Полукомплекты ЭЗ с фиксированной дифференциальной чувствительностью, выполненные в соответствии с рекомендацией МККТТ G.164, предназначенные для включения в аналоговые каналы ТЧ (ЭЗ типов A, B и D рекомендации G.164).

1.1.3. Полукомплекты ЭЗ с фиксированной дифференциальной чувствительностью, выполненные в соответствии с рекомендацией МККТТ G.164, предназначенные для включения в цифровой поток (ЭЗ типа C рекомендации G.164).

1.1.4. Полукомплекты ЭЗ с адаптивной дифференциальной чувствительностью, выполненные в соответствии с рекомендацией МККТТ G.164, предназначенные для включения в аналоговые каналы ТЧ (ЭЗ типов A, B и D рекомендации G.164).

1.1.5. Полукомплекты ЭЗ с адаптивной дифференциальной чувствительностью, выполненные в соответствии с рекомендацией МККТТ G.164, предназначенные для включения в цифровой поток (ЭЗ типа C рекомендации G.164).

1.1.6. Полукомплекты ЭЗ с улучшенной динамикой, выполненные в соответствии с рекомендацией МККТТ G.164, предназначенные для включения в аналоговые каналы ТЧ (ЭЗ типов A, B и D рекомендации G.164).

1.1.7. Полукомплекты ЭЗ с улучшенной динамикой, выполненные в соответствии с рекомендацией МККТТ G.164, предназначенные для включения в цифровой поток (ЭЗ типа C рекомендации G.164).

1.1.8. Полнофункциональные (обеспечивающие защиту канала от мешающего воздействия эффекта электрического эха, возникающего на обоих концах канала, полнофункциональные комплекты) ЭЗ с адаптивной дифференциальной чувствительностью, выполненные в соответствии с рекомендацией МККТТ G.164, предназначенные для включения в цифровые потоки (ЭЗ типа C рекомендации G.164).

1.1.9. Полнофункциональные ЭЗ с улучшенной динамикой, выполненные в соответствии с рекомендацией МККТТ G.164, предназначенные для включения в аналоговые каналы ТЧ (ЭЗ типов A, B и D рекомендации С.164).

1.1.10. Полнофункциональные ЭЗ с улучшенной динамикой, выполненные в соответствии с рекомендацией МККТТ G.164, предназначенные для включения в цифровой поток (ЭЗ типа C рекомендации G.164).

1.1.11. Полукомплекты ЭК, выполненные в соответствии с рекомендацией МСЭ-Т G.165, предназначенные для включения в аналоговые каналы ТЧ (ЭК типов A и D рекомендации G.165).

1.1.12. Полукомплекты ЭК, выполненные в соответствии с рекомендацией МСЭ-Т G.165, предназначенные для включения в цифровые потоки (ЭК типа C рекомендации G.165).

1.1.13. Полнофункциональные ЭК, выполненные в соответствии с рекомендацией МСЭ-Т G.165, предназначенные для включения в цифровые потоки (ЭК типа C рекомендации G.165).

1.2. Требования к характеристикам ЭП, обеспечивающим совместимость с оборудованием ВСС.

1.2.1. ЭП, соответствующие пп. 1.1.1., 1.1.2., 1.1.4., 1.1.6, 1.1.9, 1.1.11., должны обеспечивать возможность включения в четырехпроводную часть аналоговых каналов ТЧ в точки со стандартным значением номинальных относительных уровней.

При включении в точки входа/выхода четырехпроводной части канала ТЧ номинальные значения относительных уровней сигнала должны иметь значения:

- в тракте передачи - минус 13 дБ,

- в тракте приема - плюс 4 дБ.

При включении в точки четырехпроводной коммутации номинальные значения относительных уровней сигнала должны иметь значение минус 3,5 дБ в обоих трактах.

1.2.2. Допускается в исключительных случаях включение ЭП в точки с нестандартными значениями номинальных относительных уровней, однако в этом случае включаемые ЭП должны быть рассчитаны на работу в соответствующих нестандартных режимах.

1.2.3. ЭП, соответствующие пп. 1.1.3., 1.1.5., 1.1.7., 1.1.8., 1.1.10., 1.1.12. и 1.1.13., должны обеспечивать возможности включения в стандартные первичные цифровые потоки Е1 по симметричной или коаксиальной схеме, соответствующей используемой в оборудовании коммутационной станции. Допускается использование разной структуры цепей (симметричной или коаксиальной) на линейной или станционной сторонах включения ЭП.

Номинальное значение сопротивления цепей ЭП при симметричной схеме включения в поток должно составить 120 Ом (нереактивное).

Номинальное значение сопротивления цепей ЭП при коаксиальной схеме включения в цифровой поток должно составить 75 Ом (нереактивное).

1.2.4. ЭП, соответствующие п. 1.2.3., должны быть рассчитаны на работу в цепях, сигналы в которых представлены в кодах HDB 3 (КВП-3) или AMI (ЧПИ) с возможностью выбора используемого кода.

1.2.5. ЭП, соответствующие п. 1.2.3., должны поддерживать стандартные процедуры по входу/выходу в синхронизм по циклу и сверхциклу.

1.2.6. ЭП, соответствующие п. 1.2.3., должны обеспечивать прозрачность по битам Si и Sa. Желательно, чтобы ЭП предоставляло возможность установки битов Si и Sa в логическую 1.

1.2.7. ЭП, соответствующие пп. 1.1.1. ¸ 1.1.13., могут иметь функциональное исполнение в виде составной части коммутационной станции. Если ЭП входит в состав коммутационной станции, то станция должна поддерживать все функции управления ЭП.

ЭП, рассчитанные на автономную работу, должны иметь входы управления. Управление по этим входам должно обеспечивать некомплектное выключение (принудительную нейтрализацию) ЭП. Характеристики интерфейса управления ЭП должны быть совместимы с характеристиками интерфейса управления коммутационной станции с учетом допустимой разницы потенциалов «земли» стойки ЭП и оборудования коммутационной станции.

1.2.8. Все ЭП, применяемые на ВСС, должны быть оборудованы системой нейтрализации по тональному сигналу. Сигнал тональной нейтрализации имеет частоту 2100 ± 15 Гц и уровень - в пределах от минус 6 до минус 18 дБмО.

Время установления режима нейтрализации ЭЗ должно лежать в пределах 300 ± 100 мс.

Время установления режима нейтрализации ЭК должно составлять 1 ± 0,1 с, причем за это время сигнал тональной нейтрализации должен содержать два поворота фазы на 180 ± 25° (поворот фазы - 1 раз в 450 ± 25 мс).

ЭП должен автоматически выходить из режима нейтрализации в случае отсутствия сигналов в канале в течение более 150 - 400 мс.

1.3. Требования к характеристикам ЭП, обеспечивающим совместимость с используемыми на ВСС системам сигнализации.

1.3.1. ЭП, включенные на пути распространения сигналов управления, должны быть выключены (независимо от вида ЭП и места его включения) на все время передачи управляющих сигналов.

1.3.2. Функция обеспечения бесперебойной передачи сигналов управления при использовании внутриканальной линейной сигнализации может быть реализована

- либо управлением со стороны станции по входам управления (п. 1.2.8.),

- либо применением ЭП, поддерживающих функцию ретрансляции сигналов управления данной системы сигнализации.

1.3.3. ЭП, соответствующие п. 1.2.3., должны обеспечивать работу в 30-канальном и 31-канальном режимах. При работе в 30-канальном режиме должна быть обеспечена либо прозрачность по канальному интервалу КИ16, либо функция трансляции системы сигнализации с формированием аварийных сигналов с возможностью выбора со стороны оператора.

При работе в 30-канальном режиме ЭП должно поддерживать управление включением/выключением каждого из канальных комплектов по биту «с» канального интервала КИ16 с возможностью выбора активного сигнала - логического нуля или логической единицы.

При работе в 30-канальном или в 31-канальном режимах ЭП должны обеспечивать возможность ручной или дистанционной гальванической нейтрализации функции эхоподавления в любом канальном интервале для передачи сигналов управления ОКС № 7.

1.4. Требования к выбору типа ЭП, используемых на ВСС РФ.

При выборе типа ЭП, предназначенного для конкретного применения на ВСС РФ, должны быть приняты во внимание следующие положения:

1.4.1. Потенциально наиболее высокое качество телефонной передачи по каналам, оборудованным ЭП, обеспечивает применение ЭК.

В то же время качество передачи по реальным каналам, оборудованным ЭК, в сильной степени зависит от внешних факторов, к основным из которых относятся:

- проскальзывание цикла в ЦСП;

- нелинейные процессы в эхотракте, включая квантование сигнала;

- сдвиг частот, вносимый оборудованием систем передачи в эхосигнал;

применение устройств обработки речи, например, интерполяторов и др.

Влияние указанных факторов может в значительной степени снизить качество телефонной передачи и сделать предпочтительным использование альтернативных видов ЭП.

1.4.2. Применение ЭК ограничивается тем, что ЭК, особенно входящие в состав коммутационных станций, часто разработаны с учетом сильно ограниченного допустимого разброса характеристик эхотрактов. Следует учитывать это ограничение при выборе типа ЭП и не допускать использования ЭК в неприемлемых для него условиях.

1.4.3. В широкополосных ИЦСС (B-ISDN) следует использовать только ЭК.

1.4.4. Применение ЭЗ п. 1.1.1. допускается при дооборудовании существующих направлений связи коммутационных станций, использующих аналогичное оборудование. Следует избегать применения ЭЗ этого типа на вновь строящихся объектах или при организации связи в новых направлениях.

1.4.5. Использование ЭЗ пп. 1.1.6., 1.1.7., 1.1.9., 1.1.10. обеспечивает потенциальное качество телефонной передачи очень близкое к обеспечиваемому ЭК, при этом качество значительно в меньшей степени зависит от характеристик экстрактов. Следует применять ЭЗ указанных типов вместо ЭК, если нет твердой уверенности в отсутствии значимого влияния факторов, перечисленных в п. 1.4.1.

1.4.6. Использование ЭЗ пп. 1.1.4., 1.1.5. и 1.1.8. обеспечивает несколько более низкое потенциальное качество телефонной передачи, чем ЭЗ п. 1.4.5., при этом качество оказывается несколько меньше подверженным влиянию такого фактора, как асимметрия затухания абонентских трактов. Использование ЭЗ этого типа предпочтительно на каналах, связывающих АМТС, показатели громкости которых в пределах зоны имеют устойчивое отличие более, чем на 6 дБ друг относительно друга (например, старую АМТС-1М и АМТС, являющуюся центром выделенной сети).

1.4.7. Применение ЭЗ пп. 1.1.2. и 1.1.3. обеспечивает несколько более низкое качество телефонной передачи по сравнению с ЭЗ п. 1.4.6., однако же значительно более высокое по сравнению с ЭЗ п. 1.1.1.

1.4.8. ЭП, соответствующие пп. 1.1.8., 1.1.9., 1.1.10. и 1.1.13., допустимо использовать в любых случаях вместо пар полукомплектов ЭП другого типа при технико-экономической целесообразности.

1.4.9. ЭП пп. 1.1.8., 1.1.9., 1.1.10. и 1.1.13. следует использовать в случаях, когда затруднено обеспечение включения в канал ЭП на одном из концов. К ситуациям, требующим применения ЭП данного типа, относятся организация связи в зоны стихийных бедствий, ведения боевых действий, а также связи с АМТС, не имеющих ЭП или не обеспечивающих возможности управления ЭП, и др.

2. Требования по включению ЭП в телефонные соединения.

2.1. Общие требования.

2.1.1. При междугородной и международной связи для обеспечения заданного качества телефонной передачи в каналы связи должны включаться ЭП, если время распространения сигналов по каналу в одном направлении превышает 50 мс, что соответствует суммарному расстоянию по трасе передачи сигнала между оконечными ДС, равному 8000 км.

На телефонной сети при связи между собой пары междугородных станций допускается вероятность невключения ЭП в соединение, протяженность которого превышает 8000 км, не более 1 %.

2.1.2. Включение ЭП может производиться как в АМТС, так и в УАК (ОТС).

2.1.3. При необходимости подавления эффекта электрического эха в каналах должны включаться либо два полукомплекта ЭП, соответствующие пп. 1.1.1. ¸ 1.1.7., 1.1.11., 1.1.12., либо один полный комплект ЭП, соответствующие пп. 1.1.8. ¸ 1.1.10., 1.1.13.

Полукомплекты ЭП должны включаться по возможности ближе к оконечным дифференциальным системам канала.

Удаленность точек включения полукомплектов ЭП в канал (тракт) от оконечных дифференциальных систем не должна превышать значения, указанного в технических условиях на ЭП. Для ЭЗ это значение составляет 1920 км, что соответствует рекомендованному МККТТ допустимому времени распространения сигнала в экстракте, равному 24 мс.

Полнофункциональные ЭП должны включаться в каналы (тракты) в соответствии с требованиями технических условий на ЭП - либо по возможности ближе к одной из оконечных дифференциальных систем, либо по возможности ближе к середине соединения.

2.1.4. Полукомплект ЭП по схеме включения в каналы (тракты) представляет собой восьмиполюстник, включаемый в разрыв четырехпроводной части канала (тракта), причем одна четверка зажимов ЭП включается в сторону оконечной дифференциальной системы («станционная сторона»), а другая - в сторону другого полукомплекта ЭП («линейная сторона»); при этом стороны не взаимозаменяемы.

Схема включения полукомплекта ЭП в канал (тракт) приведена на рис. 1.

2.1.5. Полнофункциональные комплекты ЭП, рассчитанные на включение в каналы (тракты) с одного конца, могут включаться на любом из концов канала (тракта), однако, аналогично полукомплектам ЭП, имеют невзаимозаменяемые линейную и станционную стороны.

Полнофункциональные ЭП, рассчитанные на включение в соединения по возможности ближе к его середине, могут обеспечивать взаимозаменяемость сторон включения, однако это свойство должно быть указано в технических условиях на ЭП.

2.1.6. При коммутации ЭП при всех видах соединений должно соблюдаться правильное включение линейной и станционной сторон ЭП.

2.1.7. ЭП могут включаться в оборудование АМТС и УАК по способу индивидуального закрепления за каналами или по групповому способу, обеспечивающему автоматическое подключение ЭП к каналу по требованию.

На пучках каналов ПП в АМТС применяется индивидуальный способ закрепления ЭП.

На пучках каналов ОПП и ППВ в АМТС и УАК (ОТС) может применяться как индивидуальный, так и групповой способы закрепления ЭП.

2.2. Индивидуальное закрепление ЭП за телефонными каналами (трактами).

2.2.1. Схема включения ЭП в аналоговый телефонный канал при индивидуальном способе закрепления приведена на рис. 1.

Номинальные значения относительных уровней сигнала в точках подключения ЭП должны составлять:

- минус 13 дБ в тракте передачи,

- плюс 4 дБ в тракте приема.

Допускается включение ЭП в точки, относительные уровни которых отличаются от указанных, однако при этом должны использоваться ЭП, допускающие плавную регулировку параметров, обеспечивающих правильную работу ЭП в нестандартных точках включения. Пределы регулировок указанных параметров должны соответствовать условиям предполагаемого включения.

2.2.2. Схема включения ЭП в цифровой поток при индивидуальном способе закрепления приведена на рис. 2.

2.2.3. Следует по возможности избегать включения ЭП на пути распространения сигналов управления и сигналов контроля целостности канала (в ОКС № 7).

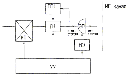
Если на пути распространения этих сигналов в канал включены ЭП, и если используемые ЭП не поддерживают функцию ретрансляции этих сигналов, то необходимо обеспечить управление всеми включенными ЭП с целью их выключения (нейтрализации) на все время передачи указанных сигналов согласно рис. 3.

Если применяемые ЭП поддерживают функцию ретрансляции сигналов управления и сигналов контроля целостности канала, то дополнительное управление ЭП со стороны коммутационной станции не используется и цепь управления ЭП не задействуется.

2.2.4. Если оборудование коммутационной станции поддерживает функцию управления ЭП по биту «с» канального интервала КИ16, то допускается в чисто цифровом соединении, использующем канальный интервал КИ16 для передачи сигналов управления, управлять выключением всех ЭП в соединении по состоянию этого бита вместо использования внешних управляющих цепей (цепи НЭ рис. 3 и рис. 4).

2.3. Групповое закрепление ЭП за телефонными каналами (трактами).

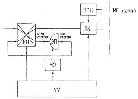
2.3.1. Групповой способ закрепления ЭП используется только на коммутационных станциях с программным управлением; при этом ЭП включается в порты коммутационного поля станции в соответствии с рис 4.

2.3.2. Номинальные значения относительных уровней сигнала в точках подключения ЭП, соответствующие п. 1.2.1., должны составлять минус 3,5 дБ в тракте передачи и тракте приема.

2.3.3. При необходимости включения ЭП, не поддерживающих функцию ретрансляции сигналов контроля целостности канала, в соединения, используемые в составе ОКС № 7 (в том числе и на промежуточном участке), необходимо обеспечить управление ЭП по внешним цепям с целью их выключения (нейтрализации) на время передачи сигналов контроля целостности.

2.3.4. Если АМТС, управляющая подачей в канал сигнала контроля целостности, поддерживает функцию управления ЭП по биту «с» канального интервала КИ16, то допускается в чисто цифровом соединении, использующем канальный интервал КИ16 для передачи сигналов управления, управлять включением (нейтрализацией) ЭП по состоянию этого бита вместо использования внешних управляющих цепей НЭ рис. 4.

2.3.5. При применении ЭП, поддерживающих функцию ретрансляции сигналов контроля целостности каналов, управление по внешним цепям НЭ рис. 4 не используется и цепь внешнего управления ЭП не задействуется.

3. Размещение ЭП на ВСС.

3.1. Общие требования к размещению.

3.1.1. Каналы, организованные через ИСЗ, оборудуются ЭП по способу индивидуального закрепления.

3.1.2. Каналы ПП между АМТС, протяженность организации связи по которым превышает 8000 км, оборудуются ЭП по способу индивидуального закрепления.

3.1.3. В исключительных случаях (длительное повреждение направления связи) допускается использование резервных обходных каналов без ЭП. При длительной эксплуатации (в течение многих часов) таких каналов в них, - если это требуется, - должны быть включены ЭП.

3.1.4. В случае, если оконечная АМТС соединяется с исходящей АМТС более, чем по одному направлению связи и если:

- хотя бы одно направление требует включения ЭП, а по крайней мере одно не требует;

- исходящая станция не в состоянии определить, какое из направлений обмена должно использоваться,

ЭП должны быть включены во всех случаях.

3.2. Размещение ЭП на станциях без программного управления.

3.2.1. В АМТС без программного управления ЭП должны включаться на исходящих и входящих пучках каналов ПП по способу индивидуального закрепления.

3.2.2. В исходящие и входящие каналы ОПП и ППВ на АМТС без программного управления ЭП включаются по способу индивидуального закрепления, если длина канала до УАК (ОТС) данного направления, имеющего в своем составе ЭП, превышает значение, установленное в технических условиях на данный ЭП. Для ЭЗ это значение составляет 1920 км.

3.2.4. На ОТС без программного управления ЭП должны включаться по способу индивидуального закрепления:

3.2.4.1. В исходящие каналы к оконечным АМТС и во входящие каналы от оконечных АМТС, если протяженность линий и каналов связи между ДС превышает 8000 км.

3.2.4.2. На направлениях к ОТС - в исходящие и входящие каналы, если протяженность линий и каналов связи между ДС превышает 4000 км.

3.2.4.3. На направлениях к УАК - в исходящие и входящие каналы, у которых протяженность линий и каналов связи между ДС превышает 1920 км.

3.3. Размещение ЭП на станциях с программным управлением.

3.3.1. В АМТС с программным управлением ЭП должны включаться на исходящих и входящих пучках каналов ПП по способу индивидуального закрепления.

3.3.2. В исходящие и входящие каналы ОПП и ППВ АМТС с программным управлением ЭП должны включаться либо по способу индивидуального, либо по способу группового закрепления. Целесообразность того или иного способа должна быть обоснована экономически при проектировании.

3.3.3. На УАК (ОТС) с программным управлением могут использоваться как индивидуальный способ закрепления ЭП, так и групповой способ; возможно также их совместное использование.

3.3.3.1. Индивидуальный способ закрепления ЭП используется на пучках каналов, для которых:

а) доля нагрузки, требующей включения ЭП, превышает 15 % от общей нагрузки в пучке;

б) доля нагрузки требующей включения ЭП, менее 15 %, но оборудование станции (узла) не обеспечивает групповое закрепление ЭП или не передается сигнал о включении ЭП (на входящих пучках).

3.3.3.2. Групповой способ закрепления ЭП применяется на пучках каналов, на которых доля нагрузки, требующей подключения ЭП, не превышает 15 % от общей нагрузки в пучке, если станция (узел) обеспечивает возможность группового закрепления ЭП и (для входящих пучков) передается сигнал о включении ЭП.

3.3.3.3. Нагрузка на УАК (ОТС), поступающая от АМТС по каналам с включенными ЭП, не входит в объем нагрузки, соответствующие пп. 3.3.3.1. - 3.3.3.2.

3.4. Расчет количества оборудования ЭП, обязательного для установки на коммутационных станциях ВСС.

3.4.1. При оборудовании ЭП коммутационных станций, - оконечных, оконечно-транзитных и узлов автоматической коммутации, - общий объем оборудования ЭП должен учитывать:

3.4.1.1. ЭП, закрепленные за каналами (трактами) по индивидуальному способу в соответствии с п. 2.2.;

3.4.1.2. ЭП, закрепленные за каналами (трактами) по групповому способу в соответствии с п. 2.3.;

3.4.1.3. Дополнительные ЭП, закрывающие потребность резерва, развития сети, чрезвычайных ситуаций, а также кратность размещения ЭП на стойке.

3.4.2. Количество ЭП, необходимых к размещению на коммутационной станции, определяется как:

3.4.2.1. Количество полукомплектов ЭП, соответствующие пп. 1.1.1. ¸ 1.1.7., 1.1.11. и 1.1.12., закрепленных за каналами (трактами) по индивидуальному способу, равно количеству каналов, подлежащих оборудованию ЭП, к которым относятся:

- каналы, организованные через ИСЗ (в соответствии с п. 3.1.1.);

- каналы ОПП и ППВ оконечных АМТС в направлениях, требующих использования ЭП, если оконечная станция не в состоянии определить какое из направлений обмена должно использоваться (в соответствии с п. 3.1.4.);

- каналы ПП, протяженность которых превышает 8000 км;

- на станциях без программного управления - в каналы ОПП (в соответствии с п. 3.2.).

Полнофункциональные комплекты ЭП, соответствующие пп. 1.1.8. ¸ 1.1.10. и 1.1.13., размещаются с одной стороны канала или на транзитной станции: их количество учитывается на той станции, где они включены.

3.4.2.2. Количество полукомплектов ЭП, соответствующие пп. 1.1.1. ¸ 1.1.7., 1.1.11. и 1.1.12., закрепляемых за каналами по групповому способу, определяется на основе первой формулы Эрланга для доли нагрузки, приходящейся на каналы протяженностью более 8000 км при вероятности невключения ЭП в соединение не более 1 %.

При использовании полнофункциональных ЭП, соответствующие пп. 1.1.8. ¸ 1.1.10. и 1.1.13., каждый полный комплект ЭП учитывается как два полукомплекта, соответствующие пп. 1.1.1. ¸ 1.1.7., 1.1.11. и 1.1.12.

3.4.2.3. Дополнительное (резервное) количество ЭП должно составлять не менее 10 % от общего числа ЭП.

3.4.3. В любом случае для каждой коммутационной станции должен быть произведен расчет минимального необходимого количества ЭП. Расчет должен производиться в соответствии с пп. 3.4.1. - 3.4.2. с учетом структуры сети, нагрузки на каналы, наличия ЭП на коммутационных станциях, экстремальных ситуаций, возникающих на сети, и ежегодно обновляться с учетом развития сети.

Ожидаемое количество ЭП на станциях в среднем по сети составит 12 % от емкости станции.

4. Управление ЭП на ВСС.

4.1. Общие положения и требования.

4.1.1. Под управлением ЭП понимается:

а) для ЭП закрепленных за каналами (трактами) по индивидуальному способу и для ЭП, включенных в соединения при групповом способе закрепления - принудительное выключение функции эхоподавления (нейтрализации) без изъятия ЭП из соединения и восстановление этой функции;

б) для ЭП, закрепленных за каналами по групповому способу, - включение их в соединение и выключение (изъятие) из соединения через коммутационное поле станции.

4.1.2. Целью управления ЭП является оптимизация их включения в соединение:

4.1.2.1. ЭП должны включаться только в телефонные соединения. Если одни и те же каналы используются в разных целях, ЭП должны включаться в каналы, требующие эхоподавления, если:

а) передается речевой сигнал в полосе 0,3 … 3,4 кГц;

б) передается неуплотненный цифровой поток со скоростью 64 кбит/с.

Если передается цифровой поток со скоростью 64 кбит/с, уплотненный или предназначенный для неречевого использования, ЭП включаться не должны. При изменении вида информации, передаваемой по цифровым потокам, необходима оценка потребности во включении ЭП.

4.1.2.2. Протяженность соединения, требующего включения ЭП, должна превышать 8000 км.

4.1.2.3. Полукомплекты ЭП, соответствующие пп. 1.1.1. ¸ 1.1.7., 1.1.11. и 1.1.12., должны включаться по возможности ближе к оконечным дифференциальным системам. Включение ЭП на УАК (ОТС) должно производиться только в случае, если нет возможности включения ЭП на оконечной АМТС. В любом случае должна быть обеспечена удаленность точек включения ЭП в соединение, не превышающая указанной в технических условиях на ЭП в качестве допустимой.

4.1.2.4. Полнофункциональные ЭП, соответствующие пп. 1.1.8. ¸ 1.1.10. и 1.1.13., рассчитанные на включение с одной стороны канала, должны включаться в соответствии с требованиями п. 4.1.2.3.

4.1.2.5. Полнофункциональные ЭП, соответствующие пп. 1.1.8. ¸ 1.1.10. и 1.1.13., рассчитанные на включение ближе к середине соединения, должны включаться преимущественно на УАК (ОТС), однако в любом случае удаление точки включения ЭП от любого из абонентов не должно превышать указанного в технических условиях на ЭП в качестве допустимого.

4.1.2.6. При любых видах коммутации должно обеспечиваться правильное включение в канал линейной и станционной сторон ЭП. При использовании полукомплектов ЭП, соответствующие пп. 1.1.1. ¸ 1.1.7., 1.1.11. и 1.1.12., исходящий полукомплект ЭП должен быть расположен ближе к исходящей коммутационной станции, чем входящий полукомплект.

4.1.2.7. Вероятность невключения ЭП в соединение, протяженность которого превышает 8000 км, связанного с отсутствием на коммутационной станции и узлах свободного ЭП, не должна превышать 1 %. При отсутствии свободного ЭП допускается как продолжение установления соединения, так и его сброс.

4.1.2.8. В канал коммутируемой сети, требующей включения ЭП, должны включаться, как правило, либо два полукомплекта ЭП, соответствующие пп. 1.1.1. ¸ 1.1.7., 1.1.11. и 1.1.12., либо один комплект полнофункционального ЭП, соответствующие пп. 1.1.8. ¸ 1.1.10. и 1.1.13. При этом, если в соединении имеются промежуточные ЭЗ, они должны быть нейтрализованы или исключены из соединения.

4.1.2.9. При обязательном соблюдении норм на искажения в канале ТЧ, вносимых ЭП, допускается включение в соединение до четырех полукомплектов ЭП.

4.1.3. Управление ЭП должно быть обеспечено на всех видах сетей, включая ЦСИО и Сеть подвижной связи общего пользования (PLMN).

4.1.4. Управлению на сети подлежат как ЭЗ, так и ЭК.

4.1.5. Управление ЭП должно обеспечить функцию бесперебойной передачи по каналу линейных и регистровых сигналов управления (при использовании внутриканальных видов сигнализации) и сигналов контроля целостности канала (при использовании ОКС № 7).

Допустимы 3 способа устранения влияния работы ЭП на передачу указанных сигналов:

а) размещение ЭП за пределами цепей распространения соответствующих сигналов;

б) управление ЭП со стороны оборудования коммутационных станций;

в) использование ЭП с функцией ретрансляции соответствующих сигналов.

ЭП, размещенные за пределами распространения сигналов управления и контроля целостности, а также ЭП, поддерживающие функции ретрансляции соответствующих сигналов, не требуют дополнительного внешнего управления со стороны оборудования коммутационных станций по обеспечению бесперебойной передачи этих сигналов.

ЭП, включенные на пути распространения указанных сигналов и не поддерживающие функцию их ретрансляции, требуют управления со стороны оборудования коммутационных станций.

Для обеспечения необходимого управления ЭП в коммутационном оборудовании АМТС и УАК должны быть предусмотрены средства защиты от влияния работы ЭП (включая и ЭЗ и ЭК) на одновременную передачу сигналов по разговорным каналам в прямом и обратном направлениях.

4.1.6. Управление ЭП является частью управления процессом установления соединения и должно иметь общий интерфейс с системами сигнализации.

На ВСС должны внедряться системы сигнализации, имеющие в своем составе сигналы управления ЭП и обеспечивающие их передачу как в прямом, так и в обратном направлениях. Коммутационные станции, предназначенные к включению в ВСС, должны обеспечивать функции формирования сигналов управления ЭП и управления ЭП по принимаемым сигналам управления ЭП используемой системы сигнализации.

4.1.7. Поскольку не все системы сигнализации, используемые в настоящее время на ВСС, обеспечивают передачу сигналов управления ЭП и не все типы коммутационных станций поддерживают функцию управления ЭП, рекомендуется использование на ВСС ЭП с функцией ретрансляции линейных и регистровых сигналов управления, а также сигналов контроля целостности канала.

4.1.8. Управление ЭП, рассчитанными на автономную работу, включенными в канал на пути распространения линейных и регистровых сигналов управления или сигналов контроля целостности и не поддерживающими функцию ретрансляции соответствующих сигналов может быть осуществлено:

а) либо по цепям внешнего управления, соответствующие п. 1.2.7;

б) либо в цифровых каналах по состоянию бита «с» канального интервала КИ16 при условии, что этот канальный интервал используется для передачи линейных сигналов управления и функцию управления по биту «с» поддерживают и коммутационная станция и используемое ЭП.

4.1.9. При передаче абонентами по телефонным каналам ВСС информации, требующий исключение функции подавления эффекта электрического эха (например, факс, передача данных и т.п.), ЭП должны нейтрализоваться с помощью тональных сигналов, поступающих от соответствующих абонентских устройств.

Сигнал тональной нейтрализации имеет частоту 2100 ± 15 Гц и уровень минус 12 ± 6 дБмО.

ЭЗ включается в режим нейтрализации (выключает функцию подавления эффекта электрического эха), если длительность сигнала тональной нейтрализации в любом из направлений передачи превышает 400 миллисекунд.

ЭК включается в режим нейтрализации, если длительность сигнала тональной нейтрализации в любом из направлений передачи превышает 1 секунду, при этом должен иметь место переворот фазы сигнала на 180 ± 25° через каждые 450 ± 25 миллисекунд.

ЭП автоматически выходит из режима нейтрализации (включает функцию подавления эффекта электрического эха) в случае отсутствия в канале сигналов с уровнем, превышающим минус 36 дБмО, в течение интервала времени, превышающего 150 … 400 миллисекунд.

4.2. Управление ЭП, закрепленными за каналами по индивидуальному способу.

4.2.1. ЭП, включенные в канал за пределами цепей распространения сигналов управления (при использовании внутриканальных типов систем сигнализации) или сигналов контроля целостности (при использовании ОКС) не требуют внешнего управления, обеспечивающего бесперебойную передачу соответствующих сигналов.

4.2.2. ЭП, включенные в канал на пути распространения сигналов управления (при использовании внутриканальных типов систем сигнализации) или сигналов контроля целостности (при использовании ОКС), не требуют внешнего управления, обеспечивающего бесперебойную передачу соответствующих сигналов, если применяемые ЭП поддерживают функцию ретрансляции этих сигналов.

4.2.3. Если не выполняются условия пп. 4.2.1. и 4.2.2., должна быть обеспечена следующая процедура управления:

4.2.3.1. В исходном состоянии ЭП может находиться либо во включенном состоянии (обеспечивая функцию подавления эффекта электрического эха), либо в выключенном (нейтрализованном).

4.2.3.2. При использовании внутриканальной системы сигнализации на исходящей АМТС ЭП должно быть нейтрализовано со стороны коммутационного оборудования:

- с момента занятия до приема и распознавания сигнала «ответ абонента»;

- с момента распознавания сигнала «отбой» до его окончания;

- с момента начала передачи сигнала «разъединение» до распознавания сигнала «освобождение».

4.2.3.3. При использовании внутриканальной системы сигнализации на входящей АМТС ЭП должно нейтрализоваться со стороны коммутационного оборудования:

- с момента распознавания сигнала «занятие» до ответа абонента;

- на все время передачи сигнала «отбой»;

- с момента распознавания сигнала «разъединение» до возвращения в исходное состояние.

4.2.3.4. При использовании ОКС на исходящей станции ЭП должно быть нейтрализовано со стороны оборудования АМТС с момента подключения генератора сигнала контроля целостности до завершения теста проверки целостности.

4.2.3.5. При использовании ОКС на входящей станции ЭП должно быть нейтрализовано со стороны оборудования АМТС на все время установки шлейфа при проверке целостности канала.

4.2.3.6. Независимо от типа системы сигнализации при использовании для передачи нетелефонной информации по получении АМТС запроса на такое использование ЭП должны быть нейтрализованы на все время использования канала для передачи нетелефонной информации.

4.3. Управление ЭП, закрепленными за каналами по групповому способу.

4.3.1. Информация, используемая для управления ЭП:

4.3.1.1. Адрес назначения (код зоны АВС).

4.3.1.2. Информация о маршрутизации.

4.3.1.3. Вид исходящего канала (спутниковый/не спутниковый).

4.3.1.4. Вид входящего канала.

4.3.1.5. Информация об управлении ЭП, передаваемая в прямом и обратном направлении передачи:

а) включено исходящее ЭП (ИВ);

б) не включено исходящее ЭП (ИНВ);

в) требуется включение исходящего ЭП (ИТ);

г) не требуется включение исходящего ЭП (ИНТ);

д) включено входящее ЭП (ВВ);

е) не включено входящее ЭП (ВНВ);

ж) требуется включение входящего ЭП (ВТ);

и) не требуется включение включения входящего ЭП (ВНТ);

к) ЭП доступно (ЭПД);

л) ЭП не доступно (ЭПНД).

4.3.1.6. Установлена (запрошена) функция канала передачи данных.

4.3.1.7. Время распространения сигнала (ОВР).

4.3.2. Управление ЭП на станциях, использующих внутриканальную систему сигнализации 1VF.

4.3.2.1. При использовании системы сигнализации 1VF решение о необходимости включения ЭП в канал выносится на основании анализа предполагаемой протяженности соединения по коду АВС на исходящей или транзитной станциях.

4.3.2.2. Для управления ЭП при взаимодействии станций формируются и передаются в канал станционные сигналы Сэ. Эти сигналы передаются в составе сигналов управления только в прямом направлении; сигналы управления имеют следующий состав: Кв Сэ Nб Кн, где

Кв - сигналы категории вызова;

Сэ - сигналы управления ЭП (один знак);

Nб - междугородный номер вызываемого абонента;

Кн - сигнал «конец набора»;

Состав сигналов Сэ:

Сэ = 5 - передача данных, ЭП не включать;

Сэ = 6 - телефонное сообщение, включить ЭП на исходящем и входящем концах;

Сэ = 7 - телефонное сообщение, включить ЭП на входящем конце;

Сэ = 8 - телефонное сообщение, ЭП не включать;

Сэ = 9 - телефонное сообщение, включен канал, организованный через ИСЗ.

Примечание: на станциях типа АРМ сигналы Сэ не формируются и не передаются.

4.3.2.3. Обобщенный алгоритм выполнения по сигналу Сэ команд управления ЭП, формирования и передачи сигналов Сэ на станциях с программным управлением приведен в виде блок схемы на рис. 5.

4.3.3. Процедуры управления ЭП на станциях, использующих ОКС № 7.

4.3.3.1. Оценка необходимости включения ЭП в соединение производится на каждой станции, участвующей в соединении, по мере его установления.

4.3.3.2. Станция, первой определившая необходимость включения ЭП в соединение (инициирующая станция) должна управлять через систему сигнализации включением ЭП на исходящем и входящем концах.

4.3.3.3. Станции, не поддерживающие процедуру управления ЭП, должны обеспечивать беспрепятственную передачу сигналов управления ЭП, передаваемых другими станциями, с преобразованием, при необходимости, протокола сигнализации.

4.3.3.4. Станции, поддерживающие процедуры управления ЭП, должны выполнять все функции, описанные далее.

4.3.3.5. Инициирующая станция должна передать на ближайшую станцию, расположенную со стороны исходящего конца соединения, сигнал о необходимости включения исходящего ЭП.

4.3.3.6. Транзитная станция, получившая этот сигнал, должна повторить действие п. 4.3.3.5.

4.3.3.7. Исходящая станция, получившая сигнал о необходимости включения ЭП, должна обеспечить включение исходящего ЭП, если она располагает такой возможностью.

При отсутствии возможности включения исходящего ЭП на исходящей оконечной станции, функция включения исходящего ЭП переносится на следующую за ней в соединении станцию.

4.3.3.8. При отсутствии возможности включения исходящего ЭП на данной транзитной станции функция включения ЭП транслируется на следующую за ней в соединении станцию при соблюдении условий п. 2.1.

4.3.3.9. Инициирующая станция должна передать на ближайшую станцию, расположенную со стороны входящего конца соединения, сигнал о необходимости включения входящего ЭП в соединение.

4.3.3.10. Транзитная станция, получившая этот сигнал, должна повторить действие п. 4.3.3.9.

4.3.3.11. Входящая станция, получившая сигнал о необходимости включения ЭП, должна обеспечить включение входящего ЭП, если она располагает такой возможностью.

При отсутствии возможности включения входящего ЭП на входящей оконечной станции, функция включения входящего ЭП переносится на станцию, предшествующую данной станции в соединении.

4.3.3.12. При отсутствии возможности включения входящего ЭП на данной транзитной станции функция включения ЭП транслируется на станцию, предшествующую данной станции в соединении при соблюдении условий п. 2.1.

4.3.3.13. Если оценка необходимости включения ЭП в соединение не может быть завершена до окончательного установления соединения, допускается включение ЭП в уже установленное соединение.

4.3.3.14. Если после установления соединения происходят какие-либо изменения, влияющие на степень мешающего воздействия эффекта электрического эха (например, переадресация вызова), станция, располагающая информацией об этих изменениях, должна инициировать процедуру управления ЭП.

4.3.4. Сигналы управления ЭП, используемые в ОКС № 7.

4.3.4.1. Информационные сигналы управления ЭП (ИУЭП), передаваемые в прямом направлении:

ИВ - исходящий ЭП включен в соединение

ИНВ - исходящий ЭП не включен в соединение

ИТ - исходящий ЭП требуется включать на следующей станции.

4.3.4.2. Дополнительные информационные сигналы управления ЭП (ИУЭПД), передаваемые в прямом направлении:

ЭПД - ЭП доступно на предшествующей станции;

ЭПНД - ЭП не доступно на предшествующей станции.

4.3.4.3. Информационные сигналы управления ЭП (ИУЭО), передаваемые в обратном направлении:

ВВ - входящий ЭП включен в соединение;

ВНВ - входящий ЭП не включен в соединение.

4.3.4.4. Дополнительные информационные сигналы управления ЭП (ИУЭОД), передаваемые в обратном направлении:

ЭПД - ЭП доступно на следующей станции;

ЭПНД - ЭП не доступно на следующей станции.

4.3.4.5. Сигналы запроса включения ЭП, передаваемые в прямом направлении (ЗУЭП):

ВНТ - включение входящего ЭП не требуется;

ВТ - включение входящего ЭП требуется;

ИТ - включение исходящего ЭП требуется;

ИНТ - включение исходящего ЭП не требуется.

4.3.4.6. Сигналы запроса включения ЭП, передаваемые в обратном направлении (ЗУЭО) аналогичны п. 4.3.4.5.

4.3.4.7. Сигналы команд управления включением входящего ЭП (КУЭВ), передаваемые в обратном направлении:

ВКЛЭП - включить входящий ЭП;

ВЫКЛЭП - выключить входящий ЭП.

4.3.4.8. Сигналы команд управления включением исходящего ЭП (КУЭИ), передаваемые в прямом направлении:

ВКЛЭП - включить исходящий ЭП;

ВЫКЛЭП - выключить исходящий ЭП.

4.3.4.9. Сигналы ОВР об общем времени распространения сигнала в данном соединении передаются в обратном направлении.

4.3.5. Определение протяженности соединения в ОКС № 7.

4.3.5.1. В некоторых протоколах ОКС № 7 определение протяженности соединения осуществляется не по коду АВС, а путем вычисления с накоплением задержек, вносимых отдельными участками соединения, в специальном счетчике времени распространения (СВР). Такой метод позволяет более точно оценить необходимость включения ЭП в канал.

4.3.5.2. Накопление информации в СВР осуществляется в процессе установления соединения; информация о времени распространения на участках соединения передается в прямом направлении.

4.3.5.3. Результат вычисления общего времени распространения передается в виде сигнала ОВР (п. 4.3.4.9.) в обратном направлении.

4.3.5.4. Если в процессе установления соединения станция принимает значения времени распространения Di со стороны исходящего конца соединения, она должна передать на следующую станцию значение Di + Do, где Do - значение времени распространения сигнала в исходящем канале соединения или до конца соединения.

4.3.5.5. Шаг счета определяющий разрешающую способность СВР, должен соответствовать времени распространения, равному 1 миллисекунде. Емкость счетчика СВР должна быть не менее (216 - 1) шагов.

4.3.5.6. При расчете общего времени распространения должны по возможности суммироваться значения времени распространения на всех участках для каждого соединения.

4.3.6. Алгоритмы управления ЭП, формирования и передачи сигналов управления ЭП, используемые в ОКС № 7.

4.3.6.1. Обобщенный алгоритм управления ЭП должен соответствовать представленному в виде блок схемы на рис. 6.

4.3.6.2. Детальные алгоритмы процедур обобщенного алгоритма управления представлены в виде блок схем на рис. 7 - рис. 19.

4.3.6.3. Приведенные положения относятся к использованию каналов как в одностороннем, так и в двустороннем режимах.

Рис. 1.

Рис. 2.

КС - оборудование коммутационной станции; ЭП - эхоподавляющее устройство; ОЛТ - оборудование линейного тракта

Рис. 3.

Рис. 4.

КП - коммутационное поле; ЭП - эхоподавляющее устройство; НЭ - устройство нейтрализации ЭП; ЛК - линейный комплект; ПТН - приемник тонального набора; УУ - управляющее устройство коммутационной станции; МГ канал - междугородный канал


Рис. 5. Алгоритм управления ЭЛ и формирования сигналов Сэ на коммутационных станциях электронного и кзазиэлектронного типа.

Рис. 6. Обобщенный алгоритм логики управления ЭП в ОКС № 7.


Рис. 7. Блок схема алгоритма процедуры пИУЭП/Д.

Рис. 8. Блок схема алгоритма процедуры пИУЭП.

Рис. 9. Блок схема алгоритма процедуры пИУЭПД.

Рис. 10. Блок схема алгоритма процедуры пИЭПВК.

Рис. 11. Блок схема алгоритма процедуры пИЭПНТ.

Рис. 12. Блок схема алгоритма процедуры пИЭПТ.

Рис. 13. Блок схема алгоритма процедуры пЗУЭП.

Примечания. 1. Станция должна располагать информацией о том, включено ли входящее ЭП на участках, расположенных с исходящего конца соединения.

2. ЗУЭП = X - трансляция принятого значения ЗУЭП.

Рис. 14. Блок схема алгоритма процедуры пИУЭО/Д.

Рис. 15. Блок схема алгоритма процедуры пИУЭОД.

Рис. 16. Блок схема алгоритма процедуры пИУЭО.

Рис. 17. Блок схема процедуры пЗУЭО.

Примечание. ЗУЭО = X - трансляция полученного значения ЗУЭО.

Рис. 18. Блок схема алгоритма процедуры «Включить исходящее ЭП»

Рис. 19. Блок схема алгоритма процедуры «Включить входящее ЭП».

СОДЕРЖАНИЕ

Введение. 1

Список использованных сокращений: 2

1. Типы ЭП, допустимые к применению на ВСС РФ. 3

1.1. Типы ЭП и их свойства. 3

1.2. Требования к характеристикам ЭП, обеспечивающим совместимость с оборудованием ВСС. 3

1.3. Требования к характеристикам ЭП, обеспечивающим совместимость с используемыми на ВСС системам сигнализации. 4

1.4. Требования к выбору типа ЭП, используемых на ВСС РФ. 5

2. Требования по включению ЭП в телефонные соединения. 6

2.1. Общие требования. 6

2.2. Индивидуальное закрепление ЭП за телефонными каналами (трактами). 7

2.3. Групповое закрепление ЭП за телефонными каналами (трактами). 7

3. Размещение ЭП на ВСС. 8

3.1. Общие требования к размещению. 8

3.2. Размещение ЭП на станциях без программного управления. 8

3.3. Размещение ЭП на станциях с программным управлением. 8

3.4. Расчет количества оборудования ЭП, обязательного для установки на коммутационных станциях ВСС. 9

4. Управление ЭП на ВСС. 10

4.1. Общие положения и требования. 10

4.2. Управление ЭП, закрепленными за каналами по индивидуальному способу. 12

4.3. Управление ЭП, закрепленными за каналами по групповому способу. 13

 

 




ГОСТЫ, СТРОИТЕЛЬНЫЕ и ТЕХНИЧЕСКИЕ НОРМАТИВЫ.
Некоммерческая онлайн система, содержащая все Российские Госты, национальные Стандарты и нормативы.
В Системе содержится более 150000 файлов нормативно-технической документации, действующей на территории РФ.
Система предназначена для широкого круга инженерно-технических специалистов.

Рейтинг@Mail.ru Яндекс цитирования

Copyright © www.gostrf.com, 2008 - 2026