Крупнейшая бесплатная информационно-справочная система онлайн доступа к полному собранию технических нормативно-правовых актов РФ. Огромная база технических нормативов (более 150 тысяч документов) и полное собрание национальных стандартов, аутентичное официальной базе Госстандарта. GOSTRF.com - это более 1 Терабайта бесплатной технической информации для всех пользователей интернета. Все электронные копии представленных здесь документов могут распространяться без каких-либо ограничений. Поощряется распространение информации с этого сайта на любых других ресурсах. Каждый человек имеет право на неограниченный доступ к этим документам! Каждый человек имеет право на знание требований, изложенных в данных нормативно-правовых актах!

  


 

АКЦИОНЕРНОЕ ОБЩЕСТВО "ФИРМА ПО НАЛАДКЕ, СОВЕРШЕНСТВОВАНИЮ ТЕХНОЛОГИИ И ЭКСПЛУАТАЦИИ ЭЛЕКТРОСТАНЦИЙ И СЕТЕЙ ОРГРЭС"

МЕТОДИЧЕСКИЕ УКАЗАНИЯ ПО НАЛАДКЕ И ПРОВЕРКЕ ПРОМЕЖУТОЧНЫХ, УКАЗАТЕЛЬНЫХ РЕЛЕ И РЕЛЕ ИМПУЛЬСНОЙ СИГНАЛИЗАЦИИ

Москва

ЦПТИиТО ОРГРЭС 2006

Содержание

1. ВВЕДЕНИЕ

2. ПРОВЕРКА ПРОМЕЖУТОЧНЫХ, УКАЗАТЕЛЬНЫХ РЕЛЕ И РЕЛЕ ИМПУЛЬСНОЙ СИГНАЛИЗАЦИИ ПРИ НОВОМ ВКЛЮЧЕНИИ

2.1. Общие указания

2.2. Программа работ

2.3. Подготовительные работы

2.4. Внешний осмотр

2.5. Внутренний осмотр, очистка, проверка надежности контактных соединений, и состояния контактных поверхностей

2.6. Проверка и регулирование механической части

2.7. Проверка сопротивления изоляции

2.8. Проверка электрических характеристик

2.9. Оформление результатов проверки

Приложение 1

ПОРЯДОК ПРОВЕРКИ ПРАВИЛЬНОСТИ ВЫБОРА РЕЛЕ И ДОБАВОЧНЫХ РЕЗИСТОРОВ

Приложение 2

ПРОТОКОЛ ПРОВЕРКИ ПРОМЕЖУТОЧНЫХ И УКАЗАТЕЛЬНЫХ РЕЛЕ

Приложение 3

ПРОТОКОЛ ПРОВЕРКИ ПРОМЕЖУТОЧНЫХ РЕЛЕ РП-321, РП-341, РП-342

Приложение 4

ПРОТОКОЛ ПРОВЕРКИ РЕЛЕ ИМПУЛЬСНОЙ СИГНАЛИЗАЦИИ РИС

В настоящих Методических указаниях приведен объем проверок промежуточных, указательных реле и реле импульсной сигнализации при новом включении. Объем проверок реле, находящихся в эксплуатации, должен быть определен согласно правилам технического обслуживания устройств релейной защиты.

В Методических указаниях приведен порядок проверки правильности выбора реле и добавочных резисторов.

Методические указания предназначены для персонала электрических станций, подстанций, наладочных организаций, занимающегося наладкой и эксплуатацией этих реле.

С выходом настоящих Методических указаний "Инструкция по проверке промежуточных и указательных реле" (М.: Энергия, 1969) может быть использована с учетом действующих директивных документов только при проверке старых типов реле, которые не рассматриваются в данных Методических указаниях.

1. ВВЕДЕНИЕ

Настоящие Методические указания являются переработанным и дополненным изданием "Инструкции по проверке промежуточных и указательных реле".

Методические указания составлены с учетом действующих директивных документов: "Правил технического обслуживания устройств релейной защиты, электроавтоматики, дистанционного управления и сигнализации электростанций и линий электропередачи 35-330 кВ" (М.: СПО Союзтехэнерго, 1979), "Правил технического обслуживания устройств релейной защиты и электроавтоматики электрических сетей 0,4-20 кВ" (М.: СПО Союзтехэнерго, 1979), "Сборника директивных материалов по эксплуатации энергосистем (электротехническая часть). Раздел четвертый. Защита и электроавтоматика" (М.: СПО Союзтехэнерго, 1978), заводской информации, а также опыта наладки и эксплуатации промежуточных, указательных реле и реле импульсной сигнализации.

В Методических указаниях рассмотрены:

- промежуточные реле ЭП-1, РП-23, РП-25, РП-232, РП-233, РП-250 (серия), РП-220 (серия), РПУ-1, РПУ-2, МКУ-48, КДР (серия), РП-321, РП-341, РП-342, РП-8, РП-9, РП-11, РП-12, РЭВ-880 (серия);

- указательные реле РУ-21, БРУ-4, ЭС-41;

- реле импульсной сигнализации РИС-Э2М, РИС-Э2М-0,2 и РИС-Э3М. В приложении 1 приведен порядок проверки правильности выбора реле и добавочных резисторов.

В Методических указаниях не рассматриваются снятые с производства следующие реле: ЭП-101-А, ЭП-103-А, ЭП-131, ЭП-132, ЭПВ-11, ЭПВ-12, ЭПВ-32, РП-24, РП-26, РП-210 (серия), РП-351, РП-352, ЭС-21. Проверка этих реле, некоторые типы которых находятся в эксплуатации в значительных количествах, может выполняться в соответствии с "Инструкцией по проверке промежуточных и указательных реле" с учетом требований вышеприведенных директивных документов.

2. ПРОВЕРКА ПРОМЕЖУТОЧНЫХ, УКАЗАТЕЛЬНЫХ РЕЛЕ И РЕЛЕ ИМПУЛЬСНОЙ СИГНАЛИЗАЦИИ ПРИ НОВОМ ВКЛЮЧЕНИИ

2.1. Общие указания

Программа работ, последовательность и объемы подготовительных работ, внешнего и внутреннего осмотров в общем виде приведены в правилах технического обслуживания устройств релейной защиты. Ниже приведены программа работ, последовательность и объемы подготовительных работ, внешнего и внутреннего осмотров применительно к рассматриваемым реле.

2.2. Программа работ

При новом включении реле работы выполняются в следующем-объеме:

а) подготовительные работы;

б) внешний осмотр;

в) внутренний осмотр, очистка, проверка надежности контактных соединений и состояния контактных поверхностей;

г) проверка и регулирование механической части;

д) проверка сопротивления изоляции;

е) проверка электрических характеристик;

ж) оформление результатов проверки.

2.3. Подготовительные работы

В подготовительные работы входят:

а) подготовка необходимой документации, в том числе исполнительных схем, в которых используются проверяемые реле;

б) определение параметров реле с учетом его технических возможностей, требований, предъявляемых к наладке реле настоящими Методическими указаниями, и функций, выполняемых реле в принятой схеме;

в) подготовка испытательных устройств, измерительных приборов и соединительных проводов;

г) подготовка запасных частей и инструмента;

д) принятие мер, предотвращающих воздействие проверяемого реле или напряжения, подводимого к обмоткам и контактам реле, на другие устройства.

2.4. Внешний осмотр

При внешнем осмотре проверить соответствие установленного реле проекту, крепление реле, крепление внешних проводников к выводам реле, отсутствие механических повреждений кожуха и цоколя, наличие уплотнения между кожухом и цоколем и плотность их прилегания друг к другу.

2.5. Внутренний осмотр, очистка, проверка надежности контактных соединений, и состояния контактных поверхностей

2.5.1. Проверить целость кожуха и цоколя, наличие и целость элементов реле и надежность их крепления к цоколю.

2.5.2. Очистку реле от пыли производить мягкой кистью. Металлические опилки и стружки на магнитопроводе, якоре и в зазоре между якорем и сердечником удалить металлической пластинкой соответствующего размера.

2.5.3. Проверить целость головок винтов и шлицев, граней гаек и концов шпилек, наличие обычных и пружинных (стопорных) шайб.

Произвести затяжку винтов и гаек. При этом винты, крепящие выводы внутри реле к втулке, и винты или шпильки для присоединения внешних проводов к реле не должны касаться друг друга внутри втулки.

Надежность контактного соединения следует определить отсутствием перемещения выводов реле или внешних проводов относительно втулки или шпильки.

Перемещение выводов реле или внешних проводов относительно втулки (шпильки) указывает на недостаточную затяжку винтов (гаек) или касание винтов (винта и шпильки) внутри втулки.

Для обеспечения надежного соединения ослабить винты или шпильки внешних присоединений; затянуть винты, крепящие выводы к втулкам внутри реле, после чего ввернуть до упора, а затем вывернуть на 1-1,5 оборота и затянуть в таком положении шпильки внешних присоединений. Если присоединение внешних проводов осуществляется винтами, то следует под винты проложить необходимое количество шайб или применить более короткие винты.

Качество пайки следует проверить легким подергиванием проводников и осмотрам мест пайки. Ненадежные и окисленные соединения следует перепаять заново. Паять следует припоем ПОС-30 или ПОС-40, в качестве флюса следует применять канифоль. Перед пайкой спаиваемые детали должны быть облужены.

У реле с гибкими многопроволочными токопроводами необходимо проверить отсутствие надломов и оборванных проволочек в местах пайки.

2.5.4. Проверить надежность затяжки болтов, стягивающих сердечники трансформаторов.

2.5.5. Проверить состояние изоляции соединительных проводов и обмоток реле. Изоляция не должна иметь видимых повреждений.

2.5.6. Проверить состояние контактных поверхностей. Они должны иметь правильную форму и ровную поверхность. При наличии царапин, раковин, контактную поверхность необходимо обработать надфилем с последующей полировкой воронилом (стальная пластинка со слаборифленой поверхностью). Очистку окислившихся контактов, не имеющих на поверхности раковин, царапин, можно производить плоской чуркой, сделанной из различных пород дерева, за исключением хвойных.

Не допускается очистка контактов наждачной бумагой или другими абразивными материалами. Не допускается скоблить контакты ножом. Не следует касаться контактов пальцами.

2.6. Проверка и регулирование механической части

2.6.1. Общие указания

Состояние механической части определяет надежность работы реле, а также в значительной мере его электрические характеристики, поэтому рекомендуется следующий порядок проверки:

а) проверить и привести в соответствие с принятыми к исполнению схемами контактную систему реле (РП-23, РП-25, РП-250, РЭВ-880);

б) произвести предварительную оценку механической части;

в) в случае значительного отклонения механических параметров от требований, предъявляемых к данному типу реле, произвести регулирование в соответствии с указаниями п. 2.6.2;

г) проверить электрические характеристики реле;

д) в случае регулирования механизма реле для получения необходимых электрических характеристик повторно проверить выполнение требований, предъявляемых к механической части.

Для предварительной оценки состояния механической части реле следует проверить:

- легкость хода якоря, отсутствие застреваний, четкость возврата в исходное положение из любого промежуточного положения;

- зазоры между якорем и сердечником, между подвижными и неподвижными контактами в начальном и конечном положениях, якоря;

- люфты подвижных частей;

- положение подвижных контактов относительно неподвижных в момент встречи и в конечном положении якоря (подвижный контакт не должен выходить за плоскость неподвижного);

- наличие провалов (совместного хода) размыкающих и замыкающих контактов;

- одновременность замыкания и размыкания контактов.

Значения зазоров, люфтов и провалов оцениваются на глаз и должны соответствовать приведенным в п. 2.6.2 требованиям. Если после предварительной проверки механической части электрические характеристики реле будут значительно отклоняться от нормы, то следует проверить зазоры с помощью щупов, а давление контактных пластин реле, для которых оно нормируется, с помощью граммометра.

При регулировании механической части реле необходимо учитывать следующие основные положения:

- при уменьшении начального зазора между якорем и сердечником уменьшается напряжение (ток) и время срабатывания реле;

- при уменьшении конечного зазора между якорем и сердечником уменьшается напряжение (ток) возврата и увеличивается время возврата реле;

- при ослаблении натяжения возвратной пружины (для реле, у которых такая возможность предусмотрена, например РП-220 (серия), РУ-21) уменьшается напряжение (ток) и время срабатывания, а также уменьшается напряжение и увеличивается время возврата реле;

- при увеличении числа замыкающих контактов и увеличении давления их контактных пластин увеличивается напряжение (ток) возврата и уменьшается время возврата реле;

- при увеличении числа размыкающих контактов и увеличении давления их пластин уменьшается напряжение (ток) и время срабатывания реле.

Пользуясь этими основными положениями, можно для каждого типа реле подобрать способ регулирования в целях обеспечения необходимых механических и электрических характеристик.

2.6.2. Регулирование отдельных типов промежуточных реле

Реле ЭП-1. Общий вид реле дан на рис. 1

Рис. 1. Общин вид реле ЭП-1:

1 - магнитопровод; 2 - обмотка; 3 - якорь; 4 - неподвижные контакты: 5 - диск с подвижными контактами; 6 - ось якоря; 7 - упор; 8 - угольник крепления реле; 9 - нижний диск: 10 - гайки крепления нижнего диска; 11 - гайка крепления упора: 12 - выводы: 13 - основание реле; 14 - втулка

Особенность конструкции реле возврат якоря реле в исходное положение под действием собственной массы требует производить механическое регулирование с большой тщательностью. Малейшие перекосы или изгибы оси якоря при регулировании могут вызвать отказ в работе реле.

Регулирование напряжения (тока) срабатывания реле производится изменением начального положения якоря, для чего следует открутить гайки крепления нижнего диска и переместить нижний диск, а вместе с ним и якорь вдоль оси. При перемещении якоря реле вверх по оси напряжение (ток) срабатывания уменьшается, при перемещении вниз по оси - напряжение (ток) срабатывания увеличивается.

Нормальный зазор между контактами реле должен быть в пределах 1÷1,5 мм.

Регулирование напряжения (тока) возврата реле производится изменением конечного зазора между якорем и упором путем незначительного перемещения упора. Для увеличения напряжения (тока) возврата упор поворачивается на долю оборота против часовой стрелки, для уменьшения напряжения (тока) возврата упор поворачивается на долю оборота по часовой стрелке.

Вращение упора по часовой стрелке приводит к уменьшению конечного зазора между якорем и упором и может привести к полному отсутствию зазора. Это исключит контактное нажатие при срабатывании реле и может привести к залипанию реле. Положение упора после каждого перемещения необходимо фиксировать гайкой крепления упора.

Если при наладке реле выявится значительный разброс значений напряжения (тока) срабатывания или возврата, то это может быть вызвано неправильной установкой реле (реле должно быть установлено так, чтобы ось якоря занимала вертикальное положение), изгибом или перекосом оси, загрязнением (неровностями) поверхности якоря или втулки. В этом случае необходимо разобрать реле, выявить и устранить причину, мешающую нормальной работе.

Для того, чтобы разобрать реле, откручивают гайку крепления упора, вращают по часовой стрелке и вынимают со стороны неподвижных контактов реле упор с укрепленными на нем осью и втулкой.

Реле РП-23, РП-25, РП-232, РП-233. Общий вид реле РП-23, РП-232, РП-233 дан на рис. 2, реле РП-25 - на рис. 3.

Реле должны иметь следующие характеристики:

- междуконтактный зазор должен составлять не менее 2,5 мм;

- в начальном положении якоря подвижная контактная система должна упираться в верхний упор: При этом для реле РП-23, РП-232, РП-233 между упором якоря и якорем должен быть зазор, обеспечивающий ход якоря над выступом упорной колодки в пределах 0,5-2 мм и между хвостовиком якоря и упорной колодкой - не менее 0,1-0,15 мм.

Рис. 2. Общий вид реле РП-23, РП-232, РП-233:

1 - сердечник; 2 - обмотка; 3 - якорь; 4 - хвостовик якоря; 5 - неподвижные контакты; 6 - подвижные контакты; 7 - возвратная пружина; 8 - направляющая скоба; 9 - пластинка; 10 - цоколь; 11 - кожух; 12 - упор якоря; 13 - верхний упор; 14 - упорная колодка

Рис. 3. Общий вид реле РП-25:

1 - магнитопровод; 2 - обмотка; 3 - якорь; 4 - неподвижные контакты; 5 - подвижные контакты; 6 - возвратная пружина; 7 - направляющая скоба; 8 - пластинка; 9 - цоколь; 10 - хвостовик скобы якоря; 11 - короткозамкнутый виток; 12 - бронзовая пластинка; 13 - упорная колодка; 14 - верхний упор

Для реле РП-25 между нижней плоскостью хвостовика скобы якоря и выступом упорной колодки должен быть зазор 0,5-0,8 мм и между хвостовиком скобы якоря и упорной колодкой - 0,1-0,15 мм;

- при срабатывании реле подвижные контакты не должны сползать с плоскости неподвижных;

- в положении срабатывания реле контактная колодка реле должна иметь запас хода в пределах 0,5÷1,5 мм;

- в положении срабатывания реле выступ якоря РП-23, РП-232, РП-233 должен упираться в сердечник, а зазоры между полюсами сердечника и якорем реле РП-25 должны отсутствовать;

- провал подвижных контактных пластин должен быть в пределах 0,7÷1 мм;

- осевой люфт якоря РП-25 должен быть около 0,4 мм.

При необходимости следует произвести регулирование реле. Начальный воздушный зазор для реле РП-23, РП-232, РП-233 регулируется подгибанием упора и хвостовика якоря, для реле РП-25 - подгибанием переднего хвостовика (на рис. 3 не показан) скобы якоря.

Междуконтактный зазор следует регулировать подгибанием верхнего упора.

Ход якоря над выступом упорной колодки для реле РП-23, РП-232, РП-233 необходимо регулировать упором якоря.

Зазор между нижней плоскостью хвостовика скобы якоря и выступом упорной колодки для реле РП-25 следует регулировать подгибанием хвостовика скобы якоря.

Соосность контактов реле следует регулировать перемещением направляющей скобы и пластинки.

Запас хода контактной колодки реле в положении срабатывания следует регулировать подгибанием хвостовика якоря для реле РП-23, РП-232, РП-233 и хвостовика скобы якоря для реле РП-25.

Провал подвижных контактов обеспечивается подгибанием неподвижных контактов.

Устранение зазора между полюсами сердечника и якорем для реле РП-25 необходимо производить перемещением магнитопровода при ослабленных винтах его крепления.

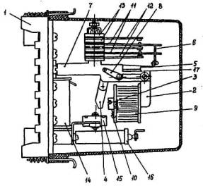
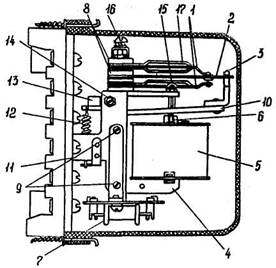
Реле серии РП-250 (РП-251). Общий вид реле дан на рис. 4

Рис. 4. Общий вид реле РП-251:

1 - цоколь;2 - кожух: 3 - скоба магнитопровода; 4 - обмотка; 5 - возвратная пружина; 6 - траверса с укрепленными на ней подвижными контактами; 7 - подвижные контакты; 8 – неподвижные контакты; 9 - пружина: 10 - колодка; 11 - якорь; 12 - скоба крепления якоря: 13 - направляющая пластинка; 14 - винт регулирования конечного положения якоря; 15 - винт регулирования начального положения якоря; 16 - демпферная втулка; 17 - кольцо крепления обмотки реле; 18 - винт крепления колодки; 19 - сердечник

Реле должно иметь следующие характеристики:

- движение траверсы в направляющих пластинках должно происходить без затирания;

- междуконтактный зазор должен быть не менее 2,5 мм для реле РП-251, РП-252, РП-256 и не менее 26,0 мм для реле РП-253, РП-254, РП-255;

- провал подвижных контактов должен быть не менее 0,5 мм;

- начальный воздушный зазор (зазор между якорем и торцом скобы магнитопровода) должен составлять примерно 2,4 мм (при междуконтактном зазоре 2,5 мм и провале 0,5 мм) для реле РП-251, РП-252, РП-256; примерно 2,0 мм (при междуконтактном зазоре 2 мм и провале 0,5 мм) для реле РП-253, РП-254, РП-255;

- в начальном положении между якорем и траверсой не должно быть зазора (траверса должна упираться в якорь);

- конечный воздушный зазор (зазор между якорем и сердечником реле в положении срабатывания) должен быть примерно 0,2 мм для реле РП-251, РП-253, РП-254, РП-255 и около 0,05 мм для реле РП-252, РП-256;

- в положении срабатывания реле траверса должна иметь запас хода 0,5-1,5 мм.

При необходимости следует произвести регулирование реле.

Затирание траверсы с подвижными контактами следует устранить перемещением колодок, после чего положение колодок фиксируется винтами.

При указанном регулировании необходимо контролировать, чтобы при срабатывании реле не происходило сползания подвижных контактов с плоскости неподвижных.

Регулирование начального и конечного воздушных зазоров осуществляется соответствующими винтами.

Регулирование междуконтактного зазора и провала контактных мостиков при срабатывании реле следует осуществлять перемещением неподвижных контактов при отпущенных винтах крепления контактов в колодке.

Регулирование времени действия реле изменением механических характеристик может не обеспечить необходимых параметров. В этом случае дополнительное регулирование необходимо произвести изменением количества демпферных шайб и изменением расположения обмоток и демпферных шайб на сердечнике. При этом уменьшение количества демпферных шайб вызывает уменьшение времени срабатывания и возврата реле; установка демпферных шайб ближе к воздушному зазору вызывает увеличение времени срабатывания реле; установка обмотки реле ближе к воздушному зазору вызывает уменьшение времени срабатывания реле.

В случае удаления демпферных шайб при регулировании параметров реле РП-251, РП-252, РП-256 обмотку необходимо закрепить кольцами, установленными на сердечнике реле.

Реле серии РП-220. Общий вид реле дан на рис. 5.

Рис. 5. Общий вид реле РП-220:

1 - неподвижные контакты; 2 - подвижные контакты; 3 - изоляционная рамка; 4 - сердечник; 5 - обмотка; 6 - медная пластинка; 7 - добавочный резистор; 8 - изоляционные колодки; 9 - венты крепленая сердечника; 10 - якорь: 11 - скоба; 12 - возвратная пружина; 13 - уравновешивающий груз; 14 - полуось; 15 - упорный винт; 16 - винт крепления контактной системы; 17 - упорная пластина

Реле должно иметь следующие характеристики:

- осевой люфт якоря в горизонтальном направлении должен быть около 0,5 мм;

- воздушный зазор при отпущенном якоре должен быть между якорем и плоскостью заднего керна сердечника не более 0,05 мм, между якорем и немагнитной прокладкой переднего керна сердечника около 1 мм. При отпущенном якоре торец упорного винта должен касаться верхней плоскости якоря;

- при срабатывании реле не должно происходить сползания подвижных контактов с плоскости неподвижных. Концы подвижных контактов пластин должны выступать за изоляционную рамку на длину примерно 2 мм;

- междуконтактный зазор замыкающих и размыкающих контактов должен быть не менее 1 мм;

- при отпущенном якоре между подвижной контактной пластиной и изоляционной рамкой для размыкающих контактов реле РП-221, РП-225 должен быть зазор 0,3-0,5 мм; давление каждой подвижной контактной пластины замыкающих контактов на изоляционную рамку при отпущенном якоре должно быть не менее 5 г для реле РП-221, РП-225 и не менее 3 г для реле РП-222, РП-223, РП-224;

- давление, создаваемое натяжением возвратной пружины и измеренное на изоляционной рамке, должно быть 10-20 г для реле РП-221, РП-225 и 20-40 г для реле РП-222, РП-223, РП-224;

- давление каждой неподвижной контактной пластины замыкающего контакта на свою упорную пластину должно быть примерно 20 г,

- провал замыкающих контактов должен быть около 0,2-0,3 мм (определяется наличием зазора не менее 0,25 мм между торцом медной пластинки и якорем при касании контактов);

- провал размыкающих контактов должен быть не менее 0,3 мм (определяется наличием зазора не менее 0,3 мм между упорным винтом и наружной плоскостью якоря при касании контактов).

При необходимости следует производить регулирование реле.

Зазор между якорем и плоскостью заднего керна сердечника следует устанавливать перемещением сердечника при ослабленных винтах крепления сердечника.

Зазор между якорем и медной пластинкой переднего керна сердечника следует устанавливать упорным винтом.

Соосность контактов необходимо регулировать перемещением контактных пластин при отпущенном винте крепления контактной системы. При регулировании необходимо следить, чтобы концы подвижных контактных пластин выступали за изоляционную рамку.

Регулирование междуконтактного зазора следует осуществлять совместным подгибанием упорной пластины и неподвижной контактной пластины у места их выхода из изоляционных колодок.

Регулирование провалов контактов произвести подгибанием контактных пластин у места их выхода из изоляционных колодок.

При регулировании механических характеристик необходимо учитывать, что напряжение срабатывания реле в большей мере определяется противодействием контактных пластин, чем начальным положением якоря и натяжением возвратной пружины, а напряжение возврата определяется высотой медной пластинки и противодействием контактных пластин.

Реле РПУ-1. Общий вид реле РПУ-1-010 дан на рис. 6.

Рис. 6. Общий вид реле РПУ-1-010:

1 - колодка выводов; 2 - установочный угольник; 3 - ось якоря; 4 - изоляционные колодки; 5 - винты крепления контактной системы; 6 - упорные пластины; 7 - неподвижные контакты; 8 - подвижные контакты; 9 - траверса; 10 - немагнитная прокладка; 11 - винт крепления траверсы; 12 - упор якоря; 13 - якорь; 14 - сердечник; 15 - обмотка; 16 - винт крепления обмотки; 17 - скоба магнитопровода; 18 - скоба

Реле должно иметь следующие характеристики:

- якорь реле должен иметь небольшой осевой люфт;

- якорь реле постоянного тока должен плотно прилегать к полочкам скобы магнитопровода, при этом между якорем и сердечником должен быть зазор до 0,4 мм;

- шлифованные поверхности якоря и сердечника реле переменного тока должны плотно прилегать друг к другу;

- ход якоря под упором якоря должен быть в пределах 3,6÷3,8 мм;

- междуконтактный зазор замыкающих и размыкающих контактов должен быть не менее 1,8 мм;

- провал размыкающих и замыкающих контактов должен быть не менее 1,2 мм, при этом между неподвижными контактными пластинами и упорными пластинами должен быть зазор не менее 0,6 мм. В разомкнутом положении контактов упорные пластины должны касаться контактных пластин;

- контакты каждой контактной пары должны замыкаться по центру с допустимым отклонением от соосности не более 0,5 мм. Контактные и упорные пластины не должны касаться вертикальных поверхностей траверсы;

- при отпущенном якоре между подвижными пластинами размыкающих контактов и полочкой траверсы должен быть зазор в пределах 0,4÷0,7 мм;

- при отпущенном якоре подвижные контактные пластины замыкающих контактов должны касаться полочек траверсы с давлением в пределах 3÷15 г.

При необходимости следует производить регулирование реле.

Положение якоря реле регулируют перемещением скобы при отпущенных винтах крепления.

Ход якоря под упором необходимо регулировать перемещением упора якоря.

Соосность контактов следует регулировать перемещением контактных пластин при отпущенных винтах крепления контактной системы. При перемещении контактных пластин может быть нарушена изоляция на винтах крепления контактной системы реле, что приведет к замыканию одного или нескольких контактов на корпус реле. Поэтому после такого регулирования необходимо проверить сопротивление изоляции между корпусом и каждой контактной пластиной.

Регулирование контактов следует производить подгибанием контактных и упорных пластин у места их выхода из изоляционных колодок.

Реле РПУ-2. Реле (см. рис. 6) должно иметь следующие характеристики:

- осевой люфт якоря должен быть в пределах 0,05÷0,7 мм;

- немагнитная прокладка должна прилегать к якорю без видимого выпучивания;

- воздушный, зазор между якорем и полочкой скобы магнитопровода (с передней стороны реле) при притянутом положении якоря должен быть в пределах 0,3÷0,8 мм;

- немагнитная прокладка в притянутом положении якоря должна плотно опираться на переднюю часть выступа сердечника для реле постоянного тока;

- при отсутствии немагнитной прокладки якорь в притянутом положении должен опираться на передний выступ сердечника, не касаясь заднего, с видимым зазором не более 0,12 мм для реле переменного тока. При этом между якорем и полочкой скобы магнитопровода (с задней стороны реле) должен быть зазор не более 0,15 мм;

- ход якоря под его упором должен быть в пределах 2,5÷2,7 мм;

- междуконтактный зазор замыкающих и размыкающих контактов должен быть не менее 1,4 мм и не менее 1,0 мм для переключающих контактов;

- провал размыкающих и замыкающих контактов должен быть не менее 0,8 мм и не менее 0,6 мм для переключающих контактов, при этом между неподвижными контактными пластинами и упорными пластинами должен быть зазор не менее 0,6 мм. В разомкнутом положении контактов упорные пластины должны касаться контактных пластин;

- контакты каждой контактной пары должны замыкаться по центру с допустимым отклонением от соосности не более 0,3 мм.

Контактные пластины не должны касаться вертикальных поверхностей траверсы;

- между подвижными контактными пластинами размыкающих контактов и полочкой траверсы должен быть зазор в пределах 0,4÷0,7 мм;

- при отпущенном якоре подвижные контактные пластины замыкающих контактов должны касаться полочек траверсы с давлением в пределах 3÷10 г;

- замыкающие контакты реле должны замыкаться после размыкания размыкающих контактов и образования между размыкающими контактами зазора не менее 0,5 мм.

При необходимости следует производить регулирование реле.

Положение якоря реле необходимо регулировать перемещением скобы при отпущенных винтах крепления.

Ход якоря под упором следует регулировать перемещением упора якоря.

Соосность контактов следует регулировать перемещением контактных пластин при отпущенных винтах крепления контактной системы. При перемещении контактных пластин может быть нарушена изоляция на винтах крепления контактной системы реле, что приведет к замыканию одного или нескольких контактов на корпус реле. Поэтому после такого регулирования необходимо проверить сопротивление изоляции между корпусом и каждой контактной пластиной.

Регулирование контактов необходимо производить подгибанием контактных и упорных пластин у места их выхода из изоляционных колодок.

Реле МКУ-48, МКУ-48с. Общий вид реле МКУ-48 дан на рис. 7.

Рис. 7. Общий вид реле МКУ-48:

1 - скоба магнитопровода; 2 - обмотка; 3 - якорь; 4 - подвижный контакт; 5 - неподвижный контакт; 6 - возвратная пружина; 7 - винт натяжения возвратной пружины; 8 - упор якоря: 9 - винты крепления упора якоря; 10 - ось якоря; 11 - медный упор; 12 - изоляционная рамка; 13 - изоляционные колодки; 14 - винты крепления контактной системы; 15 - упорные пластины; 16 - скоба.

Реле должно иметь следующие характеристики:

- якорь реле должен иметь небольшой осевом люфт;

- ход якоря между сердечником и упором якоря должен быть в пределах 2,5÷2,8 мм;

- в конечном положении якорь должен упираться в край сердечника;

- при срабатывании подвижные контакты не должны сползать с плоскости неподвижных. Контактные пластины не должны касаться вертикальной плоскости изоляционной рамки;

- провал контактов должен быть не менее 0,8-1 мм, при этом зазор между упорной и контактной пластинами должен быть не менее 0,5 мм.

При необходимости следует производить регулирование реле.

Ход якоря необходимо регулировать перемещением упора якоря.

Конечное положение якоря следует регулировать перемещением скобы при отпущенных винтах крепления.

Соосность контактов необходимо регулировать перемещением контактных пластин при отпущенных гайках на винтах крепления контактной системы.

Регулирование контактов следует производить подгибанием контактных и упорных пластин у места их выхода из изоляционных колодок.

Реле серии КДР. Общий вид реле дан на рис. 8.

Реле должно иметь следующие характеристики:

- воздушный зазор между якорем и сердечником в притянутом положении якоря должен быть не менее 0,3 мм для реле КДР-1, не менее 0,2 мм для реле КДР-2, не менее 0,05 мм для реле КДР-3М, не менее 0,15 мм для реле КДР-5М, не менее 0,08 мм для реле КДР-6М;

- ход якоря должен быть в пределах 2,2÷2,6 мм (определяется зазором между изоляционной планкой и упорной скобой в притянутом положении якоря) для реле КДР-1, КДР-3М, КДР-5М, КДР-6М и 0,4÷0,8 мм (определяется зазором между сердечником и якорем в отпущенном положении якоря) для реле КДР-2;

- перемещение якоря вдоль шарнира должно быть в пределах 0,3÷0,7 мм;

- перемещение якоря в вертикальном направлении должно быть в пределах 0,3÷0,5 мм;

Рис. 8. Общий вид реле серии КДР:

а - КДР-1:

1 - сердечник; 2 - обмотка; 3 - якорь; 4 - неподвижные контакты; 5 — подвижные контакты; 6 - изоляционная планка; 7 - упорная скоба; 8 - упорные пластины; 9 - медный упор; 10 - изоляционные колодки; 11 - винты крепления контактной системы:

б - КДР-3М:

1 - сердечник; 2 - обмотка; 3 - якорь; 4 - неподвижные контакты; 5 - подвижные контакты; 6 - изоляционная планка; 7 - упорная скоба; 8 - упорные пластины; 9 - изоляционные колодка; 10 - винты крепления контактно системы;

в - КДР-5М:

1 - сердечник; 2 - обмотка; 3 - якорь; 4 - неподвижные контакты; 5 - подвижные контакты; 6 - изоляционная планка; 7 - упорная скоба; 8 - упорные пластины; 9 - немагнитный упор; 10 - изоляционные колодки; 11 - винты крепления контактной системы; 12 - демпферные шайбы

- перемещение якоря вдоль оси сердечника должно быть в пределах 0,05÷0,15 мм;

- междуконтактные расстояния замыкающих и размыкающих контактов должно быть не менее 0,8-1,2 мм и переключающих контактов не менее 0,5-1 мм;

- провал контактов (определяется зазором не менее 0,15 мм между неподвижной контактной и упорной пластинами) должен быть не менее 0,25 мм;

- контактное давление должно быть в пределах 25-30 г

- давление контактных пластин на изоляционную планку должно быть в пределах 8÷12 г.

При необходимости следует производить регулирование реле.

Воздушный зазор между якорем и сердечником в притянутом положении якоря для реле КДР-1, КДР-2 следует регулировать изменением высоты медного упора спиливанием упора или заменой его более длинным; для реле КДР-3М, КДР-5М, КДР-6М - изгибом центральной части якоря, находящейся напротив сердечника. Воздушный зазор между якорем и сердечником можно уменьшить также, стачивая нижний выступ скобы магнитопровода для реле КДР-3М или немагнитный упор для реле КДР-5М, КДР-6М.

Ход якоря необходимо регулировать изменением угла изгиба якоря.

Перемещение якоря вдоль оси сердечника следует регулировать подгибанием упорной скобы.

Соосность контактов необходимо регулировать перемещением контактных пластин при отпущенных винтах крепления контактной системы.

Регулирование контактов производить подгибанием контактных и упорных пластин в местах их выхода из изоляционных колодок.

При регулировании механических характеристик необходимо учитывать, что напряжение, время срабатывания и возврата реле в большей мере определяется начальным и конечным положением якоря, чем противодействием контактных пластин.

Регулирование времени действия реле КДР-5М, КДР-6М изменением механических характеристик может не обеспечить необходимых параметров. В этом случае дополнительное регулирование может производиться изменением количества демпферных шайб и изменением расположения обмоток и демпферных шайб на сердечнике. При этом уменьшение количества демпферных шайб вызывает уменьшение времени срабатывания и возврата реле; установка демпферных шайб ближе к воздушному зазору вызывает увеличение времени срабатывания реле; установка обмотки реле ближе к воздушному зазору вызывает уменьшение времени срабатывания реле.

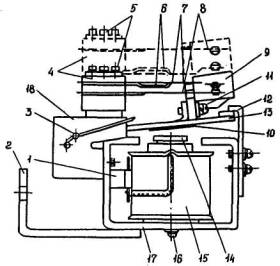
Реле РП-321, РП-341, РП-342. Общий вид реле РП-321 дан на рис. 9.

Рис. 9. Общий вид реле РП-321:

1 - цоколь; 2 - магнитопровод; 3 - медная пластинка; 4 - якорь; 5 - поводок; 6 - изоляционная рамка; 7 - скоба; 8 - пластинки, удерживающие ось поводка; 9 - обмотка; 10 - пластинка, удерживающая обмотку; 11 - подвижные контакты; 12 - неподвижные контакты; 13 - изоляционные колодки; 14 - трансформатор; 15 - выпрямительный мост; 16 - конденсатор; 17 - упор

Реле должно иметь следующие характеристики:

- осевой люфт якоря должен быть в пределах 0,5÷0,6 мм;

- в притянутом положении якорь должен упираться в немагнитные прокладки обоих полюсов сердечников магнитопровода;

- ход якоря должен быть в пределах 3÷4 мм, упор якоря должен упираться в сердечник магнитопровода;

- при срабатывании подвижные контакты не должны сползать с плоскости неподвижных;

- для реле РП-321 между изоляционной рамкой и подвижными контактными пластинами переключающих контактов при отпущенном якоре должен быть зазор в пределах 0,5÷1,0 мм, а подвижные контактные пластины замыкающих контактов должны опираться на изоляционную рамку. Междуконтактный зазор замыкающих контактов должен быть в пределах 2,5÷2,8 мм. Давление размыкающих контактов должно быть в пределах 12÷18 г, а подвижных контактных пластин на изоляционную рамку - не менее 8 г;

- для реле РП-341, РП-342 зазор между угольником толкателя и подвижной контактной пластиной переключающего контакта нормальной мощности должен быть в пределах 0,5÷0,8 мм, а междуконтактный зазор замыкающего контакта должен быть не менее 1,6 мм. Междуконтактный зазор замыкающего контакта повышенной мощности должен быть в пределах 1,5÷2 мм, а междуконтактный зазор размыкающего контакта должен быть не менее 2 мм. Для переключения контактов повышенной мощности без разрыва цепи при срабатывании реле между угольником толкателя размыкающего контакта и подвижной контактной пластиной в момент замыкания замыкающего контакта должен быть зазор в пределах 0,5÷0,8;

- давление размыкающего контакта нормальной мощности должно быть в пределах 12÷18 г, давление замыкающего контакта повышенной мощности после замыкания должно быть не менее 50 г, а давление размыкающего контакта повышенной мощности должно быть не менее 30 г.

При необходимости следует произвести регулирование реле.

Положение якоря реле в притянутом положении регулируется перемещением магнитопровода при отпущенных винтах его крепления.

Ход якоря необходимо регулировать подгибанием упора.

Соосность контактов следует регулировать перемещением контактных пластин при отпущенных гайках или винтах крепления контактной системы.

Рeгулирование контактов производить подгибанием неподвижных контактных пластин на расстоянии 3-8 мм от изоляционных колодок.

Зазоры между изоляционной рамкой, угольниками толкателя и подвижными контактными пластинами следует регулировать подгибанием подвижных контактов, угольников соответственно.

Реле РП-8, РП-9, РП-11, РП-12. Общий вид реле РП-11 и РП-12 дан рис. 10.

Рис. 10. Общий вид реле РП-11, РП-12:

1 - рамка-основание; 2 - скоба магнитопровода; 3 - якорь; 4 - обмотка; 5 - толкатель; 6 - балочка; 7 - регулировочные винты; 8 - изоляционная колодка; 9 - подвижный контакт; 10 - неподвижные контакт; 11 - постоянный магнит; 12 - цоколь; 13 - кронштейн; 14 - винты крепления механизма; 15 - винты крепления контактной системы; 16 - полуось

Реле должно иметь следующие характеристики:

- осевой люфт якоря должен быть в пределах 0,2÷0,3 мм;

- якорь реле в крайних положениях должен плотно прилегать к скобе магнитопровода с передней стороны реле, а между якорем и прилегающей к нему скобе магнитопровода со стороны цоколя должен быть небольшой зазор.

Указанный зазор должен быть, возможно, меньшим для повышения надежности удержания якоря в крайних положениях. Якорь реле не должен касаться краев обмотки;

- контакты каждой контактной пары должны замыкаться по центру с допустимым отклонением от соосности не более 1,0 мм;

- междуконтактный зазор контактов, используемых для коммутации внешних цепей, должен быть не менее 1,8 мм;

междуконтактный зазор контактов, включенных в цепь обмоток, должен быть в пределах 1÷1,3 мм;

- между толкателем и подвижными контактными пластинами контактов, используемых для коммутации внешних цепей и находящихся в замкнутом положении, должен быть зазор не менее 0,5 мм. Для контактов, включенных в цепи обмоток реле, указанный зазор не контролируется;

- давление подвижных контактов на неподвижные должно быть в пределах 10÷18 г.

При необходимости следует произвести регулирование реле.

Осевой люфт необходимо регулировать изменением положения полуосей. Соосность контактов следует регулировать перемещением контактных пластин при отпущенных винтах крепления контактной системы.

Регулирование междуконтактных зазоров следует производить подгибанием неподвижных контактных пластин.

Регулирование давления контактов производить подгибанием подвижных контактных пластин вместе с охватывающими их выводными пластинами.

Воздушный зазор со стороны цоколя реле между якорем и прилегающей к нему скобой магнитопровода определяет напряжение срабатывания реле. Указанный зазор изменяется регулировочными винтами при отпущенных винтах крепления постоянного магнита и винтах крепления механизма. При этом вращение регулировочного винта по часовой стрелке приводит к уменьшению зазора, что вызывает увеличение напряжения срабатывания реле.

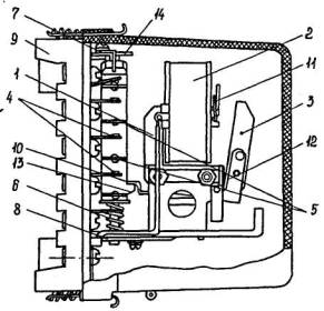
Реле серии РЭВ-880. Общий вид реле РЭВ-Ш и РЭВ-884 дан на рис. 11.

Реле должно иметь следующие характеристики:

- немагнитная прокладка должна прилегать к якорю;

- якорь реле должен легко поворачиваться на призматической опоре, образованной плоскостью керна магнитопровода и пластинкой, при этом люфт якоря в притянутом положении в вертикальном направлении должен быть минимальным, а смещение поверхности подвижного контакта относительно неподвижного должно быть не более 1 мм;

- люфт якоря в горизонтальном направлении должен быть не более 0,3 мм;

- междуконтактный зазор замыкающих контактов должен быть не менее 4 мм, размыкающих контактов не менее 3 мм;

- провод контактов должен быть не менее 1,5 мм;

- начальное давление контактной пружины на контактный мостик должно быть не менее 70 г;

- контакты, работающие в одной цепи, должны быть отрегулированы так, чтобы при замыкании одной пары контактов зазор между контактами другой пары был не более 0,5 мм.

Рис. 11. Общий вид реле РЭВ-883, РЭВ-884:

1 - магнитопровод; 2 - изоляционная шайба; 3 - демпфер; 4 - обмотка; 5 - крепежное кольцо; 6 - регулировочная гайка; 7 - пружина плавного регулирования; 8 - сердечник; 9 - демпфер; 10 - якорь;. 11 - скоба; 12 - винт крепления скобы;.13 - пластинка; 14 - угольник; 15 - винт крепления угольника; 16 - гайки крепления неподвижных контактов; 17 - стопорный винт; 18 - узел крепления неподвижных контактов; 19 - немагнитная прокладка; 20 - подвижные контакты

При необходимости следует произвести регулирование реле.

Люфт якоря в вертикальном направлении устраняют перемещением, скобы в направлении оси вращения при отпущенных винтах крепления скобы.

Люфт якоря в горизонтальном направлении следует регулировать перемещением пластинки относительно основания реле при отпущенных винтах крепления угольника.

Междуконтакный зазор и провал контактов необходимо регулировать изменением положения неподвижных контактов.

Начальное положение якоря следует устанавливать стопорным винтом. От начального положения якоря и силы натяжения возвратной пружины, которая изменяется регулировочной гайкой, зависит напряжение срабатывания реле; при этом необходимо учитывать, что изменение натяжения возвратной пружины приводит также к некоторому изменению времени возврата реле.

Конечное положение якоря определяется толщиной немагнитной прокладки. Установка немагнитных прокладок различной толщины позволяет изменять конечное положение якоря и тем самым изменять выдержку времени на возврат. Плавное регулирование выдержки времени на возврат может осуществляться изменением натяжения пружины плавного регулирования.

2.6.3. Регулирование указательных реле

Реле РУ-21, БРУ-4. Общий вид реле РУ-21 дан на рис. 12.

Рис. 12. Общий вид реле РУ-21:

1 - цоколь; 2 - кожух; 3 - обмотка; 4 - сердечник; 5 - якорь; 6 - барабанчик: 7 - неподвижные контакты; 8 - возвратная пружина; 9 - флажок; 10 - ручка возврата флажка; 11 - скоба; 12 - винты крепления скобы; 13 - полуось; 14 - скоба барабанчика; 15 - регулировочная скоба; 16 - скоба возврата

Реле должно иметь следующие характеристики:

- барабанчик реле должен свободно вращаться без заметного трения. Люфт барабанчика вдоль оси вращения должен быть в пределах 0,2-0,5 мм;

- якорь реле в горизонтальном направлении должен иметь небольшой люфт, обеспечивающий легкий ход якоря до его упора в сердечник;

- скоба барабанчика должна упираться в отогнутую часть якоря, при этом зацепление между зубом скобы барабанчика и выступом якоря должно быть в пределах 1÷1,5 мм;

- флажок реле не должен выпадать при резком сотрясении панели;

- провал неподвижных контактов должен быть в пределах 1÷2 мм;

- при нажатии на скобу возврата барабанчик должен четко возвращаться в исходное положение.

При необходимости следует произвести регулирование реле.

Люфт барабанчика вдоль оси вращения необходимо регулировать изменением положения полуоси.

Люфт якоря в горизонтальном направлении следует устанавливать перемещением скобы при отпущенных винтах ее крепления.

Зацепление между зубом скобы барабанчика и выступом якоря следует регулировать подгибанием регулировочной скобы.

Провал неподвижных контактов следует регулировать их подгибанием.

Напряжение (ток) срабатывания реле необходимо регулировать изменением начального положения якоря и натяжением возвратной пружины, что производится подгибанием регулировочной скобы.

Реле ЭС-41. Общий вид реле дан на рис. 13.

Реле должно иметь следующие характеристики:

- при снятой возвратной пружине якорь реле должен свободно перемещаться из начального в конечное положение при наклоне устройства вперед и назад на угол 45° от вертикального положения;

- начальный зазор между выступом якоря и сердечником должен быть в пределах 1÷1,2 мм;

- флажок реле не должен выпадать при резком сотрясении панели;

- при нажатии на кнопку возврата флажок реле должен четко возвращаться в исходное положение.

Рис. 13. Общий вид реле ЭС-41:

1 - цоколь: 2 - кожух; 3 - обмотка; 4 - сердечник; 5 - якорь; 6 - флажок; 7 - возвратная пружина; 8 - скоба; 9 - винты крепления скобы; 10 - кнопка возврата

При необходимости следует произвести регулирование реле.

Начальный зазор между выступом якоря и сердечником следует устанавливать перемещением скобы при отпущенных винтах ее крепления.

Ток срабатывания реле необходимо регулировать изменением начального положения якоря и натяжением возвратной пружины, что производится перемещением скобы и подгибанием хвостовика скобы.

2.6.4. Регулирование реле импульсной сигнализации

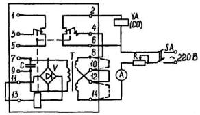
На рис. 14 дана принципиальная схема реле РИС-Э2М, на рис. 15 - РИС-Э3М.

Регулирование заключается в обеспечении правильной настройки исполнительных органов (реле КР) этих реле - ТРМ-Т для реле РИС-Э2М, РИС-Э2М-0,2 и РП-4 для реле РИС-Э3М.

Перемещением упорных винтов реле должны быть отрегулированы так, чтобы якорь четко фиксировался в конечных положениях (нейтральная настройка реле). При этом зазор между контактами должен быть не менее 0,1 мм, а хвостовик якоря в крайних положениях не должен касаться полюсов магнитопровода.

Рис. 14. Принципиальная схема репе РИС-Э2М

Рис. 15. Принципиальная схема реле РИС-Э3М

2.7. Проверка сопротивления изоляции

Измеряется сопротивление изоляции:

а) всех токоведущих частей относительно корпуса;

б) между электрически не связанными цепями.

Перед измерением сопротивления изоляции необходимо принять меры, препятствующие в случае неисправности изоляции повреждению полупроводниковых приборов и конденсаторов реле РП-256, РП-321, РП-341, РИС-Э2М, РИС-Э2М-0,2, РИС-Э3М. Для этого замыкаются выводы полупроводниковых приборов и конденсаторов.

Измерение сопротивления изоляции всех токоведущих частей относительно корпуса производится мегаомметром на напряжение 1000 В. Для объединения всех токоведущих частей реле его выводы замыкаются перемычками.

Измерение сопротивления изоляции между электрически не связанными цепями производится мегаомметром на напряжение 1000 В, за исключением измерения сопротивления изоляции между обмотками промежуточных реле РП-232, РП-233, РП-253, РП-254, РП-255, между первичными и вторичной обмотками промежуточных трансформаторов реле РП-321, РП-341, которое производится мегаомметром на напряжение 500 В.

Мегаомметром на напряжение 500 В измеряется также сопротивление изоляции между электрически не связанными цепями реле импульсной сигнализации.

Для реле РИС-Э2М и РИС-Э2М-0.2 сопротивление изоляции измеряется между обмотками трансформатора, обмотками, контактами, обмотками и контактами реле КР. Для реле РИС-Э3М сопротивление изоляции измеряется между обмотками, контактами, обмотками и контактами реле КР.

Изоляцию реле следует считать допустимой, если измеренное значение сопротивления изоляции составляет не менее 50 МОм.

2.8. Проверка электрических характеристик

2.8.1. Объем проверок

Проверка электрических характеристик реле выполняется в следующем объеме:

Для реле ЭП-1, РП-23, РП-25, РП-232, РП-233, РП-250, РП-220, МКУ-48, КДР, РПУ-1, РПУ-2, РЭВ-880:

- напряжение (ток) срабатывания и возврата реле по основной обмотке;

- однополярные выводы основной и дополнительной обмоток;

- ток (напряжение) удерживания реле по дополнительным обмоткам;

- время действия для реле, имеющих замедление на срабатывание или возврат, а также для реле, по которым время действия задано картой уставок или инструкцией по эксплуатации.

Для реле РП-321, РП-341, РП-342:

- ток (напряжение) срабатывания и возврата реле;

- зависимость вторичного выпрямленного напряжения от тока;

- надежность работы контактов реле РП-341, РП-342.

Для реле РП-8, РП-9, РП-11, РП-12: напряжение срабатывания реле по каждой обмотке.

Для реле РУ-21, БРУ-4, ЭС-41: напряжение (ток) срабатывания реле по каждой обмотке.

Для реле РИС-Э2М, РИС-Э2М-0,2, РИС-Э3М;

- чувствительность реле;

- возврат реле;

- надежность работы контактов реле.

2.8.2. Общие указания по проверке электрических характеристик промежуточных и указательных реле

Основными электрическими величинами, определяющими исправность реле и правильность его регулирования, являются напряжение (ток) срабатывания и возврата.

Напряжение срабатывания шунтовых промежуточных и указательных реле постоянного тока не должно превышать 70 % номинального.

Исключение составляют реле серии РП-220 (РП-210). Для обеспечения быстродействия реле выполнены таким образом, что напряжение их срабатывания не превышает 60 % номинального. У большинства реле оно составляет 30-35 %, что обуславливает повышенную чувствительность их к замыканиям на землю в цепях постоянного тока и приводит к неправильным действиям устройств РЗА.

Учитывая выше изложенное, при регулировании реле серии РП-220 (РП-210) следует руководствоваться следующим.

При использовании указанных реле в установках высокого напряжения определяющим фактором является время действия; напряжение срабатывания в этом случае не должно превышать 60 % номинального.

В случаях применения реле в установках, где по условиям динамической устойчивости допустимо увеличение времени действия устройств РЗА на 0,01-0,02 с, напряжение срабатывания должно быть в пределах 65÷70 % номинального. Изменение напряжения срабатывания осуществляется подбором сопротивления резистора (МЛТ-2) в цепи рабочей обмотки реле.

Напряжение срабатывания реле, работающих в цепях переменного тока, должно быть не более 85 % номинального.

Ток срабатывания (или удерживания) промежуточных реле и ток срабатывания указательных реле не должны превышать значений, указанных в технических данных на реле.

Напряжение (ток) возврата промежуточных реле указывается в технических данных. Для промежуточных реле, напряжение (ток) возврата которых не указан в технических данных, и для указательных реле основным требованием является четкий возврат реле при плавном снятии напряжения (тока).

Промежуточные реле, обмотки которых включены в схеме через добавочные резисторы, должны проверяться также вместе с последними. При этом напряжение срабатывания реле, измеренное на входе схемы, не должно превышать 80 % номинального напряжения оперативного тока данной электроустановки.

В тех случаях, когда последовательно с обмоткой промежуточного реле включена обмотка указательного реле, оба реле должны четко работать при подаче на схему напряжения, равного 80 % номинального. Причем при проверке работы промежуточного реле создается цепь через одно из указательных реле, при проверке же работы указательных реле цепь собирается через несколько параллельно включенных обмоток указательных реле по числу одновременно работающих защит.

В отдельных типах защит инструкцией или заводским техническим описанием напряжение срабатывания может быть задано отличным от указанных выше значений, а напряжение возврата - отличным от значений, приведенных в технических данных на реле. В этом случае реле настраивается на параметры, указанные в инструкции или заводском техническом описании, в которых также могут быть указаны специальные методы регулирования.

Если при проверке обнаруживается резкое отличие напряжения (тока) срабатывания от нормальных значений для реле данного типа, это указывает на неисправность обмотки реле или его неправильное механическое регулирование.

Пониженное напряжение (ток) срабатывания может быть вызвано чрезмерным ослаблением натяжения возвратной пружины, очень малым начальным зазором между якорем и сердечником, установкой в реле обмотки на более низкое номинальное напряжение (ток).

Повышенное напряжение (ток) срабатывания может быть вызвано чрезмерным натяжением возвратной пружины, неправильной сборкой движущихся частей, перекосом или застреванием подвижной системы, большим начальным зазором между якорем и сердечником, закорачиванием части витков обмотки, установкой в реле обмотки на более высокое номинальное напряжение (ток).

В этих случаях необходимо определить, чем вызваны обнаруженные отклонения: неисправность обмотки реле или неправильным регулированием механических характеристик реле.

Обмотку реле можно считать исправной, если измеренное активное сопротивление отличается от заводских данных не более чем на ± 10 % при диаметре провода до 0,16 мм; ± 7 % при диаметре провода 0,17-0,25 мм и ± 5 % при диаметре провода более 0,25 мм.

Измерение электрических параметров реле производится как с помощью комплектных испытательных устройств, например УПЗ-1 или У5051, так и с помощью измерительных схем, составленных из отдельных элементов.

2.8.3. Проверка напряжения (тока) срабатывания и возврата реле

Проверка напряжения срабатывания и возврата реле выполняется по схеме, приведенной на рис. 16, Для реле, работающих в цепях переменного тока, вместо регулировочного потенциометра можно использовать лабораторный регулировочный автотрансформатор ЛАТР-1.

Сопротивление потенциометра выбирается из расчета 0,5-1 Ом на каждый вольт питающего напряжения. Для того чтобы напряжение на обмотке реле, работающего в цепях переменного тока, не изменялось при его срабатывании, сопротивление потенциометра должно удовлетворять условию

где   Zcx - суммарное сопротивление проверяемой схемы;

Rn - сопротивление потенциометра.

Напряжение срабатывания двухпозиционных реле РП-8, РП-11 проверяется при подведении напряжения к каждой обмотке, а реле РП-9, РП-12 при подведении напряжения к обмоткам при верхнем и нижнем положениях толкателя.

Проверка тока срабатывания и возврата реле выполняется по схеме, приведенной на рис. 17.

Для обеспечения термической устойчивости реостата должно быть соблюдено следующее условие:

Iмакс < Iд.р

где   Iмакс - максимальный ток в цепи проверяемого реле;

Iд.р - максимально допустимый ток реостата.

Значение полного сопротивления реостата определяется минимальным током, который необходимо получить в цепи проверяемого реле

где   Un - напряжение источника питания;

Iмин - ток в цепи проверяемого реле.

Рис. 16.Схема проверки напряжения срабатывания и возврата реле

Рис. 17. Схема проверки тока срабатывания и возврата реле

Ток срабатывания реле РП-321, РП-341 проверяется при подведении переменного тока к соединенным последовательно или параллельно (в зависимости от заданной уставки) секциям первичной обмотки промежуточного трансформатора при закороченных выводах 11-13 реле.

Напряжение (ток) срабатывания и возврата реле следует определить при плавном изменении электрических величин.

Измерение электрических параметров следует производить приборами класса точности не ниже 1-1,5.

Для измерения переменного и постоянного тока можно использовать, например, миллиамперметры и амперметры Э59, Э513, Э514. Для измерения переменного и постоянного напряжения могут быть использованы вольтметры Э59, Э515, а также комбинированные приборы, например, Ц4311, Ц4312, Ц4313.

При использовании многопредельных приборов предел измерения желательно выбирать таким, чтобы измеряемое значение параметра находилось на участке шкалы от середины до максимального значения.

2.8.4. Определение однополярных выводов обмоток реле

Проверка однополярных выводов обмоток реле выполняется по схемам, приведенным на рис. 18. При проверке по схеме, приведенной на рис. 18, а, следует подать номинальное напряжение (ток) на рабочую обмотку реле, а затем номинальный ток (напряжение) на удерживающую обмотку реле. Плавно снижая напряжение (ток) на рабочей обмотке до нуля, следим за поведением реле. Если якорь реле остается в притянутом положении, то однополярными будут выводы обмоток, подключенные к одноименным полюсам источника питания.

Рис. 18 Схемы проверки однополярных выводов реле:

а - 1-й вариант; б - 2-й вариант

При проверке по схеме, приведенной на рис. 18, б, чувствительный измерительный прибор магнитоэлектрической системы подключают к выводам одной из обмоток таким образом, чтобы при замыкании кнопки SB стрелка прибора отклонялась по шкале вправо. Однополярными при этом будут выводы обмоток, подключенные к "+" батарейки GB и измерительного прибора.

2.8.5. Проверка тока (напряжения) удерживания реле

Проверка тока (напряжения) удерживания реле выполняется по схеме, приведенной на рис. 18, а. Для этого на рабочую обмотку толчком подается номинальное значение напряжения (тока), затем на удерживающую обмотку подается номинальное значение тока (напряжения). Снимается напряжение (ток) с рабочей обмотки реле и при плавном уменьшений тока (напряжения) на удерживающей обмотке реле определяется значение, при котором якорь реле возвращается в начальное положение.

При проверке следует соблюдать полярность подведения тока (напряжения) к обмоткам реле. Однополярные выводы реле должны подключаться к одноименным полюсам источника питания.

2.8.6. Проверка времени действия реле

Время действия реле с помощью электрического секундомера типа ПВ-53Л (ПВ-53Ш) определяются по одной из схем, приведенных на рис. 19, при подведении номинального напряжения (тока) к обмотке реле. Применение той или иной схемы определяется видом контакта (замыкающий или размыкающий) и характером измерения (измерение времени при срабатывании реле или измерение времени при возврате реле).

Рис.19. Схемы измерения:

a - времени замыкания замыкающего контакта; б - времени размыкания размыкающего контакта; в - времени размыкания замыкающего контакта; г - времени замыкания размыкающего контакта

Электрический секундомер ПВ-53Л (ПВ-53Ш) имеет погрешность ± 0,03 с при измерении времени до 3 с и ± 0,05 с при измерении времени до 10 с. При измерении малого времени (менее 0,1 с), когда погрешность секундомера может существенно влиять на результат измерения, следует пользоваться электронным миллисекундомером, например Ф 209. Подключение реле в этом случае выполняется в соответствии с заводской инструкцией на используемый прибор.

В большинстве случаев картой уставок или инструкцией по эксплуатации задается время действия реле в схеме, которое, в общем, может отличаться от времени действия самого реле.

Определение времени действия реле в схеме производится при подведении к схеме номинального напряжения и замыкании (размыкании) цепи срабатывания (возврата) реле с одновременным пуском секундомера.

В качестве контактов, используемых для управления секундомером, при проверке реле в схеме следует выбирать резервные контакты реле или в случае отсутствия последних контакты реле, используемые в схеме. В последнем случае контакты необходимо исключить из схемы для устранения связи цепей питания обмотки и управления секундомером.

При измерении времени возврата реле РП-252, РП-254, РП-256, КДР-5М, КДР-6М, РЭВ-880 необходимо учитывать, что оно зависит от времени нахождения реле под напряжением. Для исключения влияния этой зависимости на измерения обмотку реле следует держать под напряжением в течение 2-3 с.

2.8.7. Зависимость вторичного выпрямленного напряжения от тока репе РП-321, РП-341

Зависимость вторичного выпрямленного напряжения от тока характеризует насыщение промежуточного трансформатора репе. Насыщение промежуточного трансформатора позволяет ограничить кратность тока в исполнительном органе реле при КЗ. При снятии зависимости ток значением от нуля до максимального тока КЗ подводится к последовательно соединенным секциям первичной обмотки промежуточного трансформатора реле по схеме, приведенной на рис. 17, а выпрямленное напряжение измеряется на выводах 11 и 13 реле вольтметром с внутренним сопротивлением 1 кОм на 1В.

Рис. 20. Зависимость вторичного выпрямленного напряжения от тока реле РП-321, РП-341

Ориентировочная зависимость вторичного выпрямленного напряжения от тока исправного реле приведена на рис. 20.

При измерении в качестве вольтметра может быть использован комбинированный прибор Ц4313 и Ц434.

Если кривая зависимости вторичного выпрямленного напряжения от тока располагается значительно ниже ориентировочной, это может указывать на неисправность одного из элементов реле - выпрямительного моста, конденсатора или промежуточного трансформатора.

Исправность трансформатора определяется характером изменения зависимости напряжения на вторичной обмотке при отключенном от нее конденсаторе и выпрямительном мосте от тока в первичных обмотках. Если при увеличении тока в первичных обмотках трансформатора напряжение на вторичной обметке изменяется незначительно, это свидетельствует о повреждении обмоток трансформатора.

Исправность конденсатора проверяется по его способности сохранять заряд. Для проверки сохранения заряда конденсатор заряжается, для чего на выводы конденсатора подается постоянное напряжение около 100 В в течение 5 с, и через 3 мин замыкаются его выводы. Наличие искры при замыкании выводов свидетельствует об исправности конденсатора.

Выпрямительный мост проверяется омметром (измерением прямого и обратного сопротивления выпрямительного элемента каждого плеча). Прямое сопротивление исправного элемента должно составлять несколько десятков ом, а обратное сопротивление - несколько сотен килоом.

2.8.8. Проверка надежности работы контактов реле РП-341, РП-342

Надежность работы контактов реле необходимо проверить при дешунтировании соленоида отключения YA выключателя для значений подводимых к ним токов, равных 0,25; 0,5; 0,75; 1,0 максимального тока КЗ.

Для реле РП-341 проверку следует выполнять по схеме, приведенной на рис. 21, а для реле РП-342 - при включении контактов реле и соленоида отключения выключателя аналогично показанному на рис. 21 и подведении номинального напряжения к обмотке реле по схеме, приведенной на рис. 16.

Рис. 21. Схема проверки надежности работы контактной системы реле РП-341

Проверку работы контактов следует производить при снятой крышке реле с перерывом 2-3 мин после каждого опыта для остывания контактов.

Контакты должны работать четко. Оплавление и сваривание контактов недопустимо. Допускается лишь небольшое их потемнение.

В процессе эксплуатации рекомендуется производить осмотр контактов реле после трех-пяти срабатываний защиты.

2.8.9. Проверка чувствительности реле импульсной сигнализации

Реле РИС-Э2М, РИС-Э2М-0,2

Чувствительность реле определяется значением импульса тока срабатывания. Значение импульса тока срабатывания реле зависит от предварительного тока в реле, поэтому проверку, а в случае необходимости и настройку реле следует производить при отсутствии предварительного тока в реле с последующей проверкой значения импульса тока срабатывания при максимальном предварительном токе в реле.

Зависимость значения импульса тока срабатывания реле от предварительного тока приведена на рис. 22, а и 6 для реле РИС-Э2М и РИС-Э2М-0,2 соответственно.

Рис. 22. Зависимость значений импульса тока срабатывания:

а - для реле РИС-Э2М; б - для реле РИС-Э2М-0,2

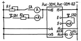
Проверка производится при номинальном напряжении по схеме, приведенной на рис. 23.

Рис. 23. Схема настройки реле РИС-Э2М, РИС-Э2М-0,2

Отключается рубильник SA (снимается предварительный ток) и реостатом R2 при нажатой кнопке SB1 устанавливается ток 20 (60) мА (в скобках указан ток для реле РИС-Э2М-0,2).

Изменением начального положения якоря правым неподвижным контактом (обозначен знаком "+") регулируется срабатывание реле при нажатии (нарастание тока), а изменением начального положения якоря левым неподвижным контактом (обозначен знаком "-") регулируется срабатывание (возврат) реле при отпускании кнопки SB1.

Срабатывание реле определяется по зажиганию лампы HL.

Проверяется соответствие механического регулирования реле КР требованиям, приведенным в п. 2.6.4.

В случае невозможности одновременного выполнения требований к механическому регулированию реле и к значению импульса тока срабатывания необходимо проверить схему внутренних соединений и произвести проверку элементов реле, описанную в п. 2.8.12.

Следует проверить отсутствие срабатывания реле при манипуляции кнопкой SB1, если ток реостатом R2 уменьшен до 15 (50) мА.

Затем к реле следует подвести предварительный ток 1,45 (3,8) А (устанавливается реостатом R1) и определить импульс тока срабатывания реле, который должен находиться в пределах 45÷55 (170÷190) мА.

Реле РИС-Э3М

Значение импульса тока срабатывания реле следует проверить, а в случае необходимости и настроить при поданном предварительном токе в реле с последующей проверкой значения импульса тока срабатывания при отсутствии предварительного тока в реле.

Проверка производится при номинальном напряжении по схеме, приведенной на рис. 24. Схема выполнена для включения лампы HL1 напряжением 220 В, мощностью 10 Вт.

Настройка производится подбором сопротивления резистора R7* (см. рис. 15).

Реостатом R устанавливается предварительный ток 0,5 А и кнопкой SB1 включается лампа HL1. При включении лампы HL1 реле должно сработать. Срабатывание реле определяется по зажиганию лампы HL. Если реле не сработало, следует уменьшить сопротивление резистора R7*, а если реле сработало, но после его возврата при нажатии кнопки SB2 снова сработало, то следует увеличить сопротивление резистора В7*.

При подборе сопротивления резистора R7* можно использовать ряд резисторов 0,1; 0,2; 0,5; 0,75; 1,0; 1,5; 2,0; 2,6; 3,0 МОм.

Проверяется срабатывание реле при отсутствии предварительного тока (отключен рубильник SА). При несрабатывании реле уменьшают сопротивление резистора R7*. В этом случае необходимо повторно проверить работу реле при поданном предварительном токе.

Рис. 24. Схема настройки реле РИС-Э3М

Если подбором резисторов в пределах указанного ряда не обеспечивается правильная работа реле, необходимо проверить схему внутренних соединений и произвести проверку элементов реле, описанную в п. 2.8.13.

2.8.10. Проверка возврата реле импульсной сигнализации

Проверка возврата реле производится по схемам, приведенным на рис. 23, 24 при напряжении 0,9Uн. При нажатии кнопки SB2 должен произойти возврат реле (лампа HL должна погаснуть).

Если возврата реле не произошло, необходимо проверить цепь возврата реле. Проверка цепи возврата реле описана в пп. 2.8.12, 2.8.13.

2.8.11. Проверка надежности работы контактной системы реле импульсной сигнализации

Проверяется работа контактной системы реле на действительную нагрузку. Работа контактной системы не должна сопровождаться искрением, вызывающим подгорание контактов.

2.8.12. Проверка элементов реле импульсной сигнализации РИС-Э2М, РИС-Э2М-0.2 (см. рис. 14)

Реле КР

Реле проверяется по схеме, приведенной на рис. 25.

Рис. 25. Схема проверки поляризованного реле ТРМ-Т

На рис. 26 приведена схема внутренних соединений реле (оцифровка цоколя выполнена условно для вида на цоколь со стороны колков).

Рис. 26. Схема внутренних соединений поляризованного реле ТРМ-Т

Ток срабатывания реле должен составлять 4,2 мА ± 5 %.

При этом подведение тока к обмотке 2 реле (колки 1-6) с указанной на рис. 25 полярностью должно приводить к замыканию якоря с контактом, обозначенным "-", а подведение тока к обмотке 1 реле (колки 2-5) - к замыканию якоря с контактом, обозначенным "+".

Активное сопротивление каждой обмотки - 215 Ом (85 + 130) для секций обмотки, намотанных на каркасе, первой и второй соответственно.

Механическое регулирование реле должно удовлетворять требованиям, приведенным в п. 2.6.4.

Секции обмоток реле должны быть соединены с соблюдением полярности, указанной на рис. 26. Однополярные выводы обмоток могут быть определены по схеме, приведенной на рис. 18, б.

Трансформатор Т

Трансформатор следует проверить по схемам, приведенным на рис. 27. При этом выводы вторичной обмотки трансформатора должны быть отсоединены от транзисторов V1, V2.

Рис. 27. Схемы проверки трансформатора реле РИС-Э2М, РИС-Э2М-0,2:

а - схема проверки характеристики намагничивания; б - характеристика намагничивания; в - схема проверки коэффициента трансформации

По схеме, приведенной на рис. 27, а следует снять характеристику намагничивания. Примерная характеристика намагничивания приведена на рис. 27, б.

Коэффициент трансформации проверяется по схеме, приведенной на рис. 27, в, между первичной и каждой вторичной полуобмоткой при напряжении на вторичной полуобмотке 100 В. Коэффициент трансформации должен быть равен 125 для реле РИС-Э2М и 333 - для реле РИС-Э2М-0,2.

Обмотки трансформатора должны быть включены с учетом полярности в соответствии с рис. 14.

Делитель напряжения Д

Делитель напряжения следует проверять при подведении номинального напряжения 220 В к выводам 4-11 реле или к выводам 4-1, 4-2, 4-3 при номинальном напряжении соответственно110, 60, 48 В.

При исправном делителе напряжение эмиттер-коллектор (Uэ-к) транзисторов V1 и V2 должно быть в пределах 10,5÷14,5 В. Измерение напряжений следует производить вольтметром с внутренним сопротивлением не менее 1 кОм на 1 В. Для этой цепи могут быть использованы комбинированные приборы Ц4313 или Ц434.

При малых значениях напряжения Uэ-к может не обеспечиваться срабатывание реле от импульса 20 (60) мА при заданных параметрах механической настройки реле КР. В этом случае следует подбором резисторов делителя добиться увеличения напряжения Uэ-к, приближая его к максимально допустимому значению.

Цель возврата реле

При подведении номинального напряжения к выводам 4-11, 4-1, 4-2, 4-3 реле по обмотке 1 реле КР через резистор R9 должен протекать ток: 5 мА при номинальном напряжении 220 В; 5,1 мА - 110В; 5,3 мА - 60 В; 5,4 мА - 48 В.

При протекании тока, отличного от указанного, необходимо проверить исправность резистора R9.

Транзисторы V1, V2

Транзисторы следует проверить специальным прибором. У исправных транзисторов коэффициент усиления  по току должен быть 45-100.

Замена установленного транзистора транзистором с относительно большим коэффициентом усиления по току позволяет при неизменном значении импульса тока срабатывания реле несколько увеличить ток срабатывания реле КР, что приводит к увеличению зазора между контактами реле КР и, следовательно, к облегчению работы его контактной системы. В этом случае необходимо проверить надежность возврата реле, сопоставив ток срабатывания реле КР с током, протекающим через обмотку 1 реле КР от резистора R9, при подаче напряжения на выводы 4-11 реле 0,9 Uн.

Цоколевка и монтажная планка крепления транзисторов V1 и V2 приведены на рис. 28.

Для предотвращения выхода из строя транзисторов при эксплуатации реле рекомендуется устанавливать параллельно переходу эмиттер-коллектор транзисторов V1, V2 защитные стабилитроны типа. Д813, как показано пунктиром на рис. 28.

Рис. 28. Цоколевка и монтажная планка крепления транзисторов V1, V2 реле РИС-Э2М, РИС-Э2М-0,2

Конденсатор С

Исправность конденсатора следует проверить по его способности сохранять заряд. Порядок проверки конденсатора описан в п. 2.8.7.

Резисторы

Исправность резисторов следует проверить омметром.

Значение сопротивления исправного резистора должно соответствовать данным, приведенным в заводской документации.

2.8.13. Проверка элементов реле импульсной сигнализации РИС-ЭЗМ (см. рис. 15).

Реле КР

Для проверки реле КР следует использовать схему, приведенную на рис. 25.

Подключение реле КР к схеме проверки необходимо производить с учетом его схемы внутренних соединений.

Ток срабатывания реле КР должен быть 0,045-0,18 мА.

При этом подведение тока к обмотке 1 реле КР (колки 2-1, плюс подан на колок 2 реле) должно приводить к замыканию якоря с левым контактом, а подведение тока к обмотке 2 реле КР (колки 3-4, плюс подан на колок 3 реле) - к замыканию якоря с правым контактом.

Активное сопротивление каждой обмотки - 8500 Ом.

Механическое регулирование реле КР должно удовлетворять требованиям, приведенным в п. 2.6.4

Выпрямители V1 - V5

Проверку выпрямителей следует производить измерением прямого и обратного сопротивления каждого элемента. Прямое сопротивление исправного элемента составляет несколько десятков ом, а обратное сопротивление - несколько сотен килоом.

Цепь возврата реле

К выводам 15-16 реле следует подводить напряжение 220 В. В цепи возврата реле должен протекать суммарный ток около 0,91 мА, а непосредственно в обмотке 2 реле КР должен протекать ток около 0,63 мА.

При протекании токов, отличных от указанных, необходимо проверить исправность резисторов R5, R6.

Конденсатор С

Исправность конденсатора следует проверить по его способности сохранять заряд. Порядок проверки конденсатора описан в п. 2.8.7.

Резисторы

Исправность резисторов следует проверить омметром. Значение сопротивления исправного резистора должно соответствовать данным, приведенным в заводской документации.

2.9. Оформление результатов проверки

Результаты проверки реле следует занести в соответствующие протоколы, формы которых приведены в приложениях 2, 3, 4.

Приложение 1

ПОРЯДОК ПРОВЕРКИ ПРАВИЛЬНОСТИ ВЫБОРА РЕЛЕ И ДОБАВОЧНЫХ РЕЗИСТОРОВ

1. Указательные реле в цепи обмоток напряжения промежуточных реле постоянного тока

Указательные реле тока, установленные в цепи обмоток напряжения промежуточных реле постоянного тока, должны удовлетворять следующим условиям:

а) указательные и промежуточные реле должны надежно действовать при снижении напряжения оперативного тока до 0,8 Vн;

б) коэффициент чувствительности указательного реле должен быть не меньше коэффициента чувствительности промежуточного реле, включенного последовательно с ним;

в) коэффициент чувствительности указательного реле должен быть не менее 1,4 при номинальном напряжении оперативного тока.

Исходными данными для выбора указательного реле являются:

а) схема включения указательного реле;

б) сопротивление обмоток промежуточного и указательного реле;

в) номинальное напряжение оперативного тока.

Пример 1. Проверить правильность выбора указательного реле РА-21/0,015, установленного в цепи промежуточного реле РП-23. Схема включения реле показана на рис. П1.1, а. Номинальное напряжение оперативного тока 220 В. Сопротивление обмотки промежуточного реле РП-23/220 Rр = 9300 Ом, сопротивление обмотки указательного реле Rу = 1000 Ом.

Рис. П1.1. Расчетные схемы для выбора указательного реле:

а - к примеру, 1; б - при включении добавочного резистора

Ток, протекающий по обмоткам реле: при U = Uн;

при U = 0,8 Uн

Коэффициент чувствительности указательного реле:

при U = Uн

при U = 0,8 Uн

При последовательном включении обмоток указательного и промежуточного реле напряжение на последнем снижается, поэтому необходимо проверить надежность действия промежуточного реле.

Реле РП-23 может иметь напряжение срабатывания, равное 0,7 Uн. Следовательно, падение напряжения на обмотке указательного реле не должно превышать 0,1 Uн для того, чтобы схема надежно действовала при снижении напряжения оперативного тока до 0,8 Uн.

Падение напряжения на обмотке указательного реле при U = 0,8 Uн составляет

т.е. меньше, чем допустимые 10 %.

Коэффициент чувствительности промежуточного реле при Uн:

т.е. меньше, чем у указательного реле.

Таким образом, установленное указательное реле РУ-21/0,015 удовлетворяет предъявленным требованиям.

Если в результате расчета окажется, что выбранное указательное реле удовлетворяет требованию чувствительности, но не удовлетворяет требованию к значению падения напряжения на обмотке указательного реле, то следует выбрать указательное реле с меньшим сопротивлением обмотки. Обеспечение чувствительности указательного реле в этом случае достигается включением добавочного резистора параллельно обмотке промежуточного реле, как показано на рис. П1.1, 6.

Сопротивление добавочного резистора  выбирается таким, чтобы падение напряжения на обмотке указательного реле не превышало допустимого значения

                                                                                          (1)

Ток, протекающий по обмотке указательного реле при напряжении 0,8 Uн, определяется по формуле

                                                                                  (2)

Подставив значение Iр из выражения (2)в выражение (1) и решив его относительно , получим

Значение  принимается равным ближайшему большему стандартному значению.

После выбора значения  проверяется выполнение требований чувствительности к указательному реле при Uн и 0,8 Uн.

2. Промежуточные реле постоянного тока с последовательной обмоткой и указательные реле в цепи отключения выключателя

В схеме выходных цепей зашиты рис. П1.2, а проверить правильность выбора указательного и промежуточного реле.

Рис. П1.2. Схема выходных цепей защиты:

а - при включении одного указательного реле; б - при включении двух указательных реле

Значение тока в выходной цепи при напряжении 0,8 Uн:

где    Rко - сопротивление обмотки отключения;

Rк - сопротивление жил кабеля от панели защиты до привода выключателя;

Rр - сопротивление обмотки промежуточного реле;

Rу - сопротивление обмотки указательного реле;

Rд = (1,3 + 1,5)Rу - сопротивление добавочного резистора;

ΔR = 0,1 Ом - сопротивление переходных контактов.

Коэффициент надежности действия промежуточного реле

 

Коэффициент надежности действия указательного реле

 

Коэффициент надежности действия обмотки отключения

 

При проверке правильности выбора указательных и промежуточных реле в схеме выходных цепей защиты (рис. П1.2, б) надежность действия промежуточного реле необходимо оценивать при работе одной защиты, надежность действия указательного реле - при одновременной работе двух защит, принимая ток, протекающий через каждое указательное реле, равным , надежность действия обмотки отключения - при работе одной защиты.

3. Добавочные резисторы для промежуточных реле переменного тока

Добавочные резисторы в цепях промежуточных реле переменного тока включают в тех случаях, когда напряжение переменного оперативного тока выше, чем номинальное напряжение используемых в схеме промежуточных реле.

Схема включения промежуточного реле переменного тока с добавочными резисторами показана на рис. П1.3.

Последовательно с обмоткой реле KL1 включены два активных резистора R1 и R2.

Рис. П1.3. Схема включения промежуточного реле переменного тока с добавочными резисторами

Один из них R2 нормально зашунтирован размыкающими контактами реле KL1. Необходимость в схеме двух резисторов объясняется тем, что полное сопротивление обмотки реле KL1 не является постоянным, а зависит от того, в каком положении находится реле, т.е. подтянут или не подтянут его якорь.

При срабатывании реле уменьшается воздушный зазор магнитной системы, вследствие чего увеличивается индуктивность обмотки, а следовательно, и ее полное сопротивление. Таким образом, для того, чтобы обеспечить номинальное напряжение на обмотке реле в пусковом и нормальном режимах, значение сопротивления добавочного резистора в пусковом режиме должно быть меньше, чем в нормальном режиме.

Пример 2. Проверить правильность выбора добавочных резисторов R1 = 3300 Ом, R2 = 10000 Ом, установленных в цепи промежуточного реле KL1 на номинальное напряжение обмотки 220 В.

Исходные данные: напряжение оперативного тока 380 В; полное сопротивление реле при отпущенном якоре Z0 = 3100 Ом, при подтянутом якоре Zn = 9500 Ом; активное сопротивление обмотки реле Rр = 1300 0м.

С помощью графоаналитического метода определяются значения сопротивления добавочных резисторов.

Напряжение на обмотке реле в пусковом и нормальных режимах должно быть равным 220 В.

Ток, протекающий по обмотке реле, при отпущенном и подтянутом якоре составляет:

Определение R1. Активная составляющая падения напряжения на обмотке реле при отпавшем якоре составляет

Зная значение падения напряжения на обмотке реле (220 В) и его активную составляющую (92 В), можно построить треугольник падения напряжения на обмотке реле (рис. П1. 4, а).

Рис. П1.4. Графическое определение сопротивления:

а - резистора R1 к примеру 2; б - резистора R2 к примеру 2

Принимаем масштаб 4 В/мм.

Построение начинаем из точки О, вправо от которой откладываем отрезок ОА, равный 23 мм (активная составляющая падения напряжения). Перпендикулярно отрезку ОА проводим прямую АБ. Циркулем радиусом 55 мм (220/4) с центром в точке О на прямой АБ делаем засечку, получая точку В. Соединяя прямой точки О и В, получаем треугольник падения напряжения в обмотке реле, где АВ - индуктивная составляющая и ОВ - полное падение напряжения, равное 220 В. Продолжаем прямую ОА влево от точки О. Циркулем радиусом 95 мм (380/4) с центром в точке В на прямой ОА делаем засечку, получая точку Г. Отрезок ОГ, равный 57,5 мм, соответствует в выбранном масштабе падению напряжения на добавочном резисторе R1

I0R1 = 57,5 · 4 = 230 В.

Отсюда сопротивление резистора равно

 

Определение R2. Активная составляющая падения напряжения на обмотке реле при подтянутом якоре составляет

I0Rр=0,0232 · 1300 = 31 В.

Таким же образом, как и при определении R1, построим треугольник падения напряжения на обмотке реле в данном режиме (рис. П1. 4, б) и определим отрезок суммарного падения напряжения на резисторах R1 и R2. Он равен 70 мм, что соответствует в выбранном масштабе 280 В.

Сопротивление резистора R2 равно

 

Сопоставление рассчитанных значений сопротивлений резисторов с установленными в цепи промежуточного реле КL1 показывает, что последние выбраны правильно так как в схеме установлены ближайшие стандартные значения сопротивлений резисторов к определенным при проверочном расчете.

Приложение 2

__________________

Объект

__________________

Присоединение

                     

Обозначение по схеме

"___"___________199_г.

ПРОТОКОЛ ПРОВЕРКИ ПРОМЕЖУТОЧНЫХ И УКАЗАТЕЛЬНЫХ РЕЛЕ

Обозначение по схеме

Наименование защиты или устройства

Тип реле, номинальный ток и напряжение

Проверка механической части

Rнз МОм

Uср

Uв*

Iср

I*

tср

tв

Однополярные выводы обмотки

В

А

С

 

 

 

Проверено состояние механической части реле, отрегулированы контакты

Не менее 50

 

 

 

 

 

 

 

 

 

 

 

 

 

 

 

 

 

 

 

 

 

 

 

 

 

 

 

 

 

 

 

 

 

 

 

 

 

 

 

 

 

 

 

 

 

 

 

*Для реле, имеющих удерживающие обмотки, указывается ток или напряжение удерживания

Исполнители:______________   _____________Руководитель работ:________________

                   ______________   _____________

Приложение 3

__________________

Объект

__________________

Присоединение

                     

Обозначение по схеме

"___"___________199_г.

ПРОТОКОЛ ПРОВЕРКИ ПРОМЕЖУТОЧНЫХ РЕЛЕ РП-321, РП-341, РП-342

1. Состояние механической части реле____________________________________________

2. Сопротивление изоляции:

токоведущих частей относительно корпуса М 1000 В....................................______МОм

между первичными обмотками трансформатора М 1000 В............................______МОм

между первичными и вторичной обмоткой трансформатора М 500 В..........______МОм

3. Проверен ток срабатывания и возврата реле РП-321, РП-341 при____________________

соединений секций первичной обмотки трансформатора

Iср =______А,      Iв =_______А

4. Проверено напряжение срабатывания и возврата реле РП-342

Uср =______V,   Uв  =_______В

5. Снята зависимость вторичного выпрямленного напряжения от тока реле РП-321, РП-341

I А

25

50

75

100

Iкз.макс

U В

 

 

 

 

 

6. Проверена надежность работы контактов реле РП-341, РП-342.

Контакты реле четко без сваривания дешунтируют отключающую обмотку при подведении к ним тока 0,25; 0,5; 0,75; 1,0 максимального тока КЗ.

Исполнители:_______________   _______________ Руководитель работ:________________

_______________   _______________

Приложение 4

__________________

Объект

__________________

Присоединение

                     

Обозначение по схеме

"___"___________199_г.

ПРОТОКОЛ ПРОВЕРКИ РЕЛЕ ИМПУЛЬСНОЙ СИГНАЛИЗАЦИИ РИС___

1. Состояние механической части реле _________________________

Расстояние между контактами __________ мм

2. Сопротивление изоляции:

токоведущих частей относительно корпуса М 1000 В _____ МОм

между обмотками трансформатора М 500 В . . . . . . . . _____ МОм

между обмотками поляризованного реле М 500 В . . . _____МОм

между контактами поляризованного реле М 500 В . . ._____МОм

3. Проверена чувствительность реле

Предварительный ток, А

 

 

Примечание

Значение импульса тока срабатывания реле, мА

 

 

Проверяется для реле РИС - Э2М, РИС - Э2М - О,2

Включение лампы накаливания _____Вт,____B

 

 

Проверяется для реле РИС - Э3М

4. Проверен возврат реле.

5. Проверена надежность работы контактов реле.

Исполнители:_______________   _____________   Руководитель работ: ________________

_______________   _____________  ___________________________________

 

 

 

 

 

 




ГОСТЫ, СТРОИТЕЛЬНЫЕ и ТЕХНИЧЕСКИЕ НОРМАТИВЫ.
Некоммерческая онлайн система, содержащая все Российские Госты, национальные Стандарты и нормативы.
В Системе содержится более 150000 файлов нормативно-технической документации, действующей на территории РФ.
Система предназначена для широкого круга инженерно-технических специалистов.

Рейтинг@Mail.ru Яндекс цитирования

Copyright © www.gostrf.com, 2008 - 2026