Крупнейшая бесплатная информационно-справочная система онлайн доступа к полному собранию технических нормативно-правовых актов РФ. Огромная база технических нормативов (более 150 тысяч документов) и полное собрание национальных стандартов, аутентичное официальной базе Госстандарта. GOSTRF.com - это более 1 Терабайта бесплатной технической информации для всех пользователей интернета. Все электронные копии представленных здесь документов могут распространяться без каких-либо ограничений. Поощряется распространение информации с этого сайта на любых других ресурсах. Каждый человек имеет право на неограниченный доступ к этим документам! Каждый человек имеет право на знание требований, изложенных в данных нормативно-правовых актах!

  


 

ГОСУДАРСТВЕННЫЙ КОМИТЕТ РОССИЙСКОЙ ФЕДЕРАЦИИ
ПО
СТАНДАРТИЗАЦИИ И МЕТРОЛОГИИ

национальный
стандарт
РОССИЙСКОЙ
ФЕДЕРАЦИИ

гост р мэк
61951-1-
2004

Аккумуляторы и аккумуляторные батареи, содержащие щелочной и другие некислотные электролиты

ПОРТАТИВНЫЕ ГЕРМЕТИЧНЫЕ АККУМУЛЯТОРЫ

Часть 1

Никель-кадмий

IEC 61951-1:2001
Secondary cells and batteries containing alkaline or other non-acid electrolytes
-
Portable sealed rechargeable single cells -
Part 1: Nickel - cadmium
(IDT)

Москва
ИПК Издательство стандартов 2004

Предисловие

Задачи, основные принципы и правила проведения работ по государственной стандартизации в Российской Федерации установлены ГОСТ Р 1.0-92 «Государственная система стандартизации Российской Федерации. Основные положения» и ГОСТ Р 1.2-92 «Государственная система стандартизации Российской Федерации. Порядок разработки государственных стандартов»

Сведения о стандарте

1. ПОДГОТОВЛЕН Автономной некоммерческой организацией «НТЦСЭ «ИСЭП» на основе собственного аутентичного перевода стандарта, указанного в пункте 4

2. ВНЕСЕН Техническим комитетом по стандартизации ТК 044 «Аккумуляторы и батареи»

3. УТВЕРЖДЕН И ВВЕДЕН В ДЕЙСТВИЕ Постановлением Госстандарта России от 9 марта 2004 г. № 138-ст

4. Настоящий стандарт идентичен международному стандарту МЭК 61951-1:2001 «Аккумуляторы и аккумуляторные батареи, содержащие щелочной и другие некислотные электролиты. Портативные герметичные аккумуляторы. Часть 1. Никель-кадмий».

При применении настоящего стандарта рекомендуется использовать вместо ссылочных международных стандартов соответствующие им национальные стандарты Российской Федерации, сведения о которых приведены в дополнительном приложении А

5. ВВЕДЕН ВПЕРВЫЕ

Информация об изменениях к настоящему стандарту публикуется в указателе «Национальные стандарты», а текст этих изменений - в информационных указателях «Национальные стандарты». В случае пересмотра или отмены настоящего стандарта соответствующая информация будет опубликована в информационном указателе «Национальные стандарты»

Содержание

1. Общие положения

1.1. Область применения

1.2. Нормативные ссылки

1.3. Определения

1.4. Допустимые отклонения измерений

2. Обозначение и маркировка

2.1. Обозначение аккумулятора

2.1.1. Малогабаритные призматические аккумуляторы

2.1.2. Цилиндрические аккумуляторы

2.1.3. Дисковые аккумуляторы

2.2 Выводы аккумуляторов

2.2.1. Аккумуляторы без выводов (CF)

2.2.2. Аккумуляторы с соединительными выводами на крышке и вдоль корпуса (НН)

2.2.3. Аккумуляторы с соединительными выводами на крышке и дне корпуса (НВ)

2.3. Маркировка

2.3.1. Малогабаритные призматические и цилиндрические аккумуляторы

2.3.2. Дисковые аккумуляторы

3. Размеры

3.1. Малогабаритные призматические аккумуляторы

3.2 Цилиндрические аккумуляторы

3.3. Дисковые аккумуляторы

4. Электрические испытания

4.1. Метод заряда

4.2. Разрядные характеристики

4.2.1. Разрядная характеристика при 20°С

4.2.2. Разрядная характеристика при минус 18°С

4.3. Сохранность заряда (емкости)

4.4. Наработка

4.4.1. Наработка в циклах

4.4.2. Наработка длительным зарядом

4.5. Заряд при постоянном напряжении

4.6. Перезаряд

4.6.1. Перезаряд малогабаритных призматических аккумуляторов.

4.6.2. Перезаряд цилиндрических аккумуляторов типов L, М, Н или X и дисковых аккумуляторов

4.6.3. Перезаряд цилиндрических аккумуляторов типов LT, МТ или НТ

4.7. Работа предохранительного устройства

4.8. Хранение

4.9. Эффективность заряда при температуре 40°С цилиндрических аккумуляторов типов LT, МТ или НТ

4.10. Внутреннее сопротивление

4.10.1. Измерение внутреннего сопротивления методом переменного тока (а.с.)

4.10.2. Измерение внутреннего сопротивления методом постоянного тока (d.c.)

5. Механические испытания

6. Условия одобрения и приемки

6.1. Одобрение типа

6.1.1. Одобрение типа малогабаритных призматических аккумуляторов

6.1.2. Одобрение типа цилиндрических и дисковых аккумуляторов

6.2. Приемка партии

Приложение А (Справочное)

 

Введение

1. Настоящий стандарт является объединением всех действующих стандартов на портативные герметичные никель-кадмиевые аккумуляторы: МЭК 60285:1999, МЭК 60509:1988, МЭК 61440:1997 и имеет целью сократить количество стандартов этой номенклатуры без изменения технической сущности действующих стандартов. В дальнейшем стандарт будет совершенствоваться, а количество стандартов этой номенклатуры будет существенно сокращено.

2. Изготовители и потребители щелочных аккумуляторов и батарей традиционно выражают токи заряда и разряда аккумуляторов и батарей как кратные величины их емкости. Например, ток 20 А, используемый для заряда аккумулятора номинальной емкостью (С) 100 А·ч, может быть выражен как С/5 А или 0,2 СА. Этот метод обозначения токов используют во всех стандартах на щелочные аккумуляторы и батареи.

Было высказано замечание, что такой метод обозначения тока некорректен с точки зрения размерности, так как кратность емкости будет выражаться в ампер-часах, а не в амперах, как требуется для токов.

В настоящем стандарте используется метод, установленный МЭК 61434:1996. Кратко, метод устанавливает, что ток, рекомендованный для испытаний, It, А, будет выражен формулой

It = Сn/1ч,

где Cn

- номинальная емкость установленная изготовителем, А·ч;

n

- продолжительность разряда основного режима, для которого установлена номинальная емкость, ч.

НАЦИОНАЛЬНЫЙ СТАНДАРТ РОССИЙСКОЙ ФЕДЕРАЦИИ

Аккумуляторы и аккумуляторные батареи, содержащие щелочной и другие некислотные электролиты

ПОРТАТИВНЫЕ ГЕРМЕТИЧНЫЕ АККУМУЛЯТОРЫ

Часть 1 Никель-кадмий

Secondary cells and batteries containing alkaline or other non-acid electrolytes - Portable sealed rechargeable single cells - Part 1: Nickel - cadmium

Дата введения - 2005-01-01

1. Общие положения

1.1. Область применения

Настоящий стандарт устанавливает требования к маркировке, конструкции и размерам, а также основные технические требования и методы испытаний портативных герметичных никель-кадмиевых малогабаритных призматических, цилиндрических и дисковых аккумуляторов, используемых в любой области применения.

1.2. Нормативные ссылки

В настоящем стандарте использованы нормативные ссылки на следующие международные стандарты:

МЭК 60051 (все части) Приборы аналоговые показывающие электроизмерительные прямого действия и вспомогательные части к ним

МЭК 60068-2-29:1987 Основные методы испытаний на воздействие внешних факторов. Часть 2. Испытания. Испытание Еb и руководство. Удар

МЭК 60086 (все части) Первичные батареи

МЭК 60410:1973 Планы отбора и процедуры контроля

МЭК 60485:1974 Цифровые электронные вольтметры постоянного тока и аналого-цифровые электронные преобразователи постоянного тока.

Примечание - При пользовании настоящим стандартом целесообразно проверить действие ссылочных стандартов по указателю «Государственные стандарты», составленному по состоянию на 1 января текущего года, и по соответствующим информационным указателям, опубликованным в текущем году. Если ссылочный документ заменен (изменен), то при пользовании настоящим стандартом следует руководствоваться замененным (измененным) стандартом. Если ссылочный документ отменен без замены, то положение, в котором дана ссылка на него, применяется в части, не затрагивающей эту ссылку.

1.3. Определения

В настоящем стандарте применимы следующие термины с соответствующими определениями:

1.3.1. малогабаритный призматический аккумулятор: Аккумулятор в форме прямоугольного параллелепипеда, ширина и толщина которого не более 25 мм.

1.3.2. цилиндрический аккумулятор: Аккумулятор с поперечным сечением в форме круга, общая высота которого равна или больше его диаметра.

1.3.3. дисковый аккумулятор: Аккумулятор с поперечным сечением в форме круга, общая высота которого меньше его диаметра.

1.3.4. герметичный аккумулятор: Аккумулятор, который остается закрытым и не пропускает газ или жидкость при работе в режимах заряда и температуре, установленных изготовителем. Аккумулятор снабжается устройством, предохраняющим его от опасного высокого внутреннего давления.

Аккумулятор не требует дополнительной заливки электролита и предназначен для работы в исходном герметичном состоянии на протяжении всего срока службы.

1.3.5. номинальное напряжение аккумулятора: Номинальное напряжение аккумулятора, равное 1,2 В.

1.3.6. портативная батарея (портативный аккумулятор): Легкопереносимая вручную батарея (аккумулятор, в составе легкопереносимой вручную батареи).

1.3.7. номинальная емкость: Количество электричества С5 (А·ч), указанное изготовителем, которое может отдать аккумулятор при разряде током 0,2 It А до конечного напряжения 1 В и температуре 20°С после заряда, хранения и разряда в условиях, установленных в разделе 4.

1.4. Допустимые отклонения измерений

Общая точность контролируемых или измеряемых величин относительно заданных или фактических величин должна находиться в пределах:

a) ± 1 % для напряжения;

b) ± 1 % для тока;

c) ± 1 % для емкости;

d) ± 2 % для температуры;

e) ± 0,1 % для времени.

Эти допуски включают в себя комплексную точность измерительных приборов, точность используемых методов измерения и все другие источники погрешностей, возникающих при испытаниях.

При выборе измерительных приборов следует руководствоваться МЭК 60051 для аналоговых приборов и МЭК 60485 для цифровых приборов. Сведения об используемых приборах должны содержаться в каждом отчете с результатами испытаний.

2. Обозначение и маркировка

2.1. Обозначение аккумулятора

2.1.1. Малогабаритные призматические аккумуляторы

Герметичные никель-кадмиевые малогабаритные призматические аккумуляторы должны обозначаться буквами KF, а также следующими за ними тремя группами цифр, разделенными наклонными линиями.

a) Первая группа цифр (две цифры) означает максимальную ширину аккумулятора в миллиметрах, округленную до следующего целого числа.

b) Вторая группа цифр (две цифры) означает толщину аккумулятора в миллиметрах, округленную до следующего целого числа.

c) Третья группа цифр (две цифры) означает максимальную высоту аккумулятора в миллиметрах, округленную до следующего целого числа.

Пример обозначения герметичного никель-кадмиевого малогабаритного призматического аккумулятора шириной 18 мм, толщиной 7 мм и высотой 49 мм:

KF 18/07/49

2.1.2. Цилиндрические аккумуляторы

Герметичные никель-кадмиевые цилиндрические аккумуляторы должны обозначаться буквами KR, а также следующими за ними одной из букв L, М, Н или X, указывающими, для какого основного режима разряда предназначен аккумулятор: длительного (L), среднего (М), короткого (Н) или сверхкороткого (X), после которых следуют две группы цифр, разделенные наклонной линией.

Примечание - Для аккумуляторов этих типов рекомендованы следующие режимы разряда:

L - типичный ток разряда не более 0,5 It А;

М - типичный ток разряда от 0,5 до 3,5 It А;

Н - типичный ток разряда от 3,5 до 7,0 It A;

X - типичный ток разряда от 7 до 15 It А.

Для аккумулятора, предназначенного для работы в режиме длительного заряда при повышенной температуре, к обозначению добавляют букву Т после L, М или Н.

a) Первая группа цифр (две цифры) означает максимальный диаметр аккумулятора в миллиметрах, округленный до следующего целого числа.

b) Вторая группа цифр (две цифры) означает максимальную высоту аккумулятора в миллиметрах, округленную до следующего целого числа.

В случае если производитель проектирует аккумулятор с размерами и допусками, обеспечивающими их взаимозаменяемость с первичными элементами, обозначение первичного элемента также может наноситься на аккумулятор.

Пример обозначения герметичного никель-кадмиевого цилиндрического длительного режима разряда диаметром 33 мм и высотой 62 мм:

KRL 33/62

То же, предназначенного для работы в режиме длительного заряда при повышенной температуре:

KRLT 33/62

2.1.3. Дисковые аккумуляторы

Герметичные никель-кадмиевые дисковые аккумуляторы должны обозначаться буквами KB, a также следующими за ними одной из букв L, М или Н, указывающими, для какого основного режима разряда предназначен аккумулятор: длительного (L), среднего (М) или короткого (Н), после которых следуют две группы цифр, разделенные наклонной линией.

a) Первая группа цифр (три цифры) означает максимальный диаметр аккумулятора, выраженный в десятых долях миллиметра, округленный до следующего целого числа.

b) Вторая группа цифр (три цифры) означает максимальную высоту аккумулятора, выраженную в десятых долях миллиметра, округленную до следующего целого числа.

Пример обозначения герметичного никель-кадмиевого дискового аккумулятора длительного режима разряда толщиной 11,6 мм и высотой 5,5 мм:

KBL 116/055

2.2 Выводы аккумуляторов

Следующие варианты типов выводов могут быть применены для цилиндрических аккумуляторов.

Примечание - Настоящий стандарт не устанавливает требований к выводам малогабаритных призматических и дисковых аккумуляторов

2.2.1. Аккумуляторы без выводов (CF)

Аккумуляторы без соединительных выводов обозначают буквами CF (см. рисунок 1). Например: KRH 33/62 CF или KRMT 33/62 CF.

2.2.2. Аккумуляторы с соединительными выводами на крышке и вдоль корпуса (НН)

Аккумуляторы, размещаемые в ряд в одном направлении и соединяемые последовательно, будут составлять батареи с различным напряжением.

При таком размещении один соединительный вывод должен быть присоединен к крышке аккумулятора (положительный полюс), а другой - к его корпусу вдоль цилиндрической стенки (отрицательный полюс), причем оба вывода должны располагаться в одной плоскости, если иное не установлено потребителем (см. рисунок 2).

В этом случае к обозначению аккумулятора добавляют буквы НН (крышка-крышка).

Например: KRH 33/62 НН или KRMT 33/62 НН.

2.2.3. Аккумуляторы с соединительными выводами на крышке и дне корпуса (НВ)

Аккумуляторы, размещаемые в ряд, крышкой одного аккумулятора к дну другого и соединяемые последовательно.

При таком размещении один соединительный вывод должен быть присоединен к крышке аккумулятора (положительный полюс), а другой - к дну корпуса аккумулятора (отрицательный полюс), причем оба вывода должны располагаться параллельно друг другу и быть направлены в противоположные стороны, если иное не установлено потребителем (см. рисунок 3). В этом случае к обозначению аккумулятора добавляют буквы НВ (крышка - дно).

Например: KRH 33/62 НВ или KRMT 33/62 НВ.

2.3. Маркировка

2.3.1. Малогабаритные призматические и цилиндрические аккумуляторы

Каждый аккумулятор без выводов должен иметь прочную маркировку, содержащую следующую минимальную информацию, если иное не установлено потребителем:

- надпись «Герметичный, перезаряжаемый никель-кадмиевый» или «Ni-Cd»;

- обозначение аккумулятора согласно 2.1;

- номинальную емкость;

- номинальное напряжение;

- рекомендации по режиму и продолжительности заряда, или предварительному току заряда для аккумуляторов типа Т;

- полярность;

- год и квартал изготовления (могут быть закодированы);

- наименование или обозначение изготовителя или поставщика.

Примечание - В случае, если аккумуляторы с выводами являются неотъемлемой частью батареи и не имеют этикетки, то батарея должна иметь маркировку, содержащую вышеуказанную информацию.

2.3.2. Дисковые аккумуляторы

Каждый дисковый аккумулятор должен иметь прочную маркировку, содержащую следующую минимальную информацию, если иное не установлено потребителем:

- обозначение аккумулятора согласно 2.1;

- полярность;

- год и квартал изготовления (могут быть закодированы);

- наименование или обозначение изготовителя или поставщика.

3. Размеры

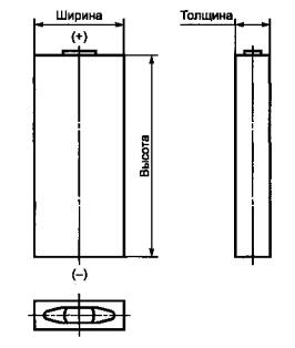
3.1. Малогабаритные призматические аккумуляторы

Рисунок 4 - Малогабаритный призматический аккумулятор в чехле

Таблица 1 - Размеры малогабаритных призматических аккумуляторов в чехлах

В миллиметрах

Обозначение аккумулятора

Ширина

Толщина

Высота

Номин.

Пред. откл.

Номин.

Пред. откл.

Номин.

Пред. откл.

KF 18/07/41

17,3

0
-1,0

6,1

0
-0,7

40,2

0
-1,0

KF 18/07/49

48,2

KF 18/09/49

8,3

KF 18/07/68

6,1

67,3

0
-1,5

KF 18/09/68

8,3

KF 18/11/68

10,5

0
-1,0

KF 18/18/68

17,3

KF 23/15/68

23,0

14,7

3.2 Цилиндрические аккумуляторы

Рисунок 5 - Цилиндрический аккумулятор в чехле, взаимозаменяемый с первичными элементами

В таблице 2 приведены размеры аккумуляторов в чехлах, взаимозаменяемые с первичными элементами.

Таблица 2 - Цилиндрические аккумуляторы, взаимозаменяемые с первичными элементами

Обозначение* аккумулятора

Первичный элемент** по МЭК 60086

Размеры

KR03

R03

Все размеры должны соответствовать МЭК 60086-2

KR6

R6

KR14

R14

KR20

R20

* Обозначение соответствует МЭК 60086-1.

** В некоторых странах первичные элементы имеют обозначения AAA(R03), AA(R6), C(R14), D(R20).

В таблице 3 приведены размеры других аккумуляторов в чехлах, кроме взаимозаменяемых с первичными элементами.

Таблица 3 - Размеры цилиндрических аккумуляторов (без учета соединительных выводов)

В миллиметрах

Обозначение* аккумулятора

Диаметр

Высота

Номин.

Пред. откл.

Номин.

Пред. откл.

KR11/45

10,5

0
-0,7

44,5

0
-1,5

KR12/30

12,0

30,0

KR15/18

14,5

17,5

KR15/30

30,0

KR15/51

50,5

KR17/18

17,0

17,5

KR17/29

28,5

KR17/43

43,0

KR17/50

50,0

KR23/27

23,0

0
1,0

26,5

KR23/34

34,0

KR23/43

43,0

KR26/31

25,8

31,0

KR26/50

50,0

0
-2,0

KR33/44

33,0

44,0

KR33/62

61,5

KR33/91

91,0

0
-2,5

KR44/91

43,5

0
-2,5

91,0

* После букв KR в зависимости от режима разряда указывают буквы L, М, Н или X и LT, МТ или НТ (см. 2.1).

3.3. Дисковые аккумуляторы

Конструкция аккумуляторов должна соответствовать рисунку 1 и (или) 2.

Примечание - Полярность аккумуляторов, изображенных на рисунке 1, настоящим стандартом не устанавливается.

Рисунок 6 - Дисковые аккумуляторы

В таблице 4 приведены размеры дисковых аккумуляторов.

Таблица 4 - Размеры дисковых аккумуляторов

В миллиметрах

Обозначение аккумулятора*

Диаметр d

Высота h

Номин.

Пред. откл.

Номин.

Пред. откл.

KB 11 6/055**

11,6

0
-0,3

5,5

0
-0,6

KB 156/048

15,6

4,8

KB 156/061

6,1

KB 222/050

22,2

5,0

KB 229/055

22,9

5,5

KB 232/030

23,2

3,0

KB 232/055

5,5

KB 232/067

6,7

KB 252/064

25,2

0
-0,4

6,4

KB 252/077

7,7

KB 252/095

9,5

0
-1,0

KB 346/055

34,6

5,5

0
-0,6

KB 346/098

9,8

0
-1,0

KB 432/081

43,2

8,1

KB 505/1 05

50,5

10,5

* После букв KB в зависимости от режима разряда указывают буквы L, М или Н (см. 2.1).

** Взаимозаменяем с первичным элементом R44.

4. Электрические испытания

Токи заряда и разряда при испытаниях согласно 4.1-4.9 должны быть установлены на основе номинальной емкости аккумулятора.

Во всех испытаниях, за исключением 4.7, не должна наблюдаться утечка электролита.

4.1. Метод заряда

Заряд, предшествующий различным режимам разряда, если иное не установлено в настоящем стандарте, проводят при температуре окружающей среды (20 ± 5)°С постоянным током 0,1 It А в течение 16 ч.

Аккумулятор перед зарядом должен быть разряжен при температуре (20 ± 5)°С постоянным током 0,2 It А до конечного напряжения 1 В.

4.2. Разрядные характеристики

Испытания на проверку разрядных характеристик должны проводиться в следующей последовательности

4.2.1. Разрядная характеристика при 20°С

Аккумулятор должен быть заряжен согласно 4.1. После заряда аккумулятор должен быть выдержан при температуре окружающей среды (20 ± 5)°С не менее 1 ч, но не более 4 ч.

Аккумулятор должен быть разряжен постоянным током при температуре (20 ± 5)°С согласно таблицам 5, 6 или 7. Продолжительность разряда должна быть не менее установленной в тех же таблицах.

Таблица 5 - Разрядные характеристики малогабаритных призматических аккумуляторов при 20°С

Режим разряда

Минимальная продолжительность разряда

Ток, А

Конечное напряжение, В

0,2 It*

1,0

5 ч

1,0 It

0,9

42 мин

* Допускается проведение пяти заряд-разрядных циклов. Испытание может быть закончено, если продолжительность разряда будет достигнута ранее пятого цикла.

Таблица 6 - Разрядные характеристики цилиндрических аккумуляторов при 20°С

Режим разряда

Минимальная продолжительность разряда для аккумуляторов типов

Ток, А

Конечное напряжение, В

L/LT

М/МТ

Н/НТ

X

0,2 It *

1,0

5 ч

5 ч

5 ч

5 ч

1,0 It

0,9

-

42 мин

48 мин

54 мин

5,0 It **

0,8

-

6 мин

9 мин

10,0 It **

0,7

-

4 мин

* Допускается проведение пяти заряд-разрядных циклов. Испытание может быть закончено, если продолжительность разряда будет достигнута ранее пятого цикла.

** Перед испытаниями на разряд токами 5,0 It и 10,0 It А, в случае необходимости, может быть проведен тренировочный цикл. Он должен проводиться при температуре (20 ± 5)°С и состоять из заряда током 0,1 It А согласно 4.1 и разряда током 0,2 It А согласно 4.2.1.

Таблица 7 - Разрядные характеристики дисковых аккумуляторов при 20°С

Режим разряда

Минимальная продолжительность разряда для аккумуляторов типов

Ток, А

Конечное напряжение, В

L

М

Н

0,2 It

1,0

5 ч

5 ч

5 ч

1,0 It

-

48 мин

51 мин

5,0 It *

0,8

-

6 мин

* Допускается проведение пяти заряд-разрядных циклов. Испытание может быть закончено, если продолжительность разряда будет достигнута ранее пятого цикла.

** Перед испытанием на разряд током 5,0 It А, в случае необходимости, может быть проведен тренировочный цикл. Он должен проводиться при температуре (20 ± 5)°С и состоять из заряда током 0,1 It А согласно 4.1 и разряда током 0,2 It А согласно 4.2.1.

4.2.2. Разрядная характеристика при минус 18°С

Аккумулятор должен быть заряжен согласно 4.1. После заряда аккумулятор должен быть выдержан не менее 16 ч, но не более 24 ч при температуре окружающей среды минус (18 ± 2)°С.

Аккумулятор должен быть разряжен постоянным током при температуре окружающей среды минус (18 ± 2) °С согласно таблицам 8, 9 или 10. Продолжительность разряда должна быть не менее установленной в тех же таблицах.

Таблица 8 - Разрядные характеристики малогабаритных призматических аккумуляторов при минус 18°С

Режим разряда

Минимальная продолжительность разряда

Ток, А

Конечное напряжение, В

0,2 It

1,0

3 ч

1,0 It

0,9

15 мин

Таблица 9 - Разрядные характеристики цилиндрических аккумуляторов при минус 18°С

Режим разряда

Минимальная продолжительность разряда для аккумуляторов типов

Ток, А

Конечное напряжение, В

L/LT

М

МТ

Н

НТ

X

0,2 It

1,0

2 ч

3 ч

2 ч

3 ч

2 ч

4 ч

1,0 It

0,9

-

15 мин

10 мин

30 мин

20 мин

36 мин

2,0 It *

0,8

-

-

9 мин

6 мин

13 мин

3,0 It *

-

-

7 мин

* Перед испытаниями на разряд токами 2,0 It и 3,0 It А, в случае необходимости, может быть проведен тренировочный цикл. Он должен проводиться при температуре (20 ± 5)°С и состоять из заряда током 0,1 It А согласно 4.1 и разряда током 0,2 It А согласно 4.2.1.

Таблица 10 - Разрядные характеристики дисковых аккумуляторов при минус 18°С

Режим разряда

Минимальная продолжительность разряда для аккумуляторов типов

Ток, А

Конечное напряжение, В

L

М

Н

0,2 It

1,0

-

2 ч 45 мин

3 ч

1,0 It

0,9

12 мин

30 мин

2,0 It

0,8

-

9 мин

* Перед испытанием на разряд током 2,0 It А, в случае необходимости, может быть проведен тренировочный цикл. Он должен проводиться при температуре (20 ± 5)°С и состоять из разряда током 0,1 It А согласно 4.1 и разряда током 0,2 It А согласно 4.2.1 .

4.3. Сохранность заряда (емкости)

Сохранность заряда (емкости) аккумулятора должна быть проверена следующим испытанием.

После заряда согласно 4.1 аккумулятор должен храниться при разомкнутой цепи в течение 28 сут. Среднее значение температуры окружающей среды должно быть (20 ± 2)°С, однако во время хранения допускается кратковременное отклонение температуры ± 5°С.

Затем аккумулятор должен быть разряжен в условиях, установленных 4.2.1, постоянным током 0,2 It A.

Продолжительность разряда после 28 сут. хранения должна быть не менее:

3 ч - для малогабаритных призматических аккумуляторов;

3 ч 15 мин - для цилиндрических аккумуляторов;

3 ч 15 мин - для дисковых аккумуляторов типа Н;

3 ч 45 мин - для дисковых аккумуляторов типов L и М.

4.4. Наработка

4.4.1. Наработка в циклах

Аккумулятор перед испытанием на наработку в циклах должен быть разряжен постоянным током 0,2 It А до конечного напряжения 1 В.

Испытание проводят при температуре окружающей среды (20 ± 5) °С независимо от типа аккумулятора.

Заряд и разряд должны проводиться постоянным током циклами в режимах, указанных в таблицах 11, 11 а, 11 б и 12. При необходимости, во время испытания должно применяться принудительное воздушное охлаждение корпуса аккумулятора для предотвращения повышения его температуры выше 35°С.

Примечание - Фактическая температура корпуса аккумулятора определяется конструкцией аккумулятора, а не температурой окружающей среды.

Таблица 11 - Наработка в циклах малогабаритных призматических и цилиндрических аккумуляторов

Номер цикла

Режим заряда

Время хранения
в
заряженном состоянии

Режим разряда

Ток, А

Продолжительность

Ток, А

Продолжительность

1

0,10 It

16 ч

-

0,25 It

2 ч 20 мин

2-48

0,25 It

1

49

50

0,10 It

16 ч

1-4 ч

0,20 It

До конечного напряжения 1 В

* Допускается выдержка аккумуляторов при разомкнутой цепи после окончания разряда на 50-м цикле, но так, чтобы 51-й цикл начинался точно в двухнедельном интервале. Аналогичная процедура может быть применена в отношении 100, 150, 200, 250, 300 и 350-го циклов.

Циклы 1-50 следует продолжать до тех пор, пока продолжительность разряда на любом цикле, кратном 50-му, станет менее 3 ч. Последующий цикл должен быть проведен в режиме 50-го цикла. Испытание на наработку считают законченным, если на двух последовательных циклах продолжительность разряда будет менее 3 ч.

Число циклов по окончании испытаний должно быть не менее:

400 - для малогабаритных призматических аккумуляторов и цилиндрических аккумуляторов типов L, М, Н и X;

50 - для аккумуляторов типов LT, МТ и НТ.

Для ускорения испытаний или при использовании ускоренного испытания для определения возможности фактического применения может быть использован один из альтернативных режимов испытаний, указанных в таблицах 11а и 11б.

Таблица 11 а - Наработка в циклах цилиндрических аккумуляторов типов Н и X

Номер цикла

Режим заряда

Время хранения в заряженном состоянии

Режим разряда

Ток, А

Продолжительность, ч

Ток, А

Продолжительность, ч

Общая продолжительность, включая перерыв, мин

1

0,1 It

16

30 мин

1,0 It

До конечного напряжения 1 В

90

2-48

0,3 It

4

30 мин

49

24 ч

50

0,1 It

16

1-4 ч

0,2 It

*

* Допускается выдержка аккумуляторов при разомкнутой цепи после окончания разряда на 50-м цикле, но так, чтобы 51-й цикл начинался точно в двухнедельном интервале. Аналогичная процедура может быть применена в отношении 100, 150, 200, 250, 300 и 350-го циклов.

Циклы 1-50 продолжают до тех пор, пока продолжительность разряда до конечного напряжения 1 В на любом цикле, кратном 49-му, станет менее 30 мин или на любом последующем 50-м цикле - менее 3 ч.

Число циклов должно быть не менее 400.

Таблица 11 б - Наработка в циклах цилиндрических аккумуляторов типа X

Номер цикла

Режим заряда

Время хранения в заряженном состоянии

Режим разряда

Ток, А

Продолжительность, ч

Ток, А

Продолжительность, ч

Общая продолжительность, включая перерыв, мин

1

0,1 It

16

30 мин

5,0 It

До конечного напряжения 0,8 В

42

2-48

1,0 It

1

30 мин

49

24 ч

50

0,1 It

16

1-4 ч

0,2 It

До конечного напряжения 1,0 В

*

* Допускается выдержка аккумуляторов при разомкнутой цепи после окончания разряда на 50-м цикле, но так, чтобы 51-й цикл начинался точно в двухнедельном интервале. Аналогичная процедура может быть применена в отношении 100, 150, 200, 250, 300 и 350-го циклов.

Циклы 1-50 продолжают до тех пор, пока продолжительность разряда до конечного напряжения 0,8 В на любом цикле, кратном 49-му, станет менее 5 мин или на любом последующем 50-м цикле - менее 3 ч.

Число циклов должно быть не менее 400.

Таблица 12 - Наработка в циклах дисковых аккумуляторов

Номер цикла

Режим заряда

Время хранения
в
заряженном состоянии

Режим разряда

Ток, А

Продолжительность, ч

Ток, А

Продолжительность

1

0,1 It

16

5

0,2 It

3 ч

2-48

8

1

49

8

1

До конечного напряжения 1 В*

50

16

1

* Допускается выдержка аккумуляторов при разомкнутой цепи после окончания разряда на 50-м цикле, но так, чтобы 51-й цикл начинался точно в двухнедельном интервале. Аналогичная процедура может быть применена в отношении 100, 150, 200, 250, 300 и 350-го циклов.

Циклы 1-50 следует продолжать до тех пор, пока продолжительность разряда на любом цикле, кратном 50-му, станет менее 3 ч. Последующий цикл должен быть проведен в режиме 50-го цикла.

Испытание на наработку считают законченным, если на двух последовательных циклах продолжительность разряда будет менее 3 ч.

Число циклов по окончании испытаний должно быть не менее 400 для аккумуляторов типов М, Н и 300 для аккумуляторов типа L.

4.4.2. Наработка длительным зарядом

4.4.2.1. Наработка длительным зарядом малогабаритных призматических аккумуляторов

Требования настоящим стандартом не устанавливаются.

4.4.2.2. Наработка длительным зарядом цилиндрических аккумуляторов типов L, М, Н или X и дисковых аккумуляторов типов L, М или Н

Аккумулятор перед испытанием должен быть разряжен постоянным током 0,2 It А до конечного напряжения 1 В.

Испытание на наработку длительным зарядом проводят при температуре окружающей среды (20 ± 5)°С.

Заряд и разряд проводят постоянным током в режимах, указанных в таблице 13 для цилиндрических аккумуляторов и таблице 14 - для дисковых аккумуляторов.

Таблица 13 - Наработка длительным зарядом цилиндрических аккумуляторов типов L, М, Н или X

Номер цикла

Режим заряда

Режим разряда

Ток, А

Продолжительность, сут

Ток, А

Продолжительность

1

0,05 It

91

0,2 It

До конечного напряжения 1 В

2

91

3

91

4

91

* Разряд проводят сразу же после окончания заряда.

При необходимости, во время испытания должно применяться принудительное воздушное охлаждение для предотвращения повышения температуры корпуса аккумулятора выше 25°С.

Продолжительность разряда после завершения четырех последовательных циклов должна быть не менее 3 ч.

Таблица 14 - Наработка длительным зарядом дисковых аккумуляторов

Номер цикла

Режим заряда для аккумуляторов типов L и М

Режим заряда для аккумуляторов типа Н

Режим разряда*

Ток, А

Продолжитель-
ность
, сут

Ток, А

Продолжитель-
ность
, сут

Ток, А

Продолжитель-
ность

1

0,01 It

91

0,05 It

91

0,2 It

До конечного напряжения 1 В

2

91

91

3

91

91

4

91

91

* Разряд проводят сразу же после окончания заряда.

При необходимости, во время испытания должно применяться принудительное воздушное охлаждение для предотвращения повышения температуры корпуса аккумулятора выше 30°С.

Продолжительность разряда после завершения четырех последовательных циклов должна быть не менее 3 ч.

4.4.2.3. Наработка длительным зарядом аккумуляторов типов LT, МТ или НТ

Испытание на наработку длительным зарядом проводят в три этапа в соответствии с таблицей 15.

Испытания состоят из:

- проверки эффективности заряда;

- периода старения - выдержка в течение 6 мес. при температуре 70°С;

- заключительной проверки эффективности заряда для контроля аккумуляторов после периода старения.

Примечание - Температуру 70°С оценивают как имитирующую длительный заряд в течение четырех лет при температуре 40°С.

Перед испытанием аккумулятор должен быть разряжен постоянным током 0,2 It А до конечного напряжения 1 В при температуре окружающей среды (20 ± 5)°С и затем должен быть выдержан не менее 16 ч и не более 24 ч при температуре (40 ± 2)°С.

Аккумулятор должен быть заряжен и разряжен постоянным током в соответствии с таблицей 15, включая время выдержки при температуре (40 ± 2)°С и (70 ± 2)°С соответственно.

Режимы разряда А и В выбирают в зависимости от требований потребителя. Разряд проводят непосредственно после окончания заряда.

После проведения первого испытания на эффективность заряда при температуре 40°С аккумулятор должен быть выдержан не менее 16 ч и не более 24 ч при температуре (70 ± 2)°С.

При необходимости, должны быть приняты меры для предотвращения повышения температуры корпуса аккумулятора выше 75°С в течение периода старения - 6 мес. выдержки при температуре 70°С, для чего должно применяться принудительное воздушное охлаждение.

Примечание - Фактическая температура корпуса определяется конструкцией аккумулятора, а не температурой окружающей среды.

Продолжительность разряда на трех циклах при температуре 70°С должна быть зарегистрирована.

Не допускается течь электролита во время испытаний.

После окончания периода старения аккумуляторы должны быть выдержаны не менее 16 ч и не более 24 ч при температуре (40 ± 2)°С. Затем должны быть проведены три цикла первоначального испытания на эффективность заряда при температуре 40°С в соответствии с условиями, приведенными в таблице 15.

Продолжительность разряда должна быть не менее установленной в таблице 15.

Таблица 15 - Наработка длительным зарядом для цилиндрических аккумуляторов типов LT, МТ и НТ

Номер цикла

Значение температуры окружающей среды,°С ± 2

Режим заряда

Режим разряда аккумуляторов типов

Ток, А

Продолжитель-
ность
, сут

LT, МТ и НТ (режим А)

МТ и НТ (режим В)

Ток, А

Продолжитель-
ность
, не менее

Ток, А

Продолжитель-
ность
, мин, не менее

1

40

0,05 It

2

0,2 It А до конечного напряжения 1 В

Не нормируется

1,0 It А до конечного напряжения 1 В

Не нормируется

2

1

3 ч 45 мин

42

3

2

3 ч 45 мин

42

4

70

60

Не нормируется

Не нормируется

5

6

7

40

2

8

1

2 ч 30 мин

24

9

1

2 ч 30 мин

24

4.5. Заряд при постоянном напряжении

Требования настоящим стандартом не устанавливаются.

Заряд аккумуляторов при постоянном напряжении не рекомендуется.

4.6. Перезаряд

4.6.1. Перезаряд малогабаритных призматических аккумуляторов.

Способность аккумулятора выдерживать перезаряд должна быть проверена следующим испытанием.

Аккумулятор должен быть заряжен постоянным током 0,1 It А в течение 28 сут. при температуре окружающей среды (20 ± 5)°С. После окончания заряда аккумулятора должен быть выдержан не менее 1 ч и не более 4 ч при температуре (20 ± 5)°С.

Затем аккумулятор разряжают током 0,2 It А до конечного напряжения 1 В при температуре (20 ± 5)°С.

Продолжительность разряда должна быть не менее 5 ч.

4.6.2. Перезаряд цилиндрических аккумуляторов типов L, М, Н или X и дисковых аккумуляторов

Способность аккумулятора выдерживать перезаряд должна быть проверена следующим испытанием. Аккумулятор должен быть заряжен постоянным током 0,1 It А в течение 28 сут. при температуре окружающей среды (20 ± 5)°С. После окончания заряда аккумулятор должен быть выдержан не менее 1 ч и не более 4 ч при температуре (20 ± 5)°С.

Затем аккумулятор разряжают током 0,2 It А до конечного напряжения 1 В при температуре (20 ± 5)°С.

Продолжительность разряда должна быть не менее:

5 ч - для цилиндрических аккумуляторов;

4 ч 15 мин - для дисковых аккумуляторов.

4.6.3. Перезаряд цилиндрических аккумуляторов типов LT, МТ или НТ

Перед испытанием аккумулятор должен быть разряжен током 0,2 It А до конечного напряжения 1 В при температуре окружающей среды (20 ± 5)°С и выдержан не менее 16 ч и не более 24 ч при температуре (0 ± 2)°С.

Способность аккумулятора выдерживать перезаряд должна быть подтверждена следующим испытанием, проводимым при температуре окружающей среды (0 ± 2)°С в циркулирующем воздухе.

Заряд и разряд должны проводиться постоянным током в соответствии с условиями, установленными в таблице 16. Режим разряда А или В в зависимости от типа аккумулятора может быть выбран по рекомендации потребителя.

Таблица 16 - Перезаряд при 0°С

Режим заряда

Режим разряда аккумуляторов типов

LT, МТ, НТ (режим А)

МТ, НТ (режим В)

Ток, А

Продолжительность, сут

Ток, А

Продолжительность до конечного напряжения 1 В

Ток, А

Продолжительность до конечного напряжения 1 В

0,05 It

28

0,2 /,

4 ч 15 мин

1,0 It

36 мин

* Разряд проводят сразу после окончания заряда.

4.7. Работа предохранительного устройства

Предупреждение - При проведении данного испытания необходимо соблюдать повышенные меры предосторожности. Аккумуляторы должны испытываться индивидуально, при этом следует учитывать, что аккумуляторы, не отвечающие требованиям, могут взрываться даже после отключения тока заряда. По этой причине испытание должно проводиться в защитной камере.

Способность предохранительного устройства аккумулятора обеспечить выход газа, если его давление внутри аккумулятора превышает критическое значение, должно быть проверено испытанием, проводимым в следующей последовательности.

Примечание - Дисковые аккумуляторы некоторых типов не имеют предохранительного устройства. Эти аккумуляторы испытаниям не подвергают.

Аккумулятор должен быть подвергнут принудительному разряду постоянным током 0,2 It А до конечного напряжения 0 В при температуре окружающей среды (20 ± 5)°С.

Затем ток должен быть увеличен до 1,0 It А и поддерживаться при этом значении и температуре (20 ± 5)°С в течение 60 мин.

В процессе и в конце разряда аккумулятор не должен взрываться или разрушаться. Допускается течь электролита и деформация аккумулятора.

4.8. Хранение

Аккумулятор перед испытанием на хранение должен быть разряжен постоянным током 0,2 It А до конечного напряжения 1 В.

Разряженный аккумулятор должен храниться при разомкнутой цепи, средней температуре окружающей среды (20 ± 5)°С и относительной влажности (65 ± 20) % в течение 12 мес.

Во время хранения допускается кратковременное отклонение температуры ± 10°С.

По окончании периода хранения аккумулятор должен быть заряжен согласно 4.1, затем разряжен постоянным током в каждом режиме в соответствии с 4.2.1 и в зависимости от конструкции аккумулятора.

Продолжительность разряда цилиндрических и дисковых аккумуляторов должна быть не менее установленной в таблице 6 или 7, для малогабаритных призматических аккумуляторов - не менее 4 ч.

Допускается проведение пяти циклов заряда и разряда током 0,2 It А. Испытание считают законченным на любом из этих циклов, на котором аккумуляторы будут удовлетворять установленным требованиям.

Примечание - При необходимости оценки уровня качества (приемки аккумуляторов) до окончания испытаний на хранение может быть принято решение о временной приемке аккумуляторов до получения удовлетворительных результатов их разряда после хранения.

4.9. Эффективность заряда при температуре 40°С цилиндрических аккумуляторов типов LT, МТ или НТ

Аккумулятор должен быть разряжен постоянным током 0,2 It А до конечного напряжения 1 В при температуре окружающей среды (20 ± 5)°С и быть выдержан не менее 16 ч и не более 24 ч при температуре (40 ± 2)°С.

Испытания на эффективность заряда должны проводиться при температуре (40 ± 2)°С. Заряд и разряд должны проводиться постоянным током в соответствии с условиями, установленными в таблице 17. Режимы разряда А и В могут быть выбраны по рекомендации потребителя.

Таблица 17 - Заряд и разряд при 40°С

Номер цикла

Режим заряда

Режим разряда для аккумулятора типов

LT, МТ, НТ (режим А)

МТ, НТ (режим В)

Ток, А

Продолжительность, ч

Ток, А

Продолжительность до конечного напряжения 1 В

Ток, А

Продолжительность до конечного напряжения 1 В

1

0,05 It

48

0,2 It

Не нормируется

1,0 It

Не нормируется

2, 3

24

3 ч 45 мин

42 мин

* Разряд проводят сразу после окончания заряда.

4.10. Внутреннее сопротивление

Внутреннее сопротивление малогабаритных призматических аккумуляторов и цилиндрических аккумуляторов определяется одним из методов: переменным током (а.с.) или постоянным током (d.c.).

При необходимости измерения внутреннего сопротивления одних и тех же аккумуляторов обеими методами первоначально должен быть использован метод переменного тока (а.с.).

В этом случае нет необходимости проводить разряд и заряд между испытаниями по этим методам.

Аккумулятор перед проведением измерений должен быть разряжен постоянным током 0,2 It А до конечного напряжения 1 В.

Аккумулятор заряжают в соответствии с 4.1. После заряда аккумулятор должен быть выдержан не менее 1 ч, но не более 4 ч при температуре (20 ± 5)°С.

Измерение внутреннего сопротивления должно проводиться при температуре (20 ± 5)°С.

4.10.1. Измерение внутреннего сопротивления методом переменного тока (а.с.)

Для определения внутреннего сопротивления аккумулятора должно быть в течение 1 - 5 с измерено среднеквадратичное значение (r.m.s.) напряжения Uа, возникающего при прохождении через аккумулятор тока со среднеквадратичным значением (r.m.s.) Ia частотой (1,0 ± 0,1) кГц.

Внутреннее сопротивление Rа.с, Ом, рассчитывают по формуле

                                                                                                         (1)

где Ua - среднеквадратичное значение переменного напряжения, В;

Iа - среднеквадратичное значение переменного тока, А.

Примечания

1. Переменный ток должен быть выбран такой, чтобы пиковое напряжение было менее 20 мВ.

2. Этим методом фактически измеряют импеданс, который в диапазоне заданной частоты приблизительно равен сопротивлению.

4.10.2. Измерение внутреннего сопротивления методом постоянного тока (d.c.)

Аккумулятор должен быть разряжен постоянным током I1 в соответствии с таблицей 18. На 10-й секунде разряда должно быть измерено и зарегистрировано разрядное напряжение U1. Разрядный ток должен быть сразу же повышен до значения U2 в соответствии с таблицей 18 и должно быть измерено и зарегистрировано напряжение U2 на 3-й секунде разряда.

Напряжение измеряют на выводах аккумулятора, которые должны быть изолированы от контактов, используемых для подключения тока.

Внутреннее сопротивление Rd.c., Ом, рассчитывают по формуле

                                                                                                 (2)

где I1, I2 - постоянные токи разряда, А;

U1, U2 - напряжения, измеренные во время разряда, В.

Таблица 18 - Режимы разряда, используемые для измерения внутреннего сопротивления методом постоянного тока (d.c.)

Ток

Ток разряда, А, для аккумуляторов типов

KF, KRL*

KRM*, KRH*

KRX

I1

0,2 I1

0,5 I1

1,0 I1

I2

2,0 I1

5,0 I1

10,0 I1

* То же для аккумуляторов типа Т.

5. Механические испытания

Данный раздел находится на рассмотрении ТК 21А МЭК.

6. Условия одобрения и приемки

6.1. Одобрение типа

6.1.1. Одобрение типа малогабаритных призматических аккумуляторов

Для одобрения типа проводят испытания в последовательности и с использованием числа образцов, указанных в таблице 19.

Должны быть испытаны шесть групп аккумуляторов: А, В, С, D, Е и F в указанном порядке. Общее число испытуемых образцов для одобрения типа - 27. В это число включен дополнительный аккумулятор на случай повторного испытания при отказе, произошедшем по причинам, не зависящим от поставщика.

Испытания должны быть проведены в последовательности, установленной для аккумуляторов каждой группы. Все аккумуляторы подвергают испытаниям, установленным для группы А, после чего их произвольно делят на пять групп согласно таблице 19.

Число дефектных аккумуляторов, допускаемых в отдельных группах и в целом, приведено в таблице 19. Аккумулятор считают дефектным, если по результатам испытаний группы он не соответствует всем или части требований.

Таблица 19 - Последовательность испытаний малогабаритных призматических аккумуляторов для одобрения типа

Группа

Число образцов

Подраздел, пункт

Испытание

Допускаемое число дефектных аккумуляторов

в группе

в целом

А

27

2.3

Маркировка

0

3

3.1

Размеры

4.2.1

Разряд при 20 °С током 0,2 It А

Разряд при 20 °С током 1 ,0 It А

В

5

4.2.2

Разряд при минус 18°С током 0,2 It A

1

Разряд при минус 18 °С током 1,0 It А

С

5

4.6

Перезаряд

0

4.7

Работа предохранительного устройства

D

5

4.4.1

Наработка в циклах

1

Е

5

4.3

Сохранность заряда (емкости)

1

F

5

4.8

Хранение

1

4.2.1

Разряд при 20 °С током 0,2 It A

6.1.2. Одобрение типа цилиндрических и дисковых аккумуляторов

Для одобрения типа проводят испытания в последовательности и с использованием числа образцов, указанных в таблицах 20 а и 20 б. Должны быть испытаны семь групп аккумуляторов: А, В, С, D, Е, F и G. Общее число испытуемых образцов для одобрения типа - 32. В это число включен дополнительный аккумулятор на случай повторного испытания при отказе, произошедшем по причинам, не зависящим от поставщика.

Испытания должны быть проведены в последовательности, установленной для аккумуляторов каждой группы. Все аккумуляторы подвергают испытаниям, установленным для группы А, после чего их произвольно делят на шесть групп согласно таблицам 20 а и 20 б.

Число дефектных аккумуляторов, допускаемых в отдельных группах и в целом, приведено в таблицах 20 а и 20 б. Аккумулятор считают дефектным, если по результатам испытаний группы он не соответствует всем или части требований.

Таблица 20 а - Последовательность испытаний цилиндрических аккумуляторов для одобрения типа

Группа

Число образцов

Подраздел, пункт

Испытание

Допускаемое число дефектных аккумуляторов

в группе

в целом

А

32

2.3

Маркировка

0

3

3.2

Размеры

4.2.1

Разряд при 20°С током 0,2 It А

Разряд при 20°С токами:

1,0 It А (для аккумуляторов типов М, Н и X)*,

5,0 It А (для аккумуляторов типов Н и X)*,

10,0 It А (для аккумуляторов типа X)

В

5

4.2.2

Разряд при минус 18°С током 0,2 It A

1

Разряд при минус 18°С токами:

1,0 It А (для аккумуляторов типов М, Н и X)*,

2,0 It А (для аккумуляторов типов Н и X)*,

3,0 It А (для аккумуляторов типа X)

С

5

4.6

Перезаряд

0

4.7

Работа предохранительного устройства

D

5

4.4.1

Наработка в циклах

1

Е

5

4.4.2

Наработка длительным зарядом

1

4.7

Работа предохранительного устройства

0

F

6

4.3

Сохранность заряда (емкости)

1

4.9

Испытания на эффективность заряда при 40°С

G

5

4.8

Хранение

1

4.2.1

Разряд при 20°С током 0,2 It A

Разряд при 20° С токами:

1,0 It А (для аккумуляторов типов М, Н и X)*,

5,0 It А (для аккумуляторов типов Н и X)*,

10,0 It А (для аккумуляторов типа X)

* То же для аккумуляторов типа Т.

Таблица 20 б - Последовательность испытаний дисковых аккумуляторов для одобрения типа

Группа

Число образцов

Подраздел, пункт

Испытание

Допускаемое число дефектных аккумуляторов

в группе

в целом

А

32

2.3

Маркировка

0

3

3.3

Размеры

4.2.1

Разряд при 20°С током 0,2 It А

Разряд при 20°С токами:

1,0 It А (для аккумуляторов типов М, Н),

5,0 It А (для аккумуляторов типов Н)

В

5

4.2.2

Разряд при минус 18°С током 0,2 It A

1

Разряд при минус 18°С токами:

1,0 It А (для аккумуляторов типов М, Н),

2,0 It А (для аккумуляторов типов Н)

С

5

4.6

Перезаряд

0

4.7

Работа предохранительного устройства

D

5

4.4.1

Наработка в циклах

1

Е

5

4.4.2

Наработка длительным зарядом

1

F

6

4.3

Сохранность заряда (емкости)

1

G

5

4.8

Хранение

1

4.2.1

Разряд при 20°С током 0,2 It A

Разряд при 20°С токами:

1,0 It А (для аккумуляторов типов М, Н),

5,0 It А (для аккумуляторов типов Н)

6.2. Приемка партии

Эти испытания применяют для единичных поставок аккумуляторов. Процедура отбора образцов должна соответствовать МЭК 60410. Если иное не установлено соглашением между поставщиком и потребителем, проверка и испытания должны быть проведены с учетом уровня контроля и приемочного уровня дефектности AQL, приведенных в таблице 21.

Таблица 21 - Рекомендуемая последовательность испытаний для приемки партии

Группа

Раздел, подраздел, пункт

Проверка/испытание

Уровень контроля

Приемочный уровень дефектности AQL, %

 

 

Внешний осмотр:

 

 

А

-

- отсутствие механических повреждений корпуса

II

4

-

- отсутствие коррозии на корпусе и выводах

II

4

В соответствии с соглашением

- количество, расположение и прочность крепления выводов

S3

1

-

- отсутствие электролита на корпусе и крышке

II

0,65

В

 

Проверка:

 

 

3

- размеров

S3

1

-

- массы

S3

1

2.3

- маркировки

S3

1

С

 

Проверка электрических параметров:

 

 

В соответствии с соглашением

- напряжение разомкнутой цепи и полярность

II

0,65

4.2.1

разряд при 20 °С током 0,2 It A

S3

1

4.2.1

разряд при 20 °С токами:

 

 

1,0 It А (для аккумуляторов типов М и МТ),

S3

1

5,0 It А (для аккумуляторов типов Н и НТ),

S3

1

10,0 It А (для аккумуляторов типа X)

S3

1

Примечание - Два или более отказа одного и того же аккумулятора не суммируют. Принимается во внимание только отказ, соответствующий наименьшему приемочному уровню дефектности AQL.

Приложение А
(Справочное)

Сведения о соответствии ссылочных международных стандартов национальным стандартам Российской Федерации, использованным в настоящем стандарте в качестве нормативных ссылок.

Таблица А.1

Обозначение и наименование ссылочного национального стандарта Российской Федерации

Обозначение и наименование ссылочного международного стандарта и условное обозначение степени его соответствия ссылочному национальному стандарту Российской Федерации

ГОСТ 7590-93 Приборы аналоговые показывающие электроизмерительные прямого действия и вспомогательные части к ним. Часть 4. Особые требования к частотомерам

МЭК 51-4:1984 Приборы аналоговые показывающие электроизмерительные прямого действия и вспомогательные части к ним. Часть 4. Особые требования к частотомерам (MOD)

ГОСТ 8039-93 Приборы аналоговые показывающие электроизмерительные прямого действия и вспомогательные части к ним. Часть 5. Особые требования к фазометрам, измерителям коэффициента мощности и синхроноскопам

МЭК 51-5:1985 Приборы аналоговые показывающие электроизмерительные прямого действия и вспомогательные части к ним. Часть 5. Особые требования к фазометрам, измерителям коэффициента мощности и синхроскопам (MOD)

ГОСТ 8042-93 Приборы аналоговые показывающие электроизмерительные прямого действия и вспомогательные части к ним. Часть 8. Особые требования к вспомогательным частям

МЭК 51-8:1984 Приборы аналоговые показывающие электроизмерительные прямого действия и вспомогательные части к ним. Часть 8. Особые требования к вспомогательным частям (MOD)

ГОСТ 8476-93 Приборы аналоговые показывающие электроизмерительные прямого действия и вспомогательные части к ним. Часть 3. Особые требования к ваттметрам и варметрам

МЭК 51-3:1984 Приборы аналоговые показывающие электроизмерительные прямого действия и вспомогательные части к ним. Часть 3. Особые требования к ваттметрам и варметрам (MOD)

ГОСТ 8711-93 Приборы аналоговые показывающие электроизмерительные прямого действия и вспомогательные части к ним. Часть 2. Особые требования к амперметрам и вольтметрам

МЭК 51-2:1984 Приборы аналоговые показывающие электроизмерительные прямого действия и вспомогательные части к ним. Часть 2. Особые требования к амперметрам и вольтметрам (MOD)

ГОСТ 10374-93 Приборы аналоговые показывающие электроизмерительные прямого действия и вспомогательные части к ним. Часть 7. Особые требования к многофункциональным приборам

МЭК 51-7:1984 Приборы аналоговые показывающие электроизмерительные прямого действия и вспомогательные части к ним. Часть 7. Особые требования к многофункциональным приборам (MOD)

ГОСТ 11478-88 Аппаратура радиоэлектронная бытовая. Нормы и методы испытаний на воздействие внешних механических и климатических факторов

МЭК 68-2-29:1987 Аппаратура радиоэлектронная бытовая. Нормы и методы испытаний на воздействие внешних механических и климатических факторов (MOD)

ГОСТ 23706-93 Приборы аналоговые показывающие электроизмерительные прямого действия и вспомогательные части к ним. Часть 6. Особые требования к омметрам (приборам для измерения полного сопротивления) и приборам для измерения активной проводимости

МЭК 51-6:1984 Приборы аналоговые показывающие электроизмерительные прямого действия и вспомогательные части к ним. Часть 6. Особые требования к омметрам (приборам для измерения полного сопротивления) и приборам для измерения активной проводимости (MOD)

ГОСТ 28215-89 Основные методы испытаний на воздействие внешних факторов. Часть 2. Испытания. Испытание Eb и руководство: Многократные удары

МЭК 68-2-29:1987 Основные методы испытаний на воздействие внешних факторов. Часть 2. Испытания. Испытание Eb и руководство: Многократные удары (MOD)

ГОСТ 30012.1-2002 Приборы аналоговые показывающие электроизмерительные прямого действия и вспомогательные части к ним. Часть 1. Определения и основные требования, общие для всех частей

МЭК 60051-1:1997 Приборы аналоговые показывающие электроизмерительные прямого действия и вспомогательные части к ним. Часть 1. Определения и основные требования, общие для всех частей (MOD)

Обозначение и наименование ссылочного национального стандарта Российской Федерации

Обозначение и наименование ссылочного международного стандарта и условное обозначение степени его соответствия ссылочному национальному стандарту Российской Федерации

ГОСТ 30012.9-93 Приборы аналоговые показывающие электроизмерительные прямого действия и вспомогательные части к ним. Часть 9. Рекомендуемые методы испытаний

МЭК 51-9: 1998 Приборы аналоговые показывающие электроизмерительные прямого действия и вспомогательные части к ним. Часть 9. Рекомендуемые методы испытаний (MOD)

ГОСТ Р МЭК 86-1-96 Батареи первичные. Часть 1. Общие положения

МЭК 86-1:1993 Первичные батареи. Часть 1. Общие положения (IDT)

ГОСТ Р МЭК 86-2-96 Батареи первичные. Часть 2. Спецификационные листы

МЭК 86-2:1994 Первичные батареи. Часть 2. Спецификационные листы (IDT)

Ключевые слова: никель-кадмиевые герметичные аккумуляторы, дисковые, цилиндрические и призматические, испытания электрические, приемка

 

 




ГОСТЫ, СТРОИТЕЛЬНЫЕ и ТЕХНИЧЕСКИЕ НОРМАТИВЫ.
Некоммерческая онлайн система, содержащая все Российские Госты, национальные Стандарты и нормативы.
В Системе содержится более 150000 файлов нормативно-технической документации, действующей на территории РФ.
Система предназначена для широкого круга инженерно-технических специалистов.

Рейтинг@Mail.ru Яндекс цитирования

Copyright © www.gostrf.com, 2008 - 2026