Крупнейшая бесплатная информационно-справочная система онлайн доступа к полному собранию технических нормативно-правовых актов РФ. Огромная база технических нормативов (более 150 тысяч документов) и полное собрание национальных стандартов, аутентичное официальной базе Госстандарта. GOSTRF.com - это более 1 Терабайта бесплатной технической информации для всех пользователей интернета. Все электронные копии представленных здесь документов могут распространяться без каких-либо ограничений. Поощряется распространение информации с этого сайта на любых других ресурсах. Каждый человек имеет право на неограниченный доступ к этим документам! Каждый человек имеет право на знание требований, изложенных в данных нормативно-правовых актах!

  


 

ОРДЕНА ЛЕНИНА ГЛАВМОССТРОЙ при МОСГОРИСПОЛКОМЕ

МОСОРГСТРОЙ

ТЕХНОЛОГИЧЕСКАЯ КАРТА
НА ЗАБИВКУ С
ОСТАВНЫХ ЖЕЛЕЗОБЕТОННЫХ СВАЙ

Арх. № 8674

Москва - 1983

Технологическая карта разработана проектно-технологическим отделом треста Мосоргстрой .Н. Абрамович, А.П. Смирнов), согласована с Управлением подготовки производства Главмосстроя, трестом Мосфундаментспецстрой.

Технологическая карта рекомендована к внедрению в строительном производстве.

СОДЕРЖАНИЕ

1. Область применения. 1

2. Назначение составных железобетонных свай. 2

3. Испытание свай. 2

4. Конструктивная схема составных свай. 2

5. Организация и технология строительного процесса. 3

6. Технико-экономические показатели. 5

7. Материально-технические ресурсы.. 5

Приложение 1. Журнал забивки свай. 5

Приложение 2. График производства работ. 7

Приложение 3. Калькуляция трудовых затрат. 8

Приложение 4. Схема операционного контроля качества работ. 9

Лист 1. Номенклатура составных железобетонных свай. 10

Лист 2. Схема организации работ по забивке свай (подача свай в котлован выполняется краном) 12

Лист 3. Схема последовательности работ по забивке составных свай. 14

Лист 4. Схема последовательности работ по погружению составных свай с лидерным бурением.. 14

Лист 5. Схема раскладки свай копром на базе экскаватора с навесной копровой стрелой. 15

Лист 6. Схема подтаскивания свай через нижний отводной блок. 16

Лист 7. Схемы строповки свай. 16

1. Область применения

1.1. Технологическая карта составлена на производство работ по забивке составных железобетонных свай на объектах Главмосстроя.

1.2. В состав работ, рассматриваемых картой, входят:

планировка территории;

геодезическая разбивка осей и мест забивки свай;

погружение нижней сваи;

стыковка нижней и верхней свай;

окончательное погружение составной железобетонной сваи.

1.3. Технологическая карта предназначена для составления проектов производства работ и с целью ознакомления рабочих и инженерно-технических работников с правилами производства работ.

1.4. При привязке технологической карты к конкретному объекту и условиям строительства уточняются схемы производства работ, объемы работ, калькуляция затрат труда, средства механизации.

2. Назначение составных железобетонных свай

2.1. Составные железобетонные сваи применяют в тех случаях, когда использование свай длиной менее 12 м по грунтовым условиям невозможно.

2.2. Составные сваи применяются для устройства фундаментов жилых, гражданских и промышленных зданий и сооружений для условий г. Москвы.

2.3. Составные сваи могут применяться во всех видах грунтов. Опирание свай, когда на глубине более 9 - 11 м залегают прослойки слабых грунтов, невозможно по условиям деформативности.

2.4 Составные сваи предназначены для использования в фундаментах зданий и сооружений с передачей на них вертикальных сжимающих нагрузок.

2.5. Для работы на выдерживающие нагрузки составные сваи могут использоваться только в качестве анкерных при проведении статических испытаний.

Стыки составных свай также проверяются на выдерживающую нагрузку.

2.8. Составные сваи могут применяться как в виде висячих, так и в виде свай-стоек.

2.7. Применение составных железобетонных свай для фундаментов под оборудование с большими динамическими нагрузками не рекомендуется.

3. Испытание свай

3.1. Проверка несущей способности свай на стадии пробной бойки осуществляется динамическими и статическими испытаниями.

3.2. Динамические испытания свай должны производиться молотом, отношение массы ударной части Q которого к массе сваи с наголовником q составляет Q / q ≥ 0,5.

Если указанное соотношение масс не соблюдается, рекомендуется назначить статические испытания свай, а данные динамических испытаний использовать только в качестве контрольных.

3.3. Проведение динамических испытаний составных свай должно быть предусмотрено проектом после «отдыха», минимальная продолжительность которого (п. 6.2 главы СНиП 11-Б.5-67) - 3 суток в песчаных грунтах, 6 суток - в глинистых.

3.4. Определение несущей способности составных свай по результатам динамических испытаний производится по СНиП 11-Б.5-67 и «Указаниям по контролю за динамическими испытаниями свай», выпущенным управлением «Моспроект».

3.5. При строительстве уникальных зданий и сооружений, а также при количестве свай под одним корпусом более 500 статические испытания составных свай обязательны.

Статические испытания проводятся в соответствии с ГОСТ 3688-69 «Сваи и сваи-оболочки. Методы полевых испытаний».

3.6. Если проектом предусмотрены составные сваи-стойки и погружение их производится легкими молотами, в связи с чем нет уверенности, что они обеспечивают требуемое заглубление свай в слой крупнообломочного грунта, - несущая способность таких свай должна быть проверена статическими испытаниями.

3.7. При проведении динамических испытаний свай рекомендуется руководствоваться и разработками института «НИИМосстрой» Главмосстроя (ВСН 156-79).

4. Конструктивная схема составных свай

4.1. Составная свая состоит из элементов 2-х видов - нижнего и верхнего. Номенклатура элементов составных свай приведена на листе 1.

4.2. Нижний элемент составной сваи (ССН) изготавливается с острием и имеет в верхней части закладную деталь для соединения. Верхний элемент составной сваи (ССВ) имеет анкерную деталь на нижнем конце для соединения.

4.3. Конструктивная схема стыка составной сваи при помощи сварки приведена на листе 1.

4.4. Защита элемента стыка выполняется:

кузбасслаком за 2 раза при грунтах без агрессивного воздействия;

эпоксидной краской ЭФАЖС (ВСН 007-67, ВНИИГ им. Б. Е. Веденеева, Ленинград, 1967) при грунтах с сильным агрессивным воздействием;

в соответствии со СНиП II-28-73 «Защита строительных конструкций от коррозии» (дополнительная глава 6 введена в действие с 1.1.76 г. Госстроем СССР, постановление № 57 от 17.4.75 г.) при грунтах со слабым и средним агрессивным воздействием.

5. Организация и технология строительного процесса

5.1. При производстве работ по забивке составных железобетонных свай необходимо руководствоваться «Техническими указаниями по применению составных железобетонных свай для условий г. Москвы» Моспроекта-1 (1978), СНиП III-9-74 «Основания и фундаменты. Производство и приемка работ», технологической картой треста Мосоргстрой на забивку свай для домов повышенной этажности с проведением динамических и статических испытаний свай (арх. № 7935), ВСН-91-74, ВСН 157-79; ВСН 156-79; ВСН 124-76, разработанным НИИМосстроем, СНиП III-4-80 «Техника безопасности в строительстве» и другими нормативными документами.

5.2. До начала работ по забивке свай должен быть составлен и согласован с заводомзготовителем график поставки комплектов свай на строительную площадку.

5.3. Поставляемые на объект элементы составных свай должны иметь сопроводительную документацию на каждую партию свай в соответствии с требованиями ГОСТ 10628-63.

5.4. Складирование элементов свай по номенклатуре на стройплощадки должно производиться в штабеля. Элементы свай в штабеле допускается укладывать в два ряда по пять штук.

5.5. Для забивки составных свай могут использоваться подвесные молоты, дизель-молоты (штанговые и трубчатые) и паровоздушные молоты.

Рекомендуется преимущественно попользовать штанговые дизель-молоты. Погружение составных свай вибропогружателями не допускается.

5.6. После установки сваи на точку забивки отклонение острия сваи от проектного положения в плане должно быть не более 1 см. Копровая стрела и свая должны быть приведены в вертикальное положение с соблюдением соосности сваи и молота.

5.7. Начало погружения нижнего элемента должно производиться одиночными ударами с небольшой высоты падения ударной частью молота. При этом особенно строго необходимо следить за правильным положением элемента как в плане, так и по вертикали. К полной забивке можно переходить только после того, как будет обеспечено погружение элемента в заданной точке и в заданном направлении.

5.8. В процессе забивки элементов сваи должно вестись наблюдение за соответствием скорости погружения характеру грунтовых пластований. Быстрое погружение сваи, когда ее острие проходит плотные слои грунта, может свидетельствовать об ее изломе. В этом случае следует прекратить забивку и вызвать представителя проектной организации для принятия соответствующего решения.

5.9. Наращивание сваи и соединение элементов между собой производится по мере погружения каждого предыдущего элемента ССН на высоту 0,7 - 1,0 м от поверхности грунта. Соединение нижней и верхней свай производятся посредством электродуговой сварки закладных деталей. Сварной стык составной сваи приведен на листе 1.

5.10. В процессе забивки составных свай особое внимание должно быть уделено техническому состоянию молота, так как для передачи на сваю всей энергии удара продольные оси ударной части молота и элемента свай должны совпадать, т.е. удар должен быть центральным.

5.11. В случае, если при забивке составной сваи нижний элемент отклонился от проектного положения, необходимо:

чтобы ось молота совпала с осью сваи, если позволяет конструкция стрелы в соответствии с наклоном сваи;

либо передвинуть копер и продолжать забивку сваи в данном положении.

5.12. Число забивных свай, имеющих тангенс угла наклона продольной оси и вертикали (1/100), не должно превышать 25 % от общего количества свай под здание или сооружение.

Если сваи, погруженные с наклоном в одну сторону, расположены в свайном поле группами, необходимо забить дополнительные сваи. При расположении в отдельных местах свай с наклоном дополнительные меры по усилению свайного поля не требуются.

Если сваи при однорядном расположении погружены по всему ряду или частично с наклоном в одну сторону, необходимо забить дополнительные сваи по второму ряду в направлении, противоположном отклонявшемуся ряду свай, с таким расчетом, чтобы дополнительными сваями создавалось шахматное расположение свай.

5.13. Применение каких-либо прокладок в стыках составных свай, как правило, не допускается.

5.14. При погружении составных свай в сложных инженерно-геологических условиях (наличие прослоек плотного песка толщиной от 2 до 10 м), когда невозможно погрузить составные сваи за требуемую глубину имеющимся оборудованием, могут быть предусмотрены следующие меры, облегчающие погружение свай:

применение более тяжелого молота,

погружение свай с лидерным бурением.

5.15. При погружении составных свай в зимнее время слой промерзшего грунта в точке засыпки должен быть пройден пробойником, бурением.

При глубине промерзания более 0,3 м рекомендуется производить или оттаивание грунта в местах забивки прогревом с помощью ТЭНов, или пробивку лидирующих отверстий специальной желонкой конструкции СУ-24 Главмосстроя, или бурение ямобуром.

5.16. Забивка железобетонных составных свай-стоек, прорезающих толщину слабых грунтов и опирающихся на скалу, должна производиться с осторожностью во избежание разрушения свай. При резком и внезапном уменьшении отказов следует прекратить бойку, если по данным проекта острие свая близко к кровле скалы.

5.17. Погружение составных железобетонных свай с лидерным бурением необходимо выполнять в следующей последовательности.

С помощью буров вращательного движения (ямобура и других специальных установок) устраивается скважина глубиной и диаметром в строгом соответствии с рекомендациями проекта.

Устанавливается элемент нижней составной сваи в скважину сваебойным агрегатом (или краном), при необходимости проводится его добивка на высоту 0,7 - 1,0 м от поверхности грунта.

Производится соединение элементов нижней (погруженной) и верхней составной сваи на сварке.

При соединении верхний элемент сваи удерживается копром.

По окончании работ по устройству стыка свай производится полное погружение составной сваи на проектную отметку.

Далее работы выполняются в той же последовательности.

Схемы организации работ по погружению составных железобетонных свай приведены на листах 2 - 7.

5.18. В процессе погружения составных свай необходимо вести журнал забивки свай (приложение 1).

5.19. Приемка погруженных составных свай должна производиться на основании:

проекта свайных фундаментов;

рабочих чертежей элементов составных свай;

паспортов на изготовление элементов составных свай;

актов геодезической разбивки свайных фундаментов;

исполнительных планов забивки свай;

журнала забивки свай.

5.20. Отклонения составных свай от проектного положения в плане не должны превышать приведенных в СНиП III-9-74 «Основания и фундаменты. Правила производства и приемки работ».

5.21. Приемка фундамента на составных сваях оформляется актом, в котором должны быть указаны все дефекты, выявленные в процессе приемки, и срок их устранения и дана оценка качества работ.

5.22. Забивка составных железобетонных свай выполняется составом звена, приведенным в графике выполнения работ (приложение 2).

5.23. Калькуляция трудовых затрат приведена в приложении 3.

5.24. Операционный контроль качества работ по забивке составных железобетонных свай выполняется в соответствии с требованиями СНиП III-1-76 «Организация строительного производства», СНиП III-9-74 «Основания и фундаменты», инструкции СН 47-74 и др. нормативных документов.

Схема операционного контроля приведена в приложении 4.

5.25. При производстве работ следует строго соблюдать правила по технике безопасности согласно СНиП III-4-80, системе стандартов безопасности труда (ССБТ) и «Правилам устройства и безопасной эксплуатация грузоподъемных машин».

6. Технико-экономические показатели

(на 100 шт. составных железобетонных свай)

Затраты труда                                     57,13 чел.-дн.

Потребность в машинах                     24,53 маш.-см.

Стоимость затрат труда                     290,0 руб.

7. Материально-технические ресурсы

Основные материалы, строительные детали

Наименование

Марка

Един. измер.

Количество

Железобетонная составная свая нижняя

ССН-8-30

шт.

100

Железобетонная составная свая верхняя

ССВ-8-30

шт.

100

Электроды

Э-42

кг

110

Машины, оборудование, инструмент

Наименование

Тип

Марка

Количество

Сваебойный агрегат

Гусеничный

Э-10011

1

Монтажный кран

На автоходу

КС-3562А

1

Сварочный аппарат

Переносной

ТД-500

1

Теодолит

-

Т-30

1

Нивелир

-

Н-3

1

Рулетка

-

РС-20

1

Приложение 1

Наименование строительной организации _______________________________________

Объект ____________________________________________________________________

ЖУРНАЛ
ЗАБИВКИ СВАЙ

№ ______ по № ______)

Начало _______________________________ Окончание __________________________

1. Система копра ___________________________________________________________

2. Тип молота ______________________________________________________________

3. Масса ударной части молота ____________________________________________ кгс

4. Давление оздуха, пара) _______________________________________________ атм

5. Тип и масса наголовника _______________________________________________ кгс

Свая _____________________________________________ (по плану свайного поля)

1. Дата забивки ____________________________________________________________

2. Марка сваи ______________________________________________________________

3. Абсолютная отметка поверхности грунта у сваи ______________________________

4. Абсолютная отметка острия сваи ___________________________________________

5. Проектный отказ, см ______________________________________________________

№ залога

Высота подъема разной части молота, см

Число ударов в залоге

Глубина погружения сваи от залога, см

Отказ от одного удара, см

Примечание

1

2

3

4

5

6

__________________________________________________________________________

__________________________________________________________________________

__________________________________________________________________________

__________________________________________________________________________

__________________________________________________________________________

__________________________________________________________________________

__________________________________________________________________________

Исполнитель _____________________________________    Подпись _______________

(фамилия, имя, отчество)


Приложение 2

ГРАФИК ПРОИЗВОДСТВА РАБОТ

Приложение 3

КАЛЬКУЛЯЦИЯ ТРУДОВЫХ ЗАТРАТ

Основание (ВНиР)

Наименование работ

Един. измер.

Объем работ

Норма времени на един. измер., чел.-ч. (маш.-ч.)

Расценка на един. измерения, руб.-коп.

Затраты труда, чел.-дн. (маш.-смен)

Сумма, руб.-коп.

§ 2-1-24, т. 2, № 10А

Предварительная планировка дна котлована бульдозером за 4 прохода в одном направлении

1000 м2

4

0,22

0-17,4

0-11

0-69,6

§ 2-1-25, № 10А

Окончательная планировка дна котлована

-«-

4

0,27

0-21,3

0,14

0-85,2

§ 1-5, № 6Б

Складирование свай при помощи автокрана

100 т

3,46

2,4

1-68

1,04

5-81

§ 12-31, п. Е

Погружение нижней железобетонной сваи

1 свая

100

1,22

(0,61)

0-76,8

(0-48,2)

15-25

(7,62)

76-80

(48-20)

§ 22-1, № 11г, № 1

Соединение нижней и верхней свай при помощи сварки (стыковка свай)

10 пог.м шва

12

5,7

4-00

8-55

48-00

М. Н., § 4-1-79, № 5А, 6А

Погружение составной железобетонной сваи

1 свая

100

2,5

(1,25)

1-57

(0-98,8)

31-25

(15,62)

157-00

(98,80)

 

Итого:

 

 

 

 

57,13

24,53

290-00

(154-36)


Приложение 4

СХЕМА ОПЕРАЦИОННОГО КОНТРОЛЯ КАЧЕСТВА РАБОТ

Наименование операций, подлежащих контролю

Контроль качества выполнения операций

 

состав

способы

время

привлекаемая служба

производителем работ

мастером

 

Подготовительные работы

-

Планировка дна котлована. Выноска и закрепление осей. Качество элементов составных свай. Наличие паспортов на сваи. Складирование свай

Нивелиром, теодолитом, рулеткой, стальным метром, визуально

До начала и в процессе работ

Геодезическая служба, строительная лаборатория

 

Забивка составных свай нижних

Качество свай. Центровка и вертикальность свай. Соответствие сваебойного агрегата

Теодолитом, отвесом, ведение журнала забивки свай, визуально

В процессе работ

Геодезическая служба, отдел главного механика

 

Соединение нижней и верхней свай

Центровка и вертикальность сваи. Качество сварки

Теодолитом, отвесом, визуально

В процессе и по окончании работ

Геодезическая служба, строительная лаборатория

 

Забивка составных свай

Качество свай. Центровка и вертикальность свай. Соответствие сваебойного агрегата

Теодолитом, отвесом, визуально, ведение журнала забивки свай

В процессе работ

Геодезическая служба, отдел главного механика

 

Испытание свай

-

Несущая способность свай

Динамические и статические испытания

При пробной бойке и по требованию проектной организации

Строительная лаборатория

 


Лист 1

НОМЕНКЛАТУРА СОСТАВНЫХ ЖЕЛЕЗОБЕТОННЫХ СВАЙ

Марка

Наименование изделия

Эскиз

Размеры, мм

Объем изделия, м

Проектная масса изделия, т

Марка бетона

Альбом рабочих чертежей

длина Д

ширина Ш

высота В

ССВ 8-30

Сваи составные верхние квадратного сечения с ненапрягаемой арматурой

8000

300

300

0,72

1,73

300

Рабочие чертежи Моспроекта-1, арх. № 93093

ССВ 10-30

10000

0,9

2,16

ССВ 12-30

12000

1,08

2,59

ССН 6-30

Сваи составные нижние квадратного сечения с ненапрягаемой арматурой

6000

300

300

0,54

1,3

300

-«-

ССН 8-30

8000

0,72

1,73

ССН 10-30

10000

0,9

2,16

ССН 12-30

12000

1,08

2,59


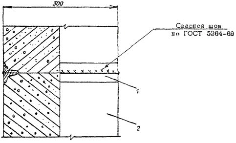
СВАРНОЙ СТЫК СОСТАВНЫХ СВАЙ

Условные обозначения:

1 - металлические обоймы стыка, забетонированные в верхний и нижний элементы составной сваи (выполнены из уголка);

2 - свая железобетонная квадратного сечения (300×300 мм)


Лист 2

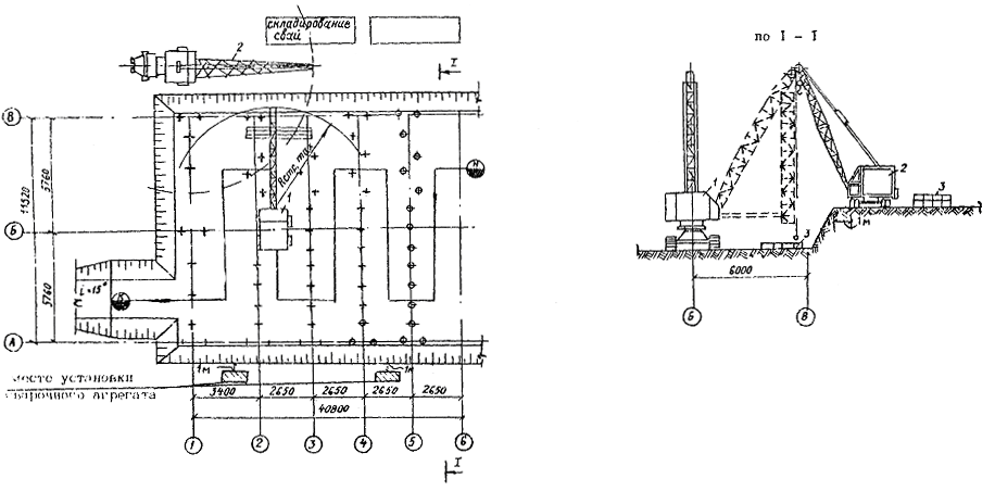
СХЕМА ОРГАНИЗАЦИИ РАБОТ ПО ЗАБИВКЕ СВАЙ (ПОДАЧА СВАЙ В КОТЛОВАН ВЫПОЛНЯЕТСЯ КРАНОМ)

Примечания.

1. Наименьшее допустимое расстояние по горизонтали от подошвы откоса выемки до ближайших опор машин следует принимать согласно СНиП III-4-80, табл. 4.

2. Разгрузка свай на склад и подача к месту забивки осуществляется автокраном.

3. Забивку свай следует производить сваебойным агрегатом на базе экскаватора Э-10011.

4. При выполнении сваебойных работ строго соблюдать СНиП III-4-80.

Условные обозначения:

            - начало и окончание работы механизма;

            - пандус для въезда и выезда сваебойного агрегата;

                 - металлические штыри свайных рядов;

              - забитые сваи;

1                           - сваебойный агрегат;

2                           - автокран;

3                           - сваи


Лист 3

СХЕМА ПОСЛЕДОВАТЕЛЬНОСТИ РАБОТ ПО ЗАБИВКЕ СОСТАВНЫХ СВАЙ

Условные обозначения:

ССН - составная свая нижняя;

ССВ - составная свая верхняя;

 - стык свай

Последовательность работ:

1. Забитая нижняя свая (ССН).

2. Соединение нижней и верхней свай на сварке.

3. Окончательное погружение составной сваи.

Лист 4

СХЕМА ПОСЛЕДОВАТЕЛЬНОСТИ РАБОТ ПО ПОГРУЖЕНИЮ СОСТАВНЫХ СВАЙ С ЛИДЕРНЫМ БУРЕНИЕМ

Условные обозначения:

ССН - составная свая нижняя;

ССВ - составная свая верхняя;

 - лидерная скважина;

 - стык

Последовательность работ:

1. Погружение составной нижней сваи в скважину.

2. Соединение составных нижней и верхней свай между собой на сварке.

3. Окончательное погружение составной сваи.

Лист 5

СХЕМА РАСКЛАДКИ СВАЙ КОПРОМ НА БАЗЕ ЭКСКАВАТОРА С НАВЕСНОЙ КОПРОВОЙ СТРЕЛОЙ

Условные обозначения:

1 - рабочая раскладка свай; 2 - база копра (экскаватор); 3 - крановая (опорная) стрела; 4 - рабочий трос со свайной подвеской; 5 - штабель свай; 6 - копровая стрела (навесная); 7 - молот; 8 - телескопическая распорка

Лист 6

СХЕМА ПОДТАСКИВАНИЯ СВАЙ ЧЕРЕЗ НИЖНИЙ ОТВОДНОЙ БЛОК

Условные обозначения:

1 - копер; 2 - копровая стрела; 3 - рабочий трос; 4 - молот; 5 - нижний отводной блок; 6 - строп; 7 - свая

Лист 7

СХЕМЫ СТРОПОВКИ СВАЙ

Условные обозначения:

1 - строп 4-ветвевой грузоподъемностью 10 т и длиной стропа 6 м, арх. № 910МА треста Мосоргстрой; 2 - монтажная петля; 3 - дизель-молот; 4 - трос на блок стрелы копра; 5 - строп универсальный канатный грузоподъемностью 3,2 т и длиной стропа 4 м, арх. № 4996 М треста Мосоргстрой

Примечание.

Сваи длиной 7 м и более при подъеме на копер стропуются возле специального штыря, выступающего из тела сваи.

 




ГОСТЫ, СТРОИТЕЛЬНЫЕ и ТЕХНИЧЕСКИЕ НОРМАТИВЫ.
Некоммерческая онлайн система, содержащая все Российские Госты, национальные Стандарты и нормативы.
В Системе содержится более 150000 файлов нормативно-технической документации, действующей на территории РФ.
Система предназначена для широкого круга инженерно-технических специалистов.

Рейтинг@Mail.ru Яндекс цитирования

Copyright © www.gostrf.com, 2008 - 2026