|
|
|
ОРДЕНА ЛЕНИНА ГЛАВМОССТРОЙ при МОСГОРИСПОЛКОМЕ мосоргстрой ТЕХНОЛОГИЧЕСКАЯ КАРТА Арх. № 8513 МОСКВА - 1983 Технологическая карта разработана проектно-технологическим отделом треста Мосоргстрой (А.Н. Абрамович, А.П. Смирнов), согласован с Управлением подготовки производства Главмосстроя, НИИМосстроем, ЦНИБ-Мосстрой (М.И. Черняк). Технологическая карта рекомендована к внедрению в строительном производстве. СОДЕРЖАНИЕ 1. ОБЛАСТЬ ПРИМЕНЕНИЯ1.1. Технологическая карта (ТК) составлена на производство работ по устройству дренажей с применением керамзитобетонных фильтрующих плит на строительных объектах Главмосстроя. 1.2. В состав работ, рассматриваемых картой, входят: устройство основания; установка дренажных колодцев; прокладка трубофильтров (перфорированных труб) и керамзитобетонных фильтрующих плит; обсыпка дренажа фильтрующим материалом (щебень, песок); обратная засыпка траншеи; планировка территории. 1.3. Технологическая карта предназначена для составления проектов производства работ (ППР) и с целью ознакомления рабочих и инженерно-технических работников с правилами производства работ и организации труда. 1.4. При привязке технологической карты к конкретному объекту и условиям строительства уточняются схемы производства работ, объемы работ, калькуляция затрат труда, приспособления и средства, механизации. 2. КОНСТРУКТИВНЫЕ СХЕМЫ ДРЕНАЖА2.1. Технологическая карта предусматривает устройство дренажа из фильтрующих керамзитобетонных плит совместно с дренажными трубами (лист 1, 2, 3, 4), состоящими из: керамзитобетонных трубофильтров; перфорированных асбестоцементных труб с фильтрующей обсыпкой; керамических труб с фильтрующей обсыпкой. 2.2. Применение керамзитобетонных плит и керамзитобетонных трубофильтров резко сокращает объем дефицитного песка и гранитного щебня; снижает стоимость строительства дренажа от 5 до 40 % в зависимости от глубины заложения дренажа и его расстояния от стены здания; сокращает объем транспортных перевозок материалов в среднем в 10 - 15 раз. Экономия при применении фильтрующих керамзитобетонных плит и керамзитобетонных трубофильтров составляет от 6 до 40 руб. на 1 пог. м дренажа (см. НМ-34-80 Моспроект-1). 2.3. Конструкция дренажа, состоящая из керамзитобетонных плит и керамзитобетонных труб, применяется в глинистых, суглинистых, супесчаных грунтах и песчаных грунтах с Кф £ 5 м/сутки. 2.4. Конструкция дренажа выполняется по 3 схемам (решениям) в зависимости от расположения расчетного уровня грунтовой воды по отношению к полу сооружения. Схема (решение) 1 - профилактический дренаж: грунтовые зоны отсутствуют; дренаж выполняется из вертикально установленных у стены сооружения керамзитобетонных плит и трубофильтров, засыпаемых песком. Схема (решение) 2: расчетный уровень грунтовой воды располагается выше пола сооружения в пределах 30 см; дренаж выполняется так же, как и по схеме 1, с дополнительной прокладкой через 5 - 15 м (расстояние принимается по проекту) рядов керамзитобетонных плит от стены сооружения до трубофильтров с уклоном 0,002 - 0,005 в сторону трубофильтров; керамзитобетонная плита ряда, примыкающего к стене сооружения, располагается вплотную к торцу вертикальной керамзитобетонной плиты. Схема (решение) 3: расчетный уровень грунтовой воды располагается выше пола сооружения от 30 см и более; дренаж выполняется так же, как и по схеме 1, с дополнительной прокладкой керамзитобетонных плит от стены сооружения до трубофильтров с уклоном 0,002 -0,005 в сторону трубофильтров; расстояние между рядами плит определяется проектом. 2.5. В конструктивных решениях для защиты фильтрующих плит от заиливания применяются минеральные волокнистые материалы (МВМ) Минводхоза СССР-ОСТ-33-10-73 и др. согласно проекту. 2.6. Во избежание появления сырости в эксплуатируемых подвалах обмазочная гидроизоляция наружных стен обязательна. 3. ОРГАНИЗАЦИЯ И ТЕХНОЛОГИЯ СТРОИТЕЛЬНОГО ПРОЦЕССА3.1. К началу работ по устройству дренажа с применением керамзитобетонных фильтрующих плит должны быть выполнены следующие работы: произведена геодезическая разбивка осей дренажа; выполнены земляные работы, то есть соответствие уклона откоса котлована (траншеи) проектному размеру в плане по дну траншеи; приняты меры по сохранению вскрытых действующих коммуникаций; доставлены на стройплощадку трубофильтры, керамзитобетонные фильтрующие плиты, железобетонные колодцы, песок (щебень), грунт и, по необходимости раствор (бетон). 3.2. Земляные работы должны выполняться одновременно с котлованом здания (сооружения) и соответствовать требованиям глав СНиП III-8-76 «Земляные сооружения», СНиП III-4-80 «Техника безопасности в строительстве» и др. 3.3. До начала работ стены здания или сооружения должны иметь гидроизоляцию (по проекту) и быть очищены. 3.4. После выполнения работ, указанных в пп. 3.1; 3.2; 3.3, готовится основание под укладку труб дренажа в соответствии с проектом. 3.5. Если проектом не предусматривается устройство искусственного основания, трубофильтры (трубы) надлежит укладывать на естественный грунт неразрушенной структуры, при этом трубы по всей длине должны плотно прилегать к основанию. Укладка трубофильтров должна выполняться в соответствии с требованиями ВСН-40-69. Установку фильтрующих плит производят в соответствии с требованиями ВСН-103-74 и проектного решения Моспроекта-1 НМ-34-80. 3.6. Засыпка песком трубофильтров должна быть на 30 см выше пола подвала и не менее 70 см над верхом трубофильтра. 3.7. Установка первого ряда фильтрующих плит производится на 30 см ниже пола подвала знания (сооружения). 3.8. Укладку плит следует производить по направлению от внутренних к внешним углам. Запрещается оставлять открытым пространство между плитами - в вертикальных рядах оно должно быть заделано цементным раствором (1 : 3). 3.9. Верх дренирующих плит должен быть ниже отмостки на 10 - 15 см. 3.10. Водопроводящие отверстия и поверхность каждой плиты перед установкой должны быть тщательно осмотрены и очищены, в случае загрязнения - промыты струей воды или продуты сжатым воздухом. 3.11. В целях предотвращения попадания в дренажную сеть загрязненных поверхностных вод и грунта в верхнем ряду рекомендуется укладывать плиты без отверстий. В случае применения в верхнем ряду плит с отверстиями, они должны быть заделаны цементно-песчаным раствором (1 : 3) или бетоном. 3.12. Для укладки плит в некратных местах их следует распиливать на станках для бетонных изделий, а при небольших количествах - отсекать вручную. 3.13. По окончании работ по устройству основания устанавливаются дренажные колодцы монтажным кранам соответствующей грузоподъемности. 3.14. Укладываются трубофильтры (перфорированные трубы) на один интервал между колодцами с заделкой вводов в колодцах. 3.15. Выполненный дренаж присыпается фильтрующей обсыпкой (щебень, песок). Схемы устройства фильтрующей обсыпки см. лист 1 - 4. 3.16. После окончания работ, указанных в п. 3.15: устанавливаются вдоль стены здания (сооружения) два ряда керамзитобетонных фильтрующих плит по высоте (при h плиты = 30 см); засыпается грунт на высоту двух плит; разравнивается и уплотняется грунт. Далее работы выполняются в той же последовательности на всю высоту котлована (траншеи) (лист 5, 6). ПРИМЕЧАНИЕ. Если плиты высотой более 30 см, то они устанавливаются однорядно с последующей засыпкой грунта на один ряд по высоте. 3.17. Подача плит в траншею (котлован) осуществляется краном в специальных контейнерах. Плиты разносятся и устанавливаются вручную. 3.18. Обратную засыпку траншеи (котлована) рекомендуется производить грунтом (песком) из отвала или привозимого экскаватором-планировщиком (лист 6). 3.19. Обратную засыпку траншеи (котлована) производят после проверки авторским и техническим надзорами выполненных работ по укладке дренажных труб, устройству фильтрующей обсыпки и укладке фильтрующих плит. 3.20. При засыпке траншеи (котлована) грунтом с помощью бульдозера должны быть приняты меры против повреждения и смещения дренажных труб и фильтрующих плит. 3.21. Послойное уплотнение грунта рекомендуется производить электротрамбовками типа ИЭ-4502 и механизмами с навесным оборудованием, предназначенным для этих целей. 3.22. Засыпка котлована (траншеи) разжиженным грунтом не допускается. 3.23. Коэффициент уплотнения грунта засыпки должен быть не менее К = 0,96. 3.24. В зимнее время обратная засыпка должна производиться талым грунтом. Грунт не должен иметь твердых включений во избежание разрушения плит при их засыпке. 3.25. При строительстве дренажей с применением керамзитобетонных фильтрующих плит необходимо руководствоваться разработанными НИИМосстроем «Рекомендациями по комплексной защите от грунтовых вод подземных пространств зданий с использованием фильтрующих плит», Москва, 1981. 3.26. В дополнение к п. 2.5 фильтрующие плиты без защиты от кольматации могут применяться для пристенных дренажей в песчаных грунтах, а также в глинистых грунтах в грунтовых водах двух- и трехвалентных катионов. В пылеватых несвязных, а также в глинистых породах в грунтовых водах одновалентных катионов должна производиться защита дренажных плит от кольматации. 3.27. Отдельные линии пристенного дренажа могут выполняться только из фильтрующих плит, без укладки сопутствующего трубофильтра, при устройстве водовыпуска, при наличии соответствующего расчета. Конструктивные схемы пристенных дренажей в соответствии с «Рекомендациями по комплексной защите от грунтовых вод подземных пространств зданий с использованием фильтрующих плит», приведены на листах 7, 8. 3.28. Устройство комбинированного дренажа выполняется звеном рабочих, состав которого приведен в графике производства работ (приложение 1). Калькуляция трудовых затрат приведена в приложении 2. 3.29. Операционный контроль качества работ по устройству дренажа с применением керамзитобетонных фильтрующих плит выполняется в соответствии с требованиями СНиП III-1-76 «Организация строительного производства», инструкции СН 47-74, ВСН 40-69, ВСН 103-74 и НМ-34-80 Моспроекта-1. 3.30. При производстве работ следует строго соблюдать требования СНиП III-4-80 «Техника безопасности в строительстве» и системы стандартов безопасности труда (ССБТ). 4.
ТЕХНИКО-ЭКОНОМИЧЕСКИЕ ПОКАЗАТЕЛИ
|
||||||||||||||||||||||||||||||||||||||||||||||||||||||||||||||||||||||||||||||||||||||||||||||||||||||||||||||||||||||||||||||||||||||||||||||||||||||||||||||||||||||||||||||||||||||||||||||||||||||||||||||||||||||||||||||||||||||||||||||||||||||||||||||||||||||||||||||||||||||||||||||||||||||||||||||||||||||||||||||||||||||||||||||||||||||||||||||||||||||||||||||||||||||||||||||||||||||||||||||||||||||||||||||||||||||||||||||||||||||||||||||||||||||||||||||||||||||||||||||||||||||||||||||||||||||||||||||||||||||||||||||||||||||||||||||||||||||||||||||||||||||||||||||||||||||||||||||||||||||||||||||||||||||||||||||||||||||||||||||||||||||||||||||||||||||||||||||||||||||||
|
Наименование |
Марка |
Един. измер. |
Кол-во |
|
Железобетонные колодцы с люками |
Д.К. |
шт. |
2 |
|
Трубофильтры (перфорированные трубы) |
Керамзитобетонные (асбестоцементные) |
пог. м |
33 |
|
Фильтрующие плиты |
Керамзитобетонные |
м2 |
45 |
|
Фильтрующая обсыпка |
Гранитный щебень (песок) |
м3 |
15 |
|
Песок |
Кф = 5 м/сут |
м3 |
49,7 |
|
Раствор |
1 : 3 |
м3 |
0,1 |
Таблица 2
Потребность в машинах, инструментах
|
Наименование |
Марка |
Тип |
Кол-во |
|
Монтажный кран |
КС-2561Д |
Автокран |
1 |
|
Экскаватор-планировщик |
ЭО-3322А |
Гусеничный |
1 |
|
Бульдозер |
ДЗ-35 |
На тракторе Т-180 |
1 |
|
Электротрамбовки |
ИЭ-4502 |
Переносные |
2 |
|
№ п/п |
Наименование работ |
Единица измерения |
Объем работ |
Трудоемкость |
Состав звена |
Рабочие дни |
||||||
|
на единицу измерения, чел.-ч. |
на весь объем, чел.-дн. |
1 |
2 |
3 |
4 |
|||||||
|
1. |
Устройство дренажа из керамзитобетонных трубофильтров со всеми вспомогательными работами |
100 м трубоф. |
0,3 |
46,8 |
1,75 |
Трубоуклад. 4 р. - 2 чел. 3 р. - 6 чел. |
_ |
|
|
|
||
|
2. |
Устройство пристенного дренажа из керамзитобетонных плит |
10 м |
4,5 |
4,2 |
2,36 |
Трубоуклад. 4 р. - 1 чел. 3 р. - 1 чел. |
_ |
|
|
|
||
|
3. |
Послойная засыпка траншеи грунтом |
м3 |
49,64 |
1,56 |
9,68 |
Трубоуклад. 3 р. - 6 чел. |
_ |
__ |
__ |
|
||
|
4. |
Засыпка траншеи бульдозером |
100 м3 |
0,5 |
0,31 |
0,02 |
Машинист 6 р. - 1 чел. |
|
_ |
_ |
_ |
_ |
_ |
|
5. |
Окончательная планировка |
1000 м3 |
0,075 |
0,27 |
0,003 |
Машинист 6 р. - 1 чел. |
|
|
|
_ |
||
ПРИМЕЧАНИЯ: 1. График составлен по усредненным нормам времени и при разработке ППР подлежит уточнению.
2. Состав звена входит в состав комплексной бригады по возведению нулевого цикла здания.
|
№ п/п |
Обоснование |
Наименование работ |
Един. измер. |
Объем работ |
Норм. времени на един, измер., чел.-ч. (маш.-ч.) |
Расц. на един. измер. руб. |
На 30 метров |
|
|
затраты труда, чел.-дн. (маш.-см.) |
сумма, руб.-коп. |
|||||||
|
1. |
ЕНиР § 2-1-31 т. 2 п. 1е к-1, 3 т. 2 п. 5 |
Добор грунта (подготовка ложа под бетонное основание) - вручную |
1 м3 |
1,5 |
1,625 |
0-80,1 |
0,305 |
1-20 |
|
2. |
ЕНиР § 10-30 п. 2 |
Устройство бетонного основания под трубофильтры толщиной 10 см |
-«- |
1,5 |
1,65 |
0-86,5 |
0,31 |
1-30 |
|
3. |
м.н. § 1-1-78 п. «а» |
Устройство дренажа из керамзитобетонных трубофильтров Ø 150 мм |
100 м трубопровода |
0,3 |
42,5 |
23-72 |
1,6 |
7-12 |
|
4. |
ЕНиР § 2-1-44 табл. 1 № 2а |
Засыпка пазух песком на высоту 0,5 диам. трубопровода и на высоту 0,2 м над верхом трубопровода вручную (толщ. слоя до 0,2 м) |
1 м3 |
19,624 |
0,8 |
0-37,2 |
1,96 |
7-30 |
|
5. |
м.н. § 1-1-76 применительно |
Устройство пристенного дренажа из керамзитобетонных плит |
10 м |
4,5 |
4,2 |
2-36 |
2,36 |
10-62 |
|
6. |
ЕНиР § 2-1-44 т. 1 п. 3а |
Послойная засыпка траншеи после установки 2 рядов плит песком вручную (толщ. слоя 0,3 м) |
1 м3 |
15,615 |
0,74 |
0-34,4 |
1,44 |
5-37 |
|
7. |
ЕНиР § 2-1-21 табл. 2 п. 10а |
То же, бульдозером |
100 м3 |
0,156 |
0,31 |
0-24,5 |
0,01 |
0-03,8 |
|
8. |
ЕНиР § 2-1-44 табл. 1 п. 3б |
Послойная засыпка траншеи грунтом после установки последующих 3 плит бульдозером (толщ. слоя 0,3 м) |
1 м3 |
18,485 |
0,82 |
0-38,2 |
2,92 |
10-88 |
|
9. |
ЕНиР § 2-1-21 т. 2 п. 10б |
То же бульдозером |
100 м3 |
0,34 |
0,38 |
0-30 |
0,016 |
0-10,2 |
|
10. |
ЕНиР § 2-1-44 т. 1 п. 2б |
Засыпка траншеи грунтом (слой 0,15 м) вручную у стен |
1 м3 |
5,54 |
0,88 |
0,41 |
0,61 |
2-27 |
|
11. |
ЕНиР § 2-1-25 п. 10а |
Окончательная планировка поверхности траншеи (бульдозером) |
1000 м2 поверх. |
0,075 |
0,27 |
0-21,3 |
0,002 |
0-01,6 |
|
|
|
Итого: |
чел.-дн. |
|
|
|
11,505 |
46-06 |
|
|
|
|
маш.-см. |
|
|
|
0,028 |
0-15,6 |
|
Наименование операций, подлежащих контролю |
Контроль качества выполнения операций |
|||||
|
состав |
способы |
время |
привлекаемые службы |
|||
|
производителем работ |
мастером |
|||||
|
Подготовительные |
- |
Геодезическая разбивка, правильность складирования, соответствие геометрических размеров, наличие внешних дефектов, наличие паспортов |
Теодолитом, нивелиром, визуально, стальным метром, рулеткой |
До начала работ по устройству дренажа |
Геодезическая, строительная лаборатория |
|
|
Подготовка основания |
Планировка, добор грунта, устройство искусственного основания |
Нивелиром, визирками, визуально |
В процессе работ |
Геодезическая |
||
|
Установка железобетонных колодцев |
Правильность и надежность строповки, соосность колодца, отметки основания колодца, надежность установки |
Нивелиром, визирками, визуально |
-«- |
- |
||
|
Укладка дренажных труб и установка фильтрующих плит |
|
Соосность труб и плит, надежность стыков, вертикальность плит, качество выполнения фильтрующей обсыпки, присыпка песком (грунтом) на 30 см выше труб |
Нивелиром, визирками, визуально |
В процессе и по окончании работ |
Автор проекта, технический надзор, эксплуатирующая организация |
|
|
Обратная засыпка |
Качество грунта (песка), очередность засыпки, уплотнение грунта, сохранность труб и плит, качество уплотнения |
Визуально, приборами |
В процессе работ |
Строительная лаборатория, технический надзор |
||

Условные обозначения:
1 - дренажные плиты из керамзитобетона; 2 - водовыпуск в водосток
Конструкция дренажа (схема 1)

Конструкция дренажа (схема 2)

Конструкция дренажа (схема II - III)

Условные обозначения:
1 - стеклоткань; 2 - керамзитобетонные фильтрующие блоки (плиты) со стеклотканью; 3 - месоный грунт; 4 - песок; 5 - керамзитобетонные трубофильтры; 6 - бетонное основание; 7 - пол подвала; 8 - отмостка; 9 - керамзитобетонные фильтрующие блоки (плиты) со стеклотканью; 10 - горизонтальные керамзитобетонные блоки (плиты)
Объем песка и плит при прокладке дренажа с керамзитобетонными блоками по схемам I, II и III
|
Глубина заложения дренажа (Н) |
Привязка оси дренажа, м |
|||||||||||||||||||||||||
|
0,5 |
0,7 |
1,0 |
1,5 |
2,0 |
2,5 |
Объем бетона, м3 |
Стеклоткань, м2 |
|||||||||||||||||||
|
плиты |
песок |
трубы |
плиты |
песок |
трубы |
плиты |
песок |
трубы |
плиты |
песок |
трубы |
плиты |
песок |
трубы |
плиты |
песок |
трубы |
|||||||||
|
схема I |
схема III |
схема I |
схема III |
схема I |
схема III |
схема I |
схема III |
схема I |
схема III |
схема I |
схема III |
|||||||||||||||
|
м2 |
м2 |
м3 |
п0м0 |
м2 |
м2 |
м3 |
п0м0 |
м2 |
м2 |
м3 |
п0м0 |
м2 |
м2 |
м3 |
п0м0 |
м2 |
м2 |
м3 |
п0м0 |
м2 |
м2 |
м3 |
п0м0 |
|||
|
1,5 |
1,2 |
0,36 1,56 |
1,12 |
1 |
1,2 |
0,54 1,74 |
1,30 |
1 |
1,2 |
0,72 1,92 |
1,58 |
1 |
1,2 |
1,08 2,28 |
2,02 |
1 |
1,2 |
1,26 2,46 |
2,48 |
1 |
1,2 |
1,42 2,64 |
2,92 |
1 |
0,05 |
1,2 |
|
2,0 |
1,5 |
1,86 |
1,12 |
1 |
1,5 |
2,04 |
1,30 |
1 |
1,5 |
2,22 |
1,58 |
1 |
1,5 |
2,58 |
2,02 |
1 |
1,5 |
2,76 |
2,48 |
1 |
1,5 |
2,92 |
2,92 |
1 |
0,05 |
1,5 |
|
2,5 |
2,1 |
2,46 |
1,12 |
1 |
2,1 |
2,64 |
1,30 |
1 |
2,1 |
2,82 |
1,58 |
1 |
2,1 |
3,18 |
2,02 |
1 |
2,1 |
3,36 |
2,48 |
1 |
2,1 |
3,52 |
2,92 |
1 |
0,05 |
2,1 |
|
3,0 |
2,7 |
3,06 |
1,12 |
1 |
2,7 |
3,24 |
1,30 |
1 |
2,7 |
3,42 |
1,58 |
1 |
2,7 |
3,18 |
2,02 |
1 |
2,7 |
3,98 |
2,48 |
1 |
2,7 |
4,12 |
2,92 |
1 |
0,05 |
2,7 |
|
3,5 |
3,0 |
3,36 |
1,12 |
1 |
3,0 |
3,54 |
1,30 |
1 |
3,0 |
3,72 |
1,58 |
1 |
3,0 |
4,08 |
2,02 |
1 |
3,0 |
4,26 |
2,48 |
1 |
3,0 |
4,42 |
2,92 |
1 |
0,05 |
3,0 |
|
4,0 |
3,6 |
3,96 |
1,12 |
1 |
3,6 |
4,14 |
1,30 |
1 |
3,6 |
4,32 |
1,58 |
1 |
3,6 |
4,68 |
2,02 |
1 |
3,6 |
4,86 |
2,48 |
1 |
3,6 |
5,02 |
2,92 |
1 |
0,05 |
3,6 |
|
4,5 |
4,2 |
4,56 |
1,12 |
1 |
4,2 |
4,74 |
1,30 |
1 |
4,2 |
4,92 |
1,58 |
1 |
4,2 |
5,28 |
2,02 |
1 |
4,2 |
5,46 |
2,48 |
1 |
4,2 |
5,62 |
2,92 |
1 |
0,05 |
4,2 |
|
5,0 |
4,5 |
4,86 |
1,12 |
1 |
4,5 |
5,04 |
1,30 |
1 |
4,5 |
5,22 |
1,58 |
1 |
4,5 |
5,58 |
2,02 |
1 |
4,5 |
5,76 |
2,48 |
1 |
4,5 |
5,92 |
2,92 |
1 |
0,05 |
4,5 |
|
5,5 |
5,1 |
5,46 |
1,12 |
1 |
5,1 |
5,64 |
1,30 |
1 |
5,1 |
5,82 |
1,58 |
1 |
5,1 |
6,18 |
2,02 |
1 |
5,1 |
6,36 |
2,48 |
1 |
5,1 |
6,52 |
2,92 |
1 |
0,05 |
5,1 |

Условные обозначения:
1 - стеклоткань; 2 - горизонтальные фильтрующие плиты (блоки); 3 - керамзитобетонные трубофильтры; 4 - пол подвала; 5 - отверстия трубофильтров; 6 - вертикальные фильтрующие блоки (плиты)
Одностронний дренаж каналов теплосети или коллекторов

Дренаж канала теплосети с применением «ДЭС» (для опытного строительства)

Условные обозначения:
1 - дренажный колодец; 2 - трубофильтр из керамзитобетона d = 5 см; 3 - канал теплосети; 4 - выравнивающий слой из песка в 5 - 10 см; 5 - фильтрующая керамзитобетонная плита (глубина заложения - по проекту); 6 - местный грунт; 7 - гидроизоляция (по проекту); 8 - дренажный эксплуатационный стояк «ДЭС»

Условные обозначения:
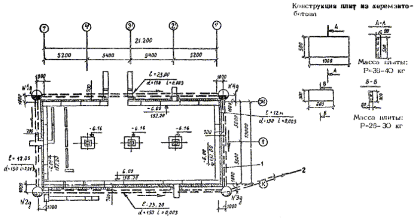
1 - место складирования и установки в проектное положение дренажных колодцев; 2 - место установки керамзитобетонных фильтрующих плит; 3 - ось дренажа; 4 - переносная лестница; 5 - место складирования керамзитобетонных плит; 6 - место складирования трубофильтров; 7 - места стоянок крана; 8 - складирование грунта (песка)
СОСТАВ РАБОТ:
1. Подготовка основания.
2. Монтаж колодцев.
3. Укладка труб в траншею.
4. Присыпка дренажа песком (грунтом) экскаватором-планировщиком, разравнивание и уплотнение грунта.
5. Установка по высоте 2 рядов керамзитобетонных плит.
6. Засыпка траншеи (котлована) грунтом (песком) на высоту 2 плит с помощью экскаватора-планировщика и вручную, уплотнение грунта.
7. Далее работы производятся в последовательности, указанной в пп. 5 и 6.
ПРИМЕЧАНИЯ:
1. Перемещение, установка и работа машин вблизи выемок (котлован, траншея и др.) должны выполняться в соответствии с табл. 3 СНиП III-4-30.
2. Организацию работ по прокладке трубофильтров дренажа необходимо принять в соответствии с технологической картой треста Мосоргстрой арх. № 7814 и ВСН-103-74.

Условные обозначения:
1 - песок (грунт); 2 - расстояние (принимать по СНиП III-4-80, табл. 4); 3 - этапы засыпки; 4 - дренаж; 5 - керамзитобетонные дренажные плиты; 6 - пол подвала
ПРИМЕЧАНИЕ
Состав работ см. на листе 5.
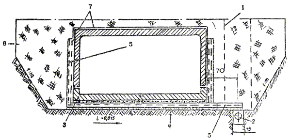
1. Конструкция кровли подземного сооружения с применением фильтрующих плит и глиноцементной гидроизоляции

Условные обозначения:
1 - насыпной грунт (или специальная защита подземных сооружений); 2 - дренажные плиты; 3 - глиноцементный раствор 50 - 100 мм; 4 - обмазочная гидроизоляция; 5 - плиты перекрытия
2. Комплексная защита подземного сооружения фильтрующими керамзитобетонными плитами

Условные обозначения:
1 - фильтрующие керамзитобетонные плиты; 2 - местный грунт; 3 - керамзитобетонный трубофильтр диаметром 150 мм; 4 - обмазочная гидроизоляция
3. Пристенный дренаж небольшой протяженностью с применением фильтрующих плит

4. Пристенный дренаж значительной протяженности с применением фильтрующих плит. Вариант 1

5. Пристенный дренаж значительной протяженности с применением фильтрующих плит. Вариант 2

Условные обозначения:
1 - обмазочная гидроизоляция; 2 - пол подвала; 3 - фильтрующие керамзитобетонные плиты; 4 - местный грунт; 5 - песок с Кф £ 5 м/сут; 6 - трубофильтр; 7 - бетон М-200
|
ГОСТЫ, СТРОИТЕЛЬНЫЕ и ТЕХНИЧЕСКИЕ НОРМАТИВЫ. Некоммерческая онлайн система, содержащая все Российские Госты, национальные Стандарты и нормативы. В Системе содержится более 150000 файлов нормативно-технической документации, действующей на территории РФ. Система предназначена для широкого круга инженерно-технических специалистов. Copyright © www.gostrf.com, 2008 - 2026 |