Крупнейшая бесплатная информационно-справочная система онлайн доступа к полному собранию технических нормативно-правовых актов РФ. Огромная база технических нормативов (более 150 тысяч документов) и полное собрание национальных стандартов, аутентичное официальной базе Госстандарта. GOSTRF.com - это более 1 Терабайта бесплатной технической информации для всех пользователей интернета. Все электронные копии представленных здесь документов могут распространяться без каких-либо ограничений. Поощряется распространение информации с этого сайта на любых других ресурсах. Каждый человек имеет право на неограниченный доступ к этим документам! Каждый человек имеет право на знание требований, изложенных в данных нормативно-правовых актах!

  


 

МИНИСТЕРСТВО ТРАНСПОРТНОГО СТРОИТЕЛЬСТВА

ГОСУДАРСТВЕННЫЙ ВСЕСОЮЗНЫЙ ДОРОЖНЫЙ
НАУЧНО-ИССЛЕДОВАТЕЛЬСКИЙ ИНСТИТУТ
(СОЮЗДОРНИИ)

МЕТОДИЧЕСКИЕ РЕКОМЕНДАЦИИ
ПО РЕМОНТУ ЦЕМЕНТОБЕТОННЫХ ПОКРЫТИЙ
С ПРИМЕНЕНИЕМ ПОЛИМЕРНЫХ МАТЕРИАЛОВ

Одобрены Министерством строительства и

Эксплуатации автомобильных дорог Узб. ССР

Москва 1975

МЕТОДИЧЕСКИЕ РЕКОМЕНДАЦИИ ПО РЕМОНТУ ЦЕМЕНТОБЕТОННЫХ ПОКРЫТИЙ С ПРИМЕНЕНИЕМ ПОЛИМЕРНЫХ МАТЕРИАЛОВ. Союздорнии, М., 1975.

Приведен перечень полимерных материалов для ремонта цементобетонных покрытий. Изложены требования к полимерным связующим, полимербетонам и составляющим их полимерным и минеральным материалам; температурные условия применения полимерных материалов и свойства полимербетонов. Даны составы эпоксидного и полиэфирного связующего и смесей; технология их приготовления; технология ремонта покрытий; контроль качества приготовления смесей и ремонта покрытия; указания по транспортировке и хранению полимерных материалов и по технике безопасности.

Табл. 8, рис. 2.

Предисловие

За время, прошедшее после выхода в свет «Методических рекомендаций по ремонту цементобетонных покрытий с применением эпоксидегтевого и эпоксибитумного полимербетона» (М., Союздорнии, 1971), расширился опыт применения полимерных материалов для ремонта цементобетонных покрытий. Подобраны новые составы эпоксидного и полиэфирного связующих и полимербетонных смесей на эпоксидных смолах марки ЭД-20, ЭД-14, ЭД-16; отработана технология ремонта покрытий с их применением; внедрена механизация работ.

Эти обстоятельства обусловили необходимость разработки «Методических рекомендаций по ремонту цементобетонных покрытий с применением полимерных материалов».

В «Методических рекомендациях» даны требования к материалам, составы эпоксидного и полиэфирного связующих и полимербетонных смесей и их приготовление, технология ремонта покрытий, контроль качества ремонта, условия транспортирования и хранения полимерных материалов и правила техники безопасности.

«Методические рекомендации» составили канд. техн. наук Н.Д. Доронина, инженеры В.А. Зенина и Э.Ю. Ташкузиев.

Общие положения

1. Настоящие «Методические рекомендации» предусматривают применение эпоксидного и полиэфирного связующих и полимербетонных смесей для ремонта цементобетонных покрытий.

2. При некачественном строительстве или плохом содержании цементобетонные покрытия не выдерживают установленных межремонтных сроков службы; на них образуются разрушения, ремонт которых имеет ряд особенностей:

а) ямочный ремонт цементобетонного покрытия с применением асфальтобетонной смеси не эффективен, его, как правило, надо ежегодно повторять. При этом эстетический вид покрытия не соответствует современным требованиям;

б) ошелушенное цементобетонное покрытие, отремонтированное способом поверхностной обработки с применением битумного вяжущего, требует повторного ремонта после 1 - 2 лет эксплуатации;

в) ремонт цементобетонного покрытия путем укладки однослойного асфальтобетона нецелесообразен, так как на уложенном асфальтобетонном покрытии воспроизводятся все неровности, которые ранее были на цементобетонном покрытии. Кроме того, не исключено отслаивание асфальтобетона от цементобетона;

г) ремонт цементобетонного покрытия асфальтобетонной смесью может быть эффективен, если вначале уложить выравнивающий слой, а затем одно- или двухслойное асфальтобетонное покрытие. Такое решение может быть оправдано при условии, если цементобетонное покрытие отслужило свой межремонтный срок;

д) ремонт цементобетонного покрытия с применением цементобетонной смеси связан с трудоемкими работами по вырубке старого бетона на значительную глубину с созданием ремонтного места со строго перпендикулярными стенками и ровной поверхностью дна. При этом приходится закрывать дорогу на длительный срок, в связи с необходимостью ухода за свежеуложенным цементобетоном.

3. Отечественный и зарубежный опыт ремонта цементобетонного покрытия с применением полимерных материалов выявил его преимущества по сравнению с ремонтом цементо- или асфальтобетонными смесями:

а) не требуется трудоемких работ по вырубке старого цементобетона с приданием ремонтируемому месту прямоугольной формы;

б) подготовительные работы сводятся только к очистке ремонтируемого места покрытия;

в) уложенная полимербетонная смесь не требует ухода, она быстро набирает прочность и дает возможность открывать движение автомобильного транспорта по отремонтированным участкам дороги через 8 - 10 час при температуре воздуха 16 - 25 °С и 3 - 4 час при более высоких температурах воздуха;

г) производство ремонтных работ при температуре воздуха от 1 до 45 °С удлиняет сезон ремонтных работ.

4. Различные эпоксидные и полиэфирные связующие и полимербетонные смеси имеют свою температуру отверждения: одни твердеют при температуре воздуха ниже 0 °С, другие - при температуре не ниже 15 °С, третьи - при любых положительных температурах воздуха, а для четвертых необходим подогрев до температуры 100 °С и выше.

5. Для твердения полимерных материалов необходимы воздушно-сухие условия, во влажной среде они не отверждаются, поэтому необходимо соблюдать рекомендации по применению связующего и полимербетонной смеси того или иного состава при определенной температуре воздуха.

6. Эффективность применения связующих и полимербетонов на эпоксидной и полиэфирной смоле для ремонта цементобетонного покрытия зависит от температуры не только воздуха, но и поверхности покрытия на которую они наносятся.

7. Полимербетон на полиэфирной смоле, отвержденный в сухую погоду при температуре воздуха 18 - 40 °С, отвечает требованиям к его свойствам для применения при ремонте цементобетонного покрытия.

При температуре воздуха ниже 18 °С он не твердеет.

При температуре воздуха выше 40 °С жизнеспособность полимербетонной смеси на полиэфирной смоле ПЭ-246 уменьшается настолько, что делает невозможным ее применение, хотя прочность полимербетона с увеличением температуры отверждения выше 40 °С возрастает.

Полимербетон на полиэфирной смоле ПН-3 можно применять при температуре воздуха 18 - 40° и выше.

8. Дозируются составляющие материалы в весовых или объемных единицах.

Материалы и требования к ним

9. Для приготовления связующих и полимербетонных смесей, рекомендуемых для ремонта цементобетонного покрытия, необходимы материалы, перечень которых приведен в табл. 1.

10. Эпоксидные и полиэфирные смолы, их отвердители и пластификаторы должны удовлетворять требованиям ГОСТ и ТУ (см. табл. 1).

11. Для ремонта цементобетонных покрытий следует применять эпоксидные смолы со сроком хранения не более двух лет.

12. Полиэтиленполиамин, гексаметилендиамин, кубовые остатки при получении гексаметилендиамина (КО.ГМД), отвердитель № 1 рекомендуется применять для отверждения эпоксидных смол при температуре воздуха до 35 °С, а комбинированный отвердитель - полиэтиленполиамин + малеиновый ангидрид (фталевый ангидрид) - при температуре воздуха выше 35 °С.

Срок хранения отвердителей один год. После одного года хранения отвердители испытывают на сохранность свойств.

Таблица 1

Наименование материалов

ГОСТ, ТУ

Область применения

Эпоксидная смола марки ЭД-201)

ГОСТ 10587-72

Для приготовления связующего, рекомендуемого в качестве вяжущего для розлива по покрытию при поверхностной обработке и для приготовления полимербетонной смеси

Эпоксидная смола марки ЭИС-1

ТУ 38109-71

То же

Эпоксидная смола марки ЭД-14, ЭД-161)

ГОСТ 10587-72

Для приготовления полимербетонной смеси, рекомендуемой для применения при ремонте околов углов и кромок швов плит, раковин и выбоин на покрытии

Полиэтиленполиамин (ПЭПА)

ТУ 6-02-594-70

Для отверждения связующего и полимербетонной смеси на эпоксидной смоле

Гексаметилендиамин (ГМД)

ТУ 6-09-342-70

Кубовые остатки при получении гексаметилендиамина (КО.ГМД)

ТУ 6-01-92-66

Отвердитель № 1 (50 %-ный раствор ГМД в этиловом спирте)

 

Малеиновый ангидрид (МА)

ГОСТ 5854-68

Для отверждения связующего и полимербетонной смеси на эпоксидной смоле

Фталевый ангидрид (ФА)

ГОСТ 7119-54

Дибутилфталат

ГОСТ 8728-66

Для пластификации связующего и полимербетонной смеси на эпоксидной смоле

Фуриловый спирт

ТУ 69-267-62

Полиэфир марки МГФ-9

ТУМХП № БУ-11-56

Полиэфир марки ТМГФ-11

 

Полиэфир марки ПН-12)

МРТУ 6-05-1082-67

Полиэфир марки ПН-32)

МРТУ 6-05-1082-67

Тиокол марки НВТ

ГОСТ 12812-72

Тиокол марки I и II

 

Каменноугольный деготь марок Д-3; Д-4; Д-5

ГОСТ 4641-49

Жидкий битум марки МГ-70/130

ГОСТ 11955-66

Древесный деготь

ТУ 81-05-104-70

Полиэфирная смола (лак) марки ПЭ-246

МРТУ 6-10-791-68

Для приготовления полимербетонной смеси при ремонте околов углов и кромок швов плит, раковин и выбоин на покрытии

Нафтенат кобальта

МРТУ 6-05-1075-67

Для ускорения отверждения полиэфирной смолы ПЭ-246

Перекись циклогексанона

Поставляется в комплекте со смолой ПЭ-246

Для отверждения полиэфирной смолы ПЭ-246

Гипериз

МРТУ 38-2-5-66

Для отверждения полиэфирной смолы марки ПН-1, ПН-3

Ацетон (технический)

ГОСТ 2768-69*

Для очистки оборудования

Соляная кислота техническая

ГОСТ 1382-69

Для очистки покрытия

Каменная мелочь размером 5 - 2,5; 2,5 - 1,25; 1,25 - 0,63 мм из горных пород высокой прочности

 

Для россыпи по покрытию при производстве поверхностной обработки и для приготовления полимербетонной смеси

Кварцевый песок

ГОСТ 8736-67

Для приготовления полимербетонной смеси

Минеральный порошок

ГОСТ 1655-71

Цемент

ГОСТ 10178-62*

Примечания: 1. С 1972 г. вместо эпоксидной смолы марки ЭД-5 выпускается смола марки ЭД-20, а вместо смолы марки ЭД-6 - смола марок ЭД-14 и ЭД-16.

Эпоксидные смолы марок ЭД-5 и ЭД-6 годны к применению при условии их хранения не более двух лет.

2. Полиэфиры ПН-1 и ПН-3 рекомендуются для приготовления полимербетона, а также в качестве пластификатора эпоксидных смол.

13. Дибутилфталат, полиэфиры марок МГФ-9, ПН-1, ПН-3, тиоколы марок НВТ, I, II, древесный деготь, каменноугольный деготь марок Д-3, Д-4, Д-5 и жидкий битум марки МГ-70/130 рекомендуется применять для пластификации эпоксидной смолы, отверждаемой при температуре воздуха 16 - 35 °С и выше, фуриловый спирт - для пластификации эпоксидной смолы, отверждаемой при температуре воздуха до 35 °С.

14. Отвердитель - перекись циклогексанона - должен поставляться в комплекте со смолой ПЭ-246. Срок годности смолы ПЭ-246 - четыре месяца, а смолы ПН-3 - шесть месяцев со дня отгрузки заводом-изготовителем.

15. Минеральная часть полимербетона составляется из каменной мелочи, песка, минерального порошка или цемента.

16. Каменную мелочь рекомендуется применять размером 5 - 2,5, 2,5 - 1,25 и 1,25 - 0,63 мм из горных пород высокой прочности и износостойкости (с пределом прочности при сжатии в водонасыщенном состоянии исходной горной породы не менее 800 кгс/см2, с потерями в весе при истирании в полочном барабане не более 35 %). Содержание пылеватых и глинистых частиц (определяемых отмучиванием) допускается не более 1 %. Зерен лещадной формы не должно быть больше 15 %. Морозостойкость при непосредственном замораживании - Мрз.50.

17. Песок рекомендуется применять кварцевый крупный и средний: крупный - с модулем крупности более 2,5 и содержанием зерен крупнее 0,63 мм более 50 %, средний - с модулем крупности 2,5 - 2,0 и содержанием зерен крупнее 0,63 мм - 35 - 50 %. Песок должен быть чистым. Содержание в песке зерен, проходящих через сито с отверстиями 0,14 мм, должно быть не более 15 %, а пылеватых, глинистых и илистых частиц (определяемых методом отмучивания) - не больше 1 % по весу.

Таблица 2

Полимерные материалы

Технологическая жизнеспособность, час, при температуре воздуха, °С

1 - 5

6 - 15

16 - 35

Выше 35

Связующие

 

 

 

 

на эпоксидной смоле

Не более 7

Не более 4

Не менее 1/3

Не менее 1/3

на полиэфирной

-

-

Не менее 1/4

Не менее 1/4

Смеси

 

 

 

 

на эпоксидной смоле

Не более 5

Не более 3

Не менее 1/3

Не менее 1/3

на полиэфирной

-

-

Не менее 1/4

Не менее 1/4

Таблица 3

Полимербетон

Температура приготовления и применения, °С

Предел прочности при сжатии, кгс/см2, в возрасте, час

Водонасыщение, % по весу

Предел прочности на сдвиг или отрыв склеенных образцов цементобетона и полимербетона в возрасте 24 час, кгс/см2

Объемный вес, г/см3

Коэффициент сцепления колеса автомобиля с полимерным покрытием

6

24

На эпоксидной смоле

1-5

-

Не менее 200

Не более 0,5

Не менее 10

2,2 - 2,3

Не менее 0,45

6 - 15

-

Не менее 200

Не более 0,5

Не менее 10

2,2 - 2,3

 

16 - 35

Не менее 200

Не менее 300

Не более 0,5

Не менее 10

2,2 - 2,3

Не менее 0,45

Выше 35

Не менее 200

Не менее 300

Не более 0,5

Не менее 10

2,2 - 2,3

Не менее 0,45

На полиэфирной смоле

18 - 40

Не менее 200

Не менее 300

Не более 0,95

Не менее 7

2,15 - 2,2

Не менее 0,45

Примечание. Коэффициент сцепления колеса автомобиля с полимерным покрытием - не менее 0,45.

Таблица 4

Наименование свойств

Полимербетон

на эпоксидной смоле

на полиэфирной смоле

Объемный вес, г/см3

2,2 - 2,3

2,15 - 2,2

Технологическая жизнеспособность при температуре воздуха до 40 °С, мин

Не менее 20

Не менее 15

Предел прочности, кгс/см2, в возрасте 6 час

 

 

при сжатии

250 - 350

350 - 400

при растяжении

20 - 35

20 - 35

Предел прочности, кгс/см2, в возрасте 24 час

 

 

при сжатии

600 - 1000

500 - 800

при растяжении

70 - 110

60 - 70

Износ, мм

0,5 - 0,8

0,3 - 0,5

Водонасыщение, % по весу

0,3 - 0,5

0,9 - 0,95

Морозостойкость, циклы

Более 500

Более 200

Светостойкость, циклы

Более 50

Более 50

Коэффициент стойкости к агрессивным средам (автомобильное топливо, масло, растворы хлористых солей)

Не менее 0,9

Не менее 0,8

Модуль упругости при сжатии, тыс. кгс/см2

200 - 300

150 - 300

Усадка, %

0,2

0,2 - 0,5

Коэффициент линейного термического расширения α + 10-6 на 1 °С

12 - 14

12 - 22

Предел прочности на сдвиг (отрыв) от цементобетона, кгс/см2

Не менее 15

Не менее 10

Предел выносливости под многократной нагрузкой

0,5 - 0,7

0,5 - 0,8

Коэффициент сцепления колеса автомобиля с полимерным покрытием

Не менее 0,45

Не менее 0,45

18. Минеральный порошок должен быть сухим, рыхлым, не комковаться. Тонкость помола порошка: при мокром рассеве проходит через сито с отверстиями 1,25 мм не менее 100 % по весу; 0,315 мм - не менее 90 % по весу и 0,071 мм - не менее 70 % по весу.

Пористость при уплотнении нагрузкой 300 кгс/см2 должна быть не более 35 % от объема.

19. Цемент марок «300» - «500» можно применять с любым сроком хранения, так как он рекомендуется в качестве мелкого наполнителя, а не как вяжущий материал.

20. Технологическая жизнеспособность (возможное время использования) эпоксидного и полиэфирного связующего и полимербетонных смесей должна удовлетворять требованиям табл. 2, а требования к свойствам полимербетона на эпоксидной и полиэфирной смоле приведены в табл. 3.

21. Физико-механические свойства полимербетона рекомендуемых составов для ремонта цементобетонного покрытия приведены в табл. 4.

Составы эпоксидного и полиэфирного связующего и смесей

22. Для ремонта цементобетонного покрытия рекомендуются эпоксидные связующие (табл. 5) и полиэфирные связующие (табл. 6).

23. Эпоксидное связующее составов № 1 - 6 рекомендуется в качестве вяжущего материала, разливаемого по поверхности цементобетонного покрытия, при производстве поверхностной обработки, а составов № 1 - 8 - для приготовления полимербетонной смеси, используемой для ремонта кромок швов, выбоин, раковин покрытия.

Таблица 5

Материал

Количество материала, вес.ч., в составах эпоксидного связующего

1

2

3

4

5

6

7

8

Эпоксидная смола марок ЭД-20 или ЭИС-1

100

100

100

100

100

100

 

100

Эпоксидная смола марок ЭД-16 или ЭД-14

-

-

-

-

-

-

100

-

Полиэтиленполиамин1)

8 - 10

10 - 15

8 - 10

20 - 25

8 - 10

8 - 10

8 - 10

5

Малеиновый ангидрид2)

-

-

-

-

-

-

-

10 - 15

Дибутилфталат3)

20 - 25

-

-

-

-

-

20 - 257)

20 - 257)

Полиэфир МГФ-94)

-

35-40

-

-

-

-

-

-

Тиокол НВТ5)

-

-

35 - 40

-

-

-

-

-

Каменноугольный деготь Д-36)

-

-

-

50 - 100

 

 

 

 

Фуриловый спирт

-

-

-

-

15 - 18

-

-

-

Древесный деготь

-

-

-

-

-

20 - 25

-

-

Примечания: 1. Полиэтиленполиамин можно заменить гексаметилендиамином в количестве 17 - 20 вес.ч. или кубовыми остатками при получении гексаметилендиамина в количестве 20 - 25 вес.ч., или отвердителем № 1 в количестве 30 - 35 вес.ч.

2. Малеиновый ангидрид можно заменить фталиевым ангидридом.

3. Дибутилфталат можно заменить диметилфталатом.

4. Полиэфир марки МГФ-9 можно заменить полиэфиром марки ТМГФ-11 или полиэфиром марок ПН-1 или ПН-3.

5. Тиокол марки НВТ можно заменить тиоколом I и II марок.

6. Каменноугольный деготь марки Д-3 можно заменить дегтем марки Д-4 или Д-5 или жидким битумом марки МГ-70/130.

7. Дибутилфталат можно заменить полиэфиром марок ПН-1, ПН-3, МГФ-9, ТМГФ-11 в количестве 35 - 40 вес.ч. или фуриловым спиртом в количестве 15 - 18 вес.ч.

Таблица 6

Материал

Количество материала, вес.ч., в составе полиэфирного связующего

1

2

Полиэфирная смола (лак) ПЭ-246

100

 

Полиэфирная смола ПН-3

-

100

Нафтенат кобальта

1

7

Перекись циклогексанона

3

-

Гидроперекись изопропилбензола (гипериз)

-

4

Примечание. Полиэфирную смолу марки ПН-3 можно заменить смолой марки ПН-1.

24. Эпоксидное связующее составов № 1 - 4, 6, 7 следует приготовлять и применять при температуре воздуха 16 - 35 °С, состава № 5 при температуре воздуха до 35 °С и состава № 8 - при температуре воздуха выше 35 °С (см. табл. 5).

Эпоксидное связующее составов № 1 - 3 и 5 - 8 приготовляют без подогрева пластификатора, а состава № 4 - с подогревом пластификатора.

25. Полиэфирное связующее обоих составов (см. табл. 6) рекомендуется для приготовления полимербетонной смеси, используемой при ремонте кромок швов, выбоин, раковин покрытия.

26. Составы полимербетонных смесей на эпоксидной или полиэфирной смоле, рекомендуемые для ремонта околов углов и кромок швов плит, выбоин и раковин покрытия, приведены в табл. 7.

27. Составы минеральной части полимербетонных смесей на эпоксидной или полиэфирной смоле приведены в табл. 8.

28. Полимербетонные смеси на эпоксидной смоле рекомендуется приготовлять и использовать при температуре воздуха, соответствующей применяемому связующему (см. п. 24).

Таблица 7

Материал

Количество материала, вес.ч., в составах смесей

1

2

3

4

Эпоксидное связующее составов № 1 - 4, 6, 7 (табл. 5)

1

-

-

-

Эпоксидное связующее составов № 5, 7 (табл. 5)

-

1

-

-

Эпоксидное связующее состава № 8 (табл. 5)

-

-

1

-

Полиэфирное связующее составов № 1 - 2 (табл. 6)

-

-

-

1

Минеральная часть составов № 1 - 4 (табл. 8)

5 - 7

5 - 7

5 - 7

-

Минеральная часть состава № 5 (табл. 8)

 

-

-

8 - 7

Таблица 8

Минеральный материал

Процентное содержание минеральных материалов в составах

1

2

3

4

5

1. Каменная мелочь размером 5 - 0,63 мм

100

-

-

-

-

2. Каменная мелочь размером 5 - 2,5 или 2,5 - 1,25 мм

-

65 - 70

-

70

35

3. Крупнозернистый или среднезернистый песок

-

30 - 35

100

20

44

4. Цемент или минеральный порошок

-

-

-

10

21

Примечание. 1 - 4 - составы смесей по табл. 7.

29. Полимербетонные смеси на полиэфирном связующем (см. табл. 6) состава № 1 рекомендуется приготовлять и применять при температуре воздуха 18 - 25 °С, а состава № 2 - при температуре 18 - 40 °С.

Приготовление эпоксидного и полиэфирного связующего и смесей

30. Эпоксидные, полиэфирные смолы и их отвердители являются взаимными реагентами в химической реакции. Строгая дозировка отвердителя и смолы является обязательной (приемлема погрешность в составе связующего - 2 %).

31. Для приготовления эпоксидного и полиэфирного связующего рекомендуется применять смесительный агрегат, выпускаемый Харьковским механическим заводом Минтрансстроя.

Для качественного перемешивания зазор между лопастью смесителя и днищем бачка должен быть не более 1 мм, при необходимости на нижнюю горизонтальную часть лопасти смесителя надо наварить пластинку.

32. Смесительный агрегат и запас необходимых материалов располагают вблизи от места ремонта (на обочине) для сокращения затрат времени на транспортировку готового материала.

33. У места производства работ необходим запас следующих материалов:

отдельно эпоксидная смола, пластификатор и отвердитель или

эпоксидный компаунд (эпоксидная смола + пластификатор), приготовленный на стационарном заводе, и отвердитель, или отдельно полиэфирная смола, ускоритель и отвердитель.

34. Эпоксидное связующее приготовляют порциями по 20 - 30 кг при температуре воздуха до 25 ° или порциями по 10 - 15 кг при температуре воздуха 26 - 35 °С и выше.

35. Полиэфирное связующее приготовляют порциями по 20 - 30 кг при температуре воздуха 18 - 40 °С.

Эпоксидное связующее с применением смол марок ЭД-20 и ЭИС-1

36. Для ремонта цементобетонного покрытия при температуре воздуха до 15 °С следует применять эпоксидные связующие специальных составов: с использованием эпоксидной смолы марок ЭД-20 или ЭИС-1 , пластификатора - фурилового спирта и отвердителя - полиэтиленполиамина.

Перед приготовлением связующего компоненты (для облегчения перемешивания) в течение ночи следует хранить в отапливаемом помещении. При отсутствии такого помещения в полевых условиях емкости с компонентами связующего перед перемешиванием погружают в горячую водяную баню и подогревают до температуры не выше 20 °С.

37. Эпоксидное связующее при температуре воздуха 16 - 35 °С и выше приготовляют с подогревом и без подогрева пластификатора.

38. Связующее на эпоксидной смоле без подогрева пластификатора приготовляют следующим образом.

Первая технология: отвешивают эпоксидную смолу, пластификатор и отвердитель. В смесительный агрегат вливают эпоксидную смолу и пластификатор (дибутилфталат или тиокол, или полиэфир, или фуриловый спирт, или древесный дёготь) и перемешивают в течение 1 мин, затем вводят отвердитель и снова перемешивают 1 мин.

Вторая технология: в отдельных емкостях отвешивают компаунд (ранее приготовленный на заводе) и отвердитель. В смесительный агрегат вливают компаунд, затем отвердитель и перемешивают в течение 1 мин.

39. Эпоксидное связующее с подогревом пластификатора приготовляют следующим образом. В отдельных емкостях отвешивают эпоксидную смолу, пластификатор (каменноугольный деготь или жидкий битум) и отвердитель. Каменноугольный деготь или жидкий битум разогревают до температуры 40 - 60°, загружают в емкость с эпоксидной смолой и перемешивают в течение 1 мин. Этот компаунд охлаждают до температуры воздуха, затем в него вводят отвердитель и перемешивают 1 мин.

40. При температуре воздуха выше 25 °С для сохранения требуемой жизнеспособности при приготовлении и применении эпоксидного связующего следует принимать следующие меры: в полевых условиях хранить материалы в тени или закрывать их мешковиной, брезентом и др.; при необходимости емкости с компонентами можно погрузить в холодную водяную баню, но с температурой не ниже 20 °С, чтобы не затруднить перемешивания.

Эпоксидное связующее с применением смол марок ЭД-14 и ЭД-16

41. Эпоксидные смолы марок ЭД-14 и ЭД-16 очень вязкие. Смешение их на месте работ с пластификатором затруднено, поэтому вначале на стационарном заводе приготовляют компаунд: эпоксидную смолу подогревают до температуры 40 °С, вводят в нее пластификатор и перемешивают, затем охлаждают до температуры воздуха. Готовый компаунд привозят к месту производства работ и перед применением вводят отвердитель, перемешивают и тотчас же используют.

42. Приготовленное эпоксидное связующее на смолах марок ЭД-20, ЭИС-1, ЭД-14 и ЭД-16 при температуре воздуха 18 - 35° и выше следует использовать в течение 20 - 25 мин, а при температуре воздуха до 15° - в течение 0,5 - 3 час.

43. Полиэфирное связующее следует приготовлять в тени, так как прямое солнечное воздействие может привести к свертыванию смолы.

44. Технология приготовления связующего следующая: в отдельных емкостях отвешивают полиэфирную смолу, отвердитель и ускоритель. В смесительный агрегат вливают полиэфирную смолу и затем ускоритель - нафтенат кобальта, все перемешивают в течение 2 мин. После этого вводят отвердитель (перекись циклогексанона или гипериз) и перемешивают в течение 1 мин.

Можно рекомендовать также следующую последовательность введения материалов. Полиэфирную смолу делят на две равные части. В одну часть полиэфирной смолы вводят весь ускоритель, а в другую - весь отвердитель. Каждую часть связующего тщательно перемешивают в течение 2 мин, затем обе части связующего объединяют и перемешивают в течение 1 мин.

45. Категорически запрещается смешивать вместе ускоритель и отвердитель без полиэфирной смолы, так как такая смесь взрывоопасна.

46. Приготовленное полиэфирное связующее должно быть немедленно использовано.

Полимербетонные смеси

47. Полимербетонную смесь на эпоксидной или полиэфирной смоле приготовляют в смесительном агрегате.

Смесительный агрегат и запас необходимых материалов располагают вблизи от места ремонта покрытия (на обочине).

48. Необходимые материалы у места производства работ запасают в соответствии с п. 33, пополняя запасом минерального материала.

49. В зависимости от температуры воздуха полимербетонную смесь приготовляют порциями:

на эпоксидной смоле при t = 1 - 25° - 20 - 30 кг;

t = 26 - 36° - 10 - 15 кг;

t = более 35° - 5 - 10 кг;

на полиэфирной смоле при t = 18 - 40° - 20 - 30 кг.

50. Полимербетонную смесь на эпоксидной смоле приготовляют следующим образом: в готовое эпоксидное связующее (пп. 38, 39) вводят минеральный материал: сначала песок (перемешивают 1 мин), затем каменную мелочь (перемешивают в течение 2 мин).

Приготовленную полимербетонную смесь на эпоксидной смоле следует использовать в течение 15 - 20 мин при температуре воздуха 16 - 35 °С и выше, в течение 0,5 - 3 часа при температуре воздуха ниже 15 °С.

51. Полимербетонную смесь на полиэфирной смоле приготовляют следующим образом: в готовое полиэфирное связующее (п. 44) вводят минеральный материал - сначала минеральный порошок (перемешивают 1 мин), затем песок (снова перемешивают 1 мин) и, наконец, каменную мелочь, и всю смесь перемешивают в течение 2 мин.

Приготовленную полимербетонную смесь на полиэфирной смоле следует использовать в течение 20 - 25 мин при температуре воздуха 18 - 40 °С.

52. Заключительной технологической операцией по приготовлению связующих и полимербетонных смесей на эпоксидной или полиэфирной смоле является обязательная очистка емкостей, мешалок, инструмента и другого оборудования от остатков связующего и смеси ацетоном (также уайт-спиритом или толуолом, но с большой осторожностью) после каждого замеса и в конце рабочей смены.

53. Если полимерные материалы затвердеют на оборудовании, то удалить их можно шлифованием или выжиганием. Горят полимерные материалы примерно при температуре 260 °С. Контейнеры, бидоны, бочки и металлические инструменты, которым не повредит эта температура, могут быть очищены выжиганием.

Продукты сжигания вредны, надо соблюдать осторожность.

54. Разрешается применять способ содержания оборудования, при котором прилипание затвердевшего полимерного материала к нему предотвращается путем предварительного напыления сухого силикона или смазыванием восковыми эмульсиями поверхностей оборудования и инструмента. При этом необходимо следить, чтобы используемая смазка не загрязняла полимерные смеси и не мешала их отверждению.

Технология ремонта цементобетонных покрытий

55. Подготовке поверхности покрытия к ремонту необходимо уделять большое внимание.

Сцепление ремонтного слоя из полимерного материала с цементобетонным покрытием зависит от степени чистоты и прочности ремонтируемого покрытия. Получить хорошее сцепление полимербетона с непрочным цементобетоном или с прочным, но загрязненным цементобетонным покрытием невозможно.

56. При подготовке цементобетонного покрытия к ремонту необходимо:

а) проверить прочность бетона в поверхностном слое. Прочность бетона на растяжение определяется методом отрыва штампа от поверхности покрытия; она должна составлять не менее 7 кгс/см2;

б) очистить поверхность покрытия от загрязнений: пыли, цементного молока, масла, жира, пятен от материалов, применяемых для ухода за бетоном. При этом бетонное покрытие во время нанесения полимерных материалов для их нормального отверждения должно иметь соответствующую температуру и сухую поверхность в ремонтируемом слое;

в) проверить наличие капиллярной воды в бетоне, чтобы исключить скапливание воды на поверхности бетона и в ремонтируемом слое во время твердения полимерных материалов. Наличие капиллярной воды можно обнаружить, накрыв покрытие плотноприлегающей полиэтиленовой пленкой. Если в течение 24 час влага не появится под пленкой, то можно считать, что капиллярной воды в бетоне нет.

57. Если бетон в поверхностном слое имеет прочность на растяжение менее 7 кгс/см2, его следует вырубить до прочного слоя. Место ремонта оконтуривается мелом. Затем по периметру ремонтируемой площади пропиливают верхний слой на глубину 1,5 - 2,5 см и на 3 - 5 см дальше от видимой границы повреждений для гарантии удаления всего ослабленного бетона. Бетон в пределах зоны, очерченной пропилами, снимают до прочного бетона пневмоинструментом. Дно вырубки должно быть ровным, чтобы не увеличивать расхода полимерного связующего.

58. При подготовке к ремонту кромок и углов плит разрушенный бетон вырубают без придания ремонтируемому месту прямоугольной формы и вертикальных стенок.

59. При завершении операций по удалению бетона поверхность покрытия промывают водой под давлением из поливо-моечной машины, высушивают под действием солнца (при температуре воздуха 20 - 35 °С в течение 2 - 3 час).

60. Если бетон в поверхностном слое покрытия прочный, то его подготовка к ремонту заключается в тщательной очистке от цементного молока, остатков пленкообразующих материалов, пыли, грязи, пятен масла, топлива и битума механическим или химическими способами.

61. При механической очистке покрытие подвергают пескоструйной обработке, промывают водой под давлением и высушивают на солнце или сжатым воздухом от компрессора. Поверхность должна быть очищена до такой степени, чтобы были обнажены мелкие минеральные частицы, однако она не должна быть полированной или чрезмерно шероховатой.

Вода, используемая для промывки покрытия, должна быть чистой. При высушивании покрытия сжатым воздухом в струе воздуха не должно быть никаких инородных тел.

62. При химической очистке поверхность покрытия протравливают соляной кислотой с последующей промывкой до нейтральной реакции.

Перед протравкой на поверхности покрытия находят загрязненные места, которые нельзя удалить протравкой кислотой. Эти места покрытия, загрязненные маслом, битумом, предварительно очищают механическим способом. Пыль, грязь или цементное молоко очищают кислотой без предварительной подготовки.

Для протравки покрытия применяют 28 %-ный раствор соляной кислоты, который расходуют в количестве 0,5 л/м2, или раствор соляной кислоты, приготовленный в соотношении 10/90 - 20/80, в количестве 10 л/м2 покрытия.

63. Раствор соляной кислоты разливают из бутыли, установленной на специальной тележке.

После прекращения реакции через 3 - 5 мин (исчезновение пены) тщательно промывают покрытие струей воды из поливо-моечной машины до полного удаления остатков кислоты. Наличие кислоты проверяют лакмусовой бумажкой (или фенолфталеином), которую прикладывают к влажной поверхности покрытия (бумага в кислой среде краснеет). После этого покрытие высушивают на солнце или сжатым воздухом от компрессора.

64. Если поверхность покрытия сильно загрязнена и первая обработка раствором соляной кислоты не обеспечила требуемого количества очистки, то покрытие повторно обрабатывают раствором соляной кислоты, промывают и высушивают.

65. Если температура поверхности покрытия и окружающей среды до 5 °С, то бетон следует подогревать лучеиспускающими подогревательными машинами до температуры выше 15 °С, но не больше 40 °С, на глубину 8 - 10 см, чтобы обеспечить эффективное смачивание поверхности покрытия полимерными материалами и создать соответствующий режим для твердения их в течение установленного срока.

Подогрев покрытия прямым пламенем запрещается.

66. Если температура бетонного покрытия и воздуха 6 - 15 °С, то покрытие не подогревают. При этом обязательно применяются специальные составы связующих и полимербетонных смесей на эпоксидной смоле, твердеющих при температурах воздуха до 15 °С.

67. Если температура поверхности покрытия и воздуха выше 35 °С, возникают трудности по укладке связующего и смесей на эпоксидной смоле вследствие малой их технологической жизнеспособности из-за ускоренной реакции отверждения. В этом случае работы выполняют в ранние утренние или поздние вечерние часы или применяют связующие и смеси на эпоксидной смоле с комбинированным отвердителем, составленным из полиэтиленполиамина и малеинового ангидрида (предлагается для опытной проверки).

Ямочный ремонт покрытия

68. Для производства ямочного ремонта применяют полимербетонные смеси на эпоксидной и полиэфирной смоле (см. табл. 7).

69. Максимальный размер частиц минерального материала смесей для ямочного ремонта должен составлять 1/3 глубины ямки или менее.

Для ямок глубиной 2 см и менее применяют смеси с минеральной частью из песка (состав № 3, см. табл. 8) при соотношении связующего к песку 1:5.

Для заделки ямок глубиной более 2 см применяют смеси с минеральной частью составов № 2 - 5 (см. табл. 8) при соотношении связующего к песку 1:6.

Если ямка имеет глубину более 10 см, то смеси укладывают в два и более слоя.

70. Ямочный ремонт выполняют в следующей последовательности: ямку и прилегающую к ней площадь (по периметру на 5 см больше разрушении) очищают от пыли и грязи (пп. 60 - 64). После просушки стенки и дно ямки обрабатывают связующим тонким слоем и заполняют полимербетонной смесью в один или несколько слоев, штыкуют и выравнивают гладилкой вровень с покрытием, заделывая при этом очищенные места покрытия по периметру ямки.

В ямках с крупными боковыми стенками или с оголенной арматурой по разлитому связующему распределяют волокнистые материалы, чтобы предотвратить его стекание на дно.

71. Для ускорения работ по ямочному ремонту всю заделанную смесью площадь ямки подогревают до температуры не выше 70 °С. Это улучшает проникание связующего в бетон, ускоряет отверждение смеси и увеличение прочности, способствуя наиболее быстрому открытию движения транспортных средств по ремонтируемому покрытию.

Ремонт околов углов и кромок швов покрытия

72. Ремонт околов углов и кромок швов цементобетонного покрытия включает следующие технологические операции: подготовку ремонтируемого места (пп. 56 - 64); установку в шов доски, предварительно смазанной автолом или солидолом; приготовление связующего и полимербетонной смеси на эпоксидной или полиэфирной смоле; смазку дна и стенок ремонтируемого места связующим на эпоксидной или полиэфирной смоле; укладку полимербетонной смеси соответственно на эпоксидной или полиэфирной смоле; штыкование уложенной смеси; уплотнение уложенной смеси катком; снятие доски и заливку шва мастикой.

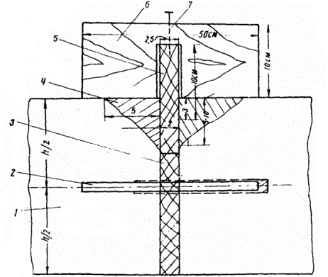
73. При ремонте кромок швов покрытия в очищенное и сухое, подготовленное к ремонту место для создания паза шва устанавливают доску и закрепляют на покрытии поперек шва двумя брусьями с прорезями. Доски для устройства пазов швов должны быть следующих размеров: для шва расширения - ширина поверху - 2,5 см, понизу - 2,0 см, длина 3,5 м и высота 10 см; для шва сжатия - ширина поверху - 1,2 см, понизу - 0,8 см, длина 3,8 м и высота 10 см.

Брусья для укрепления досок на покрытии имеют ширину поверху и понизу 2,5 см, длину 0,8 м и высоту 10 см; по середине бруса выпиливают прорезь высотой 7 см и шириной 3 см.

Рис. 1. Схема ремонта шва расширения цементобетонного покрытия:

1 - цементобетонная плита; 2 - штырь; 3 - прокладка; 4 - разрушенная кромка шва; 5 - доска; 6 - брус; 7 - штырь для скрепления доски с брусом

74. Доски и брусья должны быть гладкими.

75. В шов расширения доску устанавливают на прокладку шва так, чтобы между доской и прокладкой не было зазоров (рис. 1).

76. В шов сжатия доску устанавливают на дно паза шва так, чтобы не было между ними зазора (рис. 2).

Рис. 2. Схема ремонта шва сжатия цементобетонного покрытия:

1 - цементобетонная плита; 2 - штырь; 3 - брус; 4 - штырь для скрепления доски с брусом; 5 - доска; 6 - паз шва сжатия; 7 - разрушенная кромка шва

77. Одновременно с подготовительными работами в непосредственной близости от места ремонта (на обочине) приготовляют связующее и полимербетонную смесь. Немедленно после приготовления связующее наносят на подготовленное для ремонта место (обрубленные стенки шва) по норме 0,3 кг/м2, укладывают полимербетонную смесь по обе стороны доски. При распределении смеси необходимо следить, чтобы она по высоте была уложена вровень со старым покрытием и с обеих сторон доски на одном уровне. Уложенную смесь штыкуют металлической штыковкой и затем уплотняют легким катком. Перед уплотнением катком по поверхности уложенной смеси рассыпают небольшое количество каменной мелочи размером 5 - 2,5 мм (в одну щебенку). После отверждения смеси доску вынимают и шов заполняют мастикой.

78. Движение автомобильного транспорта по отремонтированному участку открывают через 15 - 20 час при температуре воздуха до 15 °С, через 8 - 10 час - при 16 - 25 °С и 2 - 3 часа - при 26 °С и выше.

Ремонт покрытия, поверхность которого подвержена шелушению

79. Ремонт цементобетонного покрытия, поверхность которого подвержена шелушению, включает следующие технологические операции: подготовительные работы (пп. 60 - 64); приготовление эпоксидного связующего; отвешивание каменной мелочи; розлив эпоксидного связующего по чистой и сухой поверхности покрытия; россыпь каменной мелочи и укатку.

80. На тщательно очищенную и просушенную поверхность цементобетонного покрытия разливают эпоксидное связующее при норме 1,0 - 1,5 кг/м2.

Меньшая норма розлива связующего применяется при средней глубине шелушения поверхности покрытия менее 2,0 см и большая - при средней глубине шелушения покрытия более 2,0 см.

Если шелушение поверхности покрытия находится в начальной стадии, то норма розлива связующего может быть снижена до 0,8 кг/м2.

81. Эпоксидное связующее разливают из ведра с последующим распределением по покрытию гладилками с резиновой лентой. При этом необходимо следить, чтобы на покрытии не было не обработанных связующим мест.

82. Вслед за розливом эпоксидного связующего по поверхности цементобетонного покрытия распределяют каменную мелочь размером 5 - 2,5 мм или 2,5 - 1,25 мм при норме расхода 5 - 7 - 10,6 кг/м2, т.е. 7 вес.ч. на 1 вес.ч. связующего.

Каменную мелочь рассыпают с помощью лопат или, при большом объеме работ, распределителем щебня.

83. Уложенный слой уплотняют легким моторным катком за 3 - 4 прохода по одному следу.

Если при уплотнении связующее выступает на поверхность, эти места присыпают каменной мелочью и продолжают укатку 1 - 2 проходами катка. Вальцы катка смазывают автолом, солидолом или техническим вазелином.

84. Движение автомобильного транспорта по дороге открывают через 15 - 20 час при температуре до 15 °С, через 8 - 10 час при температуре воздуха 16 - 25 °С и через 3 - 4 час - при 26 °С и выше.

Состав бригады рабочих, механизмы и инструменты для ремонта цементобетонных покрытий

85. Бригада по ремонту цементобетонного покрытия должна состоять из 8 человек:

Моторист компрессора и катка V разряда                                                                       - 1

Моторист смесителя IV разряда                                                                                        - 1

Рабочий на приготовлении и распределении раствора соляной кислоты IV разряда - 1

Рабочий на приготовлении и распределении связующего II разряда                           - 1

Рабочий на приготовлении и распределении полимербетонной смеси II разряда     - 2

Рабочий на распределении каменной мелочи III разряда                                              - 1

Рабочий на подсобных работах I разряда                                                                         - 2

86. Бригаде придается следующий комплект машин: поливо-моечная машина; смесительный агрегат; компрессор; каток; приспособление для розлива раствора соляной кислоты (или пескоструйный аппарат) и распределитель щебня.

87. Кроме основного оборудования, бригада, выполняющая ремонтные работы, должна иметь в своем распоряжении:

Грузовой автомобиль                                                                                 - 1

Автокран                                                                                                     - 1

Весы торговые с разновесами                                                                   - 1

Ведра                                                                                                           - 10

Лопаты                                                                                                        - 3

Терки                                                                                                           - 3

Окрасочные валики                                                                                   - 4

Штыковки металлические                                                                        - 4

Гладилки с резиновой лентой                                                                  - 4

Бутыли стеклянные 20-литровые                                                             - 2

Мастерки                                                                                                     - 4

Кисти малярные                                                                                         - 6

Щетки металлические и волосяные                                                         - 6

Рейки 3-метровые                                                                                      - 2

Рулетка 10-метровая                                                                                  - 1

Доски для шва расширения                                                                       - 5

Доски для шва сжатия                                                                               - 5

Брусья для закрепления досок                                                                  - 20

88. Для производства работ по ремонту цементобетонного покрытия все рабочие должны быть одеты в комбинезоны; обуты в закрытую обувь; иметь головной убор, закрывающий волосы; находиться обязательно в резиновых перчатках и защитных очках. В дополнение к этому рабочие, занятые приготовлением и розливом раствора соляной кислоты, должны иметь резиновые сапоги и резиновые перчатки.

Контроль качества ремонта цементобетонного покрытия

89. При ремонте цементобетонного покрытия контролируют: приготовление связующего и полимербетонной смеси; производство ремонта покрытия и качество отремонтированного покрытия.

90. При контроле приготовления связующего и полимербетонной смеси проверяют качество исходных материалов, точность дозирования и качество перемешивания, а также качество готового связующего и полимербетонной смеси.

91. Для каменной мелочи и песка один раз в 7 - 10 смен определяют зерновой состав и проверяют чистоту.

92. Качество минерального порошка принимают по заводскому паспорту.

93. Соответствие эпоксидной и полиэфирной смолы пластификаторов, отвердителей и ускорителя требованиям ГОСТ принимают по заводскому паспорту.

94. Для контроля качества полимербетонной смеси на эпоксидной или полиэфирной смоле отбирают пробы готовой смеси (1 - 2 пробы в течение смены), из которых формуют цилиндрические образцы диаметром и высотой 2,5 см. Образцы в формах устанавливают под пресс и уплотняют нагрузкой 300 кгс/см2 в течение 3 мин. Извлекают образцы из форм через одни сутки.

95. Образцы испытывают в возрасте одних суток на прочность при сжатии и результаты сравнивают с результатами, полученными при испытании лабораторных образцов из полимербетонной смеси такого же состава, и с данными табл. 3.

96. При контроле процесса устройства в период формирования ремонтируемого слоя покрытия из полимербетона на эпоксидной или полиэфирной смоле проверяют качество подготовки ремонтируемого места (чистоту и просушивание), толщину укладываемого слоя и количество проходов катка, ровность ремонтируемого слоя покрытия.

97. При контроле качества готового ремонтного слоя из полимербетона отбирают пробы (вырубки) на третьи сутки после ремонта покрытия из расчета 2 пробы на каждом поперечнике, при 2-х поперечниках на 1 км, и их испытывают. При этом определяют объемный вес и величину водонасыщения.

98. Качество уплотнения покрытия оценивают, сравнивая величины объемных весов и водонасыщения вырубок и лабораторных образцов, изготовленных ранее из этих смесей. При отборе образцов из покрытия измеряют толщину слоя.

99. При контроле физико-механических свойств полимербетона на эпоксидной или полиэфирной смоле определяют: объемный вес (г/см3) - методом гидростатического взвешивания; предел прочности при сжатии (кгс/см2) - по ГОСТ 4651-68 и водонасыщение - подсчетом количества воды, поглощенной образцом в вакууме в процентах от первоначального веса или объема образца.

100. После ремонта покрытия и в процессе эксплуатации контролируют шероховатость (скользкость) покрытия маятниковым прибором МП-3 по методике, изложенной в «Методических рекомендациях по нормам коэффициентов сцепления и параметрам шероховатости дорожных покрытий» (М., Союздорнии, 1973).

Транспортировка и хранение полимерных материалов

101. Эпоксидные и полиэфирные смолы транспортируют и хранят в герметически закрывающихся металлических бочках или в металлических бидонах.

102. Отвердители - полиэтиленполиамин, гексаметилендиамин и другие - хранят в стеклянной таре.

Отвердитель - перекись циклогексанона - упаковывают в тару из полиэтилена, которую укладывают в картонные или деревянные ящики с заполнением свободного пространства мелом или тальком, на этикетках обязательно указывается «Огнеопасно», «Яд», «Запрещается смешивать с окислами металлов, сиккативами и минеральными кислотами», причем категорически запрещено хранить и транспортировать его вместе с сиккативами, минеральными кислотами, окислами и солями железа, марганца, кобальта (смешение перекиси циклогексанона с перечисленными веществами приводит к взрыву).

103. Ускоритель - нафтенат кобальта - хранят и транспортируют в герметических алюминиевых емкостях.

104. Гипериз транспортируют в железных бочках. Нельзя применять пробки и прокладки из резины, свинца или третника. В лабораторных условиях гипериз хранят в таре из полиэтилена или из темного стекла. В последнем случае запрещается использовать резиновые и притертые стеклянные пробки, вместо них применяют завинчивающиеся крышки из полиэтилена или корковые пробки с прокладкой из полиэтиленовой пленки.

105. Перекисные и гидроперекисные отвердители, являющиеся взрыво- и огнеопасными веществами, хранят в изолированных проветриваемых неотапливаемых помещениях при температуре не выше 25 °С. В сухом состоянии они могут разлагаться со взрывом при ударах, растирании, нагревании, соприкосновении с сильными кислотами и восстановителями, например, третичными аминами, нафтенатом кобальта и др.

106. В зимнее время полимерные материалы хранят в помещении с температурой воздуха не ниже 0 °С.

В летнее время температура хранения эпоксидной смолы и отвердителей должна быть не более 35 °С, а полиэфирной смолы (лака) ПЭ-246, ускорителя - нафтената кобальта и отвердителя - перекиси циклогексанона не должна превышать 25 °С.

Техника безопасности

107. Алкилрезорциновые и диановые эпоксидные смолы, полиэфирные смолы, отвердители - гексаметилендиамин, полиэтиленполиамин, нафтенат кобальта, перекись циклогексанона и другие пластификаторы - токсичные материалы При работе с этими полимерными материалами необходимо строго соблюдать правила техники безопасности, изложенные в «Санитарных правилах при работе с эпоксидными смолами», утвержденных Главным санитарным инспектором СССР 27 декабря 1960 г. № 348-60 и в настоящих «Методических рекомендациях».

108. Опасность развития профессиональных заболеваний у работающих с эпоксидными, полиэфирными смолами, их отвердителями и пластификаторами может быть сведена до минимума, если предупредить загрязнение воздуха рабочих помещений (лабораторий) этими полимерными материалами и исключить их попадание на кожу.

109. У источников выделения вредных газов полимерных материалов в рабочих помещениях (лабораториях) обязательно устраивают местную вытяжную вентиляцию. При этом необходимо учитывать направление потока свежего воздуха: сначала он должен поступать к работающему, затем к рабочему месту и, наконец, в вытяжную систему.

110. Для организации естественного проветривания в летнее время все оконные проемы производственных помещений должны иметь открывающиеся рамы и фрамуги.

111. В производственных помещениях эпоксидные и полиэфирные смолы, их отвердители и пластификаторы можно хранить в небольших количествах в хорошо закрытой таре под тягой.

112. Рабочие места и помещения следует убирать ежедневно в конце рабочего дня или смены в соответствии с порядком и условиями работы в данном производстве. Пыль в помещениях удаляется влажным способом.

113. В помещениях для работы с эпоксидной, полиэфирной смолой, их отвердителями и пластификаторами устанавливают раковины с подводкой холодной и горячей воды. При умывальниках обязательно наличие мягкого мыла, щеток и бумажных полотенец или салфеток (из обычной белой тонкой оберточной бумаги).

114. Рабочие столы, на которых производят работу с применением этих полимерных материалов, должны быть покрыты прочной белой бумагой. Загрязненную смолами бумагу и обтирочный материал в рабочих помещениях собирают в металлические емкости с крышкой, которые ежедневно освобождают.

115. В помещении и местах, где производятся работы с полимерными материалами, категорически запрещается: принимать пищу, разводить огонь, пользоваться открытым огнем (паяльные лампы, горелки, электроплитки с открытой спиралью и др.), электросваркой. Запрещается присутствие посторонних лиц.

116. Электровыключатели и рубильники размещаются в закрытом шкафу вне рабочих помещений.

При возникновении огня вентиляция должна быть немедленно выключена, все воздушные заслонки воздухопроводов закрываются.

117. В местах проведения работ должны быть вывешены основные правила работ с полимерными материалами и правила по технике безопасности. На рабочих местах надлежит вывешивать знаки, напоминающие о соблюдении осторожности.

118. В производствах, где полимерные материалы расходуются в небольших количествах, в качестве емкостей рекомендуется использовать картонные кружки, которые после употребления уничтожаются без предварительной очистки.

119. Для нанесения связующих и смесей на эпоксидных и полиэфирных смолах на покрытие необходимо пользоваться механизмами и приспособлениями, снабженными защитными экранами. Приготовление связующих и смесей следует производить в закрытых емкостях для предотвращения их разбрызгивания.

120. Тару, механизмы и инструмент следует мыть тщательно и осторожно, не допуская разбрызгивания растворителя (ацетона, толуола, уайт-спирита). Запрещается применять бензол, четыреххлористый углерод и другие токсичные растворители.

121. Попавшие на рабочее место или инструмент связующие и смеси следует удалить ацетоном, а затем этот предмет или место вымыть теплой водой с мылом.

122. Каждый рабочий обязательно должен соблюдать правила личной гигиены:

тщательно мыть руки не только во время перерыва и после работы, но и немедленно после случайного загрязнения рук этими веществами;

попавшую на кожу эпоксидную, полиэфирную смолу, отвердитель, пластификатор, ускоритель, связующее или смесь необходимо немедленно удалить ветошью, тщательно вымыть кожу водой с мылом, высушить и смазать смягчающим кремом.

123. Рабочие, занятые на приготовлении и распределении раствора соляной кислоты, полимерных материалов, должны быть обеспечены комбинезонами, резиновыми перчатками, резиновой обувью и защитными очками.

124. После окончания работ рабочие должны снять комбинезоны, перчатки, обувь и вычистить ацетоном запачканные места, затем вымыть лицо и руки водой с мылом и, если возможно, принять душ на работе или дома.

125. Категорически запрещается находиться в спецовке вне места работ.

126. Категорически запрещается выносить одежду и стирать ее на дому. Спецодежду на производстве следует стирать механическим способом и отдельно от другого белья.

127. На рабочих местах обязательно следует иметь обтирочный материал для вытирания рук и инструментов во время работы.

128. Каждому работающему с полимерными материалами необходимо выдавать мыло в количестве 400 г в месяц.

129. Рабочие, занятые на работах с полимерными материалами, должны иметь 7-часовой рабочий день, дополнительный отпуск и молоко в количестве 500 г в день.

130. К работе с эпоксидными, полиэфирными смолами, их отвердителями и пластификаторами допускаются лица, прошедшие медицинский осмотр и получившие соответствующее разрешение врача.

131. Противопоказанием для приема на работу являются кожные и аллергические заболевания (дерматит, экзема, бронхиальная астма, крапивница, сенная лихорадка, вазомоторный насморк и др.), а также хроническое заболевание верхних дыхательных путей и слизистых оболочек глаз.

132. Рабочие и технический персонал, занятые на работах со смолами, отвердителями и пластификаторами, должны проходить профилактический медицинский осмотр не реже одного раза в три месяца.

133. Лица, у которых при работе с полимерными материалами возникают стойкие кожные заболевания, подлежат переводу на другую работу.

134. Администрация предприятия обязана: обеспечивать работающих с полимерными материалами комбинезонами, халатами, пластиковыми фартуками, резиновыми перчатками, рукавицами, защитными очками, резиновыми сапогами; снабжать работающих обтирочным материалом для вытирания рук и инструментов во время работы; обеспечивать стирку полотенец и спецодежды не реже одного раза в неделю; выдавать каждому работающему мыло; выделять гардеробные для хранения спецодежды и отдельно чистой одежды.

135. Ответственность за выполнение правил работы с полимерными материалами, соблюдение требований техники безопасности, противопожарных и противовзрывных мер несет непосредственно исполнитель, руководитель лаборатории и уполномоченный по технике безопасности.

136. Все работающие с полимерными материалами должны быть проинструктированы о токсических свойствах указанных материалов, о правилах техники безопасности, о мерах профилактики.

СОДЕРЖАНИЕ

 

 




ГОСТЫ, СТРОИТЕЛЬНЫЕ и ТЕХНИЧЕСКИЕ НОРМАТИВЫ.
Некоммерческая онлайн система, содержащая все Российские Госты, национальные Стандарты и нормативы.
В Системе содержится более 150000 файлов нормативно-технической документации, действующей на территории РФ.
Система предназначена для широкого круга инженерно-технических специалистов.

Рейтинг@Mail.ru Яндекс цитирования

Copyright © www.gostrf.com, 2008 - 2026