Крупнейшая бесплатная информационно-справочная система онлайн доступа к полному собранию технических нормативно-правовых актов РФ. Огромная база технических нормативов (более 150 тысяч документов) и полное собрание национальных стандартов, аутентичное официальной базе Госстандарта. GOSTRF.com - это более 1 Терабайта бесплатной технической информации для всех пользователей интернета. Все электронные копии представленных здесь документов могут распространяться без каких-либо ограничений. Поощряется распространение информации с этого сайта на любых других ресурсах. Каждый человек имеет право на неограниченный доступ к этим документам! Каждый человек имеет право на знание требований, изложенных в данных нормативно-правовых актах!

  


 

Открытое акционерное общество

Проектно-конструкторский и технологический
институт промышленного строительства

ОАО ПКТИпромстрой

УТВЕРЖДАЮ

Генеральный директор, к.т.н.

____________ С.Ю. Едличка

«30» января 2004 г.

ТЕХНОЛОГИЧЕСКАЯ КАРТА
НА РАЗРАБОТКУ ГРУНТА I - II ГРУППЫ
В КОТЛОВАНЕ ЭКСКАВАТОРАМИ,
ОБОРУДОВАННЫМИ КОВШОМ ОБРАТНАЯ ЛОПАТА,
С ПОГРУЗКОЙ В АВТОСАМОСВАЛЫ

62-04 ТК

Главный инженер

_____________ А.В. Колобов

Начальник отдела

_____________ Б.И. Бычковский

2004

Карта содержит организационно-технологические и технические решения на разработку грунта I - II групп в котловане экскаваторами ЭО-4121, ЭО-4121А, ЭО-4121Б, оборудованными ковшом обратная лопата, с погрузкой в автосамосвалы.

В технологической карте приведены: область применения, организация и технологическая последовательность выполнения работ, требования к качеству и приемке работ, калькуляция затрат труда, график производства работ, потребность в материально-технических ресурсах, решения по безопасности и охране труда и технико-экономические показатели.

Технологическая карта служит технологическим документом в строительно-монтажных работах и предназначена для инженерно-технических работников строительных и проектных организаций, производителей работ, мастеров и бригадиров, связанных с разработкой грунта экскаваторами типа ЭО-4121, а также технических служб заказчика.

В разработке технологической карты участвовали сотрудники ОАО ПКТИпромстрой:

- Савина О.А. - разработка технологической карты, компьютерная обработка и графика;

- Черных В.В. - общее технологическое сопровождение;

- Холопов В.Н. - проверка технологической карты;

- Бычковский Б.И. - разработка технологической карты, техническое руководство, корректура и нормоконтроль;

- Колобов А.В. - общее техническое руководство разработкой технологических карт;

- к.т.н. Едличка С.Ю. - общее руководство разработкой технологической документации.

СОДЕРЖАНИЕ

1 ОБЛАСТЬ ПРИМЕНЕНИЯ

1.1 Технологическая карта предназначена для использования линейным производственным и инженерно-техническим персоналом строительных организаций при разработке грунта I - II группы в котловане гидравлическими экскаваторами ЭО-4121, ЭО-4121А и ЭО-4121Б, оборудованным ковшом обратная лопата вместимостью 1,0 м3 с погрузкой в автосамосвалы.

1.2 Привязка технологической карты к местным условиям строительства заключается в уточнении объемов работ, средств механизации и потребности в материально-технических ресурсах, а также в уточнении схемы организации процесса соответственно фактическим габаритам котлована, калькуляции и календарного плана производства работ.

1.3 При привязке технологической карты к объекту строительства, расположенному в Москве, необходимо учитывать «Правила производства земляных и строительных работ, прокладки и переустройства инженерных сетей и коммуникаций в г. Москве» (утверждены постановлением Правительства Москвы № 603 от 08.08.2000 г.).

1.4 Производство работ по проведению подготовительных и земляных работ по объектам на территории города Москвы разрешается выполнять исключительно на основании установленного (оформленного) права на их проведение и в соответствии с согласованной и утвержденной документацией.

2 ОРГАНИЗАЦИЯ И ТЕХНОЛОГИЯ ВЫПОЛНЕНИЯ РАБОТ

2.1 До начала производства земляных работ необходимо:

- завершить подготовку фронта работ (раскорчевку, планировку, снос и перенос препятствующих работам сооружений и коммуникаций) в соответствии с требованиями технологии производства работ и ПОС. В случае обнаружения неуказанных в проекте подземных сооружений и коммуникаций необходимо вместе с владельцем решить вопрос их сохранности или выноски за пределы стройплощадки;

- установить инвентарные здания и сооружения согласно стройгенплану строительной площадки;

- ознакомить участников строительства с проектом производства земляных работ и с правилами безопасности труда под расписку;

- установить по контуру котлована временные реперы, связанные нивелирными ходами с постоянными реперами;

- произвести разбивку на местности контура котлованов от осей здания, нанесенных на обноске способом промеров. Обноска устанавливается на высоте 0,4 - 0,6 м от земли параллельно основным осям, образующим внешний контур здания, на расстоянии, обеспечивающим неизменность ее положения в процессе строительства;

- на обноску при помощи теодолита с закрепленных на местности осевых знаков перенести оси здания или сооружения;

- закрепить разбитый контур котлована кольями, между которыми натягивают шнур для указания границы вскрытия котлована. Все колья или штыри, закрепляющие контурные углы, должны быть отнивелированы;

- оформить актом разбивку котлована с приложением ведомостей реперов и привязок;

- производителю работ на исполнительном чертеже передать машинисту экскаватора схему закрепления осей с расстояниями в натуре между ними и абсолютными отметками знаков.

2.2 Технологической картой предусматривается следующая последовательность работ:

- планировка поверхности земли в пределах габарита стройплощадки бульдозерами;

- разработка грунта котлована гидравлическими экскаваторами, оборудованными ковшом обратная лопата, с погрузкой в автосамосвалы;

- доработка грунта и зачистка основания котлована бульдозерами, средствами малой механизации либо вручную.

2.3 Производство земляных работ должно осуществляться с соблюдением действующих строительных норм и правил, государственных стандартов, правил технической эксплуатации, охраны труда, безопасности и других нормативных документов на проектирование, строительство, приемку в эксплуатацию при авторском надзоре проектной организации, техническом надзоре заказчика, а также государственном контроле надзорных органов.

2.4 Для обеспечения проектного уклона поверхность земли должна быть спланирована для свободного прохода по ней ходовой части экскаватора. Планировка поверхности земли выполняется бульдозерами 3 и 4 тягового класса, технические характеристики которых представлены в таблице 1.

Таблица 1 - Технические характеристики бульдозеров

Показатели

Марка бульдозера

ДЗ-42

ДЗ-42Г

ДЗ-42Г-1

ДЗ-128

ДЗ-186

ДЗ-130

ДЗ-101

ДЗ-101А

ДЗ-104

Тип базового трактора

ДТ-75

ДТ-75М

Р-С2

ДТ-75НР-С2

Т-90П

Т-4АП2-С1

Т-4АП2-С1

Мощность двигателя, кВт

66

66

66

70

90

96

96

Тяговый класс

3

3

3

3

4

4

4

Скорость движения, км/ч:

вперед:

 

 

 

 

 

 

 

наибольшая

9,5

9,5

9,5

8,54

6,69

9,1

9,1

наименьшая

5,3

5,3

5,3

3,26

3,17

2,4

2,4

назад:

 

 

 

 

 

 

 

наибольшая

8,3

8,3

8,3

8,07

8,3

6,1

6,1

наименьшая

3,94

3,94

3,94

3,83

3,94

3,6

3,6

Тип отвала

прямой, неповоротный в плане

прямой, поворотный в плане

Размеры отвала, мм:

 

 

 

 

 

 

 

ширина без уширителей

2560

2520

2560

2520

2520

2860

3280

высота без козырька

804

800

950

960

950

1050

990

высота с козырьком

-

-

-

-

1135

-

-

Наибольший подъем отвала над опорной поверхностью, мм

600

830

760

830

760

860

700

Наибольшее заглубление ниже опорной поверхности, мм

300

410

300

360

300

435

300

Поперечный перекос отвала, град.

-

-

12

-

12

12

±6

Угол резания отвала, град.

55

55

55

55

55

55

55

Угол поворота отвала в горизонтальной плоскости, град.

-

-

-

-

-

-

±30

Скорость подъема-опускания отвала, м/с

0,25

0,25

0,25

0,25

0,25

0,25

0,25

Масса, кг:

 

 

 

 

 

 

 

рабочего оборудования

-

-

1070

900

1206

1424

1800

общая

7000

7085

7280

7100

7846

9900

10800

Размеры, мм:

 

 

 

 

 

 

 

длина

4650

4980

4825

 

4826

5029

4900

ширина

2560

2520

2560

2530

2530

2860

3250

высота

2300

2650

2550

-

2923

2565

2565

Производительность на грунтах II группы и дальности транспортировки 50 км, м3

50

50

50

55

60

65

60

Изготовитель

Украина

Россия

Украина

Россия

АО «Калкаманский завод дорожных машин», Россия

Выпуск

Прекращен

Ведется

Прекращен

Ведется

Ведется

Прекращен

Бульдозеры 3 и 4 тягового класса предназначены для выполнения землеройно-планировочных работ в строительстве и в сельском хозяйстве на грунтах I - II групп в районах с умеренным климатом при температуре воздуха ±40 °С без предварительного рыхления. Более тяжелые грунты должны быть предварительно разрыхлены.

Экономически эффективная дальность перемещения грунта бульдозерами 3 и 4 тягового класса не превосходит 50 м, а использование бульдозеров более тяжелого тягового класса экономически не целесообразна.

При планировке поверхности бульдозером предусматривается срезка неровностей до 15 см или грунта растительного слоя и перемещение грунта на расстояние до 30 м. Планировка ведется полосами, равными ширине отвала бульдозера, при рабочем ходе в одном направлении, как показано на рисунке 1.

Рисунок 1 - Схема производства работ по планировке поверхности земли бульдозером

При планировке поверхности земли бульдозером резание и перемещение грунта производится на первой передаче трактора, а возвращение в забой выполняется задним ходом на второй или третьей передачах без разворота бульдозера.

Подъем ножа необходимо совмещать с разгрузкой грунта, а опускание его - с переключением передачи трактора и началом движения бульдозера задним ходом. Совмещение отдельных рабочих операций сокращает продолжительность цикла и повышает производительность бульдозера.

2.5 Разработка грунта котлована производится гидравлическими экскаваторами ЭО-4121, ЭО-4121А, ЭО-4121Б, оборудованными ковшом обратная лопата, технические характеристики которых представлены в таблице 2. Вывоз грунта определяется в строгом соответствии с действующим порядком в г. Москве, утвержденным постановлением Правительства Москвы от 06.04.1999 г. № 259 и другими нормативными документами. Вывоз грунта и места его складирования в других регионах решаются руководством строительной организации и местными административными органами.

Таблица 2 - Технические характеристики экскаваторов

№ п/п

Наименование показателя

Ед. изм.

Марки экскаваторов

ЭО-4121

ЭО-4121А

ЭО-4121Б

1

Мощность двигателя

кВт

130

95,7

95,7

2

Частота вращения вала

мин-1

1700

1700

1700

3

Давление в гидросистеме

МПа

 

25

25

4

Суммарная подача насосов

л/мин

 

2´165

2´165

5

Частота вращения поворотной платформы

мин-1

 

6

6

6

Скорость передвижения

км/ч

2,8

2,9

2,9

7

Наибольший преодолеваемый подъем

град

22

22

22

8

Тяговое усилие на гусеницах

кН

 

164

164

9

Размеры:

мм

 

 

 

радиус, описываемый хвостовой частью

 

3130

3130

3130

расстояние от оси пяты стрелы до оси вращения

 

520

520

520

просвет под поворотной платформой

 

942

930

930

высота до оси пяты стрелы

 

2020

2010

2010

высота по кабине

 

3000

3000

3000

10

База гусеничного хода

мм

2750

2750

2750

11

Дорожный просвет

мм

513

520

520

12

Длина гусеничного хода

мм

 

3480

3480

13

Ширина траков гусеницы

мм

580

580

920

14

Ширина гусеничного хода

мм

2930

 

 

15

Масса эксплуатационная

т

20,9

28,5

28,5

16

Завод-изготовитель

 

АО «Ковровский экскаваторный завод»

17

Емкость ковша «обратная лопата»

м3

без сдвига головной части стрелы

со сдвигом головной части стрелы

 

для грунтов I - IV групп

1

1

 

18

Наибольшая глубина копания

м

5,8

5,14

 

19

Наибольшая высота выгрузки

м

6,0

5,34

 

20

Наибольший радиус копания

м

9,2

8,54

 

21

Радиус, описываемый кромкой зуба ковша

м

1,5

 

22

Длина головной части стрелы

м

3,31

 

23

Длина рукояти

м

2,99

 

24

Удельное давление на грунт

кгс/см2

0,65

 

2.6 Размер котлована определяется в проекте производства земляных работ и должен обеспечивать размещение конструкций и механизированное производство работ по устройству фундаментов и гидроизоляции, прокладке инженерных сетей в районе объекта, водоотводу и (или) водопонижению и другим работам, выполняемым в котловане, а также возможность перемещения людей в пазухе котлована. Размеры выемок по дну в натуре должны быть не менее установленных в ППР. Схемы подбора геометрических размеров котлована, срезки растительного слоя и разработки грунта котлована при погрузке в автосамосвал показаны на рисунках 2 и 3.

2.7 При необходимости передвижения людей в пазухе расстояние между поверхностью откоса и боковой поверхностью возводимого в котловане сооружения (кроме искусственных оснований трубопроводов, коллекторов и т.п.) должно быть в свету не менее 0,6 м.

2.8 При наличии грунтовых вод для ее удаления по периметру котлована устраивают водоотводящую канаву шириной по низу 500 мм и средней глубиной 0,3 - 0,5 м с зумпфами в углах поворота либо через 50 м по длине котлована. В этом случае расстояние между поверхностью откоса и боковой поверхностью конструктива может быть увеличено до 2,1 м. При значительном притоке грунтовых вод для осушения котлована необходимо устраивать водопонижение с использованием установок ЛИУ-5 и ЛИУ-6 либо устройством глубинного водопонижения согласно специально разработанному проекту водопонижения.

2.9 При устройстве котлована разработка грунта экскаватором типа ЭО-4121 выполняется проходками, число и размеры которых определяются проектами производства работ. Различают лобовые и боковые проходки.

При лобовой проходке ось пути движения экскаватора совпадает с осью земляного сооружения или смещена относительно оси земляного сооружения, но ось экскаватора находится в площади поперечного сечения сооружения, как видно на рисунке 2.

На рисунке 3 изображена боковая открытая проходка, при которой экскаватор перемещается сбоку сечения котлована вдоль разрабатываемой полосы за пределами призмы обрушения и отрывает боковой и торцевой откосы.

2.10 При разработке грунта в зимнее время необходимо предварительно выполнить мероприятия по предотвращению замораживания грунта, укрыв пятно котлована утепляющим материалом. В случае разработки мерзлого грунта необходимо сначала его разрыхлить либо отогреть ТЭНами или теплогенераторами. Дно котлована подлежит защите от промораживания.

2.11 Выемки в грунтах, кроме валунных, скальных и элювиальных грунтов, меняющих свои свойства под влиянием атмосферных воздействий, необходимо разрабатывать, как правило, до проектной отметки с сохранением природного сложения грунтов основания. Допускается разработку грунта производить в два этапа: черновая и окончательная, выполняемая непосредственно перед возведением конструкций.

1 - экскаватор; 2 - автосамосвал; 3 - рабочий ход экскаватора; 4 - ось движения автосамосвала; 5 - геодезический знак закрепления осей; 6 - ограждение котлована; 7 - контур монолитной фундаментной плиты; 8 - лестница для спуска в котлован; 9 - граница опасной зоны

Рисунок 2 - Схема разработки грунта котлована экскаватором, оборудованным ковшом обратная лопата при лобовой проходке

1 - экскаватор; 2 - автосамосвал; 3 - рабочий ход экскаватора; 4 - ось движения автосамосвала; 5 - геодезический знак закрепления осей; 6 - ограждение котлована; 7 - лестница для спуска в котлован; 8 - граница опасной зоны

Рисунок 3 - Схема разработки грунта котлована экскаватором, оборудованным ковшом обратная лопата при боковой открытой проходке

2.12 Разрабатывая грунт экскаватором типа ЭО-4121 обратная лопата, машинист экскаватора обязан стремиться полностью использовать конструктивные возможности машины и мощность двигателя в данных конкретных условиях. Резать грунт при наполнении ковша необходимо стружкой наибольшей толщины при максимальных оборотах двигателя, стремясь наполнить ковш с «шапкой» на сколько возможно короткими движениями ковша в грунте. Влажный грунт рекомендуется резать тонкой стружкой, чтобы устранить его налипание, при этом потери времени на резании компенсируются ускорением разгрузки ковша.

Ковш из грунта в забое выводится немедленно после достаточного его наполнения. Во время поворота платформы экскаватора к месту разгрузки ковш поднимается на разгрузочную высоту, а опорожнение его производится в момент, когда он находится над кузовом автосамосвала.

2.13 Доработка недобора грунта до проектной отметки производится средствами малой механизации с сохранением природного сложения грунтов основания либо вручную. Толщина слоя недобора зависит от применяемого типа ковша экскаватора. Доработка грунта в зимнее время производится непосредственно перед устройством фундаментов.

2.14 Восполнение переборов в местах устройства фундаментов и укладки конструкций выполняется местным грунтом с уплотнением до плотности грунта естественного сложения основания или маслосжимаемым грунтом, модуль деформации которого составляет не менее 20 МПа. В просадочных грунтах II типа применение дренирующего грунта не допускается.

2.15 Способ восстановления оснований, нарушенных в результате промерзания, затопления, а также переборов глубиной более 0,5 м, необходимо согласовать с проектной организацией.

2.16 При необходимости разработки выемок в непосредственной близости и ниже подошвы фундаментов существующих зданий и сооружений проектом должны быть предусмотрены технические решения по обеспечению их сохранности.

2.17 В случае появления грунтовых вод необходимо предусмотреть сток воды по уклону котлована в зумпфы с последующей откачкой насосами.

2.18 В случае обнаружения не указанных в проекте коммуникаций, подземных сооружений или обозначающих их знаков земляные работы должны быть приостановлены, на место работы вызваны представители заказчика и организаций, эксплуатирующих обнаруженные коммуникации, и приняты меры по предохранению обнаруженных подземных устройств от повреждения. При невозможности установления эксплуатирующих организаций следует вызвать представителей местной администрации.

2.19 Производство земляных работ осуществляется в соответствии со СНиП 3.02.01-87 «Земляные сооружения, основания и фундаменты», «Правилами производства земляных и строительных работ, прокладки и переустройства инженерных сетей и коммуникаций в г. Москве», «Регламентом подготовки, организации и производства строительных (земляных) работ в стесненных условиях городской застройки».

3 ТРЕБОВАНИЯ К КАЧЕСТВУ И ПРИЕМКЕ РАБОТ

3.1 Контроль качества работ должен осуществляться специальными службами строительных организаций. При производстве земляных работ и устройстве оснований следует выполнять входной, операционный и приемочный контроль, руководствуясь требованиями СНиП 3.01.01-85* и приложением 1 СНиП 3.02.01-87.

3.2 Входной контроль - контроль поступающих материалов, изделий, грунта и т.п., а также технической документации, в т.ч. проектов производства работ. Контроль осуществляется регистрационным методом по сертификатам, накладным, паспортам и т.п., а при необходимости - измерительным методом. При входном контроле рабочей документации производится проверка ее комплектности и достаточности содержащейся в ней технической информации для производства работ.

3.3 Операционный контроль осуществляется в ходе выполнения строительных процессов и производственных операций и обеспечивает своевременное выявление дефектов и принятие мер по их устранению и предупреждению. Осуществляется измерительным методом или техническим осмотром. Результаты операционного контроля фиксируются в общих или журналах производства работ, журналах геотехнического контроля и других документах, предусмотренных действующей в данной организации системой управления качеством.

3.4 Приемочный контроль - контроль, выполняемый по завершении земляных работ по объекту или его этапов с участием заказчика. Приемка земляных работ должна состоять в проверке:

- отметок бровок и основания котлована;

- габаритов котлована;

- крутизны откосов;

- качества грунтов основания.

Сдача-приемка работ оформляется актами освидетельствования скрытых работ, проверки качества грунтов основания в открытом котловане и освидетельствования и приемки котлована, которые должны содержать перечень технической документации, на основании которой были выполнены работы, данные о проверке правильности выполнения земляных работ и несущей способности основания, топографических, геологических и гидрогеологических условиях, в т.ч. об уровне грунтовых вод, наличии карстовых и оползневых явлений, а также перечень недоделок с указанием сроков их устранения.

3.5 Изменение планово-высотного положения запроектированных конструкций в процессе строительных работ без согласования ОПС и автора проекта категорически запрещается.

3.6 При производстве земляных работ, в процессе монтажа или бетонирования конструкций подземной части или укладки трубопроводов необходимо постоянное наблюдение за состоянием основания котлована, откосов, поверхностного стока воды и водоотвода. Состав контролируемых показателей, предельные отклонения, объем и методы контроля должны соответствовать таблице 3.

Таблица 3 - Состав контролируемых операций, отклонения и способы контроля

Технические показатели

Предельные отклонения

Контроль (метод и объем)

1

2

3

1. Концентрация химических веществ и взвесей в воде, сбрасываемой в естественные водостоки и водоемы

Не более предельно допустимых концентраций, установленных «Правилами охраны поверхностных вод от загрязнения сточными водами»

Лабораторные исследования, не реже двух раз в месяц

2. Контроль за состоянием откосов и основания котлована

Не допускается сосредоточенная фильтрация, вынос грунта и оплывание откосов

Визуальные наблюдения, ежедневно

3. Контроль за осадками зданий и сооружений

Осадки не должны превышать величин, установленных СНиП 2.02.01-83*

Нивелирование по маркам, установленным на здании или сооружении

4. Отклонения отметок дна выемок от проектных (кроме выемок в валунных, скальных и вечномерзлых грунтах) при черновой разработке:

 

Измерительный, точки измерений устанавливаются случайным образом; число измерений на принимаемый участок должно быть не менее:

а) одноковшовыми экскаваторами, оснащенными ковшами с зубьями

Для экскаваторов с гидравлическим приводом +10 см

10

5. Отклонение продольного уклона водоотводных канав от проектного значения

Не более ±0,0005

Измерительный. Нивелирование трассы на участках между поворотами, примыканиями, но не менее чем через 50 м

6. Отклонения отметок дна выемок в местах устройства фундаментов и укладки конструкций при окончательной разработке или после доработки недоборов и восполнения переборов

± 5 см

Измерительный, по углам и центру котлована, на пересечениях осей здания, в местах изменения отметок, поворотов и примыканий траншей, расположения колодцев, но не реже чем через 50 м и не менее 10 измерений на принимаемый участок

7. Вид и характеристики вскрытого грунта естественных оснований под фундаменты и земляные сооружения

Должны соответствовать проекту. Не допускается размыв, размягчение, разрыхление или промерзание верхнего слоя грунта основания толщиной более 3 см

Технический осмотр всей поверхности основания

8. Отклонения уклона спланированной поверхности от проектного, кроме орошаемых земель

Не должны превышать ±0,001 при отсутствии замкнутых понижений

Визуальный (наблюдения за стоком атмосферных осадков) или измерительный, по сетке 50´ 50 м

9. Отклонения отметок спланированной поверхности от проектных, кроме орошаемых земель:

Не должны превышать:

 

Измерительный, по сетке 50´50 м

а) в нескальных грунтах

±5 см

 

3.7 По результатам приемочного контроля принимается документированное решение о пригодности основания котлована к выполнению последующих работ.

4 ТРЕБОВАНИЯ БЕЗОПАСНОСТИ И ОХРАНЫ ТРУДА, ЭКОЛОГИЧЕСКОЙ И ПОЖАРНОЙ БЕЗОПАСНОСТИ

4.1 Участки производства работ в населенных пунктах или на территории организации во избежание доступа посторонних лиц должны быть ограждены. Технические условия по устройству инвентарных ограждений установлены ГОСТ 23407-78.

4.2 При приближении к линиям подземных коммуникаций земляные работы должны производиться под непосредственным наблюдением производителя работ или мастера, а в охранной зоне кабелей, находящихся под высоким напряжением, или действующего газопровода, кроме того, под наблюдением работников электро- или газового хозяйства при наличии наряд-допуска.

4.3 При обнаружении в процессе производства земляных работ не предусмотренных проектом коммуникаций, подземных сооружений, взрывоопасных материалов и боеприпасов земляные работы в этих местах следует прекратить, на место работы вызвать представителей заказчика и организаций, эксплуатирующих обнаруженные коммуникации, и принять меры по предохранению обнаруженных подземных устройств от повреждения. Работы возобновляются после выявления характера обнаруженных сооружений или предметов и получения соответствующего разрешения. В случае обнаружения боеприпасов к работе можно приступить только после их удаления саперами.

4.4 Разработка грунта в непосредственной близости от линий действующих подземных коммуникаций допускается только при помощи ручных лопат, без использования ударных инструментов. Применение землеройных машин в таких местах разрешается по согласованию с организациями-владельцами коммуникаций.

4.5 Производство работ, связанных с нахождением работников в выемках с откосами без креплений в насыпных, песчаных и пылевато-глинистых грунтах выше уровня грунтовых вод (с учетом капиллярного поднятия) или грунтах, осушенных с помощью искусственного водопонижения, допускается при глубине выемки и крутизне откосов, указанных в таблице 4.

Таблица 4 - Допускаемая крутизна откосов траншей

№ п. п.

Виды грунтов

Крутизна откоса (отношение его высоты к заложению) при глубине выемки, м, не более

1,5

3,0

5,0

1

Насыпные неслежавшиеся

1:0,67

1:1

1:1,25

2

Песчаные

1:0,5

1:1

1:1

3

Супесь

1:0,25

1:0,67

1:0,85

4

Суглинок

1:0

1:0,5

1:0,75

5

Глина

1:0

1:0,25

1:0,5

6

Лессовые

1:0

1:0,5

1:0,5

Примечания: 1. При напластовании различных видов грунта крутизну откосов назначают по наименее устойчивому виду от обрушения откоса;

2. К неслежавшимся насыпным относятся грунты с давностью отсыпки до двух лет для песчаных; до пяти лет - для пылевато-глинистых грунтов.

3. Крутизна откосов выемок глубиной более 5 м во всех случаях и глубиной менее 5 м при гидрогеологических условиях и видах грунтов, не предусмотренных таблицей 4, а также увлажненных откосов, должна устанавливаться проектом.

4.6 При необходимости разработки котлована в непосредственной близости и ниже подошвы фундаментов существующих зданий и сооружений проектом должны быть предусмотрены технические решения по обеспечению их сохранности. При наличии близлежащих зданий и сооружений от вскрываемого котлована необходимо установить систематическое инструментальное наблюдение за их состоянием.

4.7 Выемки, разработка грунта которых выходит на улицы, проезды, во дворы населенных пунктов, а также в других местах возможного нахождения людей, должны быть ограждены защитными ограждениями согласно ГОСТ 23407-78 с установкой на них предупредительных надписей, а в ночное время - и сигнальное освещение.

4.8 Для прохода рабочих в котлован установить трапы или лестницу шириной не менее 0,6 м с перилами или приставные деревянные лестницы длиной не более 5 м.

4.9 Грунт, извлекаемый из котлована, грузится в автосамосвалы и вывозится со строительной площадки в установленные места.

4.10 Перемещение, установка и работа экскаватора и автосамосвала вблизи котлована с неукрепленными откосами разрешаются только за пределами призмы обрушения грунта на расстоянии, установленном проектом производства работ.

При отсутствии соответствующих указаний в проекте производства работ минимальное расстояние по горизонтали от основания откоса выемки до ближайших опор машины допускается принимать по таблице 5.

Таблица 5 - Минимальное расстояние от основания откоса до ближайших опор машины

Глубина выемки, м

Грунт ненасыпной

песчаный

супесчаный

суглинистый

глинистый

Расстояние по горизонтали от основания откоса выемки до ближайшей опоры машины, м

1,0

1,5

1,25

1,00

1,00

2,0

3,0

2,40

2,00

1,50

3,0

4,0

3,60

3,25

1,75

4,0

5,0

4,40

4,00

3,00

5,0

6,0

5,30

4,75

3,50

4.11 Производство работ в котловане с откосами, подвергшимися увлажнению, разрешается только после тщательного осмотра прорабом (мастером) состояния грунта откосов. Устойчивость откосов должна быть проверена ответственным лицом независимо от атмосферного воздействия при глубине котлована более 1,3 м, а также после наступления оттепели.

4.12 Производство работ в котловане с вертикальными стенками без крепления, в песчаных, пылевато-глинистых и талых грунтах выше уровня грунтовых вод и при отсутствии вблизи подземных сооружений допускается при их глубине не более, м:

1,0 - в неслежавшихся насыпных и природного сложения песчаных грунтах;

1,25 - в супесях;

1,5 - в суглинках и глинах.

При среднесуточной температуре воздуха ниже минус 2 °С допускается увеличение наибольшей глубины вертикальных стенок выемок в мерзлых грунтах, кроме сыпучемерзлых, на величину глубины промерзания грунта, но не боле чем до 2 м.

4.13 Погрузка грунта на автосамосвалы должна производиться со стороны заднего или бокового борта.

4.14 Расстояние между бульдозером и экскаватором, идущими один за другим, должно быть не менее 10 метров. Не разрешается производить другие работы со стороны забоя и находиться работникам в радиусе действия экскаватора плюс 5 м.

4.15 Пожарную безопасность на строительной площадке, участках работ и рабочих местах следует обеспечить в соответствии с требованиями ППБ 01-03 «Правила пожарной безопасности в Российской Федерации».

4.16 Электробезопасность на строительной площадке, участках работ и рабочих местах должна обеспечиваться в соответствии с требованиями СНиП 12-03-2001 «Безопасность труда в строительстве. Часть 1. Общие требования».

4.17 Освещение строительной площадки, участков работ, рабочих мест, проездов и проходов к ним в темное время суток должно отвечать требованиям ГОСТ 12.1.046-85 «ССБТ. Строительство. Нормы освещения строительных площадок». Освещенность должна быть равномерной, без слепящего действия осветительных приборов на работающих. Строительное производство в неосвещенных местах не допускается.

4.18 Откосы котлованов, разрабатываемых в зимнее время, при наступлении оттепели должны быть осмотрены, а по результатам осмотра должны быть приняты меры к обеспечению устойчивости откосов и креплений.

4.19 Перед началом производства земляных работ на участках с возможным патогенным заражением почвы (свалка, скотомогильники и т.п.) необходимо получить наряд-допуск после получения разрешения органов Государственного санитарного надзора или организации-владельца этой территории.

4.20 На территории строящихся и реконструируемых объектов не допускается непредусмотренное проектной документацией сведение древесно-кустарниковой растительности и засыпка грунтом корневых шеек и стволов растущих деревьев и кустарника. Сохраняемые деревья должны быть ограждены.

4.21 В зоне производства планировочных работ почвенный слой должен предварительно сниматься и складироваться в специально отведенных местах с последующим использованием для рекультивации земель. Выпуск воды со стройплощадки непосредственно на склоны без надлежащей защиты от размыва грунта не допускается. Производственные и бытовые стоки, образующиеся на стройплощадке, должны очищаться и обезвреживаться согласно указаниям ПОС и ППР.

4.22 В случае выявления при производстве земляных работ археологических и палеонтологических объектов следует приостановить работы на данном участке и поставить в известность об этом местные административные органы.

4.23 Запрещается применение оборудования, машин и механизмов, являющихся источником выделения вредных веществ в атмосферный воздух, почву и водоемы и повышенных уровней шума и вибрации.

4.24 В сложившихся условиях производства работ в г. Москве необходимо осуществлять мероприятия и работы по охране окружающей природной среды согласно «Правилам производства земляных и строительных работ, прокладки и переустройства инженерных коммуникаций в г. Москве» (постановление Правительства Москвы № 603 от 08.08.2000 г.) с соблюдением требований техники безопасности согласно СНиП 12-03-2001 и СНиП 12-04-2002.

5 ПОТРЕБНОСТЬ В МАТЕРИАЛЬНО-ТЕХНИЧЕСКИХ РЕСУРСАХ

5.1 Потребность в машинах, инструменте, инвентаре для разработки грунта в котловане определяется с учетом специфики выполняемых работ, назначения и технических характеристик в соответствии с таблицей 6.

Таблица 6 - Ведомость потребности в машинах, инструменте, инвентаре

№ п/п

Наименование

Тип, марка, ГОСТ

Техническая характеристика

Назначение

Кол. на звено (бригаду), шт.

1

2

3

4

5

6

1

Бульдозер

Подбирается по таблице 1

Планировочные работы

1

2

Экскаватор

Подбирается по таблице 2

Разработка грунта

1

3

Самосвал

 

 

Вывоз грунта

По расчету

4

Теодолит

ОТ-02

ГОСТ 10529-96

 

Для измерительных

1

5

Нивелир с рейкой

НВ-1

ГОСТ 10528-90

 

работ

1

6

Рулетка измерительная

ГОСТ 7502-98

 

Для линейных измерений

2

7

Стальная лента

Тип ИР-749

Длина 25 м

Для линейных измерений

1

8

Лестница

 

Длина по месту

Для спуска в котлован

1

9

Лопата штыковая

ЛКО; ЛПК

ГОСТ 19596-87*

 

Для зачистки и подбора недобора грунта

1

10

Лопата подборочная

ЛП; ЛПГ

ГОСТ 19596-87*

 

 

1

11

Каска строительная

ГОСТ 12.4.087-84

 

Для защиты головы

3

12

Рукавицы

ГОСТ 12.4.011-89

 

Для защиты рук

3

13

Комплект знаков по технике безопасности

ГОСТ 12.4.026-2001

 

Для обеспечения техники безопасности

1

14

Спецодежда

ГОСТ 12.4.011-89

 

Для индивидуальных средств защиты

3

5.2 Расход эксплуатационных материалов для обслуживания машин и механизмов определяется по паспортным данным механизмов.

6 ТЕХНИКО-ЭКОНОМИЧЕСКИЕ ПОКАЗАТЕЛИ

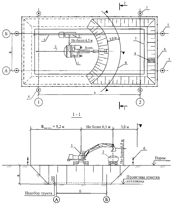
6.1 Технико-экономические показатели в технологической карте определены для случая разработки грунта II группы при отсутствии грунтовых вод с откосами 1:1 экскаватором ЭО-4121А с гидравлическим приводом, оборудованным ковшом обратная лопата емкостью 0,65 м3, по рисунку 4 при геометрических размерах котлована по осям 1-2 - 18 м, по осям А-Б - 9 м.

Рисунок 4 - Пример геометрии котлована для цифровых расчетов

Состав звеньев (бригад) по профессиям и распределение работ между ними приводится в таблице 7.

Таблица 7 - Состав звена по профессиям

№ звеньев

Состав звена по профессиям

Количество человек в смену

Перечень выполняемых работ

1

Машинист бульдозера

1

Планировка поверхности

2

Машинист экскаватора

1

Разработка грунта котлована

3

Землекоп

2

Доработка грунта в котловане

6.2 Затраты труда и машинного времени на разработку грунта котлована подсчитаны по «Единым нормам и расценкам на строительные, монтажные и ремонтно-строительные работы», введенным в действие в 1987 г., и представлены в таблице 8.

6.3 Продолжительность работ на разработку грунта котлована определяется календарным планом производства работ согласно таблице 9.

6.4 Технико-экономические показатели при пересчете на 1000 м3 разрабатываемого грунта экскаватором составляют:

объем работ, м3:

фактический                                       1055

приведенный                                      1000

затраты труда, чел.-ч:

рабочих                                               2,75

машиниста                                          25,9

затраты машинного времени, маш.-ч        25,9

продолжительность работы, ч                   26,0


Таблица 8 - Калькуляция затрат труда и машинного времени

Измеритель конечной продукции - 1055 м3

№ п/п

Обоснование (ЕНиР и др. нормы)

Наименование технологических процессов

Ед. изм.

Объем работ

Норма времени

Затраты труда

рабочих, чел.-ч

машиниста, чел.-ч (работа машин, маш.-ч)

рабочих, чел.-ч

машиниста, чел.-ч (работа машин, маш.-ч)

1

Е2-1-5 № 3б

Срезка грунта растительного слоя бульдозером с перемещением до 30 м

1000 м2

0,48

-

1,4 (1,4)

-

0,7 (0,7)

2

Е2-1-11 Табл. 7 № 4б

Разработка грунта экскаватором, оборудованным ковшом обратная лопата с погрузкой в автосамосвал. Вместимость ковша 0,65 м3

100 м3

9,81

-

2,6 (2,6)

-

25,5 (25,5)

3

Е2-1-22 № 1б + 1д

Разработка недобора и перемещение до 20 м

100 м3

0,21

-

2,04 (2,04)

-

0,43 (0,43)

4

Е2-1-47Б № 8б

Добор немерзлого грунта вручную при выкидке грунта на две стороны

м3

5,0

0,58

-

2,9

-

5

Е2-1-11 Табл. 7 № 4б

Погрузка грунта недобора

100 м3

0,26

-

2,6 (2,6)

-

0,68 (0,68)

ИТОГО:

2,9

27,3 (27,3)

Таблица 9 - Календарный план производства работ

Измеритель конечной продукции - 1055 м3 траншеи


7 Перечень использованной нормативно-технической литературы

1 СНиП 12-03-2001 Безопасность труда в строительстве. Часть 1. Общие требования.

2 СНиП 12-04-2002 Безопасность труда в строительстве. Часть 2. Строительное производство.

3 СНиП 2.02.01-93* Основания зданий и сооружений.

4 СНиП 3.01.01-85* Организация строительного производства.

5 СНиП 3.02.01-87 Земляные сооружения, основания и фундаменты.

6 ГОСТ 12.1.046-85 ССБТ. Строительство. Нормы освещения строительных площадок.

7 ГОСТ 12.4.010-75* ССБТ. Средства индивидуальной защиты. Рукавицы специальные. Технические условия.

8 ГОСТ Р 12.4.026-2001 ССБТ. Цвета сигнальные, знаки безопасности и разметка сигнальная. Назначение и правила применения. Общие технические требования и характеристики. Методы испытаний.

9 ГОСТ 12.4.087-84 ССБТ. Строительство. Каски строительные. Технические условия.

10 ГОСТ 25100-95 Грунты. Классификация.

11 ГОСТ 23407-78 Ограждения инвентарные строительных площадок и участков производства строительно-монтажных работ. Технические условия.

12 ГОСТ 26433.2-94 Правила выполнения измерений параметров зданий и сооружений.

13 ППБ 01-03 Правила пожарной безопасности в Российской Федерации.

14 ЕНиР. Единые нормы и расценки на строительные, монтажные и ремонтно-строительные работы. Сборник Е2. Земляные работы. Механизированные и ручные земляные работы.

15 Регламент подготовки, организации и производства строительных (земляных) работ в стесненных условиях городской застройки.

16 ТР 94.01-99 Технический регламент операционного контроля качества строительно-монтажных и специальных работ при возведении зданий и сооружений. Производство земляных работ.

17 Правила производства земляных и строительных работ, прокладки и переустройства инженерных сетей и коммуникаций в г. Москве.

 




ГОСТЫ, СТРОИТЕЛЬНЫЕ и ТЕХНИЧЕСКИЕ НОРМАТИВЫ.
Некоммерческая онлайн система, содержащая все Российские Госты, национальные Стандарты и нормативы.
В Системе содержится более 150000 файлов нормативно-технической документации, действующей на территории РФ.
Система предназначена для широкого круга инженерно-технических специалистов.

Рейтинг@Mail.ru Яндекс цитирования

Copyright © www.gostrf.com, 2008 - 2026