Крупнейшая бесплатная информационно-справочная система онлайн доступа к полному собранию технических нормативно-правовых актов РФ. Огромная база технических нормативов (более 150 тысяч документов) и полное собрание национальных стандартов, аутентичное официальной базе Госстандарта. GOSTRF.com - это более 1 Терабайта бесплатной технической информации для всех пользователей интернета. Все электронные копии представленных здесь документов могут распространяться без каких-либо ограничений. Поощряется распространение информации с этого сайта на любых других ресурсах. Каждый человек имеет право на неограниченный доступ к этим документам! Каждый человек имеет право на знание требований, изложенных в данных нормативно-правовых актах!

  


 

КОМПЛЕКС ПЕРСПЕКТИВНОГО
РАЗВИТИЯ ГОРОДА

ТЕХНИЧЕСКИЕ РЕКОМЕНДАЦИИ
по проектированию и монтажу
внутреннего водопровода зданий
из металлополимерных труб

ТР 78-98

МОСКВА - 1998

Технические рекомендации разработаны лабораторией инженерного оборудования НИИМосстроя (к.т.н. Сладков А.В., инж. Митрофанова Н.В.) совместно с ГУ «Мосстройлицензия» в развитие СНиП 2.04.01-85* и СНиП 3.05.01-85, с учетом результатов испытаний металлополимерных труб как отечественного производства (НИКИМТ и Каучук-пласт), так и инофирм (Уникор - Германия, Вальсир - Италия, Кайтек - Польша, Мезерпласт - Израиль), проведенных НИИМосстроем в порядке сертификации труб (на металлополимерные трубы имеются гигиенические сертификаты и сертификаты соответствия).

При разработке рекомендаций использовались нормативно-техническая документация заводов-производителей металлополимерных труб, стандарты и нормы Великобритании, Германии, Польши, Израиля и др. на эти трубы, фирменная техническая информация (Уникор, Кайтек, Хенко, Геберит и др.), а также свод правил СП 40.103-98 «Проектирование и монтаж внутреннего водопровода зданий из металлополимерных труб», в подготовке которых принимал основное участие НИИМосстрой.

Рекомендации согласованы с АОХК «Главмосстрой», НИИСантехники, МНИИТЭП, ГП Мосстройэкспертиза и др. организациями.

Правительство Москвы

Технические рекомендации
по проектированию и монтажу внутреннего водопровода зданий из металлополимерных труб

ТР 78-98

Комплекс перспективного развития города

1. ОБЩИЕ ПОЛОЖЕНИЯ

1.1. Настоящие ТР разработаны в развитие СНиП 2.04.01-85* и СНиП 3.05.01-85 и распространяются на проектирование и монтаж из металлополимерных труб (МПТ) внутреннего водопровода холодной и горячей воды жилых, общественных, административных, бытовых зданий вновь возводимых и реконструируемых в г. Москве.

1.2. Для внутреннего водопровода холодной и горячей воды должны применяться, как правило, МПТ одного типа на основе «сшитых» полимеров со слоем алюминиевой фольги, жестко связанным с полимерным материалом.

Примечание. Допускается для водопровода холодной воды использовать МПТ на основе полиэтилена.

1.3. МПТ для внутреннего водопровода холодной воды должны выдерживать постоянное рабочее давление не менее 1 МПа при температуре 20 °С. Срок службы систем водопровода холодной воды из МПТ должен быть не менее 50 лет.

1.4. МПТ для внутреннего водопровода горячей воды должны выдерживать постоянное рабочее давление не менее 0,6 МПа при температуре 75 °С. Срок службы систем водопровода горячей воды из МПТ должен быть не менее 25 лет.

Разработаны:

НИИМосстроем

Внесены:

Управлением развития Генплана

Утверждены:

Первый заместитель руководителя

Комплекса перспективного развития города

Е.В. Басин

«2» августа 1998 г.

Дата введения в действие

«1» сентября 1998 г.

1.5. Для внутреннего водопровода зданий следует применять, как правило, МПТ отечественного производства:

-по ТУ 2248-001-07629379-96

-по ТУ 2248-001-29325094-97

-по ТУ 2248-004-07629379-97

Примечание. Допускается применение для водопровода МПТ инофирм, не уступающих по показателям требованиям указанных ТУ.

1.6. Сортаменты и масса 1 п.м. МПТ приведены в табл. Основные справочные показатели свойств МПТ приведены в приложении 1.

Наружный диаметр, d, мм (с допуском)

Общая толщина стенки, S, мм (с допуском)

Толщина алюминиевой фольги, S, мм (с допуском)

Ориентировочная масса 1 м, кг

По ТУ 2248-001-29325094-97

14+0,15

0,2 ± 0,02

0,092

15+0,15

0,2 ± 0,02

0,105

18+0,15

0,2 ± 0,02

0,128

20+0,15

0,24 ± 0,02

0,150

25+0,20

0,24 ± 0,02

0,204

По ТУ 2248-004-07629379-97

16+0,3

0,095

25+0,3

0,23 ± 0,01

0,020

1.7. МПТ, применяемые для водопровода в г. Москве, должны быть сертифицированы: иметь гигиенический сертификат Госсанэпиднадзора РФ или аккредитованных органов сертификации и, как правило, сертификат соответствия Центрального органа сертификации в строительстве Минземжилстрой РФ, или Госстандарта РФ, или аккредитованных ими органов сертификации.

1.8. МПТ должны поставляться в комплекте с латунными соединительными деталями, строго соответствующими по конструкции и размерам своему типу труб по техническим условиям.

2. ОСОБЕННОСТИ ПРОЕКТИРОВАНИЯ ВНУТРЕННЕГО ВОДОПРОВОДА ИЗ МЕТАЛЛОПОЛИМЕРНЫХ ТРУБ

2.1. Прокладку водопроводов из МПТ следует предусматривать преимущественно скрытой в плинтусах, штробах, шахтах, каналах (кроме подводок к санитарно-техническим приборам).

2.2. Открытая прокладка водопроводов из МПТ допускается в производственных и складских помещениях, а также в технических этажах, чердаках и подвалах, в местах, где исключается их механическое повреждение.

2.3. При проектировании стояков водопровода из МПТ следует применять трубы диметром 20 и более мм.

2.4. При проектировании разводящих трубопроводов в санитарно-технических узлах следует применять МПТ диаметром 16 и менее мм.

2.5. Присоединение разводящих трубопроводов к водопроводным стоякам следует выполнять через распределительные коллекторы из металла, имеющие два и более отводящих штуцера и установленные на ответвлении из стальных или металлополимерных труб от подающего стояка после шарового вентиля, механического фильтра, поквартирного регулятора давления и водосчетчика.

2.6. При соединении водопроводных стояков из МПТ сантехкабин следует применять междуэтажные вставки из МПТ диаметром, равным диаметру стояка.

2.7. Примерные схемы водопровода из МПТ в санитарно-технических узлах (кабинах) приведены на рис. 1, 2, 3.

2.8. При необходимости выполнения гидравлического расчета водопровода из МПТ следует руководствоваться методическими указаниями свода правил СП-40-102-98. При этом коэффициент эквивалентной равномернозернистой шероховатости следует принимать равным 0,00001 м.

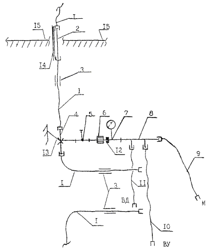
Рис. 1. Схема этажестояка из МПТ холодного водопровода с распределительным коллектором в сборе с подводками из МПТ:

1 - подающий стояк из МПТ 2025; 2 - междуэтажная вставка из стальной трубы; 3 - подвижное крепление; 4 - латунный тройник; 5 - вентиль; 6 - фильтр; 7 - поквартирный регулятор давления; 8 - водосчетчик; 9 - распределительный коллектор; 10, 12, 13, 14 - подводки из МПТ 1216 соответственно к смесителю кухонной мойки, к смывному бачку унитаза, к смесителям ванны, умывальника и бидэ; 11 - соединительная деталь; 15 - неподвижное крепление; 16 - стальная гильза; 17 - междуэтажное перекрытие

Рис. 2. Схема этажестояка из МПТ горячего водопровода с распределительным коллектором в сборе с подводками из МПТ:

1 - подающий стояк из МПТ 2025; 2 - междуэтажная вставка из стальной трубы; 3 - подвижное крепление; 4 - латунный тройник; 5 - вентиль; 6 - фильтр; 7 - водосчетчик; 8 - распределительный коллектор; 9, 10, 11- подводки из МПТ 1216 соответственно к смесителям кухонной мойки, ванны и умывальника, бидэ; 12 - поквартирный регулятор давления; 13 - неподвижное крепление; 14 - стальная гильза; 15 - междуэтажное перекрытие

Рис. 3. Схема этажестояка из МПТ с междуэтажной вставкой из МПТ:

1 - междуэтажная вставка из МПТ 2025; 2 - латунный тройник; 3 - вентиль; 4 - неподвижное крепление; 5 - подвижное крепление; 6 - стальная гильза; 7 - междуэтажное перекрытие

2.9. При гидравлическом расчете водопровода определение потерь напора по длине и скорость течения воды в зависимости от расхода допускается производить по таблицам приложения 2.

2.10. При гидравлическом расчете коэффициенты местного сопротивления соединительных деталей следует принимать для: крестовины из латуни - 3,0; угольника 90° из латуни - 2,0; тройника из латуни - 1,5; соединения МПТ - 1,5; перехода из латуни - 1,0 (на больший диаметр) и 0,5 (на меньший диаметр); для отвода из МПТ - 1,0; отступа из МПТ - 0,5.

2.11. При проектировании водопровода из МПТ следует предусматривать компенсацию линейных температурных удлинений.

2.12. Компенсация линейных температурных удлинений трубопроводов холодной воды происходит за счет самокомпенсации отдельных его участков (поворотов, изгибов, волнистой прокладки труб), что достигается правильной расстановкой неподвижных креплений, делящих трубопровод на независимые участки, линейная деформация которых воспринимается поворотами и изгибами трубопровода.

2.13. Компенсация линейных температурных удлинений трубопроводов горячей воды достигается применением Г-, Z- и П-образных компенсаторов или специальных петлеобразных компенсаторов, в сочетании с расстановкой скользящих и неподвижных опор (рис. 4).

2.14. Величину линейного температурного удлинения Dl (мм) водопровода из МПТ в зависимости от температурного перехода следует определять по формуле:

Dl = 0,025×L×t,

где L - длина участка трубопровода,

Dt - расчетная разность температур между температурой монтажа и эксплуатации,°С.

2.15. Расчет компенсирующей способности Г- и П-образного компенсатора «Lk» (мм) следует определять по формуле:

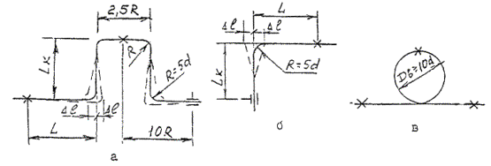
где d - наружный диаметр МПТ, мм

Рис. 4. Устройство компенсаторов:

а - П-образного, б - L-образного, в - петлеобразного

2.16. Радиус изгиба Г-, Z- и П-образного компенсатора следует принимать равным ~ 5d, диаметр петлеобразного компенсатора следует принимать равным 10d.

2.17. При расстановке на трубопроводе из МПТ скользящих креплений расстояния между ними следует принимать при горизонтальном расположении труб диаметром до 20 мм - 500 мм, более 20 мм - 750 мм, при вертикальном - соответственно 1000 и 1200 мм.

2.18. При расстановке креплений расстояние от неподвижных опор до стен должно быть не менее двух диаметров МПТ.

2.19. Запорную и водоразборную арматуру, устанавливаемую на водопроводе из МПТ, следует независимо жестко закреплять к строительным конструкциям (к санитарным приборам).

2.20. Проход водопровода из МПТ через строительные конструкции следует выполнять в гильзах из металла или пластмасс.

2.21. Пересечение перекрытий стояками водопровода из МПТ должно выполняться с помощью гильз из стальных труб, выступающих над перекрытием на высоту не менее 50 мм.

2.22. Водопроводы из МПТ (кроме подводок к санитарным приборам) должны быть теплоизолированы современными теплоизоляционными материалами (изделиями) с коэффициентом теплопроводности не более 0,05 Вт/м°С. Толщина теплоизоляционного слоя должна составлять не менее 10 мм.

3. ТРАНСПОРТИРОВКА И ХРАНЕНИЕ МЕТАЛЛОПОЛИМЕРНЫХ ТРУБ

3.1. Бухты металлополимерных труб транспортируют любым видом транспорта в соответствии с требованиями перевозки грузов, действующими на данном виде транспорта.

3.2. Транспортировка, погрузка и разгрузка металлополимерных труб в бухтах должна осуществляться при температуре наружного воздуха не ниже -20 °С.

При погрузо-разгрузочных работах, транспортировании, хранении бухты металлополимерных труб необходимо оберегать от механических повреждений.

Запрещается сбрасывать бухты или отрезки металлополимерных труб с транспортных средств. При разгрузке МПТ подъемно-транспортными средствами запрещается применять металлические тросы и захваты.

3.3. Металлополимерные трубы в бухтах следует хранить в закрытом помещении в горизонтальном положении на стеллажах высотой не более 2 м и на расстоянии не менее 1 м от нагревательных приборов, а в условиях строительной площадки - в закрытом помещении или под навесом, оберегая от прямых солнечных лучей, попадания масел, жиров и нефтепродуктов.

4. ОСОБЕННОСТИ МОНТАЖА ВНУТРЕННЕГО ВОДОПРОВОДА ЗДАНИЙ ИЗ МЕТАЛЛОПОЛИМЕРНЫХ ТРУБ

4.1. Монтаж водопроводов из МПТ должен осуществляться по монтажному проекту, выполненному строительно-монтажной или проектной организацией.

4.2. Работы по монтажу МПТ должны выполняться специально обученным техническим персоналом, имеющим удостоверение на право проведения работ с МПТ.

4.3. Монтаж трубопроводов из МПТ должен осуществляться при температуре окружающей среды не менее +10 °С.

4.4. Бухты МПТ, хранившиеся или транспортировавшиеся на монтаж (заготовительный участок) при температуре ниже 0 °С, должны быть перед раскаткой выдержаны в течение 24 часов при температуре не ниже 10 °С.

4.5. В процессе размотки бухт и монтажа трубопроводов необходимо следить, чтобы маркировка на МПТ находилась на одной образующей поверхности трубы. Прокладку трубы следует вести без натяга, свободные концы закрывать заглушками во избежание попадания грязи и мусора в трубу.

4.6. Перед прокладкой МПТ в помещении необходимо установить средства крепления, закончить все электрогазосварочные работы, а при открытой прокладке - и отделочные работы.

4.7. При скрытой прокладке МПТ должен быть обеспечен доступ к разъемным соединениям и арматуре путем устройства дверок и съемных щитов, на поверхности которых не должно быть острых выступов.

4.8. В случае замоноличивания горизонтальных трубопроводов из МПТ их следует прокладывать с подъемом до 0,003 в сторону водоразборной арматуры для предотвращения образования воздушных мешков.

Замоноличенный трубопровод допускается прокладывать в кожухе (например, в гофрированной трубе). До замоноличивания трубопроводов из МПТ необходимо выполнить исполнительную схему монтажа данного участка.

4.9. Борозды или каналы следует закрывать после проведения испытаний трубопроводов из МПТ.

4.10. При проходе МПТ через строительные конструкции в футлярах внутренний диаметр футляра должен быть на 5 - 10 мм больше наружного диаметра МПТ. Зазор между трубой и футляром необходимо заделать мягким материалом, допускающим перемещение трубы вдоль продольной оси.

4.11. Соединение металлополимерных труб между собой, со стальными трубами, запорно-регулирующей и водоразборной арматурой выполняется на резьбе с помощью специальных соединительных деталей из латуни с обжимным кольцом и накидной гайкой и резьбовой вставкой (рис. 5 а, б).

Примечание. Допускается присоединение подводок из МПТ к стандартным соединительным частям из металла.

Рис. 5. Соединение МПТ с обжимным кольцом и накидной гайкой:

1 - металлополимерная труба; 2 - обжимная гайка; 3 - разрезное обжимное кольцо; 4 - соединительная вставка с наружной резьбой; 5 - ниппель; 6 - резиновые уплотнительные кольца

4.12. До начала монтажа трубопроводов из МПТ необходимо выполнить следующие подготовительные операции:

- отобрать трубы и соединительные детали из числа прошедших входной контроль;

- разметить трубу в соответствии с проектом или по месту с учетом припуска на последующую обработку;

- разрезать трубу согласно разметке специальными ножницами, не допуская смятия трубы и образования заусенцев. Отклонение плоскости реза не должно превышать 5°.

4.13. Сборка соединений с обжимным кольцом и накидной гайкой и резьбовой вставкой (рис. 6):

- специальными ножницами отрезать трубу необходимой длины под углом 90° к оси трубы, используя пружину, выпрямить конец трубы (приблизительно 150 - 160 мм);

- обработать поверхность трубы калиброванной разверткой (сначала стороной 1 на глубину риски на наружной поверхности развертки, затем стороной 2 снять фаску);

- надеть на трубу латунную обжимную гайку;

- вручную запрессовать соединительный элемент до упора на глубину не менее (для труб 1216 - 8 мм; 1620 - 10 мм; 2025 - 12 мм).

Рис. 6. Соединение МПТ с обжимным кольцом и накидной гайкой из латуни:

а) резка трубы по месту с помощью спецножниц под прямым углом; б) удаление технологических наплывов на внутренних стенках трубы; в) снятие внутренней фаски обратной стороной развертки; г) установка накидной гайки и соединительной вставки на подготовительный торец трубы; д) сборка соединительного узла (вручную); е) монтаж соединительного узла с выбранным фитингом при помощи гаечного ключа

4.14. Соединение МП трубы с обжимным кольцом и накидной гайкой с деталями, имеющими наружную резьбу, осуществляется по сопрягаемым поверхностям без уплотнения резьбовой части (см. рис. 5б).

Для присоединения МПТ к деталям, имеющим внутреннюю резьбу, необходимо использовать ниппель с уплотнением резьбовой части. Соединения МПТ между собой или присоединение к приборам, имеющим внутреннюю резьбу, следует выполнять с помощью накидных гаек и соединительных вставок с наружной резьбой с уплотнением резьбовой части (см. рис. 5а).

4.15. Уплотнение резьбовых соединений со стальными трубопроводами и арматурой может быть осуществлено льняной прядью, лентой ФУМ или любым уплотнительным материалом.

4.16. Для закрепления труб следует применять изделия согласно каталогам изготовителей МПТ или иные опоры, применяемые для пластмассовых труб. Размеры хомутов должны соответствовать диаметрам труб. Металлические крепления должны иметь мягкие прокладки и антикоррозионное покрытие.

4.17. Запорно-регулирующую и водоразборную арматуру следует закреплять с помощью самостоятельных неподвижных креплений для устранения передачи усилий на трубопровод в процессе эксплуатации.

4.18. Минимальные расстояния от осей отводов и тройников до крепления следует принимать с учетом температурного изменения длины трубы, при этом специальные соединительные детали должны располагаться на расстоянии не менее 50 мм от креплений.

4.19. До проведения монтажных работ МПТ, соединительные детали, арматура и средства крепления должны быть подвергнуты входному контролю.

4.20. Входной контроль предусматривает: проверку наличия сопроводительной документации, включая гигиенический сертификат и сертификат соответствия (техническое свидетельство), осмотр труб и деталей для установления маркировки, а также трещин, сколов, рисок и других механических повреждений, выборочный контроль наружного диаметра и толщин стенок труб, выборочные испытания по определению разрушающей нагрузки кольцевых образцов.

4.21. МПТ должны иметь маркировку, указывающую диаметр трубы и ее назначение. На поверхности труб не должно быть механических повреждений и заломов (трубы не должны быть скручены или сплющены).

4.22. На резьбовых вставках, ниппелях и накидных гайках соединительных деталей резьба должна быть нарезана в соответствии с ГОСТ 6357-81 класс точности В. Резьба должна быть чистой, без заусенцев, рваных или смятых ниток.

4.23. Средства крепления МПТ должны иметь поверхность, исключающую возможность механического повреждения труб. Крепления не должны иметь острых кромок и заусенцев.

4.24. Режимы и последовательность гидростатических (гидравлических) или манометрических (пневматических) испытаний внутренних водопроводов из МПТ регламентируется СНиП 3.05.01-85 и сводом правил СП 40-102-98.

4.25. Системы внутреннего холодного и горячего водоснабжения по окончании их монтажа должны быть промыты водой до выхода ее без механических взвесей. Промывка систем хозяйственно-питьевого водоснабжения считается законченной после выхода воды, удовлетворяющей требованиям ГОСТ 2874-82 «Питьевая вода».

4.26. Системы внутреннего холодного и горячего водоснабжения, смонтированные с применением МПТ, должны быть испытаны при положительной температуре окружающей среды гидростатическим методом.

Примечание. Допускается испытывать трубопроводы манометрическим методом в зимнее время.

4.27. Испытания должны производиться до установки водоразборной арматуры.

4.28. Системы внутреннего водопровода в условиях заводов по выпуску санитарно-технических кабин испытывают гидравлическим давлением в 1 МПа в течение 2 минут. За время испытаний падения давления по манометру не допускается.

5. РЕМОНТНЫЕ РАБОТЫ

5.1. Слесари-сантехники, производящие ремонт, должны быть обучены особенностям работы с металлополимерными трубами и технологией их обработки и иметь соответствующую документацию на право проведения монтажных работ.

5.2. При замене труб во время ремонта не допускается ставить трубы меньшего диаметра.

5.3. В случае повреждения участка трубопровода, целесообразно вырезать поврежденный участок. Замена производится с помощью отрезка трубы необходимой длины, соединяемого с трубопроводом с помощью специальных соединительных деталей для данного типа труб.

5.4. Течи в разъемных соединениях устраняются подвертыванием гаек или заменой уплотнителя.

5.5. Не допускается термического или механического повреждения МПТ при проведении сварочных и иных огневых работ. При проведении таких работ в местах возможного повреждения МПТ необходимо ставить ограждения.

5.6. Для очистки наружной поверхности МПТ следует применять материал, исключающий механические повреждения.

5.7. МПТ относятся к разряду морозоустойчивых и не разрушаются при отрицательных температурах.

5.8. Не следует допускать замораживания систем водопровода из МПТ. В случае замерзания системы наличие пробок в трубе можно определить по местному увеличению (расширению) диаметра трубы или по слою инея и льда на поверхности. Прогревать трубу следует теплым воздухом или горячей водой. Категорически запрещается использовать открытое пламя и обстукивать трубы молотком.

5.9. При ослаблении заделки между трубой и футляром, проходящим через строительные конструкции, необходимо ее уплотнить льняной прядью либо другим мягким материалом.

5.10. При ремонте систем с заменой трубопроводов водоразборные и циркуляционные стояки, проходящие в бороздах, вертикальных каналах и шахтах санитарно-технических кабин, необходимо теплоизолировать.

6. ТРЕБОВАНИЯ БЕЗОПАСНОСТИ И ОХРАНЫ ОКРУЖАЮЩЕЙ СРЕДЫ ПРИ МОНТАЖЕ

6.1. При производстве работ по монтажу внутреннего водопровода зданий из металлополимерных труб необходимо соблюдать общие требования СНиП III-4-80* «Техника безопасности в строительстве».

6.2. Металлополимерные трубы в процессе эксплуатации и монтажа не выделяют в окружающую среду токсичных веществ и не оказывают вредного воздействия на организм человека при непосредственном контакте. Работа с ними не требует особых мер предосторожности.

6.3. МПТ относятся к сгораемым материалам. Средства пожаротушения: песок, кошма, распыленная вода и пена.

6.4. При выполнении работ по сборке и монтажу водопровода из МПТ необходимо пользоваться исправным инструментом, соблюдая условия его эксплуатации. Гаечные ключи должны соответствовать размерам гаек. Губки ключей должны быть параллельными и не иметь трещин и забоин. Газовые ключи не должны иметь зазубрин и сбитой насечки.

6.5. Рабочее место слесаря-сантехника должно быть достаточно освещено. Напряжение переносных светильников не должно превышать 42 В. Ручной переносной светильник должен иметь металлическую сетку для защиты лампы, устройство для его подвески и шланговой провод с вилкой. Освещенность должна быть равномерной, без слепящего действия на работающих.

6.6. Гидростатические испытания систем следует проводить в присутствии мастера или производителя работ. Слесари, проводящие испытания, должны находиться в безопасных местах на случай выбивания заглушек и аварий.

6.7. Отходы от монтажа трубопроводов из МПТ следует собрать для последующего их вывоза в места свалки, согласованные с Мосгорсанэпиднадзором и Москомприродой.

Приложение 1

(справочное)

Основные показатели свойств металлополимерных труб

№ п.п.

Наименование показателей свойств, ед. изм

Значение показателей свойств

1.

Коэффициент теплопроводности, Вт/м°К

0,45

2.

Коэффициент температурного линейного расширения, 1/°С

2,5×10-5

3.

Разрушающая нагрузка при испытании кольцевых образцов на растяжение в поперечном направлении, Н

2000 ¸ 2600*

4.

Стойкость (ч) при постоянном внутреннем давлении (МПа) и температуре воды (°С):

 

4,5 - 20

не менее 1,0

1,8 - 95

1,0

1,6 - 95

100,0

1,4 - 95

1000,0

* В зависимости от диаметра МПТ

Приложение 2

Таблица 1 для гидравлических расчетов водопровода холодной (10 °С) воды из металлополимерных труб типа МП ТУ 2248-001-07629379-96

Q, л/с

d = 16, мм

d = 25, мм

V, м/с

1000 i

V, м/с

1000 i

0,02

0,18

7,72

0,06

0,66

0,04

0,35

23,43

0,13

2,25

0,06

0,53

47,79

0,19

4,21

0,08

0,71

79,6

0,26

7,21

0,1

0,89

117,62

0,32

10,44

0,14

1,24

213,41

0,45

18,49

0,18

1,59

331,74

0,58

28,73

0,3

2,65

831,9

0,96

69,58

0,5

4,42

2114,86

1,6

175,59

0,7

-

-

2,24

320,7

0,9

-

-

2,88

506,00

1,2

-

-

3,84

859,88

1,6

-

-

5,12

1463,98

Таблица 2 для гидравлических расчетов водопровода горячей (60 °С) воды из металлополимерных труб типа МП ТУ 2248-002-07629379-96

Q, л/с

d = 16, мм

d = 25, мм

V, м/с

1000 i

V, м/с

1000 i

0,02

0,18

5,7

0,06

0,4

0,04

0,35

18,1

0,13

1,65

0,06

0,53

37,2

0,19

3,18

0,08

0,71

63,0

0,26

5,56

0,1

0,89

75,1

0,32

7,93

0,14

1,24

173,9

0,45

14,68

0,18

1,59

273,7

0,58

24,26

0,3

2,65

702,3

0,96

57,4

0,5

4,42

1852,8

1,6

146,1

0,7

-

-

2,24

274,14

0,9

-

-

2,88

436,78

1,2

-

-

3,84

749,59

1,6

-

-

5,12

1288,8

Таблица 3 для гидравлических расчетов водопровода холодной (10 °С) воды из металлополимерных труб типа по ТУ 2248-001-29325094-97

Q, л/с

d = 14 мм

d = 16 мм

d = 18 мм

d = 20 мм

d = 25 мм

V, м/с

1000 i

V, м/с

1000 i

V, м/с

1000 i

V, м/с

1000 i

V, м/с

1000 i

0,02

0,26

18,75

0,18

7,9

0,13

3,73

0,11

2,48

0,064

0,717

0,04

0,53

63,0

0,36

25,2

0,27

12,6

0,22

7,77

0,13

2,25

0,06

0,79

125,91

0,55

52,2

0,4

24,52

0,33

15,4

0,19

4,21

0,08

1,06

207,75

0,73

85,66

0,63

39,92

0,43

24,18

0,26

7,2

0,1

1,32

309,73

0,91

1252

0,67

59,79

0,54

35,78

0,32

10,16

0,14

1,85

561,81

1,28

231,55

0,93

107,54

0,76

65,68

0,45

18,5

0,18

2,38

882,95

1,64

359,43

1,2

168,46

0,98

102,55

0,58

28,73

0,3

-

-

2,73

900,89

2,0

419,15

1,63

253,51

0,96

69,58

0,5

-

-

-

-

3,33

1054,04

2,71

634,26

1,6

176,2

0,7

-

-

-

-

-

-

3,8

1185,36

2,24

320,18

0,9

-

-

-

-

-

-

-

-

2,88

516,05

1,2

-

-

-

-

-

-

-

-

3,84

859,91

1,6

-

-

-

-

-

-

-

-

5,12

1460,5

Таблица 4 для гидравлических расчетов водопровода горячей (60 °С) воды из металлополимерных труб типа по ТУ 2248 001-29325094-97

Q, л/с

d = 14 мм

d = 16 мм

d = 18 мм

d = 20 мм

d = 25 мм

V, м/с

1000 i

V, м/с

1000 i

V, м/с

1000 i

V, м/с

1000 i

V, м/с

1000 i

0,02

0,26

13,75

0,18

5,78

0,13

2,69

0,11

1,77

0,064

0,495

0,04

0,53

48,51

0,36

15,66

0,27

9,41

0,22

5,73

0,13

1,66

0,06

0,79

99,32

0,55

40,62

0,4

18,82

0,33

11,23

0,19

3,18

0,08

1,06

170,16

0,72

67,82

0,53

31,16

0,43

18,66

0,26

5,56

0,1

1,32

251,92

0,91

100,43

0,67

47,21

0,54

28,48

0,32

7,93

0,14

1,85

464,88

1,28

188,81

0,93

86,11

0,76

52,35

0,45

14,73

0,18

2,38

739,51

1,64

296,31

1,2

136,88

0,98

82,94

0,58

23,15

0,3

-

-

2,73

758,99

2,0

349,45

1,63

212,85

0,96

57,40

0,5

-

-

-

-

3,33

899,49

2,71

544,26

1,6

146,12

0,7

-

-

-

-

-

-

3,80

1017,15

2,24

274,15

0,9

-

-

-

-

-

-

-

-

2,88

436,79

1,2

-

-

-

-

-

-

-

-

3,84

749,61

1,6

-

-

-

-

-

-

-

-

5,12

1288,83

СОДЕРЖАНИЕ

1. Общие положения. 1

2. Особенности проектирования внутреннего водопровода из металлополимерных труб. 2

3. Транспортировка и хранение металлополимерных труб. 6

4. Особенности монтажа внутреннего водопровода зданий из металлополимерных труб. 7

5. Ремонтные работы.. 10

6. Требования безопасности и охраны окружающей среды при монтаже. 11

Приложение 1. Основные показатели свойств металлополимерных труб. 11

Приложение 2. Таблицы для гидравлических расчетов водопроводов из металлополимерных труб. 11

 

 




ГОСТЫ, СТРОИТЕЛЬНЫЕ и ТЕХНИЧЕСКИЕ НОРМАТИВЫ.
Некоммерческая онлайн система, содержащая все Российские Госты, национальные Стандарты и нормативы.
В Системе содержится более 150000 файлов нормативно-технической документации, действующей на территории РФ.
Система предназначена для широкого круга инженерно-технических специалистов.

Рейтинг@Mail.ru Яндекс цитирования

Copyright © www.gostrf.com, 2008 - 2026