|
|
|
МИНИСТЕРСТВО ВНУТРЕННИХ ДЕЛ СССР МИНИСТЕРСТВО АВТОМОБИЛЬНЫХ ДОРОГ РСФСР
УКАЗАНИЯ
МОСКВА «ТРАНСПОРТ» 1984 Указания по применению дорожных знаков. МВД СССР. Минавтодор РСФСР. - М.: Транспорт, 1984. Указания разработаны ВНИИБД МВД СССР, МАДИ, Гипродорнии Минавтодора РСФСР. В Указаниях приведены подробные рекомендации по применению знаков на автомобильных дорогах и в городах с учетом дорожных условий и потребностей организации движения. В Указания включены рекомендации по маршрутному ориентированию на дорогах, в которых содержатся основные принципы расстановки указателей направлений и расстояний, варианты их размещения и компоновки. Указания разработаны с учетом ГОСТ 10807-78 «Знаки дорожные. Общие технические условия», ГОСТ 23457-79 «Технические средства организации дорожного движения. Правила применения» и на основе научных исследований, проведенных ВНИИБД МВД СССР, МАДИ и Гипродорнии. Указания предназначены для работников ГАИ и дорожных служб министерств и ведомств, в ведении которых находятся улицы и дороги. С выходом в свет настоящих Указаний утрачивают силу Правила установки дорожных знаков на автомобильных дорогах (ВСН 28-76). Указания подготовлены: отделом дорожных исследований ВНИИБД МВД СССР (кандидаты техн. наук М.Б. Афанасьев, Б.Н. Баваров, В.Е. Верейкин, В.В. Новизенцев, инженеры С.Г. Бачманов, Я.С. Репин - ответственный; дорожным отделом Главного управления ГАИ МВД СССР (инженеры В.Г. Виноградов, Ю.С. Остроумов); кафедрой проектирования дорог МАДИ (д-р техн. наук, проф. В.Ф. Бабков, канд. техн. наук В.П. Залуга, С.К. Кашкин); отделом безопасности движения Гипродорнии Минавтодора РСФСР (кандидаты техн. наук В.С. Адасинский, В.Д. Белов, Н.П. Минин, Е.М. Окороков, инж. Н.А. Терехова). Ответственный за выпуск М.Б. Афанасьев. 1. ОБЩИЕ ПОЛОЖЕНИЯ1.1. Дорожные знаки устанавливают на дорогах1 для повышения безопасности движения транспортных средств и пешеходов, информации пользователей дорог об условиях и режимах движения и ориентирования их в пути следования. 1 Под «дорогой» в Указаниях понимается любая используемая для движения дорога, улица, переулок, проезд. 1.2. Установка дорожных знаков обязательна на всех дорогах независимо от их ведомственной принадлежности. 1.3. Для обеспечения меткого восприятия водителями дорожных знаков и исключения случаев их ошибочного толкования запрещается: помещать на знаке или его стойке информацию, не имеющую отношения к регулированию движения, или знаки, не предусмотренные стандартом; устанавливать на полосе отвода дороги плакаты, транспаранты, которые могут затруднять восприятие технических средств организации движения или оказывать отвлекающее влияние на водителей. 1.4. Дорожные знаки вне населенных пунктов устанавливают, возобновляют, ремонтируют и содержат дорожные организации, в ведении которых находятся дороги, а в городах в соответствии с существующим положением, специализированные монтажно-эксплуатационные подразделения (СМЭП) УВД - МВД. 1.5. Вне населенных пунктов все знаки на пересечениях и примыканиях (кроме предварительных указателей направлений на пересекаемой дороге) устанавливает дорожная организация, обслуживающая дорогу высшей категории, а при их одинаковой категории - организация, обслуживающая дорогу, интенсивность движения по которой больше, чем на пересекаемой (примыкающей) дороге. 1.6. Устанавливаемые дорожные знаки и другие средства регулирования движения не должны противоречить друг другу. 1.7. Организации, устанавливающие знаки, осуществляют постоянный контроль за их техническим состоянием, за тем, чтобы они не заслонялись от водителей другими знаками или сооружениями на дороге, растительностью, другими объектами. Действующим законодательством предусмотрена ответственность лиц, виновных за повреждение или снятие дорожных знаков и других средств регулирования движения. 2. КЛАССИФИКАЦИЯ ДОРОЖНЫХ ЗНАКОВОбщие положения 2.1. Государственный стандарт «Знаки дорожные. Общие технические условия» (ГОСТ 10807-78) устанавливает семь групп дорожных знаков: 1 - предупреждающие; 2 - приоритета; 3 - запрещающие; 4 - предписывающие; 5 - информационно-указательные; 6 - сервиса; 7 - дополнительной информации (таблички). 2.2. Номер знака состоит из номера группы, порядкового номера знака в группе, порядкового номера разновидности (при наличии), разделенных между собой точками. 2.3. В зависимости от условий применения дорожные знаки изготовляют четырех типоразмеров: I - малого; II - нормального; III - большого и IV - очень большого. Предупреждающие знаки 2.4. Предупреждающие знаки информируют водителя о характере опасности и расположении опасного участка дороги, движение по которому требует принять меры, соответствующие обстановке. 2.5. Предупреждающие знаки имеют следующие номера, названия и характеристики: 1.1. «Железнодорожный переезд со шлагбаумом». Переезд через железную дорогу, оборудованный шлагбаумом. 1.2. «Железнодорожный переезд без шлагбаума». Переезд через железную дорогу, не оборудованный шлагбаумом. 1.3.1. «Однопутная железная дорога». Обозначение необорудованного шлагбаумом железнодорожного переезда через железную дорогу с одним путем. 1.3.2. «Многопутная железная дорога». Обозначение необорудованного шлагбаумом железнодорожного переезда через железную дорогу с двумя или более путями. 1.4.1 - 1.4.6. «Приближение к железнодорожному переезду». Дополнительное предупреждение водителей о приближении к железнодорожному переезду. 1.5. «Пересечение с трамвайной линией». Место пересечения с трамвайной линией вне перекрестка. 1.6. «Пересечение равнозначных дорог». Место пересечения равных по значению дорог. 1.7. «Пересечение с круговым движением». Пересечение дорог с круговым движением. 1.8. «Светофорное регулирование». Перекресток или участок дороги, движение на котором регулируется светофором. 1.9. «Разводной мост». Разводной мост или паромная переправа. 1.10. «Выезд на набережную». Место, где дорога выходит на набережную или берег какого-либо водоема. 1.11.1, 1.11.2. «Опасный поворот». Закругление дороги малого радиуса или с ограниченной видимостью; 1.11.1 - поворот направо, 1.11.2 - поворот налево. 1.12.1, 1.12.2. «Опасные повороты». Участок дороги с опасными поворотами; 1.12.1 - с первым поворотом направо, 1.12.2 - с первым поворотом налево. 1.13. «Крутой спуск». Спуск с уклоном, величина которого указана на знаке. 1.14. «Крутой подъем». Подъем с уклоном, величина которого указана на знаке. 1.15. «Скользкая дорога». Участок дороги с повышенной скользкостью проезжей части. 1.16. «Неровная дорога». Участок дороги, имеющий неровности на проезжей части (волнистость, выбоины, неплавные сопряжения с мостами и т.п.). 1.17. «Выброс гравия». Участок дороги с усовершенствованным покрытием, на котором в период проведения ремонтных работ возможен выброс щебня, гравия и т.п. из-под колес движущихся транспортных средств. 1.18.1 - 1.18.3. «Сужение дороги». Участок дороги, на котором ширина проезжей части уменьшается на одну полосу или более, а также искусственное сооружение (мост, путепровод, тоннель и т.п.), в пределах которого ширина проезжей части равна или меньше, чем на подходах к нему: 1.18.1 - сужение с обеих сторон, 1.18.2 - сужение справа, 1.18.3 - сужение слева. 1.19. «Двустороннее движение». Участок дороги (проезжей части) со встречным движением, которому предшествовал участок дороги (проезжей части) с односторонним движением. 1.20. «Пешеходный переход». Пешеходный переход, обозначенный знаками 5.16.1, 5.16.2 и (или) разметкой 1.14. 1.21. «Дети». Место, где возможно появление детей на проезжей части (близость школьного или иного детского учреждения). 1.22. «Пересечение с велосипедной дорожкой». Место пересечения с велосипедной дорожкой, обозначенной знаком 4.5. 1.23. «Дорожные работы». Место проведения работ на дороге. 1.24. «Перегон скота». Участок дороги, используемый для перегона скота. 1.25. «Дикие животные». Место возможного появления на дороге диких животных. 1.26. «Падение камней». Участок дороги, на котором возможны обвалы, оползни, падение камней. 1.27. «Боковой ветер». Участок дороги, на котором возможен сильный боковой ветер. 1.28. «Низколетящие самолеты». Участок дороги, над которым возможен пролет самолета на небольшой высоте. 1.29. «Тоннель». Тоннель, в котором отсутствует искусственное освещение, или тоннель, видимость въездного портала которого ограничена. 1.30. «Прочие опасности». Участок дороги, на котором имеются опасности, не предусмотренные другими предупреждающими знаками. 1.31.1, 1.31.2. «Направление поворота». Указывает направление движения на закруглении дороги с ограниченной видимостью. 1.31.3. «Направление поворота». Указывает направления движения на Т-образном перекрестке или разветвлении дорог. Знаки приоритета 2.6. Знаки приоритета указывают очередность проезда перекрестков, пересечений отдельных проезжих частей, а также узких участков дорог. 2.7. Знаки приоритета имеют следующие номера, названия и характеристики: 2.1. «Главная дорога». Дорога, по которой предоставлено преимущественное право проезда нерегулируемых перекрестков. 2.2. «Конец главной дороги». Конец главной дороги, обозначенной знаком 2.1. 2.3.1. «Пересечение со второстепенной дорогой». Место пересечения главной дороги с второстепенной. 2.3.2, 2.3.3. «Примыкание второстепенной дороги». Место примыкания к главной дороге второстепенной: 2.3.2 - примыкание справа, 2.3.3 - примыкание слева. 2.4. «Уступите дорогу». Место, где водитель обязан уступить дорогу транспортным средствам, движущимся по пересекаемой дороге, а при наличии таблички 7.13 «Направление главной дороги» - транспортным средствам, движущимся по главной дороге. 2.5. «Движение без остановки запрещено». Запрещается движение без остановки перед стоп-линией, а если ее нет - перед знаком. Водитель обязан уступить дорогу транспортным средствам, движущимся по пересекаемой дороге, а при наличии таблички 7.13 «Направление главной дороги» - транспортным средствам, движущимся по главной дороге. 2.6. «Преимущество встречного движения». Запрещается въезд на узкий участок дороги, если это может затруднить встречное движение. Водители обязаны уступить дорогу встречным транспортным средствам, находящимся на узком участке дороги или на противоположном подъезде к нему. 2.7. «Преимущество перед встречным движением». Узкий участок дороги, при движении по которому водитель пользуется преимуществом по отношению к встречным транспортным средствам. Запрещающие знаки 2.8. Запрещающие знаки вводят или отменяют определенные ограничения движения. 2.9. Запрещающие знаки имеют следующие номера, названия и характеристики: 3.1. «Въезд запрещен». Запрещается въезд всех транспортных средств». 3.2. «Движение запрещено». Запрещается движение всех транспортных средств. 3.3. «Движение механических транспортных средств запрещено». Запрещается движение всех механических транспортных средств за исключением двухколесных мотоциклов без коляски. 3.4. «Движение грузовых автомобилей запрещено». Запрещается движение грузовых автомобилей и составов транспортных средств (грузовых автомобилей с прицепом или полуприцепом) с полной массой более 3,5 т (если на знаке не указана масса) или с полной массой более указанной на знаке, а также тракторов, самоходных машин и механизмов. За полную массу состава транспортных средств следует принимать сумму полной массы грузового автомобиля и полной массы прицепа или полуприцепа. Знак 3.4. не запрещает движение грузовых автомобилей с наклонной белой полосой на бортах или производящих перевозку групп людей, а также грузовых такси. 3.5. «Движение мотоциклов запрещено». Запрещается движение мотоциклов. 3.6. «Движение тракторов запрещено». Запрещается движение тракторов самоходных машин и механизмов. 3.7. «Движение с прицепом запрещено». Запрещается движение грузовых автомобилей и тракторов с прицепами или полуприцепами любого типа, а также всякая буксировка механических транспортных средств. 3.8. «Движение гужевых повозок запрещено». Запрещается движение гужевых повозок (саней), животных под седлом или вьюком, а также прогон скота. 3.9. «Движение на велосипедах запрещено». Запрещено движение на велосипедах. 3.10. «Проход закрыт». Запрещается движение пешеходов. 3.11 «Ограничение массы». Запрещается движение транспортных средств, габаритная высота которых (с грузом или без груза) больше указанной на знаке. 3.12. «Ограничение нагрузки на ось». Запрещается движение транспортных средств, у которых фактическая нагрузка на любую ось больше указанной на знаке. 3.13. «Ограничение высоты». Запрещается движение транспортных средств, габаритная высота которых (с грузом или без груза) больше указанной на знаке. 3.14. «Ограничение ширины». Запрещается движение транспортных средств, габаритная ширина которых (с грузом или без груза) больше указанной на знаке. 3.15. «Ограничение длины». Запрещается движение транспортных средств (составов транспортных средств), габаритная длина которых (с грузом или без груза) больше указанной на знаке. 3.16. «Ограничение минимальной дистанции». Запрещается движение транспортных средств с дистанцией между ними меньше указанной на знаке. 3.17. «Таможня». Запрещается проезд без остановки у таможни (контрольного пункта). 3.18.1. «Поворот направо запрещен». Запрещается поворот направо. 3.18.2. «Поворот налево запрещен». Запрещается поворот налево, разворот не запрещается. 3.19. «Разворот запрещен». Запрещается разворот, поворот налево не запрещается. 3.20. «Обгон запрещен». Запрещается обгонять все транспортные средства, кроме одиночных, движущихся со скоростью менее 30 км/ч, двухколесных мотоциклов без коляски и велосипедов. 3.21. «Конец зоны запрещения обгона». Обозначение конца зоны действия знака 3.20. 3.22. «Обгон грузовым автомобилям запрещен». Запрещается грузовым автомобилям, полная масса которых превышает 3,5 т, обгонять все транспортные средства, кроме одиночных, движущихся со скоростью менее 30 км/ч, двухколесных мотоциклов без коляски и велосипедов. 3.23. «Конец зоны запрещения обгона грузовым автомобилям». Обозначение конца зоны действия знака 3.22. 3.24. «Ограничение максимальной скорости». Запрещается движение со скоростью (км/ч), превышающей указанную на знаке. 3.25. «Конец зоны ограничения максимальной скорости». Обозначение конца зоны действия знака 3.24. 3.26. «Подача звукового сигнала запрещена». Запрещается пользоваться звуковыми сигналами. Как исключение, разрешается подача звукового сигнала для предупреждения дорожно-транспортного происшествия. 3.27. «Остановка запрещена». Запрещается остановка и стоянка транспортных средств. 3.28. «Стоянка запрещена». Запрещается стоянка транспортных средств. 3.29. «Стоянка запрещена по нечетным числам». Запрещается стоянка транспортных средств по нечетным числам месяца. 3.30. «Стоянка запрещена по четным числам». Запрещается стоянка транспортных средств по четным числам месяца. 3.31. «Конец зоны всех ограничений». Обозначение конца зоны действия одновременно нескольких из следующих знаков: 3.16, 3.20, 3.22, 3.24, 3.26 - 3.30. Предписывающие знаки 2.10. Предписывающие знаки вводят или отменяют определенные режимы движения. 2.11. Предписывающие знаки имеют следующие номера, названия и характеристики: 4.1.1. «Движение прямо», 4.1.2 «Движение направо», 4.1.3 «Движение налево», 4.1.4 «Движение прямо или направо», 4.1.5 «Движение прямо или налево», 4.1.6 «Движение направо или налево». Разрешается движение только в направлениях, указанных стрелками. Знаки, разрешающие поворот налево, разрешают и разворот. Могут быть применены знаки 4.1 с конфигурацией стрелок, соответствующей требуемым направлениям движения на конкретном пересечении. Действие знаков 4.1 не распространяется на транспортные средства общего пользования, движущиеся по установленным маршрутам. 4.2.1. «Объезд препятствия справа», 4.2.2 «Объезд препятствия слева», 4.2.3 «Объезд препятствия справа или слева». Объезд препятствия разрешается со стороны (сторон), указанной стрелкой (стрелками). 4.3. «Круговое движение». Разрешается движение только в указанном стрелками направлении. 4.4. «Движение легковых автомобилей». Разрешается движение транспортных средств общего пользования, движущихся по установленным маршрутам легковых автомобилей, мотоциклов и автобусов, а также других транспортных средств, обслуживающих предприятия, находящиеся в обозначенной зоне. 4.5. «Велосипедная дорожка». Разрешается движение только на велосипедах. По велосипедной дорожке могут двигаться также пешеходы (при отсутствии тротуара или пешеходной дорожки). 4.6. «Пешеходная дорожка». Разрешается движение только пешеходам. 4.7. «Ограничение минимальной скорости». Разрешается движение только с указанной или большей скоростью (км/ч). 4.8. «Конец зоны ограничения минимальной скорости». Обозначение конца действия зоны знака 4.7. Информационно-указательные знаки 2.12. Информационно-указательные знаки информируют об особенностях режима движения или о расположении на пути следования населенных пунктов и других объектов. 2.13. Информационно-указательные знаки имеют следующие номера, названия и характеристики: 5.1. «Автомагистраль». Дорога, на которой действуют требования Правил дорожного движения, устанавливающие порядок движения по автомагистрали. 5.2. «Конец автомагистрали». Конец дороги, обозначенной знаком 5.1. 5.3. «Дорога для автомобилей». Дорога, предназначенная для движения только автомобилей, автобусов и мотоциклов. 5.4. «Конец дороги для автомобилей». Конец дороги, обозначенной знаком 5.3. 5.5. «Дорога с односторонним движением». Дорога (проезжая часть), по которой движение транспортных средств по всей ширине осуществляется в одном направлении. 5.6. «Конец дороги с односторонним движением». Конец дороги (проезжей части), обозначенной знаком 5.5. 5.7.1, 5.7.2. «Выезд на дорогу с односторонним движением». Выезд на дорогу с односторонним движением. 5.8.1. «Направления движения по полосам». Количество полос и разрешенные направления движения по каждой полосе. 5.8.2. «Направления движения по полосе». Разрешенные направления движения по полосе. Знаки 5.8.1, 5.8.2, разрешающие поворот налево из крайней левой полосы, разрешают и разворот из этой полосы. 5.8.3. 5.8.4. «Начало полосы». Начало дополнительной полосы на подъеме или полосы торможения - 5.8.3, на трехполосной дороге - начало отрезка средней полосы, предназначенного для движения в данном направлении, - 5.8.4. На знаке 5.8.3, установленном перед дополнительной полосой, может быть изображен знак 4.7 «Ограничение минимальной скорости»; если транспортное средство не может продолжать движение по основной полосе с указанной или большей скоростью, водитель обязан перестроиться вправо на дополнительную полосу. 5.8.5, 5.8.6. «Конец полосы». Конец дополнительной полосы на подъеме или полосы разгона - 5.8.5; на трехполосной дороге - конец отрезка средней полосы, предназначенного для движения в данном направлении, - 5.8.6. 5.8.7, 5.8.8. «Направление движения по полосам». Направление движения по каждой из полос трехполосной дороги. На знаке 5.8.7 может быть изображен знак, запрещающий движение одного из видов транспортных средств; в этом случае по средней полосе запрещается движение соответствующих транспортных средств. 5.9. «Полоса для транспортных средств общего пользования». Полоса, предназначенная для движения только транспортных средств общего пользования (автобусов, троллейбусов, маршрутных такси), движущихся по установленным маршрутам попутно с общими потоками транспортных средств. 5.10.1. «Дорога с полосой для транспортных средств общего пользования». Дорога, по которой движение транспортных средств общего пользования, движущихся по установленным маршрутам, осуществляется по специально выделенной полосе. 5.10.2, 5.10.3. «Выезд на дорогу с полосой для транспортных средств общего пользования». Выезд на дорогу, по которой движение транспортных средств общего пользования, движущихся по установленным маршрутам, осуществляется по специально выделенной полосе навстречу общему потоку транспортных средств. 5.11.1. «Место для разворота». Место для разворота. Поворот налево запрещается. 5.11.2. «Зона для разворота». Зона для разворота и ее протяженность. Поворот налево запрещается. 5.12. «Место остановки автобуса и (или) троллейбуса». 5.14. «Место стоянки легковых такси». 5.15. «Место стоянки». 5.16.1, 5.16.2. «Пешеходный переход». 5.17.1, 5.17.2. «Подземный пешеходный переход». 5.17.3. 5.17.4. «Надземный пешеходный переход». 5.18. «Рекомендуемая скорость». Скорость, с которой рекомендуется движение на данном участке дороги. Зона действия знака распространяется до ближайшего перекрестка, а при применении знака 5.18 совместно с предупреждающим знаком определяется протяженностью опасного участка. 5.19.1 - 5.19.3. «Тупик». Дорога, не имеющая сквозного проезда. 5.20.1, 5.20.2. «Предварительный указатель направлений». Направление движения к обозначенным на знаке населенным пунктам и другим объектам. На знаках могут быть нанесены изображения знака 5.29.1, символы автомагистрали, аэропорта, спортивные пиктограммы. Изображение знака 5.29.1 следует наносить слева от надписей, указывающих направление. На знаке 5.20.1 могут быть нанесены изображения других знаков, информирующих об особенностях движения. В нижней части знака 5.20.1 указывается расстояние от места установки знака до перекрестка или начала полосы замедления. Знак 5.20.1 применяется также для указания объезда участков дорог, на которых установлен один из запрещающих знаков 3.11 - 3.15. 5.20.3. «Схема движения». Маршрут движения при запрещении на перекрестке отдельных маневров или разрешенные направления движения на сложном перекрестке. 5.21.1. «Указатель направления», 5.21.2 «Указатель направлений». Направления движения к пунктам маршрута. На знаках может быть указано расстояние до обозначенных на нем объектов (км), нанесены символы автомагистрали, аэропорта, спортивные пиктограммы. 5.22. «Начало населенного пункта». Наименование и начало населенного пункта, в котором действуют требования Правил дорожного движения, устанавливающие порядок движения в населенных пунктах. 5.23. «Конец населенного пункта». Место, с которого на данной дороге утрачивают силу требования Правил дорожного движения, устанавливающие порядок движения в населенных пунктах. 5.24. «Начало населенного пункта». Наименование и начало населенного пункта, в котором на данной дороге не действуют требования Правил дорожного движения, устанавливающие порядок движения в населенных пунктах. 5.25. «Конец населенного пункта». Конец населенного пункта, обозначенного знаком 5.24. 5.26 «Наименование объекта». Наименование пункта следования иного, чем населенный пункт (река, озеро, перевал, достопримечательность и т. п.). 5.27. «Указатель расстояний». Расстояния до населенных пунктов (км), расположенных на маршруте. 5.28. «Километровый знак». Расстояние до начала или конца дороги (км). 5.29.1, 5.29.2. «Номер маршрута». Номер, присвоенный дороге (маршруту), - 5.29.1 и направление дороги - 5.29.2. 5.30.1 - 5.30.3. «Направление движения для грузовых автомобилей». Рекомендуемое направление движения для транспортных средств, движение которых в одном из возможных направлений запрещено на перекрестке знаком 3.4. 5.31. «Схема объезда». Маршрут объезда участка дороги, временно закрытого для движения. 5.32.1 - 5.32.3. «Направление объезда». Направление объезда участка дороги, временно закрытого для движения. 5.33. «Стоп-линия». Место остановки транспортных средств при запрещающем сигнале светофора. Знаки сервиса 2.14. Знаки сервиса информируют о расположении соответствующих объектов сервиса. 2.15. Знаки сервиса имеют следующие номера и названия: 6.1. «Пункт первой медицинской помощи». 6.2. «Больница». 6.3. «.Автозаправочная станция». 6.4. «Техническое обслуживание автомобилей». 6.5. «Мойка автомобилей». 6.6. «Телефон». 6.7. «Пункт питания». 6.8. «Питьевая вода». 6.9. «Гостиница или мотель». 6.10. «Кемпинг». 6.11. «Место отдыха». 6.12. «Пост ГАИ». Знаки дополнительной информации (таблички) 2.16. Знаки дополнительной информации (таблички) применяют для уточнения или ограничения действия других знаков. 2.17. Знаки дополнительной информации (таблички) имеют следующие номера, названия и характеристики: 7.1.1. «Расстояние до объекта». Указывает расстояние от знака до начала опасного участка, места введения соответствующего ограничения движения или определенного объекта (места), находящегося впереди по ходу движения. 7.1.2. «Расстояние до объекта». Указывает расстояние от знака 2.4 до перекрестка в случае, если непосредственно перед перекрестком установлен знак 2.5. 7.1.3, 7.1.4. «Расстояние до объекта». Указывает расстояние до автомагистрали, дороги для автомобилей или места стоянки. 7.2.1. «Зона действия». Указывает протяженность опасного участка дороги, обозначенного предупреждающими знаками 1.11 - 1.17, 1.21, 1.23, 1.25 - 1.30, зону действия знаков 3.16, 3.20, 3.22, 3.24, 3.26, зону стоянки с указанием способа постановки транспортных средств на стоянку или зону действия информационно-указательного знака 5.18. 7.2.2 - 7.2.4 «Зона действия»; 7.2.2 - указывает зону действия запрещающих знаков 3.27 - 3.30, 7.2.3 - указывает конец зоны действия знаков 3.27 - 3.30, 7.2.4 - информирует водителей о нахождении их в зоне действия знаков 3.27 - 3.30. 7.3.1 - 7.3.3. «Направления действия». Указывают направления действия запрещающих знаков 3.2 - 3.9, предписывающего знака 4.4 и информационно-указательного знака 5.3, установленных перед перекрестком. 7.4.1 - 7.4.7. «Вид транспортного средства». Указывает вид транспортного средства, на который распространяется действие знака. Табличка 7.4.1 распространяет действие знака, с которым она применена, на грузовые автомобили с полной массой более 3,5 т, а табличка 7.4.3 - на грузовые автомобили с полной массой менее или равной 3,5 т. 7.5.1. «Субботние, воскресные и праздничные дни», 7.5.2 «Рабочие дни», 7.5.3 «Дни недели». Указывают дни недели, в течение которых действует знак. 7.5.5 - 7.5.7. «Время действия». Указывают дни недели и время суток, в течение которых действует знак. 7.6.1 - 7.6.5. «Способ постановки транспортного средства на стоянку». Указывают способ постановки легковых автомобилей и мотоциклов на околотротуарной стоянке, обозначенной знаком 5.15. 7.7. «Стоянка с неработающим двигателем». Указывает, что на стоянке, обозначенной знаком 5.15, разрешается стоянка транспортных средств только с неработающим двигателем. 7.8. «Платная стоянка». Указывает, что на стоянке, обозначенной знаком 5.15, взимается плата за стоянку. 7.9. «Ограничение продолжительности стоянки». Указывает максимальную продолжительность пребывания автомобиля на стоянке, обозначенной знаком 5.15. 7.10. «Место для осмотра автомобилей». Указывает, что на площадке, обозначенной знаком 5.15 или 6.11, имеется эстакада или осмотровая канава. 7.11. «Ограничение полной массы». Указывает, что действие знака распространяется только на транспортные средства с полной массой, более указанной на табличке. 7.12. «Опасная обочина». Предупреждает, что съезд на обочину опасен в связи с проведением на ней ремонтных работ. Знак применяют со знаком 1.23. 7.13. «Направление главной дороги». Указывает направление главной дороги на перекрестке. 7.14. «Полоса движения». Указывает полосу движения, на которую распространяется действие знака. 7.15. «Слепые пешеходы». Указывает, что пешеходным переходом пользуются слепые. Знак применяют со знаками 1.20, 5.16.1, 5.16.2, а также транспортными светофорами. 3. ОБЩИЕ ТРЕБОВАНИЯ ПО УСТАНОВКЕ ДОРОЖНЫХ ЗНАКОВ3.1. Дорожные знаки должны устанавливаться в соответствии с требованиями ГОСТ 23457-79 и настоящих Указаний. 3.2. Виды знаков, их количество, место установки определяются дислокацией, утвержденной соответствующей Государственной автомобильной инспекцией. Установка дорожных знаков, а также их снятие на конкретных участках дорог производится по разрешению Государственной автомобильной инспекции края, области, автономной республики. 3.3. Установка каждого знака и, прежде всего знаков, вводящих различные ограничения, должна быть обоснована. Общее количество знаков на участке дороги должно быть по возможности минимальным. В первую очередь следует обратить внимание на возможность устранения причины установки знаков, предупреждающих об опасностях или вводящих какие-либо ограничения. Знаки кратковременного или сезонного действия устанавливают только на тот период, когда они необходимы, и немедленно снимают после устранения причины установки знака. 3.4. Знаки следует устанавливать изображением навстречу движению. Действие знака распространяется на проезжую часть, у которой или над которой он установлен. При установке знаков необходимо тщательно учитывать местные условия, оценивая возможную видимость в светлое и темное время суток, удобство содержания дороги и знаков, а также возможности предотвращения случайных и преднамеренных повреждений знаков. 3.5. Знаки должны быть установлены таким образом, чтобы их видимость в светлое время суток составляла не менее 150 м. Желательно, чтобы знак был виден водителю на расстоянии (м), равном или большем удвоенному значению скорости движения (км/ч) на данном участке. Для строящихся дорог следует принимать в расчет скорость, соответствующую 70 % расчетной скорости, а для эксплуатируемых дорог - скорость, которую на данном участке не превышает 85 % транспортных средств. 3.6. Знаки со световозвращающей поверхностью следует применять на участках дорог без стационарного освещения, знаки с внутренним и внешним освещением - на участках дорог со стационарным освещением. Знаки со световозвращающей поверхностью допускается применять на участках дорог со стационарным освещением при расположении светильников на растяжках, а также при расположении осветительных опор с одной стороны дороги или на разделительной полосе, однако при этом для одного направления движения следует устанавливать только знаки с внутренним или внешним освещением или только знаки со световозвращающей поверхностью. 3.7. Работники дорожной службы и СМЭП должны проводить регулярную проверку видимости знаков из движущегося автомобиля, сравнивая полученные значения расстояний видимости с рекомендуемыми. 3.8. Знаки следует удалять от деревьев и кустарников, листва и ветви которых могут загораживать или затенять лицевую сторону знаков. Если деревья и кустарники ограничивают видимость знаков, то организация, в ведении которой находятся эти насаждения, должна своевременно подрезать ветви. 3.9. Знаки должны быть установлены таким образом, чтобы водители могли легко их обнаруживать среди других элементов дорожной обстановки в любое время суток. Источники света светильников наружного освещения и огни рекламы не должны создавать помех чтению знаков. Предпочтительно располагать знаки с белым полем таким образом, чтобы они были видны водителям на темном однородном фоне деревьев и кустарников. Знаки с голубым полем лучше видны водителям на фоне светлых участков неба, далеких полей, снежного покрова. На участках, где элементы придорожной полосы имеют пеструю неоднородную окраску, можно для знаков с белым полем создавать искусственный темный фон групповой посадкой деревьев (рис. 3.1, а) или установкой сплошных щитов, окрашенных в темный цвет (рис. 3.1, б), на которых закрепляются стандартные знаки. В отдельных случаях на участках с неудовлетворительной видимостью можно увеличивать размер знака (на участках производства дорожных работ, при сложной геометрии трассы и т.п.). 3.10. В одном поперечном сечении дороги допускается установка не более трех знаков без учета дублирующих и знаков дополнительной информации (табличек). При этом их необходимо размещать: на опорах, колонках и столбах (мачтах) по горизонтали (что является предпочтительным) или по вертикали; на тросах-растяжках, рамах и кронштейнах, расположенных над проезжей частью - по горизонтали на одном уровне. 3.11. При установке двух или более одинаковых знаков для определения их взаимного расположения (рис. 3.2) в Указаниях применяются следующие понятия: Рис. 3.1. Экранирование фона за знаком: а - устройство экрана из кустарника; б - применение сплошных темных щитов дублирование знака - установка знака, одноименного с основным, слева от дороги, на разделительной полосе (островке) или над проезжей частью; повторение знака - установка знака, одноименного с основным, на некотором расстоянии за ним по ходу движения; предварительная установка знака - установка знака, одноименного с основным, на некотором расстоянии до него. Предварительные знаки устанавливаются с табличкой 7.1.1 за исключением знаков 5.8.1, 5.8.2, 5.20.3, 5.30.1 - 5.31 и знаков сервиса. При этом под основным знаком подразумевается знак, необходимость установки которого в соответствии с требованиями ГОСТ 23157-79 определяется в первую очередь. 3.12. Знаки, установленные на дороге последовательно, за исключением знаков, установленных на перекрестке, должны быть расположены вне населенных пунктов на расстоянии не менее 50 м, а в населенных пунктах - не менее 25 м друг от друга. 3.13. На дорогах вне населенных пунктов опоры знаков следует устанавливать за пределами обочин на бермах, присыпанных к обочине (рис. 3.3, а), откосах насыпи (рис. 3.3, б), на полосе отвода за боковой канавой (рис. 3.3, в) или над обочинами (рис. 3.3, е). 3.14. Расстояние от кромки проезжей части, а при наличии обочины - от бровки земляного полотна до ближайшего к ней края знака, установленного сбоку от проезжей части, должно составлять от 0,5 до 2 м, а до края знаков предварительного указания направлений от 0,5 до 5 м. Рис. 3.2. Варианты взаимного расположения одинаковых знаков Рис. 3.3. Способы установки знаков на дорогах вне населенных пунктов 3.15. На горных дорогах допускается установка опор на обочинах. В стесненных условиях (у обрывов, выступов скал, парапетов и т.п.) допускается установка опор знаков на обочинах при условии, что расстояние между кромкой проезжей части и ближайшим к ней краем знака составляет не менее 1 м (рис. 3.3, г). Опоры рекомендуется устанавливать за парапетом со стороны откоса, встраивать в блоки парапета или устанавливать между отдельными блоками парапета. На участках, где установлены балочные или тросовые ограждения, рекомендуется располагать опоры знаков за ограждениями со стороны откоса, ближе к опорам ограждений или закреплять непосредственно на опорах ограждений. 3.16. Разрешается установка знаков на разделительной полосе для дублирования знаков, расположенных с правой стороны дороги или над проезжей частью. При отсутствии ограждений знаки, расположенные на обочине или разделительной полосе, должны быть установлены на ударобезопасных опорах (опоры должны срезаться или ломаться при наезде автомобиля, не нанося ему существенных повреждений). Верхний обрез фундамента опоры знака должен быть выполнен заподлицо с поверхностью обочины, разделительной полосы или присыпной бермы. 3.17. На разделительной полосе вогнутого профиля следует устанавливать опоры ближе к проезжей части того направления движения, для которого предназначен знак. Ближний к проезжей части край знака должен находиться на расстоянии 2 м от кромки проезжей части. Если на разделительной полосе установлены ограждения, то опоры знаков следует располагать ближе к опорам ограждений. Край знака не должен выступать за линию ограждения (рис. 3.3, д). 3.18. Знаки предварительного указания направлений и указатели расстояний следует устанавливать на опорах, расположенных на присыпанных к обочине бермах (рис. 3.4, а), откосах насыпей и выемок (рис. 3.4, б) или на полосе отвода за боковой канавой (рис. 3.4, в). На участках, где установлены ограждения, опоры знаков следует располагать ближе к опорам ограждений так, чтобы расстояние между краем знака и опорой было не менее 0,75 м (рис. 3.4, г). 3.19. Предварительные указатели направлений рекомендуется закреплять на наклонных опорах, установленных рядом с земляным полотном дороги (рис. 3.4, д) или на откосах выемок (рис. 3.4, е). Такая конструкция опор позволяет располагать край знака на расстоянии 0,5 - 1 м от бровки земляного полотна, не устанавливая ограждения. В трудных условиях (при большой высоте насыпи или при установке опор на откосе раскрытой выемки) можно увеличивать это расстояние до 5 м. Рис. 3.4. Способы установки предварительных указателей направлений 3.20. На участках, где опоры невозможно установить на откосе насыпи или рядом с земляным полотном (на высоких насыпях с крутыми откосами, у водотоков, болот, железнодорожных линий, вблизи застройки и т.п.), щиты знаков рекомендуется размещать над обочинами или проезжей частью на Г-образных опорах (рис. 3.4, ж). 3.21. На дорогах I - II категории знаки можно устанавливать над проезжей частью на П-образных опорах, тросах-растяжках. Опоры несущих конструкций должны располагаться на берме на расстоянии не менее 0,5 м от бровки дороги или края разделительной полосы (рис. 3.4, з, и). 3.22. Знаки, расположенные с правой стороны по ходу движения, устанавливают, как правило, на присыпных бермах. Размер берм для установки дорожных знаков зависит от числа стоек. Бермы устраивают с таким расчетом, чтобы расстояние от стоек знаков до краев бермы было не менее 0,75 м (рис. 3.5). 3.23. Допускается установка знаков на пролетных строениях путепроводов и порталах тоннелей. Прежде всего, следует использовать эту возможность для установки информационно-указательных знаков. 3.24. В населенных пунктах знаки следует устанавливать на индивидуальных опорах (рис. 3.6, а), на одной колонке со светофором (рис. 3.6, б), на кронштейнах, прикрепленных к осветительным мачтам, опорам контактной сети трамваев и троллейбусов (рис. 3.6, а, г) или стенам зданий (рис. 3.6, д), на тросах-растяжках, прикрепленных к зданиям (рис. 3.6, е), натянутых между зданием и специальной опорой или между осветительными мачтами (рис. 36, ж). Допускается установка знаков над сигнальными тумбами с искусственным освещением (рис. 3.6, з). 3.25. Расстояние от нижнего края знака (без учета таблички) до поверхности дорожного покрытия (высота установки) должна составлять: от 1,5 до 2 м - при установке сбоку от дороги вне населенных пунктов, от 2 до 4 м - в населенных пунктах; от 5 до 6 м - при размещении над проезжей частью или обочиной, при размещении знаков на пролетных строениях искусственных сооружений и расстоянии от поверхности дорожного покрытия до низа пролетного строения сооружения менее 5 м знаки не должны выступать за их нижний край;
Рис. 3.5. Устройство берм для установки знаков: а - на одной стойке; б - на двух стойках не менее 0,6 м - при установке на островке безопасности и на проезжей части дороги; Высота установки знаков, расположенных сбоку от дороги, определяется от поверхности дорожного покрытия на краю проезжей части. Для удобства содержания знаки, установленные сбоку от дороги, вне населенных пунктов рекомендуется размещать на минимально допустимой высоте. 3.26. Знаки должны быть удалены от проводов осветительной сети не менее чем на 1 м, а от проводов сети высокого напряжения не менее чем на 2,5 м (рис. 36, е). В пределах охранной зоны высоковольтных линий подвеска знаков на тросах-растяжках запрещается. 3.27. Знаки, кроме специально оговоренных случаев, устанавливают с правой стороны дороги. Знаки, расположенные справа по ходу движения, следует повторять на той же стороне дороги, дублировать на левой стороне дороги, разделительной полосе или над проезжей частью, если условия движения таковы, что расположенный справа знак не может быть своевременно замечен водителем из-за плохой видимости или загораживания знаков крупногабаритными транспортными средствами, движущимися по правым полосам проезжей части. Рис. 3.6. Способы установки знаков в населенных пунктах Таблица 3.1
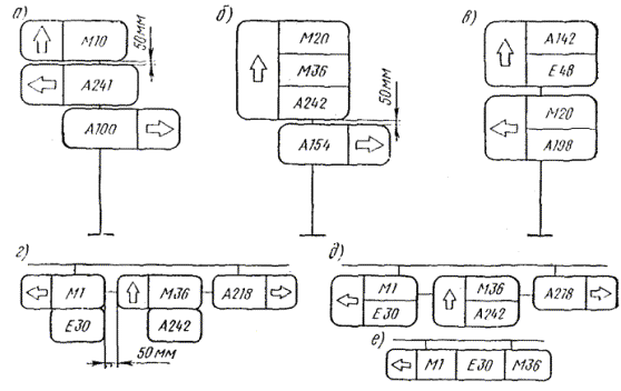
3.28. Дублирующие и повторные знаки (в первую очередь знаки, предупреждающие об опасности или вводящие определенный режим движения и устанавливающие ограничения для проезда) рекомендуется устанавливать при интенсивности движения, указанной в табл. 3.1. 3.29. Знаки размещаются над обочиной (или проезжей частью) в следующих случаях: а) на участках, где невозможно боковое размещение знака; б) когда это единственный способ, обеспечивающий хорошую видимость знака; в) при необходимости регулирования движения по отдельным полосам; г) при интенсивном движении крупногабаритных транспортных средств (см. табл. 3.1). 3.30. Типоразмеры знаков в зависимости от условий применения должны выбираться в соответствии с табл. 3.2. 3.31. В зависимости от взаимного расположения знаков на одной опоре очередность их расположения определяется в соответствии с рис. 3.7. Предпочтительно располагать знаки по горизонтали. Таблица 3.2
Очередность размещения знаков разных групп на одной опоре должна быть следующей: знаки приоритета; предупреждающие знаки; предписывающие знаки; запрещающие знаки; информационно-указательные знаки; знаки сервиса. При размещении на одной опоре знаков одной группы очередность их расположения определяется номером знака в группе. Исключение. Если при выезде на дорогу с односторонним движением устанавливается несколько знаков, то знаки 5.7.1 и 5.7.2 располагаются над другими знаками (рис. 3.8). 3.32. Расстояние между соседними знаками, размещенными на одной опоре, за исключением знаков, выполненных в одном корпусе, должно быть ранним 50 мм. 3.33. Стойки дорожных знаков могут быть изготовлены из различных материалов, обеспечивающих достаточную устойчивость под действием расчетной ветровой нагрузки, при мойке знаков ручным и механизированным способом, а также исключающих возможность преднамеренного повреждения стоек отдельными лицами. Для этой цели могут быть использованы стойки из дерева, железобетона, отходы металлических труб, асбестоцементные трубы и другие материалы. Рекомендуется, чтобы по всей длине дороги стойки выполнялись из однородного материала и имели одинаковую форму. Сгонки из дерева должны соответствовать требованиям ГОСТ 25458-82, а из предварительно напряженного железобетона - ГОСТ 25459-82. 3.34. Расчетная ветровая нагрузка, по которой могут быть определены минимальные размеры стоек знаков F = qcнА, где qcн - расчетный скоростной напор ветра, принимаемый в соответствии с рекомендациями действующих строительных норм и правил; А - сумма площадей знаков, устанавливаемых на стойке, и площади проекции стойки в направлении действия ветра. Для исключения преднамеренного повреждения стоек знаков, при выборе их сечений расчетный изгибающий момент должен приниматься не менее 50 кгс. 3.35. Длина стоек дорожных знаков определяется из условия, что высота нижнего края знака над поверхностью проезжей части должна составлять не менее 1,5 - 2 м плюс величина заглубления стойки в грунт. При этом верхний край знака должен возвышаться над верхним концом стойки на 0,15 м. Стойки знаков вкапывают в грунт на глубину не менее 1,2 м. При заглублении стойки в грунт менее чем на 1,2 м для обеспечения большей устойчивости вокруг нее устраивают кольцо из монолитного бетона или сборных элементов. Под стойкой устраивают основание из бетона марки 100. В пучинистых грунтах стойки нужно вкапывать на глубину промерзания. Таблица 3.3
3.36. Геометрические параметры стоек, кроме стоек для знаков индивидуального проектирования, в зависимости от типоразмеров знаков по ГОСТ 10807-78 приведены в табл. 3.3. 3.37. Детали крепления знаков к стойкам и другим опорам, как и обратную сторону знака, нужно окрашивать в серый цвет. Элементы крепления, как правило, не должны выходить на лицевую сторону дорожного знака. В противном случае с лицевой стороны их окрашивают под цвет изображения знака. 3.38. Опоры, предназначенные для установки знаков сбоку от дороги вне населенных пунктов, следует окрашивать в черный цвет на высоту 500 мм от поверхности земли, остальную часть опоры окрашивать в белый цвет. Опоры, предназначенные для установки знаков сбоку от дороги в населенных пунктах, опоры, предназначенные для установки знаков над проезжей частью независимо от места их установки, а также кронштейны и консоли, предназначенные для установки знаков на стенах зданий, мачтах освещения и т.п., следует окрашивать в серый цвет. 4. ПРИМЕНЕНИЕ ПРЕДУПРЕЖДАЮЩИХ ЗНАКОВ4.1. Предупреждающие знаки предназначены для заблаговременного информирования участников движения о характере опасности, месте расположения опасного участка дороги и необходимости принятия мер предосторожности, соответствующих обстановке. Принимая решение об установке предупреждающих знаков, необходимо учитывать, что они несут информацию, которая имеет наибольшую ценность для водителей, не знакомых с данной дорогой. Для таких водителей значение предупреждающих знаков особенно велико в темное время суток и в условиях недостаточной видимости, когда знак становится практически единственным признаком, свидетельствующим о приближении к опасному участку дороги. 4.2. Предупреждающие знаки, кроме знаков 1.3.1 - 1.4.6, 1.31.1 - 1.31.3, устанавливают вне населенных пунктов на расстоянии 150 - 300 м от начала опасного участка дороги, а в населенных пунктах на расстоянии 50 - 100 м. При выборе места установки знака следует учитывать условия его видимости, расчетную скорость на подходах к участку, расположение других знаков. При необходимости предупреждающие знаки можно устанавливать на ином расстоянии; в этом случае они должны быть дополнены табличкой 7.1.1 «Расстояние до объекта». Если между предупреждающим знаком и началом опасного участка имеется перекресток, то за этим перекрестком рекомендуется устанавливать повторный предупреждающий знак с табличкой 7.1.1. 4.3. Для указания длины опасного участка с предупреждающими знаками 1.12.1 - 1.17, 1.21 - 1.26 рекомендуется применять табличку 7.2.1 «Зона действия». Если на участке дороги необходимо установить запрещающие знаки 3.20, 3.22, 3.24, их следует размещать на одной стойке под предупреждающим знаком, особенно в тех случаях, когда необходимость установки запрещающего знака вызвана той же опасностью, о которой информирует предупреждающий знак. 4.4. Вне населенных пунктов на дорогах всех категорий следует устанавливать повторные предупреждающие знаки 1.1, 1.2, 1.9, 1.10, 1.21 и 1.23. Второй по ходу движения знак устанавливают не менее чем за 50 м от опасного участка. 4.5. Знаки, предупреждающие об опасности, носящей временный характер, например 1.15 - 1.19, 1.23, должны сниматься сразу же после устранения опасности. 4.6. Для ряда предупреждающих знаков в качестве критерия необходимости их применения используется расстояние видимости того или иного объекта (перекрестка, светофора, пешеходного перехода и т.п.), которое может быть ограничено переломом продольного профиля дороги или каким-либо препятствием, например, зелеными насаждениями, строениями, откосами дороги. Расстояние видимости в этих случаях оценивается в светлое время в условиях нормальной видимости (отсутствие тумана, дождя, снега). 4.7. Условия применения отдельных предупреждающих знаков рассмотрены в следующих пунктах: знаки 1.1 «Железнодорожный переезд с шлагбаумом» и 1.2. «Железнодорожный переезд без шлагбаума» - раздел 16; знак 1.6 «Пересечение равнозначных дорог» - п. 13.20; знак 1.9 «Разводной мост» - пп. 17.8 - 17.11; знаки 1.11.1 и 1.11.2 «Опасный поворот», «Опасные повороты» - 15.1 - 15.2; знаки 1.13 «Крутой спуск» и 1.14 «Крутой подъем» - пп. 15.13 - 15.18; знаки 1.18.1 - 1.18.3 «Сужение дороги» - разделы 17 и 18; знак 1.23 «Дорожные работы» - раздел 17. 4.8. Знак 1.5 «Пересечение с трамвайной линией» устанавливают перед пересечением дороги (проезжей части) с трамвайной линией вне перекрестка, т.е. перед пересечением проезжей части с трамвайной линией, проложенной по самостоятельному полотну, разворотным кольцом, а также местом перехода трамвайной линии с середины дороги на ее край. 4.9. Знак 1.7 «Пересечение с круговым движением» вне населенных пунктов устанавливают перед каждым перекрестком, на котором установлены знаки 4.3. В населенных пунктах знак 1.7 устанавливают перед перекрестком с круговым движением, расстояние видимости которого менее 50 м. Под видимостью пересечения следует понимать видимость центрального островка (приподнятого или размеченного), а также предписывающего знака 4.3, установленного непосредственно перед перекрестком. В населенных пунктах знак 1.7 устанавливается только на подъездах к пересечению, с которых ограничена его видимость. 4.10. Знак 1.8 «Светофорное регулирование» устанавливают перед перекрестком или участком дороги (пешеходным переходом, тоннелем, узким участком), движение на котором регулируется светофором, если расстояние видимости светофора менее 150 м (имеется в виду видимость работающего светофора). В населенных пунктах такой знак устанавливают перед первым после въезда в населенный пункт регулируемым перекрестком или пешеходным переходом. Кроме того, знак 1.8 целесообразно устанавливать перед всеми расположенными вне населенного пункта перекрестками, пешеходными переходами и участками дорог, где движение регулируют с помощью светофора, независимо от расстояния видимости светофора. 4.11. Знак 1.10 «Выезд на набережную» предупреждает водителей об опасности, связанной с возможным съездом или опрокидыванием в водоем (море, озеро, реку, канал, пруд). Знак устанавливают со стороны въезда на набережную или берег независимо от наличия ограждения. 4.12. Знак 1.15 «Скользкая дорога» устанавливают перед участками с повышенной скользкостью проезжей части, на которой коэффициент сцепления шин с покрытием во влажном состоянии меньше 0,3, в местах с частым гололедом, на участках выноса глины и грязи с примыкающих дорог. Знак можно устанавливать также и на тех участках, где скользкость вызвана листопадом. 4.13. Знак 1.16 «Неровная дорога» устанавливают перед участками дорог, имеющими повреждения покрытия, у мостов, имеющих неплавное сопряжение с земляным полотном дороги, перед участками, где на проезжей части имеются выбоины, наплывы, волнистость, если коэффициент безопасности и на данном участке менее 0,6. 4.14. Знак 1.17 «Выброс гравия» устанавливают перед участками дорог (с усовершенствованным покрытием), на которых (в период проведения ремонтных работ) возможен выброс гравия и щебня из-под колес транспортных средств. 4.15. Знак 1.19 «Двустороннее движение» устанавливают перед участком дороги (проезжей части) с двусторонним движением, если ему предшествует участок с односторонним движением. Знак 1.19 должен применяться независимо от применения знака 5.6. Знак 1.19 не должен применяться, если дорога обозначенная знаком 5.5, заканчивается на Т-образном перекрестке, перекрестке с круговым движением или площади. 4.16. Знак 1.20 «Пешеходный переход» устанавливают вне населенных пунктов перед всеми пешеходными переходами, обозначенными знаками 5.16.1, 5.16.2. В населенных пунктах знак 1.20 устанавливают перед переходами, расстояние видимости которых менее 100 м. Под видимостью пешеходного перехода следует понимать видимость знаков 5.16. Знак 1.20 можно не устанавливать перед пешеходными переходами на перекрестках. 4.17. Знак 1.21 «Дети» устанавливают перед участками дорог, вблизи которых расположены детские учреждения (школы, детские сады, пионерские лагеря, училища и т.д.). При сезонном характере работы детских учреждений, в период, когда учреждение не работает, знак 1.21 должен сниматься или закрываться чехлом. Если водители не имеют возможности определить протяженность опасной зоны, знаки 1.21 следует применять с табличкой 7.2.1. 4.18. Знак 1.22 «Пересечение с велосипедной дорожкой» устанавливают перед местом пересечения велосипедной дорожки, обозначенной знаком 1.5, с дорогой, если оно расположено вне перекрестка. 4.19. Знак 1.21 «Перегон скота» устанавливают перед участками дорог, проходящими вдоль неогражденных пастбищ, скотных дворов, животноводческих ферм, где возможно появление животных на проезжей части дороги. 4.20. Знак l.25 «Дикие животные» должен быть установлен перед проходящими по территории заповедников, охотничьих хозяйств, лесных массивов, участками дорог, если на них возможно появление диких животных. Знак 1.25, установленный в начале большого по протяженности участка дороги, целесообразно повторять через 2 км. При наличии ограждения, препятствующего проникновению животных на дорогу, знак 1.25 не устанавливают. 4.21. Знак 1.26 «Падение камней» устанавливают на горных дорогах, где с нагорной стороны косогора происходит регулярное осыпание камней, которое невозможно устранить полностью. Знак устанавливается также на лавиноопасных участках и на участках дорог, подверженных оползням. 4.22. Знак 1.27 «Боковой ветер» устанавливают перед открытыми участками дороги, где часто наблюдаются сильные боковые ветры (перед мостами, эстакадами, при выходе дороги из леса, ущелья, тоннеля и других защищенных от ветра мест). 4.23. Знак 1.28 «Низколетающие самолеты» должен быть установлен перед участками дорог, проходящими вблизи аэропортов, где возможно внезапное появление низколетящих самолетов или вертолетов, сопровождающееся сильным шумовым эффектом. 4.24. Знак 1.30 «Прочие опасности» устанавливают перед опасными участками дорог, когда информацию о виде опасности невозможно передать с помощью других предупреждающих знаков. 4.25. Знаки 1.31.1 и 1.31.2 «Направление поворота» применяют для указания направления поворота на закруглениях малого радиуса с ограниченной видимостью, когда при приближении к закруглению определение направления поворота затруднено. Знаки устанавливаются с внешней стороны закругления на продолжении оси полосы (полос), по которой осуществляется движение в сторону закругления (рис. 4.1, а). Знак 1.31.1 при отсутствии стационарного освещения может быть размещен на центральном островке перекрестка с круговым движением напротив соответствующего въезда (рис. 4.1, б). Рис. 4.1. Примеры применения знаков 1.31.1 - 1.31.3: а - на закругление малого радиуса; б - на пересечении с круговым движением; в - на Т-образном пересечении; г - на Т-образном пересечении, если движение разрешено только в одном направлении; д - установка нескольких знаков 1.31.1 на протяжении одного закругления; е - на серпантине горной дороги; ж - в месте производства работ на проезжей части 4.26. Знак 1.31.3 «Направление поворота» устанавливают на Т-образных перекрестках и разветвлениях дорог, если имеется опасность их проезда в прямом направлении. На Т-образном перекрестке знак 1.31.3 устанавливается напротив проезда, не имеющего продолжения (рис. 4.1, а), а на разветвлениях дорог - непосредственно за местом, где разветвляются проезжие части дорог. Знаки 1.31.1 - 1.31.3 устанавливают на высоте от 1 до 1,5 м. 4.27. Знаки 1.31.1 - 1.31.3 «Направление поворота» в отличие от остальных предупреждающих знаков устанавливают не перед, а за опасным участком дороги, фиксируя таким образом место опасного поворота, что особенно важно для водителей в темное время суток. На Т-образных пересечениях и разветвлениях дорог, где движение разрешено только в одном направлении из двух возможных, должны устанавливаться знаки 1.31.1 или 1.31.2, направление стрелок на которых должно соответствовать разрешенному направлению движения (рис. 4.1, г). На протяжении одного закругления, например съезда на развязке в разных уровнях, могут быть установлены несколько знаков 1.31.1 или 1.31.2, которые в этом случае могут размещаться на ограждающих барьерах или заменять их (рис. 4.1, ж). Знаки 1.31 целесообразно применять также в местах производства ремонтных работ для дополнительного указания разрешенного направления объезда огороженного участка проезжей части. Знаки 1.31 в этом случае могут размещаться на ограждающих барьерах или заменят их (рис. 4.1, е). Знаки 1.31.1 и 1.31.2 необходимо устанавливать так, чтобы они были видны только водителям соответствующих направлений движения. На серпантинах горных дорог с этой целью допускается смещать знаки в сторону от продолжения оси полосы, используя для маскировки знаков от водителей противоположного направления разницу в уровнях дороги на подходах к серпантину, растительность, выступы скал, крупные камни и т.п. (рис. 4.1, е). 5. ПРИМЕНЕНИЕ ЗНАКОВ ПРИОРИТЕТА5.1. Знаки приоритета предназначены для указания очередности проезда перекрестков, пересечений отдельных проезжих частей, а также узких участков дорог. 5.2. Знак 2.1 «Главная дорога» следует применять для обозначения дороги с преимущественным правом проезда нерегулируемых перекрестков; его устанавливают в начале дороги. Дорога с покрытием по отношению к дороге без покрытия является главной в соответствии с Правилами дорожного движения (п. 15.1). Знак 2.1 в этом случае не устанавливают. Знак 2.1 допускается повторять перед перекрестками. В тех случаях, когда вне населенных пунктов пересечения со второстепенными дорогами удалены друг от друга на расстояние менее 150 м, целесообразно в начале такого участка, а при необходимости и перед каждым пересечением, начиная со второго по ходу движения, установить знак 2.1. Перед перекрестками, на которых главная дорога изменяет направление, а также перекрестками со сложной планировкой знак 2.1 следует устанавливать с табличкой 7.13 на расстоянии, принятом для установки предупреждающих знаков. 5.3. На протяжении главной дороги перед всеми перекрестками, где она изменяет свое направление, на расстоянии, принятом для установки предупреждающих знаков, должен устанавливаться знак 2.1 с табличкой 7.13 (рис. 5.1). Кроме того, знак 2.1 целесообразно повторять перед крупными населенными пунктами, где дорога является одной из важнейших его магистралей, и на выезде из таких населенных пунктов. В населенных пунктах знак 2.1 целесообразно повторять перед наиболее важными перекрестками. 5.4. На дорогах, обозначенных знаком 2.1, необходимо информировать водителей, въехавших на главную дорогу с боковых направлений, о введенном приоритете проезда перекрестков. Для этого вне населенных пунктов знаки 2.3.1 - 2.3.3 необходимо устанавливать перед всеми пересечениями (примыканиями) с дорогами, имеющими покрытие, и наиболее деятельными пересечениями с дорогами без покрытия. Эти знаки, кроме того, что предоставляют приоритет в проезде перекрестка, перед которым они установлены, еще и предупреждают о приближении к перекрестку. Такое предупреждение в ряде случаев может оказаться своевременным, поскольку перекресток представляет собой место сосредоточения сразу нескольких опасностей. К перекресткам тяготеют пешеходы, переходящие проезжую часть, остановки маршрутных транспортных средств, на перекрестке может оказаться стоящее транспортное средство (например, ожидающее возможности повернуть налево), проезжая часть вблизи перекрестка при дожде может быть скользкой из-за грязи, занесенной с второстепенной дороги без покрытия, и т.п. В населенных пунктах знаки 2.3.1 - 2.3.3 целесообразно устанавливать прежде всего перед перекрестками, расстояние видимости которых менее 50 м. Рис. 5.1. Установка знаков приоритета в местах изменения направления главной дороги Вне населенных пунктов знаки 2.3.1 - 2.3.3 следует устанавливать на расстоянии от 150 до 300 м, а в населенных пунктах - от 50 до 100 м от перекрестка. При необходимости знаки 2.3.1 - 2.3.3 допускается устанавливать на ином расстоянии, указываемом в этом случае на табличке 7.1.1. 5.5. Знак 2.4 «Уступите дорогу» следует применять для указания того, что водитель должен уступить дорогу транспортным средствам, движущимся по пересекаемой дороге. Знак 2.4 следует устанавливать непосредственно перед пересечением с дорогой, по которой знаками 2.1 или 2.3.1 - 2.3.3 предоставлено преимущественное право проезда данного перекрестка, а также перед въездами на дорогу, обозначенную знаком 5.1 «Автомагистраль». Если дорога, на которой транспортные средства пользуются преимущественным правом проезда пересечений, в местах въезда на нее, имеет полосу разгона, знак 2.4 следует устанавливать перед началом этой полосы. Знак 2.4 с табличкой 7.1.1 или 7.1.2 на дорогах вне населенных пунктов за исключением дорог без покрытия следует устанавливать предварительно, как правило, на расстоянии от 150 до 300 м от перекрестка, если перед перекрестком установлен соответственно знак 2.4 или 2.5. 5.6. Знак 2.5 «Движение без остановки запрещено» следует применять для указания того, что водитель должен остановиться и уступить дорогу транспортным средствам, движущимся по пересекаемой дороге. Знак 2.5 следует устанавливать в местах, где в соответствии с п. 5.5 настоящих Правил должен быть установлен или допускается установка знака 2.4, но в отличие от этих условий не обеспечена видимость транспортных средств, приближающихся по пересекаемой дороге. Знак 2.5 требует остановки у стоп-линии независимо от наличия транспортных средств на пересекаемой дороге, а в случае ее отсутствия - у самого знака. Знак 2.5 следует устанавливать в том месте, с которого для водителя, остановившего транспортное средство, обеспечена видимость пересекаемой дороги. При установке знаков 2.4 и 2.5 в местах, где выезд на пересекаемую проезжую часть осуществляется под острым углом, например, на съездах развязок в разных уровнях и перекрестках с закруглениями, необходимо принимать меры, чтобы знаки были видны только водителям, для которых они предназначены. С этой целью знаки целесообразно устанавливать на некотором расстоянии от пересекаемой проезжей части, но не далее 20 м (рис. 5.2, а, б). Однако такое размещение знака 2.5 возможно только в случае, если непосредственно перед пересекаемой проезжей частью нанесена стоп-линия. В противном случае водители обязаны остановиться перед знаком (п. 15.7 Правил дорожного движения). Рис. 5.2. Установка знаков 2.4 и 2.5 при выезде на пересекаемую дорогу под острым углом: а - на съезде развязки в разных уровнях; б - на Т-образном перекрестке Знаки 2.4 и 2.5 могут быть установлены в местах выезда на дорогу с покрытием с грунтовых дорог, в том числе и в населенных пунктах. Прежде всего это целесообразно делать в местах, где в зимнее время водители не могут определить наличие или отсутствие покрытия на пересекающихся дорогах, что может привести к ошибке в определении очередности проезда перекрестка. Знаки 2.4 и 2.5 следует устанавливать в местах выезда на дорогу из местных проездов, имеющих ширину проезжей части 5,5 м и более, а также на проездах с меньшей шириной проезжей части, где водители могут испытывать затруднения с определением очередности проезда. Необходимо иметь в виду, что наличие названия улицы и отсутствие название проезда не может служить основанием для определения очередности проезда. 5.7. Допускается установка знака 2.5 перед неохраняемыми железнодорожными переездами в тех случаях, когда видимость приближающихся поездов не удовлетворяет требованиям СНиП II-Д.5-72, а также при проведении ремонтных работ на переезде. Место установки знака должно быть выбрано так, чтобы водитель остановившегося транспортного средства мог видеть приближающийся поезд, но не более 10 м от крайнего рельса. Решение об установке таких знаков должно быть принято после обследования переездов комиссией из представителей дистанции пути, Государственной автомобильной инспекции, дорожных, коммунальных и автотранспортных организаций. При установке знака 2.5 перед железнодорожным переездом предварительный знак 2.4 с табличкой 7.1.2 не применяют. Знак 2.5 не следует устанавливать перед сужениями дорог (узкие места, трубы и т.п.). Знак 2.5 следует устанавливать на всех съездах (примыканиях) независимо от типа покрытия в местах выезда с территории воинских частей. Знак 2.5 на съездах развязок в разных уровнях может быть установлен только в исключительных случаях, когда со съезда не обеспечена видимость основной дороги. 5.8. Знак 2.6 «Преимущество встречного движения» следует применять для запрещения въезда на участок дороги с шириной проезжей части менее 6 м при наличии на нем или на противоположном подъезде к нему встречных транспортных средств, которым водитель обязан уступить дорогу. С другой стороны участка следует установить знак 2.7 «Преимущество перед встречным движением». Рис. 5.3. Пример предварительной установки знака 2.6 5.9. Знаки 2.6 и 2.7 следует применять для организации движения в местах, где невозможен или опасен встречный разъезд транспортных средств (узкие участки дорог с шириной проезжей части менее 6 м, мосты и т.п.), при интенсивности движения, обеспечивающей саморегулирование встречного разъезда, и видимости всего участка и противоположного въезда на ней с каждого конца узкого участка дороги. Если регулирование движения на узких участках дорог производится с помощью светофоров, они должны работать круглосуточно. В таких случаях знаки 2.6 и 2.7 устанавливать не следует. Знак 2.7 можно устанавливать перед местом производства ремонтных работ. В случае проведения ремонтных работ на одной половине проезжей части знак 2.6 устанавливают справа по ходу движения транспортных средств на той стороне, где ведутся ремонтные работы. В том случае, когда сужение проезжей части дороги, вызванное ремонтными работами, происходит с двух сторон, знак 2.6 следует устанавливать для того направления, откуда следует менее интенсивный транспортный поток. На участках дорог с продольным уклоном преимущество следует предоставлять транспортным средствам, которые движутся на подъем. 5.10. Знаки 2.6 и 2.7 следует устанавливать непосредственно перед узким участком дороги с противоположных его концов. На подходах к узкому участку следует устанавливать дополнительный знак 2.6 с табличкой 7.1.1, располагая их на одной опоре со знаком 1.18 «Сужение дороги» (рис. 5.3). 6. ПРИМЕНЕНИЕ ЗАПРЕЩАЮЩИХ ЗНАКОВ6.1. Запрещающие знаки устанавливают, как правило, в случаях, когда необходимая организация движения не может быть обеспечена другими средствами и методами. 6.2. Знак 3.1 «Въезд запрещен» применяют, когда следует запретить въезд в данном направлении всех транспортных средств. Его действие не распространяется лишь на транспортные средства общего пользования, осуществляющие пассажирские перевозки по установленным маршрутам. 6.3. Знак 3.1 не применяют для ограничения въезда на дорогу или территорию (дворовые территории жилых домов, предприятия, лечебные учреждения, закрытые объекты и т.п.), движение по которым ограничено по ведомственному или другому принципу. Ограничение на въезд в таком случае осуществляется путем установки знаков 3.2 «Движение запрещено», применением различных ограждающих устройств и контрольно-пропускных пунктов. 6.4. Знак 3.1 устанавливают для предотвращения встречного движения транспортных средств на участках дорог с односторонним движением. При этом его целесообразно устанавливать только в конце участка (рис. 6.1), так как на промежуточных перекрестках порядок движения определен знаками 5.7. Рис. 6.1. Установка знака 3.1 в конце участка дороги с односторонним движением
Рис. 6.2. Установка знаков 3.1 при наличии нескольких проезжих частей с односторонним движением 6.5. На дорогах с несколькими проезжими частями, отделенными бульваром или приподнятой разделительной полосой, знак 3.1 может быть установлен на каждой проезжей части с односторонним движением (рис. 6.3). 6.6. В случае, если крайнюю проезжую часть дороги используют для остановки, стоянки, местного подъезда транспортных средств и на ней организовано одностороннее движение, знак 3.1 следует устанавливать в конце каждого перегона такого бокового проезда (рис. 6.3). 6.7. Знак 3.1 может быть применен при организации движения на площадках для стоянки транспортных средств, АЗС, на площадках отдыха, если организовано одностороннее движение в местах въезда и выезда с территории (рис. 6.4). 6.8. На специальных полосах движения и площадках, предназначенных для стоянки или разворота только транспортных средств общего пользования, движущихся по установленным маршрутам, знаки 3.1 могут быть установлены на всех въездах (рис. 6.5). 6.9. При необходимости запретить въезд на какую-либо полосу проезжей части знак 3.1 устанавливают совместно с табличкой 7.14 непосредственно над полосой, на которую он действует (рис. 6.6). 6.10. В случае установки знака 3.1 на участке дороги между перекрестками в начале участка должен быть установлен знак 3.1 с табличкой 7.1.1, на которой указывается фактическое расстояние до знака 3.1, запрещающего дальнейшее движение. Рис. 6.3. установка знака 3.1 при организации одностороннего движения по боковому проезду на дороге с несколькими проезжими частями
Рис. 6.4. Использование знака 3.1 для организации одностороннего въезда и выезда с площадки: а - на дорогах без разделительной полосы; б - на дорогах с разделительной полосой Рис. 6.5. Установка знаков 3.1 на разворотно-отстойных площадках, предназначенных для транспортных средств общего пользования, движущихся по установленным маршрутам Рис. 6.6. Применение знака 3.1 с табличкой 7.14 при запрещении въезда на полосу проезжей части 6.11. Если ограничение на въезд возникает периодически, то знак 3.1 может быть применен с табличкой 7.5, ограничивающими его действие днями недели и временем суток. 6.12. Знак 3.1 не применяют с табличками 7.3 и 7.4. 6.13. Знак 3.1 устанавливают в тех случаях, когда имеется доступ к объекту с другого направления. 6.14. Знак 3.2 «Движение запрещено» устанавливают для запрещения движения всех транспортных средств на отдельных участках дороги или определенных территориях (дворовые территории жилых домов, территории предприятий, лечебных учреждений и т.п.). 6.15. Знак 3.2 также устанавливают в случаях, когда движение по дороге или территории объекта необходимо ограничить по ведомственному или другому признаку. 6.16. Знак 3.2 устанавливают на всех въездах на дорогу или территорию, где запрещено движение. При этом перед боковыми въездами на дорогу знак 3.2 должен быть применен с одной из табличек 7.3.1 - 7.3.3 (рис. 6.7). 6.17. Знак 3.2 информирует водителей, что за него невозможно попасть и с противоположного конца дороги или из боковых проездов, так как и там установлены такие знаки - т.е. участок дороги закрыт для транзитного движения транспортных средств. Рис. 6.7. Установка знаков 3.2 со всех направлений при закрытии участка дороги для движения транспортных средств 6.18. Знак 3.2 не следует применять в случаях, когда за ним расположены объекты, к которым осуществляется регулярное движение различных транспортных средств. 6.19. Действие знака 3.2 не распространяется на транспортные средства общего пользования, осуществляющие пассажирские перевозки по установленным маршрутам. 6.20. Действие знака 3.2 не распространяется на соответствующие транспортные средства, обслуживающие предприятия, находящиеся в обозначенной зоне, или принадлежащие гражданам, проживающим в этой зоне, а также такси с включенным таксометром, обслуживающие этих граждан. 6.21. Знаки 3.3 - 3.9 запрещают движение отдельных категорий транспортных средств. На боковых въездах на дорогу их устанавливают с одной из табличек 7.3. 6.22. Действие знаков 3.3 - 3.8 не распространяется на соответствующие транспортные средства, обслуживающие предприятия, находящиеся в обозначенной зоне или принадлежащие гражданам, проживающим в этой зоне. Знаки 3.3 и 3.4 не действуют на такси с включенным таксометром, обслуживающие граждан, проживающих в зоне. 6.23. Знак 3.3 «Движение механических транспортных средств запрещено» применяют для запрещения движения всех механических транспортных средств за исключением двухколесных мотоциклов без коляски. 6.24. Знак 3.3 может быть применен для ограничения транзитного движения через жилые зоны микрорайонов. Следует учитывать, что наряду с мотоциклами без коляски он не запрещает движение мопедов. 6.25. Знак 3.3 не распространяет свое действие на маршрутные транспортные средства общего пользования. 6.26. Знак 3.4 «Движение грузовых автомобилей запрещено» применяют для запрещения движения грузовых автомобилей и составов транспортных средств (грузовой автомобиль с прицепом или полуприцепом) с полной массой более 3,5 т (если на знаке не указана масса) или полной массой более указанной на знаке, а также тракторов, самоходных машин и механизмов. 6.27. Знак 3.4 применяют, чтобы разгрузить дорогу и создать однородные транспортные потоки на наиболее напряженных транспортных магистралях, изолировать от грузового движения отдельные районы населенных пунктов, а также чтобы запретить доступ тяжелых и крупногабаритных грузовых автомобилей на отдельные улицы и дороги со стесненными условиями движения. 6.28. При необходимости распространить действие знака на определенную группу грузовых автомобилей на знаке должна быть указана величина массы, которую выбирают из следующего ряда: 2; 4; 8; 10; 15; 20 и 25 т. Величины полных масс основных типов грузовых автомобилей, эксплуатируемых и СССР, приведены в приложении 1.
Рис. 6.8. Установка знака 3.4 с табличкой 7.14 для запрещения движения грузовых автомобилей по отдельной полосе проезжей части Рис. 6.9. Применение запрещающего знака 3.4 с одновременной информацией водителей знаком 5.30.3 о направлении транзитного движения грузовых автомобилей 6.29. За полную массу состава транспортных средств следует принимать сумму полной массы грузового автомобиля и полной массы прицепа или полуприцепа. 6.30. Для запрещения движения грузовых автомобилей по отдельным полосам проезжей части знак 3.4 с табличкой 7.14 размещают непосредственно над полосой, по которой запрещено движение (рис. 6.8). 6.31. При наличии значительных грузовых транзитных потоков одновременно с установкой знака 3.4 водители должны быть информированы о рекомендуемом объездном маршруте знаками 5.30 (рис. 6.9). 6.32. Знак 3.4 не распространяет свое действие независимо от величины полной массы на автомобили с наклонной белой полосой на бортах, на грузовые автомобили, перевозящие в соответствии с установленными правилами группы людей, и на грузовые такси. 6.33. Знак 3.4 не следует устанавливать в случаях, когда необходимо ограничить нагрузку на дорожные сооружения или дорожную одежду. В этом случае следует применить соответственно знак 3.11 или 3.12. 6.34. Знак 3.5 «Движение мотоциклов запрещено» запрещает движение мотоциклов и приравненных к ним трехколесных механических транспортных средств, масса которых без нагрузки не превышает 400 кг. Этот знак запрещает движение и мопедов, имеющих конструктивную скорость движения более 40 км/ч. 6.35. Знак 3.6 «Движение тракторов запрещено» устанавливают для запрещения движения тракторов, самоходных машин и механизмов на участках дорог, где в силу невысокой скорости они создают чрезмерные помехи другим участникам движения, например, на двухполосных дорогах с интенсивным движением. Следует запрещать движение тракторов на участке дороги при наличии тракторной дороги, проходящей в том же направлении. 6.36. Знак 3.7 «Движение с прицепом запрещено» устанавливают для запрещения движения грузовых автомобилей и тракторов с прицепами или полуприцепами любого типа, а также всякой буксировки механических транспортных средств. Знак 3.7 не запрещает движение легковых автомобилей с прицепами. 6.37. Знак 3.7 устанавливают на участках дорог, где движение с прицепом (полуприцепом) практически невозможно или создает большие помехи для встречного движения (участки дорог с крутыми поворотами, большими уклонами, узкой проезжей частью и т.п.). 6.38. Знак 3.8 «Движение гужевых повозок запрещено» применяют для запрещения движения гужевых повозок (саней), животных под седлом или вьюком, а также прогона скота в случаях, когда они будут создавать помехи движению механических транспортных средств на дорогах с высокой интенсивностью движения. 6.39. Знак 3.9 «Движение на велосипедах запрещено» запрещает движение на велосипедах, а также мопедов с максимальной конструктивной скоростью движения менее 40 км/ч. Запрещение следует вводить с учетом фактической скорости и интенсивности движения транспортных средств. При наличии велосипедной дорожки, обозначенной знаком 4.5, устроенной рядом с дорогой, знак 3.9 устанавливать не следует (см. п. 26.7 Правил дорожного движения). 6.40. Знак 3.10 «Проход закрыт» предназначен для запрещения движения пешеходов на некоторых участках дорог (транспортные тоннели, мосты, путепроводы, эстакады, не имеющие пешеходных дорожек или тротуаров, ремонтируемые участки дорог и т.п.). Знак устанавливают в начале участка или перед сооружением на той стороне дороги, на которой вводят ограничения. 6.41. Знак 3.11 «Ограничение массы» применяют для запрещения движения транспортных средств, в том числе тягачей с прицепами и полуприцепами, общая фактическая масса которых больше указанной на знаке, через искусственные сооружения (мосты, путепроводы и т.п.) с недостаточной несущей способностью. 6.42. На знаке указывают фактическую грузоподъемность моста на данный момент времени (по данным мостоиспытательных станций или лабораторий, которые устанавливают класс грузоподъемности сооружения специальным обследованием)1. 1 Грузоподъемность деревянных мостов может быть рассчитана работниками дорожной службы по методике, приведенной в «Указаниях по определению грузоподъемности деревянных мостов с учетом их фактического состояния» (ВСН 12-73 Минавтодора РСФСР). 6.43. Согласно расчетным схемам нормативных нагрузок (табл. 6.1) знак 3.11 следует устанавливать перед мостами (табл. 6.2 и 6.3), учтивая класс их грузоподъемности и длину2. 2 По данным Белдорнии Миндорстроя БССР. 6.44. Из-за ограничения нагрузки на ось при пролетах длиной до 6 м устанавливают знак 3.12 «Ограничение нагрузки на ось». При большей длине пролета вместо этого знака можно установить знак 3.11. В отдельных случаях, в частности из-за дефектов в элементах проезжей части, может потребоваться установка обоих знаков 3.11 и 3.12. Перед мостами, рассчитанными на современные нагрузки (классов Н-30 и НК-80), знаки не устанавливают. По ним разрешен проезд транспортных средств общей фактической массой до 30 т и нагрузкой на ось до 12 тс. Автотранспортные предприятия и другие организации, располагающие транспортными средствами общей массой более 30 т или нагрузкой на ось более 12 тс, во всех случаях обязаны согласовывать возможность пропуска таких транспортных средств по мостам с организацией, эксплуатирующей дорогу. Перед мостами с классом грузоподъемности меньше Н-30 и НК-80 необходимо устанавливать дорожные знаки в соответствии с табл. 6.2. Таблица 6.1
Таблица 6.2
* При отсутствии под знаком 3.11 дополнительной таблички с надписью «Одиночным порядком 30 т» транспортные средства с грузовыми параметрами выше, чем на знаке 3.11 пропускаются по условию «в» (п. 6.49). ** При длине пролетов до 3 м и грузоподъемностью не ниже Н-10, HГ-60 перед однопролетными железобетонными мостами знаки ограничения нагрузки не устанавливают. *** Для мостов с деревянной проезжей частью нагрузки на ось более 10 тс недопустима. Примечание: G - общая фактическая масса транспортного средства, т; Q - нагрузка на любую наиболее нагруженную ось, тс. Таблица 6.3
6.45. Мосты грузоподъемностью менее Н-8 и НГ-30 подлежат перестройке или усилению. Временно их можно эксплуатировать с установкой перед ними знаков согласно табл. 6.3, если мостоиспытательные станции гарантируют безопасность пропуска таких нагрузок. 6.46. При установке знаков перед мостами с пролетами разной величины, но одинаковой грузоподъемности числовые обозначения на знаке назначают по наибольшему пролету, а с пролетами разного класса грузоподъемности - по пролету наименьшей грузоподъемности. 6.47. Знаки ограничения нагрузки устанавливают непосредственно перед мостом с обеих сторон. 6.48. Знак 3.11 с табличкой 7.11 следует устанавливать непосредственно за перекрестком, если на перегоне расположен мост (путепровод) ограниченной грузоподъемности. Направление объезда указывают знаком 5.20.1. 6.49. При установке знаков 3.11 перед мостами и путепроводами следует учитывать следующие возможные условия движения транспортных средств через эти сооружения: а) без ограничения и регулирования движения, в том числе в колонне; б) одиночным порядком по указанию дополнительной таблички с надписью «Одиночным порядком 30 т» (для мостов длиной до 200 м). Регулирование ведется водителем и сопровождающим с расчетом проследования через мост, без попутных и встречных колонн, т.е. одиночным порядком (одно транспортное средство на мост). Для мостов длиной более 200 м применяют условие «в»; в) одиночным порядком по разрешению организации, эксплуатирующей дорогу. Регулирование организуют сопровождающие транспортные средства. Они пропускают транспортное средство, как правило, по оси моста, останавливая на время прохода все остальные транспортные средства вне пределов моста. Для больших мостов допускают движение в одной попутной колонне с дистанциями не менее 100 м. 6.50. Знак 3.12 устанавливают для запрещения движения по участкам с недостаточной несущей способностью дорожной одежды. Движение запрещается, когда фактическая нагрузка на наиболее загруженную ось транспортного средства (грузового автомобиля, автобуса, полуприцепа, прицепа) превышает величину, указанную на знаке. 6.51. Знак 3.12 может быть установлен постоянно или временно, например, в период весенней (осенней) распутицы. Для защиты от разрушения большого по протяжению участка дороги знак 3.12 следует устанавливать за каждым перекрестком. 6.52. Для защиты дорог низкой категории (IV и V по СНиП II-Д.5-72, III - V по СНиП II-Д.5-62) от разрушения транспортными средствами на всех съездах с дорог высших категорий на дороги низших категорий целесообразно устанавливать знаки 3.12 с указанием допускаемой нагрузки на ось. 6.53. Необходимо учитывать, что транспортное средство (с грузом или без груза) считается тяжеловесным (т.е. необходимо предварительное разрешение на его передвижение), если нагрузка от одиночной наиболее нагруженной оси превышает нагрузку исходя из прочности дорожной одежды. 6.54. Знак 3.13 «Ограничение высоты» устанавливают перед въездом в тоннели, под мосты, путепроводы, эстакады, линии электропередач, перед железнодорожными переездами в случаях, когда из-за ограниченных габаритных размеров сооружение может быть повреждено транспортным средством или грузом. Габарит транспортного средства по высоте определяют от уровня проезжей части до верхней части транспортного средства или груза. 6.55. Знак 3.13 с табличкой 7.1.1 должен быть установлен также на ближайшем к сооружению перекрестке. Здесь же должна быть приведена информация об объездном маршруте. 6.56. Знак 3.13 необходимо устанавливать во всех случаях, если расстояние от поверхности дорожного покрытия до низа пролетного строения искусственного сооружения, линии электропередачи и т.п. менее 5 м. 6.57. Высота, указываемая на знаке 3.13, должна быть меньше фактической на 0,2 - 0,4 м, в том числе для путепроводов, по которым проходит автомобильная или железная дорога соответственно на 0,3 или 0,4 м. Разницу между фактической и указываемой высотой допускается увеличивать в зависимости от ровности дорожного покрытия, а также на вертикальных кривых малых радиусов. 6.58. Для контроля габаритов транспортных средств на дороге могут быть установлены габаритные ворота. Их в обязательном порядке устанавливают перед переездами на электрифицированных железных дорогах, а также перед искусственными сооружениями, если их габаритная высота менее 4,5 м. 6.59. Знак 3.13 допускается повторно устанавливать на пролетных строениях моста или путепровода, или на габаритных воротах, расположенных перед ними. 6.60. Знак 3.14 «Ограничение ширины» применяют для запрещения движения транспортных средств, габаритная ширина которых (с грузом или без груза) больше указанной на знаке. 6.61. Знак 3.14 устанавливают, когда ширина проезда (в тоннеле, под пролетным строением путепровода и т.п.) менее 3,5 м. Ширина, указываемая на знаке, должна быть меньше фактической на 0,2 м. 6.62. Знак 3.14 допускается повторно устанавливать непосредственно на пролетном строении или опоре моста или путепровода. При установке знака 3.14 на участке дороги между перекрестками в начале участка необходимо установить знак 3.14 с табличкой 7.1.1. Здесь же должна быть приведена информация об объездном маршруте. 6.63. Знак 3.15 «Ограничение длины» устанавливают для запрещения движения транспортных средств (составов транспортных средств), габаритная длина которых (с грузом или без груза) больше указанной на знаке. 6.64. Знаки 3.15 применяют на участках дорог с узкой проезжей частью, тесной застройкой, крутыми поворотами, когда движение или разъезд со встречными транспортными средствами затруднены. При установке знака 3.15 на участке дороги между перекрестками в начале участка должен быть установлен такой же предварительный знак с табличкой 7.1.1 и дана информация об объездном маршруте. 6.65. Знак 3.16 «Ограничение минимальной дистанции» запрещает движение транспортных средств с дистанцией, менее указанной на знаке на затяжных спусках, мостах, путепроводах и эстакадах с большими пролетными строениями, имеющими ограниченную грузоподъемность, ледовых переправах и т.п. 6.66. Знак 3.16, как правило, должен быть установлен с табличкой 7.2.1, определяющей зону действия знака. 6.67. Знак 3.17 «Таможни» применяют для запрещения проезда без остановки у таможни (контрольного пункта). 6.68. Знаки 3.18.1 «Поворот направо запрещен» и 3.18.2 «Поворот налево запрещен» применяют для запрещения поворота в соответствующем направлении на ближайшем пересечении проезжих частей в случаях, когда необходимый порядок движения невозможно обеспечить с помощью знаков 4.1.1 - 4.1.6. 6.69. Знаки 3.18.1 и 3.18.2 устанавливают непосредственно перед пересечением проезжих частей, где запрещен соответствующий маневр. 6.70. Знак 3.18.2 допускается устанавливать: только над левой из полос, по которым движение осуществляется в сторону перекрестка; на дорогах с разделительной полосой - только на разделительной полосе; на дорогах без разделительной полосы при числе полос для встречного движения не более двух - только на левой стороне дороги. 6.71. При запрещении левого поворота, как правило, целесообразно запрещать и разворот. Поэтому вместо знака 3.18.2, не запрещающего разворот, следует применять знаки 4.1. 6.72. Знаки 3.18.1 и 3.18.2 не следует применять для организации одностороннего движения, так как они не исключают возможность разворота в обратном направлении. Для этой цели предназначены знаки 5.7.1 и 5.7.2. 6.73. Перед пересечениями с дорогами, на которых запрещено движение всех или отдельных видов транспортных средств, следует устанавливать соответствующие знаки (3.2 - 3.9) с табличками 7.3.1 - 7.3.3, а не знаки 3.18 с табличками 7.4. 6.74. Для запрещения поворотов в определенные дни недели или часы суток знаки 3.18 следует применять с табличками 7.5. Необходимость в подобном ограничении может появляться при резком колебании интенсивности движения по времени, если возникают значительные помехи для выполнения поворотов или транспортное средство создает помехи попутному потоку. 6.75. Повороты на перекрестке (регулируемом или нерегулируемом) могут быть также запрещены, если это диктуется общей схемой организации движения на дороге, участке дорожной сети, микрорайоне и т.д., при этом водители должны быть информированы с помощью знака 5.20.3 о способе выполнения поворота. 6.76. Знаки 3.18 и 3.19 не распространяют свое действие на транспортные средства общего пользования, движущиеся по установленным маршрутам. 6.77. Знак 3.19 «Разворот запрещен» применяют для запрещения разворота на перекрестках, где этот маневр трудно выполнить или он создает значительные помехи для других транспортных средств. 6.78. Знак 3.19 допускается устанавливать так же, как и знак 3.18.2 (см. п. 6.70). 6.79. При необходимости запретить разворот на перегоне следует применять знак 4.1.1, так как знак 3.19 действует только в месте его установки. Рис. 6.10. Совместное применение знака 3.19 со знаком 4.1.3 при разрешении левых поворотов и запрещении разворотов на перекрестках 6.80. Знак 3.19 не следует применять для запрещения разворотов в разрывах разделительных полос между перекрестками. В этом случае на разделительной полосе устанавливают знак 4.1.1. 6.81. Для запрещения разворотов на перекрестках, где левые повороты разрешены предписывающими знаками, знак 3.19 устанавливают совместно с ними (рис. 6.10). 6.82. Запрещающие знаки 3.16, 3.20, 3.22, 3.24, 3.26 - 3.30 распространяют свое действие от места установки знака до ближайшего перекрестка за знаком, а в населенном пункте зона их действия при отсутствии перекрестка распространяется до конца населенного пункта. 6.83. При необходимости соответствующие знаки должны быть повторены после каждого перекрестка. Нельзя увеличивать зону действия знаков с помощью табличек 7.2.1 и 7.2.2, которые могут только ограничивать ее. 6.84. Знаки 3.20 «Обгон запрещен» и 3.22 «Обгон грузовым автомобилям запрещен» применяют для запрещения обгона всех транспортных средств (кроме одиночных, движущихся со скоростью менее 30 км/ч, и двухколесных мотоциклов и велосипедов) соответственно всем транспортным средствам или грузовым автомобилям, полная масса которых превышает 3,5 т. 6.85. Знаки 3.20 и 3.22 устанавливают только на дорогах, имеющих не более трех полос движения для движения в обоих направлениях. 6.86. Знаки 3.20 и 3.22 применяют в случаях, когда интенсивность движения, ширина и состояние проезжей части создают повышенную опасность встречных столкновений. Знаки 3.20 и 3.22 нецелесообразно устанавливать в случаях, когда Правила дорожного движения запрещают обгон. 6.87. Знак 3.20 при необходимости применяют на участках дорог с необеспеченной видимостью (см. табл. 15.1), при этом зона запрещения обгона должна определяться протяженностью опасного участка. 6.88. Эффективность применения знаков 3.20, 3.22 и 3.24 существенно повышается при установке табличек 7.5.1 - 7.5.7, ограничивающих их действие по времени, при этом разметка проезжей части не должна накладывать ограничения на возможные действия водителей. Зону действия знаков 3.20, 3.22 и 3.24 целесообразно ограничивать с помощью табличек 7.2.1 или, что предпочтительнее, установкой соответственно знаков 3.21, 3.23 и 3.25. 6.89. Знак 3.21 «Ограничение максимальной скорости» применяют для запрещения движения всех транспортных средств со скоростью, более указанной на знаке, при необходимости введения на участке дороги иной максимальной скорости, чем на предшествующем участке, для повышения допустимой максимальной скорости на участке дороги, если условия обеспечивают безопасность движения с более высокой скоростью. 6.90. Знак 3.24 устанавливают на опасных участках дорог (места сужения дороги, участки с необеспеченной видимостью, опасные повороты, зоны интенсивного неорганизованного пешеходного движения и т.п.), где предел скорости движения транспортных средств должен быть снижен по сравнению с установленным Правилами дорожного движения. 6.91. При ограничении скорости движения на опасных участках дорог зона действия знака должна определяться протяженностью участка и указываться на табличке 7.2.1. 6.92. На кривых в плане малых радиусов скорость, при которой возможно безопасное движение автомобиля без заноса, в значительной степени зависит от радиуса кривой, состояния покрытия, наличия виража и режима движения (разгон, торможение, движение с постоянной скоростью). Эта скорость может быть определена по формуле:
где R - радиус закругления, м; m = 0,15 - 0,16 - коэффициент поперечной силы, при котором обеспечивается устойчивость против заноса при торможении на мокром покрытии, имеющем коэффициент сцепления 0,4; i - поперечный уклон проезжей части на кривой (при наличии виража или при движении по внутренней полосе принимается со знаком плюс, для двускатного профиля при движении по внешней полосе - со знаком минус), доли единицы. Для простоты определения верхнего предела скорости можно воспользоваться графиком (рис. 6.11), который получен расчетом с использованием формулы 6.1. Установка знака 3.24 рекомендуется только при коэффициенте безопасности менее 0,6. Указываемая на знаке скорость должна соответствовать 95 % обеспеченности скоростей движения автомобиля. Практика показывает, что необходимость в указании верхнего предела скорости, как правило, возникает на кривых в плане радиусом меньше 600 м. 6.93. На участках с ограниченной видимостью максимальная скорость транспортного средства зависит от расстояния видимости до встречного автомобиля и принимается по таблице 15.1, исходя из расстояния видимости, обеспечиваемого на данном участке. 6.94. Кроме исключительных случаев, ограничение максимальной скорости не должно быть ниже 40 км/ч. 6.95. Перед участком, на котором устанавливаемый предел скорости ниже предела скорости предшествующего участка более чем на 20 км/ч, следует применять ступенчатое ограничение скорости с шагом не более 20 км/ч. При этом расстояние между двумя последовательно установленными знаками 3.24 должно составлять от 100 до 150 м (рис. 6.12). Подобную схему установки знаков можно применять перед населенными пунктами, обозначенными знаками 5.22, в частности в том случае, когда на дороге перед въездом в населенный пункт установлен более высокий предел скорости, чем 90 км/ч (рис. 6.13). Рис. 6.11. Выбор верхнего предела скорости движения на кривых в плане: 1 - при вираже 60 м; 2 - при горизонтальной проезжей части; 3 - при двускатном поперечном профиле
Рис. 6.12. Ступенчатое ограничение скорости
Рис. 6.13. Установка знаков в конце участка с повышенным скоростным режимом
Рис. 6.14. Подтверждение пониженного предела скорости в начале населенного пункта 6.96. Если перед населенным пунктом, обозначенным знаком 5.22, с помощью знака 3.24 введено ограничение максимальной скорости, отличное от 60 км/ч, то это ограничение следует подтвердить или отменить, установив соответственно знак 3.24 с тем же значением скорости или знак 3.25 совместно со знаком 5.22 (рис. 6.13, 6.14). Это положение справедливо, если действие знака 3.24, установленного в населенном пункте, следует распространить за пределы населенного пункта (рис. 6.14). 6.97. При необходимости ограничения скорости для какого-либо вида транспортных средств знак 3.24 применяют с табличками 7.4.1 - 7.4.6. 6.98. При временном ограничении максимальной скорости (например, при проведении дорожных работ) знак 3.24 должен быть установлен лишь на время существования опасности. 6.99. На опасных участках дорог вместо знака 3.24 может быть установлен знак 5.18, указывающий рекомендуемую скорость движения по данному участку. 6.100. Следует иметь в ввиду, что знак 3.24, устанавливающий максимальную скорость 80 км/ч, снижает ее предел для легковых автомобилей, междугородных, туристских и особо малых автобусов, а также грузовых автомобилей с полной массой не более 3,5 т и повышает ее другим автобусам, мотоциклам и грузовым автомобилям с полной массой более 3,5 т. 6.101. При введении по согласованию с Госавтоинспекцией на участке дороги повышенного скоростного режима знак 3.24 устанавливают в начале участка и повторяют после значимых пересечений с интенсивными поворотными потоками. 6.102. Участки дорог, на которых вводится повышенный скоростной режим, должны иметь хорошее качество покрытия и необходимое обустройство. Обязательно должна быть нанесена дорожная разметка. Ширина проезжей части не должна являться решающим фактором при принятии решения о повышении скоростного режима. 6.103. Повышенные пределы максимальной скорости могут быть установлены как постоянно, так и на отдельные периоды года (например, весна - лето - осень), дни недели и часы суток (например, суббота, воскресенье или каждый день с 18 до 8 ч и т.п.). 6.104. Повышенный предел максимальной скорости устанавливают как для всех видов транспортных средств, так и для отдельных их категорий. В последнем случае знаки 3.24 устанавливают с соответствующей табличкой 7.4, показывающей, для каких транспортных средств действует повышенный предел. 6.105. Величину повышенного предела максимальной скорости определяют исходя из конкретных дорожных условий. Для населенных пунктов эта величина выбирается из следующего ряда: 70, 80 или 90 км/ч; для участков дорог вне населенных пунктов: 100, 110 или 120 км/ч. 6.106. На дорогах, имеющих две полосы движения и более в одном направлении, знак 3.24 может устанавливать как общий повышенный режим скорости для данного направления (в этом случае он устанавливается с правой стороны дороги), так и повышенный предел для конкретной полосы проезжей части (в этом случае знак 3.24 с табличкой 7.11 подвешивается над полосой). 6.107. Окончание участка с повышенным скоростным режимом должно быть обозначено знаком 3.25. 6.108. Знаки 3.21 «Конец зоны запрещения обгона», 3.23 «Конец зоны запрещения обгона грузовым автомобилям» и 3.25 «Конец зоны ограничения максимальной скорости» применяют для обозначения конца зоны действия соответственно знаков 3.20, 3.22 и 3.24. 6.109. Знаки 3.21, 3.23 и 3.25 устанавливают непосредственно на месте, где заканчивается опасная зона и отпадает необходимость запрещения обгона или соответственно скоростного ограничения. По возможности следует стремиться к ограничению длины зоны, где вводится соответствующее запрещение. 6.110. На дорогах, имеющих не более трех полос движения, знаки 3.21, 3.23 и 3.25 допускается располагать с левой стороны дороги на оборотной стороне знаков 3.20, 3.22 и 3.24, предназначенных для транспортных средств, движущихся во встречном направлении. 6.111. Знак 3.26 «Подача звукового сигнала запрещена» применяют для запрещения звуковых сигналов; его следует устанавливать перед участками дорог, проходящими в непосредственной близости от санаториев, домов отдыха, пионерских лагерей, больниц и т.п. Знак 3.26 не устанавливают в населенных пунктах, обозначенных знаком 5.22, где Правила дорожного движения запрещают подачу звуковых сигналов. 6.112. Знаки 3.27 «Остановка запрещена» и 3.28 «Стоянка запрещена» применяют соответственно для запрещения остановки и стоянки или только стоянки транспортных средств. Знаки 3.27 и 3.28 устанавливают в случаях, когда стоящие транспортные средства не позволяют обеспечить требуемый уровень пропускной способности дороги. Их не применяют на участках, где запрещена остановка или стоянка в соответствии с Правилами дорожного движения. 6.113. Знаки 3.27 и 3.28 устанавливают на той стороне дороги, на которой вводится ограничение. 6.114. Знаки 3.27 и 3.28, как и знаки 3.29 и 3.30, действуют от места установки до ближайшего перекрестка за знаком, а в населенных пунктах при отсутствии перекрестка - до конца населенного пункта. 6.115. Зону действия знаков 3.27 - 3.30 следует ограничивать установкой в ее конце повторных знаков 3.27 - 3.30 с табличкой 7.2.3 (предпочтительный вариант) или с табличкой 7.2.2. Таблички 7.2.1 и 7.3.1 - 7.3.3 с этими знаками не применяют. 6.116. При значительной протяженности зоны запрещения стоянки или остановки целесообразна установка повторных знаков 3.28 - 3.30 с табличкой 7.2.4, информирующей водителя о том, что он находится в зоне действия соответствующего знака. 6.117. С помощью табличек 7.5.1 - 7.5.7 можно ограничивать время действия знаков 3.27 и 3.28, а с помощью табличек 7.4.1 - 7.4.7 можно указать вид транспортного средства, на который действует запрещение. 6.118. Знаки 3.27 и 3.28 могут быть применены с разметкой соответственно 1.4 и 1.10, при этом зона действия знаков будет определена протяженностью линии разметки. 6.119. При введении ограничения на остановку или стоянку в населенных пунктах или на других участках дорог необходимо с помощью знаков 5.15 и табличек информировать водителей о расположении ближайших мест для стоянки. 6.120. Знаки 3.29 «Стоянка запрещена по нечетным числам» и 3.30 «Стоянка запрещена по четным числам» применяют для запрещения стоянки по нечетным и четным числам месяца. Их применяют в качестве временных знаков в осенне-зимне-весенний период в целях создания условия для беспрепятственной уборки снега поочередно с каждой из сторон улицы. 6.121. Знаки 3.29 и 3.30 следует применять с табличкой 7.5, ограничивающей время их действия (например, по рабочим дням с 8.00 до 19.00). 7. ПРИМЕНЕНИЕ ПРЕДПИСЫВАЮЩИХ ЗНАКОВ7.1. Предписывающие знаки применяют при необходимости введения определенного порядка и режима движения как по отдельным направлениям движения, так и для различных видов транспортных средств и пешеходов. Предписывающие знаки устанавливают непосредственно перед участками дорог, где возникает такая необходимость. 7.2. Предписывающие знаки 4.1, разрешающие движение только в направлениях, указанных стрелками, так же как и знаки 3,18, запрещающие поворот направо и налево, предназначены для исключения одного или нескольких из возможных на перекрестке направлений движения. 7.3. Знаки 4.1.1 «Движение прямо», 4.1.2 «Движение направо», 4.1.3 «Движение налево», 4.1.4 «Движение прямо или направо», 4.1.5 «Движение прямо или налево», 4.1.0 «Движение направо или налево» применяют для разрешения движения на ближайшем пересечении проезжих частей в направлениях, указанных стрелками на знаке; знаки 4.1.3, 4.1.5 и 4.1.6 разрешают также и разворот. 7.4. При выборе знака для запрещения левого поворота следует учитывать, что в действии знака 3.18.2 «Поворот налево запрещен» и знаков 4.1.1, 4.1.2 и 4.1.4, также исключающих левый поворот, есть различие, обусловленное тем, что знак 3.18.2 не запрещает разворот, а предписывающие знаки его исключают. Если левый поворот на перекрестке запрещается исходя из интенсивности встречного потока транспортных средств или схемы работы светофоров, то должен быть запрещен и разворот. В этих случаях могут быть применены только предписывающие знаки (рис. 7.1). Пример применения знака 3.18.2 показан на рис. 7.2. Если для исключения на перекрестке правого поворота могут быть использованы как предписывающие знаки 4.1.3 и 4.1.5, так и запрещающий знак 3.18.1 «Поворот направо запрещен», следует применять предписывающие знаки (рис. 7.3). Знак же 3.18.1 следует применять в случаях, когда использование предписывающего знака не решает поставленной задачи (рис. 7.4). Рис. 7.1. Применение знаков 4.1.1, 4.1.2 и 4.1.4 для запрещения поворота налево и разворота (знак 3.18.2 не устанавливается)
Рис. 7.2. Применение знака 3.18.2 в ситуации, когда не требуется запрещать разворот Рис. 7.3. Ситуации, в которых предпочтение следует отдавать предписывающим знакам 7.5. Если с помощью предписывающих знаков со стандартным изображением нельзя решить поставленной задачи, то следует применять знаки с конфигурацией стрелок, соответствующей требуемым направлениям движения на конкретном пересечении. Примеры применения таких знаков приведены на рис. 7.5. 7.6. Действие знаков 4.1 не распространяется на транспортные средства общего пользования, движущиеся по установленным маршрутам. 7.7. Знаки 4.1.1 - 4.4.5 не следует применять для организации одностороннего движения, так как, запрещая поворот навстречу движению, они не исключают возможности разворота для движения в обратном направлении.
Рис. 7.4. Ситуация, в которой может быть применен только знак 3.18.1
Рис. 7.5. Варианты изображения знаков 4.1 7.8. Знаки 4.1.1, 4.1.2 и 4.1.4, примененные для запрещения левого поворота, допускается устанавливать: только над левой из полос, по которым движение осуществляется в сторону перекрестка; на дорогах с разделительной полосой - только на разделительной полосе; на дорогах без разделительной полосы при числе полос для встречного движения не более двух - только на левой стороне дороги. 7.9. При необходимости знак 4.1.1 применяют для запрещения поворотов налево и разворотов на участке дороги между перекрестками, при этом знак 4.1.1 устанавливают непосредственно в начале участка дороги. Действие знака в этом случае распространяется до ближайшего перекрестка. 7.10. Знаки 4.2.1 «Объезд препятствия справа», 4.2.2 «Объезд препятствия слева», 4.2.3 «Объезд препятствия справа или слева» применяют для указания направления объезда островков безопасности и различного рода препятствий на проезжей части, в частности в случаях, когда водителям трудно определить разрешенное направление движения. В начале приподнятой разделительной полосы знак 4.2.1 устанавливают независимо от наличия знака 3.1, запрещающего въезд на левую проезжую часть. 7.11. В местах проведения дорожных работ знаки 4.2.1 и 4.2.2 могут быть применены для обозначения линии отклонения траектории движения транспортных средств от препятствия. Такая линия должна быть образована не менее чем пятью знаками, при этом наклон линии к оси дороги должен быть не менее 1:10, 1:20 и 1:50 при допускаемой скорости движения соответственно 40, 60 и более 60 км/ч. 7.12. Знак 4.3 «Круговое движение» применяют для организации кругового движения транспортных средств на перекрестке (площади) с центральным приподнятым или размеченным островком. Знак устанавливают на каждом выезде на перекресток с круговым движением. 7.13. Знак 4.3 не следует применять, если наряду с круговым существует и перекрестное движение транспортных средств, например по проезду, проходящему через центральный островок (рис. 7.6, а); исключением является случай, когда по такому проезду движется только трамвай. Знак 4.3 не следует также применять на перекрестках, где отсутствует движение по круговой траектории (рис. 7.6, б), в частности в местах пересечения дорог с широкими разделительными полосами или бульварами, где транспортные средства, движущиеся в прямом направлении, не отклоняются от прямолинейной траектории (рис. 7.6, в). В этих случаях для организации движения следует использовать знаки 4.1. Рис. 7.6. Ситуации, в которых не следует применять знак 4.3: а - на кольцевом пересечении с центральным проездом; б - на пересечении с треугольным островком; в - в месте пересечения дорог с широкими разделительными полосами 7.14. Общий порядок движения по кольцевому пересечению, когда преимуществом пользуется транспортное средство, въезжающее на пересечение, может быть при необходимости изменен с помощью знаков приоритета, устанавливающих очередность проезда. 7.15. Знак 4.4 «Движение легковых автомобилей» применяют для разрешения движения только легковых автомобилей, транспортных средств общего пользования, движущихся по установленным маршрутам, мотоциклов и автобусов. Движение других транспортных средств (грузовых автомобилей, тракторов, гужевых повозок, а также велосипедов) допускается только в случае, если они обслуживают предприятия, находящиеся в обозначенной зоне. 7.16. Знаки 4.4 следует применять только в случаях, когда движение транспортных средств, не перечисленных в характеристике знака, может быть организовано по параллельной дороге. Знаки 4.4 устанавливают на всех въездах на обозначаемую дорогу, при этом перед въездами с боковых направлений устанавливают знаки 4.4 с одной из табличек 7.3.1 - 7.3.3. 7.17. Знак 4.5 «Велосипедная дорожка» применяют для обозначения специально построенных велосипедных дорожек, по которым разрешается движение только велосипедистов, а при отсутствии тротуара или пешеходной дорожки - и пешеходов. Знак 4.5 следует повторять после каждого пересечения велосипедной дорожки с автомобильной дорогой. 7.18. Знак 4.5 может быть использован для выделения на проезжей части полосы, предназначенной для велосипедистов. В случае если такая полоса отделяется от общей проезжей части сплошной линией разметки 1.1, знак 4.5 в сочетании с табличкой 7.14 должен располагаться над полосой. Если полоса для велосипедистов отделяется от общей проезжей части бордюром или барьером, знак может быть установлен справа от такой полосы. 7.19. Знак 4.6 «Пешеходная дорожка» используется для обозначения специально построенных пешеходных дорожек, в частности в случаях, когда необходимо отличить их от велосипедных дорожек. Знак может быть использован для обозначения участков дорог, полностью выделенных для движения пешеходов, в том числе и временно при организации массовых гуляний, праздников и т.п. 7.20. Знак 4.7 «Ограничение минимальной скорости» применяют для предписания движения транспортных средств со скоростью, которая равна или больше указанной на знаке. Транспортным средствам, которые не могут поддерживать скорость, указанную на знаке, запрещается въезд на дорогу или полосу, обозначенную знаком 4.7. Знак применяют в случаях, когда необходимо создать благоприятные условия для движения быстроходных транспортных средств. 7.21. Минимальная скорость движения по всем полосам дороги может быть введена только при условии, что для транспортных средств, которые не могут двигаться со скоростью, указанной на знаке, обеспечен объездной маршрут. 7.22. На многополосных проезжих частях знак 4.7 может быть использован для назначения минимально допустимой скорости на отдельной полосе (полосах). Так, например, левая полоса (полосы) может быть отведена для движения быстроходных, а правая - тихоходных транспортных средств. Для регламентации скорости движения на отдельной полосе знак 4.7 должен быть установлен совместно с табличкой 7.14 непосредственно на этой полосе. При этом полосы движения на проезжей части должны быть размечены. 7.23. Знак 4.8 «Конец зоны ограничения минимальной скорости» устанавливают в конце участка дороги или полосы движения, где необходимо отменить действие знака 4.7. 8. ПРИМЕНЕНИЕ ИНФОРМАЦИОННО-УКАЗАТЕЛЬНЫХ ЗНАКОВ8.1. Информационно-указательные знаки применяют для информирования участников движения о направлениях и режиме движения, расположении на пути следования населенных пунктов и других объектов. 8.2. Знаки 5.1 «Автомагистраль» и 5.2 «Конец автомагистрали» применяют для обозначения соответственно начала и конца дороги, на которой действуют специальные требования «Правил дорожного движения». 8.3. Международная Конвенция о дорожном движении определяет автомагистраль как дорогу, «специально построенную и предназначенную для движения автотранспортных средств, которая не обслуживает придорожных владений и которая за исключением отдельных мест или во временном порядке имеет для обоих направлений движения отдельные проезжие части, отделенные друг от друга разделительной полосой, не предназначенной для движения, или, в исключительных случаях, другими средствами; не имеет пересечений на одном уровне ни с дорогами, ни железнодорожными или трамвайными путями, ни с пешеходными дорожками; специально обозначена в качестве автомагистрали». Порядок движения по автомагистралям определяется п.п. 19.1 и 19.2 Правил дорожного движения. 8.4. Знак 5.1 по условиям применения полностью заменяет знаки 2.1 «Главная дорога», 3.6 «Движение тракторов запрещено», 3.10 «Проход закрыт», 3.9 «Движение на велосипедах запрещено», 3.8 «Движение гужевых повозок запрещено», 4.7 «Минимальная скорость 40 км/ч». Кроме того, он исключает необходимость установки знака 3.19 «Разворот запрещен», 3.18.2 «Поворот налево запрещен» и 4.1.1 «Движение прямо» у разрывов разделительной полосы, предназначенных для эксплуатационных целей. 8.5. Необходимо заблаговременно предупреждать водителей транспортных средств о приближении к автомагистрали, помещая изображение знака 5.1 на знаке 5.20.l или устанавливая дополнительный знак 5.1 с табличкой 7.11 за 150 - 300 м вне населенных пунктов и за 50 - 100 м в населенных пунктах от разрыва в разделительной полосе (рис. 8.1, а), съезда или ответвления дороги (рис. 8.1, б) места, где разрешен разворот или левый поворот транспортных средств (рис. 8.1, в). На табличке 7.1.1 указывают расстояние до начала автомагистрали. 8.6. Знак 5.2 устанавливают в конце магистрали и в начале съездов с нее, а также предварительно с табличкой 7.1.1 на расстоянии 400 и 1000 м от конца автомагистрали. 8.7. Знаки 5.3 «Дорога для автомобилей» и 5.4 «Конец дороги для автомобилей» применяют для обозначения соответственно начала и конца дороги, на которой разрешается движение только автомобилей, автобусов и мотоциклов. Знак 5.3 устанавливают: с табличкой 7.1.1 - перед ближайшим к началу дороги местом для разворота или перекрестком; Рис. 8.1. Схемы установки знака 5.1 «Автомагистраль» с табличкой 7.1.3 или 7.1.4 - перед пересечением с дорогой, переходящей затем в дорогу, обозначенную знаком 5.3; с одной из табличек 7.3.1 - 7.3.3 - перед пересечением с дорогой, обозначенной знаком 5.3, дополнительно к знаку 2.4 или 2.5, установленному перед перекрестком. 8.8. Знаки 5.5 «Дорога с односторонним движением» и 5.6 «Конец дороги с односторонним движением» применяют для обозначения соответственно начала и конца дороги или проезжей части, по которой движение транспортных средств по всей ширине осуществляется в одном направлении. Знак 5.5 устанавливается в начале дороги или проезжей части с односторонним движением. Допускается повторять знак 5.5 после перекрестков со сложной планировкой. Знак 5.5 допускается не устанавливать в начале проезжей части с односторонним движением, отделенной от проезжей части, со встречным движением разделительной полосой, если с каждой из проезжих частей обеспечена видимость другой проезжей части. Знак 5.6 при необходимости может быть установлен предварительно с табличкой 7.1.1. Знаки 5.7.1 и 5.7.2 «Выезд на дорогу с односторонним движением применяют для обозначения выезда на дорогу с односторонним движением и устанавливают перед всеми боковыми выездами на дорогу. Если же взаимная видимость проезжих частей не обеспечена, например, при широком разделяющем бульваре, то в начале каждой из проезжих частей и в местах выезда на них с боковых направлений следует установить знаки 5.5 и 5.7 (рис. 8.2). Рис. 8.2. Организация одностороннего движения с помощью знаков 5.5 и 5.7 на проезжих частях, разделенных широким бульваром Рис. 8.3. Пример организации одностороннего движения 8.9. При организации одностороннего движения знаки 5.7 неправомерно подменить запрещающими знаками 3.18 или предписывающими знаками 4.1, поскольку они, запрещая повороты навстречу общему потоку транспортных средств, не предотвращают развороты на дороге с односторонним движением после выезда на нее в разрешенном направлении. Пример организации одностороннего движения приведен на рис. 8.3. 8.10. Знаки 5.3.1 «Направления движения по полосам» и 5.8.2 «Направления движения по полосе» применяют для указания количества полос и разрешенных направлений движения на дорогах, где необходимо обеспечить использование полос, выделенных дорожной разметкой, транспортными средствами, движущимися в различных направлениях. Знаками 5.8.1 и 5.8.2 показываются разрешенные направления движения для всех полос, по которым возможно движение в сторону перекрестка. На знаке 5.8.1 указываются направления движения только для двух или трех полос. Знаки 5.8.1 и 5.8.2 предназначены для изменений общего порядка использования полос на многополосных дорогах, который определяется Правилами дорожного движения: там, где направление движения может быть изменено, движение прямо возможно по любой полосе, направо - из правой полосы, налево - из левой полосы. Чтобы при интенсивном движении задержки на перекрестке были минимальными, число полос, предназначенных для движения в прямом направлении, направо или налево, должно примерно соответствовать интенсивности потоков транспортных средств, которые движутся в этих направлениях. Так, если на дороге с тремя полосами для движения в одном направлении на перекрестке направо поворачивает примерно половина транспортных средств, то, следовательно, для поворота направо необходимо отнести всю правую полосу и, кроме того, разрешить поворот направо из средней полосы (рис. 8.4).
Рис. 8.4. Распределение полос по направлениям движения в зависимости от интенсивности движения
Рис. 8.5. Расположение знаков 5.8.2 относительно перекрестка Рис. 8.6. Пример применения знаков 5.8.1 или 5.8.2, установка знаков 3.18 или 4.1 при этом исключается Рис. 8.7. Применение знака 5.8.1 в ситуации, когда установка знака 3.18.2 или 4.1.2 делала возможным поворот только из правой полосы 8.11. Знаки 5.8.1 и 5.8.2 устанавливают над проезжей частью дороги перед перекрестком с учетом того, что водители должны иметь возможность перестроиться до начала сплошных линий разметки 1.1, разделяющих полосы движения. В связи с этим целесообразно размещать знаки 5.8.1 и 5.8.2 примерно у начала этих линий. В случае, когда видимость основных знаков 5.8.1 или 5.8.2 ограничена, например переломом продольного профиля или в связи с поворотом дороги, на расстоянии от 50 до 150 м от перекрестка следует установить предварительные знаки 5.8.1 или 5.8.2 (рис. 8.5). Из двух видов знаков (5.8.1 и 5.8.2) предпочтительно применение более информативных знаков 5.8.2, размещаемых над серединой соответствующей полосы движения. Вне населенных пунктов на дорогах, имеющих перед перекрестком не более трех полос для движения в одну сторону, знаки 5.8.1 могут быть установлены с правой стороны дороги, но при этом должен быть установлен и предварительный знак 5.8.1. 8.12. Если на перекрестке на одном из выездов на него движение организовано с помощью знаков 5.8.1 или 5.8.2, то устанавливать на этом же выезде запрещающие знаки 3.18 или предписывающие знаки 4.1 не следует (рис. 8.6). Если на перекрестке (не кольцевом) при наличии нескольких полос движение возможно только направо или налево, то для указания разрешенного направления следует применять знаки 5.8.1 или 5.8.2 (рис. 8.7). Применять в такой ситуации запрещающие знаки 3.18 или предписывающие 4.1.2 или 4.1.3 не следует, поскольку в этом случае водители были бы обязаны занять на проезжей части крайнее правое или крайнее левое положение (п. 11.5 Правил), что привело бы к снижению пропускной способности перекрестка. 8.13. Знак 5.8.3 «Начало полосы» применяют для обозначения начала дополнительной полосы на подъеме или полосы торможения на пересечении в одном или разных уровнях и устанавливают в начале отгона дополнительной полосы. Рис. 8.8. Организация движения на подъеме с помощью знака 5.8.3 8.14. Если на двухполосной дороге на подъеме устроена дополнительная третья полоса, то целесообразно с помощью знака 5.8.3 «Начало полосы» установить минимальную скорость движения по левой полосе, ведущей на подъем (рис. 8.8). В качестве предела выбирается значение скорости 50 А обеспеченности, т.е. скорости, которую превышают 50 % транспортных средств, движущихся на подъем. Скорость измеряется на расстоянии 150 - 200 м от начала подъема. Полученная величина скорости округляется в меньшую сторону до значения, кратного 10. 8.15. Знак 5.8.4 «Начало полосы» применяют для обозначения начала участка средней полосы, предназначенного для движения в данном направлении на трехполосных дорогах, размеченных таким образом, что две полосы выделяют поочередно для каждого из направлений, при этом знак следует установить у начала переходной линии разметки. 8.16. Знак 5.8.5 «Конец полосы» применяют для обозначения конца дополнительной полосы на подъем или конца полосы разгона на пересечении в одном или разных уровнях и устанавливают на расстоянии 50 м от конца. 8.17. Знак 5.8.6 «Конец полосы» применяют для обозначения конца участка средней полосы, предназначенного для движения в данном направлении и обозначенного знаком 5.8.4, при этом знак следует установить у начала переходной линии разметки. 8.18. Знаки 5.8.7 и 5.8.8 «Направление движения по полосам» применяют для указания направления движения по каждой из полос на трехполосной дороге при организации движения в одном направлении по двум полосам и устанавливают за каждым перекрестком на протяжении всего участка дороги, где движение в одном направлении организовано по двум полосам. Знак 5.8.7 с изображением знака, запрещающего движение одного из видов транспортных средств, применяют при необходимости запрещения движения указанных транспортных средств по средней полосе. Знаки 5.8.7 и 5.8.8 могут быть применены для организации реверсивного движения, при этом рекомендуется использовать двухпозиционные знаки, на которых можно менять изображение символа в зависимости от разрешаемого направления движения по средней полосе. 8.19. Знак 5.9 «Полоса для транспортных средств общего пользования» следует применять для обозначения полосы, предназначенной для движения только транспортных средств общего пользования, движущихся по установленным маршрутам, если движение по такой полосе осуществляется попутно с общим потоком транспортных средств. Знак 5.9 должен быть установлен над обозначаемой полосой (что является предпочтительным) или рядом с ней. Знак должен повторяться после каждого перекрестка. 8.20. Знак 5.10.1 «Дорога с полосой для транспортных средств общего пользования» следует применять для обозначения дороги, по которой движение транспортных средств общего пользования, движущихся по установленным маршрутам, осуществляется по специально выделенной полосе навстречу общему потоку транспортных средств. Знак устанавливают в начале дороги над проезжей частью или с обеих сторон дороги. Знак можно повторять после перекрестков. 8.21. Знаки 5.10.2 и 5.10.3 «Выезд на дорогу с полосой для транспортных средств общего пользования» следует применять для обозначения выезда на дорогу, по которой осуществляется движение транспортных средств общего пользования по установленным маршрутам по специально выделенной полосе навстречу общему потоку транспортных средств. Знаки устанавливают перед всеми боковыми въездами на дорогу. 8.22. Знаки 5.11.1 «Место для разворота» и 5.11.2 «Зона для разворота» следует устанавливать у разрывов в разделительной полосе для указания места разворота, а на дорогах без разделительной полосы - у мест, предназначенных только для разворота. Знаки 5.11 запрещают левый поворот. 8.23. Знаки 5.11.1 и 5.11.2 следует устанавливать с учетом принятой схемы организации движения преимущественно в тех случаях, когда необходимо: а) обеспечить заблаговременное перестроение транспортных средств, совершающих разворот, движущихся прямо и поворачивающих направо (на дорогах с интенсивным движением, при двух или более полосах для движения в каждом направлении; на участках, предшествующих скоростной дороге, или участках, по которым запрещено движение транспортных средств определенных видов, массы, нагрузки на ось, габаритов или движение в отдельные дни и часы суток); б) указать протяженность зоны разворота для сокращения задержек транспортных средств; в) указать о наличии места, отведенного для разворота, с целью предотвращения нарушений и ошибочных действий водителей (на перекрестках со сложной планировкой и у разворотов под путепроводами, мостами и эстакадами); г) указать расстояние до места разворота для облегчения выбора водителем более удобного маршрута следования (перед длинными участками дорог, на которых запрещен разворот транспортных средств или левый поворот); д) ограничить маневр разворота временем действия знака или видом транспортного средства (на участках с интенсивным движением для запрещения разворота в определенные дни недели, время суток и запрещения движения отдельных транспортных средств). 8.24. Если на проезжую часть перенесена сплошная линия разметки 1.1 и 1.3, то в зоне разворота должны быть сделаны разрывы. Их следует обозначить изогнутыми и наклонными линиями разметки и прерывистой линией (рис. 8.9, а, б). 8.25. Знаки 5.12 «Место остановки автобуса и (или) троллейбуса» и 5.13 «Место остановки трамвая» применяют для обозначения остановок соответствующих видов транспортных средств общего пользования, движущихся по установленным маршрутам. Знаки 5.12 и 5.13 должны устанавливаться в соответствии с требованиями пунктов 2.1.8 и 2.1.10 ГОСТ 23457-79 независимо от того, размещаются они на павильоне для пассажиров или на самостоятельной опоре. Если знаки 5.12 и 5.13 устанавливаются на павильоне, то их следует размещать над краем павильона, обращенным в сторону приближающихся к нему транспортных средств. При размещении знаков на самостоятельной опоре (при наличии павильона), они должны располагаться на уровне края павильона, обращенного в сторону приближающихся к нему транспортных средств. Рис. 8.9. Схемы установки знака 5.11 «Место разворота» Если на остановке с заездным карманом видимость знака, установленного на павильоне, не обеспечивается, знак следует устанавливать в начале кармана (рис. 8.10). 8.26. Знак 5.14 «Место стоянки легковых такси» применяют для обозначения стоянок легковых такси. 8.27. Знак 5.15 «Место стоянки» применяют для обозначения площадок, специально отведенных для стоянки транспортных средств. Знак 5.15 устанавливают у въезда на них или у мест поворота к ним с табличкой 7.1.3 или 7.1.4. 8.28. При необходимости уточнения разрешенного для стоянки времени и дня недели и вида транспортных средств, которым разрешена стоянка, со знаком 5.15 следует применять соответствующие таблички. Знак 5.15 с одной из табличек 7.6.1 - 7.6.5 применяется для обозначения околотротуарной стоянки легковых автомобилей и мотоциклов. 8.29. На участках дорог, где Правила дорожного движения или знаки 3.27 - 3.30 запрещают остановку или стоянку транспортных средств, рекомендуется устанавливать знак 5.15 с табличкой 7.1.1, указывающей расстояние до ближайшего разрешенного места стоянки. 8.30. Знаки 5.16.1 и 5.16.2 «Пешеходный переход» применяют для обозначения мест, выделенных для организованного перехода пешеходов через дорогу. Знаки применяют как в сочетании с разметкой 1.14, так и без нее. На регулируемых перекрестках с размеченными пешеходными переходами знаки 5.16.1 и 5.16.2 можно не устанавливать. 8.31. Знак 5.16.1 должен быть размещен слева от дороги, а знак 5.16.2 - справа. При отсутствии на переходе разметки 1.14 знаки 5.16.1 и 5.16.2 должны быть установлены так, чтобы знак 5.16.2 относительно приближающихся транспортных средств находился на ближней границе перехода, а знак 5.16.1 - на дальней. Ширину неразмеченного пешеходного перехода, заключенного между створами установки знаков 5.16.1 и 5.16.2, определяют исходя из расчета 1 м на каждые 500 пешеходов в час, но не менее 4 м. Знак 5.16.1 можно разместить на оборотной стороне знака 5.16.2 (рис. 8.11). При необходимости на пешеходном переходе может быть дополнительно установлен знак 5.16.1 или 5.16.2, обращенный к пешеходной дорожке, ведущей к переходу из глубины квартала. 8.32. Знаки 5.17.1 и 5.17.2 «Подземный пешеходный переход» и 5.17.3 и 5.17.4 «Надземный пешеходный переход» применяют для обозначения соответственно подземных и надземных пешеходных переходов и устанавливают изображением навстречу движению основных пешеходных потоков у лестничных сходов пешеходных тоннелей, мостов и путепроводов.
Рис. 8.10. Размещение знака 5.12 у начала остановочной площадки
Рис. 8.11. Размещение знаков 5.16.1 и 5.16.2 на неразмеченном пешеходном переходе
Рис. 8.12. Пример применения знаков 5.17.1 и 5.17.2 Для информирования пешеходов о расположении перехода на участке дорог между подземными (надземными) пешеходными переходами знаки 5.17.1 - 5.17.4 в сочетании с табличками 7.1.3 и 7.1.4 могут устанавливаться изображением в сторону тротуара (рис. 8.12). 8.33. Знак 5.18 «Рекомендуемая скорость» следует применять для указания скорости, с которой рекомендуется движение на данном участке дороги; знак устанавливают в начале участка, при этом зона действия знака распространяется до ближайшего перекрестка. Знак 5.18 может быть применен совместно с предупреждающими знаками; в этом случае зона действия знака определяется протяженностью опасного участка. 8.34. Знаки 5.19.1 - 5.19.3 применяют для обозначения дорог, не имеющих сквозного проезда. Знак 5.19.1 следует устанавливать в начале дороги, знаки 5.19.2 и 5.19.3 - перед пересечением указанной дороги. Знаки 5.19.1 - 5.19.3 не применяют в качестве предварительных, если в дальнейшем движение на дороге запрещено знаком 3.1. 8.35. Знаки 5.20.1, 5.20.2 «Предварительный указатель направлений» следует применять для заблаговременного информирования водителей о направлениях движения на перекрестке (см. раздел 12). 8.36. Знак 5.20.1 следует также применять для указания схемы маршрута объезда участков дороги, на которых установлен один из запрещающих знаков 3.11 - 3.15. На знаке должна быть нанесена схема маршрута объезда по аналогии со знаком 5.31 и изображение соответствующего запрещающего знака. 8.37. Знак 5.20.3 «Схема движения» следует применять при необходимости указать маршрут движения, если на перекрестке движение по отдельным направлениям запрещено, или указать разрешенные направления движения на перекрестке со сложной планировкой. Знак должен быть установлен непосредственно перед перекрестком. Возможна установка предварительного знака в населенных пунктах на расстоянии от 50 до 100 м, а вне населенных - от 150 до 300 м от перекрестка. 8.38. Знаки 5.21.1 «Указатель направления» и 5.21.2 «Указатель направлений» применяют для указания направлений движения к населенным пунктам или другим объектам, указанных на знаках 5.20.1 - 5.20.3. Их устанавливают непосредственно на перекрестках (см. раздел 12). 8.39. Знаки 5.22 «Начало населенного пункта» и 5.23 «Конец населенного пункта» применяют для обозначения населенного пункта (соответственно начала и конца), в котором действуют специальные требования, определяющие порядок движения в населенных пунктах. Их устанавливают у начала (конца) фактической застройки населенного пункта. На дорогах с одной, двумя или тремя полосами для движения в обоих направлениях знак 5.23 можно установить слева на оборотной стороне знака 5.22, предназначенного для встречного движения. 8.40. Знаки 5.24 «Начало населенного пункта» и 5.25 «Конец населенного пункта» следует применять для обозначения населенного пункта (соответственно начала или конца), в котором на данной дороге исходя из условий движения нецелесообразно вводить специальные требования, устанавливающие порядок движения в населенных пунктах. На дорогах с одной, двумя или тремя полосами для движения в обоих направлениях знак 5.25 можно располагать слева на оборотной стороне знака 5.24, предназначенного для водителей транспортных средств, движущихся во встречном направлении. Следует избегать сочетания знаков 5.22 - 5.25 с другими знаками, кроме случаев, когда в начале или в конце населенного пункта необходимо ввести ограничения или подтвердить (отменить) ограничение, введенное запрещающими знаками. 8.41. Знак 5.26 «Наименование объекта» применяют для обозначения пунктов маршрута следования, иных, чем населенные пункты (реки, озера, перевалы, достопримечательности и т.п.), имеющие историческое значение или указанные в атласе автомобильных дорог. Знак устанавливают непосредственно у обозначаемого объекта. 8.42. Знак 5.27 «Указатель расстояний» применяют для указания расстояний до населенных пунктов, расположенных по маршруту следования, подсказывая водителям правильность выбранного движения. Знак 5.27 устанавливают на выездах из городов и других крупных населенных пунктов, за сложными (в разных уровнях, с движением по кругу и т.п.) пересечениями, а на участках дорог между ними - не реже чем 40 км. 8.43. На знаке 5.27 указываются расстояния (в километрах, но без указания размерности) до населенных пунктов, находящихся на маршруте впереди по ходу движения. В верхней части знака указывают расстояние до ближайшего к месту установки знака пункта, в нижней части - до наиболее удаленного, а именно до конечного пункта для данного участка дороги. Таким образом, на всем протяжении участка в нижней части знака указывается один и тот же пункт. Кроме конечного пункта, указывают также один или два важных промежуточных пункта на данном участке дороги. Нецелесообразно наносить на знаке более трех наименований населенных пунктов. На дорогах, проложенных в обход населенных пунктов, в качестве промежуточных указывают пункты, к которым с данной дороги ведут съезды. При указании расстояния в этом случае следует учитывать и расстояние от основной дороги до населенного пункта. 8.44. На дорогах, где надписи на русском языке дублируются на языке союзной республики и (или) английском языке, последовательно на расстоянии от 200 до 300 м могут быть установлены два или три знака 5.27, на каждом из которых все надписи выполнены только на одном из указанных языков. 8.45. Знак 5.28 «Километровый знак» применяют для указания расстояния от места его установки до одного из конечных пунктов дороги. 8.46. На двух-, трех- и четырехполосных дорогах, не имеющих разделительной полосы, двусторонние знаки 5.28 устанавливают только с одной стороны дороги (рис. 8.13, а, б). На автомобильных дорогах, имеющих более четырех полос, без разделительной полосы знаки 5.28 устанавливают с правой стороны дороги каждого направления движения. Аналогичным способом размещают километровые знаки, когда в каждом направлении движение транспортных средств независимо от числа полос осуществляется по отдельно возведенному земляному полотну и при значительной ширине разделительной полосы (более 20 м). На автомобильных дорогах с разделительной полосой знаки 5.28 устанавливают посередине этой полосы независимо от числа полос движения. Рис. 8.13. Способы установки километровых знаков на автомобильных дорогах 8.47. На колонках (стойках), предназначенных для километровых знаков, помимо километрового знака допускается устанавливать знак 5.29.1 «Номер маршрута». Знаки 5.29.1 можно размещать над знаком 5.28, если указывается только один номер маршрута. 8.48. Применяют следующие основные способы установки километровых знаков: 1) сдвоенные односторонние щитки, закрепленные под углом 60° (допускается угол до 90°, см. рис. 8.13, а). 2) двусторонний километровый знак, состоящий из одного щитка с двусторонним изображением (см. рис. 8.13, б); 3) два сдвоенных километровых знака (рис. 8.13, в). Первый и второй способы рекомендуется использовать при боковом расположении знаков, второй или третий - для знаков, устанавливаемых на разделительной полосе. 8.49. Знаки 5.29.1, 5.29.2 «Номер маршрута» применяют для указания номера (маршрута) дороги, утвержденного в установленном порядке (см. прилож. 5). Знак 5.29.1 следует устанавливать в начале дороги и повторять через каждые 15 - 20 км. Знак 5.29.2 устанавливают перед перекрестками для указания направления маршрута (дороги), имеющего номер. 8.50. Знаки 5.30.1 - 5.30.3 «Направление движения для грузовых автомобилей» следует применять для указания рекомендуемого маршрута транспортным средствам, движение которых в одном из возможных направлений запрещено знаком 3.4. На протяжении объездного маршрута знаки 5.30.1 - 5.30.3 устанавливают перед каждым перекрестком. Предварительно знаки 5.30.1 - 5.30.3 могут быть установлены на расстоянии от 100 до 150 м от перекрестка. 8.51. Знак 5.31 «Схема объезда» применяют для указания маршрута объезда участка дороги, временно закрытого для движения. Знак следует устанавливать непосредственно перед началом объезда. Предварительный знак может быть установлен в населенных пунктах на расстоянии от 50 до 100 м, а вне населенных пунктов - от 150 до 300 м от перекрестка. 8.52. Знаки 5.32.1 - 5.32.3 «Направление объезда» применяют для указания направления объезда участка дороги, временно закрытого для движения. Знаки 5.32.2 и 5.32.3 устанавливают перед началом объезда. Если маршрут объезда указан на знаке 5.31, то знаки 5.32.1 - 5.32.3 следует устанавливать перед каждым перекрестком, находящимся на маршруте. 8.53. Знак 5.33 «Стоп-линия» применяют для указания места установки транспортных средств при запрещающем сигнале светофора. Знак устанавливают справа от дороги или над проезжей частью. Знак 5.33 можно применять для дублирования разметки 1.12. 9. ПРИМЕНЕНИЕ ЗНАКОВ СЕРВИСА9.1. Знаки сервиса применяют для предварительного информирования водителей о расположении (расстоянии и направлении движения) объектов, предназначенных для обслуживания участков движения или оказания им помощи и различных видов услуг. Вне населенных пунктов знаки сервиса устанавливают предварительно на расстоянии 60 - 80, 15 - 20 км и 400 - 800 м до объекта (рис. 9.1). Если расстояние между одинаковыми объектами, например, автозаправочными станциями меньше 60 - 80 км, то первый предварительный знак не устанавливают. Если же расстояние между объектами достаточно велико, то могут быть установлены и знаки с указанием расстояния 120, 160 км и т.п. В городах и других крупных населенных пунктах целесообразно устанавливать предварительные знаки за 400 - 800 м до объекта, а также у места поворота к нему. Для дополнительной информации водителей рекомендуется после объекта устанавливать соответствующий знак сервиса с указанием на нем расстояния до следующего сооружения или комплекса обслуживания. На территории сооружения или комплекса обслуживания рекомендуется устанавливать схемы размещения объектов сервиса по маршрутам. 9.2. Допускается не устанавливать знаки сервиса непосредственно у объектов, которые имеют внешние признаки, раскрывающие их функциональное назначение, например у АЗС, постов ГАИ. 9.3. При указании на предварительных знаках сервиса расстояния до объектов, расположенных в стороне от дороги, необходимо учитывать и расстояние от объекта до места поворота к нему (рис. 9.2). На знаке сервиса, установленном у места поворота, например к АЗС, пункту питания, станции технического обслуживания, кроме расстояния (указывается обязательно), целесообразно указывать время работы объекта. У мест поворота к пункту первой медицинской помощи, больнице, гостинице, которые расположены в населенном пункте, находящемся в стороне от дороги, следует указать адрес, а для гостиницы и телефон.
Рис. 9.1. Расположение знаков сервиса относительно обозначаемого объекта
Рис. 9.2. Пример указания на знаке сервиса расстояния до объекта, расположенного в стороне от дороги При информировании участников движения об объектах сервиса, расположенных в комплексе обслуживания или в пределах одного населенного пункта, следует располагать по два-три знака сервиса на общей опоре. 9.4. Знак 6.1 «Пункт первой медицинской помощи» устанавливают у медицинских учреждений, в которых пострадавшим при ДТП и другим участникам движения может быть оказана первая медицинская помощь. 9.5. Знак 6.2 «Больница» устанавливают у травматологических пунктов или больниц, имеющих травмпункты, где пострадавшим может быть оказана квалифицированная помощь. 9.6. Места установки знаков 6.1 и 6.2, а также надписи на табличках 7.5.1 - 7.5.7 должны быть согласованы с местными органами здравоохранения. 9.7. Знаки 6.3 «Автозаправочная станция», 6.4 «Техническое обслуживание автомобилей» устанавливают у соответствующих сооружений сервиса. 9.8. Знак 6.5 «Мойка автомобилей» устанавливают, как правило, у станций технического обслуживания, принимающих автомобили на мойку, либо у специальных моек для автомобилей. Знак 6.5 можно устанавливать дополнительно непосредственно над въездом в помещение мойки. 9.9. Знак 6.6 «Телефон» устанавливают у пунктов связи, из которых можно связаться с местными органами ГАИ и службой скорой медицинской помощи. 9.10. Знак 6.7 «Пункт питания» устанавливают у столовых, закусочных, кафе, ресторанов и других пунктов питания, находящихся вблизи автомобильной дороги. Со знаком 6.7 рекомендуют устанавливать знак 5.15, указывающий место стоянки автомобилей. Для того чтобы стоянка небольшого размера была эффективнее использована участниками движения, посещающими пункт питания, знак 5.15 устанавливают с табличкой 7.9, ограничивающей время стоянки. 9.11. Знак 6.8 «Питьевая вода» устанавливают при наличии места для остановки автомобилей у водозаборных колонок, колодцев и водных источников, вода из которых пригодна для питья без предварительного кипячения и другой обработки. Установка знаков 6.8 должна быть согласована с местными органами здравоохранения. 9.12. Знаки 6.9 «Гостиница или мотель» и 6.10 «Кемпинг» устанавливают у соответствующих сооружений обслуживания участников движения. 9.13. Знак 6.11 «Место отдыха» устанавливают у площадок, оборудованных для отдыха автотуристов. 9.14. Знак 6.12 «Пост ГАИ» устанавливают у всех стационарных постов ГАИ. У передвижных постов ГАИ могут быть установлены временные знаки 6.12. При необходимости знак 6.12 может быть установлен и у зданий, где располагается Госавтоинспекция. 10. ПРИМЕНЕНИЕ ЗНАКОВ ДОПОЛНИТЕЛЬНОЙ ИНФОРМАЦИИ (ТАБЛИЧЕК)10.1. Знаки дополнительной информации (таблички) следует применять для уточнения или ограничения действия других дорожных знаков. Их применяют только совместно со знаками и располагают непосредственно под ними за исключением табличек 7.2.2 - 7.2.4. С одним знаком следует применять не более двух табличек, исключение составляет лишь знак 5.15. 10.2. Табличку 7.1.1 «Расстояние до объекта» применяют с предупреждающими знаками в случае, если расстояние от знака до начала опасного участка вне населенных пунктов меньше 150 или больше 300 м, а в населенных пунктах - меньше 50 или больше 100 м. Эта табличка может быть применена также и с другими знаками, установленными предварительно за исключением знаков 5.8.1, 5.8.2, 5.20.3, 5.30.1 - 5.31 и знаков сервиса. 10.3. Табличку 7.1.2 применяют только со знаком 2.4, установленным вне населенных пунктов в случае, если перед перекрестком установлен знак 2.5. 10.4. Таблички 7.1.3 и 7.1.4 «Расстояние до объекта» должны быть применены со знаками 1.1, 1.2, 5.1, 5.3, 5.15 в местах поворотов к указываемым объектам. 10.5. Табличку 7.2.1 «Зона действия знаков» применяют: с предупреждающими знаками 1.11 - 1.17, 1.21, 1.23, 1.25 - 1.30 (для указания протяженности опасного участка), при этом, если знак устанавливают повторно, табличку следует устанавливать под повторным знаком; с запрещающими знаками 3.16, 3.20, 3.22, 3.24, 3.26; с информационно-указательным знаком 5.15, установленным с одной из табличек 7.6.1 - 7.6.5 (табличку 7.2.1 размещают под табличками 7.6.1 - 7.6.5); с информационно-указательным знаком 5.18, когда последний не применяют с предупреждающим знаком и действие знака 5.18 нет необходимости распространять до ближайшего перекрестка. 10.6. Таблички 7.2.2 - 7.2.4 «Зона действия» применяют только со знаками 3.27 - 3.30 в следующих случаях: табличка 7.2.2 - для указания зоны действия знака, если она не распространяется до ближайшего перекрестка; табличка 7.2.3 - для указания конца зоны действия знака; табличка 7.2.4 - для информирования водителей о нахождении их в зоне действия знака. При размещении знаков на стойках таблички 7.2.2 - 7.2.4 располагают под знаком. При размещении знаков на консольных опорах или над проезжей частью, обочиной или тротуаром таблички следует устанавливать слева или справа от знака таким образом, чтобы знак находился ближе к середине проезжей части. 10.7. Таблички 7.3.1 - 7.3.3 «Направление действия» применяют со знаками 3.2 - 3.9, 4.4, 5.3, устанавливаемыми непосредственно перед перекрестком для указания направления их действия на пересекаемой дороге. 10.8. Таблички 7.4.1 - 7.4.7 «Вид транспортного средства» следует применять для указания вида транспортного средства, на который распространяется действие знака. 10.9. Таблички 7.5.1 «Субботние, воскресные и праздничные дни», 7.5.2 «Рабочие дни» и 7.5.3 «Дни недели» применяют для указания дней недели, в течение которых действует знак. Таблички 7.5.4 - 7.5.7 «Время действия» применяют для указания дней недели и времени суток, в течение которых действует знак. 10.10. Таблички 7.6.1 - 7.6.5 «Способ постановки транспортного средства на стоянку» следует применять со знаком 5.15 для указания способа постановки легковых автомобилей и мотоциклов на околотротуарной стоянке. Способ постановки выбирают с учетом интенсивности движения транспортных средств и пешеходов, ширины проезжей части и тротуара, а также наличия зеленых насаждений. Применение табличек целесообразно для увеличения пропускной способности дороги (7.6.1 - 7.6.2), емкости околотротуарной стоянки (7.6.3 - 7.6.4) или обоих параметров одновременно (7.6.5). 10.11. Табличку 7.7 «Стоянка с неработающим двигателем» применяют со знаком 5.15 для запрещения стоянки транспортных средств с работающим двигателем (т.е. свыше 5 мин) прежде всего вблизи жилых зданий и воздухозаборных устройств вентиляционных систем. 10.12. Табличку 7.8 «Платная стоянка» применяют со знаком 5.15 для обозначения стояночных площадок, на которых взимают плату за стоянку. 10.13. Табличку 7.9 «Ограничение продолжительности стоянки» следует применять со знаком 5.15 для указания максимально допустимой продолжительности пребывания транспортных средств на стоянке. 10.14. Табличку 7.10 «Место для осмотра автомобилей» применяют со знаками 5.15 и 6.11 для обозначения стояночных площадок, на которых оборудованы эстакада или осмотровая канава. 10.15. Табличку 7.11 «Ограничение полной массы» следует применять для указания, что действие знака распространяется только на транспортные средства с полной массой, более указанной на табличке. 10.16. Табличку 7.12 «Опасная обочина» применяют со знаком 1.23 для предупреждения, что съезд на обочину опасен в связи с проведением на ней ремонтных работ. 10.17. Табличку 7.13 «Направление главной дороги» следует применять со знаками 2.1, 2.4, 2.5 для указания изменения направления главной дороги на перекрестке. 10.18. Табличку 7.14 «Полоса движения» применяют для указания полосы, на которую распространяется действие знака, при этом знак должен располагаться над полосой движения. 10.19. Табличку 7.15 «Слепые пешеходы» применяют со знаками 1.20, 5.16.1, 5.16.2, а также транспортными светофорами для предупреждения, что пешеходным переходом пользуются слепые. 11. ПОСЛЕДОВАТЕЛЬНОСТЬ ПРОЕКТИРОВАНИЯ РАССТАНОВКИ ЗНАКОВ11.1. При разработке схемы расстановки дорожных знаков необходимо учитывать схему транспортных связей, в первую очередь транзитных, в целом по региону (населенному пункту) и принятую схему организации в целом по дороге, району, населенному пункту и т.п. При этом должна учитываться и возможность использования для организации движения светофоров, дорожной разметки, дорожных ограждений и направляющих устройств. Поэтому выбор вида знака и схемы расстановки знаков следует выполнять с учетом инженерного оборудования дороги. Для дорог вне населенных пунктов схему рекомендуется вычерчивать в масштабах - продольном 1:2000, поперечном 1:500. На сложных пересечениях продольный масштаб следует увеличивать до 1:500. Для городских дорог целесообразно применять масштаб 1:200. 11.2. Работу по составлению схемы расстановки дорожных знаков рекомендуется выполнять в несколько этапов: 1) обеспечение информацией водителя о всем маршруте следования и расположении зон обслуживания движения; 2) выделение участков с характерными условиями движения, детальный анализ транспортно-эксплуатационных характеристик участков, составление предварительной схемы расстановки знаков (рис. 11.1); 3) уточнение видов знаков и мест их расположения на сопряжениях смежных участков, изыскание возможностей уменьшения числа знаков, оценка необходимости ограничения скоростей по всей дороге, выбор типоразмера знаков, мест установки и зон действия, устранение знаков с противоречивой информацией, коррекция предварительной схемы расстановки знаков. Рис. 11.1. Пример инженерного оборудования дороги: 1 - дорожные знаки; 2 - направляющие столбики; 3 - дорожные ограждения; 4 - дорожная разметка 11.3. На первом этапе работы задача заключается в размещении по всей длине дороги информационно-указательных знаков и знаков сервиса, информирующих водителей об основных направлениях движения, протяженности дороги, расположении и наименовании пунктов маршрута. 11.4. В соответствии с условиями применения располагают на схеме километровые знаки (5.28), номера маршрутов (5.29.1), знаки с названиями населенных пунктов (5.22 - 5.25), колхозов, совхозов, рек, перевалов (5.20), через которые проходит дорога, знаки направления движения (5.20.1 - 5.21.2, 5.29.2) к пунктам следования, расположенным в стороне от дороги (населенным пунктам, железнодорожным станциям, переправам, элеваторам, пристаням, речным и морским портам, городским объектам и т.п.). При этом учитывают необходимость повторения надписей на национальном языке республики, а на дорогах, по которым намечено открыть движение иностранных туристов, повторение надписей, выполненных латинскими буквами, передающими произношение названий на соответствующем национальном языке. 11.5. На всех дорогах подъезды к достопримечательностям и пункты обслуживания движения должны быть обозначены знаками 5.15, 6.1 - 6.12. Эти знаки наносят на схему, учитывая необходимость их повторения по длине дороги в соответствии с условиями их применения. 11.6. На этом этапе ориентировочно намечают расположение и содержание изображений предварительных указателей направлений (5.20.1) и расстояний (5.27), учитывая необходимость информирования в первую очередь приезжих водителей, не знакомых с дорогой, а также устанавливая преимущество в движении транспортных средств на перекрестках. 11.7. На втором этапе работы условно разделяют всю дорогу на две группы участков: населенные пункты и перегоны. Затем в пределах каждого участка выделяют следующие элементы: перекрестки, мосты, путепроводы, тоннели, железнодорожные переезды, горизонтальные и вертикальные кривые, сужения, подъемы, спуски, прямые участки, придорожные комплексы обслуживания, площадки отдыха, автобусные остановки, стоянки, места оживленного пешеходного движения. Некоторые элементы могут быть проанализированы совместно. Для каждого элемента или их группы составляют подробную схему инженерного оборудования дороги. 11.8. В пределах каждого элемента или группы элементов следует выделить конфликтные зоны, где часто происходит изменения скорости или маневры автомобилей: 1) зоны оживленного пешеходного и велосипедного движения вдоль проезжей части или поперек нее и зоны возможного скопления людей; 2) автобусные остановки, места кратковременной остановки и длительной стоянки автомобилей; участки, где часто происходят обгоны и смена полос движения; зоны пересечения, разветвления и слияния транспортных потоков, разворот автомобилей и изменения траекторий движения; зоны, в которых резко изменяется скорость свободного движения (коэффициент безопасности менее 0,6); зоны, где резко уменьшается скорость потоков автомобилей из-за повышенной плотности движения или наличия в потоке медленно движущихся тракторов, гужевых повозок, сельскохозяйственных машин; 3) зоны, в которых ширина проезжей части, число полос, габариты высоты или допустимая нагрузка от массы автомобилей меньше, чем на смежных участках; 4) зоны с ограниченной видимостью в плане и профиле; 5) зоны, в которых возникают густые туманы, гололед, сильный боковой ветер, неровности покрытия, появляется опасность падения камней, выхода животных на дорогу; 6) зоны со светофорным регулированием, односторонним движением, с организацией приоритетного движения общественного пассажирского транспорта, реверсивным движением и т.п. 11.9. Выявив конфликтные зоны на опасных участках, следует принять меры по установлению причин, порождающих эту опасность. Детально проанализировав условия движения и статистические данные о дорожно-транспортных происшествиях на участках и в отдельных зонах, оценивают необходимость использования различных знаков и наносят их на схему расстановки знаков. Особо отмечают участки, где необходимо: устанавливать приоритет в движении; запретить обгоны, остановку или стоянку, ограничить скорость движения; ограничить движение отдельных видов транспортных средств; запретить движение в отдельных направлениях; перераспределить на перекрестках по полосам проезжей части потоки транспортных средств, следующих в разных направлениях; внести временные ограничения в отдельные периоды года, дни недели, часы суток и т.п. 11.10. На третьем этапе уточняют виды знаков, выбирают их размеры, места расположения на дороге, изучают возможность сокращения числа знаков без ущерба для удобства и безопасности движения, оценивают необходимость ограничения скорости на участках большой протяженности и корректируют схему расстановки знаков. Итоговым официальным документом, утверждаемым ГАИ в соответствии с административным подчинением дороги, является схема дислокации дорожных знаков для каждой автомобильной дороги, хранящаяся в дорожных организациях и ГАИ. 12. ПРИНЦИПЫ МАРШРУТНОГО ОРИЕНТИРОВАНИЯОбщие положения 12.1. Система маршрутного ориентирования предназначена для направления водителя на маршрут и постоянного его информирования о нахождении на этом маршруте. Система маршрутного ориентирования строится в расчете на водителя, не знакомого с данным маршрутом. 12.2. Название конечного объекта на протяжении маршрута повторяют на всех знаках 5.20 и 5.27, а на перекрестках, где маршрут меняет направление (отличное от прямого), и знаках 5.21. Кроме того, название конечного объекта должно быть указано и на знаках 5.20 и 5.21, установленных в местах въезда на данный маршрут. Этот же принцип должен соблюдаться и в отношении промежуточных объектов маршрута. Название объекта, однажды появившееся на знаках, повторяют и на последующих указателях вплоть до самого объекта. 12.3. Перечень названий, указанных на знаках, не должен быть ограничен объектами, расположенными в пределах республики, области, края или зоны, обслуживаемой дорожной организацией. На знаках необходимо указывать также другие объекты, помимо населенных пунктов, являющиеся пунктами притяжения для водителей: железнодорожные станции, порты, крупные торговые центры, музеи, мемориалы и т.п. При нахождении какого-либо пункта притяжения в стороне от основного маршрута, например транзитного маршрута через город, водителя с помощью указателей направлений необходимо не только довести до нужного ему объекта, но и вывести на основной маршрут. При наличии объездной дороги вокруг населенного пункта, в котором есть пункты притяжения для части водителей (достопримечательности, места отдыха и т.п.), кроме указания направления к конечному пункту по объезду, необходимо с помощью знаков проложить сквозной маршрут и через город с указанием направлений с этого маршрута к таким пунктам притяжения. 12.4. Маршруты к населенным пунктам и другим объектам необходимо указывать по дорогам, проезжим в любое время года. 12.5. При наличии между двумя объектами нескольких маршрутов необходимо обозначать с помощью указателей направлений наиболее удобный для движения маршрут (с учетом его протяженности, состояния дороги, наличия объектов обслуживания участников движения и т.п.). При введении в эксплуатацию дороги, сокращающей расстояние между объектами, маршрут между ними необходимо прокладывать по новому, более короткому направлению, пересмотрев соответственно схему расстановки указателей направлений и расстояний. Выбор цвета указателей направлений 12.6. Фон, на котором наносится надпись на указателях направлений (см. ГОСТ 10807-78 «Знаки дорожные», п.п. 3.2 и 3.3) может иметь три цвета: зеленый, синий и белый, что позволяет ускорить поиск нужной информации. Так, водитель, имеющий своей целью городской объект, будет ориентироваться только на знаки с белым фоном, а водитель, выезжающий из города, - на знаки или вставки с синим (зеленым) фоном. На знаках 5.20 и 5.21, установленных вне населенного пункта, зеленый или синий фон, на котором нанесена надпись, независимо от того общий это фон знака или фон вставки (части знака), означает, что непосредственно за перекрестком движение к указанному населенному пункту будет осуществляться по автомагистрали (зеленый фон) или другой дороге (синий фон). На знаках, установленных в населенном пункте (знаки 5.20.1 в этом случае имеют общий белый фон), зеленый или синий фон означает, что к указанному на знаке населенному пункту или объекту непосредственно за пределами данного населенного пункта движение будет осуществляться по автомагистрали (зеленый фон) или другой дороге (синий фон), белый фон означает, что объект расположен в данном населенном пункте. Так, например, если движение к объекту, расположенному за городом, осуществляется сначала по автомагистрали, а затем по обычной дороге (не автомагистрали), то на знаках, установленных в городе, название этого объекта должно выполняться на зеленом фоне. Исключением из данного принципа (п. 3.2 ГОСТ 10807-78) являются знаки 5.20.1, установленные в населенном пункте и несущие только название других населенных пунктов, движение к которым будет осуществляться по обычным дорогам (не автомагистралям), фон таких знаков должен быть синим. Однако и в этом случае название населенного пункта, к которому ведет автомагистраль, должно выполняться на вставке с зеленым фоном. Выбор конечного пункта 12.7. Для формирования системы маршрутного ориентирования необходимо выбрать конечный пункт, который будет указан на знаках 5.20, 5.21 и 5.27. За конечный целесообразно принимать пункт, указанный в титуле дороги в качестве конечного (начального) или промежуточного. Так, для дороги Москва - Харьков - Симферополь на участке Москва - Харьков конечными пунктами для соответствующих направлений движения будут соответственно Москва и Харьков. В дальнейшем под конечным пунктом будет подразумеваться объект, выбранный в качестве конечного в системе маршрутного ориентирования на данном участке дороги. Для дорог областного и местного значений в качестве конечного пункта целесообразно указывать областной центр данной или соседней области или другой пункт, расположенный на дороге общесоюзного или республиканского значения. Применение знаков 5.20 12.8. Предварительные указатели направлений необходимо устанавливать перед пересечениями с дорогами союзного, республиканского и областного значений, а также перед пересечениями с другими дорогами, которые ведут к объектам, привлекающим интенсивные транспортные потоки. 12.9. На знаках 5.20, установленных вне населенного пункта, для прямого направления целесообразно показать один пункт (конечный пункт данного маршрута), поскольку другие объекты для прямого направления регулярно указывают на знаках 5.27. Для боковых направлений указывают конечные пункты маршрута, проходящего в пересекающем направлении, кроме того, могут быть указаны и другие важные для боковых направлений объекты. На знаках 5.20, установленных в населенном пункте, для каждого из направлений может быть указано несколько объектов (но не более трех), одним из которых может быть населенный пункт, являющийся конечным пунктом маршрута, проходящего через данный населенный пункт. 12.10. На знаках 5.20 целесообразно показывать номер маршрута (знак 5.29.1), по которому осуществляется движение к указанным пунктам. Если в качестве объекта указана дорога, имеющая номер, то его не показывают, так как это может быть воспринято как номер пересекаемой дороги (рис. 12.1). Вне населенных пунктов в случае, если название дороги совпадает с названием конечного пункта, в который она ведет, целесообразно указывать этот пункт. 12.11. Знаки 5.20.2, устанавливаемые над проезжей частью дороги, должны применяться на автомагистралях и других дорогах с двумя и более полосами для движения в одном направлении, а также в исключительных случаях на двух- и трехполосных дорогах: при прохождении дороги по высокой насыпи или в глубокой выемке; на участках дорог, где знаки 5.20.1 не могут быть установлены из-за наличия построек или зеленых насаждений; перед перекрестками, где для лево- и правоповоротного потока отводят самостоятельные полосы. Рис. 12.1. Пример исполнения знака 5.20.1 (номер дороги «Киевское ш.» не указывается, поскольку она не является на данном перекрестке примыкающей дорогой) Применение знаков 5.21 12.12. Знаки 5.21 необходимо применять для указания направления к объектам, привлекающим даже незначительные потоки транспортных средств, управляемых неместными водителями. Целесообразно, чтобы в целом по дороге (участку дороги) применялись указатели одного вида (5.21.1 или 5.21.2). 12.13. Знак 5.21.2 в отличие от знака 5.21.1 дает возможность более точно указать направление движения, когда съезд на боковую дорогу осуществляется не под прямым углом (на развилках, развязках в разных уровнях и т.п.). Кроме того, этот знак дает возможность показать объект и в прямом направлении, что может быть необходимым для подтверждения правильности выбора маршрута. 12.14. Применение знаков 5.21.2 предпочтительнее. При указании нескольких направлений их следует размещать в последовательности (сверху вниз): прямо, налево, направо (пример знака 5.21.2 в стандарте). Если для одного направления используют знаки (части знака) с разным цветом фона, то их последовательность должна быть следующей (сверху вниз): зеленый, синий, белый. При указании на одном фоне для одного направления движения нескольких объектов вверху указывают наиболее близкий к месту установки знака, внизу - наиболее удаленный (рис. 12.2). 12.15. На знаках 5.21, как правило, следует указывать расстояние до объекта в диапазоне от 0 до 10 км - с точностью до 0,1 км, а при расстоянии до объекта свыше 10 км - с точностью до 1 км. Размерность (км) при этом не указывается (табл. 8 ГОСТ I10807-78). Нецелесообразно указывать расстояния, превышающие 100 км. 12.16. Для боковых направлений на знаке 5.21 указывают конечный пункт маршрута, начинающегося на перекрестке или проходящего через него в поперечном направлении, т.е. те же пункты, что указывают на знаках 5.20, если они установлены перед перекрестком. Если на знаках 5.20 для боковых направлений указывают два-три пункта, то их следует повторять и на знаках 5.21. К наименованию конечного пункта на знаках 5.21 может быть добавлено наименование одного-двух промежуточных пунктов. При этом общее число пунктов для одного направления не должно превышать трех. 12.17. Если знак 5.21.2 установлен в населенном пункте, а на знаке указывается название объекта, расположенного в этом населенном пункте и название другого населенного пункта, то знак принимает вид, показанный на рис. 12.3. Рис. 12.2. Последовательность указания объектов по признаку их удаленности от места установки знака Рис. 12.3. Пример исполнения знака 5.21.2 при указании направления движения к населенному пункту и объекту, расположенному в населенном пункте, где установлен знак Применение знака 5.27 12.18. Знак 5.27 информирует водителей о расстояниях и подтверждает правильность выбора маршрута до пункта следования. 12.19. На первом после начала маршрута знаке 5.27 может быть указано расстояние до конечного пункта всего маршрута. Рекомендации по размещению, оформлению знака 5.27 даны в п.п. 8.40 - 8.42. 12.20. На знаках 5.27, размещаемых на пролетных строениях путепроводов, надписи могут быть выполнены в одну строку. Применение знаков 5.29 12.21. Знаки 5.29 применяют в качестве подтверждающих на дорогах (маршрутах) союзного и республиканского значений, а также в случаях, когда применение обычных указателей направлений затруднено вследствие стесненной застройки, зеленых насаждений и т.п. Если дорога имеет одновременно союзный и международный номера, то первым из них указывается союзный. 12.22. Знаки 5.29.1 устанавливают в начале дороги и повторяют после населенных пунктов и перекрестков с интенсивным движением через каждые 20 - 25 км, а также в случаях, когда могут возникнуть затруднения в ориентировании водителей. 12.23. Знаки 5.29.2 следует устанавливать перед перекрестками (в первую очередь там, где маршруты разветвляются или меняют направление) и применять преимущественно в населенных пунктах. Организация объездных маршрутов 12.24. На знаке 5.31 указывают конечный пункт (пункт, к которому осуществлялось движение до закрытия участка) и важнейшие промежуточные пункты объездного маршрута, в первую очередь те, где изменяется направление движения. Если объездной маршрут выходит на другую дорогу, ведущую к тому же конечному пункту, что и закрытая для движения дорога, то это должно быть показано на схеме объезда (рис. 12.4). 12.25. Знаки 5.32.2 и 5.32.3 устанавливают непосредственно в начале объезда, специально проложенного вдоль закрытого участка дороги или проходящего по сети существующих дорог. Во втором случае знаки 5.32.1 - 5.32.3 необходимо устанавливать перед всеми перекрестками, находящимися на объездном маршруте. Вместо слова «объезд» на знаках 5.32 может быть нанесено название конечного пункта, т.е. пункта, указанного в верхней части знака 5.31. Такая замена целесообразна на маршрутах большой протяженности, проходящих по территории нескольких районов или областей, в этом случае знаки 5.32 приобретают смысл и для местных водителей. Рис. 12.4. Вариант исполнения знака 5.31
12.26. В месте непосредственного выхода объездного маршрута на дорогу, ведущую к конечному пункту, должен быть установлен знак 5.21 с указанием направления к нему. 12.27. Для указания объезда участка дороги, на котором установлен один из запрещающих знаков 3.11 - 3.15 (т.е. участка дороги, которым не могут воспользоваться отдельные транспортные средства), применяют предварительный указатель направлений 5.20.1, при этом на схеме необходимо указать места изменения направления движения (рис. 12.5). На самом маршруте в местах изменения направления движения должны быть установлены указатели направлений 5.21 с указанием направления движения к конечному пункту. 12.28. К знакам, предназначенным для маршрутного ориентирования, можно отнести и знаки 5.30 «Направление движения для грузовых автомобилей» (см. п. 8.19), которые предназначены для указания в населенных пунктах рекомендуемого маршрута, если движение грузовых автомобилей по центральной улице (улицам) снимается. На маршруте в местах изменения направления движения целесообразно совместно со знаками 5.30 устанавливать и знак 5.21 с указанием направления движения к конечному пункту (рис. 12.6). Особенности маршрутного ориентирования в городах 12.29. Наличие объездной дороги не исключает создания в городе системы маршрутного ориентирования. Система должна строиться исходя из потребностей транзитного проезда. 12.30. Система маршрутного ориентирования в городе строится с помощью знаков 5.20, 5.21 и 5.29. Знаки с надписями (5.20 и 5.21) являются более информативными по сравнению со знаками 5.29. Однако их габариты, определяющие зачастую возможность установки, существенно больше. Поэтому наиболее приемлемым является сочетание знаков 5.20, 5.21 со знаками 5.29. 12.31. На внутригородских маршрутах на знаках 5.20 и 5.21 указываются конечные и промежуточные пункты маршрутов (дорог) союзного, республиканского, областного значений, проходящих через город. Кроме того, на знаках указываются городские объекты, являющиеся для водителей пунктами притяжения: центр, городские районы, торговые центры, вокзалы, аэропорт и т.п. Для городских районов могут указываться как официальные, так и исторически сложившиеся названия. 12.32. Знаки 5.29 целесообразно использовать совместно со знаками 5.20 и 5.21, так как количество и протяженность транзитных маршрутов делают систему информации, построенную только на знаках 5.20 и 5.21, слишком дорогостоящей, а также в городах, где из-за тесной застройки и зеленых насаждений с помощью знаков 5.20 и 5.21 невозможно обеспечить непрерывность информации на протяжении всего маршрута. 12.33. Для применения знаков 5.29 основным маршрутам в пределах города целесообразно присвоить номера (рис. 12.7, а). При этом за городскими магистралями, являющимися продолжением дорог, которым присвоены номера в масштабе страны или республики, эти номера сохраняются. 12.34. Для информирования водителей о введенной нумерации маршрутов на каждом из въездов в населенный пункт необходимо установить информационный знак (рис. 12.7, б), на котором указывают конечные пункты выездных маршрутов и номера, присвоенные этим маршрутам в пределах населенного пункта. Такой знак должен иметь синий фон, его компонуют в соответствии с требованиями ГОСТ 10807-78 (раздел 3). Кроме того, на ближайшей границе населенного пункта площадке отдыха (месте стоянки) целесообразно устанавливать схему маршрутов, проходящих через населенный пункт, с указанием присвоенных им номеров.
Рис. 12.7. Схема нумерации маршрутов в населенном пункте и оборудования их знаками. Указаны знаки, предназначенные только для водителей, которые въезжают в населенный пункт с направления Анино: а - сеть маршрутов и их нумерация; б - знак, информирующий о принятой нумерации маршрутов (для схемы а, со стороны населенного пункта Анино); в - сеть маршрутов с одним сквозным маршрутом 12.35. Однократного упоминания номера маршрута в сочетании с соответствующим пунктом маршрута недостаточно для уверенного прохождения маршрута большой протяженности с частым изменением его направления на перекрестках. Для подтверждения правильности выбора целесообразно применять знаки 5.20.1 и 5.20.2, на которых название объекта сочетается с номером маршрута. Помимо этой функции знаки дают информацию о номерах дорог водителям, которые въезжают на маршрут не в его начале (на границе города), а в пределах города с улиц, не входящих в систему маршрутов, например из центральной или периферийной части города. 12.36. В населенных пунктах на дорогах, где установка знаков 5.20.1 или 5.20.2 затруднена или невозможна, в качестве предварительного указателя направлений может быть применен знак 5.21.2. 12.37. Установка знаков 5.20.1 или 5.20.2 (с указанием номера маршрута) является обязательной в местах въезда на маршрут, который проходит через перекресток в двух направлениях (рис. 12.7, в). Кроме того, такие знаки следует устанавливать в местах разветвления (слияния) маршрутов. 12.38. Установка знаков 5.20.1 и 5.20.2 рекомендуется перед перекрестками, где направление маршрута отлично от прямого. 12.39. Если в перечисленных случаях (п.п. 12.37, 12.38) установка знаков 5.20.1 или 5.20.2 невозможна, вместо них следует устанавливать знаки 5.21.2 в сочетании со знаками 5.29.2 или, что более рационально, знак 5.21.2 с указанием на нем номеров маршрутов. 12.40. Только с помощью знаков 5.20 и 5.21 система маршрутного ориентирования может быть оформлена в городе, через который проходят один или два маршрута, не имеющие номеров, поскольку в этом случае нецелесообразно присваивать номера маршрутам в пределах города. 12.41. Только с помощью знаков 5.29 система маршрутного ориентирования может быть оформлена в небольшом городе, где все вылетные магистрали являются продолжением автомобильных дорог, которым присвоены номера, и нет необходимости показывать направление к городским объектам. Но и в этом случае на въездах в город необходимо устанавливать информационный знак, упомянутый в п. 12.34.
Рис. 12.8. Применение знака 5.21.2 с указанием объекта в прямом направлении на сложном перекрестке 12.42. Знаки 5.29.2 целесообразно применять на перекрестках, через которые маршрут проходит в прямом направлении, если у водителей могут возникнуть сомнения в правильности выбора направления (например, при изменении ширины дороги или если ширина пересекаемой улицы больше или равна ширине улицы, по которой проложен маршрут), а также на перекрестках, где маршрут изменяет направление при условии, что нет возможности установить знаки 5.20 или 5.21. 12.43. При проложении транзитного маршрута через город на перекрестках, где указывают направления движения к населенным пунктам, расположенным на боковых направлениях, на знаках 5.20 и 5.21.2 следует указывать конечный пункт и для прямого направления. Знаки 5.20 или 5.21.2 с указанием только прямого направления необходимо устанавливать в начале перегона непосредственно за сложным перекрестком (площадью) в случаях, когда водители могут испытывать затруднения в выборе нужного направления (рис. 12.8). Рис. 12.9. Знаки 5.21.2 с указанием направления к магистрали, на выход из города, состоящей из улиц, носящих разные названия 12.44. В населенных пунктах при указании направления к дорогам (магистралям), выходящим из города, может оказаться достаточным только название населенного пункта, к которому ведет такая дорога (рис. 12.9). Делать так целесообразно в частности для магистрали, которая состоит из улиц, носящих разные названия. Если магистраль сама по себе представляет пункт притяжения для местных и транзитных водителей, то на знаках, указывающих направление к такой магистрали, целесообразно указывать ее название. 12.45. Если название магистрали на выходе из города не связано с конечным пунктом, то при выезде на такую магистраль необходимо указывать ее название, используя знак 5.21.2. В городах и других населенных пунктах на перекрестках целесообразно показывать название пересекаемых улиц, в первую очередь являющихся пунктами притяжения из-за расположенных на них учреждений, торговых, зрелищных и других предприятий или являющихся составной частью маршрутов общегородского значения. 12.46. При указании на знаке 5.21.2 направлений движения к улицам, проспектам и т.п. всегда необходимо указывать расстояние до них, так как в противном случае может возникнуть впечатление, что указанное название носит пересекаемая дорога (рис. 12.10). Знаки без указания расстояний следует устанавливать только в местах выезда на соответствующие улицы. 12.47. Городские и внегородские объекты могут быть показаны на одном знаке, но не более трех объектов для одного направления движения. В городах, через которые проходит большое число маршрутов, а в самом городе имеется большое число объектов, которые должны быть показаны на знаках, информацию необходимо давать на разных знаках. Так, информация о других населенных пунктах может наноситься на знаки 5.20.1 и 5.20.2 (в отсутствие автомагистралей фон знаков будет синим) и знаки 5.29, а о городских объектах - на знаки 5.21.2 (фон белый). 12.48. Для вывода на маршрут водителей, следующих из центральной или периферийной частей города, информация о направлениях движения дается знаками 5.21.2 или 5.29.2, которые устанавливаются на основных улицах, выходящих к маршрутам. Непосредственно в местах выезда на маршрут следует указывать названия конечных (промежуточных) пунктов маршрута в сочетании с его номером. 12.49. На знаках 5.21.2, установленных в пределах города, не следует указывать расстояний до других населенных пунктов, поскольку такая информация может быть показана на знаках 5.27 на выезде из города. 12.50. Знаки 5.21.2 необходимо применять для построения подсистемы ориентирования на перекрестках, не входящих в маршрутную систему. Такая схема расстановки знаков может быть применена как в целом для города, так и для отдельных его частей, расположенных в стороне от основных маршрутов. Рис. 12.10. Знаки 5.21.2 с указанием направления к вылетной магистрали, название которой не связано с названием конечного пункта: а - если на выезде на магистраль движение разрешается и вправо и влево; б - если на выезде на магистраль в одном из направлений движение запрещено Знаки 5.21.2 с названиями пересекаемых улиц целесообразно размещать непосредственно перед перекрестком (например, на стойках светофоров, других знаков, на растяжках над проезжей частью и т.п.). 13. УСТАНОВКА ЗНАКОВ НА ПЕРЕСЕЧЕНИЯХ В ОДНОМ УРОВНЕ13.1. На пересечениях и примыканиях автомобильных дорог знаки должны давать водителю четкую информацию о направлениях движения, преимуществе в движении по отдельным направлениям перед другими транспортными средствами, о запрещении определенных маневров в условиях регулирования движения на перекрестке. Информирование водителей о направлениях движения 13.2. Для информирования водителей транспортных средств о наименованиях населенных пунктов и других объектов, к которым ведут пересекаемые дороги, используют знаки 5.20.1 и 5.20.2, 5.21.1, 5.21.2. 13.3. Знаки 5.20.1 устанавливают на расстоянии не менее 300 м от перекрестка или начала полосы торможения вне населенных пунктов и не менее 50 м в населенных пунктах. На автомагистралях знак 5.20.1 должен быть установлен, кроме того, и на расстоянии не менее 800 м от пересечения или начала полосы торможения. На знаке 5.20.1 могут быть показаны два последовательно расположенных пересечения (примыкания), если расстояние между ними не превышает 300 м вне населенных пунктов и 50 м в населенных пунктах. В нижней части знака в этом случае указывают расстояние до ближайшего пересечения (примыкания). Для указания расстояния от места установки знака 5.20.1 до пересечения (примыкания) применяют величины, предусмотренные табл. 8 ГОСТ 10807-78. 13.4. Если на перекрестке выделены полосы для движения по различным направлениям, то рекомендуется заблаговременно предупреждать водителей о назначении отдельных полос, устанавливая знак 5.20.2. 13.5. Знаки 5.20.2 устанавливают над проезжей частью дороги непосредственно перед началом полосы торможения, а при ее отсутствии - на расстоянии не менее 100 м от перекрестка вне населенных пунктов и не менее 50 м в населенных пунктах. Знаки 5.20.2 могут применяться вместо знаков 5.20.1 на подходах к перекресткам, где установка их затруднена из-за высоких насыпей, глубоких выемок, наличия построек или зеленых насаждений. В этом случае знаки 5.20.2 устанавливаются на расстоянии не менее 300 м от перекрестка или начала полосы торможения вне населенных пунктов и не менее 50 м в населенных пунктах, а на автомагистралях, кроме того, и на расстоянии не менее 800 м от перекрестка или начала полосы торможения. 13.6. Для каждого из возможных на перекрестке направлений движения целесообразно устанавливать самостоятельный знак 5.20.2 (рис. 13.1, а). Соседние знаки могут различаться по высоте и ширине. 13.7. Знаки 5.20.2 размещают на П и Г-образных опорах и ряд по горизонтали, при этом между соседними знаками необходимо обеспечить расстояние не менее 0,5 м.
Рис. 13.1. Размещение знаков 5.20.2 на П и Г-образной опоре: а - в один ряд; б - двух знаков на Г-образной опоре в один ряд и друг над другом; в - на пересечении в одном уровне Рис. 13.2. Расположение знаков 5.21.2: а - на пересечении многополосных дорог; б, в - на пересечении двухполосных дорог Не следует размещать знаки 5.20.2 на Г-образных опорах друг над другом, вместо этого целесообразно непосредственно на перекрестке установить на Г-образной опоре знак 5.21.2 (см. п. 13.10). Однако на двухполосных дорогах в случаях, когда знаки 5.20.2 применяют вместо знаков 5.20.1, допускается их размещение по вертикали на расстоянии не менее 0,05 м друг от друга (рис. 13.1, б). При таком варианте размещения знаки для разных направлений могут быть выполнены на общем щите. При применении знаков 5.20.2 на двух- и трехполосных дорогах на перекрестках, где для каждого из направлений выделена самостоятельная полоса, рамную опору следует размещать так, чтобы знаки располагались над полосами, предназначенными для движения в сторону перекрестка (рис. 13.1, в). 13.8. Знаки 5.21, как правило, следует располагать справа от дороги непосредственно перед перекрестком на стойках на каждом из подъездов к перекрестку, а на перекрестках, где для одного направления движения имеется две или более полос движения (с учетом полос торможения и разгона), такую установку следует считать обязательной (рис. 13.2, а). На дорогах с одной полосой для каждого из направлений движения при невысокой интенсивности движения допускают размещение на одной стойке знаков для противоположных направлений движения или всех указателей направлений (рис. 13.2, б, в). На многополосных дорогах знаки с указанием направлений движения влево целесообразно продублировать слева от дороги или на разделительной полосе (направляющем островке). На Т-образном пересечении знаки 5.21 могут быть установлены напротив проезда, не имеющего продолжения, причем знаки 5.21.2 целесообразно выполнить отдельно для каждого из направлений движения (рис. 13.3). 13.9. Знаки 5.21 не должны ограничивать обзорность пересекаемой дороги для водителей, подъехавших к перекрестку. 13.10. На участках дорог, где установка знаков 5.21.2 сбоку от дороги затруднена, их целесообразно устанавливать над проезжей частью дороги на Г-образных опорах (рис. 13.4). В этом случае знаки 5.21.2 за счет значительного расстояния видимости, которое обеспечено их положением и большими размерами надписи, сочетают в себе функции указателя направлений на перекрестке и предварительного указателя. В населенных пунктах, кроме того, знаки 5.21 могут быть размещены над тротуаром так, чтобы они не мешали пешеходам и тротуароуборочным машинам, на высоту до 4 м. 13.11. На развилках дорог знаки 5.21.2 целесообразно располагать на Т-образной опоре, установленной за развилкой (рис. 13.5). Из всех возможных на развилке размещений знаков 5.21.2 такое их расположение обеспечивает наиболее четкую информацию о направлениях движения, поскольку движение к указанным объектам осуществляется практически под соответствующим указателем. Стрелка для прямого направления в этом случае должна размещаться на дальнем от консоли крае знака. Для более четкого выделения главного направления наименование объектов на второстепенном направлении целесообразно выполнить шрифтом уменьшенной высоты.
Рис. 13.3. Пример исполнения знаков 5.21.2 при установке на Т-образном перекрестке Рис .13.4. Размещение знака 5.21.2 на Г-образной опоре Рис. 13.5. Размещение знаков 5.21.2 на Т-образной опоре 13.12. На горизонтальных кривых знак рекомендуется располагать на внешней стороне кривой, чтобы улучшить его видимость в свете фар (рис. 13.6, а, б, в). Знаки 5.21 можно устанавливать на островках безопасности (рис. 13.7), если обеспечивается необходимое расстояние между краем проезжей части (или бровкой земляного полотна) и знаком (см. раздел 3). 13.13. После важных перекрестков рекомендуется устанавливать указатели расстояний 5.27, в том числе при необходимости и с наименованиями, выполненными латинскими буквами. 13.14. Знаки 5.29 размещают на стойках или тросах-растяжках и устанавливают справа от дороги либо над проезжей частью данного направления движения. 13.15. Знаки 5.29 располагаются как по вертикали, так и по горизонтали. Рис. 13.6. Схемы установки знаков 5.21 «Указатель направлений» на примыканиях двух-, трехполосных дорог Рис. 13.7. Схемы установки знаков 5.21 «Указатель направлений» на примыканиях с островками безопасности Рис. 13.8. Размещение знаков 5.29: а, б, в - знаки на стойке, использованы отдельные щиты; г, д, е - подвесные знаки на отдельных щитах; г - совместное использование знаков 5.29.2 и 5.29.1 на отдельных щитах Допускается одновременное расположение знаков 5.28 и одного 5.29.1 на одной стойке. При этом знак 5.29.1 располагается сверху. Примеры размещения знаков 5.29 приведены на рис. 13.8. Обеспечение преимущества в движении на пересечениях 13.16. При разработке схем расстановки знаков на перекрестках необходимо проанализировать интенсивность движения транспортных средств по различным направлениям. С помощью знаков 2.1 «Главная дорога» и 2.3.1 - 2.3.3, устанавливаемых пород пересечением (примыканием) со второстепенной дорогой, целесообразно предоставлять преимущественное право проезда перекрестков на участках дорог или на отдельных перекрестках на дорогах, где интенсивность движения по крайней мере на 10 % выше, чем на пересекаемых дорогах. Если интенсивности движения на пересекающихся дорогах примерно равны, главной может быть объявлена дорога, по которой организовано движение маршрутных транспортных средств общего пользования, или интенсивность их движения выше, чем на другой дороге, а также дорога, на которой движение осуществляется с более высокой скоростью, или дорога, имеющая продольный уклон. В местах примыкания дорог под небольшим углом при прочих равных условиях следует предоставлять преимущество водителям, имеющим помеху справа, поскольку для них (особенно для водителей грузовых автомобилей) ограничена видимость дороги с правой стороны от направления движения. 13.17. При пересечении двух дорог, ранее объявленных главными с помощью знаков 2.1, на одной из них, например, на дороге с меньшей интенсивностью движения, должен быть установлен знак 2.2. Вне населенных пунктов его размещают на одной стойке совместно с предварительно установленным знаком 2.4 и с табличкой 7.1.1 или 7.1.2, а в населенных пунктах, - совместно со знаком 2.4 или 2.5. В населенных пунктах знак 2.2 при необходимости может быть установлен предварительно с табличкой 7.1.1 (рис. 13.9). 13.18. Преимущественное право проезда может быть предоставлено и на отдельном перекрестке (находящемся вне главной дороги) исходя из условий, оговоренных в п. 3.1, или на перекрестке, где из-за незначительной ширины пересекающихся дорог затруднен или невозможен поочередной разъезд в соответствии с п.п. 15.2 и 15.5 Правил дорожного движения. Если приоритет устанавливается для поворотного движения, то перед перекрестком необходимо установить знак 2.1 (но не 2.3.1 - 2.3.3) с табличкой 7.13, а за перекрестком - знак 2.2 (рис. 13.10). 13.19. На регулируемых перекрестках, где светофорная сигнализация в отдельные периоды времени отключается или переводится на режим желтого мигающего сигнала, по направлению главной дороги целесообразно устанавливать только знаки 2.1, размещая их на колонках светофоров. 13.20. Знак 1.6 «Пересечение равнозначных дорог» должен устанавливаться перед пересечением равных по значению дорог, если расстояние видимости перекрестка вне населенных пунктов менее 150 м, а в населенных пунктах - менее 50 м. Под видимостью перекрестка следует понимать видимость элементов, определяющих перекресток, прежде всего проезжей части и тротуаров или обочин пересекаемой дороги. Знаки 1.6 устанавливаются на всех подъездах к перекрестку, если видимость перекрестка ограничена хотя бы на одном подъезде к нему. Рис. 13.9. Установка знаков приоритета в месте пересечения дорог, ранее объявленных главными с помощью знака 2.1: а - в населенном пункте; б - вне населенного пункта
Рис. 13.10. Установка знаков приоритета на отдельном перекрестке при изменении направления главной дороги
Рис. 13.11. Установка знаков на кольцевом пересечении при предоставлении преимущества транспортным средствам, движущимся по кольцу Рис. 13.12. Установка знаков на кольцевом пересечении при прохождении главной дороги в прямом направлении: а - вариант установки знаков 2.1 между примыканиями; б - вариант установки знаков 2.1 на островках Рис. 13.13. Установка знаков на кольцевом пересечении в случае, когда главная дорога изменяет свое направление: а - вариант установки знаков 2.1 между примыканиями; б - вариант установки знаков 2.1 на островках Кроме случая ограничения видимости перекрестка, знаки 1.6 должны также применяться на перекрестках, где отменяется порядок проезда перекрестка, установленный ранее с помощью знаков приоритета. Знаки 1.6 необходимы для привлечения внимания водителей к тому, что порядок проезда перекрестка изменился. Кроме того, с этой же целью целесообразно устанавливать панно, извещающее, что с указанной даты неравнозначный перекресток становится равнозначным. 13.21. На кольцевых пересечениях преимуществом в движении пользуются водители транспортных средств, въезжающих на кольцо, так как они не имеют помех справа. Для повышения пропускной способности кольцевого пересечения должно быть предоставлено преимущество транспортным средствам, движущимся по кольцу. Такой порядок можно ввести с помощью знаков 2.1, устанавливаемых на кольце, и знаков 2.4 (или 2.5) на въездах (рис. 13.11). Установка одних знаков 2.4 (2.5) даже с табличкой 7.13 без знаков 2.1 на главном направлении недостаточна, так как эти знаки не предоставляют преимущества в движении по кольцу. Если через кольцевое пересечение главная дорога проходит в прямом или изменяющемся направлении, применяют схемы расстановки знаков, показанные на рис. 13.12 и 13.13. Наличие островков, предназначенных для установки знаков 2.4, является обязательным. Знаки 2.1 могут быть размещены между примыканиями (вариант «а») или на островках (вариант «б»), что является более предпочтительным. 14. УСТАНОВКА ЗНАКОВ НА ПЕРЕСЕЧЕНИЯХ В РАЗНЫХ УРОВНЯХ14.1. При разработке схемы установки знаков на пересечениях автомобильных дорог в разных уровнях основное внимание следует уделить дорожным знакам, информирующим водителей о направлениях движения, а также знакам, устанавливающим преимущество в движении и запрещающим выполнение определенных маневров. 14.2. Для всех пересечений в разных уровнях характерно наличие право- и левоповоротных съездов, устраиваемых как с переходно-скоростными полосами разного очертания, так и без них. На соединительных съездах условия движения резко отличаются от условий на прямолинейных участках, о чем необходимо своевременно предупреждать водителей. 14.3. Для указания направлений движения используют знаки 5.8, 5.20, 5.21 и 5.29. Эти знаки должны быть увязаны с единой системой маршрутного ориентирования водителя (см. раздел 12). Примеры расстановки знаков на подходах к пересечениям приведены на рис. 14.1. 14.4. На автомагистралях на знаках 5.20.2, установленных перед первым съездом, целесообразно показывать, к какому пункту и по какой из полос следует продолжать движение за знаком 5.20.2 (см. рис. 14.1, а). На других дорогах (не на автомагистралях) на знаке 5.20.2, установленном перед первым съездом (правый знак), целесообразно указать и направление движения по второму съезду (см. рис. 14.1, б). При прохождении дороги под путепроводом знаки 5.20.2, как правило, следует размещать на его пролетных строениях. Если установка знаков 5.20.2 перед вторым съездом невозможна, например, при прохождении дороги по путепроводу, то вместо установки знаков 5.20.2 только перед первым съездом следует непосредственно перед каждым из съездов установить знаки 5.21.2 на консольных опорах (см. рис. 14.1, в). Рис. 14.1. Примеры применения указателей направлений: а - на развязке в разных уровнях на автомагистрали; б - на развязке в разных уровнях на других дорогах (не автомагистралях) в случае, когда для всех съездов устанавливается общая переходно-скоростная полоса; в - на развязке и разных уровнях на других дорогах (не автомагистралях), когда полосы торможения выполнены отдельно для каждого съезда 14.5. На соединительных съездах опасность представляют кривые в плане малого радиуса, особенно те, которые расположены в конце переходно-скоростных полос. Рядом с началом круговой кривой рекомендуется устанавливать знаки 1.31.1 (1.31.2) и 3.24 (см. раздел 15). Знаки 1.11 и 1.12 на таких участках не устанавливают. 14.6. На примыканиях соединительных съездов преимущество в движении обеспечивают знаками 2.4 (рис. 14.2, а, б), а в особых случаях - знаками 2.5 (рис. 14.2, в). Основной знак 2.4 устанавливают с правой стороны дороги. Под ним необходимо закрепить знак 4.1.2, предписывающий движение только направо, а к оборотной стороне этого знака (при отсутствии разделительной полосы) прикрепить знак 3.1, запрещающий въезд на съезд против разрешенного направления движения. Вместо знака 3.1 на противоположной стороне дороги может быть установлен знак 4.1.1. При длине съездов более 400 м (см. рис. 14.2) должен быть установлен заблаговременно дополнительный знак 2.4 с табличкой 7.1.1. Знаки 4.1.2 применяются при угле съезда более 30°, при меньших углах съезда следует применять знак 4.1.1 (см. рис. 14.2, а, в). Рис. 14.2. Примеры применения знаков на примыканиях соединительных съездов: а - на дороге с разделительной полосой; б, в - на дороге без разделительной полосы 14.7. На главной дороге перед примыканием съезда следует установить знак 4.1.1, предписывающий движение по главной дороге только в прямом направлении. Знак 2.3.2, предупреждающий водителей о примыкании справа, как правило, перед такими участками не устанавливают. 14.8. В конце полосы разгона следует устанавливать знаки, зона действия которых окончилась на данном перекрестке, а по соображениям безопасности необходимо возобновить запрещение и на следующий участок. 15. УСТАНОВКА ЗНАКОВ НА КРИВЫХ В ПЛАНЕ, ПОДЪЕМАХ И СПУСКАХКривые в плане 15.1. Для повышения безопасности движения на кривых в плане следует использовать знаки 1.11.1, 1.11.2 «Опасный поворот», 1.12.1, 1.12.2 «Опасные повороты», 3.24 «Ограничение максимальной скорости», 3.20 «Обгон запрещен». Если на кривой уменьшается число полос движения по сравнению с предшествующим участком, необходимо устанавливать предупреждающие знаки 1.18.1 - 1.18.3 «Сужение дороги». 15.2. Знаки 1.11.1 и 1.11.2 необходимо устанавливать перед кривыми в плане, движение по которым представляет опасность из-за возможного заноса транспортного средства, столкновения со встречными транспортными средствами или съезда с дороги при необеспеченной видимости и высокой скорости движения. 15.3. Знаки 1.11.1 и 1.11.2 следует устанавливать с учетом фактической скорости быстродвижущихся автомобилей (скорость 95 % обеспеченности) при коэффициенте безопасности, равном или менее 0,6. На кривых в плане, где обеспечено расстояние видимости встречного автомобиля, указанное в табл. 15.1, следует устанавливать знаки 1.11 на подходах к кривым с углом поворота трассы, равным или большим значений, указанных в табл. 15.2 для соответствующих радиусов (рис. 15.1, а). 15.4. На трехполосных дорогах при таких углах поворота следует разделять проезжую часть линией разметки в пределах кривой на две полосы движения и устанавливать знаки 1.11.1 (1.11.2) и 1.18.3 (рис. 16.1, б). 15.5. Знаки 1.12.1 и 1.12.2 «Опасные повороты» устанавливаются перед двумя и более следующими друг за другом закруглениями дороги, если перед первым из них должен быть установлен соответственно знак 1.11.1 или 1.11.2. Расстояние между соседними закруглениями определяется между концом и началом следующих друг за другом закруглений, т.е. круговых или переходных (если они есть) кривых. При трех и более следующих друг за другом закруглениях со знаками 1.12.1 и 1.12.2 следует применять табличку 7.2.1. Таблица 15.1
Таблица 15.2
Рис. 15.1. Схемы установки знаков на горизонтальных кривых: а - на дорогах с двумя полосами движения; б - на дорогах с тремя полосами движения 15.6. На участках с ограниченной видимостью Правила дорожного движения повсеместно запрещают обгон, а на участках дорог (вне населенных пунктов) с видимостью дороги менее 100 м в каждом направлении: запрещают разворот и стоянку транспортных средств. Поэтому на кривых с ограниченной видимостью (менее 100 м) дорожные знаки, запрещающие обгон, как правило, не устанавливают. 15.7. На кривых в плане с недостаточной видимостью целесообразно ограничивать максимальную скорость движения, руководствуясь табл. 15.1. При этом знак 3.24 с табличкой 7.2.1 следует помещать под знаком 1.11 с табличкой 7.1.1, а в конце зоны с ограниченной видимостью устанавливать знак 3.25. 15.8. Перед кривыми, на которых уменьшается число полос движения в одном из направлений, а по условиям безопасности требуется ограничить скорость движения, необходимо устанавливать знаки 1.11, 1.18.3 и 3.24, а в конце кривой - знак 3.25. 15.9. Информацию, обеспечиваемую знаками, следует по возможности дублировать на проезжей части линиями и стрелами разметки. 15.10. На крутых поворотах дороги с радиусами менее 250 м при необеспеченной видимости следует предусматривать установку с внешней стороны кривой знаков 1.31.1, 1.31.2 «Направление поворота». 15.11. Если кривая в плане скрыта за выпуклой вертикальной кривой, то независимо от величины ее радиуса водитель должен быть предупрежден знаками 1.11, устанавливаемыми до перелома продольного профиля. 15.12. На участках дорог в пересеченной или горной местности с частыми поворотами трассы через 1 - 3 км устанавливают большой дорожный плакат с надписью «Внимание! Опасный участок ... м (км)», на котором закрепляют стандартный дорожный знак 1.12.1 (1.12.2). Крутые спуски и подъемы 15.13. Перед спуском или подъемом, длины которых при соответствующей величине уклона больше указанных ниже, следует применять соответственно знаки 1.13 «Крутой спуск» и 1.14 «Крутой подъем»: Уклон, ‰......................... 40 50 60 70 80 и более Длина уклона, м.............. 600 450 350 300 270 15.14. На спусках с уклонами более 50 ‰ следует запрещать остановку, устанавливая знак 3.27 с табличкой 7.2.2. 15.15. На двухполосных дорогах перед подъемами, длина которых превышает критическую длину уклона, следует запрещать обгон грузовым автомобилям. 15.16. Правила дорожного движения запрещают обгон с выездом на полосу встречного движения вблизи от вершины подъема вне населенных пунктов. У выпуклых переломов продольного профиля с видимостью дороги в каждом направлении менее 100 м запрещены стоянка и разворот. На таких участках соответствующие знаки не устанавливают. 15.17. При устройстве на крутых спусках улавливающих карманов аварийных съездов транспортных средств перед въездами на них должен быть установлен знак 5.19.1 «Тупик» с надписью «Дорожка для аварийного торможения» на специальном плакате. 16. УСТАНОВКА ЗНАКОВ У ЖЕЛЕЗНОДОРОЖНЫХ ПЕРЕЕЗДОВ16.l. У железнодорожных переездов устанавливают знаки с целью своевременного предупреждения водителей о наличии железнодорожного переезда и установления порядка движения через него транспортных средств. 16.2. У железнодорожных переездов, оборудованных шлагбаумами, устанавливают знак 1.1, у необорудованных - знак 1.2. 16.3. Знаки 1.1 и 1.2 вне населенных пунктов обязательно повторяют. Второй знак устанавливают не менее чем за 50 м до переезда. 16.4. Знаки 1.1 и 1.2 необходимо дублировать на дорогах с тремя, и более полосами для движения в обоих направлениях, а также на дорогах с одной или двумя полосами движения в обоих направлениях, если расстояние видимости переезда вне населенных пунктов менее 300 м, а в населенных пунктах - менее 100 м. 16.5. Знаки 1.4.1 - 1.4.6 необходимо устанавливать на дорогах I - III категории вне населенных пунктов, а на дорогах других категорий - при расстоянии видимости переезда менее 300 м. Знак 1.4.1 (1.4.4) размещают непосредственно под первым знаком 1.11 (или 1.2), знак 1.4.3 (1.4.6) - под вторым знаком, а знак 1.4.2 (1.4.5) - между первым и вторым знаком на равном расстоянии между ними. 16.6. Если автомобильная дорога пересекает два близко расположенных переезда, расстояние между которыми менее 50 м, знак 1.1 (1.2) устанавливают только перед первым переездом. Если расстояние между переездами более 50 м, знак 1.1 (1.2) устанавливают перед каждым переездом. 16.7. Если автомобильная дорога проходит параллельно железной дороге на расстоянии менее 50 м от нее, необходимо принять меры для предупреждения водителей, поворачивающих на перекрестке в сторону железной дороги, о приближении к железнодорожному переезду. Если расстояние между железной и автомобильными дорогами более 50 м, то достаточно установить в населенном пункте знак 1.1 (1.2), а вне населенного пункта повторный знак 1.1 (1.2) на расстоянии 50 м от переезда (рис. 16.1, а). При расстоянии между дорогами от 20 до 50 м на пересекаемой дороге, ведущей в сторону переезда, необходимо установить еще один знак 1.1 или 1.2 с табличкой 7.1.1 (рис. 16.1, б). Если же расстояние между дорогами меньше 20 м, то знаки 1.1 или 1.2 совместно с табличкой 7.1.3 или 7.1.4 следует установить перед пересечением с дорогой, ведущей в сторону переезда, на расстоянии 50 м от пересечения (рис. 16.1, в). 16.8. Если водитель, находящийся от неохраняемого переезда на расстоянии, равном расчетному расстоянию видимости поверхности дороги, видит приближающийся поезд менее чем за 300 м, перед таким переездом необходимо устанавливать знак 3.24 «Ограничение максимальной скорости», а при видимости поезда за 50 м и менее - знак 2.5 «Движение без остановки запрещено». Рис. 16.1. Расположение знака 1.1 или 1.2 при прохождении автомобильной дороги параллельно железной: а - при расстоянии между дорогами более 50 м; б - при расстоянии между дорогами от 20 до 50 м; в - при расстоянии между дорогами менее 20 м Величину допустимой скорости в зоне переезда необходимо устанавливать следующей: Расстояние видимости приближающегося к переезду поезда, м........................................................ 100 200 300 Допустимая скорость, км/ч............................................ 30 40 50 16.9. Знак 3.24 устанавливают от переезда на расстоянии, равном расчетному расстоянию видимости поверхности дороги. Знак 2.5 устанавливают на расстоянии не менее 10 м от ближнего рельса. За переездом должен быть установлен знак 3.25 «Конец ограничения максимальной скорости». 16.10. Если движение по железнодорожному переезду и в его зоне влияния разрешено более чем в один ряд в каждом направлении, то в начале таких участков устанавливают знак 5.8.1 «Направление движения по полосам». 16.11. Перед всеми железнодорожными переездами без шлагбаумов необходимо устанавливать знак 1.3.1 (1.3.2), предупреждающий водителей о числе железнодорожных путей (однопутная или многопутная железная дорога). В этом случае, а также при отсутствии на переезде светофорной сигнализации, знак устанавливают на расстоянии не менее 20 м от ближнего рельса. При наличии светофорной сигнализации знак 1.3.1 (1.3.2) устанавливают на одной опоре со светофором. 17. УСТАНОВКА ЗНАКОВ У ИСКУССТВЕННЫХ СООРУЖЕНИЙМосты и путепроводы 17.1. При разработке схемы установки знаков на мостах и путепроводах в первую очередь необходимо установить их грузоподъемность и периодически уточнять ее с учетом фактического состояния сооружения. Специальным расчетом должны быть оценены возможность и условия пропуска через сооружение тяжелых нагрузок. 17.2. Для запрещения движения транспортных средств через мосты и путепроводы с ограниченной несущей способностью используют знак 3.11 «Ограничение массы», который устанавливают непосредственно перед сооружением. 17.3. Знаки 1.18.1 - 1.18.3 «Сужение дороги» устанавливают вне населенных пунктов перед мостами и путепроводами, ширина проезжей части которых равна или меньше ширины проезжей части дороги на подходах к ним, а в населенных пунктах - если ширина проезжей части в пределах искусственного сооружения меньше, чем на подходах к нему. 17.4. При ограничении габаритов моста используют знаки 3.13 и 3.14. При ширине проезжей части моста менее 6 м следует устанавливать знаки 2.6 и 2.7. 17.5. Движение пешеходов по мосту (путепроводу) следует запретить, установив перед мостом знак 3.10, если для перехода на другую сторону реки или пересекаемой дороги имеется специальный пешеходный мостик. Пешеходная дорожка, подходящая к этому мостику, должна быть обозначена знаком 4.6. На подходах к мосту должен быть устроен пешеходный переход для прохода пешеходов к дорожке с противоположной стороны дороги. 17.6. Перед мостами (путепроводами) с узкой проезжей частью следует устанавливать знак 3.24 «Ограничение скорости» с табличкой 7.2.1, если коэффициент безопасности равен или менее 0,6. Знак 3.24 может быть установлен предварительно с табличкой 7.1.1 «Расстояние до объекта», если требуется заблаговременно предупредить водителей о необходимости снизить скорость. Ограничение может распространиться только на грузовые автомобили, имеющие большую ширину кузова и затрудняющие разъезд в стесненных условиях. В этом случае знак 3.24 используется с табличкой 7.4.1. 17.7. На участках с неудовлетворительной ровностью проезжей части на подходах к мосту или в зоне сопряжения моста с насыпью следует устанавливать знак 1.16 «Неровная дорога» с табличкой 7.2.1. Если на мостах и путепроводах (в горных районах, на побережьях морей и больших озер) возможен сильный боковой ветер, перед сооружениями устанавливают знак 1.27 «Боковой ветер». Знак 1.27 устанавливают только на то время года, когда актуальна эта опасность. Разводные мосты и паромные переправы 17.8. Перед разводными мостами и паромными переправами устанавливают знак 1.9 «Разводной мост», предупреждающий о приближении к участку, по которому в определенное время запрещен проезд без остановки. На автомобильных дорогах (вне населенных пунктов) обязательно устанавливают дополнительные знаки за 50 м до шлагбаума или светофора, которыми должны быть оборудованы разводные мосты и паромные переправы. 17.9. В конце полосы ожидания должен быть установлен знак 2.5 «Движение без остановки запрещено», дублируемый линией разметки (рис. 17.1). На одной стойке со знаком 2.5 следует устанавливать знаки 3.7 «Движение с прицепом запрещено», 3.11 «Ограничение массы», 3.14 «Ограничение ширины», если это необходимо по условиям, определяемым техническими характеристиками и состоянием парома или разводного моста. При наличии указанных ограничений знаки 3.7, 3.11, 3.14 должны быть предварительно установлены на ближайшем перекрестке. Здесь же на знаке 5.20.1 должен быть указан объездной маршрут. 17.10. Если мост разводится в строго определенные часы суток, то знак 1.9 дополняют одной из табличек 7.5.4 - 7.5.7 «Время действия знака». 17.11. Если разводные мосты эксплуатируются во время закрытия навигации по реке как обычные мосты, на период закрытия навигации знак 1.9 снимают. У паромных переправ зимой, когда прекращается работа парома, знак 1.9 можно не снимать, но на ближайших к парому перекрестках или у мест возможного разворота транспортных средств устанавливают знаки 3.1 «Въезд запрещен» или 5.19 «Тупик». Знак 5.19 следует применять в тех случаях, когда в зимнее время у закрытой переправы возможен разворот транспортных средств, а по льду продолжается пешеходное движение. Шлагбаум должен быть закрыт, а вместо знака 2.5 следует установить знак 3.1.
Рис. 17.1. Схема установки знаков на паромной переправе: 1 - шлагбаум; 2 - паром
Тоннели 17.12. На подходах к тоннелям, снегозащитным галереям, селепроводам, проездам под путепроводами и другим подобным сооружениям с ограниченной видимостью или габаритом следует заблаговременно оповещать водителей о приближении к опасному участку, вводимых ограничениях и условиях проезда. 17.13. Для предупреждения о приближении к тоннелю применяется знак 1.29 «Тоннель», который устанавливается перед всеми тоннелями, в которых отсутствует искусственное освещение, а также перед тоннелями, въездные порталы которых из-за рельефа местности видны с расстояния менее 150 м. Если при въезде в тоннель не виден его противоположный конец, со знаком 1.29 следует применять табличку 7.2.1. При светофорном регулировании движения в тоннеле на подходах к нему необходимо установить знак 1.8 «Светофорное регулирование». Если на въезде в тоннель уменьшается число полос движения, водителей следует предупреждать знаком 1.18 «Сужение дороги», а в конце полосы устанавливают знак 5.8.5 или 5.8.6 «Конец полосы». 17.14. Когда требуется запретить движение пешеходов в тоннелях, непосредственно у въездов устанавливают знак 3.10 «Проход закрыт». 17.15. Правила дорожного движения запрещают в тоннелях остановку и стоянку транспортных средств, поэтому у въездов в тоннели не следует устанавливать знаки 3.27. 18. УСТАНОВКА ЗНАКОВ В МЕСТАХ ПРОИЗВОДСТВА ДОРОЖНЫХ РАБОТ18.1. С целью организации и повышения безопасности движения в местах производства дорожных работ наряду с другими средствами (ограждающими, направляющими и сигнальными устройствами) необходимо устанавливать временные дорожные знаки. 18.2. Организация, проводящая работы, перед их началом должна составить и согласовать с органами Госавтоинспекции схему ограждения места работы и расстановки дорожных знаков с указанием видов работ и сроков их исполнения. 18.3. При составлении схемы расстановки знаков движение транспортных средств может быть организовано по ремонтируемому участку дороги с частичным использованием для этой цели полосы или проезжей части, предназначенной для движения во встречном направлении, обочин и разделительной полосы, по специально устроенному объезду или по прилегающей сети дорог. 18.4. Независимо от принятой схемы организации движения при расстановке дорожных знаков должны быть решены три основные задачи: предупредить водителей об имеющейся на ремонтируемом участке опасности, обозначить разрешенный маршрут движения, обеспечить безопасные условия движения по участку и на подходах к нему. 18.5. Для предупреждения водителей об имеющейся на ремонтируемом участке опасности применяют знаки 1.23 «Дорожные работы», а при необходимости - предупреждающие знаки 1.15 «Скользкая дорога», 1.17 «Выброс гравия», 1.18.1 - 1.18.3 «Сужение дороги», 1.19 «Двустороннее движение», 1.30 «Прочие опасности» и 1.31.1 - 1.31.3 «Направление поворота». Знак 1.23 устанавливают первым за 150 - 300 м (на дорогах I категории это расстояние может быть увеличено до 400 - 500 м) и повторяют за 50 м до начала ремонтируемого участка. Началом ремонтируемого участка следует считать первое по ходу движения направляющее или ограждающее устройство (линия временной разметки, отклоняющая транспортный поток, конуса, вехи, временные ограждения и т.п.). Если дорожные работы ведутся на обочине, знак 1.23 следует применять с табличкой 7.12 «Опасная обочина». Знак 1.15 применяют в тех случаях, когда возможна повышенная скользкость проезжей части по сравнению с предшествующим участком, вызванная проводимыми работами (например, в результате подгрунтовки ремонтируемого покрытия жидким битумом или дегтем, выноса глины и грязи с примыкающих дорог, по которым устроен объездной маршрут). Знак 1.17 устанавливают на участках дорог с усовершенствованным покрытием, на которых возможен выброс гравия, щебня из-под колес транспортных средств, как в период проведения работ, так и в период формирования дорожного покрытия. Знаки 1.18.1 - 1.18.3 устанавливают в тех случаях, когда при проведении работ обочины используют для складирования материала и стоянки ремонтных машин, а также когда для движения используют не всю проезжую часть, либо движение организуют по объезду, имеющему более узкую проезжую часть, чем дорога на подходах к нему. Знак 1.19 устанавливают на участках дорог с односторонним движением, а также на дорогах, имеющих разделительные полосы, когда при проведении дорожных работ по одной проезжей части или объезду организуется движение транспортных средств в двух направлениях. Знак 1.30 устанавливают перед ремонтируемым участком дороги, на котором имеется вид опасности, не предусмотренный знаками по ГОСТ 10807-78, например проложенные поперек проезжей части электрические кабели, трубопроводы, шланги и т.п. Знаки 1.31.1 - 1.31.3 устанавливают в местах изменения направления движения транспортных средств, при этом знаки могут быть размещены (изображены) на щитах ограждений. 18.6. В случаях, когда движение транспортных средств организуется по ремонтируемому участку дороги, указание разрешенных направлений движения осуществляют с помощью знаков 4.2.1 - 4.2.3. Эти знаки показывают, что объезд различного рода препятствий, находящихся на проезжей части, разрешается со стороны (сторон), указанной стрелкой (стрелками) на знаках. Допускается применять знаки 4.2.1 и 4.2.2 для обозначения отклонения траектории движения транспортных средств от препятствия, которая должна быть образована не менее чем пятью знаками, при этом наклон линии к оси дороги должен быть не менее 1:10, 1:20 и 1:50 при допускаемой скорости движения соответственно 40, 60 и более 60 км/ч. 18.7. В случаях, когда движение транспортных средств организуется по специально устроенному объезду, то перед началом объезда должны быть установлены знаки 5.32.2 и 5.32.3. Если необходимо организовать движение транспортных средств по прилегающей сети дорог, для указания маршрута движения перед началом объезда следует устанавливать знак 5.31. Допускается устанавливать предварительный знак в населенных пунктах на расстоянии от 50 до 100 м, а вне населенных пунктов - от 150 до 300 м от перекрестка. На знаке должны быть схематично показаны маршрут объезда с указанием населенных пунктов, в которых маршрут изменяет свое направление, или названия улиц, по которым он проходит. Перед каждым перекрестком, находящемся на маршруте, следует устанавливать знаки 5.32.1 - 5.32.3. 18.8. Установку знаков, показывающих безопасный режим движения на ремонтируемом участке, подходах к нему или по объезду, следует выполнять в соответствии с особенностями организации движения, с учетом соответствия геометрических характеристик дороги и ее технико-эксплуатационного состояния создаваемым режимам движения. 18.9. Ограничение скорости перед ремонтируемым участком с помощью знака 3.21 «Ограничение максимальной скорости» следует осуществлять в том случае, когда в начале участка производится перестроение транспортных средств, изменение траектории их движения или в случае возможного выхода на проезжую часть дорожных рабочих. Ограничивать скорость ниже 40 км/ч в местах производства дорожных работ не следует в тех случаях, когда работы не производятся непосредственно на проезжей части и когда это позволяют геометрические параметры дороги и состояние покрытия. Если вводимое на ремонтируемом участке дороги ограничение максимальной скорости более чем на 20 км/ч отличается от разрешенной скорости на предшествующем участке, следует применять ступенчатое ограничение скорости с шагом не более 20 км/ч путем последовательной установки знаков 3.24, удаленных друг от друга на расстояние от 100 до 150 м. При снижении скорости движения в местах перестроения транспортных потоков и изменении траектории их движения допускается повышать величину максимальной скорости на участках со стабильными режимами движения, если это позволяют их геометрические параметры и состояние покрытия. 18.10. Запрещение обгона с помощью знака 3.20 следует вводить на двух- и трехполосных дорогах во всех случаях, когда работы проводятся на проезжей части или обочинах. На многополосных дорогах запрещение обгонов с помощью знаков 3.20 производят для того направления движения, на котором движение осуществляется по одной полосе и с помощью знаков 3.22 при сужении обочин. 18.11. При необходимости можно устанавливать знаки 3.11 «Ограничение массы», 3.12 «Ограничение нагрузки на ось», 3.15 «Ограничение длины». Если вблизи места производства работ нет объезда, на ближайшем перед реконструируемым участком перекрестке устанавливают соответствующие запрещающие знаки 3.11 - 3.15 с табличкой 7.1.1 и знак 5.20.1, информирующий о направлении объезда. 18.12. Если на ремонтируемом участке возможно движение только в один ряд, для установления очередности движения по такому участку перед одним съездом на него устанавливают знак 2.6 «Преимущество встречного движения», а перед другим с противоположной стороны - 2.7 «Преимущество перед встречным движением». Знак 2.6 рекомендуется устанавливать на горизонтальных участках для транспортных средств, движущихся по полосе, сужающейся в зоне дорожных работ, а на участках с уклонами - для транспортных средств, движущихся под уклон. При недостаточной видимости полосы движения на всем участке проведения работ знаки 2.6 и 2.7 не применяют. В таких условиях движение организуют с помощью светофоров или регулировщиков. 18.13. За пределами ремонтируемого участка в 50 м от него по ходу движения устанавливают знаки 3.21 «Конец зоны запрещения обгона», 3.23 «Конец зоны запрещения обгона грузовым автомобилям», 3.25 «Конец зоны ограничения максимальной скорости», 3.31 «Конец зоны всех ограничений». 18.14. Временные дорожные знаки устанавливают до начала работ. Сначала устанавливают дорожные знаки, а потом ограждения. Первыми устанавливают дорожные знаки, наиболее удаленные от мест работ, причем на полосе движения, противоположной той, на которой предусмотрено проведение работ. После того как будут закончены дорожные работы и проезжая часть будет приведена в состояние, обеспечивающее безопасность движения, временные знаки снимают и устанавливают постоянные знаки, снятые на время проведения дорожных работ. 18.15. Существующие дорожные знаки, установленные ранее на эксплуатируемой дороге в местах производства работ, должны быть сняты, если их информация противоречит информации временных дорожных знаков. 19. ПРИНЦИПЫ РАЗМЕЩЕНИЯ И ПРОЕКТИРОВАНИЯ ДОРОЖНЫХ ЗНАКОВ ИНДИВИДУАЛЬНОГО ПРОЕКТИРОВАНИЯ19.1. К дорожным знакам индивидуального проектирования относятся: маршрутные схемы, а также информационно-указательные знаки 5.20 - 5.27, 5.29 и 5.31. При этом следует руководствоваться унифицированным рядом размеров типа УЗДО и УЗДП*, разработанным ГУГАИ МВД СССР, а также типовыми проектами информационно-указательных знаков, разработанными Мосгортрансниипроект. * Технический проект «Типовые конструкции информационно-указательных знаков индивидуального проектирования типа УЗДП», 1979. Технический проект «Типовые конструкции информационно-указательных знаков индивидуального проектирования типа УЗДО», 1978. 19.2. Маршрутные схемы располагают при въезде и выезде из крупных городов и на территории сооружений, обслуживающих движение. На них показывают схему автомобильной дороги (маршрута) с подъездами к ней, сооружения обслуживания движения (условными знаками), города, а также основные расстояния на перегонах. Маршрутные схемы у городов располагают на специальных площадках, которые оборудуют в виде площадок отдыха. Схему устанавливают относительно стоянки таким образом, чтобы в ненастную погоду водитель мог ознакомиться с ее содержанием, не выходя из автомобиля. 19.3. При размещении указателей направлений в зоне пересечений или примыканий необходимо учитывать обеспечение видимости автомобилей на пересечении или примыкании. При невозможности обеспечения видимости знаки следует устанавливать до начала треугольника видимости. 19.4. При решении вопроса об установке индивидуальных знаков в поперечном профиле дороги следует учитывать возможность их восприятия из движущегося автомобиля. Эти знаки не следует устанавливать на участках со сложными дорожными условиями. 19.5. Принципы компоновки знаков индивидуального проектирования диктуется требованиями максимального визуального информационного обеспечения водителей транспортных средств, эстетичности, читаемости. В дополнение к ГОСТ 10807-78 при проектировании индивидуальных информационно-указательных знаков следует учесть следующие особенности: 1. При необходимости использования на знаке двух размеров шрифтов для расчета размеров каймы знака, стрелки и элементов надписи, соответствующей главному направлению, а также расстояний между надписью, соответствующей второстепенному направлению, и элементами, относящимися к надписи, применяется больший размер hп. Размеры надписи и стрелок для второстепенных направлений определяются в этом случае исходя из меньшего размера hп. Если в надписи, соответствующей главному направлению движения, присутствует название промежуточного пункта маршрута, то размеры этой надписи следует определять исходя из меньшего размера hп. 2. Название населенных пунктов или объектов выполняются прописными буквами, а служебные слова при них - строчными (например, аэропорт ВНУКОВО, спорткомплекс БИТЦА и т.д.). В случае, когда служебные слова применяются самостоятельно, их следует выполнять прописными буквами (например, АЭРОПОРТ, СТАДИОН и т.д.). 3. Сложные названия населенных пунктов или объектов (например, ВЕЛИКИЕ ЛУКИ, ТОРГОВЫЙ ЦЕНТР) можно выполнять в две строки. Такое написание целесообразно применять при необходимости уменьшить размер знака. 4. Допускается при указании названия объекта на знаках применять сокращенное наименование его (например, п. с.-х. им. XXVI СЪЕЗДА - поселок совхоза им. XXVI СЪЕЗДА, г. СТРОИТЕЛЕЙ - городок СТРОИТЕЛЕЙ и т.п.). 5. Надписи составляются из отдельных литерных площадок. Поля, образуемые буквой (цифрой) и краем литерной площадки по горизонтали, обеспечивают необходимое расстояние между буквами в слове или цифрами в числе. Литерные площадки снабжены масштабной сеткой, обеспечивающей пропорциональное изменение размеров букв (цифр) для воспроизведения в натуральную величину по сравнению с изображением в таблицах ГОСТ 10807-78. Поскольку у некоторых литерных площадок их ширина не совпадает с целым числом клеточек в масштабной сетке, на табличных изображениях площадок и их нижней части нанесены риски, определяющие необходимую ширину. Снизу каждая литерная площадка имеет поле, размер которого по вертикали составляет 0,4hп, что автоматически обеспечивает минимальное расстояние между строками надписи, оговоренное стандартом. 6. ГОСТ 10807-78 устанавливает диапазоны размеров по горизонтали между элементами надписи от 0,3 до 1,0hп, по вертикали между каймой или линией, разделяющей надписи, и строкой (измеряется до прописных букв) - от 0,3 до 1,0hп, между строками надписи, относящейся к одному направлению, от 0,4 до 0,8hп (для двустрочной надписи одного наименования 0,4hп). Предпочтительными являются размеры, близкие к максимальному в указанном диапазоне, поскольку именно в этом случае обеспечивается наилучшее восприятие надписи. Допускается уменьшение расстояния от оголовка стрелки до каймы (линии, разделяющей надписи для разных направлений) до 0,2hп. Рис. 19.1. Принцип построения стрелок для знаков 5.20.2 и 5.21.2 Рис. 19.2. Рекомендуемая конфигурация стрелок на знаке 5.20.1, устанавливаемом перед развязкой в разных уровнях, с точки зрения сокращения размеров знака и улучшения его информативности (возможно горизонтальное расположение нижней стрелки в варианте а)
Рис. 19.3. Конфигурация стрелок на знаке 5.20.1, устанавливаемом перед развязкой в разных уровнях (нижняя стрелка может быть расположена под углом 30° к горизонтали). Применение возможно в случае, если количество элементов в надписях менее семи Рис. 19.4. Конфигурация стрелок на знаке 5.20.1, устанавливаемом перед пересечением в одном уровне (возможно сочетание на одном знаке горизонтальной и наклонной стрелок) Диапазон, заданный для расстояний по вертикали между строками (от 0,4 до 0,8hп), не относится к надписям для разных направлений на знаке 5.20.1. Это расстояние следует принимать равным не менее 2,0hп. Однако этот размер может быть уменьшен (но не менее чем до 1,0hп), если надписи для разных направлений не полностью проецируются друг на друга. 7. В нижней части знака 5.20.1 необходимо указывать расстояние от места установки знака до первого по ходу движения пересечения или примыкания, указанного на знаке. Число, указывающее расстояние, размещается примерно в середине знака. 8. Стрелки на знаках выполняются в соответствии с рис. 19.1 - 19.4. При этом на знаках 5.20.2 и 5.21.2 они располагаются, как правило, симметрично относительно верхней и нижней каймы (линии, разделяющей надписи). Стрелка типа 1 (см. рис. 19.1) может располагаться вертикально, горизонтально и под углом 45°. При вертикальном расположении допускается уменьшение длины ножки стрелки на 0,3hп. Горизонтальное расположение стрелки целесообразно применять на знаках, устанавливаемых на простых пересечениях в одном уровне (пересечение дорог под прямым или близким к нему углом), а расположение под углом 45° - на знаках, устанавливаемых перед пересечениями в разных уровнях или перед перекрестками, где дороги пересекаются не под прямым углом. В последнем случае на знаках 5.20.2 и 5.21.2 в зависимости от планировки пересечения или реализуемой схемы движения могут быть использованы стрелки типов 2 - 5, общий принцип построения которых дан на рис. 19.1. Рис. 19.5. Пример компоновки знака 5.20.2 с символом аэропорта Если на знаке 5.20.2 или 5.21.2 указывается несколько наименований для одного направления движения, то допускается пропорциональное увеличение размеров стрелки исходя из последующего размера hп по сравнению с размерами, приведенными в п. 4.14 ГОСТ 10807-78. 9. Символы автомагистрали или аэропорта на знаках 5.20.1, 5.20.2, 5.21, как правило, располагаются слева от названия объекта. Однако, при наличии изображения знака 5.29.1 в надписи или стрелки, относящихся к данному наименованию объекта, символы располагаются относительно названия в стороне, противоположной изображению знака 5.29.1 или стрелки (рис. 19.5). В случаях, когда необходимо ввести отличительные признаки объектов, имеющих одинаковые наименования, следует использовать обозначения в виде римских чисел (например, аэропорт ШЕРЕМЕТЬЕВО-I и аэропорт ШЕРЕМЕТЬЕВО-II). Размеры основных элементов римских чисел приведены в приложении 3. 10. Длина стрелок на знаке 5.20.1 выбирается произвольно исходя из общей композиции знака. Однако невертикальные стрелки не следует делать короче 2,5hп. Горизонтальные стрелки целесообразно заканчивать примерно у середины названия, но не далее 1,5hп от последней буквы (элемента) надписи, так чтобы в нижней части знака между основанием вертикальной стрелки и острием горизонтальной можно было указать расстояние от места установки знака до пересечения (рис. 19.6). 11. При дублировании надписей на знаках, предназначенных для установки на дорогах, где проходят маршруты иностранных автотуристов, или на дорогах союзных республик, рекомендуется дублировать и применять, как правило, не более двух надписей для каждого направления движения (рис. 19.7). При дублировании надписей, на знаке 5.27 расстояние между надписями одного названия принимается равным 0,4hп, а между надписями разных названий 0,8hп. 12. При компоновке знаков 5.21.2, предназначенных для построения подсистемы местного ориентирования участников дорожного движения о расположении городских объектов, следует учитывать следующие особенности: надписи на знаках 5.21.2 состоят из слов, указывающих разновидность объекта (площадь, бульвар, набережная, улица и т.п.) и наименования самого объекта; Рис. 19.6 Пример компоновки знака 5.20.1 Рис. 19.7. Пример компоновки знака 5.27 с дублированием наименований объектов в латинской транслитерации на знаках указывается только один объект для каждого из направлений; компоновочные размеры определяются высотой прописной буквы hп, которая в зависимости от количества букв в названии объекта выбирается из ряда 75 и 100 мм; названия объектов выполняются прописными буквами, а служебные слова при них - строчными; длина надписи рассчитывается путем суммирования ширины литерных площадок (табл. 19.1) букв русского алфавита, цифр и знаков для белого фона знаков 5.21.2 с вычетом полупробелов первой и последней буквы слова; надпись на знаке может располагаться как в одну строку по горизонтали, так и в две-три строки. При этом на первой строке указывается разновидность объекта, на второй и третьей - его наименование; третья строка может применяться, если название объекта представляет собой сложное слово; стрелки на таких знаках могут выполняться по рис. 19.8; в случае, если горизонтальный размер надписи и стрелок в верхней строке превышает размер слова на нижней строке, длина стрелки может быть уменьшена за счет ее ножки до 150 мм; Таблица 19.1
Рис. 19.8. Размеры стрелки для знаков 5.21.2, применяемых в городской подсистеме ориентирования Рис. 19.9. Размеры стрелки для знака 5.29.2 Рис. 19.10. Примеры расположения знаков 5.29.1: а - для знака 5.29.1 использованы отдельные щиты; б - совместное применение знака 5.29.1 и 5.28; в, г - размещение знаков 5.29.1 на поле знака 5.20.1 информацию знака 5.21.2 рекомендуется размещать на щитах, размеры которых приведены на черт. 8 п. 2.3 ГОСТ 10807-78. Примеры компоновки знаков 5.21.2 приведены в прилож. 4. 13. При компоновке знаков 5.29 следует учитывать следующие особенности: высота шрифта 150 мм; ширина каймы 18 мм; минимально допустимое расстояние между стрелкой, буквой, цифрой и каймой 30 мм; внутренний радиус закругления каймы 45 мм; размер надписи рассчитывается путем суммирования литерных площадок букв и цифр с вычетом полупробелов буквы и первой и последней цифр; стрелка на знаке 5.29.2 выполняется в соответствии с рис. 19.9; размеры знаков 5.29 должны выбираться из ряда 350´350, 350´700 и 350´1050 мм. Допускается использовать в качестве ближайших размеры, приведенные в ГОСТ 10807-78 (п. 2.3, черт. 5, 7, 8), а также в номенклатуре-спецификации на изготовление плоских световозвращающих знаков (УЗДП). Допускается при размещении на поле знака нескольких (но не более трех) номеров для одного направления использовать общий щит. 14. При наличии у дороги (маршрута) одновременно внутрисоюзного и международного номеров для обозначения применяются оба номера. При этом первым указывается внутрисоюзный. Если по участку дороги проходят несколько маршрутов, которым присвоены самостоятельные номера, то на знаках 5.20.1 и 5.20.2 для каждого из направлений показываются номера и соответствующие им пункты всех маршрутов, но не более трех (рис. 19.10, 13.8). 15. Примеры расчета знаков индивидуального проектирования приведены в прилож. Е. 20. МНОГОПОЗИЦИОННЫЕ ЗНАКИ, ВРЕМЕННЫЕ ЗНАКИ20.1. Многопозиционные дорожные знаки (знаки со сменной информацией) являются действенным средством управления дорожным движением на участках дорог, для которых характерно резкое колебание интенсивности движения или частое изменение дорожных условий. Применение таких знаков позволяет значительно увеличить пропускную способность участка дороги или дорожной сети и снизить аварийность. 20.2. Многопозиционные дорожные знаки в первую очередь применяются в автоматизированных системах управления дорожным движением, в частности в системах, где такие датчики являются единственным средством управления движением, а также в системах с централизованным управлением знаками. 20.3. С помощью многопозиционных дорожных знаков на участках дорог между пересечениями с целью создания однородного транспортного потока могут задаваться значения минимальной и максимальной скоростей, а также минимально допустимая дистанция между транспортными средствами. На двух-, трехполосных дорогах могут запрещаться обгоны. На многополосных дорогах с целью максимального использования пропускной способности может быть организовано реверсивное движение, а в случаях дорожно-транспортных происшествий, дорожных работ - закрываться движение по отдельным полосам. 20.4. На въездах на пересечения с помощью многопозиционных дорожных знаков и зависимости от интенсивности движения можно запрещать движение всех или отдельных видов транспортных средств в одном или нескольких направлениях, выделять то или иное количество полос для движения в каждом из направлений, давать информацию о наиболее оптимальных в данный момент времени маршрутах движения. 20.5. На участках дорог, где возможно частое появление гололеда или ухудшение метеорологической видимости из-за тумана или запыленности воздуха (а на участках дорог с автоматизированными системами управления и из-за дождя или снегопада), целесообразно ограничить скорость движения до безопасных пределов, а о гололеде, кроме того, предупредить знаком 1.15 «Скользкая дорога». Команда на включение знака или применение значения скорости должна поступать в этих случаях от датчиков гололеда или метеорологической видимости. 20.6. В отдельных случаях могут применяться многопозиционные знаки с ручным управлением, в частности, в случае их расположения вблизи поста ГАИ, ДЭУ, ДРСУ и т.п. 20.7. Временные знаки рекомендуется применять в тех случаях, когда дорожные условия, вызывающие необходимость изменения режимов движения автомобилем, возникают достаточно редко (например, весной, в период уборки урожая), или их возникновение невозможно предвидеть заранее. 20.8. Временные знаки устанавливают, как правило, при проведении дорожных работ, у паромных и ледяных переправ, закрытии или ограничении подхода к мосту, где имеется возможность разворота. На них должна быть информация о возможном маршруте объезда. Установку знаков у искусственных сооружений см. в п. 16. 20.9. На грунтовых дорогах в период сильного увлажнения проезжей части ливневыми дождями могут быть установлены временные дорожные знаки 3.2 «Движение запрещено». Знаки следует снимать после просыхания дорог и утюжки. На время закрытия дороги водителей необходимо информировать о направлении объезда. 20.10. С помощью временных знаков в весенние периоды на дорогах, имеющих усовершенствованное покрытие, может быть прекращено или ограничено движение автомобилей большой грузоподъемности, снижена скорость движения или полностью запрещен проезд, если фактические нагрузки превышают допустимые. Допустимые нагрузки определяются дорожными хозяйствами на основании паспортных данных или натурных измерений. 20.11. На участках дорог, на которых в отдельные периоды года наблюдаются выступление на поверхность избытка вяжущего, нанос грязи, образование гололеда, наледей и другие явления, увеличивающие скользкость покрытия, должны устанавливаться временные знаки, запрещающие обгоны и ограничивающие скорость движения. 20.12. В весеннее время на периоды пропуска ледохода и весенних вод, а также проведения ледокольных работ с помощью временных знаков может закрываться движение по мостам. Для определения времени начала паводка и ледохода и их интенсивности дорожные организации должны использовать прогнозы гидрометеорологической службы. О предстоящем закрытии мостов местное население и предприятия предупреждают заранее, для того чтобы имелась возможность вывезти срочные грузы. 20.13. При организации ледяных переправ в зимний период они оборудуются временными знаками, на которых указывается величина пропускаемой нагрузки и порядок движения по переправе. При этом у ближайшего к переправе перекрестка или места возможного разворота устанавливают знак 3.11 «Ограничение массы», а непосредственно перед выездом на ледяную переправу знаки 3.20 «Обгон запрещен», 3.24 «Ограничение максимальной скорости» и 3.16 «Ограничение минимальной дистанции». Скорость движения на переправе обычно устанавливают равной 10 - 15 км/ч, а минимальная дистанция между автомобилями не менее 30 м. Для определения времени начала открытия ледяной переправы производят замеры толщины и состояния льда. Расчетная толщина пресноводного льда (в сантиметрах) с раковистой структурой h = hпр + 0,5hмут, где hпр - толщина прозрачного льда, см; hмут - толщина мутного льда, см. Толщину снегового льда в расчетную толщину не включают. Требуемая толщина льда hтр для пропуска нагрузки Р
где P - полная масса нагрузки, указанная на знаке 3.11; h - коэффициент, учитывающий интенсивность движения: при N £ 500 авт./сут h = 1 при N £ 2000 авт./сут h = 1,1 при N £ 2000 авт./сут h = 1,25 При кратковременных оттепелях (не свыше 3 сут.) требуемая толщина льда увеличивается на 25 %. Для автопоездов массой тягача, составляющем менее 80 % общей массы автопоезда, требуемая толщина льда может быть уменьшена на 10 %. Во всех случаях h ³ hтр. В процессе увеличения толщины слоя льда значение пропускаемой нагрузки, указанной на знаке 3.11, может быть соответственно увеличено. При длине переправы более 300 м знак 3.11 необходимо повторять через каждые 300 - 400 м. 21. ПРАВИЛА СОДЕРЖАНИЯ ДОРОЖНЫХ ЗНАКОВУЧЕТ И ОСМОТР ЗНАКОВ 21.1. Для удобства учета знаков каждому знаку целесообразно присвоить индивидуальный номер, которым подписывают краской на обратной стороне щитка знака. В инвентаризационной ведомости указывают номер и вид знака, размер, материал, из которого изготовлены щиток, знак и стойка, количество и мощность ламп (объемные знаки), расположение (привязка к километровым столбам, расстояние от кромки проезжей части, высота подвеса), дату установки или замены, состояние на текущий год, характер повреждений, вид ремонта. Особо следует учитывать стоимость содержания и ремонта знаков. 21.2. Контроль за общим состоянием дорожных знаков и повседневный надзор за ними осуществляется работниками дорожно-эксплуатационных служб и СМЭП. 21.3. Для оценки состояния знаки необходимо детально осматривать весной, в начале осени и зимой. В южных районах, где зима менее сурова, детально осматривать знаки можно реже, совмещая это с другими работами по содержанию улиц и дорог. Знаки с автономным освещением следует осматривать не менее 1 раза в неделю, чтобы своевременно заменять перегоревшие или снизившие светоотдачу лампы. Виды и очередность работ 21.4. Работы по содержанию и ремонту дорожных знаков выполняются в течение всего года. Часть знаков ремонтируют на месте без демонтажа и перемещения. Сильно поврежденные знаки ремонтируют в мастерских. 21.5. Щитки, крепления, стойки и постаменты всех знаков следует очищать систематически, но не реже 3 раз в год. Внутреннюю часть корпуса объемных знаков очищают 1 раз в год, а внешнюю не менее 3 раз в год. 21.6. Сильно поврежденные знаки необходимо заменять в течение 24 ч. На место снимаемого для ремонта знака следует установить исправный знак. 21.7. Периодичность смены ламп у знаков с автономным освещением устанавливают в зависимости от номинального срока службы и возможных повреждений ламп. 21.8. Знаки с мелкими повреждениями ремонтируют на месте. В состав работы входит выпрямление опор и щитков, очистка знаков и опор, замена или подтягивание болтов и креплений. 21.9. Опоры, рамы, крепления следует окрашивать по потребности, но не реже 1 раза в год. Болты, гайки и крепление на знаках меняют через 2 года у подвесных знаков и через 3 года у знаков, расположенных на высоте 1,5 - 2 м. Для защиты металлических стоек от коррозии их поверхность, непосредственно соприкасающуюся с грунтом, обмазывают горячим битумом. Очистка знаков 21.10. Ухудшение видимости знаков происходит из-за налипания снега, загрязнения их поверхности, механических повреждений. В зависимости от вида загрязнения и материала, из которого изготовлен знак, применяют различные очищающие растворы и технологию очистки. Для очистки применяют мыльный раствор или 1 - 2 %-ный раствор фосфата соды. После мойки мягкой щеткой поверхность обмывают водой, чтобы устранить следы очищающего материала. Плесень на знаках устраняют 3 - 6 %-ным водным раствором хлорной извести. С поверхности очищают плесень и промывают раствором, через 2 - 3 мин поверхность тщательно моют водой. Глинистые частицы удаляют пастой, состоящей из воды и бикарбоната соды, которая наносится на поверхность и счищается через 2 - 3 мин. Следы нефтяных продуктов удаляют керосином или бензином. После снятия пятен поверхность необходимо протереть сухой тряпкой и вымыть мягкой щеткой с мыльным раствором. Для очистки нельзя применять материалы, которые растворяют краску, оргстекло, защитные слои световозвращающих пленок или вступают в реакцию с компонентами этих покрытий. Устранение повреждений знаков 21.11. При профилактическом осмотре знаков выпрямляют стойки и щитки. Крепления, ослабнувшие из-за вибрации и ветра, подтягивают, а при необходимости сразу заменяют. Царапины, слои краски, деформированные на сгибах, и другие мелкие повреждения закрашивают, не снимая знак. 21.12. Поврежденную световозвращающую пленку можно восстанавливать, не снимая щиток знака. Поверхность, на которую нужно наклеить пленку, очищают и обезжиривают уайт-спиритом или бензином Б-70. На очищенное место и на тыльную сторону световозвращающей пленки наносят тонкий слой эпоксидного клея. Затем пленку накладывают на подготовленное место и прикатывают резиновым валиком. Окраска знаков 21.13. Окраску стоек и щитков знаков по возможности следует выполнять на месте. Окрашиваемая поверхность должна быть очищена стальной щеткой от грязи и ржавчины, промыта водой и высушена. У металлических конструкций на слой, очищенный от ржавчины, наносят защитный слой грунтовки и дают ему просохнуть. Металлические и железобетонные конструкции знаков окрашивают синтетическими эмалями ПХВ-1 (перхлорвиниловая), ХСЭ-1, ХСЭ-25, ХСЭ-26 или перхлорвиниловыми фасадными красками ХФК. Деревянные стойки, обработанные креозотом, можно окрашивать алюминиевой краской. Обработка креозотом должна быть сделана заранее, чтобы поверхность слегка просохла. Эмаль наносят кистью или пистолетом-краскопультом. Большие щиты можно окрашивать валиком. Краску наносят в два слоя с общим расходом 0,45 кг эмали на 1 м2. Приложение 1ЗНАЧЕНИЯ ПОЛНЫХ МАСС ОСНОВНЫХ МАРОК ОТЕЧЕСТВЕННЫХ ГРУЗОВЫХ АВТОМОБИЛЕЙ
|
|||||||||||||||||||||||||||||||||||||||||||||||||||||||||||||||||||||||||||||||||||||||||||||||||||||||||||||||||||||||||||||||||||||||||||||||||||||||||||||||||||||||||||||||||||||||||||||||||||||||||||||||||||||||||||||||||||||||||||||||||||||||||||||||||||||||||||||||||||||||||||||||||||||||||||||||||||||||||||||||||||||||||||||||||||||||||||||||||||||||||||||||||||||||||||||||||||||||||||||||||||||||||||||||||||||||||||||||||||||||||||||||||||||||||||||||||||||||||||||||||||||||||||||||||||||||||||||||||||||||||||||||||||||||||||||||||||||||||||||||||||||||||||||||||||||||||||||||||||||||||||||||||||||||||||||||||||||||||||||||||||||||||||||||||||||||||||||||||||||||||||||||||||||||||||||||||||||||||||||||||||||||||||||||||||||||||||||||||||||||||||||||||||||||||||||||||||||||||||||||||||||||||||||||||||||||||||||||||||||||||||||||||||||||||||||||||||||||||||||||||||||||||||||||||||||||||||||||||||||||||||||||||||||||||||||||||||||||||||||||||||||||||||||||||||||||||||||||||||||||
|
Марка автомобиля |
Полная масса, т |
Марка автомобиля |
Полная масса, т |
Марка автомобиля |
Полная масса, т |
|
УАЗ-451Д |
2,45 |
ЗИЛ-130 |
9,53 |
Урал-377 |
15,00 |
|
УАЗ-452Д |
2,62 |
ЗИЛ-130Г |
9,80 |
Урал-377Н |
15,00 |
|
УАЗ-450Д |
2,65 |
ЗИЛ-131 |
10,43 |
МАЗ-502 |
11,93 |
|
УАЗ-451ДМ |
2,66 |
ЗИЛ-157К |
10,45 |
МАЗ-200 |
13,63 |
|
ГАЗ-63 |
3,20 |
ЗИЛ-157К |
10,45 |
МАЗ-500 |
14,23 |
|
ГАЗ-63А |
3,44 |
ЗИЛ-130-76 |
10,53 |
МАЗ-500А |
14,83 |
|
ГАЗ-51А |
5,15 |
ЗИЛ-138 |
10,64 |
МЛЗ-53352 |
16,08 |
|
ГАЗ-52-04 |
5,17 |
ЗИЛ-130Г-76 |
10,80 |
МАЗ-516 |
23,53 |
|
ГАЗ-52-03 |
5,47 |
ЗИЛ-133Г1 |
11,00 |
МАЗ-514 |
23,70 |
|
ГАЗ-66 |
5,80 |
ЗИЛ-130ГУ-76 |
11,21 |
МАЗ-516Б |
23,70 |
|
ГАЗ-66-02 |
5,97 |
Урал-355М |
7,05 |
КамАЗ-5320 |
15,31 |
|
ГАЗ-53Ф |
6,10 |
Урал-375Д |
13,10 |
КамАЗ-53212 |
18,43 |
|
ГАЗ-53А |
7,40 |
Урал-375Н |
14,93 |
КрАЗ-255Б |
19,68 |
|
ЗИЛ-164А |
8,33 |
Урал-4320 |
13,85 |
КрАЗ-260 |
22,00 |
|
|
|
|
|
КрАЗ-257 |
22,60 |
2. Автомобили - седельные тягачи (полная масса автопоезда)
|
Марка автомобиля |
Полная масса, т |
Марка автомобиля |
Полная масса, т |
Марка автомобиля |
Полная масса, т |
|
ГАЗ-51П |
8,49 |
Урал-375С-К1 |
19,75 |
МАЗ-5429 |
24,44 |
|
ГАЗ-52-06 |
8,66 |
Урал-4420 |
23,28 |
МАЗ-509* |
29,00 |
|
ГАЗ-63П |
8,73 |
Урал-377С |
25,56 |
МАЗ-509А |
30,00 |
|
ЗИЛ-157КВ |
12,18 |
Урал-377СН |
25,56 |
МАЗ-504В |
32,50 |
|
ЗИЛ-ММЗ-164АН |
13,33 |
Урал-375СП |
25,89 |
МАЗ-5428 |
33,00 |
|
|
|
МАЗ-501* |
22,60 |
МАЗ-515Б |
40,55 |
|
ЗИЛ-131В |
14,20 |
МАЗ-200В |
23,06 |
МАЗ-6422 |
42,10 |
|
ЗИЛ-131В1 |
16,14 |
МАЗ-504 |
28,80 |
КамАЗ-5410 |
26,13 |
|
ЗИЛ-130В1-76 |
16,49 |
МАЗ-504Г |
23,95 |
КрАЗ-255В |
36,83 |
|
КАЗ-606А |
13,37 |
МАЗ-5430 |
23,95 |
КрАЗ-255Л* |
39,01 |
|
КАЗ-608 |
19,50 |
МАЗ-504А |
24,38 |
КрАЗ-258 |
39,68 |
|
KAЗ-608B |
19,73 |
|
|
|
|
* Автомобили-лесовозы и -трубовозы.
3. Автомобили-самосвалы
|
Марка автомобиля |
Полная масса, т |
Марка автомобиля |
Полная масса, т |
Марка автомобиля |
Полная масса, т |
|
САЗ-3503 |
5,30 |
ЗИЛ-ММЗ-554 |
9,27 |
МАЗ-205 |
12,83 |
|
САЗ-3502 |
7,38 |
ЗИЛ-ММЗ-555 |
9,30 |
МАЗ-503Б |
13,90 |
|
ГАЗ-93А |
5,40 |
ЗИЛ-ММЗ-45021 |
9,98 |
МАЗ-503А |
15,25 |
|
ГАЗ-САЗ-33Б |
7,40 |
ЗИЛ-555-76 |
10,05 |
МАЗ-5549 |
15,38 |
|
КАЗ-600АВ |
8,20 |
ЗИЛ-554М |
10,09 |
КамАЗ-55102 |
15,85 |
|
ЗИЛ-585 |
8,03 |
ЗИЛ-ММЗ-4502 |
10,28 |
КамАЗ-5511 |
19,15 |
|
ЗИЛ-555К |
9,18 |
|
|
КрАЗ-256Б |
23,17 |
4. Автомобили-фургоны
|
Марка автомобиля |
Полная масса, т |
Марка автомобиля |
Полная масса, т |
Марка автомобиля |
Полная масса, т |
|
УАЗ-451 |
2,47 |
1АЧ |
5,36 |
ГЗСА-731 |
5,63 |
|
УАЗ-450 |
2,65 |
3718 |
5,80 |
ГЗСА-947 |
5,80 |
|
УАЗ-452 |
2,67 |
3719 |
5,95 |
ГЗСА-3713 |
5,97 |
|
УАЗ-451М |
2,70 |
3716 |
7,25 |
ГЗСА-3714 |
5,97 |
|
ЕрАЗ-762Б |
2,60 |
3510 |
7,37 |
ГЗСА-3711 |
7,40 |
|
ЕрАЗ-37305 |
2,61 |
3721 |
7,40 |
ГЗСА-3721 |
7,40 |
|
ЕрАЗ-762 |
2,70 |
ГЗСА-3712 |
5,30 |
КАВЗ-664 |
7,02 |
|
ЛуМЗ-946 |
2,70 |
ГЗСА-893А |
5,40 |
ГЗСА-950 |
7,40 |
|
У-122 и 127 |
5,15 |
ГЗСА-891 и 3702 |
5,45 |
ГЗСА-3705 |
7,40 |
|
ТА-943Н |
5,16 |
ГЗСА-3704 |
5,52 |
ГЗСА-3706 |
7,40 |
|
ТА-943А |
5,20 |
ГЗСА-892 |
5,60 |
ПАЗ-3742 |
7,86 |
|
|
|
|
|
ЛуМЗ-890Б |
9,50 |
5. Автомобили-цистерны
|
Марка автомобиля |
Полная масса, т |
Марка автомобиля |
Полная масса, т |
Марка автомобиля |
Полная масса, т |
|
АЦТП-1,9 |
4,92 |
МЗ-66 |
5,80 |
С-956 |
7,40 |
|
МЗ-51М |
4,99 |
АЦПТ-1,7 |
5,80 |
ATЗ-3,8-53А |
7,63 |
|
АВВ-2 |
5,05 |
АВЦ-1,7 |
5,83 |
АTЗ-1,2-130 |
8,60 |
|
АТЗ-2,2-51А |
5,08 |
АЦ-2,9-53Ф |
6,10 |
АТЗ-3,8-130 |
8,75 |
|
3609 |
5,17 |
АЦ-2,6-355М |
6,26 |
746 |
8,91 |
|
МЗ-3607 |
5,24 |
АЦПТ-2,8 |
6,66 |
АЦМ-4-157К |
10,08 |
|
3608 |
5,31 |
806 |
7,16 |
ТЗ-200 |
13,73 |
|
АЦ-2,6-53Ф |
5,72 |
АВВ-3,6 |
7,40 |
АЦПТ-5,6 |
13,90 |
ЗНАЧЕНИЕ ПОЛНЫХ МАСС НАИБОЛЕЕ РАСПРОСТРАНЕННЫХ МАРОК ИМПОРТНЫХ ГРУЗОВЫХ АВТОМОБИЛЕЙ, ЭКСПЛУАТИРУЕМЫХ В СССР
1. Автомобили грузовые с бортовой платформой
|
Марка автомобиля |
Полная масса, т |
|
Жук А-13М |
2,30 |
|
Жук А-11М |
2,45 |
|
ИФА W50L |
10,20 |
|
Прага-V3S |
10,35 |
|
Прага-S5Т-2 |
10,40 |
|
Шкода-706RT |
13,00 |
|
Татра-138 |
20,82 |
|
Магирус 232D19L |
19,00 |
|
Магирус 290D26L |
26,00 |
2. Автомобили - седельные тягачи (полная масса автопоезда)
|
Марка автомобиля |
Полная масса, т |
|
Чепель D-450 |
14,35 |
|
Чепель D-450,86 |
16,36 |
|
Чепель D-705N |
21,65 |
|
Прага-S5T2-TN |
18,51 |
|
Шкода-706RTTN |
24,05 |
|
Татра 138NT |
33,00 |
|
Вольво F89-32 |
38,00 |
|
Мерседес-Бенц 2232S30 |
38,00 |
3. Автомобили-самосвалы
|
Maрка автомобиля |
Полная масса, т |
|
Ифа W50LK |
10,00 |
|
DR-50D |
11,40 |
|
Шкода-700 RTC |
13,80 |
|
Татра-128S1 |
22,30 |
|
Татра-138S3 |
22,54 |
|
Магирус-232 Д19К |
19,00 |
|
Maгирyc-290 Д23К |
26,00 |
4. Автомобили-фургоны
|
Марка автомобиля |
Полная масса, т |
|
Жук А-06 |
2,29 |
|
Ныса С-501-1 |
2,45 |
|
Ныса С-521 |
2,48 |
|
Ныса 522-31 |
2,48 |
|
Авиа 20 |
4,20 |
|
Aвиа 30 |
5,95 |
|
Номер знака |
Наименование параметра |
Значение параметра |
|
3.13; 3.14 |
Линейные величины |
Кратное 0,1 м |
|
3.15 |
Кратное 1,0 м |
|
|
3.,16; 5.11; 7.1.2 |
10, 15, 20, 25, 30, 40, 50, 60, 70, 80, 100, 120, 150, 200, 250, 300 м |
|
|
5.20.1; 7.1.1; 7.1.3; 7.1.4; 7.2.1; 7.2.2 |
10, 15, 20, 25, 30, 40, 50, 60, 70, 80, 100, 120, 150, 200, 250, 300, 350, 400, 500, 600, 700, 800, 900 м; в диапазоне от 1 до 10 км - кратное 0,1 км, 10 км и более - кратное 1,0 км |
|
|
5.21.1; 5.21.2; 5.27 |
В диапазоне от 0 до 10 км - кратное 0,1 км, 10 км и более - кратное 1,0 км (размерность км не указывается) |
|
|
3.24; 3.25; 4.7; 4.8; 5.8.3; 5.18 |
Скорость |
Кратное 10 км/ч (размерность км/ч не указывается) |
|
3.4; 7.11 |
Масса |
2; 4; 8; 10; 15; 20; 25 т |
|
3.11 |
1,5; 2; 2,5; 3; 3,5; 4; 5; 6; 7; 8; 9; 10; 12; 15; 18; 20 т и далее кратные 5 т |
|
|
7.12 |
Сила тяжести |
1,5; 2; 2,5; 3; 3,5; 4; 5; 6; 7; 8; 9; 10 тс |
|
7.5.3; 7.5.7 |
Время |
Дни недели |
|
7.5.4 - 7.5.7 |
Время суток кратное 30 мин (23.00; 23.30; 24,00; 0.30; 1.00 и т.д.) |
|
|
7.9 |
30 мин; 1 ч; 2 ч |
|
|
1.13; 1.14 |
Уклон |
Кратное 1 % |
|
Элемент |
Ширина литерных площадок при высоте прописной буквы hп, м |
|||||
|
100 |
150 |
200 |
300 |
400 |
500 |
|
|
- (дефис) |
61 |
91 |
122 |
183 |
244 |
305 |
|
I |
52 |
78 |
104 |
156 |
208 |
260 |
|
II |
87 |
130 |
174 |
260 |
348 |
434 |
|
III |
122 |
183 |
244 |
366 |
488 |
610 |
|
V |
106 |
159 |
212 |
318 |
424 |
530 |
|
X |
102 |
153 |
204 |
306 |
408 |
510 |
Примечания. 1. Для надписей на белом и желтом фоне ширина литерных площадок в зависимости от hп (100, 150, 200, 300, 400, 500) соответственно должна быть уменьшена на 5, 7, 5, 10, 15, 20, 25 м с каждой стороны.
2. Дробные значения ширины литерных площадок для hп = 150 мм округлены до ближайшего меньшего целого значения.

Пример расчета знака 5.20.1
Наносимая информация:
прямо - РИГА, маршрутный номер 11;
направо - ВЕЛИКИЕ ЛУКИ;
налево - ВИТЕБСК, ОРША, маршрутный номер 20.
Знак устанавливается перед развязкой в разных уровнях за 800 м.
Высота шрифта hп = 300 мм.
Фон знака - синий.
Рассчитывается вариант 1.

1. Размер названий объектов рассчитывается путем суммирования ширин литерных площадок букв (табл. 10 ГОСТ 10807-78) с вычетом левого полупробела первой буквы и правого полупробела последней буквы слова (величина полупробелов определяется по изображению букв на масштабной сетке и определяется как расстояние от края литерной площадки до буквы):
а) РИГА L1 = (300 - 50) + 324 + 270 + (339 - 30) = 1153 м;
б) ВЕЛИКИЕ L2 = (306 - 50) + 288 + 330 + 324 + 327 + 324 + (288 - 48) = 2089 мм;
ЛУКИ L3 = (330 - 24) + 303 + 327 + (324 - 50) = 1210 мм;
в) ВИТЕБСК L4 = (306 - 50) + 324 + 297 + 288 + 306 + 309 + (327 - 24) = 2083 мм;
г) ОРША L5 = (327 - 24) + 300 + 432+ (339 - 30) = 1344 мм.
2. Размер изображений маршрутных номеров рассчитывается аналогично названиям объектов:
а) 11L6 = (174 - 12) + (174 - 50) = 286 мм;
б) 20L7 = (267 - 36) + (279 - 36) = 474 мм;
в) размер изображения по вертикали с учетом каймы, равной 0,1hп составляет 1,5hп, т.е. для номера 11 Н1 = 450 мм и для номера 20 Н2 = 450 мм:
г) размер по горизонтали с учетом каймы, равной 0,1hп, для номера 11 принимается равным размеру по вертикали, т.е. B1 = Н1 = 450 мм.
Для номера 20 этот размер рассчитывается следующим образом: ширина каймы номера + L7 + ширина каймы номера + 2х, где х - расстояние от каймы до первой и последней цифр числа.
Величину х можно определить исходя из равенства расстояний от цифр до каймы по вертикали и горизонтали, т.е.:
х = (Н2 - две ширины каймы - высота цифр)/2 = (1,5hп - 2 × 0,1hп - hп)/2 = (450 - 2 × 0,1 × 300 - 300)/2 = 45 мм,
т.е. B2 = 2 × 0,1hп + 2x + L7 = 2 × 0,1 × 300 + 2 × 45 + 474 = 624 мм.
3. Ширина каймы знака:
В3 = 0,12hп = 0,12 × 300 = 36 мм.
4. Внутренний радиус закругления каймы знака
R1 = 0,3hп = 0,3 × 300 = 90 мм.
5. Расстояние по горизонтали между каймой знака и надписью, надписью и стрелкой, между надписями принимаем равным 0,3hп, т.е. a1 = 90 мм.
6. Расстояние по вертикали между каймой знака и каймой маршрутного номера 11, стрелками и надписями ОРША и ВЕЛИКИЕ ЛУКИ принимается равным 0,3hп, т.е. а2 = 90 мм.
Надпись РИГА размещается симметрично относительно маршрутного номера 11. Тогда расстояние от каймы знака до этой надписи составит:
а¢2 = а2 + (Н1 - hп)/2 = 90 + (450 - 300)/2 = 165 мм.
7. Расстояние по вертикали между надписями ВИТЕБСК и ОРША, стрелкой «направо» и каймой знака принимаем равным 0,6hп, т.е. а3 = 180 мм.
8. Расстояние по вертикали между надписями РИГА и ВЕЛИКИЕ ЛУКИ принимаем равным 2,5hп, т.е. а4 = 750 мм.
9. Размер числа, предназначенного для указания расстояния от места установки знака до первого примыкания (800 м), определяем исходя из нижеследующего по сравнению с принятым размером прописной буквы (т.е. h¢п = 200 мм):
L8 = (182 - 20) + 186 + (186 - 20) + 0,3h¢п + (210 - 24 - 24) = 736 мм,
где 0,3h¢п - расстояние между последней цифрой числа и буквой «м».
10. Расстояние от каймы маршрутного номера 11 до закругляющейся стрелки «налево» принимаем равным l,5hп, т.е. а5 = 450 мм.
11. Размер по вертикали закругляющей ножки стрелки «налево» в соответствии с рис. 19.2 составляет 2,04hп, т.е. Н3 = 612 мм.
Размер по горизонтали закругляющейся ножки стрелки «налево» в соответствии с рис. 19.2 составляет 1,5hп, т.е. В4 = 450 мм.
12. В соответствии с рекомендациями горизонтальные стрелки оканчиваются на расстоянии не менее 1,5hп от последней буквы слова, т.е. в данном случае на расстоянии 450 мм.
13. Другие размеры стрелок определяются по рис. 19.1 и 19.2.
14. Габаритные размеры знака в данном варианте составляют:
а) по вертикали
Н = В3 + а¢2 + hп + а4 + hп + а2 +1,5hп (оголовок стрелки) + а3 + В3 = 36 + 165 + 300 + 750 + 300 + 90 + 450 + 180 + 36 = 2307 мм;
б) по горизонтали
В = В3 + а1 + B2 + a1 + 1,3hп (оголовок стрелки) + а1 + L6 + а1 + 0,54hп (ножка стрелки) + B4 + + a1 + L3 + a1 + L4 + a1 + B3 = 36 + 90 + 624 + 90 + 390 + 90 + 1344 + 90 + 162 + 450 + 90 + 2089 + 90 + 1210 + 90 + 36 = 6971 мм.
Эти же размеры (H и В) можно определить при непосредственном замере эскиза, если он выполняется в масштабе.
Как видно, знак получается довольно крупным и не воспринимается с эстетической точки зрения. В этом случае можно предложить еще несколько вариантов, улучшающих информативность знака и уменьшающих его размеры:
вариант 2 - частичная перекомпоновка, при которой расстояние между надписью ЛУКИ и каймой знака по вертикали принято равным 1,5hп, между ВЕЛИКИЕ и ЛУКИ - 0,4hп, (т.е. 120 мм) и между РИГА и ВЕЛИКИЕ 2,0hп (т.е. а4 = 600 мм), при этом размер знака составит 2307´5428 мм;
вариант 3 - частичная перекомпоновка с изменением размеров: расстояния между каймой маршрутного номера 11 и надписью ВИТЕБСК - 1,0hп, между надписью OPШA и каймой знака - 1,5hп, между надписью РИГА и ВЕЛИКИЕ - 2,5hп. При этом размеры знака составят 2457´5036 мм. При данной компоновке стрелок (их центральное размещение) такой вариант являемся оптимальным;

вариант 4 - полная перекомпоновка, при которой размеры расстояний по вертикали между надписями ВИТЕБСК и ОРША составляют 0,5hп, ВЕЛИКИЕ и ЛУКИ - 0,4hп, между РИГА и ВИТЕБСК - 1,5hп, ОРША и ВЕЛИКИЕ - 1,0hп, между надписью ЛУКИ и каймой знака - 1,2hп; по горизонтали расстояния между элементами составляют 0,3hп, горизонтальный размер закругляющейся стрелки «налево» - 2,0hп, стрелки «направо» - 2,5hп.
Размер знака в этом случае составит 3117´4050 мм.
Это рекомендуемый вариант компоновки знака, предназначенного для установки перед развязками в разных уровнях типа «клеверный лист».
Пример расчета знака 5.20.1
Наносимая информация:
прямо - ЗАГОРСК, маршрутный номер 9;
направо - ПУШКИНО.
Знак устанавливается перед пересечением в одном уровне за 600 м.
Высота шрифта hп = 500 мм.
Фон знака - зеленый.
Надпись ПУШКИНО на вставке с синим фоном.
Рассчитывается вариант 1.
1. Размер названий рассчитывается аналогично предыдущему примеру:
а) ЗАГОРСК L1 = (490 - 50) + 565 + 450 + 545 + 500 + 515 + (545 - 38) = 3522 мм;
б) ПУШКИНО L2 = (530 - 75) + 505 + 720 + 545 + 540 + 535 + (545 - 50) = 3795 мм;
2. Размер изображения маршрутного номера рассчитывается аналогично названиям объектов;
а) размер изображения по вертикали с учетом каймы, равной 0,1hп, составляет 1,5hп, т.е. Н1 = 450 мм;
б) размер изображения по горизонтали с учетом каймы, равной 0,1hп, принимается равным размеру по вертикали, т.е. B1 = Н1 = 450 мм.
3. Ширина каймы знака
В2 = 0,12 × 500 = 60 мм.
4. Ширина каймы вставки
B3 = 0,12hп = 0,12 × 500 = 60 мм.
5. Внутренний радиус закругления каймы знака
R1 = 0,3hп = 0,3 × 500 = 150 мм.

6. Внутренний радиус закругления каймы вставки
R2 = 0,15hп = 0,15 × 500 = 75 мм.
7. Внутренний радиус закругления каймы маршрутного номера
R3 = 0,15hп = 0,15 × 500 = 75 мм.
8. Размеры стрелок определяются в соответствии с рис. 19.1 и 19.4.
9. Расстояние по горизонтали и вертикали между любыми элементами изображения знака принимается равным 0,3hп, т.е. а = 0,3 × 500 = 150 мм.
10. На основе проведенных расчетов составляется масштабный эскиз изображения знака (вычерчиваются стрелки, размещаются надписи и цифры). После компоновки определяются габаритные размеры знака 4100´6250 мм (вариант 1).
11. При наличии типового ряда щитов для размещения изображения знака расчетной величины подбирается щит с близкими размерами.
Предположим, имеется щит с размерами 4000´6000 мм. В этом случае необходима частичная перекомпоновка знака:
вариант 2 надпись ЗАГОРСК и маршрутный номер размещаются над укороченной стрелкой основного направления, надпись ПУШКИНО смещается при этом ближе к стрелке основного направления.
Пример расчета знака 5.20.2
Наносимая информация:
прямо - ТОЛЬЯТТИ, КУЙБЫШЕВ, маршрутный номер 7.
Высота шрифта hп = 300 мм.
Фон знака - синий.
Рассчитывается вариант 1.
1. Размер названий рассчитывается аналогично предыдущему примеру:
а) ТОЛЬЯТТИ L1 = (297 - 30) + 327 + 330 + 294 + 324 + 297 + 297 + (324 - 45) = 2415 мм;
б) КУЙБЫШЕВ L2 = (327 - 45) + 303 + 324 + 306 + 393 + 432 + 288 + (306 - 45) = 2589 мм.

2. Размер изображения маршрутного номера:
а) 7L3 = 252 мм;
б) Н1 = 1,5hп = 450 мм;
в) B1 = Н1 = 450 мм.
3. Ширина кайми знака В2 = 0,12hп = 36 мм.
4. Ширина каймы маршрутного номера
В3 = 0,1hп = 30 мм.
5. Внутренний радиус закругления каймы знака
R1 = 0,3hп = 90 мм.
6. Внутренний радиус закругления каймы маршрутного номера
R2 = 0,15hп = 45 мм.
7. Размер стрелок определяется по рис. 19.1.
8. Расстояние по горизонтали и вертикали между элементами надписи принимается равным 0,3hп, т.е. а1 = 90 мм.
9. Расстояние по вертикали между надписями принимается а2 = 0,6hп = 180 мм.
10. Габаритные размеры знака в данном варианте составят:
а) по вертикали
Н = В2 + а1 + hп + а2 + hп + а1 + В2 = 36 + 90 + 300 + 180 + 300 + 90 + 36 = 1032 мм;
б) по горизонтали
В = В2 + а1 + L2 + а1 + B1 + a1 + 1,5hп (оголовок стрелки) + a1 + B2 = 36 + 90 + 2589 + 90 + 450 + 90 + 450 + 90 + 36 = 3921 мм.
Таким образом, габаритные размеры знака составили 1032´3921 мм.
Предположим, что необходимо разместить изображение знака на щите размером 1500´3500 мм.
Тогда изображение можно перекомпоновать так, как показано в варианте 2: надписи ТОЛЬЯТТИ и КУЙБЫШЕВ разносятся по вертикали, а маршрутный номер располагается над смещаемой вниз стрелкой.
Пример расчета знака 5.20.1
Наносимая информация:
прямо - БАУСКА, ЕЛГАВА, ЮРМАЛА;
направо - ЦЕНТР.
Знак устанавливается в населенном пункте.
Основной фон знака - белый.
Поскольку надписи БАУСКА и ЕЛГАВА являются названиями населенных пунктов, движение к которым за пределами города осуществляется по загородной дороге, они наносятся на вставке с синим фоном. К населенному пункту ЮРМАЛА движение будет осуществляться по автомагистрали. Это название наносится на вставке с зеленым фоном.
Надписи необходимо продублировать на латышском языке, основанном на латинском алфавите.
Знак устанавливается за 50 м до пересечения.
Высота шрифта hп принимается равной 200 мм, поскольку знак размещается на магистральной дороге населенного пункта.

1. Размеры названий рассчитываются аналогично предыдущим примерам путем суммирования литерных площадок и составляют:
а) БАУСКА L1 = 1232 мм;
BAUSKA L¢1 = 1234 мм;
б) ЕЛГАВА L2 = 1198 мм;
JELGAVA L¢2 = 1358 мм;
в) ЮРМАЛА L3 = 1370 мм;
JŪRMALA L¢3 = 1424 мм;
г) ЦЕНТР L4 = 796 мм;
CENTRS L¢4 = 942 мм.
2. Поскольку фон знака белый, то он имеет двойную кайму:
ширина наружной белой каймы B1 = 0,06hп = 12 мм, ширина внутренней черной каймы В2 = 0,12hп = 24 мм.
3. Внутренний радиус закругления черной каймы знака R1 = 0,3hп = 60 мм.
4. Поскольку основной фон знака белый, то вставки наносятся без каймы, имеющей белый цвет.
Радиус закругления углов вставок R2 = 0,15hп = 30 мм.
5. Размер числа, предназначенного для указания расстояния от места установки знака до пересечения (50 м), определяется исходя из нижеследующего по сравнению с принятым размером шрифта (т.е. h¢п = 150 мм). Тогда L5 = 470 мм.
6. После определения основных размеров осуществляется компоновка изображения знака.
Ввиду необходимости установки знака в городских условиях желательны небольшие его размеры. Поэтому расстояние по горизонтали между каймой знака и краем вставки, краем вставки и наиболее длинной надписью (в данном случае JŪRMALA), краем вставки и стрелкой, боковой стрелкой и надписью CENTRS принимаем равным а1 = 0,3hп = 60 мм.
Расстояния по вертикали между каймой знака и краем вставки, между краями вставок, краем вставки и надписью, надписью ЦЕНТР (CENTRS) и боковой стрелкой принимаем равными а2 = 0,3hп = 60 мм.
7. Расстояние по вертикали между надписью и ее дублем в соответствии с требованиями составляет а3 = 0,4hп = 80 мм.
Расстояние по вертикали между разноименными надписями BAUSKA и ЕЛГАВА в соответствии с рекомендациями составляет a4 = 0,8hп = 160 мм.
8. Длину вертикальной стрелки исходя из условия эстетичности изображения принимаем такой, чтобы стрелка заканчивалась на расстоянии 0,7hп от внутренней каймы знака, т.е. 140 мм.
Боковую стрелку из тех же соображений размещаем под углом 60° к вертикали между надписями ЦЕНТР и CENTRS. Длину ее принимаем равной 5,5hп, т.е. 1100 мм.
9. Другие размеры стрелок определяются в соответствии с рис. 19.1 и 19.4.
10. Габаритные размеры знака составят:
а) по вертикали
Н = В1 + В2 + а2 + а2 + hп + а3 + hп + а4 + hп + а3 + hп+ а2 + а2 + а2 + hп + а3 + hп + а2 + а2 + В2 + В1 = 12 + 24 + 60 + 60 + 200 + 80 + 200 + 160 + 200 +80 + 200 + 60 + 60 + 60 + 200 + 80 + 200 + 60 + 60 + 24 +12 = 2092 мм;
б) по горизонтали
В = В1 + В2 + а2 + а2 + L¢3 + а2 + а2 + 1,5hп (оголовок стрелки) + 0,8hп (расстояние от стрелки до надписи ЦЕНТР) + L4 + 0,8hп (расстояние от надписи ЦЕНТР до каймы знака) + В2 + В1 = 12 + 24 + 60 + 60 + 1424 + 60 + 60 + 300 + 160 + 796 + 160 + 24 + 12 = 3152 мм.
Пример расчета знака 5.20.1
Наносимая информация:
пересечение с круговым движением -
первый съезд - МОСКВА;
второй съезд - МАДОНА;
третий съезд - ПСКОВ, ТАЛЛИН.
Знак устанавливается в населенном пункте. Поскольку на знаке указываются все загородные объекты, то основной фон будет синим. К городам Пскову и Таллину движение осуществляется по автомагистралям. Эти названия наносятся на вставке с зеленым фоном.
Надписи дублируются на латышском языке, основанном на латинском алфавите.
Знак устанавливается за 60 м до пересечения. Высота шрифта принимается равной 200 мм.
Задан размер щита для знака 2500´3500 мм.
1. Размеры названий рассчитываются аналогично предыдущим примерам:
а) МОСКВА L1 = 1290 мм;
MASKAVA L¢1 = 1512 мм;
б) МАДОНА L2 = 1322 мм;
MADONA L¢2 = 1308 мм;
в) ПСКОВ L3 = 1008 мм;
PLESKAVA L¢3 = 1592 мм;
г) ТАЛЛИН L4 = 1244 мм;
TALLINA L¢4 = 1292 мм.

2. Ширина каймы знака
В1 = 0,12hп = 24 мм.
3. Ширина каймы вставки
В2 = 0,1hп = 20 мм.
4. Внутренний радиус закругления каймы знака
R1 = 0,3hп = 60 мм.
5. Внутренний радиус закругления каймы вставки
R2 = 0,15hп = 30 мм.
6. После определения основных размеров осуществляется компоновка изображения знака.
Оптимальная конфигурация стрелок позволяет установить следующие их размеры:
длина ножки центральной стрелки 4,1hп, т.е. 820 мм;
расстояние от нижней каймы до центра окружности 5,8hп, т.е. 1160 мм;
внутренний диаметр окружности 2,2hп, т.е. 440 мм;
внешний диаметр окружности 3,28hп, т.е. 656 мм;
длина стрелок 3,1hп, т.е. 620 мм;
стрелки располагаются под углом 30° к горизонтали. Остальные размеры стрелок определяются в соответствии с рис. 19.1.
7. Исходя из требований ГОСТ 10807-78 и эстетических соображений определяем расстояние между элементами надписи:
а) по горизонтали:
расстояние от каймы знака до каймы вставки а1 = 0,35hп = 70 мм;
расстояние от каймы вставки до более длинного названия (в данном случае - PLESKAVА и TALLINA) а2 = 0,3hп = 60 мм;
расстояние от каймы вставки с надписью ПСКОВ (PLESKAVA) до надписи МАДОНА а3 = 0,9hп = 180 мм;
расстояние от надписи МАДОНА до каймы знака a4 = 0,65hп = 130 мм;
надписи МОСКВА (MASKAVA) и ТАЛЛИН (TALLINA) размещаются симметрично относительно каймы знака и центральной ножки, край которой располагается на расстоянии 10,0hп от каймы знака;
число «60 м» также размещается симметрично относительно левой каймы знака и центральной ножки;
б) по вертикали:
расстояние от каймы знака до каймы вставки с надписью ПСКОВ (PLESKAVA) а5 = 0,55hп = 110 мм;
расстояние от каймы вставки до надписи ПСКОВ и от надписи PLESKAVA до каймы вставки а6 = 0,3hп = 60 мм;
расстояние от каймы этой вставки до оголовка стрелки а7 = 0,3hп = 60 мм;
расстояние от ножки стрелки до каймы вставки с надписью ТАЛЛИН (TALLINA) а8 = 0,3hп = 60 мм;
расстояние от каймы вставки до надписи ТАЛЛИН и от надписи (TALLINA) до каймы вставки а9 = 0,3hп = 60 мм;
расстояние от каймы вставки до числа «60 м» а10 = 1,5hп = 300 мм;
расстояние от числа «60 м» до каймы знака а11 = 0,46hп = 42 мм;
расстояние от соответствующих стрелок до надписей MADONA и МОСКВА а12 = 0,3hп = 60 мм;
расстояние между надписями и дублями a13 = 0,4hп = 80 мм.
8. Проверка габаритных размеров знака:
а) по вертикали
Н = В1 + a5 + В2 + a6 + hп + a13 + hп + a6 + B2 + a7 + 2,0hп (высота наклонной стрелки) + а8 + В2 + а9 + hп + а13 + hп + а9 + В2 + а10 + h¢п + а11 + В1 = 24 + 110 + 20 + 60 + 200 + 80 + 200 + 60 + 20 + 60 + 400 + 60 + 20 + 60 + 200 + 80 + 200 + 60 + 20 + 300 + 150 + 92 + 24 = 2500 мм;
б) по горизонтали
B = Bl + al + B2 + a2 + L¢3 + a2 + B2 + a3 + L2 + a4 + B1 = 24 + 70 + 20 + 60 + 1592 + 60 + 20 + 180 + 1322 + 130 + 24 = 3500 мм.
Пример расчета знака 5.20.1
Наносимая информация:
прямо - МОСКВА, ПСКОВ, ТАЛЛИН;
направо - ЦЕНТР.
Знак устанавливается в населенном пункте.
Основной фон знака белый. Поскольку движение к населенным пунктам МОСКВА, ПСКОВ, ТАЛЛИН за пределами города будет осуществляться по магистралям, то эти надписи наносятся на вставке с зеленым фоном.
Надписи необходимо продублировать на латышском языке, основанной на латинском алфавите. Знак устанавливается за 100 м до пересечения.
Высота шрифта hп принимается равной 200 мм, поскольку знак размещается на магистральной дороге населенного пункта.
1. Размеры названий рассчитываются аналогично предыдущим примерам и составляют:

а) МОСКВА L1 = 1290 мм;
MASKAVA L¢1 = 1512 мм;
б) ПСКОВ L2 = 1008 мм;
PLESKAVA L¢2 = 1592 мм;
в) ТАЛЛИН L3 = 1244 мм;
TALLINA L¢3 = 1292 мм.
г) ЦЕНТР L4 = 796 мм;
CENTRS L¢4 = 942 мм.
2. Поскольку фон знака белый, то он имеет двойную кайму: ширина наружной белой каймы B1 = 0,06hп = 12 мм; ширина внутренней черной каймы В2 = 0,12hп = 24 мм.
3. Внутренний радиус закругления черной каймы знака R1 = 0,3hп = 60 мм.
4. Поскольку основной фон знака белый, то вставка наносится без каймы, имеющей белый цвет.
Радиус закругления углов вставки R2 = 0,15hп = 30 мм.
5. Размер числа, предназначенного для указания расстояния от места установки знака до пересечения (100 м), определяется исходя из нижеследующего по сравнению с принятым размером шрифта (т.е. h¢п = 150 мм). Тогда L5 = 490 мм.
6. После определения основных размеров осуществляется компоновка изображения знака.
Габаритные размеры знака определяют надписи, наносимые на вставке. Для уменьшения габаритов расстояния по горизонтали между каймой знака и оголовком стрелки, оголовком стрелки и краем вставки, краем вставки и наиболее длинной надписью (в данном случае МОСКВА (MASKAVA), краем вставки и каймой знака принимаем a1 = 0,3hп = 60 мм.
Расстояние по горизонтали между надписями и дублями, оголовком боковой стрелки и надписью ЦЕНТР принимаем равным а2 = 0,4hп = 80 мм.
Расстояния по вертикали между каймой знака и краем вставки, краем вставки и надписью, числом «100 м» и каймой знака принимаем равным а3 = 0,4hп = 80 мм.
Расстояние по вертикали между надписями в вставке принимаем равным a4 = 0,6hп = 120 мм.
Расстояния по вертикали между вставкой и надписью ЦЕНТР (CENTRS) принимаем равным а5 = l,7hп = 340 мм.
Расстояния по вертикали между надписью ЦЕНТР (CENTRS) и числом «100 м» принимаем равным а6 = 0,8hп = 160 мм.
7. Внутренний радиус закругления боковой стрелки из компоновочных соображений принимаем равным 2,0hп, т.е. R3 = 400 мм. Координаты центра дуги окружности составляют в данном случае 360 мм от ножки вертикальной стрелки и 260 мм от нижней каймы знака. Длина стрелки по горизонтали составляет 450 мм.
Другие размеры стрелок определяются в соответствии с рис. 19.1.
8. Габаритные размеры знака составят:
а) по вертикали
Н = В1 + В2 + а3 + а3 + hп + а4 + hп + а4 + hп + а3 + а5 + hп + а6 + h¢п + а3 + В2 + B1 = 12 + 24 + 80 + 80 + 200 + 120 + 200 + 120 + 200 + 80 + 340 + 200 + 160 + 150 + 80 + 24 + 12 = 2082 мм;
б) по горизонтали
В = B1 + B2 + а1 + 1,5hп (оголовок стрелки) + а1 + а1 + L1 + a2 + L¢1 + a1 + a1 + B2 + B1 = 12 + 24 + 60 + 300 + 60 + 60 + 1290 + 80 + 1512 + 60 + 60 + 24 + 12 = 3554 мм.
1. Дорожные знаки. Общие технические условия. ГОСТ 10807-78. М.: Изд-во стандартов, 1978.
2. Технические средства организации дорожного движения. Правила применения. ГОСТ 23457-79. М. Изд-во стандартов, 1980. 64 с.
3. Инструкция по ограждению мест работ и расстановке дорожных знаков при строительстве, реконструкции и ремонте автомобильных дорог. ВСН 179-73. М.: Транспорт, 1974. 24 с.
4. Инструкция по устройству и обслуживанию переездов. М.: Транспорт, 1974. 97 с.
5. Правила дорожного движения. М.: Транспорт. 1980.
6. Указания по определению грузоподъемности деревянных мостов с учетом их фактического состояния. ВСН 12-73. Минавтодор РСФСР. М.: Транспорт, 1974. 78 с.
7. Указания по организации и обеспечению безопасности движения на автомобильных дорогах. ВСН 25-76. М.: Транспорт, 1977. 176 с.
8. Руководство по регулированию дорожного движения в городах. МВД СССР. Минжилкоммунхоз РСФСР. М.: Стройиздат, 1974. 97 с.
9. Методические рекомендации по маршрутному ориентированию на автомобильных дорогах. М.: ВНИИБД МВД СССР, 1980. 63 с.
10. Рекомендации по применению дорожных знаков. М.: ВНИИБД МВД СССР. 1982. 88 с.
СОДЕРЖАНИЕ
|
ГОСТЫ, СТРОИТЕЛЬНЫЕ и ТЕХНИЧЕСКИЕ НОРМАТИВЫ. Некоммерческая онлайн система, содержащая все Российские Госты, национальные Стандарты и нормативы. В Системе содержится более 150000 файлов нормативно-технической документации, действующей на территории РФ. Система предназначена для широкого круга инженерно-технических специалистов. Copyright © www.gostrf.com, 2008 - 2026 |