Крупнейшая бесплатная информационно-справочная система онлайн доступа к полному собранию технических нормативно-правовых актов РФ. Огромная база технических нормативов (более 150 тысяч документов) и полное собрание национальных стандартов, аутентичное официальной базе Госстандарта. GOSTRF.com - это более 1 Терабайта бесплатной технической информации для всех пользователей интернета. Все электронные копии представленных здесь документов могут распространяться без каких-либо ограничений. Поощряется распространение информации с этого сайта на любых других ресурсах. Каждый человек имеет право на неограниченный доступ к этим документам! Каждый человек имеет право на знание требований, изложенных в данных нормативно-правовых актах!

  


 

Проектно-конструкторский и технологический
институт промышленного строительства

ОАО ПКТИпромстрой

ТЕХНОЛОГИЧЕСКАЯ КАРТА

НА МОНТАЖ ВНУТРЕННИХ
ВОДОСТОКОВ ИЗ ПЛАСТМАССОВЫХ
ТРУБ В ЖИЛЫХ И ОБЩЕСТВЕННЫХ
ЗДАНИЯХ

66-04 ТК

2004

СОДЕРЖАНИЕ

1 ОБЛАСТЬ ПРИМЕНЕНИЯ

1.1 Настоящая карта содержит указания по подготовке, монтажу и приемке внутренних водостоков от стояков из поливинилхлоридных труб до воронок в жилых и общественных зданиях.

1.2 Данная карта включает требования к сортаменту труб и способам их соединения, рассмотрены вопросы монтажа стояков и фасонных частей, хранения труб и безопасности труда при их монтаже.

1.3 При привязке карты к объекту строительства конкретных зданий и сооружений необходимо учитывать требования СНиП 2.04.01-85* «Внутренний водопровод и канализация зданий», СНиП 2.04.02-84* «Водоснабжение. Наружные сети и сооружения», СНиП 3.05.01-85 «Внутренние санитарно-технические системы», ВСН 48-96 «Ведомственные строительные нормы по монтажу внутренней канализации и водостоков из ПВХ труб в жилых и общественных зданиях», СП 40-102-20 «Проектирование и монтаж трубопроводов систем водоснабжения и канализации из полимерных материалов. Общие требования». Привязку карты к местным условиям производит специализированная организация.

1.4 Данная карта предусматривает применение прогрессивных технических решений и методов работ, механизацию трудоемких работ, автоматизацию технологических процессов и максимальную индустриализацию строительно-монтажных работ за счет применения сборных конструкций, стандартных и типовых изделий и деталей, изготовляемых на заводах и в заготовительных мастерских.

1.5 Форма использования карты предусматривает обращение ее в сфере информационных технологий с включением в базу данных по технологии и организации строительного производства автоматизированного рабочего места технолога строительного производства (АРМ ТСП), подрядчика и заказчика.

2 ОРГАНИЗАЦИЯ И ТЕХНОЛОГИЯ ВЫПОЛНЕНИЯ РАБОТ

2.1 До начала монтажа внутренних водостоков должны быть выполнены:

- монтаж (бетонирование) междуэтажных перекрытий, стен и перегородок, на которые устанавливается или закрепляется санитарно-техническое оборудование;

- устройство опор под трубопроводы, прокладываемые в подпольных каналах и технических подпольях;

- подготовка отверстий, борозд, ниш и гнезд в фундаментах, стенах, перегородках, перекрытиях и покрытиях, необходимых для прокладки трубопроводов;

- нанесение на внутренних и наружных стенах всех помещений вспомогательных отметок, равных проектным отметкам чистого пола плюс 500 мм;

- оштукатуривание (или облицовка) поверхностей стен и ниш в местах прокладки трубопроводов водостока, а также оштукатуривание поверхности борозд для скрытой прокладки трубопроводов в наружных стенах;

- установка в соответствии с рабочей документацией закладных деталей в строительных конструкциях для крепления трубопроводов водостока.

2.2 Системы внутренних водостоков из ПВХ устраиваются в домах массового жилищного строительства, а также в реконструируемых зданиях.

2.3 Элементы внутренних водостоков из ПВХ на монтаже собираются из отдельных трубных изделий. В состав работ по монтажу водостоков из полиэтиленовых трубопроводов входят:

- разметка мест установки креплений;

- сверление отверстий;

- установка креплений;

- опускание водостоков в отверстия в междуэтажных перекрытиях с установкой гильз;

- соединение стыков трубопроводов при помощи фланцев с затяжкой болтов;

- крепление трубопроводов разъемными хомутами с постановкой прокладок и затяжкой болтов.

2.4 Трубные изделия из ПВХ применяются в системах внутренних водостоков - для монтажа водосточных стояков, прокладки отводных трубопроводов от водосточных воронок в чердачных помещениях; при устройстве гидрозатворов и отводных трубопроводов от стояков в подвалах зданий высотой до 4 этажей.

2.5 При применении трубных изделий из ПВХ для устройства систем внутренних водостоков многоэтажных зданий следует обеспечивать в соответствии с требованиями СНиП 2.04.01-85* «Внутренний водопровод и канализация зданий» условия пожарной безопасности:

- необходимо предусматривать скрытую прокладку водосточных стояков в монтажных коммуникационных шахтах, штрабах, каналах и коробах, ограждающие конструкции которых за исключением лицевой панели, обеспечивающей доступ к стояку, должны быть выполнены из несгораемых материалов (лицевая панель может изготавливаться в виде открывающейся дверцы из сгораемого материала);

- в подвалах зданий, не оборудованных под производственные, складские и служебные помещения, а также на чердаках и в санузлах жилых зданий открытая прокладка водосточных трубопроводов из ПВХ трубных изделий допускается;

- проходы стояков заделываются по всей толщине перекрытий плюс 8 - 10 см цементным раствором толщиной 20 - 30 мм, с защитой стояка гильзой из рулонного гидроизоляционного материала без видимого на глаз зазора.

2.6 Выпуски на отмостку зданий внутренних водостоков из ПВХ во всех случаях выполняются из стальных труб; отводные сборные трубопроводы и гидрозатворы из ПВХ со стальными выпусками соединяются на фланцах.

2.7 Работы по устройству водостоков из поливинилхлоридных трубных изделий должны выполняться рабочим персоналом, обученным методам монтажа и ознакомленным со свойствами поливинилхлорида.

2.8 Рабочий персонал, осуществляющий перевозки и монтаж поливинилхлоридных трубных изделий и узлов из них, должен знать о снижении сопротивляемости непластифицированного поливинилхлорида ударным и изгибающим нагрузкам при отрицательных температурах и о необходимости осторожного обращения с ними в зимнее время.

2.9 Детали и узлы из ПВХ допускается складировать, транспортировать, хранить и монтировать при любой температуре окружающего воздуха при условии соблюдения и обеспечения мер, исключающих повреждение трубных изделий из непластифицированного поливинилхлорида.

2.10 Трубные изделия, трубозаготовки из ПВХ, предназначенные для монтажа внутренних систем водостоков, должны храниться на горизонтальных площадках приобъектных складов в зоне действия башенного крана и при сроке хранения более 10 дней защищаться от действия прямых солнечных лучей.

2.11 Основные свойства труб и патрубков из ПВХ производства ОАО НПО «Пластик» должны соответствовать указанным в таблице 1.

Таблица 1 - Основные свойства изделий из ПВХ

№ пп

Наименование

Ед. изм.

Показатель

1

Внешний вид

 

Поверхность изделия должна быть ровной и гладкой. Допускается незначительная шероховатость, следы от формующего инструмента, волнистость, а также отдельные включения

2

Плотность

г/см3

1,38 - 1,43

3

Предел текучести при растяжении

МПа (кгс/см2)

44,1 (450)

4

Относительное удлинение при разрыве*

%

не менее 25

5

Температура размягчения по ВИКА

°С

не менее 79

6

Модуль упругости*

МПа

2500 - 3500

7

Температурный коэффициент линейного расширения

мм/м °С

0,08

2.12 Для монтажа водосточных стояков необходимо использовать трубы из ПВХ диаметром 110 мм по ТУ 6-49-0203534-94-93 - в зданиях высотой до 17 этажей и по ТУ 6-19-231-87 и по ТУ 6-49-4-88 - в зданиях любой этажности.

2.13 Водосточные сборные трубопроводы в чердачных помещениях следует устраивать с использованием поливинилхлоридных канализационных фасонных соединительных частей по ТУ 6-49-33-92 и труб по ТУ 6-19-307-86, и ТУ 6-49-0203534-94-93 диаметром 110 мм.

2.14 Допускается использовать трубные изделия из ПВХ других изготовителей. Их качество и пригодность должны быть обоснованы и подтверждены соответствующими сертификатами российских организаций.

2.15 Монтаж системы водостоков из поливинилхлоридных труб с использованием клеевых соединений выполняется в такой последовательности:

- по подвалу прокладывают стальной отводной трубопровод;

- контейнер с трубозаготовками привозят на постройку и башенным краном поднимают на кровлю или перекрытие предпоследнего этажа;

- концы труб тщательно очищают от грязи и придают шероховатость склеиваемым поверхностям;

- размечают и прикрепляют к строительным конструкциям крепежные хомуты;

- опускают трубы, расставляя их по всей высоте здания;

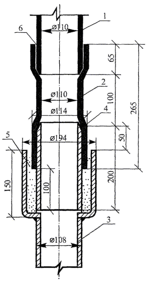
- заделывают переходную деталь в раструб стального отводного трубопровода, как показано на рисунке 1;

- приготовляют клей;

- склеивают поливинилхлоридные трубы, предварительно обезжиривая склеиваемые поверхности;

- после выполнения каждого соединения соответствующие трубы закрепляют, стягивая полукольца крепежных скоб болтами с гайками;

- устанавливают ревизию (на стояках с отступами);

- стальную переходную деталь вставляют в компенсационный раструб верхней водосточной трубы и прикрепляют ее к строительным конструкциям;

- сливной патрубок водосточной воронки заделывают в раструб стальной переходной детали;

- обертывают трубы в местах перехода через перекрытия рубероидом в два слоя и закрепляют проволокой.

1 - поливинилхлоридная труба; 2 - переходная деталь; 3 - стальной отводной трубопровод; 4 - стальной патрубок; 5 - заделка канатом и цементом; 6 - клеевое соединение.

Рисунок 1 - Узел соединения водосточного стояка из поливинилхлоридных труб со стальным отводным трубопроводом

2.16 Выпуски ливнестоков с отводным трубопроводом, расположенным в подвальной части здания, выполнять напрямую с пробивкой в наружных стенах отверстий и установкой в них металлических гильз. Гильзы не должны иметь острых кромок и заусенцев.

2.17 При невозможности выполнения прямых выпусков по техническим причинам (в соответствии с проектным решением) в местах изменения направления подпольного трубопровода выполняются горизонтальные участки трубопроводов с установкой на них ревизии (или прочистки) через 20 - 25 м его длины.

2.18 Трубы, патрубки и фасонные части изготовляются с раструбами под резиновые уплотнительные кольца. Кольца поставляют в комплекте с трубной продукцией из ПВХ. К началу их монтажа они должны быть вывезены на объект и соскладированы в согласованном с генподрядчиком месте.

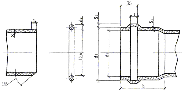
2.19 Размеры раструбов с желобками, которыми оснащены трубные изделия из ПВХ производства ОАО НПО «Пластик», и резиновых уплотнительных колец к ним представлены на рисунке 2 и в таблице 2 - для труб и на рисунке 3 и в таблице 3 - для фасонных частей.

Рисунок 2 - Соединение труб и патрубков из ПВХ с резиновым кольцом

Таблица 2 - Размеры изделий из ПВХ и резиновых колец для труб, мм

Диаметр условного прохода

d

S

S1min

S2min

d1

d2

lmin

l1min

l2min

l3min

Dк

dк

50

50+0,2

3,2+0,5

2,9

2,1

50,3+0,8

50,9+1

7,8

18

38

6

49,0+1

6+0,4

90

90+0,3

3,2+0,5

2,9

2,1

90,4+0,8

101+1

9,1

20

48

6

89+1,2

7+0,4

110

110+0,3

3,2+0,52

2,9

2,1

110,4+0,5

120,6

9,1

22

54

6

109+1,4

7+0,4

Рисунок 3 - Соединение фасонных деталей из ПВХ с резиновым кольцом

Таблица 3 - Размеры изделий из ПВХ и резиновых колец для фасонных частей, мм

Диаметр условного прохода

d

Smin

S1min

d1

d2

lmin

l1min

l3

L

Dк

dк

50

50+0,2

3,2

2,4

50,3+0,8

59,6+1,0

7,8

17,6

6

30

49+1

6+0,4

110

110+0,3

3,2

2,4

110,4+0,4

120,6+0,7

9,1

20

6

41

109+1,4

7+0,4

2.20 Резиновые уплотнительные кольца должны изготовляться из резиновой смеси ТП-10 или аналогичного состава и качества, обеспечивающие требуемые физико-механические параметры, указанные в таблице 4.

Таблица 4 - Физико-механические параметры резиновых колец

№ пп

Наименование показателя

Норма

Метод испытаний

1

Твердость по Шору А, условные единицы

40

ГОСТ 18829-73*

2

Изменение твердости после старения в воздухе при 70 °С в течение 168 ч по Шору А, условные единицы, не более

+8

ГОСТ 9.024-74*

3

Относительная остаточная деформация после старения в воздушной среде при сжатии на 40 % и температуре 70 °С в течение 24 ч, не более, %

25

ГОСТ 18829-73*

2.21 На рабочей поверхности колец не допускается:

- смещение пресс-формы по месту разъема более ±0,3 мм;

- выпрессовок высотой более 0,5 мм;

- более трех на кольцо выступов и вмятин соответственно высотой и глубиной более 1 мм, диаметром более 3 мм.

2.22 Кольца должны храниться в закрытом помещении при температуре от минус 25 °С до +35 °С на расстоянии не менее одного метра от отопительных приборов. Допускается хранение при температуре не ниже минус 40 °С в условиях, исключающих деформацию и ударные нагрузки. Следует предохранять кольца от воздействия солнечных лучей и веществ (нефтепродуктов), разрушающих резину.

2.23 Кольца после нахождения при температуре ниже минус 25 °С перед монтажом должны быть выдержаны при положительной температуре не менее 24 часов.

2.24 В качестве монтажной смазки разрешается использовать глицерин ГОСТ 6823-2000 или раствор мыла.

2.25 При поставке на объект количество колец (в штуках) для труб и патрубков должно превышать на 3 % количество этих изделий.

Для фасонных частей общее количество колец должно на 3 % превышать количество фасонных частей в партии, умноженное на количество посадочных гнезд под кольцо одного изделия.

2.26 Внутренние водостоки должны обеспечивать отвод дождевых и талых вод с кровель зданий. При устройстве внутренних водостоков в неотапливаемых зданиях следует предусматривать мероприятия, обеспечивающие положительную температуру в трубопроводах и водосточных воронках при отрицательной температуре наружного воздуха (обогрев с помощью пара и т.д.). Целесообразность устройства обогреваемых внутренних водостоков следует обосновать технико-экономическим расчетом.

2.27 Монтаж водосточных стояков следует начинать снизу с первого этажа вверх до последнего этажа, чердака, все соединения на стояке должны обеспечивать условия температурной компенсации удлинений поливинилхлоридных труб. В качестве примера приведен монтаж устройства внутреннего водостока на типовой секции 5-ти этажного жилого дома, показанный на рисунке 4.

2.28 Стояки ливнестоков необходимо прокладывать строго вертикально с минимальным числом изгибов и отступов. Диаметр стояка должен быть не менее диаметра отводной трубы наибольшего сечения.


Рисунок 4 - Схема установки внутренних водостоков


2.29 Водосточные стояки из поливинилхлорида присоединяются к стальным отводным трубопроводам, прокладываемым в подвале для открытого выпуска ливневых вод на отмостку зданий с использованием специальных соединений, показанных на рисунке 3.

2.30 Водосточные стояки необходимо монтировать незадолго до окончания строительства корпуса. Трубы из поливинилхлорида для водосточных стояков с отступом опускаются с перекрытия предпоследнего этажа, а для стояков без отступа - с кровли строящегося здания.

2.31 Контейнер с трубозаготовками поднимают на кровлю или перекрытие предпоследнего этажа башенным краном. Трубозаготовки хранятся в контейнерах вплоть до начала монтажа водосточных стояков.

2.32 Трубы через отверстия в междуэтажных перекрытиях опускают и расставляют по высоте строящегося здания двое рабочих, один из которых осторожно опускает 6-метровую трубу массой 6 кг, а другой принимает ее снизу. Трубы, расставленные по высоте здания в несколько наклонном положении, должны опираться на междуэтажные перекрытия.

2.33 Особое внимание при монтаже водостоков из поливинилхлоридных труб нужно обращать на:

- строгую вертикальность стояков;

- прочное крепление скоб к конструкциям;

- точное соблюдение технологии выполнения клеевых соединений;

- глубину вдвигания гладкого конца трубы в раструб до монтажной метки (при выполнении соединений с резиновыми кольцами);

- предохранение трубопроводов от засорения строительным мусором.

2.34 Соединение переходных деталей с чугунным сливным патрубком водосточной воронки в чердачных помещениях или на верхних этажах и стальным отводным трубопроводом в техподполье законопачивают бельным и смоляным канатом и зачеканивают расширяющимся цементом вручную без использования молотков.

2.35 Конопатки и чеканки при выполнении узлов соединений металлических труб с пластмассовыми должны иметь гладкую поверхность и скругленные кромки.

2.36 Воронку со стояком соединяют с помощью компенсирующего раструба, так как такое соединение обеспечивает компенсацию температурных удлинений труб и осадочных деформаций. При присоединении воронки к стояку с помощью отводного подвесного трубопровода компенсационного раструба не требуется. При монтаже внутренних водостоков в зимнее время воронки и верхние концы труб плотно закрывают, чтобы в них не попадали снег и вода.

2.37 На плоской кровле здания и в одной ендове необходимо устанавливать не менее двух водосточных воронок. Водосточные воронки на кровле следует размещать с учетом ее рельефа, допускаемой площади водосбора на одну воронку и конструкции здания.

Максимальное расстояние между водосточными воронками при любых видах кровли не должно превышать 48 м. (На плоских кровлях жилых и общественных зданий допускается устанавливать по одной водосточной воронке на каждую секцию).

Присоединение к одному стояку воронок, расположенных на разных уровнях, допускается в случаях, когда общий расчетный расход по стояку не превышает величин, приведенных в таблице 5.

Таблица 5 - Расчетный расход дождевых вод на водосточный стояк

Диаметр водосточного стояка, мм

85

100

150

200

Расчетный расход дождевых вод на водосточный стояк, л/с

10

20

50

80

Минимальные уклоны отводных трубопроводов следует принимать для подвесных трубопроводов 0,005, для подпольных - в соответствии с требованиями.

2.38 При определении расчетной водосборной площади следует дополнительно учитывать 30 % суммарной площади вертикальных стен, примыкающих к кровле и возвышающихся над ней.

2.39 Водосточные стояки, а также все отводные трубопроводы, в том числе прокладываемые ниже пола первого этажа, следует рассчитывать на давление, выдерживающее гидростатический напор при засорах и переполнениях.

2.40 Узлы сборки водосточных стояков из поливинилхлорида диаметром 110 мм с чугунными воронками принимаются с учетом вида соединений, показанных на рисунке 5.

2.41 Воду из систем внутренних водостоков следует отводить в наружные сети дождевой или общесплавной канализации. При обосновании допускается предусматривать отвод воды из систем внутренних водостоков в систему производственной канализации незагрязненных или повторно используемых сточных вод. Не допускается отвод воды из внутренних водостоков в бытовую канализацию и присоединение к системе внутренних водостоков санитарных приборов.

1 - водосточная воронка; 2 - сливной патрубок воронки; 3 - заделка канатом и цементом; 4 - стальная переходная деталь; 5 - резиновая прокладка; 6 - фланцевое соединение; 7 - отбортованный патрубок из ПВХ; 8 - прочистка; 9 - соединение на резиновом кольце стальной трубы и трубы (патрубка) из ПВХ; 10 - труба (патрубок) из ПВХ; 11 - чугунный патрубок фланец - гладкий конец.

Рисунок 5 - Узлы сборки водосточных стояков из ПВХ с чугунными водосточными воронками

2.42 При отсутствии дождевой канализации выпуск дождевых вод из внутренних водостоков следует принимать открыто в лотки около здания (открытый выпуск); при этом следует предусматривать мероприятия, исключающие размыв поверхности земли около здания. При устройстве открытого выпуска на стояке внутри здания следует предусматривать гидравлический затвор с отводом талых вод в зимний период года в бытовую канализацию.

2.43 Для прочистки сети внутренних водостоков следует предусматривать установку ревизий, прочисток и смотровых колодцев. На стояках ревизии необходимо устанавливать в нижнем этаже зданий, а при наличии отступов - над ними. При длине подвесных горизонтальных линий до 24 м прочистку в начале участка допускается не предусматривать.

2.44 Испытания системы водостока из поливинилхлоридных труб, так же как и их монтаж, разрешается производить только при положительной температуре. При гидравлическом испытании системы внутренних водостоков заполняют холодной водой на всю высоту стояков. Испытание системы проводят после наружного осмотра трубопроводов и устранения видимых дефектов. Гидравлическое испытание можно начинать не ранее чем через 24 часа после выполнения последней склейки. Система водостоков считается выдержавшей испытание, если после ее наполнения через 20 минут при наружном осмотре трубопроводов не обнаружено течи или других дефектов, а уровень воды в стояках не понизился.

3 ТРЕБОВАНИЯ К КАЧЕСТВУ И ПРИЕМКЕ РАБОТ

3.1 При производстве работ по монтажу внутреннего водостока в жилых и промышленных зданиях необходимо вести строгий контроль качества применяемых материалов, изделий и оборудования, соблюдения технологии выполнения работ и ухода за законченными работами.

3.2 Контроль качества работ по монтажу внутреннего водостока выполняют в соответствии с требованиями СНиП 3.01.01-85* «Организация строительного производства» и СНиП 3.05.01-85 «Внутренние санитарно-технические системы».

3.3 Производственный контроль качества работ по устройству внутренних водостоков в жилых и промышленных зданиях включает входной контроль рабочей документации и используемых изделий, материалов и конструкций, операционный контроль технологических процессов и производственных операций и приемочный контроль выполненных работ с оформлением акта скрытых работ и акта приемки.

3.4 При входном контроле рабочей документации должна производиться проверка ее комплектности и достаточности содержащейся в ней технической информации для производства работ.

При входном контроле перед началом монтажа производится контроль качества применяемых материалов, трубных заготовок, водоразборной арматуры, измерительных инструментов, при котором внешним осмотром устанавливается соответствие их требованиям стандартов или других нормативных документов и рабочей документации, а также наличие и содержание паспортов, сертификатов и других сопроводительных документов.

3.5 Входной контроль качества труб и соединительных деталей осуществляется строительно-монтажной организацией, допущенной к выполнению работ по монтажу трубопроводов из полимерных материалов.

3.6 Входной контроль включает следующие операции:

- проверка целостности упаковки;

- проверка маркировки труб и соединительных деталей на соответствие технической документации;

- внешний осмотр наружной поверхности труб и соединительных деталей, а также внутренней поверхности соединительных деталей;

- измерение и сопоставление наружных и внутренних диаметров и толщины стенок труб с требуемыми. Измерения следует производить не менее чем по двум взаимно перпендикулярным диаметрам. Результаты измерений должны соответствовать величинам, указанным в технической документации на трубы и соединительные детали. Овальность концов труб и соединительных деталей, выходящая за пределы допускаемых отклонений, не разрешается.

3.7 Все трубы и соединительные детали зарубежной поставки должны иметь техническое свидетельство.

3.8 Результаты входного контроля должны быть занесены в «Журнал входного учета и контроля качества получаемых деталей, материалов, конструкций и оборудования».

3.9 При операционном контроле проверяют все операции по монтажу внутренних систем водоснабжения жилых и промышленных зданий в соответствии с требованиями СНиП 3.05.01-85 «Внутренние санитарно-технические системы».

3.10 Монтируемые детали из поливинилхлорида не должны иметь сколов, выбоин и трещин. Их следует перевозить в контейнерах, оберегая от ударов, надрезов и царапин.

3.11 Монтаж внутренних водостоков должен производиться в соответствии с проектом производства работ и технологическими картами.

3.12 Поверхность колец должна быть гладкой, без трещин, пузырей, включений, других дефектов, влияющих на эксплуатационные качества колец. Кольца выпускаются черного цвета, допускается разнотонность.

4 ТРЕБОВАНИЯ БЕЗОПАСНОСТИ И ОХРАНЫ ТРУДА, ЭКОЛОГИЧЕСКОЙ И ПОЖАРНОЙ БЕЗОПАСНОСТИ

4.1 При монтаже внутренних водостоков в жилых и промышленных зданиях могут возникнуть следующие опасные и вредные производственные факторы, связанные с характером работы:

- расположение рабочего места вблизи перепада по высоте 1,3 м и более;

- повышенная запыленность, загазованность воздуха рабочей зоны;

- острые кромки, заусенцы и шероховатость на поверхностях изделий и оборудования.

4.2 Для предупреждения воздействия на работников опасных и вредных производственных факторов безопасность работ по монтажу внутренних систем водостоков должна быть обеспечена соблюдением следующих мероприятий по охране труда:

- организация рабочих мест с указанием методов и средств для обеспечения вентиляции, пожаротушения, выполнения работ на высоте;

- методы и средства доставки и монтажа трубопроводов, сантехнических изделий и оборудования;

- меры безопасности при выполнении работ в бороздах, нишах, ящиках;

- особые меры безопасности при травлении и обезжиривании трубопроводов.

4.3 К выполнению работ по монтажу внутренних систем водостоков допускаются лица не моложе 18 лет, имеющие профессиональные навыки, прошедшие медицинское освидетельствование и признанные годными, получившие знания по безопасным методам и приемам труда согласно ГОСТ 12.0.004-90 «ССБТ. Организация обучения безопасности труда. Общие положения», сдавшие экзамены квалификационной комиссии в установленном порядке и получившие соответствующие удостоверения.

4.4 Перед началом работы с монтажниками внутренних сантехсистем и оборудования проводится первичный инструктаж на рабочем месте по безопасному производству работ с записью результатов инструктажа в «Журнал регистрации инструктажа на рабочем месте».

Вновь принимаемые на работу должны пройти вводный инструктаж с записью в «Журнал регистрации вводного инструктажа по охране труда».

4.5 Трубы, патрубки и фасонные части из ПВХ в процессе монтажа и эксплуатации не выделяют в окружающую среду токсичных веществ и не оказывают вредного влияния на организм человека при непосредственном контакте. Работа с ними не требует особых мер предосторожности. Класс опасности - 4 по ГОСТ 12.1.007-76*.

4.6 При выполнении работ по механической обработке труб из ПВХ и их формованию, при работе с клеящими составами, в помещениях должна быть предусмотрена приточно-вытяжная вентиляция, а рабочие места необходимо оборудовать местными отсосами.

4.7 При любом виде механической обработки необходимо знать, что в связи с низкой теплопроводностью труб режущий инструмент может сильно нагреваться, из-за чего рабочий может получить ожоги рук. Охлаждение инструмента осуществляется в потоке сжатого воздуха. При токарной обработке пластмассовых труб образуется непрерывная сливная стружка, которая, наматываясь на инструмент и деталь, может привести к их поломке. Стружку вовремя удаляют струей сжатого воздуха или надо работать на обратном ходу шпинделя, чтобы стружка падала вниз.

При распиливании и фрезеровании пластмассовых деталей в образующейся стружке скалывания находятся мелкие пластмассовые частицы и пыль, вредно влияющие на органы дыхания. В связи с этим места распиловки и фрезерования должны быть оборудованы местными отсосами.

4.8 В условиях заготовительного производства и монтажа запрещается производить электросварочные работы вблизи трубопроводов из поливинилхлорида. При воздействии огня трубы и патрубки загораются без взрыва, вне пламени затухают. Трубы, патрубки и фасонные части относятся к группе трудновоспламеняющихся, трудносгораемых. Средства пожаротушения - распыленная вода, пена, песок, кошма и т.д.

4.9 При сверлении отверстий для установки креплений следует соблюдать правила электробезопасности: использовать изолирующие лестницы и площадки, инструмент с изолированными рукоятками и заземлением, резиновые диэлектрические перчатки, боты, галоши, коврики, защитные очки, предохранительные пояса, страхующие канаты и ограждения.

4.10 В местах производства работ с пластмассовыми трубами и их хранения запрещается производить электросварочные работы, работы с применением открытого пламени и хранить легковоспламеняющиеся вещества.

4.11 Все электропроводки, электроустройства и электрооборудование должны быть выполнены в полном соответствии с правилами монтажа и эксплуатации электротехнических устройств. Электропровода и кабели должны быть хорошо изолированы, а клеммные коробки на электрооборудовании надежно закрыты.

4.12 Используемое для монтажа пластмассовых труб оборудование и инструменты должны быть заземлены. Работы по заземлению выполняются в соответствии с требованиями нормативных документов.

4.13 Запрещается допускать к работе по монтажу пластмассовых трубопроводов водостока лиц, имеющих простудные и хронические заболевания верхних дыхательных путей.

4.14 Переносные инструменты, механизмы, светильники должны иметь напряжение не выше 42 В.

4.15 Рабочая зона монтажников внутренних сантехсистем и оборудования должна быть освещена в соответствии со СНиП 23-05-95 «Естественное и искусственное освещение» и ГОСТ 12.1.046-85 «ССБТ. Нормы освещения строительных площадок». Освещенность рабочих мест должна соответствовать нормативным требованиям. Проект временного освещения должен быть разработан специализированной организацией по заказу подрядчика.

4.16 Приступать к монтажу водостоков из поливинилхлоридных труб разрешается только при наличии проекта производства работ или технологической карты.

4.17 Категорически запрещается производить нагрев пластмассовых труб или инструментов для их формирования и сварки открытым пламенем во избежание загорания труб, а также нагрев труб в масле или глицерине, брызги которых могут вызвать сильные ожоги.

4.18 Работники, занятые на работах по обезжириванию трубопроводов, должны быть обеспечены соответствующими противогазами, спецодеждой, рукавицами и резиновыми перчатками, а место проведения обезжиривания необходимо оградить и обозначить знаками безопасности.

4.19 Гидравлические испытания частей и смонтированных систем водостока из пластмассовых трубопроводов следует проводить с особой осторожностью путем наполнения их водой до уровня наивысшей водосточной воронки в течении не менее 10 минут. Нельзя стучать по трубам и деталям во время их испытания. Необходимо следить, чтобы у мест торцевых заглушек не находились люди.

4.20 Испытания оборудования и трубопроводов должны проводиться под непосредственным руководством специально выделенного лица из числа специалистов монтажной организации по заранее разработанной методике с соблюдением требований безопасности и охраны труда.

4.21 Осмотр пластмассовых трубопроводов разрешается производить только после снижения давления до 0,3 МПа, а устранение дефектов производить после снижения давления в трубопроводах до атмосферного. Водостоки считаются выдержавшими испытание, если при осмотре не обнаружено течи, а уровень воды в стояках не понизился.

5 ПОТРЕБНОСТЬ В МАТЕРИАЛЬНО-ТЕХНИЧЕСКИХ РЕСУРСАХ

5.1 Для укладки внутренних водостоков необходимо использовать следующие машины, механизмы, приспособления и инструмент в соответствии с техническими характеристиками, приведенными в таблице 6.

Таблица 6 - Ведомость потребности в машинах, механизмах, приспособлениях и инструменте

№ п/п

Наименование

Тип, марка, ГОСТ

Техническая характеристика

Количество

1

2

3

4

5

1

Автомобиль бортовой

КАМАЗ-55111

 

2

2

Молоток слесарный

Тип 2

ГОСТ 2310-77*

Масса, кг 0,8

1

3

Зубило слесарное

ГОСТ 7211-86*

20´70°

1

4

Рулетка измерительная металлическая

ГОСТ 7502-98

Для разметки и контроля работ

1

5

Метр складной металлический

 

То же

1

6

Уровень строительный

УС-1-300

ГОСТ 9416-83

Длина 300 мм

2

7

Отвес

О-200

ГОСТ 7948-80

 

1

9

Ключ гаечный с открытым зевом двухсторонний для болтов М10, 12, 14, 16

17´19, 22´24

ГОСТ 2839-80*

10´12; 12´13; 13´14; 14´17

 

2

10

Конопатка

 

 

1

11

Перчатки резиновые (пара)

 

 

2

12

Ведро

 

 

1

13

Кувалда тупоносая

ГОСТ 11401-75*

 

1

14

Шкурка шлифовальная

№ 10 - 16

ГОСТ 6456-82*

Для зачистки пластмассовых трубопроводов

1

15

Ящик инструментальный переносной трехсекционный

ВНИИ МСС

 

2

16

Устройство торцовочное монтажное

УТПМ-110

Торцовка пластмассовых трубопроводов

1

17

Устройство сварочное монтажное

УСПМ-110

Сварка пластмассовых трубопроводов

1

18

Нагреватель сварочный монтажный

НСПМ-110

Нагрев пластмассовых труб

1

19

Блок однорольный

 

Грузоподъемность до 1,0 т

3

20

Ручная лебедка

 

Грузоподъемность 3,2 т

1

21

Строп тканевый

 

 

2

5.2 Потребность в материалах на монтаж 100 м водостока из поливинилхлоридных труб представлена в таблице 7.

Таблица 7-Ведомость потребности в материалах

№ п/п

Наименование

Ед. изм.

Количество

Примечание

1

Труба (ПВХ)

м

100

 

2

Резиновое кольцо

шт.

28

 

3

Водосточная воронка

шт.

1

 

4

Патрубок

шт.

7

 

6 ТЕХНИКО-ЭКОНОМИЧЕСКИЕ ПОКАЗАТЕЛИ

6.1 Затраты труда и машинного времени на монтаж внутренних водостоков из поливинилхлоридных трубопроводов подсчитаны по «Единым нормам и расценкам на строительные, монтажные и ремонтно-строительные работы», введенным в действие в 1987 г., и представлены в таблице 8.

Таблица 8 - Калькуляция затрат труда и машинного времени

Измеритель конечной продукции - 100 м водостока

№ п/п

Обоснование (ЕНиР и др. нормы)

Наименование технологических процессов

Ед. изм.

Объем работ

Норма времени

Затраты труда

рабочих, чел.-ч.

машиниста, чел.-ч., (работа машин, маш.-ч.)

рабочих, чел.-ч.

машиниста, чел.-ч., (работа машин, маш.-ч.)

1

Е 9-1-41 №1

Комплектование и подноска материалов и изделий

т

0,3

3,0

-

0,9

-

2

Е 7-4 № 8 (применительно)

Установка ливнесточных воронок

шт

5

1,3

-

6,5

-

3

Е 9-1-4 № 3е

Прокладка водостоков

м

100

0,19

-

19,0

-

4

Е 9-1-4 № 3е

Установка патрубков и отводных трубопроводов

м

30

0,19

-

5,7

-

5

Е 9-1-4 № 3е

Е 20-1-245 № 3 (применительно)

Устройство горизонтальных участков подпольной сети и выпусков

м

30

0,19

0,37

-

16,8

-

6

Е 9-1-8 Таблица 2 № 4

Рабочая проверка системы водостока в целом

100 м

1

2,0

-

2,0

-

7

Е 9-1-8 таблица 2 № 5

Окончательная проверка всей системы

100 м

1

1,50

-

1,50

-

6.2 Продолжительность работ по монтажу внутренних водостоков из поливинилхлоридных трубопроводов определяется календарным планом производства работ согласно таблице 9.


Таблица 9 - Календарный план производства работ

Измеритель конечной продукции - 100 м водостока


7 ПЕРЕЧЕНЬ ИСПОЛЬЗОВАННОЙ НОРМАТИВНО-ТЕХНИЧЕСКОЙ ЛИТЕРАТУРЫ

1 СНиП 2.04.01-85* «Внутренний водопровод и канализация зданий»

2 СНиП 2.04.02-84* «Водоснабжение. Наружные сети и сооружения»

3 СНиП 2.04.03-85 «Канализация. Наружные сети и сооружения»

4 СНиП 3.01.01-85* «Организация строительного производства»

5 СНиП 3.05.01-85 «Внутренние санитарно-технические системы»

6 СНиП 3.05.04-85* «Наружные сети и сооружения водоснабжения и канализации»

7 СНиП 12-03-2001 «Безопасность труда в строительстве. Часть 1. Общие требования»

8 СНиП 12-04-2002 «Безопасность труда в строительстве. Часть 2. Строительное производство»

9 ВСН 48-96 «Ведомственные строительные нормы по монтажу внутренней канализации и водостоков из ПВХ труб в жилых и общественных зданиях»

10 СП 40-102-2000 «Проектирование и монтаж трубопроводов систем водоснабжения и канализации из полимерных материалов. Общие требования».

 




ГОСТЫ, СТРОИТЕЛЬНЫЕ и ТЕХНИЧЕСКИЕ НОРМАТИВЫ.
Некоммерческая онлайн система, содержащая все Российские Госты, национальные Стандарты и нормативы.
В Системе содержится более 150000 файлов нормативно-технической документации, действующей на территории РФ.
Система предназначена для широкого круга инженерно-технических специалистов.

Рейтинг@Mail.ru Яндекс цитирования

Copyright © www.gostrf.com, 2008 - 2026