Крупнейшая бесплатная информационно-справочная система онлайн доступа к полному собранию технических нормативно-правовых актов РФ. Огромная база технических нормативов (более 150 тысяч документов) и полное собрание национальных стандартов, аутентичное официальной базе Госстандарта. GOSTRF.com - это более 1 Терабайта бесплатной технической информации для всех пользователей интернета. Все электронные копии представленных здесь документов могут распространяться без каких-либо ограничений. Поощряется распространение информации с этого сайта на любых других ресурсах. Каждый человек имеет право на неограниченный доступ к этим документам! Каждый человек имеет право на знание требований, изложенных в данных нормативно-правовых актах!

  


 

Проектно-конструкторский и технологический

институт промышленного строительства

ОАО ПКТИпромстрой

ТЕХНОЛОГИЧЕСКАЯ КАРТА

НА МОНТАЖ ВНУТРЕННИХ СИСТЕМ
КАНАЛИЗАЦИИ ИЗ ПЛАСТМАССОВЫХ ТРУБ
В ЖИЛЫХ И ОБЩЕСТВЕННЫХ ЗДАНИЯХ

76-04 ТК

2004

Открытое акционерное общество

Проектно-конструкторский и технологический
институт промышленного строительства

ОАО ПКТИпромстрой

УТВЕРЖДАЮ

Генеральный директор, к.т.н.

_____________ С.Ю. Едличка

«31» мая 2004

ТЕХНОЛОГИЧЕСКАЯ КАРТА

НА МОНТАЖ ВНУТРЕННИХ СИСТЕМ
КАНАЛИЗАЦИИ ИЗ ПЛАСТМАССОВЫХ ТРУБ
В ЖИЛЫХ И ОБЩЕСТВЕННЫХ ЗДАНИЯХ

76-04 ТК

Главный инженер

______________ А. В. Колобов

Начальник лаборатории

____________ Б.И. Бычковский

2004

Карта содержит организационно-технологические и технические решения на монтаж внутренних систем канализации в жилых и общественных зданиях.

В технологической карте приведены: область применения, организация и технологическая последовательность выполнения работ, требования к качеству и приемке работ, калькуляция затрат труда, график производства работ, потребность в материально-технических ресурсах, решения по безопасности и охране труда и технико-экономические показатели.

Исходные данные и конструктивные решения, применительно к которым разработана карта, приняты с учетом требований строительных норм, правил и стандартов.

Технологическая карта является составной частью ППР и может использоваться при строительно-монтажных работах в составе ППР согласно СНиП 3.01.01-85* и предназначается для инженерно-технических работников строительных организаций, производителей работ, мастеров и бригадиров, связанных с монтажом внутренних систем канализации, а также работников технического надзора заказчика.

В разработке технологической карты участвовали сотрудники ОАО ПКТИпромстрой:

- Артемов А.С. - разработка технологической карты, компьютерная обработка и графика;

- Черных В.В. - общее технологическое сопровождение;

- Холопов В.Н. - проверка технологической карты;

- Бычковский Б.И. -техническое руководство, корректура и нормоконтроль;

- Колобов А.В. - общее техническое руководство разработкой технологических карт;

- к.т.н. Едличка С.Ю. - общее руководство разработкой технологической документации.

СОДЕРЖАНИЕ

1 ОБЛАСТЬ ПРИМЕНЕНИЯ

1.1 Настоящая технологическая карта на монтаж внутренних систем канализации в жилых и общественных зданиях предназначена для использования при выполнении работ по устройству внутренних систем канализации, включающих:

- монтаж трубопроводов систем внутренней канализации укрупненными узлами из пластмассовых канализационных труб и фасонных частей;

- установку санитарно-технических приборов;

- испытание систем внутренней канализации.

1.2 При привязке технологической карты к конкретному объекту уточняются объемы работ, калькуляция затрат труда, потребность в материально-технических ресурсах и продолжительность выполнения работ. Согласно СНиП 3.01.01-85* данная карта может быть использована при строительстве зданий и сооружений в составе ППР.

1.3 Форма использования технологической карты предусматривает обращение ее в сфере информационных технологий с включением в базу данных по технологии и организации строительного производства автоматизированного рабочего места технолога строительного производства (АРМ ТСП), подрядчика и заказчика.

2 ОРГАНИЗАЦИЯ И ТЕХНОЛОГИЯ ВЫПОЛНЕНИЯ РАБОТ

2.1. До начала монтажа внутренних систем канализации должны быть выполнены следующие работы:

- смонтированы междуэтажные перекрытия, стены и перегородки;

- устроены траншеи для выпусков канализации до первых от здания колодцев;

- выполнены фундаменты или площадки для установки санитарно-технического оборудования;

- выполнена подготовка под полы с нанесением на внутренних и наружных стенах всех помещений вспомогательных отметок, равных проектным отметкам чистого пола плюс 500 мм;

- устроены опоры под трубопроводы, прокладываемые в подпольных каналах и технических подпольях;

- установлены закладные детали в строительных конструкциях в соответствии с рабочими чертежами канализации для крепления оборудования и трубопроводов;

- подготовлены подмости при необходимости их использования;

- пробиты и подготовлены отверстия, борозды, ниши и гнезда в фундаментах, стенах, перегородках, перекрытиях и покрытиях, необходимые для прокладки трубопроводов;

- подготовлены монтажные проемы в стенах и перекрытиях для подачи санитарно-технического оборудования;

- остеклены оконные проемы в наружных ограждениях, утеплены входы и отверстия в наружных стенах (при отрицательных температурах наружного воздуха);

- оштукатурены или облицованы согласно проекту стены и ниши в местах установки санитарных приборов и прокладки трубопроводов;

- оштукатурены поверхности борозд для скрытой прокладки трубопроводов в наружных стенах;

- выполнено искусственное освещение и обеспечена возможность подключения электроинструментов и электросварочных аппаратов в сеть на расстоянии не более 50 м от места производства работ;

- выполнена гидроизоляция перекрытий, огрунтовка стен и устройство чистых полов в санитарных узлах (после прокладки и испытания трубопроводов), а также первая окраска стен и потолков и облицовка плитками (после установки ванн, кронштейнов под умывальники и деталей крепления смывных бачков), вторая окраска стен и потолков (после установки умывальников, унитазов и смывных бачков).

2.2 Кроме того, должно быть выполнено:

- уточнение состава монтажных работ по устройству канализационной сети и последовательности их выполнения;

- согласование с генподрядчиком графика совмещенных работ;

- обеспечение свободного доступа к месту производства санитарно-технических работ;

- установка лесов и подмостей (при необходимости);

- согласование использования грузоподъемных механизмов генподрядчика;

- установка и крепление грузоподъемных механизмов в местах, согласованных с генподрядчиком (при необходимости и невозможности использования грузоподъемных механизмов генподрядчика);

- обеспечение доставки в зону монтажа трубных узлов и деталей (или труб и фасонных частей), изделий, санитарных приборов, средств крепления, вспомогательных материалов и т.п.

2.3. В санитарных узлах, ванных комнатах и ящиках общестроительные, санитарно-технические и другие специальные работы следует выполнять в следующей последовательности:

- подготовка под полы, оштукатуривание стен и потолков, устройство маяков для установки трапов;

- установка средств крепления, прокладка трубопроводов и проведение их гидростатического и манометрического испытаний;

- гидроизоляция перекрытий;

- огрунтовка стен, устройство чистых полов;

- установка ванн, кронштейнов под умывальники и деталей крепления смывных бачков;

- первая окраска стен и потолков, облицовка плитками;

- установка умывальников, унитазов и смывных бачков;

- вторая окраска стен и потолков;

- установка водоразборной арматуры.

2.4 При монтаже санитарно-технических систем и проведении смежных общестроительных работ не должно быть повреждений ранее выполненных работ.

2.5. До начала монтажа трубопроводов канализации из пластмассовых труб должны быть смонтированы трубопроводы водоснабжения из стальных труб (при совместной прокладке) и закончены все электросварочные работы. Пластмассовые трубы и трубозаготовки, доставляемые на объект в зимнее время, до начала монтажа в зданиях должны быть выдержаны при положительной температуре не менее двух часов.

2.6. Устанавливается следующий состав и последовательность выполнения рабочих операций при монтаже трубопроводов систем внутренней канализации из пластмассовых труб и фасонных частей:

- разметка мест установки средств крепления с учетом проектных уклонов. Расстояние между креплениями пластмассовых горизонтальных трубопроводов должно быть не более 10Д, вертикальных - 20Д (Д - наружный диаметр). Неподвижные крепления на стояках устанавливаются под раструбами;

- установка креплений (кронштейнов или подвесок с хомутами) со сверлением отверстий и заделкой цементным раствором или с помощью пристрелки монтажным пистолетом дюбель-гвоздями;

- прокладка трубопроводов из готовых узлов (или отдельных деталей) с соединением стыков в раструб на резиновых кольцах со смазкой их и гладких концов соединяемых труб или фасонных частей мыльным раствором (для канализации из пластмассовых труб) или с заделкой смоляным канатом; при помощи фланцев с установкой готовых прокладок и с затяжкой болтов.

В санитарно-технических кабинах заводского изготовления прокладка междуэтажных вставок производится путем выдвижения гладкого конца из компенсационного патрубка нижерасположенной кабины и надвижки раструба на гладкий конец вышерасположенной кабины;

- крепление трубопроводов разъемными хомутами с установкой прокладок и затяжкой болтов;

- выверка трубопроводов внутренних систем канализации.

2.7 Пластмассовые трубы и фасонные части следует оберегать от ударов, надрезов и царапин. Конопатки при заделке стыков должны иметь гладкую поверхность и скругленные кромки.

2.8 Соединение гладкого конца пластмассовой трубы или фасонной части с раструбом чугунной трубы следует выполнять с помощью круглого резинового уплотнительного кольца с последующим заполнением зазора расширяющимся цементом.

2.9. При установке санитарно-технических приборов рабочие операции необходимо осуществлять в следующей последовательности:

- разметка мест установки прибора и кронштейнов (при наличии);

- установка кронштейнов при вариантах: на шурупах (разметка мест сверления отверстий - по шаблону, сверление, установка хлорвиниловых втулок и крепление кронштейнов); при помощи монтажного пистолета (пристрелка кронштейнов под приборы или пристрелка подкладок под кронштейны и установка кронштейнов). Пристрелку дюбелями рекомендуется производить к кирпичным (из сплошного кирпича) и бетонным стенам;

- установка выпуска (для приборов со съемным выпуском);

- установка сифона на выпуск прибора или на трубопровод канализации (для приборов без встроенных сифонов);

- установка переливов и переливных труб (для ванн и глубоких душевых поддонов);

- установка санитарно-технических приборов при вариантах:

а) на шурупах (раковины, питьевые фонтанчики, писсуары, унитазы, видуары, биде, ножные ванны). При креплении унитаза шурупами к бетонному полу под основание следует устанавливать прокладку, к тафте резиновая прокладка не требуется;

б) на кронштейнах (умывальники, мойки, высоко расположенные смывные бачки);

в) на кронштейнах с креплением к ним прибора винтами (стальные мойки);

г) на подстолье (мойки);

д)на эпоксидном клее (унитазы, видуары, биде, ножные ванны) с удалением пыли с поверхности пола и подошвы прибора ветошью (при необходимости - обезжиривание ацетоном), разметкой при помощи шаблона или самого прибора площади склеивания, нанесением металлической лопаткой клея слоем не менее 2 мм на склеиваемые поверхности (подошву прибора и пол) при температуре не ниже +5 °С с плотным прижатием прибора к полу и выдержкой без нагрузки в неподвижном положении до набора прочности клеевого соединения не менее 12 ч. Состав клея в процентах по массе мономер ФА - 21,3; эпоксидная смола ЭД-5 или ЭД-6 - 4,25; портландцемент марки не ниже 400 - 70,2; полиэтиленполиамин - 4,25;

е)на цементно-песчаном растворе марки не ниже М100 на бетонных полах с метлахской плиткой или цементной стяжкой (унитазы, видуары, бидэ, ножные ванны) с очисткой пола от загрязнения в месте установки прибора (протереть насухо), разметкой при помощи шаблона или самого прибора площади склеивания, покрытием склеиваемых поверхностей (прибора и пола) 5 %-ным раствором соляной кислоты при помощи кисти, нанесением раствора слоем 8 - 10 мм на склеиваемую поверхность прибора при температуре не ниже +5 °С с плотным прижатием прибора к полу и выдержкой без нагрузки в неподвижном положении до набора прочности соединения не менее 72 ч. Составы растворов в процентах по массе: цемент марки 400 - 33,3; песок - 66,7 или цемент марки 500 или 400 (пластифицированный или расширяющийся) - 25,0; песок -75,0 или цемент марки 500 (пластифицированный или расширяющийся) - 20,0; песок -80,0;

ж) на ножках или подставках с прокладками (ванны);

и) на железобетонных подставках или металлическом каркасе (поддоны глубокие);

к) на основании (поддоны мелкие, писсуары напольные, трапы);

л) на полочке другого прибора (смывной бачок для унитаза «Компакт»);

м) на подставках (групповая установка умывальников);

- установка смывных труб к высокорасполагаемым смывным бачкам с присоединением к смывному бачку на резьбовом соединении и унитазу с помощью резиновой муфты;

- присоединение приборов к трубопроводам канализации и водопровода;

- присоединение уравнителей электрических потенциалов (ванны, поддоны) к приборам и трубопроводам холодного водоснабжения с зачисткой мест присоединения до блеска;

- установка сидений (для унитазов);

- установка кожухов на каркас питьевых фонтанчиков.

2.10 Выпуск унитаза следует соединять непосредственно с раструбом отводной трубы или с отводной трубой с помощью чугунного, полиэтиленового патрубка или резиновой муфты. Монтажное положение унитазов представлено на рисунке 1, индивидуального гигиенического душа-биде - на рисунке 2.

Унитазы следует крепить к полу шурупами или приклеивать клеем. При креплении шурупами под основание унитаза под головки шурупов следует устанавливать шайбу и резиновую прокладку.

Размеры унитазов смотри ГОСТ 30493-96

а - унитаз с цельноотлитой полочкой; б - унитаз с приставной полочкой; в - бачок сливной с боковым пуском

Рисунок 1 - Монтажное положение унитазов.

Приклеивание должно производиться при температуре воздуха в помещении не ниже +5 °С.

Для достижения необходимой прочности приклеенные унитазы должны выдерживаться без нагрузки в неподвижном положении до набора прочности клеевого соединения не менее 12 часов.

Рисунок 2 - Монтажное положение индивидуального гигиенического душа-бидэ.

2.11 Высота установки санитарных приборов от уровня чистого пола должна соответствовать размерам, указанным в таблице 1.

Таблица 1 - Высота установки санитарных приборов от уровня чистого пола

Санитарные приборы

Высота установки от уровня чистого пола

в жилых, общественных и производственных зданиях

в школах и детских лечебных учреждениях

в дошкольных учреждениях и в помещениях для инвалидов, передвигающихся с помощью различных приспособлений

Умывальники (до верха борта)

800

700

500

Раковины и мойки (до верха борта)

850

800

500

Ванны (до верха борта)

600

500

500

Писсуары настенные и лотковые (до верха борта)

650

500

400

Душевые поддоны (до верха борта)

400

400

300

Питьевые фонтанчики питьевого типа (до верха борта)

900

750

 

2.12 В период монтажа открытые концы трубопроводов и трапов необходимо предохранять от попадания в них строительного мусора с помощью инвентарных заглушек, полиэтиленовой пленки и т.п.

Схемы установки санитарно-технических приборов показы на рисунках 3, 4.

Рисунок 3 - Монтажное положение ванны.

Примечание - В скобках: 1-ый размер при установке прибора в дошкольных учреждениях, 2-й - в школах.

Рисунок 4 - Монтажное положение умывальника.

2.13 Рабочие операции при испытании систем внутренней канализации необходимо осуществлять в следующей последовательности:

- наружный осмотр трубопроводов и санитарно-технических приборов;

- испытание проливом: наполнение приборов водой и проверка переливных устройств (при наличии); регулировка поплавков (для смывных бачков); спуск воды из прибора; осмотр выпуска прибора, сифона (при наличии), отводящего трубопровода от прибора и участков трубопроводов от нескольких приборов с отметкой мелом мест дефектов (течей). Осмотр участков трубопроводов должен выполняться при одновременном открытии 75 % санитарно-технических приборов, подключенных к проверяемому участку в течение времени, необходимого для его осмотра;

- испытание наполнением: установка заглушек на выпуски систем канализации, присоединенные к одному стояку и расположенные на более низком уровне; наполнение трубопроводов водой (из системы постоянного или временного холодного водоснабжения или при помощи специального опрессовочного агрегата) до уровня пола первого этажа (при испытании трубопроводов канализации, проложенных в земле или подпольных каналах); осмотр трубопроводов с отметкой мелом мест дефектов (течей). Продолжительность испытания систем из пластмассовых труб составляет 20 мин;

- спуск воды через заглушки с вентилем на выпусках систем канализации до уровня нижнего дефектного места (при испытании наполнением);

- устранение дефектов и повторное испытание;

- снятие заглушек и спуск воды (по окончании испытаний наполнением).

2.14 Схема гидростатического испытания отводных трубопроводов, проложенных в конструкциях междуэтажных перекрытий, приведена на рисунке 5.

Рисунок 5 - Схема гидростатического испытания отводных трубопроводов, проложенных в конструкциях междуэтажных перекрытий.

2.15 Трубопроводы считаются выдержавшими испытания, если при осмотре не обнаружено течи через стенки трубопроводов и места соединений (при испытании проливом или наполнением), а уровень воды в стояках не понизился (при испытании наполнением).

2.16 В зимнее время испытание производится при устойчивой температуре воздуха внутри здания не ниже +5 °С.

2.17 Испытание пластмассовых трубопроводов следует проводить не ранее, чем через 24 ч после выполнения последнего клеевого соединения и не ранее, чем через 2 ч после выполнения последнего сварного соединения.

2.18 По окончании испытаний оставляют акт освидетельствования скрытых работ для трубопроводов, скрываемых при последующих работах (в междуэтажных перекрытиях, в земле и т.п.) согласно обязательному приложению 6 СНиП 3.01.01-85 и акты испытания систем канализации согласно обязательному приложению 4 СНиП 3.05.01-85.

2.19 Схемы узлов соединения и приспособления для крепления трубопроводов канализации даны на рисунках 6 - 10.

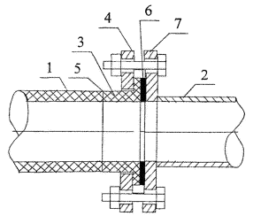
1 - фланцы стальные свободные; 2 - втулки приклеенные ПВХ; 3 - труба ПВХ; 4 - прокладка резиновая

Рисунок 6 - Схема фланцевого соединения, выполненного с помощью приклеенных втулок под фланцы

1 - фланцы стальные; 2 - втулки пластмассовые приваренные; 3 - трубка ПВХ; 4 - прокладки резиновые

Рисунок 7 - Схема фланцевого соединения, выполненного с помощью приваренных втулок под фланцы

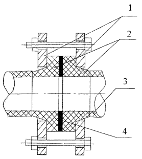
1 - труба пластмассовая; 2 - труба стальная; 3 - патрубок пластмассовый; 4 - фланец стальной, одеваемый на патрубок до выполнения сварного соединения патрубка с трубой; 5 -сварной шов; 6 - резиновая прокладка; 7 - фланец стальной приварной

Рисунок 8 - Схема фланцевого соединения пластмассовой и металлической труб

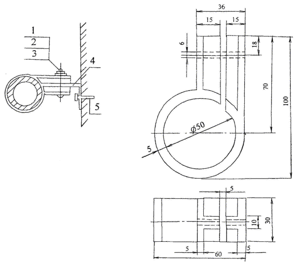
1 - винт; 2 - гайка М5; 3 - шайба 5; 4 - полоса 25´3; 5 - дюбель-гвоздь

Рисунок 9 - Схема полиэтиленового кронштейна Кр50 для крепления пластмассовых труб Дн50

1 - 4 - полоса 4´30; 5 - гайка М6; 6 - шайба 6; 7 - болт М6´30; 8 - пластина резиновая толщиной 3 мм; 9 - круг

Рисунок 10 - Схема крепления пластмассовых трубопроводов канализации к конструкциям здания.

3 ТРЕБОВАНИЯ К КАЧЕСТВУ И ПРИЕМКЕ РАБОТ

3.1 При производстве работ по монтажу внутренних систем канализации жилых и общественных зданий необходимо вести строгий контроль качества применяемых материалов, изделий и оборудования, соблюдения технологии выполнения работ и ухода за законченными работами.

3.2 Контроль качества работ по монтажу внутренних систем канализации выполняют в соответствии с требованиями СНиП 3.01.01-85* «Организация строительного производства» и СНиП 3.05.01-85 «Внутренние санитарно-технические системы».

3.3 Производственный контроль качества работ должен включать входной контроль рабочей документации, изделий, материалов и оборудования, операционный контроль отдельных строительных процессов и производственных операций и приемочный контроль работ по монтажу внутренних систем канализации.

3.4 При входном контроле рабочей документации должна производиться проверка ее комплектности и достаточности содержащейся в ней технической информации для производства работ.

При входном контроле перед началом монтажа производится контроль качества применяемых материалов, трубных заготовок, сантехприборов, измерительных инструментов, при котором внешним осмотром устанавливается соответствие их требованиям стандартов или других нормативных документов и рабочей документации, а также наличие и содержание паспортов, сертификатов и других сопроводительных документов.

3.6 Результаты входного контроля должны быть занесены в «Журнал входного учета и контроля качества получаемых деталей, материалов, конструкций и оборудования».

3.7 При операционном контроле проверяют все операции по монтажу внутренних систем канализации жилых и общественных зданий в соответствии с требованиями СНиП 3.05.01-85 «Внутренние санитарно-технические системы».

3.8 Трубопроводы должны быть прочно закреплены на строительных конструкциях зданий или плотно лежать на опорах. Сварные стыки трубопроводов не должны находиться на опорах.

3.9 В сварном шве не должно быть трещин, раковин, пор, подрезов, а также пережогов и подтеков наплавленного металла.

3.10 В жилых домах и общественных зданиях расстояние от поверхности штукатурки или облицовки до оси неизолированных стояков при их открытой прокладке должно составлять при диаметре труб до 32 мм - 35 мм и при диаметре труб от 40 до 50 мм - 50 мм с допускаемым отклонением +5 мм.

3.11 Вертикальность стояков пластмассовых трубопроводов устанавливается уровнем и отвесом. Отклонение от вертикали при открытой прокладке допускается не более 2 мм на 1 м длины трубопровода.

3.12 Уклоны трубопроводов должны быть направлены в сторону водоспускных устройств. Трубопроводы водоснабжения разводящие и подводки к приборам прокладываются с уклоном 0,002 - 0,005 для возможности спуска из них воды. В низших точках сети устраиваются спускные устройства.

3.13 Высота установки санитарных приборов от уровня чистого пола должна соответствовать размерам, указанным в таблице 1.

Допускаемые отклонения высоты установки отдельно стоящих санитарно-технических приборов не должны превышать ±20 мм, а при групповой установке однотипных приборов ±5 мм.

3.14 Раструбы труб и фасонных частей (кроме двухраструбных муфт) должны быть направлены против движения воды.

3.16 Смывная труба для промывки писсуарного лотка должна быть направлена отверстиями к стене под углом 45° вниз.

3.17 При установке общего смесителя для умывальника и ванны высота установки умывальника должна быть 850 мм до верха борта.

3.18 Технические критерии и средства контроля операций и процессов (прокладка и испытание трубопроводов, установка сантехприборов) приведены в таблице 2.

Таблица 2 - Состав производственного контроля качества работ

Наименование процессов, подлежащих контролю

Предмет контроля

Инструмент и способ контроля

Время контроля

Ответственный контролер

Технические критерии оценки качества

1

2

3

4

5

6

Разметка мест прокладки трубопроводов и установка креплений

Соблюдение проектных уклонов, соосности трубопроводов, вертикальности стояков

Складной металлический метр, отвес, уровень

После установки креплений

Рабочие, бригадир - самоконтроль. Мастер (бригадир) - выборочный контроль

Проект

Прочность установки кронштейнов

Визуальный

То же

Тоже

Внешний осмотр, пробный отрыв

Сборка деталей у узлов трубопроводов

Правильность и прочность мест соединений (сварки) стыков, отсутствие перекосов

Визуальный

В процессе выполнения сборки

Рабочие, бригадир - самоконтроль. Мастер (бригадир) - выборочный контроль

Внешний осмотр

Крепление узлов и трубопроводов к кронштейнам хомутами.

Направление раструбов труб и фасонных частей (против тока воды)

Визуальный

После монтажа

Рабочие, бригадир - самоконтроль, мастер (прораб) - выборочный контроль

Проект и СНиП 3.05.01-85, п. 3.12

Разметка мест установки прибора, сверление отверстий под крепление (или пристрелка подкладок под кронштейны)

Высота установки прибора, глубина, диаметр отверстий

Уровень, складной металлический метр

До и после сверления отверстий

Рабочие, бригадир - самоконтроль, мастер (прораб) - выборочный контроль

СНиП 3.05.01-85, п. 3.15

Присоединение выпуска, переливной трубы, ножек, уравнителя потенциалов (для ванн)

Комплектность, правильность соединения

Визуальный

Во время монтажа

Рабочие, бригадир - самоконтроль, мастер (прораб) - выборочный контроль

Внешний осмотр

Высота борта, уклон днища в сторону выпуска

Отвес, уровень, складной металлический метр

 

Рабочие, бригадир - самоконтроль, мастер (прораб) - выборочный контроль

 

Установка и крепление прибора

Фиксация положения и крепление прибора

Визуальный

После установки

Рабочие, бригадир - самоконтроль, мастер (прораб) - выборочный контроль

СНиП 5.05.01-85, п. п. 3.14 - 3.15

Присоединение слива к сифону и заделка стыка сифона с отводным раструбом канализации

Плотность, герметичность соединения

Визуальный

После подсоединения

Мастер (прораб) - сплошной контроль

Внешний осмотр СНиП 3.05.01-85, п.п. 3.12 - 3.13

Подготовка к испытанию канализации

Утепление в зимнее время наружных проемов и отверстий в ограждающих конструкциях здания

Визуальный

Перед испытанием

Мастер (прораб) - сплошной контроль

Проект, ППР

 

Обеспечение температуры в помещениях здания и воды в системе холодного водоснабжения не ниже +5

Термометр

Тоже

Мастер (прораб) - сплошной контроль

СНиП 3.05.01-85, п. 4.3.

Наличие водоразборной арматуры

Визуальный

Перед испытанием

Мастер (прораб) - сплошной контроль

Проект

 

Установка нижних пробок в двухоборотных и стаканчиков в бутылочных сифонах

Регистрационный

То же

То же

СНиП 3.05.01-85, п. 3.17

Наличие заглушек на выпусках и на всех нижерасположенных воронках

Визуальный

-«-

-«-

СНиП 3.05.01-85, п. 4.13

Испытание проливом

Наличие 75 % открытых приборов

Визуальный

Во время испытания

Рабочие, бригадир, мастер, прораб - сплошной контроль

СНиП 3.05.01-85, п. 4.13

Отсутствие течей

То же

То же

То же

Тоже

Испытание наполнением

Заполнение водой до уровня первого этажа

-«-

-«-

Мастер (прораб) - сплошной контроль

СНиП 3.05.01-85, п. 4.13, п. 4.15

Отсутствие течей

Визуальный и измерительный (часы)

-«-

То же

То же

4 ТРЕБОВАНИЯ БЕЗОПАСНОСТИ И ОХРАНЫ ТРУДА, ЭКОЛОГИЧЕСКОЙ И ПОЖАРНОЙ БЕЗОПАСНОСТИ

4.1 При прокладке канализации и монтаже сантехнического оборудования могут возникнуть следующие опасные и вредные производственные факторы, связанные с характером работы:

- расположение рабочего места вблизи перепада по высоте 1,3 м и более;

- повышенная запыленность, загазованность воздуха рабочей зоны;

- острые кромки, заусенцы и шероховатость на поверхностях изделий и оборудования.

4.2 Для предупреждения воздействия на работников опасных и вредных производственных факторов безопасность работ по монтажу внутренних систем канализации должна быть обеспечена соблюдением следующих мероприятий по охране труда:

- организация рабочих мест с указанием методов и средств для обеспечения вентиляции, пожаротушения, выполнения работ на высоте;

- методы и средства доставки и монтажа трубопроводов, сантехнических изделий и оборудования;

- меры безопасности при выполнении работ в бороздах, нишах, ящиках;

- особые меры безопасности при травлении и обезжиривании трубопроводов.

4.3 К выполнению работ по монтажу внутренних систем канализации допускаются лица не моложе 18 лет, имеющие профессиональные навыки, прошедшие медицинское освидетельствование и признанные годными, получившие знания по безопасным методам и приемам труда согласно ГОСТ 12.0.004-90 «ССБТ. Организация обучения безопасности труда. Общие положения», сдавшие экзамены квалификационной комиссии в установленном порядке и получившие соответствующие удостоверения.

4.4 Перед началом работы с монтажниками внутренних сантехсистем и оборудования проводится первичный инструктаж на рабочем месте по безопасному производству работ с записью результатов инструктажа в «Журнал регистрации инструктажа на рабочем месте».

Вновь принимаемые на работу должны пройти вводный инструктаж с записью в «Журнал регистрации вводного инструктажа по охране труда».

4.5 К работе с монтажным пистолетом допускаются лица, обученные правилам эксплуатации пистолета и имеющие специальное удостоверение, не моложе 18 лет с образованием не ниже 8 классов и квалификацией не ниже III разряда, проработавшие на монтажных работах не менее двух лет, прошедшие медицинский осмотр и признанные годными к выполнению вышеуказанных работ.

При работе с монтажным пистолетом выполняются требования ВСН 410-80, работы ведутся по наряду-допуску.

4.6 К работе с электрифицированным инструментом допускаются только рабочие, прошедшие специальное обучение согласно ГОСТ 12.0.004-90 «ССБТ. Организация обучения безопасности труда. Общие положения» и первичный инструктаж на рабочем месте по безопасности и охране труда.

4.7 Рабочие, работающие при повышенной запыленности и загазованности воздуха рабочей зоны, должны быть обеспечены индивидуальными и коллективными средствами защиты по ГОСТ 12.4.011-89 «ССБТ. Средства защиты работающих. Общие требования и классификация».

4.8 Соединение оцинкованных стальных труб, деталей и узлов сваркой при монтаже и на заготовительном предприятии следует выполнять при условии обеспечения местного отсоса токсичных выделений или очистки цинкового покрытия на длину 20 - 30 мм со стыкуемых концов труб с последующим покрытием наружной поверхности сварного шва и околошовной зоны краской, содержащей 94 % цинковой пыли (по массе) и 6 % синтетических связующих веществ (полистерина, хлорированного каучука, эпоксидной смолы).

4.9 Переносные электроинструменты, электромеханизмы, светильники должны иметь напряжение не выше 42 В.

4.10 Рабочая зона монтажников внутренних сантехсистем и оборудования должна быть освещена в соответствии со СНиП 23-05-95* «Естественное и искусственное освещение» и ГОСТ 12.1.046-85 «ССБТ. Нормы освещения строительных площадок». Освещенность рабочих мест должна удовлетворять нормам. Проект временного освещения должен быть разработан специализированной организацией по заказу подрядчика.

4.11 При работе следует соблюдать требования ППБ 01-03 «Правила пожарной безопасности в Российской Федерации» и ГОСТ 12.1.004-91* «ССБТ. Пожарная безопасность. Общие требования».

4.12 Заготовка и подгонка труб на подмостях, предназначенных для монтажа трубопроводов, запрещается.

4.13 Работы по обезжириванию трубопроводов должны выполняться в помещениях, оборудованных приточно-вытяжной вентиляцией. В этих помещениях запрещается пользоваться открытым огнем и допускать искрообразование. Электроустановки в таких помещениях должны быть во взрывобезопасном исполнении.

При выполнении работ по обезжириванию на открытом воздухе работники должны находиться с наветренной стороны.

4.14 Работники, занятые на работах по обезжириванию трубопроводов, должны быть обеспечены соответствующими противогазами, спецодеждой, рукавицами и резиновыми перчатками, а место проведения обезжиривания необходимо оградить и обозначить знаками безопасности.

4.15 Испытания оборудования и трубопроводов должны проводиться согласно требованиям правил Госгортехнадзора России под непосредственным руководством специально выделенного лица из числа специалистов монтажной организации по заранее разработанной методике с соблюдением требований безопасности и охраны труда.

4.16 Осмотр стальных и пластмассовых трубопроводов разрешается производить только после снижения давления до 0,3 МПа, а устранение дефектов производить после снижения давления в трубопроводах до атмосферного.

4.17 При монтаже внутренних систем канализации необходимо строго соблюдать требования безопасности и охраны труда, экологической и пожарной безопасности согласно:

- СНиП 12-03-2001 «Безопасность труда в строительстве. Часть 1. Общие требования»;

- СНиП 12-04-2002 «Безопасность труда в строительстве. Часть 2. Строительное производство»;

- ГОСТ 12.0.004-90 «ССБТ. Организация обучения безопасности труда. Общие положения»;

- ГОСТ 12.1.004-91* «ССБТ. Пожарная безопасность. Общие требования»;

- ППБ 01-03 «Правила пожарной безопасности в Российской Федерации»;

- ПОТ РМ-016-2001 «Межотраслевые правила по охране труда (правила безопасности) при эксплуатации электроустановок»;

- СП 12-135-2003 «Безопасность труда в строительстве. Отраслевые типовые инструкции по охране труда».

5 ПОТРЕБНОСТЬ В МАТЕРИАЛЬНО-ТЕХНИЧЕСКИХ РЕСУРСАХ

5.1 Потребность в инструменте, инвентаре и приспособлениях определяется с учетом выполняемых работ, назначения и технических характеристик в соответствии с таблицей 3.

Таблица 3 - Ведомость потребности в инструменте, инвентаре и приспособлениях

№ п/п

Наименование

Тип, марка, ГОСТ

Техническая характеристика

Назначение

Количество на звено

1

2

3

4

5

6

1

Ключ трубный рычажный

Тип № 1

ГОСТ 18981-73*

 

Выполнение соединений

2

2

Ключ трубный рычажный

Тип № 2

ГОСТ 18981-73*

 

Выполнение соединений

2

3

Молоток слесарный

Тип 2

ГОСТ 2310-77*

Масса, г   800

Слесарные работы

2

4

Зубило слесарное

ГОСТ 7211-86*

Длина, мм      200

20´70°

Слесарные работы

2

5

Отвертка слесарно-монтажная с прямым шлицем

А250´1,4

ГОСТ 24437-93

 

Ввинчивание шурупов

2

6

Плоскогубцы комбинированные

ГОСТ 5547-93

 

Слесарные работы

1

7

Ящик инструментальный переносной трехсекционный

ВНИИ МСС

Габарит 408´208´300

Хранение инструмента

2

8

Напильник плоский тупоносый

ГОСТ 1465-80*

 

Слесарные работы

2

9

Ключ с мягкими губками

СТД 916/4

 

Соединение трубопроводов

2

10

Ключ комбинированный

 

 

Для затяжки выпуска

1

11

Ключ для сифона

 

 

-

2

12

Ключ двусторонний для гаек пластмассовых сифонов

 

 

-

1

13

Шаблон для разметки отверстий под шурупы для унитазов

Изготовить на месте

 

-

1

14

Шаблон для разметки мест установки кронштейнов мойки

То же

 

-

1

15

Шаблон для разметки мест установки кронштейнов умывальника

 

 

-

1

16

Кисть

 

 

Для нанесения клея

1

17

Металлическая лопата

 

 

Для вспомогательных работ

1

18

Ведро

 

 

То же

1

19

Перчатки резиновые (пара)

 

 

Для защиты рук

1

20

Рулетка измерительная металлическая

ГОСТ 7502-98

Цена деления 1 мм

Измерительные работы

2

21

Метр складной металлический

 

 

То же

2

22

Уровень строительный

УС1-300

ГОСТ 9416-83

Длина 300 мм

Проверка вертикальности

2

23

Отвес

Тип О-200

ГОСТ 7948-80

 

То же

2

24

Шнур

 

Длина 12 м

- « -

2

25

Ключ гаечный с открытым зевом двухсторонний

Типы 10´12; 13´14; 12´14

М6; М8

ГОСТ 2839-80*

 

Выполнение соединений

2

26

Ключ гаечный с открытым зевом двухсторонний

Тип 12´13; 14´17

М8; М10

ГОСТ 2839-80*

 

То же

2

27

Ключ гаечный с открытым зевом двухсторонний

Тип 17´19

М10; М12

ГОСТ 2839-80*

 

- « -

2

28

Ключ гаечный с открытым зевом двухсторонний

Тип 24´27

М16; М18

ГОСТ 2839-80*

 

- « -

2

29

Ключ гаечный с открытым зевом двухсторонний

Тип 24´30

М16; М20

ГОСТ 2839-80*

 

- « -

2

30

Приспособление для монтажа пластмассовых труб

НИИ Мосстроя

 

Соединение пластмассовых труб

2

31

Ножовка для пластмассовых труб

 

Высота зубьев 2,5 - 3,0 мм, шаг 2 - 3 мм, развод 0,5 - 0,7 мм

Корректировка длины труб

1

32

Набор инвентарных заглушек

 

 

Испытание трубопроводов

1

33

Машина ручная сверлильная электрическая

ИЭ-1023А

 

Сверление отверстий

1

34

Пистолет монтажный поршневой (комплект)

ПЦ-52-1

 

Пристрелка кронштейнов к стене

1

35

Набор сверл (комплект) твердосплавных

ГОСТ 17274-71*

Диаметр от 6 до 9 мм

Сверление отверстий

2

5.2 Потребность в изделиях и полуфабрикатах для выполнения работ по монтажу, испытанию трубопроводов и установке сантехприборов приведена в таблице 4.

Таблица 4 - Ведомость потребности в изделиях, оборудовании и полуфабрикатах

Наименование материала, полуфабриката

Вариант (фасет-код)

Исходные данные

Потребность в материалах

Ед. изм.

Объем работ в нормативных единицах

Принятая норма расхода материала

1

2

3

4

5

6

Узлы из труб и фасонных частей диаметром 50 мм ГОСТ 22689.1-89 по ГОСТ 22689.2-89 Тип 1

 

м

100

1

100

То же, диаметром 110 мм

 

м

100

1

100

Кронштейны подвесные ГОСТ 1153-76*

 

шт.

100 м

200

1,05

210

Пакля ленточная пропитанная

 

кг

кг

100 унитазов

100 моек

0,035

0,02

3,5

2,0

Цемент расширяющийся М400 ГОСТ 11052-74

 

кг

100 унитазов

0,2

20,0

Дюбель-гвозди ДТП 4,5´40

 

шт.

200 кронштейнов

2

400

Дюбель-гвозди ДГПШ 4,5´40

 

шт.

100 умывальников

4

400

Планки СТ4 (сер. 4.904-69)

 

шт.

100 умывальников

2

200

Ванны чугунные ГОСТ 18297-96

 

шт.

100

1

100

Мойки чугунные ГОСТ 18297-96

 

шт.

100

1

100

Умывальники ГОСТ 30493-96

 

шт.

100

1

100

Унитазы ГОСТ 30493-96

 

шт.

100

1

100

Бачки смывные типа «Компакт»

 

шт.

100

1

100

Сиденья для унитаза ГОСТ 15062-83

 

шт.

100

1

100

Состав клеевой

 

кг

100 соединений

0,048 кг на 1 соединение

4,8

Раствор цементный М 100

 

кг

100 унитазов

0,2

20

Ветошь обтирочная

 

кг

То же

0,1

10

Ацетон технический ГОСТ 2768-84*

 

кг

- «-

0,06

6

5 %-ный раствор соляной кислоты

 

кг

- «-

0,06

6

Проволока 1 ГОСТ 3282-74*

 

кг

- «-

0,006

0,6

6 ТЕХНИКО-ЭКОНОМИЧЕСКИЕ ПОКАЗАТЕЛИ

6.1 Затраты труда на монтаж внутренних систем канализации подсчитаны по «Единым нормам и расценкам на строительные, монтажные и ремонтно-строительные работы», введенным в действие в 1987 г., и представлены в таблице 5.

Таблица 5 - Калькуляция затрат труда

Обоснование (ЕНиР)

Наименование технологических процессов

Ед. изм.

Объем работ

Норма времени

Затраты труда

рабочих, чел.-ч.

машиниста, маш.-ч. (работа машин, маш.-ч.)

рабочих, чел.-ч.

машиниста, маш.-ч. (работа машин, маш.-ч.)

1

2

3

4

5

6

7

8

Е 9-1-4, табл. 2 № 1а

Прокладка полиэтиленовых трубопроводов канализации диаметром 50 мм

м

100

0,18

-

18,00

-

Е 9-1-4 табл. 2 № 2а

Прокладка полиэтиленовых трубопроводов канализации диаметром 100 мм

м

100

0,16

-

16,00

-

Е 9-1-8 табл. 2

Испытание и окончательная проверка при сдаче системы

100 м

2,0

9,40

-

18,80

-

Е 9-1-16 табл. 1

Установка умывальников с креплением кронштейнов с помощью монтажного пистолета

Прибор

100

0,59

-

59,00

-

Е 9-1-16 табл. 2

Установка ванн чугунных со сборкой переливной трубы на месте

То же

100

2,1

-

210,0

-

Е 9-1-16 табл. 2

Установка унитазов с креплением эпоксидным кукерсольным клеем

-«-

100

0,29

-

29,00

-

Е 9-1-16 табл. 2

Установка смывных бачков для унитазов типа «Компакт»

-«-

100

0,48

-

48,00

-

Е 9-1-16 табл. 2

Установка сиденья

-«-

100

0,31

-

31,00

-

Е 9-1-16 п. 10б.

Е 9-1-18 п. 10

Установка моек на одно отделение на шкафчике с прокладкой трубопровода внутри шкафчика

-«-

100

0,60

-

60,00

-

 

Итого

 

 

 

 

489,80

 

6.2 Продолжительность работ по представленным операциям определена на основании подсчитанных затрат труда и представлена в календарном графике производства работ согласно таблице 6.

6.3 Технико-экономические показатели по монтажу внутренних систем канализации сведены в таблицу 7.


Таблица 6 - Календарный план производства работ


Таблица 7 - Технико-экономические показатели

Процессы

Показатели

Затраты труда рабочих, чел.-ч.

Продолжительность выполнения работ, смен

Выработка одного рабочего в смену

Прокладка 200 м ПЭ трубопроводов диаметром 50, 100 мм

34,0

2,07

48,3 м/чел.-смена

Испытание и окончательная проверка при сдаче системы (200 м)

18,80

1,15

87 м/чел.-смена

Установка 100 умывальников

59,0

3,6

14 шт./чел.-смена

Установка 100 ванн

210,0

12,8

4 шт./чел.-смена

Установка 100 унитазов, смывных бачков, сидений

108,0

6,6

8 шт./чел.-смена

Установка 100 моек

60,0

3,7

13 шт./чел.-смена

6.4 Для определения затрат труда при выполнении работ по устройству и монтажу внутренних систем канализации (трубопроводов, оборудования) в различных вариантах разработан фасетный классификатор, представленный в таблицах 8 - 13.

Таблица 8 - Прокладка 100 м полиэтиленовых трубопроводов

Фасеты 01 - 02

Наименование фактора

Обоснование

Фасет 01

Фасет 02

Диаметром, мм, до

25

40

Код

Значение фактора Н.вр

Код

Значение фактора Н.вр

С установкой и креплением кронштейнов дюбель-гвоздями с помощью монтажного пистолета

ЕНиР Е 9, в. 1, Е 9-1-4, табл. 2

1

18,0

1

16,0

С установкой и креплением кронштейнов дюбель-гвоздями вручную к гипсобетонным, шлакобетонным и гипсолитовым стенам

То же

2

20,0

2

18,0

С установкой и заделкой кронштейнов в готовые отверстия

-«-

3

22,0

3

18,0

С установкой и заделкой кронштейнов со сверлением отверстий в бетонных стенах

-«-

4

31,0

4

19,0

С установкой и заделкой кронштейнов со сверлением отверстий в керамзитобетонных, кирпичных и других стенах

-«-

5

26,0

5

16,0


Таблица 9 - Установка санитарных приборов

Фасеты 03 - 11

Наименование фактора

Обоснование

Фасет 03

Фасет 04

Фасет 05

Фасет 06

Фасет 07

Фасет 08

Фасет 09

Фасет 10

Фасет 11

Установка 100 санитарных приборов каждого наименования

Мойка чугунная без спинки на 2-х кронштейнах на одно отделение

Мойка чугунная без спинки на 2-х кронштейнах на два отделения

Мойка стальная на одно отделение

Умывальник

Умывальник с присоединением к системе канализации

Раковина с отъемной спинкой с присоединением к системе канализации

Бачок смывной чугунный с присоединением к системе водопровода

Бачок смывной пластмассовый с присоединением к системе

Писсуар

код

значение фактора

код

значение фактора

код

значение фактора

код

значение фактора

код

значение фактора

код

значение фактора

код

значение фактора

код

значение фактора

код

значение фактора

Н.вр.

Н.вр.

Н.вр.

Н.вр.

Н.вр.

Н.вр.

Н.вр.

Н.вр.

Н.вр.

с установкой и креплением кронштейнов дюбель-гвоздями с помощью монтажного пистолета

ЕНиР, сб. Е 9, в. 1,§ Е 9-1-16, табл. 1 «Санитарно-техническое оборудование зданий и сооружений»

1

89,0

1

158,0

1

96,0

1

99,0

1

59,0

1

37,0

1

53,0

1

47,0

1

34,0

с установкой и креплением кронштейнов дюбель-гвоздями вручную к гипсобетонным, шлакобетонным и гипсолитовым стенам

2

94,0

2

160,0

2

100,0

2

100,0

2

64,0

2

42,0

2

58,0

2

52,0

 

 

с установкой и заделкой кронштейнов в готовые отверстия

3

100,0

3

170,0

3

95,0

3

110,0

3

70,0

3

48,0

3

50,0

3

45,0

3

52,0

с установкой и заделкой кронштейнов со сверлением отверстий в бетонных стенах

4

130,0

4

200,0

4

130,0

4

140,0

4

100,0

4

77,0

4

60,0

4

55,0

4

71,0

с установкой и заделкой кронштейнов со сверлением отверстий в керамзитобетонных, кирпичных и др. стенах

5

120,0

5

190,0

5

110,0

5

120,0

5

85,0

5

63,0

5

55,0

5

50,0

5

62,0


Таблица 10 - Установка 100 санитарных приборов каждого наименования

Фасет 12

Наименование фактора

Обоснование

Код

Значение фактора, Н.вр.

Ванна чугунная со сборкой переливной трубы на месте монтажа

ЕниР, Е 9-1-8

Табл. 2

1

По калькуляции

Ванна чугунная с переливной трубой, собранной на заводе

2

190,0

Ванна чугунная сидячая

3

86,0

Ванна чугунная типа глубокого поддона размером 800´800´350

4

100,0

Стальная ванна

5

150,0

Мелкий душевой поддон размером 900´900´150

6

62,0

Таблица 11 - Установка 100 санитарных приборов каждого наименования

Фасет 13

Наименование фактора

Обоснование

Код

Значение фактора, Н.вр.

Смывной бачок для унитаза типа «Компакт»

ЕНиР, Е 9-1-8

Табл. 2

1

По калькуляции

Унитаз с креплением эпоксидно-кукерксольным клеем

2

29,0

Унитаз с креплением шурупами к ранее установленной тафте

3

35,0

Унитаз с креплением к полу в готовые отверстия с установкой уплотнителя

4

41,0

Чаша клозетная чугунная

5

91,0

Бидэ

6

200,0


Таблица 12 - Установка блоков санитарных приборов.

Фасеты 14 - 17

Наименование фактора

Обоснование

Фасет 14

Фасет 15

Фасет 16

Фасет 17

Установка 10 блоков санитарных приборов

Блок умывальников с числом приборов

2

3

4

5

Код

Значение фактора Н.вр.

Код

Значение фактора Н.вр.

Код

Значение фактора Н.вр.

Код

Значение фактора Н.вр.

С установкой и креплением кронштейнов дюбель-гвоздями с помощью монтажного пистолета

ЕНиР Е 9, в. 1, Е 9-1-17

1

10,20

1

10,70

1

11,10

1

13,50

С установкой и креплением кронштейнов дюбель-гвоздями вручную к гипсобетонным, шлакобетонным и гипсолитовым стенам или с установкой и заделкой кронштейнов в готовые отверстия

То же

2

12,0

2

12,00

2

12,00

2

15,00

С установкой и заделкой кронштейнов со сверлением отверстий в бетонных стенах или полу

- « -

3

13,00

3

14,00

3

14,00

3

18,00

С установкой и заделкой кронштейнов со сверлением отверстий в керамзитобетонных, кирпичных и других стенах или полу

- « -

4

13,00

4

13,00

4

13,00

4

16,00


Таблица 13 - Испытание 100 м трубопроводов канализации

Фасет 18

Наименование фактора

Обоснование

Код

Значение фактора Н.вр

Первое рабочее испытание отдельных частей системы

ЕНиР, Е 9-1-8

Табл. 2

1

Н.вр = 17,0

Окончательная проверка при сдаче системы

2

Н.вр = 9,4

7 ПЕРЕЧЕНЬ НОРМАТИВНО-ТЕХНИЧЕСКОЙ ЛИТЕРАТУРЫ

1 СНиП 3.01.01-85* «Организация строительного производства».

2 СНиП 3.05.01-85 «Внутренние санитарно-технические системы».

3 СНиП 12-03-2001 «Безопасность труда в строительстве. Часть 1. Общие требования».

4 СНиП 12-04-2002 «Безопасность труда в строительстве. Часть 2. Строительное производство».

5 СНиП 23-05-95* «Естественное и искусственное освещение»

6 ГОСТ 12.0.004-90 «ССБТ. Организация обучения безопасности труда. Общие положения».

7 ГОСТ 12.1.004-91* «ССБТ. Пожарная безопасность. Общие требования».

8 ГОСТ 12.1.046-85 «ССБТ. Строительство. Нормы освещения строительных площадок»

9 ГОСТ 12.4.011-89 «ССБТ. Средства защиты работающих. Общие требования и квалификация»

10 ППБ 01-03 «Правила пожарной безопасности в Российской Федерации». МЧС России, М, 2003.

11 ЕНиР. Единые нормы и расценки на строительные, монтажные и ремонтно-строительные работы. Сборник Е9 «Монтаж внутренних санитарно-технических систем». Выпуск 1. «Отопление, водопровод, канализация и газоснабжение»

12 ПОТ РМ-016-2001 «Межотраслевые правила по охране труда (правила безопасности) при эксплуатации электроустановок».

13 ВСН 410-80 «Инструкция по применению пороховых инструментов при производстве монтажных и специальных строительных работ».

14 СП 12-135-2003 «Безопасность труда в строительстве. Отраслевые типовые инструкции по охране труда».

15 СП 40-102-2000 «Проектирование и монтаж трубопроводов систем водоснабжения и канализации из полимерных материалов».

 




ГОСТЫ, СТРОИТЕЛЬНЫЕ и ТЕХНИЧЕСКИЕ НОРМАТИВЫ.
Некоммерческая онлайн система, содержащая все Российские Госты, национальные Стандарты и нормативы.
В Системе содержится более 150000 файлов нормативно-технической документации, действующей на территории РФ.
Система предназначена для широкого круга инженерно-технических специалистов.

Рейтинг@Mail.ru Яндекс цитирования

Copyright © www.gostrf.com, 2008 - 2026