|
|
|
МОСКОВСКИЙ АВТОМОБИЛЬНО-ДОРОЖНЫЙ ИНСТИТУТ МОСКОВСКИЙ АВТОМОБИЛЬНО-ДОРОЖНЫЙ ИНСТИТУТ ОТДЕЛЕНИЕ
УСОВЕРШЕНСТВОВАНИЯ РУКОВОДЯЩИХ Рекомендовано методическим Советом дорожно-строительного факультета МЕТОДИКА ОЦЕНКИ
ИЗДАТЕЛЬСТВО «ВЫСШАЯ ШКОЛА» МОСКВА - 1971 В написании брошюры приняли участие сотрудники кафедры «Проектирование дорог» МАДИ - докт. техн. наук, проф. В.Ф. Бабков (Введение, § 19, 20 и общее редактирование всей книги), канд. техн. наук, доценты В.Н. Иванов (§ 10) и Н.П. Орнатский (§ 5, 6, 8, 11), канд. техн. наук О.А. Дивочкин (§ 2, 3, 15, 16 и гл. VI), Е.М. Лобанов (§ 17), В.В. Сильянов (гл. IV и § 20), Ю.М. Ситников (§ 2, 3, 7, 9) и В.С. Порожняков (§ 1 и гл. VII), инженеры С.К. Кашкин (§ 18) и Р.А. Малкис (§ 4). ВВЕДЕНИЕПредусмотренное Директивами XXIII съезда КПСС по пятилетнему плану развития народного хозяйства СССР на 1966 - 1970 гг. резкое увеличение выпуска автомобилей приведет к значительному повышению интенсивности движения на дорогах, и еще острее станет проблема обеспечения безопасности движения. Современные дороги должны обеспечивать безопасность движения автомобилей на всем пути следования независимо от погоды и времени года. Однако внимательный анализ особенностей режимов движения автомобилей показывает, что на дорогах имеется много неудачных, опасных или трудных для движения мест, которые требуют от водителей повышенной внимательности, вызывают заторы и задержки. Въезжая на опасные или трудные участки, неопытные или неосмотрительные водители, которые едут с высокой скоростью, не считаясь с особенностями расположенных впереди участков дороги, сталкиваются с необходимостью резкого торможения и часто попадают в аварийную ситуацию. Аналогичное положение может создаваться и у усталых водителей, имеющих замедленную реакцию. Поэтому места значительного снижения скоростей транспортного потока всегда характеризуются повышенной вероятностью возникновения дорожно-транспортного происшествия. Устранение опасных мест на дороге улучшает ее транспортно-эксплуатационные качества. Дорожное строительство ближайших лет в СССР будет слагаться из нескольких характерных этапов: а) создание дорог страны в виде новых автомагистралей для дальних грузовых и пассажирских перевозок, связывающих между собой республиканские и важнейшие областные центры и крупнейшие промышленные районы; б) реконструкция, развитие и дополнение существующей сети дорог республиканского и областного значения; в) создание внутрирайонных сельскохозяйственных и местных дорожных сетей. Трудно предположить, что в ближайшие годы окажется возможность перестроить все старые дороги в соответствии с современными техническими нормами для дорог. Следовательно, необходимо обеспечить путем реконструкции движение на всем протяжении дороги со скоростью, близкой к скоростям движения современных грузовых автомобилей, т.е. порядка 70 - 80 км/час. Такие дороги будут обладать достаточно высокими транспортно-эксплуатационными качествами. Пока еще, к сожалению, часто не понимают, что дорога, которую можно проехать с постоянной скоростью 60 км/час, более выгодна и безопасна для автомобильного транспорта, чем дорога того же протяжения, на разных участках которой скорости меняются от 30 до 90 км/час. В выполнении работ по улучшению существующих дорог большое участие будут принимать дорожно-эксплуатационные организации, которым придется чаще, чем в настоящее время, улучшать элементы плана и профиля в процессе проведения капитальных ремонтов. В этом случае приобретает большое значение правильная очередность перестройки отдельных участков. Базой для назначения работ по улучшению дорожной сети явится изучение особенностей движения автомобилей на разных участках дорог. Научной основой планирования как перестроек дорог, так и текущих мероприятий по организации на них движения, должен стать экспериментально установленный график скоростей и интенсивности движения. В составлении графика скоростей движения и выявлении на дорогах мест, требующих первоочередной реконструкции, видное место должна занять служба ремонта и эксплуатации дорог. Ни одна изыскательская партия проектной конторы не сможет собрать столь обоснованных материалов для разработки предложений по улучшению дороги, как работники службы эксплуатации, знающие особенности движения по ней автомобилей в разные периоды года, при различных погодных условиях и при разной интенсивности движения и т.д. Изучение режимов движения автомобилей по дорогам и обследование транспортно-эксплуатационных характеристик дорог в целях научного обоснования их постепенной реконструкции имеет свою специфику, не освещенную в учебной и ведомственной литературе. Выполняя в течение ряда лет обследования дорог различных категорий по заданиям Министерства автомобильного транспорта и шоссейных дорог РСФСР, УССР, Латвийской ССР, Эстонской ССР и Главных управлений шоссейных дорог при Совете Министров БССР и Грузинской ССР, коллектив кафедры «Проектирование дорог» Московского автомобильно-дорожного института накопил большой опыт и разработал методы и приемы проведения этих работ, вполне доступные дорожно-эксплуатационным и проектным организациям. Разработанная кафедрой методика комплексной оценки безопасности движения и транспортных качеств дороги экспонировалась в 1966 г. на Выставке достижений народного хозяйства СССР и была отмечена дипломом. Данное пособие сжато излагает методику обследования для изучения транспортно-эксплуатационных характеристик автомобильных дорог. Задача пособия обосновать необходимость комплексных транспортных обследований существующих дорог и раскрыть широкие возможности практических выводов из этих обследований. Глава I.
|
|||||||||||||||||||||||||||||||||||||||||||||||||||||||||||||||||||||||||||||||||||||||||||||||||||||||||||||||||||||||||||||||||||||||||||||||||||||||||||||||||||||||||||||||||||||||||||||||||||||||||||||||||||||||||||||||||||||||||||||||||||||||||||||||||||||||||||||||||||||||||||||||||||||||||||||||||||||||||||||||||||||||||||||||||||||||||||||||||||||||||||||||||||||||||||||||||||||||||||||||||||||||||||||||||||||||||||||||||||||||||||||||||||||||||||||||||||||||||||||||||||||||||||||||||||||||||||||||||||||||||||||||||||||||||||||||||||||||||||||||||||||||||||||||||||||||||||||||||||||||||||||||||||||||||||||||||||||||||||||||||||||||||||||||||||||||||||||||||||||||||||||||||||||||||||||||||||||||||||||||||||||||||||||||||||||||||||||||||||||||||||||||||||||||||||||||||||||||||||||||||||||||||||||||||||||||||||||||||||||||||||||||||||||||||||||||||||||||||||||||||||||||||||||||||||||||||||||||||||||||||||||||||||||||||||||||||||||||||||||||||||||||||||||||||||||||||||||||||||||||
|
Состояние земляного полотна |
|
|
1 |
Очень плохое. Обочины и откосы размыты водой |
|
2 |
Плохое. Обочины не укреплены, разъезжены, в отдельных местах лужи застоявшейся воды, откосы размыты |
|
3 |
Удовлетворительное. Обочины, откосы, резервы в хорошем состоянии. Имеются отдельные выбоины на обочинах, отдельные размывы откосов, резервов |
|
4 |
Хорошее. Обочины на 50 - 75 см от проезжей части укреплены. Неукрепленная часть обочин, откосы, боковые канавы в хорошем состоянии |
|
5 |
Отличное. Обочины укреплены. Откосы, боковые канавы и резервы в хорошем состоянии; отвод воды обеспечен |
Таблица 2
|
Состояние проезжей части |
|
|
1 |
Очень плохое. Покрытие разрушено, требует капитального ремонта |
|
2 |
Плохое. На покрытии сетка трещин. Выбоины |
|
3 |
Удовлетворительное. На покрытии ряд трещин, кромки неровные, имеются отдельные выбоины |
|
4 |
Хорошее. Имеются отдельные поперечные трещины |
|
5 |
Отличное. Поверхность ровная, обеспечивает хорошее сцепление колес автомобиля с покрытием дороги |
Участки земляного полотна и проезжей части, получившие при проведении рекогносцировочных обследований оценку от 1 до 3 баллов, в дальнейшем детально обследуют с целью выяснения причин возникновения дефектов дороги.
В тех случаях, когда по условиям организации работ нельзя провести обследование земляного полотна и дорожной одежды ранней весной, в течение «расчетного периода», при весенних рекогносцировочных осмотрах следует особенно тщательно наметить места, где в сухое время года должны быть проведены работы по отбору образцов грунта.
Рекогносцировочный осмотр не должен ограничиваться одним проездом по дороге туда и обратно. Работники, обследующие дорогу, должны использовать каждый свой проезд по дороге для дополнения и уточнения мест детального обследования, намеченных при первом проезде.
Работы по обследованию дорог относятся к категории опасных. Их приходится выполнять на узкой полосе земляного полотна дороги при непрерывном движении, часто весьма интенсивном. В некоторых случаях, закрывая во время испытаний одну из полос движения на проезжей части, обследователи создают на дороге участок стеснения, что может привести к дорожным происшествиям. Поэтому все члены бригады по обследованию должны строго соблюдать правила техники безопасности.
Наряду с правилами техники безопасности при выполнении отдельных видов измерений, которые описаны далее в специальных параграфах, имеется ряд общих правил, связанных с организацией обследования, переездами на работу, нахождением персонала на дороге.
Общие правила
К работам по обследованию дорог допускаются только лица, прошедшие инструктаж по технике выполнения всех видов работ и технике безопасности.
Согласно правилам организации работ, которые характеризуются повышенной опасностью, перед началом руководитель экспедиции проводит со всеми ее членами дополнительный инструктаж и выдает каждому из них наряд по специальной форме, утвержденной ВЦСПС.
При работе одновременно в нескольких местах руководитель работ назначает для руководства в местах, где он не может присутствовать лично, ответственных бригадиров, которые полностью отвечают за безопасность работ. Особое внимание должно уделяться обеспечению безопасности студентов-практикантов, имеющих меньший опыт работ, чем штатные сотрудники.
Если обследования проводятся в местностях распространения инфекционных заболеваний (клещевой энцефалит и др.), все участники экспедиции должны пройти обязательный курс прививок, установленный органами здравоохранения. В ходовых лабораториях должны иметься аптечки, средства оказания первой помощи и бачок с кипяченой водой. Руководитель бригады должен предупредить выезжающих на обследование о необходимой в местных условиях одежде и обуви. Участники экспедиции при работе на проезжей части должны одевать оранжевые жилеты, чтобы их было лучше видно.
Правила безопасности во время поездок на автомобилях
Ответственным за безопасность автомобиля-лаборатории во время движения к месту работ и во время испытаний является водитель, который должен требовать от лиц, находящихся в автомобиле, строгого соблюдения правил техники безопасности.
При проездах к месту работы и обратно руководителю экспедиции и другим ее участникам запрещается давать водителю какие-либо указания о режиме и скоростях движения, за исключением приказа снизить скорость, если она им кажется чрезмерной. Водитель автомобиля-лаборатории избирает безопасный режим движения в соответствии с правилами движения, своей квалификацией и местными условиями. Исключения составляют специальные проезды с заданным режимом движения по скорости, предусмотренные утвержденной методикой испытаний. Если по мнению водителя состояние дороги не допускает движение с такой скоростью - испытания откладывают или их методика пересматривается.
При остановке автомобиля-лаборатории в пределах дороги можно выходить только на правую сторону. Выходя через заднюю дверь автобуса, необходимо предварительно убедиться, что сзади нет обгоняющих автомобилей и выход безопасен. Задняя левая дверь легковых автомобилей должна быть постоянно закрыта.
Во время движения члены экспедиции должны располагаться только на сиденьях. Все приборы, инструменты и личные вещи в кузове автомобиля должны быть закреплены во избежание их перемещения и нанесения повреждения едущим при резком изменении скорости движения. Запасное колесо, если оно хранится в кузове, должно быть надежно закреплено. Запрещается перевозить людей на подножках и крыльях, ехать с открытой дверью во время киносъемки, а также ехать с открытым верхним люком в городе.
Во время испытаний по оценке ровности покрытия, коэффициента сцепления и других измерений при скоростях движения больше 80 км/час в автомобиле-лаборатории должны находиться только водитель и операторы, участие которых предусмотрено методикой.
Меры безопасности при проведении работ на дороге
Присутствие посторонних лиц на месте испытаний, около дорожных лабораторий, буровых станков и установок для пробных нагрузок во время работ не допускается.
Перед началом любых работ на полотне дороги необходимо выставлять на дороге, на расстоянии 50 м с обеих сторон от места производства работ, предупреждающие знаки «дорожные работы» и барьеры, перекрывающие полосу, на которой будут производиться работы.
При всех работах, проводимых на проезжей части дороги, должно быть обеспечено непрерывное наблюдение за движением с целью своевременного оповещения сотрудников об опасности. Для этой цели выделяют специального человека, который должен находиться в таком месте, чтобы видеть дорогу с обеих сторон от места работ.
Все необходимые приборы и оборудование при работе следует по возможности располагать за пределами дорожного полотна, автомобили ставить на обочине, а при наличии съездов и полевого пути на обрезе, за канавой.
Выходить на проезжую часть из-за автомобиля, стоящего на обочине, если это вызвано производственной необходимостью, можно лишь убедившись в отсутствии приближающихся автомобилей.
В лабораториях-автобусах, оборудованных люком на крыше для киносъемок, запрещается сидеть на краю люка во время движения. При фотографировании или киносъемке через верхний люк при движении автомобиля оператор должен твердо стоять на установленном под люком столе-верстаке. При этом следует выделять наблюдателя, который следит за возможностью появления над дорогой низко расположенных проводов или сучьев, предупреждая оператора.
Разговоры с водителем во время движения запрещены. Исключение составляет испытание по специальной программе.
Водителю категорически запрещается доверять управление автомобилем кому-либо из едущих, в том числе имеющим водительские права, если об этом не было сделано указания в путевом листе при выезде из гаража.
Максимальная транспортная скорость движения легковых автомобилей устанавливается на загородных участках 80 км/час, грузовых - 50 км/час со строгим соблюдением ограничений, установленных дорожными знаками.
Норма времени водителей в наряде ограничивается 8 часами, а в горных условиях - 6 часами. Через каждые два часа должен делаться перерыв в работе не менее 30 минут.
Организация работ по ремонту и техническому обслуживанию автомобилей на экспедиционных работах
Безопасность работ при обследовании, в частности, измерение скоростей движения транспортного потока методом «следования за лидером» обеспечивается только при полной исправности ходовых автомобильных лабораторий.
Техническое состояние испытательных автомобилей должно удовлетворять правилам технической эксплуатации. До выезда в дальние рейсы автомобили должны пройти ТО-2 (технический осмотр).
В период полевых работ автомобиль периодически осматривают и ремонтируют в соответствии с составленным до выезда графиком.
При ремонте автомобиля в полевых условиях начальник экспедиции и водитель должны следить за соблюдением техники безопасности всеми, кто принимает участие в ремонте.
Поднятый для ремонта автомобиль должен быть надежно установлен на специальных козлах или подмостях из подручных материалов. Устойчивость автомобиля предварительно следует проверить пробным раскачиванием. Рядом должен находиться запасной домкрат на случай аварийного подъема автомобиля.
Запрещается работать под автомобилем, поднятым на домкрате, находиться в его кузове и открывать его дверцы.
Если ремонтирующий находится под автомобилем, около автомобиля должен находиться сотрудник, следящий за положением автомобиля.
Противопожарная безопасность
Всем участникам экспедиции необходимо помнить и соблюдать правила противопожарной безопасности. В кузове дорожно-испытательных лабораторий на видном месте должен висеть исправный огнетушитель.
В автомобиле запрещается бросать на пол бумагу, окурки, остатки пленки, замасленные тряпки и другие легко воспламеняющиеся материалы. Кино- и фотопленку можно перевозить только в металлическом ящике, в части кузова, наиболее удаленной от двигателей, печей и электрооборудования.
Ежедневно из состава бригады назначается дежурный для уборки внутри автомобиля.
Интенсивность движения является основным показателем, регламентирующим категорию дороги, а также определяющим необходимость капиталовложений на ремонт, реконструкцию или благоустройство дороги. При этом учитывают как величину интенсивности в период, предшествующий обследованию дороги, так и ожидаемую в будущем. Последнюю можно определить, исходя из материалов учета движения за ряд лет (желательно их изучение за период не менее чем 8 - 10 лет). Данные об интенсивности движения за предыдущие годы получают в дорожно-эксплуатационных организациях.
Регулярный учет движения ведется на всех дорогах общесоюзного, республиканского и на значительной части дорог областного значения в течение всего срока их эксплуатации. Достоверность и ценность этих данных зависит от правильности размещения учетных пунктов.
При наиболее распространенном методе учета ремонтер на каждом створе регистрирует интенсивность движения 3 либо 6 раз в месяц в течение 8 часов. За три дня должно быть охвачено учетом все 24 часа суток. Число автомобилей фиксируют по каждому направлению движения, по типам подвижного состава и отдельно за каждый час.
Заполненные бланки сдают в ДЭУ (дорожно-эксплуатационный участки), где вычисляют среднемесячную, а потом и среднегодовую суточную интенсивность движения, а также наибольшую часовую интенсивность за каждый месяц и за год, максимум и минимум суточной интенсивности за год.
В течение ряда лет в разных странах пытаются разработать автоматическую аппаратуру для учета движения, но надежные и удобные для практики методы автоматизации еще не найдены. Испытывались, преимущественно в исследовательских целях, следующие устройства:
1. Пневматические счетчики, которые имеют шланг, уложенный поперек дороги. Регистрируется нажим каждой из переезжающих осей, число которых не у всех автомобилей одинаково.
2. Механические счетчики имеют педаль, при наезде на которую замыкается электрический контакт.
3. Фотоэлектрические счетчики основаны на изменении силы тока в фотоэлементе при пересечении автомобилем светового луча. Усиленный импульс подается на электросчетчик, показания которого автоматически фиксируются через заданные промежутки времени. Чтобы избежать одновременного пересечения луча автомобилями, идущими по разным полосам движения, луч направляют к оси дороги под углом 25 - 35°. На точность учета этим способом заметно влияет высота луча над покрытием дороги, а также то, что пешеходов, велосипедистов или скот фотоэлектрический счетчик регистрирует наравне с автомобилями.
4. Магнитные индукционные счетчики получают электрический сигнал рамки кабеля (обычно заделанной в покрытие), в которой при проходе автомобиля наводится ток. Конструкция счетчиков этого типа проста, их легко ремонтировать, они не требуют регулировки, поэтому в последние годы получают большее распространение, чем счетчики других типов. Поскольку их срабатывание зависит не только от массы металла в автомобиле, но и от его скорости, установка магнитных счетчиков возможна только на прямых участках с малым продольным уклоном и ограниченным обгоном. Магнитные счетчики завода ВЭФ (Рига), регистрируя, делят все автомобили на 2 типа:
тяжелые грузовые и автобусы,
все остальные более легкие автомобили, в том числе легковые.
5. Радиолокационная аппаратура, которая позволяет регистрировать не только число, но и скорость движения автомобилей, измеряя изменение частоты колебаний отраженной волны, пропорциональное скорости движения. Однако сложность ремонтов и наладки этой аппаратуры препятствуют ее широкому использованию.
6. Полуавтоматические приборы в виде батареи счетчиков с ручным клавишным управлением. Наблюдатель при работе избавлен не только от необходимости вести записи, но и от их обработки, так как число автомобилей автоматически суммируется по их типам, по направлению движения и контролируются общие итоги учета. Эти приборы особенно удобны для контрольного выборочного учета движения при обследованиях дорог.
Помимо использования данных регулярного учета движения, для контроля и получения недостающих сведений при обследовании дорог организуют выборочный учет в течение нескольких часов в сутки одновременно в нескольких створах.
Возможно проведение параллельного учета на постоянных пунктах дорожной службы, например, для проверки показаний приборов, для уточнения интенсивности или состава движения на период выполнения других видов измерений.
Необходимый объем наблюдений при учете движения или измерении средней скорости автомобилей должен быть рассчитан, исходя из выборочного метода математической статистики, рассматривающего обработку большого числа случайных величин с тем, чтобы с заданной степенью достоверности выявить общую среднюю закономерность.
Необходимое количество наблюдений (объем выборки) может быть определено по формуле:
(1)
где: t - функция доверительной вероятности («коэффициент Стьюдента»),
σ - среднеквадратическое отклонение (дисперсия),
Δ - допустимая предельная погрешность измерений.
Для определения исходных данных либо проводят предварительные пробные наблюдения, либо ориентируются по тем цифрам, которые предполагается контролировать. При этом используют зависимость математической статистики, согласно которой при нормальном распределении ошибок (по кривой Гаусса) 50 % всех ошибок будет лежать в пределах, не превышающих ±0,67 σ, что соответствует диапазону изменения измеряемой величины R = 1,34 σ. Иными словами, при таком диапазоне измерений доверительная вероятность (надежность) составит H = 0,5. Соотношение между указанными величинами можно представить в виде таблицы.
Таблица 3
|
Надежность H |
0,50 |
0,686 |
0,954 |
0,997 |
|
Наибольшее отклонение от средней величины |
0,67 σ |
1 σ |
2 σ |
3 σ |
|
Диапазон R |
1,34 σ |
2 σ |
4 σ |
6 σ |
Если по данным предварительных наблюдений известно, что скорости движения автомобилей на обследуемой дороге могут быть в пределах от 50 до 80 км/час, то диапазон изменения скоростей (амплитуда) R = 30 км/час. При доверительной вероятности 95,4 % получим среднеквадратическое отклонение:
![]()
Если требуется одновременно наблюдать как интенсивность, так и скорости движения, можно исходить из предельной погрешности измерения последних Δ = 2,5 км/час. По таблицам доверительной вероятности (табл. 3) при H = 0,954 это соответствует значению функции t = 2,0. Тогда необходимое наименьшее число автомобилей, которые должны быть охвачены наблюдениями, составляет:
![]()
Чем больше относительные колебания результатов и чем большую надежность измерений желательно получить, тем больше должно быть повторностей. Если среднеарифметическую величину ожидаемого результата обозначить Me, то относительная погрешность измерений будет:
(2)
В таблице указано необходимое число измерений (наблюдений) в зависимости от заданных надежности и относительной ошибки.
Таблица 4
|
Относительная ошибка |
Надежность измерений Н |
||||||
|
0,5 |
0,6 |
0,7 |
0,8 |
0,9 |
0,95 |
0,99 |
|
|
3,0 |
1 |
1 |
1 |
1 |
2 |
3 |
4 |
|
2,0 |
1 |
1 |
1 |
2 |
3 |
4 |
5 |
|
1,0 |
2 |
2 |
3 |
4 |
5 |
7 |
11 |
|
0,5 |
3 |
4 |
6 |
9 |
13 |
18 |
31 |
|
0,4 |
4 |
6 |
8 |
12 |
19 |
27 |
46 |
|
0,3 |
6 |
9 |
13 |
20 |
32 |
46 |
78 |
|
0,2 |
13 |
19 |
29 |
43 |
70 |
99 |
171 |
|
0,1 |
47 |
72 |
169 |
266 |
273 |
387 |
668 |
Если в ходе наблюдений определяют только фактическую часовую интенсивность движения, то следует исходить из ее возможных колебаний. Зная, например, по данным прошлых учетов движения, что среднегодовая суточная интенсивность имеет максимум 3000, а минимум 1200 автомобилей в сутки на данном участке дороги и что часовая интенсивность движения составляет обычно 10 % среднесуточной, получим около 120 - 300 авт/час. Следовательно, Rt = 180 авт/час и σt = 30 авт/час. Считая допустимой предельную ошибку учета около 10 % от средней величины интенсивности движения, т.е. Δ = ±20 автомобилей, и считая возможным принять доверительную вероятность H = 0,80 (t = 1,5), получим необходимое число часов наблюдений:
![]()
Собранные сведения об интенсивности и составе движения сводят в таблицы, обрабатывают и получают данные в целях установления:
изменения интенсивности движения по длине дороги с тем, чтобы определить соотношение характерной загрузки ее перегонов;
среднего состава движения по дороге и изменения на выявленных ранее характерных перегонах;
тенденции роста интенсивности и изменения состава движения на каждом перегоне дороги.
График изменения интенсивности движения по длине дороги (рис. 6) составляют по данным за 2 - 3 последних года, если в каждом пункте учета интенсивность за эти годы была почти одинаковой или равномерно возрастала во всех пунктах. В противном случае составляют 2 - 3 графика по наиболее характерным данным, накопившимся за 5 - 6 лет, что дает возможность обнаружить на разных перегонах увеличение или, наоборот, уменьшение потока автомобилей на фоне общего роста интенсивности движения, всегда имеющего место в среднем по дороге.
Рис. 6. Линейный график интенсивности движения автомобилей
1 - максимальная интенсивность, 2 - среднегодовая, 3 - минимальная. Цифры на линиях указывают годы учета
На графике указывают среднегодовую суточную интенсивность движения, а также максимальную и минимальную среднемесячную суточную, имевшую место в году.
Количественная характеристика состава движения анализируется по каждому из перегонов и в среднем по дороге (рис. 7). Изучают также изменение состава потока по дороге и составляют линейный график изменения состава движения (рис. 8).
Рис. 7. Циклограмма состава движения (в среднем по дороге)
Рис. 8. Линейный график изменения состава движения по дороге
1 - легковые автомашины, 2 - автобусы, 3 - грузовые тяжелые автомобили, 4 - грузовые средней грузоподъемности, 5 - грузовые малого тоннажа, 6 - прочие автомобили
Данные о количестве грузовых автомобилей являются основой для расчета требуемой прочности дорожной одежды на период обследования и на будущее.
Сведения о количестве легковых автомобилей, автобусов и других типов автомобилей позволяют установить возможность обгонов, без которых невозможна скорость движения выше 50 - 60 км/час, пропускную способность дороги в целом, каждого из ее перегонов и отдельных узких мест, от которых зависит пропускная способность перегонов.
Пропускная способность представляет собой наибольшую интенсивность движения, возможную при определенной скорости движения.
Зависимость интенсивности движения и пропускной способности от типа преобладающих в составе движения автомобилей, технического совершенства дороги (ее технической категории) и рельефа местности показана на рис. 9, где каждая наклонная линия отражает влияние скорости на интенсивность движения, пока есть возможность обгонов. На линиях обозначена категория дороги (римская цифра) и характер рельефа (равн. - равнинный рельеф; пер. - пересеченный и гор. - горный).
Рис. 9. Зависимость интенсивности движения по дороге и пропускной способности полосы от скорости движения автомобилей
Нижняя линия, идущая от начала координат направо вверх, отражает пропускную способность одной полосы проезжей части и соответствует верхнему ряду цифр на оси абсцисс. Второй, нижний ряд цифр относится к суммарной интенсивности движения (в двух направлениях) на дорогах с двухполосной проезжей частью. В средних условиях пропускную способность одной полосы движения загородных дорог можно определить по табл. 5.
В населенных пунктах пропускную способность полосы движения определяют по данным табл. 5 (см. Строительные нормы и правила проектирования городских дорог) СНиП II-К.3-62 (п. 2.13).
Таблица 5
|
Равнинный рельеф |
Пересеченный рельеф |
Горный рельеф |
|||||
|
Пропускная способность одной полосы проезжей части (кол. авт.) |
|||||||
|
в створе за час |
на участке в сутки |
в створе за час |
на участке в сутки |
в створе за час |
на участке в сутки |
||
|
I, II |
1200 |
11000 |
1100 |
10000 |
1000 |
9000 |
|
|
III |
1000 |
9000 |
900 |
8000 |
800 |
6000 |
|
|
IV |
850 |
7000 |
800 |
6000 |
650 |
4500 |
|
|
V |
650 |
4500 |
550 |
4000 |
400 |
3000 |
|
При смешанном движении, в целях расчета пропускной способности и ее сопоставления с перспективной и существующей интенсивностью движения, различные виды транспорта условно приводят к одному расчетному виду, обычно к легковым автомобилям. Для этого служат переводные коэффициенты, учитывающие размеры, скорость подвижного состава и интервалы между ними, иначе говоря, то, что принято называть динамическим габаритом автомобиля. Величину коэффициентов перевода принимают следующую:
Велосипедисты............................................................................................................. 0,3
Мотоциклы.................................................................................................................... 0,5
Легковые автомобили.................................................................................................. 1,0
Грузовые автомобили грузоподъемностью до 3 т.................................................... 1,5
То же, от 3 до 7 т.......................................................................................................... 2,0
То же, более 7 т и микроавтобусы............................................................................. 2,5
Троллейбусы.................................................................................................................. 3,0
Автопоезда с прицепами или с полуприцепами, сочлененные троллейбусы или автобусы, двухэтажные автобусы............................................................................................................................. 4,0
Чтобы установить количество велосипедистов и мотоциклистов в общем транспортном потоке, на учетных пунктах проводят выборочные наблюдения в течение 3 - 4 часов. Учетные пункты располагают на перегонах, примыкающих к небольшим городам, в которых есть фабрики и заводы.
На дорогах I категории и городских улицах с многополосным движением учитывают коэффициент распределения транспорта по ширине проезжей части, который принимают:
для первой, крайней правой полосы движения каждого направления.................. 1,0
для второй полосы движения...................................................................................... 0,85
для третьей полосы движения..................................................................................... 0,70
Основной поток транспорта, составляющий около 85 % суточного объема, проходит по дорогам за 10 - 12 дневных часов (рис. 10). Суточная интенсивность в среднем в 10 - 12 раз больше часовой и по данным непосредственного учета, проведенного в дневные часы, можно приблизительно оценивать среднесуточную величину интенсивности движения.
Рис. 10. Эпюра интенсивности движения по часам суток
I - легковые автомобили, II - грузовые автомобили и автобусы
Колебания интенсивности наблюдаются также в разные дни недели. Летом около крупных городов наибольшая интенсивность движения (с преобладанием легковых автомобилей) бывает в субботу и понедельник. Кроме суточной и недельной, очень важна сезонная неравномерность движения, характерная для сельскохозяйственных районов и курортных магистралей, и в меньшей степени проявляющаяся в промышленных районах страны (рис. 11). На годовом графике интенсивности движения, показанном на рис. 11, четко выражены три пика: весенний - в апреле и осенний - в октябре, вызванные полевыми работами в сельском хозяйстве, а также третий - в августе, обусловленный потоком отпускников и туристов, едущих на курорты или возвращающихся оттуда.
Рис. 11. Годовой график изменения интенсивности движения на двух учетных пунктах
В ходе анализа годовой неравномерности движения важно исключить случайные суточные максимумы, вызванные, например, единовременным перегоном большой колонны автомобилей на уборку урожая в другие районы страны или коротким периодом перевозки строительных грузов. Иногда наблюдаемая интенсивность движения оказывается завышенной за счет автомобилей, занятых на реконструкции или ремонте самой обследуемой дороги.
Устойчивые, повторяющиеся ежегодно в одни и те же месяцы максимумы позволяют вычислить для каждого года коэффициент сезонной неравномерности интенсивности движения (коэффициент сезонности) Kc. Он представляет собой отношение максимального суточного числа автомобилей в определенный период к среднегодовому суточному. В расчетах перспективной интенсивности движения учитывают среднеарифметическую величину коэффициентов сезонности, вычисленных за ряд лет для учетных пунктов каждого перегона дороги.
Кроме общего годового коэффициента сезонности, не менее важен учет максимальной интенсивности движения в периоды наибольшего увлажнения земляного полотна, периоды распутицы грунтовых дорог, появления пучин и проломов коры на дорогах с твердыми покрытиями. Для расчета прочности дорожных одежд среднегодовую суточную интенсивность, вычисленную на перспективу, умножают на коэффициент сезонности весеннего периода Kв, если он больше единицы (в противном случае его не учитывают). Вычисляют этот коэффициент аналогично предыдущему.
Регулярный учет движения, позволяя получить данные о размерах и составе движения, все же не раскрывает сущности условий эксплуатации автомобильного транспорта в районе обследуемой дороги. С целью углубления данных регулярного учета при обследованиях дорог целесообразно проведение учета движения с остановкой транспорта и опросом водителей. Задача подобного учета состоит в определении коэффициентов использования пробега и грузоподъемности и средней дальности перевозки грузов. Исследование этих показателей помогает выявить и обосновать необходимость таких мероприятий, как устройство дополнительных полос на затяжных подъемах, увеличение радиуса закруглений, улучшение видимости, специализация полос движения или постройка велосипедных дорожек, тротуаров.
Время, продолжительность и место проведения учета движения с опросом водителей назначают в зависимости от характеристик дороги и движения. Чтобы получить наиболее характерные данные, необходимо в первую очередь учесть периодические сезонные колебания интенсивности движения. На дорогах сельскохозяйственных районов учет движения целесообразно проводить не менее 3-х раз: весной, в посевной период, летом и осенью, когда в связи с уборкой и вывозом сельскохозяйственной продукции изменяются структура и направление перевозок.
На дорогах, проходящих через промышленные районы, достаточно проведения разового учета движения.
Учет движения планируют обычно на вторую - третью неделю месяца, чтобы устранить влияние на перевозки неравномерности выпуска продукции предприятиями в течение месяца, что может повлиять на эксплуатационные показатели использования автопарка и объемы перевозок. Для проведения учета используют один из дней в середине недели.
При небольшом протяжении обследуемых дорог (до 100 км) учетные пункты располагают в непосредственной близости от крупных населенных пунктов или городов. В этих пунктах обычно сходятся потоки транспорта со всех маршрутов и расстояний, что крайне важно для последующего анализа собранного материала. При большом протяжении обследуемой дороги ее разбивают на характерные участки по 70 - 100 км, на каждом из которых проводят учет движения с опросом.
В зависимости от интенсивности, учет движения проводят непрерывно по 16 - 20 часов в течение 1 - 2 суток. При очень большом движении, в целях предупреждения заторов на дорогах, учет проводят сначала для одного направления движения, а на следующий день для противоположного.
Работа выполняется по согласованию с органами дорожной милиции, представитель которой должен находиться на месте работ.
Для обеспечения безопасности проведения работ за 150 - 200 м до учетного пункта укрепляется знак «Прочие опасности» и за 50 м устанавливается плакат «Учет движения. Остановка обязательна».
В процессе проведения работ по учету движения, учетчик в специальный бланк (см. табл. 6) записывает модель автомобиля, его номерной знак, наименование груза, маршрут следования автомобиля и количество груза.
Таблица 6
Начало учета Окончание учета
_________________ 196___ г. _________________ 196___ г.
________ час _________ мин ________ час _________ мин
Бланк выборочного учета движения автомобилей на дороге ________________, км ___.
|
Модель автомобиля |
Номерной знак автомобиля |
Маршрут следования |
Наименование груза |
Количество груза |
Примечание |
|
|||
|
т |
в натуральном выражении |
||||||||
|
откуда следует |
куда следует |
|
|||||||
|
1 |
ГАЗ-51-А |
КГА-17-31 |
Калуга |
Тамбов |
металлоизделия |
2,0 |
- |
|
|
|
2 |
ЗИЛ-101 |
СМА-48-50 |
Юхнов |
Рославль |
- |
- |
- |
|
|
|
3 |
ГАЗ-53 |
СМА-11-41 |
Спас-Деменск |
Колхоз «Труд» (Ивановка) |
комбикорм |
3,2 |
- |
|
|
При регистрации проходящего транспорта основное внимание уделяют наиболее полной характеристике начальных и конечных пунктов, между которыми осуществляются перевозки грузов и пассажиров, чтобы их легко можно было отыскать на картах. Регистрация номерных знаков помогает определить территориальную принадлежность автомобиля и служит для уточнения направления движения.
Полученные сведения обрабатывают, определяя протяжение маршрутов следования автомобилей, среднюю дальность возки грузов и коэффициенты использования пробега и грузоподъемности по моделям автомобилей.
Средняя дальность перевозки груза l равна:
(3)
где: li - дальность перевозки груза каждым из автомобилей, км;
q - общее количество груженых автомобилей в составе потока движения.
Коэффициент использования пробега β определяют как отношение количества автомобилей, идущих с грузом, к общему количеству автомобилей данной модели, прошедших через учетный пункт.
Коэффициент использования грузоподъемности γi для каждой из моделей автомобилей определяют по формуле:
(4)
где: Гi - номинальная грузоподъемность модели автомобиля, т;
Pi - количество груза, перевозимого каждым автомобилем данной модели, т;
n - общее количество автомобилей данной модели, проехавших с грузом.
Учет движения на одном и том же участке проводят 2 - 3 раза в разные периоды года, сопоставляют эксплуатационные показатели использования автопарка и устанавливают пределы их колебаний. В случае больших расхождений необходимо получить наиболее типичные данные, которые используют при решении ряда технико-экономических вопросов.
Среднюю дальность возки грузов (lср) по данным трех учетов определяют следующим образом:
(5)
где: l1, l2, l3 - дальности возки грузов по данным 1, 2 и 3 учета, км;
Kc1, Kc2, Kc3 - соответственно коэффициенты неравномерности интенсивности движения, характерные для периодов года, в которые были проведены учеты движения;
n1; n2; n3 - длительность каждого из периодов.
Аналогичным способом уточняют коэффициенты использования пробега и грузоподъемности.
Согласно действующим нормам (СНиП II-Д.5-62, п. 1.7) сроки расчетной перспективы принимают следующим образом:
при проектировании дорожных одежд (в зависимости от их типа и срока службы) - 5 или 10 лет;
при проектировании элементов плана трассы, продольного и поперечного профилей дороги с учетом ее развития - 20 лет.
При обследовании дорог, находящихся в эксплуатации длительное время, со сформировавшимся за это время потоком транспорта, при определении перспективной интенсивности можно исходить из количественных показателей интенсивности, состава движения за ряд прошедших лет и сложившихся тенденций развития движения.
По каждому учетному пункту составляют график роста интенсивности движения за несколько лет (рис. 12, а) и определяют средний прирост интенсивности движения pп (%) по нескольким интервалам графика. Для каждого перегона дороги данные о росте движения обобщают в виде одного, сводного графика, облегчающего распознавание темпов роста, характерных для этого перегона (рис. 12, б).
Рис. 12. Определение темпов роста интенсивности движения
Прежде, чем экстраполировать полученный средний прирост на перспективу, следует выяснить в центральных и областных плановых организациях возможность появления новых крупных предприятий, строек, городов в районе тяготения обследуемой дороги, так как это может вызвать резкое увеличение темпов роста интенсивности.
При оценке интенсивности на дорогах, которые будут подвергнуты существенному улучшению и превосходить по транспортно-эксплуатационным показателям параллельные с ними дороги, необходимо учитывать, что водители автомобилей часто выбирают для поездки не кратчайший маршрут, а ближайший из тех, которые обладают лучшими дорожными условиями, даже если при этом несколько увеличивается дальность пробега. В частности, этим объясняется резкий скачок интенсивности движения после каждого капитального ремонта или реконструкции дороги.
Последние цифры учета движения могут быть получены только за предшествующий год, а осуществление мероприятий, разработанных по материалам обследований, потребует еще не менее двух лет. Следовательно, определяя сроки расчетной перспективы и исходя из данных последнего перед обследованием года, необходимо принять срок перспективы не 5, 10 или 20 лет, а соответственно, 8, 13 и 23 года.
С течением времени темпы прироста интенсивности движения уменьшаются по мере ее приближения к оптимальной величине пропускной способности дороги и удовлетворения транспортных потребностей района тяготения.
По данным проф. В.К. Некрасова ежегодный средний прирост интенсивности движения на государственных дорогах РСФСР в последние 10 лет составил 10 - 13 %.
Анализ данных роста интенсивности движения по отдельным дорогам показывает, что интенсивность движения растет в геометрической прогрессии со знаменателем q, откуда формула перспективной интенсивности движения:
Nt = N0 · qt - 1. (6)
Чаще ее записывают в виде формулы сложных процентов:
(7)
где: Nt - перспективная интенсивность движения;
N0 - начальная интенсивность движения (исходная база экстраполяции);
t - число лет до срока перспективы;
p - принятый средний ежегодный процент прироста интенсивности движения.
Таблица 7
|
p = 3 % (q = 1,03) |
p = 5 % (q = 1,05) |
p = 8 % (q = 1,08) |
p = 10 % (q = 1,10) |
p = 12 % (q = 1,12) |
p = 19 % (q = 1,15) |
||
|
t |
t - 1 |
q(t - 1) |
|||||
|
2 |
1 |
1,03 |
1,05 |
1,08 |
1,10 |
1,12 |
1,15 |
|
5 |
4 |
1,12 |
1,215 |
1,359 |
1,46 |
1,57 |
1,75 |
|
6 |
5 |
1,16 |
1,286 |
1,467 |
1,61 |
1,76 |
2,02 |
|
7 |
6 |
1,19 |
1,35 |
1,584 |
1,77 |
1,97 |
2,27 |
|
8 |
7 |
1,23 |
1,42 |
1,710 |
1,945 |
2,206 |
2,61 |
|
9 |
8 |
1,26 |
1,49 |
1,847 |
2,140 |
2,47 |
3,00 |
|
10 |
9 |
1,30 |
1,56 |
1,994 |
2,354 |
2,766 |
3,46 |
|
11 |
10 |
1,34 |
1,64 |
2,153 |
2,569 |
3,10 |
3,98 |
|
12 |
11 |
1,38 |
1,72 |
2,325 |
2,825 |
3,47 |
4,57 |
|
13 |
12 |
1,42 |
1,81 |
2,511 |
3,107 |
3,88 |
5,30 |
|
14 |
13 |
1,47 |
1,90 |
2,71 |
3,42 |
4,33 |
6,11 |
|
15 |
14 |
1,51 |
1,995 |
2,93 |
3,76 |
4,85 |
7,02 |
Для облегчения расчетов в табл. 7 приведена величина qt - 1. Например, если принят прирост движения p = 8 %, то через 10 лет получим:
N10 = N0 · 1,089 = 1,994 N0, авт/час,
а через 15 лет, соответственно, получим:
N15 = N0 · 1,0814 = 2,93 N0, авт/час.
Результаты расчета этим методом оказываются, как правило, близким к фактически наблюдаемым величинам.
Полученная перспективная интенсивность движения Nt, будучи умноженной на коэффициент сезонности Kc, позволяет определить требуемую пропускную способность дороги и, следовательно, ширину ее проезжей части и земляного полотна.
По величине ожидаемой среднегодовой суточной интенсивности (без учета ее сезонных изменений) определяют требуемую категорию дороги по каждому из ранее выявленных характерных перегонов.
Наконец, интенсивность движения, рассчитанная на перспективу в 5 - 10 лет, умноженная на коэффициент сезонности в весенний период переувлажнения грунтов Kв, служит основой для расчета требуемой прочности дорожной одежды. Для этого, однако, необходимо проанализировать возможность изменения в перспективе состава движения по дороге и, прежде всего, увеличения числа грузовых автомобилей большой грузоподъемности. К последним приравниваются также автобусы весом более 10 т. По полученной интенсивности движения грузовых автомобилей, приведенной к расчетной нагрузке, определяют требуемый модуль деформации дорожной одежды в каждом из учетных пунктов.
Темпы роста интенсивности движения учитывают также при определении сроков окупаемости мероприятий по повышению транспортно-эксплуатационных качеств дорог и безопасности движения.
Для уточнения сведений об элементах плана и профиля на интересующем участке должны быть в случае необходимости проведены съемки с использованием обычных геодезических инструментов (нивелиры, теодолиты, гониометры). Места съемки необходимо увязать с имеющимся на дороге километражем.
Для получения продольного профиля на коротких участках наиболее целесообразно проведение нивелировочных работ или, если дорога не запроектирована вертикальными кривыми, использовать для определения участков постоянного уклона уклономеры.
Недостающие сведения об углах поворота и радиусах кривых в плане можно получить следующим способом. Вначале определяют вершину угла поворота и при помощи теодолита или гониометра замеряют угол поворота. Затем по величине хорды, стягивающей дугу окружности b, и стрелке z (рис. 13) определяют радиус кривой:
(8)
За величину радиуса принимают среднее из нескольких измерений. Удобно принимать величину b, равной длине мерной ленты (20 м).
Рис. 13. Схема определения радиуса кривой
Проверку найденного значения радиуса производят по величине биссектрисы Б при известном значении угла поворота α
(9)
Если на закруглении в плане разбиты переходные кривые, надежные значения радиуса кривой могут быть получены только при измерениях в средней части. Конец переходной кривой и начало круговой кривой могут быть установлены путем последовательных измерений стрелки z, смещая каждый раз ленту на 5 - 10 м к середине кривой. В связи с постепенным уменьшением радиуса переходной кривой по мере удаления от ее начала, стрелка будет увеличиваться. Примерно постоянные ее значения будут свидетельствовать о замерах в пределах круговой кривой.
Для проверки обеспечения видимости можно использовать на местности геодезические приборы (теодолиты, различного типа дальномеры и дальномерные насадки). При наличии чертежей плана и продольного профиля можно применить в камеральных условиях графо-аналитические методы. При определении видимости в плане, продольном профиле и на пространственных кривых необходимо отыскать характерные поперечники, в которых:
а) видимость наименьшая (поперечники А и А1 на рис. 14 и 15);
б) видимость восстанавливается до величины, обеспечивающей безопасность движения (поперечники Б и Б1 на рис. 14 и 15).
Рис. 14. Схема определения видимости в продольном профиле
Рис. 15. Схема определения видимости в плане
Кроме того, определяют длину участков с наименьшей видимостью. Безопасность движения на участках с ограниченной видимостью обеспечивается лишь при видимости, достаточной для проведения обгонов. В соответствии с этим необходимо построить эпюры изменения видимости встречного автомобиля.
Экспериментальной проверке видимости предшествуют такие подготовительные работы, как разбивка пикетажа и визуальное определение (с точностью до 100 м) мест расположения характерных поперечников. Эти работы дают возможность использовать имеющийся на дороге километраж и одновременно свести до минимума объем измерительных работ.
Один из методов определения видимости состоит в последовательной (через 25 - 50 м) проверке видимости при помощи приборов, имеющих дальномерные приспособления. Удобно при этом пользоваться безреечными дальномерами двойного изображения.
Состав работ несколько меняется в зависимости от того, проверяется видимость в плане или в продольном профиле.
При определении видимости в плане рабочий инструмент нужно устанавливать на крайней правой полосе движения, на расстоянии 1,5 - 1,7 м от кромки проезжей части, в соответствии с положением глаз водителя при движении по крайней полосе движения. Высота установки инструмента определяется из условий удобства работы и зависит от роста наблюдателя.
При определении видимости в продольном профиле высота инструмента должна быть близка к 1,2 м. Это условие осложняет выполнение работ, так как приводит к большим затратам времени на установку инструмента.
Работа упрощается, если проверку видимости проводят два наблюдателя. При определении видимости в плане один из наблюдателей останавливается на поперечнике, из которого необходимо определить видимость, а второй наблюдатель удаляется от него на расстояние, соответствующее фактической видимости. Оба наблюдателя, определяют свое положение относительно установленного на дороге пикетажа, что дает возможность определить расстояние между ними. Для определения видимости в продольном профиле первый наблюдатель пользуется визиркой высотой 1,2 м. У второго наблюдателя на высоте, соответствующей 1,2 м, на одежду нашивается яркая лента. Второй наблюдатель удаляется от первого на такое расстояние, пока прикрепленная к одежде лента не скроется за переломом продольного профиля. Об этом первый наблюдатель сигнализирует второму, который останавливается и определяет пикетажное положение поперечника, на котором он остановился. Метод дает вполне удовлетворительные результаты. При определении видимости в продольном профиле нужно проводить работы рано утром или перед заходом солнца. В жаркое время суток работы осложняются вследствие появления рефракционных явлений.
Оба метода дают возможность непосредственно измерить расстояние видимости. Недостаток их заключается в том, что, давая сведения об изменении видимости в плане, они не позволяют решить, на какую ширину должна быть устроена срезка откосов, чтобы обеспечивалась безопасность движения. Этот недостаток устраним при использовании для проверки видимости в плане графо-аналитического метода. Метод позволяет получить вычерченный в масштабе план закругления с указанием границ препятствия, ограничивающего видимость. По оси дороги разбивают пикетаж, и одновременно при помощи ленты или рулетки замеряют расстояние по перпендикуляру от оси дороги до границы препятствия с внутренней стороны кривой (рис. 15). Результаты измерений с соблюдением масштаба наносят на план закругления и измеряют видимость.
Устанавливаемое на современных ходовых лабораториях гироскопическое оборудование дает возможность с достаточной точностью зарегистрировать траекторию перемещения центра тяжести автомобиля в пространстве.
Если водитель едет точно по оси полосы движения проезжей части, записи приборов характеризуют положение трассы дороги.
Могут быть зарегистрированы следующие основные геометрические элементы автомобильной дороги:
1) протяжение в км или м;
2) углы поворота трассы;
3) радиусы кривых в плане;
4) продольный уклон дороги по отдельным участкам;
5) радиусы кривых в продольном профиле;
6) поперечный уклон покрытия;
7) ровность дорожного покрытия.
Протяжение обследуемого участка дороги и его отдельных частей измеряют по количеству оборотов колеса n, на котором установлен бесконтактный тахогенератор переменного тока. Зная длину пути, проходимого протектором шины при одном обороте Sш, можно определить пройденный автомобилем путь (рис. 16).
S = Sш · n. (10)
Рис. 16. Электрическая схема записи пройденного автомобилем расстояния
а) - количество оборотов колеса, б) - примерная запись на осциллограмме
При каждом повороте колеса на 360° с катушки тахогенератора снимается электрическое напряжение и подается через специальное устройство (рис. 17) к импульсному счетчику или на шлейф осциллографа.
Рис. 17. Электрическая схема прибора для записи пройденного автомобилем расстояния
Импульсный счетчик позволяет при проезде автомобиля определить пройденный автомобилем путь, поскольку каждое деление счетчика соответствует длине пути, проходимого шиной - 2πRк, где Rк - радиус качения. Перед испытанием величина 2πRк определяется экспериментально на мерном участке для движения с несколькими скоростями. При необходимости документальной регистрации запись производят на ленту осциллографа (рис. 16).
Зная длину участка дороги (Sф), полученную инструментально или по имеющимся на дороге километровым указателям, и сравнивая ее с длиной, полученной с помощью ходовой лаборатории (Sx), можно ориентировочно оценить сцепные качества дорожного покрытия по коэффициенту пробуксования при движении:
(11)
При нормальных условиях испытаний и регистрации коэффициент пробуксования Ks должен находиться в пределах 98 - 102 %.
При значении Ks = 98 % в зоне контакта шины с покрытием имеется 2 % буксования, а при Ks = 102 % имеется 2 % скольжения.
Угол поворота трассы дороги определяют с помощью гироскопического прибора, направление измерительной оси которого всегда остается постоянным и ориентированным параллельно направлению первоначальной установки. Регистрацию угла поворота можно осуществлять либо отсчетом по лимбу гироскопического прибора (рис. 18), либо записью на ленту осциллографа (рис. 19).
Рис. 18. Гироскопический прибор для регистрации угла поворота
Рис. 19. Осциллограммы записей угла поворота продольной оси автомобиля
а) - при движении по круговой кривой при V - const, б) - при движении по чередующимся прямым и кривым участкам
С помощью гироскопического прибора могут быть построены график изменения кривизны по длине пути и график углов поворота трассы, характеризующие форму геометрических элементов плана дороги (рис. 20).
Рис. 20, а. Обработка записей режимов движения на осциллограф. Построение графика кривизны в функции пути.
Рис. 20, б. Построение графика γ = f(S)
Участки: 1 - прямолинейный; 2 - с переменной кривизной; 3 - с постоянной кривизной.
По углу поворота трассы (продольной оси автомобиля) γ и пути S, пройденному автомобилем, можно определить средний радиус кривизны участка дороги в плане:
(12)
Описанный метод определения угла поворота трассы, формы и среднего радиуса закругления может быть применен при рекогносцировочных обследованиях подлежащих реконструкции старых дорог, для которых отсутствует проектная документация.
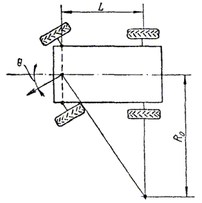
Величина радиуса кривой в плане может быть также найдена (рис. 21) по углу поворота управляемых колес (Θ) и величине базы автомобиля (L):
RΘ = L · ctgΘ м. (13)
Рис. 21. Схема к определению величины радиуса и формы закругления по измеренным углам поворота колес
Скорость движения автомобиля-лаборатории при обследованиях не должна быть большой и коэффициент поперечной силы μ не должен превышать 0,08 - 0,1. При больших значениях скоростей движения и соответственном увеличении μ определяемая величина RΘ уже не может непосредственно характеризовать кривизну трассы дороги из-за искажающего влияния бокового увода колес автомобиля и проскальзывания в зоне контакта шины с дорогой.
Сравнение величин радиусов Rср и RΘ, вычисленных разными способами, позволяет установить степень соответствия геометрических элементов кривых в плане эксплуатационным возможностям испытательного автомобиля. Равенство величин в одном и том же заезде (Rср = RΘ) означает, что автомобиль движется без бокового увода и проскальзывания в зоне контакта шины с покрытием. Значительные различия величин Rcp и RΘ при малых скоростях движения свидетельствуют о неисправностях в ходовой части автомобиля или в рулевом управлении.
Для определении мгновенных значений радиуса кривизны (Rw) при движении автомобиля по переходным кривым или при отклонениях его от круговой траектории можно использовать соотношение угловой скорости перемещения автомобиля в горизонтальной плоскости w и линейной скорости V:
(14)
Быстроту поворачивания продольной оси автомобиля (w) определяют специальными гироскопическими датчиками угловой скорости. Это дает возможность количественной оценки коэффициента поперечной силы μ.
(15)
где: V - линейная скорость автомобиля, м/сек;
w - угловая скорость, 1/сек;
g - ускорение силы тяжести, 1/сек2.
Коэффициент поперечной силы в каждый момент времени является важнейшей характеристикой комфортабельности движения и безопасности. Он дает возможность оценить боковую силу, действующую на водителя и пассажира, а также характеризует величину коэффициента сцепления в поперечном направлении.
Зная величину μ и делая обычное допущение, что полная величина сцепления шины с покрытием есть равнодействующая его составляющих в продольном и поперечном направлениях, можно определить (рис. 22), какие тяговые ресурсы сохранились на данном участке дороги в распоряжении водителя для торможения или разгона.
Рис. 22. Соотношение используемых коэффициентов сцепления в продольном и поперечном направлениях при φобщ - const., но при различных условиях движения
а) - разгон при малой величине боковой силы, б) - разгон при большой величине боковой силы, в) - торможение при малой величине боковой силы, д) - торможение при большой величине боковой силы
μ = φпоп (используемое в данный момент),
(16)
При движении по прямолинейному участку дороги для удержания автомобиля от скольжения, вызываемого поперечным уклоном покрытия, требуется очень незначительный коэффициент сцепления для противодействия боковой силе, равной Q · sinβ ≈ Qiпоп, где β - угол поперечного уклона дорожного покрытия.
Несколько иначе обстоит дело при активном движении (разгон, равномерная скорость) автомобиля по кривой в плане. В этом случае большая часть силы трения шины с покрытием расходуется на удержание автомобиля от скольжения. Если принять в соответствии со СНиПом, что величина коэффициента поперечной силы μ не должна превышать значения 0,15, то при суммарном коэффициенте сцепления шины с грязным скользким покрытием равном 0,3, на увеличение силы тяги остается очень малый резерв сцепления, при превышении которого начинается буксование и занос автомобиля.
При предотвращении этого опасного явления приходится уменьшить поперечную силу или тяговую силу, снижая скорость движения на кривых.
Для определения продольного уклона автомобильных дорог используют гироскопические датчики, направление измерительной оси которых в процессе обследования участка дороги остается горизонтальным (рис. 23).
Рис. 23. Схема построения продольного профиля с помощью гироскопических датчиков
а - направление измерительной оси гироскопа, б - зона неровностей
Радиусы вертикальных кривых Rαср определены из соотношения:
(17)
где: S - пройденный путь;
α - угол перелома продольного профиля, рад.
Аналогичным способом определяется и величина уклона поперечного профиля (рис. 24).
Рис. 24. Схема определения поперечного уклона с помощью гироскопических датчиков
а - направление измерительной оси гироскопа и поперечной оси автомобиля совпадают, б - величина рассогласования равна поперечному уклону
Установленные в автомобильной лаборатории датчики для определения продольного и поперечного уклонов дороги дают возможность оценить ровность проезжей части.
Величины углов отклонения между реальными значениями продольного и поперечного уклонов покрытия от теоретических, положенных в основу проектирования, характеризуют ровность дорожного покрытия. При скорости движения V < 5 км/час и величине продольных уклонов, не превышающих 50 ‰, наклон кузова практически равен уклону дорожного покрытия.
Большая скорость движения при испытаниях недопустима, так как начинает проявляться влияние инерционных воздействий масс различных узлов автомобиля и достоверной картины геометрических параметров поперечного профиля дорожного покрытия получить не удается.
При оценке ровности проезжей части дорожного покрытия оператор следит за показаниями стрелочного прибора и с помощью устройства, выбрызгивающего на покрытие красящее вещество, или делая отметку на ленте осциллографа, отмечает те участки дороги, где отклонение продольной оси автомобиля в поперечной или продольной плоскости превышает допустимое.
Безопасность и удобство движения, высокие скорости возможны лишь при плавной трассе дороги и ясности дорожных условий.
Ясная, интересная, удовлетворяющая эстетическим требованиям обстановка на дороге меньше утомляет водителей автомобилей, облегчая тем самым их работу и повышая безопасность движения.
Все элементы дороги - ее полотно, проезжая часть, мосты, линейные здания, озеленение и прочее - должны составлять единый архитектурный ансамбль на фоне естественного ландшафта. Правильная архитектурно-ландшафтная организация дорожного пространства предполагает возможность четкого деления дороги на отдельные участки, имеющие в некоторой степени самостоятельное значение. Их принято называть архитектурными бассейнами.
Границами архитектурных бассейнов являются ясно выраженные места смены ландшафта. Ими могут быть заметные выпуклые переломы в продольном профиле, населенные пункты (если их немного), характерные повороты в плане. Как правило, и доминанты (доминирующие элементы внутри бассейнов), и границы бассейнов должны совпадать с переломами трассы в плане или профиле. Важно, что как те, так и другие должны запоминаться, отличаясь от фона, контрастно выделяясь на этом фоне цветом, формой или какими-то другими признаками.
Исходя из законов психологии восприятия, можно принять, что протяжение архитектурного бассейна в оптимальных условиях должно соответствовать проезду с расчетной скоростью в течение 3 - 5 мин. Для большинства дорог (кроме горных) это протяжение составит:
для дорог I категории - 8 - 16 км,
» » II и III категорий - 8 - 10 км,
» » IV и V категорий - 5 - 8 км.
Для анализа архитектурных особенностей дороги и разработки необходимых мероприятий составляют график (рис. 25). На нем показывают сокращенный продольный профиль, основные размеры прямых и кривых в плане, главные элементы ситуации, леса, пересекаемые дорогой, реки, мосты, наиболее заметные здания, автозаправочные станции, автобусные остановки, перекрестки, постоянные посты Госавтоинспекции, - словом то, что наиболее заметно водителю при движении, формирует его впечатление о дороге и, следовательно, существенно влияет на безопасность движения.
Рис. 25. Линейный архитектурный график дороги
Здесь же, на линейном графике, отмечают все основные архитектурные показатели дороги: протяжение архитектурных бассейнов, их характер и отличие друг от друга, чем они разграничены, доминирующие элементы внутри бассейнов.
Весьма сжатые масштабы графика позволяют быстро и безошибочно выявить основные формы рельефа и главные ориентиры, привлекающие внимание в ландшафте.
Анализируя фактическое положение, отраженное на линейном графике, можно обнаружить, на каких участках сосредоточено излишнее количество ярких ориентиров, где не хватает доминант или нет четко выраженного фона, организующего архитектурный мотив данного бассейна. Недостающие элементы должны быть намечены по графику. Ими могут быть групповые посадки декоративного озеленения, путевые указатели, площадки отдыха, видовые площадки и т.п.
Архитектурный анализ дороги, определяющий основные черты ее облика на будущее, должен предшествовать разработке предложений по оборудованию и благоустройству дороги, размещению дорожных знаков, указателей и озеленению. Обосновывая предложения по изменению трассы дороги в целом или в отдельных местах, следует разрабатывать одновременно и мероприятия по улучшению архитектуры дороги.
Трасса дороги и ее оформление должны обеспечивать хорошее обозрение с дороги живописных мест и красоту положения самой дороги на местности. Для этого в холмистой местности и в лесу могут быть рекомендованы расчистки, создание специальных лужаек или вырубок длиной 70 - 150 м в зависимости от расчетной скорости движения.
На холмах и у коренных берегов долины реки нередко бывает уместно сооружение видовой площадки. Такая площадка может играть роль доминанты или разграничивающего элемента.
Всеми средствами должны подчеркиваться подходы к городам, промышленным центрам, курортам, перевалам, мостам через крупные реки. Этого можно достичь сочетанием средств декоративного озеленения, оформления и путевыми знаками - плакатами, предупреждающими о приближении к важному пункту дороги.
Общая архитектурная схема дороги, выраженная линейным графиком, дополняется с учетом перспективы развития дороги. Тогда на ее основе становится возможным решение вопросов обстановки, озеленения, благоустройства, культурного оформления дороги и выбора местоположения новых линейных зданий.
Оборудование и благоустройство дороги тоже могут быть решены на основе линейного графика. Размещение автопавильонов, площадок отдыха, видовых площадок и других элементов благоустройства по возможности следует увязать с общей схемой архитектуры дороги, причем они могут стать теми ориентирами, которых недостает для разграничения архитектурных бассейнов или доминирования внутри них.
Площадки отдыха размещают, как правило, в пределах обрезов полосы отвода, предусматривая для них место длиной 40 - 90 м, а на нем стоянку длиной 25 - 30 м, шириной 4 - 5,5 м с простейшим покрытием (гравийным, щебеночным) без обочин, а также зеленую зону шириной 8 - 15 м с посадками кустарников и деревьев, отделяющую место стоянки от дороги. Пример планировки простой площадки отдыха показан на рис. 26, а.
Рис. 26, а. Пример планировки площадок отдыха в пределах обрезов полосы отвода
В случаях, когда живописные или удобные места расположены невдалеке от дороги, но с нее не видны, могут быть устроены площадки отдыха тупикового типа (рис. 26, б). Для их сооружения требуется дополнительный отвод земель, что несколько ограничивает возможности их применения.

Рис. 26, б. Площадка тупикового типа, расположенная у живописного места и требующая дополнительного отвода земель
В первую очередь площадки отдыха устраивают у водотоков и озер, родников, перевалов, в степной местности - у рощ и полезащитных полос, а в лесах, наоборот, у открытых больших полян. Нередко они могут быть устроены на берегах резервов или заброшенных песчаных карьерой, залитых водой. Их размещают через 8 - 25 км, но не ближе 10 - 20 км от крупных городов, областных и республиканских центров и не ближе 1 - 2 км от ближайшей деревни. Площадки, располагаемые на обрезах, должны иметь 2 съезда (въезд и выезд) и их отметки не должны отличаться от уровня проезжей части дороги более, чем на 0,5 - 1 м. Площадка всегда должна быть отделена от дороги полосой озеленения шириной 8 - 15 м. Крайне желательно предусмотреть на ней деревянные стол и скамью и, несколько в стороне, мусоросборник и замаскированный посадками туалет.
На дороге во время ее обследования легко обнаружить места, где постоянно стоят автомобили. Это бывает у столовых, магазинов, возле гостиниц и мотелей. В таких местах необходима организация стоянок с постоянным освещением и покрытием капитального типа. К ним устраивают 2 съезда и переходно-скоростные полосы. На въездах и выездах из крупных городов, у перекрестков дорог с постами автоинспекции, на отдельных площадках отдыха не реже, чем через 100 км, необходимо устанавливать щиты для регулировки фар и эстакады для осмотра и мойки автомобилей.
В период обследования желательно составить перечень существующих деревьев на придорожной полосе или вдоль новой трассы, которые целесообразно сохранить в ходе выполнения мер по реконструкции или капитальному ремонту дороги. Это сократит объем озеленительных работ, улучшит вид дороги, так как не придется ожидать, пока подрастут новые посадки. Желательно сохранять деревья вместе с подлеском группами длиной 20 - 60 м с внешней стороны закруглений, на заметных высоких выпуклостях рельефа, вблизи от перекрестков и примыканий (но без ограничения видимости), у опушки леса и автобусных остановок. Особенно важно сохранение крупных, но не очень старых деревьев в степных и безлесных местностях, в первую очередь в местах, где возможна эрозия почвы, на возвышенностях, у пересечений и мостовых переходов.
В случае, если существующих деревьев недостаточно, в местах разграничения архитектурных бассейнов и около доминант предусматривают групповые декоративные посадки.
Озеленение может быть использовано для декорирования или смягчения неудачных мест на трассе дороги или в окружающем ландшафте. Иногда бывает необходимо скрыть вид с дороги на брошенный карьер, иногда - отвлечь внимание от одной стороны дороги, чтобы привлечь его к другой. Умелым выбором места для посадок можно подчеркнуть глубину даже небольшой впадины рельефа, либо, наоборот, посадкой растительности во впадинах смягчить чрезмерно частые переломы рельефа (рис. 27).
Рис. 27. Схемы размещения посадок для подчеркивания глубины впадин рельефа (А) и для смягчения неровностей рельефа (Б)
В районах разнообразного ландшафта (лесостепь, моренный рельеф, горная местность) озеленение должно способствовать объединению ландшафта вдоль дороги путем повторения в соседних архитектурных бассейнах легко запоминаемых форм озеленения и оформления дороги.
В районах с однообразным ландшафтом (степь, леса) следует разнообразить пейзаж контрастными приемами озеленения. Длинные лесные просеки могут быть прерваны лужайками, созданием у дороги декоративных опушек и групповых посадок (либо групп сохраняемой растительности). В степном ландшафте возможно чередование строгих прямых аллейных, рядовых насаждений или коридоров между снегозащитными полосами с открытыми пространствами. Простор последних может быть подчеркнут отдельными высокими деревьями у съездов и пересечений, на подходах к населенным пунктам и на возвышенностях.
Эффективность снегозащитных посадок можно установить во время зимних наблюдений, опроса линейного дорожного персонала и по имеющимся в дорожных организациях сведениям о снегозаносимых участках.
Размывы грунта, овраги или промоины могут свидетельствовать о недостаточном закреплении почвы противоэрозийными посадками.
Следует обращать внимание на наличие и состояние озеленения комплексов зданий линейной службы, автобусных остановок, крупных примыканий и пересечений.
Кустарник и деревья должны везде размещаться так, чтобы не ограничивать ни продольной видимости (в плане или профиле), ни поперечной (боковой) видимости. В противном случае необходима расчистка насаждений.
Помимо указанного, любая дорога, по которой совершают поездки на значительное расстояние, должна быть оборудована путевой информацией. В первую очередь это маршрутные схемы, устанавливаемые в начале дороги на особой площадке, указывающие все крупные пункты, пересечения, ответвления пути, расстояния до основных пунктов вероятных маршрутов (рис. 28). Соответственно с другой стороны дороги устанавливают схему проезда по основным магистралям города с указанием автозаправочных станций и выездов на другие направления.
Рис. 28. Маршрутная схема, установленная на выезде из города
На дороге должны быть указатели названий всех населенных пунктов, средних и крупных рек, указатели на перекрестках, указатели исторических мест, музеев, заповедников и т.п. и расстояния до них.
Местоположение указателей расстояний до городов и автозаправочных станций выбирают в соответствии с линейной схемой архитектуры дороги. Указатели расстояний следует устанавливать по возможности на выпуклостях продольного профиля, на прямых в плане или с наружной стороны закруглений большого радиуса и использовать их для дополнения архитектурных разграничений и доминант.
Указатели расстояний до заправочных пунктов размещают за 20 - 25 км, за 2 - 5 км и непосредственно у места заправки, т.е. всего по 3 знака с каждой стороны дороги.
Указатели расстояний до городов устанавливают в 30 - 40 км пути от города, а затем в 5 - 10 км. Размеры дорожных путевых указателей должны соответствовать ГОСТ 10807-64, причем с учетом категории дороги (табл. 8).
Таблицa 8
|
Размеры щитка знака (м) |
||
|
основной «а» |
уменьшенный «у» |
|
|
I |
1,5×3,0 |
1,5×2,0 |
|
II и III |
1,0×2,0 |
1,0×1,5 |
|
IV, V и на городских улицах |
0,75×1,5 |
0,75×1,2 |
Размер указателей расстояний до населенных пунктов назначают несколько большими (a), а указателей автозаправочных станций - меньшими (у).
При совмещении на одном щитке надписей на двух языках его размеры должны быть соответственно увеличены с тем, чтобы обеспечить соблюдение требований стандарта в отношении размеров, конфигурации и размещения букв, цифр и обозначений. Отклонения от установленных наименьших размеров знаков, табличек и указателей допускаются в пределах ±2 %.
Высота букв и цифр надписей также должна соответствовать ГОСТу (табл. 9).
Таблица 9
|
Высота букв и цифр надписей |
|
|
I |
250 мм |
|
II и III |
170 мм |
|
IV, V и на городских улицах |
120 мм |
При невозможности размещения на щитке длинной надписи и для наименований второстепенных пунктов маршрута на указателях расстояний и предварительных указателях направлений принимают размер шрифта, относящийся к последующей категории дорог. Для дорог IV, V категорий и улиц населенных пунктов в этом случае применяют шрифт высотой 80 мм.
Оптимальное расстояние между буквами равно ширине буквы H.
Стрелы, обозначающие основные маршруты (на указателях направлений), должны иметь ширину, равную ширине буквы Ш, для обозначения второстепенных маршрутов - в 1,5 раза меньше.
Не меньшее значение имеет оформление въездов в города, которое должно быть видно издалека, а для этого требуется выбор возвышенных мест, правильный подбор формы, цвета. Содержание изображений и силуэта должно, естественно, отражать основное значение, идейный облик города. Для разработки эскиза и конструкции въездов в города необходимо участие художника или архитектора.
Оформление в местах пересечения границ областей или республик в пределах одной дороги должно быть одинаковым, расположенным на возвышенном месте и видимым издалека.
При оценке безопасности движения и транспортных качеств дорог одной из основных задач является выявление участков дороги или отдельных ее элементов, вызывающих существенное изменение режима движения. На таких участках чаще всего происходят дорожно-транспортные происшествия.
Оценку режима движения на обследуемой дороге производят в два этапа:
1) оценивают режим движения на всем протяжении дороги;
2) производят детальное изучение режима движения на неблагоприятных участках, выявленных на первом этапе.
Проведению первого этапа оценки режима движения предшествует детальное изучение исходных данных (см. гл. I) и в первую очередь элементов трассы и данных о дорожно-транспортных происшествиях.
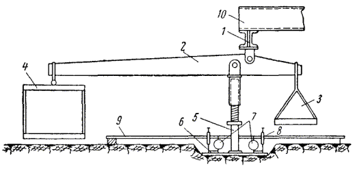
На первом этапе производят изучение режима движения с помощью ходовой лаборатории (рис. 29), которая позволяет фиксировать скорость, время и путь движения, используемую передачу, продолжительность, а в случае необходимости и интенсивность торможения.
Рис. 29. Ходовая лаборатория, используемая для оценки режима движения на обследуемом маршруте
1 - датчик пройденного пути, скорости и ускорения; 2 - аккумуляторные батареи; 3 - толчкомер; 4 - осциллограф; 5 - блок электроимпульсных счетчиков; 6 - усилитель; 7 - электроконтактные часы; 8 - аккумуляторные батареи; 9 - датчик включения тормозной системы; 10 - акселерометр; 11 - датчик для фиксирования включенной передачи.
Ходовая лаборатория должна быть оборудована режимомерами, фиксирующими время, затрачиваемое на преодоление автомобилем каждого километра, продолжительность пользования каждой передачей, а также количество ее включений, число торможений и продолжительность использования тормозов. Показания соответствующих датчиков фиксируют электроимпульсными счетчиками и осциллографами.
Обработка осциллограмм позволяет определить мгновенные скорости движения, продольные ускорения, время и путь движения, тяговые и тормозные усилия на ведущих колесах автомобиля. Запись на осциллограф производят на втором этапе обследований. На первом этапе оценку режима движения производят только электроимпульсными счетчиками. Использование осциллографа на всем протяжении маршрута связано со значительным расходом осциллографной бумаги (50 - 80 см на 1 км дороги) и весьма большими затратами времени на обработку.
Счетчики для фиксирования режима движения монтируют в одном блоке. Такое расположение счетчиков позволяет оператору регистрировать показания на каждом километре пути, фотографируя блок в створе километрового столба.
Полученные данные сводят в таблицу, где отдельно для правой и левой полос движения на основании показаний счетчиков выписывают данные, характеризующие режим движения на каждом километре пути.
На основании таблицы строят линейный график (рис. 30) режима движения, анализ которого позволяет выявить неблагоприятные для движения участки, требующие более детального обследования.
Рис. 30. Линейный график скорости движения
Для получения достоверных данных с помощью ходовой лаборатории достаточен один проезд опытного водителя, так как в этом случае фиксируется несколько показателей, характеризующих режим движения.
При ориентировочной оценке качества трассы обследуемой дороги нет необходимости в использовании специально оборудованной ходовой лаборатории, запись скорости движения по маршруту можно производить с помощью протарированного спидометра.
Величину скорости записывают через каждые 200 м, устанавливаемые по спидометру или по пикетным столбикам, имеющимся на некоторых дорогах. Запись скорости ведут в специальном журнале с заранее подготовленной сеткой для всего протяжения маршрута, имеющей две вертикальные графы: километры и скорость. Проезд с целью оценки влияния элементов плана и профиля нужно производить в светлое время дня, при сухом покрытии, в часы малой интенсивности движения.
Для оценки изменения скорости движения грузовых автомобилей легковой автомобиль (или автомобиль-лаборатория) движется вслед за одиночным автомобилем на минимальном безопасном расстоянии (метод следования за лидером).
При измерении скоростей движения должно быть произведено не менее 3-х заездов в каждом направлении движения. На линейный график (рис. 31) наносят среднюю скорость движения, по результатам 3-х заездов.
На втором этапе детальное изучение режима движения на выбранных после первого этапа неблагоприятных участках может производиться методами стационарных наблюдений или проездами ходовых лабораторий.
Методами стационарных наблюдений обычно оценивают скорости, траектории движения и интервалы между проездами автомобилей. Для оценки этих показателей может быть использован ряд приборов: секундомеры, кинокамеры, многоперьевой самописец и радиолокатор.
Наиболее простым и удобным при полевых работах инструментом является секундомер. Точность измерения секундомером составляет 0,3 сек. Для измерения скоростей движения с секундомером выбирают мерный участок (базис). Длину базиса принимают в пределах от 50 м (на участках со скоростями движения до 60 км/час) до 100 м на участках дороги с более высокими скоростями движения. Величину скорости определяют по продолжительности проезда автомобилем этого участка. Для точного фиксирования момента входа и выхода автомобиля с базиса или устанавливают по концам участка вешки, или наносят поперечные пунктирные линии. Продолжительность непрерывных наблюдений не должна превышать 3 часов при низкой и 1 часа при высокой интенсивности движения - далее внимание наблюдателя притупляется.
По линейному графику скорости движения отмечают места наиболее резких изменений величины скорости (рис. 31). На этих местах намечают створы для измерения мгновенных скоростей. Расстояние между створами, в которых измеряются мгновенные скорости движения, должно быть не более 200 м. Затем непосредственно на месте уточняют участки, где происходит резкое изменение скорости движения большинства автомобилей, путем визуальных наблюдений или измерения скоростей в створах, выбранных по линейному графику скоростей.
В месте ожидаемого изменения режима движения располагают не менее 3-х створов на расстоянии друг от друга равном длине базиса, остальные створы в пределах рассматриваемого участка располагаются на расстоянии не более 200 м.
На рис. 32 показан пример расположения створов при измерении мгновенных скоростей в различных точках участка дороги с большим продольным уклоном и величины полученных скоростей. Следует отметить, что для оценки степени влияния подъема и спуска в рассматриваемом примере створы были выбраны за 300 м до начала подъема и 300 м за подъемом. Такое же расположение створов должно быть при оценке влияния на скорость движения участка с ограниченной видимостью, кривой малого радиуса и т.п.
Рис. 32. Расположение створов при измерении мгновенных скоростей на участке подъема
1 - створы, 2 - эпюры скоростей движения
В результате организованных таким образом наблюдений устанавливают зону влияния элементов трассы на режим движения автомобилей. Зная положение начальной точки этой зоны, можно определить место установки средств предупреждения (знаки, разметка) водителей о наличии опасного участка дороги.
Более точные значения мгновенных скоростей могут быть получены путем использования автоматических или полуавтоматических приборов для замера скоростей движения. К таким приборам относятся скоростемер, радиолокатор и многоперьевой самописец.
Принцип работы скоростемера основан на автоматической фиксации времени въезда на базис и времени выезда с базиса или отсчета продолжительности нахождения автомобиля на базисе. Основной деталью датчика, фиксирующего момент въезда или выезда автомобиля с базиса, обычно является резиновый шланг, имеющий на конце мембрану. При наезде автомобиля на шланг воздух давит на мембрану и происходит включение контакта. В некоторых конструкциях скоростемеров вместо резиновых шлангов используются фотоэлементы, инфракрасные, ультразвуковые или звуковые датчики. Возможности использования скоростемеров ограничены, так как при высокой интенсивности движения в измерительный створ попадает несколько автомобилей и прибор дает ошибочные показания.
За рубежом широкое применение нашли радиолокаторы, которые обеспечивают высокую точность получаемых результатов, при широком диапазоне измеряемых скоростей движения.
Более полная оценка режима движения и управляемости автомобиля на отдельных неблагоприятных участках может быть получена при использовании ходовых лабораторий.
Запись всех характеристик режима производят с помощью осциллографа. На рис. 33 приведен пример осциллограммы, снятой при проезде кривой малого радиуса. Зона А - начало ухудшения режима (торможение двигателем, возникновение отрицательного ускорения); зона Б - резкое ухудшение режима (переход на понижающую передачу, интенсивное торможение, нарастание отрицательного ускорения, снижение скорости до 22 км/час); зона В - конец торможения и переход на режим использования тягового усилия. Линией Г показана привязка осциллограммы к дороге.
Рис. 33. Осциллограмма параметров движения ходовой лаборатории по горизонтальной кривой малого радиуса регистрирующая:
1 - время, сек, 2 - путь (число оборотов колеса), 3 - включение прямой передачи, 4 - включение понижающей передачи, 5 - тяговое усилие па ведущих колесах, 6 - тормозной момент, 7 - ускорение автомобиля
Для исследования режима управления автомобилем в тяжелых дорожных условиях на ходовой лаборатории устанавливают специальное оборудование, позволяющее оценить устойчивость и управляемость автомобиля. Эти наблюдения имеют обычно исследовательский характер, но могут быть использованы также для сравнительной оценки эффективности проведенных работ по реконструкции отдельных участков дороги.
Большое значение с точки зрения достоверности данных, получаемых при обследованиях дорог, имеет вопрос определения необходимого числа замеров. Практикой установлено, что число замеров скоростей движения методами стационарных наблюдений зависит в основном от интенсивности движения. С увеличением интенсивности разница в значениях скоростей отдельных автомобилей в потоке снижается и поэтому число замеров можно уменьшить (табл. 10).
Таблица 10
|
Интенсивность движения*, aвт/час |
менее 50 |
50 - 100 |
100 - 200 |
более 200 |
|
Число замеров.......................................... |
150 |
100 |
50 |
30 |
* В одном направлении.
При изучении режима движения с помощью ходовых лабораторий число проездов должно быть не менее 3-х при наличии опытного водителя.
Получаемые в результате массовых наблюдений данные о скоростях движения или других характеристиках режима должны обрабатываться с помощью методов математической статистики.
Первый этап обработки данных наблюдений заключается в составлении сводки (табл. 11). Для составления сводки объединяют все значения скоростей, полученных в результате наблюдений, в разряды. Целесообразно принимать величину разряда при изучении скоростей движения 5 км/час. В табл. 11 приведен пример разрядов и сводки.
Для полученного ряда значений скоростей определяют частоту, частость и накопленную частость.
Частота - это число автомобилей, движущихся со скоростью, соответствующей определенному разряду. Так, в разряд 35 - 40 км/час (табл. 11) попало 5 автомобилей.
Таблица 11
|
Сводка |
Частота, шт. |
Частость, % |
Накопленная частость, % |
|
|
35 - 40 |
|
5 |
3,2 |
3,2 |
|
40 - 45 |
|
5 |
6,2 |
6,4 |
|
45 - 50 |
|
8 |
5,1 |
11,5 |
|
50 - 55 |
|
20 |
12,8 |
24,3 |
|
55 - 60 |
|
40 |
25,6 |
49,9 |
|
60 - 65 |
|
35 |
22,4 |
72,3 |
|
65 - 70 |
|
26 |
16,7 |
89,0 |
|
70 - 75 |
|
10 |
6,4 |
95,4 |
|
75 - 80 |
|
5 |
3,2 |
98,6 |
|
80 - 85 |
|
2 |
1,40 |
100,0 |
|
|
|
Σ = 156 |
100,0 |
|
Частость -
это отношение
частоты, соответствующей рассматриваемому
разряду, к общему числу произведенных замеров, выраженное в процентах. Так, для
разряда 35 - 40 км/час частость будет
равна
(где 156 - общее число
произведенных замеров скоростей движения).
Сумма частостей всех разрядов должна равняться 100 %.
Накопленная частость представляет собой последовательную сумму частостей каждого разряда. Так, для разряда 35 - 40 км/час накопленная частость составляет 0 + 3,2 = 3,2 %; для разряда 45 - 50 км/час - 6,4 + 5,1 = 11,5 % и т.д.
По данным таблицы строят кривую распределения и кумулятивную кривую, на основании которых делаются выводы о скоростях движения. При построении кривой распределения (рис. 34, а) по вертикальной оси откладывают значения частостей, по горизонтальной - разряды.
С помощью этой кривой определяют величину скорости, с которой движется большинство автомобилей. Для примера, рассматриваемого в табл. 11, эта скорость равна 58,5 км/час (рис. 34, а). Эту скорость часто называют модальной скоростью и она соответствует наибольшему значению частости.
Кумулятивную кривую значений скоростей движения строят на основе данных о величине накопленных частостей в каждом разряде (рис. 34, б).
Рис. 34. Статистическая обработка результатов наблюдений
С помощью этой кривой определяют значения скоростей, соответствующих 15, 50, 85, 95 % обеспеченности. Значения скоростей 15 % обеспеченности показывают скорость движения автомобилей, которых обгоняют остальные 85 % автомобилей. Эти 15 % автомобилей, как правило, являются источником появления дорожно-транспортных происшествий. Поэтому при искусственном регулировании движения эту скорость целесообразно принимать как минимально допустимую. Значения скорости 50 % обеспеченности показывают среднюю скорость движения всех автомобилей в потоке. Значения скоростей 85 % обеспеченности принимают за максимально допустимые на рассматриваемом участке. Обычно с учетом этой скорости движения производится расстановка знаков и разметка проезжей части. Значения скорости 95 % обеспеченности показывают максимальную скорость движения отдельных автомобилей, равную расчетной скорости движения.
По результатам наблюдений, описанных выше, намечаются мероприятия по улучшению условий движения, детально описанные в последующих параграфах.
В результате наблюдений, проводимых при обследовании дорог, могут быть построены два типа графика скоростей движения:
1) линейный график скорости движения одиночного легкового автомобиля, принятого за расчетный;
2) линейный график скорости движения транспортного потока.
Первый график скорости движения строят по данным проезда экспериментального автомобиля или автомобиля-лаборатории в период низкой интенсивности движения по дороге. Этот график используется для оценки степени обеспечения безопасности движения на обследованной дороге и степени соответствия геометрических элементов скоростным возможностям автомобилей.
Второй график строится по данным проезда автомобиля-лаборатории, включившегося в группу следующих друг за другом автомобилей, или по данным измерения скоростей на створах.
На основании этих графиков можно судить о реальных условиях движения по дороге, средней скорости на маршруте, стесненности движения и выявить участки, требующие проведения мероприятий по повышению пропускной способности. На основании анализа, приведенного на рис. 31 графика, можно предложить мероприятия по повышению пропускной способности (в данном случае устройство дополнительной полосы движения необходимо на участке с 894 по 895 + 050 км).
На предварительном этапе обследований, а также в случае невозможности осуществления записи фактической скорости движения вдоль обследуемого маршрута путем проезда автомобиля-лаборатории может быть построен график изменения максимальных теоретических скоростей движения, которые обеспечивают геометрические элементы дороги, пользуясь методами, предложенными А.Е. Бельским, К.А. Хавкиным или Н.Ф. Хорошиловым.
При расчете скоростей движения по методам А.Е. Бельского или К.А. Хавкина скорость в точке, с которой начинают построение, принимают равной фактической скорости, соответствующей 95 % обеспеченности (см. § 12). В случае отсутствия данных о фактических скоростях движения для горизонтальных участков за начальную принимается максимальная техническая скорость расчетного типа автомобиля.
По методу А.Е. Бельского расчет скорости движения производится по уравнению, полученному с учетом движения автомобиля по круговым вертикальным кривым.
При использовании метода К.А. Хавкина, скорости движения рассчитываются с помощью уравнения, полученного из условия движения автомобиля по параболической вертикальной кривой. График теоретических максимальных скоростей движения может быть также построен по уравнению, предложенному канд. техн. наук Э.Л. Палшайтисом (19).
Эти методы основываются на полном использовании динамических возможностей автомобилей при движении по продольному профилю дороги с максимально возможными скоростями, без учета ограничений их элементами плана, условиями видимости и другими факторами. При построении эпюры скоростей эти ограничения необходимо учитывать дополнительно.
Пример последовательности расчета теоретической скорости движения автомобиля дан в книге «Проектирование автомобильных дорог» (Примеры) О.В. Андреева, В.Ф. Бабкова и др. «Транспорт», 1966 г.
Теоретические методы построения графика скоростей движения могут быть использованы для построения непрерывной эпюры изменения скорости движения. Указанные скорости на створах в данном случае используются как опорные, принимаемые за начальные при расчете скоростей между имеющимися створами.
Запись фактической скорости движения автомобиля производится вдоль всей обследуемой дороги через каждые 200 м, а на участках наиболее резкого изменения режима движения через 100 м.
На рис. 31 показан пример линейного графика скорости движения легкового автомобиля в свободных условиях, построенного для участка обследуемой дороги. Для построения этого графика величина скорости фиксировалась через 200 м.
С помощью линейного графика скорости движения можно:
1. Оценить степень обеспечения безопасности движения по методике проф. В.Ф. Бабкова с помощью коэффициентов безопасности и наметить мероприятия по повышению безопасности движения (см. § 19).
2. Выявить элементы продольного профиля, оказывающие существенное влияние на скорость движения.
3. Оценить среднюю скорость и продолжительность проезда всего обследуемого маршрута при свободных условиях движения. Сравнение этих данных с фактическими данными позволяет оценить условия движения на обследуемой дороге.
4. Установить места, где особенно резко проявляется различие динамических качеств автомобилей разных марок.
При построении графика изменения фактических скоростей движения целесообразно на одном линейном графике совместить данные об условиях движения по дороге (план с ситуацией) и продольный профиль дороги с графиком скоростей (рис. 31). Благодаря этому очень легко выяснить истинную причину снижения скорости движения на каждом участке обследуемой дороги.
На этом графике строится график коэффициентов безопасности (Kб), позволяющий дать количественную оценку степени опасности движения по отдельным участкам обследуемой дороги. В приведенном на рис. 31 примере наиболее опасным (Kб < 0,4) является участок с 894 по 895 км. Из детального рассмотрения плана с ситуацией и профиля дороги можно установить, что основной причиной низкой величины коэффициента безопасности является наличие кривой малого радиуса в сочетании с узким мостом и отсутствием достаточной ровности покрытия.
Сбор и анализ фактов, связанных с дорожно-транспортными происшествиями, имеет очень большое значение для правильного назначения мероприятий по повышению безопасности движения на обследуемых дорогах.
Дорожно-транспортные происшествия вызываются рядом причин: неисправностью транспортных средств; недостаточной квалификацией, малым опытом и переутомлением водителей; неблагоприятными дорожными условиями.
Во всех случаях трудные условия движения и управления автомобилем создают предпосылки для возникновения дорожных происшествий. Сосредоточение происшествий на каком-либо из участков дороги свидетельствует о необходимости его обследования и разработке рекомендации по реконструкции.
В настоящее время учет дорожно-транспортных происшествий ведется органами Госавтоинспекции. Для характеристики дорожно-транспортных происшествий научно-исследовательским институтом охраны общественного порядка (ВНИИООП) разработана специальная карточка, заполняемая на каждое происшествие. В нее заносят данные о дороге, где имело место происшествие, виде происшествия, состоянии погоды, времени происшествия, данные о пострадавших, данные о водителях и транспортных средствах. В карточке показана схема происшествия и описано происшествие. Соответствующие графы в карточке отмечены условными обозначениями. Помимо наименования дороги, дается характеристика дорожных условий, которые могут быть причиной дорожно-транспортных происшествий (регулируемый перекресток, кривая на спуске, тип покрытия, ширина и состояние покрытия).
Наряду со сведениями о водителях и участках дороги, в учетной карточке содержится ряд данных, представляющих интерес для разработки мероприятий по повышению безопасности движения.
К сожалению, из данных карточки часто нельзя достаточно достоверно определить параметры тех или иных элементов дороги, так как заполняющие ее работники Госавтоинспекции не располагают данными о геометрических элементах дороги и руководствуются субъективными суждениями. Привязка к километражу обычно дается с точностью до километра и поэтому не всегда возможно бывает определить точное место происшествия. В карточке не указывается наличие виража, не отмечается расстояние видимости и т.д. Поэтому для детальной оценки состояния дороги в местах сосредоточения дорожно-транспортных происшествий должен проводиться особенно внимательный осмотр в процессе обследования этих опасных участков дороги.
В некоторых областных дорожных управлениях за последнее время выделены группы дорожников, которые ведут учет транспортных происшествий, выезжая на место аварии, но, к сожалению, они часто просто дублируют данные органов Госавтоинспекции.
Собранные в Госавтоинспекции сведения о дорожно-транспортных происшествиях заносятся в специальные таблицы.
Таблица 12
|
№ п.п. |
Место происшествия |
Дата |
Краткая характеристика дорожных условий |
Краткое описание дорожно-транспортных происшествий |
Отчетность |
Жертвы происшествий |
||||
|
км |
+ |
отчетные |
неотчетные |
кол-во убитых |
кол-во тяжело раненых |
кол-во легко раненых |
||||
|
|
|
|
|
|
|
|
|
|
|
|
В результате осмотра места происшествия должны быть собраны следующие данные об этом участке дороги.
1. Наименование дороги.
2. Место происшествия, километр.
3. Характеристика плана и профиля (горизонтальная прямая, кривая на горизонтальном участке, угол поворота, длина кривой, наличие виража, величина уклона на спуске или подъеме, его протяжение и т.д.).
4. Ширина проезжей части и обочин.
5. Ширина искусственных сооружений и прилегающих к ним участков дороги.
6. Расстояние видимости встречного автомобиля, м.
7. Наличие пересечений, примыканий или железнодорожных переездов и их характеристика.
8. Наличие автобусных или стояночных площадок и их оборудование (ширина отделяющего островка, наличие шлюзов, площадок для пассажиров, правильность размещения остановок, наличие автопавильонов).
9. Было ли данное происшествие зафиксировано в населенном пункте, а если на перегоне, то на каком расстоянии от ближайшего населенного пункта. При осмотре места происшествия в населенном пункте отмечают наличие пешеходных дорожек, переходов, велосипедных дорожек, дорог для движения местного транспорта, а также размеры населенного пункта и расстояние от застройки до дороги.
10. Обустройство дорог (сведения о наличии и необходимости разметки проезжей части, ограждений, знаков, освещения).
11. Наличие на проезжей части или на обочине различных предметов, сооружений или транспортных средств (кучи строительных материалов, столбы или деревья на обочинах, дорожные машины, битумные котлы, автопавильоны и т.д.). Для предметов, находящихся на обочине, указывают расстояния до кромки проезжей части.
12. Состояние обочин, откосов.
13. Отметки земляного полотна.
Данные о состоянии погоды, о виде дорожно-транспортных происшествий, участвовавших в них транспортных средствах и о водителях, о происшествиях, в которых были виноваты пассажиры или пешеходы, хорошо отражаются в карточках.
Следует собирать следующие данные о пострадавших:
1. Возраст, профессия, средняя заработная плата.
2. Вид повреждения: а) легкие телесные повреждения, б) тяжелые телесные повреждения, в) смертельный исход.
К легким телесным повреждениям условно относят те, при которых пострадавший потерял трудоспособность на срок менее семи дней.
К тяжелым телесным повреждениям относят те, в результате которых пострадавшие потеряли трудоспособность на срок более семи дней. В таких случаях необходимо выяснить продолжительность нахождения пострадавших в больнице, срок потери трудоспособности, а в случае, если пострадавшие стали инвалидами, то группу инвалидности.
Часто при одном дорожно-транспортном происшествии бывает несколько пострадавших. Необходимо знать количество пострадавших в каждом конкретном дорожно-транспортном происшествии.
В случае гибели или если пострадавший стал инвалидом, необходимо знать размер пособий или пенсий, выплачиваемых пострадавшему или семье погибшего.
Кроме того, необходимо знать ущерб от повреждения транспортных средств, грузов и дорожных инженерных сооружений.
Госавтоинспекция делит все дорожные происшествия на отчетные и неотчетные.
К отчетным происшествиям относятся те, ущерб от которых равен или превышает 200 руб., или пострадавший потерял трудоспособность на срок более семи дней, и более тяжелые случаи; к неотчетным - все остальные. При анализе дорожных условий с точки зрения безопасности движения необходимо учитывать все виды происшествий.
Для учета материальных потерь от дорожно-транспортных происшествий составляются таблицы, упрощающие обработку при большом количестве дорожных происшествий. Таблицы составляются отдельно для отчетных и неотчетных дорожно-транспортных происшествий.
Таблица 13
|
Количество отчетных происшествий |
Количество убитых |
Количество тяжело раненых |
Время нахождения в больнице |
Количество дней на больничном листе |
Количество легко раненых |
Срок потери трудоспособности |
Ущерб от повреждения транспортных средств, груза, дорожных сооружений |
|
1 |
2 |
3 |
4 |
5 |
6 |
7 |
8 |
|
|
|
|
|
|
|
|
|
Таблица 14
|
Количество неотчетных происшествий |
Количество легко раненых |
Срок потери трудоспособности |
Ущерб от повреждения транспортных средств, груза, дорожных сооружений |
|
1 |
2 |
3 |
4 |
|
|
|
|
|
Соотношение количества отчетных и неотчетных дорожно-транспортных происшествий дает представление об опасности того или иного участка или элемента дороги по сравнению с другими участками. Кроме того, для разработки рекомендаций по обеспечению безопасности движения в темное время суток производится анализ дорожно-транспортных происшествий по сравнению со светлым временем суток, как на всем протяжении дороги, так и на отдельных опасных участках. Если в карточке дорожно-транспортного происшествия не указано, в какое время суток оно произошло, то это легко определить, если указано время, пользуясь графиками продолжительности светлого периода. На рис. 35 приведен такой график для условий центральной полосы СССР.
Рис. 35. График продолжительности светлого и темного времени суток
Общие сведения о происшествиях не раскрывают их опасности на том или ином участке дороги. Поэтому обычно вычисляют количество дорожно-транспортных происшествий по отношению к количеству пройденных на том или ином отрезке дороги автомобиле-километров, или по числу автомобилей, прошедших через короткий участок дороги (пост, перекресток).
При анализе дорожно-транспортных происшествий строят гистограммы циклических изменений их количества по времени (часам суток, дням недели, месяцам и сезонам (рис. 36, 37)), которые сравниваются с циклическими изменениями интенсивности движения. Такие гистограммы строят как для всех дорожно-транспортных происшествий, так и для отдельных видов. Например, на рис. 36 показано распределение происшествий по времени суток, связанных с велосипедистами. Гистограммы помогают начать те или иные временные мероприятия по повышению безопасности движения (запретить обгон, ограничить скорость движения и т.д. в определенный час, день недели, месяц, для всего транспорта в целом или по видам транспорта).
Рис. 36. Гистограмма происшествий, связанных с велосипедистами
Рис. 37, а. Гистограмма распределения происшествий по дням недели

Рис. 37, б. Гистограмма распределения происшествий по месяцам года
Места дорожно-транспортных происшествий обычно наносят при помощи условных обозначений на линейный график дороги. Для особенно опасных участков строят линейные графики распределения мест дорожно-транспортных происшествий по их видам. Каждый вид происшествия изображают своими условными обозначениями (рис. 38).

Столкновение транспортных средств
Наезд на препятствие
Опрокидывание транспортных средств
Наезд транспортных
средств на пешехода
Наезд транспортных средств на
велосипедиста
Съезд транспортных средств с дороги
Прочие дорожно-транспортные происшествия
Рис. 38. Линейный график распределения дорожно-транспортных происшествий по их видам
Кроме того, для наглядности и подтверждения опасности некоторых участков дороги дорожно-транспортные происшествия наносятся на итоговый график коэффициентов аварийности (см. § 19).
Линейный график распределения дорожно-транспортных происшествий по длине дороги обычно характеризуется их сосредоточением в отдельных местах. Если на каком-либо участке дороги произошло за отчетный период три или более дорожно-транспортных происшествия, чаще всего они вызваны дорожными условиями.
Такие участки дороги должны прежде всего подвергаться тщательному осмотру на месте, анализу и изучению. Они в первую очередь подлежат реконструкции или принимаются другие меры, повышающие безопасность движения (разметка проезжей части, устройство ограждений, установка знаков, укрепление обочин, устройство освещения и т.д.).
Анализ дорожно-транспортных происшествий на ряде дорог показал, что в условиях СССР наиболее распространенными местами происшествий являются следующие:
1. Участки автомобильных дорог, проходящие через населенные пункты. Интенсивное движение пешеходов и велосипедистов по дороге, автомобили, останавливающиеся на обочинах, близко расположенные от дороги здания и сооружения, движение гужевого транспорта, прогон по дороге животных и т.д. чаще всего способствуют возникновению несчастных случаев.
На участках дорог, проходящих через населенные пункты, обычно возникает 20 - 30 % дорожно-транспортных происшествий от общего их числа на дороге. На ряде дорог в курортной местности, где дороги на 50 - 60 % протяжения проходят через поселки, от 60 до 80 % происшествий приходится на эти участки.
2. Кривые малых радиусов. Отечественные и зарубежные данные показывают, что на кривых происходит тем больше аварий, чем меньше их радиусы. Основной причиной происшествий на кривых малых радиусов является превышение скорости движения, приводящее к заносу.
3. Участки дорог с большими продольными уклонами. Основной причиной аварий при движении автомобилей на подъем является выход на полосу встречного движения при обгоне в верхней части подъема, а при движении под уклон - превышение скорости в нижней части спуска. На такие участки приходится от 7 до 25 % дорожно-транспортных происшествий в зависимости от категории рельефа местности.
4. Участки дорог с ограниченной видимостью в плане или продольном профиле. На таких участках автомобили, обгоняющие тихоходный или гужевой транспорт, выезжают на полосу встречного движения, создавая аварийную обстановку.
5. Пересечения и примыкания автомобильных дорог в одном уровне, на долю которых приходится от 10 до 25 % дорожно-транспортных происшествий.
6. Пересечения автомобильных дорог в разных уровнях, на которых происходит около 15 % всех происшествий. Причинами происшествий являются отсутствие переходно-скоростных полос или недостаточная их длина, малые радиусы кривых и недостаточная ширина проезжей части съездов, сложные и непонятные для водителей схемы движения на пересечениях типа неполного клеверного листа и неудачная расстановка или отсутствие знаков.
7. Узкие мосты и путепроводы, на которые приходится около 3 % всех аварий. Большинство происшествий приходится на темное время суток и бывает связано с ослеплением водителей светом фар встречных автомобилей.
Зона влияния каждого из неблагоприятных участков не ограничивается его пределами. Влияние трудного участка на режимы движения проявляется и на подходах к нему. Анализ мест происшествий позволил определить протяжение зон влияния участков повышенной аварийности, указанных в табл. 15.
Таблица 15
|
Зона влияния |
|
|
Населенные пункты................................................................ |
1000 м в каждую сторону |
|
Кривые R < 400 м с обеспеченной видимостью.............. |
50 м « « |
|
Участки подъемов.................................................................. |
100 м « « |
|
Участки спусков...................................................................... |
150 м « « |
|
Кривые в плане с ограниченной видимостью................. |
100 м « « |
|
Пересечения в одном уровне.............................................. |
50 м в каждую сторону от пересечения |
|
Пересечения в разных уровнях............................................ |
20 м от начала или конца переходно-скоростных полос |
|
Мосты и путепроводы........................................................... |
по 80 м в каждую сторону |
При анализе мест сосредоточения дорожно-транспортных происшествий вычерчивают план участка в масштабе 1:100 - 1:250, нанося на него все элементы ситуации, которые могли бы влиять на условия движения транспорта и пешеходов, границы проезжей части и земляного полотна, контуры зданий, опоры мостов, мачты уличного освещения и электропередач, велосипедные дорожки, пешеходные переходы, знаки, рекламные плакаты и т.д.
На план наносятся с соблюдением масштаба места происшествий, траектории следования транспортных средств, велосипедистов, пешеходов до и после происшествия. В некоторых случаях для установления траекторий движения может потребоваться организация специальных наблюдений. Условные обозначения на планах дорожно-транспортных происшествий, принятые в СССР, представлены на рис. 39.
Рис. 39. Условные обозначения на планах дорожно-транспортных происшествий, принятые в СССР
а) - столкновение на пересечении дорог транспортных средств, двигавшихся прямо, б) и в) - столкновение двигавшихся прямо и поворачивавших транспортных средств, г) - наезд на пешехода, д) - столкновение транспортных средств, двигавшихся навстречу друг другу, е) - столкновение транспортных средств при движении в одном направлении, ж) - наезд на стоящее транспортное средство, з) и и) - наезды при обгоне на обгоняемое и встречное транспортное средство, к) - столкновение с транспортным средством, выезжающим со стоянки, л) - съезд с проезжей части, м) - падение пассажира с движущегося транспортного средства, н) - наезд на велосипедиста, о) - наезд на гужевой транспорт
Сопоставление траекторий движения автомобилей и мест сосредоточения происшествий дает возможность достоверно установить дефекты дороги, затрудняющие вождение автомобиля и тем самым являющиеся одной из основных причин дорожно-транспортных происшествий.
Очень показательны для выработки методов повышения безопасности движения графики с сопоставлением количества происшествий до и после реконструкции опасного места, которые показывают, как отражаются на безопасности движения проведенные мероприятия.
На рис. 40 показано примыкание, на котором произошло несколько дорожно-транспортных происшествий до реконструкции (а) и после реконструкции (б).
Рис. 40, а. Диаграмма дорожных происшествий на пересечении до реконструкции

Рис. 40, б. Диаграмма дорожных происшествий на пересечении после реконструкции
Для оценки эффекта от мероприятий по реконструкции и обустройства дорог методом до и после применяют положения теории вероятностей. Для этой цели используют критерий соответствия Пирсона. Применение этого метода описано в книге проф. В.Ф. Бабкова [2].
На тех участках дорог, где отсутствуют дефекты элементов трассы, дорожных одежд или обустройств, проводятся специальные обследования, которые должны выявить причины несоответствия дорожных условий безопасному движению транспорта или подтвердить случайность дорожно-транспортных происшествий. Такие обследования проводятся только в том случае, если дорожно-транспортные происшествия произошли не из-за технической неисправности транспортных средств или нетрезвого состояния водителей.
В зависимости от дорожных условий назначают порядок работы по обследованию данных участков.
I. На участках, дорог, проходящих в населенных пунктах.
1) Измерение интенсивности движения по дороге велосипедистов, пешеходов, гужевого транспорта, сельскохозяйственных машин (комбайны, косилки и т.д.);
2) определение соотношения между местным и транзитным транспортом, особенно на участках дорог значительного протяжения (более 1 км), проходящих через населенный пункт;
3) на отдельных участках, особенно в зоне автобусных остановок, магазинов, кинотеатров, медицинских учреждений, школ, колодцев и т.д., фиксируют количество пешеходов, пересекающих дорогу;
4) отмечают наличие пешеходных и велосипедных дорожек, переходов, расположение колодцев и т.д., замеряют расстояние от застройки, предметов и сооружений, находящихся вблизи от проезжей части.
II. Кривые малых радиусов.
1) Определяют радиус кривой и угол поворота, наличие виража и переходных кривых;
2) оценивают видимость встречного автомобиля или препятствия на поверхности дороги.
III. Участки дорог с большими продольными уклонами
1) Определяют интенсивность и состав движения;
2) определяют расстояние видимости встречного автомобиля или препятствия на дороге;
3) если неизвестен уклон и его протяжение, то производят съемку продольного профиля.
IV. Пересечения и примыкания автомобильных дорог
1) Определяют интенсивность и состав движения и магистральной и примыкающей дороге;
2) оценивают видимость и обзорность на пересечении;
3) отмечают места перехода пересечения пешеходами и количество пешеходов;
4) фиксируют наличие или отсутствие переходно-скоростных полос, знаков и указателей;
5) замеряют расстояния до всевозможных предметов и сооружений, находящихся на пересечении и вблизи от него.
V. Узкие мосты и путепроводы.
Определяют габариты сооружения, наличие тротуаров, высоту бордюров, расстояние между перилами.
Независимо от дорожных условий проводят наблюдения за режимом движения транспорта (скорость, траектории движения), оценивают ровность и скользкость покрытия, ширину и состояние обочин, анализируют погодные условия в период, когда произошла авария (дождь, туман, снегопад, гололед). На скользких участках замеряют коэффициент сцепления.
В связи с этим важной задачей является создание портативных и простых приборов для оценки скользкости, ровности покрытий и для оценки режимов движения транспорта.
Кроме проведения обследования опасных участков, доказывающего необходимость реконструкции, следует учитывать и экономические потери на этих участках из-за дорожно-транспортных происшествий и снижения скоростей движения автомобильного транспорта.
При обследованиях дорог необходимо уделять значительное внимание пересечениям, от которых во многом зависят транспортные качества дороги.
О количестве и состоянии пересечений на протяжении маршрута можно судить по ведомости, составляемой в процессе обследования по форме, приведенной в табл. 30. В такой ведомости указывают ширину проезжей части, тип покрытия и ширину обочин на пересекающихся дорогах, радиусы съездов, видимость на пересечении, данные о дорожно-транспортных происшествиях и интенсивности движения. Данные об интенсивности движения по пересекающим второстепенным дорогам, если они отсутствуют в местных дорожных организациях, должны быть получены путем учета.
Безопасность движения на пересечении зависит от интенсивности пересекающихся потоков транспорта, причем наибольшее влияние оказывает интенсивность движения на второстепенной дороге. В связи с этим количество происшествий не полностью характеризует условия движения на пересечении. Так, например, из двух пересечений, на которых за один и тот же срок зарегистрировано одинаковое количество происшествий, более опасно то, на котором интенсивность движения меньше.
Объективной оценкой безопасности движения на пересечении может служить приведенное количество происшествий на 10 млн. автомобилей:
где: z - среднее количество происшествий на пересечении за год;
M, N - интенсивность движения на пересекающихся дорогах в период обследований, авт/сут;
Kг - коэффициент годовой неравномерности движения (из табл. 16).
Коэффициент годовой неравномерности означает долю от годового объема движения, приходящуюся на каждый месяц. Так, например, если данные об интенсивности получены за июль, то Kг = 0,165. Для дорог с иным годичным распределением объема движения в значения Kг должны быть внесены соответствующие поправки. Данные табл. 16 надежны для магистральных дорог РСФСР.
Таблица 16
|
I |
II |
III |
IV |
V |
VI |
VII |
VIII |
IX |
X |
XI |
XII |
|
|
Коэффициент годовой неравномерности движения Kг |
0,025 |
0,030 |
0,045 |
0,070 |
0,100 |
0,150 |
0,165 |
0,140 |
0,120 |
0,100 |
0,035 |
0,020 |
Данные о приведенном количестве происшествий позволяют судить об опасности того или иного пересечения. Градация степени опасности следующая:
Таблица 17
|
Количество происшествий на 10 млн. автомобилей Kа |
Опасность пересечения |
|
менее 3 |
неопасное |
|
3 - 8 |
малоопасное |
|
8 - 12 |
опасное |
|
более 12 |
очень опасное |
В зависимости от количества происшествий на обследуемом пересечении можно рекомендовать следующие мероприятия по повышению безопасности движения:
Kа < 8 - обеспечение видимости пересечения с пересекающихся дорог. Установка дорожных знаков и указателей.
Kа = 8 ÷ 12 - обеспечение видимости пересечения, установка дорожных знаков, разметка проезжей части.
Ka = 13 ÷ 16 - устройство островков безопасности на второстепенной дороге, разметка проезжей части.
Kа > 16 - строительство полностью канализированных пересечений или замена крестообразного пересечения кольцевым. На некоторых пересечениях в период обследований интенсивность движения невелика, поэтому влияние пересекающего потока мало и дорожно-транспортных происшествий на пересечении не зарегистрировано.
Необходимо учитывать, что при дальнейшем росте интенсивности движения, ежегодно увеличивающейся на наших дорогах на 7 - 12 %, эти пересечения создадут существенные трудности в обеспечении безопасности движения на дороге. Для выбора мероприятий по организации движения на таких пересечениях разработан метод оценки опасности конфликтных точек в зависимости от интенсивности движения пересекающихся в этих точках потоков.
Опасность каждой конфликтной точки оценивается как
(19)
где: Ki - коэффициент опасности конфликтной точки из табл. 18;
Mi, Ni - интенсивности движения потоков в конфликтной точке, авт/сут;
Kг - коэффициент годовой неравномерности движения, принимаемый из табл. 16.
Значения коэффициента опасности конфликтных точек Ki определены на основе анализа данных об аварийности на пересечениях. Данные собраны на разных дорогах.
Общая опасность для движения на пересечении (G) определяется как сумма опасностей всех конфликтных точек:
(20)
Количество происшествий на этом пересечении на 10 млн. автомобилей может быть определено по формуле (18), при подстановке вместо z значения G.
(21)
Данные об аварийности следует использовать не только для оценки опасности пересечений, но и при разработке схем организации движения и планировочных решений пересечений. С этой целью составляется диаграмма происшествий. Метод составления диаграммы описан в § 16.
Во время обследования помимо безопасности движения оценивают и транспортно-эксплуатационные показатели пересечений - скорости движения на пересекающихся дорогах и транспортные потери.
Скорость движения транзитного потока измеряют на протяжении 400 - 500 м в обе стороны от пересечения в 8 - 10 створах. По данным этих измерений строят график скоростей движения, по которому определяют зону влияния пересечения и транспортные потери.
Считается, что влияние пересечения сказывается на режиме движения транспортного потока, если отношение скорости, измеренной в данном створе, к скорости движения на подходах к пересечению, т.е. коэффициент безопасности, менее 0,85.
Транспортные потери определяют через величину скорости движения автомобилей в зоне влияния пересечения и потерь времени на ожидание на второстепенной дороге. Эти потери зависят от интенсивностей движения на пересекающихся дорогах и могут достигать значительных величин. Транспортные потери на пересечении определяют с помощью графиков на рис. 41, 42. Для этого необходимо знать приведенную интенсивность движения, которую вычисляют по формулам:
Nприв = Nглл + Nвл + Nвпр · 0,5 + Nвп.п. (22)
Nприв = Nглл · 0,8 + Nвл + Nвпр · 0,4 + Nвп.п., (23)
где: Nприв - приведенная интенсивность движения, авт/час;
N - интенсивность движения, авт/час.
Рис. 41. Потери времени на необорудованных пересечениях в одном уровне в зависимости от интенсивности движения на пересекающихся дорогах
Рис. 42. Потери времени на канализированных транспортных узлах в одном уровне в зависимости от интенсивности движения на пересекающихся дорогах
Индексы обозначают:
в - второстепенная дорога,
г.п - главная дорога,
л - левый поворот,
пр - правый поворот,
п.п - прямое пересечение.
Формулу (22) применяют для простых необорудованных пересечений, формулу (23) - для канализированных.
Для кольцевых пересечений транспортные потери определяют по графику скоростей движения и зоне влияния пересечения:
(24)
где Tw - транспортные потери на пересечении;
Sbi - зона влияния пересечения для i-го направления движения, км;
V0, Vni - средние скорости движения на подходах и в зоне влияния пересечения, км/час;
Mi - интенсивность движения i-го направления, авт/сут;
Кг - коэффициент годовой неравномерности движения (по табл. 16).
Данные о величинах транспортных потерь позволяют дать экономическую оценку целесообразности реконструкции пересечения или улучшения лишь отдельных его элементов.
На пересечения, подлежащие реконструкции, составляют ведомость (табл. 21), в которой указывают место, положение пересечения, данные о количестве аварий и их стоимости, относительное количество происшествий и транспортные расходы до и после реконструкции, состав работ по реконструкции пересечения, стоимость этих работ и срок их окупаемости.
Стоимость реконструкции определяют по укрупненным показателям, взятым по аналогам данной дороги.
Таблица 18
Величины коэффициентов аварийности, характеризующих конфликтные точки на примыканиях и крестообразных пересечениях
|
Направление движения автомобилей |
Характеристика пересечения |
Необорудованное пересечение |
Канализированное пересечение |
|
|
Слияние потоков Kс |
Правый поворот
|
Радиус поворота R менее 15 м |
0,0250 |
0,0200 |
|
R > 15 м |
0,0040 |
0,0020 |
||
|
R > 15 м, переходные кривые |
0,0008 |
0,0008 |
||
|
R > 15 м, переходные кривые, переходно-скоростные полосы |
0,0003 |
0,0003 |
||
|
Левый поворот
|
R < 10 м |
0,0320 |
0,0022 |
|
|
10,0 < R < 25,0 |
0,0025 |
0,0017 |
||
|
10,0 < R < 25,0, переходно-скоростные полосы |
0,0005 |
0,0005 |
||
|
Пересечение потоков Kп.п |
|
0 < α < 30 |
0,0080 |
0,0040 |
|
30 ≤ α < 50 |
0,0050 |
0,0025 |
||
|
50 ≤ α < 75 |
0,0036 |
0,0018 |
||
|
75 ≤ α < 90 |
0,0056 |
0,0028 |
||
|
90 ≤ α < 120 |
0,0120 |
0,0060 |
||
|
120 ≤ α < 150 |
0,0210 |
0,0105 |
||
|
150 ≤ α < 180 |
0,0350 |
0,0175 |
||
|
Разделение потоков Kр |
На правом повороте
|
R < 15 м |
0,0200 |
0,0200 |
|
R > 15 м |
0,0060 |
0,0060 |
||
|
R > 15 - переходные кривые |
0,0005 |
0,0005 |
||
|
R < 15 переходные кривые, переходно-скоростные полосы |
0,0001 |
0,0001 |
||
|
На левом повороте
|
R < 10 |
0,030 |
0,030 |
|
|
10 < R < 25 |
0,0040 |
0,0025 |
||
|
10 < R < 25, переходно-скоростные полосы |
0,0010 |
0,0010 |
||
|
Два поворачивающих потока Kх |
|
Разделение двух потоков |
0,0015 |
0,0010 |
|
|
Пересечение двух левоповоротных потоков |
0,0020 |
0,0005 |
|
|
|
Слияние двух поворачивающих потоков |
0,0025 |
0,0012 |
Таблица 19
|
Угол пересечения потоков α, град |
до 30° |
40° |
50 - 75° |
90° |
120° |
150° |
180° |
|
Kα |
1,8 |
1,2 |
1,0 |
1,2 |
1,9 |
2,1 |
3,4 |
Таблица 20
Коэффициенты аварийности для оценки конфликтных точек на кольцевых пересечениях
|
Радиус внутренней кромки кольца, м |
15 |
20 |
25 |
30 |
40 |
50 |
60 |
80 |
100 и более |
|
Слияние потоков |
|
|
|
|
|
|
|
|
|
|
на многополосном кольце (R > 15 м) |
|
|
|
0,0018 |
0,0013 |
0,0010 |
0,0008 |
0,0005 |
0,0003 |
|
на однополосном кольце при радиусе съезда R < 15 м, |
0,0040 |
0,0030 |
0,0022 |
0,0015 |
0,0010 |
0,0007 |
0,0005 |
0,0004 |
0,0004 |
|
R > 15 м |
0,0040 |
0,0025 |
0,0013 |
0,0010 |
0,0007 |
0,0005 |
0,0004 |
0,0003 |
0,0003 |
|
Разделение потоков |
|
|
|
|
|
|
|
|
|
|
на многополосном кольце (R > 15 м) |
|
|
|
0,0012 |
0,0009 |
0,0007 |
0,0005 |
0,00035 |
0,0002 |
|
на однополосном кольце при радиусе съезда R < 15 м, |
0,0028 |
0,0020 |
0,0014 |
0,0010 |
0,0007 |
0,0006 |
0,0005 |
0,0004 |
0,0003 |
|
R > 15 м |
0,0016 |
0,0012 |
0,0010 |
0,0007 |
0,0005 |
0,0004 |
0,0003 |
0,0002 |
0,0002 |
|
Переплетение потоков на многополосном кольце |
|
|
|
0,0016 |
0,0013 |
0,0010 |
0,0008 |
0,0007 |
0,0006 |
Примечание. R - радиус съезда по кромке проезжей части, м.
Таблица 21
Ведомость пересечений, подлежащих реконструкции
|
+ |
До реконструкции |
Рекомендации |
После реконструкции |
||||||||
|
количество происшествий |
коэффициент аварийности |
стоимость аварий, тыс. руб. |
транспортные потери, тыс. руб. |
количество происшествий |
относительная аварийность |
стоимость аварий, тыс. руб. |
транспортные потери, тыс. руб. |
стоимость реконструкции, тыс. руб. |
срок окупаемости |
||
|
1 |
2 |
3 |
4 |
5 |
6 |
7 |
8 |
9 |
10 |
11 |
12 |
|
|
|
|
|
|
|
|
|
|
|
|
|
Безопасность движения по дорогам в значительной степени определяется продуманной системой регулирования движения, важное место в которой занимают дорожные знаки и указатели.
При комплексной оценке условий движения на автомобильной дороге необходимо провести специальное обследование размещения дорожных знаков. Работу разбивают на три этапа: 1) сбор данных по фактической расстановке знаков; 2) камеральная обработка наблюдений и составление рациональной схемы покилометровой расстановки дорожных знаков; 3) анализ собранных данных и рекомендаций после повторного проезда по дороге.
Данные обычно собирают при проезде на автомобиле при скорости 40 - 50 км/час. Наблюдатель ведет регистрацию всех знаков в полевом журнале по форме (табл. 22).
Таблица 22
|
№ километровых столбов и дорожные знаки |
Привязка по спидометру |
Проложение дороги |
Положение знака в поперечном профиле |
Видимость знака |
Примечание |
||
|
в плане |
в продольном профиле |
||||||
|
1 |
2 |
3 |
4 |
5 |
6 |
7 |
8 |
|
|
|
|
|
|
|
|
|
Запись в журнале проводят отдельно для каждого направления движения. Привязка знаков ведется по спидометру. При достаточном навыке ошибка в привязке не превышает 25 м. Одновременно в журнале фиксируют особенности плана и продольного профиля. Отмечается положение знака в поперечном профиле дороги, на обочине, на бровке земляного полотна, за его пределами, на обрезе.
После первого проезда все записи оформляют в виде покилометровой схемы фактической расстановки знаков (рис. 43). Масштаб плана 1:100000. На схему наносят также данные о режимах движения на отдельных участках дороги, установленные методами стационарных наблюдений или при помощи ходовых лабораторий (гл. IV), сведения о дорожно-транспортных происшествиях, расстояние видимости на неблагоприятных участках, прямые и радиусы кривых в плане, продольные уклоны. Составленная схема позволяет учесть основные дорожные факторы, влияющие на безопасность движения и оценить соответствие существующей расстановки дорожных знаков условиям безопасного движения.
Рис. 43. Схема фактической расстановки знаков
Видимость знаков оценивают при втором проезде по дороге. Водитель сообщает наблюдателю о том, что он видит знак, и последний регистрирует в этот момент показания спидометра. В графе примечаний делают пометки, поясняющие положение и видимость знака.
Особое внимание должно быть уделено ночной видимости знаков. Для этого после анализа собранных сведений о расстановке знаков проводится выборочная проверка в ночных условиях дорожных знаков при освещении фарами автомобилей. В первую очередь должны быть проверены знаки, отстоящие более чем на 5 м от кромки проезжей части, знаки, установленные в пределах кривой или на переломах продольного профиля, на откосах выемок.
Расстановка дорожных знаков должна отвечать следующим условиям:
1. Дорожные знаки устанавливают не для местных водителей, уже хорошо изучивших дорожные условия, а для водителей, которые впервые попадают на этот участок, не знают, какой лучше выбрать режим движения, и желают получить полную информацию о дорожных условиях и направлении дороги.
2. Дорожные знаки должны устанавливаться в таких местах, чтобы привлекать к себе внимание водителя. Нельзя допускать, чтобы знак был помещен вблизи каких-либо предметов, среди которых он мог бы затеряться (деревья, кустарник, заборы и т.д.).
3. Дорожные знаки должны быть ясными и простыми по содержанию. Это относится главным образом к маршрутным схемам и указателям, хотя встречаются случаи, когда дополнительные таблички осложняют понимание дорожных знаков.
4. Знаки должны быть видимы на большом расстоянии, чтобы водитель имел достаточное время для принятия соответствующего решения и маневра, обеспечивающего безопасность движения.
5. Должно соблюдаться строгое единообразие в расстановке знаков, чтобы водитель мог ожидать появления их в поле зрения примерно в одном и том же месте по отношению к кромке проезжей части.
6. Дорожные знаки должны быть особенно хорошо видны ночью. Их следует снабжать светоотражающими элементами или освещать, и устанавливать на достаточно близком расстоянии от кромки проезжей части.
7. Количество знаков должно быть минимальным и определяться строгой необходимостью. Неправильная случайная установка нескольких знаков уничтожает к ним доверие водителей, которые перестают уделять должное внимание следующим знакам.
При расстановке предупредительных знаков не следует исходить из чисто формальных соображений.
Наиболее целесообразно проводить расстановку знаков на основе графиков коэффициентов аварийности или коэффициентов безопасности (§ 19).
Особое внимание следует уделить участкам с ограниченной видимостью, кривым малого радиуса, длинным затяжным спускам, т.е. местам, где возможны резкие изменения скоростей. На дороге в степи полезно предупредить и о кривой в плане радиусом 1000 м. На дороге в условиях сильно пересеченного рельефа в холмистой местности, с частыми кривыми, иногда нет необходимости предупреждать о кривых с радиусами 200 м.
Следует очень внимательно относиться к знакам ограничения скорости, которые часто устанавливает ГАИ около мест, где произошли дорожно-транспортные происшествия. Эти знаки оказываются эффективным средством повышения безопасности движения только в тех случаях, когда дорожно-эксплуатационная служба вместе с органами ОРУД - ГАИ установила ограничения на основании изучения фактических режимов движения (см. § 12) на опасных и смежных с ними участках дороги, а также назначила обоснованные пределы ограничения скоростей и зоны ограничения обгона. При выборе величины ограничения скорости можно пользоваться эмпирическим правилом, что водители проезжают участок со скоростью, на 10 км/час превышающей указанную на знаке.
Правильная расстановка знаков ограничения скорости помогает водителям придерживаться безопасных скоростей движения, облегчает работу службы регулирования движения, выравнивает скорости автомобилей в транспортном потоке, уменьшает процент автомобилей, идущих с недопустимо большими или малыми скоростями.
На дорогах, где организовано регулярное автобусное сообщение, должно быть обследовано размещение остановок. Наблюдения показывают, что неправильное расположение, размеры и планировка автобусных остановок, снижают транспортно-эксплуатационные качества дороги и способствуют возникновению дорожно-транспортных происшествий в этих местах.
Цель обследования заключается в том, чтобы установить, насколько расположение автобусных остановок удовлетворяет требованиям наилучшего обслуживания жителей прилегающего района. При обследовании составляют специальную ведомость (табл. 23) расположения автобусных остановок и проводят обмер всех геометрических элементов остановок.
Таблица 23
|
Местоположение |
Тип остановки |
Частота прибытия автобусов |
Количество автобусных маршрутов |
Максимальное число скапливающихся пассажиров |
Размеры остановки |
Характеристики участка |
Примечание |
|||||||
|
км |
+ |
ширина полосы |
длина полосы торможения |
длина полосы разгона |
общая длина |
план |
профиль |
видимость |
||||||
|
1 |
2 |
3 |
4 |
5 |
6 |
7 |
8 |
9 |
10 |
11 |
12 |
13 |
14 |
15 |
|
|
|
|
|
|
|
|
|
|
|
|
|
|
|
|
Отсутствие стояночных площадок на автомобильных дорогах в местах возможной остановки автомобилей (здания общественного питания, магазины, почта, живописные места, архитектурные памятники и т.д.) приводит к скоплению автомобилей вдоль дороги и суживает ее на отдельных участках. Это вызывает снижение скоростей движения проходящих автомобилей, повышение количества дорожно-транспортных происшествий.
Для оценки эффективности работы стоянок проводят следующие работы: 1) учет часовой интенсивности движения в зоне стоянки, с одновременным учетом числа автомобилей на стоянке; 2) изучение характера использования стоянки, продолжительность стоянки автомобилей в течение суток, занимаемая автомобилями площадь в часы наибольшей загрузки.
Многократные наблюдения и опрос водителей позволяют собрать сведения о местах постоянных необорудованных стоянок и дать рекомендации по их планировке.
Для выявления опасных мест на дороге предложены методы:
коэффициентов безопасности, основанный на анализе графика изменения скоростей движения по дороге;
коэффициентов аварийности, основанный на анализе данных статистики дорожно-транспортных происшествий.
Коэффициентом безопасности называют отношение скорости движения на определенном участке дороги к максимально возможной скорости въезда на этот участок.
Коэффициентом аварийности называют отношение количества дорожно-транспортных происшествий на рассматриваемом участке дороги к среднему числу происшествий на горизонтальном прямом участке дороги того же типа, с двумя полосами движения, проезжей частью шириной 7,5 м, шероховатым покрытием и укрепленными обочинами, при равной интенсивности движения. В последнем случае можно считать, что происшествия связаны только с дисциплиной движения, а не с дорожными условиями.
Коэффициент аварийности дает возможность рассчитать, исходя из допустимой для дороги величины его, допустимую интенсивность движения или необходимое изменение геометрических элементов дороги.
Использование в настоящее время для оценки безопасности движения двух характеристик является вынужденным. Это связано как с недостаточной изученностью влияния дорожных условий на безопасность движения, так и с тем, что каждая из них в отдельности не учитывает всех факторов, способных вызвать дорожные происшествия.
Коэффициенты аварийности неполно отражают особенности движения отдельных автомобилей с высокими скоростями в часы малой интенсивности движения, а коэффициенты безопасности - факторы, связанные с психологическим восприятием водителями дорожных условий. Учитывая простоту этих методов, желательно вести расчет двумя способами, уделяя особое внимание участкам, которые, судя по эпюрам, относятся к категории опасных.
Опытная проверка этих двух способов на ряде автомобильных дорог разных категорий, расположенных в различных климатических зонах и условиях рельефа, приводит обычно к сходным результатам.
Построение графиков коэффициентов безопасности
Предварительно при анализе обеспеченности безопасности анализируют теоретическую эпюру скоростей движения.
Скорости, обеспечиваемые участком дороги, рассчитывают для случая движения одиночного легкового автомобиля методами, предложенными А.Е. Бельским или К.А. Хавкиным, по формулам неравномерного движения автомобиля, с использованием имеющихся вспомогательных таблиц, помещенных в монографиях указанных авторов (9), (20).
Учитывая цели анализа, в методику расчета вводятся следующие изменения:
а) для каждого участка дороги строят графики движения в обоих направлениях. Если условия движения по дороге в разных направлениях различны, то график можно строить только для того направления движения, при котором может быть развита наибольшая скорость;
б) на участках кривых в плане допустимую скорость движения рассчитывают, исходя из движения с предельной величиной поперечного коэффициента сцепления φпопер = 0,6 φпрод;
в) на спусках скорость рассчитывают по динамической характеристике, из условия движения автомобиля под уклон с работающим двигателем, развивающим тяговое усилие на затяжных спусках. Участок дороги в момент достижения конструктивной скорости, предельно допустимой по условиям управляемости автомобиля на дороге с данным типом покрытия, рассматривается как участок превышения скорости. Условно считают, что в этом месте скорость должна быть снижена водителем до допустимой, за которую можно принимать среднюю скорость транспортного потока по дороге (60 км/час);
г) при расчетах скоростей не принимаются во внимание местные ограничения скорости, накладываемые требованиями правил движения по дорогам (ограничение скорости в населенных пунктах, на переездах железных дорог, на пересечениях с другими дорогами, на кривых малых радиусов, в зонах действия дорожных знаков и др.).
Скорость движения по каждому из них зависит только от дорожных условий.
Этим учитывается влияние возможной недисциплинированности или недостаточной опытности отдельных водителей;
д) не учитывают участки торможения для плавного изменения скорости при въездах на кривые малых радиусов, узкие мосты, участки с необеспеченной ровностью и т.д. В конце каждого участка дороги определяют максимальную скорость движения на нем без учета условий движения на последующих участках.
На основе полученных данных строят график изменения величин коэффициентов безопасности по длине дороги.
Оценку участков дороги производят исходя из значений коэффициентов безопасности, представленных в следующей таблице:
Таблица 24
|
Значение коэффициента безопасности, KБ |
Характеристика движения на участке |
|
меньше 0,4 |
очень опасное |
|
0,4 - 0,6 |
опасное |
|
0,6 - 0,8 |
малоопасное |
|
более 0,8 |
практически неопасное |
При проектировании новых дорог недопустимы участки со значениями коэффициента безопасности менее 0,8. При разработке проектов реконструкции и капитального ремонта существующих участков автомобильных дорог следует перепроектировать участки со значениями коэффициентов безопасности менее 0,6.
На конечной стадии обследований, при разработке проектов реконструкции отдельных участков дороги, график скоростей движения должен быть построен по данным непосредственных наблюдений за скоростями движения (см. § 12).
Построение графика коэффициентов аварийности
Степень опасности участков дороги характеризуется итоговым коэффициентом аварийности, который представляет собой произведение частных коэффициентов, учитывающих влияние отдельных элементов плана и профиля.
Kавар = K1 · K2 · K3 · ... · K15, (25)
где коэффициенты K1, K2, ..., K15 - отношение количества происшествий на участке при той или иной величине элемента плана и профиля по сравнению с эталонным горизонтальным прямым участком дороги с проезжей частью шириной 7,5 м, шероховатым покрытием и с укрепленными широкими обочинами. Значения частных коэффициентов аварийности, приведенных в табл. 25, получены путем обобщения литературных данных и материалов статистики дорожно-транспортных происшествий в СССР.
Таблица 25
|
Значения частных коэффициентов аварийности при разных величинах характеристик дорожных условий |
||||||
|
Интенсивность движения, aвm/сут........... |
500 |
1000 |
3000 |
5000 |
7000 |
9000 |
|
K1....................................................................... |
0,40 |
0,50 |
0,75 |
1,00 |
1,30 |
1,90 |
|
Ширина проезжей части, м......................... |
4,5 |
5,5 |
6 |
7,5 |
|
8,5 и более |
|
K2 при укрепленных обочинах................... |
2,2 |
1,5 |
1,35 |
1,00 |
|
0,8 |
|
K2 при неукрепленных обочинах............... |
4 |
9,75 |
2,50 |
1,5 |
|
1 |
|
Ширина обочин, м........................................ |
0,5 |
1,5 |
|
2,0 |
|
3 и более |
|
K3....................................................................... |
2,2 |
1,4 |
|
1,2 |
|
1,0 |
|
Продольный уклон, ‰................................. |
20 |
30 |
50 |
70 |
|
80 |
|
K4....................................................................... |
1 |
1,25 |
2,5 |
2,8 |
|
3 |
|
Радиус кривых в плане, м............................. |
50 и менее |
100 - 150 |
200 - 300 |
400 - 600 |
1000 - 2000 |
более 2000 |
|
K5....................................................................... |
10 |
5,4 - 4 |
2,25 |
1,6 |
1,25 |
1 |
|
Видимость, м |
50 |
100 |
150 |
200 |
250 |
350 |
400 |
500 и более |
|
K6 в плане............................... |
3,6 |
3,0 |
2,7 |
2,25 |
2,0 |
1,45 |
1,2 |
1,0 |
|
в профиле.............................. |
5,0 |
4,0 |
3,4 |
2,5 |
2,4 |
2,0 |
1,4 |
1,0 |
|
Ширина проезжей части мостов по отношению к проезжей части дороги........................................... |
|
меньше на 1 м |
равна |
шире на 1 м |
шире на 2 м |
|||
|
K7............................................. |
|
6 |
3 |
1,5 |
1,0 |
|||
|
Длина прямых участков, км |
|
3 |
5 |
10 |
15 |
20 |
25 и более |
|
|
K8............................................. |
|
1 |
1,1 |
1,4 |
1,6 |
1,9 |
2 |
|
|
Тип пересечения с примыкаемой дорогой......................................... |
|
В разных уровнях |
В одном уровне при интенсивности движения на пересекаемой дороге в % от суммарной на двух дорогах |
|||||
|
K9............................................. |
|
0,35 |
менее 10 1,5 |
10-20 3,0 |
более 20 4,0 |
|||
|
Пересечения в одном уровне. Интенсивность движения по основной дороге, авт/сут....... |
|
1600 |
1600 – 3 500 |
3500 - 5000 |
5000 - 7000 и более |
|||
|
K10............................................ |
|
1,5 |
2 |
3 |
4 |
|||
Продолжение табл. 25
|
Видимость пересечения в одном уровне с примыкающей дороги, м................. |
более 60 |
60 - 40 |
40 - 30 |
30 - 20 |
менее 20 |
|
K11....................................................... |
1 |
1,1 |
1,65 |
2,5 |
5 |
|
Число полос движения на проезжей части, шт. K12....................................................... |
2 1 |
3 1,5 |
4 без разделительной полосы 0,8 |
4 и более с разделительной полосой 0,65 |
|
|
Расстояние от застройки до проезжей части, в м и ее характеристика |
15 - 20 имеются полосы местного движения |
6 - 10 имеются тротуары |
5 полосы для местного движения отсутствуют |
5 то же, тротуары отсутствуют |
|
|
K13....................................................... |
2,5 |
5 |
7,5 |
10 |
|
|
Расстояние от населенного пункта, м |
до 200 |
200 - 600 |
600 - 1000 |
1000 |
|
|
K14....................................................... |
2,0 |
1,5 |
1,2 |
1,0 |
|
|
Величина коэффициентов сцепления |
0,2 - 0,3 |
0,4 |
0,6 |
0,7 |
0,75 |
|
Характеристика покрытий |
скользкое, покрытое грязью |
скользкое |
чистое сухое |
шероховатое |
очень шероховатое |
|
K15....................................................... |
2,5 |
2,0 |
1,3 |
1,0 |
0,75 |
|
Коэффициенты аварийности |
Итоговый коэффициент |
1 |
|
|
K1 |
Интенсивность движения |
2 |
|
|
K2 |
Ширина проезжей части |
3 |
|
|
K3 |
Ширина обочин |
4 |
|
|
K4 |
Продольный уклон |
5 |
|
|
K5 |
Радиусы кривых в плане |
6 |
|
|
K6 |
Расстояние видимости |
7 |
|
|
K7 |
Ширина мостов |
8 |
|
|
K8 |
Прямые участки |
9 |
|
|
K9 |
Тип пересечения |
10 |
|
|
K10 |
Пересечения в одном уровне |
11 |
|
|
K11 |
Видимость па пересечении |
12 |
|
|
K12 |
Число полос движения |
13 |
|
|
K13 |
Застройки придорожной полосы |
14 |
|
|
K14 |
Расстояния от населенных пунктов |
15 |
|
|
K15 |
Шероховатость покрытий |
16 |
|
|
Интенсивность движения авт/сут |
17 |
||
|
Интенсивность движения на пересекающихся дорогах |
18 |
||
|
Ширина проезжей части, м |
19 |
||
|
Ширина обочин, м |
20 |
||
|
Расстояние видимое, м |
21 |
||
|
Пересечения, видимость на пересечениях |
22 |
||
|
Продольные уклоны |
23 |
||
|
Прямые и кривые |
24 |
||
|
Средние и малые мосты и путепроводы |
25 |
||
|
План дороги (ситуация) |
26 |
||
Поскольку влияние поперечного уклона на кривых и виражах на величину коэффициента аварийности специально не учитывается, при оценке степени безопасности движения следует исходить из величины эквивалентных радиусов кривых, допускающих проезд с той же скоростью, что и рассматриваемые кривые, но имеющие уклон виража, равный уклону проезжей части на прямом участке.
(26)
φкр = (0,6 - 0,7) φпр,
где: Rкр - радиус кривой, м;
φкр и φпр - коэффициенты поперечной силы при расчетах на устойчивость, принимаемые равными коэффициентам поперечного сцепления;
iкр и iпр - поперечные уклоны (в долях единиц).
Для определения итоговых коэффициентов аварийности строят специальный линейный график (рис. 44), на который наносят план и профиль дороги с выделением всех элементов, от которых зависит безопасность движения (продольные уклоны, вертикальные кривые в плане, мосты, населенные пункты, пересекающие дороги и др.). В специальной графе отмечают места с недостаточной видимостью и ее фактические величины.
Рис. 44. График коэффициентов аварийности
В графике фиксируют среднюю интенсивность движения по отдельным перегонам.
Трассу дороги анализируют по каждому из показателей, выделяя однородные по условиям участки, для каждого из которых назначают по приведенным выше таблицам коэффициент аварийности. Коэффициенты аварийности не интерполируют, а берут ближайшие значения по таблицам. Границы каждого из выделенных участков заносят в специальную графу итоговых коэффициентов аварийности, выделяя таким образом границы участков, однородных по степени обеспеченности движения.
Для наглядности в специальной графе линейного графика строят эпюру итоговых коэффициентов, пики на которой характеризуют участки, наиболее опасные в отношении возможности появления дорожных происшествий (см. рис. 44).
При проектировании новых дорог рекомендуется пересматривать участки, для которых итоговый коэффициент аварийности превышает 15 - 20. В условиях холмистого рельефа целесообразно предусматривать перестройку участков с коэффициентом аварийности более 25 - 40 в зависимости от местных условий.
На участках с коэффициентом аварийности более 10 - 20 следует производить разметку проезжей части, запрещающую обгон с выездом на полосу встречного движения. Если невозможно улучшить движение без значительных капитальных затрат, то следует запретить обгон и ограничить скорости при коэффициентах аварийности более 20 - 40.
Пример построения графика коэффициентов аварийности
Для построения графика коэффициентов аварийности возьмем следующие данные:
1. Интенсивность движения на участке дороги - 3000 авт/сут по табл. 25 для N = 3000 авт/сут K1 = 0,75. Эти данные записываем в соответствующие графы (рис. 51).
2. Ширина проезжей части 7,5 м, обочины не укреплены, K2 = 1,5.
3. Ширина обочин 3,75 м, K3 = 1.
4. На километре 2 + 300 трассу пересекает дорога с интенсивностью движения N = 500 авт/сут. Видимость пересечения с примыкающей дороги составляет 35 м. Исходя из этих данных, найдем K9 = 2,0; K11 = 1,65, так как интенсивность 500 авт/сут составляет 14 % от суммарной интенсивности на двух дорогах K10 = 3,0. Зона влияния пересечений, исходя из аварийности, составляет по 50 м в каждую сторону от пересечения.
5. На километрах 3 + 900 - 4 + 200 и 4 + 200 + 400 имеются уклоны 50 ‰ и 30 ‰, значения коэффициентов будут соответственно равны K4 = 2,5; K4 = 1,25. Зона влияния участков подъема составляет 100 м, а участков спуска - 150 м. В нашем случае зона влияния распространяется на участки подъемов. Видимость на подъеме, имеющем уклон 50 ‰, не обеспечена и на протяжении 200 м составляет 150 м, отсюда K6 = 2,0.
6. На километре 1 + 400 - 1 + 600 имеется кривая R = 200 м (K5 = 2,25), на километре 4 + 500 + 4 + 800 кривая радиусом 750 м (K5 = 1,6).
Для кривых с обеспеченной видимостью при R меньше 400 м зона влияния составляет 50 м, при R больше 400 м коэффициент аварийности распространяется только на длину кривой. Положим, что на первой кривой видимость не обеспечена и составляет 100 м и K6 = 1,7. На кривых с ограниченной видимостью зона влияния составляет до 100 м в каждую сторону от начала и конца кривой.
7. Прямой участок между кривыми равен 2,9 км, K8 = 1,0.
8. На километре 2 + 900 имеется мост Г - 7 м, проезжая часть моста уже проезжей части дороги на 0,5 м, K7 = 6,0. Зона влияния моста составляет по 80 м в каждую сторону.
9. Рассматриваемая дорога имеет две полосы движения, K12 = 1,0.
10. С километра 2 + 600 по километр 3 + 400 трасса проходит через деревню Немчиново. Расстояние от линии застройки до кромки проезжей части составляет 10 м. Имеются тротуары, K13 = 5,0.
Из-за наличия пешеходов, гужевого транспорта, движения велосипедистов, населенный пункт оказывает большое влияние на аварийность на значительном протяжении дороги, прилегающей к населенному пункту.
Чтобы учесть это, вводим коэффициент, учитывающий зону влияния населенного пункта. На километрах 1 + 600 -2 + 000 и 4 + 00 - 4 + 400, K14 = 1,2; на километрах 2 + 000 -2 + 400 и 3 + 600 - 4 + 000, K14 = 1,5, на километрах 2 + 400 - 2 + 600 и 3 + 400 - 3 + 600, K14 = 2,0.
11. Предположим, что покрытие дороги чистое, сухое K15 = 1,3.
Как уже было сказано, Kитог = K1 · K2 · K3 · ... · K15.
Выделяем участки однородные по степени обеспеченности движения.
Первый участок: километры 1 + 000 -1 + 300.
Kитог = 0,75 · 1,5 · 1,0 · 1,0 · 1,0 · 1,3 = 1,46.
Второй участок: километры l + 300 - 1 + 600.
Kитог = 0,75 · 1,5 · 1,0 · 2,25 · 3,0 · 1,0 · 1,0 · 1,3 = 9,88.
Третий участок: километры 1 + 600 - 1 + 700.
Китог = 0,75 · 1,5 · 1,0 · 2,25 · 3,0 · 1,0 · 1,0 · 1,2 · 1,3 = 11,8.
Четвертый участок: километры 1 + 700 - 2 + 000.
Kитог = 0,75 · 1,5 · 1,0 · 1,0 · 1,0 · 1,2 · 1,3 = 1,75 и т.д.
На основании построенного графика итоговых коэффициентов аварийности выделяем участки опасные для движения и намечаем для них мероприятия по повышению безопасности движения:
1) участок на километрах 1 + 600 - 1 + 700, Kитог = 11,8. Требуется сделать разметку проезжей части;
2) участок на километрах 2 + 240 - 2 + 360, Kитог = 27,4. На этом участке необходимо обустроить пересечение, устроив островки, направляющие движение, и запретить обгон;
3) участок на километрах 2 + 800 -3 + 000, Kитог = 43,7. Необходима реконструкция участка с перестройкой и увеличением ширины моста;
4) участок на километрах 3 + 800 - 4 + 000, Kитог = 23,3. Необходимо устроить дополнительную полосу проезжей части для движения на подъем и сделать разметку проезжей части.
Получаемые в результате обследований данные о местах сосредоточения дорожно-транспортных происшествий, графики скоростей движения, коэффициентов аварийности и безопасности при комплексном рассмотрении дают обоснованные материалы для назначения мероприятий по повышению безопасности движения на дорогах и пропускной способности.
Места дорожно-транспортных происшествий отмечают условными знаками на графиках скоростей движения и коэффициентов безопасности и аварийности.
Данные об участках сосредоточения дорожных происшествий анализируют в первую очередь, намечая мероприятия по реконструкции. Подбирая такое значение коэффициента аварийности, чтобы итоговый коэффициент аварийности опасного участка уменьшился до допустимой величины, можно найти минимальное значение элемента профиля и плана при реконструкции. Перепады скорости на реконструируемых участках не должны быть менее 0,9.
Во вторую очередь должны быть намечены решения по реконструкции участков с неблагоприятными значениями коэффициентов аварийности и безопасности.
Улучшение участков, на которых происшествия связаны с переплетением потоков движения, целесообразнее всего проектировать после анализа планов участков, где произошли дорожные происшествия, совмещенных с планом происшествий (см. § 16).
Для разработки мероприятий по улучшению условий движения по дороге, выполняемых преимущественно силами дорожно-эксплуатационной службы, целесообразнее всего использовать графики скоростей и коэффициентов безопасности.
Возможности использования графика скоростей при детальном анализе дорожных условий для разработки мероприятий по обеспечению безопасности движения и повышению пропускной способности сводятся к следующему.
1. Проанализировав график, устанавливают величины коэффициентов безопасности, выявляют причины снижения скоростей и устраняют те из них, которые выполнимы без существенных затрат, силами работников службы эксплуатации. Например, расчистка кустарника, необходимая для обеспечения видимости.
2. Намечают места установки знаков, предупреждающих водителей об опасных участках на дороге. В этом случае анализ измерений скорости транспортного потока особенно эффективен, так как официальные документы, относящиеся к установке знаков, недостаточно конкретны. Государственный стандарт 10807-64 «Знаки и указатели дорожные» содержит лишь две точные цифры о правилах установки предупредительных знаков - крутизна уклона 80 ‰ и расстояние между обратными кривыми менее 250 м. Места установки остальных знаков, ограждений или устройств, поверхностных обработок избираются только на основе опыта линейного персонала дорожных организаций или органов регулирования движения.
Вводя ограничения скоростей движения, следует учитывать, что, как показали наблюдения, большинство водителей проезжают участок ограничения скорости на 10 - 15 км/час быстрее, чем указано на знаке.
3. Намечают участки первоочередной установки ограждений в местах возникновения опасности съезда автомобилей с дороги.
4. Путем сопоставления графика скоростей движения в свободных условиях и графика средних скоростей движения потока, устанавливают места, где может особенно резко проявиться различие в динамических качествах автомобилей разных марок. На этих участках необходимо создать условия для разделения потока на группы, следующие по разным полосам проезжей части с разными скоростями, или воспрепятствовать наиболее быстрым автомобилям развивать высокие скорости.
Участками разделения транспортного потока на группы, следующие с разными скоростями, являются:
а) места примыкания или ответвления дорог, расположения автобусных остановок - все места, где часть автомобилей снижает скорость перед поворотом или остановкой.
Чтобы не мешать движению основной массы автомобилей, здесь на проезжей части должны устраиваться дополнительные переходно-скоростные полосы в соответствии с рекомендациями табл. 26;
Таблицa 26
|
Продольный уклон, ‰ |
Длина полосы, м |
Полная длина полосы, м |
||
|
для разгона |
для торможения |
для разгона |
для торможения |
|
|
-40 |
60 |
100 |
140 |
175 |
|
-20 |
70 |
85 |
150 |
160 |
|
0 |
85 |
75 |
165 |
150 |
|
+20 |
100 |
65 |
180 |
140 |
|
+40 |
125 |
55 |
205 |
130 |
б) подъемы, где тяжело нагруженные автомобили и автопоезда снижают скорость до 10 - 15 км/час, мешая тем самым движению легковых автомобилей.
Если скорость потока снижается на вершине подъема более чем на 20 % по сравнению со скоростью в нижней части, должно предусматриваться устройство третьей полосы движения за счет укрепления обочин и установки ограждений на бровках земляного полотна. Для движения на подъем должны использоваться две полосы, на спуск - одна.
Ширину полосы для спуска рекомендуется делать переменной, с уширением в конце спуска на 1,0 м. Длина дополнительной полосы за подъемом должна быть не менее 150 м. Для повышения безопасности движения автомобилей на подъемах и спусках необходимо предусматривать двойную поверхностную обработку покрытия (в первую очередь на полосе в сторону спуска, сразу же после укладки асфальтобетона, так как большинство дорожно-транспортных происшествий происходит на свежеуложенном асфальтобетоне), установку усиленных колесо отбойных брусов и краевую разметку вдоль кромки проезжей части дороги на расстоянии 0,2 м от кромки и шириной 0,15 - 0,2 м.
5. Искусственно замедлять опасные скорости движения, например на затяжном спуске или при приближении к несохраняемому железнодорожному переезду. Помимо установки соответствующих знаков в местах, где средняя скорость потока возрастает на 15 - 20 %, целесообразно устраивать искусственные трясущие полосы с крупнозернистой поверхностной обработкой, которые наносят поперек проезжей части. При наезде на них автомобилей с высокой скоростью возникают шум и тряска, она вынуждает водителя снизить скорость. Эффект таких полос особенно ощутим для быстро движущихся автомобилей, поскольку сила толчков прямо пропорциональна квадрату скорости.
В некоторых случаях хороший эффект дает устройство разметки проезжей части. На рис. 45 представлен общий вид разметки, ограничивающей скорость входа автомобилей на кривую. Создание узкой полосы заставляет водителя тормозить еще до входа на кривую. Этим самым создаются безопасные условия движения по кривой. До устройства такой разметки водители, как правило, тормозили на кривой.
Рис. 45. Общий вид разметки, ограничивающей скорость входа автомобилей на кривую
В зависимости от величины коэффициента безопасности целесообразно проведение службой эксплуатации следующих мероприятий:
Очень опасные участки (Kб < 0,4):
а) установка индивидуальных знаков, предупреждающих о приближении к очень опасным местам на дороге. Знак должен быть лаконичным и непохожим на агитационный плакат по правилам движения;
б) установка ограждающих железобетонных барьеров на кривых и высоких насыпях, у опор мостов, на разделительной полосе;
в) обеспечение видимости в плане и увеличение ее на неблагоприятных участках дороги путем расчистки или срезки откосов для увеличения видимости, при невозможности этого установка зеркал или устройство возвышающихся разделительных полос по оси кривых малых радиусов в плане или по оси выпуклых кривых малых радиусов в продольном профиле.
На выпуклых вертикальных кривых малого радиуса целесообразно также делать уширение проезжей части по 1,0 м с каждой стороны. Все это улучшает условия разъезда встречных автомобилей в этой части подъема;
г) регулярный контроль за величиной коэффициента сцепления и своевременное восстановление шероховатости поверхности дорожного покрытия при снижении коэффициента сцепления до минимально допустимой величины;
д) устройство дополнительных переходно-скоростных полос на примыканиях, карманов для автобусов, стояночных площадок для транспорта в населенных пунктах, дополнительных полос на подъемах;
е) рассыпка песка или гигроскопических солей в период гололеда;
ж) нанесение на покрытии разметки, запрещающей обгон, а в некоторых случаях запрещение стоянки и остановки автомобилей;
з) исключение возможности появления пешеходов и велосипедистов на проезжей части (устройство тротуаров и велодорожек, установка ограждений, препятствующих переходу);
и) освещение дороги или придорожных строений в местах сосредоточения пешеходов.
Опасные участки (Kб = 0,4 - 0,6):
а) установка ограждений;
б) устройство шероховатых поверхностных обработок;
в) нанесение разметки, запрещающей обгон;
г) продуманная установка предупреждающих знаков, в том числе знаков ограничения скорости;
д) устройство карманов для автобусов и стояночных площадок.
Малоопасные участки (Kб = 0,6 - 0,8):
а) чередование в соответствии с условиями видимости разметки из параллельных сплошной и пунктирной линий, выделяющих участки разрешения обгона только для автомобилей одного из двух направлений;
б) установка предупреждающих знаков об изменении дорожных условий.
В местах наиболее существенного изменения режима движения автомобилей для уточнения местоположения ограждений, начала дополнительных полос движения, дорожных знаков необходимо использовать результаты наблюдений за мгновенными скоростями и траекториями движения, а также данные, полученные при проезде ходовой лаборатории.
Размеры и состояние элементов земляного полотна, например ширина и состояние обочин, оказывают большое влияние на безопасность и режим движения автомобилей.
Обследование земляного полотна производят на всем протяжении дороги для оценки устойчивости земляного полотна, отвечающей прочности всей дорожной конструкции, требованиям безопасности движения и нормальной эксплуатации дороги автотранспортом.
Работы по сбору данных включают определение размеров и поперечных уклонов земляного полотна, прочностных показателей (модули деформации и упругости), гранулометрического состава, степени уплотнения и влажности грунтов активной зоны земляного полотна, состояния обочин, откосов и т.д.
Особое внимание должно быть уделено участкам, подверженным пучинообразованию.
При обследовании земляного полотна проверяют геометрические элементы и правильность очертания, вычерчивая поперечные профили на всем протяжении дороги примерно через каждые 3 км. На каждом километре берут 6 поперечников (2 стоянки с нивелиром: первая на расстоянии 150 м от начала километра и вторая на расстоянии 150 м до конца километра). Для съемки выбирают наиболее характерные поперечные профили (высокие насыпи, выемки, кривые в плане, населенные пункты, болота и т.д.).
Минимальная ширина поперечного профиля - 20 м в каждую сторону от оси дороги. В населенных пунктах или в местах, ограниченных по сторонам препятствиями, поперечные профили снимаются до возможных границ съемки.
На дорогах в горной местности и на крутых косогорах обязательно снимают поперечники на кривых, где необходимы срезки для обеспечения видимости. При расположении дороги в пределах береговой полосы или долины и неудовлетворительном состоянии земляного полотна поперечники снимают до границ возможного подтопления.
В пределах поперечника при съемке должны быть взяты 5 точек (ось, 2 кромки, 2 обочины) и несколько точек, характеризующих конфигурацию подошвы земляного полотна, резервов и окружающей поверхности земли.
Поперечные профили вычерчивают в отметках либо условных, либо привязанных к существующим реперам в масштабе 1:100. На поперечниках показывают уклоны обочин, проезжей части и крутизну откосов (рис. 46).
При детальном обследовании земляного полотна на коротких участках (0,2 - 0,5 км) съемку поперечников производят через 20 - 50 м. При большем протяжении расстояние между поперечниками увеличивают.
Соответствие размеров земляного полотна правилам приемки проверяют, составляя таблицы, в которые записывают ширину земляного полотна и обочин, измеренные рулеткой на поперечниках для нивелировки.
Таблица 27
|
№ п.п. |
Местоположение |
Ширина земляного полотна |
Соответствие правилам приемки |
||
|
км |
+ |
удовлетворяет |
не удовлетворяет |
||
|
|
|
|
|
|
|
Считается, что если ширина земляного полотна отличается более чем на 20 см от ширины, предусмотренной для соответствующей категории дороги, то должно быть намечено уширение земляного полотна.
Обследование обочин заключается в установлении поперечных уклонов, ровности и обеспеченности водоотвода, ширины, степени уплотнения и укрепления. Результаты обследований сводят в таблицу:
Таблица 28
|
№ п.п. |
Местоположение |
Ширина обочин, м |
Поперечный уклон обочин, % |
Примечание (наличие укрепления, состояние обочин) |
|||
|
км |
+ |
левой |
правой |
левой |
правой |
||
|
|
|
|
|
|
|
|
|
Допустимы уклоны, отличающиеся от проектных не более чем на ±0,01.
Часто при обследованиях дорог встречаются участки обочин с недостаточными или даже обратными уклонами, которые затрудняют отвод поверхностных вод с дороги и приводят к повышенному влагонакоплению, что снижает устойчивость земляного полотна.
На участках со значительными уклонами обочин в случае отсыпки земляного полотна из супесчаных и песчаных грунтов наблюдается интенсивный размыв обочин. Особенно сильно это проявляется на участках с большими продольными уклонами. Нередки случаи, когда размыв полностью захватывает обочины.
Большое влияние на безопасность и режим движения автомобилей оказывает состояние обочин.
В осенне-весенние периоды, а также после летних затяжных дождей, неукрепленные обочины бывают покрыты грязью и изрезаны колеями, в них застаивается вода. При случайном съезде колес автомобилей, движущихся со значительной скоростью, на такие обочины возможен занос и даже опрокидывание автомобиля. Поэтому водители стараются держаться ближе к середине дороги. Это уменьшает ширину проезжей части, используемую для движения, и создает угрозу столкновения. Подобная картина наблюдается летом на участках дорог с песчаными неуплотненными обочинами.
Наблюдения показывают, что расстояние от места прохода колес до кромки проезжей части на участках дорог с грязными обочинами равно 130 - 160 см, а на участках с песчаными разъезженными обочинами - 100 - 130 см, в то время, как на смежных с ними участках, обочины которых находятся в хорошем состоянии, зазоры между колесом и кромкой покрытия находятся в нормальных пределах 50 - 70 см. При наличии краевых полос шириной 0,5 - 0,75 см, эти зазоры составляют 0 - 20 см. Это доказывает, что устройство краевых полос с точки зрения улучшения транспортно-эксплуатационных показателей дорог и повышения безопасности движения равноценно уширению проезжей части, а укрепление обочины равноценно уширению покрытия на 50 см.
Таким образом, при оценке состояния земляного полотна значительное внимание должно быть уделено обочинам, их ширине, состоянию и определению отметок земляного полотна.
Заложение откосов и отметки земляного полотна, полученные после построения поперечников, сводят в следующую таблицу:
Таблица 29
|
№ п.п. |
Местоположение |
Правая сторона |
Левая сторона |
|||
|
км |
+ |
высота насыпи |
крутизна откоса |
высота насыпи |
крутизна откоса |
|
|
|
|
|
|
|
|
|
При насыпях высотой до 3-х метров в местах, где вблизи от дороги отсутствуют деревья или какие-либо препятствия, в целях безопасности движения целесообразно увеличивать заложение откосов до 1:3 или 1:5, так как в этом случае автомобили при угрозе дорожно-транспортного происшествия могут со значительно меньшими повреждениями и жертвами съехать с дороги. При насыпях выше трех метров необходимо устройство ограждений, препятствующих съезду автомобилей с дороги. Откосы таких насыпей могут устраиваться более крутыми.
При обследовании земляного полотна должно быть оценено состояние съездов и пересечений с дорогами местного значения, в особенности их укрепления и длина укреплений, состояние обочин и откосов магистральной дороги на участках съездов, наличие ограждений, водопропускных сооружений и т.д.
Все полученные данные записывают в ведомость:
Таблица 30
Ведомость расположения съездов с дороги
|
Местоположение |
Вправо |
Влево |
Рекомендуемые меры |
||||
|
км |
+ |
тип съезда |
состояние |
тип съезда |
состояние |
||
|
|
|
|
|
|
|
|
|
Обследования дорог на большом протяжении показали, что многочисленные съезды с дорог содержатся в неудовлетворительном состоянии. Съездов, имеющих неровное твердое покрытие, на котором грязь стряхивается с колес при въезде автомобилей с грунтовых дорог, немного, а там, где они есть, длина укрепления составляет всего лишь от 5 до 30 м, что при суглинистых и глинистых грунтах совершенно недостаточно.
На таких участках дорог после дождей на покрытие натаскивается колесами грязь, образующая слой жидкой глинистой смазки, что приводит к понижению сцепления колес автомобилей с покрытием и соответствующему снижению безопасности движения.
Из-за непродуманного расположения съездов на дорогах автомобили, сворачивающие с дороги в необорудованных местах, образуют так называемые дикие съезды на полевые дороги, летние пути и улицы населенных пунктов, портя откосы и обочины магистральных дорог.
Для повышения безопасности движения и улучшения транспортно-эксплуатационных качеств дорог необходимо укреплять съезды и переезды с местными дорогами. Длину укрепления, в зависимости от типа грунтов съездов принимают согласно табл. 31.
Таблица 31
|
Длина укрепления, м |
|
|
Черноземы, глины и тяжелые суглинки.............................................. |
200 |
|
Прочие грунты, кроме песчаных и супесчаных............................... |
100 |
|
Песчаные и супесчаные......................................................................... |
50 |
Прочность и долговечность дорожной одежды во многом предопределяется прочностью и устойчивостью земляного полотна.
Одним усилением дорожной одежды нельзя обеспечить достаточную прочность реконструируемой дороги.
При реконструкции дороги повышение прочности дорожной одежды более сложно, чем при строительстве новой дороги, так как к подлежащим учету природным факторам добавляются разнообразные конструкции существующего земляного полотна и дорожной одежды.
В связи с этим большое значение приобретают грунтовые обследования, особенно на пучинистых участках и участках с неудовлетворительным состоянием проезжей части (трещины, просадки и т.д.).
При грунтовых обследованиях ставится задача определить гранулометрический состав грунтов земляного полотна, физико-механические характеристики и степень уплотнения, абсолютную и относительную влажность, а также установить уровень грунтовых вод.
Обследование грунтов проводят в два этапа: полевой и лабораторный.
Полевой этап заключается в визуальном осмотре грунтов земляного полотна на обочинах и откосах, в закладке шурфов глубиной до 2-х метров и буровых скважин, в отборе проб грунта с определением его объемного веса и влажности.
В лаборатории определяют гранулометрический состав грунта, его весовую и оптимальную влажность, оценивают степень уплотнения грунта.
Ориентировочное представление о грунтах земляного полотна можно получить по продольному профилю, анализируя на месте способы возведения земляного полотна. При небольших рабочих отметках и наличии рядом с дорогой резервов, грунты земляного полотна соответствуют верхним горизонтам придорожной полосы.
На участках продольной возки грунты верхней части насыпи чаще всего аналогичны грунтам основания дорожной одежды в выемке.
При обертывающем продольном профиле шурфы в земляном полотне следует закладывать в соответствии с изменением гидрогеологических условий местности.
Данные о пучинистых участках должны быть получены в дорожно-эксплуатационных организациях. При закладке в таких местах шурфов нужно учитывать, что часть пучин вызвана неправильным размещением грунтов в земляном полотне в виде линз или карманов. Поэтому шурф, заложенный даже на небольшом расстоянии от пучинистого места, может дать неправильное представление о грунтовых условиях. Целесообразно оценивать состав грунтов бурением непосредственно на пучинистом участке.
Шурфы или буровые скважины при детальных обследованиях закладывают обычно через каждые 100 м с каждой стороны земляного полотна вплотную к кромке проезжей части. Разрез шурфа вычерчивают в масштабе 1:20 или 1:25 с указанием всех слоев дорожной одежды и характерных слоев земляного полотна (рис. 47).
Рис. 47. Разрез шурфа
Взятые из шурфа пробы грунта должны характеризовать все слои (горизонты) активной зоны земляного полотна. В тех шурфах, где невозможно выделить характерные слои грунта, образцы берут из 3-х разных горизонтов (0,30 - 0,50 м, 1,0 - 1,2 м, 1,5 - 1,7 м).
Как правило, должны быть взяты пробы для нескольких видов анализа (естественная влажность, объемный вес, гранулометрический состав, пластичность и т.д.), с целью получения полной характеристики грунта данного слоя.
Гранулометрический состав является одним из основных физических показателей грунта, определяющих дорожно-строительные свойства для возведения земляного полотна и устройства дорожной одежды. Даже не имея точного процентного содержания частиц грунта разных фракций, по наименованию грунта можно ориентировочно оценить эффективность его работы в земляном полотне и основании дорожной одежды.
Для точной оценки инженерно-строительных свойств грунтов необходимо знать их гранулометрический состав, влажность грунта в сооружении и степень уплотнения.
Имеется ряд способов лабораторного определения гранулометрического состава грунтов, заключающихся в расчленении навески грунта на составляющие ее элементы по крупности.
Для ориентировочной оценки при дорожных обследованиях наибольшее распространение получили метод Рутковского и ситовой способ. Метод Рутковского неприменим для анализа засоленных грунтов.
Результаты анализа сводятся в следующую таблицу.
Таблица 32
|
№ п.п. |
Местоположение шурфа |
Глубина взятого образца |
Гранулометрический размер частиц, мм |
Ориентировочное наименование грунта |
||||
|
см |
+ |
больше 2,0 |
2 - 0,05 |
0,05 - 0,005 |
меньше 0,005 |
|||
|
1 |
2 |
3 |
4 |
5 |
6 |
7 |
8 |
9 |
|
|
|
|
|
|
|
|
|
|
Влажность грунтов земляного полотна во многом определяет сопротивление его нагрузкам.
Накопление влаги в теле земляного полотна приводит к потере несущей способности, образованию деформаций земляного полотна дорожной одежды. Прочность грунтов зависит главным образом от степени их влажности.
Из всех существующих методов определения влажности наибольшее распространение получил весовой метод.
Из характерных горизонтов в шурфах отбираются пробы грунта. В некоторых случаях влажность дополнительно определяют на глубине 0,2 - 0,4 м, где определяется модуль деформации.
Пробу грунта весом 40 - 70 г помещают в металлический бюкс с плотно прижатой крышкой, взвешивают три раза и за достоверное принимают среднее из трех взвешиваний.
Взвешивание грунта производят сразу после отбора пробы грунта в поле, так как при перевозке его в стационарную лабораторию часть влаги может испариться.
В стационарной лаборатории грунт высушивают до постоянного веса в сушильных шкафах при температуре 100 - 110°, причем крышки бюксов открывают. Для просушки глинистых и суглинистых грунтов необходимо 5 - 6 час, супесчаных 3-х час. Затем бюкс закрывают крышкой и охлаждают до комнатной температуры. Охлажденный бюкс с грунтом взвешивают и вновь помещают в сушильный шкаф на 2 часа; затем опять охлаждают и взвешивают. Если разница в весе превышает 0,02 г, сушку повторяют.
Влажность вычисляют по формуле:
(27)
где: q - вес пустого бюкса, г;
q1 - вес влажного грунта с бюксом, г;
q0 - вес высушенного грунта с бюксом, г.
Более характерным показателем физического состояния грунта является его относительная влажность Kw, которая характеризует степень заполнения пор грунта водой. Относительную влажность определяют расчетным путем, как отношение фактической влажности к влажности при полном насыщении грунта, когда грунт начинает переходить в текучее состояние (предел текучести грунта).
При Kw < 0,5 грунты считают маловлажными, при Kw = 0,5 - 0,8 - очень влажными. При Kw > 0,8 - грунты практически насыщены свободной водой и остающийся в них воздух находится в виде отдельных пузырьков.
Для оценки степени уплотнения грунтов в земляном полотне и при определении устойчивости откосов, насыпей, склонов и т.д. необходимо при грунтовых обследованиях определять объемный вес скелета грунта методом режущего кольца, а при выкрашивающихся грунтах - методом парафинирования или песчаного эквивалента.
Объемный вес γоб вычисляют по формуле:
(28)
где q - вес образца грунта, г;
V - объем кольца, см3.
Для оценки степени уплотнения используют вес сухого грунта, а для проверки устойчивости - естественную влажность.
Удельный вес грунта обычно определяют в стационарных лабораториях.
Поскольку величина его меняется в узких пределах, при обработке материалов обследований можно исходить из средних значений, равных:
крупнообломочные, песчаные непылеватые грунты - 2,66 г/см3; пылеватые пески, супеси - 2,7 г/см3; суглинки, глины - 2,7 г/см3.
Зная объемный и удельный вес грунта, можно вычислить общую пористость грунта (отношение объема пор в грунте ко всему объему грунта), выражаемую в %, и коэффициент пористости - отношение объема пор в грунте ко всему объему твердой фазы (скелета) грунта.
При оценке свойств грунта широко используются показатели пластичности.
Влажность, при которой грунт переходит из пластичного состояния в текучее, называют верхним пределом пластичности, а из пластичного состояния в твердое - нижним пределом пластичности.
Разность между значениями влажности, выраженная в процентах на пределе текучести и пределе раскатывания, называется числом пластичности.
Wп = Wт - Wр. (29)
Верхний предел текучести определяют при помощи балансирного конуса или методом раскатывания Аттерберга. Нижний предел текучести определяют методом раскатывания грунта в шнур. По числу пластичности судят о содержании в грунтах глинистых частиц. С увеличением в грунте количества глинистых частиц число пластичности увеличивается. На основании числа пластичности разработана дорожная классификация грунтов.
Определение степени уплотнения грунтов проводится в пределах активной зоны, т.е. в верхних слоях земляного полотна до глубины 0,5 - 0,8 м, где напряжения, вызываемые проездом автомобилей, существенно (более чем в 5 - 10 раз) превышают давление от собственного веса грунта и дорожной одежды.
Степень уплотнения грунта определяют в приборе стандартного уплотнения по методу Союздорнии.
Для определения плотности из шурфов отбирают пробу грунта весом 3,0 - 3,5 кг.
Фактический коэффициент уплотнения определяют как отношение:
(30)
где: γс - объемный вес скелета грунта,
γ0 - стандартная или оптимальная плотность грунта, полученная методом стандартного уплотнения в приборе Союздорнии.
По величине фактического коэффициента уплотнения определяют соответствие плотности грунта требованиям технических условий.
Все упомянутые методы определения физико-механических свойств грунтов стандартизированы и при их проведении в условиях обследований подлежит руководствоваться имеющимися руководствами и лабораторными пособиями.
Правильное установление величины характеристик прочности грунтов имеет очень большое значение для проверочных расчетов дорожных одежд и проектирования их усиления.
Прочность грунта характеризуется модулем деформации. В течение года модуль деформации грунта изменяется. Поэтому необходимо определять его расчетную величину во время наибольшего ослабления, чтобы дать оценку прочности грунтов земляного полотна в наиболее неблагоприятный период года. В условиях большей части СССР этому соответствует конец периода весеннего оттаивания грунта.
Продолжительность ослабленного состояния грунта обычно не превышает одной - полутора недель. Очень важно захватить обследованиями этот период и провести необходимое число испытаний. В связи с этим оценку модулей деформаций грунтов земляного полотна проводят по упрощенным методам испытаний грунтов вдавливанием штампа.
Для определения модуля деформации грунта наибольшее распространение получил навесной пресс.
На рис. 48 показана конструкция навесного рычажного пресса. Рычажной пресс монтируется на автомобилях типа ЗИЛ-164 или МАЗ-200.
Рис. 48. Схема рычажного пресса
Соотношение плеч навесного рычажного пресса равно 1:20.
Величину вдавливания штампа 6 измеряют двумя мессурами 7, прикрепленными к опорной балке 9 держателями 8.
Процесс определения модуля деформации грунта заключается в следующем:
1. Автомобиль устанавливают таким образом, чтобы середина упорной балки 1 и рамы автомобиля 10 находилась над серединой шурфа, отрываемого на обочине у кромки проезжей части.
2. Под задние и передние колеса подкладывают упорные бруски.
3. Рычаг 2 с домкратной стойкой 5 прикрепляют к спаренному швеллеру.
4. На оба конца рычага одеваются каретки (малая 3 и большая 4).
5. Устанавливают штамп под рычажной стойкой так, чтобы его центр находился на оси рычажной стойки, устанавливаемой в строго отвесном положении.
6. На месте установки штампа отрывают шурф глубиной 25 - 50 см с выровненным дном. Штамп должен плотно прилегать к площадке вдавливания. Для выравнивания неровностей основания можно применять подсыпку песка.
После окончательной пригонки штампа устанавливают поперек шурфа жесткую балку для крепления мессур, измеряющих осадку штампа после приложения нагрузки.
Опоры балки должны быть удалены от штампа не менее чем на два его диаметра. Мессуры устанавливают по диаметру штампа, параллельному балке, на равном расстоянии от центра штампа.
В процессе испытания к штампу прикладывается несколько ступеней нагрузки. Вначале для уравновешивания рычага загружают маленькую каретку гирями, которые остаются до конца испытания.
После уравновешивания рычага, проворачивая воротком переходник, имеющий резьбу, приводят рычаг в горизонтальное положение и записывают два начальных отсчета по мессурам. Нагрузку прикладывают ступенями, нагружая в большую каретку по одной гире весом 20 кГ.
После загрузки рычаг приводят в горизонтальное положение при помощи воротка и берут отсчеты по мессурам. Каждую ступень загрузки выдерживают до практически полной стабилизации осадки (приращение не более 0,05 мм за пять минут).
Обычно при определении модуля деформации грунтов применяют семь ступеней нагружения: 400, 800, 1200, 1600, 2000, 2400, 2800 кГ, а на слабых пучинистых участках три ступени нагружения: 400, 800 и 1200 кГ.
Для каждой ступени нагрузки вычисляют
удельное давление Pуд. Относительная деформация λ вычисляется по показаниям двух мессур,
как
.
Данные испытаний записываются в специальную таблицу.
Таблица 33
Местоположение испытаний км ... + ....
|
Нагрузка на рычаге, кГ |
кГ/см |
Время, мин |
Отчеты по мессурам |
|
|
l1 |
1* |
|||
|
400 |
0,203 |
0 |
... |
l2 |
|
5 |
... |
... |
||
|
10 |
... |
... |
||
|
15 |
... |
... |
||
|
|
l1 = |
|
||
|
|
lср = |
|||
|
800 |
0,406 |
0 |
... |
... |
По данным измерений строят график (рис. 49) зависимости относительной деформации от удельного давления подошвы штампа на грунт. Через экспериментальные точки графика проводят осредненную плавную кривую.
Рис. 49. Зависимость относительной деформации от удельного давления на грунт
По графику λ = f(Pуд) находят значения расчетной относительной деформации, принимаемой для грунтов равной λрас = 0,01, и соответствующее ей значение Pуд.
Модуль деформации вычисляют по формуле:
(31)
где Pуд - удельное давление на штамп, соответствующее расчетной деформации;
λ - относительная деформация, 0,01.
На одном из участков дороги, во избежание ошибок, модуль деформации грунта определяют дважды.
Местоположение второго испытания находится на расстоянии 7 - 10 м от первого.
Все вычисления производят непосредственно в поле, и при достаточном навыке вычисления это занимает не более 10 мин. В случае, если расхождения между полученными значениями превышают 5 %, проводится еще одно испытание.
На сильно увлажненных пучинистых участках часто оказывается невозможным определить модуль деформации грунтов. Поэтому на этих участках в первую очередь проводят работы по усилению дорожной одежды.
Полученные при обследовании дороги значения модулей деформации сводятся в таблицу, в которой также отмечают отметки земляного полотна и состояние водоотвода, а также строят линейный график изменения модулей деформации грунта по всему протяжению дороги.
Таблица 34
|
№ п.п. |
Местоположение |
Отметка земляного полотна |
Грунт земляного полотна |
Состояние водоотвода |
Модуль деформации грунта Е, кг/см2 |
||
|
км |
+ |
насыпь |
выемка |
||||
|
1 |
2 |
3 |
4 |
5 |
6 |
7 |
8 |
|
|
|
|
|
|
|
|
|
Как правило, в местах определения модуля деформации грунта делают грунтовые обследования, описанные в § 21, 22.
По отношению абсолютной влажности к нижней границе текучести находят относительную влажность и строят зависимости модуля деформации от относительной влажности для различных типов грунта.
Как видно из графика (рис. 50), построенного для мелкой супеси, прочности грунта уменьшаются с увеличением влажности и при относительной влажности порядка. 1,5 для данного грунта достигает лишь 10 кг/см2. По данному графику назначают расчетный модуль грунта в зависимости от условий увлажнения или улучшают водоотвод с тем, чтобы увеличить прочность грунта.
Рис. 50. Зависимость модуля деформации от относительной влажности грунта
Таким образом, по указанным зависимостям модулей деформации от относительной влажности корректируется таблица расчетных значений модулей деформации инструкции по расчету и назначению дорожной одежды для конкретных территориальных условий.
Таблица 35
|
Тип местности по увлажнению |
Группа грунта |
Полученные при испытаниях модули деформации |
Рекомендуемые инструкцией модули деформации Е, кг/см2 |
Принятые для расчета модули деформации Е, кг/см2 |
|||
|
насыпи |
нули и выемки |
насыпи |
нули и выемки |
насыпи |
нули и выемки |
||
|
1 |
2 |
3 |
4 |
5 |
6 |
7 |
8 |
|
|
|
|
|
|
|
|
|
При определении модуля деформации пробными нагрузками необходимо предусматривать ряд мер предосторожности, связанных с особенностями испытаний, помимо обязательных для всех видов работ (см. § 4).
Следует иметь в виду, что при приложении нагрузки происходит вывешивание автомобиля на домкратной стойке. Перед началом этого цикла работ, их руководитель обязан установить величину максимально-допустимого вывода винта домкратной стойки, обеспечивающую полную безопасность от срыва вывешенной машины с домкрата.
На винте должна быть сделана отметка, выше которой категорически запрещается выводить винт домкрата. При выводе домкрата на 3/4 от максимально-допустимой величины подъема, под кузов автомобиля сзади должны быть подведены для страховки козлы. Запрещается устанавливать между домкратной стойкой и рамой автомобиля удлиняющие прокладки.
Категорически запрещается работа с домкратом, имеющим износ витков.
При работе стойка домкрата должна находиться в строго вертикальном положении. Если будет замечено начало перекашивания, работа должна быть прекращена, домкрат разгружен и положение его исправлено.
Перед началом работы под все колеса автомобиля-лаборатории должны быть положены страхующие клинья, во избежание сдвига вывешенного автомобиля.
Колеса автомобиля до начала работ с домкратом должны быть заторможены ручным тормозом. Никаких перемещений автомобиля, включения двигателя автомобиля и т.п. при работе с домкратом не допускается до полного окончания работ.
При оценке условий водоотвода и водного режима хорошим вспомогательным средством является растительность на придорожной полосе. Наличие влаголюбивых трав и кустарников свидетельствует о близости уровня грунтовых вод или поверхностных застоев воды.
Такие деревья, как ольха, ива, ель, характеризуют близкий уровень грунтовых вод и сырую местность и, наоборот, строевые сосна, дуб, акация свидетельствуют о глубоком залегании грунтовых вод и хорошем поверхностном водоотводе.
При оценке обеспеченности водоотвода должны быть проверены все звенья системы водоотвода (возвышение бровки земляного полотна над источниками увлажнения, боковые и нагорные канавы, дренажные устройства, водопропускные сооружения).
Большое внимание должно быть уделено выяснению надежности их работы и возможны ли застои воды.
Очень ценные данные дает осмотр состояния водоотвода сразу после сильных дождей или во время длительных дождевых периодов.
При обследовании отмечают участки придорожной полосы, с которых не обеспечивается сброс воды, и она застаивается у дороги; участки заросших боковых канав и резервов, заниженных отметок земляного полотна.
Обследования состояния водоотвода в значительной мере производят визуально при обходе и проезде на автомобиле с малой скоростью. На участках с застоем воды определяют глубину и размеры водоемов, проверяют нивелированием продольные уклоны боковых канав и резервов. Особое внимание уделяют участкам с водопропускными сооружениями (малые мосты и трубы). Записи ведут в специальной ведомости, форма которой приведена в табл. 36.
Таблица 36
Ведомость обследования водопропускных сооружений дороги
|
Местоположение |
Тип сооружения |
Размеры, м |
Габарит проезда |
Состояние |
Рекомендуемые мероприятия |
||||||
|
км |
+ |
длина отверстия |
ширина тротуаров |
прямоугольник |
круг |
сооружения |
русла |
||||
|
1 |
2 |
3 |
4 |
5 |
6 |
7 |
8 |
9 |
10 |
11 |
12 |
|
|
|
|
|
|
|
|
|
|
|
|
|
В указанной выше ведомости записывают состояние всех сооружений, предполагаемые причины дефектов и повреждений, а также рекомендуемые меры по их устранению.
На участках дорог с водопропускными сооружениями, подверженными размыву, определяют уклоны сооружений подводящих и отводящих русел, тип их укрепления, подсчитывают расход и скорость течения воды и расчетом назначают вид укрепления.
Изучение условий водоотвода особенно важно при пылеватых и лёссовых грунтах, так как эрозия таких участков протекает особенно интенсивно и может приводить к разрушению дороги после сильных ливней.
Большое влияние на водно-тепловой режим земляного полотна оказывает близкое расположение уровня грунтовых вод, который определяют с помощью ручного бурения.
Часто рекомендуемое установление уровня грунтовых вод по замерам расстояния до воды в колодцах может давать ошибочное представление - при рытье колодцев проходят слои сезонных грунтовых вод (верховодки), которые способствуют пере увлажнению земляного полотна весной и осенью.
При разработке мероприятий по улучшению водного режима земляного полотна следует предусматривать в первую очередь простейшие, оправдавшие себя на практике мероприятия по улучшению отвода воды от земляного полотна: регулярная прочистка боковых и водоотводящих канав, создание в них продольных уклонов, обеспечивающих сток воды, устройство спусков воды из боковых канав и резервов не реже чем через 50 м, укрепление водоотводящих сооружений, обеспечение регулярного наблюдения за состоянием труб и малых мостов и своевременный их ремонт, устройство дренажных сооружений и т.д. Часто отмечается отсутствие водоотвода у съездов с дороги. В таких местах необходимо укладывать трубы, пропускающие воду под съездом.
Для облегчения выбора технических решений по реконструкции или исправлению участков дорог, земляное полотно которых переувлажняется поверхностными или грунтовыми водами, можно предложить следующий перечень мероприятий.
В случае, когда переувлажнение земляного полотна происходит в результате высокого стояния грунтовых вод:
1. Поднятие земляного полотна в соответствии с требованиями СНиП II-Д.5-62.
2. Устройство пористого слоя-прерывателя, укладка полихлорвиниловых пленок, битуминизированных материалов, предохраняющих верхнюю часть земляного полотна от воздействия капиллярной воды.
В тех случаях, когда поднятие земляного полотна неприемлемо (например, в выемках), рекомендуется применять следующие мероприятия:
1. Устройство сплошного водонепроницаемого, изолирующего слоя, замена грунта.
2. Перехват грунтовых вод системой дренажных устройств (при неглубоком залегании водоупора).
3. Понижение уровня грунтовых вод путем устройства дренажей (при глубоком залегании водоупора).
Если грунтовые воды не оказывают непосредственного воздействия на земляное полотно, а переувлажнение происходит за счет поверхностных вод, проникающих в земляное полотно через обочины, проезжую часть и кюветы, и если в последних застаивается вода, то можно предложить следующие мероприятия:
1. Поднятие земляного полотна пригодными грунтами в соответствии с требованием СНиП II-Д.5-62.
2. Исправление водоотвода.
3. Устройство продольных ровиков шириной 50 - 75 см у края дорожной одежды с отводом воды из них поперечными трубчатыми дренами или укладка песчаного слоя на всю ширину земляного полотна.
Если земляное полотно переувлажняется в результате накопления воды за счет продольного ее перемещения по песчаному подстилающему слою или пористым материалам верхней части земполотна, то можно рекомендовать перехват воды поперечными дренажными устройствами в теле земляного полотна.
При переувлажнениях очагового характера, вызывающих повреждения земляного полотна на небольших площадях (отдельные выходы ключей, местное накопление влаги в теле земляного полотна и др.), рекомендуется замена грунта и устройство дренажа, каптажа грунтовых вод.
Выбор необходимого мероприятия проводят на основе технико-экономического сравнения вариантов.
Под воздействием колес автомобилей и других транспортных средств и климатических факторов происходит износ верхнего слоя покрытия, а иногда появляются деформации в виде выбоин, волн, просадок, сдвигов, наплывов.
Для оценки качества проезжей части дороги обычно применяют систему показателей, характеризующих прочность и работоспособность дорожной одежды (Kп, Kс, Kиз):
коэффициент запаса прочности дорожной одежды
(32)
коэффициент службы проезжей части дороги
(33)
и коэффициент износа верхнего слоя покрытия
(34)
В этих формулах:
Еф - фактический эквивалентный модуль деформации дорожной одежды (кг/см2), определяющий фактическую прочность дорожной одежды;
Eтр - требуемый эквивалентный модуль деформации (кг/см2), характеризующий требуемую по фактическому составу и интенсивности движения прочность дорожной одежды;
Vф - фактическая скорость движения расчетного автомобиля, которую обеспечивает состояние поверхности покрытия, км/час.
Vp - расчетная скорость движения для данной дороги, принимаемая по СНиПу с учетом сложности рельефа местности, км/час;
hср - толщина изношенной части слоя износа покрытия в период обследования дороги, мм;
hр - расчетная толщина слоя износа, предусмотренная проектом, мм.
Наиболее широкое распространение для оценки прочности и работоспособности дорожной одежды имеют коэффициент запаса прочности и коэффициент службы проезжей части дороги.
Под прочностью дорожной одежды понимают ее способность воспринимать повторные нагрузки от колес автомобилей без нарушения сплошности и сохранения ровности поверхности. Критерием для оценки прочности дорожной одежды служит коэффициент запаса прочности, выражающий отношение фактической прочности к требуемой по условиям существующего движения и типа покрытия. Косвенным же показателем прочности служит степень ровности покрытия.
Работоспособностью (полной работоспособностью) дорожной одежды называют количество брутто-тонн грузов, прошедших по дороге, после которого дорожная одежда начинает нуждаться в капитальном ремонте, а работоспособность покрытия (частичная работоспособность) - это, когда возникает необходимость среднего ремонта.
Для оценки прочности и работоспособности дорожной одежды необходимо знать ее эквивалентные модули деформации (модули упругости), скорости движения и толщины слоя износа, фактически измеренные на дороге в процессе обследований, и сравнить их с расчетными величинами, вычисленными в соответствии с категорией дороги и принятым типом конструкции дорожной одежды.
Материалы, включающие все характеристики, и сведения, необходимые для оценки прочности и работоспособности дорожной одежды, объединяют в виде линейного графика прочности дорожной одежды (рис. 51).
Прочность и работоспособность дорожных одежд в значительной степени зависят от грунтовых и гидрогеологических условий местности, конструкции земляного полотна и дорожной одежды, качества материалов и толщины отдельных конструктивных слоев, наличия и состояния водоотводных и дренажных устройств, интенсивности и состава движения, времени, прошедшего после проведения последних ремонтных работ. Обилие и многообразие факторов, оказывающих непосредственное влияние на прочность дорожной одежды, не позволяет выполнить за короткий период оценку прочности.
Полевым измерениям должна предшествовать большая подготовительная работа по сбору данных, характеризующих земляное полотно, интенсивность, состав движения и конструкцию дорожной одежды для всего обследуемого маршрута.
Для получения необходимых сведений используют:
1. Проектные материалы на обследуемую дорогу с дополнениями и изменениями, внесенными в них на стадии рабочего проектирования или в процессе строительства. Из проектных материалов на новое строительство или капитальный ремонт отдельных участков дороги выписывают данные о грунтах земляного полотна, конструкции дорожной одежды на разных участках, интенсивности и составе движения, рассчитанного на определенный перспективный год по отдельным участкам маршрута, водоотводных, дренажных и противопучинных устройствах, запроектированных и осуществленных на участках со сложными гидрогеологическими условиями, принятые при расчете конструкции дорожной одежды модули деформации грунтов земляного полотна и отдельных конструктивных слоев дорожной одежды, а также эквивалентные проектные модули деформации отдельных слоев дорожной одежды, модули упругости и допускаемые напряжения на растяжение при изгибе для бетона.
Выбранные в рабочие ведомости из проектных материалов данные переносят на линейный график прочности дорожной одежды. Форма рабочих ведомостей в зависимости от выбираемых данных может быть самой разнообразной. Образцы некоторых форм рабочих ведомостей приведены в табл. 37 - 39.
Таблица 37
Рабочая ведомость
проектных данных о конструкции дорожной одежды с цементобетонным покрытием
|
Конструкция (длина плит и степень армирования) |
Адрес (км или ПК) |
Примечание |
|
|
VIII-б-0 |
Lп = 24 (6 + 6 + 6 + 6) |
417,6 - 425,5 |
Применяется в населенных пунктах |
|
VIII-б-10 |
q = 0,44 кг/см2 |
441,2 - 442,7 |
|
|
VIII-б-15 |
|
501,0 - 501,9 |
Таблица 38
Рабочая ведомость
сохранившихся и использованных при реконструкции старых покрытий
|
№ п.п. |
Тип старого покрытия, использованного в качестве основания при реконструкции |
Адреса участков (км и ПК) |
Общая длина участков, км |
|
1 |
Черное щебеночное............................................................ |
501,8 - 561,1 |
59,3 |
|
2 |
Белое щебеночное и гравийное........................................ |
412 - 413; 418 - 428; 437,7 - 440; 465 - 477 |
25,3 |
Таблица 39
Рабочая ведомость
грунтов земляного полотна на участке с км 414,0 - 471,0
|
№. п.п. |
Грунт земляного полотна |
Общая длина участков, км |
Адреса участков (км и ПК) |
|
1 |
Пылеватый грунт..................................... |
17,4 |
414,0 - 428,4 448,0 - 451,0 |
|
2 |
Глина.......................................................... |
14,0 |
455,0 - 460,0 |
|
3 |
Суглинок.................................................... |
8,1 |
432,0 - 440,1 |
|
4 |
Суглинок пылеватый............................... |
11,6 |
428,4 - 432,0 440,0 - 448,0 |
|
5 |
Супесь........................................................ |
9,0 |
471,0 - 480,0 |
|
6 |
Супесь мелкая.......................................... |
7,0 |
448,0 - 448,5 |
|
7 |
Супесь пылеватая.................................... |
2,0 |
469,0 - 471,0 |
|
8 |
Песок мелкозернистый.......................... |
5,0 |
451,0 - 455,0 |
2. Материалы учета движения службы эксплуатации дороги по всем учетным пунктам, расположенным обычно в наиболее характерных створах, за последние 5 - 10 лет. На основании этих материалов по методике, изложенной в § 5 - 8, определяют фактическую интенсивность и состав движения по отдельным перегонам дороги на период обследований и на перспективу 10 лет. Результаты заносят в линейный график дороги (графы 3, 4 и 5, рис. 51).
3. Материалы, освещающие историю и время постройки дороги, время проведения ремонтных работ, тип вновь уложенного покрытия, наличие и повторяемость проявления пучин, сведения о снегозаносимости дороги, расположении снегозащитных или декоративных насаждений, временных или постоянных снегозащитных заборов, выписывают из паспорта дороги и заносят в линейный график. Разрезы дорожной одежды, грунты земляного полотна и гидрологические условия из паспорта дороги сопоставляют с данными, выписанными из проектной документации. При наличии расхождений отмечают их на линейном графике для последующей проверки при полевых обследованиях.
4. Материалы непосредственных полевых обследований состояния земляного полотна и дорожной одежды, составляемые работниками службы эксплуатации дороги в весенний и осенний периоды. При отсутствии таких материалов необходимые сведения можно получить путем опроса линейных работников службы эксплуатации дороги. Образец ведомости визуального обследования работниками службы эксплуатации одной из дорог приведен в табл. 40.
Таблица 40
Ведомость визуального обследования некоторых участков дороги М - Р
|
Общая длина участка, км |
Длина отдельных участков, оцененных баллами |
||||
|
отлично |
хорошо |
удовлетв. |
неудовл. |
||
|
По проезжаемости |
|||||
|
356,4 - 482,4 |
126 |
- |
80 |
31 |
15 |
|
617,3 - 717,3 |
100 |
34 |
- |
57 |
9 |
|
Состояние покрытия |
|||||
|
356,4 - 482,4 |
126 |
- |
82,6 |
24,4 |
19 |
|
617,3 - 717,3 |
100 |
34 |
- |
57,0 |
9 |
|
Состояние земляного полотна и водоотвода |
|||||
|
356,4 - 482,4 |
126 |
- |
28 |
60 |
38 |
|
617,3 - 717,3 |
100 |
30 |
- |
50 |
20 |
|
На всем протяжении дороги |
|||||
|
1. По проезжаемости................ |
850 |
375 |
280 |
180 |
15 |
|
2. По состоянию покрытия...... |
850 |
275 |
250 |
205 |
120 |
|
3. По состоянию земляного полотна и водоотвода............................... |
850 |
190 |
380 |
275 |
105 |
5. Данные измерения ровности и шероховатости дорожного покрытия в виде графиков коэффициентов сцепления и толчкограмм.
В подготовительный период проводят предварительную обработку и анализ полученных и занесенных в линейный график сведений. По интенсивности и составу движения вычисляют требуемый модуль деформации (упругости), а по геометрическим элементам дороги и состоянию покрытия - возможную скорость движения. Крайне желательно к моменту сбора данных о состоянии дорожной одежды иметь графики расчетных, возможных и фактических скоростей движения.
Рекогносцировочный осмотр дорожной одежды преследует цель проверки и корректировки сведений, помещенных в линейном графике, путем осмотра проезжей части. Состояние поверхности дорожной одежды при этом характеризуют наличием трещин того или иного вида, расположения, келейности, просадок и проломов, искажений продольного и поперечного профилей дороги, келейности и просадок на обочинах вплотную к кромкам проезжей части. Особое внимание следует обращать на характер деформации. Так, например, наличие звездчато размещенных трещин свидетельствует о недостаточной прочности земляного полотна в период весеннего переувлажнения или о недостаточной прочности дорожной одежды. Редкие трещины, пересекающие покрытие перпендикулярно оси, обычно являются результатом воздействия низких температур. Наличие неглубоких выбоин, шелушение поверхности покрытия в ряде случаев может быть вызвано плохим качеством слоя износа, даже при достаточной прочности всей конструкции.
Внешнее состояние покрытий характеризуют по следующим признакам:
а) сохранность поперечного профиля и отсутствие поперечных сдвигов и просадок;
б) степень ровности покрытия в поперечном и продольном направлениях;
в) характер деформации поверхности покрытия определяют по проценту ямочности от площади покрытия и размера выбоин, по наличию катуна на поверхности в результате выкрашивания покрытия, по наличию гребенки и трещин (их форма, размер и частота); келейность и просадки (размер колей, просадок и их количество на м2 покрытия), взбугривание поверхности покрытия и поднятие кромок, наличие зыби при проезде автомобилей, проломы коры дорожной одежды и состояние обочин.
При описании состояния покрытия следует особо выделять деформации, не являющиеся результатом недостаточной прочности основания (механические повреждения, выкрашивание, шелушение, температурные трещины и т.д.).
Следует иметь в виду, что некоторые признаки внешнего состояния дорожного покрытия (взбугривание, келейность, проломы и т.д.) можно обнаружить только при обследовании в неблагоприятные для дорожных одежд периоды года (весна, осень).
На основе материалов, полученных в процессе рекогносцировочного выезда, намечают места бурения и испытания прочности дорожной одежды, частоту проведения измерений и выбор методов оценки прочности. Основой для выбора мест бурения служат дефектные ведомости (табл. 41, 42), составленные на основании детального обследования участков. Основными критериями при этом служат:
а) разнообразие дефектов покрытия и степень его разрушенности;
б) разнообразие условий работы дорожной одежды (толщина, тип основания, тип местности по характеру увлажнения, грунты земляного полотна, расположение в плане и профиле).
Таблица 41
Ведомость дефектов и разрушений цементобетонного покрытия на участке км 431-480
|
+ |
№ детально обследованных участков |
Количество поперечных трещин, шт. |
Количество продольных трещин |
Количество косых трещин, шт. |
Количество отколов углов плит и краев |
Общее количество трещин и отколов на км |
Количество плит, разрушенных полностью, шт. |
Количество швов с разрушенными кромками, шт. |
Наличие шелушения |
Предварительная оценка балла |
|||
|
в середине плит |
в крайней трети плиты |
у поперечного шва |
около оси |
около края |
|||||||||
|
431 |
1 |
13 |
5 |
3 |
3 |
- |
7 |
5/6 |
42 |
- |
18 |
1 |
IV |
|
432 |
2 |
1 |
- |
- |
4 |
1 |
2 |
-/6 |
14 |
- |
28 |
3 |
II |
|
433 |
- |
1 |
2 |
- |
17 |
1 |
- |
11/1 |
33 |
5 |
21 |
5 |
III |
|
434 |
3, 4, 5 |
9 |
1 |
1 |
1 |
3 |
- |
6/3 |
24 |
1 |
14 |
1 |
III |
|
435 |
6, 7 |
6 |
5 |
0 |
20 |
- |
3 |
14/1 |
49 |
7 |
25 |
- |
IV |
Таблица 42
Суммарная ведомость дефектов дорожного покрытия на всем протяжении дороги М - Р
|
Поперечные трещины |
Продольные трещины |
Косые трещины, шт. |
Отколы углов |
Отколы продольн. кромок покрытия |
Общее количество трещин |
||||
|
в середине плит |
в крайней трети плит |
у поперечн. швов |
у оси |
у края |
|||||
|
шт. |
981 |
790 |
140 |
824 |
876 |
218 |
561 |
170 |
4060 |
|
% |
27,2 |
19,5 |
3,4 |
8,1 |
21,6 |
5,7 |
13,7 |
4,2 |
100 |
Таблица 43
Ведомость расположения участков, выбранных для детального обследования
|
№ п.п. |
Местоположение |
Предварительная оценка состояния |
Причины выбора участка |
||||
|
км |
+ |
наиболее значительные разрушения |
тип дорожной одежды |
грунт земляного полотна |
примечание |
||
|
1 |
431 |
150 |
IV |
проломы |
VIII-б-20 |
суглинок пылеватый |
насыпь 0,5 м |
|
2 |
432 |
280 |
II |
сетка трещин |
IX-б-15 |
суглинок |
выемка 1,5 м |
|
3 |
434 |
050 |
III |
шелушение |
XIII-б-20 |
суглинок |
насыпь 2,5 м |
При щебеночных или щебеночно-гравийных покрытиях, не обработанных органическими вяжущими материалами, вследствие смещения части материала одежды на обочину или вследствие того, что кромки дорожной одежды покрыты слоем грунта, бывает трудно установить ширину проезжей части. Для уточнения края дорожной одежды на обочине, у кромки проезжей части, прорывают продольные ровики длиной не менее 1 м и шириной 0,2 - 0,25 м. За ширину покрытия на гравийных дорогах серповидного профиля принимается ширина всей россыпи гравия.
Для установления размеров и характеристики толщины конструктивных слоев существующей дорожной одежды (гранулометрический или петрографический состав, плотность и цементация материалов в слоях покрытия, степень загрязненности материалов, наличия и состояния песчаного основания, состояния корыта и дренажных устройств) в пределах проезжей части дороги бурят скважины или пробивают лунки диаметром 15 - 20 см. Для этой цели в МАДИ сконструирована буровая установка на базе автомобиля ЗИЛ-150, позволяющая вести бурение дорожной одежды всех типов на глубину до 1,0 м. Буровой агрегат, расположенный в задней части кузова - фургона, работает от двигателя автомобиля. Наличие сменных буровых колонок позволяет бурить скважины различного диаметра.
Бурение проводит бригада в составе младшего научного сотрудника, водителя-механика и операторов-лаборантов. На расстоянии 75 м от автомобиля выставляют знаки «Внимание», а на расстоянии 30 м - знаки «Осторожно - впереди дорожные работы». Лишь после этого буровую установку подготавливают к бурению. Для этого механик-водитель из кабины автомобиля переходит к пульту управления буровым агрегатом, а третий оператор подкладывает под колеса автомобиля специальные упорные клинья и снимает с шестигранной рабочей штанги предохранительный хомут. В процессе бурения один из операторов заливает в вертлюг воду и наблюдает за положением тросов, а второй работает на нажимной лебедке. Подъем, спуск и вращение буровой колонки осуществляет механик-водитель. Третий оператор во время бурения зондирует грунты в прилегающей к земляному полотну местности с помощью ручного бура, определяет уровень грунтовых вод, отбирает пробы грунта и устанавливает их тип.
После окончания бурения колонковую трубу поднимают в крайнее верхнее положение и автомобиль на 2 - 3 м перемещается по направлению движения. Из скважины удаляют керн и материал основания, а затем замеряют толщину слоев дорожной одежды с точностью до 1 см. Для оценки подстилающих грунтов проводят дополнительное бурение скважины ручным буром до глубины 1,5 - 1,8 м. Лишь после этого скважину тщательно заделывают, предварительно отобрав необходимое количество проб грунта подстилающего основания и отдельных слоев дорожной одежды.
Младший научный сотрудник за период бурения составляет кроки участка дороги (рис. 52) в масштабе 1:200, регистрирует на них дефекты и разрушения дорожной одежды, разрез ее по результатам бурения с указанием толщины отдельных слоев и визуальной характеристикой качества материала, а также поперечный профиль участка бурения, местоположение скважины относительно оси и кромок проезжей части и положение участка в плане и продольном профиле.
Рис. 52. Карточка результатов бурения дорожной одежды
При проведении бурения на покрытии при помощи установок, смонтированных в кузове автомобиля или на двухосных прицепах, надлежит принимать ряд мер предосторожности:
1. До начала бурения под колеса автомобиля должны быть подложены упоры, а автомобиль поставлен на ручной тормоз.
2. Необходимо проверить, что тросы и движущиеся части агрегата не касаются вещей в кузове и частей автомобиля.
3. Управлять рычагами бурового агрегата разрешается только шоферу автомобиля-лаборатории или специалисту механику, прошедшему инструктаж по буровым работам. Всем остальным браться за рычаги управления категорически воспрещается.
4. При работе бурового агрегата в кузове автомобиля может находиться только механик.
5. Высверливание кернов из покрытия при станке, работающем от двигателя автомобиля, разрешается только на низких передачах из-за возможности обрыва троса. Запрещается доливать воду в вертлюг во время спуска или подъема снаряда. Подъем снаряда можно производить только при отпущенном тросе нажимной лебедки.
6. До начала какой-либо работы с буровым инструментом под автомобилем (смена колонковой трубы, коронки, выбивание керна и т.д.) необходимо тщательно закреплять предохранительный хомут на шестиграннике.
Движение автомобиля с колонковой трубой на шестиграннике на месте работ с одного поперечника на другой допускается только на II передаче, со скоростью не выше 5 - 7 км/час.
При переездах на большее расстояние колонковая труба должна быть снята с шестигранника, последний поднят в крайнее верхнее положение и тщательно закреплен предохранительным хомутом.
На каждом избранном для испытаний поперечнике закладывают 2 и 3 скважины (лунки). Среднюю скважину бурят по оси проезжей части, а крайние на расстоянии 0,6 - 0,8 м от кромки покрытия. Крайние скважины могут быть заменены ровиками или шурфами, отрываемыми у кромки покрытия. Лунки и скважины следует устраивать на неповрежденных участках покрытия. После окончания обследований скважины или лунки тщательно заделывают тем же материалом, из которого построено покрытие.
Расстояние между промерными поперечниками назначают в зависимости от типа дорожной одежды, ее конструктивных особенностей, однородности и состояния, но не реже чем через 2 - 3 км. На однородных бетонных покрытиях с земляным полотном из однотипных грунтов расстояние между промерными поперечниками может быть увеличено до 5 км. В этом случае определяющим параметром является состояние покрытия и возвышение бровки земляного полотна. На гравийных и щебеночных покрытиях расстояние между поперечниками нередко приходится сокращать до 1,0 км, а иногда и менее.
В журнале промеров фиксируют границы участков, на которые распространяются характеристики, полученные на данном поперечнике.
С каждого характерного участка отбирают не менее одного образца для анализа материалов дорожной одежды. В лаборатории, желательно полевой, определяют гранулометрический состав несвязных материалов отдельных конструктивных слоев дорожной одежды по стандартной методике просеиванием на ситах (при фракциях крупнее 0,1 мм) или с помощью пипетки (при фракциях мельче 0,1 мм). Плотность основания оценивают по отношению фактического объемного веса скелета грунта δфск к максимальному объемному весу скелета грунта при стандартном уплотнении δстск. Для этой цели отбирают пробу весом 3 кг. Влажность материала основания определяют в лаборатории по отношению фактической весовой влажности Wфф к полной максимальной влагоемкости Wmaxвл. Полную влагоемкость, необходимую для определения относительной влажности, находят по формуле:
(35)
где: δск - объемный вес материала, г/см3;
Δ - удельный вес материала, г/см3.
Весовую влажность определяют способом высушивания образцов в термостатах или сушильных шкафах.
Испытания на прочность, истираемость, морозостойкость, а также контрольные определения содержания битума в усовершенствованных покрытиях и другие свойства выполняют в стационарных лабораториях на образцах весом 10 кг.
Образцы из цементобетонных покрытий, в виде высверленных кернов, отправляют в лабораторию для оценки качества бетона в количестве не менее 3-х кернов с каждого поперечника. Наиболее рациональным методом в этом случае является испытание бетонных кернов на раскол по боковой поверхности. Этот метод более точно характеризует напряженно-деформированное состояние покрытия, чем прочность бетона на сжатие. Прочность бетона на растяжение при расколе определяют по формуле:
(36)
где: p - разрушающая нагрузка, равномерно распределенная по длине керна, кг;
d - диаметр керна, см;
h - высота керна, см.
Прочность бетона на растяжение при изгибе получают умножением Rраск на коэффициент K = 1,7 - 1,9.
Оценку качества бетона можно выполнить и в полевых условиях, применяя акустические методы оценки прочности.
Образцы асфальтобетонных и обработанных органическими вяжущими материалами слоев дорожной одежды подвергают в стационарных лабораториях предварительному экстрагированию вяжущих материалов и дальнейшей оценке гранулометрического состава минерального скелета (рис. 53). Для этой цели отбирают по одному образцу с поперечника.
Рис. 53. Кривая гранулометрического состава минеральной части асфальтобетона
По результатам бурения, в зависимости от гранулометрического состава, качества и состояния материала в отдельных слоях дорожной одежды оценивают модуль деформации (или упругости). Полученные в процессе промера скважин толщины конструктивных слоев и определенные модули деформации каждого слоя позволяют вычислить по формулам теории прочности нежестких дорожных одежд фактический эквивалентный модуль деформации всей дорожной одежды на рассматриваемом поперечнике. Расчетная величина модуля деформации может быть принята ориентировочно за показатель фактической прочности дорожной одежды.
На рис. 51 модули деформации, вычисленные по результатам бурения, указаны пунктирной линией (Eδср).
Более точную оценку прочности дорожной одежды получают путем испытания непосредственным измерением на дороге в полевых условиях пробным нагружением статическими и динамическими нагрузками, а также акустическими или радиометрическими методами. Последние пока еще применяют в порядке опытных исследовательских работ, результаты которых еще не доведены до возможности внедрения в массовую практику. Выбор метода испытаний обычно определяется типом дорожной одежды, наличием оборудования и направлением обследований.
Сущность статических методов заключается в измерении вертикальных деформаций, возникающих при нагружении дорожной одежды через жесткий дискообразный штамп (рис. 54 а, б) или при нагружении колесом расчетного автомобиля (рис. 55). Схема штампа приведена на рис. 48.
Рис. 54, а. Оценка прочности дорожной одежды вдавливанием жесткого штампа

Рис. 54, б. Общий вид рычажного пресса МАДИ
Рис. 55. Оценка прочности дорожной одежды рычажными прогибомерами
В первом случае штамп должен иметь площадь, равновеликую отпечатку колеса расчетного автомобиля. Нагрузку на штамп увеличивают ступенями до начала затухания деформации после каждого дополнительного нагружения. Эквивалентный модуль деформации или упругости всей дорожной одежды в целом находят из выражения:
(37)
где: p - удельное давление на штамп, кг/см;
D - диаметр штампа, см;
l - абсолютное значение вертикальной деформации, см;
λ - относительная деформация.
В результате регистрации величины вертикальных деформаций при различных ступенях нагружения, соответствующих возрастающим (также ступенями) удельным давлениям, получают криволинейную зависимость, так называемую кривую вдавливания штампа (рис. 56). Очертание кривой вдавливания зависит от условий, в которых работает дорожная одежда. Эта кривая может иметь как выпуклое (наиболее часто встречающееся), так и вогнутое очертание. Последнее указывает на близкое расположение от поверхности грунтового основания жесткого слоя, например, прослойки мерзлого грунта в начальный период оттаивания. Как частный случай, может иметь место прямолинейная зависимость, которой наиболее точно соответствуют теоретические схемы расчета нежестких дорожных одежд.
|
р кг/см2 |
Абсолютный прогиб |
Относительный прогиб |
||||||
|
нагружение |
разгружение |
lср |
lср |
|||||
|
I |
II |
средн. |
I |
II |
средн. |
нагружение |
разгружение |
|
|
0,00 |
0,00 |
0,00 |
0,00 |
0,94 |
1,11 |
1,03 |
0,0000 |
0,0041 |
|
0,81 |
0,24 |
0,31 |
0,23 |
1,07 |
1,31 |
1,19 |
0,0011 |
0,0048 |
|
1,62 |
0,45 |
0,58 |
0,52 |
1,19 |
1,43 |
1,31 |
0,0021 |
0,0052 |
|
2,45 |
0,68 |
0,87 |
0,78 |
1,23 |
1,53 |
1,38 |
0,0031 |
0,0055 |
|
3,28 |
0,90 |
1,14 |
1,02 |
1,37 |
1,61 |
1,47 |
0,0041 |
0,0059 |
|
4,10 |
1,11 |
1,36 |
1,23 |
1,38 |
1,66 |
1,52 |
0,0043 |
0,0061 |
|
4,90 |
1,26 |
1,54 |
1,40 |
1,39 |
1,68 |
1,54 |
0,0056 |
0,0062 |
|
5,73 |
1,37 |
1,66 |
1,52 |
1,37 |
1,64 |
1,52 |
0,0061 |
0,0061 |
Рис. 56. Результаты оценки прочности дорожной одежды вдавливанием штампа
а - ветвь нагружения, б - ветвь разгрузки
Расчетное значение фактического модуля деформации дорожного покрытия определяют по максимально допустимой относительной вертикальной деформации λкр, спрямляя кривую зависимость λ от p на участке от начала координат до соответствующего λкр. В зависимости от степени капитальности покрытия максимально допустимую относительную деформацию принимают в пределах от 0,035 до 0,060.
Этот метод, разработанный в соответствии с методикой расчета дорожных одежд нежесткого типа, предложенной Союздорнии, имеет ряд существенных недостатков, а именно:
а) кратковременное многократное приложение колесной нагрузки заменяется длительным действием усилия, значительно превышающего фактическую нагрузку;
б) значительная продолжительность одного испытания (4 - 5 час) не позволяет оценивать прочность дорожной одежды на маршрутах большой длины;
в) большой вес установки, превышающий 10 т, требует применения специально сконструированных тяжелых прицепов. При вынужденном использовании меньших нагрузок экстраполяция кривой вдавливания штампа до максимально допустимой относительной вертикальной деформации может явиться причиной погрешностей. Применение малых штампов также увеличивает погрешности измерений.
Вместо этого метода получила распространение оценка прочности дорожной одежды рычажными прогибомерами.
Впервые рычажный прогибомер был применен в 1954 г. в США Бенкельманом. В последующие годы рычажные прогибомеры усовершенствованной конструкции получили широкое распространение в США, Польше, Венгрии и других странах. В Советском Союзе конструкция прогибомера рычажного типа была разработана под руководством профессора Н.Н. Иванова (МАДИ) и Центральной научно-исследовательской лабораторией (ЦНИЛ) Гушосдора и выпускается в настоящее время серийно.
В основу метода оценки прочности дорожных одежд нежесткого типа рычажным прогибомером положена величина предельно допустимого упругого прогиба поверхности покрытия в наиболее неблагоприятный период года под колесом груженого автомобиля. За расчетный принят груженый автомобиль МАЗ-200 с нагрузкой на колесо 4550 кг и давлением в шинах 4,5 кг/см2.
Величина предельно допустимых прогибов была установлена на основании результатов обследования автомобильных дорог и анализа зарубежных исследований с учетом перспективной интенсивности и состава движения, а также типа покрытия.
Значения допустимых прогибов асфальтобетонных покрытий, в зависимости от требуемого по интенсивности движения модулей деформации, приведены в табл. 44.
Таблица 44
|
Требуемый модуль длительной упругости, кг/см2 |
Допустимый прогиб асфальтобетонного покрытия, мм |
|
|
700 |
2260 |
0,75 |
|
600 |
1950 |
0,85 |
|
560 |
1820 |
0,95 |
|
500 |
1620 |
1,05 |
|
380 |
1230 |
1,40 |
|
300 |
970 |
1,75 |
Величины предельно допустимого прогиба, параметры расчетного автомобиля и допустимые модули упругости связаны между собой зависимостью:
(38)
где: p - удельное давление колеса автомобиля на покрытие (p = 1);
p0 - давление воздуха в шинах (кг/см2);
D - диаметр круга, площадь которого равна отпечатку колеса автомобиля.

Для определения допустимой величины прогиба с учетом интенсивности движения в процессе обследований следует использовать график, приведенный на рис. 57.
Рис. 57. График определения допустимых модулей длительной упругости и прогибов дорожной одежды при испытании колесом автомобиля в зависимости от интенсивности движения
1 - дорожные одежды капитального типа, 2 - дорожные одежды облегченного типа
При измерении прогибов прогибомер устанавливают между спаренными задними колесами автомобиля, точно в середине зоны контакта, и берут отсчет по индикатору, прикрепленному к балке. Затем автомобиль тихо отъезжает и после прекращения упругого поднятия покрытия берут второй отсчет по индикатору.
По разности отсчетов вычисляют величину упругого прогиба поверхности дорожной одежды в точке измерения. Для контроля измерения повторяют через 5 м. Если величина прогибов при двух измерениях отличается не более чем на 10 - 15 %, то за расчетный принимают средний арифметический прогиб, который и характеризует прочность участка. В случае больших расхождений измерения повторяют в третьей точке и из трех полученных значений одно, сильно отличающееся от остальных, отбрасывают, а из двух вычисляют среднее арифметическое.
Для ускорения измерений вместо повторных промеров после перемещения автомобиля можно одновременно измерять прогибы под обоими колесами оси автомобиля двумя прогибомерами (см. рис. 55).
Величину упругого прогиба при нагружении дорожной одежды колесом расчетного автомобиля можно измерять также точными геодезическими инструментами или специально сконструированными оптическими приборами.
Динамические методы оценки прочности заключаются в измерении деформации дорожной одежды при кратковременном приложении нагрузки, продолжительность действия которой близка к продолжительности действия колеса автомобиля. Для этой цели применяют ударные приборы, принцип работы которых основан на регистрации вертикальных деформаций дорожной одежды в момент удара о металлический штамп сброшенного с определенной высоты груза. В СССР такой прибор разработан в МАДИ канд. техн. наук Ю.М. Яковлевым и выпускается серийно. Для регулирования продолжительности нагрузки и в известной степени моделирования действия шины удар передается на штамп через пружину определенной жесткости.
По известным величинам веса падающего груза, вертикальной деформации дорожной одежды, степени жесткости пружины и высоты, с которой падал груз, вычисляют величину динамического усилия и длительности ударного действия нагрузки.
Модули длительной упругости вычисляют как отношение удельного давления на штамп к относительной вертикальной упругой деформации дорожной одежды.
Рассчитанные по данным измерений модули деформации или упругости записывают в графу 12 (рис. 51) линейного графика дорожной одежды. Затем вычисляют коэффициент запаса прочности делением фактического модуля деформации на требуемый.
По величине коэффициента запаса прочности дорожной одежды рассчитывают необходимое усиление или фиксируют соответствие фактической прочности дорожной одежды требованиям движения. Затем анализируют изменения величины коэффициента запаса по длине дороги, отмечая участки с Kз > 1; Kз = 1 и Kз < 1, и для каждого участка делают проверку уменьшения коэффициента запаса прочности дорожной одежды по изменению грузонапряженности дороги по сравнению с предусмотренной по проекту.
(39)
Для участков с коэффициентом запаса прочности больше 1 вычисляют сроки наступления потребности в усилении дорожной одежды по формуле:
(40)
где: Kmin ≥ 0,8, q = 1,02 - 1,05.
По результатам расчета намечают план организации работ по усилению дорожной одежды на всем протяжении маршрута.
Совместный анализ коэффициентов запаса прочности дорожной одежды (графа 13 рис. 51) и коэффициента службы покрытия (графа 2) позволяет оценить полную или частичную работоспособность дороги.
Ровность дорожного покрытия является одним из основных показателей, характеризующих транспортно-эксплуатационные качества дороги. От ровности зависит максимально возможная скорость движения автомобиля и, следовательно, время доставки грузов, расход топлива, износ резины, конструктивные элементы автомобиля, межремонтные пробеги автомобилей и себестоимость перевозок, безопасность и удобство движения.
Степень ровности характеризуется количеством, размерами и расположением неровностей на поверхности дорожной одежды.
В зависимости от формы и расположения на покрытии различают три основные группы неровностей:
возвышения и впадины - неровности с пологими краями различных размеров, беспорядочно разбросанные по поверхности покрытия. Характерной особенностью неровностей этого типа является их малая глубина по сравнению с площадью. Такие неровности могут появиться в результате неравномерной осадки основания, неравномерного уплотнения покрытия, просадок, вследствие интенсивного движения тяжелых автомобилей, нарушения технологии ямочного ремонта;
выбоины - углубления на поверхности покрытия с довольно крутыми краями, возникающие в результате выбивания материала покрытия колесами;
волны («гребенка»), т.е. неровности в виде поперечных валов и понижений с пологими краями, примерно одинаковых размеров, более или менее равномерно чередующиеся вдоль покрытия. Расстояние между гребнями обычно меняется в пределах 0,8 - 1,5 м.
При проезде по волнистой поверхности возникают резкие колебания колес и кузова автомобиля, близкие к вибрации, которые приводят к быстрому износу автомобиля и вызывают неприятные ощущения у пассажиров и водителя.
Все существующие в настоящее время приборы для оценки ровности дорожных покрытий по основному их назначению можно объединить в две группы:
1. Приборы, в основе конструкции которых положено измерение микропрофиля поверхности покрытий относительно условной линии.
Работа с этими приборами для характеристики большого участка дороги требует значительных затрат времени. Приборы первой группы используют поэтому при исследовательских работах или при выборочной проверке во время приемки дорог.
2. Приборы, оценивающие размер неровностей по характеру их воздействия на движущийся экипаж, т.е. измеряющие амплитуду и ускорения кузова при проезде автомобиля по неровному покрытию.
К первой группе приборов относятся разнообразные конструкции реек, профилографов и профилометров. К ним же могут быть отнесены установки, работающие на принципе токов высокой частоты и ультразвука.
Простейшим прибором этой группы является деревянная или металлическая рейка длиной 3 м (рис. 58).
Рис. 58. Трехметровая деревянная рейка для оценки ровности дорожных покрытий
а - база рейки длиной 3 м, б - рукоять для переноски, в - клиновидный шаблон для оценки просвета между рейкой и поверхностью покрытий
Ровность покрытия оценивают по величине просвета между поверхностью покрытия и нижней кромкой рейки, уложенной на проезжую часть. Качество покрытия определяют промером участка дороги определенной длины (обычно 300 м) и по процентному соотношению величины просветов оценивают ровность.
Допускаемое процентное соотношение и величину просветов меняют в зависимости от типа покрытия (усовершенствованные капитальные - 3 мм, усовершенствованные облегченные - 7 мм, переходные - 10 мм, основания - 15 мм).
Качество покрытий по ровности оценивают согласно табл. 45.
Таблица 45
|
Качество |
Процент просветов < 3 мм |
Процент просветов < 5 мм |
|
|
Цементобетонные |
отличное |
≥ 40 |
0 |
|
хорошее |
≥ 20 |
0 |
|
|
удовлетворительное |
< 20 |
100 |
|
|
Асфальтобетон |
отличное |
≥ 70 |
0 |
|
хорошее |
≥ 50 |
0 |
|
|
удовлетворительное |
< 50 |
100 |
Для быстрого измерения величины просвета под рейкой используют специально изготовленные для этой цели клинообразные шаблоны, каждая ступенька которых соответствует просвету определенной величины (рис. 58).
В литературе опубликовано много вариантов различных конструкций реек, снабженных различными полуавтоматическими приспособлениями в виде сигнальных устройств (звонки, световой сигнал, окрашивание неровностей краской и т.д.).
Дальнейшее развитие идея трехметровой рейки получила в виде различных конструкций профилографов.
В начале 60-х годов на кафедре «Теоретической механики» МАДИ совместно с ЦНИЛ Гушосдора Министерства автомобильного транспорта и шоссейных дорог РСФСР была разработана аппаратура для скоростной записи микропрофиля автомобильных дорог, позволяющая оценивать с высокой степенью точности ровность дорожного покрытия. Микропрофиль дорожного покрытия записывается на магнитофонную ленту, расшифровка и статическая обработка которой осуществляется на аналоговой машине. Аппаратура позволяет измерять неровности на маршрутах большого протяжения со скоростью 60 км/час, обеспечивая при этом точность около 10 %.
Патентов на приборы типа профилографов в последнее время появилось большое количество, однако конструкции, пригодной для широкого практического использования, до сих пор не создано. Трехметровая рейка по-прежнему остается наиболее простым, надежным, но крайне трудоемким приспособлением, имеющим самое широкое распространение во всех странах мира.
Ко второй группе приборов, основанных на косвенной оценке ровности покрытия по силовым воздействиям, передающимся на автомобиль, относятся акселерометры, предназначенные для регистрации вертикальных ускорений при проезде автомобиля по неровной дороге, и толчкомеры, регистрирующие сумму прогибов рессор при проезде автомобиля по дороге.
Из всех приборов второй группы наиболее широкое распространение получил толчкомер, разработанный в Харьковском автомобильно-дорожном институте под руководством проф. А.К. Бируля. Более совершенный прибор, устанавливаемый на прицепе, несколько отличный по своей конструкции от толчкомера ХАДИ, применяется в США под названием «интегратор толчков» (рис. 59).
Рис. 59. Интегратор толчков (США)
1 - прицепная серьга, 2 - крепление рессоры, 3 - контактный счетчик оборотов, 4 - колесо, 5 - стоп-сигнал, 6 - интегратор толчков, 7 - амортизатор, 8 - трос интегратора, 9 - шина
Толчкомер ХАДИ состоит из счетного механизма, храповой муфты, зубчатого колеса, зубчатой рейки и крепежных деталей для установки счетного механизма в кузове автомобиля и закрепления переходного стержня от зубчатой рейки к заднему мосту автомобиля. Толчкомер устанавливают в кузове легкового или грузового автомобиля на специальном крепежном устройстве.
По своей простоте и безотказности действия толчкомер очень удобен для оценки ровности дороги в повседневной деятельности дорожно-эксплуатационных организаций и при оценке транспортно-эксплуатационных характеристик автомобильных дорог. Прибор дает достаточно надежные показания при обеспечении стандартности методики проведения испытаний.
При обследовании дорог кафедра «Проектирования дорог» МАДИ применяет для измерения ровности дорожных покрытий в качестве основного прибора толчкомер системы ХАДИ, установленный на автомобиле М-22 типа «Волга» с кузовом универсал. На толчкомере ХАДИ, установленном за спинкой заднего сидения автомобиля, зубчатое колесо заменено текстолитовым шкивом, а зубчатая рейка - гибким стальным тросиком, один конец которого жестко прикреплен к середине моста, а другой через пружину, обеспечивающую натяжение тросика, прикреплен к задней дверце автомобиля (рис. 60). Подобная полужесткая система передачи прогиба рессор от заднего моста автомобиля к толчкомеру имеет ряд преимуществ по сравнению с жесткой реечной передачей, предусмотренной первоначальной конструкцией, так как устраняет вертикальные перемещения зубчатой рейки внутри кузова.
Рис. 60. Схема установки толчкомера ХАДИ на автомобиле М-22
1 - толчкомер, 2 - гибкий стальной тросик, 3 - пружина
На очень неровных дорогах при резком сжатии рессор рейка может выбить заднее стекло автомобиля.
Подготовка к оценке ровности заключается в подборе необходимой полевой документации, проверке исправности толчкомера, автомобиля и в их тарировке на специальных тарировочных участках с заранее известной ровностью. Такие участки выбраны кафедрой «Проектирования дорог» на подмосковных дорогах с прочными бетонными покрытиями, ровность которых остается неизменной в течение ряда лет.
К моменту выезда на измерения в автомобиле должны находиться: лента для толчкомера шириной 35 мм из расчета 2 м ленты на 100 км пробега, катушка ленты для пишущей машинки шириной 13 мм, два мягких карандаша, ведомости из расчета 1 страница бланка на 20 км дороги, бумага для записи отсчетов и вычисления их разности и секундомер для тарировки спидометра автомобиля.
Проверка толчкомера заключается в проверке рабочих механизмов при раскачивании кузова автомобиля на рессорах и в прочистке и регулировании буквопечатающего механизма, который должен давать четкие отпечатки на ленте.
Подготовка автомобиля прежде всего состоит из проверки его веса, который должен сохраняться постоянным в продолжение всех измерений.
Особое внимание следует уделить проверке состояния шин и контролю давления в них воздуха, которое в продолжение всех измерений должно быть постоянным. Не рекомендуется проводить измерения на автомобилях с шинами, полученными из капитального ремонта, из-за неравномерной их жесткости. Следует учитывать, что давление воздуха в шинах и упругость амортизаторов стабилизируется не сразу после начала движения. К непосредственным измерениям следует приступать лишь после 15 - 20 километрового холостого пробега.
Спидометр автомобиля (указатель скорости и счетчик пройденного пути) проверяют по секундомеру по продолжительности проезда участка между километровыми столбами. Водитель должен точно выдерживать при проезде постоянную скорость. По результатам тарировки на стекле спидометра наносят восковым карандашом деление, соответствующее правильной скорости. Тарировку спидометра ведут при тех же нагрузках на автомобиль и давлении в шинах, при которых будет выполняться толчкометрирование.
Перед выездом на обследования необходимо провести пробный проезд с целью выяснения исправности автомобиля и толчкомера.
Полевые измерения состоят из проезда автомобиля с установленным на нем толчкомером при определенной и равномерной скорости движения по обследуемому участку дороги (не более 100 км в день). По каждой из полос движения делают не менее двух проездов, а при наличии расхождения в полученных данных, и третий - выборочно по участкам, на которых показания толчкомера после двух проездов имеют расхождения более 10 %.
В состав бригады по измерению ровности входят: водитель автомобиля и два оператора. Один оператор, сидящий на заднем сидении, наблюдает за счетчиком пути, своевременно берет отсчет при проезде створа километрового столба и сообщает второму оператору цифры отпечатанного на ленте отсчета. В обязанность второго оператора входит контроль скорости движения по секундомеру, вычисление разности последовательных отсчетов, с занесением ее в ведомость и регистрация в ведомости случаев отступления от равномерного движения с постоянной скоростью (обгон, торможение, вынужденная остановка и т.д.), а также запись на основании визуальной оценки состояния покрытия. В ведомости следует заносить наиболее характерные дефекты покрытия (гребенка, просадка, волны, выбоины и т.д.). Так как трудно писать в движущемся с большой скоростью автомобиле, целесообразно использовать портативный магнитофон и диктовать все необходимые данные. Ленты должны храниться как справочный документ до составления и сдачи отчета.
Операторы при работе следят за соблюдением постоянства веса автомобиля и величины давления воздуха в шинах, а также за соответствием траектории движения автомобиля середине полосы движения. Вес автомобиля, давление воздуха в шинах, погодные условия и состояние покрытия регистрируют ежесуточно в ведомости обработки толчкограмм. До начала измерений на ленте толчкомера записывают название дороги, дату проведения измерения и полосу (правая, левая, внутренняя или наружная) движения, а также километр начала измерений.
Скорость движения при испытаниях должна быть постоянна - 60 км/час, за исключением сложных и опасных для движения участков (очень неровное покрытие, узкая улица в населенном пункте, высокая интенсивность движения при узкой проезжей части и т.д.). В подобных случаях скорость движения снижают до 40 км/час с соответствующей пометкой в ведомости. В случае резкой разницы в ровности отдельных участков покрытия или при наличии препятствий, требующих снижения скорости ниже 40 км/час, или объезда препятствия с остановкой перед ним (ямы при въезде на мост, перекопанное покрытие в населенном пункте и т.д.) следует делать промежуточные отсчеты, привязанные к показаниям спидометра перед торможением автомобиля. Требование соблюдения постоянства скорости движения отнюдь не означает возможности допущения каких-либо нарушений правил движения или техники безопасности.
В процессе испытаний запас топлива постоянно убывает. Через каждые 100 км пробега необходимо компенсировать его загрузкой в багажник балласта весом 15 кг.
Отработку результатов измерений начинают, определяя показатель ровности покрытия (разности отсчетов) на каждом километре по каждому проходу автомобиля и вычисляя средние значения, которые записываются в ведомость обработки толчкограмм (табл. 46). После окончания измерений в тот же день производят окончательную расшифровку показаний толчкомера и увязку с километражем дороги. Ленту толчкомера наклеивают в журнал измерений, в котором указывают дату испытаний, наименование дороги, километраж участка. В графу примечаний ведомости обработки толчкограмм заносят отступления от равномерного режима движения, а также границы изменения типа покрытия и его состояния.
Таблица 46
Ведомость обработки толчкограмм
Дорога Т-ом - Д-ов, автомобиль «Волга» № 17-30 ЮАД
Дата 30/IX-60 г. Солнце, сухо, вес 1880 кг, давление воздуха в шинах 2,0 кГ/см2, скорость 60 км\час
После окончания обработки толчкограмм вычерчивают графики ровности дорожного покрытия (рис. 61).

Рис. 61. График ровности участка дороги
Ровность покрытия оценивают по шкале максимальных показателей (табл. 47).
Таблица 47
|
Скорость 60 км/час |
Скорость 40 км/час |
|||||
|
отл. |
хор. |
удовл. |
отл. |
хор. |
удовл. |
|
|
Цементобетон, асфальтобетон и покрытия, обработанные органическими вяжущими веществами |
50 80 |
100 140 |
200 300 |
40 50 |
80 100 |
150 250 |
|
Щебеночные и гравийные покрытия |
140 200 |
250 350 |
500 700 |
100 150 |
200 300 |
400 600 |
|
Булыжная мостовая |
200 300 |
350 500 |
700 1000 |
160 200 |
300 400 |
555 800 |
Примечание. Приведенные значения справедливы для измерений на автомобиле М-22 «Волга». В числителе - значения для случая измерений с бескамерными шинами, в знаменателе - с камерными шинами.
В случае применения нестандартного автомобиля, для которого отсутствуют данные шкалы максимальных показателей, необходимо провести до измерений специальный проезд совместно с другим, стандартным автомобилем, и по полученным данным построить корреляционную зависимость (рис. 62), по которой пересчитать значения шкалы максимальных показателей для применяемого автомобиля. Аналогичную корреляцию можно установить при толчкометрировании на тарировочном участке. В этом случае второго, стандартного автомобиля не требуется, так как для тарировочного участка при толчкометрировании стандартным автомобилем они известны.
Рис. 62. График зависимости показаний толчкомеров, установленных на автомобилях М-21 «Волга» (МАДИ) и М-20 «Победа» (ХАДИ)
При значительной длине участка дороги анализ ровности покрытия крайне затруднен большим количеством разнообразных показаний толчкомера, поэтому для обработки применяют методы математической статистики. Статистическая обработка выполняется по участкам, обслуживаемым разными ДЭУ, или по участкам с однотипным покрытием.
Выборку частоты, как правило, производят по интервалам через 25 см/км, заполняя таблицу, на основе которой строят кривые распределения и накопления частот. В табл. 48 приведен пример вычисления данных, необходимых для построения кривых распределения и накопления частот. При этом использованы показатели ровности, полученные в процессе полевых измерений на участке с асфальтобетонным покрытием (километры 27 - 40), выбранные из ведомости обработки толчкограммы (см. табл. 46), как для участка с однородным покрытием.
Таблица 48
Рабочая таблица для расчета распределения частот показателей толчкомера
|
№ п.п. |
Интервал показателей ровности |
Плотность распределения |
Частота, шт. |
Частота, % |
|
1 |
150 - 175 |
III |
3 |
12 |
|
2 |
175 - 200 |
IIIII |
5 |
20 |
|
3 |
200 - 225 |
IIIII |
5 |
20 |
|
4 |
225 - 250 |
IIII |
4 |
16 |
|
5 |
250 - 275 |
II |
2 |
8 |
|
6 |
275 - 300 |
I |
1 |
4 |
|
7 |
300 - 325 |
II |
2 |
8 |
|
8 |
325 - 350 |
I |
1 |
4 |
|
9 |
350 - 375 |
II |
2 |
8 |
|
|
Всего ... |
25 |
25 |
100 % |
На основании данных этой таблицы построены кривые (рис. 63) распределения и накопления частот для правой и левой полос участка с асфальтобетонным покрытием (километры 27 - 40).
Рис. 63. Гистограмма распределения и кривая накопления частот
Кроме того, вычисляют следующие характеристики:
а) среднюю арифметическую величину показателя ровности (Sср), по которой можно оценить ровность всего маршрута или его отдельных участков;
б) моду M, величина которой характеризует наиболее часто встречающиеся показания толчкомера;
в) медиану Me, определяющую среднюю величину статистического ряда;
г) коэффициент вариации Cv, характеризующий среднее квадратическое отклонение показателей ровности от их среднего арифметического значения;
д) коэффициент асимметрии Cs, оценивающий форму кривой распределения, т.е. расположение средней арифметической относительно моды;
е) среднее квадратическое отклонение σ, характеризующее величину отклонения отдельных значений от средней и меру их отличия друг от друга.
Рассмотрим пример статистической обработки показателей ровности на основе показателей толчкомера для правой полосы участка дороги с асфальтобетонным покрытием (километры 27 - 40). Показатели ровности возьмем из ведомости обработки толчкограмм (табл. 46).
Из ведомости имеем:
число показаний толчкомера n = 13,
сумма показаний.................... ![]()
Вычисляем среднее арифметическое из 13 показаний:
![]()
затем вычисляем отклонение показателя
ровности от среднего -
, разности (K - 1), их квадраты и кубы. Вычисления сводим в таблицу 49.
Таблица 49
Рабочая таблица статистической обработки показателей ровности (километры 27 - 40, правая полоса движения)
|
K |
K - 1 |
(K - 1)2 |
(K - 1)3 |
|
|
272 |
1,21 |
+0,21 |
0,044 |
+0,009 |
|
332 |
1,46 |
+0,46 |
0,212 |
+0,101 |
|
174 |
0,78 |
-0,22 |
0,048 |
-0,011 |
|
210 |
0,93 |
-0,07 |
0,005 |
- |
|
218 |
0,96 |
-0,04 |
0,002 |
- |
|
166 |
0,73 |
-0,27 |
0,073 |
-0,020 |
|
156 |
0,69 |
-0,31 |
0,096 |
-0,030 |
|
224 |
0,99 |
-0,01 |
- |
- |
|
197 |
0,87 |
-0,13 |
0,017 |
-0,002 |
|
184 |
0,81 |
-0,19 |
0,036 |
-0,007 |
|
288 |
1,27 |
+0,27 |
0,073 |
+0,020 |
|
256 |
1,13 |
+0,13 |
0,017 |
+0,002 |
|
266 |
1,17 |
+0,17 |
0,029 |
+0,005 |
|
2943 |
13,00 |
|
0,652 |
+0,137 |
По данным таблицы вычисляем коэффициент вариации:
![]()
коэффициент асимметрии:
![]()
среднеквадратическое отклонение:
σ = Cv · Sср = 0,232 · 226,4 = 50,5 см/км
и случайную ошибку в определении средней:
![]()
или в %: ![]()
Анализ графиков и выражений статистической обработки позволяет оценить не только ровность всего маршрута в целом, но и выяснить характерные особенности состояния дорожного покрытия. Так, например, кривая накопления частот позволяет определить общее протяжение отдельных участков дороги с ровностью, которая характеризуется конкретной величиной показания прибора. На графике рис. 63 видно, что большинство участков имеют ровность в пределах от 150 до 250 см/км, кривая накопления частот указывает на то, что в таких пределах показания толчкомера имеют 68 % из всех измеренных километров, а удовлетворительную оценку имеют 80 % всех участков.
Форма кривых распределения, а именно их асимметричность, указывают на транспортно-эксплуатационные качества дорожного покрытия. Чем ближе форма кривой приближается к нормальной, симметричной, тем лучше транспортно-эксплуатационные качества покрытия. Для рассматриваемого участка дороги (правой полосы) отчетливо видно на графике распределения шлейф, вытянутый в сторону высоких показателей толчкомера. Это указывает на наличие участков с весьма неудовлетворительной ровностью, которые требуют немедленного ремонта. Об этом же свидетельствуют и значения коэффициентов вариации и асимметрии, величины которых имеют весьма высокие значения.
При многократном проведении измерений ровности можно судить об изменениях качества покрытия во времени. Об улучшении ровности в этом случае свидетельствуют уменьшение среднеквадратического отклонения, медианы и среднеарифметической величин, а также сдвиг асимметрии в сторону более низких показателей.
Исследования изменений ровности на ряде дорог во времени показали ухудшение ровности в первые два - три года после постройки. Это является признаком начала формирования земляного полотна и уплотнения покрытия. В последующие годы наблюдается стабилизация ровности с незначительными колебаниями в зависимости от климатических условий, типа грунтов земляного полотна и осенне-зимнего водно-теплового режима. Более существенные изменения ровности наблюдаются по сезонам года. В начале весны, в период оттаивания грунтового основания, отмечено ухудшение ровности. Особенно заметное изменение ровности наблюдалось на участках со слабой дорожной одеждой и на наиболее грузонапряженных участках. В этот период кривые распределения изменяют свою форму, асимметрия их увеличивается в сторону более высоких показателей. В последующий период, примерно с середины июня, на дорогах центральной полосы нашей страны происходит закатывание неровностей автомобилями. Ровность улучшается и на этом уровне сохраняется в продолжение всего летнего периода. В некоторых случаях может наблюдаться ухудшение ровности в особенно жаркий период года за счет деформации поверхностной обработки и асфальтобетонного покрытия в виде сдвигов и наплывов. Причиной ухудшения ровности цементобетонных покрытий в периоды с высокой температурой воздуха может служить поднятие плит из-за заклинивания швов.
Важным показателем качества дорожных покрытий является их шероховатость, обеспечивающая надежное сцепление колес автомобилей с покрытием.
Основной характеристикой степени шероховатости дорожных покрытий служит величина сцепления с ними колес автомобиля (коэффициент сцепления). Коэффициент сцепления определяют по отношению максимального тягового усилия, возникающего при скольжении полностью заторможенного колеса в плоскости контакта с покрытием, к давлению колеса на дорогу.
Для оценки шероховатости покрытий предложено большое количество различных методов и приборов, их можно объединить в две большие группы:
приборы и методы, непосредственно оценивающие шероховатость покрытия;
приборы для измерения коэффициента сцепления.
К первой группе относятся приборы и методы, позволяющие оценивать шероховатость по записанному механическим способом или полученному в результате обработки стереофотографий микропрофиля поверхности покрытия. В этом случае шероховатость оценивают по средним величинам высоты неровностей, угла при вершине выступов и шага неровностей (рис. 64). К этой же группе относят приборы, позволяющие по отраженному от поверхности покрытия ультразвуковому или световому лучу оценить шероховатость покрытия. Характеристикой шероховатости в этом случае служит отражательная способность поверхности покрытия. Шероховатость можно оценивать и по действительной площадке контакта пневматической шины колеса с поверхностью покрытия. Для этого тем или иным способом получают отпечаток выступающих из поверхности покрытия частиц минерального материала, которые находятся в непосредственном контакте с пневматической шиной. По проценту отпечатанных выступов (по площади их отпечатков) оценивают шероховатость покрытия.
Рис. 64. Основные характеристики шероховатости
h - высота неровностей, b - шаг неровностей (расстояние между выступами), α - угол при вершине
![]()
![]()
![]()
Из существующих в настоящее время приборов этой группы наиболее совершенными являются разработанные на кафедре «Проектирования дорог» МАДИ канд. техн. наук Э.Г. Подлихом дорожный профилограф (рис. 65) и оптический прибор (рис. 66) конструкции канд. техн. наук В.П. Залуги, оценивающий шероховатость по коэффициенту отражения луча света, направленного на покрытие под углом.
Рис. 65. Прибор для записи микропрофиля поверхности дорожного покрытия:
1 - рама прибора; 2 - выключатель электродвигателя; 3 - электродвигатель; 4 - эксцентрический вал; 5 - меловая бумага; 6 - запись микропрофиля; 7 - измерительная игла-щуп; 8 - основание прибора; 9 - измеряемая поверхность
Рис. 66. Прибор для оценки шероховатости дорожного покрытия:
1 - источник света; 2 - трехлинзовый конденсатор; 3 - объектив; 4 - отражатель; 5 - зеркало; 6 - двухлинзовый конденсатор; 7 - черные матовые пластины; 8 - фотоэлемент; АВ - прорезь в корпусе прибора
Практика обследований дорожных покрытий прибором этого типа позволила разработать методику оценки шероховатости. Ориентировочно участки для оценки шероховатости намечают в подготовительный период после ознакомления с материалами, характеризующими тип и конструкцию дорожных покрытий, срок их службы и интенсивность движения. В процессе рекогносцировочного проезда по дороге намеченные участки уточняют путем визуального осмотра их состояния. Во время рекогносцировочного осмотра количество намеченных ранее участков значительно увеличивается за счет уточнения состояния покрытий одного и того же типа. На выбранных для обследований участках намечают поперечники, отражающие шероховатость всего рассматриваемого участка. В среднем, в зависимости от состояния покрытия, намечают один поперечник на километр. На каждом поперечнике оценку шероховатости выполняют по всей ширине проезжей части, назначая первый участок измерений на расстоянии 0,5 м от кромки проезжей части, а последующие через каждый метр друг от друга. На каждом из участков измерения проводят перпендикулярно и параллельно оси дороги, а затем, если результаты не сходятся, дополнительно под углом 45° к одному из ранее замеренных направлений. Таким образом, на каждом участке получают 3 - 4 значения, характеризующие шероховатость покрытия. В соответствии с этой методикой на каждом поперечнике проезжей части шириной 7 м измерения проводят на 7 участках и на каждом из них получают 3 - 4 характеристики шероховатости. В общей сложности на каждом поперечнике получают от 24 до 28 величин. Результаты измерений заносят в ведомость по следующей форме:
Таблица 50
Ведомость оценки шероховатости дорожного покрытия
|
Дата измерений _____________________________________________________________ Дорога _____________________ на участке с ПК ___________ до ПК ________________ Погода ____________________________________________________________________ Температура воздуха: а) на высоте 2-х метров ___________________________________ б) на поверхности покрытия _______________________________ Тип дорожного покрытия ____________________________________________________ Состояние покрытия ________________________________________________________ Дата последнего возобновления покрытия ______________________________________ Характер вяжущего материала ________________________________________________ Природа и размер каменного материала ________________________________________
|
||||||||||||||||||||||||||||||||||||||||||||||||||||||||||||||||||
Методика обработки результатов измерения зависит от задач обследования. Если необходимо дать общую характеристику шероховатости на створе, то пользуются среднеарифметическими величинами. При необходимости оценки шероховатости покрытия на всем протяжении маршрута или отдельных характерных участков - результаты измерений обрабатывают методами, аналогичными рассмотренным выше в разделе оценки ровности. Этот же метод обработки следует применять для выяснения изменений шероховатости или по ширине проезжей части на участке с однородным покрытием, или по всему обследуемому маршруту. В этом случае в обработке участвуют средние значения шероховатости для мест измерений, расположенных на одном определенном расстоянии от кромки проезжей части.
В практике обследований транспортно-эксплуатационных характеристик автомобильных дорог гораздо большее распространение получили приборы второй группы, позволяющие оценивать шероховатость покрытия по величине коэффициента сцепления.
Для оценок коэффициента сцепления могут быть использованы два метода:
по величине тормозного пути,
при помощи динамометрических тележек.
В первом из них в качестве прибора для измерения коэффициента сцепления используется автомобиль, оборудованный отметчиком начала торможения. В качестве отметчика применяют различные приспособления, выбрасывающие на поверхность дороги в момент натяжения тормозной педали жидкую или сухую краску. Сущность метода заключается в торможении автомобиля, двигающегося с определенной скоростью, до полной остановки и в размере длины тормозного пути. Величину коэффициента сцепления вычисляют по формуле:
(41)
где: V - скорость в момент начала торможения, км/час;
Sт - длина тормозного пути по данным измерений, м;
i - продольный уклон участка торможения;
φ1 - коэффициент сцепления.
Для получения надежных результатов, измерения рекомендуется проводить не менее трех раз на одном и том же участке. Этот метод связан с большим износом шин и не может применяться для оценки коэффициента сцепления при высоких скоростях движения, а получаемые данные в значительной степени зависят от интенсивности торможения. Поэтому при обследованиях целесообразнее использовать динамометрические тележки.
При использовании прицепных динамометрических тележек коэффициент сцепления определяют из отношения максимальной тангенсиальной реакции Pт, возникающей в площади контакта шины с покрытием, к давлению Pв, передающемуся через колесо на покрытие:
(42)
Для измерения величины тангенсиальной реакции применяют динамометры различных типов, устанавливаемые в месте сцепки прицепа с тягачом на каком-либо участке дышла или подвески прицепа.
На обследованиях транспортно-эксплуатационных характеристик дорог кафедра «Проектирования дорог» МАДИ применяла динамометрические тележки трех конструкций: одноколесную тележку, предназначенную для работы в сцепе с легковым автомобилем М-21 «Волга», и двухколесные, для работы с автомобилем УАЗ или ГАЗ-51.
Перед испытаниями проверяют готовность автомобиля, динамометрической тележки (проверка основных узлов и агрегатов с контрольным включением их в работу) и полевой документации; проводят рекогносцировочный объезд участка дороги, на котором будут проводиться измерения, намечают программу и календарные сроки выполнения работ раздельно по каждому участку, увязывая с общим календарным планом. После этого проводят тарировку динамографа или другого регистрирующего прибора при статическом нагружении ступенями по 0,05 или по 0,1 т в зависимости от применяемого типа динамометрической тележки. Для тарировки монтируют простейшее нагрузочное приспособление, позволяющее регистрировать показания динамографа при ступенчатом приложении нагрузки к прицепной серьге тележки. Тарировку проводят не менее трех раз при нагружении и разгрузке.
Полевая документация состоит из журнала измерений, ведомости участков, подлежащих измерениям, и журнала для хранения первичной документации (меловой бумаги или осциллографической пленки с записью величины коэффициентов сцепления).
Бригада по измерению коэффициента сцепления состоит из младшего научного сотрудника (инженера), оператора-лаборанта, водителя автомобиля-тягача и водителя поливомоечной машины.
Непосредственно перед измерениями покрытие увлажняется поливомоечной машиной из расчета 1,5 - 2 л/м2.
Измерения состоят из торможения (блокировки) колес динамометрической тележки во время движения автомобиля с определенной скоростью движения в продолжение 1,0 - 2,0 сек. Одновременно включается регистрирующий прибор, записывающий величину тягового усилия.
В процессе измерений младший научный сотрудник ведет журнал, который частично заполняет в поле в период проведения измерений, а окончательно после обработки результатов и проведения необходимых расчетов. В журнале отмечают дату проведения измерений, титул дороги, пикетаж участка, погоду, температуру воздуха и покрытия дороги, дату проведения последнего ремонта покрытия, состояние покрытия, состав материала покрытия, скорость движения, номера лент осциллографа или иного регистрирующего прибора, полосу движения и местоположение оси движения колеса тележки в поперечном профиле (полоса наката, ось проезжей части или между полосами каната).
Обработка результатов измерений заключается в вычислении величины коэффициента сцепления по полученным в процессе измерений величинам тягового усилия. В случае записи на бумажную меловую ленту или пленку осциллографа обработка состоит из определения средней величины ординаты криволинейной записи. Если кривая записи имеет плавный характер (рис. 67), то среднюю линию а - а можно с достаточной степенью точности провести на глаз и непосредственным замером получить величину ординаты. Если же кривая записи имеет вид изрезанной линии, то для обработки целесообразно применить планиметр. Начальный и конечный участок записи с максимальными ординатами, соответствующими небольшим значениям коэффициента сцепления (перемещение колес тележки с частичным проскальзыванием на грани полной блокировки), из последующей обработки следует исключать. Площадь, ограниченную кривой записи и нулевой линией, измеряют планиметром. Среднюю величину ординаты получают делением площади на длину участка, ограниченного линиями I - I и II - II. По полученным ординатам и данным тарировки динамометрической тележки получают тормозное усилие, на основании которого и вычисляют величину коэффициента сцепления.
Рис. 67. Образцы записи коэффициента сцепления
а) - плавная кривая записи, б) - изрезанная кривая записи
Среднее значение коэффициента сцепления для каждого участка определяют путем обработки результатов измерения методом математической статистики. По средним значениям коэффициента сцепления строят график коэффициента сцепления по длине дороги (рис. 68). На этом графике откладывают полученные средние величины для правой и левой полос движения, а также при наличии измерений, для полос наката и оси проезжей части. Кроме того, желательно для каждого характерного участка построить график изменения коэффициентов сцепления в поперечном профиле проезжей части.
В процессе анализа графиков выясняют причины появления участков покрытия с низкими значениями коэффициентов сцепления и разрабатывают рекомендации по приведению их в соответствие с требованиями движения.
Литература
1. Бабков В.Ф. Сочетание автомобильных дорог с ландшафтом. «Высшая школа», 1964.
2. Бабков В.Ф. Дорожные условия и безопасность движения. «Транспорт», 1970.
3. Бабков В.Ф., Ситников Ю.М. Оценка проектных решений и дороги в целом в отношении безопасности движения. Минавтошосдор РСФСР. БТИ. Экспресс-информация «Строительство и эксплуатация автомобильных дорог», № 4 (8), 1966.
4. Бабков В.Ф. Влияние элементов плана и профиля на транспортные качества дорог и безопасность автомобильного движения. Минавтошосдор РСФСР, БТИ. Обзорная информация «Инженерное обеспечение безопасности движения на дорогах», 1967.
5. Бабков В.Ф. Устойчивость земляного полотна автомобильных дорог. «Высшая школа», 1966.
6. Бабков В.Ф., Гербурт-Гейбович А.В. Основы грунтоведения и механики грунтов. «Высшая школа», 1964.
7. Барздо В.И. и др. Новые методы расчета испытания дорожных одежд нежесткого типа. Минавтошосдор РСФСР, НТИ, 1962.
8. Барздо В.И. и др. Методы расчета и оценки прочности нежестких дорожных одежд. «Высшая школа», 1964.
9. Бельский А.Е. Расчеты скорости движения на автомобильных дорогах. «Транспорт», 1966.
10. Бируля А.К. Определение осадок дорожных одежд под нагрузкой точным нивелированием. «Автомобильные дороги», № 6, 1964.
11. Бируля А.К. Эксплуатация автомобильных дорог. «Транспорт», 1966.
12. Защук И.В. Новые методы испытания дорожных материалов и сооружений без разрушения. Автотрансиздат, 1962.
13. Корсунский М.Б. Оценка прочности дорог с нежесткими одеждами. «Транспорт», 1966.
14. Макуни М.А. Полевые лабораторные испытания грунтов и дорожно-строительных материалов. Автотрансиздат, 1967.
15. Некрасов В.К. Классификация ремонтных работ и технико-экономические показатели эксплуатации автомобильных дорог. «Высшая школа», 1966.
16. Пузаков Н.А. Водно-тепловой режим земляного полотна автомобильных дорог. Автотрансиздат, 1960.
18. Сильянов В.В. Обеспечение безопасности движения при проектировании продольного профиля дорог. Минавтошосдор, БТИ. Обзорная информация «Инженерное обеспечение безопасности движения на дорогах», 1967.
19. Палшайтис Э.Л. Режим движения автомобиля в условиях пересеченного рельефа. Труды МАДИ. Вып. 22, «Автотранспорт», 1958.
20. Хавкин К.А., Дашевский Л.Н. Проектирование продольного профиля автомобильных дорог (методы и автоматизация). «Транспорт», 1966.
21. Хорошилов Н.Ф. Временные указания для оценки трассы автомобильных дорог по скорости движения автомобилей. Информационное письмо Союздорнии № 11, 1950.
СОДЕРЖАНИЕ
|
ГОСТЫ, СТРОИТЕЛЬНЫЕ и ТЕХНИЧЕСКИЕ НОРМАТИВЫ. Некоммерческая онлайн система, содержащая все Российские Госты, национальные Стандарты и нормативы. В Системе содержится более 150000 файлов нормативно-технической документации, действующей на территории РФ. Система предназначена для широкого круга инженерно-технических специалистов. Copyright © www.gostrf.com, 2008 - 2026 |